SPRUJC6A December   2024  â€“ July 2025 AM2752-Q1 , AM2754-Q1

 

  1.   1
  2.   Read This First
    1.     About This Manual
    2.     Notational Conventions
    3.     Glossary
    4.     Related Documentation
    5.     Support Resources
    6.     Trademarks
  3. Introduction
    1. 1.1 Overview
    2. 1.2 Module Allocation and Instances within Device Domains
    3. 1.3 Functional Block Diagram
    4. 1.4 Device MAIN Domain
      1. 1.4.1  Audio Asynchronous Sample Rate Converter
      2. 1.4.2  Analog-to-Digital Converter
      3. 1.4.3  Audio Tracking Logic
      4. 1.4.4  DSP C7x
      5. 1.4.5  3-port Gigabit Ethernet Switch (CPSW3G)
      6. 1.4.6  Dual Clock Comparator
      7. 1.4.7  Data Movement Subsystem (DMSS)
      8. 1.4.8  Enhanced Capture Module (ECAP)
      9. 1.4.9  Enhanced Pulse-Width Modulation Module (EPWM)
      10. 1.4.10 Error Signaling Module (ESM)
      11. 1.4.11 Flash Subsystem (FSS) Peripheral
      12. 1.4.12 General Purpose Input/Output Interface (GPIO)
      13. 1.4.13 Inter-Integrated Circuit Interface (I2C)
      14. 1.4.14 Dual-Core Arm Cortex-R5F Processor (R5FSS)
      15. 1.4.15 Mailbox (MAILBOX)
      16. 1.4.16 Controller Area Network (MCAN)
      17. 1.4.17 Multi-Channel Audio Serial Port
      18. 1.4.18 Cyclic Redundancy Check
      19. 1.4.19 Multi-Media Card/Secure Digital Interface (MMCSD)
      20. 1.4.20 Windowed Watchdog Timer/Real Time Interrupt
      21. 1.4.21 Serial Peripheral Interface (SPI)
      22. 1.4.22 Spinlock (SPINLOCK)
      23. 1.4.23 Universal Asynchronous Receiver/Transmitter (UART)
      24. 1.4.24 Universal Serial Bus (USB) Subsystem 2.0
      25. 1.4.25 TIMER
    5. 1.5 Device Top Level Domain
      1. 1.5.1 Dual Clock Comparator
      2. 1.5.2 MCU Error Signaling Module
      3. 1.5.3 General Purpose Input/Output Interface
    6. 1.6 Device WKUP Domain
      1. 1.6.1 Global Time Counter
      2. 1.6.2 Inter-Integrated Circuit Interface (I2C)
      3. 1.6.3 Arm Cortex-R5F Processor (R5FSS)
      4. 1.6.4 Universal Asynchronous Receiver/Transmitter (UART)
      5. 1.6.5 MCU Windowed Watchdog Timer/Real Time Interrupt
      6. 1.6.6 MCU TIMER
    7. 1.7 Device Identification
  4. Memory Map
    1. 2.1 SoC Memory Map View
    2. 2.2 C7x Memory View
    3. 2.3 Device Manager R5F and Main R5F Memory View
    4. 2.4 Memory Map Summary
  5. Interconnect
    1. 3.1 System Interconnect Overview
      1. 3.1.1 Terminology
    2. 3.2 Domain Partition
    3. 3.3 Initiator/Target Connectivity
    4. 3.4 Performance Tuning
      1. 3.4.1 Latency Reduction
      2. 3.4.2 Using Quality of Service (QoS) MMR
      3. 3.4.3 QoS MMR Programming Guide
    5. 3.5 Interconnect Debugging Feature
  6. Module Integration
    1. 4.1  Integration Overview
    2. 4.2  Processors and Accelerators
      1. 4.2.1 DSP (C7X256V)
        1. 4.2.1.1 C7X256V Unsupported Features
        2. 4.2.1.2 Module Allocations
        3. 4.2.1.3 Resets, Interrupts, and Clocks
      2. 4.2.2 Arm Cortex R5F Subsystem (R5FSS)
        1. 4.2.2.1 R5FSS Unsupported Features
        2. 4.2.2.2 Module Allocations
        3. 4.2.2.3 Resets, Interrupts, and Clocks
    3. 4.3  Device Configuration
      1. 4.3.1 Control Module (CTRL_MMR)
        1. 4.3.1.1 Module Allocations
        2. 4.3.1.2 Resets, Interrupts, and Clocks
      2. 4.3.2 Voltage and Thermal Manager (VTM)
        1. 4.3.2.1 Voltage and Thermal Manager Locations
      3. 4.3.3 Power Glitch Detect (PGD)/Power OK (POK)
        1. 4.3.3.1 Resets, Interrupts, and Clocks
    4. 4.4  Interprocessor Communication
      1. 4.4.1 Mailbox
        1. 4.4.1.1 Mailbox Unsupported Features
        2. 4.4.1.2 Resets, Interrupts, and Clocks
      2. 4.4.2 Spinlock
        1. 4.4.2.1 SPINLOCK Unsupported Features
        2. 4.4.2.2 Module Allocations
        3. 4.4.2.3 Resets, Interrupts, and Clocks
    5. 4.5  Interrupts
      1. 4.5.1 GPIOMUX_INTROUTER
        1. 4.5.1.1 Module Allocation
        2. 4.5.1.2 Resets, Interrupts, and Clocks
    6. 4.6  Data Movement Architecture
      1. 4.6.1 Data Movement Subsystem (DMSS)
        1. 4.6.1.1 DMSS Unsupported Features
        2. 4.6.1.2 Module Allocations
        3. 4.6.1.3 Global Event Map
        4. 4.6.1.4 PSI-L System Thread Map
      2. 4.6.2 Block Copy DMA (BCDMA)
        1. 4.6.2.1 Block Copy DMA (BCDMA)
      3. 4.6.3 Peripheral DMA (PDMA)
        1. 4.6.3.1 PDMA Unsupported Features
        2. 4.6.3.2 Module Allocations
      4. 4.6.4 Packet DMA (PKTDMA)
        1. 4.6.4.1 Packet DMA (PKTDMA)
      5. 4.6.5 Interrupt Aggregator (INTR_AGGR)
        1. 4.6.5.1 Interrupt Aggregator (INTR_AGGR)
    7. 4.7  Audio
      1. 4.7.1 Multichannel Audio Serial Port (MCASP)
        1. 4.7.1.1 MCASP Unsupported Features
        2. 4.7.1.2 Module Allocations
        3. 4.7.1.3 Resets, Interrupts, and Clocks
      2. 4.7.2 Asynchronous Audio Sample Rate Converter (ASRC)
        1. 4.7.2.1 ASRC Unsupported Features
        2. 4.7.2.2 Module Allocations
        3. 4.7.2.3 Resets, Interrupts, and Clocks
      3. 4.7.3 Analog to Digital Converter Integration (ADC)
        1. 4.7.3.1 ADC Unsupported Features
        2. 4.7.3.2 Module Allocations
        3. 4.7.3.3 Resets, Interrupts, and Clocks
      4. 4.7.4 ATL Integration
        1. 4.7.4.1 ATL Unsupported Features
        2. 4.7.4.2 ATL Module Allocations
        3. 4.7.4.3 Resets, Interrupts, and Clocks
      5. 4.7.5 MLB Integration
        1. 4.7.5.1 MLB Unsupported Features
        2. 4.7.5.2 MLB Module Allocations
        3. 4.7.5.3 Resets, Interrupts, and Clocks
    8. 4.8  General Connectivity
      1. 4.8.1 General Purpose Input/Output (GPIO)
        1. 4.8.1.1 GPIO Unsupported Features
        2. 4.8.1.2 Module Allocation
        3. 4.8.1.3 Resets, Interrupts, and Clocks
        4. 4.8.1.4 GPIO1 Register/Pin Mapping
        5. 4.8.1.5 GPIO1 Register/Pin Mapping
        6. 4.8.1.6 MCU_GPIO0 Register/Pin Mapping
      2. 4.8.2 Inter-Integrated Circiuit (I2C)
        1. 4.8.2.1 I2C Unsupported Features
        2. 4.8.2.2 Module Allocations
        3. 4.8.2.3 Resets, Interrupts, and Clocks
        4. 4.8.2.4 I2C Additional Integration Details
      3. 4.8.3 Multichannel Serial Peripheral Interface (MCSPI)
        1. 4.8.3.1 MCSPI Unsupported Features
        2. 4.8.3.2 Module Allocations
        3. 4.8.3.3 Resets, Interrupts, and Clocks
      4. 4.8.4 Universal Asynchronous Receiver/Transmitter (UART)
        1. 4.8.4.1 UART Unsupported Features
        2. 4.8.4.2 Module Allocations
        3. 4.8.4.3 Resets, Interrupts, and Clocks
    9. 4.9  High-speed Serial Interfaces
      1. 4.9.1 Gigabit Ethernet Switch (CPSW)
        1. 4.9.1.1 CPSW Unsupported Features
        2. 4.9.1.2 Module Allocations
        3. 4.9.1.3 Resets, Interrupts, and Clocks
      2. 4.9.2 Universal Serial Bus Subsystem (USB)
        1. 4.9.2.1 USB2SS Unsupported Features
        2. 4.9.2.2 Module Allocations
        3. 4.9.2.3 Resets, Interrupts, and Clocks
    10. 4.10 Memory Interfaces
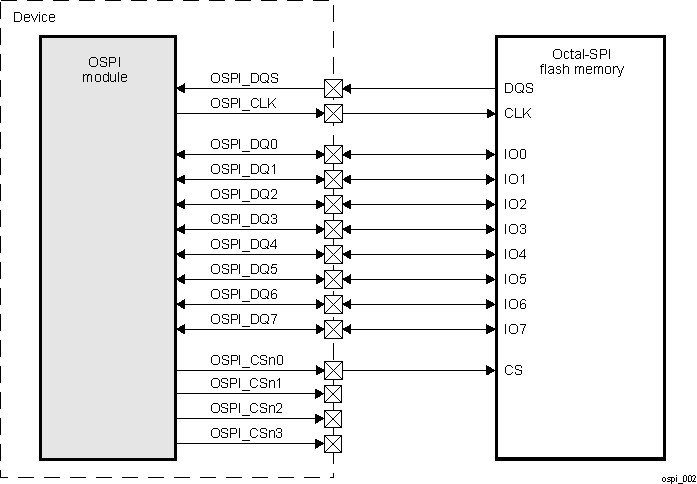
      1. 4.10.1 Octal Serial Peripheral Interface (OSPI)
      2. 4.10.2 Flash Subsystem (FSS)
        1. 4.10.2.1 FSS Unsupported Features
        2. 4.10.2.2 Module Allocations
        3. 4.10.2.3 Resets, Interrupts, and Clocks
      3. 4.10.3 Multimedia Card Secure Digital (MMCSD)
        1. 4.10.3.1 MMCSD Unsupported Features
        2. 4.10.3.2 Module Allocations
        3. 4.10.3.3 Resets, Interrupts, and Clocks
    11. 4.11 Industrial and Control Interfaces
      1. 4.11.1 Modular Controller Area Network (MCAN)
        1. 4.11.1.1 MCAN Unsupported Features
        2. 4.11.1.2 Module Allocations
        3. 4.11.1.3 Resets, Interrupts, and Clocks
      2. 4.11.2 Enhanced Capture (ECAP)
        1. 4.11.2.1 ECAP Unsupported Features
        2. 4.11.2.2 Module Allocations
        3. 4.11.2.3 Resets, Interrupts, and Clocks
      3. 4.11.3 Enhanced Pulse Width Modulation (EPWM)
        1. 4.11.3.1 EPWM Unsupported Features
        2. 4.11.3.2 Module Allocations
        3. 4.11.3.3 Resets, Interrupts, and Clocks
    12. 4.12 Timer Modules
      1. 4.12.1 Global Timebase Counter (GTC)
        1. 4.12.1.1 GTC Unsupported Features
        2. 4.12.1.2 Module Allocations
        3. 4.12.1.3 Resets, Interrupts, and Clocks
      2. 4.12.2 Real Time Interrupt (RTI)
        1. 4.12.2.1 RTI Not Supported Features
        2. 4.12.2.2 Module Allocations
        3. 4.12.2.3 Resets, Interrupts, and Clocks
      3. 4.12.3 Real-Time Clock (RTC)
        1. 4.12.3.1 RTC Unsupported Features
        2. 4.12.3.2 Module Allocations
        3. 4.12.3.3 Resets, Interrupts, and Clocks
      4. 4.12.4 Timer
        1. 4.12.4.1 Timer Unsupported Features
        2. 4.12.4.2 Module Allocations
        3. 4.12.4.3 Resets, Interrupts, and Clocks
    13. 4.13 Internal Diagnostic Modules
      1. 4.13.1 Dual Clock Comparator (DCC)
        1. 4.13.1.1 DCC Unsupported Features
        2. 4.13.1.2 Module Allocations
        3. 4.13.1.3 Resets, Interrupts, and Clocks
        4. 4.13.1.4 Input Source Clock Mapping
      2. 4.13.2 Error Signaling Module (ESM)
        1. 4.13.2.1 ESM Unsupported Features
        2. 4.13.2.2 Module Allocations
        3. 4.13.2.3 Resets, Interrupts, and Clocks
      3. 4.13.3 Memory Cyclic Redundancy Check (MCRC64)
        1. 4.13.3.1 MCRC64 Unsupported Features
        2. 4.13.3.2 Module Allocations
        3. 4.13.3.3 Resets, Interrupts, and Clocks
      4. 4.13.4 ECC Aggregator (ECC_AGGR)
        1. 4.13.4.1 Module Allocations
        2. 4.13.4.2 Resets, Interrupts, and Clocks
        3. 4.13.4.3 Device Modules and Subsystems with ECC Aggregator
    14. 4.14 On-Chip Debug
      1. 4.14.1 On-Chip Debug Unsupported Features
      2. 4.14.2 Resets, Interrupts, Clocks
  7. Initialization
    1. 5.1 Initialization Overview
      1. 5.1.1 ROM Code Overview
      2. 5.1.2 Bootloader Modes
      3. 5.1.3 Terminology
    2. 5.2 Boot Process
      1. 5.2.1 Public ROM Code Architecture
        1. 5.2.1.1 Main Module
        2. 5.2.1.2 X509 Module
        3. 5.2.1.3 Buffer Manager Module
        4. 5.2.1.4 Log and Trace Module
        5. 5.2.1.5 System Module
        6. 5.2.1.6 Protocol Module
        7. 5.2.1.7 Driver Module
      2. 5.2.2 R5 ROM Description
      3. 5.2.3 Boot Process Flow
    3. 5.3 BOOTMODE Pin Mapping
      1. 5.3.1 Primary Boot Mode Selection and Configuration
      2. 5.3.2 Backup Boot Mode Selection and Configuration
    4. 5.4 Boot Modes
      1. 5.4.1 OSPI\xSPI\QSPI\SPI Boot
        1. 5.4.1.1 OSPI Boot
          1. 5.4.1.1.1 OSPI Bootloader Operation
            1. 5.4.1.1.1.1 OSPI Initialization Process
            2. 5.4.1.1.1.2 OSPI Loading Process
        2. 5.4.1.2 xSPI Boot
          1. 5.4.1.2.1 xSPI Bootloader Operation
        3. 5.4.1.3 QSPI Boot
          1. 5.4.1.3.1 QSPI Bootloader Operation
          2. 5.4.1.3.2 QSPI Initialization Process
          3. 5.4.1.3.3 QSPI Loading Process
        4. 5.4.1.4 SPI Boot
          1. 5.4.1.4.1 SPI Bootloader Operation
      2. 5.4.2 SD Card Boot
        1. 5.4.2.1 SD Card Bootloader Operation
      3. 5.4.3 eMMC Boot
        1. 5.4.3.1 eMMC Bootloader Operation
      4. 5.4.4 Ethernet Boot
        1. 5.4.4.1 Ethernet Bootloader Operation
          1. 5.4.4.1.1 Ethernet Initialization Process
          2. 5.4.4.1.2 Ethernet Loading Process
          3. 5.4.4.1.3 Ethernet Boot Data Formats
            1. 5.4.4.1.3.1 Limitations
            2. 5.4.4.1.3.2 BOOTP Request
              1. 5.4.4.1.3.2.1 MAC Header (DIX)
              2. 5.4.4.1.3.2.2 IPv4 Header
              3. 5.4.4.1.3.2.3 UDP Header
              4. 5.4.4.1.3.2.4 BOOTP Payload
              5. 5.4.4.1.3.2.5 TFTP
      5. 5.4.5 USB Boot
        1. 5.4.5.1 USB Bootloader Operation
          1. 5.4.5.1.1 USB-Specific Attributes
            1. 5.4.5.1.1.1 DFU Device Mode
      6. 5.4.6 UART Boot
        1. 5.4.6.1 UART Bootloader Operation
          1. 5.4.6.1.1 Initialization Process
          2. 5.4.6.1.2 UART Loading Process
            1. 5.4.6.1.2.1 UART XMODEM
          3. 5.4.6.1.3 UART Hand-Over Process
      7. 5.4.7 Serial NAND Boot
        1. 5.4.7.1 Serial NAND Bootloader Operation
        2. 5.4.7.2 Serial NAND Initialization Process
        3. 5.4.7.3 Serial NAND Loading Process
      8. 5.4.8 No boot/Development boot
    5. 5.5 PLL Configuration
      1. 5.5.1 PLL Configuration Background
    6. 5.6 Boot Parameter Tables
      1. 5.6.1 Common Header
      2. 5.6.2 PLL Setup
      3. 5.6.3 OSPI/QSPI/SPI Boot Parameter Table
      4. 5.6.4 UART Boot Parameter Table
      5. 5.6.5 MMCSD/eMMC Boot Parameter Table
      6. 5.6.6 Ethernet Boot Parameter Table
      7. 5.6.7 xSPI Boot
      8. 5.6.8 USB DFU Boot Parameter Table
    7. 5.7 Boot Image Format
      1. 5.7.1 Overall Structure
      2. 5.7.2 X.509 Certificate
      3. 5.7.3 Organizational Identifier (OID)
      4. 5.7.4 X.509 Extensions Specific to Boot
        1. 5.7.4.1 Boot Info (OID 1.3.6.1.4.1.294.1.1)
        2. 5.7.4.2 Image Integrity (OID 1.3.6.1.4.1.294.1.2)
      5. 5.7.5 Generating X.509 Certificates
        1. 5.7.5.1 Key Generation
          1. 5.7.5.1.1 Degenerate RSA Keys
        2. 5.7.5.2 Configuration Script
        3. 5.7.5.3 Image Data
    8. 5.8 Boot Memory Maps
      1. 5.8.1 Memory Layout/MPU
      2. 5.8.2 Global Memory Addresses Used by ROM Code
  8. Device Configuration
    1. 6.1 Control Module (CTRLMMR)
      1.      316
      2. 6.1.1 Memory Mapped Control Register Modules (CTRL_MMR)
      3. 6.1.2 General-Purpose Control Registers Modules
        1. 6.1.2.1 Kick Protection Registers
        2. 6.1.2.2 I/O Debounce Control Registers
      4. 6.1.3 Pad Configuration Resister Modules
      5. 6.1.4 Security Control Register Modules
        1. 6.1.4.1 Security Control Register Modules Overview
    2. 6.2 Power
      1. 6.2.1 Power Management Overview
      2. 6.2.2 Power Control Modules
        1. 6.2.2.1 Power Sleep Controller
          1. 6.2.2.1.1 PSC Architecture
        2. 6.2.2.2 LPSC Features
        3. 6.2.2.3 Software Sequence to enable an IP through PSC
        4. 6.2.2.4 Device Manager
      3. 6.2.3 Power Modes
        1. 6.2.3.1 Active
        2. 6.2.3.2 Standby
        3. 6.2.3.3 IO Retention Mode
        4. 6.2.3.4 Power States and Transitions
        5. 6.2.3.5 Wakeup Sources/Events
        6. 6.2.3.6 IORET Sequencing with Device Manager
      4. 6.2.4 Power Supply Modules
        1. 6.2.4.1 Power OK (POK) Modules
          1. 6.2.4.1.1 Configuration Registers
        2. 6.2.4.2 Power on Reset (POR) Module
          1. 6.2.4.2.1 POR Overview
          2. 6.2.4.2.2 POR Integration
        3. 6.2.4.3 PoR/Reset Generator (PRG) Modules
          1. 6.2.4.3.1 PRG Overview
        4. 6.2.4.4 Power Glitch Detect (PGD) Modules
        5. 6.2.4.5 Voltage and Thermal Manager (VTM)
          1. 6.2.4.5.1 VTM Overview
            1. 6.2.4.5.1.1 VTM Features
            2. 6.2.4.5.1.2 VTM Not Supported Features
          2. 6.2.4.5.2 VTM Functional Description
            1. 6.2.4.5.2.1 VTM Temperature Status and Thermal Management
              1. 6.2.4.5.2.1.1 10-bit Temperature Values Versus Temperature
    3. 6.3 Reset
      1. 6.3.1 Overview
        1. 6.3.1.1 Top Level Domain Supported Resets
        2. 6.3.1.2 MAIN Domain Supported Resets
        3. 6.3.1.3 High-Level Reset Flow
        4. 6.3.1.4 Reset Terminology
        5. 6.3.1.5 Reset Architecture
          1. 6.3.1.5.1 Reset Architecture Block Diagram
          2. 6.3.1.5.2 SoC Reset Hardware Logic Diagram
          3. 6.3.1.5.3 MAIN Domain Reset and PORz Hardware Logic Diagrams
      2. 6.3.2 Reset Sources
      3. 6.3.3 Reset Status
        1. 6.3.3.1 Reset Source Status Registers
        2. 6.3.3.2 MCU_ERRORn Status Pin
        3. 6.3.3.3 RESETSTATz Status Pin
        4. 6.3.3.4 PORz_OUT Status Pin
      4. 6.3.4 Reset Controls
        1. 6.3.4.1 Reset Control Registers
        2. 6.3.4.2 Reset Isolation
      5. 6.3.5 Reset Details
        1. 6.3.5.1 POR Resets
          1. 6.3.5.1.1 MCU_PORz Reset
        2. 6.3.5.2 Warm Resets
          1. 6.3.5.2.1 MCU_RESETz Reset
          2. 6.3.5.2.2 SW_MCU_WARMRSTz Reset
        3. 6.3.5.3 SMS Resets
          1. 6.3.5.3.1 SMS_WARM_OUT_RST_n Reset
          2. 6.3.5.3.2 SMS_COLD_OUT_RST_n Reset
        4. 6.3.5.4 VTM Thermal Alert Reset
        5. 6.3.5.5 ESM Error Reset
        6. 6.3.5.6 HHV
        7. 6.3.5.7 BOOTMODE Pin Latching
        8. 6.3.5.8 Power-on-Reset Sequence
        9. 6.3.5.9 Low Power Mode Reset Handling
    4. 6.4 Clocking
      1. 6.4.1 Overview
      2. 6.4.2 Clock Inputs
        1. 6.4.2.1 Overview
      3. 6.4.3 Clock Outputs
        1. 6.4.3.1 Observation Clock Pins
          1. 6.4.3.1.1 MCU_OBSCLK0 Pin
          2. 6.4.3.1.2 OBSCLK0 Pin
        2. 6.4.3.2 System Clock Pins
          1. 6.4.3.2.1 MCU_SYSCLKOUT0
          2. 6.4.3.2.2 SYSCLKOUT0
          3. 6.4.3.2.3 WKUP_CLKOUT0
      4. 6.4.4 Device Oscillators
        1. 6.4.4.1 Device Oscillators Integration
          1. 6.4.4.1.1 High-Frequency Oscillator with External Crystal
          2. 6.4.4.1.2 Low-Frequency Oscillator with External Crystal
          3. 6.4.4.1.3 Internal RC Oscillator
        2. 6.4.4.2 Oscillator Clock Loss Detection
    5. 6.5 PLLs
      1. 6.5.1 MAIN Domain PLLs Overview
      2. 6.5.2 Top Level Domain PLL Overview
      3. 6.5.3 PLL Reference Clocks
        1. 6.5.3.1 PLLs in Top Level Domain
        2. 6.5.3.2 PLLs in MAIN Domain
      4. 6.5.4 Generic PLL Overview
        1. 6.5.4.1 PLLs Output Clocks Parameters
          1. 6.5.4.1.1 PLLs Input Clocks
          2. 6.5.4.1.2 PLL Output Clocks
            1. 6.5.4.1.2.1 PLLTS16FFCLAFRACF2 Type Output Clocks
            2. 6.5.4.1.2.2 PLL Lock
            3. 6.5.4.1.2.3 HSDIVIDER
            4. 6.5.4.1.2.4 ICG Module
            5. 6.5.4.1.2.5 PLL Power Down
            6. 6.5.4.1.2.6 PLL Calibration
        2. 6.5.4.2 PLL Spread Spectrum Modulation Module
          1. 6.5.4.2.1 Definition of SSMOD
          2. 6.5.4.2.2 SSMOD Configuration
      5. 6.5.5 PLLs Device-Specific Information
        1. 6.5.5.1 SSMOD Related Bitfields Table
        2. 6.5.5.2 Clock Synthesis Inputs to the PLLs
        3. 6.5.5.3 Clock Output Parameter
        4. 6.5.5.4 Calibration Related Bitfields
      6. 6.5.6 PLL Controller (PLLCTRL)
      7. 6.5.7 PLL, PLLCTRL, and HSDIV Controllers Programming Guide
        1. 6.5.7.1 PLL Initialization
          1. 6.5.7.1.1 Kick Protection Mechanism
          2. 6.5.7.1.2 PLLCTRL Initialization
          3. 6.5.7.1.3 PLL Programming Requirements
        2. 6.5.7.2 HSDIV PLL Programming
        3. 6.5.7.3 PLL Controllers Programming - Dividers PLLDIVn and GO Operation
          1. 6.5.7.3.1 GO Operation
          2. 6.5.7.3.2 Software Steps to Modify PLLDIV Ratios
        4. 6.5.7.4 Entire Sequence for Programming PLLCTRL, HSDIV, and PLL
        5. 6.5.7.5 Dual Clock Comparator (DCC)
  9. Processors and Accelerators
    1. 7.1 Dual-R5F MCU Subsystem
      1. 7.1.1 R5FSS Overview
        1. 7.1.1.1 R5FSS Features
        2. 7.1.1.2 R5FSS Not Supported Features
      2. 7.1.2 R5FSS Functional Description
        1. 7.1.2.1  R5FSS Block Diagram
        2. 7.1.2.2  R5FSS Cortex-R5F Core
          1. 7.1.2.2.1 L1 Caches
          2. 7.1.2.2.2 Tightly-Coupled Memories (TCMs)
          3. 7.1.2.2.3 Remote L2 Cache (RL2)
          4. 7.1.2.2.4 Fast Local Copy (FLC)
          5. 7.1.2.2.5 R5FSS Special Signals
        3. 7.1.2.3  R5FSS Interfaces
          1. 7.1.2.3.1 R5FSS Controller Interfaces
          2. 7.1.2.3.2 R5FSS Peripheral Interfaces
        4. 7.1.2.4  R5FSS Power, Clocking and Reset
          1. 7.1.2.4.1 R5FSS Power
          2. 7.1.2.4.2 R5FSS Clocking
          3. 7.1.2.4.3 R5FSS Reset
        5. 7.1.2.5  R5FSS Lockstep Error Detection Logic
          1. 7.1.2.5.1 CPU Output Compare Block
            1. 7.1.2.5.1.1 Operating Modes
            2. 7.1.2.5.1.2 Compare Block Active Mode
            3. 7.1.2.5.1.3 Self Test Mode
            4. 7.1.2.5.1.4 Compare Match Test
            5. 7.1.2.5.1.5 Compare Mismatch Test
            6. 7.1.2.5.1.6 Error Forcing Mode
            7. 7.1.2.5.1.7 Self Test Error Forcing Mode
          2. 7.1.2.5.2 Inactivity Monitor Block
            1. 7.1.2.5.2.1 Operating Modes
            2. 7.1.2.5.2.2 Compare Block Active Mode
            3. 7.1.2.5.2.3 Self Test Mode
            4. 7.1.2.5.2.4 Compare Match Test
            5. 7.1.2.5.2.5 Compare Mismatch Test
            6. 7.1.2.5.2.6 Error Forcing Mode
            7. 7.1.2.5.2.7 Self Test Error Forcing Mode
          3. 7.1.2.5.3 Polarity Inversion Logic
        6. 7.1.2.6  R5FSS Vectored Interrupt Manager (VIM)
          1. 7.1.2.6.1 VIM Overview
          2. 7.1.2.6.2 VIM Interrupt Inputs
          3. 7.1.2.6.3 VIM Interrupt Outputs
          4. 7.1.2.6.4 VIM Interrupt Vector Table (VIM RAM)
          5. 7.1.2.6.5 VIM Interrupt Prioritization
          6. 7.1.2.6.6 VIM ECC Support
          7. 7.1.2.6.7 VIM Lockstep Mode
          8. 7.1.2.6.8 VIM IDLE State
          9. 7.1.2.6.9 VIM Interrupt Handling
            1. 7.1.2.6.9.1 Servicing IRQ Through Vector Interface
            2. 7.1.2.6.9.2 Servicing IRQ Through MMR Interface
            3. 7.1.2.6.9.3 Servicing IRQ Through MMR Interface (Alternative)
            4. 7.1.2.6.9.4 Servicing FIQ
            5. 7.1.2.6.9.5 Servicing FIQ (Alternative)
        7. 7.1.2.7  R5FSS Region Address Translation (RAT)
          1. 7.1.2.7.1 RAT Overview
          2. 7.1.2.7.2 RAT Operation
          3. 7.1.2.7.3 RAT Error Logging
          4. 7.1.2.7.4 RAT Protection
        8. 7.1.2.8  R5FSS ECC Support
        9. 7.1.2.9  R5FSS Memory View
        10. 7.1.2.10 R5FSS Interrupts
        11. 7.1.2.11 R5FSS Debug and Trace
        12. 7.1.2.12 R5FSS Boot Options
        13. 7.1.2.13 R5FSS Core Memory ECC Events
    2. 7.2 DSP Processing (C7x256v)
      1. 7.2.1 C7x Functional Description
        1. 7.2.1.1 C7x Block Diagram
        2. 7.2.1.2 C7x DSP CPU
        3. 7.2.1.3 C7x DSP Matrix Multiply Accelerator
        4. 7.2.1.4 C7x DSP Cache Memory System
          1. 7.2.1.4.1 C7x DSP L1 Program Memory
          2. 7.2.1.4.2 C7x DSP L1 Data Memory
          3. 7.2.1.4.3 C7x DSP L2 Memory
        5. 7.2.1.5 C7x Streaming Engine
        6. 7.2.1.6 C7x DSP Memory Management Unit (MMU)
        7. 7.2.1.7 C7x ECC Support
        8. 7.2.1.8 C7x Boot Configuration
        9. 7.2.1.9 C7x DSP Power-Up/Down Sequences
  10. Inter-processor Communication Scheme (IPC)
    1. 8.1 IPC Overview
    2. 8.2 Mailbox
      1. 8.2.1 Mailbox Overview
        1. 8.2.1.1 Mailbox Features
        2.       526
      2. 8.2.2 Mailbox Functional Description
        1. 8.2.2.1 Mailbox Block Diagram
        2. 8.2.2.2 Mailbox Software Reset
        3. 8.2.2.3 Mailbox Power Management
        4. 8.2.2.4 Mailbox Interrupt Requests
        5. 8.2.2.5 Mailbox Assignment
          1. 8.2.2.5.1 Description
        6. 8.2.2.6 Sending and Receiving Messages
          1. 8.2.2.6.1 Description
        7. 8.2.2.7 Example of Communication
      3. 8.2.3 Mailbox Programming Guide
        1. 8.2.3.1 Mailbox Low-level Programming Models
          1. 8.2.3.1.1 Global Initialization
            1. 8.2.3.1.1.1 Surrounding Modules Global Initialization
            2. 8.2.3.1.1.2 Mailbox Global Initialization
              1. 8.2.3.1.1.2.1 Main Sequence - Mailbox Global Initialization
          2. 8.2.3.1.2 Mailbox Operational Modes Configuration
            1. 8.2.3.1.2.1 Mailbox Processing modes
              1. 8.2.3.1.2.1.1 Main Sequence - Sending a Message (Polling Method)
              2. 8.2.3.1.2.1.2 Main Sequence - Sending a Message (Interrupt Method)
              3. 8.2.3.1.2.1.3 Main Sequence - Receiving a Message (Polling Method)
              4. 8.2.3.1.2.1.4 Main Sequence - Receiving a Message (Interrupt Method)
          3. 8.2.3.1.3 Mailbox Events Servicing
            1. 8.2.3.1.3.1 Events Servicing in Sending Mode
            2. 8.2.3.1.3.2 Events Servicing in Receiving Mode
    3. 8.3 Spinlock
      1. 8.3.1 Spinlock Overview
        1.       554
      2. 8.3.2 Spinlock Functional Description
        1. 8.3.2.1 Spinlock Software Reset
        2. 8.3.2.2 Spinlock Power Management
        3. 8.3.2.3 About Spinlocks
        4. 8.3.2.4 Spinlock Functional Operation
      3. 8.3.3 Spinlock Programming Guide
        1. 8.3.3.1 Spinlock Low-level Programming Models
          1. 8.3.3.1.1 Surrounding Modules Global Initialization
          2. 8.3.3.1.2 Basic Spinlock Operations
            1. 8.3.3.1.2.1 Spinlocks Clearing After a System Bug Recovery
            2. 8.3.3.1.2.2 Take and Release Spinlock
    4. 8.4 Secure Proxy (SEC_PROXY)
  11. Memory Controllers
    1. 9.1 Region-based Address Translation (RAT) Module
      1. 9.1.1 RAT Functional Description
        1. 9.1.1.1 RAT Operation
        2. 9.1.1.2 RAT Error Logging
    2. 9.2 OCSRAM Overview
  12. 10Interrupts
    1. 10.1 Interrupt Architecture
      1. 10.1.1 ESM Connectivity
        1. 10.1.1.1 Using MAIN_ESM to Monitor All Error Interrupts in SoC
      2. 10.1.2 PSIL Events
        1. 10.1.2.1 BCDMA Triggers
      3. 10.1.3 GPIO Interrupt Handling
      4. 10.1.4 Utilizing Miscellaneous Signals as Interrupt
        1. 10.1.4.1 Aggregated DCC Interrupt
        2. 10.1.4.2 Aggregated Access Error Interrupt from CBASS
        3. 10.1.4.3 Access Error to Control Register Block Interrupt Aggregation
    2. 10.2 Interrupt Router (INTROUTER)
      1. 10.2.1 INTROUTER Integration
    3. 10.3 Interrupt Sources
      1. 10.3.1 Time Synchronization Introuter
      2. 10.3.2 R5 Interrupts
      3. 10.3.3 C7 Interrupts
      4. 10.3.4 Device IN Interrupts
      5. 10.3.5 Device OUT Interrupts
  13. 11Data Movement Architecture
    1. 11.1 Data Movement Architecture Overview
      1. 11.1.1 Overview
        1. 11.1.1.1 Ring Accelerator (RINGACC)
        2. 11.1.1.2 Secure Proxy (SEC_PROXY)
        3. 11.1.1.3 Interrupt Aggregator (INTAGGR)
        4. 11.1.1.4 Packet DMA (PKTDMA)
          1. 11.1.1.4.1 PKTDMA Submodule Descriptions
            1. 11.1.1.4.1.1  Bus Interface Unit
            2. 11.1.1.4.1.2  Config CR
            3. 11.1.1.4.1.3  Configuration Registers
              1. 11.1.1.4.1.3.1 RX State Mapping
              2. 11.1.1.4.1.3.2 TX State Mapping
            4. 11.1.1.4.1.4  Tx Packet DMA Unit
            5. 11.1.1.4.1.5  Tx Packet Coherency Unit
            6. 11.1.1.4.1.6  Tx Per Channel Buffers
            7. 11.1.1.4.1.7  Rx Per Channel Buffers
            8. 11.1.1.4.1.8  Rx Packet DMA Unit
            9. 11.1.1.4.1.9  Rx Packet Coherency Unit
            10. 11.1.1.4.1.10 Event Handler
          2. 11.1.1.4.2 Channel Classes
        5. 11.1.1.5 Block Copy DMA (BCDMA)
          1. 11.1.1.5.1 BCDMA Submodule Descriptions
            1. 11.1.1.5.1.1  Bus Interface Unit
            2. 11.1.1.5.1.2  Config CR
            3. 11.1.1.5.1.3  Configuration Registers
              1. 11.1.1.5.1.3.1 BCDMA Mapping Table
            4. 11.1.1.5.1.4  Read Unit(s)
            5. 11.1.1.5.1.5  TR Coherency Unit
            6. 11.1.1.5.1.6  Per-Copy-Channel Buffers
            7. 11.1.1.5.1.7  Tx Per-Split-Channel Buffers
            8. 11.1.1.5.1.8  Rx Per-Split-Channel Buffers
            9. 11.1.1.5.1.9  Write Unit(s)
            10. 11.1.1.5.1.10 Event Coherency Unit
            11. 11.1.1.5.1.11 Event Handler
          2. 11.1.1.5.2 Channel Classes
      2. 11.1.2 Definition of Terms
      3. 11.1.3 DMSS Hardware/Software Interface
        1. 11.1.3.1 Data Buffers
        2. 11.1.3.2 Descriptors
          1. 11.1.3.2.1 Host Packet Descriptor
          2. 11.1.3.2.2 Host Buffer Descriptor
          3. 11.1.3.2.3 Transfer Request Descriptor
        3. 11.1.3.3 Transfer Request Record
          1. 11.1.3.3.1 Overview
          2. 11.1.3.3.2 Addressing Algorithm
            1. 11.1.3.3.2.1 Linear Addressing (Forward)
          3. 11.1.3.3.3 Transfer Request Formats
          4. 11.1.3.3.4 Flags Field Definition
            1. 11.1.3.3.4.1 Type: TR Type Field
            2. 11.1.3.3.4.2 EVENT_SIZE: Event Generation Definition
            3. 11.1.3.3.4.3 TRIGGER_INFO: TR Triggers
            4. 11.1.3.3.4.4 TRIGGERX_TYPE: Trigger Type
            5. 11.1.3.3.4.5 TRIGGERX: Trigger Selection
            6. 11.1.3.3.4.6 Configuration Specific Flags Definition
          5. 11.1.3.3.5 TR Address and Size Attributes
            1. 11.1.3.3.5.1  ICNT0
            2. 11.1.3.3.5.2  ICNT1
            3. 11.1.3.3.5.3  ADDR
            4. 11.1.3.3.5.4  DIM1
            5. 11.1.3.3.5.5  ICNT2
            6. 11.1.3.3.5.6  ICNT3
            7. 11.1.3.3.5.7  DIM2
            8. 11.1.3.3.5.8  DIM3
            9. 11.1.3.3.5.9  DDIM1
            10. 11.1.3.3.5.10 DADDR
            11. 11.1.3.3.5.11 DDIM2
            12. 11.1.3.3.5.12 DDIM3
            13. 11.1.3.3.5.13 DICNT0
            14. 11.1.3.3.5.14 DICNT1
            15. 11.1.3.3.5.15 DICNT2
            16. 11.1.3.3.5.16 DICNT3
        4. 11.1.3.4 Transfer Response Record
          1. 11.1.3.4.1 STATUS Field Definition
            1. 11.1.3.4.1.1 STATUS_TYPE Definitions
              1. 11.1.3.4.1.1.1 Transfer Error
              2. 11.1.3.4.1.1.2 Aborted Error
              3. 11.1.3.4.1.1.3 Submission Error
              4. 11.1.3.4.1.1.4 Unsupported Feature
              5. 11.1.3.4.1.1.5 Transfer Exception
              6. 11.1.3.4.1.1.6 Teardown Flush
        5. 11.1.3.5 Channels
        6. 11.1.3.6 Flows
        7. 11.1.3.7 Queues
          1. 11.1.3.7.1 Queue Types
            1. 11.1.3.7.1.1 Transmit Queues
            2. 11.1.3.7.1.2 Transmit Completion Queues
            3. 11.1.3.7.1.3 Free Descriptor / Buffer Queues
            4. 11.1.3.7.1.4 Receive Queues
            5. 11.1.3.7.1.5 Ring Based Queues Implementation
      4. 11.1.4 Operational Description
        1. 11.1.4.1  Resource Allocation
        2. 11.1.4.2  PKTDMA/BCDMA - Ring Operation
          1. 11.1.4.2.1 Queue Initialization
          2. 11.1.4.2.2 Queueing Entries
          3. 11.1.4.2.3 De-queueing Entries
        3. 11.1.4.3  PKTDMA/BCDMA - Output Event Generation
        4. 11.1.4.4  PKTDMA - Transmit Channel Setup
        5. 11.1.4.5  PKTDMA - Transmit Channel Pause
        6. 11.1.4.6  PKTDMA - Transmit Channel Teardown
        7. 11.1.4.7  PKTDMA - Transmit Operation
        8. 11.1.4.8  PKTDMA - Receive Free Descriptor / Buffer Queue Setup
        9. 11.1.4.9  PKTDMA - Receive Channel Setup
        10. 11.1.4.10 PKTDMA - Receive Channel Teardown
        11. 11.1.4.11 PKTDMA - Receive Channel Pause
        12. 11.1.4.12 PKTDMA - Receive Operation
        13. 11.1.4.13 BCDMA - Block Copy Channel Setup
        14. 11.1.4.14 BCDMA - Block Copy Channel Pause
        15. 11.1.4.15 BCDMA - Block Copy Channel Teardown
        16. 11.1.4.16 BCDMA - Block Copy Operation (TR Packet)
        17. 11.1.4.17 BCDMA - Block Copy Error/Exception Handling
          1. 11.1.4.17.1 Null Icnt0 Error
          2. 11.1.4.17.2 Unsupported TR Type
          3. 11.1.4.17.3 Bus Errors
        18. 11.1.4.18 BCDMA - Split Transmit Channel Setup
        19. 11.1.4.19 BCDMA - Split Transmit Operation Pause
        20. 11.1.4.20 BCDMA - Split Transmit Channel Teardown
        21. 11.1.4.21 BCDMA - Split Transmit Operation (TR Packet)
        22. 11.1.4.22 BCDMA - Split Transmit Error / Exception Handling
          1. 11.1.4.22.1 Null Icnt0 Error
          2. 11.1.4.22.2 Unsupported TR Type
          3. 11.1.4.22.3 Bus Errors
        23. 11.1.4.23 BCDMA - Split Receive Channel Setup
        24. 11.1.4.24 BCDMA - Split Receive Channel Pause
        25. 11.1.4.25 BCDMA - Split Receive Channel Teardown
        26. 11.1.4.26 BCDMA - Split Receive Operation (TR Packet)
        27. 11.1.4.27 BCDMA - Split Receive Error / Exception Handling
          1. 11.1.4.27.1 PKTDMA Exception Conditions
            1. 11.1.4.27.1.1 Descriptor Starvation
            2. 11.1.4.27.1.2 Protocol Errors
            3. 11.1.4.27.1.3 Dropped Packets
            4. 11.1.4.27.1.4 Long Packet
          2. 11.1.4.27.2 BCDMA Exception Conditions
            1. 11.1.4.27.2.1 Reception of EOL Delimiter
            2. 11.1.4.27.2.2 EOP Asserted Prematurely (Short Packet)
            3. 11.1.4.27.2.3 EOP Asserted Late (Long Packets)
            4. 11.1.4.27.2.4 Descriptor Starvation
    2. 11.2 Data Movement Subsystem (DMSS)
      1. 11.2.1 Data Movement Subsystem (DMSS)
        1. 11.2.1.1 DMSS Overview
        2.       732
        3. 11.2.1.2 DMSS Functional Description
        4. 11.2.1.3 DMSS Interrupt Configuration
          1. 11.2.1.3.1 DMSS Event and Interrupt Flow
            1. 11.2.1.3.1.1 DMSS Interrupt Description
            2. 11.2.1.3.1.2 DMSS Event Description
      2. 11.2.2 Ring Accelerator (RINGACC)
        1. 11.2.2.1 RINGACC Overview
          1. 11.2.2.1.1 RINGACC Features
          2.        741
          3. 11.2.2.1.2 RINGACC Parameters
        2. 11.2.2.2 RINGACC Functional Description
          1. 11.2.2.2.1 Block Diagram
            1. 11.2.2.2.1.1  Configuration Registers
            2. 11.2.2.2.1.2  Source Command FIFO
            3. 11.2.2.2.1.3  Source Write Data FIFO
            4. 11.2.2.2.1.4  Source Read Data FIFO
            5. 11.2.2.2.1.5  Source Write Status FIFO
            6. 11.2.2.2.1.6  Main State Machine
            7. 11.2.2.2.1.7  Destination Command FIFO
            8. 11.2.2.2.1.8  Destination Write Data FIFO
            9. 11.2.2.2.1.9  Destination Read Data FIFO
            10. 11.2.2.2.1.10 Destination Write Status FIFO
          2. 11.2.2.2.2 RINGACC Functional Operation
            1. 11.2.2.2.2.1 Queue Modes
              1. 11.2.2.2.2.1.1 Ring Mode
              2. 11.2.2.2.2.1.2 Messaging Mode
              3. 11.2.2.2.2.1.3 Credentials Mode
              4. 11.2.2.2.2.1.4 Peek Support
              5. 11.2.2.2.2.1.5 Index Register Operation
            2. 11.2.2.2.2.2 VBUSM Target Ring Operations
            3. 11.2.2.2.2.3 VBUSM Initiator Interface Command ID Selection
            4. 11.2.2.2.2.4 Ring Push Operation (VBUSM Write to Source Interface)
            5. 11.2.2.2.2.5 Ring Pop Operation (VBUSM Read from Source Interface)
            6. 11.2.2.2.2.6 Host Doorbell Access
            7. 11.2.2.2.2.7 Queue Push Operation (VBUSM Write to Source Interface)
            8. 11.2.2.2.2.8 Queue Pop Operation (VBUSM Read from Source Interface)
            9. 11.2.2.2.2.9 Mismatched Element Size Handling
          3. 11.2.2.2.3 Events
          4. 11.2.2.2.4 Bus Error Handling
          5. 11.2.2.2.5 Monitors
            1. 11.2.2.2.5.1 Threshold Monitor
            2. 11.2.2.2.5.2 Watermark Monitor
            3. 11.2.2.2.5.3 Starvation Monitor
            4. 11.2.2.2.5.4 Statistics Monitor
            5. 11.2.2.2.5.5 Overflow
            6. 11.2.2.2.5.6 Ring Update Port
            7. 11.2.2.2.5.7 Tracing
      3. 11.2.3 Secure Proxy (SEC_PROXY)
        1. 11.2.3.1 Secure Proxy Overview
          1. 11.2.3.1.1 Secure Proxy Features
          2. 11.2.3.1.2 Secure Proxy Parameters
          3.        784
        2. 11.2.3.2 Secure Proxy Functional Description
          1. 11.2.3.2.1  Targets
            1. 11.2.3.2.1.1 Ring Accelerator
          2. 11.2.3.2.2  Buffers
            1. 11.2.3.2.2.1 Proxy Credits
            2. 11.2.3.2.2.2 Proxy Private Word
            3. 11.2.3.2.2.3 Completion Byte
          3. 11.2.3.2.3  Proxy Thread Sizes
          4. 11.2.3.2.4  Proxy Thread Interleaving
          5. 11.2.3.2.5  Proxy States
          6. 11.2.3.2.6  Proxy Host Access
            1. 11.2.3.2.6.1 Proxy Host Writes
            2. 11.2.3.2.6.2 Proxy Host Reads
            3. 11.2.3.2.6.3 Buffer Accesses
            4. 11.2.3.2.6.4 Target Access
            5. 11.2.3.2.6.5 Error State
          7. 11.2.3.2.7  Permission Inheritance
          8. 11.2.3.2.8  Resource Association
          9. 11.2.3.2.9  Direction
          10. 11.2.3.2.10 Threshold Events
          11. 11.2.3.2.11 Error Events
          12. 11.2.3.2.12 Bus Error and Credits
          13. 11.2.3.2.13 Debug
      4. 11.2.4 Interrupt Aggregator (INTAGGR)
        1. 11.2.4.1 INTAGGR Overview
          1. 11.2.4.1.1 INTAGGR Features
          2.        811
          3. 11.2.4.1.2 INTAGGR Parameters
        2. 11.2.4.2 INTAGGR Functional Description
          1. 11.2.4.2.1 Submodule Descriptions
            1. 11.2.4.2.1.1 Status/Mask Registers
            2. 11.2.4.2.1.2 Interrupt Mapping Block
            3. 11.2.4.2.1.3 Global Event Input (GEVI) Counters
            4. 11.2.4.2.1.4 Local Event Input (LEVI) to Global Event Conversion
            5. 11.2.4.2.1.5 Global Event Multicast
          2. 11.2.4.2.2 General Functionality
            1. 11.2.4.2.2.1 Event to Interrupt Bit Steering
            2. 11.2.4.2.2.2 Interrupt Status
            3. 11.2.4.2.2.3 Interrupt Masked Status
            4. 11.2.4.2.2.4 Enabling/Disabling Individual Interrupt Source Bits
            5. 11.2.4.2.2.5 Global Event Counting
            6. 11.2.4.2.2.6 Local Event to Global Event Conversion
            7. 11.2.4.2.2.7 Global Event Multicast
      5. 11.2.5 Packet Streaming Interface Link (PSI-L)
        1. 11.2.5.1 PSI-L Overview
        2. 11.2.5.2 PSI-L Functional Description
          1. 11.2.5.2.1 PSI-L Introduction
          2. 11.2.5.2.2 PSI-L Operation
          3. 11.2.5.2.3 Event Transport
          4. 11.2.5.2.4 Threads
          5. 11.2.5.2.5 Arbitration Protocol
          6. 11.2.5.2.6 Thread Configuration
            1. 11.2.5.2.6.1 Thread Pairing
              1. 11.2.5.2.6.1.1 Configuration Transaction Pairing
            2. 11.2.5.2.6.2 Configuration Registers Region
    3. 11.3 Peripheral DMA (PDMA)
      1. 11.3.1 PDMA Controller
        1. 11.3.1.1 PDMA Overview
          1. 11.3.1.1.1 PDMA Features
            1. 11.3.1.1.1.1 PDMA - SPI Features
            2. 11.3.1.1.1.2 PDMA1 - UART Features
            3. 11.3.1.1.1.3 PDMA - McASP Features
            4. 11.3.1.1.1.4 PDMA - ADC Features
            5. 11.3.1.1.1.5 PDMA - ASRC Features
        2.       849
        3. 11.3.1.2 Functional Description - SPI
          1. 11.3.1.2.1 Compliance to Standards
          2. 11.3.1.2.2 Functional Operation
            1. 11.3.1.2.2.1 Submodule Descriptions
              1. 11.3.1.2.2.1.1 Scheduler
              2. 11.3.1.2.2.1.2 Tx Per Channel Buffers
              3. 11.3.1.2.2.1.3 Tx DMA Unit
              4. 11.3.1.2.2.1.4 Rx Per Channel Buffers
              5. 11.3.1.2.2.1.5 Rx DMA Unit
            2. 11.3.1.2.2.2 General Functionality (Applicable to All Functions/Modes)
              1. 11.3.1.2.2.2.1 Operational States
              2. 11.3.1.2.2.2.2 Clock Stop
              3. 11.3.1.2.2.2.3 Emulation Control
              4. 11.3.1.2.2.2.4 Dynamic Clock Gating
            3. 11.3.1.2.2.3 Events and Flow Control
              1. 11.3.1.2.2.3.1 Channel Triggering
              2. 11.3.1.2.2.3.2 Completion Events
              3. 11.3.1.2.2.3.3 Channel Types
                1. 11.3.1.2.2.3.3.1 X-Y FIFO Mode
                2. 11.3.1.2.2.3.3.2 MCAN Mode
                3. 11.3.1.2.2.3.3.3 AASRC Mode
            4. 11.3.1.2.2.4 Transmit Operation
              1. 11.3.1.2.2.4.1 Destination (Tx) Channel Allocation
              2. 11.3.1.2.2.4.2 Destination (Tx) Channel Out of Band Signals
              3. 11.3.1.2.2.4.3 Destination Channel Initialization
                1. 11.3.1.2.2.4.3.1 PSI-L Destination Thread Pairing
                2. 11.3.1.2.2.4.3.2 Static Transfer Request Setup
                  1. 3.1.2.2.4.3.2.1 X-Y FIFO Mode Static TR
                  2. 3.1.2.2.4.3.2.2 MCAN Mode Static TR
                  3. 3.1.2.2.4.3.2.3 AASRC Mode Static TR
                3. 11.3.1.2.2.4.3.3 PSI-L Destination Thread Enables
              4. 11.3.1.2.2.4.4 Data Transfer
                1. 11.3.1.2.2.4.4.1 X-Y FIFO Mode Channel
                  1. 3.1.2.2.4.4.1.1 X-Y FIFO Burst Mode
                2. 11.3.1.2.2.4.4.2 MCAN Mode Channel
                  1. 3.1.2.2.4.4.2.1 MCAN Burst Mode
                3. 11.3.1.2.2.4.4.3 AASRC Channel
              5. 11.3.1.2.2.4.5 Transmit PSI-L Interface Transactions
              6. 11.3.1.2.2.4.6 Tx Pause
              7. 11.3.1.2.2.4.7 Tx Teardown
              8. 11.3.1.2.2.4.8 Tx Channel Reset
              9. 11.3.1.2.2.4.9 Tx Debug/State Register
            5. 11.3.1.2.2.5 Receive Operation
              1. 11.3.1.2.2.5.1 Source (Rx) Channel Allocation
              2. 11.3.1.2.2.5.2 Source Channel Initialization
                1. 11.3.1.2.2.5.2.1 PSI-L Source Thread Pairing
                2. 11.3.1.2.2.5.2.2 Static Transfer Request Setup
                  1. 3.1.2.2.5.2.2.1 X-Y FIFO Mode Static TR
                  2. 3.1.2.2.5.2.2.2 MCAN Mode Static TR
                  3. 3.1.2.2.5.2.2.3 AASRC Mode Static TR
                3. 11.3.1.2.2.5.2.3 PSI-L Source Thread Enables
              3. 11.3.1.2.2.5.3 Data Transfer
                1. 11.3.1.2.2.5.3.1 X-Y FIFO Mode Channel
                  1. 3.1.2.2.5.3.1.1 X-Y FIFO Burst Mode
                2. 11.3.1.2.2.5.3.2 MCAN Mode Channel
                  1. 3.1.2.2.5.3.2.1 MCAN Burst Mode
                3. 11.3.1.2.2.5.3.3 AASRC Channel
              4. 11.3.1.2.2.5.4 Receive PSI-L Interface Transactions
              5. 11.3.1.2.2.5.5 Rx Pause
              6. 11.3.1.2.2.5.6 Rx Teardown
              7. 11.3.1.2.2.5.7 Rx Channel Reset
              8. 11.3.1.2.2.5.8 Rx Debug/State Register
        4. 11.3.1.3 Functional Description - UART
          1. 11.3.1.3.1 Compliance to Standards
          2. 11.3.1.3.2 Functional Operation
            1. 11.3.1.3.2.1 Submodule Descriptions
              1. 11.3.1.3.2.1.1 Scheduler
              2. 11.3.1.3.2.1.2 Tx Per Channel Buffers
              3. 11.3.1.3.2.1.3 Tx DMA Unit
              4. 11.3.1.3.2.1.4 Rx Per Channel Buffers
              5. 11.3.1.3.2.1.5 Rx DMA Unit
            2. 11.3.1.3.2.2 General Functionality (Applicable to All Functions/Modes)
              1. 11.3.1.3.2.2.1 Operational States
              2. 11.3.1.3.2.2.2 Clock Stop
              3. 11.3.1.3.2.2.3 Emulation Control
              4. 11.3.1.3.2.2.4 Dynamic Clock Gating
            3. 11.3.1.3.2.3 Events and Flow Control
              1. 11.3.1.3.2.3.1 Channel Triggering
              2. 11.3.1.3.2.3.2 Completion Events
              3. 11.3.1.3.2.3.3 Channel Types
                1. 11.3.1.3.2.3.3.1 X-Y FIFO Mode
                2. 11.3.1.3.2.3.3.2 MCAN Mode
                3. 11.3.1.3.2.3.3.3 AASRC Mode
            4. 11.3.1.3.2.4 Transmit Operation
              1. 11.3.1.3.2.4.1 Destination (Tx) Channel Allocation
              2. 11.3.1.3.2.4.2 Destination (Tx) Channel Out of Band Signals
              3. 11.3.1.3.2.4.3 Destination Channel Initialization
                1. 11.3.1.3.2.4.3.1 PSI-L Destination Thread Pairing
                2. 11.3.1.3.2.4.3.2 Static Transfer Request Setup
                  1. 3.1.3.2.4.3.2.1 X-Y FIFO Mode Static TR
                  2. 3.1.3.2.4.3.2.2 MCAN Mode Static TR
                  3. 3.1.3.2.4.3.2.3 AASRC Mode Static TR
                  4. 3.1.3.2.4.3.2.4 AASRC TxFifoConfig (PSIL Address 0x405)
                  5. 3.1.3.2.4.3.2.5 AASRC TxOrderTable0 (PSIL Address 0x406)
                  6. 3.1.3.2.4.3.2.6 AASRC TxOrderTable1 (PSIL Address 0x407)
                3. 11.3.1.3.2.4.3.3 PSI-L Destination Thread Enables
              4. 11.3.1.3.2.4.4 Data Transfer
                1. 11.3.1.3.2.4.4.1 X-Y FIFO Mode Channel
                  1. 3.1.3.2.4.4.1.1 X-Y FIFO Burst Mode
                2. 11.3.1.3.2.4.4.2 MCAN Mode Channel
                  1. 3.1.3.2.4.4.2.1 MCAN Burst Mode
                3. 11.3.1.3.2.4.4.3 AASRC Channel
              5. 11.3.1.3.2.4.5 Transmit PSI-L Interface Transactions
              6. 11.3.1.3.2.4.6 Tx Pause
              7. 11.3.1.3.2.4.7 Tx Teardown
              8. 11.3.1.3.2.4.8 Tx Channel Reset
              9. 11.3.1.3.2.4.9 Tx Debug/State Register
            5. 11.3.1.3.2.5 Receive Operation
              1. 11.3.1.3.2.5.1 Source (Rx) Channel Allocation
              2. 11.3.1.3.2.5.2 Source Channel Initialization
                1. 11.3.1.3.2.5.2.1 PSI-L Source Thread Pairing
                2. 11.3.1.3.2.5.2.2 Static Transfer Request Setup
                  1. 3.1.3.2.5.2.2.1 X-Y FIFO Mode Static TR
                  2. 3.1.3.2.5.2.2.2 MCAN Mode Static TR
                  3. 3.1.3.2.5.2.2.3 AASRC Mode Static TR
                  4. 3.1.3.2.5.2.2.4 AASRC RxFifoConfig (PSIL Address 0x405)
                  5. 3.1.3.2.5.2.2.5 AASRC RxOrderTable0 (PSIL Address 0x406)
                  6. 3.1.3.2.5.2.2.6 AASRC RxOrderTable1 (PSIL Address 0x407)
                3. 11.3.1.3.2.5.2.3 PSI-L Source Thread Enables
              3. 11.3.1.3.2.5.3 Data Transfer
                1. 11.3.1.3.2.5.3.1 X-Y FIFO Mode Channel
                  1. 3.1.3.2.5.3.1.1 X-Y FIFO Burst Mode
                2. 11.3.1.3.2.5.3.2 MCAN Mode Channel
                  1. 3.1.3.2.5.3.2.1 MCAN Burst Mode
                3. 11.3.1.3.2.5.3.3 AASRC Channel
              4. 11.3.1.3.2.5.4 Receive PSI-L Interface Transactions
              5. 11.3.1.3.2.5.5 Rx Pause
              6. 11.3.1.3.2.5.6 Rx Teardown
              7. 11.3.1.3.2.5.7 Rx Channel Reset
              8. 11.3.1.3.2.5.8 Rx Debug/State Register
        5. 11.3.1.4 Functional Description - McASP
          1. 11.3.1.4.1 Compliance to Standards
          2. 11.3.1.4.2 Functional Operation
            1. 11.3.1.4.2.1 Submodule Descriptions
              1. 11.3.1.4.2.1.1 Scheduler
              2. 11.3.1.4.2.1.2 Tx Per Channel Buffers
              3. 11.3.1.4.2.1.3 Tx DMA Unit
              4. 11.3.1.4.2.1.4 Rx Per Channel Buffers
              5. 11.3.1.4.2.1.5 Rx DMA Unit
            2. 11.3.1.4.2.2 General Functionality (Applicable to All Functions/Modes)
              1. 11.3.1.4.2.2.1 Operational States
              2. 11.3.1.4.2.2.2 Clock Stop
              3. 11.3.1.4.2.2.3 Emulation Control
            3. 11.3.1.4.2.3 Events and Flow Control
              1. 11.3.1.4.2.3.1 Channel Triggering
              2. 11.3.1.4.2.3.2 Completion Events
              3. 11.3.1.4.2.3.3 Channel Types
                1. 11.3.1.4.2.3.3.1 X-Y FIFO Mode
                2. 11.3.1.4.2.3.3.2 MCAN Mode
                3. 11.3.1.4.2.3.3.3 AASRC Mode
            4. 11.3.1.4.2.4 Transmit Operation
              1. 11.3.1.4.2.4.1 Destination (Tx) Channel Allocation
              2. 11.3.1.4.2.4.2 Destination (Tx) Channel Out of Band Signals
              3. 11.3.1.4.2.4.3 Destination Channel Initialization
                1. 11.3.1.4.2.4.3.1 PSI-L Destination Thread Pairing
                2. 11.3.1.4.2.4.3.2 Static Transfer Request Setup
                  1. 3.1.4.2.4.3.2.1 X-Y FIFO Mode Static TR
                  2. 3.1.4.2.4.3.2.2 MCAN Mode Static TR
                  3. 3.1.4.2.4.3.2.3 AASRC Mode Static TR
                3. 11.3.1.4.2.4.3.3 PSI-L Destination Thread Enables
              4. 11.3.1.4.2.4.4 Data Transfer
                1. 11.3.1.4.2.4.4.1 X-Y FIFO Mode Channel
                  1. 3.1.4.2.4.4.1.1 X-Y FIFO Burst Mode
                2. 11.3.1.4.2.4.4.2 MCAN Mode Channel
                3. 11.3.1.4.2.4.4.3 AASRC Channel
              5. 11.3.1.4.2.4.5 Transmit PSI-L Interface Transactions
              6. 11.3.1.4.2.4.6 Tx Pause
              7. 11.3.1.4.2.4.7 Tx Teardown
              8. 11.3.1.4.2.4.8 Tx Channel Reset
              9. 11.3.1.4.2.4.9 Tx Debug/State Register
            5. 11.3.1.4.2.5 Receive Operation
              1. 11.3.1.4.2.5.1 Source (Rx) Channel Allocation
              2. 11.3.1.4.2.5.2 Source Channel Initialization
                1. 11.3.1.4.2.5.2.1 PSI-L Source Thread Pairing
                2. 11.3.1.4.2.5.2.2 Static Transfer Request Setup
                  1. 3.1.4.2.5.2.2.1 X-Y FIFO Mode Static TR
                  2. 3.1.4.2.5.2.2.2 MCAN Mode Static TR
                  3. 3.1.4.2.5.2.2.3 AASRC Mode Static TR
                3. 11.3.1.4.2.5.2.3 PSI-L Source Thread Enables
              3. 11.3.1.4.2.5.3 Data Transfer
                1. 11.3.1.4.2.5.3.1 X-Y FIFO Mode Channel
                  1. 3.1.4.2.5.3.1.1 X-Y FIFO Burst Mode
                2. 11.3.1.4.2.5.3.2 MCAN Mode Channel
                3. 11.3.1.4.2.5.3.3 AASRC Channel
              4. 11.3.1.4.2.5.4 Receive PSI-L Interface Transactions
              5. 11.3.1.4.2.5.5 Rx Pause
              6. 11.3.1.4.2.5.6 Rx Teardown
              7. 11.3.1.4.2.5.7 Rx Channel Reset
              8. 11.3.1.4.2.5.8 Rx Debug/State Register
        6. 11.3.1.5 Functional Description - ADC
          1. 11.3.1.5.1 Compliance to Standards
          2. 11.3.1.5.2 Functional Operation
            1. 11.3.1.5.2.1 Submodule Descriptions
              1. 11.3.1.5.2.1.1 Scheduler
              2. 11.3.1.5.2.1.2 Tx Per Channel Buffers
              3. 11.3.1.5.2.1.3 Tx DMA Unit
              4. 11.3.1.5.2.1.4 Rx Per Channel Buffers
              5. 11.3.1.5.2.1.5 Rx DMA Unit
            2. 11.3.1.5.2.2 General Functionality (Applicable to All Functions/Modes)
              1. 11.3.1.5.2.2.1 Operational States
              2. 11.3.1.5.2.2.2 Clock Stop
              3. 11.3.1.5.2.2.3 Emulation Control
            3. 11.3.1.5.2.3 Events and Flow Control
              1. 11.3.1.5.2.3.1 Channel Triggering
              2. 11.3.1.5.2.3.2 Completion Events
              3. 11.3.1.5.2.3.3 Channel Types
                1. 11.3.1.5.2.3.3.1 X-Y FIFO Mode
                2. 11.3.1.5.2.3.3.2 MCAN Mode
                3. 11.3.1.5.2.3.3.3 AASRC Mode
            4. 11.3.1.5.2.4 Transmit Operation
              1. 11.3.1.5.2.4.1 Destination (Tx) Channel Allocation
              2. 11.3.1.5.2.4.2 Destination (Tx) Channel Out of Band Signals
              3. 11.3.1.5.2.4.3 Destination Channel Initialization
                1. 11.3.1.5.2.4.3.1 PSI-L Destination Thread Pairing
                2. 11.3.1.5.2.4.3.2 Static Transfer Request Setup
                  1. 3.1.5.2.4.3.2.1 X-Y FIFO Mode Static TR
                  2. 3.1.5.2.4.3.2.2 MCAN Mode Static TR
                  3. 3.1.5.2.4.3.2.3 AASRC Mode Static TR
                  4. 3.1.5.2.4.3.2.4 AASRC TxFifoConfig (PSIL Address 0x405)
                  5. 3.1.5.2.4.3.2.5 AASRC TxOrderTable0 (PSIL Address 0x406)
                  6. 3.1.5.2.4.3.2.6 AASRC TxOrderTable1 (PSIL Address 0x407)
                3. 11.3.1.5.2.4.3.3 PSI-L Destination Thread Enables
              4. 11.3.1.5.2.4.4 Data Transfer
                1. 11.3.1.5.2.4.4.1 X-Y FIFO Mode Channel
                  1. 3.1.5.2.4.4.1.1 X-Y FIFO Burst Mode
                2. 11.3.1.5.2.4.4.2 MCAN Mode Channel
                3. 11.3.1.5.2.4.4.3 AASRC Channel
              5. 11.3.1.5.2.4.5 Transmit PSI-L Interface Transactions
              6. 11.3.1.5.2.4.6 Tx Pause
              7. 11.3.1.5.2.4.7 Tx Teardown
              8. 11.3.1.5.2.4.8 Tx Channel Reset
              9. 11.3.1.5.2.4.9 Tx Debug/State Register
            5. 11.3.1.5.2.5 Receive Operation
              1. 11.3.1.5.2.5.1 Source (Rx) Channel Allocation
              2. 11.3.1.5.2.5.2 Source Channel Initialization
                1. 11.3.1.5.2.5.2.1 PSI-L Source Thread Pairing
                2. 11.3.1.5.2.5.2.2 Static Transfer Request Setup
                  1. 3.1.5.2.5.2.2.1 X-Y FIFO Mode Static TR
                  2. 3.1.5.2.5.2.2.2 MCAN Mode Static TR
                  3. 3.1.5.2.5.2.2.3 AASRC Mode Static TR
                3. 11.3.1.5.2.5.2.3 PSI-L Source Thread Enables
              3. 11.3.1.5.2.5.3 Data Transfer
                1. 11.3.1.5.2.5.3.1 X-Y FIFO Mode Channel
                  1. 3.1.5.2.5.3.1.1 X-Y FIFO Burst Mode
                2. 11.3.1.5.2.5.3.2 MCAN Mode Channel
                3. 11.3.1.5.2.5.3.3 AASRC Channel
              4. 11.3.1.5.2.5.4 Receive PSI-L Interface Transactions
              5. 11.3.1.5.2.5.5 Rx Pause
              6. 11.3.1.5.2.5.6 Rx Teardown
              7. 11.3.1.5.2.5.7 Rx Channel Reset
              8. 11.3.1.5.2.5.8 Rx Debug/State Register
        7. 11.3.1.6 Functional Description - ASRC
          1. 11.3.1.6.1 Compliance to Standards
          2. 11.3.1.6.2 Functional Operation
            1. 11.3.1.6.2.1 Submodule Descriptions
              1. 11.3.1.6.2.1.1 Scheduler
              2. 11.3.1.6.2.1.2 Tx Per Channel Buffers
              3. 11.3.1.6.2.1.3 Tx DMA Unit
              4. 11.3.1.6.2.1.4 Rx Per Channel Buffers
              5. 11.3.1.6.2.1.5 Rx DMA Unit
            2. 11.3.1.6.2.2 General Functionality (Applicable to All Functions/Modes)
              1. 11.3.1.6.2.2.1 Operational States
              2. 11.3.1.6.2.2.2 Clock Stop
              3. 11.3.1.6.2.2.3 Emulation Control
            3. 11.3.1.6.2.3 Events and Flow Control
              1. 11.3.1.6.2.3.1 Channel Triggering
              2. 11.3.1.6.2.3.2 Completion Events
              3. 11.3.1.6.2.3.3 Channel Types
                1. 11.3.1.6.2.3.3.1 X-Y FIFO Mode
                2. 11.3.1.6.2.3.3.2 MCAN Mode
                3. 11.3.1.6.2.3.3.3 AASRC Mode
            4. 11.3.1.6.2.4 Transmit Operation
              1. 11.3.1.6.2.4.1 Destination (Tx) Channel Allocation
              2. 11.3.1.6.2.4.2 Destination (Tx) Channel Out of Band Signals
              3. 11.3.1.6.2.4.3 Destination Channel Initialization
                1. 11.3.1.6.2.4.3.1 PSI-L Destination Thread Pairing
                2. 11.3.1.6.2.4.3.2 Static Transfer Request Setup
                  1. 3.1.6.2.4.3.2.1 X-Y FIFO Mode Static TR
                  2. 3.1.6.2.4.3.2.2 MCAN Mode Static TR
                  3. 3.1.6.2.4.3.2.3 AASRC Mode Static TR
                3. 11.3.1.6.2.4.3.3 PSI-L Destination Thread Enables
              4. 11.3.1.6.2.4.4 Data Transfer
                1. 11.3.1.6.2.4.4.1 X-Y FIFO Mode Channel
                  1. 3.1.6.2.4.4.1.1 X-Y FIFO Burst Mode
                2. 11.3.1.6.2.4.4.2 MCAN Mode Channel
                3. 11.3.1.6.2.4.4.3 AASRC Channel
              5. 11.3.1.6.2.4.5 Transmit PSI-L Interface Transactions
              6. 11.3.1.6.2.4.6 Tx Pause
              7. 11.3.1.6.2.4.7 Tx Teardown
              8. 11.3.1.6.2.4.8 Tx Channel Reset
              9. 11.3.1.6.2.4.9 Tx Debug/State Register
            5. 11.3.1.6.2.5 Receive Operation
              1. 11.3.1.6.2.5.1 Source (Rx) Channel Allocation
              2. 11.3.1.6.2.5.2 Source Channel Initialization
                1. 11.3.1.6.2.5.2.1 PSI-L Source Thread Pairing
                2. 11.3.1.6.2.5.2.2 Static Transfer Request Setup
                  1. 3.1.6.2.5.2.2.1 X-Y FIFO Mode Static TR
                  2. 3.1.6.2.5.2.2.2 MCAN Mode Static TR
                  3. 3.1.6.2.5.2.2.3 AASRC Mode Static TR
                3. 11.3.1.6.2.5.2.3 PSI-L Source Thread Enables
              3. 11.3.1.6.2.5.3 Data Transfer
                1. 11.3.1.6.2.5.3.1 X-Y FIFO Mode Channel
                  1. 3.1.6.2.5.3.1.1 X-Y FIFO Burst Mode
                2. 11.3.1.6.2.5.3.2 MCAN Mode Channel
                3. 11.3.1.6.2.5.3.3 AASRC Channel
              4. 11.3.1.6.2.5.4 Receive PSI-L Interface Transactions
              5. 11.3.1.6.2.5.5 Rx Pause
              6. 11.3.1.6.2.5.6 Rx Teardown
              7. 11.3.1.6.2.5.7 Rx Channel Reset
              8. 11.3.1.6.2.5.8 Rx Debug/State Register
  14. 12Peripherals
    1. 12.1 Audio Peripherals
      1. 12.1.1 Audio Sample Rate Converter (ASRC)
        1. 12.1.1.1 ASRC Overview
        2. 12.1.1.2 ASRC Functional Description
          1. 12.1.1.2.1  ASRC Block Diagram and Implementation
          2. 12.1.1.2.2  ASRC Data Rate and Traffic Behavior
          3. 12.1.1.2.3  ASRC Data Interface and Formats
          4. 12.1.1.2.4  ASRC Clock Configuration
            1. 12.1.1.2.4.1 ASRC RXSYNC and TXSYNC
          5. 12.1.1.2.5  ASRC Reset Configuration
          6. 12.1.1.2.6  ASRC Power Management
          7. 12.1.1.2.7  ASRC Interrupts and Data Transfer Model
            1. 12.1.1.2.7.1 Input FIFO Interrupts
            2. 12.1.1.2.7.2 Output FIFO Interrupts
            3. 12.1.1.2.7.3 Group Interrupts
            4. 12.1.1.2.7.4 Error Interrupts
          8. 12.1.1.2.8  ASRC DMA Events and Data Transfer Model
            1. 12.1.1.2.8.1 Stream Mode DMA Events
            2. 12.1.1.2.8.2 Group Mode DMA Events
          9. 12.1.1.2.9  ASRC Group Mode Configuration
            1. 12.1.1.2.9.1 Group Mode Configuration Sequence
          10. 12.1.1.2.10 ASRC Stream Mode Configuration
            1. 12.1.1.2.10.1 Stream Mode Configuration Sequence
          11. 12.1.1.2.11 ASRC Programming Ranges and Restrictions
          12. 12.1.1.2.12 ASRC Registers Shadowing
      2. 12.1.2 Multichannel Audio Serial Port (MCASP)
        1. 12.1.2.1 MCASP Overview
          1. 12.1.2.1.1 MCASP Features
          2.        1189
          3. 12.1.2.1.2 Unsupported Features
        2. 12.1.2.2 MCASP Environment
          1. 12.1.2.2.1 MCASP Signals
          2. 12.1.2.2.2 MCASP Protocols and Data Formats
            1. 12.1.2.2.2.1 Protocols Supported
            2. 12.1.2.2.2.2 Definition of Terms
            3. 12.1.2.2.2.3 TDM Format
            4. 12.1.2.2.2.4 I2S Format
            5. 12.1.2.2.2.5 S/PDIF Coding Format
              1. 12.1.2.2.2.5.1 Biphase-Mark Code
              2. 12.1.2.2.2.5.2 S/PDIF Subframe Format
              3. 12.1.2.2.2.5.3 Frame Format
        3. 12.1.2.3 Integration
        4. 12.1.2.4 MCASP Functional Description
          1. 12.1.2.4.1  MCASP Block Diagram
          2. 12.1.2.4.2  MCASP Clock and Frame-Sync Configurations
            1. 12.1.2.4.2.1 MCASP Transmit Clock
            2. 12.1.2.4.2.2 MCASP Receive Clock
            3. 12.1.2.4.2.3 Frame-Sync Generator
            4. 12.1.2.4.2.4 Synchronous and Asynchronous Transmit and Receive Operations
          3. 12.1.2.4.3  MCASP Serializers
          4. 12.1.2.4.4  MCASP Format Units
            1. 12.1.2.4.4.1 Transmit Format Unit
              1. 12.1.2.4.4.1.1 TDM Mode Transmission Data Alignment Settings
              2. 12.1.2.4.4.1.2 DIT Mode Transmission Data Alignment Settings
            2. 12.1.2.4.4.2 Receive Format Unit
              1. 12.1.2.4.4.2.1 TDM Mode Reception Data Alignment Settings
          5. 12.1.2.4.5  MCASP State-Machines
          6. 12.1.2.4.6  MCASP TDM Sequencers
          7. 12.1.2.4.7  MCASP Software Reset
          8. 12.1.2.4.8  MCASP Power Management
          9. 12.1.2.4.9  MCASP Transfer Modes
            1. 12.1.2.4.9.1 Burst Transfer Mode
            2. 12.1.2.4.9.2 Time-Division Multiplexed (TDM) Transfer Mode
              1. 12.1.2.4.9.2.1 TDM Time Slots Generation and Processing
              2. 12.1.2.4.9.2.2 Special 384-Slot TDM Mode for Connection to External DIR
            3. 12.1.2.4.9.3 DIT Transfer Mode
              1. 12.1.2.4.9.3.1 Transmit DIT Encoding
              2. 12.1.2.4.9.3.2 Transmit DIT Clock and Frame-Sync Generation
              3. 12.1.2.4.9.3.3 DIT Channel Status and User Data Register Files
          10. 12.1.2.4.10 MCASP Data Transmission and Reception
            1. 12.1.2.4.10.1 Data Ready Status and Event/Interrupt Generation
              1. 12.1.2.4.10.1.1 Transmit Data Ready
              2. 12.1.2.4.10.1.2 Receive Data Ready
              3. 12.1.2.4.10.1.3 Transfers Through the Data Port (DATA)
              4. 12.1.2.4.10.1.4 Transfers Through the Configuration Bus (CFG)
              5. 12.1.2.4.10.1.5 Using a Device CPU for MCASP Servicing
              6. 12.1.2.4.10.1.6 Using the DMA for MCASP Servicing
          11. 12.1.2.4.11 MCASP Audio FIFO (AFIFO)
            1. 12.1.2.4.11.1 AFIFO Data Transmission
              1. 12.1.2.4.11.1.1 Transmit DMA Event Pacer
            2. 12.1.2.4.11.2 AFIFO Data Reception
              1. 12.1.2.4.11.2.1 Receive DMA Event Pacer
            3. 12.1.2.4.11.3 Arbitration Between Transmit and Receive DMA Requests
          12. 12.1.2.4.12 MCASP Events and Interrupt Requests
            1. 12.1.2.4.12.1 Transmit Data Ready Event and Interrupt
            2. 12.1.2.4.12.2 Receive Data Ready Event and Interrupt
            3. 12.1.2.4.12.3 Error Interrupt
            4. 12.1.2.4.12.4 Multiple Interrupts
          13. 12.1.2.4.13 MCASP DMA Requests
          14. 12.1.2.4.14 MCASP Loopback Modes
            1. 12.1.2.4.14.1 Loopback Mode Configurations
          15. 12.1.2.4.15 MCASP Error Reporting
            1. 12.1.2.4.15.1 Buffer Underrun Error -Transmitter
            2. 12.1.2.4.15.2 Buffer Overrun Error-Receiver
            3. 12.1.2.4.15.3 DATA Port Error - Transmitter
            4. 12.1.2.4.15.4 DATA Port Error - Receiver
            5. 12.1.2.4.15.5 Unexpected Frame Sync Error
            6. 12.1.2.4.15.6 Clock Failure Detection
              1. 12.1.2.4.15.6.1 Clock Failure Check Startup
              2. 12.1.2.4.15.6.2 Transmit Clock Failure Check and Recovery
              3. 12.1.2.4.15.6.3 Receive Clock Failure Check and Recovery
        5. 12.1.2.5 MCASP Programming Guide
          1. 12.1.2.5.1 MCASP Global Initialization
            1. 12.1.2.5.1.1 Surrounding Modules Global Initialization
            2. 12.1.2.5.1.2 MCASP Global Initialization
              1. 12.1.2.5.1.2.1 Main Sequence – MCASP Global Initialization for DIT-Transmission
                1. 12.1.2.5.1.2.1.1 Subsequence – Transmit Format Unit Configuration for DIT-Transmission
                2. 12.1.2.5.1.2.1.2 Subsequence – Transmit Frame Synchronization Generator Configuration for DIT-Transmission
                3. 12.1.2.5.1.2.1.3 Subsequence – Transmit Clock Generator Configuration for DIT-Transmission
                4. 12.1.2.5.1.2.1.4 Subsequence - MCASP Pins Functional Configuration
                5. 12.1.2.5.1.2.1.5 Subsequence – DIT-specific Subframe Fields Configuration
              2. 12.1.2.5.1.2.2 Main Sequence – MCASP Global Initialization for TDM-Reception
                1. 12.1.2.5.1.2.2.1 Subsequence – Receive Format Unit Configuration in TDM Mode
                2. 12.1.2.5.1.2.2.2 Subsequence – Receive Frame Synchronization Generator Configuration in TDM Mode
                3. 12.1.2.5.1.2.2.3 Subsequence – Receive Clock Generator Configuration
                4. 12.1.2.5.1.2.2.4 Subsequence—MCASP Receiver Pins Functional Configuration
              3. 12.1.2.5.1.2.3 Main Sequence – MCASP Global Initialization for TDM -Transmission
                1. 12.1.2.5.1.2.3.1 Subsequence – Transmit Format Unit Configuration in TDM Mode
                2. 12.1.2.5.1.2.3.2 Subsequence – Transmit Frame Synchronization Generator Configuration in TDM Mode
                3. 12.1.2.5.1.2.3.3 Subsequence – Transmit Clock Generator Configuration for TDM Cases
                4. 12.1.2.5.1.2.3.4 Subsequence—MCASP Transmit Pins Functional Configuration
          2. 12.1.2.5.2 MCASP Operational Modes Configuration
            1. 12.1.2.5.2.1 MCASP Transmission Modes
              1. 12.1.2.5.2.1.1 Main Sequence – MCASP DIT- /TDM- Polling Transmission Method
              2. 12.1.2.5.2.1.2 Main Sequence – MCASP DIT- /TDM - Interrupt Transmission Method
              3. 12.1.2.5.2.1.3 Main Sequence –MCASP DIT- /TDM - Mode DMA Transmission Method
            2. 12.1.2.5.2.2 MCASP Reception Modes
              1. 12.1.2.5.2.2.1 Main Sequence – MCASP Polling Reception Method
              2. 12.1.2.5.2.2.2 Main Sequence – MCASP TDM - Interrupt Reception Method
              3. 12.1.2.5.2.2.3 Main Sequence – MCASP TDM - Mode DMA Reception Method
            3. 12.1.2.5.2.3 MCASP Event Servicing
              1. 12.1.2.5.2.3.1 MCASP DIT-/TDM- Transmit Interrupt Events Servicing
              2. 12.1.2.5.2.3.2 MCASP TDM- Receive Interrupt Events Servicing
              3. 12.1.2.5.2.3.3 Subsequence – MCASP DIT-/TDM -Modes Transmit Error Handling
              4. 12.1.2.5.2.3.4 Subsequence – MCASP Receive Error Handling
      3. 12.1.3 Audio Tracking Logic (ATL)
        1. 12.1.3.1 ATL Overview
          1. 12.1.3.1.1 ATL Features Overview
          2. 12.1.3.1.2 ATL Ports
        2. 12.1.3.2 ATL Functional Description
          1. 12.1.3.2.1 ATL Block Diagram
          2. 12.1.3.2.2 ATL Source Signal Control
          3. 12.1.3.2.3 ATL Clock and Reset Configuration
      4. 12.1.4 Media Local Bus Subsystem (MLBSS)
        1. 12.1.4.1 MLBSS Overview
          1. 12.1.4.1.1 MLBSS Features
          2. 12.1.4.1.2 MLBSS Not Supported Features
        2. 12.1.4.2 MLBSS Environment
        3. 12.1.4.3 MLBSS Functional Description
          1. 12.1.4.3.1 MLBSS Block Diagram
            1. 12.1.4.3.1.1 MediaLB Core Block
            2. 12.1.4.3.1.2 Routing Fabric Block
            3. 12.1.4.3.1.3 Data Buffer RAM
            4. 12.1.4.3.1.4 Channel Table RAM
              1. 12.1.4.3.1.4.1 Channel Allocation Table
                1. 12.1.4.3.1.4.1.1 Channel Setup
              2. 12.1.4.3.1.4.2 Channel Descriptor Table
            5. 12.1.4.3.1.5 DMA Block
              1. 12.1.4.3.1.5.1 Synchronous Channel Descriptor
              2. 12.1.4.3.1.5.2 Isochronous Channel Descriptors
              3. 12.1.4.3.1.5.3 Asynchronous and Control Channel Descriptors
                1. 12.1.4.3.1.5.3.1 Single-Packet Mode
                2. 12.1.4.3.1.5.3.2 Multiple-Packet Mode
          2. 12.1.4.3.2 MLBSS Software and Data Flow
            1. 12.1.4.3.2.1 Data Flow For Receive Channels
            2. 12.1.4.3.2.2 Data Flow for Transmit Channels
          3. 12.1.4.3.3 MLBSS Priority On The System Interconnect
        4. 12.1.4.4 MLBSS Programming Guide
          1. 12.1.4.4.1 Global Initialization
            1. 12.1.4.4.1.1 MLBSS Global Initialization
              1. 12.1.4.4.1.1.1 Channel Initialization
          2. 12.1.4.4.2 MLBSS Operational Modes Configuration
            1. 12.1.4.4.2.1 Channel Servicing
            2. 12.1.4.4.2.2 Channel Table RAM Access
          3. 12.1.4.4.3 MLBSS Standby Mode
    2. 12.2 General Connectivity Peripherals
      1. 12.2.1 General-Purpose Interface (GPIO)
        1. 12.2.1.1 GPIO Overview
          1. 12.2.1.1.1 GPIO Features
          2. 12.2.1.1.2 Unsupported Features
          3.        1341
        2. 12.2.1.2 GPIO Environment
          1. 12.2.1.2.1 GPIO Interface Signals
        3. 12.2.1.3 Integration
        4. 12.2.1.4 GPIO Functional Description
          1. 12.2.1.4.1 GPIO Block Diagram
          2. 12.2.1.4.2 GPIO Function
          3. 12.2.1.4.3 Interrupt and Event Generation
            1. 12.2.1.4.3.1 Interrupt Enable (per Bank)
            2. 12.2.1.4.3.2 Trigger Configuration (per Bit)
            3. 12.2.1.4.3.3 Interrupt Status and Clear (per Bit)
          4. 12.2.1.4.4 GPIO Interrupt Connectivity
          5. 12.2.1.4.5 Emulation Halt Operation
        5. 12.2.1.5 GPIO Programming Guide
          1. 12.2.1.5.1 GPIO Low-Level Programming Models
            1. 12.2.1.5.1.1 Global Initialization
              1. 12.2.1.5.1.1.1 Surrounding Modules Global Initialization
              2. 12.2.1.5.1.1.2 GPIO Module Global Initialization
            2. 12.2.1.5.1.2 GPIO Operational Modes Configuration
              1. 12.2.1.5.1.2.1 GPIO Read Input Register
              2. 12.2.1.5.1.2.2 GPIO Set Bit Function
              3. 12.2.1.5.1.2.3 GPIO Clear Bit Function
      2. 12.2.2 Inter-Integrated Circuit (I2C) Interface
        1. 12.2.2.1 I2C Overview
          1. 12.2.2.1.1 I2C Features
          2. 12.2.2.1.2 Integration
          3. 12.2.2.1.3 Unsupported Features
          4.        1368
        2. 12.2.2.2 I2C Environment
          1. 12.2.2.2.1 I2C Typical Application
            1. 12.2.2.2.1.1 I2C Pins for Typical Connections in I2C Mode
            2. 12.2.2.2.1.2 I2C Interface Typical Connections
            3. 12.2.2.2.1.3 1373
          2. 12.2.2.2.2 I2C Typical Connection Protocol and Data Format
            1. 12.2.2.2.2.1  I2C Serial Data Format
            2. 12.2.2.2.2.2  I2C Data Validity
            3. 12.2.2.2.2.3  I2C Start and Stop Conditions
            4. 12.2.2.2.2.4  I2C Addressing
              1. 12.2.2.2.2.4.1 Data Transfer Formats in F/S Mode
              2. 12.2.2.2.2.4.2 Data Transfer Format in HS Mode
            5. 12.2.2.2.2.5  I2C Controller Transmitter
            6. 12.2.2.2.2.6  I2C Controller Receiver
            7. 12.2.2.2.2.7  I2C Target Transmitter
            8. 12.2.2.2.2.8  I2C Target Receiver
            9. 12.2.2.2.2.9  I2C Bus Arbitration
            10. 12.2.2.2.2.10 I2C Clock Generation and Synchronization
        3. 12.2.2.3 I2C Functional Description
          1. 12.2.2.3.1 I2C Block Diagram
          2. 12.2.2.3.2 I2C Clocks
            1. 12.2.2.3.2.1 I2C Clocking
            2. 12.2.2.3.2.2 I2C Automatic Blocking of the I2C Clock Feature
          3. 12.2.2.3.3 I2C Software Reset
          4. 12.2.2.3.4 I2C Power Management
          5. 12.2.2.3.5 I2C Interrupt Requests
          6. 12.2.2.3.6 I2C Programmable Multitarget Channel Feature
          7. 12.2.2.3.7 I2C FIFO Management
            1. 12.2.2.3.7.1 I2C FIFO Interrupt Mode
            2. 12.2.2.3.7.2 I2C FIFO Polling Mode
            3. 12.2.2.3.7.3 I2C Draining Feature
          8. 12.2.2.3.8 I2C Noise Filter
          9. 12.2.2.3.9 I2C System Test Mode
        4. 12.2.2.4 I2C Programming Guide
          1. 12.2.2.4.1 I2C Low-Level Programming Models
            1. 12.2.2.4.1.1 I2C Programming Model
              1. 12.2.2.4.1.1.1 Main Program
                1. 12.2.2.4.1.1.1.1 Configure the Module Before Enabling the I2C Controller
                2. 12.2.2.4.1.1.1.2 Initialize the I2C Controller
                3. 12.2.2.4.1.1.1.3 Configure Target Address and the Data Control Register
                4. 12.2.2.4.1.1.1.4 Initiate a Transfer
                5. 12.2.2.4.1.1.1.5 Receive Data
                6. 12.2.2.4.1.1.1.6 Transmit Data
              2. 12.2.2.4.1.1.2 Interrupt Subroutine Sequence
              3. 12.2.2.4.1.1.3 Programming Flow-Diagrams
      3. 12.2.3 Multichannel Serial Peripheral Interface (MCSPI)
        1. 12.2.3.1 MCSPI Overview
          1. 12.2.3.1.1 MCSPI Features
          2. 12.2.3.1.2 Unsupported Features
          3.        1418
        2. 12.2.3.2 MCSPI Environment
          1. 12.2.3.2.1 Basic MCSPI Pins for Controller Mode
          2. 12.2.3.2.2 Basic MCSPI Pins for Peripheral Mode
          3. 12.2.3.2.3 MCSPI Protocol and Data Format
            1. 12.2.3.2.3.1 Transfer Format
          4. 12.2.3.2.4 MCSPI in Controller Mode
          5. 12.2.3.2.5 MCSPI in Peripheral Mode
        3. 12.2.3.3 Integration
        4. 12.2.3.4 MCSPI Functional Description
          1. 12.2.3.4.1 MCSPI Block Diagram
          2. 12.2.3.4.2 MCSPI Reset
          3. 12.2.3.4.3 MCSPI Controller Mode
            1. 12.2.3.4.3.1 Controller Mode Features
            2. 12.2.3.4.3.2 Controller Transmit-and-Receive Mode (Full Duplex)
            3. 12.2.3.4.3.3 Controller Transmit-Only Mode (Half Duplex)
            4. 12.2.3.4.3.4 Controller Receive-Only Mode (Half Duplex)
            5. 12.2.3.4.3.5 Single-Channel Controller Mode
              1. 12.2.3.4.3.5.1 Programming Tips When Switching to Another Channel
              2. 12.2.3.4.3.5.2 Force SPIEN_[n] Mode
              3. 12.2.3.4.3.5.3 Turbo Mode
            6. 12.2.3.4.3.6 Start-Bit Mode
            7. 12.2.3.4.3.7 Chip-Select Timing Control
            8. 12.2.3.4.3.8 Programmable MCSPI Clock (SPICLK)
              1. 12.2.3.4.3.8.1 Clock Ratio Granularity
          4. 12.2.3.4.4 MCSPI Peripheral Mode
            1. 12.2.3.4.4.1 Dedicated Resources
            2. 12.2.3.4.4.2 Peripheral Transmit-and-Receive Mode
            3. 12.2.3.4.4.3 Peripheral Transmit-Only Mode
            4. 12.2.3.4.4.4 Peripheral Receive-Only Mode
          5. 12.2.3.4.5 MCSPI 3-Pin or 4-Pin Mode
          6. 12.2.3.4.6 MCSPI FIFO Buffer Management
            1. 12.2.3.4.6.1 Buffer Almost Full
            2. 12.2.3.4.6.2 Buffer Almost Empty
            3. 12.2.3.4.6.3 End of Transfer Management
            4. 12.2.3.4.6.4 Multiple MCSPI Word Access
            5. 12.2.3.4.6.5 First MCSPI Word Delay
          7. 12.2.3.4.7 MCSPI Interrupts
            1. 12.2.3.4.7.1 Interrupt Events in Controller Mode
              1. 12.2.3.4.7.1.1 TXx_EMPTY
              2. 12.2.3.4.7.1.2 TXx_UNDERFLOW
              3. 12.2.3.4.7.1.3 RXx_ FULL
              4. 12.2.3.4.7.1.4 End Of Word Count
            2. 12.2.3.4.7.2 Interrupt Events in Peripheral Mode
              1. 12.2.3.4.7.2.1 TXx_EMPTY
              2. 12.2.3.4.7.2.2 TXx_UNDERFLOW
              3. 12.2.3.4.7.2.3 RXx_FULL
              4. 12.2.3.4.7.2.4 RX0_OVERFLOW
              5. 12.2.3.4.7.2.5 End Of Word Count
            3. 12.2.3.4.7.3 Interrupt-Driven Operation
            4. 12.2.3.4.7.4 Polling
          8. 12.2.3.4.8 MCSPI DMA Requests
          9. 12.2.3.4.9 MCSPI Power Saving Management
            1. 12.2.3.4.9.1 Normal Mode
            2. 12.2.3.4.9.2 Idle Mode
              1. 12.2.3.4.9.2.1 Force-Idle Mode
        5. 12.2.3.5 MCSPI Programming Guide
          1. 12.2.3.5.1 MCSPI Global Initialization
            1. 12.2.3.5.1.1 Surrounding Modules Global Initialization
            2. 12.2.3.5.1.2 MCSPI Global Initialization
              1. 12.2.3.5.1.2.1 Main Sequence – MCSPI Global Initialization
          2. 12.2.3.5.2 MCSPI Operational Mode Configuration
            1. 12.2.3.5.2.1 MCSPI Operational Modes
              1. 12.2.3.5.2.1.1 Common Transfer Sequence
              2. 12.2.3.5.2.1.2 End of Transfer Sequences
              3. 12.2.3.5.2.1.3 Transmit-and-Receive (Controller and Peripheral)
              4. 12.2.3.5.2.1.4 Transmit-Only (Controller and Peripheral)
                1. 12.2.3.5.2.1.4.1 Based on Interrupt Requests
                2. 12.2.3.5.2.1.4.2 Based on DMA Write Requests
              5. 12.2.3.5.2.1.5 Controller Normal Receive-Only
                1. 12.2.3.5.2.1.5.1 Based on Interrupt Requests
                2. 12.2.3.5.2.1.5.2 Based on DMA Read Requests
              6. 12.2.3.5.2.1.6 Controller Turbo Receive-Only
                1. 12.2.3.5.2.1.6.1 Based on Interrupt Requests
                2. 12.2.3.5.2.1.6.2 Based on DMA Read Requests
              7. 12.2.3.5.2.1.7 Peripheral Receive-Only
              8. 12.2.3.5.2.1.8 Transfer Procedures With FIFO
                1. 12.2.3.5.2.1.8.1 Common Transfer Sequence in FIFO Mode
                2. 12.2.3.5.2.1.8.2 End of Transfer Sequences in FIFO Mode
                3. 12.2.3.5.2.1.8.3 Transmit-and-Receive With Word Count
                4. 12.2.3.5.2.1.8.4 Transmit-and-Receive Without Word Count
                5. 12.2.3.5.2.1.8.5 Transmit-Only
                6. 12.2.3.5.2.1.8.6 Receive-Only With Word Count
                7. 12.2.3.5.2.1.8.7 Receive-Only Without Word Count
              9. 12.2.3.5.2.1.9 Common Transfer Procedures Without FIFO – Polling Method
                1. 12.2.3.5.2.1.9.1 Receive-Only Procedure – Polling Method
                2. 12.2.3.5.2.1.9.2 Receive-Only Procedure – Interrupt Method
                3. 12.2.3.5.2.1.9.3 Transmit-Only Procedure – Polling Method
                4. 12.2.3.5.2.1.9.4 Transmit-and-Receive Procedure – Polling Method
          3. 12.2.3.5.3 Common Transfer Procedures Without FIFO – Polling Method
            1. 12.2.3.5.3.1 Receive-Only Procedure – Polling Method
            2. 12.2.3.5.3.2 Receive-Only Procedure – Interrupt Method
            3. 12.2.3.5.3.3 Transmit-Only Procedure – Polling Method
            4. 12.2.3.5.3.4 Transmit-and-Receive Procedure – Polling Method
      4. 12.2.4 Universal Asynchronous Receiver/Transmitter (UART)
        1. 12.2.4.1 UART Overview
          1. 12.2.4.1.1 UART Features
          2. 12.2.4.1.2 Unsupported Features
          3.        1516
          4. 12.2.4.1.3 IrDA Features
          5. 12.2.4.1.4 CIR Features
        2. 12.2.4.2 UART Environment
          1. 12.2.4.2.1 UART Functional Interfaces
            1. 12.2.4.2.1.1 System Using UART Communication With Hardware Handshake
            2. 12.2.4.2.1.2 UART Interface Description
            3. 12.2.4.2.1.3 UART Protocol and Data Format
          2. 12.2.4.2.2 RS-485 Functional Interfaces
            1. 12.2.4.2.2.1 System Using RS-485 Communication
            2. 12.2.4.2.2.2 RS-485 Interface Description
          3. 12.2.4.2.3 IrDA Functional Interfaces
            1. 12.2.4.2.3.1 System Using IrDA Communication Protocol
            2. 12.2.4.2.3.2 IrDA Interface Description
            3. 12.2.4.2.3.3 IrDA Protocol and Data Format
              1. 12.2.4.2.3.3.1 SIR Mode
                1. 12.2.4.2.3.3.1.1 Frame Format
                2. 12.2.4.2.3.3.1.2 Asynchronous Transparency
                3. 12.2.4.2.3.3.1.3 Abort Sequence
                4. 12.2.4.2.3.3.1.4 Pulse Shaping
                5. 12.2.4.2.3.3.1.5 Encoder
                6. 12.2.4.2.3.3.1.6 Decoder
                7. 12.2.4.2.3.3.1.7 IR Address Checking
              2. 12.2.4.2.3.3.2 SIR Free-Format Mode
              3. 12.2.4.2.3.3.3 MIR Mode
                1. 12.2.4.2.3.3.3.1 MIR Encoder/Decoder
                2. 12.2.4.2.3.3.3.2 SIP Generation
              4. 12.2.4.2.3.3.4 FIR Mode
          4. 12.2.4.2.4 CIR Functional Interfaces
            1. 12.2.4.2.4.1 System Using CIR Communication Protocol With Remote Control
            2. 12.2.4.2.4.2 CIR Interface Description
            3. 12.2.4.2.4.3 CIR Protocol and Data Format
              1. 12.2.4.2.4.3.1 Carrier Modulation
              2. 12.2.4.2.4.3.2 Pulse Duty Cycle
              3. 12.2.4.2.4.3.3 Consumer IR Encoding/Decoding
        3. 12.2.4.3 Integration
        4. 12.2.4.4 UART Functional Description
          1. 12.2.4.4.1 UART Block Diagram
          2. 12.2.4.4.2 UART Clock Configuration
          3. 12.2.4.4.3 UART Software Reset
            1. 12.2.4.4.3.1 Independent TX/RX
          4. 12.2.4.4.4 UART Power Management
            1. 12.2.4.4.4.1 UART Mode Power Management
              1. 12.2.4.4.4.1.1 Module Power Saving
              2. 12.2.4.4.4.1.2 System Power Saving
            2. 12.2.4.4.4.2 IrDA Mode Power Management
              1. 12.2.4.4.4.2.1 Module Power Saving
              2. 12.2.4.4.4.2.2 System Power Saving
            3. 12.2.4.4.4.3 CIR Mode Power Management
              1. 12.2.4.4.4.3.1 Module Power Saving
              2. 12.2.4.4.4.3.2 System Power Saving
            4. 12.2.4.4.4.4 Local Power Management
          5. 12.2.4.4.5 UART Interrupt Requests
            1. 12.2.4.4.5.1 UART Mode Interrupt Management
              1. 12.2.4.4.5.1.1 UART Interrupts
              2. 12.2.4.4.5.1.2 Wake-Up Interrupt
            2. 12.2.4.4.5.2 IrDA Mode Interrupt Management
              1. 12.2.4.4.5.2.1 IrDA Interrupts
              2. 12.2.4.4.5.2.2 Wake-Up Interrupts
            3. 12.2.4.4.5.3 CIR Mode Interrupt Management
              1. 12.2.4.4.5.3.1 CIR Interrupts
              2. 12.2.4.4.5.3.2 Wake-Up Interrupts
          6. 12.2.4.4.6 UART FIFO Management
            1. 12.2.4.4.6.1 FIFO Trigger
              1. 12.2.4.4.6.1.1 Transmit FIFO Trigger
              2. 12.2.4.4.6.1.2 Receive FIFO Trigger
            2. 12.2.4.4.6.2 FIFO Interrupt Mode
            3. 12.2.4.4.6.3 FIFO Polled Mode Operation
            4. 12.2.4.4.6.4 FIFO DMA Mode Operation
              1. 12.2.4.4.6.4.1 DMA sequence to disable TX DMA
              2. 12.2.4.4.6.4.2 DMA Transfers (DMA Mode 1, 2, or 3)
              3. 12.2.4.4.6.4.3 DMA Transmission
              4. 12.2.4.4.6.4.4 DMA Reception
          7. 12.2.4.4.7 UART Mode Selection
            1. 12.2.4.4.7.1 Register Access Modes
              1. 12.2.4.4.7.1.1 Operational Mode and Configuration Modes
              2. 12.2.4.4.7.1.2 Register Access Submode
              3. 12.2.4.4.7.1.3 Registers Available for the Register Access Modes
            2. 12.2.4.4.7.2 UART/RS-485/IrDA (SIR, MIR, FIR)/CIR Mode Selection
              1. 12.2.4.4.7.2.1 Registers Available for the UART Function
              2. 12.2.4.4.7.2.2 Registers Available for the IrDA Function
              3. 12.2.4.4.7.2.3 Registers Available for the CIR Function
          8. 12.2.4.4.8 UART Protocol Formatting
            1. 12.2.4.4.8.1 UART Mode
              1. 12.2.4.4.8.1.1 UART Clock Generation: Baud Rate Generation
              2. 12.2.4.4.8.1.2 Choosing the Appropriate Divisor Value
              3. 12.2.4.4.8.1.3 UART Data Formatting
                1. 12.2.4.4.8.1.3.1 Frame Formatting
                2. 12.2.4.4.8.1.3.2 Hardware Flow Control
                3. 12.2.4.4.8.1.3.3 Software Flow Control
                  1. 2.4.4.8.1.3.3.1 Receive (RX)
                  2. 2.4.4.8.1.3.3.2 Transmit (TX)
                4. 12.2.4.4.8.1.3.4 Autobauding Modes
                5. 12.2.4.4.8.1.3.5 Error Detection
                6. 12.2.4.4.8.1.3.6 Overrun During Receive
                7. 12.2.4.4.8.1.3.7 Time-Out and Break Conditions
                  1. 2.4.4.8.1.3.7.1 Time-Out Counter
                  2. 2.4.4.8.1.3.7.2 Break Condition
            2. 12.2.4.4.8.2 RS-485 Mode
              1. 12.2.4.4.8.2.1 RS-485 External Transceiver Direction Control
            3. 12.2.4.4.8.3 IrDA Mode
              1. 12.2.4.4.8.3.1 IrDA Clock Generation: Baud Generator
              2. 12.2.4.4.8.3.2 Choosing the Appropriate Divisor Value
              3. 12.2.4.4.8.3.3 IrDA Data Formatting
                1. 12.2.4.4.8.3.3.1  IR RX Polarity Control
                2. 12.2.4.4.8.3.3.2  IrDA Reception Control
                3. 12.2.4.4.8.3.3.3  IR Address Checking
                4. 12.2.4.4.8.3.3.4  Frame Closing
                5. 12.2.4.4.8.3.3.5  Store and Controlled Transmission
                6. 12.2.4.4.8.3.3.6  Error Detection
                7. 12.2.4.4.8.3.3.7  Underrun During Transmission
                8. 12.2.4.4.8.3.3.8  Overrun During Receive
                9. 12.2.4.4.8.3.3.9  Status FIFO
                10. 12.2.4.4.8.3.3.10 Multi-drop Parity Mode with Address Match
                11. 12.2.4.4.8.3.3.11 Time-guard
              4. 12.2.4.4.8.3.4 SIR Mode Data Formatting
                1. 12.2.4.4.8.3.4.1 Abort Sequence
                2. 12.2.4.4.8.3.4.2 Pulse Shaping
                3. 12.2.4.4.8.3.4.3 SIR Free Format Programming
              5. 12.2.4.4.8.3.5 MIR and FIR Mode Data Formatting
            4. 12.2.4.4.8.4 CIR Mode
              1. 12.2.4.4.8.4.1 CIR Mode Clock Generation
              2. 12.2.4.4.8.4.2 CIR Data Formatting
                1. 12.2.4.4.8.4.2.1 IR RX Polarity Control
                2. 12.2.4.4.8.4.2.2 CIR Transmission
                3. 12.2.4.4.8.4.2.3 CIR Reception
        5. 12.2.4.5 UART Programming Guide
          1. 12.2.4.5.1 UART Global Initialization
            1. 12.2.4.5.1.1 Surrounding Modules Global Initialization
            2. 12.2.4.5.1.2 UART Module Global Initialization
          2. 12.2.4.5.2 UART Mode selection
          3. 12.2.4.5.3 UART Submode selection
          4. 12.2.4.5.4 UART Load FIFO trigger and DMA mode settings
            1. 12.2.4.5.4.1 DMA mode Settings
            2. 12.2.4.5.4.2 FIFO Trigger Settings
          5. 12.2.4.5.5 UART Protocol, Baud rate and interrupt settings
            1. 12.2.4.5.5.1 Baud rate settings
            2. 12.2.4.5.5.2 Interrupt settings
            3. 12.2.4.5.5.3 Protocol settings
            4. 12.2.4.5.5.4 UART/RS-485/IrDA(SIR/MIR/FIR)/CIR
            5. 12.2.4.5.5.5 UART Multi-drop Parity Address Match Mode Configuration
          6. 12.2.4.5.6 UART Hardware and Software Flow Control Configuration
            1. 12.2.4.5.6.1 Hardware Flow Control Configuration
            2. 12.2.4.5.6.2 Software Flow Control Configuration
          7. 12.2.4.5.7 IrDA Programming Model
            1. 12.2.4.5.7.1 SIR mode
              1. 12.2.4.5.7.1.1 Receive
              2. 12.2.4.5.7.1.2 Transmit
            2. 12.2.4.5.7.2 MIR mode
              1. 12.2.4.5.7.2.1 Receive
              2. 12.2.4.5.7.2.2 Transmit
            3. 12.2.4.5.7.3 FIR mode
              1. 12.2.4.5.7.3.1 Receive
              2. 12.2.4.5.7.3.2 Transmit
    3. 12.3 High-Speed Serial Interfaces
      1. 12.3.1 Gigabit Ethernet Switch (CPSW3G)
        1. 12.3.1.1 CPSW0 Overview
          1. 12.3.1.1.1 CPSW0 Features
          2. 12.3.1.1.2 Unsupported Features
          3.        1675
          4. 12.3.1.1.3 CPSW Terminology
        2. 12.3.1.2 CPSW0 Environment
          1. 12.3.1.2.1 CPSW0 RMII Interface
          2. 12.3.1.2.2 CPSW0 RGMII Interface
        3. 12.3.1.3 Integration
        4. 12.3.1.4 CPSW0 Functional Description
          1. 12.3.1.4.1 Functional Block Diagram
          2. 12.3.1.4.2 CPSW Ports
            1. 12.3.1.4.2.1 Interface Mode Selection
          3. 12.3.1.4.3 Clocking
            1. 12.3.1.4.3.1 Subsystem Clocking
            2. 12.3.1.4.3.2 Interface Clocking
              1. 12.3.1.4.3.2.1 RGMII Interface Clocking
              2. 12.3.1.4.3.2.2 RMII Interface Clocking
              3. 12.3.1.4.3.2.3 MDIO Clocking
          4. 12.3.1.4.4 Software IDLE
          5. 12.3.1.4.5 Interrupt Functionality
            1. 12.3.1.4.5.1 EVNT_PEND Interrupt
            2. 12.3.1.4.5.2 Statistics Interrupt (STAT_PEND0)
            3. 12.3.1.4.5.3 ECC DED Level Interrupt (ECC_DED_INT)
            4. 12.3.1.4.5.4 ECC SEC Level Interrupt (ECC_SEC_INT)
            5. 12.3.1.4.5.5 MDIO Interrupts
          6. 12.3.1.4.6 CPSW_3G
            1. 12.3.1.4.6.1  Address Lookup Engine (ALE)
              1. 12.3.1.4.6.1.1  Error Handling
              2. 12.3.1.4.6.1.2  Bypass Operations
              3. 12.3.1.4.6.1.3  OUI Deny or Accept
              4. 12.3.1.4.6.1.4  Statistics Counting
              5. 12.3.1.4.6.1.5  Automotive Security Features
              6. 12.3.1.4.6.1.6  CPSW Switching Solutions
                1. 12.3.1.4.6.1.6.1 Basics of 3-port Switch Type
              7. 12.3.1.4.6.1.7  VLAN Routing and OAM Operations
                1. 12.3.1.4.6.1.7.1 InterVLAN Routing
                2. 12.3.1.4.6.1.7.2 OAM Operations
              8. 12.3.1.4.6.1.8  Supervisory packets
              9. 12.3.1.4.6.1.9  Address Table Entry
                1. 12.3.1.4.6.1.9.1  Multicast Address Table Entry
                2. 12.3.1.4.6.1.9.2  OUI Unicast Address Table Entry
                3. 12.3.1.4.6.1.9.3  Unicast Address Table Entry (Bit 40 == 0)
                4. 12.3.1.4.6.1.9.4  Multicast Address Table Entry (Bit 40==1)
                5. 12.3.1.4.6.1.9.5  VLAN/Unicast Address Table Entry (Bit 40 == 0)
                6. 12.3.1.4.6.1.9.6  VLAN/Multicast Address Table Entry (Bit 40==1)
                7. 12.3.1.4.6.1.9.7  Inner VLAN Table Entry
                8. 12.3.1.4.6.1.9.8  Outer VLAN Table Entry
                9. 12.3.1.4.6.1.9.9  EtherType Table Entry
                10. 12.3.1.4.6.1.9.10 IPv4 Table Entry
                11. 12.3.1.4.6.1.9.11 IPv6 Table Entry High
                12. 12.3.1.4.6.1.9.12 IPv6 Table Entry Low
              10. 12.3.1.4.6.1.10 Multicast Address
                1. 12.3.1.4.6.1.10.1 Multicast Ranges
              11. 12.3.1.4.6.1.11 Aging and Auto Aging
              12. 12.3.1.4.6.1.12 ALE Policing and Classification
                1. 12.3.1.4.6.1.12.1 ALE Policing
                2. 12.3.1.4.6.1.12.2 Classifier to Host Thread Mapping
                3. 12.3.1.4.6.1.12.3 ALE Classification
                  1. 3.1.4.6.1.12.3.1 Classifier to CPPI Transmit Flow ID Mapping
              13. 12.3.1.4.6.1.13 Mirroring
              14. 12.3.1.4.6.1.14 Trunking
              15. 12.3.1.4.6.1.15 DSCP
              16. 12.3.1.4.6.1.16 Packet Forwarding Processes
                1. 12.3.1.4.6.1.16.1 Ingress Filtering Process
                2. 12.3.1.4.6.1.16.2 VLAN_Aware Lookup Process
                3. 12.3.1.4.6.1.16.3 Egress Process
                4. 12.3.1.4.6.1.16.4 Learning/Updating/Touching Processes
                  1. 3.1.4.6.1.16.4.1 Learning Process
                  2. 3.1.4.6.1.16.4.2 Updating Process
                  3. 3.1.4.6.1.16.4.3 Touching Process
              17. 12.3.1.4.6.1.17 VLAN Aware Mode
              18. 12.3.1.4.6.1.18 VLAN Unaware Mode
            2. 12.3.1.4.6.2  Packet Priority Handling
              1. 12.3.1.4.6.2.1 Priority Mapping and Transmit VLAN Priority
            3. 12.3.1.4.6.3  CPPI Port Ingress
            4. 12.3.1.4.6.4  Packet CRC Handling
              1. 12.3.1.4.6.4.1 Transmit VLAN Processing
                1. 12.3.1.4.6.4.1.1 Untagged Packets (No VLAN or Priority Tag Header)
                2. 12.3.1.4.6.4.1.2 Priority Tagged Packets (VLAN VID == 0 && EN_VID0_MODE ==0h)
                3. 12.3.1.4.6.4.1.3 VLAN Tagged Packets (VLAN VID != 0 || (EN_VID0_MODE ==1h && VLAN VID ==0))
              2. 12.3.1.4.6.4.2 Ethernet Port Ingress Packet CRC
              3. 12.3.1.4.6.4.3 Ethernet Port Egress Packet CRC
              4. 12.3.1.4.6.4.4 CPPI Port Ingress Packet CRC
              5. 12.3.1.4.6.4.5 CPPI Port Egress Packet CRC
            5. 12.3.1.4.6.5  FIFO Memory Control
            6. 12.3.1.4.6.6  FIFO Transmit Queue Control
              1. 12.3.1.4.6.6.1 CPPI Port Receive Rate Limiting
              2. 12.3.1.4.6.6.2 Ethernet Port Transmit Rate Limiting
            7. 12.3.1.4.6.7  Intersperced Express Traffic (IET – P802.3br/D2.0)
              1. 12.3.1.4.6.7.1 IET Configuration
            8. 12.3.1.4.6.8  Enhanced Scheduled Traffic (EST – P802.1Qbv/D2.2)
              1. 12.3.1.4.6.8.1 Enhanced Scheduled Traffic Overview
              2. 12.3.1.4.6.8.2 Enhanced Scheduled Traffic Fetch RAM
              3. 12.3.1.4.6.8.3 Enhanced Scheduled Traffic Time Interval
              4. 12.3.1.4.6.8.4 Enhanced Scheduled Traffic Fetch Values
              5. 12.3.1.4.6.8.5 Enhanced Scheduled Traffic Packet Fill
              6. 12.3.1.4.6.8.6 Enhanced Scheduled Traffic Time Stamp
              7. 12.3.1.4.6.8.7 Enhanced Scheduled Traffic Packets Per Priority
            9. 12.3.1.4.6.9  Audio Video Bridging
              1. 12.3.1.4.6.9.1 IEEE 802.1AS: Timing and Synchronization for Time-Sensitive Applications in Bridged Local Area Networks (Precision Time Protocol (PTP))
                1. 12.3.1.4.6.9.1.1 IEEE 1722: "Layer 2 Transport Protocol for Time-Sensitive Streams"
                  1. 3.1.4.6.9.1.1.1 Cross-timestamping and Presentation Timestamps
                2. 12.3.1.4.6.9.1.2 IEEE 1733: Extends RTCP for RTP Streaming over AVB-supported Networks
              2. 12.3.1.4.6.9.2 IEEE 802.1Qav: "Virtual Bridged Local Area Networks: Forwarding and Queuing for Time-Sensitive Streams"
                1. 12.3.1.4.6.9.2.1 Configuring the Device for 802.1Qav Operation
            10. 12.3.1.4.6.10 Ethernet MAC Sliver
              1. 12.3.1.4.6.10.1 Ethernet MAC Sliver Overview
                1. 12.3.1.4.6.10.1.1 CRC Insertion
                2. 12.3.1.4.6.10.1.2 MTXER
                3. 12.3.1.4.6.10.1.3 Adaptive Performance Optimization (APO)
                4. 12.3.1.4.6.10.1.4 Inter-Packet-Gap Enforcement
                5. 12.3.1.4.6.10.1.5 Back Off
                6. 12.3.1.4.6.10.1.6 Programmable Transmit Inter-Packet Gap
                7. 12.3.1.4.6.10.1.7 Speed, Duplex and Pause Frame Support Negotiation
              2. 12.3.1.4.6.10.2 RMII Interface
                1. 12.3.1.4.6.10.2.1 Features
                2. 12.3.1.4.6.10.2.2 RMII Receive (RX)
                3. 12.3.1.4.6.10.2.3 RMII Transmit (TX)
              3. 12.3.1.4.6.10.3 RGMII Interface
                1. 12.3.1.4.6.10.3.1 Features
                2. 12.3.1.4.6.10.3.2 RGMII Receive (RX)
                3. 12.3.1.4.6.10.3.3 In-Band Mode of Operation
                4. 12.3.1.4.6.10.3.4 Forced Mode of Operation
                5. 12.3.1.4.6.10.3.5 RGMII Transmit (TX)
              4. 12.3.1.4.6.10.4 Frame Classification
              5. 12.3.1.4.6.10.5 Receive FIFO Architecture
            11. 12.3.1.4.6.11 Embedded Memories
            12. 12.3.1.4.6.12 Memory Error Detection and Correction
              1. 12.3.1.4.6.12.1 Packet Header ECC
              2. 12.3.1.4.6.12.2 Packet Protect CRC
              3. 12.3.1.4.6.12.3 Aggregator RAM Control
            13. 12.3.1.4.6.13 Ethernet Port Flow Control
              1. 12.3.1.4.6.13.1 Ethernet Receive Flow Control
                1. 12.3.1.4.6.13.1.1 Collision Based Receive Buffer Flow Control
                2. 12.3.1.4.6.13.1.2 IEEE 802.3X Based Receive Flow Control
              2. 12.3.1.4.6.13.2 Flow Control Trigger
              3. 12.3.1.4.6.13.3 Ethernet Transmit Flow Control
            14. 12.3.1.4.6.14 Energy Efficient Ethernet Support (802.3az)
            15. 12.3.1.4.6.15 Ethernet Switch Latency
            16. 12.3.1.4.6.16 MAC Emulation Control
            17. 12.3.1.4.6.17 MAC Command IDLE
            18. 12.3.1.4.6.18 CPSW Network Statistics
              1. 12.3.1.4.6.18.1  Rx-only Statistics Descriptions
                1. 12.3.1.4.6.18.1.1  Good Rx Frames (Offset = 3A000h)
                2. 12.3.1.4.6.18.1.2  Broadcast Rx Frames (Offset = 3A004h)
                3. 12.3.1.4.6.18.1.3  Multicast Rx Frames (Offset = 3A008h)
                4. 12.3.1.4.6.18.1.4  Pause Rx Frames (Offset = 3A00Ch)
                5. 12.3.1.4.6.18.1.5  Rx CRC Errors (Offset = 3A010h)
                6. 12.3.1.4.6.18.1.6  Rx Align/Code Errors (Offset = 3A014h)
                7. 12.3.1.4.6.18.1.7  Oversize Rx Frames (Offset = 3A018h)
                8. 12.3.1.4.6.18.1.8  Rx Jabbers (Offset = 3A01Ch)
                9. 12.3.1.4.6.18.1.9  Undersize (Short) Rx Frames (Offset = 3A020h)
                10. 12.3.1.4.6.18.1.10 Rx Fragments (Offset = 3A024h)
                11. 12.3.1.4.6.18.1.11 RX IPG Error (Offset = 3A05Ch)
                12. 12.3.1.4.6.18.1.12 ALE Drop (Offset = 3A028h)
                13. 12.3.1.4.6.18.1.13 ALE Overrun Drop (Offset = 3A02Ch)
                14. 12.3.1.4.6.18.1.14 Rx Octets (Offset = 3A030h)
                15. 12.3.1.4.6.18.1.15 Rx Bottom of FIFO Drop (Offset = 3A084h)
                16. 12.3.1.4.6.18.1.16 Portmask Drop (Offset = 3A088h)
                17. 12.3.1.4.6.18.1.17 Rx Top of FIFO Drop (Offset = 3A08Ch)
                18. 12.3.1.4.6.18.1.18 ALE Rate Limit Drop (Offset = 3A090h)
                19. 12.3.1.4.6.18.1.19 ALE VLAN Ingress Check Drop (Offset = 3A094h)
                  1. 3.1.4.6.18.1.19.1  ALE DA=SA Drop (Offset = 3A098h)
                  2. 3.1.4.6.18.1.19.2  Block Address Drop (Offset = 3A09Ch)
                  3. 3.1.4.6.18.1.19.3  ALE Secure Drop (Offset = 3A0A0h)
                  4. 3.1.4.6.18.1.19.4  ALE Authentication Drop (Offset = 3A0A4h)
                  5. 3.1.4.6.18.1.19.5  ALE Unknown Unicast (Offset = 3A0A8h)
                  6. 3.1.4.6.18.1.19.6  ALE Unknown Unicast Bytecount (Offset = 3A0ACh)
                  7. 3.1.4.6.18.1.19.7  ALE Unknown Multicast (Offset = 3A0B0h)
                  8. 3.1.4.6.18.1.19.8  ALE Unknown Multicast Bytecount (Offset = 3A0B4h)
                  9. 3.1.4.6.18.1.19.9  ALE Unknown Broadcast (Offset = 3A0B8h)
                  10. 3.1.4.6.18.1.19.10 ALE Unknown Broadcast Bytecount (Offset = 3A0BCh)
                  11. 3.1.4.6.18.1.19.11 ALE Policer/Classifier Match (Offset = 3A0C0h)
              2. 12.3.1.4.6.18.2  ALE Policer Match Red (Offset = 3A0C4h)
              3. 12.3.1.4.6.18.3  ALE Policer Match Yellow (Offset = 3A0C8h)
              4. 12.3.1.4.6.18.4  IET Receive Assembly Error (Offset = 3A140h)
              5. 12.3.1.4.6.18.5  IET Receive Assembly OK (Offset = 3A144h)
              6. 12.3.1.4.6.18.6  IET Receive SMD Error (Offset = 3A148h)
              7. 12.3.1.4.6.18.7  IET Receive Merge Fragment Count (Offset = 3A14Ch)
              8. 12.3.1.4.6.18.8  Rx Cut Thru with No Delay
              9. 12.3.1.4.6.18.9  Rx Cut Thru with Delay
              10. 12.3.1.4.6.18.10 Rx Cut Thru Store-and-Forward
              11. 12.3.1.4.6.18.11 Tx-only Statistics Descriptions
                1. 12.3.1.4.6.18.11.1  Good Tx Frames (Offset = 3A034h)
                2. 12.3.1.4.6.18.11.2  Broadcast Tx Frames (Offset = 3A038h)
                3. 12.3.1.4.6.18.11.3  Multicast Tx Frames (Offset = 3A03Ch)
                4. 12.3.1.4.6.18.11.4  Pause Tx Frames (Offset = 3A040h)
                5. 12.3.1.4.6.18.11.5  Deferred Tx Frames (Offset = 3A044h)
                6. 12.3.1.4.6.18.11.6  Collisions (Offset = 3A048h)
                7. 12.3.1.4.6.18.11.7  Single Collision Tx Frames (Offset = 3A04Ch)
                8. 12.3.1.4.6.18.11.8  Multiple Collision Tx Frames (Offset = 3A050h)
                9. 12.3.1.4.6.18.11.9  Excessive Collisions (Offset = 3A054h)
                10. 12.3.1.4.6.18.11.10 Late Collisions (Offset = 3A058h)
                11. 12.3.1.4.6.18.11.11 Carrier Sense Errors (Offset = 3A060h)
                12. 12.3.1.4.6.18.11.12 Tx Octets (Offset = 3A064h)
                13. 12.3.1.4.6.18.11.13 Transmit Priority 0-7 (Offset = 3A180h to 3A1A8h)
                14. 12.3.1.4.6.18.11.14 Transmit Priority 0-7 Drop (Offset = 3A1C0h to 3A1E8)
                15. 12.3.1.4.6.18.11.15 Tx Memory Protect Errors (Offset = 3A17Ch)
                16. 12.3.1.4.6.18.11.16 IET Transmit Merge Hold Count (Offset = 3A150h)
                17. 12.3.1.4.6.18.11.17 IET Transmit Merge Fragment Count (Offset = 3A14Ch)
                18. 12.3.1.4.6.18.11.18 Tx CRC Errors
                19. 12.3.1.4.6.18.11.19 Tx Cut Thru
                20. 12.3.1.4.6.18.11.20 Tx Cut Thru Store-and-Forward
              12. 12.3.1.4.6.18.12 Rx- and Tx (Shared) Statistics Descriptions
                1. 12.3.1.4.6.18.12.1 Rx + Tx 64 Octet Frames (Offset = 3A068h)
                2. 12.3.1.4.6.18.12.2 Rx + Tx 65–127 Octet Frames (Offset = 3A06Ch)
                3. 12.3.1.4.6.18.12.3 Rx + Tx 128–255 Octet Frames (Offset = 3A070h)
                4. 12.3.1.4.6.18.12.4 Rx + Tx 256–511 Octet Frames (Offset = 3A074h)
                5. 12.3.1.4.6.18.12.5 Rx + Tx 512–1023 Octet Frames (Offset = 3A078h)
                6. 12.3.1.4.6.18.12.6 Rx + Tx 1024_Up Octet Frames (Offset = 3A07Ch)
                7. 12.3.1.4.6.18.12.7 Net Octets (Offset = 3A080h)
              13. 12.3.1.4.6.18.13 1884
          7. 12.3.1.4.7 Common Platform Time Sync (CPTS)
            1. 12.3.1.4.7.1  CPSW0 CPTS Integration
            2. 12.3.1.4.7.2  CPTS Architecture
            3. 12.3.1.4.7.3  CPTS Initialization
            4. 12.3.1.4.7.4  32-bit Time Stamp Value
            5. 12.3.1.4.7.5  64-bit Time Stamp Value
            6. 12.3.1.4.7.6  64-Bit Timestamp Nudge
            7. 12.3.1.4.7.7  64-bit Timestamp PPM
            8. 12.3.1.4.7.8  Event FIFO
            9. 12.3.1.4.7.9  Timestamp Compare Output
              1. 12.3.1.4.7.9.1 Non-Toggle Mode: 32-bit
              2. 12.3.1.4.7.9.2 Non-Toggle Mode: 64-bit
              3. 12.3.1.4.7.9.3 Toggle Mode: 32-bit
              4. 12.3.1.4.7.9.4 Toggle Mode: 64-bit
            10. 12.3.1.4.7.10 Timestamp Sync Output
            11. 12.3.1.4.7.11 Timestamp GENFn Output
              1. 12.3.1.4.7.11.1 GENFn Nudge
              2. 12.3.1.4.7.11.2 GENFn PPM
            12. 12.3.1.4.7.12 Timestamp ESTFn
            13. 12.3.1.4.7.13 Time Sync Events
              1. 12.3.1.4.7.13.1 Time Stamp Push Event
              2. 12.3.1.4.7.13.2 Time Stamp Counter Rollover Event (32-bit mode only)
              3. 12.3.1.4.7.13.3 Time Stamp Counter Half-rollover Event (32-bit mode only)
              4. 12.3.1.4.7.13.4 Hardware Time Stamp Push Event
              5. 12.3.1.4.7.13.5 Ethernet Port Events
                1. 12.3.1.4.7.13.5.1 Ethernet Port Receive Event
                2. 12.3.1.4.7.13.5.2 Ethernet Port Transmit Event
                3. 12.3.1.4.7.13.5.3 Time Sync Message Types
            14. 12.3.1.4.7.14 Timestamp Compare Event
              1. 12.3.1.4.7.14.1 32-Bit Mode
              2. 12.3.1.4.7.14.2 64-Bit Mode
            15. 12.3.1.4.7.15 Host Transmit Event
            16. 12.3.1.4.7.16 CPTS Interrupt Handling
          8. 12.3.1.4.8 CPPI Streaming Packet Interface
            1. 12.3.1.4.8.1 Port 0 CPPI Transmit Packet Streaming Interface (CPSW_3G Egress)
            2. 12.3.1.4.8.2 Port 0 CPPI Receive Packet Streaming Interface (CPSW_3G Ingress)
            3. 12.3.1.4.8.3 Cut-Thru
              1. 12.3.1.4.8.3.1 Host Port Cut-Thru Operations
              2. 12.3.1.4.8.3.2 Cut-Thru Error Packets
            4. 12.3.1.4.8.4 Port Speed
            5. 12.3.1.4.8.5 CPPI Checksum Offload
              1. 12.3.1.4.8.5.1 CPPI Transmit Checksum Offload
                1. 12.3.1.4.8.5.1.1 IPV4 UDP
                2. 12.3.1.4.8.5.1.2 IPV4 TCP
                3. 12.3.1.4.8.5.1.3 IPV6 UDP
                4. 12.3.1.4.8.5.1.4 IPV6 TCP
            6. 12.3.1.4.8.6 CPPI Receive Checksum Offload
            7. 12.3.1.4.8.7 Egress Packet Operations
          9. 12.3.1.4.9 MII Management Interface (MDIO)
            1. 12.3.1.4.9.1 MDIO Frame Formats
            2. 12.3.1.4.9.2 MDIO Functional Description
        5. 12.3.1.5 CPSW0 Programming Guide
          1. 12.3.1.5.1 Initialization and Configuration of CPSW Subsystem
          2. 12.3.1.5.2 CPSW Reset
          3. 12.3.1.5.3 MDIO Software Interface
            1. 12.3.1.5.3.1 Initializing the MDIO Module
            2. 12.3.1.5.3.2 Writing Data To a PHY Register
            3. 12.3.1.5.3.3 Reading Data From a PHY Register
      2. 12.3.2 Universal Serial Bus Subsystem (USBSS)
        1. 12.3.2.1 USB Overview
          1. 12.3.2.1.1 USB Features
          2. 12.3.2.1.2 Unsupported Features
        2. 12.3.2.2 USB Environment
          1. 12.3.2.2.1 USB Pin List
          2. 12.3.2.2.2 Typical Pin Connections of Device
        3. 12.3.2.3 Integration
        4. 12.3.2.4 Use Cases
          1. 12.3.2.4.1 USB Operational Mode Determination
          2. 12.3.2.4.2 VBUS Voltage Sourcing Control
          3. 12.3.2.4.3 VBUS Detection
          4. 12.3.2.4.4 Pull-up/Pull-down Resistors
    4. 12.4 Memory Interfaces
      1. 12.4.1 Flash Subsystem (FSS)
        1. 12.4.1.1 Flash Subsystem 0 (FSS0)
          1. 12.4.1.1.1 FSS Overview
          2. 12.4.1.1.2 FSS Environment
            1. 12.4.1.1.2.1 FSS Typical Application
          3. 12.4.1.1.3 FSS Functional Description
            1. 12.4.1.1.3.1 FSS Block Diagram
            2. 12.4.1.1.3.2 FSS Regions
              1. 12.4.1.1.3.2.1 FSS Regions Boot Size Configuration
              2. 12.4.1.1.3.2.2 FSS Memory Regions
        2. 12.4.1.2 Flash Subsystem 1 (FSS1)
          1. 12.4.1.2.1 FSS1 Overview
            1. 12.4.1.2.1.1 FSS1 Features
          2. 12.4.1.2.2 FSS Typical Application
          3. 12.4.1.2.3 FSS Functional Description
            1. 12.4.1.2.3.1 FSS Block Diagram
            2. 12.4.1.2.3.2 FSS ECC Support
      2. 12.4.2 Octal Serial Peripheral Interface (OSPI)
        1. 12.4.2.1 OSPI Overview
          1. 12.4.2.1.1 OSPI Features
          2. 12.4.2.1.2 Unsupported Features
          3.        1978
        2. 12.4.2.2 OSPI Environment
        3. 12.4.2.3 OSPI Functional Description
          1. 12.4.2.3.1  OSPI Block Diagram
            1. 12.4.2.3.1.1 Data Target Interface
            2. 12.4.2.3.1.2 Configuration Target Interface
            3. 12.4.2.3.1.3 OSPI Clock Domains
          2. 12.4.2.3.2  OSPI Modes
            1. 12.4.2.3.2.1 Read Data Capture
              1. 12.4.2.3.2.1.1 Mechanisms of Data Capturing
              2. 12.4.2.3.2.1.2 Data Capturing Mechanism Using Taps
              3. 12.4.2.3.2.1.3 Data Capturing Mechanism Using PHY Module
              4. 12.4.2.3.2.1.4 External Pull Down on DQS
          3. 12.4.2.3.3  OSPI Power Management
          4. 12.4.2.3.4  Auto HW Polling
          5. 12.4.2.3.5  Flash Reset
          6. 12.4.2.3.6  OSPI Memory Regions
          7. 12.4.2.3.7  OSPI Interrupt Requests
          8. 12.4.2.3.8  OSPI Data Interface
            1. 12.4.2.3.8.1 Data Interface Address Remapping
            2. 12.4.2.3.8.2 Write Protection
            3. 12.4.2.3.8.3 Access Forwarding
          9. 12.4.2.3.9  OSPI Direct Access Controller (DAC)
          10. 12.4.2.3.10 OSPI Indirect Access Controller (INDAC)
            1. 12.4.2.3.10.1 Indirect Read Controller
              1. 12.4.2.3.10.1.1 Indirect Read Transfer Process
            2. 12.4.2.3.10.2 Indirect Write Controller
              1. 12.4.2.3.10.2.1 Indirect Write Transfer Process
            3. 12.4.2.3.10.3 Indirect Access Queuing
            4. 12.4.2.3.10.4 Consecutive Writes and Reads Using Indirect Transfers
            5. 12.4.2.3.10.5 Accessing the SRAM
          11. 12.4.2.3.11 OSPI Software-Triggered Instruction Generator (STIG)
            1. 12.4.2.3.11.1 Servicing a STIG Request
          12. 12.4.2.3.12 OSPI Arbitration Between Direct / Indirect Access Controller and STIG
          13. 12.4.2.3.13 OSPI Programming Guide
            1. 12.4.2.3.13.1 Configuring the OSPI Controller for Use After Reset
            2. 12.4.2.3.13.2 Configuring the OSPI Controller for Optimal Use
            3. 12.4.2.3.13.3 Using the Flash Command Control Register (STIG Operation)
            4. 12.4.2.3.13.4 Using SPI Legacy Mode
            5. 12.4.2.3.13.5 Entering XIP Mode from POR
            6. 12.4.2.3.13.6 Entering XIP Mode Otherwise
            7. 12.4.2.3.13.7 Exiting XIP Mode
      3. 12.4.3 HyperBus
        1. 12.4.3.1 HyperBus Overview
          1. 12.4.3.1.1 HyperBus Features
          2. 12.4.3.1.2 HyperBus Not Supported Features
        2. 12.4.3.2 HyperBus Environment
        3. 12.4.3.3 HyperBus Functional Description
          1. 12.4.3.3.1 ECC Aggregator
          2. 12.4.3.3.2 HyperBus Internal FIFOs
          3. 12.4.3.3.3 HyperBus True Continuous Read (TCR) Mode
        4. 12.4.3.4 HyperBus Programming Guide
          1. 12.4.3.4.1 HyperBus Initialization Sequence
            1. 12.4.3.4.1.1 HyperFlash Access
            2. 12.4.3.4.1.2 HyperRAM Access
      4. 12.4.4 OptiFlash Submodules
        1. 12.4.4.1 Regional L2-Cache (RL2)
          1. 12.4.4.1.1 RL2 Overview
            1. 12.4.4.1.1.1 RL2 Supported Features
          2. 12.4.4.1.2 Environment
            1. 12.4.4.1.2.1 Connectivity Examples
          3. 12.4.4.1.3 Functional Description
            1. 12.4.4.1.3.1  Block Diagram
              1. 12.4.4.1.3.1.1 C and R FIFO Blocks
              2. 12.4.4.1.3.1.2 Correction and Copying Block
              3. 12.4.4.1.3.1.3 Address Translation Block
              4. 12.4.4.1.3.1.4 Tag LRU RAM Block
              5. 12.4.4.1.3.1.5 DEC Block
              6. 12.4.4.1.3.1.6 Regs Block
              7. 12.4.4.1.3.1.7 Way Tag Compare Block
              8. 12.4.4.1.3.1.8 Mux Block
              9. 12.4.4.1.3.1.9 Tracking and Control Block
            2. 12.4.4.1.3.2  Privilege Passing and Manipulation
            3. 12.4.4.1.3.3  Error Handling and Flushing
            4. 12.4.4.1.3.4  Tightly Coupled RL2 Tag Memory
            5. 12.4.4.1.3.5  Remote Cache Data Storage Memory
            6. 12.4.4.1.3.6  RL2 Cache Allocation
            7. 12.4.4.1.3.7  Dual Mode
            8. 12.4.4.1.3.8  Emulation Debug
            9. 12.4.4.1.3.9  ASIL-D/SIL-3 Safety
            10. 12.4.4.1.3.10 Latencies
            11. 12.4.4.1.3.11 Critical Word First (CWF)
        2. 12.4.4.2 Fast Local Copy (FLC)
          1. 12.4.4.2.1 FLC Overview
            1. 12.4.4.2.1.1 FLC Supported Features
      5. 12.4.5 Multi-Media Card Secure Digital (MMCSD) Interface
        1. 12.4.5.1 MMCSD Overview
          1. 12.4.5.1.1 MMCSD Features
          2. 12.4.5.1.2 Unsupported Features
          3.        2067
        2. 12.4.5.2 MMCSD Environment
          1. 12.4.5.2.1 MMCSD IO Multiplexer
          2. 12.4.5.2.2 Protocol and Data Format
            1. 12.4.5.2.2.1 Protocol
            2. 12.4.5.2.2.2 Data Format
              1. 12.4.5.2.2.2.1 Coding Scheme for Command Token
              2. 12.4.5.2.2.2.2 Coding Scheme for Response Token
              3. 12.4.5.2.2.2.3 Coding Scheme for Data Token
        3. 12.4.5.3 Integration
        4. 12.4.5.4 MMCSD Functional Description
          1. 12.4.5.4.1 Block Diagram
          2. 12.4.5.4.2 Interrupt Requests
          3. 12.4.5.4.3 ECC Support
            1. 12.4.5.4.3.1 ECC Aggregator
          4. 12.4.5.4.4 Advanced DMA
        5. 12.4.5.5 MMCSD Programming Guide
          1. 12.4.5.5.1 Sequences
            1. 12.4.5.5.1.1  SD Card Detection
            2. 12.4.5.5.1.2  SD Clock Control
              1. 12.4.5.5.1.2.1 Internal Clock Setup Sequence
              2. 12.4.5.5.1.2.2 SD Clock Supply and Stop Sequence
              3. 12.4.5.5.1.2.3 SD Clock Frequency Change Sequence
            3. 12.4.5.5.1.3  SD Bus Power Control
            4. 12.4.5.5.1.4  Changing Bus Width
            5. 12.4.5.5.1.5  Timeout Setting on DAT Line
            6. 12.4.5.5.1.6  Card Initialization and Identification (for SD I/F)
              1. 12.4.5.5.1.6.1 Signal Voltage Switch Procedure (for UHS-I)
            7. 12.4.5.5.1.7  SD Transaction Generation
              1. 12.4.5.5.1.7.1 Transaction Control without Data Transfer Using DAT Line
                1. 12.4.5.5.1.7.1.1 The Sequence to Issue a SD Command
                2. 12.4.5.5.1.7.1.2 The Sequence to Finalize a Command
                3. 12.4.5.5.1.7.1.3 2099
              2. 12.4.5.5.1.7.2 Transaction Control with Data Transfer Using DAT Line
                1. 12.4.5.5.1.7.2.1 Not using DMA
                2. 12.4.5.5.1.7.2.2 Using SDMA
                3. 12.4.5.5.1.7.2.3 Using ADMA
            8. 12.4.5.5.1.8  Abort Transaction
              1. 12.4.5.5.1.8.1 Asynchronous Abort
              2. 12.4.5.5.1.8.2 Synchronous Abort
            9. 12.4.5.5.1.9  Changing Bus Speed Mode
            10. 12.4.5.5.1.10 Error Recovery
              1. 12.4.5.5.1.10.1 Error Interrupt Recovery
              2. 12.4.5.5.1.10.2 Auto CMD12 Error Recovery
            11. 12.4.5.5.1.11 Wakeup Control (Optional)
            12. 12.4.5.5.1.12 Suspend/Resume (Optional, Not Supported from Version 4.00)
              1. 12.4.5.5.1.12.1 Suspend Sequence
              2. 12.4.5.5.1.12.2 Resume Sequence
              3. 12.4.5.5.1.12.3 Stop At Block Gap/Continue Timing for Read Transaction
              4. 12.4.5.5.1.12.4 Stop At Block Gap/Continue Timing for Write Transaction
          2. 12.4.5.5.2 Driver Flow Sequence
            1. 12.4.5.5.2.1 Host Controller Setup and Card Detection
              1. 12.4.5.5.2.1.1 Host Controller Setup Sequence
              2. 12.4.5.5.2.1.2 Card Interface Detection Sequence
            2. 12.4.5.5.2.2 Boot Operation
              1. 12.4.5.5.2.2.1 Normal Boot Operation: (For Legacy eMMC 5.0)
              2. 12.4.5.5.2.2.2 Alternate Boot Operation (For Legacy eMMC 5.0):
              3. 12.4.5.5.2.2.3 Boot Code Chunk Read Operation (For Legacy eMMC 5.0):
            3. 12.4.5.5.2.3 Retuning procedure (For Legacy Interface)
              1. 12.4.5.5.2.3.1 Sampling Clock Tuning
              2. 12.4.5.5.2.3.2 Tuning Sequence
              3. 12.4.5.5.2.3.3 Re-Tuning Modes
            4. 12.4.5.5.2.4 Command Queuing Driver Flow Sequence
              1. 12.4.5.5.2.4.1 Command Queuing Initialization Sequence
              2. 12.4.5.5.2.4.2 Task Issuance Sequence
              3. 12.4.5.5.2.4.3 Task Execution and Completion Sequence
              4. 12.4.5.5.2.4.4 Task Discard and Clear Sequence
              5. 12.4.5.5.2.4.5 Error Detect and Recovery when CQ is enabled
    5. 12.5 Industrial and Control Interfaces
      1. 12.5.1 Modular Controller Area Network (MCAN)
        1. 12.5.1.1 MCAN Overview
          1. 12.5.1.1.1 MCAN Features
          2. 12.5.1.1.2 Unsupported Features
          3.        2140
        2. 12.5.1.2 MCAN Environment
          1. 12.5.1.2.1 CAN Network Basics
        3. 12.5.1.3 Integration
        4. 12.5.1.4 MCAN Functional Description
          1. 12.5.1.4.1  Module Clocking Requirements
          2. 12.5.1.4.2  Interrupt and DMA Requests
            1. 12.5.1.4.2.1 Interrupt Requests
            2. 12.5.1.4.2.2 DMA Requests
          3. 12.5.1.4.3  Operating Modes
            1. 12.5.1.4.3.1 Software Initialization
            2. 12.5.1.4.3.2 Normal Operation
            3. 12.5.1.4.3.3 CAN FD Operation
            4. 12.5.1.4.3.4 Transmitter Delay Compensation
              1. 12.5.1.4.3.4.1 Description
              2. 12.5.1.4.3.4.2 Transmitter Delay Compensation Measurement
            5. 12.5.1.4.3.5 Restricted Operation Mode
            6. 12.5.1.4.3.6 Bus Monitoring Mode
            7. 12.5.1.4.3.7 Disabled Automatic Retransmission (DAR) Mode
              1. 12.5.1.4.3.7.1 Frame Transmission in DAR Mode
            8. 12.5.1.4.3.8 Power Down (Sleep Mode)
              1. 12.5.1.4.3.8.1 External Clock Stop Mode
              2. 12.5.1.4.3.8.2 Suspend Mode
              3. 12.5.1.4.3.8.3 Wakeup request
            9. 12.5.1.4.3.9 Test Modes
              1. 12.5.1.4.3.9.1 Internal Loopback Mode
          4. 12.5.1.4.4  Timestamp Generation
            1. 12.5.1.4.4.1 External Timestamp Counter
          5. 12.5.1.4.5  Timeout Counter
          6. 12.5.1.4.6  ECC Support
            1. 12.5.1.4.6.1 ECC Wrapper
            2. 12.5.1.4.6.2 ECC Aggregator
          7. 12.5.1.4.7  Rx Handling
            1. 12.5.1.4.7.1 Acceptance Filtering
              1. 12.5.1.4.7.1.1 Range Filter
              2. 12.5.1.4.7.1.2 Filter for specific IDs
              3. 12.5.1.4.7.1.3 Classic Bit Mask Filter
              4. 12.5.1.4.7.1.4 Standard Message ID Filtering
              5. 12.5.1.4.7.1.5 Extended Message ID Filtering
            2. 12.5.1.4.7.2 Rx FIFOs
              1. 12.5.1.4.7.2.1 Rx FIFO Blocking Mode
              2. 12.5.1.4.7.2.2 Rx FIFO Overwrite Mode
            3. 12.5.1.4.7.3 Dedicated Rx Buffers
              1. 12.5.1.4.7.3.1 Rx Buffer Handling
            4. 12.5.1.4.7.4 Debug on CAN Support
          8. 12.5.1.4.8  Tx Handling
            1. 12.5.1.4.8.1 Transmit Pause
            2. 12.5.1.4.8.2 Dedicated Tx Buffers
            3. 12.5.1.4.8.3 Tx FIFO
            4. 12.5.1.4.8.4 Tx Queue
            5. 12.5.1.4.8.5 Mixed Dedicated Tx Buffers/Tx FIFO
            6. 12.5.1.4.8.6 Mixed Dedicated Tx Buffers/Tx Queue
            7. 12.5.1.4.8.7 Transmit Cancellation
            8. 12.5.1.4.8.8 Tx Event Handling
          9. 12.5.1.4.9  FIFO Acknowledge Handling
          10. 12.5.1.4.10 Message RAM
            1. 12.5.1.4.10.1 Message RAM Configuration
            2. 12.5.1.4.10.2 Rx Buffer and FIFO Element
            3. 12.5.1.4.10.3 Tx Buffer Element
            4. 12.5.1.4.10.4 Tx Event FIFO Element
            5. 12.5.1.4.10.5 Standard Message ID Filter Element
            6. 12.5.1.4.10.6 Extended Message ID Filter Element
      2. 12.5.2 Enhanced Capture (ECAP) Module
        1. 12.5.2.1 ECAP Overview
          1. 12.5.2.1.1 ECAP Features
          2. 12.5.2.1.2 Unsupported Features
          3.        2206
        2. 12.5.2.2 ECAP Environment
          1. 12.5.2.2.1 ECAP I/O Interface
        3. 12.5.2.3 Integration
        4. 12.5.2.4 ECAP Functional Description
          1. 12.5.2.4.1 Capture and APWM Operating Modes
            1. 12.5.2.4.1.1 ECAP Capture Mode Description
              1. 12.5.2.4.1.1.1 ECAP Event Prescaler
              2. 12.5.2.4.1.1.2 ECAP Edge Polarity Select and Qualifier
              3. 12.5.2.4.1.1.3 ECAP Continuous/One-Shot Control
              4. 12.5.2.4.1.1.4 ECAP 32-Bit Counter and Phase Control
              5. 12.5.2.4.1.1.5 CAP1-CAP4 Registers
              6. 12.5.2.4.1.1.6 ECAP Interrupt Control
              7. 12.5.2.4.1.1.7 ECAP Shadow Load and Lockout Control
            2. 12.5.2.4.1.2 ECAP APWM Mode Operation
          2. 12.5.2.4.2 Summary of ECAP Functional Registers
        5. 12.5.2.5 ECAP Use Cases
          1. 12.5.2.5.1 Absolute Time-Stamp Operation Rising Edge Trigger Example
            1. 12.5.2.5.1.1 Code Snippet for CAP Mode Absolute Time, Rising Edge Trigger
          2. 12.5.2.5.2 Absolute Time-Stamp Operation Rising and Falling Edge Trigger Example
            1. 12.5.2.5.2.1 Code Snippet for CAP Mode Absolute Time, Rising and Falling Edge Trigger
          3. 12.5.2.5.3 Time Difference (Delta) Operation Rising Edge Trigger Example
            1. 12.5.2.5.3.1 Code Snippet for CAP Mode Delta Time, Rising Edge Trigger
          4. 12.5.2.5.4 Time Difference (Delta) Operation Rising and Falling Edge Trigger Example
            1. 12.5.2.5.4.1 Code Snippet for CAP Mode Delta Time, Rising and Falling Edge Triggers
          5. 12.5.2.5.5 Application of the APWM Mode
            1. 12.5.2.5.5.1 Simple PWM Generation (Independent Channel/s) Example
              1. 12.5.2.5.5.1.1 Code Snippet for APWM Mode
            2. 12.5.2.5.5.2 Multichannel PWM Generation with Synchronization Example
              1. 12.5.2.5.5.2.1 Code Snippet for Multichannel PWM Generation with Synchronization
            3. 12.5.2.5.5.3 Multichannel PWM Generation with Phase Control Example
              1. 12.5.2.5.5.3.1 Code Snippet for Multichannel PWM Generation with Phase Control
      3. 12.5.3 Enhanced Pulse Width Modulation (EPWM) Module
        1. 12.5.3.1 EPWM Overview
          1. 12.5.3.1.1 EPWM Features
          2. 12.5.3.1.2 Unsupported Features
          3.        2242
          4. 12.5.3.1.3 Multiple EPWM Module Details
        2. 12.5.3.2 EPWM Environment
        3. 12.5.3.3 Integration
        4. 12.5.3.4 EPWM Functional Description
          1. 12.5.3.4.1  EPWM Submodule Features
            1. 12.5.3.4.1.1 Constant Definitions Used in the EPWM Code Examples
          2. 12.5.3.4.2  EPWM Time-Base (TB) Submodule
            1. 12.5.3.4.2.1 Overview
            2. 12.5.3.4.2.2 Controlling and Monitoring the EPWM Time-Base Submodule
            3. 12.5.3.4.2.3 Calculating PWM Period and Frequency
              1. 12.5.3.4.2.3.1 EPWM Time-Base Period Shadow Register
              2. 12.5.3.4.2.3.2 EPWM Time-Base Counter Synchronization
            4. 12.5.3.4.2.4 Phase Locking the Time-Base Clocks of Multiple EPWM Modules
            5. 12.5.3.4.2.5 EPWM Time-Base Counter Modes and Timing Waveforms
          3. 12.5.3.4.3  EPWM Counter-Compare (CC) Submodule
            1. 12.5.3.4.3.1 Overview
            2. 12.5.3.4.3.2 Controlling and Monitoring the EPWM Counter-Compare Submodule
            3. 12.5.3.4.3.3 Operational Highlights for the EPWM Counter-Compare Submodule
            4. 12.5.3.4.3.4 EPWM Counter-Compare Submodule Timing Waveforms
          4. 12.5.3.4.4  EPWM Action-Qualifier (AQ) Submodule
            1. 12.5.3.4.4.1 Overview
            2. 12.5.3.4.4.2 Controlling and Monitoring the EPWM Action-Qualifier Submodule
            3. 12.5.3.4.4.3 EPWM Action-Qualifier Event Priority
            4. 12.5.3.4.4.4 Waveforms for Common EPWM Configurations
          5. 12.5.3.4.5  EPWM Dead-Band Generator (DB) Submodule
            1. 12.5.3.4.5.1 Overview
            2. 12.5.3.4.5.2 Controlling and Monitoring the EPWM Dead-Band Submodule
            3. 12.5.3.4.5.3 Operational Highlights for the EPWM Dead-Band Generator Submodule
          6. 12.5.3.4.6  EPWM-Chopper (PC) Submodule
            1. 12.5.3.4.6.1 Overview
            2. 12.5.3.4.6.2 2273
            3. 12.5.3.4.6.3 Controlling the EPWM-Chopper Submodule
            4. 12.5.3.4.6.4 Operational Highlights for the EPWM-Chopper Submodule
            5. 12.5.3.4.6.5 EPWM-Chopper Waveforms
              1. 12.5.3.4.6.5.1 EPWM-Chopper One-Shot Pulse
              2. 12.5.3.4.6.5.2 EPWM-Chopper Duty Cycle Control
          7. 12.5.3.4.7  EPWM Trip-Zone (TZ) Submodule
            1. 12.5.3.4.7.1 Overview
            2. 12.5.3.4.7.2 Controlling and Monitoring the EPWM Trip-Zone Submodule
            3. 12.5.3.4.7.3 Operational Highlights for the EPWM Trip-Zone Submodule
            4. 12.5.3.4.7.4 Generating EPWM Trip-Event Interrupts
          8. 12.5.3.4.8  EPWM Event-Trigger (ET) Submodule
            1. 12.5.3.4.8.1 Overview
            2. 12.5.3.4.8.2 Controlling and Monitoring the EPWM Event-Trigger Submodule
            3. 12.5.3.4.8.3 Operational Overview of the EPWM Event-Trigger Submodule
            4. 12.5.3.4.8.4 Operation Overview of the EPWM SOCx Pulse Generator
          9. 12.5.3.4.9  EPWM Functional Register Groups
          10. 12.5.3.4.10 Proper EPWM Interrupt Initialization Procedure
      4. 12.5.4 Analog-to-Digital Converter (ADC)
        1. 12.5.4.1 ADC Overview
          1. 12.5.4.1.1 ADC Features
        2. 12.5.4.2 ADC Environment
        3. 12.5.4.3 ADC Functional Description
          1. 12.5.4.3.1 ADC FSM Sequencer Functional Description
            1. 12.5.4.3.1.1 Step Enable
            2. 12.5.4.3.1.2 Step Configuration
              1. 12.5.4.3.1.2.1 One-Shot (Single) or Continuous Mode
              2. 12.5.4.3.1.2.2 Software- or Hardware-Enabled Steps
              3. 12.5.4.3.1.2.3 Averaging of Samples
              4. 12.5.4.3.1.2.4 Analog Multiplexer Input Select
              5. 12.5.4.3.1.2.5 Differential Control
              6. 12.5.4.3.1.2.6 FIFO Select
              7. 12.5.4.3.1.2.7 Range Check Interrupt Enable
            3. 12.5.4.3.1.3 Open Delay and Sample Delay
              1. 12.5.4.3.1.3.1 Open Delay
              2. 12.5.4.3.1.3.2 Sample Delay
            4. 12.5.4.3.1.4 Interrupts
            5. 12.5.4.3.1.5 Power Management
            6. 12.5.4.3.1.6 DMA Requests
          2. 12.5.4.3.2 ADC AFE Functional Description
            1. 12.5.4.3.2.1 AFE Functional Block Diagram
          3. 12.5.4.3.3 ADC FIFOs and DMA
            1. 12.5.4.3.3.1 FIFOs
            2. 12.5.4.3.3.2 DMA
          4. 12.5.4.3.4 ADC Error Correcting Code (ECC)
            1. 12.5.4.3.4.1 Testing ECC Error Injection
          5. 12.5.4.3.5 ADC Functional Debug Mode
        4. 12.5.4.4 ADC Programming Guide
          1. 12.5.4.4.1 ADC Low-Level Programming Models
            1. 12.5.4.4.1.1 During Operation
    6. 12.6 Timer Modules
      1. 12.6.1 Global Timebase Counter (GTC)
        1. 12.6.1.1 GTC Overview
          1. 12.6.1.1.1 GTC Features
          2. 12.6.1.1.2 Unsupported Features
          3.        2328
        2. 12.6.1.2 GTC Functional Description
          1. 12.6.1.2.1 GTC Block Diagram
          2. 12.6.1.2.2 GTC Counter
            1. 12.6.1.2.2.1 Steps to Clear the Counter Value to Zero
          3. 12.6.1.2.3 GTC Register Partitioning
      2. 12.6.2 RTI-Windowed Watchdog Timer (WWDT)
        1. 12.6.2.1 RTI Features
        2. 12.6.2.2 Unsupported Features
        3.       2337
        4. 12.6.2.3 RTI Functional Description
          1. 12.6.2.3.1 RTI Digital Windowed Watchdog
            1. 12.6.2.3.1.1 RTI Debug Mode Behavior
            2. 12.6.2.3.1.2 RTI Low Power Mode Operation
          2. 12.6.2.3.2 RTI Digital Watchdog
          3. 12.6.2.3.3 RTI Counter Operation
      3. 12.6.3 Real-Time Clock (RTC)
        1. 12.6.3.1 RTC Overview
          1. 12.6.3.1.1 RTC Features
          2. 12.6.3.1.2 Unsupported Features
          3.        2348
        2. 12.6.3.2 RTC Integration
        3. 12.6.3.3 RTC Functional Description
          1. 12.6.3.3.1 RTC Block Diagram
            1. 12.6.3.3.1.1 DIG_CORE uARCH
            2. 12.6.3.3.1.2 DIG_ON uARCH
            3. 12.6.3.3.1.3 ISO_LVL uARCH
            4. 12.6.3.3.1.4 DIG_CORE to DIG_ON updates uARCH
          2. 12.6.3.3.2 CPU Interrupt Support
            1. 12.6.3.3.2.1 CPU Interrupts
          3. 12.6.3.3.3 Programming Usage Guide
            1. 12.6.3.3.3.1 No Analog Support
            2. 12.6.3.3.3.2 With Analog Support
              1. 12.6.3.3.3.2.1 MMR Spurious WRT Protection
              2. 12.6.3.3.3.2.2 Crystal Compensation
          4. 12.6.3.3.4 Scratch Registers
          5. 12.6.3.3.5 KS3 Clock Stop Protocol
      4. 12.6.4 Timers
        1. 12.6.4.1 Timers Overview
          1. 12.6.4.1.1 Timers Features
          2. 12.6.4.1.2 Unsupported Features
          3.        2369
        2. 12.6.4.2 Timers Environment
          1. 12.6.4.2.1 Timer External System Interface
        3. 12.6.4.3 Integration
        4. 12.6.4.4 Timers Functional Description
          1. 12.6.4.4.1  Timer Block Diagram
          2. 12.6.4.4.2  Timer Power Management
            1. 12.6.4.4.2.1 Wake-Up Capability
          3. 12.6.4.4.3  Timer Software Reset
          4. 12.6.4.4.4  Timer Interrupts
          5. 12.6.4.4.5  Timer Mode Functionality
            1. 12.6.4.4.5.1 1-ms Tick Generation
          6. 12.6.4.4.6  Timer Capture Mode Functionality
          7. 12.6.4.4.7  Timer Compare Mode Functionality
          8. 12.6.4.4.8  Timer Prescaler Functionality
          9. 12.6.4.4.9  Timer Pulse-Width Modulation
          10. 12.6.4.4.10 Timer Counting Rate
          11. 12.6.4.4.11 Timer Under Emulation
          12. 12.6.4.4.12 Accessing Timer Registers
            1. 12.6.4.4.12.1 Writing to Timer Registers
              1. 12.6.4.4.12.1.1 Write Posting Synchronization Mode
              2. 12.6.4.4.12.1.2 Write Nonposting Synchronization Mode
            2. 12.6.4.4.12.2 Reading From Timer Counter Registers
              1. 12.6.4.4.12.2.1 Read Posted
              2. 12.6.4.4.12.2.2 Read Non-Posted
          13. 12.6.4.4.13 Timer Posted Mode Selection
        5. 12.6.4.5 Timers Low-Level Programming Models
          1. 12.6.4.5.1 Timer Global Initialization
            1. 12.6.4.5.1.1 Main Sequence – Timer Module Global Initialization
          2. 12.6.4.5.2 Timer Operational Mode Configuration
            1. 12.6.4.5.2.1 Timer Mode
              1. 12.6.4.5.2.1.1 Main Sequence – Timer Mode Configuration
            2. 12.6.4.5.2.2 Timer Compare Mode
              1. 12.6.4.5.2.2.1 Main Sequence – Timer Compare Mode Configuration
            3. 12.6.4.5.2.3 Timer Capture Mode
              1. 12.6.4.5.2.3.1 Main Sequence – Timer Capture Mode Configuration
              2. 12.6.4.5.2.3.2 Subsequence – Initialize Capture Mode
              3. 12.6.4.5.2.3.3 Subsequence – Detect Event
            4. 12.6.4.5.2.4 Timer PWM Mode
              1. 12.6.4.5.2.4.1 Main Sequence – Timer PWM Mode Configuration
    7. 12.7 Internal Diagnostics Modules
      1. 12.7.1 Dual Clock Comparator (DCC)
        1. 12.7.1.1 DCC Overview
          1. 12.7.1.1.1 DCC Features
          2. 12.7.1.1.2 Unsupported Features
          3.        2414
        2. 12.7.1.2 DCC Functional Description
          1. 12.7.1.2.1 DCC Counter Operation
          2. 12.7.1.2.2 DCC Low Power Mode Operation
          3. 12.7.1.2.3 DCC Suspend Mode Behavior
          4. 12.7.1.2.4 DCC Single-Shot Mode
          5. 12.7.1.2.5 DCC Continuous mode
            1. 12.7.1.2.5.1 DCC Continue on Error
            2. 12.7.1.2.5.2 DCC Error Count
          6. 12.7.1.2.6 DCC Control and count hand-off across clock domains
          7. 12.7.1.2.7 DCC Error Trajectory record
            1. 12.7.1.2.7.1 DCC FIFO capturing for Errors
            2. 12.7.1.2.7.2 DCC FIFO in continuous capture mode
            3. 12.7.1.2.7.3 DCC FIFO Details
            4. 12.7.1.2.7.4 DCC FIFO Debug mode behavior
          8. 12.7.1.2.8 DCC Count read registers
      2. 12.7.2 Error Signaling Module (ESM)
        1. 12.7.2.1 ESM Overview
          1. 12.7.2.1.1 ESM Features
          2. 12.7.2.1.2 Unsupported Features
          3.        2434
        2. 12.7.2.2 ESM Environment
        3. 12.7.2.3 Integration
        4. 12.7.2.4 ESM Functional Description
          1. 12.7.2.4.1 ESM Interrupt Requests
            1. 12.7.2.4.1.1 ESM Configuration Error Interrupt
            2. 12.7.2.4.1.2 ESM Low Priority Error Interrupt
              1. 12.7.2.4.1.2.1 ESM Low Priority Error Level Event
              2. 12.7.2.4.1.2.2 ESM Low Priority Error Pulse Event
            3. 12.7.2.4.1.3 ESM High Priority Error Interrupt
              1. 12.7.2.4.1.3.1 ESM High Priority Error Level Event
              2. 12.7.2.4.1.3.2 ESM High Priority Error Pulse Event
          2. 12.7.2.4.2 ESM Error Event Inputs
          3. 12.7.2.4.3 ESM Error Pin Output
          4. 12.7.2.4.4 PWM Mode
          5. 12.7.2.4.5 ESM Minimum Time Interval
          6. 12.7.2.4.6 ESM Protection for Registers
          7. 12.7.2.4.7 ESM Clock Stop
      3. 12.7.3 Memory Cyclic Redundancy Check (MCRC) Controller
        1. 12.7.3.1 MCRC Overview
          1. 12.7.3.1.1 MCRC Features
          2. 12.7.3.1.2 Unsupported Features
          3.        2456
        2. 12.7.3.2 MCRC Functional Description
          1. 12.7.3.2.1  MCRC Block Diagram
          2. 12.7.3.2.2  MCRC General Operation
          3. 12.7.3.2.3  MCRC Modes of Operation
            1. 12.7.3.2.3.1 AUTO Mode
            2. 12.7.3.2.3.2 Semi-CPU Mode
            3. 12.7.3.2.3.3 Full-CPU Mode
          4. 12.7.3.2.4  PSA Signature Register
          5. 12.7.3.2.5  PSA Sector Signature Register
          6. 12.7.3.2.6  CRC Value Register
          7. 12.7.3.2.7  Raw Data Register
          8. 12.7.3.2.8  Example DMA Controller Setup
            1. 12.7.3.2.8.1 AUTO Mode Using Hardware Timer Trigger
            2. 12.7.3.2.8.2 AUTO Mode Using Software Trigger
            3. 12.7.3.2.8.3 Semi-CPU Mode Using Hardware Timer Trigger
          9. 12.7.3.2.9  Pattern Count Register
          10. 12.7.3.2.10 Sector Count Register/Current Sector Register
          11. 12.7.3.2.11 Interrupts
            1. 12.7.3.2.11.1 Overrun Interrupt
            2. 12.7.3.2.11.2 Timeout Interrupt
            3. 12.7.3.2.11.3 Underrun Interrupt
            4. 12.7.3.2.11.4 Compression Complete Interrupt
            5. 12.7.3.2.11.5 Interrupt Offset Register
            6. 12.7.3.2.11.6 Error Handling
          12. 12.7.3.2.12 Power Down Mode
          13. 12.7.3.2.13 Emulation
        3. 12.7.3.3 MCRC Programming Examples
          1. 12.7.3.3.1 Example: Auto Mode Using Time Based Event Triggering
            1. 12.7.3.3.1.1 DMA Setup
            2. 12.7.3.3.1.2 Timer Setup
            3. 12.7.3.3.1.3 CRC Setup
          2. 12.7.3.3.2 Example: Auto Mode Without Using Time Based Triggering
            1. 12.7.3.3.2.1 DMA Setup
            2. 12.7.3.3.2.2 CRC Setup
          3. 12.7.3.3.3 Example: Semi-CPU Mode
            1. 12.7.3.3.3.1 DMA Setup
            2. 12.7.3.3.3.2 Timer Setup
            3. 12.7.3.3.3.3 CRC Setup
          4. 12.7.3.3.4 Example: Full-CPU Mode
            1. 12.7.3.3.4.1 CRC Setup
      4. 12.7.4 ECC Aggregator
        1. 12.7.4.1 ECC Aggregator Overview
          1. 12.7.4.1.1 ECC Aggregator Features
          2. 12.7.4.1.2 Unsupported Features
        2. 12.7.4.2 ECC Aggregator Functional Description
          1. 12.7.4.2.1 ECC Aggregator Block Diagram
          2. 12.7.4.2.2 ECC Aggregator Register Groups
          3. 12.7.4.2.3 Read Access to the ECC Control and Status Registers
          4. 12.7.4.2.4 Serial Write Operation
          5. 12.7.4.2.5 Interrupts
          6. 12.7.4.2.6 Inject Only Mode
      5. 12.7.5 Interconnect ECC Aggregators
  15. 13On-Chip Debug
    1. 13.1 On-Chip Debug Overview
    2. 13.2 On-Chip Debugs Features
    3. 13.3 On-Chip Debug Functional Description
      1. 13.3.1  Block Diagram
      2. 13.3.2  Device Interfaces
        1. 13.3.2.1 JTAG Interface
        2. 13.3.2.2 Trigger and Debug Boot Mode Interface
        3. 13.3.2.3 Trace Port Interface
      3. 13.3.3  Debug and Boundary Scan Access and Control
      4. 13.3.4  Debug Boot Modes and Boundary Scan Compliance
      5. 13.3.5  Power, Reset, Clock Management
      6. 13.3.6  Debug Cross Triggering
      7. 13.3.7  MAIN_R5F and WKUP_R5F Debug
      8. 13.3.8  SMS0_HSM Debug
      9. 13.3.9  C7XSS0 and C7XSS1 Debug
      10. 13.3.10 SoC Debug and Trace
        1. 13.3.10.1 Software Messaging Trace
        2. 13.3.10.2 Debug-Aware Peripherals
        3. 13.3.10.3 Traffic Monitoring with Bus Probes
        4. 13.3.10.4 Global Timestamping for Trace
      11. 13.3.11 Trace Traffic
        1. 13.3.11.1 Trace Sources
        2. 13.3.11.2 Trace Infrastructure
        3. 13.3.11.3 Trace Sinks
  16. 14Registers
    1. 14.1 System Interconnect Registers
      1. 14.1.1 CBASS
        1. 14.1.1.1 CBASS Summaries
          1.        2538
          2.        2539
          3.        2540
          4.        2541
          5.        2542
        2. 14.1.1.2 CBASS Registers
          1. 14.1.1.2.1   CBASS_ERR_PID Register
          2. 14.1.1.2.2   CBASS_ERR_DESTINATION_ID Register
          3. 14.1.1.2.3   CBASS_ERR_EXCEPTION_LOGGING_HEADER0 Register
          4. 14.1.1.2.4   CBASS_ERR_EXCEPTION_LOGGING_HEADER1 Register
          5. 14.1.1.2.5   CBASS_ERR_EXCEPTION_LOGGING_DATA0 Register
          6. 14.1.1.2.6   CBASS_ERR_EXCEPTION_LOGGING_DATA1 Register
          7. 14.1.1.2.7   CBASS_ERR_EXCEPTION_LOGGING_DATA2 Register
          8. 14.1.1.2.8   CBASS_ERR_EXCEPTION_LOGGING_DATA3 Register
          9. 14.1.1.2.9   CBASS_ERR_ERR_INTR_RAW_STAT Register
          10. 14.1.1.2.10  CBASS_ERR_ERR_INTR_ENABLED_STAT Register
          11. 14.1.1.2.11  CBASS_ERR_ERR_INTR_ENABLE_SET Register
          12. 14.1.1.2.12  CBASS_ERR_ERR_INTR_ENABLE_CLR Register
          13. 14.1.1.2.13  CBASS_ERR_EOI Register
          14. 14.1.1.2.14  CBASS_FW_IPULSAR_UL_WKUP_0_CPU0_SLV_FW_REGION_0_CONTROL Register
          15. 14.1.1.2.15  CBASS_FW_IPULSAR_UL_WKUP_0_CPU0_SLV_FW_REGION_0_PERMISSION_0 Register
          16. 14.1.1.2.16  CBASS_FW_IPULSAR_UL_WKUP_0_CPU0_SLV_FW_REGION_0_PERMISSION_1 Register
          17. 14.1.1.2.17  CBASS_FW_IPULSAR_UL_WKUP_0_CPU0_SLV_FW_REGION_0_PERMISSION_2 Register
          18. 14.1.1.2.18  CBASS_FW_IPULSAR_UL_WKUP_0_CPU0_SLV_FW_REGION_0_START_ADDRESS_L Register
          19. 14.1.1.2.19  CBASS_FW_IPULSAR_UL_WKUP_0_CPU0_SLV_FW_REGION_0_START_ADDRESS_H Register
          20. 14.1.1.2.20  CBASS_FW_IPULSAR_UL_WKUP_0_CPU0_SLV_FW_REGION_0_END_ADDRESS_L Register
          21. 14.1.1.2.21  CBASS_FW_IPULSAR_UL_WKUP_0_CPU0_SLV_FW_REGION_0_END_ADDRESS_H Register
          22. 14.1.1.2.22  CBASS_FW_IPULSAR_UL_WKUP_0_CPU0_SLV_FW_REGION_1_CONTROL Register
          23. 14.1.1.2.23  CBASS_FW_IPULSAR_UL_WKUP_0_CPU0_SLV_FW_REGION_1_PERMISSION_0 Register
          24. 14.1.1.2.24  CBASS_FW_IPULSAR_UL_WKUP_0_CPU0_SLV_FW_REGION_1_PERMISSION_1 Register
          25. 14.1.1.2.25  CBASS_FW_IPULSAR_UL_WKUP_0_CPU0_SLV_FW_REGION_1_PERMISSION_2 Register
          26. 14.1.1.2.26  CBASS_FW_IPULSAR_UL_WKUP_0_CPU0_SLV_FW_REGION_1_START_ADDRESS_L Register
          27. 14.1.1.2.27  CBASS_FW_IPULSAR_UL_WKUP_0_CPU0_SLV_FW_REGION_1_START_ADDRESS_H Register
          28. 14.1.1.2.28  CBASS_FW_IPULSAR_UL_WKUP_0_CPU0_SLV_FW_REGION_1_END_ADDRESS_L Register
          29. 14.1.1.2.29  CBASS_FW_IPULSAR_UL_WKUP_0_CPU0_SLV_FW_REGION_1_END_ADDRESS_H Register
          30. 14.1.1.2.30  CBASS_FW_IPULSAR_UL_WKUP_0_CPU0_SLV_FW_REGION_2_CONTROL Register
          31. 14.1.1.2.31  CBASS_FW_IPULSAR_UL_WKUP_0_CPU0_SLV_FW_REGION_2_PERMISSION_0 Register
          32. 14.1.1.2.32  CBASS_FW_IPULSAR_UL_WKUP_0_CPU0_SLV_FW_REGION_2_PERMISSION_1 Register
          33. 14.1.1.2.33  CBASS_FW_IPULSAR_UL_WKUP_0_CPU0_SLV_FW_REGION_2_PERMISSION_2 Register
          34. 14.1.1.2.34  CBASS_FW_IPULSAR_UL_WKUP_0_CPU0_SLV_FW_REGION_2_START_ADDRESS_L Register
          35. 14.1.1.2.35  CBASS_FW_IPULSAR_UL_WKUP_0_CPU0_SLV_FW_REGION_2_START_ADDRESS_H Register
          36. 14.1.1.2.36  CBASS_FW_IPULSAR_UL_WKUP_0_CPU0_SLV_FW_REGION_2_END_ADDRESS_L Register
          37. 14.1.1.2.37  CBASS_FW_IPULSAR_UL_WKUP_0_CPU0_SLV_FW_REGION_2_END_ADDRESS_H Register
          38. 14.1.1.2.38  CBASS_FW_IPULSAR_UL_WKUP_0_CPU0_SLV_FW_REGION_3_CONTROL Register
          39. 14.1.1.2.39  CBASS_FW_IPULSAR_UL_WKUP_0_CPU0_SLV_FW_REGION_3_PERMISSION_0 Register
          40. 14.1.1.2.40  CBASS_FW_IPULSAR_UL_WKUP_0_CPU0_SLV_FW_REGION_3_PERMISSION_1 Register
          41. 14.1.1.2.41  CBASS_FW_IPULSAR_UL_WKUP_0_CPU0_SLV_FW_REGION_3_PERMISSION_2 Register
          42. 14.1.1.2.42  CBASS_FW_IPULSAR_UL_WKUP_0_CPU0_SLV_FW_REGION_3_START_ADDRESS_L Register
          43. 14.1.1.2.43  CBASS_FW_IPULSAR_UL_WKUP_0_CPU0_SLV_FW_REGION_3_START_ADDRESS_H Register
          44. 14.1.1.2.44  CBASS_FW_IPULSAR_UL_WKUP_0_CPU0_SLV_FW_REGION_3_END_ADDRESS_L Register
          45. 14.1.1.2.45  CBASS_FW_IPULSAR_UL_WKUP_0_CPU0_SLV_FW_REGION_3_END_ADDRESS_H Register
          46. 14.1.1.2.46  CBASS_FW_EXPORT_AM275_WKUP_DM_CBASS_TO_AM275_MAIN_INFRA_CBASS_DATA_L0_FW_REGION_0_CONTROL Register
          47. 14.1.1.2.47  CBASS_FW_EXPORT_AM275_WKUP_DM_CBASS_TO_AM275_MAIN_INFRA_CBASS_DATA_L0_FW_REGION_0_PERMISSION_0 Register
          48. 14.1.1.2.48  CBASS_FW_EXPORT_AM275_WKUP_DM_CBASS_TO_AM275_MAIN_INFRA_CBASS_DATA_L0_FW_REGION_0_PERMISSION_1 Register
          49. 14.1.1.2.49  CBASS_FW_EXPORT_AM275_WKUP_DM_CBASS_TO_AM275_MAIN_INFRA_CBASS_DATA_L0_FW_REGION_0_PERMISSION_2 Register
          50. 14.1.1.2.50  CBASS_FW_EXPORT_AM275_WKUP_DM_CBASS_TO_AM275_MAIN_INFRA_CBASS_DATA_L0_FW_REGION_0_START_ADDRESS_L Register
          51. 14.1.1.2.51  CBASS_FW_EXPORT_AM275_WKUP_DM_CBASS_TO_AM275_MAIN_INFRA_CBASS_DATA_L0_FW_REGION_0_START_ADDRESS_H Register
          52. 14.1.1.2.52  CBASS_FW_EXPORT_AM275_WKUP_DM_CBASS_TO_AM275_MAIN_INFRA_CBASS_DATA_L0_FW_REGION_0_END_ADDRESS_L Register
          53. 14.1.1.2.53  CBASS_FW_EXPORT_AM275_WKUP_DM_CBASS_TO_AM275_MAIN_INFRA_CBASS_DATA_L0_FW_REGION_0_END_ADDRESS_H Register
          54. 14.1.1.2.54  CBASS_FW_EXPORT_AM275_WKUP_DM_CBASS_TO_AM275_MAIN_INFRA_CBASS_DATA_L0_FW_REGION_1_CONTROL Register
          55. 14.1.1.2.55  CBASS_FW_EXPORT_AM275_WKUP_DM_CBASS_TO_AM275_MAIN_INFRA_CBASS_DATA_L0_FW_REGION_1_PERMISSION_0 Register
          56. 14.1.1.2.56  CBASS_FW_EXPORT_AM275_WKUP_DM_CBASS_TO_AM275_MAIN_INFRA_CBASS_DATA_L0_FW_REGION_1_PERMISSION_1 Register
          57. 14.1.1.2.57  CBASS_FW_EXPORT_AM275_WKUP_DM_CBASS_TO_AM275_MAIN_INFRA_CBASS_DATA_L0_FW_REGION_1_PERMISSION_2 Register
          58. 14.1.1.2.58  CBASS_FW_EXPORT_AM275_WKUP_DM_CBASS_TO_AM275_MAIN_INFRA_CBASS_DATA_L0_FW_REGION_1_START_ADDRESS_L Register
          59. 14.1.1.2.59  CBASS_FW_EXPORT_AM275_WKUP_DM_CBASS_TO_AM275_MAIN_INFRA_CBASS_DATA_L0_FW_REGION_1_START_ADDRESS_H Register
          60. 14.1.1.2.60  CBASS_FW_EXPORT_AM275_WKUP_DM_CBASS_TO_AM275_MAIN_INFRA_CBASS_DATA_L0_FW_REGION_1_END_ADDRESS_L Register
          61. 14.1.1.2.61  CBASS_FW_EXPORT_AM275_WKUP_DM_CBASS_TO_AM275_MAIN_INFRA_CBASS_DATA_L0_FW_REGION_1_END_ADDRESS_H Register
          62. 14.1.1.2.62  CBASS_FW_EXPORT_AM275_WKUP_DM_CBASS_TO_AM275_MAIN_INFRA_CBASS_DATA_L0_FW_REGION_2_CONTROL Register
          63. 14.1.1.2.63  CBASS_FW_EXPORT_AM275_WKUP_DM_CBASS_TO_AM275_MAIN_INFRA_CBASS_DATA_L0_FW_REGION_2_PERMISSION_0 Register
          64. 14.1.1.2.64  CBASS_FW_EXPORT_AM275_WKUP_DM_CBASS_TO_AM275_MAIN_INFRA_CBASS_DATA_L0_FW_REGION_2_PERMISSION_1 Register
          65. 14.1.1.2.65  CBASS_FW_EXPORT_AM275_WKUP_DM_CBASS_TO_AM275_MAIN_INFRA_CBASS_DATA_L0_FW_REGION_2_PERMISSION_2 Register
          66. 14.1.1.2.66  CBASS_FW_EXPORT_AM275_WKUP_DM_CBASS_TO_AM275_MAIN_INFRA_CBASS_DATA_L0_FW_REGION_2_START_ADDRESS_L Register
          67. 14.1.1.2.67  CBASS_FW_EXPORT_AM275_WKUP_DM_CBASS_TO_AM275_MAIN_INFRA_CBASS_DATA_L0_FW_REGION_2_START_ADDRESS_H Register
          68. 14.1.1.2.68  CBASS_FW_EXPORT_AM275_WKUP_DM_CBASS_TO_AM275_MAIN_INFRA_CBASS_DATA_L0_FW_REGION_2_END_ADDRESS_L Register
          69. 14.1.1.2.69  CBASS_FW_EXPORT_AM275_WKUP_DM_CBASS_TO_AM275_MAIN_INFRA_CBASS_DATA_L0_FW_REGION_2_END_ADDRESS_H Register
          70. 14.1.1.2.70  CBASS_FW_EXPORT_AM275_WKUP_DM_CBASS_TO_AM275_MAIN_INFRA_CBASS_DATA_L0_FW_REGION_3_CONTROL Register
          71. 14.1.1.2.71  CBASS_FW_EXPORT_AM275_WKUP_DM_CBASS_TO_AM275_MAIN_INFRA_CBASS_DATA_L0_FW_REGION_3_PERMISSION_0 Register
          72. 14.1.1.2.72  CBASS_FW_EXPORT_AM275_WKUP_DM_CBASS_TO_AM275_MAIN_INFRA_CBASS_DATA_L0_FW_REGION_3_PERMISSION_1 Register
          73. 14.1.1.2.73  CBASS_FW_EXPORT_AM275_WKUP_DM_CBASS_TO_AM275_MAIN_INFRA_CBASS_DATA_L0_FW_REGION_3_PERMISSION_2 Register
          74. 14.1.1.2.74  CBASS_FW_EXPORT_AM275_WKUP_DM_CBASS_TO_AM275_MAIN_INFRA_CBASS_DATA_L0_FW_REGION_3_START_ADDRESS_L Register
          75. 14.1.1.2.75  CBASS_FW_EXPORT_AM275_WKUP_DM_CBASS_TO_AM275_MAIN_INFRA_CBASS_DATA_L0_FW_REGION_3_START_ADDRESS_H Register
          76. 14.1.1.2.76  CBASS_FW_EXPORT_AM275_WKUP_DM_CBASS_TO_AM275_MAIN_INFRA_CBASS_DATA_L0_FW_REGION_3_END_ADDRESS_L Register
          77. 14.1.1.2.77  CBASS_FW_EXPORT_AM275_WKUP_DM_CBASS_TO_AM275_MAIN_INFRA_CBASS_DATA_L0_FW_REGION_3_END_ADDRESS_H Register
          78. 14.1.1.2.78  CBASS_FW_EXPORT_AM275_WKUP_DM_CBASS_TO_AM275_MAIN_INFRA_CBASS_DATA_L0_FW_REGION_4_CONTROL Register
          79. 14.1.1.2.79  CBASS_FW_EXPORT_AM275_WKUP_DM_CBASS_TO_AM275_MAIN_INFRA_CBASS_DATA_L0_FW_REGION_4_PERMISSION_0 Register
          80. 14.1.1.2.80  CBASS_FW_EXPORT_AM275_WKUP_DM_CBASS_TO_AM275_MAIN_INFRA_CBASS_DATA_L0_FW_REGION_4_PERMISSION_1 Register
          81. 14.1.1.2.81  CBASS_FW_EXPORT_AM275_WKUP_DM_CBASS_TO_AM275_MAIN_INFRA_CBASS_DATA_L0_FW_REGION_4_PERMISSION_2 Register
          82. 14.1.1.2.82  CBASS_FW_EXPORT_AM275_WKUP_DM_CBASS_TO_AM275_MAIN_INFRA_CBASS_DATA_L0_FW_REGION_4_START_ADDRESS_L Register
          83. 14.1.1.2.83  CBASS_FW_EXPORT_AM275_WKUP_DM_CBASS_TO_AM275_MAIN_INFRA_CBASS_DATA_L0_FW_REGION_4_START_ADDRESS_H Register
          84. 14.1.1.2.84  CBASS_FW_EXPORT_AM275_WKUP_DM_CBASS_TO_AM275_MAIN_INFRA_CBASS_DATA_L0_FW_REGION_4_END_ADDRESS_L Register
          85. 14.1.1.2.85  CBASS_FW_EXPORT_AM275_WKUP_DM_CBASS_TO_AM275_MAIN_INFRA_CBASS_DATA_L0_FW_REGION_4_END_ADDRESS_H Register
          86. 14.1.1.2.86  CBASS_FW_EXPORT_AM275_WKUP_DM_CBASS_TO_AM275_MAIN_INFRA_CBASS_DATA_L0_FW_REGION_5_CONTROL Register
          87. 14.1.1.2.87  CBASS_FW_EXPORT_AM275_WKUP_DM_CBASS_TO_AM275_MAIN_INFRA_CBASS_DATA_L0_FW_REGION_5_PERMISSION_0 Register
          88. 14.1.1.2.88  CBASS_FW_EXPORT_AM275_WKUP_DM_CBASS_TO_AM275_MAIN_INFRA_CBASS_DATA_L0_FW_REGION_5_PERMISSION_1 Register
          89. 14.1.1.2.89  CBASS_FW_EXPORT_AM275_WKUP_DM_CBASS_TO_AM275_MAIN_INFRA_CBASS_DATA_L0_FW_REGION_5_PERMISSION_2 Register
          90. 14.1.1.2.90  CBASS_FW_EXPORT_AM275_WKUP_DM_CBASS_TO_AM275_MAIN_INFRA_CBASS_DATA_L0_FW_REGION_5_START_ADDRESS_L Register
          91. 14.1.1.2.91  CBASS_FW_EXPORT_AM275_WKUP_DM_CBASS_TO_AM275_MAIN_INFRA_CBASS_DATA_L0_FW_REGION_5_START_ADDRESS_H Register
          92. 14.1.1.2.92  CBASS_FW_EXPORT_AM275_WKUP_DM_CBASS_TO_AM275_MAIN_INFRA_CBASS_DATA_L0_FW_REGION_5_END_ADDRESS_L Register
          93. 14.1.1.2.93  CBASS_FW_EXPORT_AM275_WKUP_DM_CBASS_TO_AM275_MAIN_INFRA_CBASS_DATA_L0_FW_REGION_5_END_ADDRESS_H Register
          94. 14.1.1.2.94  CBASS_FW_EXPORT_AM275_WKUP_DM_CBASS_TO_AM275_MAIN_INFRA_CBASS_DATA_L0_FW_REGION_6_CONTROL Register
          95. 14.1.1.2.95  CBASS_FW_EXPORT_AM275_WKUP_DM_CBASS_TO_AM275_MAIN_INFRA_CBASS_DATA_L0_FW_REGION_6_PERMISSION_0 Register
          96. 14.1.1.2.96  CBASS_FW_EXPORT_AM275_WKUP_DM_CBASS_TO_AM275_MAIN_INFRA_CBASS_DATA_L0_FW_REGION_6_PERMISSION_1 Register
          97. 14.1.1.2.97  CBASS_FW_EXPORT_AM275_WKUP_DM_CBASS_TO_AM275_MAIN_INFRA_CBASS_DATA_L0_FW_REGION_6_PERMISSION_2 Register
          98. 14.1.1.2.98  CBASS_FW_EXPORT_AM275_WKUP_DM_CBASS_TO_AM275_MAIN_INFRA_CBASS_DATA_L0_FW_REGION_6_START_ADDRESS_L Register
          99. 14.1.1.2.99  CBASS_FW_EXPORT_AM275_WKUP_DM_CBASS_TO_AM275_MAIN_INFRA_CBASS_DATA_L0_FW_REGION_6_START_ADDRESS_H Register
          100. 14.1.1.2.100 CBASS_FW_EXPORT_AM275_WKUP_DM_CBASS_TO_AM275_MAIN_INFRA_CBASS_DATA_L0_FW_REGION_6_END_ADDRESS_L Register
          101. 14.1.1.2.101 CBASS_FW_EXPORT_AM275_WKUP_DM_CBASS_TO_AM275_MAIN_INFRA_CBASS_DATA_L0_FW_REGION_6_END_ADDRESS_H Register
          102. 14.1.1.2.102 CBASS_FW_EXPORT_AM275_WKUP_DM_CBASS_TO_AM275_MAIN_INFRA_CBASS_DATA_L0_FW_REGION_7_CONTROL Register
          103. 14.1.1.2.103 CBASS_FW_EXPORT_AM275_WKUP_DM_CBASS_TO_AM275_MAIN_INFRA_CBASS_DATA_L0_FW_REGION_7_PERMISSION_0 Register
          104. 14.1.1.2.104 CBASS_FW_EXPORT_AM275_WKUP_DM_CBASS_TO_AM275_MAIN_INFRA_CBASS_DATA_L0_FW_REGION_7_PERMISSION_1 Register
          105. 14.1.1.2.105 CBASS_FW_EXPORT_AM275_WKUP_DM_CBASS_TO_AM275_MAIN_INFRA_CBASS_DATA_L0_FW_REGION_7_PERMISSION_2 Register
          106. 14.1.1.2.106 CBASS_FW_EXPORT_AM275_WKUP_DM_CBASS_TO_AM275_MAIN_INFRA_CBASS_DATA_L0_FW_REGION_7_START_ADDRESS_L Register
          107. 14.1.1.2.107 CBASS_FW_EXPORT_AM275_WKUP_DM_CBASS_TO_AM275_MAIN_INFRA_CBASS_DATA_L0_FW_REGION_7_START_ADDRESS_H Register
          108. 14.1.1.2.108 CBASS_FW_EXPORT_AM275_WKUP_DM_CBASS_TO_AM275_MAIN_INFRA_CBASS_DATA_L0_FW_REGION_7_END_ADDRESS_L Register
          109. 14.1.1.2.109 CBASS_FW_EXPORT_AM275_WKUP_DM_CBASS_TO_AM275_MAIN_INFRA_CBASS_DATA_L0_FW_REGION_7_END_ADDRESS_H Register
          110. 14.1.1.2.110 CBASS_FW_EXPORT_AM275_WKUP_DM_CBASS_TO_AM275_MAIN_INFRA_CBASS_DATA_L0_FW_REGION_8_CONTROL Register
          111. 14.1.1.2.111 CBASS_FW_EXPORT_AM275_WKUP_DM_CBASS_TO_AM275_MAIN_INFRA_CBASS_DATA_L0_FW_REGION_8_PERMISSION_0 Register
          112. 14.1.1.2.112 CBASS_FW_EXPORT_AM275_WKUP_DM_CBASS_TO_AM275_MAIN_INFRA_CBASS_DATA_L0_FW_REGION_8_PERMISSION_1 Register
          113. 14.1.1.2.113 CBASS_FW_EXPORT_AM275_WKUP_DM_CBASS_TO_AM275_MAIN_INFRA_CBASS_DATA_L0_FW_REGION_8_PERMISSION_2 Register
          114. 14.1.1.2.114 CBASS_FW_EXPORT_AM275_WKUP_DM_CBASS_TO_AM275_MAIN_INFRA_CBASS_DATA_L0_FW_REGION_8_START_ADDRESS_L Register
          115. 14.1.1.2.115 CBASS_FW_EXPORT_AM275_WKUP_DM_CBASS_TO_AM275_MAIN_INFRA_CBASS_DATA_L0_FW_REGION_8_START_ADDRESS_H Register
          116. 14.1.1.2.116 CBASS_FW_EXPORT_AM275_WKUP_DM_CBASS_TO_AM275_MAIN_INFRA_CBASS_DATA_L0_FW_REGION_8_END_ADDRESS_L Register
          117. 14.1.1.2.117 CBASS_FW_EXPORT_AM275_WKUP_DM_CBASS_TO_AM275_MAIN_INFRA_CBASS_DATA_L0_FW_REGION_8_END_ADDRESS_H Register
          118. 14.1.1.2.118 CBASS_FW_EXPORT_AM275_WKUP_DM_CBASS_TO_AM275_MAIN_INFRA_CBASS_DATA_L0_FW_REGION_9_CONTROL Register
          119. 14.1.1.2.119 CBASS_FW_EXPORT_AM275_WKUP_DM_CBASS_TO_AM275_MAIN_INFRA_CBASS_DATA_L0_FW_REGION_9_PERMISSION_0 Register
          120. 14.1.1.2.120 CBASS_FW_EXPORT_AM275_WKUP_DM_CBASS_TO_AM275_MAIN_INFRA_CBASS_DATA_L0_FW_REGION_9_PERMISSION_1 Register
          121. 14.1.1.2.121 CBASS_FW_EXPORT_AM275_WKUP_DM_CBASS_TO_AM275_MAIN_INFRA_CBASS_DATA_L0_FW_REGION_9_PERMISSION_2 Register
          122. 14.1.1.2.122 CBASS_FW_EXPORT_AM275_WKUP_DM_CBASS_TO_AM275_MAIN_INFRA_CBASS_DATA_L0_FW_REGION_9_START_ADDRESS_L Register
          123. 14.1.1.2.123 CBASS_FW_EXPORT_AM275_WKUP_DM_CBASS_TO_AM275_MAIN_INFRA_CBASS_DATA_L0_FW_REGION_9_START_ADDRESS_H Register
          124. 14.1.1.2.124 CBASS_FW_EXPORT_AM275_WKUP_DM_CBASS_TO_AM275_MAIN_INFRA_CBASS_DATA_L0_FW_REGION_9_END_ADDRESS_L Register
          125. 14.1.1.2.125 CBASS_FW_EXPORT_AM275_WKUP_DM_CBASS_TO_AM275_MAIN_INFRA_CBASS_DATA_L0_FW_REGION_9_END_ADDRESS_H Register
          126. 14.1.1.2.126 CBASS_FW_EXPORT_AM275_WKUP_DM_CBASS_TO_AM275_MAIN_INFRA_CBASS_DATA_L0_FW_REGION_10_CONTROL Register
          127. 14.1.1.2.127 CBASS_FW_EXPORT_AM275_WKUP_DM_CBASS_TO_AM275_MAIN_INFRA_CBASS_DATA_L0_FW_REGION_10_PERMISSION_0 Register
          128. 14.1.1.2.128 CBASS_FW_EXPORT_AM275_WKUP_DM_CBASS_TO_AM275_MAIN_INFRA_CBASS_DATA_L0_FW_REGION_10_PERMISSION_1 Register
          129. 14.1.1.2.129 CBASS_FW_EXPORT_AM275_WKUP_DM_CBASS_TO_AM275_MAIN_INFRA_CBASS_DATA_L0_FW_REGION_10_PERMISSION_2 Register
          130. 14.1.1.2.130 CBASS_FW_EXPORT_AM275_WKUP_DM_CBASS_TO_AM275_MAIN_INFRA_CBASS_DATA_L0_FW_REGION_10_START_ADDRESS_L Register
          131. 14.1.1.2.131 CBASS_FW_EXPORT_AM275_WKUP_DM_CBASS_TO_AM275_MAIN_INFRA_CBASS_DATA_L0_FW_REGION_10_START_ADDRESS_H Register
          132. 14.1.1.2.132 CBASS_FW_EXPORT_AM275_WKUP_DM_CBASS_TO_AM275_MAIN_INFRA_CBASS_DATA_L0_FW_REGION_10_END_ADDRESS_L Register
          133. 14.1.1.2.133 CBASS_FW_EXPORT_AM275_WKUP_DM_CBASS_TO_AM275_MAIN_INFRA_CBASS_DATA_L0_FW_REGION_10_END_ADDRESS_H Register
          134. 14.1.1.2.134 CBASS_FW_EXPORT_AM275_WKUP_DM_CBASS_TO_AM275_MAIN_INFRA_CBASS_DATA_L0_FW_REGION_11_CONTROL Register
          135. 14.1.1.2.135 CBASS_FW_EXPORT_AM275_WKUP_DM_CBASS_TO_AM275_MAIN_INFRA_CBASS_DATA_L0_FW_REGION_11_PERMISSION_0 Register
          136. 14.1.1.2.136 CBASS_FW_EXPORT_AM275_WKUP_DM_CBASS_TO_AM275_MAIN_INFRA_CBASS_DATA_L0_FW_REGION_11_PERMISSION_1 Register
          137. 14.1.1.2.137 CBASS_FW_EXPORT_AM275_WKUP_DM_CBASS_TO_AM275_MAIN_INFRA_CBASS_DATA_L0_FW_REGION_11_PERMISSION_2 Register
          138. 14.1.1.2.138 CBASS_FW_EXPORT_AM275_WKUP_DM_CBASS_TO_AM275_MAIN_INFRA_CBASS_DATA_L0_FW_REGION_11_START_ADDRESS_L Register
          139. 14.1.1.2.139 CBASS_FW_EXPORT_AM275_WKUP_DM_CBASS_TO_AM275_MAIN_INFRA_CBASS_DATA_L0_FW_REGION_11_START_ADDRESS_H Register
          140. 14.1.1.2.140 CBASS_FW_EXPORT_AM275_WKUP_DM_CBASS_TO_AM275_MAIN_INFRA_CBASS_DATA_L0_FW_REGION_11_END_ADDRESS_L Register
          141. 14.1.1.2.141 CBASS_FW_EXPORT_AM275_WKUP_DM_CBASS_TO_AM275_MAIN_INFRA_CBASS_DATA_L0_FW_REGION_11_END_ADDRESS_H Register
          142. 14.1.1.2.142 CBASS_FW_EXPORT_AM275_WKUP_DM_CBASS_TO_AM275_MAIN_INFRA_CBASS_DATA_L0_FW_REGION_12_CONTROL Register
          143. 14.1.1.2.143 CBASS_FW_EXPORT_AM275_WKUP_DM_CBASS_TO_AM275_MAIN_INFRA_CBASS_DATA_L0_FW_REGION_12_PERMISSION_0 Register
          144. 14.1.1.2.144 CBASS_FW_EXPORT_AM275_WKUP_DM_CBASS_TO_AM275_MAIN_INFRA_CBASS_DATA_L0_FW_REGION_12_PERMISSION_1 Register
          145. 14.1.1.2.145 CBASS_FW_EXPORT_AM275_WKUP_DM_CBASS_TO_AM275_MAIN_INFRA_CBASS_DATA_L0_FW_REGION_12_PERMISSION_2 Register
          146. 14.1.1.2.146 CBASS_FW_EXPORT_AM275_WKUP_DM_CBASS_TO_AM275_MAIN_INFRA_CBASS_DATA_L0_FW_REGION_12_START_ADDRESS_L Register
          147. 14.1.1.2.147 CBASS_FW_EXPORT_AM275_WKUP_DM_CBASS_TO_AM275_MAIN_INFRA_CBASS_DATA_L0_FW_REGION_12_START_ADDRESS_H Register
          148. 14.1.1.2.148 CBASS_FW_EXPORT_AM275_WKUP_DM_CBASS_TO_AM275_MAIN_INFRA_CBASS_DATA_L0_FW_REGION_12_END_ADDRESS_L Register
          149. 14.1.1.2.149 CBASS_FW_EXPORT_AM275_WKUP_DM_CBASS_TO_AM275_MAIN_INFRA_CBASS_DATA_L0_FW_REGION_12_END_ADDRESS_H Register
          150. 14.1.1.2.150 CBASS_FW_EXPORT_AM275_WKUP_DM_CBASS_TO_AM275_MAIN_INFRA_CBASS_DATA_L0_FW_REGION_13_CONTROL Register
          151. 14.1.1.2.151 CBASS_FW_EXPORT_AM275_WKUP_DM_CBASS_TO_AM275_MAIN_INFRA_CBASS_DATA_L0_FW_REGION_13_PERMISSION_0 Register
          152. 14.1.1.2.152 CBASS_FW_EXPORT_AM275_WKUP_DM_CBASS_TO_AM275_MAIN_INFRA_CBASS_DATA_L0_FW_REGION_13_PERMISSION_1 Register
          153. 14.1.1.2.153 CBASS_FW_EXPORT_AM275_WKUP_DM_CBASS_TO_AM275_MAIN_INFRA_CBASS_DATA_L0_FW_REGION_13_PERMISSION_2 Register
          154. 14.1.1.2.154 CBASS_FW_EXPORT_AM275_WKUP_DM_CBASS_TO_AM275_MAIN_INFRA_CBASS_DATA_L0_FW_REGION_13_START_ADDRESS_L Register
          155. 14.1.1.2.155 CBASS_FW_EXPORT_AM275_WKUP_DM_CBASS_TO_AM275_MAIN_INFRA_CBASS_DATA_L0_FW_REGION_13_START_ADDRESS_H Register
          156. 14.1.1.2.156 CBASS_FW_EXPORT_AM275_WKUP_DM_CBASS_TO_AM275_MAIN_INFRA_CBASS_DATA_L0_FW_REGION_13_END_ADDRESS_L Register
          157. 14.1.1.2.157 CBASS_FW_EXPORT_AM275_WKUP_DM_CBASS_TO_AM275_MAIN_INFRA_CBASS_DATA_L0_FW_REGION_13_END_ADDRESS_H Register
          158. 14.1.1.2.158 CBASS_FW_EXPORT_AM275_WKUP_DM_CBASS_TO_AM275_MAIN_INFRA_CBASS_DATA_L0_FW_REGION_14_CONTROL Register
          159. 14.1.1.2.159 CBASS_FW_EXPORT_AM275_WKUP_DM_CBASS_TO_AM275_MAIN_INFRA_CBASS_DATA_L0_FW_REGION_14_PERMISSION_0 Register
          160. 14.1.1.2.160 CBASS_FW_EXPORT_AM275_WKUP_DM_CBASS_TO_AM275_MAIN_INFRA_CBASS_DATA_L0_FW_REGION_14_PERMISSION_1 Register
          161. 14.1.1.2.161 CBASS_FW_EXPORT_AM275_WKUP_DM_CBASS_TO_AM275_MAIN_INFRA_CBASS_DATA_L0_FW_REGION_14_PERMISSION_2 Register
          162. 14.1.1.2.162 CBASS_FW_EXPORT_AM275_WKUP_DM_CBASS_TO_AM275_MAIN_INFRA_CBASS_DATA_L0_FW_REGION_14_START_ADDRESS_L Register
          163. 14.1.1.2.163 CBASS_FW_EXPORT_AM275_WKUP_DM_CBASS_TO_AM275_MAIN_INFRA_CBASS_DATA_L0_FW_REGION_14_START_ADDRESS_H Register
          164. 14.1.1.2.164 CBASS_FW_EXPORT_AM275_WKUP_DM_CBASS_TO_AM275_MAIN_INFRA_CBASS_DATA_L0_FW_REGION_14_END_ADDRESS_L Register
          165. 14.1.1.2.165 CBASS_FW_EXPORT_AM275_WKUP_DM_CBASS_TO_AM275_MAIN_INFRA_CBASS_DATA_L0_FW_REGION_14_END_ADDRESS_H Register
          166. 14.1.1.2.166 CBASS_FW_EXPORT_AM275_WKUP_DM_CBASS_TO_AM275_MAIN_INFRA_CBASS_DATA_L0_FW_REGION_15_CONTROL Register
          167. 14.1.1.2.167 CBASS_FW_EXPORT_AM275_WKUP_DM_CBASS_TO_AM275_MAIN_INFRA_CBASS_DATA_L0_FW_REGION_15_PERMISSION_0 Register
          168. 14.1.1.2.168 CBASS_FW_EXPORT_AM275_WKUP_DM_CBASS_TO_AM275_MAIN_INFRA_CBASS_DATA_L0_FW_REGION_15_PERMISSION_1 Register
          169. 14.1.1.2.169 CBASS_FW_EXPORT_AM275_WKUP_DM_CBASS_TO_AM275_MAIN_INFRA_CBASS_DATA_L0_FW_REGION_15_PERMISSION_2 Register
          170. 14.1.1.2.170 CBASS_FW_EXPORT_AM275_WKUP_DM_CBASS_TO_AM275_MAIN_INFRA_CBASS_DATA_L0_FW_REGION_15_START_ADDRESS_L Register
          171. 14.1.1.2.171 CBASS_FW_EXPORT_AM275_WKUP_DM_CBASS_TO_AM275_MAIN_INFRA_CBASS_DATA_L0_FW_REGION_15_START_ADDRESS_H Register
          172. 14.1.1.2.172 CBASS_FW_EXPORT_AM275_WKUP_DM_CBASS_TO_AM275_MAIN_INFRA_CBASS_DATA_L0_FW_REGION_15_END_ADDRESS_L Register
          173. 14.1.1.2.173 CBASS_FW_EXPORT_AM275_WKUP_DM_CBASS_TO_AM275_MAIN_INFRA_CBASS_DATA_L0_FW_REGION_15_END_ADDRESS_H Register
          174. 14.1.1.2.174 CBASS_FW_BR_SCRM_64_DM_CLK1_TO_SCRP_32_DM_CLK4_L0_FW_REGION_0_CONTROL Register
          175. 14.1.1.2.175 CBASS_FW_BR_SCRM_64_DM_CLK1_TO_SCRP_32_DM_CLK4_L0_FW_REGION_0_PERMISSION_0 Register
          176. 14.1.1.2.176 CBASS_FW_BR_SCRM_64_DM_CLK1_TO_SCRP_32_DM_CLK4_L0_FW_REGION_0_PERMISSION_1 Register
          177. 14.1.1.2.177 CBASS_FW_BR_SCRM_64_DM_CLK1_TO_SCRP_32_DM_CLK4_L0_FW_REGION_0_PERMISSION_2 Register
          178. 14.1.1.2.178 CBASS_FW_BR_SCRM_64_DM_CLK1_TO_SCRP_32_DM_CLK4_L0_FW_REGION_0_START_ADDRESS_L Register
          179. 14.1.1.2.179 CBASS_FW_BR_SCRM_64_DM_CLK1_TO_SCRP_32_DM_CLK4_L0_FW_REGION_0_START_ADDRESS_H Register
          180. 14.1.1.2.180 CBASS_FW_BR_SCRM_64_DM_CLK1_TO_SCRP_32_DM_CLK4_L0_FW_REGION_0_END_ADDRESS_L Register
          181. 14.1.1.2.181 CBASS_FW_BR_SCRM_64_DM_CLK1_TO_SCRP_32_DM_CLK4_L0_FW_REGION_0_END_ADDRESS_H Register
          182. 14.1.1.2.182 CBASS_FW_BR_SCRM_64_DM_CLK1_TO_SCRP_32_DM_CLK4_L0_FW_REGION_1_CONTROL Register
          183. 14.1.1.2.183 CBASS_FW_BR_SCRM_64_DM_CLK1_TO_SCRP_32_DM_CLK4_L0_FW_REGION_1_PERMISSION_0 Register
          184. 14.1.1.2.184 CBASS_FW_BR_SCRM_64_DM_CLK1_TO_SCRP_32_DM_CLK4_L0_FW_REGION_1_PERMISSION_1 Register
          185. 14.1.1.2.185 CBASS_FW_BR_SCRM_64_DM_CLK1_TO_SCRP_32_DM_CLK4_L0_FW_REGION_1_PERMISSION_2 Register
          186. 14.1.1.2.186 CBASS_FW_BR_SCRM_64_DM_CLK1_TO_SCRP_32_DM_CLK4_L0_FW_REGION_1_START_ADDRESS_L Register
          187. 14.1.1.2.187 CBASS_FW_BR_SCRM_64_DM_CLK1_TO_SCRP_32_DM_CLK4_L0_FW_REGION_1_START_ADDRESS_H Register
          188. 14.1.1.2.188 CBASS_FW_BR_SCRM_64_DM_CLK1_TO_SCRP_32_DM_CLK4_L0_FW_REGION_1_END_ADDRESS_L Register
          189. 14.1.1.2.189 CBASS_FW_BR_SCRM_64_DM_CLK1_TO_SCRP_32_DM_CLK4_L0_FW_REGION_1_END_ADDRESS_H Register
          190. 14.1.1.2.190 CBASS_FW_BR_SCRM_64_DM_CLK1_TO_SCRP_32_DM_CLK4_L0_FW_REGION_2_CONTROL Register
          191. 14.1.1.2.191 CBASS_FW_BR_SCRM_64_DM_CLK1_TO_SCRP_32_DM_CLK4_L0_FW_REGION_2_PERMISSION_0 Register
          192. 14.1.1.2.192 CBASS_FW_BR_SCRM_64_DM_CLK1_TO_SCRP_32_DM_CLK4_L0_FW_REGION_2_PERMISSION_1 Register
          193. 14.1.1.2.193 CBASS_FW_BR_SCRM_64_DM_CLK1_TO_SCRP_32_DM_CLK4_L0_FW_REGION_2_PERMISSION_2 Register
          194. 14.1.1.2.194 CBASS_FW_BR_SCRM_64_DM_CLK1_TO_SCRP_32_DM_CLK4_L0_FW_REGION_2_START_ADDRESS_L Register
          195. 14.1.1.2.195 CBASS_FW_BR_SCRM_64_DM_CLK1_TO_SCRP_32_DM_CLK4_L0_FW_REGION_2_START_ADDRESS_H Register
          196. 14.1.1.2.196 CBASS_FW_BR_SCRM_64_DM_CLK1_TO_SCRP_32_DM_CLK4_L0_FW_REGION_2_END_ADDRESS_L Register
          197. 14.1.1.2.197 CBASS_FW_BR_SCRM_64_DM_CLK1_TO_SCRP_32_DM_CLK4_L0_FW_REGION_2_END_ADDRESS_H Register
          198. 14.1.1.2.198 CBASS_FW_BR_SCRM_64_DM_CLK1_TO_SCRP_32_DM_CLK4_L0_FW_REGION_3_CONTROL Register
          199. 14.1.1.2.199 CBASS_FW_BR_SCRM_64_DM_CLK1_TO_SCRP_32_DM_CLK4_L0_FW_REGION_3_PERMISSION_0 Register
          200. 14.1.1.2.200 CBASS_FW_BR_SCRM_64_DM_CLK1_TO_SCRP_32_DM_CLK4_L0_FW_REGION_3_PERMISSION_1 Register
          201. 14.1.1.2.201 CBASS_FW_BR_SCRM_64_DM_CLK1_TO_SCRP_32_DM_CLK4_L0_FW_REGION_3_PERMISSION_2 Register
          202. 14.1.1.2.202 CBASS_FW_BR_SCRM_64_DM_CLK1_TO_SCRP_32_DM_CLK4_L0_FW_REGION_3_START_ADDRESS_L Register
          203. 14.1.1.2.203 CBASS_FW_BR_SCRM_64_DM_CLK1_TO_SCRP_32_DM_CLK4_L0_FW_REGION_3_START_ADDRESS_H Register
          204. 14.1.1.2.204 CBASS_FW_BR_SCRM_64_DM_CLK1_TO_SCRP_32_DM_CLK4_L0_FW_REGION_3_END_ADDRESS_L Register
          205. 14.1.1.2.205 CBASS_FW_BR_SCRM_64_DM_CLK1_TO_SCRP_32_DM_CLK4_L0_FW_REGION_3_END_ADDRESS_H Register
          206. 14.1.1.2.206 CBASS_FW_BR_SCRM_64_DM_CLK1_TO_SCRP_32_DM_CLK4_L0_FW_REGION_4_CONTROL Register
          207. 14.1.1.2.207 CBASS_FW_BR_SCRM_64_DM_CLK1_TO_SCRP_32_DM_CLK4_L0_FW_REGION_4_PERMISSION_0 Register
          208. 14.1.1.2.208 CBASS_FW_BR_SCRM_64_DM_CLK1_TO_SCRP_32_DM_CLK4_L0_FW_REGION_4_PERMISSION_1 Register
          209. 14.1.1.2.209 CBASS_FW_BR_SCRM_64_DM_CLK1_TO_SCRP_32_DM_CLK4_L0_FW_REGION_4_PERMISSION_2 Register
          210. 14.1.1.2.210 CBASS_FW_BR_SCRM_64_DM_CLK1_TO_SCRP_32_DM_CLK4_L0_FW_REGION_4_START_ADDRESS_L Register
          211. 14.1.1.2.211 CBASS_FW_BR_SCRM_64_DM_CLK1_TO_SCRP_32_DM_CLK4_L0_FW_REGION_4_START_ADDRESS_H Register
          212. 14.1.1.2.212 CBASS_FW_BR_SCRM_64_DM_CLK1_TO_SCRP_32_DM_CLK4_L0_FW_REGION_4_END_ADDRESS_L Register
          213. 14.1.1.2.213 CBASS_FW_BR_SCRM_64_DM_CLK1_TO_SCRP_32_DM_CLK4_L0_FW_REGION_4_END_ADDRESS_H Register
          214. 14.1.1.2.214 CBASS_FW_BR_SCRM_64_DM_CLK1_TO_SCRP_32_DM_CLK4_L0_FW_REGION_5_CONTROL Register
          215. 14.1.1.2.215 CBASS_FW_BR_SCRM_64_DM_CLK1_TO_SCRP_32_DM_CLK4_L0_FW_REGION_5_PERMISSION_0 Register
          216. 14.1.1.2.216 CBASS_FW_BR_SCRM_64_DM_CLK1_TO_SCRP_32_DM_CLK4_L0_FW_REGION_5_PERMISSION_1 Register
          217. 14.1.1.2.217 CBASS_FW_BR_SCRM_64_DM_CLK1_TO_SCRP_32_DM_CLK4_L0_FW_REGION_5_PERMISSION_2 Register
          218. 14.1.1.2.218 CBASS_FW_BR_SCRM_64_DM_CLK1_TO_SCRP_32_DM_CLK4_L0_FW_REGION_5_START_ADDRESS_L Register
          219. 14.1.1.2.219 CBASS_FW_BR_SCRM_64_DM_CLK1_TO_SCRP_32_DM_CLK4_L0_FW_REGION_5_START_ADDRESS_H Register
          220. 14.1.1.2.220 CBASS_FW_BR_SCRM_64_DM_CLK1_TO_SCRP_32_DM_CLK4_L0_FW_REGION_5_END_ADDRESS_L Register
          221. 14.1.1.2.221 CBASS_FW_BR_SCRM_64_DM_CLK1_TO_SCRP_32_DM_CLK4_L0_FW_REGION_5_END_ADDRESS_H Register
          222. 14.1.1.2.222 CBASS_FW_BR_SCRM_64_DM_CLK1_TO_SCRP_32_DM_CLK4_L0_FW_REGION_6_CONTROL Register
          223. 14.1.1.2.223 CBASS_FW_BR_SCRM_64_DM_CLK1_TO_SCRP_32_DM_CLK4_L0_FW_REGION_6_PERMISSION_0 Register
          224. 14.1.1.2.224 CBASS_FW_BR_SCRM_64_DM_CLK1_TO_SCRP_32_DM_CLK4_L0_FW_REGION_6_PERMISSION_1 Register
          225. 14.1.1.2.225 CBASS_FW_BR_SCRM_64_DM_CLK1_TO_SCRP_32_DM_CLK4_L0_FW_REGION_6_PERMISSION_2 Register
          226. 14.1.1.2.226 CBASS_FW_BR_SCRM_64_DM_CLK1_TO_SCRP_32_DM_CLK4_L0_FW_REGION_6_START_ADDRESS_L Register
          227. 14.1.1.2.227 CBASS_FW_BR_SCRM_64_DM_CLK1_TO_SCRP_32_DM_CLK4_L0_FW_REGION_6_START_ADDRESS_H Register
          228. 14.1.1.2.228 CBASS_FW_BR_SCRM_64_DM_CLK1_TO_SCRP_32_DM_CLK4_L0_FW_REGION_6_END_ADDRESS_L Register
          229. 14.1.1.2.229 CBASS_FW_BR_SCRM_64_DM_CLK1_TO_SCRP_32_DM_CLK4_L0_FW_REGION_6_END_ADDRESS_H Register
          230. 14.1.1.2.230 CBASS_FW_BR_SCRM_64_DM_CLK1_TO_SCRP_32_DM_CLK4_L0_FW_REGION_7_CONTROL Register
          231. 14.1.1.2.231 CBASS_FW_BR_SCRM_64_DM_CLK1_TO_SCRP_32_DM_CLK4_L0_FW_REGION_7_PERMISSION_0 Register
          232. 14.1.1.2.232 CBASS_FW_BR_SCRM_64_DM_CLK1_TO_SCRP_32_DM_CLK4_L0_FW_REGION_7_PERMISSION_1 Register
          233. 14.1.1.2.233 CBASS_FW_BR_SCRM_64_DM_CLK1_TO_SCRP_32_DM_CLK4_L0_FW_REGION_7_PERMISSION_2 Register
          234. 14.1.1.2.234 CBASS_FW_BR_SCRM_64_DM_CLK1_TO_SCRP_32_DM_CLK4_L0_FW_REGION_7_START_ADDRESS_L Register
          235. 14.1.1.2.235 CBASS_FW_BR_SCRM_64_DM_CLK1_TO_SCRP_32_DM_CLK4_L0_FW_REGION_7_START_ADDRESS_H Register
          236. 14.1.1.2.236 CBASS_FW_BR_SCRM_64_DM_CLK1_TO_SCRP_32_DM_CLK4_L0_FW_REGION_7_END_ADDRESS_L Register
          237. 14.1.1.2.237 CBASS_FW_BR_SCRM_64_DM_CLK1_TO_SCRP_32_DM_CLK4_L0_FW_REGION_7_END_ADDRESS_H Register
          238. 14.1.1.2.238 CBASS_FW_BR_SCRM_64_DM_CLK1_TO_SCRP_32_DM_CLK4_L0_FW_REGION_8_CONTROL Register
          239. 14.1.1.2.239 CBASS_FW_BR_SCRM_64_DM_CLK1_TO_SCRP_32_DM_CLK4_L0_FW_REGION_8_PERMISSION_0 Register
          240. 14.1.1.2.240 CBASS_FW_BR_SCRM_64_DM_CLK1_TO_SCRP_32_DM_CLK4_L0_FW_REGION_8_PERMISSION_1 Register
          241. 14.1.1.2.241 CBASS_FW_BR_SCRM_64_DM_CLK1_TO_SCRP_32_DM_CLK4_L0_FW_REGION_8_PERMISSION_2 Register
          242. 14.1.1.2.242 CBASS_FW_BR_SCRM_64_DM_CLK1_TO_SCRP_32_DM_CLK4_L0_FW_REGION_8_START_ADDRESS_L Register
          243. 14.1.1.2.243 CBASS_FW_BR_SCRM_64_DM_CLK1_TO_SCRP_32_DM_CLK4_L0_FW_REGION_8_START_ADDRESS_H Register
          244. 14.1.1.2.244 CBASS_FW_BR_SCRM_64_DM_CLK1_TO_SCRP_32_DM_CLK4_L0_FW_REGION_8_END_ADDRESS_L Register
          245. 14.1.1.2.245 CBASS_FW_BR_SCRM_64_DM_CLK1_TO_SCRP_32_DM_CLK4_L0_FW_REGION_8_END_ADDRESS_H Register
          246. 14.1.1.2.246 CBASS_FW_BR_SCRM_64_DM_CLK1_TO_SCRP_32_DM_CLK4_L0_FW_REGION_9_CONTROL Register
          247. 14.1.1.2.247 CBASS_FW_BR_SCRM_64_DM_CLK1_TO_SCRP_32_DM_CLK4_L0_FW_REGION_9_PERMISSION_0 Register
          248. 14.1.1.2.248 CBASS_FW_BR_SCRM_64_DM_CLK1_TO_SCRP_32_DM_CLK4_L0_FW_REGION_9_PERMISSION_1 Register
          249. 14.1.1.2.249 CBASS_FW_BR_SCRM_64_DM_CLK1_TO_SCRP_32_DM_CLK4_L0_FW_REGION_9_PERMISSION_2 Register
          250. 14.1.1.2.250 CBASS_FW_BR_SCRM_64_DM_CLK1_TO_SCRP_32_DM_CLK4_L0_FW_REGION_9_START_ADDRESS_L Register
          251. 14.1.1.2.251 CBASS_FW_BR_SCRM_64_DM_CLK1_TO_SCRP_32_DM_CLK4_L0_FW_REGION_9_START_ADDRESS_H Register
          252. 14.1.1.2.252 CBASS_FW_BR_SCRM_64_DM_CLK1_TO_SCRP_32_DM_CLK4_L0_FW_REGION_9_END_ADDRESS_L Register
          253. 14.1.1.2.253 CBASS_FW_BR_SCRM_64_DM_CLK1_TO_SCRP_32_DM_CLK4_L0_FW_REGION_9_END_ADDRESS_H Register
          254. 14.1.1.2.254 CBASS_FW_BR_SCRM_64_DM_CLK1_TO_SCRP_32_DM_CLK4_L0_FW_REGION_10_CONTROL Register
          255. 14.1.1.2.255 CBASS_FW_BR_SCRM_64_DM_CLK1_TO_SCRP_32_DM_CLK4_L0_FW_REGION_10_PERMISSION_0 Register
          256. 14.1.1.2.256 CBASS_FW_BR_SCRM_64_DM_CLK1_TO_SCRP_32_DM_CLK4_L0_FW_REGION_10_PERMISSION_1 Register
          257. 14.1.1.2.257 CBASS_FW_BR_SCRM_64_DM_CLK1_TO_SCRP_32_DM_CLK4_L0_FW_REGION_10_PERMISSION_2 Register
          258. 14.1.1.2.258 CBASS_FW_BR_SCRM_64_DM_CLK1_TO_SCRP_32_DM_CLK4_L0_FW_REGION_10_START_ADDRESS_L Register
          259. 14.1.1.2.259 CBASS_FW_BR_SCRM_64_DM_CLK1_TO_SCRP_32_DM_CLK4_L0_FW_REGION_10_START_ADDRESS_H Register
          260. 14.1.1.2.260 CBASS_FW_BR_SCRM_64_DM_CLK1_TO_SCRP_32_DM_CLK4_L0_FW_REGION_10_END_ADDRESS_L Register
          261. 14.1.1.2.261 CBASS_FW_BR_SCRM_64_DM_CLK1_TO_SCRP_32_DM_CLK4_L0_FW_REGION_10_END_ADDRESS_H Register
          262. 14.1.1.2.262 CBASS_FW_BR_SCRM_64_DM_CLK1_TO_SCRP_32_DM_CLK4_L0_FW_REGION_11_CONTROL Register
          263. 14.1.1.2.263 CBASS_FW_BR_SCRM_64_DM_CLK1_TO_SCRP_32_DM_CLK4_L0_FW_REGION_11_PERMISSION_0 Register
          264. 14.1.1.2.264 CBASS_FW_BR_SCRM_64_DM_CLK1_TO_SCRP_32_DM_CLK4_L0_FW_REGION_11_PERMISSION_1 Register
          265. 14.1.1.2.265 CBASS_FW_BR_SCRM_64_DM_CLK1_TO_SCRP_32_DM_CLK4_L0_FW_REGION_11_PERMISSION_2 Register
          266. 14.1.1.2.266 CBASS_FW_BR_SCRM_64_DM_CLK1_TO_SCRP_32_DM_CLK4_L0_FW_REGION_11_START_ADDRESS_L Register
          267. 14.1.1.2.267 CBASS_FW_BR_SCRM_64_DM_CLK1_TO_SCRP_32_DM_CLK4_L0_FW_REGION_11_START_ADDRESS_H Register
          268. 14.1.1.2.268 CBASS_FW_BR_SCRM_64_DM_CLK1_TO_SCRP_32_DM_CLK4_L0_FW_REGION_11_END_ADDRESS_L Register
          269. 14.1.1.2.269 CBASS_FW_BR_SCRM_64_DM_CLK1_TO_SCRP_32_DM_CLK4_L0_FW_REGION_11_END_ADDRESS_H Register
          270. 14.1.1.2.270 CBASS_FW_BR_SCRM_64_DM_CLK1_TO_SCRP_32_DM_CLK4_L0_FW_REGION_12_CONTROL Register
          271. 14.1.1.2.271 CBASS_FW_BR_SCRM_64_DM_CLK1_TO_SCRP_32_DM_CLK4_L0_FW_REGION_12_PERMISSION_0 Register
          272. 14.1.1.2.272 CBASS_FW_BR_SCRM_64_DM_CLK1_TO_SCRP_32_DM_CLK4_L0_FW_REGION_12_PERMISSION_1 Register
          273. 14.1.1.2.273 CBASS_FW_BR_SCRM_64_DM_CLK1_TO_SCRP_32_DM_CLK4_L0_FW_REGION_12_PERMISSION_2 Register
          274. 14.1.1.2.274 CBASS_FW_BR_SCRM_64_DM_CLK1_TO_SCRP_32_DM_CLK4_L0_FW_REGION_12_START_ADDRESS_L Register
          275. 14.1.1.2.275 CBASS_FW_BR_SCRM_64_DM_CLK1_TO_SCRP_32_DM_CLK4_L0_FW_REGION_12_START_ADDRESS_H Register
          276. 14.1.1.2.276 CBASS_FW_BR_SCRM_64_DM_CLK1_TO_SCRP_32_DM_CLK4_L0_FW_REGION_12_END_ADDRESS_L Register
          277. 14.1.1.2.277 CBASS_FW_BR_SCRM_64_DM_CLK1_TO_SCRP_32_DM_CLK4_L0_FW_REGION_12_END_ADDRESS_H Register
          278. 14.1.1.2.278 CBASS_FW_BR_SCRM_64_DM_CLK1_TO_SCRP_32_DM_CLK4_L0_FW_REGION_13_CONTROL Register
          279. 14.1.1.2.279 CBASS_FW_BR_SCRM_64_DM_CLK1_TO_SCRP_32_DM_CLK4_L0_FW_REGION_13_PERMISSION_0 Register
          280. 14.1.1.2.280 CBASS_FW_BR_SCRM_64_DM_CLK1_TO_SCRP_32_DM_CLK4_L0_FW_REGION_13_PERMISSION_1 Register
          281. 14.1.1.2.281 CBASS_FW_BR_SCRM_64_DM_CLK1_TO_SCRP_32_DM_CLK4_L0_FW_REGION_13_PERMISSION_2 Register
          282. 14.1.1.2.282 CBASS_FW_BR_SCRM_64_DM_CLK1_TO_SCRP_32_DM_CLK4_L0_FW_REGION_13_START_ADDRESS_L Register
          283. 14.1.1.2.283 CBASS_FW_BR_SCRM_64_DM_CLK1_TO_SCRP_32_DM_CLK4_L0_FW_REGION_13_START_ADDRESS_H Register
          284. 14.1.1.2.284 CBASS_FW_BR_SCRM_64_DM_CLK1_TO_SCRP_32_DM_CLK4_L0_FW_REGION_13_END_ADDRESS_L Register
          285. 14.1.1.2.285 CBASS_FW_BR_SCRM_64_DM_CLK1_TO_SCRP_32_DM_CLK4_L0_FW_REGION_13_END_ADDRESS_H Register
          286. 14.1.1.2.286 CBASS_FW_BR_SCRM_64_DM_CLK1_TO_SCRP_32_DM_CLK4_L0_FW_REGION_14_CONTROL Register
          287. 14.1.1.2.287 CBASS_FW_BR_SCRM_64_DM_CLK1_TO_SCRP_32_DM_CLK4_L0_FW_REGION_14_PERMISSION_0 Register
          288. 14.1.1.2.288 CBASS_FW_BR_SCRM_64_DM_CLK1_TO_SCRP_32_DM_CLK4_L0_FW_REGION_14_PERMISSION_1 Register
          289. 14.1.1.2.289 CBASS_FW_BR_SCRM_64_DM_CLK1_TO_SCRP_32_DM_CLK4_L0_FW_REGION_14_PERMISSION_2 Register
          290. 14.1.1.2.290 CBASS_FW_BR_SCRM_64_DM_CLK1_TO_SCRP_32_DM_CLK4_L0_FW_REGION_14_START_ADDRESS_L Register
          291. 14.1.1.2.291 CBASS_FW_BR_SCRM_64_DM_CLK1_TO_SCRP_32_DM_CLK4_L0_FW_REGION_14_START_ADDRESS_H Register
          292. 14.1.1.2.292 CBASS_FW_BR_SCRM_64_DM_CLK1_TO_SCRP_32_DM_CLK4_L0_FW_REGION_14_END_ADDRESS_L Register
          293. 14.1.1.2.293 CBASS_FW_BR_SCRM_64_DM_CLK1_TO_SCRP_32_DM_CLK4_L0_FW_REGION_14_END_ADDRESS_H Register
          294. 14.1.1.2.294 CBASS_FW_BR_SCRM_64_DM_CLK1_TO_SCRP_32_DM_CLK4_L0_FW_REGION_15_CONTROL Register
          295. 14.1.1.2.295 CBASS_FW_BR_SCRM_64_DM_CLK1_TO_SCRP_32_DM_CLK4_L0_FW_REGION_15_PERMISSION_0 Register
          296. 14.1.1.2.296 CBASS_FW_BR_SCRM_64_DM_CLK1_TO_SCRP_32_DM_CLK4_L0_FW_REGION_15_PERMISSION_1 Register
          297. 14.1.1.2.297 CBASS_FW_BR_SCRM_64_DM_CLK1_TO_SCRP_32_DM_CLK4_L0_FW_REGION_15_PERMISSION_2 Register
          298. 14.1.1.2.298 CBASS_FW_BR_SCRM_64_DM_CLK1_TO_SCRP_32_DM_CLK4_L0_FW_REGION_15_START_ADDRESS_L Register
          299. 14.1.1.2.299 CBASS_FW_BR_SCRM_64_DM_CLK1_TO_SCRP_32_DM_CLK4_L0_FW_REGION_15_START_ADDRESS_H Register
          300. 14.1.1.2.300 CBASS_FW_BR_SCRM_64_DM_CLK1_TO_SCRP_32_DM_CLK4_L0_FW_REGION_15_END_ADDRESS_L Register
          301. 14.1.1.2.301 CBASS_FW_BR_SCRM_64_DM_CLK1_TO_SCRP_32_DM_CLK4_L0_FW_REGION_15_END_ADDRESS_H Register
          302. 14.1.1.2.302 CBASS_FW_BR_SCRM_64_DM_CLK1_TO_SCRP_32_DM_CLK4_L0_FW_REGION_16_CONTROL Register
          303. 14.1.1.2.303 CBASS_FW_BR_SCRM_64_DM_CLK1_TO_SCRP_32_DM_CLK4_L0_FW_REGION_16_PERMISSION_0 Register
          304. 14.1.1.2.304 CBASS_FW_BR_SCRM_64_DM_CLK1_TO_SCRP_32_DM_CLK4_L0_FW_REGION_16_PERMISSION_1 Register
          305. 14.1.1.2.305 CBASS_FW_BR_SCRM_64_DM_CLK1_TO_SCRP_32_DM_CLK4_L0_FW_REGION_16_PERMISSION_2 Register
          306. 14.1.1.2.306 CBASS_FW_BR_SCRM_64_DM_CLK1_TO_SCRP_32_DM_CLK4_L0_FW_REGION_16_START_ADDRESS_L Register
          307. 14.1.1.2.307 CBASS_FW_BR_SCRM_64_DM_CLK1_TO_SCRP_32_DM_CLK4_L0_FW_REGION_16_START_ADDRESS_H Register
          308. 14.1.1.2.308 CBASS_FW_BR_SCRM_64_DM_CLK1_TO_SCRP_32_DM_CLK4_L0_FW_REGION_16_END_ADDRESS_L Register
          309. 14.1.1.2.309 CBASS_FW_BR_SCRM_64_DM_CLK1_TO_SCRP_32_DM_CLK4_L0_FW_REGION_16_END_ADDRESS_H Register
          310. 14.1.1.2.310 CBASS_FW_BR_SCRM_64_DM_CLK1_TO_SCRP_32_DM_CLK4_L0_FW_REGION_17_CONTROL Register
          311. 14.1.1.2.311 CBASS_FW_BR_SCRM_64_DM_CLK1_TO_SCRP_32_DM_CLK4_L0_FW_REGION_17_PERMISSION_0 Register
          312. 14.1.1.2.312 CBASS_FW_BR_SCRM_64_DM_CLK1_TO_SCRP_32_DM_CLK4_L0_FW_REGION_17_PERMISSION_1 Register
          313. 14.1.1.2.313 CBASS_FW_BR_SCRM_64_DM_CLK1_TO_SCRP_32_DM_CLK4_L0_FW_REGION_17_PERMISSION_2 Register
          314. 14.1.1.2.314 CBASS_FW_BR_SCRM_64_DM_CLK1_TO_SCRP_32_DM_CLK4_L0_FW_REGION_17_START_ADDRESS_L Register
          315. 14.1.1.2.315 CBASS_FW_BR_SCRM_64_DM_CLK1_TO_SCRP_32_DM_CLK4_L0_FW_REGION_17_START_ADDRESS_H Register
          316. 14.1.1.2.316 CBASS_FW_BR_SCRM_64_DM_CLK1_TO_SCRP_32_DM_CLK4_L0_FW_REGION_17_END_ADDRESS_L Register
          317. 14.1.1.2.317 CBASS_FW_BR_SCRM_64_DM_CLK1_TO_SCRP_32_DM_CLK4_L0_FW_REGION_17_END_ADDRESS_H Register
          318. 14.1.1.2.318 CBASS_FW_BR_SCRM_64_DM_CLK1_TO_SCRP_32_DM_CLK4_L0_FW_REGION_18_CONTROL Register
          319. 14.1.1.2.319 CBASS_FW_BR_SCRM_64_DM_CLK1_TO_SCRP_32_DM_CLK4_L0_FW_REGION_18_PERMISSION_0 Register
          320. 14.1.1.2.320 CBASS_FW_BR_SCRM_64_DM_CLK1_TO_SCRP_32_DM_CLK4_L0_FW_REGION_18_PERMISSION_1 Register
          321. 14.1.1.2.321 CBASS_FW_BR_SCRM_64_DM_CLK1_TO_SCRP_32_DM_CLK4_L0_FW_REGION_18_PERMISSION_2 Register
          322. 14.1.1.2.322 CBASS_FW_BR_SCRM_64_DM_CLK1_TO_SCRP_32_DM_CLK4_L0_FW_REGION_18_START_ADDRESS_L Register
          323. 14.1.1.2.323 CBASS_FW_BR_SCRM_64_DM_CLK1_TO_SCRP_32_DM_CLK4_L0_FW_REGION_18_START_ADDRESS_H Register
          324. 14.1.1.2.324 CBASS_FW_BR_SCRM_64_DM_CLK1_TO_SCRP_32_DM_CLK4_L0_FW_REGION_18_END_ADDRESS_L Register
          325. 14.1.1.2.325 CBASS_FW_BR_SCRM_64_DM_CLK1_TO_SCRP_32_DM_CLK4_L0_FW_REGION_18_END_ADDRESS_H Register
          326. 14.1.1.2.326 CBASS_FW_BR_SCRM_64_DM_CLK1_TO_SCRP_32_DM_CLK4_L0_FW_REGION_19_CONTROL Register
          327. 14.1.1.2.327 CBASS_FW_BR_SCRM_64_DM_CLK1_TO_SCRP_32_DM_CLK4_L0_FW_REGION_19_PERMISSION_0 Register
          328. 14.1.1.2.328 CBASS_FW_BR_SCRM_64_DM_CLK1_TO_SCRP_32_DM_CLK4_L0_FW_REGION_19_PERMISSION_1 Register
          329. 14.1.1.2.329 CBASS_FW_BR_SCRM_64_DM_CLK1_TO_SCRP_32_DM_CLK4_L0_FW_REGION_19_PERMISSION_2 Register
          330. 14.1.1.2.330 CBASS_FW_BR_SCRM_64_DM_CLK1_TO_SCRP_32_DM_CLK4_L0_FW_REGION_19_START_ADDRESS_L Register
          331. 14.1.1.2.331 CBASS_FW_BR_SCRM_64_DM_CLK1_TO_SCRP_32_DM_CLK4_L0_FW_REGION_19_START_ADDRESS_H Register
          332. 14.1.1.2.332 CBASS_FW_BR_SCRM_64_DM_CLK1_TO_SCRP_32_DM_CLK4_L0_FW_REGION_19_END_ADDRESS_L Register
          333. 14.1.1.2.333 CBASS_FW_BR_SCRM_64_DM_CLK1_TO_SCRP_32_DM_CLK4_L0_FW_REGION_19_END_ADDRESS_H Register
          334. 14.1.1.2.334 CBASS_FW_BR_SCRM_64_DM_CLK1_TO_SCRP_32_DM_CLK4_L0_FW_REGION_20_CONTROL Register
          335. 14.1.1.2.335 CBASS_FW_BR_SCRM_64_DM_CLK1_TO_SCRP_32_DM_CLK4_L0_FW_REGION_20_PERMISSION_0 Register
          336. 14.1.1.2.336 CBASS_FW_BR_SCRM_64_DM_CLK1_TO_SCRP_32_DM_CLK4_L0_FW_REGION_20_PERMISSION_1 Register
          337. 14.1.1.2.337 CBASS_FW_BR_SCRM_64_DM_CLK1_TO_SCRP_32_DM_CLK4_L0_FW_REGION_20_PERMISSION_2 Register
          338. 14.1.1.2.338 CBASS_FW_BR_SCRM_64_DM_CLK1_TO_SCRP_32_DM_CLK4_L0_FW_REGION_20_START_ADDRESS_L Register
          339. 14.1.1.2.339 CBASS_FW_BR_SCRM_64_DM_CLK1_TO_SCRP_32_DM_CLK4_L0_FW_REGION_20_START_ADDRESS_H Register
          340. 14.1.1.2.340 CBASS_FW_BR_SCRM_64_DM_CLK1_TO_SCRP_32_DM_CLK4_L0_FW_REGION_20_END_ADDRESS_L Register
          341. 14.1.1.2.341 CBASS_FW_BR_SCRM_64_DM_CLK1_TO_SCRP_32_DM_CLK4_L0_FW_REGION_20_END_ADDRESS_H Register
          342. 14.1.1.2.342 CBASS_FW_BR_SCRM_64_DM_CLK1_TO_SCRP_32_DM_CLK4_L0_FW_REGION_21_CONTROL Register
          343. 14.1.1.2.343 CBASS_FW_BR_SCRM_64_DM_CLK1_TO_SCRP_32_DM_CLK4_L0_FW_REGION_21_PERMISSION_0 Register
          344. 14.1.1.2.344 CBASS_FW_BR_SCRM_64_DM_CLK1_TO_SCRP_32_DM_CLK4_L0_FW_REGION_21_PERMISSION_1 Register
          345. 14.1.1.2.345 CBASS_FW_BR_SCRM_64_DM_CLK1_TO_SCRP_32_DM_CLK4_L0_FW_REGION_21_PERMISSION_2 Register
          346. 14.1.1.2.346 CBASS_FW_BR_SCRM_64_DM_CLK1_TO_SCRP_32_DM_CLK4_L0_FW_REGION_21_START_ADDRESS_L Register
          347. 14.1.1.2.347 CBASS_FW_BR_SCRM_64_DM_CLK1_TO_SCRP_32_DM_CLK4_L0_FW_REGION_21_START_ADDRESS_H Register
          348. 14.1.1.2.348 CBASS_FW_BR_SCRM_64_DM_CLK1_TO_SCRP_32_DM_CLK4_L0_FW_REGION_21_END_ADDRESS_L Register
          349. 14.1.1.2.349 CBASS_FW_BR_SCRM_64_DM_CLK1_TO_SCRP_32_DM_CLK4_L0_FW_REGION_21_END_ADDRESS_H Register
          350. 14.1.1.2.350 CBASS_FW_BR_SCRM_64_DM_CLK1_TO_SCRP_32_DM_CLK4_L0_FW_REGION_22_CONTROL Register
          351. 14.1.1.2.351 CBASS_FW_BR_SCRM_64_DM_CLK1_TO_SCRP_32_DM_CLK4_L0_FW_REGION_22_PERMISSION_0 Register
          352. 14.1.1.2.352 CBASS_FW_BR_SCRM_64_DM_CLK1_TO_SCRP_32_DM_CLK4_L0_FW_REGION_22_PERMISSION_1 Register
          353. 14.1.1.2.353 CBASS_FW_BR_SCRM_64_DM_CLK1_TO_SCRP_32_DM_CLK4_L0_FW_REGION_22_PERMISSION_2 Register
          354. 14.1.1.2.354 CBASS_FW_BR_SCRM_64_DM_CLK1_TO_SCRP_32_DM_CLK4_L0_FW_REGION_22_START_ADDRESS_L Register
          355. 14.1.1.2.355 CBASS_FW_BR_SCRM_64_DM_CLK1_TO_SCRP_32_DM_CLK4_L0_FW_REGION_22_START_ADDRESS_H Register
          356. 14.1.1.2.356 CBASS_FW_BR_SCRM_64_DM_CLK1_TO_SCRP_32_DM_CLK4_L0_FW_REGION_22_END_ADDRESS_L Register
          357. 14.1.1.2.357 CBASS_FW_BR_SCRM_64_DM_CLK1_TO_SCRP_32_DM_CLK4_L0_FW_REGION_22_END_ADDRESS_H Register
          358. 14.1.1.2.358 CBASS_FW_BR_SCRM_64_DM_CLK1_TO_SCRP_32_DM_CLK4_L0_FW_REGION_23_CONTROL Register
          359. 14.1.1.2.359 CBASS_FW_BR_SCRM_64_DM_CLK1_TO_SCRP_32_DM_CLK4_L0_FW_REGION_23_PERMISSION_0 Register
          360. 14.1.1.2.360 CBASS_FW_BR_SCRM_64_DM_CLK1_TO_SCRP_32_DM_CLK4_L0_FW_REGION_23_PERMISSION_1 Register
          361. 14.1.1.2.361 CBASS_FW_BR_SCRM_64_DM_CLK1_TO_SCRP_32_DM_CLK4_L0_FW_REGION_23_PERMISSION_2 Register
          362. 14.1.1.2.362 CBASS_FW_BR_SCRM_64_DM_CLK1_TO_SCRP_32_DM_CLK4_L0_FW_REGION_23_START_ADDRESS_L Register
          363. 14.1.1.2.363 CBASS_FW_BR_SCRM_64_DM_CLK1_TO_SCRP_32_DM_CLK4_L0_FW_REGION_23_START_ADDRESS_H Register
          364. 14.1.1.2.364 CBASS_FW_BR_SCRM_64_DM_CLK1_TO_SCRP_32_DM_CLK4_L0_FW_REGION_23_END_ADDRESS_L Register
          365. 14.1.1.2.365 CBASS_FW_BR_SCRM_64_DM_CLK1_TO_SCRP_32_DM_CLK4_L0_FW_REGION_23_END_ADDRESS_H Register
          366. 14.1.1.2.366 CBASS_FW_EXPORT_AM275_WKUP_DM_CBASS_TO_AM275_WKUP_SAFE_CBASS_DATA_L0_FW_REGION_0_CONTROL Register
          367. 14.1.1.2.367 CBASS_FW_EXPORT_AM275_WKUP_DM_CBASS_TO_AM275_WKUP_SAFE_CBASS_DATA_L0_FW_REGION_0_PERMISSION_0 Register
          368. 14.1.1.2.368 CBASS_FW_EXPORT_AM275_WKUP_DM_CBASS_TO_AM275_WKUP_SAFE_CBASS_DATA_L0_FW_REGION_0_PERMISSION_1 Register
          369. 14.1.1.2.369 CBASS_FW_EXPORT_AM275_WKUP_DM_CBASS_TO_AM275_WKUP_SAFE_CBASS_DATA_L0_FW_REGION_0_PERMISSION_2 Register
          370. 14.1.1.2.370 CBASS_FW_EXPORT_AM275_WKUP_DM_CBASS_TO_AM275_WKUP_SAFE_CBASS_DATA_L0_FW_REGION_0_START_ADDRESS_L Register
          371. 14.1.1.2.371 CBASS_FW_EXPORT_AM275_WKUP_DM_CBASS_TO_AM275_WKUP_SAFE_CBASS_DATA_L0_FW_REGION_0_START_ADDRESS_H Register
          372. 14.1.1.2.372 CBASS_FW_EXPORT_AM275_WKUP_DM_CBASS_TO_AM275_WKUP_SAFE_CBASS_DATA_L0_FW_REGION_0_END_ADDRESS_L Register
          373. 14.1.1.2.373 CBASS_FW_EXPORT_AM275_WKUP_DM_CBASS_TO_AM275_WKUP_SAFE_CBASS_DATA_L0_FW_REGION_0_END_ADDRESS_H Register
          374. 14.1.1.2.374 CBASS_FW_EXPORT_AM275_WKUP_DM_CBASS_TO_AM275_WKUP_SAFE_CBASS_DATA_L0_FW_REGION_1_CONTROL Register
          375. 14.1.1.2.375 CBASS_FW_EXPORT_AM275_WKUP_DM_CBASS_TO_AM275_WKUP_SAFE_CBASS_DATA_L0_FW_REGION_1_PERMISSION_0 Register
          376. 14.1.1.2.376 CBASS_FW_EXPORT_AM275_WKUP_DM_CBASS_TO_AM275_WKUP_SAFE_CBASS_DATA_L0_FW_REGION_1_PERMISSION_1 Register
          377. 14.1.1.2.377 CBASS_FW_EXPORT_AM275_WKUP_DM_CBASS_TO_AM275_WKUP_SAFE_CBASS_DATA_L0_FW_REGION_1_PERMISSION_2 Register
          378. 14.1.1.2.378 CBASS_FW_EXPORT_AM275_WKUP_DM_CBASS_TO_AM275_WKUP_SAFE_CBASS_DATA_L0_FW_REGION_1_START_ADDRESS_L Register
          379. 14.1.1.2.379 CBASS_FW_EXPORT_AM275_WKUP_DM_CBASS_TO_AM275_WKUP_SAFE_CBASS_DATA_L0_FW_REGION_1_START_ADDRESS_H Register
          380. 14.1.1.2.380 CBASS_FW_EXPORT_AM275_WKUP_DM_CBASS_TO_AM275_WKUP_SAFE_CBASS_DATA_L0_FW_REGION_1_END_ADDRESS_L Register
          381. 14.1.1.2.381 CBASS_FW_EXPORT_AM275_WKUP_DM_CBASS_TO_AM275_WKUP_SAFE_CBASS_DATA_L0_FW_REGION_1_END_ADDRESS_H Register
          382. 14.1.1.2.382 CBASS_FW_EXPORT_AM275_WKUP_DM_CBASS_TO_AM275_WKUP_SAFE_CBASS_DATA_L0_FW_REGION_2_CONTROL Register
          383. 14.1.1.2.383 CBASS_FW_EXPORT_AM275_WKUP_DM_CBASS_TO_AM275_WKUP_SAFE_CBASS_DATA_L0_FW_REGION_2_PERMISSION_0 Register
          384. 14.1.1.2.384 CBASS_FW_EXPORT_AM275_WKUP_DM_CBASS_TO_AM275_WKUP_SAFE_CBASS_DATA_L0_FW_REGION_2_PERMISSION_1 Register
          385. 14.1.1.2.385 CBASS_FW_EXPORT_AM275_WKUP_DM_CBASS_TO_AM275_WKUP_SAFE_CBASS_DATA_L0_FW_REGION_2_PERMISSION_2 Register
          386. 14.1.1.2.386 CBASS_FW_EXPORT_AM275_WKUP_DM_CBASS_TO_AM275_WKUP_SAFE_CBASS_DATA_L0_FW_REGION_2_START_ADDRESS_L Register
          387. 14.1.1.2.387 CBASS_FW_EXPORT_AM275_WKUP_DM_CBASS_TO_AM275_WKUP_SAFE_CBASS_DATA_L0_FW_REGION_2_START_ADDRESS_H Register
          388. 14.1.1.2.388 CBASS_FW_EXPORT_AM275_WKUP_DM_CBASS_TO_AM275_WKUP_SAFE_CBASS_DATA_L0_FW_REGION_2_END_ADDRESS_L Register
          389. 14.1.1.2.389 CBASS_FW_EXPORT_AM275_WKUP_DM_CBASS_TO_AM275_WKUP_SAFE_CBASS_DATA_L0_FW_REGION_2_END_ADDRESS_H Register
          390. 14.1.1.2.390 CBASS_FW_EXPORT_AM275_WKUP_DM_CBASS_TO_AM275_WKUP_SAFE_CBASS_DATA_L0_FW_REGION_3_CONTROL Register
          391. 14.1.1.2.391 CBASS_FW_EXPORT_AM275_WKUP_DM_CBASS_TO_AM275_WKUP_SAFE_CBASS_DATA_L0_FW_REGION_3_PERMISSION_0 Register
          392. 14.1.1.2.392 CBASS_FW_EXPORT_AM275_WKUP_DM_CBASS_TO_AM275_WKUP_SAFE_CBASS_DATA_L0_FW_REGION_3_PERMISSION_1 Register
          393. 14.1.1.2.393 CBASS_FW_EXPORT_AM275_WKUP_DM_CBASS_TO_AM275_WKUP_SAFE_CBASS_DATA_L0_FW_REGION_3_PERMISSION_2 Register
          394. 14.1.1.2.394 CBASS_FW_EXPORT_AM275_WKUP_DM_CBASS_TO_AM275_WKUP_SAFE_CBASS_DATA_L0_FW_REGION_3_START_ADDRESS_L Register
          395. 14.1.1.2.395 CBASS_FW_EXPORT_AM275_WKUP_DM_CBASS_TO_AM275_WKUP_SAFE_CBASS_DATA_L0_FW_REGION_3_START_ADDRESS_H Register
          396. 14.1.1.2.396 CBASS_FW_EXPORT_AM275_WKUP_DM_CBASS_TO_AM275_WKUP_SAFE_CBASS_DATA_L0_FW_REGION_3_END_ADDRESS_L Register
          397. 14.1.1.2.397 CBASS_FW_EXPORT_AM275_WKUP_DM_CBASS_TO_AM275_WKUP_SAFE_CBASS_DATA_L0_FW_REGION_3_END_ADDRESS_H Register
          398. 14.1.1.2.398 CBASS_FW_EXPORT_AM275_WKUP_DM_CBASS_TO_AM275_WKUP_SAFE_CBASS_DATA_L0_FW_REGION_4_CONTROL Register
          399. 14.1.1.2.399 CBASS_FW_EXPORT_AM275_WKUP_DM_CBASS_TO_AM275_WKUP_SAFE_CBASS_DATA_L0_FW_REGION_4_PERMISSION_0 Register
          400. 14.1.1.2.400 CBASS_FW_EXPORT_AM275_WKUP_DM_CBASS_TO_AM275_WKUP_SAFE_CBASS_DATA_L0_FW_REGION_4_PERMISSION_1 Register
          401. 14.1.1.2.401 CBASS_FW_EXPORT_AM275_WKUP_DM_CBASS_TO_AM275_WKUP_SAFE_CBASS_DATA_L0_FW_REGION_4_PERMISSION_2 Register
          402. 14.1.1.2.402 CBASS_FW_EXPORT_AM275_WKUP_DM_CBASS_TO_AM275_WKUP_SAFE_CBASS_DATA_L0_FW_REGION_4_START_ADDRESS_L Register
          403. 14.1.1.2.403 CBASS_FW_EXPORT_AM275_WKUP_DM_CBASS_TO_AM275_WKUP_SAFE_CBASS_DATA_L0_FW_REGION_4_START_ADDRESS_H Register
          404. 14.1.1.2.404 CBASS_FW_EXPORT_AM275_WKUP_DM_CBASS_TO_AM275_WKUP_SAFE_CBASS_DATA_L0_FW_REGION_4_END_ADDRESS_L Register
          405. 14.1.1.2.405 CBASS_FW_EXPORT_AM275_WKUP_DM_CBASS_TO_AM275_WKUP_SAFE_CBASS_DATA_L0_FW_REGION_4_END_ADDRESS_H Register
          406. 14.1.1.2.406 CBASS_FW_EXPORT_AM275_WKUP_DM_CBASS_TO_AM275_WKUP_SAFE_CBASS_DATA_L0_FW_REGION_5_CONTROL Register
          407. 14.1.1.2.407 CBASS_FW_EXPORT_AM275_WKUP_DM_CBASS_TO_AM275_WKUP_SAFE_CBASS_DATA_L0_FW_REGION_5_PERMISSION_0 Register
          408. 14.1.1.2.408 CBASS_FW_EXPORT_AM275_WKUP_DM_CBASS_TO_AM275_WKUP_SAFE_CBASS_DATA_L0_FW_REGION_5_PERMISSION_1 Register
          409. 14.1.1.2.409 CBASS_FW_EXPORT_AM275_WKUP_DM_CBASS_TO_AM275_WKUP_SAFE_CBASS_DATA_L0_FW_REGION_5_PERMISSION_2 Register
          410. 14.1.1.2.410 CBASS_FW_EXPORT_AM275_WKUP_DM_CBASS_TO_AM275_WKUP_SAFE_CBASS_DATA_L0_FW_REGION_5_START_ADDRESS_L Register
          411. 14.1.1.2.411 CBASS_FW_EXPORT_AM275_WKUP_DM_CBASS_TO_AM275_WKUP_SAFE_CBASS_DATA_L0_FW_REGION_5_START_ADDRESS_H Register
          412. 14.1.1.2.412 CBASS_FW_EXPORT_AM275_WKUP_DM_CBASS_TO_AM275_WKUP_SAFE_CBASS_DATA_L0_FW_REGION_5_END_ADDRESS_L Register
          413. 14.1.1.2.413 CBASS_FW_EXPORT_AM275_WKUP_DM_CBASS_TO_AM275_WKUP_SAFE_CBASS_DATA_L0_FW_REGION_5_END_ADDRESS_H Register
          414. 14.1.1.2.414 CBASS_FW_EXPORT_AM275_WKUP_DM_CBASS_TO_AM275_WKUP_SAFE_CBASS_DATA_L0_FW_REGION_6_CONTROL Register
          415. 14.1.1.2.415 CBASS_FW_EXPORT_AM275_WKUP_DM_CBASS_TO_AM275_WKUP_SAFE_CBASS_DATA_L0_FW_REGION_6_PERMISSION_0 Register
          416. 14.1.1.2.416 CBASS_FW_EXPORT_AM275_WKUP_DM_CBASS_TO_AM275_WKUP_SAFE_CBASS_DATA_L0_FW_REGION_6_PERMISSION_1 Register
          417. 14.1.1.2.417 CBASS_FW_EXPORT_AM275_WKUP_DM_CBASS_TO_AM275_WKUP_SAFE_CBASS_DATA_L0_FW_REGION_6_PERMISSION_2 Register
          418. 14.1.1.2.418 CBASS_FW_EXPORT_AM275_WKUP_DM_CBASS_TO_AM275_WKUP_SAFE_CBASS_DATA_L0_FW_REGION_6_START_ADDRESS_L Register
          419. 14.1.1.2.419 CBASS_FW_EXPORT_AM275_WKUP_DM_CBASS_TO_AM275_WKUP_SAFE_CBASS_DATA_L0_FW_REGION_6_START_ADDRESS_H Register
          420. 14.1.1.2.420 CBASS_FW_EXPORT_AM275_WKUP_DM_CBASS_TO_AM275_WKUP_SAFE_CBASS_DATA_L0_FW_REGION_6_END_ADDRESS_L Register
          421. 14.1.1.2.421 CBASS_FW_EXPORT_AM275_WKUP_DM_CBASS_TO_AM275_WKUP_SAFE_CBASS_DATA_L0_FW_REGION_6_END_ADDRESS_H Register
          422. 14.1.1.2.422 CBASS_FW_EXPORT_AM275_WKUP_DM_CBASS_TO_AM275_WKUP_SAFE_CBASS_DATA_L0_FW_REGION_7_CONTROL Register
          423. 14.1.1.2.423 CBASS_FW_EXPORT_AM275_WKUP_DM_CBASS_TO_AM275_WKUP_SAFE_CBASS_DATA_L0_FW_REGION_7_PERMISSION_0 Register
          424. 14.1.1.2.424 CBASS_FW_EXPORT_AM275_WKUP_DM_CBASS_TO_AM275_WKUP_SAFE_CBASS_DATA_L0_FW_REGION_7_PERMISSION_1 Register
          425. 14.1.1.2.425 CBASS_FW_EXPORT_AM275_WKUP_DM_CBASS_TO_AM275_WKUP_SAFE_CBASS_DATA_L0_FW_REGION_7_PERMISSION_2 Register
          426. 14.1.1.2.426 CBASS_FW_EXPORT_AM275_WKUP_DM_CBASS_TO_AM275_WKUP_SAFE_CBASS_DATA_L0_FW_REGION_7_START_ADDRESS_L Register
          427. 14.1.1.2.427 CBASS_FW_EXPORT_AM275_WKUP_DM_CBASS_TO_AM275_WKUP_SAFE_CBASS_DATA_L0_FW_REGION_7_START_ADDRESS_H Register
          428. 14.1.1.2.428 CBASS_FW_EXPORT_AM275_WKUP_DM_CBASS_TO_AM275_WKUP_SAFE_CBASS_DATA_L0_FW_REGION_7_END_ADDRESS_L Register
          429. 14.1.1.2.429 CBASS_FW_EXPORT_AM275_WKUP_DM_CBASS_TO_AM275_WKUP_SAFE_CBASS_DATA_L0_FW_REGION_7_END_ADDRESS_H Register
          430. 14.1.1.2.430 CBASS_FW_EXPORT_AM275_WKUP_DM_CBASS_TO_AM275_WKUP_SAFE_CBASS_DATA_L0_FW_REGION_8_CONTROL Register
          431. 14.1.1.2.431 CBASS_FW_EXPORT_AM275_WKUP_DM_CBASS_TO_AM275_WKUP_SAFE_CBASS_DATA_L0_FW_REGION_8_PERMISSION_0 Register
          432. 14.1.1.2.432 CBASS_FW_EXPORT_AM275_WKUP_DM_CBASS_TO_AM275_WKUP_SAFE_CBASS_DATA_L0_FW_REGION_8_PERMISSION_1 Register
          433. 14.1.1.2.433 CBASS_FW_EXPORT_AM275_WKUP_DM_CBASS_TO_AM275_WKUP_SAFE_CBASS_DATA_L0_FW_REGION_8_PERMISSION_2 Register
          434. 14.1.1.2.434 CBASS_FW_EXPORT_AM275_WKUP_DM_CBASS_TO_AM275_WKUP_SAFE_CBASS_DATA_L0_FW_REGION_8_START_ADDRESS_L Register
          435. 14.1.1.2.435 CBASS_FW_EXPORT_AM275_WKUP_DM_CBASS_TO_AM275_WKUP_SAFE_CBASS_DATA_L0_FW_REGION_8_START_ADDRESS_H Register
          436. 14.1.1.2.436 CBASS_FW_EXPORT_AM275_WKUP_DM_CBASS_TO_AM275_WKUP_SAFE_CBASS_DATA_L0_FW_REGION_8_END_ADDRESS_L Register
          437. 14.1.1.2.437 CBASS_FW_EXPORT_AM275_WKUP_DM_CBASS_TO_AM275_WKUP_SAFE_CBASS_DATA_L0_FW_REGION_8_END_ADDRESS_H Register
          438. 14.1.1.2.438 CBASS_FW_EXPORT_AM275_WKUP_DM_CBASS_TO_AM275_WKUP_SAFE_CBASS_DATA_L0_FW_REGION_9_CONTROL Register
          439. 14.1.1.2.439 CBASS_FW_EXPORT_AM275_WKUP_DM_CBASS_TO_AM275_WKUP_SAFE_CBASS_DATA_L0_FW_REGION_9_PERMISSION_0 Register
          440. 14.1.1.2.440 CBASS_FW_EXPORT_AM275_WKUP_DM_CBASS_TO_AM275_WKUP_SAFE_CBASS_DATA_L0_FW_REGION_9_PERMISSION_1 Register
          441. 14.1.1.2.441 CBASS_FW_EXPORT_AM275_WKUP_DM_CBASS_TO_AM275_WKUP_SAFE_CBASS_DATA_L0_FW_REGION_9_PERMISSION_2 Register
          442. 14.1.1.2.442 CBASS_FW_EXPORT_AM275_WKUP_DM_CBASS_TO_AM275_WKUP_SAFE_CBASS_DATA_L0_FW_REGION_9_START_ADDRESS_L Register
          443. 14.1.1.2.443 CBASS_FW_EXPORT_AM275_WKUP_DM_CBASS_TO_AM275_WKUP_SAFE_CBASS_DATA_L0_FW_REGION_9_START_ADDRESS_H Register
          444. 14.1.1.2.444 CBASS_FW_EXPORT_AM275_WKUP_DM_CBASS_TO_AM275_WKUP_SAFE_CBASS_DATA_L0_FW_REGION_9_END_ADDRESS_L Register
          445. 14.1.1.2.445 CBASS_FW_EXPORT_AM275_WKUP_DM_CBASS_TO_AM275_WKUP_SAFE_CBASS_DATA_L0_FW_REGION_9_END_ADDRESS_H Register
          446. 14.1.1.2.446 CBASS_FW_EXPORT_AM275_WKUP_DM_CBASS_TO_AM275_WKUP_SAFE_CBASS_DATA_L0_FW_REGION_10_CONTROL Register
          447. 14.1.1.2.447 CBASS_FW_EXPORT_AM275_WKUP_DM_CBASS_TO_AM275_WKUP_SAFE_CBASS_DATA_L0_FW_REGION_10_PERMISSION_0 Register
          448. 14.1.1.2.448 CBASS_FW_EXPORT_AM275_WKUP_DM_CBASS_TO_AM275_WKUP_SAFE_CBASS_DATA_L0_FW_REGION_10_PERMISSION_1 Register
          449. 14.1.1.2.449 CBASS_FW_EXPORT_AM275_WKUP_DM_CBASS_TO_AM275_WKUP_SAFE_CBASS_DATA_L0_FW_REGION_10_PERMISSION_2 Register
          450. 14.1.1.2.450 CBASS_FW_EXPORT_AM275_WKUP_DM_CBASS_TO_AM275_WKUP_SAFE_CBASS_DATA_L0_FW_REGION_10_START_ADDRESS_L Register
          451. 14.1.1.2.451 CBASS_FW_EXPORT_AM275_WKUP_DM_CBASS_TO_AM275_WKUP_SAFE_CBASS_DATA_L0_FW_REGION_10_START_ADDRESS_H Register
          452. 14.1.1.2.452 CBASS_FW_EXPORT_AM275_WKUP_DM_CBASS_TO_AM275_WKUP_SAFE_CBASS_DATA_L0_FW_REGION_10_END_ADDRESS_L Register
          453. 14.1.1.2.453 CBASS_FW_EXPORT_AM275_WKUP_DM_CBASS_TO_AM275_WKUP_SAFE_CBASS_DATA_L0_FW_REGION_10_END_ADDRESS_H Register
          454. 14.1.1.2.454 CBASS_FW_EXPORT_AM275_WKUP_DM_CBASS_TO_AM275_WKUP_SAFE_CBASS_DATA_L0_FW_REGION_11_CONTROL Register
          455. 14.1.1.2.455 CBASS_FW_EXPORT_AM275_WKUP_DM_CBASS_TO_AM275_WKUP_SAFE_CBASS_DATA_L0_FW_REGION_11_PERMISSION_0 Register
          456. 14.1.1.2.456 CBASS_FW_EXPORT_AM275_WKUP_DM_CBASS_TO_AM275_WKUP_SAFE_CBASS_DATA_L0_FW_REGION_11_PERMISSION_1 Register
          457. 14.1.1.2.457 CBASS_FW_EXPORT_AM275_WKUP_DM_CBASS_TO_AM275_WKUP_SAFE_CBASS_DATA_L0_FW_REGION_11_PERMISSION_2 Register
          458. 14.1.1.2.458 CBASS_FW_EXPORT_AM275_WKUP_DM_CBASS_TO_AM275_WKUP_SAFE_CBASS_DATA_L0_FW_REGION_11_START_ADDRESS_L Register
          459. 14.1.1.2.459 CBASS_FW_EXPORT_AM275_WKUP_DM_CBASS_TO_AM275_WKUP_SAFE_CBASS_DATA_L0_FW_REGION_11_START_ADDRESS_H Register
          460. 14.1.1.2.460 CBASS_FW_EXPORT_AM275_WKUP_DM_CBASS_TO_AM275_WKUP_SAFE_CBASS_DATA_L0_FW_REGION_11_END_ADDRESS_L Register
          461. 14.1.1.2.461 CBASS_FW_EXPORT_AM275_WKUP_DM_CBASS_TO_AM275_WKUP_SAFE_CBASS_DATA_L0_FW_REGION_11_END_ADDRESS_H Register
          462. 14.1.1.2.462 CBASS_FW_EXPORT_AM275_WKUP_DM_CBASS_TO_AM275_WKUP_SAFE_CBASS_DATA_L0_FW_REGION_12_CONTROL Register
          463. 14.1.1.2.463 CBASS_FW_EXPORT_AM275_WKUP_DM_CBASS_TO_AM275_WKUP_SAFE_CBASS_DATA_L0_FW_REGION_12_PERMISSION_0 Register
          464. 14.1.1.2.464 CBASS_FW_EXPORT_AM275_WKUP_DM_CBASS_TO_AM275_WKUP_SAFE_CBASS_DATA_L0_FW_REGION_12_PERMISSION_1 Register
          465. 14.1.1.2.465 CBASS_FW_EXPORT_AM275_WKUP_DM_CBASS_TO_AM275_WKUP_SAFE_CBASS_DATA_L0_FW_REGION_12_PERMISSION_2 Register
          466. 14.1.1.2.466 CBASS_FW_EXPORT_AM275_WKUP_DM_CBASS_TO_AM275_WKUP_SAFE_CBASS_DATA_L0_FW_REGION_12_START_ADDRESS_L Register
          467. 14.1.1.2.467 CBASS_FW_EXPORT_AM275_WKUP_DM_CBASS_TO_AM275_WKUP_SAFE_CBASS_DATA_L0_FW_REGION_12_START_ADDRESS_H Register
          468. 14.1.1.2.468 CBASS_FW_EXPORT_AM275_WKUP_DM_CBASS_TO_AM275_WKUP_SAFE_CBASS_DATA_L0_FW_REGION_12_END_ADDRESS_L Register
          469. 14.1.1.2.469 CBASS_FW_EXPORT_AM275_WKUP_DM_CBASS_TO_AM275_WKUP_SAFE_CBASS_DATA_L0_FW_REGION_12_END_ADDRESS_H Register
          470. 14.1.1.2.470 CBASS_FW_EXPORT_AM275_WKUP_DM_CBASS_TO_AM275_WKUP_SAFE_CBASS_DATA_L0_FW_REGION_13_CONTROL Register
          471. 14.1.1.2.471 CBASS_FW_EXPORT_AM275_WKUP_DM_CBASS_TO_AM275_WKUP_SAFE_CBASS_DATA_L0_FW_REGION_13_PERMISSION_0 Register
          472. 14.1.1.2.472 CBASS_FW_EXPORT_AM275_WKUP_DM_CBASS_TO_AM275_WKUP_SAFE_CBASS_DATA_L0_FW_REGION_13_PERMISSION_1 Register
          473. 14.1.1.2.473 CBASS_FW_EXPORT_AM275_WKUP_DM_CBASS_TO_AM275_WKUP_SAFE_CBASS_DATA_L0_FW_REGION_13_PERMISSION_2 Register
          474. 14.1.1.2.474 CBASS_FW_EXPORT_AM275_WKUP_DM_CBASS_TO_AM275_WKUP_SAFE_CBASS_DATA_L0_FW_REGION_13_START_ADDRESS_L Register
          475. 14.1.1.2.475 CBASS_FW_EXPORT_AM275_WKUP_DM_CBASS_TO_AM275_WKUP_SAFE_CBASS_DATA_L0_FW_REGION_13_START_ADDRESS_H Register
          476. 14.1.1.2.476 CBASS_FW_EXPORT_AM275_WKUP_DM_CBASS_TO_AM275_WKUP_SAFE_CBASS_DATA_L0_FW_REGION_13_END_ADDRESS_L Register
          477. 14.1.1.2.477 CBASS_FW_EXPORT_AM275_WKUP_DM_CBASS_TO_AM275_WKUP_SAFE_CBASS_DATA_L0_FW_REGION_13_END_ADDRESS_H Register
          478. 14.1.1.2.478 CBASS_FW_EXPORT_AM275_WKUP_DM_CBASS_TO_AM275_WKUP_SAFE_CBASS_DATA_L0_FW_REGION_14_CONTROL Register
          479. 14.1.1.2.479 CBASS_FW_EXPORT_AM275_WKUP_DM_CBASS_TO_AM275_WKUP_SAFE_CBASS_DATA_L0_FW_REGION_14_PERMISSION_0 Register
          480. 14.1.1.2.480 CBASS_FW_EXPORT_AM275_WKUP_DM_CBASS_TO_AM275_WKUP_SAFE_CBASS_DATA_L0_FW_REGION_14_PERMISSION_1 Register
          481. 14.1.1.2.481 CBASS_FW_EXPORT_AM275_WKUP_DM_CBASS_TO_AM275_WKUP_SAFE_CBASS_DATA_L0_FW_REGION_14_PERMISSION_2 Register
          482. 14.1.1.2.482 CBASS_FW_EXPORT_AM275_WKUP_DM_CBASS_TO_AM275_WKUP_SAFE_CBASS_DATA_L0_FW_REGION_14_START_ADDRESS_L Register
          483. 14.1.1.2.483 CBASS_FW_EXPORT_AM275_WKUP_DM_CBASS_TO_AM275_WKUP_SAFE_CBASS_DATA_L0_FW_REGION_14_START_ADDRESS_H Register
          484. 14.1.1.2.484 CBASS_FW_EXPORT_AM275_WKUP_DM_CBASS_TO_AM275_WKUP_SAFE_CBASS_DATA_L0_FW_REGION_14_END_ADDRESS_L Register
          485. 14.1.1.2.485 CBASS_FW_EXPORT_AM275_WKUP_DM_CBASS_TO_AM275_WKUP_SAFE_CBASS_DATA_L0_FW_REGION_14_END_ADDRESS_H Register
          486. 14.1.1.2.486 CBASS_FW_EXPORT_AM275_WKUP_DM_CBASS_TO_AM275_WKUP_SAFE_CBASS_DATA_L0_FW_REGION_15_CONTROL Register
          487. 14.1.1.2.487 CBASS_FW_EXPORT_AM275_WKUP_DM_CBASS_TO_AM275_WKUP_SAFE_CBASS_DATA_L0_FW_REGION_15_PERMISSION_0 Register
          488. 14.1.1.2.488 CBASS_FW_EXPORT_AM275_WKUP_DM_CBASS_TO_AM275_WKUP_SAFE_CBASS_DATA_L0_FW_REGION_15_PERMISSION_1 Register
          489. 14.1.1.2.489 CBASS_FW_EXPORT_AM275_WKUP_DM_CBASS_TO_AM275_WKUP_SAFE_CBASS_DATA_L0_FW_REGION_15_PERMISSION_2 Register
          490. 14.1.1.2.490 CBASS_FW_EXPORT_AM275_WKUP_DM_CBASS_TO_AM275_WKUP_SAFE_CBASS_DATA_L0_FW_REGION_15_START_ADDRESS_L Register
          491. 14.1.1.2.491 CBASS_FW_EXPORT_AM275_WKUP_DM_CBASS_TO_AM275_WKUP_SAFE_CBASS_DATA_L0_FW_REGION_15_START_ADDRESS_H Register
          492. 14.1.1.2.492 CBASS_FW_EXPORT_AM275_WKUP_DM_CBASS_TO_AM275_WKUP_SAFE_CBASS_DATA_L0_FW_REGION_15_END_ADDRESS_L Register
          493. 14.1.1.2.493 CBASS_FW_EXPORT_AM275_WKUP_DM_CBASS_TO_AM275_WKUP_SAFE_CBASS_DATA_L0_FW_REGION_15_END_ADDRESS_H Register
          494. 14.1.1.2.494 CBASS_FW_IDMTIMER_DMC1MS_WKUP_0_TIMER_CFG_VBP_FW_REGION_0_CONTROL Register
          495. 14.1.1.2.495 CBASS_FW_IDMTIMER_DMC1MS_WKUP_0_TIMER_CFG_VBP_FW_REGION_0_PERMISSION_0 Register
          496. 14.1.1.2.496 CBASS_FW_IDMTIMER_DMC1MS_WKUP_0_TIMER_CFG_VBP_FW_REGION_0_PERMISSION_1 Register
          497. 14.1.1.2.497 CBASS_FW_IDMTIMER_DMC1MS_WKUP_0_TIMER_CFG_VBP_FW_REGION_0_PERMISSION_2 Register
          498. 14.1.1.2.498 CBASS_FW_IDMTIMER_DMC1MS_WKUP_0_TIMER_CFG_VBP_FW_REGION_0_START_ADDRESS_L Register
          499. 14.1.1.2.499 CBASS_FW_IDMTIMER_DMC1MS_WKUP_0_TIMER_CFG_VBP_FW_REGION_0_START_ADDRESS_H Register
          500. 14.1.1.2.500 CBASS_FW_IDMTIMER_DMC1MS_WKUP_0_TIMER_CFG_VBP_FW_REGION_0_END_ADDRESS_L Register
          501. 14.1.1.2.501 CBASS_FW_IDMTIMER_DMC1MS_WKUP_0_TIMER_CFG_VBP_FW_REGION_0_END_ADDRESS_H Register
          502. 14.1.1.2.502 CBASS_FW_IDMTIMER_DMC1MS_WKUP_1_TIMER_CFG_VBP_FW_REGION_0_CONTROL Register
          503. 14.1.1.2.503 CBASS_FW_IDMTIMER_DMC1MS_WKUP_1_TIMER_CFG_VBP_FW_REGION_0_PERMISSION_0 Register
          504. 14.1.1.2.504 CBASS_FW_IDMTIMER_DMC1MS_WKUP_1_TIMER_CFG_VBP_FW_REGION_0_PERMISSION_1 Register
          505. 14.1.1.2.505 CBASS_FW_IDMTIMER_DMC1MS_WKUP_1_TIMER_CFG_VBP_FW_REGION_0_PERMISSION_2 Register
          506. 14.1.1.2.506 CBASS_FW_IDMTIMER_DMC1MS_WKUP_1_TIMER_CFG_VBP_FW_REGION_0_START_ADDRESS_L Register
          507. 14.1.1.2.507 CBASS_FW_IDMTIMER_DMC1MS_WKUP_1_TIMER_CFG_VBP_FW_REGION_0_START_ADDRESS_H Register
          508. 14.1.1.2.508 CBASS_FW_IDMTIMER_DMC1MS_WKUP_1_TIMER_CFG_VBP_FW_REGION_0_END_ADDRESS_L Register
          509. 14.1.1.2.509 CBASS_FW_IDMTIMER_DMC1MS_WKUP_1_TIMER_CFG_VBP_FW_REGION_0_END_ADDRESS_H Register
          510. 14.1.1.2.510 CBASS_ISC_IPULSAR_UL_WKUP_0_CPU0_PMST_ISC_REGION_0_CONTROL Register
          511. 14.1.1.2.511 CBASS_ISC_IPULSAR_UL_WKUP_0_CPU0_PMST_ISC_REGION_0_START_ADDRESS_L Register
          512. 14.1.1.2.512 CBASS_ISC_IPULSAR_UL_WKUP_0_CPU0_PMST_ISC_REGION_0_START_ADDRESS_H Register
          513. 14.1.1.2.513 CBASS_ISC_IPULSAR_UL_WKUP_0_CPU0_PMST_ISC_REGION_0_END_ADDRESS_L Register
          514. 14.1.1.2.514 CBASS_ISC_IPULSAR_UL_WKUP_0_CPU0_PMST_ISC_REGION_0_END_ADDRESS_H Register
          515. 14.1.1.2.515 CBASS_ISC_IPULSAR_UL_WKUP_0_CPU0_PMST_ISC_REGION_1_CONTROL Register
          516. 14.1.1.2.516 CBASS_ISC_IPULSAR_UL_WKUP_0_CPU0_PMST_ISC_REGION_1_START_ADDRESS_L Register
          517. 14.1.1.2.517 CBASS_ISC_IPULSAR_UL_WKUP_0_CPU0_PMST_ISC_REGION_1_START_ADDRESS_H Register
          518. 14.1.1.2.518 CBASS_ISC_IPULSAR_UL_WKUP_0_CPU0_PMST_ISC_REGION_1_END_ADDRESS_L Register
          519. 14.1.1.2.519 CBASS_ISC_IPULSAR_UL_WKUP_0_CPU0_PMST_ISC_REGION_1_END_ADDRESS_H Register
          520. 14.1.1.2.520 CBASS_ISC_IPULSAR_UL_WKUP_0_CPU0_PMST_ISC_REGION_2_CONTROL Register
          521. 14.1.1.2.521 CBASS_ISC_IPULSAR_UL_WKUP_0_CPU0_PMST_ISC_REGION_2_START_ADDRESS_L Register
          522. 14.1.1.2.522 CBASS_ISC_IPULSAR_UL_WKUP_0_CPU0_PMST_ISC_REGION_2_START_ADDRESS_H Register
          523. 14.1.1.2.523 CBASS_ISC_IPULSAR_UL_WKUP_0_CPU0_PMST_ISC_REGION_2_END_ADDRESS_L Register
          524. 14.1.1.2.524 CBASS_ISC_IPULSAR_UL_WKUP_0_CPU0_PMST_ISC_REGION_2_END_ADDRESS_H Register
          525. 14.1.1.2.525 CBASS_ISC_IPULSAR_UL_WKUP_0_CPU0_PMST_ISC_REGION_3_CONTROL Register
          526. 14.1.1.2.526 CBASS_ISC_IPULSAR_UL_WKUP_0_CPU0_PMST_ISC_REGION_3_START_ADDRESS_L Register
          527. 14.1.1.2.527 CBASS_ISC_IPULSAR_UL_WKUP_0_CPU0_PMST_ISC_REGION_3_START_ADDRESS_H Register
          528. 14.1.1.2.528 CBASS_ISC_IPULSAR_UL_WKUP_0_CPU0_PMST_ISC_REGION_3_END_ADDRESS_L Register
          529. 14.1.1.2.529 CBASS_ISC_IPULSAR_UL_WKUP_0_CPU0_PMST_ISC_REGION_3_END_ADDRESS_H Register
          530. 14.1.1.2.530 CBASS_ISC_IPULSAR_UL_WKUP_0_CPU0_PMST_ISC_REGION_DEF_CONTROL Register
          531. 14.1.1.2.531 CBASS_ISC_IPULSAR_UL_WKUP_0_CPU0_RMST_ISC_REGION_0_CONTROL Register
          532. 14.1.1.2.532 CBASS_ISC_IPULSAR_UL_WKUP_0_CPU0_RMST_ISC_REGION_0_START_ADDRESS_L Register
          533. 14.1.1.2.533 CBASS_ISC_IPULSAR_UL_WKUP_0_CPU0_RMST_ISC_REGION_0_START_ADDRESS_H Register
          534. 14.1.1.2.534 CBASS_ISC_IPULSAR_UL_WKUP_0_CPU0_RMST_ISC_REGION_0_END_ADDRESS_L Register
          535. 14.1.1.2.535 CBASS_ISC_IPULSAR_UL_WKUP_0_CPU0_RMST_ISC_REGION_0_END_ADDRESS_H Register
          536. 14.1.1.2.536 CBASS_ISC_IPULSAR_UL_WKUP_0_CPU0_RMST_ISC_REGION_1_CONTROL Register
          537. 14.1.1.2.537 CBASS_ISC_IPULSAR_UL_WKUP_0_CPU0_RMST_ISC_REGION_1_START_ADDRESS_L Register
          538. 14.1.1.2.538 CBASS_ISC_IPULSAR_UL_WKUP_0_CPU0_RMST_ISC_REGION_1_START_ADDRESS_H Register
          539. 14.1.1.2.539 CBASS_ISC_IPULSAR_UL_WKUP_0_CPU0_RMST_ISC_REGION_1_END_ADDRESS_L Register
          540. 14.1.1.2.540 CBASS_ISC_IPULSAR_UL_WKUP_0_CPU0_RMST_ISC_REGION_1_END_ADDRESS_H Register
          541. 14.1.1.2.541 CBASS_ISC_IPULSAR_UL_WKUP_0_CPU0_RMST_ISC_REGION_2_CONTROL Register
          542. 14.1.1.2.542 CBASS_ISC_IPULSAR_UL_WKUP_0_CPU0_RMST_ISC_REGION_2_START_ADDRESS_L Register
          543. 14.1.1.2.543 CBASS_ISC_IPULSAR_UL_WKUP_0_CPU0_RMST_ISC_REGION_2_START_ADDRESS_H Register
          544. 14.1.1.2.544 CBASS_ISC_IPULSAR_UL_WKUP_0_CPU0_RMST_ISC_REGION_2_END_ADDRESS_L Register
          545. 14.1.1.2.545 CBASS_ISC_IPULSAR_UL_WKUP_0_CPU0_RMST_ISC_REGION_2_END_ADDRESS_H Register
          546. 14.1.1.2.546 CBASS_ISC_IPULSAR_UL_WKUP_0_CPU0_RMST_ISC_REGION_3_CONTROL Register
          547. 14.1.1.2.547 CBASS_ISC_IPULSAR_UL_WKUP_0_CPU0_RMST_ISC_REGION_3_START_ADDRESS_L Register
          548. 14.1.1.2.548 CBASS_ISC_IPULSAR_UL_WKUP_0_CPU0_RMST_ISC_REGION_3_START_ADDRESS_H Register
          549. 14.1.1.2.549 CBASS_ISC_IPULSAR_UL_WKUP_0_CPU0_RMST_ISC_REGION_3_END_ADDRESS_L Register
          550. 14.1.1.2.550 CBASS_ISC_IPULSAR_UL_WKUP_0_CPU0_RMST_ISC_REGION_3_END_ADDRESS_H Register
          551. 14.1.1.2.551 CBASS_ISC_IPULSAR_UL_WKUP_0_CPU0_RMST_ISC_REGION_DEF_CONTROL Register
          552. 14.1.1.2.552 CBASS_ISC_IPULSAR_UL_WKUP_0_CPU0_WMST_ISC_REGION_0_CONTROL Register
          553. 14.1.1.2.553 CBASS_ISC_IPULSAR_UL_WKUP_0_CPU0_WMST_ISC_REGION_0_START_ADDRESS_L Register
          554. 14.1.1.2.554 CBASS_ISC_IPULSAR_UL_WKUP_0_CPU0_WMST_ISC_REGION_0_START_ADDRESS_H Register
          555. 14.1.1.2.555 CBASS_ISC_IPULSAR_UL_WKUP_0_CPU0_WMST_ISC_REGION_0_END_ADDRESS_L Register
          556. 14.1.1.2.556 CBASS_ISC_IPULSAR_UL_WKUP_0_CPU0_WMST_ISC_REGION_0_END_ADDRESS_H Register
          557. 14.1.1.2.557 CBASS_ISC_IPULSAR_UL_WKUP_0_CPU0_WMST_ISC_REGION_1_CONTROL Register
          558. 14.1.1.2.558 CBASS_ISC_IPULSAR_UL_WKUP_0_CPU0_WMST_ISC_REGION_1_START_ADDRESS_L Register
          559. 14.1.1.2.559 CBASS_ISC_IPULSAR_UL_WKUP_0_CPU0_WMST_ISC_REGION_1_START_ADDRESS_H Register
          560. 14.1.1.2.560 CBASS_ISC_IPULSAR_UL_WKUP_0_CPU0_WMST_ISC_REGION_1_END_ADDRESS_L Register
          561. 14.1.1.2.561 CBASS_ISC_IPULSAR_UL_WKUP_0_CPU0_WMST_ISC_REGION_1_END_ADDRESS_H Register
          562. 14.1.1.2.562 CBASS_ISC_IPULSAR_UL_WKUP_0_CPU0_WMST_ISC_REGION_2_CONTROL Register
          563. 14.1.1.2.563 CBASS_ISC_IPULSAR_UL_WKUP_0_CPU0_WMST_ISC_REGION_2_START_ADDRESS_L Register
          564. 14.1.1.2.564 CBASS_ISC_IPULSAR_UL_WKUP_0_CPU0_WMST_ISC_REGION_2_START_ADDRESS_H Register
          565. 14.1.1.2.565 CBASS_ISC_IPULSAR_UL_WKUP_0_CPU0_WMST_ISC_REGION_2_END_ADDRESS_L Register
          566. 14.1.1.2.566 CBASS_ISC_IPULSAR_UL_WKUP_0_CPU0_WMST_ISC_REGION_2_END_ADDRESS_H Register
          567. 14.1.1.2.567 CBASS_ISC_IPULSAR_UL_WKUP_0_CPU0_WMST_ISC_REGION_3_CONTROL Register
          568. 14.1.1.2.568 CBASS_ISC_IPULSAR_UL_WKUP_0_CPU0_WMST_ISC_REGION_3_START_ADDRESS_L Register
          569. 14.1.1.2.569 CBASS_ISC_IPULSAR_UL_WKUP_0_CPU0_WMST_ISC_REGION_3_START_ADDRESS_H Register
          570. 14.1.1.2.570 CBASS_ISC_IPULSAR_UL_WKUP_0_CPU0_WMST_ISC_REGION_3_END_ADDRESS_L Register
          571. 14.1.1.2.571 CBASS_ISC_IPULSAR_UL_WKUP_0_CPU0_WMST_ISC_REGION_3_END_ADDRESS_H Register
          572. 14.1.1.2.572 CBASS_ISC_IPULSAR_UL_WKUP_0_CPU0_WMST_ISC_REGION_DEF_CONTROL Register
          573. 14.1.1.2.573 CBASS_GLB_PID Register
          574. 14.1.1.2.574 CBASS_GLB_DESTINATION_ID Register
          575. 14.1.1.2.575 CBASS_GLB_EXCEPTION_LOGGING_CONTROL Register
          576. 14.1.1.2.576 CBASS_GLB_EXCEPTION_LOGGING_HEADER0 Register
          577. 14.1.1.2.577 CBASS_GLB_EXCEPTION_LOGGING_HEADER1 Register
          578. 14.1.1.2.578 CBASS_GLB_EXCEPTION_LOGGING_DATA0 Register
          579. 14.1.1.2.579 CBASS_GLB_EXCEPTION_LOGGING_DATA1 Register
          580. 14.1.1.2.580 CBASS_GLB_EXCEPTION_LOGGING_DATA2 Register
          581. 14.1.1.2.581 CBASS_GLB_EXCEPTION_LOGGING_DATA3 Register
          582. 14.1.1.2.582 CBASS_GLB_EXCEPTION_PEND_SET Register
          583. 14.1.1.2.583 CBASS_GLB_EXCEPTION_PEND_CLEAR Register
          584. 14.1.1.2.584 CBASS_QOS_IPULSAR_UL_WKUP_0_CPU0_PMST_MAP0 Register
          585. 14.1.1.2.585 CBASS_QOS_IPULSAR_UL_WKUP_0_CPU0_RMST_MAP0 Register
          586. 14.1.1.2.586 CBASS_QOS_IPULSAR_UL_WKUP_0_CPU0_WMST_MAP0 Register
      2. 14.1.2 CBASS_DBG
        1. 14.1.2.1 CBASS_DBG Summaries
          1.        3132
        2. 14.1.2.2 CBASS_DBG Registers
          1. 14.1.2.2.1  CBASS_ERR_PID Register
          2. 14.1.2.2.2  CBASS_ERR_DESTINATION_ID Register
          3. 14.1.2.2.3  CBASS_ERR_EXCEPTION_LOGGING_HEADER0 Register
          4. 14.1.2.2.4  CBASS_ERR_EXCEPTION_LOGGING_HEADER1 Register
          5. 14.1.2.2.5  CBASS_ERR_EXCEPTION_LOGGING_DATA0 Register
          6. 14.1.2.2.6  CBASS_ERR_EXCEPTION_LOGGING_DATA1 Register
          7. 14.1.2.2.7  CBASS_ERR_EXCEPTION_LOGGING_DATA2 Register
          8. 14.1.2.2.8  CBASS_ERR_EXCEPTION_LOGGING_DATA3 Register
          9. 14.1.2.2.9  CBASS_ERR_ERR_INTR_RAW_STAT Register
          10. 14.1.2.2.10 CBASS_ERR_ERR_INTR_ENABLED_STAT Register
          11. 14.1.2.2.11 CBASS_ERR_ERR_INTR_ENABLE_SET Register
          12. 14.1.2.2.12 CBASS_ERR_ERR_INTR_ENABLE_CLR Register
          13. 14.1.2.2.13 CBASS_ERR_EOI Register
      3. 14.1.3 CBASS_INFRA
        1. 14.1.3.1 CBASS_INFRA Summaries
          1.        3149
          2.        3150
          3.        3151
        2. 14.1.3.2 CBASS_INFRA Registers
          1. 14.1.3.2.1  CBASS_ERR_PID Register
          2. 14.1.3.2.2  CBASS_ERR_DESTINATION_ID Register
          3. 14.1.3.2.3  CBASS_ERR_EXCEPTION_LOGGING_HEADER0 Register
          4. 14.1.3.2.4  CBASS_ERR_EXCEPTION_LOGGING_HEADER1 Register
          5. 14.1.3.2.5  CBASS_ERR_EXCEPTION_LOGGING_DATA0 Register
          6. 14.1.3.2.6  CBASS_ERR_EXCEPTION_LOGGING_DATA1 Register
          7. 14.1.3.2.7  CBASS_ERR_EXCEPTION_LOGGING_DATA2 Register
          8. 14.1.3.2.8  CBASS_ERR_EXCEPTION_LOGGING_DATA3 Register
          9. 14.1.3.2.9  CBASS_ERR_ERR_INTR_RAW_STAT Register
          10. 14.1.3.2.10 CBASS_ERR_ERR_INTR_ENABLED_STAT Register
          11. 14.1.3.2.11 CBASS_ERR_ERR_INTR_ENABLE_SET Register
          12. 14.1.3.2.12 CBASS_ERR_ERR_INTR_ENABLE_CLR Register
          13. 14.1.3.2.13 CBASS_ERR_EOI Register
          14. 14.1.3.2.14 CBASS_FW_IAM275_MAIN_PSC_WRAP_MAIN_0_VBUS_FWCH_REGION_0_CH_0_CONTROL Register
          15. 14.1.3.2.15 CBASS_FW_IAM275_MAIN_PSC_WRAP_MAIN_0_VBUS_FWCH_REGION_0_CH_0_PERMISSION_0 Register
          16. 14.1.3.2.16 CBASS_FW_IAM275_MAIN_PSC_WRAP_MAIN_0_VBUS_FWCH_REGION_0_CH_0_PERMISSION_1 Register
          17. 14.1.3.2.17 CBASS_FW_IAM275_MAIN_PSC_WRAP_MAIN_0_VBUS_FWCH_REGION_0_CH_0_PERMISSION_2 Register
          18. 14.1.3.2.18 CBASS_FW_IAM275_MAIN_PSC_WRAP_MAIN_0_VBUS_FWCH_REGION_1_CH_0_CONTROL Register
          19. 14.1.3.2.19 CBASS_FW_IAM275_MAIN_PSC_WRAP_MAIN_0_VBUS_FWCH_REGION_1_CH_0_PERMISSION_0 Register
          20. 14.1.3.2.20 CBASS_FW_IAM275_MAIN_PSC_WRAP_MAIN_0_VBUS_FWCH_REGION_1_CH_0_PERMISSION_1 Register
          21. 14.1.3.2.21 CBASS_FW_IAM275_MAIN_PSC_WRAP_MAIN_0_VBUS_FWCH_REGION_1_CH_0_PERMISSION_2 Register
          22. 14.1.3.2.22 CBASS_FW_IAM275_MAIN_PSC_WRAP_MAIN_0_VBUS_FWCH_REGION_2_CH_0_CONTROL Register
          23. 14.1.3.2.23 CBASS_FW_IAM275_MAIN_PSC_WRAP_MAIN_0_VBUS_FWCH_REGION_2_CH_0_PERMISSION_0 Register
          24. 14.1.3.2.24 CBASS_FW_IAM275_MAIN_PSC_WRAP_MAIN_0_VBUS_FWCH_REGION_2_CH_0_PERMISSION_1 Register
          25. 14.1.3.2.25 CBASS_FW_IAM275_MAIN_PSC_WRAP_MAIN_0_VBUS_FWCH_REGION_2_CH_0_PERMISSION_2 Register
          26. 14.1.3.2.26 CBASS_FW_IAM275_MAIN_PSC_WRAP_MAIN_0_VBUS_FWCH_REGION_3_CH_0_CONTROL Register
          27. 14.1.3.2.27 CBASS_FW_IAM275_MAIN_PSC_WRAP_MAIN_0_VBUS_FWCH_REGION_3_CH_0_PERMISSION_0 Register
          28. 14.1.3.2.28 CBASS_FW_IAM275_MAIN_PSC_WRAP_MAIN_0_VBUS_FWCH_REGION_3_CH_0_PERMISSION_1 Register
          29. 14.1.3.2.29 CBASS_FW_IAM275_MAIN_PSC_WRAP_MAIN_0_VBUS_FWCH_REGION_3_CH_0_PERMISSION_2 Register
          30. 14.1.3.2.30 CBASS_FW_IAM275_MAIN_PSC_WRAP_MAIN_0_VBUS_FWCH_REGION_4_CH_0_CONTROL Register
          31. 14.1.3.2.31 CBASS_FW_IAM275_MAIN_PSC_WRAP_MAIN_0_VBUS_FWCH_REGION_4_CH_0_PERMISSION_0 Register
          32. 14.1.3.2.32 CBASS_FW_IAM275_MAIN_PSC_WRAP_MAIN_0_VBUS_FWCH_REGION_4_CH_0_PERMISSION_1 Register
          33. 14.1.3.2.33 CBASS_FW_IAM275_MAIN_PSC_WRAP_MAIN_0_VBUS_FWCH_REGION_4_CH_0_PERMISSION_2 Register
          34. 14.1.3.2.34 CBASS_GLB_PID Register
          35. 14.1.3.2.35 CBASS_GLB_DESTINATION_ID Register
          36. 14.1.3.2.36 CBASS_GLB_EXCEPTION_LOGGING_CONTROL Register
          37. 14.1.3.2.37 CBASS_GLB_EXCEPTION_LOGGING_HEADER0 Register
          38. 14.1.3.2.38 CBASS_GLB_EXCEPTION_LOGGING_HEADER1 Register
          39. 14.1.3.2.39 CBASS_GLB_EXCEPTION_LOGGING_DATA0 Register
          40. 14.1.3.2.40 CBASS_GLB_EXCEPTION_LOGGING_DATA1 Register
          41. 14.1.3.2.41 CBASS_GLB_EXCEPTION_LOGGING_DATA2 Register
          42. 14.1.3.2.42 CBASS_GLB_EXCEPTION_LOGGING_DATA3 Register
          43. 14.1.3.2.43 CBASS_GLB_EXCEPTION_PEND_SET Register
          44. 14.1.3.2.44 CBASS_GLB_EXCEPTION_PEND_CLEAR Register
      4. 14.1.4 CBASS_MCASP
        1. 14.1.4.1 CBASS_MCASP Summaries
          1.        3199
        2. 14.1.4.2 CBASS_MCASP Registers
          1. 14.1.4.2.1  CBASS_ERR_PID Register
          2. 14.1.4.2.2  CBASS_ERR_DESTINATION_ID Register
          3. 14.1.4.2.3  CBASS_ERR_EXCEPTION_LOGGING_HEADER0 Register
          4. 14.1.4.2.4  CBASS_ERR_EXCEPTION_LOGGING_HEADER1 Register
          5. 14.1.4.2.5  CBASS_ERR_EXCEPTION_LOGGING_DATA0 Register
          6. 14.1.4.2.6  CBASS_ERR_EXCEPTION_LOGGING_DATA1 Register
          7. 14.1.4.2.7  CBASS_ERR_EXCEPTION_LOGGING_DATA2 Register
          8. 14.1.4.2.8  CBASS_ERR_EXCEPTION_LOGGING_DATA3 Register
          9. 14.1.4.2.9  CBASS_ERR_ERR_INTR_RAW_STAT Register
          10. 14.1.4.2.10 CBASS_ERR_ERR_INTR_ENABLED_STAT Register
          11. 14.1.4.2.11 CBASS_ERR_ERR_INTR_ENABLE_SET Register
          12. 14.1.4.2.12 CBASS_ERR_ERR_INTR_ENABLE_CLR Register
          13. 14.1.4.2.13 CBASS_ERR_EOI Register
      5. 14.1.5 CBASS_MEM
        1. 14.1.5.1 CBASS_MEM Summaries
          1.        3216
          2.        3217
          3.        3218
          4.        3219
          5.        3220
        2. 14.1.5.2 CBASS_MEM Registers
          1. 14.1.5.2.1   CBASS_ERR_PID Register
          2. 14.1.5.2.2   CBASS_ERR_DESTINATION_ID Register
          3. 14.1.5.2.3   CBASS_ERR_EXCEPTION_LOGGING_HEADER0 Register
          4. 14.1.5.2.4   CBASS_ERR_EXCEPTION_LOGGING_HEADER1 Register
          5. 14.1.5.2.5   CBASS_ERR_EXCEPTION_LOGGING_DATA0 Register
          6. 14.1.5.2.6   CBASS_ERR_EXCEPTION_LOGGING_DATA1 Register
          7. 14.1.5.2.7   CBASS_ERR_EXCEPTION_LOGGING_DATA2 Register
          8. 14.1.5.2.8   CBASS_ERR_EXCEPTION_LOGGING_DATA3 Register
          9. 14.1.5.2.9   CBASS_ERR_ERR_INTR_RAW_STAT Register
          10. 14.1.5.2.10  CBASS_ERR_ERR_INTR_ENABLED_STAT Register
          11. 14.1.5.2.11  CBASS_ERR_ERR_INTR_ENABLE_SET Register
          12. 14.1.5.2.12  CBASS_ERR_ERR_INTR_ENABLE_CLR Register
          13. 14.1.5.2.13  CBASS_ERR_EOI Register
          14. 14.1.5.2.14  CBASS_FW_IMSRAM32KX256E_MAIN_0_SLV_FW_REGION_0_CONTROL Register
          15. 14.1.5.2.15  CBASS_FW_IMSRAM32KX256E_MAIN_0_SLV_FW_REGION_0_PERMISSION_0 Register
          16. 14.1.5.2.16  CBASS_FW_IMSRAM32KX256E_MAIN_0_SLV_FW_REGION_0_PERMISSION_1 Register
          17. 14.1.5.2.17  CBASS_FW_IMSRAM32KX256E_MAIN_0_SLV_FW_REGION_0_PERMISSION_2 Register
          18. 14.1.5.2.18  CBASS_FW_IMSRAM32KX256E_MAIN_0_SLV_FW_REGION_0_START_ADDRESS_L Register
          19. 14.1.5.2.19  CBASS_FW_IMSRAM32KX256E_MAIN_0_SLV_FW_REGION_0_START_ADDRESS_H Register
          20. 14.1.5.2.20  CBASS_FW_IMSRAM32KX256E_MAIN_0_SLV_FW_REGION_0_END_ADDRESS_L Register
          21. 14.1.5.2.21  CBASS_FW_IMSRAM32KX256E_MAIN_0_SLV_FW_REGION_0_END_ADDRESS_H Register
          22. 14.1.5.2.22  CBASS_FW_IMSRAM32KX256E_MAIN_0_SLV_FW_REGION_1_CONTROL Register
          23. 14.1.5.2.23  CBASS_FW_IMSRAM32KX256E_MAIN_0_SLV_FW_REGION_1_PERMISSION_0 Register
          24. 14.1.5.2.24  CBASS_FW_IMSRAM32KX256E_MAIN_0_SLV_FW_REGION_1_PERMISSION_1 Register
          25. 14.1.5.2.25  CBASS_FW_IMSRAM32KX256E_MAIN_0_SLV_FW_REGION_1_PERMISSION_2 Register
          26. 14.1.5.2.26  CBASS_FW_IMSRAM32KX256E_MAIN_0_SLV_FW_REGION_1_START_ADDRESS_L Register
          27. 14.1.5.2.27  CBASS_FW_IMSRAM32KX256E_MAIN_0_SLV_FW_REGION_1_START_ADDRESS_H Register
          28. 14.1.5.2.28  CBASS_FW_IMSRAM32KX256E_MAIN_0_SLV_FW_REGION_1_END_ADDRESS_L Register
          29. 14.1.5.2.29  CBASS_FW_IMSRAM32KX256E_MAIN_0_SLV_FW_REGION_1_END_ADDRESS_H Register
          30. 14.1.5.2.30  CBASS_FW_IMSRAM32KX256E_MAIN_0_SLV_FW_REGION_2_CONTROL Register
          31. 14.1.5.2.31  CBASS_FW_IMSRAM32KX256E_MAIN_0_SLV_FW_REGION_2_PERMISSION_0 Register
          32. 14.1.5.2.32  CBASS_FW_IMSRAM32KX256E_MAIN_0_SLV_FW_REGION_2_PERMISSION_1 Register
          33. 14.1.5.2.33  CBASS_FW_IMSRAM32KX256E_MAIN_0_SLV_FW_REGION_2_PERMISSION_2 Register
          34. 14.1.5.2.34  CBASS_FW_IMSRAM32KX256E_MAIN_0_SLV_FW_REGION_2_START_ADDRESS_L Register
          35. 14.1.5.2.35  CBASS_FW_IMSRAM32KX256E_MAIN_0_SLV_FW_REGION_2_START_ADDRESS_H Register
          36. 14.1.5.2.36  CBASS_FW_IMSRAM32KX256E_MAIN_0_SLV_FW_REGION_2_END_ADDRESS_L Register
          37. 14.1.5.2.37  CBASS_FW_IMSRAM32KX256E_MAIN_0_SLV_FW_REGION_2_END_ADDRESS_H Register
          38. 14.1.5.2.38  CBASS_FW_IMSRAM32KX256E_MAIN_0_SLV_FW_REGION_3_CONTROL Register
          39. 14.1.5.2.39  CBASS_FW_IMSRAM32KX256E_MAIN_0_SLV_FW_REGION_3_PERMISSION_0 Register
          40. 14.1.5.2.40  CBASS_FW_IMSRAM32KX256E_MAIN_0_SLV_FW_REGION_3_PERMISSION_1 Register
          41. 14.1.5.2.41  CBASS_FW_IMSRAM32KX256E_MAIN_0_SLV_FW_REGION_3_PERMISSION_2 Register
          42. 14.1.5.2.42  CBASS_FW_IMSRAM32KX256E_MAIN_0_SLV_FW_REGION_3_START_ADDRESS_L Register
          43. 14.1.5.2.43  CBASS_FW_IMSRAM32KX256E_MAIN_0_SLV_FW_REGION_3_START_ADDRESS_H Register
          44. 14.1.5.2.44  CBASS_FW_IMSRAM32KX256E_MAIN_0_SLV_FW_REGION_3_END_ADDRESS_L Register
          45. 14.1.5.2.45  CBASS_FW_IMSRAM32KX256E_MAIN_0_SLV_FW_REGION_3_END_ADDRESS_H Register
          46. 14.1.5.2.46  CBASS_FW_IMSRAM32KX256E_MAIN_0_SLV_FW_REGION_4_CONTROL Register
          47. 14.1.5.2.47  CBASS_FW_IMSRAM32KX256E_MAIN_0_SLV_FW_REGION_4_PERMISSION_0 Register
          48. 14.1.5.2.48  CBASS_FW_IMSRAM32KX256E_MAIN_0_SLV_FW_REGION_4_PERMISSION_1 Register
          49. 14.1.5.2.49  CBASS_FW_IMSRAM32KX256E_MAIN_0_SLV_FW_REGION_4_PERMISSION_2 Register
          50. 14.1.5.2.50  CBASS_FW_IMSRAM32KX256E_MAIN_0_SLV_FW_REGION_4_START_ADDRESS_L Register
          51. 14.1.5.2.51  CBASS_FW_IMSRAM32KX256E_MAIN_0_SLV_FW_REGION_4_START_ADDRESS_H Register
          52. 14.1.5.2.52  CBASS_FW_IMSRAM32KX256E_MAIN_0_SLV_FW_REGION_4_END_ADDRESS_L Register
          53. 14.1.5.2.53  CBASS_FW_IMSRAM32KX256E_MAIN_0_SLV_FW_REGION_4_END_ADDRESS_H Register
          54. 14.1.5.2.54  CBASS_FW_IMSRAM32KX256E_MAIN_0_SLV_FW_REGION_5_CONTROL Register
          55. 14.1.5.2.55  CBASS_FW_IMSRAM32KX256E_MAIN_0_SLV_FW_REGION_5_PERMISSION_0 Register
          56. 14.1.5.2.56  CBASS_FW_IMSRAM32KX256E_MAIN_0_SLV_FW_REGION_5_PERMISSION_1 Register
          57. 14.1.5.2.57  CBASS_FW_IMSRAM32KX256E_MAIN_0_SLV_FW_REGION_5_PERMISSION_2 Register
          58. 14.1.5.2.58  CBASS_FW_IMSRAM32KX256E_MAIN_0_SLV_FW_REGION_5_START_ADDRESS_L Register
          59. 14.1.5.2.59  CBASS_FW_IMSRAM32KX256E_MAIN_0_SLV_FW_REGION_5_START_ADDRESS_H Register
          60. 14.1.5.2.60  CBASS_FW_IMSRAM32KX256E_MAIN_0_SLV_FW_REGION_5_END_ADDRESS_L Register
          61. 14.1.5.2.61  CBASS_FW_IMSRAM32KX256E_MAIN_0_SLV_FW_REGION_5_END_ADDRESS_H Register
          62. 14.1.5.2.62  CBASS_FW_IMSRAM32KX256E_MAIN_0_SLV_FW_REGION_6_CONTROL Register
          63. 14.1.5.2.63  CBASS_FW_IMSRAM32KX256E_MAIN_0_SLV_FW_REGION_6_PERMISSION_0 Register
          64. 14.1.5.2.64  CBASS_FW_IMSRAM32KX256E_MAIN_0_SLV_FW_REGION_6_PERMISSION_1 Register
          65. 14.1.5.2.65  CBASS_FW_IMSRAM32KX256E_MAIN_0_SLV_FW_REGION_6_PERMISSION_2 Register
          66. 14.1.5.2.66  CBASS_FW_IMSRAM32KX256E_MAIN_0_SLV_FW_REGION_6_START_ADDRESS_L Register
          67. 14.1.5.2.67  CBASS_FW_IMSRAM32KX256E_MAIN_0_SLV_FW_REGION_6_START_ADDRESS_H Register
          68. 14.1.5.2.68  CBASS_FW_IMSRAM32KX256E_MAIN_0_SLV_FW_REGION_6_END_ADDRESS_L Register
          69. 14.1.5.2.69  CBASS_FW_IMSRAM32KX256E_MAIN_0_SLV_FW_REGION_6_END_ADDRESS_H Register
          70. 14.1.5.2.70  CBASS_FW_IMSRAM32KX256E_MAIN_0_SLV_FW_REGION_7_CONTROL Register
          71. 14.1.5.2.71  CBASS_FW_IMSRAM32KX256E_MAIN_0_SLV_FW_REGION_7_PERMISSION_0 Register
          72. 14.1.5.2.72  CBASS_FW_IMSRAM32KX256E_MAIN_0_SLV_FW_REGION_7_PERMISSION_1 Register
          73. 14.1.5.2.73  CBASS_FW_IMSRAM32KX256E_MAIN_0_SLV_FW_REGION_7_PERMISSION_2 Register
          74. 14.1.5.2.74  CBASS_FW_IMSRAM32KX256E_MAIN_0_SLV_FW_REGION_7_START_ADDRESS_L Register
          75. 14.1.5.2.75  CBASS_FW_IMSRAM32KX256E_MAIN_0_SLV_FW_REGION_7_START_ADDRESS_H Register
          76. 14.1.5.2.76  CBASS_FW_IMSRAM32KX256E_MAIN_0_SLV_FW_REGION_7_END_ADDRESS_L Register
          77. 14.1.5.2.77  CBASS_FW_IMSRAM32KX256E_MAIN_0_SLV_FW_REGION_7_END_ADDRESS_H Register
          78. 14.1.5.2.78  CBASS_FW_IMSRAM32KX256E_MAIN_1_SLV_FW_REGION_0_CONTROL Register
          79. 14.1.5.2.79  CBASS_FW_IMSRAM32KX256E_MAIN_1_SLV_FW_REGION_0_PERMISSION_0 Register
          80. 14.1.5.2.80  CBASS_FW_IMSRAM32KX256E_MAIN_1_SLV_FW_REGION_0_PERMISSION_1 Register
          81. 14.1.5.2.81  CBASS_FW_IMSRAM32KX256E_MAIN_1_SLV_FW_REGION_0_PERMISSION_2 Register
          82. 14.1.5.2.82  CBASS_FW_IMSRAM32KX256E_MAIN_1_SLV_FW_REGION_0_START_ADDRESS_L Register
          83. 14.1.5.2.83  CBASS_FW_IMSRAM32KX256E_MAIN_1_SLV_FW_REGION_0_START_ADDRESS_H Register
          84. 14.1.5.2.84  CBASS_FW_IMSRAM32KX256E_MAIN_1_SLV_FW_REGION_0_END_ADDRESS_L Register
          85. 14.1.5.2.85  CBASS_FW_IMSRAM32KX256E_MAIN_1_SLV_FW_REGION_0_END_ADDRESS_H Register
          86. 14.1.5.2.86  CBASS_FW_IMSRAM32KX256E_MAIN_1_SLV_FW_REGION_1_CONTROL Register
          87. 14.1.5.2.87  CBASS_FW_IMSRAM32KX256E_MAIN_1_SLV_FW_REGION_1_PERMISSION_0 Register
          88. 14.1.5.2.88  CBASS_FW_IMSRAM32KX256E_MAIN_1_SLV_FW_REGION_1_PERMISSION_1 Register
          89. 14.1.5.2.89  CBASS_FW_IMSRAM32KX256E_MAIN_1_SLV_FW_REGION_1_PERMISSION_2 Register
          90. 14.1.5.2.90  CBASS_FW_IMSRAM32KX256E_MAIN_1_SLV_FW_REGION_1_START_ADDRESS_L Register
          91. 14.1.5.2.91  CBASS_FW_IMSRAM32KX256E_MAIN_1_SLV_FW_REGION_1_START_ADDRESS_H Register
          92. 14.1.5.2.92  CBASS_FW_IMSRAM32KX256E_MAIN_1_SLV_FW_REGION_1_END_ADDRESS_L Register
          93. 14.1.5.2.93  CBASS_FW_IMSRAM32KX256E_MAIN_1_SLV_FW_REGION_1_END_ADDRESS_H Register
          94. 14.1.5.2.94  CBASS_FW_IMSRAM32KX256E_MAIN_1_SLV_FW_REGION_2_CONTROL Register
          95. 14.1.5.2.95  CBASS_FW_IMSRAM32KX256E_MAIN_1_SLV_FW_REGION_2_PERMISSION_0 Register
          96. 14.1.5.2.96  CBASS_FW_IMSRAM32KX256E_MAIN_1_SLV_FW_REGION_2_PERMISSION_1 Register
          97. 14.1.5.2.97  CBASS_FW_IMSRAM32KX256E_MAIN_1_SLV_FW_REGION_2_PERMISSION_2 Register
          98. 14.1.5.2.98  CBASS_FW_IMSRAM32KX256E_MAIN_1_SLV_FW_REGION_2_START_ADDRESS_L Register
          99. 14.1.5.2.99  CBASS_FW_IMSRAM32KX256E_MAIN_1_SLV_FW_REGION_2_START_ADDRESS_H Register
          100. 14.1.5.2.100 CBASS_FW_IMSRAM32KX256E_MAIN_1_SLV_FW_REGION_2_END_ADDRESS_L Register
          101. 14.1.5.2.101 CBASS_FW_IMSRAM32KX256E_MAIN_1_SLV_FW_REGION_2_END_ADDRESS_H Register
          102. 14.1.5.2.102 CBASS_FW_IMSRAM32KX256E_MAIN_1_SLV_FW_REGION_3_CONTROL Register
          103. 14.1.5.2.103 CBASS_FW_IMSRAM32KX256E_MAIN_1_SLV_FW_REGION_3_PERMISSION_0 Register
          104. 14.1.5.2.104 CBASS_FW_IMSRAM32KX256E_MAIN_1_SLV_FW_REGION_3_PERMISSION_1 Register
          105. 14.1.5.2.105 CBASS_FW_IMSRAM32KX256E_MAIN_1_SLV_FW_REGION_3_PERMISSION_2 Register
          106. 14.1.5.2.106 CBASS_FW_IMSRAM32KX256E_MAIN_1_SLV_FW_REGION_3_START_ADDRESS_L Register
          107. 14.1.5.2.107 CBASS_FW_IMSRAM32KX256E_MAIN_1_SLV_FW_REGION_3_START_ADDRESS_H Register
          108. 14.1.5.2.108 CBASS_FW_IMSRAM32KX256E_MAIN_1_SLV_FW_REGION_3_END_ADDRESS_L Register
          109. 14.1.5.2.109 CBASS_FW_IMSRAM32KX256E_MAIN_1_SLV_FW_REGION_3_END_ADDRESS_H Register
          110. 14.1.5.2.110 CBASS_FW_IMSRAM32KX256E_MAIN_1_SLV_FW_REGION_4_CONTROL Register
          111. 14.1.5.2.111 CBASS_FW_IMSRAM32KX256E_MAIN_1_SLV_FW_REGION_4_PERMISSION_0 Register
          112. 14.1.5.2.112 CBASS_FW_IMSRAM32KX256E_MAIN_1_SLV_FW_REGION_4_PERMISSION_1 Register
          113. 14.1.5.2.113 CBASS_FW_IMSRAM32KX256E_MAIN_1_SLV_FW_REGION_4_PERMISSION_2 Register
          114. 14.1.5.2.114 CBASS_FW_IMSRAM32KX256E_MAIN_1_SLV_FW_REGION_4_START_ADDRESS_L Register
          115. 14.1.5.2.115 CBASS_FW_IMSRAM32KX256E_MAIN_1_SLV_FW_REGION_4_START_ADDRESS_H Register
          116. 14.1.5.2.116 CBASS_FW_IMSRAM32KX256E_MAIN_1_SLV_FW_REGION_4_END_ADDRESS_L Register
          117. 14.1.5.2.117 CBASS_FW_IMSRAM32KX256E_MAIN_1_SLV_FW_REGION_4_END_ADDRESS_H Register
          118. 14.1.5.2.118 CBASS_FW_IMSRAM32KX256E_MAIN_1_SLV_FW_REGION_5_CONTROL Register
          119. 14.1.5.2.119 CBASS_FW_IMSRAM32KX256E_MAIN_1_SLV_FW_REGION_5_PERMISSION_0 Register
          120. 14.1.5.2.120 CBASS_FW_IMSRAM32KX256E_MAIN_1_SLV_FW_REGION_5_PERMISSION_1 Register
          121. 14.1.5.2.121 CBASS_FW_IMSRAM32KX256E_MAIN_1_SLV_FW_REGION_5_PERMISSION_2 Register
          122. 14.1.5.2.122 CBASS_FW_IMSRAM32KX256E_MAIN_1_SLV_FW_REGION_5_START_ADDRESS_L Register
          123. 14.1.5.2.123 CBASS_FW_IMSRAM32KX256E_MAIN_1_SLV_FW_REGION_5_START_ADDRESS_H Register
          124. 14.1.5.2.124 CBASS_FW_IMSRAM32KX256E_MAIN_1_SLV_FW_REGION_5_END_ADDRESS_L Register
          125. 14.1.5.2.125 CBASS_FW_IMSRAM32KX256E_MAIN_1_SLV_FW_REGION_5_END_ADDRESS_H Register
          126. 14.1.5.2.126 CBASS_FW_IMSRAM32KX256E_MAIN_1_SLV_FW_REGION_6_CONTROL Register
          127. 14.1.5.2.127 CBASS_FW_IMSRAM32KX256E_MAIN_1_SLV_FW_REGION_6_PERMISSION_0 Register
          128. 14.1.5.2.128 CBASS_FW_IMSRAM32KX256E_MAIN_1_SLV_FW_REGION_6_PERMISSION_1 Register
          129. 14.1.5.2.129 CBASS_FW_IMSRAM32KX256E_MAIN_1_SLV_FW_REGION_6_PERMISSION_2 Register
          130. 14.1.5.2.130 CBASS_FW_IMSRAM32KX256E_MAIN_1_SLV_FW_REGION_6_START_ADDRESS_L Register
          131. 14.1.5.2.131 CBASS_FW_IMSRAM32KX256E_MAIN_1_SLV_FW_REGION_6_START_ADDRESS_H Register
          132. 14.1.5.2.132 CBASS_FW_IMSRAM32KX256E_MAIN_1_SLV_FW_REGION_6_END_ADDRESS_L Register
          133. 14.1.5.2.133 CBASS_FW_IMSRAM32KX256E_MAIN_1_SLV_FW_REGION_6_END_ADDRESS_H Register
          134. 14.1.5.2.134 CBASS_FW_IMSRAM32KX256E_MAIN_1_SLV_FW_REGION_7_CONTROL Register
          135. 14.1.5.2.135 CBASS_FW_IMSRAM32KX256E_MAIN_1_SLV_FW_REGION_7_PERMISSION_0 Register
          136. 14.1.5.2.136 CBASS_FW_IMSRAM32KX256E_MAIN_1_SLV_FW_REGION_7_PERMISSION_1 Register
          137. 14.1.5.2.137 CBASS_FW_IMSRAM32KX256E_MAIN_1_SLV_FW_REGION_7_PERMISSION_2 Register
          138. 14.1.5.2.138 CBASS_FW_IMSRAM32KX256E_MAIN_1_SLV_FW_REGION_7_START_ADDRESS_L Register
          139. 14.1.5.2.139 CBASS_FW_IMSRAM32KX256E_MAIN_1_SLV_FW_REGION_7_START_ADDRESS_H Register
          140. 14.1.5.2.140 CBASS_FW_IMSRAM32KX256E_MAIN_1_SLV_FW_REGION_7_END_ADDRESS_L Register
          141. 14.1.5.2.141 CBASS_FW_IMSRAM32KX256E_MAIN_1_SLV_FW_REGION_7_END_ADDRESS_H Register
          142. 14.1.5.2.142 CBASS_FW_IMSRAM32KX256E_MAIN_2_SLV_FW_REGION_0_CONTROL Register
          143. 14.1.5.2.143 CBASS_FW_IMSRAM32KX256E_MAIN_2_SLV_FW_REGION_0_PERMISSION_0 Register
          144. 14.1.5.2.144 CBASS_FW_IMSRAM32KX256E_MAIN_2_SLV_FW_REGION_0_PERMISSION_1 Register
          145. 14.1.5.2.145 CBASS_FW_IMSRAM32KX256E_MAIN_2_SLV_FW_REGION_0_PERMISSION_2 Register
          146. 14.1.5.2.146 CBASS_FW_IMSRAM32KX256E_MAIN_2_SLV_FW_REGION_0_START_ADDRESS_L Register
          147. 14.1.5.2.147 CBASS_FW_IMSRAM32KX256E_MAIN_2_SLV_FW_REGION_0_START_ADDRESS_H Register
          148. 14.1.5.2.148 CBASS_FW_IMSRAM32KX256E_MAIN_2_SLV_FW_REGION_0_END_ADDRESS_L Register
          149. 14.1.5.2.149 CBASS_FW_IMSRAM32KX256E_MAIN_2_SLV_FW_REGION_0_END_ADDRESS_H Register
          150. 14.1.5.2.150 CBASS_FW_IMSRAM32KX256E_MAIN_2_SLV_FW_REGION_1_CONTROL Register
          151. 14.1.5.2.151 CBASS_FW_IMSRAM32KX256E_MAIN_2_SLV_FW_REGION_1_PERMISSION_0 Register
          152. 14.1.5.2.152 CBASS_FW_IMSRAM32KX256E_MAIN_2_SLV_FW_REGION_1_PERMISSION_1 Register
          153. 14.1.5.2.153 CBASS_FW_IMSRAM32KX256E_MAIN_2_SLV_FW_REGION_1_PERMISSION_2 Register
          154. 14.1.5.2.154 CBASS_FW_IMSRAM32KX256E_MAIN_2_SLV_FW_REGION_1_START_ADDRESS_L Register
          155. 14.1.5.2.155 CBASS_FW_IMSRAM32KX256E_MAIN_2_SLV_FW_REGION_1_START_ADDRESS_H Register
          156. 14.1.5.2.156 CBASS_FW_IMSRAM32KX256E_MAIN_2_SLV_FW_REGION_1_END_ADDRESS_L Register
          157. 14.1.5.2.157 CBASS_FW_IMSRAM32KX256E_MAIN_2_SLV_FW_REGION_1_END_ADDRESS_H Register
          158. 14.1.5.2.158 CBASS_FW_IMSRAM32KX256E_MAIN_2_SLV_FW_REGION_2_CONTROL Register
          159. 14.1.5.2.159 CBASS_FW_IMSRAM32KX256E_MAIN_2_SLV_FW_REGION_2_PERMISSION_0 Register
          160. 14.1.5.2.160 CBASS_FW_IMSRAM32KX256E_MAIN_2_SLV_FW_REGION_2_PERMISSION_1 Register
          161. 14.1.5.2.161 CBASS_FW_IMSRAM32KX256E_MAIN_2_SLV_FW_REGION_2_PERMISSION_2 Register
          162. 14.1.5.2.162 CBASS_FW_IMSRAM32KX256E_MAIN_2_SLV_FW_REGION_2_START_ADDRESS_L Register
          163. 14.1.5.2.163 CBASS_FW_IMSRAM32KX256E_MAIN_2_SLV_FW_REGION_2_START_ADDRESS_H Register
          164. 14.1.5.2.164 CBASS_FW_IMSRAM32KX256E_MAIN_2_SLV_FW_REGION_2_END_ADDRESS_L Register
          165. 14.1.5.2.165 CBASS_FW_IMSRAM32KX256E_MAIN_2_SLV_FW_REGION_2_END_ADDRESS_H Register
          166. 14.1.5.2.166 CBASS_FW_IMSRAM32KX256E_MAIN_2_SLV_FW_REGION_3_CONTROL Register
          167. 14.1.5.2.167 CBASS_FW_IMSRAM32KX256E_MAIN_2_SLV_FW_REGION_3_PERMISSION_0 Register
          168. 14.1.5.2.168 CBASS_FW_IMSRAM32KX256E_MAIN_2_SLV_FW_REGION_3_PERMISSION_1 Register
          169. 14.1.5.2.169 CBASS_FW_IMSRAM32KX256E_MAIN_2_SLV_FW_REGION_3_PERMISSION_2 Register
          170. 14.1.5.2.170 CBASS_FW_IMSRAM32KX256E_MAIN_2_SLV_FW_REGION_3_START_ADDRESS_L Register
          171. 14.1.5.2.171 CBASS_FW_IMSRAM32KX256E_MAIN_2_SLV_FW_REGION_3_START_ADDRESS_H Register
          172. 14.1.5.2.172 CBASS_FW_IMSRAM32KX256E_MAIN_2_SLV_FW_REGION_3_END_ADDRESS_L Register
          173. 14.1.5.2.173 CBASS_FW_IMSRAM32KX256E_MAIN_2_SLV_FW_REGION_3_END_ADDRESS_H Register
          174. 14.1.5.2.174 CBASS_FW_IMSRAM32KX256E_MAIN_2_SLV_FW_REGION_4_CONTROL Register
          175. 14.1.5.2.175 CBASS_FW_IMSRAM32KX256E_MAIN_2_SLV_FW_REGION_4_PERMISSION_0 Register
          176. 14.1.5.2.176 CBASS_FW_IMSRAM32KX256E_MAIN_2_SLV_FW_REGION_4_PERMISSION_1 Register
          177. 14.1.5.2.177 CBASS_FW_IMSRAM32KX256E_MAIN_2_SLV_FW_REGION_4_PERMISSION_2 Register
          178. 14.1.5.2.178 CBASS_FW_IMSRAM32KX256E_MAIN_2_SLV_FW_REGION_4_START_ADDRESS_L Register
          179. 14.1.5.2.179 CBASS_FW_IMSRAM32KX256E_MAIN_2_SLV_FW_REGION_4_START_ADDRESS_H Register
          180. 14.1.5.2.180 CBASS_FW_IMSRAM32KX256E_MAIN_2_SLV_FW_REGION_4_END_ADDRESS_L Register
          181. 14.1.5.2.181 CBASS_FW_IMSRAM32KX256E_MAIN_2_SLV_FW_REGION_4_END_ADDRESS_H Register
          182. 14.1.5.2.182 CBASS_FW_IMSRAM32KX256E_MAIN_2_SLV_FW_REGION_5_CONTROL Register
          183. 14.1.5.2.183 CBASS_FW_IMSRAM32KX256E_MAIN_2_SLV_FW_REGION_5_PERMISSION_0 Register
          184. 14.1.5.2.184 CBASS_FW_IMSRAM32KX256E_MAIN_2_SLV_FW_REGION_5_PERMISSION_1 Register
          185. 14.1.5.2.185 CBASS_FW_IMSRAM32KX256E_MAIN_2_SLV_FW_REGION_5_PERMISSION_2 Register
          186. 14.1.5.2.186 CBASS_FW_IMSRAM32KX256E_MAIN_2_SLV_FW_REGION_5_START_ADDRESS_L Register
          187. 14.1.5.2.187 CBASS_FW_IMSRAM32KX256E_MAIN_2_SLV_FW_REGION_5_START_ADDRESS_H Register
          188. 14.1.5.2.188 CBASS_FW_IMSRAM32KX256E_MAIN_2_SLV_FW_REGION_5_END_ADDRESS_L Register
          189. 14.1.5.2.189 CBASS_FW_IMSRAM32KX256E_MAIN_2_SLV_FW_REGION_5_END_ADDRESS_H Register
          190. 14.1.5.2.190 CBASS_FW_IMSRAM32KX256E_MAIN_2_SLV_FW_REGION_6_CONTROL Register
          191. 14.1.5.2.191 CBASS_FW_IMSRAM32KX256E_MAIN_2_SLV_FW_REGION_6_PERMISSION_0 Register
          192. 14.1.5.2.192 CBASS_FW_IMSRAM32KX256E_MAIN_2_SLV_FW_REGION_6_PERMISSION_1 Register
          193. 14.1.5.2.193 CBASS_FW_IMSRAM32KX256E_MAIN_2_SLV_FW_REGION_6_PERMISSION_2 Register
          194. 14.1.5.2.194 CBASS_FW_IMSRAM32KX256E_MAIN_2_SLV_FW_REGION_6_START_ADDRESS_L Register
          195. 14.1.5.2.195 CBASS_FW_IMSRAM32KX256E_MAIN_2_SLV_FW_REGION_6_START_ADDRESS_H Register
          196. 14.1.5.2.196 CBASS_FW_IMSRAM32KX256E_MAIN_2_SLV_FW_REGION_6_END_ADDRESS_L Register
          197. 14.1.5.2.197 CBASS_FW_IMSRAM32KX256E_MAIN_2_SLV_FW_REGION_6_END_ADDRESS_H Register
          198. 14.1.5.2.198 CBASS_FW_IMSRAM32KX256E_MAIN_2_SLV_FW_REGION_7_CONTROL Register
          199. 14.1.5.2.199 CBASS_FW_IMSRAM32KX256E_MAIN_2_SLV_FW_REGION_7_PERMISSION_0 Register
          200. 14.1.5.2.200 CBASS_FW_IMSRAM32KX256E_MAIN_2_SLV_FW_REGION_7_PERMISSION_1 Register
          201. 14.1.5.2.201 CBASS_FW_IMSRAM32KX256E_MAIN_2_SLV_FW_REGION_7_PERMISSION_2 Register
          202. 14.1.5.2.202 CBASS_FW_IMSRAM32KX256E_MAIN_2_SLV_FW_REGION_7_START_ADDRESS_L Register
          203. 14.1.5.2.203 CBASS_FW_IMSRAM32KX256E_MAIN_2_SLV_FW_REGION_7_START_ADDRESS_H Register
          204. 14.1.5.2.204 CBASS_FW_IMSRAM32KX256E_MAIN_2_SLV_FW_REGION_7_END_ADDRESS_L Register
          205. 14.1.5.2.205 CBASS_FW_IMSRAM32KX256E_MAIN_2_SLV_FW_REGION_7_END_ADDRESS_H Register
          206. 14.1.5.2.206 CBASS_FW_IMSRAM32KX256E_MAIN_3_SLV_FW_REGION_0_CONTROL Register
          207. 14.1.5.2.207 CBASS_FW_IMSRAM32KX256E_MAIN_3_SLV_FW_REGION_0_PERMISSION_0 Register
          208. 14.1.5.2.208 CBASS_FW_IMSRAM32KX256E_MAIN_3_SLV_FW_REGION_0_PERMISSION_1 Register
          209. 14.1.5.2.209 CBASS_FW_IMSRAM32KX256E_MAIN_3_SLV_FW_REGION_0_PERMISSION_2 Register
          210. 14.1.5.2.210 CBASS_FW_IMSRAM32KX256E_MAIN_3_SLV_FW_REGION_0_START_ADDRESS_L Register
          211. 14.1.5.2.211 CBASS_FW_IMSRAM32KX256E_MAIN_3_SLV_FW_REGION_0_START_ADDRESS_H Register
          212. 14.1.5.2.212 CBASS_FW_IMSRAM32KX256E_MAIN_3_SLV_FW_REGION_0_END_ADDRESS_L Register
          213. 14.1.5.2.213 CBASS_FW_IMSRAM32KX256E_MAIN_3_SLV_FW_REGION_0_END_ADDRESS_H Register
          214. 14.1.5.2.214 CBASS_FW_IMSRAM32KX256E_MAIN_3_SLV_FW_REGION_1_CONTROL Register
          215. 14.1.5.2.215 CBASS_FW_IMSRAM32KX256E_MAIN_3_SLV_FW_REGION_1_PERMISSION_0 Register
          216. 14.1.5.2.216 CBASS_FW_IMSRAM32KX256E_MAIN_3_SLV_FW_REGION_1_PERMISSION_1 Register
          217. 14.1.5.2.217 CBASS_FW_IMSRAM32KX256E_MAIN_3_SLV_FW_REGION_1_PERMISSION_2 Register
          218. 14.1.5.2.218 CBASS_FW_IMSRAM32KX256E_MAIN_3_SLV_FW_REGION_1_START_ADDRESS_L Register
          219. 14.1.5.2.219 CBASS_FW_IMSRAM32KX256E_MAIN_3_SLV_FW_REGION_1_START_ADDRESS_H Register
          220. 14.1.5.2.220 CBASS_FW_IMSRAM32KX256E_MAIN_3_SLV_FW_REGION_1_END_ADDRESS_L Register
          221. 14.1.5.2.221 CBASS_FW_IMSRAM32KX256E_MAIN_3_SLV_FW_REGION_1_END_ADDRESS_H Register
          222. 14.1.5.2.222 CBASS_FW_IMSRAM32KX256E_MAIN_3_SLV_FW_REGION_2_CONTROL Register
          223. 14.1.5.2.223 CBASS_FW_IMSRAM32KX256E_MAIN_3_SLV_FW_REGION_2_PERMISSION_0 Register
          224. 14.1.5.2.224 CBASS_FW_IMSRAM32KX256E_MAIN_3_SLV_FW_REGION_2_PERMISSION_1 Register
          225. 14.1.5.2.225 CBASS_FW_IMSRAM32KX256E_MAIN_3_SLV_FW_REGION_2_PERMISSION_2 Register
          226. 14.1.5.2.226 CBASS_FW_IMSRAM32KX256E_MAIN_3_SLV_FW_REGION_2_START_ADDRESS_L Register
          227. 14.1.5.2.227 CBASS_FW_IMSRAM32KX256E_MAIN_3_SLV_FW_REGION_2_START_ADDRESS_H Register
          228. 14.1.5.2.228 CBASS_FW_IMSRAM32KX256E_MAIN_3_SLV_FW_REGION_2_END_ADDRESS_L Register
          229. 14.1.5.2.229 CBASS_FW_IMSRAM32KX256E_MAIN_3_SLV_FW_REGION_2_END_ADDRESS_H Register
          230. 14.1.5.2.230 CBASS_FW_IMSRAM32KX256E_MAIN_3_SLV_FW_REGION_3_CONTROL Register
          231. 14.1.5.2.231 CBASS_FW_IMSRAM32KX256E_MAIN_3_SLV_FW_REGION_3_PERMISSION_0 Register
          232. 14.1.5.2.232 CBASS_FW_IMSRAM32KX256E_MAIN_3_SLV_FW_REGION_3_PERMISSION_1 Register
          233. 14.1.5.2.233 CBASS_FW_IMSRAM32KX256E_MAIN_3_SLV_FW_REGION_3_PERMISSION_2 Register
          234. 14.1.5.2.234 CBASS_FW_IMSRAM32KX256E_MAIN_3_SLV_FW_REGION_3_START_ADDRESS_L Register
          235. 14.1.5.2.235 CBASS_FW_IMSRAM32KX256E_MAIN_3_SLV_FW_REGION_3_START_ADDRESS_H Register
          236. 14.1.5.2.236 CBASS_FW_IMSRAM32KX256E_MAIN_3_SLV_FW_REGION_3_END_ADDRESS_L Register
          237. 14.1.5.2.237 CBASS_FW_IMSRAM32KX256E_MAIN_3_SLV_FW_REGION_3_END_ADDRESS_H Register
          238. 14.1.5.2.238 CBASS_FW_IMSRAM32KX256E_MAIN_3_SLV_FW_REGION_4_CONTROL Register
          239. 14.1.5.2.239 CBASS_FW_IMSRAM32KX256E_MAIN_3_SLV_FW_REGION_4_PERMISSION_0 Register
          240. 14.1.5.2.240 CBASS_FW_IMSRAM32KX256E_MAIN_3_SLV_FW_REGION_4_PERMISSION_1 Register
          241. 14.1.5.2.241 CBASS_FW_IMSRAM32KX256E_MAIN_3_SLV_FW_REGION_4_PERMISSION_2 Register
          242. 14.1.5.2.242 CBASS_FW_IMSRAM32KX256E_MAIN_3_SLV_FW_REGION_4_START_ADDRESS_L Register
          243. 14.1.5.2.243 CBASS_FW_IMSRAM32KX256E_MAIN_3_SLV_FW_REGION_4_START_ADDRESS_H Register
          244. 14.1.5.2.244 CBASS_FW_IMSRAM32KX256E_MAIN_3_SLV_FW_REGION_4_END_ADDRESS_L Register
          245. 14.1.5.2.245 CBASS_FW_IMSRAM32KX256E_MAIN_3_SLV_FW_REGION_4_END_ADDRESS_H Register
          246. 14.1.5.2.246 CBASS_FW_IMSRAM32KX256E_MAIN_3_SLV_FW_REGION_5_CONTROL Register
          247. 14.1.5.2.247 CBASS_FW_IMSRAM32KX256E_MAIN_3_SLV_FW_REGION_5_PERMISSION_0 Register
          248. 14.1.5.2.248 CBASS_FW_IMSRAM32KX256E_MAIN_3_SLV_FW_REGION_5_PERMISSION_1 Register
          249. 14.1.5.2.249 CBASS_FW_IMSRAM32KX256E_MAIN_3_SLV_FW_REGION_5_PERMISSION_2 Register
          250. 14.1.5.2.250 CBASS_FW_IMSRAM32KX256E_MAIN_3_SLV_FW_REGION_5_START_ADDRESS_L Register
          251. 14.1.5.2.251 CBASS_FW_IMSRAM32KX256E_MAIN_3_SLV_FW_REGION_5_START_ADDRESS_H Register
          252. 14.1.5.2.252 CBASS_FW_IMSRAM32KX256E_MAIN_3_SLV_FW_REGION_5_END_ADDRESS_L Register
          253. 14.1.5.2.253 CBASS_FW_IMSRAM32KX256E_MAIN_3_SLV_FW_REGION_5_END_ADDRESS_H Register
          254. 14.1.5.2.254 CBASS_FW_IMSRAM32KX256E_MAIN_3_SLV_FW_REGION_6_CONTROL Register
          255. 14.1.5.2.255 CBASS_FW_IMSRAM32KX256E_MAIN_3_SLV_FW_REGION_6_PERMISSION_0 Register
          256. 14.1.5.2.256 CBASS_FW_IMSRAM32KX256E_MAIN_3_SLV_FW_REGION_6_PERMISSION_1 Register
          257. 14.1.5.2.257 CBASS_FW_IMSRAM32KX256E_MAIN_3_SLV_FW_REGION_6_PERMISSION_2 Register
          258. 14.1.5.2.258 CBASS_FW_IMSRAM32KX256E_MAIN_3_SLV_FW_REGION_6_START_ADDRESS_L Register
          259. 14.1.5.2.259 CBASS_FW_IMSRAM32KX256E_MAIN_3_SLV_FW_REGION_6_START_ADDRESS_H Register
          260. 14.1.5.2.260 CBASS_FW_IMSRAM32KX256E_MAIN_3_SLV_FW_REGION_6_END_ADDRESS_L Register
          261. 14.1.5.2.261 CBASS_FW_IMSRAM32KX256E_MAIN_3_SLV_FW_REGION_6_END_ADDRESS_H Register
          262. 14.1.5.2.262 CBASS_FW_IMSRAM32KX256E_MAIN_3_SLV_FW_REGION_7_CONTROL Register
          263. 14.1.5.2.263 CBASS_FW_IMSRAM32KX256E_MAIN_3_SLV_FW_REGION_7_PERMISSION_0 Register
          264. 14.1.5.2.264 CBASS_FW_IMSRAM32KX256E_MAIN_3_SLV_FW_REGION_7_PERMISSION_1 Register
          265. 14.1.5.2.265 CBASS_FW_IMSRAM32KX256E_MAIN_3_SLV_FW_REGION_7_PERMISSION_2 Register
          266. 14.1.5.2.266 CBASS_FW_IMSRAM32KX256E_MAIN_3_SLV_FW_REGION_7_START_ADDRESS_L Register
          267. 14.1.5.2.267 CBASS_FW_IMSRAM32KX256E_MAIN_3_SLV_FW_REGION_7_START_ADDRESS_H Register
          268. 14.1.5.2.268 CBASS_FW_IMSRAM32KX256E_MAIN_3_SLV_FW_REGION_7_END_ADDRESS_L Register
          269. 14.1.5.2.269 CBASS_FW_IMSRAM32KX256E_MAIN_3_SLV_FW_REGION_7_END_ADDRESS_H Register
          270. 14.1.5.2.270 CBASS_FW_IMSRAM32KX256E_MAIN_4_SLV_FW_REGION_0_CONTROL Register
          271. 14.1.5.2.271 CBASS_FW_IMSRAM32KX256E_MAIN_4_SLV_FW_REGION_0_PERMISSION_0 Register
          272. 14.1.5.2.272 CBASS_FW_IMSRAM32KX256E_MAIN_4_SLV_FW_REGION_0_PERMISSION_1 Register
          273. 14.1.5.2.273 CBASS_FW_IMSRAM32KX256E_MAIN_4_SLV_FW_REGION_0_PERMISSION_2 Register
          274. 14.1.5.2.274 CBASS_FW_IMSRAM32KX256E_MAIN_4_SLV_FW_REGION_0_START_ADDRESS_L Register
          275. 14.1.5.2.275 CBASS_FW_IMSRAM32KX256E_MAIN_4_SLV_FW_REGION_0_START_ADDRESS_H Register
          276. 14.1.5.2.276 CBASS_FW_IMSRAM32KX256E_MAIN_4_SLV_FW_REGION_0_END_ADDRESS_L Register
          277. 14.1.5.2.277 CBASS_FW_IMSRAM32KX256E_MAIN_4_SLV_FW_REGION_0_END_ADDRESS_H Register
          278. 14.1.5.2.278 CBASS_FW_IMSRAM32KX256E_MAIN_4_SLV_FW_REGION_1_CONTROL Register
          279. 14.1.5.2.279 CBASS_FW_IMSRAM32KX256E_MAIN_4_SLV_FW_REGION_1_PERMISSION_0 Register
          280. 14.1.5.2.280 CBASS_FW_IMSRAM32KX256E_MAIN_4_SLV_FW_REGION_1_PERMISSION_1 Register
          281. 14.1.5.2.281 CBASS_FW_IMSRAM32KX256E_MAIN_4_SLV_FW_REGION_1_PERMISSION_2 Register
          282. 14.1.5.2.282 CBASS_FW_IMSRAM32KX256E_MAIN_4_SLV_FW_REGION_1_START_ADDRESS_L Register
          283. 14.1.5.2.283 CBASS_FW_IMSRAM32KX256E_MAIN_4_SLV_FW_REGION_1_START_ADDRESS_H Register
          284. 14.1.5.2.284 CBASS_FW_IMSRAM32KX256E_MAIN_4_SLV_FW_REGION_1_END_ADDRESS_L Register
          285. 14.1.5.2.285 CBASS_FW_IMSRAM32KX256E_MAIN_4_SLV_FW_REGION_1_END_ADDRESS_H Register
          286. 14.1.5.2.286 CBASS_FW_IMSRAM32KX256E_MAIN_4_SLV_FW_REGION_2_CONTROL Register
          287. 14.1.5.2.287 CBASS_FW_IMSRAM32KX256E_MAIN_4_SLV_FW_REGION_2_PERMISSION_0 Register
          288. 14.1.5.2.288 CBASS_FW_IMSRAM32KX256E_MAIN_4_SLV_FW_REGION_2_PERMISSION_1 Register
          289. 14.1.5.2.289 CBASS_FW_IMSRAM32KX256E_MAIN_4_SLV_FW_REGION_2_PERMISSION_2 Register
          290. 14.1.5.2.290 CBASS_FW_IMSRAM32KX256E_MAIN_4_SLV_FW_REGION_2_START_ADDRESS_L Register
          291. 14.1.5.2.291 CBASS_FW_IMSRAM32KX256E_MAIN_4_SLV_FW_REGION_2_START_ADDRESS_H Register
          292. 14.1.5.2.292 CBASS_FW_IMSRAM32KX256E_MAIN_4_SLV_FW_REGION_2_END_ADDRESS_L Register
          293. 14.1.5.2.293 CBASS_FW_IMSRAM32KX256E_MAIN_4_SLV_FW_REGION_2_END_ADDRESS_H Register
          294. 14.1.5.2.294 CBASS_FW_IMSRAM32KX256E_MAIN_4_SLV_FW_REGION_3_CONTROL Register
          295. 14.1.5.2.295 CBASS_FW_IMSRAM32KX256E_MAIN_4_SLV_FW_REGION_3_PERMISSION_0 Register
          296. 14.1.5.2.296 CBASS_FW_IMSRAM32KX256E_MAIN_4_SLV_FW_REGION_3_PERMISSION_1 Register
          297. 14.1.5.2.297 CBASS_FW_IMSRAM32KX256E_MAIN_4_SLV_FW_REGION_3_PERMISSION_2 Register
          298. 14.1.5.2.298 CBASS_FW_IMSRAM32KX256E_MAIN_4_SLV_FW_REGION_3_START_ADDRESS_L Register
          299. 14.1.5.2.299 CBASS_FW_IMSRAM32KX256E_MAIN_4_SLV_FW_REGION_3_START_ADDRESS_H Register
          300. 14.1.5.2.300 CBASS_FW_IMSRAM32KX256E_MAIN_4_SLV_FW_REGION_3_END_ADDRESS_L Register
          301. 14.1.5.2.301 CBASS_FW_IMSRAM32KX256E_MAIN_4_SLV_FW_REGION_3_END_ADDRESS_H Register
          302. 14.1.5.2.302 CBASS_FW_IMSRAM32KX256E_MAIN_4_SLV_FW_REGION_4_CONTROL Register
          303. 14.1.5.2.303 CBASS_FW_IMSRAM32KX256E_MAIN_4_SLV_FW_REGION_4_PERMISSION_0 Register
          304. 14.1.5.2.304 CBASS_FW_IMSRAM32KX256E_MAIN_4_SLV_FW_REGION_4_PERMISSION_1 Register
          305. 14.1.5.2.305 CBASS_FW_IMSRAM32KX256E_MAIN_4_SLV_FW_REGION_4_PERMISSION_2 Register
          306. 14.1.5.2.306 CBASS_FW_IMSRAM32KX256E_MAIN_4_SLV_FW_REGION_4_START_ADDRESS_L Register
          307. 14.1.5.2.307 CBASS_FW_IMSRAM32KX256E_MAIN_4_SLV_FW_REGION_4_START_ADDRESS_H Register
          308. 14.1.5.2.308 CBASS_FW_IMSRAM32KX256E_MAIN_4_SLV_FW_REGION_4_END_ADDRESS_L Register
          309. 14.1.5.2.309 CBASS_FW_IMSRAM32KX256E_MAIN_4_SLV_FW_REGION_4_END_ADDRESS_H Register
          310. 14.1.5.2.310 CBASS_FW_IMSRAM32KX256E_MAIN_4_SLV_FW_REGION_5_CONTROL Register
          311. 14.1.5.2.311 CBASS_FW_IMSRAM32KX256E_MAIN_4_SLV_FW_REGION_5_PERMISSION_0 Register
          312. 14.1.5.2.312 CBASS_FW_IMSRAM32KX256E_MAIN_4_SLV_FW_REGION_5_PERMISSION_1 Register
          313. 14.1.5.2.313 CBASS_FW_IMSRAM32KX256E_MAIN_4_SLV_FW_REGION_5_PERMISSION_2 Register
          314. 14.1.5.2.314 CBASS_FW_IMSRAM32KX256E_MAIN_4_SLV_FW_REGION_5_START_ADDRESS_L Register
          315. 14.1.5.2.315 CBASS_FW_IMSRAM32KX256E_MAIN_4_SLV_FW_REGION_5_START_ADDRESS_H Register
          316. 14.1.5.2.316 CBASS_FW_IMSRAM32KX256E_MAIN_4_SLV_FW_REGION_5_END_ADDRESS_L Register
          317. 14.1.5.2.317 CBASS_FW_IMSRAM32KX256E_MAIN_4_SLV_FW_REGION_5_END_ADDRESS_H Register
          318. 14.1.5.2.318 CBASS_FW_IMSRAM32KX256E_MAIN_4_SLV_FW_REGION_6_CONTROL Register
          319. 14.1.5.2.319 CBASS_FW_IMSRAM32KX256E_MAIN_4_SLV_FW_REGION_6_PERMISSION_0 Register
          320. 14.1.5.2.320 CBASS_FW_IMSRAM32KX256E_MAIN_4_SLV_FW_REGION_6_PERMISSION_1 Register
          321. 14.1.5.2.321 CBASS_FW_IMSRAM32KX256E_MAIN_4_SLV_FW_REGION_6_PERMISSION_2 Register
          322. 14.1.5.2.322 CBASS_FW_IMSRAM32KX256E_MAIN_4_SLV_FW_REGION_6_START_ADDRESS_L Register
          323. 14.1.5.2.323 CBASS_FW_IMSRAM32KX256E_MAIN_4_SLV_FW_REGION_6_START_ADDRESS_H Register
          324. 14.1.5.2.324 CBASS_FW_IMSRAM32KX256E_MAIN_4_SLV_FW_REGION_6_END_ADDRESS_L Register
          325. 14.1.5.2.325 CBASS_FW_IMSRAM32KX256E_MAIN_4_SLV_FW_REGION_6_END_ADDRESS_H Register
          326. 14.1.5.2.326 CBASS_FW_IMSRAM32KX256E_MAIN_4_SLV_FW_REGION_7_CONTROL Register
          327. 14.1.5.2.327 CBASS_FW_IMSRAM32KX256E_MAIN_4_SLV_FW_REGION_7_PERMISSION_0 Register
          328. 14.1.5.2.328 CBASS_FW_IMSRAM32KX256E_MAIN_4_SLV_FW_REGION_7_PERMISSION_1 Register
          329. 14.1.5.2.329 CBASS_FW_IMSRAM32KX256E_MAIN_4_SLV_FW_REGION_7_PERMISSION_2 Register
          330. 14.1.5.2.330 CBASS_FW_IMSRAM32KX256E_MAIN_4_SLV_FW_REGION_7_START_ADDRESS_L Register
          331. 14.1.5.2.331 CBASS_FW_IMSRAM32KX256E_MAIN_4_SLV_FW_REGION_7_START_ADDRESS_H Register
          332. 14.1.5.2.332 CBASS_FW_IMSRAM32KX256E_MAIN_4_SLV_FW_REGION_7_END_ADDRESS_L Register
          333. 14.1.5.2.333 CBASS_FW_IMSRAM32KX256E_MAIN_4_SLV_FW_REGION_7_END_ADDRESS_H Register
          334. 14.1.5.2.334 CBASS_FW_IMSRAM32KX256E_MAIN_5_SLV_FW_REGION_0_CONTROL Register
          335. 14.1.5.2.335 CBASS_FW_IMSRAM32KX256E_MAIN_5_SLV_FW_REGION_0_PERMISSION_0 Register
          336. 14.1.5.2.336 CBASS_FW_IMSRAM32KX256E_MAIN_5_SLV_FW_REGION_0_PERMISSION_1 Register
          337. 14.1.5.2.337 CBASS_FW_IMSRAM32KX256E_MAIN_5_SLV_FW_REGION_0_PERMISSION_2 Register
          338. 14.1.5.2.338 CBASS_FW_IMSRAM32KX256E_MAIN_5_SLV_FW_REGION_0_START_ADDRESS_L Register
          339. 14.1.5.2.339 CBASS_FW_IMSRAM32KX256E_MAIN_5_SLV_FW_REGION_0_START_ADDRESS_H Register
          340. 14.1.5.2.340 CBASS_FW_IMSRAM32KX256E_MAIN_5_SLV_FW_REGION_0_END_ADDRESS_L Register
          341. 14.1.5.2.341 CBASS_FW_IMSRAM32KX256E_MAIN_5_SLV_FW_REGION_0_END_ADDRESS_H Register
          342. 14.1.5.2.342 CBASS_FW_IMSRAM32KX256E_MAIN_5_SLV_FW_REGION_1_CONTROL Register
          343. 14.1.5.2.343 CBASS_FW_IMSRAM32KX256E_MAIN_5_SLV_FW_REGION_1_PERMISSION_0 Register
          344. 14.1.5.2.344 CBASS_FW_IMSRAM32KX256E_MAIN_5_SLV_FW_REGION_1_PERMISSION_1 Register
          345. 14.1.5.2.345 CBASS_FW_IMSRAM32KX256E_MAIN_5_SLV_FW_REGION_1_PERMISSION_2 Register
          346. 14.1.5.2.346 CBASS_FW_IMSRAM32KX256E_MAIN_5_SLV_FW_REGION_1_START_ADDRESS_L Register
          347. 14.1.5.2.347 CBASS_FW_IMSRAM32KX256E_MAIN_5_SLV_FW_REGION_1_START_ADDRESS_H Register
          348. 14.1.5.2.348 CBASS_FW_IMSRAM32KX256E_MAIN_5_SLV_FW_REGION_1_END_ADDRESS_L Register
          349. 14.1.5.2.349 CBASS_FW_IMSRAM32KX256E_MAIN_5_SLV_FW_REGION_1_END_ADDRESS_H Register
          350. 14.1.5.2.350 CBASS_FW_IMSRAM32KX256E_MAIN_5_SLV_FW_REGION_2_CONTROL Register
          351. 14.1.5.2.351 CBASS_FW_IMSRAM32KX256E_MAIN_5_SLV_FW_REGION_2_PERMISSION_0 Register
          352. 14.1.5.2.352 CBASS_FW_IMSRAM32KX256E_MAIN_5_SLV_FW_REGION_2_PERMISSION_1 Register
          353. 14.1.5.2.353 CBASS_FW_IMSRAM32KX256E_MAIN_5_SLV_FW_REGION_2_PERMISSION_2 Register
          354. 14.1.5.2.354 CBASS_FW_IMSRAM32KX256E_MAIN_5_SLV_FW_REGION_2_START_ADDRESS_L Register
          355. 14.1.5.2.355 CBASS_FW_IMSRAM32KX256E_MAIN_5_SLV_FW_REGION_2_START_ADDRESS_H Register
          356. 14.1.5.2.356 CBASS_FW_IMSRAM32KX256E_MAIN_5_SLV_FW_REGION_2_END_ADDRESS_L Register
          357. 14.1.5.2.357 CBASS_FW_IMSRAM32KX256E_MAIN_5_SLV_FW_REGION_2_END_ADDRESS_H Register
          358. 14.1.5.2.358 CBASS_FW_IMSRAM32KX256E_MAIN_5_SLV_FW_REGION_3_CONTROL Register
          359. 14.1.5.2.359 CBASS_FW_IMSRAM32KX256E_MAIN_5_SLV_FW_REGION_3_PERMISSION_0 Register
          360. 14.1.5.2.360 CBASS_FW_IMSRAM32KX256E_MAIN_5_SLV_FW_REGION_3_PERMISSION_1 Register
          361. 14.1.5.2.361 CBASS_FW_IMSRAM32KX256E_MAIN_5_SLV_FW_REGION_3_PERMISSION_2 Register
          362. 14.1.5.2.362 CBASS_FW_IMSRAM32KX256E_MAIN_5_SLV_FW_REGION_3_START_ADDRESS_L Register
          363. 14.1.5.2.363 CBASS_FW_IMSRAM32KX256E_MAIN_5_SLV_FW_REGION_3_START_ADDRESS_H Register
          364. 14.1.5.2.364 CBASS_FW_IMSRAM32KX256E_MAIN_5_SLV_FW_REGION_3_END_ADDRESS_L Register
          365. 14.1.5.2.365 CBASS_FW_IMSRAM32KX256E_MAIN_5_SLV_FW_REGION_3_END_ADDRESS_H Register
          366. 14.1.5.2.366 CBASS_FW_IMSRAM32KX256E_MAIN_5_SLV_FW_REGION_4_CONTROL Register
          367. 14.1.5.2.367 CBASS_FW_IMSRAM32KX256E_MAIN_5_SLV_FW_REGION_4_PERMISSION_0 Register
          368. 14.1.5.2.368 CBASS_FW_IMSRAM32KX256E_MAIN_5_SLV_FW_REGION_4_PERMISSION_1 Register
          369. 14.1.5.2.369 CBASS_FW_IMSRAM32KX256E_MAIN_5_SLV_FW_REGION_4_PERMISSION_2 Register
          370. 14.1.5.2.370 CBASS_FW_IMSRAM32KX256E_MAIN_5_SLV_FW_REGION_4_START_ADDRESS_L Register
          371. 14.1.5.2.371 CBASS_FW_IMSRAM32KX256E_MAIN_5_SLV_FW_REGION_4_START_ADDRESS_H Register
          372. 14.1.5.2.372 CBASS_FW_IMSRAM32KX256E_MAIN_5_SLV_FW_REGION_4_END_ADDRESS_L Register
          373. 14.1.5.2.373 CBASS_FW_IMSRAM32KX256E_MAIN_5_SLV_FW_REGION_4_END_ADDRESS_H Register
          374. 14.1.5.2.374 CBASS_FW_IMSRAM32KX256E_MAIN_5_SLV_FW_REGION_5_CONTROL Register
          375. 14.1.5.2.375 CBASS_FW_IMSRAM32KX256E_MAIN_5_SLV_FW_REGION_5_PERMISSION_0 Register
          376. 14.1.5.2.376 CBASS_FW_IMSRAM32KX256E_MAIN_5_SLV_FW_REGION_5_PERMISSION_1 Register
          377. 14.1.5.2.377 CBASS_FW_IMSRAM32KX256E_MAIN_5_SLV_FW_REGION_5_PERMISSION_2 Register
          378. 14.1.5.2.378 CBASS_FW_IMSRAM32KX256E_MAIN_5_SLV_FW_REGION_5_START_ADDRESS_L Register
          379. 14.1.5.2.379 CBASS_FW_IMSRAM32KX256E_MAIN_5_SLV_FW_REGION_5_START_ADDRESS_H Register
          380. 14.1.5.2.380 CBASS_FW_IMSRAM32KX256E_MAIN_5_SLV_FW_REGION_5_END_ADDRESS_L Register
          381. 14.1.5.2.381 CBASS_FW_IMSRAM32KX256E_MAIN_5_SLV_FW_REGION_5_END_ADDRESS_H Register
          382. 14.1.5.2.382 CBASS_FW_IMSRAM32KX256E_MAIN_5_SLV_FW_REGION_6_CONTROL Register
          383. 14.1.5.2.383 CBASS_FW_IMSRAM32KX256E_MAIN_5_SLV_FW_REGION_6_PERMISSION_0 Register
          384. 14.1.5.2.384 CBASS_FW_IMSRAM32KX256E_MAIN_5_SLV_FW_REGION_6_PERMISSION_1 Register
          385. 14.1.5.2.385 CBASS_FW_IMSRAM32KX256E_MAIN_5_SLV_FW_REGION_6_PERMISSION_2 Register
          386. 14.1.5.2.386 CBASS_FW_IMSRAM32KX256E_MAIN_5_SLV_FW_REGION_6_START_ADDRESS_L Register
          387. 14.1.5.2.387 CBASS_FW_IMSRAM32KX256E_MAIN_5_SLV_FW_REGION_6_START_ADDRESS_H Register
          388. 14.1.5.2.388 CBASS_FW_IMSRAM32KX256E_MAIN_5_SLV_FW_REGION_6_END_ADDRESS_L Register
          389. 14.1.5.2.389 CBASS_FW_IMSRAM32KX256E_MAIN_5_SLV_FW_REGION_6_END_ADDRESS_H Register
          390. 14.1.5.2.390 CBASS_FW_IMSRAM32KX256E_MAIN_5_SLV_FW_REGION_7_CONTROL Register
          391. 14.1.5.2.391 CBASS_FW_IMSRAM32KX256E_MAIN_5_SLV_FW_REGION_7_PERMISSION_0 Register
          392. 14.1.5.2.392 CBASS_FW_IMSRAM32KX256E_MAIN_5_SLV_FW_REGION_7_PERMISSION_1 Register
          393. 14.1.5.2.393 CBASS_FW_IMSRAM32KX256E_MAIN_5_SLV_FW_REGION_7_PERMISSION_2 Register
          394. 14.1.5.2.394 CBASS_FW_IMSRAM32KX256E_MAIN_5_SLV_FW_REGION_7_START_ADDRESS_L Register
          395. 14.1.5.2.395 CBASS_FW_IMSRAM32KX256E_MAIN_5_SLV_FW_REGION_7_START_ADDRESS_H Register
          396. 14.1.5.2.396 CBASS_FW_IMSRAM32KX256E_MAIN_5_SLV_FW_REGION_7_END_ADDRESS_L Register
          397. 14.1.5.2.397 CBASS_FW_IMSRAM32KX256E_MAIN_5_SLV_FW_REGION_7_END_ADDRESS_H Register
          398. 14.1.5.2.398 CBASS_FW_IAM275_C7XV_WRAP_0_MAIN_0_SOC_C7XV_FW_REGION_0_CONTROL Register
          399. 14.1.5.2.399 CBASS_FW_IAM275_C7XV_WRAP_0_MAIN_0_SOC_C7XV_FW_REGION_0_PERMISSION_0 Register
          400. 14.1.5.2.400 CBASS_FW_IAM275_C7XV_WRAP_0_MAIN_0_SOC_C7XV_FW_REGION_0_PERMISSION_1 Register
          401. 14.1.5.2.401 CBASS_FW_IAM275_C7XV_WRAP_0_MAIN_0_SOC_C7XV_FW_REGION_0_PERMISSION_2 Register
          402. 14.1.5.2.402 CBASS_FW_IAM275_C7XV_WRAP_0_MAIN_0_SOC_C7XV_FW_REGION_0_START_ADDRESS_L Register
          403. 14.1.5.2.403 CBASS_FW_IAM275_C7XV_WRAP_0_MAIN_0_SOC_C7XV_FW_REGION_0_START_ADDRESS_H Register
          404. 14.1.5.2.404 CBASS_FW_IAM275_C7XV_WRAP_0_MAIN_0_SOC_C7XV_FW_REGION_0_END_ADDRESS_L Register
          405. 14.1.5.2.405 CBASS_FW_IAM275_C7XV_WRAP_0_MAIN_0_SOC_C7XV_FW_REGION_0_END_ADDRESS_H Register
          406. 14.1.5.2.406 CBASS_FW_IAM275_C7XV_WRAP_0_MAIN_0_SOC_C7XV_FW_REGION_1_CONTROL Register
          407. 14.1.5.2.407 CBASS_FW_IAM275_C7XV_WRAP_0_MAIN_0_SOC_C7XV_FW_REGION_1_PERMISSION_0 Register
          408. 14.1.5.2.408 CBASS_FW_IAM275_C7XV_WRAP_0_MAIN_0_SOC_C7XV_FW_REGION_1_PERMISSION_1 Register
          409. 14.1.5.2.409 CBASS_FW_IAM275_C7XV_WRAP_0_MAIN_0_SOC_C7XV_FW_REGION_1_PERMISSION_2 Register
          410. 14.1.5.2.410 CBASS_FW_IAM275_C7XV_WRAP_0_MAIN_0_SOC_C7XV_FW_REGION_1_START_ADDRESS_L Register
          411. 14.1.5.2.411 CBASS_FW_IAM275_C7XV_WRAP_0_MAIN_0_SOC_C7XV_FW_REGION_1_START_ADDRESS_H Register
          412. 14.1.5.2.412 CBASS_FW_IAM275_C7XV_WRAP_0_MAIN_0_SOC_C7XV_FW_REGION_1_END_ADDRESS_L Register
          413. 14.1.5.2.413 CBASS_FW_IAM275_C7XV_WRAP_0_MAIN_0_SOC_C7XV_FW_REGION_1_END_ADDRESS_H Register
          414. 14.1.5.2.414 CBASS_FW_IAM275_C7XV_WRAP_0_MAIN_0_SOC_C7XV_FW_REGION_2_CONTROL Register
          415. 14.1.5.2.415 CBASS_FW_IAM275_C7XV_WRAP_0_MAIN_0_SOC_C7XV_FW_REGION_2_PERMISSION_0 Register
          416. 14.1.5.2.416 CBASS_FW_IAM275_C7XV_WRAP_0_MAIN_0_SOC_C7XV_FW_REGION_2_PERMISSION_1 Register
          417. 14.1.5.2.417 CBASS_FW_IAM275_C7XV_WRAP_0_MAIN_0_SOC_C7XV_FW_REGION_2_PERMISSION_2 Register
          418. 14.1.5.2.418 CBASS_FW_IAM275_C7XV_WRAP_0_MAIN_0_SOC_C7XV_FW_REGION_2_START_ADDRESS_L Register
          419. 14.1.5.2.419 CBASS_FW_IAM275_C7XV_WRAP_0_MAIN_0_SOC_C7XV_FW_REGION_2_START_ADDRESS_H Register
          420. 14.1.5.2.420 CBASS_FW_IAM275_C7XV_WRAP_0_MAIN_0_SOC_C7XV_FW_REGION_2_END_ADDRESS_L Register
          421. 14.1.5.2.421 CBASS_FW_IAM275_C7XV_WRAP_0_MAIN_0_SOC_C7XV_FW_REGION_2_END_ADDRESS_H Register
          422. 14.1.5.2.422 CBASS_FW_IAM275_C7XV_WRAP_0_MAIN_0_SOC_C7XV_FW_REGION_3_CONTROL Register
          423. 14.1.5.2.423 CBASS_FW_IAM275_C7XV_WRAP_0_MAIN_0_SOC_C7XV_FW_REGION_3_PERMISSION_0 Register
          424. 14.1.5.2.424 CBASS_FW_IAM275_C7XV_WRAP_0_MAIN_0_SOC_C7XV_FW_REGION_3_PERMISSION_1 Register
          425. 14.1.5.2.425 CBASS_FW_IAM275_C7XV_WRAP_0_MAIN_0_SOC_C7XV_FW_REGION_3_PERMISSION_2 Register
          426. 14.1.5.2.426 CBASS_FW_IAM275_C7XV_WRAP_0_MAIN_0_SOC_C7XV_FW_REGION_3_START_ADDRESS_L Register
          427. 14.1.5.2.427 CBASS_FW_IAM275_C7XV_WRAP_0_MAIN_0_SOC_C7XV_FW_REGION_3_START_ADDRESS_H Register
          428. 14.1.5.2.428 CBASS_FW_IAM275_C7XV_WRAP_0_MAIN_0_SOC_C7XV_FW_REGION_3_END_ADDRESS_L Register
          429. 14.1.5.2.429 CBASS_FW_IAM275_C7XV_WRAP_0_MAIN_0_SOC_C7XV_FW_REGION_3_END_ADDRESS_H Register
          430. 14.1.5.2.430 CBASS_FW_IAM275_C7XV_WRAP_0_MAIN_0_SOC_C7XV_FW_REGION_4_CONTROL Register
          431. 14.1.5.2.431 CBASS_FW_IAM275_C7XV_WRAP_0_MAIN_0_SOC_C7XV_FW_REGION_4_PERMISSION_0 Register
          432. 14.1.5.2.432 CBASS_FW_IAM275_C7XV_WRAP_0_MAIN_0_SOC_C7XV_FW_REGION_4_PERMISSION_1 Register
          433. 14.1.5.2.433 CBASS_FW_IAM275_C7XV_WRAP_0_MAIN_0_SOC_C7XV_FW_REGION_4_PERMISSION_2 Register
          434. 14.1.5.2.434 CBASS_FW_IAM275_C7XV_WRAP_0_MAIN_0_SOC_C7XV_FW_REGION_4_START_ADDRESS_L Register
          435. 14.1.5.2.435 CBASS_FW_IAM275_C7XV_WRAP_0_MAIN_0_SOC_C7XV_FW_REGION_4_START_ADDRESS_H Register
          436. 14.1.5.2.436 CBASS_FW_IAM275_C7XV_WRAP_0_MAIN_0_SOC_C7XV_FW_REGION_4_END_ADDRESS_L Register
          437. 14.1.5.2.437 CBASS_FW_IAM275_C7XV_WRAP_0_MAIN_0_SOC_C7XV_FW_REGION_4_END_ADDRESS_H Register
          438. 14.1.5.2.438 CBASS_FW_IAM275_C7XV_WRAP_0_MAIN_0_SOC_C7XV_FW_REGION_5_CONTROL Register
          439. 14.1.5.2.439 CBASS_FW_IAM275_C7XV_WRAP_0_MAIN_0_SOC_C7XV_FW_REGION_5_PERMISSION_0 Register
          440. 14.1.5.2.440 CBASS_FW_IAM275_C7XV_WRAP_0_MAIN_0_SOC_C7XV_FW_REGION_5_PERMISSION_1 Register
          441. 14.1.5.2.441 CBASS_FW_IAM275_C7XV_WRAP_0_MAIN_0_SOC_C7XV_FW_REGION_5_PERMISSION_2 Register
          442. 14.1.5.2.442 CBASS_FW_IAM275_C7XV_WRAP_0_MAIN_0_SOC_C7XV_FW_REGION_5_START_ADDRESS_L Register
          443. 14.1.5.2.443 CBASS_FW_IAM275_C7XV_WRAP_0_MAIN_0_SOC_C7XV_FW_REGION_5_START_ADDRESS_H Register
          444. 14.1.5.2.444 CBASS_FW_IAM275_C7XV_WRAP_0_MAIN_0_SOC_C7XV_FW_REGION_5_END_ADDRESS_L Register
          445. 14.1.5.2.445 CBASS_FW_IAM275_C7XV_WRAP_0_MAIN_0_SOC_C7XV_FW_REGION_5_END_ADDRESS_H Register
          446. 14.1.5.2.446 CBASS_FW_IAM275_C7XV_WRAP_0_MAIN_0_SOC_C7XV_FW_REGION_6_CONTROL Register
          447. 14.1.5.2.447 CBASS_FW_IAM275_C7XV_WRAP_0_MAIN_0_SOC_C7XV_FW_REGION_6_PERMISSION_0 Register
          448. 14.1.5.2.448 CBASS_FW_IAM275_C7XV_WRAP_0_MAIN_0_SOC_C7XV_FW_REGION_6_PERMISSION_1 Register
          449. 14.1.5.2.449 CBASS_FW_IAM275_C7XV_WRAP_0_MAIN_0_SOC_C7XV_FW_REGION_6_PERMISSION_2 Register
          450. 14.1.5.2.450 CBASS_FW_IAM275_C7XV_WRAP_0_MAIN_0_SOC_C7XV_FW_REGION_6_START_ADDRESS_L Register
          451. 14.1.5.2.451 CBASS_FW_IAM275_C7XV_WRAP_0_MAIN_0_SOC_C7XV_FW_REGION_6_START_ADDRESS_H Register
          452. 14.1.5.2.452 CBASS_FW_IAM275_C7XV_WRAP_0_MAIN_0_SOC_C7XV_FW_REGION_6_END_ADDRESS_L Register
          453. 14.1.5.2.453 CBASS_FW_IAM275_C7XV_WRAP_0_MAIN_0_SOC_C7XV_FW_REGION_6_END_ADDRESS_H Register
          454. 14.1.5.2.454 CBASS_FW_IAM275_C7XV_WRAP_0_MAIN_0_SOC_C7XV_FW_REGION_7_CONTROL Register
          455. 14.1.5.2.455 CBASS_FW_IAM275_C7XV_WRAP_0_MAIN_0_SOC_C7XV_FW_REGION_7_PERMISSION_0 Register
          456. 14.1.5.2.456 CBASS_FW_IAM275_C7XV_WRAP_0_MAIN_0_SOC_C7XV_FW_REGION_7_PERMISSION_1 Register
          457. 14.1.5.2.457 CBASS_FW_IAM275_C7XV_WRAP_0_MAIN_0_SOC_C7XV_FW_REGION_7_PERMISSION_2 Register
          458. 14.1.5.2.458 CBASS_FW_IAM275_C7XV_WRAP_0_MAIN_0_SOC_C7XV_FW_REGION_7_START_ADDRESS_L Register
          459. 14.1.5.2.459 CBASS_FW_IAM275_C7XV_WRAP_0_MAIN_0_SOC_C7XV_FW_REGION_7_START_ADDRESS_H Register
          460. 14.1.5.2.460 CBASS_FW_IAM275_C7XV_WRAP_0_MAIN_0_SOC_C7XV_FW_REGION_7_END_ADDRESS_L Register
          461. 14.1.5.2.461 CBASS_FW_IAM275_C7XV_WRAP_0_MAIN_0_SOC_C7XV_FW_REGION_7_END_ADDRESS_H Register
          462. 14.1.5.2.462 CBASS_FW_IAM275_C7XV_WRAP_1_MAIN_0_SOC_C7XV_FW_REGION_0_CONTROL Register
          463. 14.1.5.2.463 CBASS_FW_IAM275_C7XV_WRAP_1_MAIN_0_SOC_C7XV_FW_REGION_0_PERMISSION_0 Register
          464. 14.1.5.2.464 CBASS_FW_IAM275_C7XV_WRAP_1_MAIN_0_SOC_C7XV_FW_REGION_0_PERMISSION_1 Register
          465. 14.1.5.2.465 CBASS_FW_IAM275_C7XV_WRAP_1_MAIN_0_SOC_C7XV_FW_REGION_0_PERMISSION_2 Register
          466. 14.1.5.2.466 CBASS_FW_IAM275_C7XV_WRAP_1_MAIN_0_SOC_C7XV_FW_REGION_0_START_ADDRESS_L Register
          467. 14.1.5.2.467 CBASS_FW_IAM275_C7XV_WRAP_1_MAIN_0_SOC_C7XV_FW_REGION_0_START_ADDRESS_H Register
          468. 14.1.5.2.468 CBASS_FW_IAM275_C7XV_WRAP_1_MAIN_0_SOC_C7XV_FW_REGION_0_END_ADDRESS_L Register
          469. 14.1.5.2.469 CBASS_FW_IAM275_C7XV_WRAP_1_MAIN_0_SOC_C7XV_FW_REGION_0_END_ADDRESS_H Register
          470. 14.1.5.2.470 CBASS_FW_IAM275_C7XV_WRAP_1_MAIN_0_SOC_C7XV_FW_REGION_1_CONTROL Register
          471. 14.1.5.2.471 CBASS_FW_IAM275_C7XV_WRAP_1_MAIN_0_SOC_C7XV_FW_REGION_1_PERMISSION_0 Register
          472. 14.1.5.2.472 CBASS_FW_IAM275_C7XV_WRAP_1_MAIN_0_SOC_C7XV_FW_REGION_1_PERMISSION_1 Register
          473. 14.1.5.2.473 CBASS_FW_IAM275_C7XV_WRAP_1_MAIN_0_SOC_C7XV_FW_REGION_1_PERMISSION_2 Register
          474. 14.1.5.2.474 CBASS_FW_IAM275_C7XV_WRAP_1_MAIN_0_SOC_C7XV_FW_REGION_1_START_ADDRESS_L Register
          475. 14.1.5.2.475 CBASS_FW_IAM275_C7XV_WRAP_1_MAIN_0_SOC_C7XV_FW_REGION_1_START_ADDRESS_H Register
          476. 14.1.5.2.476 CBASS_FW_IAM275_C7XV_WRAP_1_MAIN_0_SOC_C7XV_FW_REGION_1_END_ADDRESS_L Register
          477. 14.1.5.2.477 CBASS_FW_IAM275_C7XV_WRAP_1_MAIN_0_SOC_C7XV_FW_REGION_1_END_ADDRESS_H Register
          478. 14.1.5.2.478 CBASS_FW_IAM275_C7XV_WRAP_1_MAIN_0_SOC_C7XV_FW_REGION_2_CONTROL Register
          479. 14.1.5.2.479 CBASS_FW_IAM275_C7XV_WRAP_1_MAIN_0_SOC_C7XV_FW_REGION_2_PERMISSION_0 Register
          480. 14.1.5.2.480 CBASS_FW_IAM275_C7XV_WRAP_1_MAIN_0_SOC_C7XV_FW_REGION_2_PERMISSION_1 Register
          481. 14.1.5.2.481 CBASS_FW_IAM275_C7XV_WRAP_1_MAIN_0_SOC_C7XV_FW_REGION_2_PERMISSION_2 Register
          482. 14.1.5.2.482 CBASS_FW_IAM275_C7XV_WRAP_1_MAIN_0_SOC_C7XV_FW_REGION_2_START_ADDRESS_L Register
          483. 14.1.5.2.483 CBASS_FW_IAM275_C7XV_WRAP_1_MAIN_0_SOC_C7XV_FW_REGION_2_START_ADDRESS_H Register
          484. 14.1.5.2.484 CBASS_FW_IAM275_C7XV_WRAP_1_MAIN_0_SOC_C7XV_FW_REGION_2_END_ADDRESS_L Register
          485. 14.1.5.2.485 CBASS_FW_IAM275_C7XV_WRAP_1_MAIN_0_SOC_C7XV_FW_REGION_2_END_ADDRESS_H Register
          486. 14.1.5.2.486 CBASS_FW_IAM275_C7XV_WRAP_1_MAIN_0_SOC_C7XV_FW_REGION_3_CONTROL Register
          487. 14.1.5.2.487 CBASS_FW_IAM275_C7XV_WRAP_1_MAIN_0_SOC_C7XV_FW_REGION_3_PERMISSION_0 Register
          488. 14.1.5.2.488 CBASS_FW_IAM275_C7XV_WRAP_1_MAIN_0_SOC_C7XV_FW_REGION_3_PERMISSION_1 Register
          489. 14.1.5.2.489 CBASS_FW_IAM275_C7XV_WRAP_1_MAIN_0_SOC_C7XV_FW_REGION_3_PERMISSION_2 Register
          490. 14.1.5.2.490 CBASS_FW_IAM275_C7XV_WRAP_1_MAIN_0_SOC_C7XV_FW_REGION_3_START_ADDRESS_L Register
          491. 14.1.5.2.491 CBASS_FW_IAM275_C7XV_WRAP_1_MAIN_0_SOC_C7XV_FW_REGION_3_START_ADDRESS_H Register
          492. 14.1.5.2.492 CBASS_FW_IAM275_C7XV_WRAP_1_MAIN_0_SOC_C7XV_FW_REGION_3_END_ADDRESS_L Register
          493. 14.1.5.2.493 CBASS_FW_IAM275_C7XV_WRAP_1_MAIN_0_SOC_C7XV_FW_REGION_3_END_ADDRESS_H Register
          494. 14.1.5.2.494 CBASS_FW_IAM275_C7XV_WRAP_1_MAIN_0_SOC_C7XV_FW_REGION_4_CONTROL Register
          495. 14.1.5.2.495 CBASS_FW_IAM275_C7XV_WRAP_1_MAIN_0_SOC_C7XV_FW_REGION_4_PERMISSION_0 Register
          496. 14.1.5.2.496 CBASS_FW_IAM275_C7XV_WRAP_1_MAIN_0_SOC_C7XV_FW_REGION_4_PERMISSION_1 Register
          497. 14.1.5.2.497 CBASS_FW_IAM275_C7XV_WRAP_1_MAIN_0_SOC_C7XV_FW_REGION_4_PERMISSION_2 Register
          498. 14.1.5.2.498 CBASS_FW_IAM275_C7XV_WRAP_1_MAIN_0_SOC_C7XV_FW_REGION_4_START_ADDRESS_L Register
          499. 14.1.5.2.499 CBASS_FW_IAM275_C7XV_WRAP_1_MAIN_0_SOC_C7XV_FW_REGION_4_START_ADDRESS_H Register
          500. 14.1.5.2.500 CBASS_FW_IAM275_C7XV_WRAP_1_MAIN_0_SOC_C7XV_FW_REGION_4_END_ADDRESS_L Register
          501. 14.1.5.2.501 CBASS_FW_IAM275_C7XV_WRAP_1_MAIN_0_SOC_C7XV_FW_REGION_4_END_ADDRESS_H Register
          502. 14.1.5.2.502 CBASS_FW_IAM275_C7XV_WRAP_1_MAIN_0_SOC_C7XV_FW_REGION_5_CONTROL Register
          503. 14.1.5.2.503 CBASS_FW_IAM275_C7XV_WRAP_1_MAIN_0_SOC_C7XV_FW_REGION_5_PERMISSION_0 Register
          504. 14.1.5.2.504 CBASS_FW_IAM275_C7XV_WRAP_1_MAIN_0_SOC_C7XV_FW_REGION_5_PERMISSION_1 Register
          505. 14.1.5.2.505 CBASS_FW_IAM275_C7XV_WRAP_1_MAIN_0_SOC_C7XV_FW_REGION_5_PERMISSION_2 Register
          506. 14.1.5.2.506 CBASS_FW_IAM275_C7XV_WRAP_1_MAIN_0_SOC_C7XV_FW_REGION_5_START_ADDRESS_L Register
          507. 14.1.5.2.507 CBASS_FW_IAM275_C7XV_WRAP_1_MAIN_0_SOC_C7XV_FW_REGION_5_START_ADDRESS_H Register
          508. 14.1.5.2.508 CBASS_FW_IAM275_C7XV_WRAP_1_MAIN_0_SOC_C7XV_FW_REGION_5_END_ADDRESS_L Register
          509. 14.1.5.2.509 CBASS_FW_IAM275_C7XV_WRAP_1_MAIN_0_SOC_C7XV_FW_REGION_5_END_ADDRESS_H Register
          510. 14.1.5.2.510 CBASS_FW_IAM275_C7XV_WRAP_1_MAIN_0_SOC_C7XV_FW_REGION_6_CONTROL Register
          511. 14.1.5.2.511 CBASS_FW_IAM275_C7XV_WRAP_1_MAIN_0_SOC_C7XV_FW_REGION_6_PERMISSION_0 Register
          512. 14.1.5.2.512 CBASS_FW_IAM275_C7XV_WRAP_1_MAIN_0_SOC_C7XV_FW_REGION_6_PERMISSION_1 Register
          513. 14.1.5.2.513 CBASS_FW_IAM275_C7XV_WRAP_1_MAIN_0_SOC_C7XV_FW_REGION_6_PERMISSION_2 Register
          514. 14.1.5.2.514 CBASS_FW_IAM275_C7XV_WRAP_1_MAIN_0_SOC_C7XV_FW_REGION_6_START_ADDRESS_L Register
          515. 14.1.5.2.515 CBASS_FW_IAM275_C7XV_WRAP_1_MAIN_0_SOC_C7XV_FW_REGION_6_START_ADDRESS_H Register
          516. 14.1.5.2.516 CBASS_FW_IAM275_C7XV_WRAP_1_MAIN_0_SOC_C7XV_FW_REGION_6_END_ADDRESS_L Register
          517. 14.1.5.2.517 CBASS_FW_IAM275_C7XV_WRAP_1_MAIN_0_SOC_C7XV_FW_REGION_6_END_ADDRESS_H Register
          518. 14.1.5.2.518 CBASS_FW_IAM275_C7XV_WRAP_1_MAIN_0_SOC_C7XV_FW_REGION_7_CONTROL Register
          519. 14.1.5.2.519 CBASS_FW_IAM275_C7XV_WRAP_1_MAIN_0_SOC_C7XV_FW_REGION_7_PERMISSION_0 Register
          520. 14.1.5.2.520 CBASS_FW_IAM275_C7XV_WRAP_1_MAIN_0_SOC_C7XV_FW_REGION_7_PERMISSION_1 Register
          521. 14.1.5.2.521 CBASS_FW_IAM275_C7XV_WRAP_1_MAIN_0_SOC_C7XV_FW_REGION_7_PERMISSION_2 Register
          522. 14.1.5.2.522 CBASS_FW_IAM275_C7XV_WRAP_1_MAIN_0_SOC_C7XV_FW_REGION_7_START_ADDRESS_L Register
          523. 14.1.5.2.523 CBASS_FW_IAM275_C7XV_WRAP_1_MAIN_0_SOC_C7XV_FW_REGION_7_START_ADDRESS_H Register
          524. 14.1.5.2.524 CBASS_FW_IAM275_C7XV_WRAP_1_MAIN_0_SOC_C7XV_FW_REGION_7_END_ADDRESS_L Register
          525. 14.1.5.2.525 CBASS_FW_IAM275_C7XV_WRAP_1_MAIN_0_SOC_C7XV_FW_REGION_7_END_ADDRESS_H Register
          526. 14.1.5.2.526 CBASS_ISC_IAM275_C7XV_WRAP_0_MAIN_0_C7XV_SOC_ISC_REGION_0_CONTROL Register
          527. 14.1.5.2.527 CBASS_ISC_IAM275_C7XV_WRAP_0_MAIN_0_C7XV_SOC_ISC_REGION_0_START_ADDRESS_L Register
          528. 14.1.5.2.528 CBASS_ISC_IAM275_C7XV_WRAP_0_MAIN_0_C7XV_SOC_ISC_REGION_0_START_ADDRESS_H Register
          529. 14.1.5.2.529 CBASS_ISC_IAM275_C7XV_WRAP_0_MAIN_0_C7XV_SOC_ISC_REGION_0_END_ADDRESS_L Register
          530. 14.1.5.2.530 CBASS_ISC_IAM275_C7XV_WRAP_0_MAIN_0_C7XV_SOC_ISC_REGION_0_END_ADDRESS_H Register
          531. 14.1.5.2.531 CBASS_ISC_IAM275_C7XV_WRAP_0_MAIN_0_C7XV_SOC_ISC_REGION_1_CONTROL Register
          532. 14.1.5.2.532 CBASS_ISC_IAM275_C7XV_WRAP_0_MAIN_0_C7XV_SOC_ISC_REGION_1_START_ADDRESS_L Register
          533. 14.1.5.2.533 CBASS_ISC_IAM275_C7XV_WRAP_0_MAIN_0_C7XV_SOC_ISC_REGION_1_START_ADDRESS_H Register
          534. 14.1.5.2.534 CBASS_ISC_IAM275_C7XV_WRAP_0_MAIN_0_C7XV_SOC_ISC_REGION_1_END_ADDRESS_L Register
          535. 14.1.5.2.535 CBASS_ISC_IAM275_C7XV_WRAP_0_MAIN_0_C7XV_SOC_ISC_REGION_1_END_ADDRESS_H Register
          536. 14.1.5.2.536 CBASS_ISC_IAM275_C7XV_WRAP_0_MAIN_0_C7XV_SOC_ISC_REGION_DEF_CONTROL Register
          537. 14.1.5.2.537 CBASS_ISC_IAM275_C7XV_WRAP_1_MAIN_0_C7XV_SOC_ISC_REGION_0_CONTROL Register
          538. 14.1.5.2.538 CBASS_ISC_IAM275_C7XV_WRAP_1_MAIN_0_C7XV_SOC_ISC_REGION_0_START_ADDRESS_L Register
          539. 14.1.5.2.539 CBASS_ISC_IAM275_C7XV_WRAP_1_MAIN_0_C7XV_SOC_ISC_REGION_0_START_ADDRESS_H Register
          540. 14.1.5.2.540 CBASS_ISC_IAM275_C7XV_WRAP_1_MAIN_0_C7XV_SOC_ISC_REGION_0_END_ADDRESS_L Register
          541. 14.1.5.2.541 CBASS_ISC_IAM275_C7XV_WRAP_1_MAIN_0_C7XV_SOC_ISC_REGION_0_END_ADDRESS_H Register
          542. 14.1.5.2.542 CBASS_ISC_IAM275_C7XV_WRAP_1_MAIN_0_C7XV_SOC_ISC_REGION_1_CONTROL Register
          543. 14.1.5.2.543 CBASS_ISC_IAM275_C7XV_WRAP_1_MAIN_0_C7XV_SOC_ISC_REGION_1_START_ADDRESS_L Register
          544. 14.1.5.2.544 CBASS_ISC_IAM275_C7XV_WRAP_1_MAIN_0_C7XV_SOC_ISC_REGION_1_START_ADDRESS_H Register
          545. 14.1.5.2.545 CBASS_ISC_IAM275_C7XV_WRAP_1_MAIN_0_C7XV_SOC_ISC_REGION_1_END_ADDRESS_L Register
          546. 14.1.5.2.546 CBASS_ISC_IAM275_C7XV_WRAP_1_MAIN_0_C7XV_SOC_ISC_REGION_1_END_ADDRESS_H Register
          547. 14.1.5.2.547 CBASS_ISC_IAM275_C7XV_WRAP_1_MAIN_0_C7XV_SOC_ISC_REGION_DEF_CONTROL Register
          548. 14.1.5.2.548 CBASS_ISC_IRL2_OF_CBA4_MAIN_R5_0_CORE0_IIFR_ISC_REGION_0_CONTROL Register
          549. 14.1.5.2.549 CBASS_ISC_IRL2_OF_CBA4_MAIN_R5_0_CORE0_IIFR_ISC_REGION_0_START_ADDRESS_L Register
          550. 14.1.5.2.550 CBASS_ISC_IRL2_OF_CBA4_MAIN_R5_0_CORE0_IIFR_ISC_REGION_0_START_ADDRESS_H Register
          551. 14.1.5.2.551 CBASS_ISC_IRL2_OF_CBA4_MAIN_R5_0_CORE0_IIFR_ISC_REGION_0_END_ADDRESS_L Register
          552. 14.1.5.2.552 CBASS_ISC_IRL2_OF_CBA4_MAIN_R5_0_CORE0_IIFR_ISC_REGION_0_END_ADDRESS_H Register
          553. 14.1.5.2.553 CBASS_ISC_IRL2_OF_CBA4_MAIN_R5_0_CORE0_IIFR_ISC_REGION_1_CONTROL Register
          554. 14.1.5.2.554 CBASS_ISC_IRL2_OF_CBA4_MAIN_R5_0_CORE0_IIFR_ISC_REGION_1_START_ADDRESS_L Register
          555. 14.1.5.2.555 CBASS_ISC_IRL2_OF_CBA4_MAIN_R5_0_CORE0_IIFR_ISC_REGION_1_START_ADDRESS_H Register
          556. 14.1.5.2.556 CBASS_ISC_IRL2_OF_CBA4_MAIN_R5_0_CORE0_IIFR_ISC_REGION_1_END_ADDRESS_L Register
          557. 14.1.5.2.557 CBASS_ISC_IRL2_OF_CBA4_MAIN_R5_0_CORE0_IIFR_ISC_REGION_1_END_ADDRESS_H Register
          558. 14.1.5.2.558 CBASS_ISC_IRL2_OF_CBA4_MAIN_R5_0_CORE0_IIFR_ISC_REGION_2_CONTROL Register
          559. 14.1.5.2.559 CBASS_ISC_IRL2_OF_CBA4_MAIN_R5_0_CORE0_IIFR_ISC_REGION_2_START_ADDRESS_L Register
          560. 14.1.5.2.560 CBASS_ISC_IRL2_OF_CBA4_MAIN_R5_0_CORE0_IIFR_ISC_REGION_2_START_ADDRESS_H Register
          561. 14.1.5.2.561 CBASS_ISC_IRL2_OF_CBA4_MAIN_R5_0_CORE0_IIFR_ISC_REGION_2_END_ADDRESS_L Register
          562. 14.1.5.2.562 CBASS_ISC_IRL2_OF_CBA4_MAIN_R5_0_CORE0_IIFR_ISC_REGION_2_END_ADDRESS_H Register
          563. 14.1.5.2.563 CBASS_ISC_IRL2_OF_CBA4_MAIN_R5_0_CORE0_IIFR_ISC_REGION_3_CONTROL Register
          564. 14.1.5.2.564 CBASS_ISC_IRL2_OF_CBA4_MAIN_R5_0_CORE0_IIFR_ISC_REGION_3_START_ADDRESS_L Register
          565. 14.1.5.2.565 CBASS_ISC_IRL2_OF_CBA4_MAIN_R5_0_CORE0_IIFR_ISC_REGION_3_START_ADDRESS_H Register
          566. 14.1.5.2.566 CBASS_ISC_IRL2_OF_CBA4_MAIN_R5_0_CORE0_IIFR_ISC_REGION_3_END_ADDRESS_L Register
          567. 14.1.5.2.567 CBASS_ISC_IRL2_OF_CBA4_MAIN_R5_0_CORE0_IIFR_ISC_REGION_3_END_ADDRESS_H Register
          568. 14.1.5.2.568 CBASS_ISC_IRL2_OF_CBA4_MAIN_R5_0_CORE0_IIFR_ISC_REGION_DEF_CONTROL Register
          569. 14.1.5.2.569 CBASS_ISC_IRL2_OF_CBA4_MAIN_R5_0_CORE0_IIFW_ISC_REGION_0_CONTROL Register
          570. 14.1.5.2.570 CBASS_ISC_IRL2_OF_CBA4_MAIN_R5_0_CORE0_IIFW_ISC_REGION_0_START_ADDRESS_L Register
          571. 14.1.5.2.571 CBASS_ISC_IRL2_OF_CBA4_MAIN_R5_0_CORE0_IIFW_ISC_REGION_0_START_ADDRESS_H Register
          572. 14.1.5.2.572 CBASS_ISC_IRL2_OF_CBA4_MAIN_R5_0_CORE0_IIFW_ISC_REGION_0_END_ADDRESS_L Register
          573. 14.1.5.2.573 CBASS_ISC_IRL2_OF_CBA4_MAIN_R5_0_CORE0_IIFW_ISC_REGION_0_END_ADDRESS_H Register
          574. 14.1.5.2.574 CBASS_ISC_IRL2_OF_CBA4_MAIN_R5_0_CORE0_IIFW_ISC_REGION_1_CONTROL Register
          575. 14.1.5.2.575 CBASS_ISC_IRL2_OF_CBA4_MAIN_R5_0_CORE0_IIFW_ISC_REGION_1_START_ADDRESS_L Register
          576. 14.1.5.2.576 CBASS_ISC_IRL2_OF_CBA4_MAIN_R5_0_CORE0_IIFW_ISC_REGION_1_START_ADDRESS_H Register
          577. 14.1.5.2.577 CBASS_ISC_IRL2_OF_CBA4_MAIN_R5_0_CORE0_IIFW_ISC_REGION_1_END_ADDRESS_L Register
          578. 14.1.5.2.578 CBASS_ISC_IRL2_OF_CBA4_MAIN_R5_0_CORE0_IIFW_ISC_REGION_1_END_ADDRESS_H Register
          579. 14.1.5.2.579 CBASS_ISC_IRL2_OF_CBA4_MAIN_R5_0_CORE0_IIFW_ISC_REGION_2_CONTROL Register
          580. 14.1.5.2.580 CBASS_ISC_IRL2_OF_CBA4_MAIN_R5_0_CORE0_IIFW_ISC_REGION_2_START_ADDRESS_L Register
          581. 14.1.5.2.581 CBASS_ISC_IRL2_OF_CBA4_MAIN_R5_0_CORE0_IIFW_ISC_REGION_2_START_ADDRESS_H Register
          582. 14.1.5.2.582 CBASS_ISC_IRL2_OF_CBA4_MAIN_R5_0_CORE0_IIFW_ISC_REGION_2_END_ADDRESS_L Register
          583. 14.1.5.2.583 CBASS_ISC_IRL2_OF_CBA4_MAIN_R5_0_CORE0_IIFW_ISC_REGION_2_END_ADDRESS_H Register
          584. 14.1.5.2.584 CBASS_ISC_IRL2_OF_CBA4_MAIN_R5_0_CORE0_IIFW_ISC_REGION_3_CONTROL Register
          585. 14.1.5.2.585 CBASS_ISC_IRL2_OF_CBA4_MAIN_R5_0_CORE0_IIFW_ISC_REGION_3_START_ADDRESS_L Register
          586. 14.1.5.2.586 CBASS_ISC_IRL2_OF_CBA4_MAIN_R5_0_CORE0_IIFW_ISC_REGION_3_START_ADDRESS_H Register
          587. 14.1.5.2.587 CBASS_ISC_IRL2_OF_CBA4_MAIN_R5_0_CORE0_IIFW_ISC_REGION_3_END_ADDRESS_L Register
          588. 14.1.5.2.588 CBASS_ISC_IRL2_OF_CBA4_MAIN_R5_0_CORE0_IIFW_ISC_REGION_3_END_ADDRESS_H Register
          589. 14.1.5.2.589 CBASS_ISC_IRL2_OF_CBA4_MAIN_R5_0_CORE0_IIFW_ISC_REGION_DEF_CONTROL Register
          590. 14.1.5.2.590 CBASS_ISC_IRL2_OF_CBA4_MAIN_R5_0_CORE1_IIFR_ISC_REGION_0_CONTROL Register
          591. 14.1.5.2.591 CBASS_ISC_IRL2_OF_CBA4_MAIN_R5_0_CORE1_IIFR_ISC_REGION_0_START_ADDRESS_L Register
          592. 14.1.5.2.592 CBASS_ISC_IRL2_OF_CBA4_MAIN_R5_0_CORE1_IIFR_ISC_REGION_0_START_ADDRESS_H Register
          593. 14.1.5.2.593 CBASS_ISC_IRL2_OF_CBA4_MAIN_R5_0_CORE1_IIFR_ISC_REGION_0_END_ADDRESS_L Register
          594. 14.1.5.2.594 CBASS_ISC_IRL2_OF_CBA4_MAIN_R5_0_CORE1_IIFR_ISC_REGION_0_END_ADDRESS_H Register
          595. 14.1.5.2.595 CBASS_ISC_IRL2_OF_CBA4_MAIN_R5_0_CORE1_IIFR_ISC_REGION_1_CONTROL Register
          596. 14.1.5.2.596 CBASS_ISC_IRL2_OF_CBA4_MAIN_R5_0_CORE1_IIFR_ISC_REGION_1_START_ADDRESS_L Register
          597. 14.1.5.2.597 CBASS_ISC_IRL2_OF_CBA4_MAIN_R5_0_CORE1_IIFR_ISC_REGION_1_START_ADDRESS_H Register
          598. 14.1.5.2.598 CBASS_ISC_IRL2_OF_CBA4_MAIN_R5_0_CORE1_IIFR_ISC_REGION_1_END_ADDRESS_L Register
          599. 14.1.5.2.599 CBASS_ISC_IRL2_OF_CBA4_MAIN_R5_0_CORE1_IIFR_ISC_REGION_1_END_ADDRESS_H Register
          600. 14.1.5.2.600 CBASS_ISC_IRL2_OF_CBA4_MAIN_R5_0_CORE1_IIFR_ISC_REGION_2_CONTROL Register
          601. 14.1.5.2.601 CBASS_ISC_IRL2_OF_CBA4_MAIN_R5_0_CORE1_IIFR_ISC_REGION_2_START_ADDRESS_L Register
          602. 14.1.5.2.602 CBASS_ISC_IRL2_OF_CBA4_MAIN_R5_0_CORE1_IIFR_ISC_REGION_2_START_ADDRESS_H Register
          603. 14.1.5.2.603 CBASS_ISC_IRL2_OF_CBA4_MAIN_R5_0_CORE1_IIFR_ISC_REGION_2_END_ADDRESS_L Register
          604. 14.1.5.2.604 CBASS_ISC_IRL2_OF_CBA4_MAIN_R5_0_CORE1_IIFR_ISC_REGION_2_END_ADDRESS_H Register
          605. 14.1.5.2.605 CBASS_ISC_IRL2_OF_CBA4_MAIN_R5_0_CORE1_IIFR_ISC_REGION_3_CONTROL Register
          606. 14.1.5.2.606 CBASS_ISC_IRL2_OF_CBA4_MAIN_R5_0_CORE1_IIFR_ISC_REGION_3_START_ADDRESS_L Register
          607. 14.1.5.2.607 CBASS_ISC_IRL2_OF_CBA4_MAIN_R5_0_CORE1_IIFR_ISC_REGION_3_START_ADDRESS_H Register
          608. 14.1.5.2.608 CBASS_ISC_IRL2_OF_CBA4_MAIN_R5_0_CORE1_IIFR_ISC_REGION_3_END_ADDRESS_L Register
          609. 14.1.5.2.609 CBASS_ISC_IRL2_OF_CBA4_MAIN_R5_0_CORE1_IIFR_ISC_REGION_3_END_ADDRESS_H Register
          610. 14.1.5.2.610 CBASS_ISC_IRL2_OF_CBA4_MAIN_R5_0_CORE1_IIFR_ISC_REGION_DEF_CONTROL Register
          611. 14.1.5.2.611 CBASS_ISC_IRL2_OF_CBA4_MAIN_R5_0_CORE1_IIFW_ISC_REGION_0_CONTROL Register
          612. 14.1.5.2.612 CBASS_ISC_IRL2_OF_CBA4_MAIN_R5_0_CORE1_IIFW_ISC_REGION_0_START_ADDRESS_L Register
          613. 14.1.5.2.613 CBASS_ISC_IRL2_OF_CBA4_MAIN_R5_0_CORE1_IIFW_ISC_REGION_0_START_ADDRESS_H Register
          614. 14.1.5.2.614 CBASS_ISC_IRL2_OF_CBA4_MAIN_R5_0_CORE1_IIFW_ISC_REGION_0_END_ADDRESS_L Register
          615. 14.1.5.2.615 CBASS_ISC_IRL2_OF_CBA4_MAIN_R5_0_CORE1_IIFW_ISC_REGION_0_END_ADDRESS_H Register
          616. 14.1.5.2.616 CBASS_ISC_IRL2_OF_CBA4_MAIN_R5_0_CORE1_IIFW_ISC_REGION_1_CONTROL Register
          617. 14.1.5.2.617 CBASS_ISC_IRL2_OF_CBA4_MAIN_R5_0_CORE1_IIFW_ISC_REGION_1_START_ADDRESS_L Register
          618. 14.1.5.2.618 CBASS_ISC_IRL2_OF_CBA4_MAIN_R5_0_CORE1_IIFW_ISC_REGION_1_START_ADDRESS_H Register
          619. 14.1.5.2.619 CBASS_ISC_IRL2_OF_CBA4_MAIN_R5_0_CORE1_IIFW_ISC_REGION_1_END_ADDRESS_L Register
          620. 14.1.5.2.620 CBASS_ISC_IRL2_OF_CBA4_MAIN_R5_0_CORE1_IIFW_ISC_REGION_1_END_ADDRESS_H Register
          621. 14.1.5.2.621 CBASS_ISC_IRL2_OF_CBA4_MAIN_R5_0_CORE1_IIFW_ISC_REGION_2_CONTROL Register
          622. 14.1.5.2.622 CBASS_ISC_IRL2_OF_CBA4_MAIN_R5_0_CORE1_IIFW_ISC_REGION_2_START_ADDRESS_L Register
          623. 14.1.5.2.623 CBASS_ISC_IRL2_OF_CBA4_MAIN_R5_0_CORE1_IIFW_ISC_REGION_2_START_ADDRESS_H Register
          624. 14.1.5.2.624 CBASS_ISC_IRL2_OF_CBA4_MAIN_R5_0_CORE1_IIFW_ISC_REGION_2_END_ADDRESS_L Register
          625. 14.1.5.2.625 CBASS_ISC_IRL2_OF_CBA4_MAIN_R5_0_CORE1_IIFW_ISC_REGION_2_END_ADDRESS_H Register
          626. 14.1.5.2.626 CBASS_ISC_IRL2_OF_CBA4_MAIN_R5_0_CORE1_IIFW_ISC_REGION_3_CONTROL Register
          627. 14.1.5.2.627 CBASS_ISC_IRL2_OF_CBA4_MAIN_R5_0_CORE1_IIFW_ISC_REGION_3_START_ADDRESS_L Register
          628. 14.1.5.2.628 CBASS_ISC_IRL2_OF_CBA4_MAIN_R5_0_CORE1_IIFW_ISC_REGION_3_START_ADDRESS_H Register
          629. 14.1.5.2.629 CBASS_ISC_IRL2_OF_CBA4_MAIN_R5_0_CORE1_IIFW_ISC_REGION_3_END_ADDRESS_L Register
          630. 14.1.5.2.630 CBASS_ISC_IRL2_OF_CBA4_MAIN_R5_0_CORE1_IIFW_ISC_REGION_3_END_ADDRESS_H Register
          631. 14.1.5.2.631 CBASS_ISC_IRL2_OF_CBA4_MAIN_R5_0_CORE1_IIFW_ISC_REGION_DEF_CONTROL Register
          632. 14.1.5.2.632 CBASS_ISC_IRL2_OF_CBA4_MAIN_R5_1_CORE0_IIFR_ISC_REGION_0_CONTROL Register
          633. 14.1.5.2.633 CBASS_ISC_IRL2_OF_CBA4_MAIN_R5_1_CORE0_IIFR_ISC_REGION_0_START_ADDRESS_L Register
          634. 14.1.5.2.634 CBASS_ISC_IRL2_OF_CBA4_MAIN_R5_1_CORE0_IIFR_ISC_REGION_0_START_ADDRESS_H Register
          635. 14.1.5.2.635 CBASS_ISC_IRL2_OF_CBA4_MAIN_R5_1_CORE0_IIFR_ISC_REGION_0_END_ADDRESS_L Register
          636. 14.1.5.2.636 CBASS_ISC_IRL2_OF_CBA4_MAIN_R5_1_CORE0_IIFR_ISC_REGION_0_END_ADDRESS_H Register
          637. 14.1.5.2.637 CBASS_ISC_IRL2_OF_CBA4_MAIN_R5_1_CORE0_IIFR_ISC_REGION_1_CONTROL Register
          638. 14.1.5.2.638 CBASS_ISC_IRL2_OF_CBA4_MAIN_R5_1_CORE0_IIFR_ISC_REGION_1_START_ADDRESS_L Register
          639. 14.1.5.2.639 CBASS_ISC_IRL2_OF_CBA4_MAIN_R5_1_CORE0_IIFR_ISC_REGION_1_START_ADDRESS_H Register
          640. 14.1.5.2.640 CBASS_ISC_IRL2_OF_CBA4_MAIN_R5_1_CORE0_IIFR_ISC_REGION_1_END_ADDRESS_L Register
          641. 14.1.5.2.641 CBASS_ISC_IRL2_OF_CBA4_MAIN_R5_1_CORE0_IIFR_ISC_REGION_1_END_ADDRESS_H Register
          642. 14.1.5.2.642 CBASS_ISC_IRL2_OF_CBA4_MAIN_R5_1_CORE0_IIFR_ISC_REGION_2_CONTROL Register
          643. 14.1.5.2.643 CBASS_ISC_IRL2_OF_CBA4_MAIN_R5_1_CORE0_IIFR_ISC_REGION_2_START_ADDRESS_L Register
          644. 14.1.5.2.644 CBASS_ISC_IRL2_OF_CBA4_MAIN_R5_1_CORE0_IIFR_ISC_REGION_2_START_ADDRESS_H Register
          645. 14.1.5.2.645 CBASS_ISC_IRL2_OF_CBA4_MAIN_R5_1_CORE0_IIFR_ISC_REGION_2_END_ADDRESS_L Register
          646. 14.1.5.2.646 CBASS_ISC_IRL2_OF_CBA4_MAIN_R5_1_CORE0_IIFR_ISC_REGION_2_END_ADDRESS_H Register
          647. 14.1.5.2.647 CBASS_ISC_IRL2_OF_CBA4_MAIN_R5_1_CORE0_IIFR_ISC_REGION_3_CONTROL Register
          648. 14.1.5.2.648 CBASS_ISC_IRL2_OF_CBA4_MAIN_R5_1_CORE0_IIFR_ISC_REGION_3_START_ADDRESS_L Register
          649. 14.1.5.2.649 CBASS_ISC_IRL2_OF_CBA4_MAIN_R5_1_CORE0_IIFR_ISC_REGION_3_START_ADDRESS_H Register
          650. 14.1.5.2.650 CBASS_ISC_IRL2_OF_CBA4_MAIN_R5_1_CORE0_IIFR_ISC_REGION_3_END_ADDRESS_L Register
          651. 14.1.5.2.651 CBASS_ISC_IRL2_OF_CBA4_MAIN_R5_1_CORE0_IIFR_ISC_REGION_3_END_ADDRESS_H Register
          652. 14.1.5.2.652 CBASS_ISC_IRL2_OF_CBA4_MAIN_R5_1_CORE0_IIFR_ISC_REGION_DEF_CONTROL Register
          653. 14.1.5.2.653 CBASS_ISC_IRL2_OF_CBA4_MAIN_R5_1_CORE0_IIFW_ISC_REGION_0_CONTROL Register
          654. 14.1.5.2.654 CBASS_ISC_IRL2_OF_CBA4_MAIN_R5_1_CORE0_IIFW_ISC_REGION_0_START_ADDRESS_L Register
          655. 14.1.5.2.655 CBASS_ISC_IRL2_OF_CBA4_MAIN_R5_1_CORE0_IIFW_ISC_REGION_0_START_ADDRESS_H Register
          656. 14.1.5.2.656 CBASS_ISC_IRL2_OF_CBA4_MAIN_R5_1_CORE0_IIFW_ISC_REGION_0_END_ADDRESS_L Register
          657. 14.1.5.2.657 CBASS_ISC_IRL2_OF_CBA4_MAIN_R5_1_CORE0_IIFW_ISC_REGION_0_END_ADDRESS_H Register
          658. 14.1.5.2.658 CBASS_ISC_IRL2_OF_CBA4_MAIN_R5_1_CORE0_IIFW_ISC_REGION_1_CONTROL Register
          659. 14.1.5.2.659 CBASS_ISC_IRL2_OF_CBA4_MAIN_R5_1_CORE0_IIFW_ISC_REGION_1_START_ADDRESS_L Register
          660. 14.1.5.2.660 CBASS_ISC_IRL2_OF_CBA4_MAIN_R5_1_CORE0_IIFW_ISC_REGION_1_START_ADDRESS_H Register
          661. 14.1.5.2.661 CBASS_ISC_IRL2_OF_CBA4_MAIN_R5_1_CORE0_IIFW_ISC_REGION_1_END_ADDRESS_L Register
          662. 14.1.5.2.662 CBASS_ISC_IRL2_OF_CBA4_MAIN_R5_1_CORE0_IIFW_ISC_REGION_1_END_ADDRESS_H Register
          663. 14.1.5.2.663 CBASS_ISC_IRL2_OF_CBA4_MAIN_R5_1_CORE0_IIFW_ISC_REGION_2_CONTROL Register
          664. 14.1.5.2.664 CBASS_ISC_IRL2_OF_CBA4_MAIN_R5_1_CORE0_IIFW_ISC_REGION_2_START_ADDRESS_L Register
          665. 14.1.5.2.665 CBASS_ISC_IRL2_OF_CBA4_MAIN_R5_1_CORE0_IIFW_ISC_REGION_2_START_ADDRESS_H Register
          666. 14.1.5.2.666 CBASS_ISC_IRL2_OF_CBA4_MAIN_R5_1_CORE0_IIFW_ISC_REGION_2_END_ADDRESS_L Register
          667. 14.1.5.2.667 CBASS_ISC_IRL2_OF_CBA4_MAIN_R5_1_CORE0_IIFW_ISC_REGION_2_END_ADDRESS_H Register
          668. 14.1.5.2.668 CBASS_ISC_IRL2_OF_CBA4_MAIN_R5_1_CORE0_IIFW_ISC_REGION_3_CONTROL Register
          669. 14.1.5.2.669 CBASS_ISC_IRL2_OF_CBA4_MAIN_R5_1_CORE0_IIFW_ISC_REGION_3_START_ADDRESS_L Register
          670. 14.1.5.2.670 CBASS_ISC_IRL2_OF_CBA4_MAIN_R5_1_CORE0_IIFW_ISC_REGION_3_START_ADDRESS_H Register
          671. 14.1.5.2.671 CBASS_ISC_IRL2_OF_CBA4_MAIN_R5_1_CORE0_IIFW_ISC_REGION_3_END_ADDRESS_L Register
          672. 14.1.5.2.672 CBASS_ISC_IRL2_OF_CBA4_MAIN_R5_1_CORE0_IIFW_ISC_REGION_3_END_ADDRESS_H Register
          673. 14.1.5.2.673 CBASS_ISC_IRL2_OF_CBA4_MAIN_R5_1_CORE0_IIFW_ISC_REGION_DEF_CONTROL Register
          674. 14.1.5.2.674 CBASS_ISC_IRL2_OF_CBA4_MAIN_R5_1_CORE1_IIFR_ISC_REGION_0_CONTROL Register
          675. 14.1.5.2.675 CBASS_ISC_IRL2_OF_CBA4_MAIN_R5_1_CORE1_IIFR_ISC_REGION_0_START_ADDRESS_L Register
          676. 14.1.5.2.676 CBASS_ISC_IRL2_OF_CBA4_MAIN_R5_1_CORE1_IIFR_ISC_REGION_0_START_ADDRESS_H Register
          677. 14.1.5.2.677 CBASS_ISC_IRL2_OF_CBA4_MAIN_R5_1_CORE1_IIFR_ISC_REGION_0_END_ADDRESS_L Register
          678. 14.1.5.2.678 CBASS_ISC_IRL2_OF_CBA4_MAIN_R5_1_CORE1_IIFR_ISC_REGION_0_END_ADDRESS_H Register
          679. 14.1.5.2.679 CBASS_ISC_IRL2_OF_CBA4_MAIN_R5_1_CORE1_IIFR_ISC_REGION_1_CONTROL Register
          680. 14.1.5.2.680 CBASS_ISC_IRL2_OF_CBA4_MAIN_R5_1_CORE1_IIFR_ISC_REGION_1_START_ADDRESS_L Register
          681. 14.1.5.2.681 CBASS_ISC_IRL2_OF_CBA4_MAIN_R5_1_CORE1_IIFR_ISC_REGION_1_START_ADDRESS_H Register
          682. 14.1.5.2.682 CBASS_ISC_IRL2_OF_CBA4_MAIN_R5_1_CORE1_IIFR_ISC_REGION_1_END_ADDRESS_L Register
          683. 14.1.5.2.683 CBASS_ISC_IRL2_OF_CBA4_MAIN_R5_1_CORE1_IIFR_ISC_REGION_1_END_ADDRESS_H Register
          684. 14.1.5.2.684 CBASS_ISC_IRL2_OF_CBA4_MAIN_R5_1_CORE1_IIFR_ISC_REGION_2_CONTROL Register
          685. 14.1.5.2.685 CBASS_ISC_IRL2_OF_CBA4_MAIN_R5_1_CORE1_IIFR_ISC_REGION_2_START_ADDRESS_L Register
          686. 14.1.5.2.686 CBASS_ISC_IRL2_OF_CBA4_MAIN_R5_1_CORE1_IIFR_ISC_REGION_2_START_ADDRESS_H Register
          687. 14.1.5.2.687 CBASS_ISC_IRL2_OF_CBA4_MAIN_R5_1_CORE1_IIFR_ISC_REGION_2_END_ADDRESS_L Register
          688. 14.1.5.2.688 CBASS_ISC_IRL2_OF_CBA4_MAIN_R5_1_CORE1_IIFR_ISC_REGION_2_END_ADDRESS_H Register
          689. 14.1.5.2.689 CBASS_ISC_IRL2_OF_CBA4_MAIN_R5_1_CORE1_IIFR_ISC_REGION_3_CONTROL Register
          690. 14.1.5.2.690 CBASS_ISC_IRL2_OF_CBA4_MAIN_R5_1_CORE1_IIFR_ISC_REGION_3_START_ADDRESS_L Register
          691. 14.1.5.2.691 CBASS_ISC_IRL2_OF_CBA4_MAIN_R5_1_CORE1_IIFR_ISC_REGION_3_START_ADDRESS_H Register
          692. 14.1.5.2.692 CBASS_ISC_IRL2_OF_CBA4_MAIN_R5_1_CORE1_IIFR_ISC_REGION_3_END_ADDRESS_L Register
          693. 14.1.5.2.693 CBASS_ISC_IRL2_OF_CBA4_MAIN_R5_1_CORE1_IIFR_ISC_REGION_3_END_ADDRESS_H Register
          694. 14.1.5.2.694 CBASS_ISC_IRL2_OF_CBA4_MAIN_R5_1_CORE1_IIFR_ISC_REGION_DEF_CONTROL Register
          695. 14.1.5.2.695 CBASS_ISC_IRL2_OF_CBA4_MAIN_R5_1_CORE1_IIFW_ISC_REGION_0_CONTROL Register
          696. 14.1.5.2.696 CBASS_ISC_IRL2_OF_CBA4_MAIN_R5_1_CORE1_IIFW_ISC_REGION_0_START_ADDRESS_L Register
          697. 14.1.5.2.697 CBASS_ISC_IRL2_OF_CBA4_MAIN_R5_1_CORE1_IIFW_ISC_REGION_0_START_ADDRESS_H Register
          698. 14.1.5.2.698 CBASS_ISC_IRL2_OF_CBA4_MAIN_R5_1_CORE1_IIFW_ISC_REGION_0_END_ADDRESS_L Register
          699. 14.1.5.2.699 CBASS_ISC_IRL2_OF_CBA4_MAIN_R5_1_CORE1_IIFW_ISC_REGION_0_END_ADDRESS_H Register
          700. 14.1.5.2.700 CBASS_ISC_IRL2_OF_CBA4_MAIN_R5_1_CORE1_IIFW_ISC_REGION_1_CONTROL Register
          701. 14.1.5.2.701 CBASS_ISC_IRL2_OF_CBA4_MAIN_R5_1_CORE1_IIFW_ISC_REGION_1_START_ADDRESS_L Register
          702. 14.1.5.2.702 CBASS_ISC_IRL2_OF_CBA4_MAIN_R5_1_CORE1_IIFW_ISC_REGION_1_START_ADDRESS_H Register
          703. 14.1.5.2.703 CBASS_ISC_IRL2_OF_CBA4_MAIN_R5_1_CORE1_IIFW_ISC_REGION_1_END_ADDRESS_L Register
          704. 14.1.5.2.704 CBASS_ISC_IRL2_OF_CBA4_MAIN_R5_1_CORE1_IIFW_ISC_REGION_1_END_ADDRESS_H Register
          705. 14.1.5.2.705 CBASS_ISC_IRL2_OF_CBA4_MAIN_R5_1_CORE1_IIFW_ISC_REGION_2_CONTROL Register
          706. 14.1.5.2.706 CBASS_ISC_IRL2_OF_CBA4_MAIN_R5_1_CORE1_IIFW_ISC_REGION_2_START_ADDRESS_L Register
          707. 14.1.5.2.707 CBASS_ISC_IRL2_OF_CBA4_MAIN_R5_1_CORE1_IIFW_ISC_REGION_2_START_ADDRESS_H Register
          708. 14.1.5.2.708 CBASS_ISC_IRL2_OF_CBA4_MAIN_R5_1_CORE1_IIFW_ISC_REGION_2_END_ADDRESS_L Register
          709. 14.1.5.2.709 CBASS_ISC_IRL2_OF_CBA4_MAIN_R5_1_CORE1_IIFW_ISC_REGION_2_END_ADDRESS_H Register
          710. 14.1.5.2.710 CBASS_ISC_IRL2_OF_CBA4_MAIN_R5_1_CORE1_IIFW_ISC_REGION_3_CONTROL Register
          711. 14.1.5.2.711 CBASS_ISC_IRL2_OF_CBA4_MAIN_R5_1_CORE1_IIFW_ISC_REGION_3_START_ADDRESS_L Register
          712. 14.1.5.2.712 CBASS_ISC_IRL2_OF_CBA4_MAIN_R5_1_CORE1_IIFW_ISC_REGION_3_START_ADDRESS_H Register
          713. 14.1.5.2.713 CBASS_ISC_IRL2_OF_CBA4_MAIN_R5_1_CORE1_IIFW_ISC_REGION_3_END_ADDRESS_L Register
          714. 14.1.5.2.714 CBASS_ISC_IRL2_OF_CBA4_MAIN_R5_1_CORE1_IIFW_ISC_REGION_3_END_ADDRESS_H Register
          715. 14.1.5.2.715 CBASS_ISC_IRL2_OF_CBA4_MAIN_R5_1_CORE1_IIFW_ISC_REGION_DEF_CONTROL Register
          716. 14.1.5.2.716 CBASS_GLB_PID Register
          717. 14.1.5.2.717 CBASS_GLB_DESTINATION_ID Register
          718. 14.1.5.2.718 CBASS_GLB_EXCEPTION_LOGGING_CONTROL Register
          719. 14.1.5.2.719 CBASS_GLB_EXCEPTION_LOGGING_HEADER0 Register
          720. 14.1.5.2.720 CBASS_GLB_EXCEPTION_LOGGING_HEADER1 Register
          721. 14.1.5.2.721 CBASS_GLB_EXCEPTION_LOGGING_DATA0 Register
          722. 14.1.5.2.722 CBASS_GLB_EXCEPTION_LOGGING_DATA1 Register
          723. 14.1.5.2.723 CBASS_GLB_EXCEPTION_LOGGING_DATA2 Register
          724. 14.1.5.2.724 CBASS_GLB_EXCEPTION_LOGGING_DATA3 Register
          725. 14.1.5.2.725 CBASS_GLB_EXCEPTION_PEND_SET Register
          726. 14.1.5.2.726 CBASS_GLB_EXCEPTION_PEND_CLEAR Register
          727. 14.1.5.2.727 CBASS_QOS_IAM275_C7XV_WRAP_0_MAIN_0_C7XV_SOC_MAP0 Register
          728. 14.1.5.2.728 CBASS_QOS_IAM275_C7XV_WRAP_0_MAIN_0_C7XV_SOC_MAP1 Register
          729. 14.1.5.2.729 CBASS_QOS_IAM275_C7XV_WRAP_1_MAIN_0_C7XV_SOC_MAP0 Register
          730. 14.1.5.2.730 CBASS_QOS_IAM275_C7XV_WRAP_1_MAIN_0_C7XV_SOC_MAP1 Register
          731. 14.1.5.2.731 CBASS_QOS_IRL2_OF_CBA4_MAIN_R5_0_CORE0_IIFR_MAP0 Register
          732. 14.1.5.2.732 CBASS_QOS_IRL2_OF_CBA4_MAIN_R5_0_CORE0_IIFW_MAP0 Register
          733. 14.1.5.2.733 CBASS_QOS_IRL2_OF_CBA4_MAIN_R5_0_CORE1_IIFR_MAP0 Register
          734. 14.1.5.2.734 CBASS_QOS_IRL2_OF_CBA4_MAIN_R5_0_CORE1_IIFW_MAP0 Register
          735. 14.1.5.2.735 CBASS_QOS_IRL2_OF_CBA4_MAIN_R5_1_CORE0_IIFR_MAP0 Register
          736. 14.1.5.2.736 CBASS_QOS_IRL2_OF_CBA4_MAIN_R5_1_CORE0_IIFW_MAP0 Register
          737. 14.1.5.2.737 CBASS_QOS_IRL2_OF_CBA4_MAIN_R5_1_CORE1_IIFR_MAP0 Register
          738. 14.1.5.2.738 CBASS_QOS_IRL2_OF_CBA4_MAIN_R5_1_CORE1_IIFW_MAP0 Register
      6. 14.1.6 CBASS_MISC_PERI
        1. 14.1.6.1 CBASS_MISC_PERI Summaries
          1.        3962
          2.        3963
          3.        3964
          4.        3965
          5.        3966
        2. 14.1.6.2 CBASS_MISC_PERI Registers
          1. 14.1.6.2.1   CBASS_ERR_PID Register
          2. 14.1.6.2.2   CBASS_ERR_DESTINATION_ID Register
          3. 14.1.6.2.3   CBASS_ERR_EXCEPTION_LOGGING_HEADER0 Register
          4. 14.1.6.2.4   CBASS_ERR_EXCEPTION_LOGGING_HEADER1 Register
          5. 14.1.6.2.5   CBASS_ERR_EXCEPTION_LOGGING_DATA0 Register
          6. 14.1.6.2.6   CBASS_ERR_EXCEPTION_LOGGING_DATA1 Register
          7. 14.1.6.2.7   CBASS_ERR_EXCEPTION_LOGGING_DATA2 Register
          8. 14.1.6.2.8   CBASS_ERR_EXCEPTION_LOGGING_DATA3 Register
          9. 14.1.6.2.9   CBASS_ERR_ERR_INTR_RAW_STAT Register
          10. 14.1.6.2.10  CBASS_ERR_ERR_INTR_ENABLED_STAT Register
          11. 14.1.6.2.11  CBASS_ERR_ERR_INTR_ENABLE_SET Register
          12. 14.1.6.2.12  CBASS_ERR_ERR_INTR_ENABLE_CLR Register
          13. 14.1.6.2.13  CBASS_ERR_EOI Register
          14. 14.1.6.2.14  CBASS_FW_IADC12FC_16FFC_MAIN_0_CBA0_CFG_FW_REGION_0_CONTROL Register
          15. 14.1.6.2.15  CBASS_FW_IADC12FC_16FFC_MAIN_0_CBA0_CFG_FW_REGION_0_PERMISSION_0 Register
          16. 14.1.6.2.16  CBASS_FW_IADC12FC_16FFC_MAIN_0_CBA0_CFG_FW_REGION_0_PERMISSION_1 Register
          17. 14.1.6.2.17  CBASS_FW_IADC12FC_16FFC_MAIN_0_CBA0_CFG_FW_REGION_0_PERMISSION_2 Register
          18. 14.1.6.2.18  CBASS_FW_IADC12FC_16FFC_MAIN_0_CBA0_CFG_FW_REGION_0_START_ADDRESS_L Register
          19. 14.1.6.2.19  CBASS_FW_IADC12FC_16FFC_MAIN_0_CBA0_CFG_FW_REGION_0_START_ADDRESS_H Register
          20. 14.1.6.2.20  CBASS_FW_IADC12FC_16FFC_MAIN_0_CBA0_CFG_FW_REGION_0_END_ADDRESS_L Register
          21. 14.1.6.2.21  CBASS_FW_IADC12FC_16FFC_MAIN_0_CBA0_CFG_FW_REGION_0_END_ADDRESS_H Register
          22. 14.1.6.2.22  CBASS_FW_IADC12FC_16FFC_MAIN_0_CBA1_DMA_FW_REGION_0_CONTROL Register
          23. 14.1.6.2.23  CBASS_FW_IADC12FC_16FFC_MAIN_0_CBA1_DMA_FW_REGION_0_PERMISSION_0 Register
          24. 14.1.6.2.24  CBASS_FW_IADC12FC_16FFC_MAIN_0_CBA1_DMA_FW_REGION_0_PERMISSION_1 Register
          25. 14.1.6.2.25  CBASS_FW_IADC12FC_16FFC_MAIN_0_CBA1_DMA_FW_REGION_0_PERMISSION_2 Register
          26. 14.1.6.2.26  CBASS_FW_IADC12FC_16FFC_MAIN_0_CBA1_DMA_FW_REGION_0_START_ADDRESS_L Register
          27. 14.1.6.2.27  CBASS_FW_IADC12FC_16FFC_MAIN_0_CBA1_DMA_FW_REGION_0_START_ADDRESS_H Register
          28. 14.1.6.2.28  CBASS_FW_IADC12FC_16FFC_MAIN_0_CBA1_DMA_FW_REGION_0_END_ADDRESS_L Register
          29. 14.1.6.2.29  CBASS_FW_IADC12FC_16FFC_MAIN_0_CBA1_DMA_FW_REGION_0_END_ADDRESS_H Register
          30. 14.1.6.2.30  CBASS_FW_IAM275_MAIN_MEM_CBASS_MAIN_0_CBASS_ERR_SLV_FW_REGION_0_CONTROL Register
          31. 14.1.6.2.31  CBASS_FW_IAM275_MAIN_MEM_CBASS_MAIN_0_CBASS_ERR_SLV_FW_REGION_0_PERMISSION_0 Register
          32. 14.1.6.2.32  CBASS_FW_IAM275_MAIN_MEM_CBASS_MAIN_0_CBASS_ERR_SLV_FW_REGION_0_PERMISSION_1 Register
          33. 14.1.6.2.33  CBASS_FW_IAM275_MAIN_MEM_CBASS_MAIN_0_CBASS_ERR_SLV_FW_REGION_0_PERMISSION_2 Register
          34. 14.1.6.2.34  CBASS_FW_IAM275_MAIN_MEM_CBASS_MAIN_0_CBASS_ERR_SLV_FW_REGION_0_START_ADDRESS_L Register
          35. 14.1.6.2.35  CBASS_FW_IAM275_MAIN_MEM_CBASS_MAIN_0_CBASS_ERR_SLV_FW_REGION_0_START_ADDRESS_H Register
          36. 14.1.6.2.36  CBASS_FW_IAM275_MAIN_MEM_CBASS_MAIN_0_CBASS_ERR_SLV_FW_REGION_0_END_ADDRESS_L Register
          37. 14.1.6.2.37  CBASS_FW_IAM275_MAIN_MEM_CBASS_MAIN_0_CBASS_ERR_SLV_FW_REGION_0_END_ADDRESS_H Register
          38. 14.1.6.2.38  CBASS_FW_IECAP_MAIN_0_ECAP_VBUSP_FW_REGION_0_CONTROL Register
          39. 14.1.6.2.39  CBASS_FW_IECAP_MAIN_0_ECAP_VBUSP_FW_REGION_0_PERMISSION_0 Register
          40. 14.1.6.2.40  CBASS_FW_IECAP_MAIN_0_ECAP_VBUSP_FW_REGION_0_PERMISSION_1 Register
          41. 14.1.6.2.41  CBASS_FW_IECAP_MAIN_0_ECAP_VBUSP_FW_REGION_0_PERMISSION_2 Register
          42. 14.1.6.2.42  CBASS_FW_IECAP_MAIN_0_ECAP_VBUSP_FW_REGION_0_START_ADDRESS_L Register
          43. 14.1.6.2.43  CBASS_FW_IECAP_MAIN_0_ECAP_VBUSP_FW_REGION_0_START_ADDRESS_H Register
          44. 14.1.6.2.44  CBASS_FW_IECAP_MAIN_0_ECAP_VBUSP_FW_REGION_0_END_ADDRESS_L Register
          45. 14.1.6.2.45  CBASS_FW_IECAP_MAIN_0_ECAP_VBUSP_FW_REGION_0_END_ADDRESS_H Register
          46. 14.1.6.2.46  CBASS_FW_IECAP_MAIN_1_ECAP_VBUSP_FW_REGION_0_CONTROL Register
          47. 14.1.6.2.47  CBASS_FW_IECAP_MAIN_1_ECAP_VBUSP_FW_REGION_0_PERMISSION_0 Register
          48. 14.1.6.2.48  CBASS_FW_IECAP_MAIN_1_ECAP_VBUSP_FW_REGION_0_PERMISSION_1 Register
          49. 14.1.6.2.49  CBASS_FW_IECAP_MAIN_1_ECAP_VBUSP_FW_REGION_0_PERMISSION_2 Register
          50. 14.1.6.2.50  CBASS_FW_IECAP_MAIN_1_ECAP_VBUSP_FW_REGION_0_START_ADDRESS_L Register
          51. 14.1.6.2.51  CBASS_FW_IECAP_MAIN_1_ECAP_VBUSP_FW_REGION_0_START_ADDRESS_H Register
          52. 14.1.6.2.52  CBASS_FW_IECAP_MAIN_1_ECAP_VBUSP_FW_REGION_0_END_ADDRESS_L Register
          53. 14.1.6.2.53  CBASS_FW_IECAP_MAIN_1_ECAP_VBUSP_FW_REGION_0_END_ADDRESS_H Register
          54. 14.1.6.2.54  CBASS_FW_IECAP_MAIN_2_ECAP_VBUSP_FW_REGION_0_CONTROL Register
          55. 14.1.6.2.55  CBASS_FW_IECAP_MAIN_2_ECAP_VBUSP_FW_REGION_0_PERMISSION_0 Register
          56. 14.1.6.2.56  CBASS_FW_IECAP_MAIN_2_ECAP_VBUSP_FW_REGION_0_PERMISSION_1 Register
          57. 14.1.6.2.57  CBASS_FW_IECAP_MAIN_2_ECAP_VBUSP_FW_REGION_0_PERMISSION_2 Register
          58. 14.1.6.2.58  CBASS_FW_IECAP_MAIN_2_ECAP_VBUSP_FW_REGION_0_START_ADDRESS_L Register
          59. 14.1.6.2.59  CBASS_FW_IECAP_MAIN_2_ECAP_VBUSP_FW_REGION_0_START_ADDRESS_H Register
          60. 14.1.6.2.60  CBASS_FW_IECAP_MAIN_2_ECAP_VBUSP_FW_REGION_0_END_ADDRESS_L Register
          61. 14.1.6.2.61  CBASS_FW_IECAP_MAIN_2_ECAP_VBUSP_FW_REGION_0_END_ADDRESS_H Register
          62. 14.1.6.2.62  CBASS_FW_IECAP_MAIN_3_ECAP_VBUSP_FW_REGION_0_CONTROL Register
          63. 14.1.6.2.63  CBASS_FW_IECAP_MAIN_3_ECAP_VBUSP_FW_REGION_0_PERMISSION_0 Register
          64. 14.1.6.2.64  CBASS_FW_IECAP_MAIN_3_ECAP_VBUSP_FW_REGION_0_PERMISSION_1 Register
          65. 14.1.6.2.65  CBASS_FW_IECAP_MAIN_3_ECAP_VBUSP_FW_REGION_0_PERMISSION_2 Register
          66. 14.1.6.2.66  CBASS_FW_IECAP_MAIN_3_ECAP_VBUSP_FW_REGION_0_START_ADDRESS_L Register
          67. 14.1.6.2.67  CBASS_FW_IECAP_MAIN_3_ECAP_VBUSP_FW_REGION_0_START_ADDRESS_H Register
          68. 14.1.6.2.68  CBASS_FW_IECAP_MAIN_3_ECAP_VBUSP_FW_REGION_0_END_ADDRESS_L Register
          69. 14.1.6.2.69  CBASS_FW_IECAP_MAIN_3_ECAP_VBUSP_FW_REGION_0_END_ADDRESS_H Register
          70. 14.1.6.2.70  CBASS_FW_IECAP_MAIN_4_ECAP_VBUSP_FW_REGION_0_CONTROL Register
          71. 14.1.6.2.71  CBASS_FW_IECAP_MAIN_4_ECAP_VBUSP_FW_REGION_0_PERMISSION_0 Register
          72. 14.1.6.2.72  CBASS_FW_IECAP_MAIN_4_ECAP_VBUSP_FW_REGION_0_PERMISSION_1 Register
          73. 14.1.6.2.73  CBASS_FW_IECAP_MAIN_4_ECAP_VBUSP_FW_REGION_0_PERMISSION_2 Register
          74. 14.1.6.2.74  CBASS_FW_IECAP_MAIN_4_ECAP_VBUSP_FW_REGION_0_START_ADDRESS_L Register
          75. 14.1.6.2.75  CBASS_FW_IECAP_MAIN_4_ECAP_VBUSP_FW_REGION_0_START_ADDRESS_H Register
          76. 14.1.6.2.76  CBASS_FW_IECAP_MAIN_4_ECAP_VBUSP_FW_REGION_0_END_ADDRESS_L Register
          77. 14.1.6.2.77  CBASS_FW_IECAP_MAIN_4_ECAP_VBUSP_FW_REGION_0_END_ADDRESS_H Register
          78. 14.1.6.2.78  CBASS_FW_IECAP_MAIN_5_ECAP_VBUSP_FW_REGION_0_CONTROL Register
          79. 14.1.6.2.79  CBASS_FW_IECAP_MAIN_5_ECAP_VBUSP_FW_REGION_0_PERMISSION_0 Register
          80. 14.1.6.2.80  CBASS_FW_IECAP_MAIN_5_ECAP_VBUSP_FW_REGION_0_PERMISSION_1 Register
          81. 14.1.6.2.81  CBASS_FW_IECAP_MAIN_5_ECAP_VBUSP_FW_REGION_0_PERMISSION_2 Register
          82. 14.1.6.2.82  CBASS_FW_IECAP_MAIN_5_ECAP_VBUSP_FW_REGION_0_START_ADDRESS_L Register
          83. 14.1.6.2.83  CBASS_FW_IECAP_MAIN_5_ECAP_VBUSP_FW_REGION_0_START_ADDRESS_H Register
          84. 14.1.6.2.84  CBASS_FW_IECAP_MAIN_5_ECAP_VBUSP_FW_REGION_0_END_ADDRESS_L Register
          85. 14.1.6.2.85  CBASS_FW_IECAP_MAIN_5_ECAP_VBUSP_FW_REGION_0_END_ADDRESS_H Register
          86. 14.1.6.2.86  CBASS_FW_IK3_EPWM_MAIN_0_EPWM_VBUSP_FW_REGION_0_CONTROL Register
          87. 14.1.6.2.87  CBASS_FW_IK3_EPWM_MAIN_0_EPWM_VBUSP_FW_REGION_0_PERMISSION_0 Register
          88. 14.1.6.2.88  CBASS_FW_IK3_EPWM_MAIN_0_EPWM_VBUSP_FW_REGION_0_PERMISSION_1 Register
          89. 14.1.6.2.89  CBASS_FW_IK3_EPWM_MAIN_0_EPWM_VBUSP_FW_REGION_0_PERMISSION_2 Register
          90. 14.1.6.2.90  CBASS_FW_IK3_EPWM_MAIN_0_EPWM_VBUSP_FW_REGION_0_START_ADDRESS_L Register
          91. 14.1.6.2.91  CBASS_FW_IK3_EPWM_MAIN_0_EPWM_VBUSP_FW_REGION_0_START_ADDRESS_H Register
          92. 14.1.6.2.92  CBASS_FW_IK3_EPWM_MAIN_0_EPWM_VBUSP_FW_REGION_0_END_ADDRESS_L Register
          93. 14.1.6.2.93  CBASS_FW_IK3_EPWM_MAIN_0_EPWM_VBUSP_FW_REGION_0_END_ADDRESS_H Register
          94. 14.1.6.2.94  CBASS_FW_IK3_EPWM_MAIN_1_EPWM_VBUSP_FW_REGION_0_CONTROL Register
          95. 14.1.6.2.95  CBASS_FW_IK3_EPWM_MAIN_1_EPWM_VBUSP_FW_REGION_0_PERMISSION_0 Register
          96. 14.1.6.2.96  CBASS_FW_IK3_EPWM_MAIN_1_EPWM_VBUSP_FW_REGION_0_PERMISSION_1 Register
          97. 14.1.6.2.97  CBASS_FW_IK3_EPWM_MAIN_1_EPWM_VBUSP_FW_REGION_0_PERMISSION_2 Register
          98. 14.1.6.2.98  CBASS_FW_IK3_EPWM_MAIN_1_EPWM_VBUSP_FW_REGION_0_START_ADDRESS_L Register
          99. 14.1.6.2.99  CBASS_FW_IK3_EPWM_MAIN_1_EPWM_VBUSP_FW_REGION_0_START_ADDRESS_H Register
          100. 14.1.6.2.100 CBASS_FW_IK3_EPWM_MAIN_1_EPWM_VBUSP_FW_REGION_0_END_ADDRESS_L Register
          101. 14.1.6.2.101 CBASS_FW_IK3_EPWM_MAIN_1_EPWM_VBUSP_FW_REGION_0_END_ADDRESS_H Register
          102. 14.1.6.2.102 CBASS_FW_IK3_EPWM_MAIN_2_EPWM_VBUSP_FW_REGION_0_CONTROL Register
          103. 14.1.6.2.103 CBASS_FW_IK3_EPWM_MAIN_2_EPWM_VBUSP_FW_REGION_0_PERMISSION_0 Register
          104. 14.1.6.2.104 CBASS_FW_IK3_EPWM_MAIN_2_EPWM_VBUSP_FW_REGION_0_PERMISSION_1 Register
          105. 14.1.6.2.105 CBASS_FW_IK3_EPWM_MAIN_2_EPWM_VBUSP_FW_REGION_0_PERMISSION_2 Register
          106. 14.1.6.2.106 CBASS_FW_IK3_EPWM_MAIN_2_EPWM_VBUSP_FW_REGION_0_START_ADDRESS_L Register
          107. 14.1.6.2.107 CBASS_FW_IK3_EPWM_MAIN_2_EPWM_VBUSP_FW_REGION_0_START_ADDRESS_H Register
          108. 14.1.6.2.108 CBASS_FW_IK3_EPWM_MAIN_2_EPWM_VBUSP_FW_REGION_0_END_ADDRESS_L Register
          109. 14.1.6.2.109 CBASS_FW_IK3_EPWM_MAIN_2_EPWM_VBUSP_FW_REGION_0_END_ADDRESS_H Register
          110. 14.1.6.2.110 CBASS_FW_IMSHSI2C_MAIN_0_VBUSP_FW_REGION_0_CONTROL Register
          111. 14.1.6.2.111 CBASS_FW_IMSHSI2C_MAIN_0_VBUSP_FW_REGION_0_PERMISSION_0 Register
          112. 14.1.6.2.112 CBASS_FW_IMSHSI2C_MAIN_0_VBUSP_FW_REGION_0_PERMISSION_1 Register
          113. 14.1.6.2.113 CBASS_FW_IMSHSI2C_MAIN_0_VBUSP_FW_REGION_0_PERMISSION_2 Register
          114. 14.1.6.2.114 CBASS_FW_IMSHSI2C_MAIN_0_VBUSP_FW_REGION_0_START_ADDRESS_L Register
          115. 14.1.6.2.115 CBASS_FW_IMSHSI2C_MAIN_0_VBUSP_FW_REGION_0_START_ADDRESS_H Register
          116. 14.1.6.2.116 CBASS_FW_IMSHSI2C_MAIN_0_VBUSP_FW_REGION_0_END_ADDRESS_L Register
          117. 14.1.6.2.117 CBASS_FW_IMSHSI2C_MAIN_0_VBUSP_FW_REGION_0_END_ADDRESS_H Register
          118. 14.1.6.2.118 CBASS_FW_IMSHSI2C_MAIN_1_VBUSP_FW_REGION_0_CONTROL Register
          119. 14.1.6.2.119 CBASS_FW_IMSHSI2C_MAIN_1_VBUSP_FW_REGION_0_PERMISSION_0 Register
          120. 14.1.6.2.120 CBASS_FW_IMSHSI2C_MAIN_1_VBUSP_FW_REGION_0_PERMISSION_1 Register
          121. 14.1.6.2.121 CBASS_FW_IMSHSI2C_MAIN_1_VBUSP_FW_REGION_0_PERMISSION_2 Register
          122. 14.1.6.2.122 CBASS_FW_IMSHSI2C_MAIN_1_VBUSP_FW_REGION_0_START_ADDRESS_L Register
          123. 14.1.6.2.123 CBASS_FW_IMSHSI2C_MAIN_1_VBUSP_FW_REGION_0_START_ADDRESS_H Register
          124. 14.1.6.2.124 CBASS_FW_IMSHSI2C_MAIN_1_VBUSP_FW_REGION_0_END_ADDRESS_L Register
          125. 14.1.6.2.125 CBASS_FW_IMSHSI2C_MAIN_1_VBUSP_FW_REGION_0_END_ADDRESS_H Register
          126. 14.1.6.2.126 CBASS_FW_IMSHSI2C_MAIN_2_VBUSP_FW_REGION_0_CONTROL Register
          127. 14.1.6.2.127 CBASS_FW_IMSHSI2C_MAIN_2_VBUSP_FW_REGION_0_PERMISSION_0 Register
          128. 14.1.6.2.128 CBASS_FW_IMSHSI2C_MAIN_2_VBUSP_FW_REGION_0_PERMISSION_1 Register
          129. 14.1.6.2.129 CBASS_FW_IMSHSI2C_MAIN_2_VBUSP_FW_REGION_0_PERMISSION_2 Register
          130. 14.1.6.2.130 CBASS_FW_IMSHSI2C_MAIN_2_VBUSP_FW_REGION_0_START_ADDRESS_L Register
          131. 14.1.6.2.131 CBASS_FW_IMSHSI2C_MAIN_2_VBUSP_FW_REGION_0_START_ADDRESS_H Register
          132. 14.1.6.2.132 CBASS_FW_IMSHSI2C_MAIN_2_VBUSP_FW_REGION_0_END_ADDRESS_L Register
          133. 14.1.6.2.133 CBASS_FW_IMSHSI2C_MAIN_2_VBUSP_FW_REGION_0_END_ADDRESS_H Register
          134. 14.1.6.2.134 CBASS_FW_IMSHSI2C_MAIN_3_VBUSP_FW_REGION_0_CONTROL Register
          135. 14.1.6.2.135 CBASS_FW_IMSHSI2C_MAIN_3_VBUSP_FW_REGION_0_PERMISSION_0 Register
          136. 14.1.6.2.136 CBASS_FW_IMSHSI2C_MAIN_3_VBUSP_FW_REGION_0_PERMISSION_1 Register
          137. 14.1.6.2.137 CBASS_FW_IMSHSI2C_MAIN_3_VBUSP_FW_REGION_0_PERMISSION_2 Register
          138. 14.1.6.2.138 CBASS_FW_IMSHSI2C_MAIN_3_VBUSP_FW_REGION_0_START_ADDRESS_L Register
          139. 14.1.6.2.139 CBASS_FW_IMSHSI2C_MAIN_3_VBUSP_FW_REGION_0_START_ADDRESS_H Register
          140. 14.1.6.2.140 CBASS_FW_IMSHSI2C_MAIN_3_VBUSP_FW_REGION_0_END_ADDRESS_L Register
          141. 14.1.6.2.141 CBASS_FW_IMSHSI2C_MAIN_3_VBUSP_FW_REGION_0_END_ADDRESS_H Register
          142. 14.1.6.2.142 CBASS_FW_IMSHSI2C_MAIN_4_VBUSP_FW_REGION_0_CONTROL Register
          143. 14.1.6.2.143 CBASS_FW_IMSHSI2C_MAIN_4_VBUSP_FW_REGION_0_PERMISSION_0 Register
          144. 14.1.6.2.144 CBASS_FW_IMSHSI2C_MAIN_4_VBUSP_FW_REGION_0_PERMISSION_1 Register
          145. 14.1.6.2.145 CBASS_FW_IMSHSI2C_MAIN_4_VBUSP_FW_REGION_0_PERMISSION_2 Register
          146. 14.1.6.2.146 CBASS_FW_IMSHSI2C_MAIN_4_VBUSP_FW_REGION_0_START_ADDRESS_L Register
          147. 14.1.6.2.147 CBASS_FW_IMSHSI2C_MAIN_4_VBUSP_FW_REGION_0_START_ADDRESS_H Register
          148. 14.1.6.2.148 CBASS_FW_IMSHSI2C_MAIN_4_VBUSP_FW_REGION_0_END_ADDRESS_L Register
          149. 14.1.6.2.149 CBASS_FW_IMSHSI2C_MAIN_4_VBUSP_FW_REGION_0_END_ADDRESS_H Register
          150. 14.1.6.2.150 CBASS_FW_IMSHSI2C_MAIN_5_VBUSP_FW_REGION_0_CONTROL Register
          151. 14.1.6.2.151 CBASS_FW_IMSHSI2C_MAIN_5_VBUSP_FW_REGION_0_PERMISSION_0 Register
          152. 14.1.6.2.152 CBASS_FW_IMSHSI2C_MAIN_5_VBUSP_FW_REGION_0_PERMISSION_1 Register
          153. 14.1.6.2.153 CBASS_FW_IMSHSI2C_MAIN_5_VBUSP_FW_REGION_0_PERMISSION_2 Register
          154. 14.1.6.2.154 CBASS_FW_IMSHSI2C_MAIN_5_VBUSP_FW_REGION_0_START_ADDRESS_L Register
          155. 14.1.6.2.155 CBASS_FW_IMSHSI2C_MAIN_5_VBUSP_FW_REGION_0_START_ADDRESS_H Register
          156. 14.1.6.2.156 CBASS_FW_IMSHSI2C_MAIN_5_VBUSP_FW_REGION_0_END_ADDRESS_L Register
          157. 14.1.6.2.157 CBASS_FW_IMSHSI2C_MAIN_5_VBUSP_FW_REGION_0_END_ADDRESS_H Register
          158. 14.1.6.2.158 CBASS_FW_IMSHSI2C_MAIN_6_VBUSP_FW_REGION_0_CONTROL Register
          159. 14.1.6.2.159 CBASS_FW_IMSHSI2C_MAIN_6_VBUSP_FW_REGION_0_PERMISSION_0 Register
          160. 14.1.6.2.160 CBASS_FW_IMSHSI2C_MAIN_6_VBUSP_FW_REGION_0_PERMISSION_1 Register
          161. 14.1.6.2.161 CBASS_FW_IMSHSI2C_MAIN_6_VBUSP_FW_REGION_0_PERMISSION_2 Register
          162. 14.1.6.2.162 CBASS_FW_IMSHSI2C_MAIN_6_VBUSP_FW_REGION_0_START_ADDRESS_L Register
          163. 14.1.6.2.163 CBASS_FW_IMSHSI2C_MAIN_6_VBUSP_FW_REGION_0_START_ADDRESS_H Register
          164. 14.1.6.2.164 CBASS_FW_IMSHSI2C_MAIN_6_VBUSP_FW_REGION_0_END_ADDRESS_L Register
          165. 14.1.6.2.165 CBASS_FW_IMSHSI2C_MAIN_6_VBUSP_FW_REGION_0_END_ADDRESS_H Register
          166. 14.1.6.2.166 CBASS_FW_IMCANSS_MAIN_0_MCANSS_VBUSP_FW_REGION_0_CONTROL Register
          167. 14.1.6.2.167 CBASS_FW_IMCANSS_MAIN_0_MCANSS_VBUSP_FW_REGION_0_PERMISSION_0 Register
          168. 14.1.6.2.168 CBASS_FW_IMCANSS_MAIN_0_MCANSS_VBUSP_FW_REGION_0_PERMISSION_1 Register
          169. 14.1.6.2.169 CBASS_FW_IMCANSS_MAIN_0_MCANSS_VBUSP_FW_REGION_0_PERMISSION_2 Register
          170. 14.1.6.2.170 CBASS_FW_IMCANSS_MAIN_0_MCANSS_VBUSP_FW_REGION_0_START_ADDRESS_L Register
          171. 14.1.6.2.171 CBASS_FW_IMCANSS_MAIN_0_MCANSS_VBUSP_FW_REGION_0_START_ADDRESS_H Register
          172. 14.1.6.2.172 CBASS_FW_IMCANSS_MAIN_0_MCANSS_VBUSP_FW_REGION_0_END_ADDRESS_L Register
          173. 14.1.6.2.173 CBASS_FW_IMCANSS_MAIN_0_MCANSS_VBUSP_FW_REGION_0_END_ADDRESS_H Register
          174. 14.1.6.2.174 CBASS_FW_IMCANSS_MAIN_1_MCANSS_VBUSP_FW_REGION_0_CONTROL Register
          175. 14.1.6.2.175 CBASS_FW_IMCANSS_MAIN_1_MCANSS_VBUSP_FW_REGION_0_PERMISSION_0 Register
          176. 14.1.6.2.176 CBASS_FW_IMCANSS_MAIN_1_MCANSS_VBUSP_FW_REGION_0_PERMISSION_1 Register
          177. 14.1.6.2.177 CBASS_FW_IMCANSS_MAIN_1_MCANSS_VBUSP_FW_REGION_0_PERMISSION_2 Register
          178. 14.1.6.2.178 CBASS_FW_IMCANSS_MAIN_1_MCANSS_VBUSP_FW_REGION_0_START_ADDRESS_L Register
          179. 14.1.6.2.179 CBASS_FW_IMCANSS_MAIN_1_MCANSS_VBUSP_FW_REGION_0_START_ADDRESS_H Register
          180. 14.1.6.2.180 CBASS_FW_IMCANSS_MAIN_1_MCANSS_VBUSP_FW_REGION_0_END_ADDRESS_L Register
          181. 14.1.6.2.181 CBASS_FW_IMCANSS_MAIN_1_MCANSS_VBUSP_FW_REGION_0_END_ADDRESS_H Register
          182. 14.1.6.2.182 CBASS_FW_IMCANSS_MAIN_2_MCANSS_VBUSP_FW_REGION_0_CONTROL Register
          183. 14.1.6.2.183 CBASS_FW_IMCANSS_MAIN_2_MCANSS_VBUSP_FW_REGION_0_PERMISSION_0 Register
          184. 14.1.6.2.184 CBASS_FW_IMCANSS_MAIN_2_MCANSS_VBUSP_FW_REGION_0_PERMISSION_1 Register
          185. 14.1.6.2.185 CBASS_FW_IMCANSS_MAIN_2_MCANSS_VBUSP_FW_REGION_0_PERMISSION_2 Register
          186. 14.1.6.2.186 CBASS_FW_IMCANSS_MAIN_2_MCANSS_VBUSP_FW_REGION_0_START_ADDRESS_L Register
          187. 14.1.6.2.187 CBASS_FW_IMCANSS_MAIN_2_MCANSS_VBUSP_FW_REGION_0_START_ADDRESS_H Register
          188. 14.1.6.2.188 CBASS_FW_IMCANSS_MAIN_2_MCANSS_VBUSP_FW_REGION_0_END_ADDRESS_L Register
          189. 14.1.6.2.189 CBASS_FW_IMCANSS_MAIN_2_MCANSS_VBUSP_FW_REGION_0_END_ADDRESS_H Register
          190. 14.1.6.2.190 CBASS_FW_IMCANSS_MAIN_3_MCANSS_VBUSP_FW_REGION_0_CONTROL Register
          191. 14.1.6.2.191 CBASS_FW_IMCANSS_MAIN_3_MCANSS_VBUSP_FW_REGION_0_PERMISSION_0 Register
          192. 14.1.6.2.192 CBASS_FW_IMCANSS_MAIN_3_MCANSS_VBUSP_FW_REGION_0_PERMISSION_1 Register
          193. 14.1.6.2.193 CBASS_FW_IMCANSS_MAIN_3_MCANSS_VBUSP_FW_REGION_0_PERMISSION_2 Register
          194. 14.1.6.2.194 CBASS_FW_IMCANSS_MAIN_3_MCANSS_VBUSP_FW_REGION_0_START_ADDRESS_L Register
          195. 14.1.6.2.195 CBASS_FW_IMCANSS_MAIN_3_MCANSS_VBUSP_FW_REGION_0_START_ADDRESS_H Register
          196. 14.1.6.2.196 CBASS_FW_IMCANSS_MAIN_3_MCANSS_VBUSP_FW_REGION_0_END_ADDRESS_L Register
          197. 14.1.6.2.197 CBASS_FW_IMCANSS_MAIN_3_MCANSS_VBUSP_FW_REGION_0_END_ADDRESS_H Register
          198. 14.1.6.2.198 CBASS_FW_IMCANSS_MAIN_4_MCANSS_VBUSP_FW_REGION_0_CONTROL Register
          199. 14.1.6.2.199 CBASS_FW_IMCANSS_MAIN_4_MCANSS_VBUSP_FW_REGION_0_PERMISSION_0 Register
          200. 14.1.6.2.200 CBASS_FW_IMCANSS_MAIN_4_MCANSS_VBUSP_FW_REGION_0_PERMISSION_1 Register
          201. 14.1.6.2.201 CBASS_FW_IMCANSS_MAIN_4_MCANSS_VBUSP_FW_REGION_0_PERMISSION_2 Register
          202. 14.1.6.2.202 CBASS_FW_IMCANSS_MAIN_4_MCANSS_VBUSP_FW_REGION_0_START_ADDRESS_L Register
          203. 14.1.6.2.203 CBASS_FW_IMCANSS_MAIN_4_MCANSS_VBUSP_FW_REGION_0_START_ADDRESS_H Register
          204. 14.1.6.2.204 CBASS_FW_IMCANSS_MAIN_4_MCANSS_VBUSP_FW_REGION_0_END_ADDRESS_L Register
          205. 14.1.6.2.205 CBASS_FW_IMCANSS_MAIN_4_MCANSS_VBUSP_FW_REGION_0_END_ADDRESS_H Register
          206. 14.1.6.2.206 CBASS_FW_ISAM67_PDMA_SPI_MAIN_0_ECCAGGR_CFG_FW_REGION_0_CONTROL Register
          207. 14.1.6.2.207 CBASS_FW_ISAM67_PDMA_SPI_MAIN_0_ECCAGGR_CFG_FW_REGION_0_PERMISSION_0 Register
          208. 14.1.6.2.208 CBASS_FW_ISAM67_PDMA_SPI_MAIN_0_ECCAGGR_CFG_FW_REGION_0_PERMISSION_1 Register
          209. 14.1.6.2.209 CBASS_FW_ISAM67_PDMA_SPI_MAIN_0_ECCAGGR_CFG_FW_REGION_0_PERMISSION_2 Register
          210. 14.1.6.2.210 CBASS_FW_ISAM67_PDMA_SPI_MAIN_0_ECCAGGR_CFG_FW_REGION_0_START_ADDRESS_L Register
          211. 14.1.6.2.211 CBASS_FW_ISAM67_PDMA_SPI_MAIN_0_ECCAGGR_CFG_FW_REGION_0_START_ADDRESS_H Register
          212. 14.1.6.2.212 CBASS_FW_ISAM67_PDMA_SPI_MAIN_0_ECCAGGR_CFG_FW_REGION_0_END_ADDRESS_L Register
          213. 14.1.6.2.213 CBASS_FW_ISAM67_PDMA_SPI_MAIN_0_ECCAGGR_CFG_FW_REGION_0_END_ADDRESS_H Register
          214. 14.1.6.2.214 CBASS_FW_IAM275_PDMA_SPI1_MAIN_0_ECCAGGR_CFG_FW_REGION_0_CONTROL Register
          215. 14.1.6.2.215 CBASS_FW_IAM275_PDMA_SPI1_MAIN_0_ECCAGGR_CFG_FW_REGION_0_PERMISSION_0 Register
          216. 14.1.6.2.216 CBASS_FW_IAM275_PDMA_SPI1_MAIN_0_ECCAGGR_CFG_FW_REGION_0_PERMISSION_1 Register
          217. 14.1.6.2.217 CBASS_FW_IAM275_PDMA_SPI1_MAIN_0_ECCAGGR_CFG_FW_REGION_0_PERMISSION_2 Register
          218. 14.1.6.2.218 CBASS_FW_IAM275_PDMA_SPI1_MAIN_0_ECCAGGR_CFG_FW_REGION_0_START_ADDRESS_L Register
          219. 14.1.6.2.219 CBASS_FW_IAM275_PDMA_SPI1_MAIN_0_ECCAGGR_CFG_FW_REGION_0_START_ADDRESS_H Register
          220. 14.1.6.2.220 CBASS_FW_IAM275_PDMA_SPI1_MAIN_0_ECCAGGR_CFG_FW_REGION_0_END_ADDRESS_L Register
          221. 14.1.6.2.221 CBASS_FW_IAM275_PDMA_SPI1_MAIN_0_ECCAGGR_CFG_FW_REGION_0_END_ADDRESS_H Register
          222. 14.1.6.2.222 CBASS_FW_ISAM62_PDMA_UART_MAIN_0_ECCAGGR_CFG_FW_REGION_0_CONTROL Register
          223. 14.1.6.2.223 CBASS_FW_ISAM62_PDMA_UART_MAIN_0_ECCAGGR_CFG_FW_REGION_0_PERMISSION_0 Register
          224. 14.1.6.2.224 CBASS_FW_ISAM62_PDMA_UART_MAIN_0_ECCAGGR_CFG_FW_REGION_0_PERMISSION_1 Register
          225. 14.1.6.2.225 CBASS_FW_ISAM62_PDMA_UART_MAIN_0_ECCAGGR_CFG_FW_REGION_0_PERMISSION_2 Register
          226. 14.1.6.2.226 CBASS_FW_ISAM62_PDMA_UART_MAIN_0_ECCAGGR_CFG_FW_REGION_0_START_ADDRESS_L Register
          227. 14.1.6.2.227 CBASS_FW_ISAM62_PDMA_UART_MAIN_0_ECCAGGR_CFG_FW_REGION_0_START_ADDRESS_H Register
          228. 14.1.6.2.228 CBASS_FW_ISAM62_PDMA_UART_MAIN_0_ECCAGGR_CFG_FW_REGION_0_END_ADDRESS_L Register
          229. 14.1.6.2.229 CBASS_FW_ISAM62_PDMA_UART_MAIN_0_ECCAGGR_CFG_FW_REGION_0_END_ADDRESS_H Register
          230. 14.1.6.2.230 CBASS_FW_IRL2_OF_CBA4_MAIN_R5_0_CORE0_CFG_FW_REGION_0_CONTROL Register
          231. 14.1.6.2.231 CBASS_FW_IRL2_OF_CBA4_MAIN_R5_0_CORE0_CFG_FW_REGION_0_PERMISSION_0 Register
          232. 14.1.6.2.232 CBASS_FW_IRL2_OF_CBA4_MAIN_R5_0_CORE0_CFG_FW_REGION_0_PERMISSION_1 Register
          233. 14.1.6.2.233 CBASS_FW_IRL2_OF_CBA4_MAIN_R5_0_CORE0_CFG_FW_REGION_0_PERMISSION_2 Register
          234. 14.1.6.2.234 CBASS_FW_IRL2_OF_CBA4_MAIN_R5_0_CORE0_CFG_FW_REGION_0_START_ADDRESS_L Register
          235. 14.1.6.2.235 CBASS_FW_IRL2_OF_CBA4_MAIN_R5_0_CORE0_CFG_FW_REGION_0_START_ADDRESS_H Register
          236. 14.1.6.2.236 CBASS_FW_IRL2_OF_CBA4_MAIN_R5_0_CORE0_CFG_FW_REGION_0_END_ADDRESS_L Register
          237. 14.1.6.2.237 CBASS_FW_IRL2_OF_CBA4_MAIN_R5_0_CORE0_CFG_FW_REGION_0_END_ADDRESS_H Register
          238. 14.1.6.2.238 CBASS_FW_IRL2_OF_CBA4_MAIN_R5_0_CORE1_CFG_FW_REGION_0_CONTROL Register
          239. 14.1.6.2.239 CBASS_FW_IRL2_OF_CBA4_MAIN_R5_0_CORE1_CFG_FW_REGION_0_PERMISSION_0 Register
          240. 14.1.6.2.240 CBASS_FW_IRL2_OF_CBA4_MAIN_R5_0_CORE1_CFG_FW_REGION_0_PERMISSION_1 Register
          241. 14.1.6.2.241 CBASS_FW_IRL2_OF_CBA4_MAIN_R5_0_CORE1_CFG_FW_REGION_0_PERMISSION_2 Register
          242. 14.1.6.2.242 CBASS_FW_IRL2_OF_CBA4_MAIN_R5_0_CORE1_CFG_FW_REGION_0_START_ADDRESS_L Register
          243. 14.1.6.2.243 CBASS_FW_IRL2_OF_CBA4_MAIN_R5_0_CORE1_CFG_FW_REGION_0_START_ADDRESS_H Register
          244. 14.1.6.2.244 CBASS_FW_IRL2_OF_CBA4_MAIN_R5_0_CORE1_CFG_FW_REGION_0_END_ADDRESS_L Register
          245. 14.1.6.2.245 CBASS_FW_IRL2_OF_CBA4_MAIN_R5_0_CORE1_CFG_FW_REGION_0_END_ADDRESS_H Register
          246. 14.1.6.2.246 CBASS_FW_IRL2_OF_CBA4_MAIN_R5_1_CORE0_CFG_FW_REGION_0_CONTROL Register
          247. 14.1.6.2.247 CBASS_FW_IRL2_OF_CBA4_MAIN_R5_1_CORE0_CFG_FW_REGION_0_PERMISSION_0 Register
          248. 14.1.6.2.248 CBASS_FW_IRL2_OF_CBA4_MAIN_R5_1_CORE0_CFG_FW_REGION_0_PERMISSION_1 Register
          249. 14.1.6.2.249 CBASS_FW_IRL2_OF_CBA4_MAIN_R5_1_CORE0_CFG_FW_REGION_0_PERMISSION_2 Register
          250. 14.1.6.2.250 CBASS_FW_IRL2_OF_CBA4_MAIN_R5_1_CORE0_CFG_FW_REGION_0_START_ADDRESS_L Register
          251. 14.1.6.2.251 CBASS_FW_IRL2_OF_CBA4_MAIN_R5_1_CORE0_CFG_FW_REGION_0_START_ADDRESS_H Register
          252. 14.1.6.2.252 CBASS_FW_IRL2_OF_CBA4_MAIN_R5_1_CORE0_CFG_FW_REGION_0_END_ADDRESS_L Register
          253. 14.1.6.2.253 CBASS_FW_IRL2_OF_CBA4_MAIN_R5_1_CORE0_CFG_FW_REGION_0_END_ADDRESS_H Register
          254. 14.1.6.2.254 CBASS_FW_IRL2_OF_CBA4_MAIN_R5_1_CORE1_CFG_FW_REGION_0_CONTROL Register
          255. 14.1.6.2.255 CBASS_FW_IRL2_OF_CBA4_MAIN_R5_1_CORE1_CFG_FW_REGION_0_PERMISSION_0 Register
          256. 14.1.6.2.256 CBASS_FW_IRL2_OF_CBA4_MAIN_R5_1_CORE1_CFG_FW_REGION_0_PERMISSION_1 Register
          257. 14.1.6.2.257 CBASS_FW_IRL2_OF_CBA4_MAIN_R5_1_CORE1_CFG_FW_REGION_0_PERMISSION_2 Register
          258. 14.1.6.2.258 CBASS_FW_IRL2_OF_CBA4_MAIN_R5_1_CORE1_CFG_FW_REGION_0_START_ADDRESS_L Register
          259. 14.1.6.2.259 CBASS_FW_IRL2_OF_CBA4_MAIN_R5_1_CORE1_CFG_FW_REGION_0_START_ADDRESS_H Register
          260. 14.1.6.2.260 CBASS_FW_IRL2_OF_CBA4_MAIN_R5_1_CORE1_CFG_FW_REGION_0_END_ADDRESS_L Register
          261. 14.1.6.2.261 CBASS_FW_IRL2_OF_CBA4_MAIN_R5_1_CORE1_CFG_FW_REGION_0_END_ADDRESS_H Register
          262. 14.1.6.2.262 CBASS_FW_IRTI_CFG1_MAIN_R5_0_CORE0_SLV_FW_REGION_0_CONTROL Register
          263. 14.1.6.2.263 CBASS_FW_IRTI_CFG1_MAIN_R5_0_CORE0_SLV_FW_REGION_0_PERMISSION_0 Register
          264. 14.1.6.2.264 CBASS_FW_IRTI_CFG1_MAIN_R5_0_CORE0_SLV_FW_REGION_0_PERMISSION_1 Register
          265. 14.1.6.2.265 CBASS_FW_IRTI_CFG1_MAIN_R5_0_CORE0_SLV_FW_REGION_0_PERMISSION_2 Register
          266. 14.1.6.2.266 CBASS_FW_IRTI_CFG1_MAIN_R5_0_CORE0_SLV_FW_REGION_0_START_ADDRESS_L Register
          267. 14.1.6.2.267 CBASS_FW_IRTI_CFG1_MAIN_R5_0_CORE0_SLV_FW_REGION_0_START_ADDRESS_H Register
          268. 14.1.6.2.268 CBASS_FW_IRTI_CFG1_MAIN_R5_0_CORE0_SLV_FW_REGION_0_END_ADDRESS_L Register
          269. 14.1.6.2.269 CBASS_FW_IRTI_CFG1_MAIN_R5_0_CORE0_SLV_FW_REGION_0_END_ADDRESS_H Register
          270. 14.1.6.2.270 CBASS_FW_IRTI_CFG1_MAIN_R5_0_CORE1_SLV_FW_REGION_0_CONTROL Register
          271. 14.1.6.2.271 CBASS_FW_IRTI_CFG1_MAIN_R5_0_CORE1_SLV_FW_REGION_0_PERMISSION_0 Register
          272. 14.1.6.2.272 CBASS_FW_IRTI_CFG1_MAIN_R5_0_CORE1_SLV_FW_REGION_0_PERMISSION_1 Register
          273. 14.1.6.2.273 CBASS_FW_IRTI_CFG1_MAIN_R5_0_CORE1_SLV_FW_REGION_0_PERMISSION_2 Register
          274. 14.1.6.2.274 CBASS_FW_IRTI_CFG1_MAIN_R5_0_CORE1_SLV_FW_REGION_0_START_ADDRESS_L Register
          275. 14.1.6.2.275 CBASS_FW_IRTI_CFG1_MAIN_R5_0_CORE1_SLV_FW_REGION_0_START_ADDRESS_H Register
          276. 14.1.6.2.276 CBASS_FW_IRTI_CFG1_MAIN_R5_0_CORE1_SLV_FW_REGION_0_END_ADDRESS_L Register
          277. 14.1.6.2.277 CBASS_FW_IRTI_CFG1_MAIN_R5_0_CORE1_SLV_FW_REGION_0_END_ADDRESS_H Register
          278. 14.1.6.2.278 CBASS_FW_IRTI_CFG1_MAIN_R5_1_CORE0_SLV_FW_REGION_0_CONTROL Register
          279. 14.1.6.2.279 CBASS_FW_IRTI_CFG1_MAIN_R5_1_CORE0_SLV_FW_REGION_0_PERMISSION_0 Register
          280. 14.1.6.2.280 CBASS_FW_IRTI_CFG1_MAIN_R5_1_CORE0_SLV_FW_REGION_0_PERMISSION_1 Register
          281. 14.1.6.2.281 CBASS_FW_IRTI_CFG1_MAIN_R5_1_CORE0_SLV_FW_REGION_0_PERMISSION_2 Register
          282. 14.1.6.2.282 CBASS_FW_IRTI_CFG1_MAIN_R5_1_CORE0_SLV_FW_REGION_0_START_ADDRESS_L Register
          283. 14.1.6.2.283 CBASS_FW_IRTI_CFG1_MAIN_R5_1_CORE0_SLV_FW_REGION_0_START_ADDRESS_H Register
          284. 14.1.6.2.284 CBASS_FW_IRTI_CFG1_MAIN_R5_1_CORE0_SLV_FW_REGION_0_END_ADDRESS_L Register
          285. 14.1.6.2.285 CBASS_FW_IRTI_CFG1_MAIN_R5_1_CORE0_SLV_FW_REGION_0_END_ADDRESS_H Register
          286. 14.1.6.2.286 CBASS_FW_IRTI_CFG1_MAIN_R5_1_CORE1_SLV_FW_REGION_0_CONTROL Register
          287. 14.1.6.2.287 CBASS_FW_IRTI_CFG1_MAIN_R5_1_CORE1_SLV_FW_REGION_0_PERMISSION_0 Register
          288. 14.1.6.2.288 CBASS_FW_IRTI_CFG1_MAIN_R5_1_CORE1_SLV_FW_REGION_0_PERMISSION_1 Register
          289. 14.1.6.2.289 CBASS_FW_IRTI_CFG1_MAIN_R5_1_CORE1_SLV_FW_REGION_0_PERMISSION_2 Register
          290. 14.1.6.2.290 CBASS_FW_IRTI_CFG1_MAIN_R5_1_CORE1_SLV_FW_REGION_0_START_ADDRESS_L Register
          291. 14.1.6.2.291 CBASS_FW_IRTI_CFG1_MAIN_R5_1_CORE1_SLV_FW_REGION_0_START_ADDRESS_H Register
          292. 14.1.6.2.292 CBASS_FW_IRTI_CFG1_MAIN_R5_1_CORE1_SLV_FW_REGION_0_END_ADDRESS_L Register
          293. 14.1.6.2.293 CBASS_FW_IRTI_CFG1_MAIN_R5_1_CORE1_SLV_FW_REGION_0_END_ADDRESS_H Register
          294. 14.1.6.2.294 CBASS_FW_ISPI_MAIN_0_SLV_FW_REGION_0_CONTROL Register
          295. 14.1.6.2.295 CBASS_FW_ISPI_MAIN_0_SLV_FW_REGION_0_PERMISSION_0 Register
          296. 14.1.6.2.296 CBASS_FW_ISPI_MAIN_0_SLV_FW_REGION_0_PERMISSION_1 Register
          297. 14.1.6.2.297 CBASS_FW_ISPI_MAIN_0_SLV_FW_REGION_0_PERMISSION_2 Register
          298. 14.1.6.2.298 CBASS_FW_ISPI_MAIN_0_SLV_FW_REGION_0_START_ADDRESS_L Register
          299. 14.1.6.2.299 CBASS_FW_ISPI_MAIN_0_SLV_FW_REGION_0_START_ADDRESS_H Register
          300. 14.1.6.2.300 CBASS_FW_ISPI_MAIN_0_SLV_FW_REGION_0_END_ADDRESS_L Register
          301. 14.1.6.2.301 CBASS_FW_ISPI_MAIN_0_SLV_FW_REGION_0_END_ADDRESS_H Register
          302. 14.1.6.2.302 CBASS_FW_ISPI_MAIN_1_SLV_FW_REGION_0_CONTROL Register
          303. 14.1.6.2.303 CBASS_FW_ISPI_MAIN_1_SLV_FW_REGION_0_PERMISSION_0 Register
          304. 14.1.6.2.304 CBASS_FW_ISPI_MAIN_1_SLV_FW_REGION_0_PERMISSION_1 Register
          305. 14.1.6.2.305 CBASS_FW_ISPI_MAIN_1_SLV_FW_REGION_0_PERMISSION_2 Register
          306. 14.1.6.2.306 CBASS_FW_ISPI_MAIN_1_SLV_FW_REGION_0_START_ADDRESS_L Register
          307. 14.1.6.2.307 CBASS_FW_ISPI_MAIN_1_SLV_FW_REGION_0_START_ADDRESS_H Register
          308. 14.1.6.2.308 CBASS_FW_ISPI_MAIN_1_SLV_FW_REGION_0_END_ADDRESS_L Register
          309. 14.1.6.2.309 CBASS_FW_ISPI_MAIN_1_SLV_FW_REGION_0_END_ADDRESS_H Register
          310. 14.1.6.2.310 CBASS_FW_ISPI_MAIN_2_SLV_FW_REGION_0_CONTROL Register
          311. 14.1.6.2.311 CBASS_FW_ISPI_MAIN_2_SLV_FW_REGION_0_PERMISSION_0 Register
          312. 14.1.6.2.312 CBASS_FW_ISPI_MAIN_2_SLV_FW_REGION_0_PERMISSION_1 Register
          313. 14.1.6.2.313 CBASS_FW_ISPI_MAIN_2_SLV_FW_REGION_0_PERMISSION_2 Register
          314. 14.1.6.2.314 CBASS_FW_ISPI_MAIN_2_SLV_FW_REGION_0_START_ADDRESS_L Register
          315. 14.1.6.2.315 CBASS_FW_ISPI_MAIN_2_SLV_FW_REGION_0_START_ADDRESS_H Register
          316. 14.1.6.2.316 CBASS_FW_ISPI_MAIN_2_SLV_FW_REGION_0_END_ADDRESS_L Register
          317. 14.1.6.2.317 CBASS_FW_ISPI_MAIN_2_SLV_FW_REGION_0_END_ADDRESS_H Register
          318. 14.1.6.2.318 CBASS_FW_ISPI_MAIN_3_SLV_FW_REGION_0_CONTROL Register
          319. 14.1.6.2.319 CBASS_FW_ISPI_MAIN_3_SLV_FW_REGION_0_PERMISSION_0 Register
          320. 14.1.6.2.320 CBASS_FW_ISPI_MAIN_3_SLV_FW_REGION_0_PERMISSION_1 Register
          321. 14.1.6.2.321 CBASS_FW_ISPI_MAIN_3_SLV_FW_REGION_0_PERMISSION_2 Register
          322. 14.1.6.2.322 CBASS_FW_ISPI_MAIN_3_SLV_FW_REGION_0_START_ADDRESS_L Register
          323. 14.1.6.2.323 CBASS_FW_ISPI_MAIN_3_SLV_FW_REGION_0_START_ADDRESS_H Register
          324. 14.1.6.2.324 CBASS_FW_ISPI_MAIN_3_SLV_FW_REGION_0_END_ADDRESS_L Register
          325. 14.1.6.2.325 CBASS_FW_ISPI_MAIN_3_SLV_FW_REGION_0_END_ADDRESS_H Register
          326. 14.1.6.2.326 CBASS_FW_ISPI_MAIN_4_SLV_FW_REGION_0_CONTROL Register
          327. 14.1.6.2.327 CBASS_FW_ISPI_MAIN_4_SLV_FW_REGION_0_PERMISSION_0 Register
          328. 14.1.6.2.328 CBASS_FW_ISPI_MAIN_4_SLV_FW_REGION_0_PERMISSION_1 Register
          329. 14.1.6.2.329 CBASS_FW_ISPI_MAIN_4_SLV_FW_REGION_0_PERMISSION_2 Register
          330. 14.1.6.2.330 CBASS_FW_ISPI_MAIN_4_SLV_FW_REGION_0_START_ADDRESS_L Register
          331. 14.1.6.2.331 CBASS_FW_ISPI_MAIN_4_SLV_FW_REGION_0_START_ADDRESS_H Register
          332. 14.1.6.2.332 CBASS_FW_ISPI_MAIN_4_SLV_FW_REGION_0_END_ADDRESS_L Register
          333. 14.1.6.2.333 CBASS_FW_ISPI_MAIN_4_SLV_FW_REGION_0_END_ADDRESS_H Register
          334. 14.1.6.2.334 CBASS_FW_IUSART_MAIN_0_VBUSP_CBA_FW_REGION_0_CONTROL Register
          335. 14.1.6.2.335 CBASS_FW_IUSART_MAIN_0_VBUSP_CBA_FW_REGION_0_PERMISSION_0 Register
          336. 14.1.6.2.336 CBASS_FW_IUSART_MAIN_0_VBUSP_CBA_FW_REGION_0_PERMISSION_1 Register
          337. 14.1.6.2.337 CBASS_FW_IUSART_MAIN_0_VBUSP_CBA_FW_REGION_0_PERMISSION_2 Register
          338. 14.1.6.2.338 CBASS_FW_IUSART_MAIN_0_VBUSP_CBA_FW_REGION_0_START_ADDRESS_L Register
          339. 14.1.6.2.339 CBASS_FW_IUSART_MAIN_0_VBUSP_CBA_FW_REGION_0_START_ADDRESS_H Register
          340. 14.1.6.2.340 CBASS_FW_IUSART_MAIN_0_VBUSP_CBA_FW_REGION_0_END_ADDRESS_L Register
          341. 14.1.6.2.341 CBASS_FW_IUSART_MAIN_0_VBUSP_CBA_FW_REGION_0_END_ADDRESS_H Register
          342. 14.1.6.2.342 CBASS_FW_IUSART_MAIN_1_VBUSP_CBA_FW_REGION_0_CONTROL Register
          343. 14.1.6.2.343 CBASS_FW_IUSART_MAIN_1_VBUSP_CBA_FW_REGION_0_PERMISSION_0 Register
          344. 14.1.6.2.344 CBASS_FW_IUSART_MAIN_1_VBUSP_CBA_FW_REGION_0_PERMISSION_1 Register
          345. 14.1.6.2.345 CBASS_FW_IUSART_MAIN_1_VBUSP_CBA_FW_REGION_0_PERMISSION_2 Register
          346. 14.1.6.2.346 CBASS_FW_IUSART_MAIN_1_VBUSP_CBA_FW_REGION_0_START_ADDRESS_L Register
          347. 14.1.6.2.347 CBASS_FW_IUSART_MAIN_1_VBUSP_CBA_FW_REGION_0_START_ADDRESS_H Register
          348. 14.1.6.2.348 CBASS_FW_IUSART_MAIN_1_VBUSP_CBA_FW_REGION_0_END_ADDRESS_L Register
          349. 14.1.6.2.349 CBASS_FW_IUSART_MAIN_1_VBUSP_CBA_FW_REGION_0_END_ADDRESS_H Register
          350. 14.1.6.2.350 CBASS_FW_IUSART_MAIN_2_VBUSP_CBA_FW_REGION_0_CONTROL Register
          351. 14.1.6.2.351 CBASS_FW_IUSART_MAIN_2_VBUSP_CBA_FW_REGION_0_PERMISSION_0 Register
          352. 14.1.6.2.352 CBASS_FW_IUSART_MAIN_2_VBUSP_CBA_FW_REGION_0_PERMISSION_1 Register
          353. 14.1.6.2.353 CBASS_FW_IUSART_MAIN_2_VBUSP_CBA_FW_REGION_0_PERMISSION_2 Register
          354. 14.1.6.2.354 CBASS_FW_IUSART_MAIN_2_VBUSP_CBA_FW_REGION_0_START_ADDRESS_L Register
          355. 14.1.6.2.355 CBASS_FW_IUSART_MAIN_2_VBUSP_CBA_FW_REGION_0_START_ADDRESS_H Register
          356. 14.1.6.2.356 CBASS_FW_IUSART_MAIN_2_VBUSP_CBA_FW_REGION_0_END_ADDRESS_L Register
          357. 14.1.6.2.357 CBASS_FW_IUSART_MAIN_2_VBUSP_CBA_FW_REGION_0_END_ADDRESS_H Register
          358. 14.1.6.2.358 CBASS_FW_IUSART_MAIN_3_VBUSP_CBA_FW_REGION_0_CONTROL Register
          359. 14.1.6.2.359 CBASS_FW_IUSART_MAIN_3_VBUSP_CBA_FW_REGION_0_PERMISSION_0 Register
          360. 14.1.6.2.360 CBASS_FW_IUSART_MAIN_3_VBUSP_CBA_FW_REGION_0_PERMISSION_1 Register
          361. 14.1.6.2.361 CBASS_FW_IUSART_MAIN_3_VBUSP_CBA_FW_REGION_0_PERMISSION_2 Register
          362. 14.1.6.2.362 CBASS_FW_IUSART_MAIN_3_VBUSP_CBA_FW_REGION_0_START_ADDRESS_L Register
          363. 14.1.6.2.363 CBASS_FW_IUSART_MAIN_3_VBUSP_CBA_FW_REGION_0_START_ADDRESS_H Register
          364. 14.1.6.2.364 CBASS_FW_IUSART_MAIN_3_VBUSP_CBA_FW_REGION_0_END_ADDRESS_L Register
          365. 14.1.6.2.365 CBASS_FW_IUSART_MAIN_3_VBUSP_CBA_FW_REGION_0_END_ADDRESS_H Register
          366. 14.1.6.2.366 CBASS_FW_IUSART_MAIN_4_VBUSP_CBA_FW_REGION_0_CONTROL Register
          367. 14.1.6.2.367 CBASS_FW_IUSART_MAIN_4_VBUSP_CBA_FW_REGION_0_PERMISSION_0 Register
          368. 14.1.6.2.368 CBASS_FW_IUSART_MAIN_4_VBUSP_CBA_FW_REGION_0_PERMISSION_1 Register
          369. 14.1.6.2.369 CBASS_FW_IUSART_MAIN_4_VBUSP_CBA_FW_REGION_0_PERMISSION_2 Register
          370. 14.1.6.2.370 CBASS_FW_IUSART_MAIN_4_VBUSP_CBA_FW_REGION_0_START_ADDRESS_L Register
          371. 14.1.6.2.371 CBASS_FW_IUSART_MAIN_4_VBUSP_CBA_FW_REGION_0_START_ADDRESS_H Register
          372. 14.1.6.2.372 CBASS_FW_IUSART_MAIN_4_VBUSP_CBA_FW_REGION_0_END_ADDRESS_L Register
          373. 14.1.6.2.373 CBASS_FW_IUSART_MAIN_4_VBUSP_CBA_FW_REGION_0_END_ADDRESS_H Register
          374. 14.1.6.2.374 CBASS_FW_IUSART_MAIN_5_VBUSP_CBA_FW_REGION_0_CONTROL Register
          375. 14.1.6.2.375 CBASS_FW_IUSART_MAIN_5_VBUSP_CBA_FW_REGION_0_PERMISSION_0 Register
          376. 14.1.6.2.376 CBASS_FW_IUSART_MAIN_5_VBUSP_CBA_FW_REGION_0_PERMISSION_1 Register
          377. 14.1.6.2.377 CBASS_FW_IUSART_MAIN_5_VBUSP_CBA_FW_REGION_0_PERMISSION_2 Register
          378. 14.1.6.2.378 CBASS_FW_IUSART_MAIN_5_VBUSP_CBA_FW_REGION_0_START_ADDRESS_L Register
          379. 14.1.6.2.379 CBASS_FW_IUSART_MAIN_5_VBUSP_CBA_FW_REGION_0_START_ADDRESS_H Register
          380. 14.1.6.2.380 CBASS_FW_IUSART_MAIN_5_VBUSP_CBA_FW_REGION_0_END_ADDRESS_L Register
          381. 14.1.6.2.381 CBASS_FW_IUSART_MAIN_5_VBUSP_CBA_FW_REGION_0_END_ADDRESS_H Register
          382. 14.1.6.2.382 CBASS_FW_IUSART_MAIN_6_VBUSP_CBA_FW_REGION_0_CONTROL Register
          383. 14.1.6.2.383 CBASS_FW_IUSART_MAIN_6_VBUSP_CBA_FW_REGION_0_PERMISSION_0 Register
          384. 14.1.6.2.384 CBASS_FW_IUSART_MAIN_6_VBUSP_CBA_FW_REGION_0_PERMISSION_1 Register
          385. 14.1.6.2.385 CBASS_FW_IUSART_MAIN_6_VBUSP_CBA_FW_REGION_0_PERMISSION_2 Register
          386. 14.1.6.2.386 CBASS_FW_IUSART_MAIN_6_VBUSP_CBA_FW_REGION_0_START_ADDRESS_L Register
          387. 14.1.6.2.387 CBASS_FW_IUSART_MAIN_6_VBUSP_CBA_FW_REGION_0_START_ADDRESS_H Register
          388. 14.1.6.2.388 CBASS_FW_IUSART_MAIN_6_VBUSP_CBA_FW_REGION_0_END_ADDRESS_L Register
          389. 14.1.6.2.389 CBASS_FW_IUSART_MAIN_6_VBUSP_CBA_FW_REGION_0_END_ADDRESS_H Register
          390. 14.1.6.2.390 CBASS_FW_IAM275_MAIN_MISC_PERI_CBASS_MAIN_0_CBASS_ERR_SLV_FW_REGION_0_CONTROL Register
          391. 14.1.6.2.391 CBASS_FW_IAM275_MAIN_MISC_PERI_CBASS_MAIN_0_CBASS_ERR_SLV_FW_REGION_0_PERMISSION_0 Register
          392. 14.1.6.2.392 CBASS_FW_IAM275_MAIN_MISC_PERI_CBASS_MAIN_0_CBASS_ERR_SLV_FW_REGION_0_PERMISSION_1 Register
          393. 14.1.6.2.393 CBASS_FW_IAM275_MAIN_MISC_PERI_CBASS_MAIN_0_CBASS_ERR_SLV_FW_REGION_0_PERMISSION_2 Register
          394. 14.1.6.2.394 CBASS_FW_IAM275_MAIN_MISC_PERI_CBASS_MAIN_0_CBASS_ERR_SLV_FW_REGION_0_START_ADDRESS_L Register
          395. 14.1.6.2.395 CBASS_FW_IAM275_MAIN_MISC_PERI_CBASS_MAIN_0_CBASS_ERR_SLV_FW_REGION_0_START_ADDRESS_H Register
          396. 14.1.6.2.396 CBASS_FW_IAM275_MAIN_MISC_PERI_CBASS_MAIN_0_CBASS_ERR_SLV_FW_REGION_0_END_ADDRESS_L Register
          397. 14.1.6.2.397 CBASS_FW_IAM275_MAIN_MISC_PERI_CBASS_MAIN_0_CBASS_ERR_SLV_FW_REGION_0_END_ADDRESS_H Register
          398. 14.1.6.2.398 CBASS_ISC_IPULSAR_SL_MAIN_0_CPU0_PMST_ISC_REGION_0_CONTROL Register
          399. 14.1.6.2.399 CBASS_ISC_IPULSAR_SL_MAIN_0_CPU0_PMST_ISC_REGION_0_START_ADDRESS_L Register
          400. 14.1.6.2.400 CBASS_ISC_IPULSAR_SL_MAIN_0_CPU0_PMST_ISC_REGION_0_START_ADDRESS_H Register
          401. 14.1.6.2.401 CBASS_ISC_IPULSAR_SL_MAIN_0_CPU0_PMST_ISC_REGION_0_END_ADDRESS_L Register
          402. 14.1.6.2.402 CBASS_ISC_IPULSAR_SL_MAIN_0_CPU0_PMST_ISC_REGION_0_END_ADDRESS_H Register
          403. 14.1.6.2.403 CBASS_ISC_IPULSAR_SL_MAIN_0_CPU0_PMST_ISC_REGION_1_CONTROL Register
          404. 14.1.6.2.404 CBASS_ISC_IPULSAR_SL_MAIN_0_CPU0_PMST_ISC_REGION_1_START_ADDRESS_L Register
          405. 14.1.6.2.405 CBASS_ISC_IPULSAR_SL_MAIN_0_CPU0_PMST_ISC_REGION_1_START_ADDRESS_H Register
          406. 14.1.6.2.406 CBASS_ISC_IPULSAR_SL_MAIN_0_CPU0_PMST_ISC_REGION_1_END_ADDRESS_L Register
          407. 14.1.6.2.407 CBASS_ISC_IPULSAR_SL_MAIN_0_CPU0_PMST_ISC_REGION_1_END_ADDRESS_H Register
          408. 14.1.6.2.408 CBASS_ISC_IPULSAR_SL_MAIN_0_CPU0_PMST_ISC_REGION_2_CONTROL Register
          409. 14.1.6.2.409 CBASS_ISC_IPULSAR_SL_MAIN_0_CPU0_PMST_ISC_REGION_2_START_ADDRESS_L Register
          410. 14.1.6.2.410 CBASS_ISC_IPULSAR_SL_MAIN_0_CPU0_PMST_ISC_REGION_2_START_ADDRESS_H Register
          411. 14.1.6.2.411 CBASS_ISC_IPULSAR_SL_MAIN_0_CPU0_PMST_ISC_REGION_2_END_ADDRESS_L Register
          412. 14.1.6.2.412 CBASS_ISC_IPULSAR_SL_MAIN_0_CPU0_PMST_ISC_REGION_2_END_ADDRESS_H Register
          413. 14.1.6.2.413 CBASS_ISC_IPULSAR_SL_MAIN_0_CPU0_PMST_ISC_REGION_3_CONTROL Register
          414. 14.1.6.2.414 CBASS_ISC_IPULSAR_SL_MAIN_0_CPU0_PMST_ISC_REGION_3_START_ADDRESS_L Register
          415. 14.1.6.2.415 CBASS_ISC_IPULSAR_SL_MAIN_0_CPU0_PMST_ISC_REGION_3_START_ADDRESS_H Register
          416. 14.1.6.2.416 CBASS_ISC_IPULSAR_SL_MAIN_0_CPU0_PMST_ISC_REGION_3_END_ADDRESS_L Register
          417. 14.1.6.2.417 CBASS_ISC_IPULSAR_SL_MAIN_0_CPU0_PMST_ISC_REGION_3_END_ADDRESS_H Register
          418. 14.1.6.2.418 CBASS_ISC_IPULSAR_SL_MAIN_0_CPU0_PMST_ISC_REGION_DEF_CONTROL Register
          419. 14.1.6.2.419 CBASS_ISC_IPULSAR_SL_MAIN_0_CPU1_PMST_ISC_REGION_0_CONTROL Register
          420. 14.1.6.2.420 CBASS_ISC_IPULSAR_SL_MAIN_0_CPU1_PMST_ISC_REGION_0_START_ADDRESS_L Register
          421. 14.1.6.2.421 CBASS_ISC_IPULSAR_SL_MAIN_0_CPU1_PMST_ISC_REGION_0_START_ADDRESS_H Register
          422. 14.1.6.2.422 CBASS_ISC_IPULSAR_SL_MAIN_0_CPU1_PMST_ISC_REGION_0_END_ADDRESS_L Register
          423. 14.1.6.2.423 CBASS_ISC_IPULSAR_SL_MAIN_0_CPU1_PMST_ISC_REGION_0_END_ADDRESS_H Register
          424. 14.1.6.2.424 CBASS_ISC_IPULSAR_SL_MAIN_0_CPU1_PMST_ISC_REGION_1_CONTROL Register
          425. 14.1.6.2.425 CBASS_ISC_IPULSAR_SL_MAIN_0_CPU1_PMST_ISC_REGION_1_START_ADDRESS_L Register
          426. 14.1.6.2.426 CBASS_ISC_IPULSAR_SL_MAIN_0_CPU1_PMST_ISC_REGION_1_START_ADDRESS_H Register
          427. 14.1.6.2.427 CBASS_ISC_IPULSAR_SL_MAIN_0_CPU1_PMST_ISC_REGION_1_END_ADDRESS_L Register
          428. 14.1.6.2.428 CBASS_ISC_IPULSAR_SL_MAIN_0_CPU1_PMST_ISC_REGION_1_END_ADDRESS_H Register
          429. 14.1.6.2.429 CBASS_ISC_IPULSAR_SL_MAIN_0_CPU1_PMST_ISC_REGION_2_CONTROL Register
          430. 14.1.6.2.430 CBASS_ISC_IPULSAR_SL_MAIN_0_CPU1_PMST_ISC_REGION_2_START_ADDRESS_L Register
          431. 14.1.6.2.431 CBASS_ISC_IPULSAR_SL_MAIN_0_CPU1_PMST_ISC_REGION_2_START_ADDRESS_H Register
          432. 14.1.6.2.432 CBASS_ISC_IPULSAR_SL_MAIN_0_CPU1_PMST_ISC_REGION_2_END_ADDRESS_L Register
          433. 14.1.6.2.433 CBASS_ISC_IPULSAR_SL_MAIN_0_CPU1_PMST_ISC_REGION_2_END_ADDRESS_H Register
          434. 14.1.6.2.434 CBASS_ISC_IPULSAR_SL_MAIN_0_CPU1_PMST_ISC_REGION_3_CONTROL Register
          435. 14.1.6.2.435 CBASS_ISC_IPULSAR_SL_MAIN_0_CPU1_PMST_ISC_REGION_3_START_ADDRESS_L Register
          436. 14.1.6.2.436 CBASS_ISC_IPULSAR_SL_MAIN_0_CPU1_PMST_ISC_REGION_3_START_ADDRESS_H Register
          437. 14.1.6.2.437 CBASS_ISC_IPULSAR_SL_MAIN_0_CPU1_PMST_ISC_REGION_3_END_ADDRESS_L Register
          438. 14.1.6.2.438 CBASS_ISC_IPULSAR_SL_MAIN_0_CPU1_PMST_ISC_REGION_3_END_ADDRESS_H Register
          439. 14.1.6.2.439 CBASS_ISC_IPULSAR_SL_MAIN_0_CPU1_PMST_ISC_REGION_DEF_CONTROL Register
          440. 14.1.6.2.440 CBASS_ISC_IPULSAR_SL_MAIN_1_CPU0_PMST_ISC_REGION_0_CONTROL Register
          441. 14.1.6.2.441 CBASS_ISC_IPULSAR_SL_MAIN_1_CPU0_PMST_ISC_REGION_0_START_ADDRESS_L Register
          442. 14.1.6.2.442 CBASS_ISC_IPULSAR_SL_MAIN_1_CPU0_PMST_ISC_REGION_0_START_ADDRESS_H Register
          443. 14.1.6.2.443 CBASS_ISC_IPULSAR_SL_MAIN_1_CPU0_PMST_ISC_REGION_0_END_ADDRESS_L Register
          444. 14.1.6.2.444 CBASS_ISC_IPULSAR_SL_MAIN_1_CPU0_PMST_ISC_REGION_0_END_ADDRESS_H Register
          445. 14.1.6.2.445 CBASS_ISC_IPULSAR_SL_MAIN_1_CPU0_PMST_ISC_REGION_1_CONTROL Register
          446. 14.1.6.2.446 CBASS_ISC_IPULSAR_SL_MAIN_1_CPU0_PMST_ISC_REGION_1_START_ADDRESS_L Register
          447. 14.1.6.2.447 CBASS_ISC_IPULSAR_SL_MAIN_1_CPU0_PMST_ISC_REGION_1_START_ADDRESS_H Register
          448. 14.1.6.2.448 CBASS_ISC_IPULSAR_SL_MAIN_1_CPU0_PMST_ISC_REGION_1_END_ADDRESS_L Register
          449. 14.1.6.2.449 CBASS_ISC_IPULSAR_SL_MAIN_1_CPU0_PMST_ISC_REGION_1_END_ADDRESS_H Register
          450. 14.1.6.2.450 CBASS_ISC_IPULSAR_SL_MAIN_1_CPU0_PMST_ISC_REGION_2_CONTROL Register
          451. 14.1.6.2.451 CBASS_ISC_IPULSAR_SL_MAIN_1_CPU0_PMST_ISC_REGION_2_START_ADDRESS_L Register
          452. 14.1.6.2.452 CBASS_ISC_IPULSAR_SL_MAIN_1_CPU0_PMST_ISC_REGION_2_START_ADDRESS_H Register
          453. 14.1.6.2.453 CBASS_ISC_IPULSAR_SL_MAIN_1_CPU0_PMST_ISC_REGION_2_END_ADDRESS_L Register
          454. 14.1.6.2.454 CBASS_ISC_IPULSAR_SL_MAIN_1_CPU0_PMST_ISC_REGION_2_END_ADDRESS_H Register
          455. 14.1.6.2.455 CBASS_ISC_IPULSAR_SL_MAIN_1_CPU0_PMST_ISC_REGION_3_CONTROL Register
          456. 14.1.6.2.456 CBASS_ISC_IPULSAR_SL_MAIN_1_CPU0_PMST_ISC_REGION_3_START_ADDRESS_L Register
          457. 14.1.6.2.457 CBASS_ISC_IPULSAR_SL_MAIN_1_CPU0_PMST_ISC_REGION_3_START_ADDRESS_H Register
          458. 14.1.6.2.458 CBASS_ISC_IPULSAR_SL_MAIN_1_CPU0_PMST_ISC_REGION_3_END_ADDRESS_L Register
          459. 14.1.6.2.459 CBASS_ISC_IPULSAR_SL_MAIN_1_CPU0_PMST_ISC_REGION_3_END_ADDRESS_H Register
          460. 14.1.6.2.460 CBASS_ISC_IPULSAR_SL_MAIN_1_CPU0_PMST_ISC_REGION_DEF_CONTROL Register
          461. 14.1.6.2.461 CBASS_ISC_IPULSAR_SL_MAIN_1_CPU1_PMST_ISC_REGION_0_CONTROL Register
          462. 14.1.6.2.462 CBASS_ISC_IPULSAR_SL_MAIN_1_CPU1_PMST_ISC_REGION_0_START_ADDRESS_L Register
          463. 14.1.6.2.463 CBASS_ISC_IPULSAR_SL_MAIN_1_CPU1_PMST_ISC_REGION_0_START_ADDRESS_H Register
          464. 14.1.6.2.464 CBASS_ISC_IPULSAR_SL_MAIN_1_CPU1_PMST_ISC_REGION_0_END_ADDRESS_L Register
          465. 14.1.6.2.465 CBASS_ISC_IPULSAR_SL_MAIN_1_CPU1_PMST_ISC_REGION_0_END_ADDRESS_H Register
          466. 14.1.6.2.466 CBASS_ISC_IPULSAR_SL_MAIN_1_CPU1_PMST_ISC_REGION_1_CONTROL Register
          467. 14.1.6.2.467 CBASS_ISC_IPULSAR_SL_MAIN_1_CPU1_PMST_ISC_REGION_1_START_ADDRESS_L Register
          468. 14.1.6.2.468 CBASS_ISC_IPULSAR_SL_MAIN_1_CPU1_PMST_ISC_REGION_1_START_ADDRESS_H Register
          469. 14.1.6.2.469 CBASS_ISC_IPULSAR_SL_MAIN_1_CPU1_PMST_ISC_REGION_1_END_ADDRESS_L Register
          470. 14.1.6.2.470 CBASS_ISC_IPULSAR_SL_MAIN_1_CPU1_PMST_ISC_REGION_1_END_ADDRESS_H Register
          471. 14.1.6.2.471 CBASS_ISC_IPULSAR_SL_MAIN_1_CPU1_PMST_ISC_REGION_2_CONTROL Register
          472. 14.1.6.2.472 CBASS_ISC_IPULSAR_SL_MAIN_1_CPU1_PMST_ISC_REGION_2_START_ADDRESS_L Register
          473. 14.1.6.2.473 CBASS_ISC_IPULSAR_SL_MAIN_1_CPU1_PMST_ISC_REGION_2_START_ADDRESS_H Register
          474. 14.1.6.2.474 CBASS_ISC_IPULSAR_SL_MAIN_1_CPU1_PMST_ISC_REGION_2_END_ADDRESS_L Register
          475. 14.1.6.2.475 CBASS_ISC_IPULSAR_SL_MAIN_1_CPU1_PMST_ISC_REGION_2_END_ADDRESS_H Register
          476. 14.1.6.2.476 CBASS_ISC_IPULSAR_SL_MAIN_1_CPU1_PMST_ISC_REGION_3_CONTROL Register
          477. 14.1.6.2.477 CBASS_ISC_IPULSAR_SL_MAIN_1_CPU1_PMST_ISC_REGION_3_START_ADDRESS_L Register
          478. 14.1.6.2.478 CBASS_ISC_IPULSAR_SL_MAIN_1_CPU1_PMST_ISC_REGION_3_START_ADDRESS_H Register
          479. 14.1.6.2.479 CBASS_ISC_IPULSAR_SL_MAIN_1_CPU1_PMST_ISC_REGION_3_END_ADDRESS_L Register
          480. 14.1.6.2.480 CBASS_ISC_IPULSAR_SL_MAIN_1_CPU1_PMST_ISC_REGION_3_END_ADDRESS_H Register
          481. 14.1.6.2.481 CBASS_ISC_IPULSAR_SL_MAIN_1_CPU1_PMST_ISC_REGION_DEF_CONTROL Register
          482. 14.1.6.2.482 CBASS_GLB_PID Register
          483. 14.1.6.2.483 CBASS_GLB_DESTINATION_ID Register
          484. 14.1.6.2.484 CBASS_GLB_EXCEPTION_LOGGING_CONTROL Register
          485. 14.1.6.2.485 CBASS_GLB_EXCEPTION_LOGGING_HEADER0 Register
          486. 14.1.6.2.486 CBASS_GLB_EXCEPTION_LOGGING_HEADER1 Register
          487. 14.1.6.2.487 CBASS_GLB_EXCEPTION_LOGGING_DATA0 Register
          488. 14.1.6.2.488 CBASS_GLB_EXCEPTION_LOGGING_DATA1 Register
          489. 14.1.6.2.489 CBASS_GLB_EXCEPTION_LOGGING_DATA2 Register
          490. 14.1.6.2.490 CBASS_GLB_EXCEPTION_LOGGING_DATA3 Register
          491. 14.1.6.2.491 CBASS_GLB_EXCEPTION_PEND_SET Register
          492. 14.1.6.2.492 CBASS_GLB_EXCEPTION_PEND_CLEAR Register
          493. 14.1.6.2.493 CBASS_QOS_IPULSAR_SL_MAIN_0_CPU0_PMST_MAP0 Register
          494. 14.1.6.2.494 CBASS_QOS_IPULSAR_SL_MAIN_0_CPU1_PMST_MAP0 Register
          495. 14.1.6.2.495 CBASS_QOS_IPULSAR_SL_MAIN_1_CPU0_PMST_MAP0 Register
          496. 14.1.6.2.496 CBASS_QOS_IPULSAR_SL_MAIN_1_CPU1_PMST_MAP0 Register
      7. 14.1.7 CBASS_SAFE
        1. 14.1.7.1 CBASS_SAFE Summaries
          1.        4466
        2. 14.1.7.2 CBASS_SAFE Registers
          1. 14.1.7.2.1  CBASS_ERR_PID Register
          2. 14.1.7.2.2  CBASS_ERR_DESTINATION_ID Register
          3. 14.1.7.2.3  CBASS_ERR_EXCEPTION_LOGGING_HEADER0 Register
          4. 14.1.7.2.4  CBASS_ERR_EXCEPTION_LOGGING_HEADER1 Register
          5. 14.1.7.2.5  CBASS_ERR_EXCEPTION_LOGGING_DATA0 Register
          6. 14.1.7.2.6  CBASS_ERR_EXCEPTION_LOGGING_DATA1 Register
          7. 14.1.7.2.7  CBASS_ERR_EXCEPTION_LOGGING_DATA2 Register
          8. 14.1.7.2.8  CBASS_ERR_EXCEPTION_LOGGING_DATA3 Register
          9. 14.1.7.2.9  CBASS_ERR_ERR_INTR_RAW_STAT Register
          10. 14.1.7.2.10 CBASS_ERR_ERR_INTR_ENABLED_STAT Register
          11. 14.1.7.2.11 CBASS_ERR_ERR_INTR_ENABLE_SET Register
          12. 14.1.7.2.12 CBASS_ERR_ERR_INTR_ENABLE_CLR Register
          13. 14.1.7.2.13 CBASS_ERR_EOI Register
      8. 14.1.8 am275_main_IPCSS_cbass
        1. 14.1.8.1 am275_main_IPCSS_cbass Summaries
          1.        4483
          2.        4484
          3.        4485
        2. 14.1.8.2 am275_main_IPCSS_cbass Registers
          1. 14.1.8.2.1   CBASS_ERR_PID Register
          2. 14.1.8.2.2   CBASS_ERR_DESTINATION_ID Register
          3. 14.1.8.2.3   CBASS_ERR_EXCEPTION_LOGGING_HEADER0 Register
          4. 14.1.8.2.4   CBASS_ERR_EXCEPTION_LOGGING_HEADER1 Register
          5. 14.1.8.2.5   CBASS_ERR_EXCEPTION_LOGGING_DATA0 Register
          6. 14.1.8.2.6   CBASS_ERR_EXCEPTION_LOGGING_DATA1 Register
          7. 14.1.8.2.7   CBASS_ERR_EXCEPTION_LOGGING_DATA2 Register
          8. 14.1.8.2.8   CBASS_ERR_EXCEPTION_LOGGING_DATA3 Register
          9. 14.1.8.2.9   CBASS_ERR_ERR_INTR_RAW_STAT Register
          10. 14.1.8.2.10  CBASS_ERR_ERR_INTR_ENABLED_STAT Register
          11. 14.1.8.2.11  CBASS_ERR_ERR_INTR_ENABLE_SET Register
          12. 14.1.8.2.12  CBASS_ERR_ERR_INTR_ENABLE_CLR Register
          13. 14.1.8.2.13  CBASS_ERR_EOI Register
          14. 14.1.8.2.14  CBASS_FW_IDMSS_AM275_MAIN_0_IPCSS_VBM_DST_FW_REGION_0_CONTROL Register
          15. 14.1.8.2.15  CBASS_FW_IDMSS_AM275_MAIN_0_IPCSS_VBM_DST_FW_REGION_0_PERMISSION_0 Register
          16. 14.1.8.2.16  CBASS_FW_IDMSS_AM275_MAIN_0_IPCSS_VBM_DST_FW_REGION_0_PERMISSION_1 Register
          17. 14.1.8.2.17  CBASS_FW_IDMSS_AM275_MAIN_0_IPCSS_VBM_DST_FW_REGION_0_PERMISSION_2 Register
          18. 14.1.8.2.18  CBASS_FW_IDMSS_AM275_MAIN_0_IPCSS_VBM_DST_FW_REGION_0_START_ADDRESS_L Register
          19. 14.1.8.2.19  CBASS_FW_IDMSS_AM275_MAIN_0_IPCSS_VBM_DST_FW_REGION_0_START_ADDRESS_H Register
          20. 14.1.8.2.20  CBASS_FW_IDMSS_AM275_MAIN_0_IPCSS_VBM_DST_FW_REGION_0_END_ADDRESS_L Register
          21. 14.1.8.2.21  CBASS_FW_IDMSS_AM275_MAIN_0_IPCSS_VBM_DST_FW_REGION_0_END_ADDRESS_H Register
          22. 14.1.8.2.22  CBASS_FW_IDMSS_AM275_MAIN_0_IPCSS_VBM_DST_FW_REGION_1_CONTROL Register
          23. 14.1.8.2.23  CBASS_FW_IDMSS_AM275_MAIN_0_IPCSS_VBM_DST_FW_REGION_1_PERMISSION_0 Register
          24. 14.1.8.2.24  CBASS_FW_IDMSS_AM275_MAIN_0_IPCSS_VBM_DST_FW_REGION_1_PERMISSION_1 Register
          25. 14.1.8.2.25  CBASS_FW_IDMSS_AM275_MAIN_0_IPCSS_VBM_DST_FW_REGION_1_PERMISSION_2 Register
          26. 14.1.8.2.26  CBASS_FW_IDMSS_AM275_MAIN_0_IPCSS_VBM_DST_FW_REGION_1_START_ADDRESS_L Register
          27. 14.1.8.2.27  CBASS_FW_IDMSS_AM275_MAIN_0_IPCSS_VBM_DST_FW_REGION_1_START_ADDRESS_H Register
          28. 14.1.8.2.28  CBASS_FW_IDMSS_AM275_MAIN_0_IPCSS_VBM_DST_FW_REGION_1_END_ADDRESS_L Register
          29. 14.1.8.2.29  CBASS_FW_IDMSS_AM275_MAIN_0_IPCSS_VBM_DST_FW_REGION_1_END_ADDRESS_H Register
          30. 14.1.8.2.30  CBASS_FW_IDMSS_AM275_MAIN_0_IPCSS_VBM_DST_FW_REGION_2_CONTROL Register
          31. 14.1.8.2.31  CBASS_FW_IDMSS_AM275_MAIN_0_IPCSS_VBM_DST_FW_REGION_2_PERMISSION_0 Register
          32. 14.1.8.2.32  CBASS_FW_IDMSS_AM275_MAIN_0_IPCSS_VBM_DST_FW_REGION_2_PERMISSION_1 Register
          33. 14.1.8.2.33  CBASS_FW_IDMSS_AM275_MAIN_0_IPCSS_VBM_DST_FW_REGION_2_PERMISSION_2 Register
          34. 14.1.8.2.34  CBASS_FW_IDMSS_AM275_MAIN_0_IPCSS_VBM_DST_FW_REGION_2_START_ADDRESS_L Register
          35. 14.1.8.2.35  CBASS_FW_IDMSS_AM275_MAIN_0_IPCSS_VBM_DST_FW_REGION_2_START_ADDRESS_H Register
          36. 14.1.8.2.36  CBASS_FW_IDMSS_AM275_MAIN_0_IPCSS_VBM_DST_FW_REGION_2_END_ADDRESS_L Register
          37. 14.1.8.2.37  CBASS_FW_IDMSS_AM275_MAIN_0_IPCSS_VBM_DST_FW_REGION_2_END_ADDRESS_H Register
          38. 14.1.8.2.38  CBASS_FW_IDMSS_AM275_MAIN_0_IPCSS_VBM_DST_FW_REGION_3_CONTROL Register
          39. 14.1.8.2.39  CBASS_FW_IDMSS_AM275_MAIN_0_IPCSS_VBM_DST_FW_REGION_3_PERMISSION_0 Register
          40. 14.1.8.2.40  CBASS_FW_IDMSS_AM275_MAIN_0_IPCSS_VBM_DST_FW_REGION_3_PERMISSION_1 Register
          41. 14.1.8.2.41  CBASS_FW_IDMSS_AM275_MAIN_0_IPCSS_VBM_DST_FW_REGION_3_PERMISSION_2 Register
          42. 14.1.8.2.42  CBASS_FW_IDMSS_AM275_MAIN_0_IPCSS_VBM_DST_FW_REGION_3_START_ADDRESS_L Register
          43. 14.1.8.2.43  CBASS_FW_IDMSS_AM275_MAIN_0_IPCSS_VBM_DST_FW_REGION_3_START_ADDRESS_H Register
          44. 14.1.8.2.44  CBASS_FW_IDMSS_AM275_MAIN_0_IPCSS_VBM_DST_FW_REGION_3_END_ADDRESS_L Register
          45. 14.1.8.2.45  CBASS_FW_IDMSS_AM275_MAIN_0_IPCSS_VBM_DST_FW_REGION_3_END_ADDRESS_H Register
          46. 14.1.8.2.46  CBASS_FW_IDMSS_AM275_MAIN_0_IPCSS_VBM_DST_FW_REGION_4_CONTROL Register
          47. 14.1.8.2.47  CBASS_FW_IDMSS_AM275_MAIN_0_IPCSS_VBM_DST_FW_REGION_4_PERMISSION_0 Register
          48. 14.1.8.2.48  CBASS_FW_IDMSS_AM275_MAIN_0_IPCSS_VBM_DST_FW_REGION_4_PERMISSION_1 Register
          49. 14.1.8.2.49  CBASS_FW_IDMSS_AM275_MAIN_0_IPCSS_VBM_DST_FW_REGION_4_PERMISSION_2 Register
          50. 14.1.8.2.50  CBASS_FW_IDMSS_AM275_MAIN_0_IPCSS_VBM_DST_FW_REGION_4_START_ADDRESS_L Register
          51. 14.1.8.2.51  CBASS_FW_IDMSS_AM275_MAIN_0_IPCSS_VBM_DST_FW_REGION_4_START_ADDRESS_H Register
          52. 14.1.8.2.52  CBASS_FW_IDMSS_AM275_MAIN_0_IPCSS_VBM_DST_FW_REGION_4_END_ADDRESS_L Register
          53. 14.1.8.2.53  CBASS_FW_IDMSS_AM275_MAIN_0_IPCSS_VBM_DST_FW_REGION_4_END_ADDRESS_H Register
          54. 14.1.8.2.54  CBASS_FW_IDMSS_AM275_MAIN_0_IPCSS_VBM_DST_FW_REGION_5_CONTROL Register
          55. 14.1.8.2.55  CBASS_FW_IDMSS_AM275_MAIN_0_IPCSS_VBM_DST_FW_REGION_5_PERMISSION_0 Register
          56. 14.1.8.2.56  CBASS_FW_IDMSS_AM275_MAIN_0_IPCSS_VBM_DST_FW_REGION_5_PERMISSION_1 Register
          57. 14.1.8.2.57  CBASS_FW_IDMSS_AM275_MAIN_0_IPCSS_VBM_DST_FW_REGION_5_PERMISSION_2 Register
          58. 14.1.8.2.58  CBASS_FW_IDMSS_AM275_MAIN_0_IPCSS_VBM_DST_FW_REGION_5_START_ADDRESS_L Register
          59. 14.1.8.2.59  CBASS_FW_IDMSS_AM275_MAIN_0_IPCSS_VBM_DST_FW_REGION_5_START_ADDRESS_H Register
          60. 14.1.8.2.60  CBASS_FW_IDMSS_AM275_MAIN_0_IPCSS_VBM_DST_FW_REGION_5_END_ADDRESS_L Register
          61. 14.1.8.2.61  CBASS_FW_IDMSS_AM275_MAIN_0_IPCSS_VBM_DST_FW_REGION_5_END_ADDRESS_H Register
          62. 14.1.8.2.62  CBASS_FW_IDMSS_AM275_MAIN_0_IPCSS_VBM_DST_FW_REGION_6_CONTROL Register
          63. 14.1.8.2.63  CBASS_FW_IDMSS_AM275_MAIN_0_IPCSS_VBM_DST_FW_REGION_6_PERMISSION_0 Register
          64. 14.1.8.2.64  CBASS_FW_IDMSS_AM275_MAIN_0_IPCSS_VBM_DST_FW_REGION_6_PERMISSION_1 Register
          65. 14.1.8.2.65  CBASS_FW_IDMSS_AM275_MAIN_0_IPCSS_VBM_DST_FW_REGION_6_PERMISSION_2 Register
          66. 14.1.8.2.66  CBASS_FW_IDMSS_AM275_MAIN_0_IPCSS_VBM_DST_FW_REGION_6_START_ADDRESS_L Register
          67. 14.1.8.2.67  CBASS_FW_IDMSS_AM275_MAIN_0_IPCSS_VBM_DST_FW_REGION_6_START_ADDRESS_H Register
          68. 14.1.8.2.68  CBASS_FW_IDMSS_AM275_MAIN_0_IPCSS_VBM_DST_FW_REGION_6_END_ADDRESS_L Register
          69. 14.1.8.2.69  CBASS_FW_IDMSS_AM275_MAIN_0_IPCSS_VBM_DST_FW_REGION_6_END_ADDRESS_H Register
          70. 14.1.8.2.70  CBASS_FW_IDMSS_AM275_MAIN_0_IPCSS_VBM_DST_FW_REGION_7_CONTROL Register
          71. 14.1.8.2.71  CBASS_FW_IDMSS_AM275_MAIN_0_IPCSS_VBM_DST_FW_REGION_7_PERMISSION_0 Register
          72. 14.1.8.2.72  CBASS_FW_IDMSS_AM275_MAIN_0_IPCSS_VBM_DST_FW_REGION_7_PERMISSION_1 Register
          73. 14.1.8.2.73  CBASS_FW_IDMSS_AM275_MAIN_0_IPCSS_VBM_DST_FW_REGION_7_PERMISSION_2 Register
          74. 14.1.8.2.74  CBASS_FW_IDMSS_AM275_MAIN_0_IPCSS_VBM_DST_FW_REGION_7_START_ADDRESS_L Register
          75. 14.1.8.2.75  CBASS_FW_IDMSS_AM275_MAIN_0_IPCSS_VBM_DST_FW_REGION_7_START_ADDRESS_H Register
          76. 14.1.8.2.76  CBASS_FW_IDMSS_AM275_MAIN_0_IPCSS_VBM_DST_FW_REGION_7_END_ADDRESS_L Register
          77. 14.1.8.2.77  CBASS_FW_IDMSS_AM275_MAIN_0_IPCSS_VBM_DST_FW_REGION_7_END_ADDRESS_H Register
          78. 14.1.8.2.78  CBASS_FW_ISA3SS_AM62A_MAIN_0_IPCSS_VBM_DST_FW_REGION_0_CONTROL Register
          79. 14.1.8.2.79  CBASS_FW_ISA3SS_AM62A_MAIN_0_IPCSS_VBM_DST_FW_REGION_0_PERMISSION_0 Register
          80. 14.1.8.2.80  CBASS_FW_ISA3SS_AM62A_MAIN_0_IPCSS_VBM_DST_FW_REGION_0_PERMISSION_1 Register
          81. 14.1.8.2.81  CBASS_FW_ISA3SS_AM62A_MAIN_0_IPCSS_VBM_DST_FW_REGION_0_PERMISSION_2 Register
          82. 14.1.8.2.82  CBASS_FW_ISA3SS_AM62A_MAIN_0_IPCSS_VBM_DST_FW_REGION_0_START_ADDRESS_L Register
          83. 14.1.8.2.83  CBASS_FW_ISA3SS_AM62A_MAIN_0_IPCSS_VBM_DST_FW_REGION_0_START_ADDRESS_H Register
          84. 14.1.8.2.84  CBASS_FW_ISA3SS_AM62A_MAIN_0_IPCSS_VBM_DST_FW_REGION_0_END_ADDRESS_L Register
          85. 14.1.8.2.85  CBASS_FW_ISA3SS_AM62A_MAIN_0_IPCSS_VBM_DST_FW_REGION_0_END_ADDRESS_H Register
          86. 14.1.8.2.86  CBASS_FW_ISA3SS_AM62A_MAIN_0_IPCSS_VBM_DST_FW_REGION_1_CONTROL Register
          87. 14.1.8.2.87  CBASS_FW_ISA3SS_AM62A_MAIN_0_IPCSS_VBM_DST_FW_REGION_1_PERMISSION_0 Register
          88. 14.1.8.2.88  CBASS_FW_ISA3SS_AM62A_MAIN_0_IPCSS_VBM_DST_FW_REGION_1_PERMISSION_1 Register
          89. 14.1.8.2.89  CBASS_FW_ISA3SS_AM62A_MAIN_0_IPCSS_VBM_DST_FW_REGION_1_PERMISSION_2 Register
          90. 14.1.8.2.90  CBASS_FW_ISA3SS_AM62A_MAIN_0_IPCSS_VBM_DST_FW_REGION_1_START_ADDRESS_L Register
          91. 14.1.8.2.91  CBASS_FW_ISA3SS_AM62A_MAIN_0_IPCSS_VBM_DST_FW_REGION_1_START_ADDRESS_H Register
          92. 14.1.8.2.92  CBASS_FW_ISA3SS_AM62A_MAIN_0_IPCSS_VBM_DST_FW_REGION_1_END_ADDRESS_L Register
          93. 14.1.8.2.93  CBASS_FW_ISA3SS_AM62A_MAIN_0_IPCSS_VBM_DST_FW_REGION_1_END_ADDRESS_H Register
          94. 14.1.8.2.94  CBASS_FW_ISA3SS_AM62A_MAIN_0_IPCSS_VBM_DST_FW_REGION_2_CONTROL Register
          95. 14.1.8.2.95  CBASS_FW_ISA3SS_AM62A_MAIN_0_IPCSS_VBM_DST_FW_REGION_2_PERMISSION_0 Register
          96. 14.1.8.2.96  CBASS_FW_ISA3SS_AM62A_MAIN_0_IPCSS_VBM_DST_FW_REGION_2_PERMISSION_1 Register
          97. 14.1.8.2.97  CBASS_FW_ISA3SS_AM62A_MAIN_0_IPCSS_VBM_DST_FW_REGION_2_PERMISSION_2 Register
          98. 14.1.8.2.98  CBASS_FW_ISA3SS_AM62A_MAIN_0_IPCSS_VBM_DST_FW_REGION_2_START_ADDRESS_L Register
          99. 14.1.8.2.99  CBASS_FW_ISA3SS_AM62A_MAIN_0_IPCSS_VBM_DST_FW_REGION_2_START_ADDRESS_H Register
          100. 14.1.8.2.100 CBASS_FW_ISA3SS_AM62A_MAIN_0_IPCSS_VBM_DST_FW_REGION_2_END_ADDRESS_L Register
          101. 14.1.8.2.101 CBASS_FW_ISA3SS_AM62A_MAIN_0_IPCSS_VBM_DST_FW_REGION_2_END_ADDRESS_H Register
          102. 14.1.8.2.102 CBASS_FW_ISA3SS_AM62A_MAIN_0_IPCSS_VBM_DST_FW_REGION_3_CONTROL Register
          103. 14.1.8.2.103 CBASS_FW_ISA3SS_AM62A_MAIN_0_IPCSS_VBM_DST_FW_REGION_3_PERMISSION_0 Register
          104. 14.1.8.2.104 CBASS_FW_ISA3SS_AM62A_MAIN_0_IPCSS_VBM_DST_FW_REGION_3_PERMISSION_1 Register
          105. 14.1.8.2.105 CBASS_FW_ISA3SS_AM62A_MAIN_0_IPCSS_VBM_DST_FW_REGION_3_PERMISSION_2 Register
          106. 14.1.8.2.106 CBASS_FW_ISA3SS_AM62A_MAIN_0_IPCSS_VBM_DST_FW_REGION_3_START_ADDRESS_L Register
          107. 14.1.8.2.107 CBASS_FW_ISA3SS_AM62A_MAIN_0_IPCSS_VBM_DST_FW_REGION_3_START_ADDRESS_H Register
          108. 14.1.8.2.108 CBASS_FW_ISA3SS_AM62A_MAIN_0_IPCSS_VBM_DST_FW_REGION_3_END_ADDRESS_L Register
          109. 14.1.8.2.109 CBASS_FW_ISA3SS_AM62A_MAIN_0_IPCSS_VBM_DST_FW_REGION_3_END_ADDRESS_H Register
          110. 14.1.8.2.110 CBASS_FW_ISA3SS_AM62A_MAIN_0_IPCSS_VBM_DST_FW_REGION_4_CONTROL Register
          111. 14.1.8.2.111 CBASS_FW_ISA3SS_AM62A_MAIN_0_IPCSS_VBM_DST_FW_REGION_4_PERMISSION_0 Register
          112. 14.1.8.2.112 CBASS_FW_ISA3SS_AM62A_MAIN_0_IPCSS_VBM_DST_FW_REGION_4_PERMISSION_1 Register
          113. 14.1.8.2.113 CBASS_FW_ISA3SS_AM62A_MAIN_0_IPCSS_VBM_DST_FW_REGION_4_PERMISSION_2 Register
          114. 14.1.8.2.114 CBASS_FW_ISA3SS_AM62A_MAIN_0_IPCSS_VBM_DST_FW_REGION_4_START_ADDRESS_L Register
          115. 14.1.8.2.115 CBASS_FW_ISA3SS_AM62A_MAIN_0_IPCSS_VBM_DST_FW_REGION_4_START_ADDRESS_H Register
          116. 14.1.8.2.116 CBASS_FW_ISA3SS_AM62A_MAIN_0_IPCSS_VBM_DST_FW_REGION_4_END_ADDRESS_L Register
          117. 14.1.8.2.117 CBASS_FW_ISA3SS_AM62A_MAIN_0_IPCSS_VBM_DST_FW_REGION_4_END_ADDRESS_H Register
          118. 14.1.8.2.118 CBASS_FW_ISA3SS_AM62A_MAIN_0_IPCSS_VBM_DST_FW_REGION_5_CONTROL Register
          119. 14.1.8.2.119 CBASS_FW_ISA3SS_AM62A_MAIN_0_IPCSS_VBM_DST_FW_REGION_5_PERMISSION_0 Register
          120. 14.1.8.2.120 CBASS_FW_ISA3SS_AM62A_MAIN_0_IPCSS_VBM_DST_FW_REGION_5_PERMISSION_1 Register
          121. 14.1.8.2.121 CBASS_FW_ISA3SS_AM62A_MAIN_0_IPCSS_VBM_DST_FW_REGION_5_PERMISSION_2 Register
          122. 14.1.8.2.122 CBASS_FW_ISA3SS_AM62A_MAIN_0_IPCSS_VBM_DST_FW_REGION_5_START_ADDRESS_L Register
          123. 14.1.8.2.123 CBASS_FW_ISA3SS_AM62A_MAIN_0_IPCSS_VBM_DST_FW_REGION_5_START_ADDRESS_H Register
          124. 14.1.8.2.124 CBASS_FW_ISA3SS_AM62A_MAIN_0_IPCSS_VBM_DST_FW_REGION_5_END_ADDRESS_L Register
          125. 14.1.8.2.125 CBASS_FW_ISA3SS_AM62A_MAIN_0_IPCSS_VBM_DST_FW_REGION_5_END_ADDRESS_H Register
          126. 14.1.8.2.126 CBASS_FW_ISA3SS_AM62A_MAIN_0_IPCSS_VBM_DST_FW_REGION_6_CONTROL Register
          127. 14.1.8.2.127 CBASS_FW_ISA3SS_AM62A_MAIN_0_IPCSS_VBM_DST_FW_REGION_6_PERMISSION_0 Register
          128. 14.1.8.2.128 CBASS_FW_ISA3SS_AM62A_MAIN_0_IPCSS_VBM_DST_FW_REGION_6_PERMISSION_1 Register
          129. 14.1.8.2.129 CBASS_FW_ISA3SS_AM62A_MAIN_0_IPCSS_VBM_DST_FW_REGION_6_PERMISSION_2 Register
          130. 14.1.8.2.130 CBASS_FW_ISA3SS_AM62A_MAIN_0_IPCSS_VBM_DST_FW_REGION_6_START_ADDRESS_L Register
          131. 14.1.8.2.131 CBASS_FW_ISA3SS_AM62A_MAIN_0_IPCSS_VBM_DST_FW_REGION_6_START_ADDRESS_H Register
          132. 14.1.8.2.132 CBASS_FW_ISA3SS_AM62A_MAIN_0_IPCSS_VBM_DST_FW_REGION_6_END_ADDRESS_L Register
          133. 14.1.8.2.133 CBASS_FW_ISA3SS_AM62A_MAIN_0_IPCSS_VBM_DST_FW_REGION_6_END_ADDRESS_H Register
          134. 14.1.8.2.134 CBASS_FW_ISA3SS_AM62A_MAIN_0_IPCSS_VBM_DST_FW_REGION_7_CONTROL Register
          135. 14.1.8.2.135 CBASS_FW_ISA3SS_AM62A_MAIN_0_IPCSS_VBM_DST_FW_REGION_7_PERMISSION_0 Register
          136. 14.1.8.2.136 CBASS_FW_ISA3SS_AM62A_MAIN_0_IPCSS_VBM_DST_FW_REGION_7_PERMISSION_1 Register
          137. 14.1.8.2.137 CBASS_FW_ISA3SS_AM62A_MAIN_0_IPCSS_VBM_DST_FW_REGION_7_PERMISSION_2 Register
          138. 14.1.8.2.138 CBASS_FW_ISA3SS_AM62A_MAIN_0_IPCSS_VBM_DST_FW_REGION_7_START_ADDRESS_L Register
          139. 14.1.8.2.139 CBASS_FW_ISA3SS_AM62A_MAIN_0_IPCSS_VBM_DST_FW_REGION_7_START_ADDRESS_H Register
          140. 14.1.8.2.140 CBASS_FW_ISA3SS_AM62A_MAIN_0_IPCSS_VBM_DST_FW_REGION_7_END_ADDRESS_L Register
          141. 14.1.8.2.141 CBASS_FW_ISA3SS_AM62A_MAIN_0_IPCSS_VBM_DST_FW_REGION_7_END_ADDRESS_H Register
          142. 14.1.8.2.142 CBASS_GLB_PID Register
          143. 14.1.8.2.143 CBASS_GLB_DESTINATION_ID Register
          144. 14.1.8.2.144 CBASS_GLB_EXCEPTION_LOGGING_CONTROL Register
          145. 14.1.8.2.145 CBASS_GLB_EXCEPTION_LOGGING_HEADER0 Register
          146. 14.1.8.2.146 CBASS_GLB_EXCEPTION_LOGGING_HEADER1 Register
          147. 14.1.8.2.147 CBASS_GLB_EXCEPTION_LOGGING_DATA0 Register
          148. 14.1.8.2.148 CBASS_GLB_EXCEPTION_LOGGING_DATA1 Register
          149. 14.1.8.2.149 CBASS_GLB_EXCEPTION_LOGGING_DATA2 Register
          150. 14.1.8.2.150 CBASS_GLB_EXCEPTION_LOGGING_DATA3 Register
          151. 14.1.8.2.151 CBASS_GLB_EXCEPTION_PEND_SET Register
          152. 14.1.8.2.152 CBASS_GLB_EXCEPTION_PEND_CLEAR Register
    2. 14.2 Device Configuration Registers
      1. 14.2.1 Control Module (CTRL_MMR)
        1. 14.2.1.1 General Purpose Control Registers
          1. 14.2.1.1.1   MAIN_CTRL_MMR
            1. 14.2.1.1.1.1 MAIN_CTRL_MMR Summaries
              1.          4644
            2. 14.2.1.1.1.2 MAIN_CTRL_MMR Registers
              1. 14.2.1.1.1.2.1   MAIN_CTRL_MMRCFG0_PID Register
              2. 14.2.1.1.1.2.2   MAIN_CTRL_MMRCFG0_MMR_CFG1 Register
              3. 14.2.1.1.1.2.3   MAIN_CTRL_MMRCFG0_IPC_SET_J Register
              4. 14.2.1.1.1.2.4   MAIN_CTRL_MMRCFG0_IPC_SET16 Register
              5. 14.2.1.1.1.2.5   MAIN_CTRL_MMRCFG0_IPC_SET17 Register
              6. 14.2.1.1.1.2.6   MAIN_CTRL_MMRCFG0_IPC_SET18 Register
              7. 14.2.1.1.1.2.7   MAIN_CTRL_MMRCFG0_IPC_SET19 Register
              8. 14.2.1.1.1.2.8   MAIN_CTRL_MMRCFG0_IPC_CLR_J Register
              9. 14.2.1.1.1.2.9   MAIN_CTRL_MMRCFG0_IPC_CLR16 Register
              10. 14.2.1.1.1.2.10  MAIN_CTRL_MMRCFG0_IPC_CLR17 Register
              11. 14.2.1.1.1.2.11  MAIN_CTRL_MMRCFG0_IPC_CLR18 Register
              12. 14.2.1.1.1.2.12  MAIN_CTRL_MMRCFG0_IPC_CLR19 Register
              13. 14.2.1.1.1.2.13  MAIN_CTRL_MMRCFG0_LOCK0_KICK0 Register
              14. 14.2.1.1.1.2.14  MAIN_CTRL_MMRCFG0_LOCK0_KICK1 Register
              15. 14.2.1.1.1.2.15  MAIN_CTRL_MMRCFG0_INTR_RAW_STATUS Register
              16. 14.2.1.1.1.2.16  MAIN_CTRL_MMRCFG0_INTR_ENABLED_STATUS_CLEAR Register
              17. 14.2.1.1.1.2.17  MAIN_CTRL_MMRCFG0_INTR_ENABLE Register
              18. 14.2.1.1.1.2.18  MAIN_CTRL_MMRCFG0_INTR_ENABLE_CLEAR Register
              19. 14.2.1.1.1.2.19  MAIN_CTRL_MMRCFG0_EOI Register
              20. 14.2.1.1.1.2.20  MAIN_CTRL_MMRCFG0_FAULT_ADDRESS Register
              21. 14.2.1.1.1.2.21  MAIN_CTRL_MMRCFG0_FAULT_TYPE_STATUS Register
              22. 14.2.1.1.1.2.22  MAIN_CTRL_MMRCFG0_FAULT_ATTR_STATUS Register
              23. 14.2.1.1.1.2.23  MAIN_CTRL_MMRCFG0_FAULT_CLEAR Register
              24. 14.2.1.1.1.2.24  MAIN_CTRL_MMRCFG0_CLAIMREG_P0_R0_READONLY Register
              25. 14.2.1.1.1.2.25  MAIN_CTRL_MMRCFG0_CLAIMREG_P0_R2_READONLY Register
              26. 14.2.1.1.1.2.26  MAIN_CTRL_MMRCFG0_CLAIMREG_P0_R3_READONLY Register
              27. 14.2.1.1.1.2.27  MAIN_CTRL_MMRCFG0_CLAIMREG_P0_R6_READONLY Register
              28. 14.2.1.1.1.2.28  MAIN_CTRL_MMRCFG0_PID_PROXY Register
              29. 14.2.1.1.1.2.29  MAIN_CTRL_MMRCFG0_MMR_CFG1_PROXY Register
              30. 14.2.1.1.1.2.30  MAIN_CTRL_MMRCFG0_IPC_SET_PROXY_J Register
              31. 14.2.1.1.1.2.31  MAIN_CTRL_MMRCFG0_IPC_SET16_PROXY Register
              32. 14.2.1.1.1.2.32  MAIN_CTRL_MMRCFG0_IPC_SET17_PROXY Register
              33. 14.2.1.1.1.2.33  MAIN_CTRL_MMRCFG0_IPC_SET18_PROXY Register
              34. 14.2.1.1.1.2.34  MAIN_CTRL_MMRCFG0_IPC_SET19_PROXY Register
              35. 14.2.1.1.1.2.35  MAIN_CTRL_MMRCFG0_IPC_CLR_PROXY_J Register
              36. 14.2.1.1.1.2.36  MAIN_CTRL_MMRCFG0_IPC_CLR16_PROXY Register
              37. 14.2.1.1.1.2.37  MAIN_CTRL_MMRCFG0_IPC_CLR17_PROXY Register
              38. 14.2.1.1.1.2.38  MAIN_CTRL_MMRCFG0_IPC_CLR18_PROXY Register
              39. 14.2.1.1.1.2.39  MAIN_CTRL_MMRCFG0_IPC_CLR19_PROXY Register
              40. 14.2.1.1.1.2.40  MAIN_CTRL_MMRCFG0_LOCK0_KICK0_PROXY Register
              41. 14.2.1.1.1.2.41  MAIN_CTRL_MMRCFG0_LOCK0_KICK1_PROXY Register
              42. 14.2.1.1.1.2.42  MAIN_CTRL_MMRCFG0_INTR_RAW_STATUS_PROXY Register
              43. 14.2.1.1.1.2.43  MAIN_CTRL_MMRCFG0_INTR_ENABLED_STATUS_CLEAR_PROXY Register
              44. 14.2.1.1.1.2.44  MAIN_CTRL_MMRCFG0_INTR_ENABLE_PROXY Register
              45. 14.2.1.1.1.2.45  MAIN_CTRL_MMRCFG0_INTR_ENABLE_CLEAR_PROXY Register
              46. 14.2.1.1.1.2.46  MAIN_CTRL_MMRCFG0_EOI_PROXY Register
              47. 14.2.1.1.1.2.47  MAIN_CTRL_MMRCFG0_FAULT_ADDRESS_PROXY Register
              48. 14.2.1.1.1.2.48  MAIN_CTRL_MMRCFG0_FAULT_TYPE_STATUS_PROXY Register
              49. 14.2.1.1.1.2.49  MAIN_CTRL_MMRCFG0_FAULT_ATTR_STATUS_PROXY Register
              50. 14.2.1.1.1.2.50  MAIN_CTRL_MMRCFG0_FAULT_CLEAR_PROXY Register
              51. 14.2.1.1.1.2.51  MAIN_CTRL_MMRCFG0_CLAIMREG_P0_R0 Register
              52. 14.2.1.1.1.2.52  MAIN_CTRL_MMRCFG0_CLAIMREG_P0_R1 Register
              53. 14.2.1.1.1.2.53  MAIN_CTRL_MMRCFG0_CLAIMREG_P0_R2 Register
              54. 14.2.1.1.1.2.54  MAIN_CTRL_MMRCFG0_CLAIMREG_P0_R3 Register
              55. 14.2.1.1.1.2.55  MAIN_CTRL_MMRCFG0_CLAIMREG_P0_R4 Register
              56. 14.2.1.1.1.2.56  MAIN_CTRL_MMRCFG0_CLAIMREG_P0_R5 Register
              57. 14.2.1.1.1.2.57  MAIN_CTRL_MMRCFG0_CLAIMREG_P0_R6 Register
              58. 14.2.1.1.1.2.58  MAIN_CTRL_MMRCFG0_ENET1_CTRL Register
              59. 14.2.1.1.1.2.59  MAIN_CTRL_MMRCFG0_ENET2_CTRL Register
              60. 14.2.1.1.1.2.60  MAIN_CTRL_MMRCFG0_EPWM_TB_CLKEN Register
              61. 14.2.1.1.1.2.61  MAIN_CTRL_MMRCFG0_EPWM0_CTRL Register
              62. 14.2.1.1.1.2.62  MAIN_CTRL_MMRCFG0_EPWM1_CTRL Register
              63. 14.2.1.1.1.2.63  MAIN_CTRL_MMRCFG0_EPWM2_CTRL Register
              64. 14.2.1.1.1.2.64  MAIN_CTRL_MMRCFG0_TIMER0_CTRL Register
              65. 14.2.1.1.1.2.65  MAIN_CTRL_MMRCFG0_TIMER1_CTRL Register
              66. 14.2.1.1.1.2.66  MAIN_CTRL_MMRCFG0_TIMER2_CTRL Register
              67. 14.2.1.1.1.2.67  MAIN_CTRL_MMRCFG0_TIMER3_CTRL Register
              68. 14.2.1.1.1.2.68  MAIN_CTRL_MMRCFG0_TIMER4_CTRL Register
              69. 14.2.1.1.1.2.69  MAIN_CTRL_MMRCFG0_TIMER5_CTRL Register
              70. 14.2.1.1.1.2.70  MAIN_CTRL_MMRCFG0_TIMER6_CTRL Register
              71. 14.2.1.1.1.2.71  MAIN_CTRL_MMRCFG0_TIMER7_CTRL Register
              72. 14.2.1.1.1.2.72  MAIN_CTRL_MMRCFG0_TIMER8_CTRL Register
              73. 14.2.1.1.1.2.73  MAIN_CTRL_MMRCFG0_TIMER9_CTRL Register
              74. 14.2.1.1.1.2.74  MAIN_CTRL_MMRCFG0_TIMER10_CTRL Register
              75. 14.2.1.1.1.2.75  MAIN_CTRL_MMRCFG0_TIMER11_CTRL Register
              76. 14.2.1.1.1.2.76  MAIN_CTRL_MMRCFG0_TIMER12_CTRL Register
              77. 14.2.1.1.1.2.77  MAIN_CTRL_MMRCFG0_TIMER13_CTRL Register
              78. 14.2.1.1.1.2.78  MAIN_CTRL_MMRCFG0_TIMER14_CTRL Register
              79. 14.2.1.1.1.2.79  MAIN_CTRL_MMRCFG0_TIMER15_CTRL Register
              80. 14.2.1.1.1.2.80  MAIN_CTRL_MMRCFG0_TIMERIO0_CTRL Register
              81. 14.2.1.1.1.2.81  MAIN_CTRL_MMRCFG0_TIMERIO1_CTRL Register
              82. 14.2.1.1.1.2.82  MAIN_CTRL_MMRCFG0_TIMERIO2_CTRL Register
              83. 14.2.1.1.1.2.83  MAIN_CTRL_MMRCFG0_TIMERIO3_CTRL Register
              84. 14.2.1.1.1.2.84  MAIN_CTRL_MMRCFG0_TIMERIO4_CTRL Register
              85. 14.2.1.1.1.2.85  MAIN_CTRL_MMRCFG0_TIMERIO5_CTRL Register
              86. 14.2.1.1.1.2.86  MAIN_CTRL_MMRCFG0_TIMERIO6_CTRL Register
              87. 14.2.1.1.1.2.87  MAIN_CTRL_MMRCFG0_TIMERIO7_CTRL Register
              88. 14.2.1.1.1.2.88  MAIN_CTRL_MMRCFG0_C7XV_CTRL0 Register
              89. 14.2.1.1.1.2.89  MAIN_CTRL_MMRCFG0_C7XV_CTRL1 Register
              90. 14.2.1.1.1.2.90  MAIN_CTRL_MMRCFG0_EMMC0_STAT Register
              91. 14.2.1.1.1.2.91  MAIN_CTRL_MMRCFG0_ADC0_CTRL Register
              92. 14.2.1.1.1.2.92  MAIN_CTRL_MMRCFG0_ADC0_CAL Register
              93. 14.2.1.1.1.2.93  MAIN_CTRL_MMRCFG0_FSS0_CTRL0 Register
              94. 14.2.1.1.1.2.94  MAIN_CTRL_MMRCFG0_FSS0_CTRL1 Register
              95. 14.2.1.1.1.2.95  MAIN_CTRL_MMRCFG0_FSS1_CTRL0 Register
              96. 14.2.1.1.1.2.96  MAIN_CTRL_MMRCFG0_DCC_STAT Register
              97. 14.2.1.1.1.2.97  MAIN_CTRL_MMRCFG0_R5SS0_CORE0_RL2_CTRL Register
              98. 14.2.1.1.1.2.98  MAIN_CTRL_MMRCFG0_R5SS0_CORE1_RL2_CTRL Register
              99. 14.2.1.1.1.2.99  MAIN_CTRL_MMRCFG0_R5SS1_CORE0_RL2_CTRL Register
              100. 14.2.1.1.1.2.100 MAIN_CTRL_MMRCFG0_R5SS1_CORE1_RL2_CTRL Register
              101. 14.2.1.1.1.2.101 MAIN_CTRL_MMRCFG0_LOCK1_KICK0 Register
              102. 14.2.1.1.1.2.102 MAIN_CTRL_MMRCFG0_LOCK1_KICK1 Register
              103. 14.2.1.1.1.2.103 MAIN_CTRL_MMRCFG0_CLAIMREG_P1_R0_READONLY Register
              104. 14.2.1.1.1.2.104 MAIN_CTRL_MMRCFG0_CLAIMREG_P1_R2_READONLY Register
              105. 14.2.1.1.1.2.105 MAIN_CTRL_MMRCFG0_CLAIMREG_P1_R3_READONLY Register
              106. 14.2.1.1.1.2.106 MAIN_CTRL_MMRCFG0_CLAIMREG_P1_R4_READONLY Register
              107. 14.2.1.1.1.2.107 MAIN_CTRL_MMRCFG0_CLAIMREG_P1_R6_READONLY Register
              108. 14.2.1.1.1.2.108 MAIN_CTRL_MMRCFG0_CLAIMREG_P1_R8_READONLY Register
              109. 14.2.1.1.1.2.109 MAIN_CTRL_MMRCFG0_CLAIMREG_P1_R9_READONLY Register
              110. 14.2.1.1.1.2.110 MAIN_CTRL_MMRCFG0_ENET1_CTRL_PROXY Register
              111. 14.2.1.1.1.2.111 MAIN_CTRL_MMRCFG0_ENET2_CTRL_PROXY Register
              112. 14.2.1.1.1.2.112 MAIN_CTRL_MMRCFG0_EPWM_TB_CLKEN_PROXY Register
              113. 14.2.1.1.1.2.113 MAIN_CTRL_MMRCFG0_EPWM0_CTRL_PROXY Register
              114. 14.2.1.1.1.2.114 MAIN_CTRL_MMRCFG0_EPWM1_CTRL_PROXY Register
              115. 14.2.1.1.1.2.115 MAIN_CTRL_MMRCFG0_EPWM2_CTRL_PROXY Register
              116. 14.2.1.1.1.2.116 MAIN_CTRL_MMRCFG0_TIMER0_CTRL_PROXY Register
              117. 14.2.1.1.1.2.117 MAIN_CTRL_MMRCFG0_TIMER1_CTRL_PROXY Register
              118. 14.2.1.1.1.2.118 MAIN_CTRL_MMRCFG0_TIMER2_CTRL_PROXY Register
              119. 14.2.1.1.1.2.119 MAIN_CTRL_MMRCFG0_TIMER3_CTRL_PROXY Register
              120. 14.2.1.1.1.2.120 MAIN_CTRL_MMRCFG0_TIMER4_CTRL_PROXY Register
              121. 14.2.1.1.1.2.121 MAIN_CTRL_MMRCFG0_TIMER5_CTRL_PROXY Register
              122. 14.2.1.1.1.2.122 MAIN_CTRL_MMRCFG0_TIMER6_CTRL_PROXY Register
              123. 14.2.1.1.1.2.123 MAIN_CTRL_MMRCFG0_TIMER7_CTRL_PROXY Register
              124. 14.2.1.1.1.2.124 MAIN_CTRL_MMRCFG0_TIMER8_CTRL_PROXY Register
              125. 14.2.1.1.1.2.125 MAIN_CTRL_MMRCFG0_TIMER9_CTRL_PROXY Register
              126. 14.2.1.1.1.2.126 MAIN_CTRL_MMRCFG0_TIMER10_CTRL_PROXY Register
              127. 14.2.1.1.1.2.127 MAIN_CTRL_MMRCFG0_TIMER11_CTRL_PROXY Register
              128. 14.2.1.1.1.2.128 MAIN_CTRL_MMRCFG0_TIMER12_CTRL_PROXY Register
              129. 14.2.1.1.1.2.129 MAIN_CTRL_MMRCFG0_TIMER13_CTRL_PROXY Register
              130. 14.2.1.1.1.2.130 MAIN_CTRL_MMRCFG0_TIMER14_CTRL_PROXY Register
              131. 14.2.1.1.1.2.131 MAIN_CTRL_MMRCFG0_TIMER15_CTRL_PROXY Register
              132. 14.2.1.1.1.2.132 MAIN_CTRL_MMRCFG0_TIMERIO0_CTRL_PROXY Register
              133. 14.2.1.1.1.2.133 MAIN_CTRL_MMRCFG0_TIMERIO1_CTRL_PROXY Register
              134. 14.2.1.1.1.2.134 MAIN_CTRL_MMRCFG0_TIMERIO2_CTRL_PROXY Register
              135. 14.2.1.1.1.2.135 MAIN_CTRL_MMRCFG0_TIMERIO3_CTRL_PROXY Register
              136. 14.2.1.1.1.2.136 MAIN_CTRL_MMRCFG0_TIMERIO4_CTRL_PROXY Register
              137. 14.2.1.1.1.2.137 MAIN_CTRL_MMRCFG0_TIMERIO5_CTRL_PROXY Register
              138. 14.2.1.1.1.2.138 MAIN_CTRL_MMRCFG0_TIMERIO6_CTRL_PROXY Register
              139. 14.2.1.1.1.2.139 MAIN_CTRL_MMRCFG0_TIMERIO7_CTRL_PROXY Register
              140. 14.2.1.1.1.2.140 MAIN_CTRL_MMRCFG0_C7XV_CTRL0_PROXY Register
              141. 14.2.1.1.1.2.141 MAIN_CTRL_MMRCFG0_C7XV_CTRL1_PROXY Register
              142. 14.2.1.1.1.2.142 MAIN_CTRL_MMRCFG0_EMMC0_STAT_PROXY Register
              143. 14.2.1.1.1.2.143 MAIN_CTRL_MMRCFG0_ADC0_CTRL_PROXY Register
              144. 14.2.1.1.1.2.144 MAIN_CTRL_MMRCFG0_ADC0_CAL_PROXY Register
              145. 14.2.1.1.1.2.145 MAIN_CTRL_MMRCFG0_FSS0_CTRL0_PROXY Register
              146. 14.2.1.1.1.2.146 MAIN_CTRL_MMRCFG0_FSS0_CTRL1_PROXY Register
              147. 14.2.1.1.1.2.147 MAIN_CTRL_MMRCFG0_FSS1_CTRL0_PROXY Register
              148. 14.2.1.1.1.2.148 MAIN_CTRL_MMRCFG0_DCC_STAT_PROXY Register
              149. 14.2.1.1.1.2.149 MAIN_CTRL_MMRCFG0_R5SS0_CORE0_RL2_CTRL_PROXY Register
              150. 14.2.1.1.1.2.150 MAIN_CTRL_MMRCFG0_R5SS0_CORE1_RL2_CTRL_PROXY Register
              151. 14.2.1.1.1.2.151 MAIN_CTRL_MMRCFG0_R5SS1_CORE0_RL2_CTRL_PROXY Register
              152. 14.2.1.1.1.2.152 MAIN_CTRL_MMRCFG0_R5SS1_CORE1_RL2_CTRL_PROXY Register
              153. 14.2.1.1.1.2.153 MAIN_CTRL_MMRCFG0_LOCK1_KICK0_PROXY Register
              154. 14.2.1.1.1.2.154 MAIN_CTRL_MMRCFG0_LOCK1_KICK1_PROXY Register
              155. 14.2.1.1.1.2.155 MAIN_CTRL_MMRCFG0_CLAIMREG_P1_R0 Register
              156. 14.2.1.1.1.2.156 MAIN_CTRL_MMRCFG0_CLAIMREG_P1_R1 Register
              157. 14.2.1.1.1.2.157 MAIN_CTRL_MMRCFG0_CLAIMREG_P1_R2 Register
              158. 14.2.1.1.1.2.158 MAIN_CTRL_MMRCFG0_CLAIMREG_P1_R3 Register
              159. 14.2.1.1.1.2.159 MAIN_CTRL_MMRCFG0_CLAIMREG_P1_R4 Register
              160. 14.2.1.1.1.2.160 MAIN_CTRL_MMRCFG0_CLAIMREG_P1_R5 Register
              161. 14.2.1.1.1.2.161 MAIN_CTRL_MMRCFG0_CLAIMREG_P1_R6 Register
              162. 14.2.1.1.1.2.162 MAIN_CTRL_MMRCFG0_CLAIMREG_P1_R7 Register
              163. 14.2.1.1.1.2.163 MAIN_CTRL_MMRCFG0_CLAIMREG_P1_R8 Register
              164. 14.2.1.1.1.2.164 MAIN_CTRL_MMRCFG0_CLAIMREG_P1_R9 Register
              165. 14.2.1.1.1.2.165 MAIN_CTRL_MMRCFG0_CLAIMREG_P1_R10 Register
              166. 14.2.1.1.1.2.166 MAIN_CTRL_MMRCFG0_CLAIMREG_P1_R11 Register
              167. 14.2.1.1.1.2.167 MAIN_CTRL_MMRCFG0_CLAIMREG_P1_R12 Register
              168. 14.2.1.1.1.2.168 MAIN_CTRL_MMRCFG0_CLAIMREG_P1_R13 Register
              169. 14.2.1.1.1.2.169 MAIN_CTRL_MMRCFG0_CLAIMREG_P1_R14 Register
              170. 14.2.1.1.1.2.170 MAIN_CTRL_MMRCFG0_OBSCLK0_CTRL Register
              171. 14.2.1.1.1.2.171 MAIN_CTRL_MMRCFG0_CLKOUT_CTRL Register
              172. 14.2.1.1.1.2.172 MAIN_CTRL_MMRCFG0_MAIN_PLL0_CLKSEL Register
              173. 14.2.1.1.1.2.173 MAIN_CTRL_MMRCFG0_MAIN_PLL1_CLKSEL Register
              174. 14.2.1.1.1.2.174 MAIN_CTRL_MMRCFG0_MAIN_PLL2_CLKSEL Register
              175. 14.2.1.1.1.2.175 MAIN_CTRL_MMRCFG0_MAIN_PLL4_CLKSEL Register
              176. 14.2.1.1.1.2.176 MAIN_CTRL_MMRCFG0_MAIN_PLL7_CLKSEL Register
              177. 14.2.1.1.1.2.177 MAIN_CTRL_MMRCFG0_MAIN_PLL14_CLKSEL Register
              178. 14.2.1.1.1.2.178 MAIN_CTRL_MMRCFG0_CPSW_CLKSEL Register
              179. 14.2.1.1.1.2.179 MAIN_CTRL_MMRCFG0_EMMC0_CLKSEL Register
              180. 14.2.1.1.1.2.180 MAIN_CTRL_MMRCFG0_TIMER0_CLKSEL Register
              181. 14.2.1.1.1.2.181 MAIN_CTRL_MMRCFG0_TIMER1_CLKSEL Register
              182. 14.2.1.1.1.2.182 MAIN_CTRL_MMRCFG0_TIMER2_CLKSEL Register
              183. 14.2.1.1.1.2.183 MAIN_CTRL_MMRCFG0_TIMER3_CLKSEL Register
              184. 14.2.1.1.1.2.184 MAIN_CTRL_MMRCFG0_TIMER4_CLKSEL Register
              185. 14.2.1.1.1.2.185 MAIN_CTRL_MMRCFG0_TIMER5_CLKSEL Register
              186. 14.2.1.1.1.2.186 MAIN_CTRL_MMRCFG0_TIMER6_CLKSEL Register
              187. 14.2.1.1.1.2.187 MAIN_CTRL_MMRCFG0_TIMER7_CLKSEL Register
              188. 14.2.1.1.1.2.188 MAIN_CTRL_MMRCFG0_TIMER8_CLKSEL Register
              189. 14.2.1.1.1.2.189 MAIN_CTRL_MMRCFG0_TIMER9_CLKSEL Register
              190. 14.2.1.1.1.2.190 MAIN_CTRL_MMRCFG0_TIMER10_CLKSEL Register
              191. 14.2.1.1.1.2.191 MAIN_CTRL_MMRCFG0_TIMER11_CLKSEL Register
              192. 14.2.1.1.1.2.192 MAIN_CTRL_MMRCFG0_TIMER12_CLKSEL Register
              193. 14.2.1.1.1.2.193 MAIN_CTRL_MMRCFG0_TIMER13_CLKSEL Register
              194. 14.2.1.1.1.2.194 MAIN_CTRL_MMRCFG0_TIMER14_CLKSEL Register
              195. 14.2.1.1.1.2.195 MAIN_CTRL_MMRCFG0_TIMER15_CLKSEL Register
              196. 14.2.1.1.1.2.196 MAIN_CTRL_MMRCFG0_SPI0_CLKSEL Register
              197. 14.2.1.1.1.2.197 MAIN_CTRL_MMRCFG0_SPI1_CLKSEL Register
              198. 14.2.1.1.1.2.198 MAIN_CTRL_MMRCFG0_SPI2_CLKSEL Register
              199. 14.2.1.1.1.2.199 MAIN_CTRL_MMRCFG0_SPI3_CLKSEL Register
              200. 14.2.1.1.1.2.200 MAIN_CTRL_MMRCFG0_SPI4_CLKSEL Register
              201. 14.2.1.1.1.2.201 MAIN_CTRL_MMRCFG0_USART0_CLK_CTRL Register
              202. 14.2.1.1.1.2.202 MAIN_CTRL_MMRCFG0_USART1_CLK_CTRL Register
              203. 14.2.1.1.1.2.203 MAIN_CTRL_MMRCFG0_USART2_CLK_CTRL Register
              204. 14.2.1.1.1.2.204 MAIN_CTRL_MMRCFG0_USART3_CLK_CTRL Register
              205. 14.2.1.1.1.2.205 MAIN_CTRL_MMRCFG0_USART4_CLK_CTRL Register
              206. 14.2.1.1.1.2.206 MAIN_CTRL_MMRCFG0_USART5_CLK_CTRL Register
              207. 14.2.1.1.1.2.207 MAIN_CTRL_MMRCFG0_USART6_CLK_CTRL Register
              208. 14.2.1.1.1.2.208 MAIN_CTRL_MMRCFG0_USART0_CLKSEL Register
              209. 14.2.1.1.1.2.209 MAIN_CTRL_MMRCFG0_USART1_CLKSEL Register
              210. 14.2.1.1.1.2.210 MAIN_CTRL_MMRCFG0_USART2_CLKSEL Register
              211. 14.2.1.1.1.2.211 MAIN_CTRL_MMRCFG0_USART3_CLKSEL Register
              212. 14.2.1.1.1.2.212 MAIN_CTRL_MMRCFG0_USART4_CLKSEL Register
              213. 14.2.1.1.1.2.213 MAIN_CTRL_MMRCFG0_USART5_CLKSEL Register
              214. 14.2.1.1.1.2.214 MAIN_CTRL_MMRCFG0_USART6_CLKSEL Register
              215. 14.2.1.1.1.2.215 MAIN_CTRL_MMRCFG0_ATL_CLKSEL Register
              216. 14.2.1.1.1.2.216 MAIN_CTRL_MMRCFG0_ATL_BWS0_SEL Register
              217. 14.2.1.1.1.2.217 MAIN_CTRL_MMRCFG0_ATL_BWS1_SEL Register
              218. 14.2.1.1.1.2.218 MAIN_CTRL_MMRCFG0_ATL_BWS2_SEL Register
              219. 14.2.1.1.1.2.219 MAIN_CTRL_MMRCFG0_ATL_BWS3_SEL Register
              220. 14.2.1.1.1.2.220 MAIN_CTRL_MMRCFG0_ATL_AWS0_SEL Register
              221. 14.2.1.1.1.2.221 MAIN_CTRL_MMRCFG0_ATL_AWS1_SEL Register
              222. 14.2.1.1.1.2.222 MAIN_CTRL_MMRCFG0_ATL_AWS2_SEL Register
              223. 14.2.1.1.1.2.223 MAIN_CTRL_MMRCFG0_ATL_AWS3_SEL Register
              224. 14.2.1.1.1.2.224 MAIN_CTRL_MMRCFG0_AUDIO_REFCLK0_CTRL Register
              225. 14.2.1.1.1.2.225 MAIN_CTRL_MMRCFG0_AUDIO_REFCLK1_CTRL Register
              226. 14.2.1.1.1.2.226 MAIN_CTRL_MMRCFG0_AUDIO_REFCLK2_CTRL Register
              227. 14.2.1.1.1.2.227 MAIN_CTRL_MMRCFG0_ASRC_SYNC_DIV_CTRL Register
              228. 14.2.1.1.1.2.228 MAIN_CTRL_MMRCFG0_MCASP0_CLKSEL Register
              229. 14.2.1.1.1.2.229 MAIN_CTRL_MMRCFG0_MCASP1_CLKSEL Register
              230. 14.2.1.1.1.2.230 MAIN_CTRL_MMRCFG0_MCASP2_CLKSEL Register
              231. 14.2.1.1.1.2.231 MAIN_CTRL_MMRCFG0_MCASP3_CLKSEL Register
              232. 14.2.1.1.1.2.232 MAIN_CTRL_MMRCFG0_MCASP4_CLKSEL Register
              233. 14.2.1.1.1.2.233 MAIN_CTRL_MMRCFG0_MCASP0_AHCLKSEL Register
              234. 14.2.1.1.1.2.234 MAIN_CTRL_MMRCFG0_MCASP1_AHCLKSEL Register
              235. 14.2.1.1.1.2.235 MAIN_CTRL_MMRCFG0_MCASP2_AHCLKSEL Register
              236. 14.2.1.1.1.2.236 MAIN_CTRL_MMRCFG0_MCASP3_AHCLKSEL Register
              237. 14.2.1.1.1.2.237 MAIN_CTRL_MMRCFG0_MCASP4_AHCLKSEL Register
              238. 14.2.1.1.1.2.238 MAIN_CTRL_MMRCFG0_WWD0_CLKSEL Register
              239. 14.2.1.1.1.2.239 MAIN_CTRL_MMRCFG0_WWD1_CLKSEL Register
              240. 14.2.1.1.1.2.240 MAIN_CTRL_MMRCFG0_WWD2_CLKSEL Register
              241. 14.2.1.1.1.2.241 MAIN_CTRL_MMRCFG0_WWD3_CLKSEL Register
              242. 14.2.1.1.1.2.242 MAIN_CTRL_MMRCFG0_WWD4_CLKSEL Register
              243. 14.2.1.1.1.2.243 MAIN_CTRL_MMRCFG0_WWD5_CLKSEL Register
              244. 14.2.1.1.1.2.244 MAIN_CTRL_MMRCFG0_MCASP0_GF_CLK_SEL Register
              245. 14.2.1.1.1.2.245 MAIN_CTRL_MMRCFG0_MCASP1_GF_CLK_SEL Register
              246. 14.2.1.1.1.2.246 MAIN_CTRL_MMRCFG0_MCASP2_GF_CLK_SEL Register
              247. 14.2.1.1.1.2.247 MAIN_CTRL_MMRCFG0_MCASP3_GF_CLK_SEL Register
              248. 14.2.1.1.1.2.248 MAIN_CTRL_MMRCFG0_MCASP4_GF_CLK_SEL Register
              249. 14.2.1.1.1.2.249 MAIN_CTRL_MMRCFG0_MCAN0_CLKSEL Register
              250. 14.2.1.1.1.2.250 MAIN_CTRL_MMRCFG0_MCAN1_CLKSEL Register
              251. 14.2.1.1.1.2.251 MAIN_CTRL_MMRCFG0_MCAN2_CLKSEL Register
              252. 14.2.1.1.1.2.252 MAIN_CTRL_MMRCFG0_MCAN3_CLKSEL Register
              253. 14.2.1.1.1.2.253 MAIN_CTRL_MMRCFG0_MCAN4_CLKSEL Register
              254. 14.2.1.1.1.2.254 MAIN_CTRL_MMRCFG0_ASRC0_RXSYNC0_SEL Register
              255. 14.2.1.1.1.2.255 MAIN_CTRL_MMRCFG0_ASRC0_RXSYNC1_SEL Register
              256. 14.2.1.1.1.2.256 MAIN_CTRL_MMRCFG0_ASRC0_RXSYNC2_SEL Register
              257. 14.2.1.1.1.2.257 MAIN_CTRL_MMRCFG0_ASRC0_RXSYNC3_SEL Register
              258. 14.2.1.1.1.2.258 MAIN_CTRL_MMRCFG0_ASRC1_RXSYNC0_SEL Register
              259. 14.2.1.1.1.2.259 MAIN_CTRL_MMRCFG0_ASRC1_RXSYNC1_SEL Register
              260. 14.2.1.1.1.2.260 MAIN_CTRL_MMRCFG0_ASRC1_RXSYNC2_SEL Register
              261. 14.2.1.1.1.2.261 MAIN_CTRL_MMRCFG0_ASRC1_RXSYNC3_SEL Register
              262. 14.2.1.1.1.2.262 MAIN_CTRL_MMRCFG0_ASRC0_TXSYNC0_SEL Register
              263. 14.2.1.1.1.2.263 MAIN_CTRL_MMRCFG0_ASRC0_TXSYNC1_SEL Register
              264. 14.2.1.1.1.2.264 MAIN_CTRL_MMRCFG0_ASRC0_TXSYNC2_SEL Register
              265. 14.2.1.1.1.2.265 MAIN_CTRL_MMRCFG0_ASRC0_TXSYNC3_SEL Register
              266. 14.2.1.1.1.2.266 MAIN_CTRL_MMRCFG0_ASRC1_TXSYNC0_SEL Register
              267. 14.2.1.1.1.2.267 MAIN_CTRL_MMRCFG0_ASRC1_TXSYNC1_SEL Register
              268. 14.2.1.1.1.2.268 MAIN_CTRL_MMRCFG0_ASRC1_TXSYNC2_SEL Register
              269. 14.2.1.1.1.2.269 MAIN_CTRL_MMRCFG0_ASRC1_TXSYNC3_SEL Register
              270. 14.2.1.1.1.2.270 MAIN_CTRL_MMRCFG0_OSPI0_CLKSEL Register
              271. 14.2.1.1.1.2.271 MAIN_CTRL_MMRCFG0_OSPI1_CLKSEL Register
              272. 14.2.1.1.1.2.272 MAIN_CTRL_MMRCFG0_ADC0_CLKSEL Register
              273. 14.2.1.1.1.2.273 MAIN_CTRL_MMRCFG0_R5SS0_CLKSEL Register
              274. 14.2.1.1.1.2.274 MAIN_CTRL_MMRCFG0_R5SS1_CLKSEL Register
              275. 14.2.1.1.1.2.275 MAIN_CTRL_MMRCFG0_LOCK2_KICK0 Register
              276. 14.2.1.1.1.2.276 MAIN_CTRL_MMRCFG0_LOCK2_KICK1 Register
              277. 14.2.1.1.1.2.277 MAIN_CTRL_MMRCFG0_CLAIMREG_P2_R0_READONLY Register
              278. 14.2.1.1.1.2.278 MAIN_CTRL_MMRCFG0_CLAIMREG_P2_R1_READONLY Register
              279. 14.2.1.1.1.2.279 MAIN_CTRL_MMRCFG0_CLAIMREG_P2_R2_READONLY Register
              280. 14.2.1.1.1.2.280 MAIN_CTRL_MMRCFG0_CLAIMREG_P2_R3_READONLY Register
              281. 14.2.1.1.1.2.281 MAIN_CTRL_MMRCFG0_CLAIMREG_P2_R4_READONLY Register
              282. 14.2.1.1.1.2.282 MAIN_CTRL_MMRCFG0_CLAIMREG_P2_R5_READONLY Register
              283. 14.2.1.1.1.2.283 MAIN_CTRL_MMRCFG0_CLAIMREG_P2_R6_READONLY Register
              284. 14.2.1.1.1.2.284 MAIN_CTRL_MMRCFG0_CLAIMREG_P2_R7_READONLY Register
              285. 14.2.1.1.1.2.285 MAIN_CTRL_MMRCFG0_CLAIMREG_P2_R9_READONLY Register
              286. 14.2.1.1.1.2.286 MAIN_CTRL_MMRCFG0_CLAIMREG_P2_R10_READONLY Register
              287. 14.2.1.1.1.2.287 MAIN_CTRL_MMRCFG0_OBSCLK0_CTRL_PROXY Register
              288. 14.2.1.1.1.2.288 MAIN_CTRL_MMRCFG0_CLKOUT_CTRL_PROXY Register
              289. 14.2.1.1.1.2.289 MAIN_CTRL_MMRCFG0_MAIN_PLL0_CLKSEL_PROXY Register
              290. 14.2.1.1.1.2.290 MAIN_CTRL_MMRCFG0_MAIN_PLL1_CLKSEL_PROXY Register
              291. 14.2.1.1.1.2.291 MAIN_CTRL_MMRCFG0_MAIN_PLL2_CLKSEL_PROXY Register
              292. 14.2.1.1.1.2.292 MAIN_CTRL_MMRCFG0_MAIN_PLL4_CLKSEL_PROXY Register
              293. 14.2.1.1.1.2.293 MAIN_CTRL_MMRCFG0_MAIN_PLL7_CLKSEL_PROXY Register
              294. 14.2.1.1.1.2.294 MAIN_CTRL_MMRCFG0_MAIN_PLL14_CLKSEL_PROXY Register
              295. 14.2.1.1.1.2.295 MAIN_CTRL_MMRCFG0_CPSW_CLKSEL_PROXY Register
              296. 14.2.1.1.1.2.296 MAIN_CTRL_MMRCFG0_EMMC0_CLKSEL_PROXY Register
              297. 14.2.1.1.1.2.297 MAIN_CTRL_MMRCFG0_TIMER0_CLKSEL_PROXY Register
              298. 14.2.1.1.1.2.298 MAIN_CTRL_MMRCFG0_TIMER1_CLKSEL_PROXY Register
              299. 14.2.1.1.1.2.299 MAIN_CTRL_MMRCFG0_TIMER2_CLKSEL_PROXY Register
              300. 14.2.1.1.1.2.300 MAIN_CTRL_MMRCFG0_TIMER3_CLKSEL_PROXY Register
              301. 14.2.1.1.1.2.301 MAIN_CTRL_MMRCFG0_TIMER4_CLKSEL_PROXY Register
              302. 14.2.1.1.1.2.302 MAIN_CTRL_MMRCFG0_TIMER5_CLKSEL_PROXY Register
              303. 14.2.1.1.1.2.303 MAIN_CTRL_MMRCFG0_TIMER6_CLKSEL_PROXY Register
              304. 14.2.1.1.1.2.304 MAIN_CTRL_MMRCFG0_TIMER7_CLKSEL_PROXY Register
              305. 14.2.1.1.1.2.305 MAIN_CTRL_MMRCFG0_TIMER8_CLKSEL_PROXY Register
              306. 14.2.1.1.1.2.306 MAIN_CTRL_MMRCFG0_TIMER9_CLKSEL_PROXY Register
              307. 14.2.1.1.1.2.307 MAIN_CTRL_MMRCFG0_TIMER10_CLKSEL_PROXY Register
              308. 14.2.1.1.1.2.308 MAIN_CTRL_MMRCFG0_TIMER11_CLKSEL_PROXY Register
              309. 14.2.1.1.1.2.309 MAIN_CTRL_MMRCFG0_TIMER12_CLKSEL_PROXY Register
              310. 14.2.1.1.1.2.310 MAIN_CTRL_MMRCFG0_TIMER13_CLKSEL_PROXY Register
              311. 14.2.1.1.1.2.311 MAIN_CTRL_MMRCFG0_TIMER14_CLKSEL_PROXY Register
              312. 14.2.1.1.1.2.312 MAIN_CTRL_MMRCFG0_TIMER15_CLKSEL_PROXY Register
              313. 14.2.1.1.1.2.313 MAIN_CTRL_MMRCFG0_SPI0_CLKSEL_PROXY Register
              314. 14.2.1.1.1.2.314 MAIN_CTRL_MMRCFG0_SPI1_CLKSEL_PROXY Register
              315. 14.2.1.1.1.2.315 MAIN_CTRL_MMRCFG0_SPI2_CLKSEL_PROXY Register
              316. 14.2.1.1.1.2.316 MAIN_CTRL_MMRCFG0_SPI3_CLKSEL_PROXY Register
              317. 14.2.1.1.1.2.317 MAIN_CTRL_MMRCFG0_SPI4_CLKSEL_PROXY Register
              318. 14.2.1.1.1.2.318 MAIN_CTRL_MMRCFG0_USART0_CLK_CTRL_PROXY Register
              319. 14.2.1.1.1.2.319 MAIN_CTRL_MMRCFG0_USART1_CLK_CTRL_PROXY Register
              320. 14.2.1.1.1.2.320 MAIN_CTRL_MMRCFG0_USART2_CLK_CTRL_PROXY Register
              321. 14.2.1.1.1.2.321 MAIN_CTRL_MMRCFG0_USART3_CLK_CTRL_PROXY Register
              322. 14.2.1.1.1.2.322 MAIN_CTRL_MMRCFG0_USART4_CLK_CTRL_PROXY Register
              323. 14.2.1.1.1.2.323 MAIN_CTRL_MMRCFG0_USART5_CLK_CTRL_PROXY Register
              324. 14.2.1.1.1.2.324 MAIN_CTRL_MMRCFG0_USART6_CLK_CTRL_PROXY Register
              325. 14.2.1.1.1.2.325 MAIN_CTRL_MMRCFG0_USART0_CLKSEL_PROXY Register
              326. 14.2.1.1.1.2.326 MAIN_CTRL_MMRCFG0_USART1_CLKSEL_PROXY Register
              327. 14.2.1.1.1.2.327 MAIN_CTRL_MMRCFG0_USART2_CLKSEL_PROXY Register
              328. 14.2.1.1.1.2.328 MAIN_CTRL_MMRCFG0_USART3_CLKSEL_PROXY Register
              329. 14.2.1.1.1.2.329 MAIN_CTRL_MMRCFG0_USART4_CLKSEL_PROXY Register
              330. 14.2.1.1.1.2.330 MAIN_CTRL_MMRCFG0_USART5_CLKSEL_PROXY Register
              331. 14.2.1.1.1.2.331 MAIN_CTRL_MMRCFG0_USART6_CLKSEL_PROXY Register
              332. 14.2.1.1.1.2.332 MAIN_CTRL_MMRCFG0_ATL_CLKSEL_PROXY Register
              333. 14.2.1.1.1.2.333 MAIN_CTRL_MMRCFG0_ATL_BWS0_SEL_PROXY Register
              334. 14.2.1.1.1.2.334 MAIN_CTRL_MMRCFG0_ATL_BWS1_SEL_PROXY Register
              335. 14.2.1.1.1.2.335 MAIN_CTRL_MMRCFG0_ATL_BWS2_SEL_PROXY Register
              336. 14.2.1.1.1.2.336 MAIN_CTRL_MMRCFG0_ATL_BWS3_SEL_PROXY Register
              337. 14.2.1.1.1.2.337 MAIN_CTRL_MMRCFG0_ATL_AWS0_SEL_PROXY Register
              338. 14.2.1.1.1.2.338 MAIN_CTRL_MMRCFG0_ATL_AWS1_SEL_PROXY Register
              339. 14.2.1.1.1.2.339 MAIN_CTRL_MMRCFG0_ATL_AWS2_SEL_PROXY Register
              340. 14.2.1.1.1.2.340 MAIN_CTRL_MMRCFG0_ATL_AWS3_SEL_PROXY Register
              341. 14.2.1.1.1.2.341 MAIN_CTRL_MMRCFG0_AUDIO_REFCLK0_CTRL_PROXY Register
              342. 14.2.1.1.1.2.342 MAIN_CTRL_MMRCFG0_AUDIO_REFCLK1_CTRL_PROXY Register
              343. 14.2.1.1.1.2.343 MAIN_CTRL_MMRCFG0_AUDIO_REFCLK2_CTRL_PROXY Register
              344. 14.2.1.1.1.2.344 MAIN_CTRL_MMRCFG0_ASRC_SYNC_DIV_CTRL_PROXY Register
              345. 14.2.1.1.1.2.345 MAIN_CTRL_MMRCFG0_MCASP0_CLKSEL_PROXY Register
              346. 14.2.1.1.1.2.346 MAIN_CTRL_MMRCFG0_MCASP1_CLKSEL_PROXY Register
              347. 14.2.1.1.1.2.347 MAIN_CTRL_MMRCFG0_MCASP2_CLKSEL_PROXY Register
              348. 14.2.1.1.1.2.348 MAIN_CTRL_MMRCFG0_MCASP3_CLKSEL_PROXY Register
              349. 14.2.1.1.1.2.349 MAIN_CTRL_MMRCFG0_MCASP4_CLKSEL_PROXY Register
              350. 14.2.1.1.1.2.350 MAIN_CTRL_MMRCFG0_MCASP0_AHCLKSEL_PROXY Register
              351. 14.2.1.1.1.2.351 MAIN_CTRL_MMRCFG0_MCASP1_AHCLKSEL_PROXY Register
              352. 14.2.1.1.1.2.352 MAIN_CTRL_MMRCFG0_MCASP2_AHCLKSEL_PROXY Register
              353. 14.2.1.1.1.2.353 MAIN_CTRL_MMRCFG0_MCASP3_AHCLKSEL_PROXY Register
              354. 14.2.1.1.1.2.354 MAIN_CTRL_MMRCFG0_MCASP4_AHCLKSEL_PROXY Register
              355. 14.2.1.1.1.2.355 MAIN_CTRL_MMRCFG0_WWD0_CLKSEL_PROXY Register
              356. 14.2.1.1.1.2.356 MAIN_CTRL_MMRCFG0_WWD1_CLKSEL_PROXY Register
              357. 14.2.1.1.1.2.357 MAIN_CTRL_MMRCFG0_WWD2_CLKSEL_PROXY Register
              358. 14.2.1.1.1.2.358 MAIN_CTRL_MMRCFG0_WWD3_CLKSEL_PROXY Register
              359. 14.2.1.1.1.2.359 MAIN_CTRL_MMRCFG0_WWD4_CLKSEL_PROXY Register
              360. 14.2.1.1.1.2.360 MAIN_CTRL_MMRCFG0_WWD5_CLKSEL_PROXY Register
              361. 14.2.1.1.1.2.361 MAIN_CTRL_MMRCFG0_MCASP0_GF_CLK_SEL_PROXY Register
              362. 14.2.1.1.1.2.362 MAIN_CTRL_MMRCFG0_MCASP1_GF_CLK_SEL_PROXY Register
              363. 14.2.1.1.1.2.363 MAIN_CTRL_MMRCFG0_MCASP2_GF_CLK_SEL_PROXY Register
              364. 14.2.1.1.1.2.364 MAIN_CTRL_MMRCFG0_MCASP3_GF_CLK_SEL_PROXY Register
              365. 14.2.1.1.1.2.365 MAIN_CTRL_MMRCFG0_MCASP4_GF_CLK_SEL_PROXY Register
              366. 14.2.1.1.1.2.366 MAIN_CTRL_MMRCFG0_MCAN0_CLKSEL_PROXY Register
              367. 14.2.1.1.1.2.367 MAIN_CTRL_MMRCFG0_MCAN1_CLKSEL_PROXY Register
              368. 14.2.1.1.1.2.368 MAIN_CTRL_MMRCFG0_MCAN2_CLKSEL_PROXY Register
              369. 14.2.1.1.1.2.369 MAIN_CTRL_MMRCFG0_MCAN3_CLKSEL_PROXY Register
              370. 14.2.1.1.1.2.370 MAIN_CTRL_MMRCFG0_MCAN4_CLKSEL_PROXY Register
              371. 14.2.1.1.1.2.371 MAIN_CTRL_MMRCFG0_ASRC0_RXSYNC0_SEL_PROXY Register
              372. 14.2.1.1.1.2.372 MAIN_CTRL_MMRCFG0_ASRC0_RXSYNC1_SEL_PROXY Register
              373. 14.2.1.1.1.2.373 MAIN_CTRL_MMRCFG0_ASRC0_RXSYNC2_SEL_PROXY Register
              374. 14.2.1.1.1.2.374 MAIN_CTRL_MMRCFG0_ASRC0_RXSYNC3_SEL_PROXY Register
              375. 14.2.1.1.1.2.375 MAIN_CTRL_MMRCFG0_ASRC1_RXSYNC0_SEL_PROXY Register
              376. 14.2.1.1.1.2.376 MAIN_CTRL_MMRCFG0_ASRC1_RXSYNC1_SEL_PROXY Register
              377. 14.2.1.1.1.2.377 MAIN_CTRL_MMRCFG0_ASRC1_RXSYNC2_SEL_PROXY Register
              378. 14.2.1.1.1.2.378 MAIN_CTRL_MMRCFG0_ASRC1_RXSYNC3_SEL_PROXY Register
              379. 14.2.1.1.1.2.379 MAIN_CTRL_MMRCFG0_ASRC0_TXSYNC0_SEL_PROXY Register
              380. 14.2.1.1.1.2.380 MAIN_CTRL_MMRCFG0_ASRC0_TXSYNC1_SEL_PROXY Register
              381. 14.2.1.1.1.2.381 MAIN_CTRL_MMRCFG0_ASRC0_TXSYNC2_SEL_PROXY Register
              382. 14.2.1.1.1.2.382 MAIN_CTRL_MMRCFG0_ASRC0_TXSYNC3_SEL_PROXY Register
              383. 14.2.1.1.1.2.383 MAIN_CTRL_MMRCFG0_ASRC1_TXSYNC0_SEL_PROXY Register
              384. 14.2.1.1.1.2.384 MAIN_CTRL_MMRCFG0_ASRC1_TXSYNC1_SEL_PROXY Register
              385. 14.2.1.1.1.2.385 MAIN_CTRL_MMRCFG0_ASRC1_TXSYNC2_SEL_PROXY Register
              386. 14.2.1.1.1.2.386 MAIN_CTRL_MMRCFG0_ASRC1_TXSYNC3_SEL_PROXY Register
              387. 14.2.1.1.1.2.387 MAIN_CTRL_MMRCFG0_OSPI0_CLKSEL_PROXY Register
              388. 14.2.1.1.1.2.388 MAIN_CTRL_MMRCFG0_OSPI1_CLKSEL_PROXY Register
              389. 14.2.1.1.1.2.389 MAIN_CTRL_MMRCFG0_ADC0_CLKSEL_PROXY Register
              390. 14.2.1.1.1.2.390 MAIN_CTRL_MMRCFG0_R5SS0_CLKSEL_PROXY Register
              391. 14.2.1.1.1.2.391 MAIN_CTRL_MMRCFG0_R5SS1_CLKSEL_PROXY Register
              392. 14.2.1.1.1.2.392 MAIN_CTRL_MMRCFG0_LOCK2_KICK0_PROXY Register
              393. 14.2.1.1.1.2.393 MAIN_CTRL_MMRCFG0_LOCK2_KICK1_PROXY Register
              394. 14.2.1.1.1.2.394 MAIN_CTRL_MMRCFG0_CLAIMREG_P2_R0 Register
              395. 14.2.1.1.1.2.395 MAIN_CTRL_MMRCFG0_CLAIMREG_P2_R1 Register
              396. 14.2.1.1.1.2.396 MAIN_CTRL_MMRCFG0_CLAIMREG_P2_R2 Register
              397. 14.2.1.1.1.2.397 MAIN_CTRL_MMRCFG0_CLAIMREG_P2_R3 Register
              398. 14.2.1.1.1.2.398 MAIN_CTRL_MMRCFG0_CLAIMREG_P2_R4 Register
              399. 14.2.1.1.1.2.399 MAIN_CTRL_MMRCFG0_CLAIMREG_P2_R5 Register
              400. 14.2.1.1.1.2.400 MAIN_CTRL_MMRCFG0_CLAIMREG_P2_R6 Register
              401. 14.2.1.1.1.2.401 MAIN_CTRL_MMRCFG0_CLAIMREG_P2_R7 Register
              402. 14.2.1.1.1.2.402 MAIN_CTRL_MMRCFG0_CLAIMREG_P2_R8 Register
              403. 14.2.1.1.1.2.403 MAIN_CTRL_MMRCFG0_CLAIMREG_P2_R9 Register
              404. 14.2.1.1.1.2.404 MAIN_CTRL_MMRCFG0_CLAIMREG_P2_R10 Register
              405. 14.2.1.1.1.2.405 MAIN_CTRL_MMRCFG0_CLAIMREG_P2_R11 Register
              406. 14.2.1.1.1.2.406 MAIN_CTRL_MMRCFG0_R5SS0_LBIST_CTRL Register
              407. 14.2.1.1.1.2.407 MAIN_CTRL_MMRCFG0_R5SS0_LBIST_PATCOUNT Register
              408. 14.2.1.1.1.2.408 MAIN_CTRL_MMRCFG0_R5SS0_LBIST_SEED0 Register
              409. 14.2.1.1.1.2.409 MAIN_CTRL_MMRCFG0_R5SS0_LBIST_SEED1 Register
              410. 14.2.1.1.1.2.410 MAIN_CTRL_MMRCFG0_R5SS0_LBIST_SPARE0 Register
              411. 14.2.1.1.1.2.411 MAIN_CTRL_MMRCFG0_R5SS0_LBIST_SPARE1 Register
              412. 14.2.1.1.1.2.412 MAIN_CTRL_MMRCFG0_R5SS0_LBIST_STAT Register
              413. 14.2.1.1.1.2.413 MAIN_CTRL_MMRCFG0_R5SS0_LBIST_MISR Register
              414. 14.2.1.1.1.2.414 MAIN_CTRL_MMRCFG0_R5SS1_LBIST_CTRL Register
              415. 14.2.1.1.1.2.415 MAIN_CTRL_MMRCFG0_R5SS1_LBIST_PATCOUNT Register
              416. 14.2.1.1.1.2.416 MAIN_CTRL_MMRCFG0_R5SS1_LBIST_SEED0 Register
              417. 14.2.1.1.1.2.417 MAIN_CTRL_MMRCFG0_R5SS1_LBIST_SEED1 Register
              418. 14.2.1.1.1.2.418 MAIN_CTRL_MMRCFG0_R5SS1_LBIST_SPARE0 Register
              419. 14.2.1.1.1.2.419 MAIN_CTRL_MMRCFG0_R5SS1_LBIST_SPARE1 Register
              420. 14.2.1.1.1.2.420 MAIN_CTRL_MMRCFG0_R5SS1_LBIST_STAT Register
              421. 14.2.1.1.1.2.421 MAIN_CTRL_MMRCFG0_R5SS1_LBIST_MISR Register
              422. 14.2.1.1.1.2.422 MAIN_CTRL_MMRCFG0_R5SS0_LBIST_SIG Register
              423. 14.2.1.1.1.2.423 MAIN_CTRL_MMRCFG0_R5SS1_LBIST_SIG Register
              424. 14.2.1.1.1.2.424 MAIN_CTRL_MMRCFG0_LOCK3_KICK0 Register
              425. 14.2.1.1.1.2.425 MAIN_CTRL_MMRCFG0_LOCK3_KICK1 Register
              426. 14.2.1.1.1.2.426 MAIN_CTRL_MMRCFG0_CLAIMREG_P3_R0_READONLY Register
              427. 14.2.1.1.1.2.427 MAIN_CTRL_MMRCFG0_CLAIMREG_P3_R5_READONLY Register
              428. 14.2.1.1.1.2.428 MAIN_CTRL_MMRCFG0_R5SS0_LBIST_CTRL_PROXY Register
              429. 14.2.1.1.1.2.429 MAIN_CTRL_MMRCFG0_R5SS0_LBIST_PATCOUNT_PROXY Register
              430. 14.2.1.1.1.2.430 MAIN_CTRL_MMRCFG0_R5SS0_LBIST_SEED0_PROXY Register
              431. 14.2.1.1.1.2.431 MAIN_CTRL_MMRCFG0_R5SS0_LBIST_SEED1_PROXY Register
              432. 14.2.1.1.1.2.432 MAIN_CTRL_MMRCFG0_R5SS0_LBIST_SPARE0_PROXY Register
              433. 14.2.1.1.1.2.433 MAIN_CTRL_MMRCFG0_R5SS0_LBIST_SPARE1_PROXY Register
              434. 14.2.1.1.1.2.434 MAIN_CTRL_MMRCFG0_R5SS0_LBIST_STAT_PROXY Register
              435. 14.2.1.1.1.2.435 MAIN_CTRL_MMRCFG0_R5SS0_LBIST_MISR_PROXY Register
              436. 14.2.1.1.1.2.436 MAIN_CTRL_MMRCFG0_R5SS1_LBIST_CTRL_PROXY Register
              437. 14.2.1.1.1.2.437 MAIN_CTRL_MMRCFG0_R5SS1_LBIST_PATCOUNT_PROXY Register
              438. 14.2.1.1.1.2.438 MAIN_CTRL_MMRCFG0_R5SS1_LBIST_SEED0_PROXY Register
              439. 14.2.1.1.1.2.439 MAIN_CTRL_MMRCFG0_R5SS1_LBIST_SEED1_PROXY Register
              440. 14.2.1.1.1.2.440 MAIN_CTRL_MMRCFG0_R5SS1_LBIST_SPARE0_PROXY Register
              441. 14.2.1.1.1.2.441 MAIN_CTRL_MMRCFG0_R5SS1_LBIST_SPARE1_PROXY Register
              442. 14.2.1.1.1.2.442 MAIN_CTRL_MMRCFG0_R5SS1_LBIST_STAT_PROXY Register
              443. 14.2.1.1.1.2.443 MAIN_CTRL_MMRCFG0_R5SS1_LBIST_MISR_PROXY Register
              444. 14.2.1.1.1.2.444 MAIN_CTRL_MMRCFG0_R5SS0_LBIST_SIG_PROXY Register
              445. 14.2.1.1.1.2.445 MAIN_CTRL_MMRCFG0_R5SS1_LBIST_SIG_PROXY Register
              446. 14.2.1.1.1.2.446 MAIN_CTRL_MMRCFG0_LOCK3_KICK0_PROXY Register
              447. 14.2.1.1.1.2.447 MAIN_CTRL_MMRCFG0_LOCK3_KICK1_PROXY Register
              448. 14.2.1.1.1.2.448 MAIN_CTRL_MMRCFG0_CLAIMREG_P3_R0 Register
              449. 14.2.1.1.1.2.449 MAIN_CTRL_MMRCFG0_CLAIMREG_P3_R1 Register
              450. 14.2.1.1.1.2.450 MAIN_CTRL_MMRCFG0_CLAIMREG_P3_R2 Register
              451. 14.2.1.1.1.2.451 MAIN_CTRL_MMRCFG0_CLAIMREG_P3_R3 Register
              452. 14.2.1.1.1.2.452 MAIN_CTRL_MMRCFG0_CLAIMREG_P3_R4 Register
              453. 14.2.1.1.1.2.453 MAIN_CTRL_MMRCFG0_CLAIMREG_P3_R5 Register
              454. 14.2.1.1.1.2.454 MAIN_CTRL_MMRCFG0_CLAIMREG_P4_R10_READONLY Register
              455. 14.2.1.1.1.2.455 MAIN_CTRL_MMRCFG0_CLAIMREG_P4_R14_READONLY Register
              456. 14.2.1.1.1.2.456 MAIN_CTRL_MMRCFG0_CLAIMREG_P4_R0 Register
              457. 14.2.1.1.1.2.457 MAIN_CTRL_MMRCFG0_CLAIMREG_P4_R1 Register
              458. 14.2.1.1.1.2.458 MAIN_CTRL_MMRCFG0_CLAIMREG_P4_R2 Register
              459. 14.2.1.1.1.2.459 MAIN_CTRL_MMRCFG0_CLAIMREG_P4_R3 Register
              460. 14.2.1.1.1.2.460 MAIN_CTRL_MMRCFG0_CLAIMREG_P4_R4 Register
              461. 14.2.1.1.1.2.461 MAIN_CTRL_MMRCFG0_CLAIMREG_P4_R5 Register
              462. 14.2.1.1.1.2.462 MAIN_CTRL_MMRCFG0_CLAIMREG_P4_R6 Register
              463. 14.2.1.1.1.2.463 MAIN_CTRL_MMRCFG0_CLAIMREG_P4_R7 Register
              464. 14.2.1.1.1.2.464 MAIN_CTRL_MMRCFG0_CLAIMREG_P4_R8 Register
              465. 14.2.1.1.1.2.465 MAIN_CTRL_MMRCFG0_CLAIMREG_P4_R9 Register
              466. 14.2.1.1.1.2.466 MAIN_CTRL_MMRCFG0_CLAIMREG_P4_R10 Register
              467. 14.2.1.1.1.2.467 MAIN_CTRL_MMRCFG0_CLAIMREG_P4_R11 Register
              468. 14.2.1.1.1.2.468 MAIN_CTRL_MMRCFG0_CLAIMREG_P4_R12 Register
              469. 14.2.1.1.1.2.469 MAIN_CTRL_MMRCFG0_CLAIMREG_P4_R13 Register
              470. 14.2.1.1.1.2.470 MAIN_CTRL_MMRCFG0_CLAIMREG_P4_R14 Register
              471. 14.2.1.1.1.2.471 MAIN_CTRL_MMRCFG0_CLAIMREG_P6_R0 Register
              472. 14.2.1.1.1.2.472 MAIN_CTRL_MMRCFG0_CLAIMREG_P6_R1 Register
              473. 14.2.1.1.1.2.473 MAIN_CTRL_MMRCFG0_CLAIMREG_P6_R2 Register
              474. 14.2.1.1.1.2.474 MAIN_CTRL_MMRCFG0_CLAIMREG_P6_R3 Register
              475. 14.2.1.1.1.2.475 MAIN_CTRL_MMRCFG0_CLAIMREG_P6_R4 Register
              476. 14.2.1.1.1.2.476 MAIN_CTRL_MMRCFG0_CLAIMREG_P6_R5 Register
              477. 14.2.1.1.1.2.477 MAIN_CTRL_MMRCFG0_CLAIMREG_P6_R6 Register
              478. 14.2.1.1.1.2.478 MAIN_CTRL_MMRCFG0_CLAIMREG_P6_R7 Register
              479. 14.2.1.1.1.2.479 MAIN_CTRL_MMRCFG0_CLAIMREG_P6_R8 Register
          2. 14.2.1.1.2   MAIN_CTRL_MMRCFG0_PID Register
          3. 14.2.1.1.3   MAIN_CTRL_MMRCFG0_MMR_CFG1 Register
          4. 14.2.1.1.4   MAIN_CTRL_MMRCFG0_IPC_SET_J Register
          5. 14.2.1.1.5   MAIN_CTRL_MMRCFG0_IPC_SET16 Register
          6. 14.2.1.1.6   MAIN_CTRL_MMRCFG0_IPC_SET17 Register
          7. 14.2.1.1.7   MAIN_CTRL_MMRCFG0_IPC_SET18 Register
          8. 14.2.1.1.8   MAIN_CTRL_MMRCFG0_IPC_SET19 Register
          9. 14.2.1.1.9   MAIN_CTRL_MMRCFG0_IPC_CLR_J Register
          10. 14.2.1.1.10  MAIN_CTRL_MMRCFG0_IPC_CLR16 Register
          11. 14.2.1.1.11  MAIN_CTRL_MMRCFG0_IPC_CLR17 Register
          12. 14.2.1.1.12  MAIN_CTRL_MMRCFG0_IPC_CLR18 Register
          13. 14.2.1.1.13  MAIN_CTRL_MMRCFG0_IPC_CLR19 Register
          14. 14.2.1.1.14  MAIN_CTRL_MMRCFG0_LOCK0_KICK0 Register
          15. 14.2.1.1.15  MAIN_CTRL_MMRCFG0_LOCK0_KICK1 Register
          16. 14.2.1.1.16  MAIN_CTRL_MMRCFG0_INTR_RAW_STATUS Register
          17. 14.2.1.1.17  MAIN_CTRL_MMRCFG0_INTR_ENABLED_STATUS_CLEAR Register
          18. 14.2.1.1.18  MAIN_CTRL_MMRCFG0_INTR_ENABLE Register
          19. 14.2.1.1.19  MAIN_CTRL_MMRCFG0_INTR_ENABLE_CLEAR Register
          20. 14.2.1.1.20  MAIN_CTRL_MMRCFG0_EOI Register
          21. 14.2.1.1.21  MAIN_CTRL_MMRCFG0_FAULT_ADDRESS Register
          22. 14.2.1.1.22  MAIN_CTRL_MMRCFG0_FAULT_TYPE_STATUS Register
          23. 14.2.1.1.23  MAIN_CTRL_MMRCFG0_FAULT_ATTR_STATUS Register
          24. 14.2.1.1.24  MAIN_CTRL_MMRCFG0_FAULT_CLEAR Register
          25. 14.2.1.1.25  MAIN_CTRL_MMRCFG0_CLAIMREG_P0_R0_READONLY Register
          26. 14.2.1.1.26  MAIN_CTRL_MMRCFG0_CLAIMREG_P0_R2_READONLY Register
          27. 14.2.1.1.27  MAIN_CTRL_MMRCFG0_CLAIMREG_P0_R3_READONLY Register
          28. 14.2.1.1.28  MAIN_CTRL_MMRCFG0_CLAIMREG_P0_R6_READONLY Register
          29. 14.2.1.1.29  MAIN_CTRL_MMRCFG0_PID_PROXY Register
          30. 14.2.1.1.30  MAIN_CTRL_MMRCFG0_MMR_CFG1_PROXY Register
          31. 14.2.1.1.31  MAIN_CTRL_MMRCFG0_IPC_SET_PROXY_J Register
          32. 14.2.1.1.32  MAIN_CTRL_MMRCFG0_IPC_SET16_PROXY Register
          33. 14.2.1.1.33  MAIN_CTRL_MMRCFG0_IPC_SET17_PROXY Register
          34. 14.2.1.1.34  MAIN_CTRL_MMRCFG0_IPC_SET18_PROXY Register
          35. 14.2.1.1.35  MAIN_CTRL_MMRCFG0_IPC_SET19_PROXY Register
          36. 14.2.1.1.36  MAIN_CTRL_MMRCFG0_IPC_CLR_PROXY_J Register
          37. 14.2.1.1.37  MAIN_CTRL_MMRCFG0_IPC_CLR16_PROXY Register
          38. 14.2.1.1.38  MAIN_CTRL_MMRCFG0_IPC_CLR17_PROXY Register
          39. 14.2.1.1.39  MAIN_CTRL_MMRCFG0_IPC_CLR18_PROXY Register
          40. 14.2.1.1.40  MAIN_CTRL_MMRCFG0_IPC_CLR19_PROXY Register
          41. 14.2.1.1.41  MAIN_CTRL_MMRCFG0_LOCK0_KICK0_PROXY Register
          42. 14.2.1.1.42  MAIN_CTRL_MMRCFG0_LOCK0_KICK1_PROXY Register
          43. 14.2.1.1.43  MAIN_CTRL_MMRCFG0_INTR_RAW_STATUS_PROXY Register
          44. 14.2.1.1.44  MAIN_CTRL_MMRCFG0_INTR_ENABLED_STATUS_CLEAR_PROXY Register
          45. 14.2.1.1.45  MAIN_CTRL_MMRCFG0_INTR_ENABLE_PROXY Register
          46. 14.2.1.1.46  MAIN_CTRL_MMRCFG0_INTR_ENABLE_CLEAR_PROXY Register
          47. 14.2.1.1.47  MAIN_CTRL_MMRCFG0_EOI_PROXY Register
          48. 14.2.1.1.48  MAIN_CTRL_MMRCFG0_FAULT_ADDRESS_PROXY Register
          49. 14.2.1.1.49  MAIN_CTRL_MMRCFG0_FAULT_TYPE_STATUS_PROXY Register
          50. 14.2.1.1.50  MAIN_CTRL_MMRCFG0_FAULT_ATTR_STATUS_PROXY Register
          51. 14.2.1.1.51  MAIN_CTRL_MMRCFG0_FAULT_CLEAR_PROXY Register
          52. 14.2.1.1.52  MAIN_CTRL_MMRCFG0_CLAIMREG_P0_R0 Register
          53. 14.2.1.1.53  MAIN_CTRL_MMRCFG0_CLAIMREG_P0_R1 Register
          54. 14.2.1.1.54  MAIN_CTRL_MMRCFG0_CLAIMREG_P0_R2 Register
          55. 14.2.1.1.55  MAIN_CTRL_MMRCFG0_CLAIMREG_P0_R3 Register
          56. 14.2.1.1.56  MAIN_CTRL_MMRCFG0_CLAIMREG_P0_R4 Register
          57. 14.2.1.1.57  MAIN_CTRL_MMRCFG0_CLAIMREG_P0_R5 Register
          58. 14.2.1.1.58  MAIN_CTRL_MMRCFG0_CLAIMREG_P0_R6 Register
          59. 14.2.1.1.59  MAIN_CTRL_MMRCFG0_ENET1_CTRL Register
          60. 14.2.1.1.60  MAIN_CTRL_MMRCFG0_ENET2_CTRL Register
          61. 14.2.1.1.61  MAIN_CTRL_MMRCFG0_EPWM_TB_CLKEN Register
          62. 14.2.1.1.62  MAIN_CTRL_MMRCFG0_EPWM0_CTRL Register
          63. 14.2.1.1.63  MAIN_CTRL_MMRCFG0_EPWM1_CTRL Register
          64. 14.2.1.1.64  MAIN_CTRL_MMRCFG0_EPWM2_CTRL Register
          65. 14.2.1.1.65  MAIN_CTRL_MMRCFG0_TIMER0_CTRL Register
          66. 14.2.1.1.66  MAIN_CTRL_MMRCFG0_TIMER1_CTRL Register
          67. 14.2.1.1.67  MAIN_CTRL_MMRCFG0_TIMER2_CTRL Register
          68. 14.2.1.1.68  MAIN_CTRL_MMRCFG0_TIMER3_CTRL Register
          69. 14.2.1.1.69  MAIN_CTRL_MMRCFG0_TIMER4_CTRL Register
          70. 14.2.1.1.70  MAIN_CTRL_MMRCFG0_TIMER5_CTRL Register
          71. 14.2.1.1.71  MAIN_CTRL_MMRCFG0_TIMER6_CTRL Register
          72. 14.2.1.1.72  MAIN_CTRL_MMRCFG0_TIMER7_CTRL Register
          73. 14.2.1.1.73  MAIN_CTRL_MMRCFG0_TIMER8_CTRL Register
          74. 14.2.1.1.74  MAIN_CTRL_MMRCFG0_TIMER9_CTRL Register
          75. 14.2.1.1.75  MAIN_CTRL_MMRCFG0_TIMER10_CTRL Register
          76. 14.2.1.1.76  MAIN_CTRL_MMRCFG0_TIMER11_CTRL Register
          77. 14.2.1.1.77  MAIN_CTRL_MMRCFG0_TIMER12_CTRL Register
          78. 14.2.1.1.78  MAIN_CTRL_MMRCFG0_TIMER13_CTRL Register
          79. 14.2.1.1.79  MAIN_CTRL_MMRCFG0_TIMER14_CTRL Register
          80. 14.2.1.1.80  MAIN_CTRL_MMRCFG0_TIMER15_CTRL Register
          81. 14.2.1.1.81  MAIN_CTRL_MMRCFG0_TIMERIO0_CTRL Register
          82. 14.2.1.1.82  MAIN_CTRL_MMRCFG0_TIMERIO1_CTRL Register
          83. 14.2.1.1.83  MAIN_CTRL_MMRCFG0_TIMERIO2_CTRL Register
          84. 14.2.1.1.84  MAIN_CTRL_MMRCFG0_TIMERIO3_CTRL Register
          85. 14.2.1.1.85  MAIN_CTRL_MMRCFG0_TIMERIO4_CTRL Register
          86. 14.2.1.1.86  MAIN_CTRL_MMRCFG0_TIMERIO5_CTRL Register
          87. 14.2.1.1.87  MAIN_CTRL_MMRCFG0_TIMERIO6_CTRL Register
          88. 14.2.1.1.88  MAIN_CTRL_MMRCFG0_TIMERIO7_CTRL Register
          89. 14.2.1.1.89  MAIN_CTRL_MMRCFG0_C7XV_CTRL0 Register
          90. 14.2.1.1.90  MAIN_CTRL_MMRCFG0_C7XV_CTRL1 Register
          91. 14.2.1.1.91  MAIN_CTRL_MMRCFG0_EMMC0_STAT Register
          92. 14.2.1.1.92  MAIN_CTRL_MMRCFG0_ADC0_CTRL Register
          93. 14.2.1.1.93  MAIN_CTRL_MMRCFG0_ADC0_CAL Register
          94. 14.2.1.1.94  MAIN_CTRL_MMRCFG0_FSS0_CTRL0 Register
          95. 14.2.1.1.95  MAIN_CTRL_MMRCFG0_FSS0_CTRL1 Register
          96. 14.2.1.1.96  MAIN_CTRL_MMRCFG0_FSS1_CTRL0 Register
          97. 14.2.1.1.97  MAIN_CTRL_MMRCFG0_DCC_STAT Register
          98. 14.2.1.1.98  MAIN_CTRL_MMRCFG0_R5SS0_CORE0_RL2_CTRL Register
          99. 14.2.1.1.99  MAIN_CTRL_MMRCFG0_R5SS0_CORE1_RL2_CTRL Register
          100. 14.2.1.1.100 MAIN_CTRL_MMRCFG0_R5SS1_CORE0_RL2_CTRL Register
          101. 14.2.1.1.101 MAIN_CTRL_MMRCFG0_R5SS1_CORE1_RL2_CTRL Register
          102. 14.2.1.1.102 MAIN_CTRL_MMRCFG0_LOCK1_KICK0 Register
          103. 14.2.1.1.103 MAIN_CTRL_MMRCFG0_LOCK1_KICK1 Register
          104. 14.2.1.1.104 MAIN_CTRL_MMRCFG0_CLAIMREG_P1_R0_READONLY Register
          105. 14.2.1.1.105 MAIN_CTRL_MMRCFG0_CLAIMREG_P1_R2_READONLY Register
          106. 14.2.1.1.106 MAIN_CTRL_MMRCFG0_CLAIMREG_P1_R3_READONLY Register
          107. 14.2.1.1.107 MAIN_CTRL_MMRCFG0_CLAIMREG_P1_R4_READONLY Register
          108. 14.2.1.1.108 MAIN_CTRL_MMRCFG0_CLAIMREG_P1_R6_READONLY Register
          109. 14.2.1.1.109 MAIN_CTRL_MMRCFG0_CLAIMREG_P1_R8_READONLY Register
          110. 14.2.1.1.110 MAIN_CTRL_MMRCFG0_CLAIMREG_P1_R9_READONLY Register
          111. 14.2.1.1.111 MAIN_CTRL_MMRCFG0_ENET1_CTRL_PROXY Register
          112. 14.2.1.1.112 MAIN_CTRL_MMRCFG0_ENET2_CTRL_PROXY Register
          113. 14.2.1.1.113 MAIN_CTRL_MMRCFG0_EPWM_TB_CLKEN_PROXY Register
          114. 14.2.1.1.114 MAIN_CTRL_MMRCFG0_EPWM0_CTRL_PROXY Register
          115. 14.2.1.1.115 MAIN_CTRL_MMRCFG0_EPWM1_CTRL_PROXY Register
          116. 14.2.1.1.116 MAIN_CTRL_MMRCFG0_EPWM2_CTRL_PROXY Register
          117. 14.2.1.1.117 MAIN_CTRL_MMRCFG0_TIMER0_CTRL_PROXY Register
          118. 14.2.1.1.118 MAIN_CTRL_MMRCFG0_TIMER1_CTRL_PROXY Register
          119. 14.2.1.1.119 MAIN_CTRL_MMRCFG0_TIMER2_CTRL_PROXY Register
          120. 14.2.1.1.120 MAIN_CTRL_MMRCFG0_TIMER3_CTRL_PROXY Register
          121. 14.2.1.1.121 MAIN_CTRL_MMRCFG0_TIMER4_CTRL_PROXY Register
          122. 14.2.1.1.122 MAIN_CTRL_MMRCFG0_TIMER5_CTRL_PROXY Register
          123. 14.2.1.1.123 MAIN_CTRL_MMRCFG0_TIMER6_CTRL_PROXY Register
          124. 14.2.1.1.124 MAIN_CTRL_MMRCFG0_TIMER7_CTRL_PROXY Register
          125. 14.2.1.1.125 MAIN_CTRL_MMRCFG0_TIMER8_CTRL_PROXY Register
          126. 14.2.1.1.126 MAIN_CTRL_MMRCFG0_TIMER9_CTRL_PROXY Register
          127. 14.2.1.1.127 MAIN_CTRL_MMRCFG0_TIMER10_CTRL_PROXY Register
          128. 14.2.1.1.128 MAIN_CTRL_MMRCFG0_TIMER11_CTRL_PROXY Register
          129. 14.2.1.1.129 MAIN_CTRL_MMRCFG0_TIMER12_CTRL_PROXY Register
          130. 14.2.1.1.130 MAIN_CTRL_MMRCFG0_TIMER13_CTRL_PROXY Register
          131. 14.2.1.1.131 MAIN_CTRL_MMRCFG0_TIMER14_CTRL_PROXY Register
          132. 14.2.1.1.132 MAIN_CTRL_MMRCFG0_TIMER15_CTRL_PROXY Register
          133. 14.2.1.1.133 MAIN_CTRL_MMRCFG0_TIMERIO0_CTRL_PROXY Register
          134. 14.2.1.1.134 MAIN_CTRL_MMRCFG0_TIMERIO1_CTRL_PROXY Register
          135. 14.2.1.1.135 MAIN_CTRL_MMRCFG0_TIMERIO2_CTRL_PROXY Register
          136. 14.2.1.1.136 MAIN_CTRL_MMRCFG0_TIMERIO3_CTRL_PROXY Register
          137. 14.2.1.1.137 MAIN_CTRL_MMRCFG0_TIMERIO4_CTRL_PROXY Register
          138. 14.2.1.1.138 MAIN_CTRL_MMRCFG0_TIMERIO5_CTRL_PROXY Register
          139. 14.2.1.1.139 MAIN_CTRL_MMRCFG0_TIMERIO6_CTRL_PROXY Register
          140. 14.2.1.1.140 MAIN_CTRL_MMRCFG0_TIMERIO7_CTRL_PROXY Register
          141. 14.2.1.1.141 MAIN_CTRL_MMRCFG0_C7XV_CTRL0_PROXY Register
          142. 14.2.1.1.142 MAIN_CTRL_MMRCFG0_C7XV_CTRL1_PROXY Register
          143. 14.2.1.1.143 MAIN_CTRL_MMRCFG0_EMMC0_STAT_PROXY Register
          144. 14.2.1.1.144 MAIN_CTRL_MMRCFG0_ADC0_CTRL_PROXY Register
          145. 14.2.1.1.145 MAIN_CTRL_MMRCFG0_ADC0_CAL_PROXY Register
          146. 14.2.1.1.146 MAIN_CTRL_MMRCFG0_FSS0_CTRL0_PROXY Register
          147. 14.2.1.1.147 MAIN_CTRL_MMRCFG0_FSS0_CTRL1_PROXY Register
          148. 14.2.1.1.148 MAIN_CTRL_MMRCFG0_FSS1_CTRL0_PROXY Register
          149. 14.2.1.1.149 MAIN_CTRL_MMRCFG0_DCC_STAT_PROXY Register
          150. 14.2.1.1.150 MAIN_CTRL_MMRCFG0_R5SS0_CORE0_RL2_CTRL_PROXY Register
          151. 14.2.1.1.151 MAIN_CTRL_MMRCFG0_R5SS0_CORE1_RL2_CTRL_PROXY Register
          152. 14.2.1.1.152 MAIN_CTRL_MMRCFG0_R5SS1_CORE0_RL2_CTRL_PROXY Register
          153. 14.2.1.1.153 MAIN_CTRL_MMRCFG0_R5SS1_CORE1_RL2_CTRL_PROXY Register
          154. 14.2.1.1.154 MAIN_CTRL_MMRCFG0_LOCK1_KICK0_PROXY Register
          155. 14.2.1.1.155 MAIN_CTRL_MMRCFG0_LOCK1_KICK1_PROXY Register
          156. 14.2.1.1.156 MAIN_CTRL_MMRCFG0_CLAIMREG_P1_R0 Register
          157. 14.2.1.1.157 MAIN_CTRL_MMRCFG0_CLAIMREG_P1_R1 Register
          158. 14.2.1.1.158 MAIN_CTRL_MMRCFG0_CLAIMREG_P1_R2 Register
          159. 14.2.1.1.159 MAIN_CTRL_MMRCFG0_CLAIMREG_P1_R3 Register
          160. 14.2.1.1.160 MAIN_CTRL_MMRCFG0_CLAIMREG_P1_R4 Register
          161. 14.2.1.1.161 MAIN_CTRL_MMRCFG0_CLAIMREG_P1_R5 Register
          162. 14.2.1.1.162 MAIN_CTRL_MMRCFG0_CLAIMREG_P1_R6 Register
          163. 14.2.1.1.163 MAIN_CTRL_MMRCFG0_CLAIMREG_P1_R7 Register
          164. 14.2.1.1.164 MAIN_CTRL_MMRCFG0_CLAIMREG_P1_R8 Register
          165. 14.2.1.1.165 MAIN_CTRL_MMRCFG0_CLAIMREG_P1_R9 Register
          166. 14.2.1.1.166 MAIN_CTRL_MMRCFG0_CLAIMREG_P1_R10 Register
          167. 14.2.1.1.167 MAIN_CTRL_MMRCFG0_CLAIMREG_P1_R11 Register
          168. 14.2.1.1.168 MAIN_CTRL_MMRCFG0_CLAIMREG_P1_R12 Register
          169. 14.2.1.1.169 MAIN_CTRL_MMRCFG0_CLAIMREG_P1_R13 Register
          170. 14.2.1.1.170 MAIN_CTRL_MMRCFG0_CLAIMREG_P1_R14 Register
          171. 14.2.1.1.171 MAIN_CTRL_MMRCFG0_OBSCLK0_CTRL Register
          172. 14.2.1.1.172 MAIN_CTRL_MMRCFG0_CLKOUT_CTRL Register
          173. 14.2.1.1.173 MAIN_CTRL_MMRCFG0_MAIN_PLL0_CLKSEL Register
          174. 14.2.1.1.174 MAIN_CTRL_MMRCFG0_MAIN_PLL1_CLKSEL Register
          175. 14.2.1.1.175 MAIN_CTRL_MMRCFG0_MAIN_PLL2_CLKSEL Register
          176. 14.2.1.1.176 MAIN_CTRL_MMRCFG0_MAIN_PLL4_CLKSEL Register
          177. 14.2.1.1.177 MAIN_CTRL_MMRCFG0_MAIN_PLL7_CLKSEL Register
          178. 14.2.1.1.178 MAIN_CTRL_MMRCFG0_MAIN_PLL14_CLKSEL Register
          179. 14.2.1.1.179 MAIN_CTRL_MMRCFG0_CPSW_CLKSEL Register
          180. 14.2.1.1.180 MAIN_CTRL_MMRCFG0_EMMC0_CLKSEL Register
          181. 14.2.1.1.181 MAIN_CTRL_MMRCFG0_TIMER0_CLKSEL Register
          182. 14.2.1.1.182 MAIN_CTRL_MMRCFG0_TIMER1_CLKSEL Register
          183. 14.2.1.1.183 MAIN_CTRL_MMRCFG0_TIMER2_CLKSEL Register
          184. 14.2.1.1.184 MAIN_CTRL_MMRCFG0_TIMER3_CLKSEL Register
          185. 14.2.1.1.185 MAIN_CTRL_MMRCFG0_TIMER4_CLKSEL Register
          186. 14.2.1.1.186 MAIN_CTRL_MMRCFG0_TIMER5_CLKSEL Register
          187. 14.2.1.1.187 MAIN_CTRL_MMRCFG0_TIMER6_CLKSEL Register
          188. 14.2.1.1.188 MAIN_CTRL_MMRCFG0_TIMER7_CLKSEL Register
          189. 14.2.1.1.189 MAIN_CTRL_MMRCFG0_TIMER8_CLKSEL Register
          190. 14.2.1.1.190 MAIN_CTRL_MMRCFG0_TIMER9_CLKSEL Register
          191. 14.2.1.1.191 MAIN_CTRL_MMRCFG0_TIMER10_CLKSEL Register
          192. 14.2.1.1.192 MAIN_CTRL_MMRCFG0_TIMER11_CLKSEL Register
          193. 14.2.1.1.193 MAIN_CTRL_MMRCFG0_TIMER12_CLKSEL Register
          194. 14.2.1.1.194 MAIN_CTRL_MMRCFG0_TIMER13_CLKSEL Register
          195. 14.2.1.1.195 MAIN_CTRL_MMRCFG0_TIMER14_CLKSEL Register
          196. 14.2.1.1.196 MAIN_CTRL_MMRCFG0_TIMER15_CLKSEL Register
          197. 14.2.1.1.197 MAIN_CTRL_MMRCFG0_SPI0_CLKSEL Register
          198. 14.2.1.1.198 MAIN_CTRL_MMRCFG0_SPI1_CLKSEL Register
          199. 14.2.1.1.199 MAIN_CTRL_MMRCFG0_SPI2_CLKSEL Register
          200. 14.2.1.1.200 MAIN_CTRL_MMRCFG0_SPI3_CLKSEL Register
          201. 14.2.1.1.201 MAIN_CTRL_MMRCFG0_SPI4_CLKSEL Register
          202. 14.2.1.1.202 MAIN_CTRL_MMRCFG0_USART0_CLK_CTRL Register
          203. 14.2.1.1.203 MAIN_CTRL_MMRCFG0_USART1_CLK_CTRL Register
          204. 14.2.1.1.204 MAIN_CTRL_MMRCFG0_USART2_CLK_CTRL Register
          205. 14.2.1.1.205 MAIN_CTRL_MMRCFG0_USART3_CLK_CTRL Register
          206. 14.2.1.1.206 MAIN_CTRL_MMRCFG0_USART4_CLK_CTRL Register
          207. 14.2.1.1.207 MAIN_CTRL_MMRCFG0_USART5_CLK_CTRL Register
          208. 14.2.1.1.208 MAIN_CTRL_MMRCFG0_USART6_CLK_CTRL Register
          209. 14.2.1.1.209 MAIN_CTRL_MMRCFG0_USART0_CLKSEL Register
          210. 14.2.1.1.210 MAIN_CTRL_MMRCFG0_USART1_CLKSEL Register
          211. 14.2.1.1.211 MAIN_CTRL_MMRCFG0_USART2_CLKSEL Register
          212. 14.2.1.1.212 MAIN_CTRL_MMRCFG0_USART3_CLKSEL Register
          213. 14.2.1.1.213 MAIN_CTRL_MMRCFG0_USART4_CLKSEL Register
          214. 14.2.1.1.214 MAIN_CTRL_MMRCFG0_USART5_CLKSEL Register
          215. 14.2.1.1.215 MAIN_CTRL_MMRCFG0_USART6_CLKSEL Register
          216. 14.2.1.1.216 MAIN_CTRL_MMRCFG0_ATL_CLKSEL Register
          217. 14.2.1.1.217 MAIN_CTRL_MMRCFG0_ATL_BWS0_SEL Register
          218. 14.2.1.1.218 MAIN_CTRL_MMRCFG0_ATL_BWS1_SEL Register
          219. 14.2.1.1.219 MAIN_CTRL_MMRCFG0_ATL_BWS2_SEL Register
          220. 14.2.1.1.220 MAIN_CTRL_MMRCFG0_ATL_BWS3_SEL Register
          221. 14.2.1.1.221 MAIN_CTRL_MMRCFG0_ATL_AWS0_SEL Register
          222. 14.2.1.1.222 MAIN_CTRL_MMRCFG0_ATL_AWS1_SEL Register
          223. 14.2.1.1.223 MAIN_CTRL_MMRCFG0_ATL_AWS2_SEL Register
          224. 14.2.1.1.224 MAIN_CTRL_MMRCFG0_ATL_AWS3_SEL Register
          225. 14.2.1.1.225 MAIN_CTRL_MMRCFG0_AUDIO_REFCLK0_CTRL Register
          226. 14.2.1.1.226 MAIN_CTRL_MMRCFG0_AUDIO_REFCLK1_CTRL Register
          227. 14.2.1.1.227 MAIN_CTRL_MMRCFG0_AUDIO_REFCLK2_CTRL Register
          228. 14.2.1.1.228 MAIN_CTRL_MMRCFG0_ASRC_SYNC_DIV_CTRL Register
          229. 14.2.1.1.229 MAIN_CTRL_MMRCFG0_MCASP0_CLKSEL Register
          230. 14.2.1.1.230 MAIN_CTRL_MMRCFG0_MCASP1_CLKSEL Register
          231. 14.2.1.1.231 MAIN_CTRL_MMRCFG0_MCASP2_CLKSEL Register
          232. 14.2.1.1.232 MAIN_CTRL_MMRCFG0_MCASP3_CLKSEL Register
          233. 14.2.1.1.233 MAIN_CTRL_MMRCFG0_MCASP4_CLKSEL Register
          234. 14.2.1.1.234 MAIN_CTRL_MMRCFG0_MCASP0_AHCLKSEL Register
          235. 14.2.1.1.235 MAIN_CTRL_MMRCFG0_MCASP1_AHCLKSEL Register
          236. 14.2.1.1.236 MAIN_CTRL_MMRCFG0_MCASP2_AHCLKSEL Register
          237. 14.2.1.1.237 MAIN_CTRL_MMRCFG0_MCASP3_AHCLKSEL Register
          238. 14.2.1.1.238 MAIN_CTRL_MMRCFG0_MCASP4_AHCLKSEL Register
          239. 14.2.1.1.239 MAIN_CTRL_MMRCFG0_WWD0_CLKSEL Register
          240. 14.2.1.1.240 MAIN_CTRL_MMRCFG0_WWD1_CLKSEL Register
          241. 14.2.1.1.241 MAIN_CTRL_MMRCFG0_WWD2_CLKSEL Register
          242. 14.2.1.1.242 MAIN_CTRL_MMRCFG0_WWD3_CLKSEL Register
          243. 14.2.1.1.243 MAIN_CTRL_MMRCFG0_WWD4_CLKSEL Register
          244. 14.2.1.1.244 MAIN_CTRL_MMRCFG0_WWD5_CLKSEL Register
          245. 14.2.1.1.245 MAIN_CTRL_MMRCFG0_MCASP0_GF_CLK_SEL Register
          246. 14.2.1.1.246 MAIN_CTRL_MMRCFG0_MCASP1_GF_CLK_SEL Register
          247. 14.2.1.1.247 MAIN_CTRL_MMRCFG0_MCASP2_GF_CLK_SEL Register
          248. 14.2.1.1.248 MAIN_CTRL_MMRCFG0_MCASP3_GF_CLK_SEL Register
          249. 14.2.1.1.249 MAIN_CTRL_MMRCFG0_MCASP4_GF_CLK_SEL Register
          250. 14.2.1.1.250 MAIN_CTRL_MMRCFG0_MCAN0_CLKSEL Register
          251. 14.2.1.1.251 MAIN_CTRL_MMRCFG0_MCAN1_CLKSEL Register
          252. 14.2.1.1.252 MAIN_CTRL_MMRCFG0_MCAN2_CLKSEL Register
          253. 14.2.1.1.253 MAIN_CTRL_MMRCFG0_MCAN3_CLKSEL Register
          254. 14.2.1.1.254 MAIN_CTRL_MMRCFG0_MCAN4_CLKSEL Register
          255. 14.2.1.1.255 MAIN_CTRL_MMRCFG0_ASRC0_RXSYNC0_SEL Register
          256. 14.2.1.1.256 MAIN_CTRL_MMRCFG0_ASRC0_RXSYNC1_SEL Register
          257. 14.2.1.1.257 MAIN_CTRL_MMRCFG0_ASRC0_RXSYNC2_SEL Register
          258. 14.2.1.1.258 MAIN_CTRL_MMRCFG0_ASRC0_RXSYNC3_SEL Register
          259. 14.2.1.1.259 MAIN_CTRL_MMRCFG0_ASRC1_RXSYNC0_SEL Register
          260. 14.2.1.1.260 MAIN_CTRL_MMRCFG0_ASRC1_RXSYNC1_SEL Register
          261. 14.2.1.1.261 MAIN_CTRL_MMRCFG0_ASRC1_RXSYNC2_SEL Register
          262. 14.2.1.1.262 MAIN_CTRL_MMRCFG0_ASRC1_RXSYNC3_SEL Register
          263. 14.2.1.1.263 MAIN_CTRL_MMRCFG0_ASRC0_TXSYNC0_SEL Register
          264. 14.2.1.1.264 MAIN_CTRL_MMRCFG0_ASRC0_TXSYNC1_SEL Register
          265. 14.2.1.1.265 MAIN_CTRL_MMRCFG0_ASRC0_TXSYNC2_SEL Register
          266. 14.2.1.1.266 MAIN_CTRL_MMRCFG0_ASRC0_TXSYNC3_SEL Register
          267. 14.2.1.1.267 MAIN_CTRL_MMRCFG0_ASRC1_TXSYNC0_SEL Register
          268. 14.2.1.1.268 MAIN_CTRL_MMRCFG0_ASRC1_TXSYNC1_SEL Register
          269. 14.2.1.1.269 MAIN_CTRL_MMRCFG0_ASRC1_TXSYNC2_SEL Register
          270. 14.2.1.1.270 MAIN_CTRL_MMRCFG0_ASRC1_TXSYNC3_SEL Register
          271. 14.2.1.1.271 MAIN_CTRL_MMRCFG0_OSPI0_CLKSEL Register
          272. 14.2.1.1.272 MAIN_CTRL_MMRCFG0_OSPI1_CLKSEL Register
          273. 14.2.1.1.273 MAIN_CTRL_MMRCFG0_ADC0_CLKSEL Register
          274. 14.2.1.1.274 MAIN_CTRL_MMRCFG0_R5SS0_CLKSEL Register
          275. 14.2.1.1.275 MAIN_CTRL_MMRCFG0_R5SS1_CLKSEL Register
          276. 14.2.1.1.276 MAIN_CTRL_MMRCFG0_LOCK2_KICK0 Register
          277. 14.2.1.1.277 MAIN_CTRL_MMRCFG0_LOCK2_KICK1 Register
          278. 14.2.1.1.278 MAIN_CTRL_MMRCFG0_CLAIMREG_P2_R0_READONLY Register
          279. 14.2.1.1.279 MAIN_CTRL_MMRCFG0_CLAIMREG_P2_R1_READONLY Register
          280. 14.2.1.1.280 MAIN_CTRL_MMRCFG0_CLAIMREG_P2_R2_READONLY Register
          281. 14.2.1.1.281 MAIN_CTRL_MMRCFG0_CLAIMREG_P2_R3_READONLY Register
          282. 14.2.1.1.282 MAIN_CTRL_MMRCFG0_CLAIMREG_P2_R4_READONLY Register
          283. 14.2.1.1.283 MAIN_CTRL_MMRCFG0_CLAIMREG_P2_R5_READONLY Register
          284. 14.2.1.1.284 MAIN_CTRL_MMRCFG0_CLAIMREG_P2_R6_READONLY Register
          285. 14.2.1.1.285 MAIN_CTRL_MMRCFG0_CLAIMREG_P2_R7_READONLY Register
          286. 14.2.1.1.286 MAIN_CTRL_MMRCFG0_CLAIMREG_P2_R9_READONLY Register
          287. 14.2.1.1.287 MAIN_CTRL_MMRCFG0_CLAIMREG_P2_R10_READONLY Register
          288. 14.2.1.1.288 MAIN_CTRL_MMRCFG0_OBSCLK0_CTRL_PROXY Register
          289. 14.2.1.1.289 MAIN_CTRL_MMRCFG0_CLKOUT_CTRL_PROXY Register
          290. 14.2.1.1.290 MAIN_CTRL_MMRCFG0_MAIN_PLL0_CLKSEL_PROXY Register
          291. 14.2.1.1.291 MAIN_CTRL_MMRCFG0_MAIN_PLL1_CLKSEL_PROXY Register
          292. 14.2.1.1.292 MAIN_CTRL_MMRCFG0_MAIN_PLL2_CLKSEL_PROXY Register
          293. 14.2.1.1.293 MAIN_CTRL_MMRCFG0_MAIN_PLL4_CLKSEL_PROXY Register
          294. 14.2.1.1.294 MAIN_CTRL_MMRCFG0_MAIN_PLL7_CLKSEL_PROXY Register
          295. 14.2.1.1.295 MAIN_CTRL_MMRCFG0_MAIN_PLL14_CLKSEL_PROXY Register
          296. 14.2.1.1.296 MAIN_CTRL_MMRCFG0_CPSW_CLKSEL_PROXY Register
          297. 14.2.1.1.297 MAIN_CTRL_MMRCFG0_EMMC0_CLKSEL_PROXY Register
          298. 14.2.1.1.298 MAIN_CTRL_MMRCFG0_TIMER0_CLKSEL_PROXY Register
          299. 14.2.1.1.299 MAIN_CTRL_MMRCFG0_TIMER1_CLKSEL_PROXY Register
          300. 14.2.1.1.300 MAIN_CTRL_MMRCFG0_TIMER2_CLKSEL_PROXY Register
          301. 14.2.1.1.301 MAIN_CTRL_MMRCFG0_TIMER3_CLKSEL_PROXY Register
          302. 14.2.1.1.302 MAIN_CTRL_MMRCFG0_TIMER4_CLKSEL_PROXY Register
          303. 14.2.1.1.303 MAIN_CTRL_MMRCFG0_TIMER5_CLKSEL_PROXY Register
          304. 14.2.1.1.304 MAIN_CTRL_MMRCFG0_TIMER6_CLKSEL_PROXY Register
          305. 14.2.1.1.305 MAIN_CTRL_MMRCFG0_TIMER7_CLKSEL_PROXY Register
          306. 14.2.1.1.306 MAIN_CTRL_MMRCFG0_TIMER8_CLKSEL_PROXY Register
          307. 14.2.1.1.307 MAIN_CTRL_MMRCFG0_TIMER9_CLKSEL_PROXY Register
          308. 14.2.1.1.308 MAIN_CTRL_MMRCFG0_TIMER10_CLKSEL_PROXY Register
          309. 14.2.1.1.309 MAIN_CTRL_MMRCFG0_TIMER11_CLKSEL_PROXY Register
          310. 14.2.1.1.310 MAIN_CTRL_MMRCFG0_TIMER12_CLKSEL_PROXY Register
          311. 14.2.1.1.311 MAIN_CTRL_MMRCFG0_TIMER13_CLKSEL_PROXY Register
          312. 14.2.1.1.312 MAIN_CTRL_MMRCFG0_TIMER14_CLKSEL_PROXY Register
          313. 14.2.1.1.313 MAIN_CTRL_MMRCFG0_TIMER15_CLKSEL_PROXY Register
          314. 14.2.1.1.314 MAIN_CTRL_MMRCFG0_SPI0_CLKSEL_PROXY Register
          315. 14.2.1.1.315 MAIN_CTRL_MMRCFG0_SPI1_CLKSEL_PROXY Register
          316. 14.2.1.1.316 MAIN_CTRL_MMRCFG0_SPI2_CLKSEL_PROXY Register
          317. 14.2.1.1.317 MAIN_CTRL_MMRCFG0_SPI3_CLKSEL_PROXY Register
          318. 14.2.1.1.318 MAIN_CTRL_MMRCFG0_SPI4_CLKSEL_PROXY Register
          319. 14.2.1.1.319 MAIN_CTRL_MMRCFG0_USART0_CLK_CTRL_PROXY Register
          320. 14.2.1.1.320 MAIN_CTRL_MMRCFG0_USART1_CLK_CTRL_PROXY Register
          321. 14.2.1.1.321 MAIN_CTRL_MMRCFG0_USART2_CLK_CTRL_PROXY Register
          322. 14.2.1.1.322 MAIN_CTRL_MMRCFG0_USART3_CLK_CTRL_PROXY Register
          323. 14.2.1.1.323 MAIN_CTRL_MMRCFG0_USART4_CLK_CTRL_PROXY Register
          324. 14.2.1.1.324 MAIN_CTRL_MMRCFG0_USART5_CLK_CTRL_PROXY Register
          325. 14.2.1.1.325 MAIN_CTRL_MMRCFG0_USART6_CLK_CTRL_PROXY Register
          326. 14.2.1.1.326 MAIN_CTRL_MMRCFG0_USART0_CLKSEL_PROXY Register
          327. 14.2.1.1.327 MAIN_CTRL_MMRCFG0_USART1_CLKSEL_PROXY Register
          328. 14.2.1.1.328 MAIN_CTRL_MMRCFG0_USART2_CLKSEL_PROXY Register
          329. 14.2.1.1.329 MAIN_CTRL_MMRCFG0_USART3_CLKSEL_PROXY Register
          330. 14.2.1.1.330 MAIN_CTRL_MMRCFG0_USART4_CLKSEL_PROXY Register
          331. 14.2.1.1.331 MAIN_CTRL_MMRCFG0_USART5_CLKSEL_PROXY Register
          332. 14.2.1.1.332 MAIN_CTRL_MMRCFG0_USART6_CLKSEL_PROXY Register
          333. 14.2.1.1.333 MAIN_CTRL_MMRCFG0_ATL_CLKSEL_PROXY Register
          334. 14.2.1.1.334 MAIN_CTRL_MMRCFG0_ATL_BWS0_SEL_PROXY Register
          335. 14.2.1.1.335 MAIN_CTRL_MMRCFG0_ATL_BWS1_SEL_PROXY Register
          336. 14.2.1.1.336 MAIN_CTRL_MMRCFG0_ATL_BWS2_SEL_PROXY Register
          337. 14.2.1.1.337 MAIN_CTRL_MMRCFG0_ATL_BWS3_SEL_PROXY Register
          338. 14.2.1.1.338 MAIN_CTRL_MMRCFG0_ATL_AWS0_SEL_PROXY Register
          339. 14.2.1.1.339 MAIN_CTRL_MMRCFG0_ATL_AWS1_SEL_PROXY Register
          340. 14.2.1.1.340 MAIN_CTRL_MMRCFG0_ATL_AWS2_SEL_PROXY Register
          341. 14.2.1.1.341 MAIN_CTRL_MMRCFG0_ATL_AWS3_SEL_PROXY Register
          342. 14.2.1.1.342 MAIN_CTRL_MMRCFG0_AUDIO_REFCLK0_CTRL_PROXY Register
          343. 14.2.1.1.343 MAIN_CTRL_MMRCFG0_AUDIO_REFCLK1_CTRL_PROXY Register
          344. 14.2.1.1.344 MAIN_CTRL_MMRCFG0_AUDIO_REFCLK2_CTRL_PROXY Register
          345. 14.2.1.1.345 MAIN_CTRL_MMRCFG0_ASRC_SYNC_DIV_CTRL_PROXY Register
          346. 14.2.1.1.346 MAIN_CTRL_MMRCFG0_MCASP0_CLKSEL_PROXY Register
          347. 14.2.1.1.347 MAIN_CTRL_MMRCFG0_MCASP1_CLKSEL_PROXY Register
          348. 14.2.1.1.348 MAIN_CTRL_MMRCFG0_MCASP2_CLKSEL_PROXY Register
          349. 14.2.1.1.349 MAIN_CTRL_MMRCFG0_MCASP3_CLKSEL_PROXY Register
          350. 14.2.1.1.350 MAIN_CTRL_MMRCFG0_MCASP4_CLKSEL_PROXY Register
          351. 14.2.1.1.351 MAIN_CTRL_MMRCFG0_MCASP0_AHCLKSEL_PROXY Register
          352. 14.2.1.1.352 MAIN_CTRL_MMRCFG0_MCASP1_AHCLKSEL_PROXY Register
          353. 14.2.1.1.353 MAIN_CTRL_MMRCFG0_MCASP2_AHCLKSEL_PROXY Register
          354. 14.2.1.1.354 MAIN_CTRL_MMRCFG0_MCASP3_AHCLKSEL_PROXY Register
          355. 14.2.1.1.355 MAIN_CTRL_MMRCFG0_MCASP4_AHCLKSEL_PROXY Register
          356. 14.2.1.1.356 MAIN_CTRL_MMRCFG0_WWD0_CLKSEL_PROXY Register
          357. 14.2.1.1.357 MAIN_CTRL_MMRCFG0_WWD1_CLKSEL_PROXY Register
          358. 14.2.1.1.358 MAIN_CTRL_MMRCFG0_WWD2_CLKSEL_PROXY Register
          359. 14.2.1.1.359 MAIN_CTRL_MMRCFG0_WWD3_CLKSEL_PROXY Register
          360. 14.2.1.1.360 MAIN_CTRL_MMRCFG0_WWD4_CLKSEL_PROXY Register
          361. 14.2.1.1.361 MAIN_CTRL_MMRCFG0_WWD5_CLKSEL_PROXY Register
          362. 14.2.1.1.362 MAIN_CTRL_MMRCFG0_MCASP0_GF_CLK_SEL_PROXY Register
          363. 14.2.1.1.363 MAIN_CTRL_MMRCFG0_MCASP1_GF_CLK_SEL_PROXY Register
          364. 14.2.1.1.364 MAIN_CTRL_MMRCFG0_MCASP2_GF_CLK_SEL_PROXY Register
          365. 14.2.1.1.365 MAIN_CTRL_MMRCFG0_MCASP3_GF_CLK_SEL_PROXY Register
          366. 14.2.1.1.366 MAIN_CTRL_MMRCFG0_MCASP4_GF_CLK_SEL_PROXY Register
          367. 14.2.1.1.367 MAIN_CTRL_MMRCFG0_MCAN0_CLKSEL_PROXY Register
          368. 14.2.1.1.368 MAIN_CTRL_MMRCFG0_MCAN1_CLKSEL_PROXY Register
          369. 14.2.1.1.369 MAIN_CTRL_MMRCFG0_MCAN2_CLKSEL_PROXY Register
          370. 14.2.1.1.370 MAIN_CTRL_MMRCFG0_MCAN3_CLKSEL_PROXY Register
          371. 14.2.1.1.371 MAIN_CTRL_MMRCFG0_MCAN4_CLKSEL_PROXY Register
          372. 14.2.1.1.372 MAIN_CTRL_MMRCFG0_ASRC0_RXSYNC0_SEL_PROXY Register
          373. 14.2.1.1.373 MAIN_CTRL_MMRCFG0_ASRC0_RXSYNC1_SEL_PROXY Register
          374. 14.2.1.1.374 MAIN_CTRL_MMRCFG0_ASRC0_RXSYNC2_SEL_PROXY Register
          375. 14.2.1.1.375 MAIN_CTRL_MMRCFG0_ASRC0_RXSYNC3_SEL_PROXY Register
          376. 14.2.1.1.376 MAIN_CTRL_MMRCFG0_ASRC1_RXSYNC0_SEL_PROXY Register
          377. 14.2.1.1.377 MAIN_CTRL_MMRCFG0_ASRC1_RXSYNC1_SEL_PROXY Register
          378. 14.2.1.1.378 MAIN_CTRL_MMRCFG0_ASRC1_RXSYNC2_SEL_PROXY Register
          379. 14.2.1.1.379 MAIN_CTRL_MMRCFG0_ASRC1_RXSYNC3_SEL_PROXY Register
          380. 14.2.1.1.380 MAIN_CTRL_MMRCFG0_ASRC0_TXSYNC0_SEL_PROXY Register
          381. 14.2.1.1.381 MAIN_CTRL_MMRCFG0_ASRC0_TXSYNC1_SEL_PROXY Register
          382. 14.2.1.1.382 MAIN_CTRL_MMRCFG0_ASRC0_TXSYNC2_SEL_PROXY Register
          383. 14.2.1.1.383 MAIN_CTRL_MMRCFG0_ASRC0_TXSYNC3_SEL_PROXY Register
          384. 14.2.1.1.384 MAIN_CTRL_MMRCFG0_ASRC1_TXSYNC0_SEL_PROXY Register
          385. 14.2.1.1.385 MAIN_CTRL_MMRCFG0_ASRC1_TXSYNC1_SEL_PROXY Register
          386. 14.2.1.1.386 MAIN_CTRL_MMRCFG0_ASRC1_TXSYNC2_SEL_PROXY Register
          387. 14.2.1.1.387 MAIN_CTRL_MMRCFG0_ASRC1_TXSYNC3_SEL_PROXY Register
          388. 14.2.1.1.388 MAIN_CTRL_MMRCFG0_OSPI0_CLKSEL_PROXY Register
          389. 14.2.1.1.389 MAIN_CTRL_MMRCFG0_OSPI1_CLKSEL_PROXY Register
          390. 14.2.1.1.390 MAIN_CTRL_MMRCFG0_ADC0_CLKSEL_PROXY Register
          391. 14.2.1.1.391 MAIN_CTRL_MMRCFG0_R5SS0_CLKSEL_PROXY Register
          392. 14.2.1.1.392 MAIN_CTRL_MMRCFG0_R5SS1_CLKSEL_PROXY Register
          393. 14.2.1.1.393 MAIN_CTRL_MMRCFG0_LOCK2_KICK0_PROXY Register
          394. 14.2.1.1.394 MAIN_CTRL_MMRCFG0_LOCK2_KICK1_PROXY Register
          395. 14.2.1.1.395 MAIN_CTRL_MMRCFG0_CLAIMREG_P2_R0 Register
          396. 14.2.1.1.396 MAIN_CTRL_MMRCFG0_CLAIMREG_P2_R1 Register
          397. 14.2.1.1.397 MAIN_CTRL_MMRCFG0_CLAIMREG_P2_R2 Register
          398. 14.2.1.1.398 MAIN_CTRL_MMRCFG0_CLAIMREG_P2_R3 Register
          399. 14.2.1.1.399 MAIN_CTRL_MMRCFG0_CLAIMREG_P2_R4 Register
          400. 14.2.1.1.400 MAIN_CTRL_MMRCFG0_CLAIMREG_P2_R5 Register
          401. 14.2.1.1.401 MAIN_CTRL_MMRCFG0_CLAIMREG_P2_R6 Register
          402. 14.2.1.1.402 MAIN_CTRL_MMRCFG0_CLAIMREG_P2_R7 Register
          403. 14.2.1.1.403 MAIN_CTRL_MMRCFG0_CLAIMREG_P2_R8 Register
          404. 14.2.1.1.404 MAIN_CTRL_MMRCFG0_CLAIMREG_P2_R9 Register
          405. 14.2.1.1.405 MAIN_CTRL_MMRCFG0_CLAIMREG_P2_R10 Register
          406. 14.2.1.1.406 MAIN_CTRL_MMRCFG0_CLAIMREG_P2_R11 Register
          407. 14.2.1.1.407 MAIN_CTRL_MMRCFG0_R5SS0_LBIST_CTRL Register
          408. 14.2.1.1.408 MAIN_CTRL_MMRCFG0_R5SS0_LBIST_PATCOUNT Register
          409. 14.2.1.1.409 MAIN_CTRL_MMRCFG0_R5SS0_LBIST_SEED0 Register
          410. 14.2.1.1.410 MAIN_CTRL_MMRCFG0_R5SS0_LBIST_SEED1 Register
          411. 14.2.1.1.411 MAIN_CTRL_MMRCFG0_R5SS0_LBIST_SPARE0 Register
          412. 14.2.1.1.412 MAIN_CTRL_MMRCFG0_R5SS0_LBIST_SPARE1 Register
          413. 14.2.1.1.413 MAIN_CTRL_MMRCFG0_R5SS0_LBIST_STAT Register
          414. 14.2.1.1.414 MAIN_CTRL_MMRCFG0_R5SS0_LBIST_MISR Register
          415. 14.2.1.1.415 MAIN_CTRL_MMRCFG0_R5SS1_LBIST_CTRL Register
          416. 14.2.1.1.416 MAIN_CTRL_MMRCFG0_R5SS1_LBIST_PATCOUNT Register
          417. 14.2.1.1.417 MAIN_CTRL_MMRCFG0_R5SS1_LBIST_SEED0 Register
          418. 14.2.1.1.418 MAIN_CTRL_MMRCFG0_R5SS1_LBIST_SEED1 Register
          419. 14.2.1.1.419 MAIN_CTRL_MMRCFG0_R5SS1_LBIST_SPARE0 Register
          420. 14.2.1.1.420 MAIN_CTRL_MMRCFG0_R5SS1_LBIST_SPARE1 Register
          421. 14.2.1.1.421 MAIN_CTRL_MMRCFG0_R5SS1_LBIST_STAT Register
          422. 14.2.1.1.422 MAIN_CTRL_MMRCFG0_R5SS1_LBIST_MISR Register
          423. 14.2.1.1.423 MAIN_CTRL_MMRCFG0_R5SS0_LBIST_SIG Register
          424. 14.2.1.1.424 MAIN_CTRL_MMRCFG0_R5SS1_LBIST_SIG Register
          425. 14.2.1.1.425 MAIN_CTRL_MMRCFG0_LOCK3_KICK0 Register
          426. 14.2.1.1.426 MAIN_CTRL_MMRCFG0_LOCK3_KICK1 Register
          427. 14.2.1.1.427 MAIN_CTRL_MMRCFG0_CLAIMREG_P3_R0_READONLY Register
          428. 14.2.1.1.428 MAIN_CTRL_MMRCFG0_CLAIMREG_P3_R5_READONLY Register
          429. 14.2.1.1.429 MAIN_CTRL_MMRCFG0_R5SS0_LBIST_CTRL_PROXY Register
          430. 14.2.1.1.430 MAIN_CTRL_MMRCFG0_R5SS0_LBIST_PATCOUNT_PROXY Register
          431. 14.2.1.1.431 MAIN_CTRL_MMRCFG0_R5SS0_LBIST_SEED0_PROXY Register
          432. 14.2.1.1.432 MAIN_CTRL_MMRCFG0_R5SS0_LBIST_SEED1_PROXY Register
          433. 14.2.1.1.433 MAIN_CTRL_MMRCFG0_R5SS0_LBIST_SPARE0_PROXY Register
          434. 14.2.1.1.434 MAIN_CTRL_MMRCFG0_R5SS0_LBIST_SPARE1_PROXY Register
          435. 14.2.1.1.435 MAIN_CTRL_MMRCFG0_R5SS0_LBIST_STAT_PROXY Register
          436. 14.2.1.1.436 MAIN_CTRL_MMRCFG0_R5SS0_LBIST_MISR_PROXY Register
          437. 14.2.1.1.437 MAIN_CTRL_MMRCFG0_R5SS1_LBIST_CTRL_PROXY Register
          438. 14.2.1.1.438 MAIN_CTRL_MMRCFG0_R5SS1_LBIST_PATCOUNT_PROXY Register
          439. 14.2.1.1.439 MAIN_CTRL_MMRCFG0_R5SS1_LBIST_SEED0_PROXY Register
          440. 14.2.1.1.440 MAIN_CTRL_MMRCFG0_R5SS1_LBIST_SEED1_PROXY Register
          441. 14.2.1.1.441 MAIN_CTRL_MMRCFG0_R5SS1_LBIST_SPARE0_PROXY Register
          442. 14.2.1.1.442 MAIN_CTRL_MMRCFG0_R5SS1_LBIST_SPARE1_PROXY Register
          443. 14.2.1.1.443 MAIN_CTRL_MMRCFG0_R5SS1_LBIST_STAT_PROXY Register
          444. 14.2.1.1.444 MAIN_CTRL_MMRCFG0_R5SS1_LBIST_MISR_PROXY Register
          445. 14.2.1.1.445 MAIN_CTRL_MMRCFG0_R5SS0_LBIST_SIG_PROXY Register
          446. 14.2.1.1.446 MAIN_CTRL_MMRCFG0_R5SS1_LBIST_SIG_PROXY Register
          447. 14.2.1.1.447 MAIN_CTRL_MMRCFG0_LOCK3_KICK0_PROXY Register
          448. 14.2.1.1.448 MAIN_CTRL_MMRCFG0_LOCK3_KICK1_PROXY Register
          449. 14.2.1.1.449 MAIN_CTRL_MMRCFG0_CLAIMREG_P3_R0 Register
          450. 14.2.1.1.450 MAIN_CTRL_MMRCFG0_CLAIMREG_P3_R1 Register
          451. 14.2.1.1.451 MAIN_CTRL_MMRCFG0_CLAIMREG_P3_R2 Register
          452. 14.2.1.1.452 MAIN_CTRL_MMRCFG0_CLAIMREG_P3_R3 Register
          453. 14.2.1.1.453 MAIN_CTRL_MMRCFG0_CLAIMREG_P3_R4 Register
          454. 14.2.1.1.454 MAIN_CTRL_MMRCFG0_CLAIMREG_P3_R5 Register
          455. 14.2.1.1.455 MAIN_CTRL_MMRCFG0_CLAIMREG_P4_R10_READONLY Register
          456. 14.2.1.1.456 MAIN_CTRL_MMRCFG0_CLAIMREG_P4_R14_READONLY Register
          457. 14.2.1.1.457 MAIN_CTRL_MMRCFG0_CLAIMREG_P4_R0 Register
          458. 14.2.1.1.458 MAIN_CTRL_MMRCFG0_CLAIMREG_P4_R1 Register
          459. 14.2.1.1.459 MAIN_CTRL_MMRCFG0_CLAIMREG_P4_R2 Register
          460. 14.2.1.1.460 MAIN_CTRL_MMRCFG0_CLAIMREG_P4_R3 Register
          461. 14.2.1.1.461 MAIN_CTRL_MMRCFG0_CLAIMREG_P4_R4 Register
          462. 14.2.1.1.462 MAIN_CTRL_MMRCFG0_CLAIMREG_P4_R5 Register
          463. 14.2.1.1.463 MAIN_CTRL_MMRCFG0_CLAIMREG_P4_R6 Register
          464. 14.2.1.1.464 MAIN_CTRL_MMRCFG0_CLAIMREG_P4_R7 Register
          465. 14.2.1.1.465 MAIN_CTRL_MMRCFG0_CLAIMREG_P4_R8 Register
          466. 14.2.1.1.466 MAIN_CTRL_MMRCFG0_CLAIMREG_P4_R9 Register
          467. 14.2.1.1.467 MAIN_CTRL_MMRCFG0_CLAIMREG_P4_R10 Register
          468. 14.2.1.1.468 MAIN_CTRL_MMRCFG0_CLAIMREG_P4_R11 Register
          469. 14.2.1.1.469 MAIN_CTRL_MMRCFG0_CLAIMREG_P4_R12 Register
          470. 14.2.1.1.470 MAIN_CTRL_MMRCFG0_CLAIMREG_P4_R13 Register
          471. 14.2.1.1.471 MAIN_CTRL_MMRCFG0_CLAIMREG_P4_R14 Register
          472. 14.2.1.1.472 MAIN_CTRL_MMRCFG0_CLAIMREG_P6_R0 Register
          473. 14.2.1.1.473 MAIN_CTRL_MMRCFG0_CLAIMREG_P6_R1 Register
          474. 14.2.1.1.474 MAIN_CTRL_MMRCFG0_CLAIMREG_P6_R2 Register
          475. 14.2.1.1.475 MAIN_CTRL_MMRCFG0_CLAIMREG_P6_R3 Register
          476. 14.2.1.1.476 MAIN_CTRL_MMRCFG0_CLAIMREG_P6_R4 Register
          477. 14.2.1.1.477 MAIN_CTRL_MMRCFG0_CLAIMREG_P6_R5 Register
          478. 14.2.1.1.478 MAIN_CTRL_MMRCFG0_CLAIMREG_P6_R6 Register
          479. 14.2.1.1.479 MAIN_CTRL_MMRCFG0_CLAIMREG_P6_R7 Register
          480. 14.2.1.1.480 MAIN_CTRL_MMRCFG0_CLAIMREG_P6_R8 Register
          481. 14.2.1.1.481 MCU_CTRL_MMR0
            1. 14.2.1.1.481.1 MCU_CTRL_MMR0 Summaries
              1.          5606
            2. 14.2.1.1.481.2 MCU_CTRL_MMR0 Registers
              1. 14.2.1.1.481.2.1   MCU_CTRL_MMRCFG0_PID Register
              2. 14.2.1.1.481.2.2   MCU_CTRL_MMRCFG0_MMR_CFG1 Register
              3. 14.2.1.1.481.2.3   MCU_CTRL_MMRCFG0_IPC_SET0 Register
              4. 14.2.1.1.481.2.4   MCU_CTRL_MMRCFG0_IPC_CLR0 Register
              5. 14.2.1.1.481.2.5   MCU_CTRL_MMRCFG0_CBA_ERR_STAT Register
              6. 14.2.1.1.481.2.6   MCU_CTRL_MMRCFG0_ACCESS_ERR_STAT Register
              7. 14.2.1.1.481.2.7   MCU_CTRL_MMRCFG0_LOCK0_KICK0 Register
              8. 14.2.1.1.481.2.8   MCU_CTRL_MMRCFG0_LOCK0_KICK1 Register
              9. 14.2.1.1.481.2.9   MCU_CTRL_MMRCFG0_INTR_RAW_STATUS Register
              10. 14.2.1.1.481.2.10  MCU_CTRL_MMRCFG0_INTR_ENABLED_STATUS_CLEAR Register
              11. 14.2.1.1.481.2.11  MCU_CTRL_MMRCFG0_INTR_ENABLE Register
              12. 14.2.1.1.481.2.12  MCU_CTRL_MMRCFG0_INTR_ENABLE_CLEAR Register
              13. 14.2.1.1.481.2.13  MCU_CTRL_MMRCFG0_EOI Register
              14. 14.2.1.1.481.2.14  MCU_CTRL_MMRCFG0_FAULT_ADDRESS Register
              15. 14.2.1.1.481.2.15  MCU_CTRL_MMRCFG0_FAULT_TYPE_STATUS Register
              16. 14.2.1.1.481.2.16  MCU_CTRL_MMRCFG0_FAULT_ATTR_STATUS Register
              17. 14.2.1.1.481.2.17  MCU_CTRL_MMRCFG0_FAULT_CLEAR Register
              18. 14.2.1.1.481.2.18  MCU_CTRL_MMRCFG0_CLAIMREG_P0_R0_READONLY Register
              19. 14.2.1.1.481.2.19  MCU_CTRL_MMRCFG0_CLAIMREG_P0_R2_READONLY Register
              20. 14.2.1.1.481.2.20  MCU_CTRL_MMRCFG0_CLAIMREG_P0_R3_READONLY Register
              21. 14.2.1.1.481.2.21  MCU_CTRL_MMRCFG0_CLAIMREG_P0_R4_READONLY Register
              22. 14.2.1.1.481.2.22  MCU_CTRL_MMRCFG0_CLAIMREG_P0_R5_READONLY Register
              23. 14.2.1.1.481.2.23  MCU_CTRL_MMRCFG0_PID_PROXY Register
              24. 14.2.1.1.481.2.24  MCU_CTRL_MMRCFG0_MMR_CFG1_PROXY Register
              25. 14.2.1.1.481.2.25  MCU_CTRL_MMRCFG0_IPC_SET0_PROXY Register
              26. 14.2.1.1.481.2.26  MCU_CTRL_MMRCFG0_IPC_CLR0_PROXY Register
              27. 14.2.1.1.481.2.27  MCU_CTRL_MMRCFG0_CBA_ERR_STAT_PROXY Register
              28. 14.2.1.1.481.2.28  MCU_CTRL_MMRCFG0_ACCESS_ERR_STAT_PROXY Register
              29. 14.2.1.1.481.2.29  MCU_CTRL_MMRCFG0_LOCK0_KICK0_PROXY Register
              30. 14.2.1.1.481.2.30  MCU_CTRL_MMRCFG0_LOCK0_KICK1_PROXY Register
              31. 14.2.1.1.481.2.31  MCU_CTRL_MMRCFG0_INTR_RAW_STATUS_PROXY Register
              32. 14.2.1.1.481.2.32  MCU_CTRL_MMRCFG0_INTR_ENABLED_STATUS_CLEAR_PROXY Register
              33. 14.2.1.1.481.2.33  MCU_CTRL_MMRCFG0_INTR_ENABLE_PROXY Register
              34. 14.2.1.1.481.2.34  MCU_CTRL_MMRCFG0_INTR_ENABLE_CLEAR_PROXY Register
              35. 14.2.1.1.481.2.35  MCU_CTRL_MMRCFG0_EOI_PROXY Register
              36. 14.2.1.1.481.2.36  MCU_CTRL_MMRCFG0_FAULT_ADDRESS_PROXY Register
              37. 14.2.1.1.481.2.37  MCU_CTRL_MMRCFG0_FAULT_TYPE_STATUS_PROXY Register
              38. 14.2.1.1.481.2.38  MCU_CTRL_MMRCFG0_FAULT_ATTR_STATUS_PROXY Register
              39. 14.2.1.1.481.2.39  MCU_CTRL_MMRCFG0_FAULT_CLEAR_PROXY Register
              40. 14.2.1.1.481.2.40  MCU_CTRL_MMRCFG0_CLAIMREG_P0_R0 Register
              41. 14.2.1.1.481.2.41  MCU_CTRL_MMRCFG0_CLAIMREG_P0_R1 Register
              42. 14.2.1.1.481.2.42  MCU_CTRL_MMRCFG0_CLAIMREG_P0_R2 Register
              43. 14.2.1.1.481.2.43  MCU_CTRL_MMRCFG0_CLAIMREG_P0_R3 Register
              44. 14.2.1.1.481.2.44  MCU_CTRL_MMRCFG0_CLAIMREG_P0_R4 Register
              45. 14.2.1.1.481.2.45  MCU_CTRL_MMRCFG0_CLAIMREG_P0_R5 Register
              46. 14.2.1.1.481.2.46  MCU_CTRL_MMRCFG0_MCU_GPIO_CTRL Register
              47. 14.2.1.1.481.2.47  MCU_CTRL_MMRCFG0_DBOUNCE_CFG1 Register
              48. 14.2.1.1.481.2.48  MCU_CTRL_MMRCFG0_DBOUNCE_CFG2 Register
              49. 14.2.1.1.481.2.49  MCU_CTRL_MMRCFG0_DBOUNCE_CFG3 Register
              50. 14.2.1.1.481.2.50  MCU_CTRL_MMRCFG0_DBOUNCE_CFG4 Register
              51. 14.2.1.1.481.2.51  MCU_CTRL_MMRCFG0_DBOUNCE_CFG5 Register
              52. 14.2.1.1.481.2.52  MCU_CTRL_MMRCFG0_DBOUNCE_CFG6 Register
              53. 14.2.1.1.481.2.53  MCU_CTRL_MMRCFG0_IO_VOLTAGE_STAT Register
              54. 14.2.1.1.481.2.54  MCU_CTRL_MMRCFG0_WKUP_MTOG_CTRL0 Register
              55. 14.2.1.1.481.2.55  MCU_CTRL_MMRCFG0_TOG_STAT Register
              56. 14.2.1.1.481.2.56  MCU_CTRL_MMRCFG0_LOCK1_KICK0 Register
              57. 14.2.1.1.481.2.57  MCU_CTRL_MMRCFG0_LOCK1_KICK1 Register
              58. 14.2.1.1.481.2.58  MCU_CTRL_MMRCFG0_CLAIMREG_P1_R0_READONLY Register
              59. 14.2.1.1.481.2.59  MCU_CTRL_MMRCFG0_CLAIMREG_P1_R1_READONLY Register
              60. 14.2.1.1.481.2.60  MCU_CTRL_MMRCFG0_CLAIMREG_P1_R2_READONLY Register
              61. 14.2.1.1.481.2.61  MCU_CTRL_MMRCFG0_MCU_GPIO_CTRL_PROXY Register
              62. 14.2.1.1.481.2.62  MCU_CTRL_MMRCFG0_DBOUNCE_CFG1_PROXY Register
              63. 14.2.1.1.481.2.63  MCU_CTRL_MMRCFG0_DBOUNCE_CFG2_PROXY Register
              64. 14.2.1.1.481.2.64  MCU_CTRL_MMRCFG0_DBOUNCE_CFG3_PROXY Register
              65. 14.2.1.1.481.2.65  MCU_CTRL_MMRCFG0_DBOUNCE_CFG4_PROXY Register
              66. 14.2.1.1.481.2.66  MCU_CTRL_MMRCFG0_DBOUNCE_CFG5_PROXY Register
              67. 14.2.1.1.481.2.67  MCU_CTRL_MMRCFG0_DBOUNCE_CFG6_PROXY Register
              68. 14.2.1.1.481.2.68  MCU_CTRL_MMRCFG0_IO_VOLTAGE_STAT_PROXY Register
              69. 14.2.1.1.481.2.69  MCU_CTRL_MMRCFG0_WKUP_MTOG_CTRL0_PROXY Register
              70. 14.2.1.1.481.2.70  MCU_CTRL_MMRCFG0_TOG_STAT_PROXY Register
              71. 14.2.1.1.481.2.71  MCU_CTRL_MMRCFG0_LOCK1_KICK0_PROXY Register
              72. 14.2.1.1.481.2.72  MCU_CTRL_MMRCFG0_LOCK1_KICK1_PROXY Register
              73. 14.2.1.1.481.2.73  MCU_CTRL_MMRCFG0_CLAIMREG_P1_R0 Register
              74. 14.2.1.1.481.2.74  MCU_CTRL_MMRCFG0_CLAIMREG_P1_R1 Register
              75. 14.2.1.1.481.2.75  MCU_CTRL_MMRCFG0_CLAIMREG_P1_R2 Register
              76. 14.2.1.1.481.2.76  MCU_CTRL_MMRCFG0_CLAIMREG_P1_R3 Register
              77. 14.2.1.1.481.2.77  MCU_CTRL_MMRCFG0_CLAIMREG_P1_R4 Register
              78. 14.2.1.1.481.2.78  MCU_CTRL_MMRCFG0_CLAIMREG_P1_R5 Register
              79. 14.2.1.1.481.2.79  MCU_CTRL_MMRCFG0_CLAIMREG_P1_R6 Register
              80. 14.2.1.1.481.2.80  MCU_CTRL_MMRCFG0_CLAIMREG_P1_R7 Register
              81. 14.2.1.1.481.2.81  MCU_CTRL_MMRCFG0_CLAIMREG_P1_R8 Register
              82. 14.2.1.1.481.2.82  MCU_CTRL_MMRCFG0_CLAIMREG_P1_R9 Register
              83. 14.2.1.1.481.2.83  MCU_CTRL_MMRCFG0_CLAIMREG_P1_R10 Register
              84. 14.2.1.1.481.2.84  MCU_CTRL_MMRCFG0_CLAIMREG_P1_R11 Register
              85. 14.2.1.1.481.2.85  MCU_CTRL_MMRCFG0_CLAIMREG_P1_R12 Register
              86. 14.2.1.1.481.2.86  MCU_CTRL_MMRCFG0_MCU_OBSCLK_CTRL Register
              87. 14.2.1.1.481.2.87  MCU_CTRL_MMRCFG0_HFOSC0_CTRL Register
              88. 14.2.1.1.481.2.88  MCU_CTRL_MMRCFG0_HFOSC1_CTRL Register
              89. 14.2.1.1.481.2.89  MCU_CTRL_MMRCFG0_HFOSC0_STAT Register
              90. 14.2.1.1.481.2.90  MCU_CTRL_MMRCFG0_HFOSC0_CLKOUT_32K_CTRL Register
              91. 14.2.1.1.481.2.91  MCU_CTRL_MMRCFG0_LFXOSC_CTRL Register
              92. 14.2.1.1.481.2.92  MCU_CTRL_MMRCFG0_MCU_PLL_CLKSEL Register
              93. 14.2.1.1.481.2.93  MCU_CTRL_MMRCFG0_DEVICE_CLKOUT_32K_CTRL Register
              94. 14.2.1.1.481.2.94  MCU_CTRL_MMRCFG0_MCU_GPIO_CLKSEL Register
              95. 14.2.1.1.481.2.95  MCU_CTRL_MMRCFG0_LOCK2_KICK0 Register
              96. 14.2.1.1.481.2.96  MCU_CTRL_MMRCFG0_LOCK2_KICK1 Register
              97. 14.2.1.1.481.2.97  MCU_CTRL_MMRCFG0_CLAIMREG_P2_R0_READONLY Register
              98. 14.2.1.1.481.2.98  MCU_CTRL_MMRCFG0_MCU_OBSCLK_CTRL_PROXY Register
              99. 14.2.1.1.481.2.99  MCU_CTRL_MMRCFG0_HFOSC0_CTRL_PROXY Register
              100. 14.2.1.1.481.2.100 MCU_CTRL_MMRCFG0_HFOSC1_CTRL_PROXY Register
              101. 14.2.1.1.481.2.101 MCU_CTRL_MMRCFG0_HFOSC0_STAT_PROXY Register
              102. 14.2.1.1.481.2.102 MCU_CTRL_MMRCFG0_HFOSC0_CLKOUT_32K_CTRL_PROXY Register
              103. 14.2.1.1.481.2.103 MCU_CTRL_MMRCFG0_LFXOSC_CTRL_PROXY Register
              104. 14.2.1.1.481.2.104 MCU_CTRL_MMRCFG0_MCU_PLL_CLKSEL_PROXY Register
              105. 14.2.1.1.481.2.105 MCU_CTRL_MMRCFG0_DEVICE_CLKOUT_32K_CTRL_PROXY Register
              106. 14.2.1.1.481.2.106 MCU_CTRL_MMRCFG0_MCU_GPIO_CLKSEL_PROXY Register
              107. 14.2.1.1.481.2.107 MCU_CTRL_MMRCFG0_LOCK2_KICK0_PROXY Register
              108. 14.2.1.1.481.2.108 MCU_CTRL_MMRCFG0_LOCK2_KICK1_PROXY Register
              109. 14.2.1.1.481.2.109 MCU_CTRL_MMRCFG0_CLAIMREG_P2_R0 Register
              110. 14.2.1.1.481.2.110 MCU_CTRL_MMRCFG0_LOCK4_KICK0 Register
              111. 14.2.1.1.481.2.111 MCU_CTRL_MMRCFG0_LOCK4_KICK1 Register
              112. 14.2.1.1.481.2.112 MCU_CTRL_MMRCFG0_LOCK4_KICK0_PROXY Register
              113. 14.2.1.1.481.2.113 MCU_CTRL_MMRCFG0_LOCK4_KICK1_PROXY Register
              114. 14.2.1.1.481.2.114 MCU_CTRL_MMRCFG0_CLAIMREG_P4_R0 Register
              115. 14.2.1.1.481.2.115 MCU_CTRL_MMRCFG0_CLAIMREG_P4_R1 Register
              116. 14.2.1.1.481.2.116 MCU_CTRL_MMRCFG0_CLAIMREG_P4_R2 Register
              117. 14.2.1.1.481.2.117 MCU_CTRL_MMRCFG0_CLAIMREG_P4_R3 Register
              118. 14.2.1.1.481.2.118 MCU_CTRL_MMRCFG0_CLAIMREG_P4_R4 Register
              119. 14.2.1.1.481.2.119 MCU_CTRL_MMRCFG0_CLAIMREG_P4_R5 Register
              120. 14.2.1.1.481.2.120 MCU_CTRL_MMRCFG0_CLAIMREG_P4_R6 Register
              121. 14.2.1.1.481.2.121 MCU_CTRL_MMRCFG0_CLAIMREG_P4_R7 Register
              122. 14.2.1.1.481.2.122 MCU_CTRL_MMRCFG0_CLAIMREG_P4_R8 Register
              123. 14.2.1.1.481.2.123 MCU_CTRL_MMRCFG0_CLAIMREG_P4_R9 Register
              124. 14.2.1.1.481.2.124 MCU_CTRL_MMRCFG0_CLAIMREG_P4_R10 Register
              125. 14.2.1.1.481.2.125 MCU_CTRL_MMRCFG0_CLAIMREG_P4_R11 Register
              126. 14.2.1.1.481.2.126 MCU_CTRL_MMRCFG0_CLAIMREG_P4_R12 Register
              127. 14.2.1.1.481.2.127 MCU_CTRL_MMRCFG0_CLAIMREG_P4_R13 Register
              128. 14.2.1.1.481.2.128 MCU_CTRL_MMRCFG0_CLAIMREG_P4_R14 Register
              129. 14.2.1.1.481.2.129 MCU_CTRL_MMRCFG0_CLAIMREG_P4_R15 Register
              130. 14.2.1.1.481.2.130 MCU_CTRL_MMRCFG0_CLAIMREG_P4_R16 Register
              131. 14.2.1.1.481.2.131 MCU_CTRL_MMRCFG0_CLAIMREG_P4_R17 Register
              132. 14.2.1.1.481.2.132 MCU_CTRL_MMRCFG0_CLAIMREG_P4_R18 Register
              133. 14.2.1.1.481.2.133 MCU_CTRL_MMRCFG0_CLAIMREG_P4_R19 Register
              134. 14.2.1.1.481.2.134 MCU_CTRL_MMRCFG0_POR_CTRL Register
              135. 14.2.1.1.481.2.135 MCU_CTRL_MMRCFG0_POR_STAT Register
              136. 14.2.1.1.481.2.136 MCU_CTRL_MMRCFG0_POK_VDDA_MCU_UV_CTRL Register
              137. 14.2.1.1.481.2.137 MCU_CTRL_MMRCFG0_POK_VDDA_MCU_OV_CTRL Register
              138. 14.2.1.1.481.2.138 MCU_CTRL_MMRCFG0_POK_VDD_CORE_UV_CTRL Register
              139. 14.2.1.1.481.2.139 MCU_CTRL_MMRCFG0_POK_VDD_CORE_OV_CTRL Register
              140. 14.2.1.1.481.2.140 MCU_CTRL_MMRCFG0_POK_VDDR_CORE_UV_CTRL Register
              141. 14.2.1.1.481.2.141 MCU_CTRL_MMRCFG0_POK_VDDR_CORE_OV_CTRL Register
              142. 14.2.1.1.481.2.142 MCU_CTRL_MMRCFG0_POK_VMON_CAP_MCU_GENERAL_UV_CTRL Register
              143. 14.2.1.1.481.2.143 MCU_CTRL_MMRCFG0_POK_VMON_CAP_MCU_GENERAL_OV_CTRL Register
              144. 14.2.1.1.481.2.144 MCU_CTRL_MMRCFG0_POK_VDDSHV_MAIN_1P8_UV_CTRL Register
              145. 14.2.1.1.481.2.145 MCU_CTRL_MMRCFG0_POK_VDDSHV_MAIN_1P8_OV_CTRL Register
              146. 14.2.1.1.481.2.146 MCU_CTRL_MMRCFG0_POK_VDDSHV_MAIN_3P3_UV_CTRL Register
              147. 14.2.1.1.481.2.147 MCU_CTRL_MMRCFG0_POK_VDDSHV_MAIN_3P3_OV_CTRL Register
              148. 14.2.1.1.481.2.148 MCU_CTRL_MMRCFG0_POK_VDDA_PMIC_IN_CTRL Register
              149. 14.2.1.1.481.2.149 MCU_CTRL_MMRCFG0_RST_CTRL Register
              150. 14.2.1.1.481.2.150 MCU_CTRL_MMRCFG0_RST_STAT Register
              151. 14.2.1.1.481.2.151 MCU_CTRL_MMRCFG0_RST_SRC Register
              152. 14.2.1.1.481.2.152 MCU_CTRL_MMRCFG0_VDD_CORE_GLDTC_CTRL Register
              153. 14.2.1.1.481.2.153 MCU_CTRL_MMRCFG0_VDD_CORE_GLDTC_STAT Register
              154. 14.2.1.1.481.2.154 MCU_CTRL_MMRCFG0_PRG_PP_0_CTRL Register
              155. 14.2.1.1.481.2.155 MCU_CTRL_MMRCFG0_PRG_PP_1_CTRL Register
              156. 14.2.1.1.481.2.156 MCU_CTRL_MMRCFG0_CLKGATE_CTRL Register
              157. 14.2.1.1.481.2.157 MCU_CTRL_MMRCFG0_LOCK6_KICK0 Register
              158. 14.2.1.1.481.2.158 MCU_CTRL_MMRCFG0_LOCK6_KICK1 Register
              159. 14.2.1.1.481.2.159 MCU_CTRL_MMRCFG0_CLAIMREG_P6_R0_READONLY Register
              160. 14.2.1.1.481.2.160 MCU_CTRL_MMRCFG0_CLAIMREG_P6_R2_READONLY Register
              161. 14.2.1.1.481.2.161 MCU_CTRL_MMRCFG0_CLAIMREG_P6_R3_READONLY Register
              162. 14.2.1.1.481.2.162 MCU_CTRL_MMRCFG0_CLAIMREG_P6_R4_READONLY Register
              163. 14.2.1.1.481.2.163 MCU_CTRL_MMRCFG0_CLAIMREG_P6_R5_READONLY Register
              164. 14.2.1.1.481.2.164 MCU_CTRL_MMRCFG0_POR_CTRL_PROXY Register
              165. 14.2.1.1.481.2.165 MCU_CTRL_MMRCFG0_POR_STAT_PROXY Register
              166. 14.2.1.1.481.2.166 MCU_CTRL_MMRCFG0_POK_VDDA_MCU_UV_CTRL_PROXY Register
              167. 14.2.1.1.481.2.167 MCU_CTRL_MMRCFG0_POK_VDDA_MCU_OV_CTRL_PROXY Register
              168. 14.2.1.1.481.2.168 MCU_CTRL_MMRCFG0_POK_VDD_CORE_UV_CTRL_PROXY Register
              169. 14.2.1.1.481.2.169 MCU_CTRL_MMRCFG0_POK_VDD_CORE_OV_CTRL_PROXY Register
              170. 14.2.1.1.481.2.170 MCU_CTRL_MMRCFG0_POK_VDDR_CORE_UV_CTRL_PROXY Register
              171. 14.2.1.1.481.2.171 MCU_CTRL_MMRCFG0_POK_VDDR_CORE_OV_CTRL_PROXY Register
              172. 14.2.1.1.481.2.172 MCU_CTRL_MMRCFG0_POK_VMON_CAP_MCU_GENERAL_UV_CTRL_PROXY Register
              173. 14.2.1.1.481.2.173 MCU_CTRL_MMRCFG0_POK_VMON_CAP_MCU_GENERAL_OV_CTRL_PROXY Register
              174. 14.2.1.1.481.2.174 MCU_CTRL_MMRCFG0_POK_VDDSHV_MAIN_1P8_UV_CTRL_PROXY Register
              175. 14.2.1.1.481.2.175 MCU_CTRL_MMRCFG0_POK_VDDSHV_MAIN_1P8_OV_CTRL_PROXY Register
              176. 14.2.1.1.481.2.176 MCU_CTRL_MMRCFG0_POK_VDDSHV_MAIN_3P3_UV_CTRL_PROXY Register
              177. 14.2.1.1.481.2.177 MCU_CTRL_MMRCFG0_POK_VDDSHV_MAIN_3P3_OV_CTRL_PROXY Register
              178. 14.2.1.1.481.2.178 MCU_CTRL_MMRCFG0_POK_VDDA_PMIC_IN_CTRL_PROXY Register
              179. 14.2.1.1.481.2.179 MCU_CTRL_MMRCFG0_RST_CTRL_PROXY Register
              180. 14.2.1.1.481.2.180 MCU_CTRL_MMRCFG0_RST_STAT_PROXY Register
              181. 14.2.1.1.481.2.181 MCU_CTRL_MMRCFG0_RST_SRC_PROXY Register
              182. 14.2.1.1.481.2.182 MCU_CTRL_MMRCFG0_VDD_CORE_GLDTC_CTRL_PROXY Register
              183. 14.2.1.1.481.2.183 MCU_CTRL_MMRCFG0_VDD_CORE_GLDTC_STAT_PROXY Register
              184. 14.2.1.1.481.2.184 MCU_CTRL_MMRCFG0_PRG_PP_0_CTRL_PROXY Register
              185. 14.2.1.1.481.2.185 MCU_CTRL_MMRCFG0_PRG_PP_1_CTRL_PROXY Register
              186. 14.2.1.1.481.2.186 MCU_CTRL_MMRCFG0_CLKGATE_CTRL_PROXY Register
              187. 14.2.1.1.481.2.187 MCU_CTRL_MMRCFG0_LOCK6_KICK0_PROXY Register
              188. 14.2.1.1.481.2.188 MCU_CTRL_MMRCFG0_LOCK6_KICK1_PROXY Register
              189. 14.2.1.1.481.2.189 MCU_CTRL_MMRCFG0_CLAIMREG_P6_R0 Register
              190. 14.2.1.1.481.2.190 MCU_CTRL_MMRCFG0_CLAIMREG_P6_R1 Register
              191. 14.2.1.1.481.2.191 MCU_CTRL_MMRCFG0_CLAIMREG_P6_R2 Register
              192. 14.2.1.1.481.2.192 MCU_CTRL_MMRCFG0_CLAIMREG_P6_R3 Register
              193. 14.2.1.1.481.2.193 MCU_CTRL_MMRCFG0_CLAIMREG_P6_R4 Register
              194. 14.2.1.1.481.2.194 MCU_CTRL_MMRCFG0_CLAIMREG_P6_R5 Register
          482. 14.2.1.1.482 WKUP_CTRL_MMR0
            1. 14.2.1.1.482.1 WKUP_CTRL_MMR0 Summaries
              1.          5804
            2. 14.2.1.1.482.2 WKUP_CTRL_MMR0 Registers
              1. 14.2.1.1.482.2.1   WKUP_CTRL_MMRCFG0_PID Register
              2. 14.2.1.1.482.2.2   WKUP_CTRL_MMRCFG0_MMR_CFG1 Register
              3. 14.2.1.1.482.2.3   WKUP_CTRL_MMRCFG0_BOOT_PROGRESS Register
              4. 14.2.1.1.482.2.4   WKUP_CTRL_MMRCFG0_DEVICE_FEATURE0 Register
              5. 14.2.1.1.482.2.5   WKUP_CTRL_MMRCFG0_DEVICE_FEATURE1 Register
              6. 14.2.1.1.482.2.6   WKUP_CTRL_MMRCFG0_DEVICE_FEATURE2 Register
              7. 14.2.1.1.482.2.7   WKUP_CTRL_MMRCFG0_DEVICE_FEATURE3 Register
              8. 14.2.1.1.482.2.8   WKUP_CTRL_MMRCFG0_DEVICE_FEATURE5 Register
              9. 14.2.1.1.482.2.9   WKUP_CTRL_MMRCFG0_DEVICE_FEATURE6 Register
              10. 14.2.1.1.482.2.10  WKUP_CTRL_MMRCFG0_MAC_ID0 Register
              11. 14.2.1.1.482.2.11  WKUP_CTRL_MMRCFG0_MAC_ID1 Register
              12. 14.2.1.1.482.2.12  WKUP_CTRL_MMRCFG0_USB_DEVICE_ID0 Register
              13. 14.2.1.1.482.2.13  WKUP_CTRL_MMRCFG0_GP_SW0 Register
              14. 14.2.1.1.482.2.14  WKUP_CTRL_MMRCFG0_GP_SW1 Register
              15. 14.2.1.1.482.2.15  WKUP_CTRL_MMRCFG0_GP_SW2 Register
              16. 14.2.1.1.482.2.16  WKUP_CTRL_MMRCFG0_GP_SW3 Register
              17. 14.2.1.1.482.2.17  WKUP_CTRL_MMRCFG0_CBA_ERR_STAT Register
              18. 14.2.1.1.482.2.18  WKUP_CTRL_MMRCFG0_ACCESS_ERR_STAT Register
              19. 14.2.1.1.482.2.19  WKUP_CTRL_MMRCFG0_LOCK0_KICK0 Register
              20. 14.2.1.1.482.2.20  WKUP_CTRL_MMRCFG0_LOCK0_KICK1 Register
              21. 14.2.1.1.482.2.21  WKUP_CTRL_MMRCFG0_INTR_RAW_STATUS Register
              22. 14.2.1.1.482.2.22  WKUP_CTRL_MMRCFG0_INTR_ENABLED_STATUS_CLEAR Register
              23. 14.2.1.1.482.2.23  WKUP_CTRL_MMRCFG0_INTR_ENABLE Register
              24. 14.2.1.1.482.2.24  WKUP_CTRL_MMRCFG0_INTR_ENABLE_CLEAR Register
              25. 14.2.1.1.482.2.25  WKUP_CTRL_MMRCFG0_FAULT_ADDRESS Register
              26. 14.2.1.1.482.2.26  WKUP_CTRL_MMRCFG0_FAULT_TYPE_STATUS Register
              27. 14.2.1.1.482.2.27  WKUP_CTRL_MMRCFG0_FAULT_ATTR_STATUS Register
              28. 14.2.1.1.482.2.28  WKUP_CTRL_MMRCFG0_FAULT_CLEAR Register
              29. 14.2.1.1.482.2.29  WKUP_CTRL_MMRCFG0_CLAIMREG_P0_R0_READONLY Register
              30. 14.2.1.1.482.2.30  WKUP_CTRL_MMRCFG0_CLAIMREG_P0_R4_READONLY Register
              31. 14.2.1.1.482.2.31  WKUP_CTRL_MMRCFG0_CLAIMREG_P0_R5_READONLY Register
              32. 14.2.1.1.482.2.32  WKUP_CTRL_MMRCFG0_PID_PROXY Register
              33. 14.2.1.1.482.2.33  WKUP_CTRL_MMRCFG0_MMR_CFG1_PROXY Register
              34. 14.2.1.1.482.2.34  WKUP_CTRL_MMRCFG0_BOOT_PROGRESS_PROXY Register
              35. 14.2.1.1.482.2.35  WKUP_CTRL_MMRCFG0_DEVICE_FEATURE0_PROXY Register
              36. 14.2.1.1.482.2.36  WKUP_CTRL_MMRCFG0_DEVICE_FEATURE1_PROXY Register
              37. 14.2.1.1.482.2.37  WKUP_CTRL_MMRCFG0_DEVICE_FEATURE2_PROXY Register
              38. 14.2.1.1.482.2.38  WKUP_CTRL_MMRCFG0_DEVICE_FEATURE3_PROXY Register
              39. 14.2.1.1.482.2.39  WKUP_CTRL_MMRCFG0_DEVICE_FEATURE5_PROXY Register
              40. 14.2.1.1.482.2.40  WKUP_CTRL_MMRCFG0_DEVICE_FEATURE6_PROXY Register
              41. 14.2.1.1.482.2.41  WKUP_CTRL_MMRCFG0_MAC_ID0_PROXY Register
              42. 14.2.1.1.482.2.42  WKUP_CTRL_MMRCFG0_MAC_ID1_PROXY Register
              43. 14.2.1.1.482.2.43  WKUP_CTRL_MMRCFG0_USB_DEVICE_ID0_PROXY Register
              44. 14.2.1.1.482.2.44  WKUP_CTRL_MMRCFG0_GP_SW0_PROXY Register
              45. 14.2.1.1.482.2.45  WKUP_CTRL_MMRCFG0_GP_SW1_PROXY Register
              46. 14.2.1.1.482.2.46  WKUP_CTRL_MMRCFG0_GP_SW2_PROXY Register
              47. 14.2.1.1.482.2.47  WKUP_CTRL_MMRCFG0_GP_SW3_PROXY Register
              48. 14.2.1.1.482.2.48  WKUP_CTRL_MMRCFG0_CBA_ERR_STAT_PROXY Register
              49. 14.2.1.1.482.2.49  WKUP_CTRL_MMRCFG0_ACCESS_ERR_STAT_PROXY Register
              50. 14.2.1.1.482.2.50  WKUP_CTRL_MMRCFG0_LOCK0_KICK0_PROXY Register
              51. 14.2.1.1.482.2.51  WKUP_CTRL_MMRCFG0_LOCK0_KICK1_PROXY Register
              52. 14.2.1.1.482.2.52  WKUP_CTRL_MMRCFG0_INTR_RAW_STATUS_PROXY Register
              53. 14.2.1.1.482.2.53  WKUP_CTRL_MMRCFG0_INTR_ENABLED_STATUS_CLEAR_PROXY Register
              54. 14.2.1.1.482.2.54  WKUP_CTRL_MMRCFG0_INTR_ENABLE_PROXY Register
              55. 14.2.1.1.482.2.55  WKUP_CTRL_MMRCFG0_INTR_ENABLE_CLEAR_PROXY Register
              56. 14.2.1.1.482.2.56  WKUP_CTRL_MMRCFG0_FAULT_ADDRESS_PROXY Register
              57. 14.2.1.1.482.2.57  WKUP_CTRL_MMRCFG0_FAULT_TYPE_STATUS_PROXY Register
              58. 14.2.1.1.482.2.58  WKUP_CTRL_MMRCFG0_FAULT_ATTR_STATUS_PROXY Register
              59. 14.2.1.1.482.2.59  WKUP_CTRL_MMRCFG0_FAULT_CLEAR_PROXY Register
              60. 14.2.1.1.482.2.60  WKUP_CTRL_MMRCFG0_CLAIMREG_P0_R0 Register
              61. 14.2.1.1.482.2.61  WKUP_CTRL_MMRCFG0_CLAIMREG_P0_R1 Register
              62. 14.2.1.1.482.2.62  WKUP_CTRL_MMRCFG0_CLAIMREG_P0_R2 Register
              63. 14.2.1.1.482.2.63  WKUP_CTRL_MMRCFG0_CLAIMREG_P0_R3 Register
              64. 14.2.1.1.482.2.64  WKUP_CTRL_MMRCFG0_CLAIMREG_P0_R4 Register
              65. 14.2.1.1.482.2.65  WKUP_CTRL_MMRCFG0_CLAIMREG_P0_R5 Register
              66. 14.2.1.1.482.2.66  WKUP_CTRL_MMRCFG0_CLAIMREG_P0_R6 Register
              67. 14.2.1.1.482.2.67  WKUP_CTRL_MMRCFG0_USB0_PHY_CTRL Register
              68. 14.2.1.1.482.2.68  WKUP_CTRL_MMRCFG0_SDIO0_CTRL Register
              69. 14.2.1.1.482.2.69  WKUP_CTRL_MMRCFG0_WKUP_TIMER1_CTRL Register
              70. 14.2.1.1.482.2.70  WKUP_CTRL_MMRCFG0_WKUP_I2C0_CTRL Register
              71. 14.2.1.1.482.2.71  WKUP_CTRL_MMRCFG0_LOCK1_KICK0 Register
              72. 14.2.1.1.482.2.72  WKUP_CTRL_MMRCFG0_LOCK1_KICK1 Register
              73. 14.2.1.1.482.2.73  WKUP_CTRL_MMRCFG0_CLAIMREG_P1_R0_READONLY Register
              74. 14.2.1.1.482.2.74  WKUP_CTRL_MMRCFG0_CLAIMREG_P1_R3_READONLY Register
              75. 14.2.1.1.482.2.75  WKUP_CTRL_MMRCFG0_CLAIMREG_P1_R4_READONLY Register
              76. 14.2.1.1.482.2.76  WKUP_CTRL_MMRCFG0_CLAIMREG_P1_R5_READONLY Register
              77. 14.2.1.1.482.2.77  WKUP_CTRL_MMRCFG0_CLAIMREG_P1_R12_READONLY Register
              78. 14.2.1.1.482.2.78  WKUP_CTRL_MMRCFG0_USB0_PHY_CTRL_PROXY Register
              79. 14.2.1.1.482.2.79  WKUP_CTRL_MMRCFG0_SDIO0_CTRL_PROXY Register
              80. 14.2.1.1.482.2.80  WKUP_CTRL_MMRCFG0_WKUP_TIMER1_CTRL_PROXY Register
              81. 14.2.1.1.482.2.81  WKUP_CTRL_MMRCFG0_WKUP_I2C0_CTRL_PROXY Register
              82. 14.2.1.1.482.2.82  WKUP_CTRL_MMRCFG0_LOCK1_KICK0_PROXY Register
              83. 14.2.1.1.482.2.83  WKUP_CTRL_MMRCFG0_LOCK1_KICK1_PROXY Register
              84. 14.2.1.1.482.2.84  WKUP_CTRL_MMRCFG0_CLAIMREG_P1_R0 Register
              85. 14.2.1.1.482.2.85  WKUP_CTRL_MMRCFG0_CLAIMREG_P1_R1 Register
              86. 14.2.1.1.482.2.86  WKUP_CTRL_MMRCFG0_CLAIMREG_P1_R2 Register
              87. 14.2.1.1.482.2.87  WKUP_CTRL_MMRCFG0_CLAIMREG_P1_R3 Register
              88. 14.2.1.1.482.2.88  WKUP_CTRL_MMRCFG0_CLAIMREG_P1_R4 Register
              89. 14.2.1.1.482.2.89  WKUP_CTRL_MMRCFG0_CLAIMREG_P1_R5 Register
              90. 14.2.1.1.482.2.90  WKUP_CTRL_MMRCFG0_CLAIMREG_P1_R6 Register
              91. 14.2.1.1.482.2.91  WKUP_CTRL_MMRCFG0_CLAIMREG_P1_R7 Register
              92. 14.2.1.1.482.2.92  WKUP_CTRL_MMRCFG0_CLAIMREG_P1_R8 Register
              93. 14.2.1.1.482.2.93  WKUP_CTRL_MMRCFG0_CLAIMREG_P1_R9 Register
              94. 14.2.1.1.482.2.94  WKUP_CTRL_MMRCFG0_CLAIMREG_P1_R10 Register
              95. 14.2.1.1.482.2.95  WKUP_CTRL_MMRCFG0_CLAIMREG_P1_R11 Register
              96. 14.2.1.1.482.2.96  WKUP_CTRL_MMRCFG0_CLAIMREG_P1_R12 Register
              97. 14.2.1.1.482.2.97  WKUP_CTRL_MMRCFG0_WKUP_CLKSEL Register
              98. 14.2.1.1.482.2.98  WKUP_CTRL_MMRCFG0_CLKOUT_CTRL Register
              99. 14.2.1.1.482.2.99  WKUP_CTRL_MMRCFG0_WKUP_GTC_CLKSEL Register
              100. 14.2.1.1.482.2.100 WKUP_CTRL_MMRCFG0_USB0_CLKSEL Register
              101. 14.2.1.1.482.2.101 WKUP_CTRL_MMRCFG0_WKUP_TIMER0_CLKSEL Register
              102. 14.2.1.1.482.2.102 WKUP_CTRL_MMRCFG0_WKUP_TIMER1_CLKSEL Register
              103. 14.2.1.1.482.2.103 WKUP_CTRL_MMRCFG0_WKUP_WWD0_CTRL Register
              104. 14.2.1.1.482.2.104 WKUP_CTRL_MMRCFG0_WKUP_WWD0_CLKSEL Register
              105. 14.2.1.1.482.2.105 WKUP_CTRL_MMRCFG0_WKUP_RTC_CLKSEL Register
              106. 14.2.1.1.482.2.106 WKUP_CTRL_MMRCFG0_LOCK2_KICK0 Register
              107. 14.2.1.1.482.2.107 WKUP_CTRL_MMRCFG0_LOCK2_KICK1 Register
              108. 14.2.1.1.482.2.108 WKUP_CTRL_MMRCFG0_CLAIMREG_P2_R0_READONLY Register
              109. 14.2.1.1.482.2.109 WKUP_CTRL_MMRCFG0_CLAIMREG_P2_R3_READONLY Register
              110. 14.2.1.1.482.2.110 WKUP_CTRL_MMRCFG0_CLAIMREG_P2_R6_READONLY Register
              111. 14.2.1.1.482.2.111 WKUP_CTRL_MMRCFG0_CLAIMREG_P2_R7_READONLY Register
              112. 14.2.1.1.482.2.112 WKUP_CTRL_MMRCFG0_CLAIMREG_P2_R12_READONLY Register
              113. 14.2.1.1.482.2.113 WKUP_CTRL_MMRCFG0_WKUP_CLKSEL_PROXY Register
              114. 14.2.1.1.482.2.114 WKUP_CTRL_MMRCFG0_CLKOUT_CTRL_PROXY Register
              115. 14.2.1.1.482.2.115 WKUP_CTRL_MMRCFG0_WKUP_GTC_CLKSEL_PROXY Register
              116. 14.2.1.1.482.2.116 WKUP_CTRL_MMRCFG0_USB0_CLKSEL_PROXY Register
              117. 14.2.1.1.482.2.117 WKUP_CTRL_MMRCFG0_WKUP_TIMER0_CLKSEL_PROXY Register
              118. 14.2.1.1.482.2.118 WKUP_CTRL_MMRCFG0_WKUP_TIMER1_CLKSEL_PROXY Register
              119. 14.2.1.1.482.2.119 WKUP_CTRL_MMRCFG0_WKUP_WWD0_CTRL_PROXY Register
              120. 14.2.1.1.482.2.120 WKUP_CTRL_MMRCFG0_WKUP_WWD0_CLKSEL_PROXY Register
              121. 14.2.1.1.482.2.121 WKUP_CTRL_MMRCFG0_WKUP_RTC_CLKSEL_PROXY Register
              122. 14.2.1.1.482.2.122 WKUP_CTRL_MMRCFG0_LOCK2_KICK0_PROXY Register
              123. 14.2.1.1.482.2.123 WKUP_CTRL_MMRCFG0_LOCK2_KICK1_PROXY Register
              124. 14.2.1.1.482.2.124 WKUP_CTRL_MMRCFG0_CLAIMREG_P2_R0 Register
              125. 14.2.1.1.482.2.125 WKUP_CTRL_MMRCFG0_CLAIMREG_P2_R1 Register
              126. 14.2.1.1.482.2.126 WKUP_CTRL_MMRCFG0_CLAIMREG_P2_R2 Register
              127. 14.2.1.1.482.2.127 WKUP_CTRL_MMRCFG0_CLAIMREG_P2_R3 Register
              128. 14.2.1.1.482.2.128 WKUP_CTRL_MMRCFG0_CLAIMREG_P2_R4 Register
              129. 14.2.1.1.482.2.129 WKUP_CTRL_MMRCFG0_CLAIMREG_P2_R5 Register
              130. 14.2.1.1.482.2.130 WKUP_CTRL_MMRCFG0_CLAIMREG_P2_R6 Register
              131. 14.2.1.1.482.2.131 WKUP_CTRL_MMRCFG0_CLAIMREG_P2_R7 Register
              132. 14.2.1.1.482.2.132 WKUP_CTRL_MMRCFG0_CLAIMREG_P2_R8 Register
              133. 14.2.1.1.482.2.133 WKUP_CTRL_MMRCFG0_CLAIMREG_P2_R9 Register
              134. 14.2.1.1.482.2.134 WKUP_CTRL_MMRCFG0_CLAIMREG_P2_R10 Register
              135. 14.2.1.1.482.2.135 WKUP_CTRL_MMRCFG0_CLAIMREG_P2_R11 Register
              136. 14.2.1.1.482.2.136 WKUP_CTRL_MMRCFG0_CLAIMREG_P2_R12 Register
              137. 14.2.1.1.482.2.137 WKUP_CTRL_MMRCFG0_POST_STAT Register
              138. 14.2.1.1.482.2.138 WKUP_CTRL_MMRCFG0_PBIST_EN Register
              139. 14.2.1.1.482.2.139 WKUP_CTRL_MMRCFG0_LOCK3_KICK0 Register
              140. 14.2.1.1.482.2.140 WKUP_CTRL_MMRCFG0_LOCK3_KICK1 Register
              141. 14.2.1.1.482.2.141 WKUP_CTRL_MMRCFG0_CLAIMREG_P3_R0_READONLY Register
              142. 14.2.1.1.482.2.142 WKUP_CTRL_MMRCFG0_CLAIMREG_P3_R1_READONLY Register
              143. 14.2.1.1.482.2.143 WKUP_CTRL_MMRCFG0_CLAIMREG_P3_R2_READONLY Register
              144. 14.2.1.1.482.2.144 WKUP_CTRL_MMRCFG0_CLAIMREG_P3_R3_READONLY Register
              145. 14.2.1.1.482.2.145 WKUP_CTRL_MMRCFG0_CLAIMREG_P3_R4_READONLY Register
              146. 14.2.1.1.482.2.146 WKUP_CTRL_MMRCFG0_CLAIMREG_P3_R5_READONLY Register
              147. 14.2.1.1.482.2.147 WKUP_CTRL_MMRCFG0_CLAIMREG_P3_R6_READONLY Register
              148. 14.2.1.1.482.2.148 WKUP_CTRL_MMRCFG0_CLAIMREG_P3_R7_READONLY Register
              149. 14.2.1.1.482.2.149 WKUP_CTRL_MMRCFG0_CLAIMREG_P3_R8_READONLY Register
              150. 14.2.1.1.482.2.150 WKUP_CTRL_MMRCFG0_POST_STAT_PROXY Register
              151. 14.2.1.1.482.2.151 WKUP_CTRL_MMRCFG0_PBIST_EN_PROXY Register
              152. 14.2.1.1.482.2.152 WKUP_CTRL_MMRCFG0_LOCK3_KICK0_PROXY Register
              153. 14.2.1.1.482.2.153 WKUP_CTRL_MMRCFG0_LOCK3_KICK1_PROXY Register
              154. 14.2.1.1.482.2.154 WKUP_CTRL_MMRCFG0_CLAIMREG_P3_R0 Register
              155. 14.2.1.1.482.2.155 WKUP_CTRL_MMRCFG0_CLAIMREG_P3_R1 Register
              156. 14.2.1.1.482.2.156 WKUP_CTRL_MMRCFG0_CLAIMREG_P3_R2 Register
              157. 14.2.1.1.482.2.157 WKUP_CTRL_MMRCFG0_CLAIMREG_P3_R3 Register
              158. 14.2.1.1.482.2.158 WKUP_CTRL_MMRCFG0_CLAIMREG_P3_R4 Register
              159. 14.2.1.1.482.2.159 WKUP_CTRL_MMRCFG0_CLAIMREG_P3_R5 Register
              160. 14.2.1.1.482.2.160 WKUP_CTRL_MMRCFG0_CLAIMREG_P3_R6 Register
              161. 14.2.1.1.482.2.161 WKUP_CTRL_MMRCFG0_CLAIMREG_P3_R7 Register
              162. 14.2.1.1.482.2.162 WKUP_CTRL_MMRCFG0_CLAIMREG_P3_R8 Register
              163. 14.2.1.1.482.2.163 WKUP_CTRL_MMRCFG0_CLAIMREG_P4_R0_READONLY Register
              164. 14.2.1.1.482.2.164 WKUP_CTRL_MMRCFG0_CLAIMREG_P4_R8_READONLY Register
              165. 14.2.1.1.482.2.165 WKUP_CTRL_MMRCFG0_CLAIMREG_P4_R0 Register
              166. 14.2.1.1.482.2.166 WKUP_CTRL_MMRCFG0_CLAIMREG_P4_R1 Register
              167. 14.2.1.1.482.2.167 WKUP_CTRL_MMRCFG0_CLAIMREG_P4_R2 Register
              168. 14.2.1.1.482.2.168 WKUP_CTRL_MMRCFG0_CLAIMREG_P4_R3 Register
              169. 14.2.1.1.482.2.169 WKUP_CTRL_MMRCFG0_CLAIMREG_P4_R4 Register
              170. 14.2.1.1.482.2.170 WKUP_CTRL_MMRCFG0_CLAIMREG_P4_R5 Register
              171. 14.2.1.1.482.2.171 WKUP_CTRL_MMRCFG0_CLAIMREG_P4_R6 Register
              172. 14.2.1.1.482.2.172 WKUP_CTRL_MMRCFG0_CLAIMREG_P4_R7 Register
              173. 14.2.1.1.482.2.173 WKUP_CTRL_MMRCFG0_CLAIMREG_P4_R8 Register
              174. 14.2.1.1.482.2.174 WKUP_CTRL_MMRCFG0_PMCTRL_SYS Register
              175. 14.2.1.1.482.2.175 WKUP_CTRL_MMRCFG0_PMCTRL_IO_0 Register
              176. 14.2.1.1.482.2.176 WKUP_CTRL_MMRCFG0_PMCTRL_IO_1 Register
              177. 14.2.1.1.482.2.177 WKUP_CTRL_MMRCFG0_PMCTRL_MOSC Register
              178. 14.2.1.1.482.2.178 WKUP_CTRL_MMRCFG0_PM_MISC_STATUS Register
              179. 14.2.1.1.482.2.179 WKUP_CTRL_MMRCFG0_RST_CTRL Register
              180. 14.2.1.1.482.2.180 WKUP_CTRL_MMRCFG0_RST_STAT Register
              181. 14.2.1.1.482.2.181 WKUP_CTRL_MMRCFG0_RST_SRC Register
              182. 14.2.1.1.482.2.182 WKUP_CTRL_MMRCFG0_RST_MAGIC_WORD Register
              183. 14.2.1.1.482.2.183 WKUP_CTRL_MMRCFG0_WKUP0_EN Register
              184. 14.2.1.1.482.2.184 WKUP_CTRL_MMRCFG0_CLKGATE_CTRL0 Register
              185. 14.2.1.1.482.2.185 WKUP_CTRL_MMRCFG0_CLKGATE_CTRL1 Register
              186. 14.2.1.1.482.2.186 WKUP_CTRL_MMRCFG0_CANUART_WAKE_CTRL Register
              187. 14.2.1.1.482.2.187 WKUP_CTRL_MMRCFG0_CANUART_WAKE_STAT0 Register
              188. 14.2.1.1.482.2.188 WKUP_CTRL_MMRCFG0_CANUART_WAKE_STAT1 Register
              189. 14.2.1.1.482.2.189 WKUP_CTRL_MMRCFG0_CANUART_WAKE_OFF_MODE Register
              190. 14.2.1.1.482.2.190 WKUP_CTRL_MMRCFG0_CANUART_WAKE_OFF_MODE_STAT Register
              191. 14.2.1.1.482.2.191 WKUP_CTRL_MMRCFG0_CANUART_WAKE_RESUME_KEY_J Register
              192. 14.2.1.1.482.2.192 WKUP_CTRL_MMRCFG0_CANUART_WAKE_RESUME_KEY_STAT_J Register
              193. 14.2.1.1.482.2.193 WKUP_CTRL_MMRCFG0_WAKE_EVT_MON_CTRL Register
              194. 14.2.1.1.482.2.194 WKUP_CTRL_MMRCFG0_INTRN_POR_DUR Register
              195. 14.2.1.1.482.2.195 WKUP_CTRL_MMRCFG0_IMMED_WAKE_TIMEOUT Register
              196. 14.2.1.1.482.2.196 WKUP_CTRL_MMRCFG0_RET_RAM_STAT Register
              197. 14.2.1.1.482.2.197 WKUP_CTRL_MMRCFG0_WFI_STATUS Register
              198. 14.2.1.1.482.2.198 WKUP_CTRL_MMRCFG0_DS_MAIN Register
              199. 14.2.1.1.482.2.199 WKUP_CTRL_MMRCFG0_DS_DM_RESET Register
              200. 14.2.1.1.482.2.200 WKUP_CTRL_MMRCFG0_DS_USB0_RESET Register
              201. 14.2.1.1.482.2.201 WKUP_CTRL_MMRCFG0_DM_GRP_CLKSTOP_REQ Register
              202. 14.2.1.1.482.2.202 WKUP_CTRL_MMRCFG0_DEVICE_TYPE Register
              203. 14.2.1.1.482.2.203 WKUP_CTRL_MMRCFG0_LOCK6_KICK0 Register
              204. 14.2.1.1.482.2.204 WKUP_CTRL_MMRCFG0_LOCK6_KICK1 Register
              205. 14.2.1.1.482.2.205 WKUP_CTRL_MMRCFG0_CLAIMREG_P6_R0_READONLY Register
              206. 14.2.1.1.482.2.206 WKUP_CTRL_MMRCFG0_CLAIMREG_P6_R1_READONLY Register
              207. 14.2.1.1.482.2.207 WKUP_CTRL_MMRCFG0_CLAIMREG_P6_R2_READONLY Register
              208. 14.2.1.1.482.2.208 WKUP_CTRL_MMRCFG0_CLAIMREG_P6_R3_READONLY Register
              209. 14.2.1.1.482.2.209 WKUP_CTRL_MMRCFG0_CLAIMREG_P6_R4_READONLY Register
              210. 14.2.1.1.482.2.210 WKUP_CTRL_MMRCFG0_CLAIMREG_P6_R5_READONLY Register
              211. 14.2.1.1.482.2.211 WKUP_CTRL_MMRCFG0_CLAIMREG_P6_R6_READONLY Register
              212. 14.2.1.1.482.2.212 WKUP_CTRL_MMRCFG0_CLAIMREG_P6_R7_READONLY Register
              213. 14.2.1.1.482.2.213 WKUP_CTRL_MMRCFG0_CLAIMREG_P6_R8_READONLY Register
              214. 14.2.1.1.482.2.214 WKUP_CTRL_MMRCFG0_CLAIMREG_P6_R9_READONLY Register
              215. 14.2.1.1.482.2.215 WKUP_CTRL_MMRCFG0_CLAIMREG_P6_R10_READONLY Register
              216. 14.2.1.1.482.2.216 WKUP_CTRL_MMRCFG0_PMCTRL_SYS_PROXY Register
              217. 14.2.1.1.482.2.217 WKUP_CTRL_MMRCFG0_PMCTRL_IO_0_PROXY Register
              218. 14.2.1.1.482.2.218 WKUP_CTRL_MMRCFG0_PMCTRL_IO_1_PROXY Register
              219. 14.2.1.1.482.2.219 WKUP_CTRL_MMRCFG0_PMCTRL_MOSC_PROXY Register
              220. 14.2.1.1.482.2.220 WKUP_CTRL_MMRCFG0_PM_MISC_STATUS_PROXY Register
              221. 14.2.1.1.482.2.221 WKUP_CTRL_MMRCFG0_RST_CTRL_PROXY Register
              222. 14.2.1.1.482.2.222 WKUP_CTRL_MMRCFG0_RST_STAT_PROXY Register
              223. 14.2.1.1.482.2.223 WKUP_CTRL_MMRCFG0_RST_SRC_PROXY Register
              224. 14.2.1.1.482.2.224 WKUP_CTRL_MMRCFG0_RST_MAGIC_WORD_PROXY Register
              225. 14.2.1.1.482.2.225 WKUP_CTRL_MMRCFG0_WKUP0_EN_PROXY Register
              226. 14.2.1.1.482.2.226 WKUP_CTRL_MMRCFG0_CLKGATE_CTRL0_PROXY Register
              227. 14.2.1.1.482.2.227 WKUP_CTRL_MMRCFG0_CLKGATE_CTRL1_PROXY Register
              228. 14.2.1.1.482.2.228 WKUP_CTRL_MMRCFG0_CANUART_WAKE_CTRL_PROXY Register
              229. 14.2.1.1.482.2.229 WKUP_CTRL_MMRCFG0_CANUART_WAKE_STAT0_PROXY Register
              230. 14.2.1.1.482.2.230 WKUP_CTRL_MMRCFG0_CANUART_WAKE_STAT1_PROXY Register
              231. 14.2.1.1.482.2.231 WKUP_CTRL_MMRCFG0_CANUART_WAKE_OFF_MODE_PROXY Register
              232. 14.2.1.1.482.2.232 WKUP_CTRL_MMRCFG0_CANUART_WAKE_OFF_MODE_STAT_PROXY Register
              233. 14.2.1.1.482.2.233 WKUP_CTRL_MMRCFG0_CANUART_WAKE_RESUME_KEY_PROXY_J Register
              234. 14.2.1.1.482.2.234 WKUP_CTRL_MMRCFG0_CANUART_WAKE_RESUME_KEY_STAT_PROXY_J Register
              235. 14.2.1.1.482.2.235 WKUP_CTRL_MMRCFG0_WAKE_EVT_MON_CTRL_PROXY Register
              236. 14.2.1.1.482.2.236 WKUP_CTRL_MMRCFG0_INTRN_POR_DUR_PROXY Register
              237. 14.2.1.1.482.2.237 WKUP_CTRL_MMRCFG0_IMMED_WAKE_TIMEOUT_PROXY Register
              238. 14.2.1.1.482.2.238 WKUP_CTRL_MMRCFG0_RET_RAM_STAT_PROXY Register
              239. 14.2.1.1.482.2.239 WKUP_CTRL_MMRCFG0_WFI_STATUS_PROXY Register
              240. 14.2.1.1.482.2.240 WKUP_CTRL_MMRCFG0_DS_MAIN_PROXY Register
              241. 14.2.1.1.482.2.241 WKUP_CTRL_MMRCFG0_DS_DM_RESET_PROXY Register
              242. 14.2.1.1.482.2.242 WKUP_CTRL_MMRCFG0_DS_USB0_RESET_PROXY Register
              243. 14.2.1.1.482.2.243 WKUP_CTRL_MMRCFG0_DM_GRP_CLKSTOP_REQ_PROXY Register
              244. 14.2.1.1.482.2.244 WKUP_CTRL_MMRCFG0_DEVICE_TYPE_PROXY Register
              245. 14.2.1.1.482.2.245 WKUP_CTRL_MMRCFG0_LOCK6_KICK0_PROXY Register
              246. 14.2.1.1.482.2.246 WKUP_CTRL_MMRCFG0_LOCK6_KICK1_PROXY Register
              247. 14.2.1.1.482.2.247 WKUP_CTRL_MMRCFG0_CLAIMREG_P6_R0 Register
              248. 14.2.1.1.482.2.248 WKUP_CTRL_MMRCFG0_CLAIMREG_P6_R1 Register
              249. 14.2.1.1.482.2.249 WKUP_CTRL_MMRCFG0_CLAIMREG_P6_R2 Register
              250. 14.2.1.1.482.2.250 WKUP_CTRL_MMRCFG0_CLAIMREG_P6_R3 Register
              251. 14.2.1.1.482.2.251 WKUP_CTRL_MMRCFG0_CLAIMREG_P6_R4 Register
              252. 14.2.1.1.482.2.252 WKUP_CTRL_MMRCFG0_CLAIMREG_P6_R5 Register
              253. 14.2.1.1.482.2.253 WKUP_CTRL_MMRCFG0_CLAIMREG_P6_R6 Register
              254. 14.2.1.1.482.2.254 WKUP_CTRL_MMRCFG0_CLAIMREG_P6_R7 Register
              255. 14.2.1.1.482.2.255 WKUP_CTRL_MMRCFG0_CLAIMREG_P6_R8 Register
              256. 14.2.1.1.482.2.256 WKUP_CTRL_MMRCFG0_CLAIMREG_P6_R9 Register
              257. 14.2.1.1.482.2.257 WKUP_CTRL_MMRCFG0_CLAIMREG_P6_R10 Register
              258. 14.2.1.1.482.2.258 WKUP_CTRL_MMRCFG0_LOCK7_KICK0 Register
              259. 14.2.1.1.482.2.259 WKUP_CTRL_MMRCFG0_LOCK7_KICK1 Register
              260. 14.2.1.1.482.2.260 WKUP_CTRL_MMRCFG0_CLAIMREG_P7_R0_READONLY Register
              261. 14.2.1.1.482.2.261 WKUP_CTRL_MMRCFG0_CLAIMREG_P7_R1_READONLY Register
              262. 14.2.1.1.482.2.262 WKUP_CTRL_MMRCFG0_CLAIMREG_P7_R2_READONLY Register
              263. 14.2.1.1.482.2.263 WKUP_CTRL_MMRCFG0_LOCK7_KICK0_PROXY Register
              264. 14.2.1.1.482.2.264 WKUP_CTRL_MMRCFG0_LOCK7_KICK1_PROXY Register
              265. 14.2.1.1.482.2.265 WKUP_CTRL_MMRCFG0_CLAIMREG_P7_R0 Register
              266. 14.2.1.1.482.2.266 WKUP_CTRL_MMRCFG0_CLAIMREG_P7_R1 Register
              267. 14.2.1.1.482.2.267 WKUP_CTRL_MMRCFG0_CLAIMREG_P7_R2 Register
        2. 14.2.1.2 Pad Configuration Registers
          1. 14.2.1.2.1 Pad Configuration Register Functional Description
            1. 14.2.1.2.1.1 PADCFG_CTRL
              1. 14.2.1.2.1.1.1 PADCFG_CTRL Summaries
                1.           6077
              2. 14.2.1.2.1.1.2 PADCFG_CTRL Registers
                1. 14.2.1.2.1.1.2.1   MCU_PADCFG_CTRL_MMRCFG0_PID Register
                2. 14.2.1.2.1.1.2.2   MCU_PADCFG_CTRL_MMRCFG0_MMR_CFG0 Register
                3. 14.2.1.2.1.1.2.3   MCU_PADCFG_CTRL_MMRCFG0_MMR_CFG1 Register
                4. 14.2.1.2.1.1.2.4   MCU_PADCFG_CTRL_MMRCFG0_LOCK0_KICK0 Register
                5. 14.2.1.2.1.1.2.5   MCU_PADCFG_CTRL_MMRCFG0_LOCK0_KICK1 Register
                6. 14.2.1.2.1.1.2.6   MCU_PADCFG_CTRL_MMRCFG0_INTR_RAW_STATUS Register
                7. 14.2.1.2.1.1.2.7   MCU_PADCFG_CTRL_MMRCFG0_INTR_ENABLED_STATUS_CLEAR Register
                8. 14.2.1.2.1.1.2.8   MCU_PADCFG_CTRL_MMRCFG0_INTR_ENABLE Register
                9. 14.2.1.2.1.1.2.9   MCU_PADCFG_CTRL_MMRCFG0_INTR_ENABLE_CLEAR Register
                10. 14.2.1.2.1.1.2.10  MCU_PADCFG_CTRL_MMRCFG0_EOI Register
                11. 14.2.1.2.1.1.2.11  MCU_PADCFG_CTRL_MMRCFG0_FAULT_ADDRESS Register
                12. 14.2.1.2.1.1.2.12  MCU_PADCFG_CTRL_MMRCFG0_FAULT_TYPE_STATUS Register
                13. 14.2.1.2.1.1.2.13  MCU_PADCFG_CTRL_MMRCFG0_FAULT_ATTR_STATUS Register
                14. 14.2.1.2.1.1.2.14  MCU_PADCFG_CTRL_MMRCFG0_FAULT_CLEAR Register
                15. 14.2.1.2.1.1.2.15  MCU_PADCFG_CTRL_MMRCFG0_CLAIMREG_P0_R0_READONLY Register
                16. 14.2.1.2.1.1.2.16  MCU_PADCFG_CTRL_MMRCFG0_PID_PROXY Register
                17. 14.2.1.2.1.1.2.17  MCU_PADCFG_CTRL_MMRCFG0_MMR_CFG0_PROXY Register
                18. 14.2.1.2.1.1.2.18  MCU_PADCFG_CTRL_MMRCFG0_MMR_CFG1_PROXY Register
                19. 14.2.1.2.1.1.2.19  MCU_PADCFG_CTRL_MMRCFG0_LOCK0_KICK0_PROXY Register
                20. 14.2.1.2.1.1.2.20  MCU_PADCFG_CTRL_MMRCFG0_LOCK0_KICK1_PROXY Register
                21. 14.2.1.2.1.1.2.21  MCU_PADCFG_CTRL_MMRCFG0_INTR_RAW_STATUS_PROXY Register
                22. 14.2.1.2.1.1.2.22  MCU_PADCFG_CTRL_MMRCFG0_INTR_ENABLED_STATUS_CLEAR_PROXY Register
                23. 14.2.1.2.1.1.2.23  MCU_PADCFG_CTRL_MMRCFG0_INTR_ENABLE_PROXY Register
                24. 14.2.1.2.1.1.2.24  MCU_PADCFG_CTRL_MMRCFG0_INTR_ENABLE_CLEAR_PROXY Register
                25. 14.2.1.2.1.1.2.25  MCU_PADCFG_CTRL_MMRCFG0_EOI_PROXY Register
                26. 14.2.1.2.1.1.2.26  MCU_PADCFG_CTRL_MMRCFG0_FAULT_ADDRESS_PROXY Register
                27. 14.2.1.2.1.1.2.27  MCU_PADCFG_CTRL_MMRCFG0_FAULT_TYPE_STATUS_PROXY Register
                28. 14.2.1.2.1.1.2.28  MCU_PADCFG_CTRL_MMRCFG0_FAULT_ATTR_STATUS_PROXY Register
                29. 14.2.1.2.1.1.2.29  MCU_PADCFG_CTRL_MMRCFG0_FAULT_CLEAR_PROXY Register
                30. 14.2.1.2.1.1.2.30  MCU_PADCFG_CTRL_MMRCFG0_CLAIMREG_P0_R0 Register
                31. 14.2.1.2.1.1.2.31  MCU_PADCFG_CTRL_MMRCFG0_PADCONFIG0 Register
                32. 14.2.1.2.1.1.2.32  MCU_PADCFG_CTRL_MMRCFG0_PADCONFIG1 Register
                33. 14.2.1.2.1.1.2.33  MCU_PADCFG_CTRL_MMRCFG0_PADCONFIG2 Register
                34. 14.2.1.2.1.1.2.34  MCU_PADCFG_CTRL_MMRCFG0_PADCONFIG3 Register
                35. 14.2.1.2.1.1.2.35  MCU_PADCFG_CTRL_MMRCFG0_PADCONFIG4 Register
                36. 14.2.1.2.1.1.2.36  MCU_PADCFG_CTRL_MMRCFG0_PADCONFIG5 Register
                37. 14.2.1.2.1.1.2.37  MCU_PADCFG_CTRL_MMRCFG0_PADCONFIG6 Register
                38. 14.2.1.2.1.1.2.38  MCU_PADCFG_CTRL_MMRCFG0_PADCONFIG7 Register
                39. 14.2.1.2.1.1.2.39  MCU_PADCFG_CTRL_MMRCFG0_PADCONFIG8 Register
                40. 14.2.1.2.1.1.2.40  MCU_PADCFG_CTRL_MMRCFG0_PADCONFIG9 Register
                41. 14.2.1.2.1.1.2.41  MCU_PADCFG_CTRL_MMRCFG0_PADCONFIG10 Register
                42. 14.2.1.2.1.1.2.42  MCU_PADCFG_CTRL_MMRCFG0_PADCONFIG11 Register
                43. 14.2.1.2.1.1.2.43  MCU_PADCFG_CTRL_MMRCFG0_PADCONFIG12 Register
                44. 14.2.1.2.1.1.2.44  MCU_PADCFG_CTRL_MMRCFG0_PADCONFIG13 Register
                45. 14.2.1.2.1.1.2.45  MCU_PADCFG_CTRL_MMRCFG0_PADCONFIG14 Register
                46. 14.2.1.2.1.1.2.46  MCU_PADCFG_CTRL_MMRCFG0_PADCONFIG15 Register
                47. 14.2.1.2.1.1.2.47  MCU_PADCFG_CTRL_MMRCFG0_PADCONFIG16 Register
                48. 14.2.1.2.1.1.2.48  MCU_PADCFG_CTRL_MMRCFG0_PADCONFIG19 Register
                49. 14.2.1.2.1.1.2.49  MCU_PADCFG_CTRL_MMRCFG0_PADCONFIG20 Register
                50. 14.2.1.2.1.1.2.50  MCU_PADCFG_CTRL_MMRCFG0_PADCONFIG21 Register
                51. 14.2.1.2.1.1.2.51  MCU_PADCFG_CTRL_MMRCFG0_PADCONFIG22 Register
                52. 14.2.1.2.1.1.2.52  MCU_PADCFG_CTRL_MMRCFG0_PADCONFIG23 Register
                53. 14.2.1.2.1.1.2.53  MCU_PADCFG_CTRL_MMRCFG0_PADCONFIG24 Register
                54. 14.2.1.2.1.1.2.54  MCU_PADCFG_CTRL_MMRCFG0_PADCONFIG25 Register
                55. 14.2.1.2.1.1.2.55  MCU_PADCFG_CTRL_MMRCFG0_PADCONFIG26 Register
                56. 14.2.1.2.1.1.2.56  MCU_PADCFG_CTRL_MMRCFG0_PADCONFIG27 Register
                57. 14.2.1.2.1.1.2.57  MCU_PADCFG_CTRL_MMRCFG0_PADCONFIG28 Register
                58. 14.2.1.2.1.1.2.58  MCU_PADCFG_CTRL_MMRCFG0_PADCONFIG29 Register
                59. 14.2.1.2.1.1.2.59  MCU_PADCFG_CTRL_MMRCFG0_PADCONFIG30 Register
                60. 14.2.1.2.1.1.2.60  MCU_PADCFG_CTRL_MMRCFG0_PADCONFIG31 Register
                61. 14.2.1.2.1.1.2.61  MCU_PADCFG_CTRL_MMRCFG0_PADCONFIG32 Register
                62. 14.2.1.2.1.1.2.62  MCU_PADCFG_CTRL_MMRCFG0_PADCONFIG33 Register
                63. 14.2.1.2.1.1.2.63  MCU_PADCFG_CTRL_MMRCFG0_LOCK1_KICK0 Register
                64. 14.2.1.2.1.1.2.64  MCU_PADCFG_CTRL_MMRCFG0_LOCK1_KICK1 Register
                65. 14.2.1.2.1.1.2.65  MCU_PADCFG_CTRL_MMRCFG0_CLAIMREG_P1_R0_READONLY Register
                66. 14.2.1.2.1.1.2.66  MCU_PADCFG_CTRL_MMRCFG0_CLAIMREG_P1_R1_READONLY Register
                67. 14.2.1.2.1.1.2.67  MCU_PADCFG_CTRL_MMRCFG0_PADCONFIG0_PROXY Register
                68. 14.2.1.2.1.1.2.68  MCU_PADCFG_CTRL_MMRCFG0_PADCONFIG1_PROXY Register
                69. 14.2.1.2.1.1.2.69  MCU_PADCFG_CTRL_MMRCFG0_PADCONFIG2_PROXY Register
                70. 14.2.1.2.1.1.2.70  MCU_PADCFG_CTRL_MMRCFG0_PADCONFIG3_PROXY Register
                71. 14.2.1.2.1.1.2.71  MCU_PADCFG_CTRL_MMRCFG0_PADCONFIG4_PROXY Register
                72. 14.2.1.2.1.1.2.72  MCU_PADCFG_CTRL_MMRCFG0_PADCONFIG5_PROXY Register
                73. 14.2.1.2.1.1.2.73  MCU_PADCFG_CTRL_MMRCFG0_PADCONFIG6_PROXY Register
                74. 14.2.1.2.1.1.2.74  MCU_PADCFG_CTRL_MMRCFG0_PADCONFIG7_PROXY Register
                75. 14.2.1.2.1.1.2.75  MCU_PADCFG_CTRL_MMRCFG0_PADCONFIG8_PROXY Register
                76. 14.2.1.2.1.1.2.76  MCU_PADCFG_CTRL_MMRCFG0_PADCONFIG9_PROXY Register
                77. 14.2.1.2.1.1.2.77  MCU_PADCFG_CTRL_MMRCFG0_PADCONFIG10_PROXY Register
                78. 14.2.1.2.1.1.2.78  MCU_PADCFG_CTRL_MMRCFG0_PADCONFIG11_PROXY Register
                79. 14.2.1.2.1.1.2.79  MCU_PADCFG_CTRL_MMRCFG0_PADCONFIG12_PROXY Register
                80. 14.2.1.2.1.1.2.80  MCU_PADCFG_CTRL_MMRCFG0_PADCONFIG13_PROXY Register
                81. 14.2.1.2.1.1.2.81  MCU_PADCFG_CTRL_MMRCFG0_PADCONFIG14_PROXY Register
                82. 14.2.1.2.1.1.2.82  MCU_PADCFG_CTRL_MMRCFG0_PADCONFIG15_PROXY Register
                83. 14.2.1.2.1.1.2.83  MCU_PADCFG_CTRL_MMRCFG0_PADCONFIG16_PROXY Register
                84. 14.2.1.2.1.1.2.84  MCU_PADCFG_CTRL_MMRCFG0_PADCONFIG19_PROXY Register
                85. 14.2.1.2.1.1.2.85  MCU_PADCFG_CTRL_MMRCFG0_PADCONFIG20_PROXY Register
                86. 14.2.1.2.1.1.2.86  MCU_PADCFG_CTRL_MMRCFG0_PADCONFIG21_PROXY Register
                87. 14.2.1.2.1.1.2.87  MCU_PADCFG_CTRL_MMRCFG0_PADCONFIG22_PROXY Register
                88. 14.2.1.2.1.1.2.88  MCU_PADCFG_CTRL_MMRCFG0_PADCONFIG23_PROXY Register
                89. 14.2.1.2.1.1.2.89  MCU_PADCFG_CTRL_MMRCFG0_PADCONFIG24_PROXY Register
                90. 14.2.1.2.1.1.2.90  MCU_PADCFG_CTRL_MMRCFG0_PADCONFIG25_PROXY Register
                91. 14.2.1.2.1.1.2.91  MCU_PADCFG_CTRL_MMRCFG0_PADCONFIG26_PROXY Register
                92. 14.2.1.2.1.1.2.92  MCU_PADCFG_CTRL_MMRCFG0_PADCONFIG27_PROXY Register
                93. 14.2.1.2.1.1.2.93  MCU_PADCFG_CTRL_MMRCFG0_PADCONFIG28_PROXY Register
                94. 14.2.1.2.1.1.2.94  MCU_PADCFG_CTRL_MMRCFG0_PADCONFIG29_PROXY Register
                95. 14.2.1.2.1.1.2.95  MCU_PADCFG_CTRL_MMRCFG0_PADCONFIG30_PROXY Register
                96. 14.2.1.2.1.1.2.96  MCU_PADCFG_CTRL_MMRCFG0_PADCONFIG31_PROXY Register
                97. 14.2.1.2.1.1.2.97  MCU_PADCFG_CTRL_MMRCFG0_PADCONFIG32_PROXY Register
                98. 14.2.1.2.1.1.2.98  MCU_PADCFG_CTRL_MMRCFG0_PADCONFIG33_PROXY Register
                99. 14.2.1.2.1.1.2.99  MCU_PADCFG_CTRL_MMRCFG0_LOCK1_KICK0_PROXY Register
                100. 14.2.1.2.1.1.2.100 MCU_PADCFG_CTRL_MMRCFG0_LOCK1_KICK1_PROXY Register
                101. 14.2.1.2.1.1.2.101 MCU_PADCFG_CTRL_MMRCFG0_CLAIMREG_P1_R0 Register
                102. 14.2.1.2.1.1.2.102 MCU_PADCFG_CTRL_MMRCFG0_CLAIMREG_P1_R1 Register
            2. 14.2.1.2.1.2 PADCFG_CTRL
              1. 14.2.1.2.1.2.1 PADCFG_CTRL Summaries
                1.           6183
              2. 14.2.1.2.1.2.2 PADCFG_CTRL Registers
                1. 14.2.1.2.1.2.2.1   MAIN_PADCFG_CTRL_MMRCFG0_PID Register
                2. 14.2.1.2.1.2.2.2   MAIN_PADCFG_CTRL_MMRCFG0_MMR_CFG0 Register
                3. 14.2.1.2.1.2.2.3   MAIN_PADCFG_CTRL_MMRCFG0_MMR_CFG1 Register
                4. 14.2.1.2.1.2.2.4   MAIN_PADCFG_CTRL_MMRCFG0_LOCK0_KICK0 Register
                5. 14.2.1.2.1.2.2.5   MAIN_PADCFG_CTRL_MMRCFG0_LOCK0_KICK1 Register
                6. 14.2.1.2.1.2.2.6   MAIN_PADCFG_CTRL_MMRCFG0_INTR_RAW_STATUS Register
                7. 14.2.1.2.1.2.2.7   MAIN_PADCFG_CTRL_MMRCFG0_INTR_ENABLED_STATUS_CLEAR Register
                8. 14.2.1.2.1.2.2.8   MAIN_PADCFG_CTRL_MMRCFG0_INTR_ENABLE Register
                9. 14.2.1.2.1.2.2.9   MAIN_PADCFG_CTRL_MMRCFG0_INTR_ENABLE_CLEAR Register
                10. 14.2.1.2.1.2.2.10  MAIN_PADCFG_CTRL_MMRCFG0_EOI Register
                11. 14.2.1.2.1.2.2.11  MAIN_PADCFG_CTRL_MMRCFG0_FAULT_ADDRESS Register
                12. 14.2.1.2.1.2.2.12  MAIN_PADCFG_CTRL_MMRCFG0_FAULT_TYPE_STATUS Register
                13. 14.2.1.2.1.2.2.13  MAIN_PADCFG_CTRL_MMRCFG0_FAULT_ATTR_STATUS Register
                14. 14.2.1.2.1.2.2.14  MAIN_PADCFG_CTRL_MMRCFG0_FAULT_CLEAR Register
                15. 14.2.1.2.1.2.2.15  MAIN_PADCFG_CTRL_MMRCFG0_CLAIMREG_P0_R0_READONLY Register
                16. 14.2.1.2.1.2.2.16  MAIN_PADCFG_CTRL_MMRCFG0_PID_PROXY Register
                17. 14.2.1.2.1.2.2.17  MAIN_PADCFG_CTRL_MMRCFG0_MMR_CFG0_PROXY Register
                18. 14.2.1.2.1.2.2.18  MAIN_PADCFG_CTRL_MMRCFG0_MMR_CFG1_PROXY Register
                19. 14.2.1.2.1.2.2.19  MAIN_PADCFG_CTRL_MMRCFG0_LOCK0_KICK0_PROXY Register
                20. 14.2.1.2.1.2.2.20  MAIN_PADCFG_CTRL_MMRCFG0_LOCK0_KICK1_PROXY Register
                21. 14.2.1.2.1.2.2.21  MAIN_PADCFG_CTRL_MMRCFG0_INTR_RAW_STATUS_PROXY Register
                22. 14.2.1.2.1.2.2.22  MAIN_PADCFG_CTRL_MMRCFG0_INTR_ENABLED_STATUS_CLEAR_PROXY Register
                23. 14.2.1.2.1.2.2.23  MAIN_PADCFG_CTRL_MMRCFG0_INTR_ENABLE_PROXY Register
                24. 14.2.1.2.1.2.2.24  MAIN_PADCFG_CTRL_MMRCFG0_INTR_ENABLE_CLEAR_PROXY Register
                25. 14.2.1.2.1.2.2.25  MAIN_PADCFG_CTRL_MMRCFG0_EOI_PROXY Register
                26. 14.2.1.2.1.2.2.26  MAIN_PADCFG_CTRL_MMRCFG0_FAULT_ADDRESS_PROXY Register
                27. 14.2.1.2.1.2.2.27  MAIN_PADCFG_CTRL_MMRCFG0_FAULT_TYPE_STATUS_PROXY Register
                28. 14.2.1.2.1.2.2.28  MAIN_PADCFG_CTRL_MMRCFG0_FAULT_ATTR_STATUS_PROXY Register
                29. 14.2.1.2.1.2.2.29  MAIN_PADCFG_CTRL_MMRCFG0_FAULT_CLEAR_PROXY Register
                30. 14.2.1.2.1.2.2.30  MAIN_PADCFG_CTRL_MMRCFG0_CLAIMREG_P0_R0 Register
                31. 14.2.1.2.1.2.2.31  MAIN_PADCFG_CTRL_MMRCFG0_PADCONFIG0 Register
                32. 14.2.1.2.1.2.2.32  MAIN_PADCFG_CTRL_MMRCFG0_PADCONFIG1 Register
                33. 14.2.1.2.1.2.2.33  MAIN_PADCFG_CTRL_MMRCFG0_PADCONFIG2 Register
                34. 14.2.1.2.1.2.2.34  MAIN_PADCFG_CTRL_MMRCFG0_PADCONFIG3 Register
                35. 14.2.1.2.1.2.2.35  MAIN_PADCFG_CTRL_MMRCFG0_PADCONFIG4 Register
                36. 14.2.1.2.1.2.2.36  MAIN_PADCFG_CTRL_MMRCFG0_PADCONFIG5 Register
                37. 14.2.1.2.1.2.2.37  MAIN_PADCFG_CTRL_MMRCFG0_PADCONFIG6 Register
                38. 14.2.1.2.1.2.2.38  MAIN_PADCFG_CTRL_MMRCFG0_PADCONFIG7 Register
                39. 14.2.1.2.1.2.2.39  MAIN_PADCFG_CTRL_MMRCFG0_PADCONFIG8 Register
                40. 14.2.1.2.1.2.2.40  MAIN_PADCFG_CTRL_MMRCFG0_PADCONFIG9 Register
                41. 14.2.1.2.1.2.2.41  MAIN_PADCFG_CTRL_MMRCFG0_PADCONFIG10 Register
                42. 14.2.1.2.1.2.2.42  MAIN_PADCFG_CTRL_MMRCFG0_PADCONFIG11 Register
                43. 14.2.1.2.1.2.2.43  MAIN_PADCFG_CTRL_MMRCFG0_PADCONFIG12 Register
                44. 14.2.1.2.1.2.2.44  MAIN_PADCFG_CTRL_MMRCFG0_PADCONFIG13 Register
                45. 14.2.1.2.1.2.2.45  MAIN_PADCFG_CTRL_MMRCFG0_PADCONFIG14 Register
                46. 14.2.1.2.1.2.2.46  MAIN_PADCFG_CTRL_MMRCFG0_PADCONFIG15 Register
                47. 14.2.1.2.1.2.2.47  MAIN_PADCFG_CTRL_MMRCFG0_PADCONFIG16 Register
                48. 14.2.1.2.1.2.2.48  MAIN_PADCFG_CTRL_MMRCFG0_PADCONFIG17 Register
                49. 14.2.1.2.1.2.2.49  MAIN_PADCFG_CTRL_MMRCFG0_PADCONFIG18 Register
                50. 14.2.1.2.1.2.2.50  MAIN_PADCFG_CTRL_MMRCFG0_PADCONFIG19 Register
                51. 14.2.1.2.1.2.2.51  MAIN_PADCFG_CTRL_MMRCFG0_PADCONFIG20 Register
                52. 14.2.1.2.1.2.2.52  MAIN_PADCFG_CTRL_MMRCFG0_PADCONFIG21 Register
                53. 14.2.1.2.1.2.2.53  MAIN_PADCFG_CTRL_MMRCFG0_PADCONFIG22 Register
                54. 14.2.1.2.1.2.2.54  MAIN_PADCFG_CTRL_MMRCFG0_PADCONFIG23 Register
                55. 14.2.1.2.1.2.2.55  MAIN_PADCFG_CTRL_MMRCFG0_PADCONFIG24 Register
                56. 14.2.1.2.1.2.2.56  MAIN_PADCFG_CTRL_MMRCFG0_PADCONFIG25 Register
                57. 14.2.1.2.1.2.2.57  MAIN_PADCFG_CTRL_MMRCFG0_PADCONFIG26 Register
                58. 14.2.1.2.1.2.2.58  MAIN_PADCFG_CTRL_MMRCFG0_PADCONFIG27 Register
                59. 14.2.1.2.1.2.2.59  MAIN_PADCFG_CTRL_MMRCFG0_PADCONFIG28 Register
                60. 14.2.1.2.1.2.2.60  MAIN_PADCFG_CTRL_MMRCFG0_PADCONFIG29 Register
                61. 14.2.1.2.1.2.2.61  MAIN_PADCFG_CTRL_MMRCFG0_PADCONFIG30 Register
                62. 14.2.1.2.1.2.2.62  MAIN_PADCFG_CTRL_MMRCFG0_PADCONFIG31 Register
                63. 14.2.1.2.1.2.2.63  MAIN_PADCFG_CTRL_MMRCFG0_PADCONFIG33 Register
                64. 14.2.1.2.1.2.2.64  MAIN_PADCFG_CTRL_MMRCFG0_PADCONFIG34 Register
                65. 14.2.1.2.1.2.2.65  MAIN_PADCFG_CTRL_MMRCFG0_PADCONFIG35 Register
                66. 14.2.1.2.1.2.2.66  MAIN_PADCFG_CTRL_MMRCFG0_PADCONFIG36 Register
                67. 14.2.1.2.1.2.2.67  MAIN_PADCFG_CTRL_MMRCFG0_PADCONFIG37 Register
                68. 14.2.1.2.1.2.2.68  MAIN_PADCFG_CTRL_MMRCFG0_PADCONFIG38 Register
                69. 14.2.1.2.1.2.2.69  MAIN_PADCFG_CTRL_MMRCFG0_PADCONFIG39 Register
                70. 14.2.1.2.1.2.2.70  MAIN_PADCFG_CTRL_MMRCFG0_PADCONFIG40 Register
                71. 14.2.1.2.1.2.2.71  MAIN_PADCFG_CTRL_MMRCFG0_PADCONFIG41 Register
                72. 14.2.1.2.1.2.2.72  MAIN_PADCFG_CTRL_MMRCFG0_PADCONFIG42 Register
                73. 14.2.1.2.1.2.2.73  MAIN_PADCFG_CTRL_MMRCFG0_PADCONFIG43 Register
                74. 14.2.1.2.1.2.2.74  MAIN_PADCFG_CTRL_MMRCFG0_PADCONFIG44 Register
                75. 14.2.1.2.1.2.2.75  MAIN_PADCFG_CTRL_MMRCFG0_PADCONFIG45 Register
                76. 14.2.1.2.1.2.2.76  MAIN_PADCFG_CTRL_MMRCFG0_PADCONFIG46 Register
                77. 14.2.1.2.1.2.2.77  MAIN_PADCFG_CTRL_MMRCFG0_PADCONFIG47 Register
                78. 14.2.1.2.1.2.2.78  MAIN_PADCFG_CTRL_MMRCFG0_PADCONFIG48 Register
                79. 14.2.1.2.1.2.2.79  MAIN_PADCFG_CTRL_MMRCFG0_PADCONFIG49 Register
                80. 14.2.1.2.1.2.2.80  MAIN_PADCFG_CTRL_MMRCFG0_PADCONFIG50 Register
                81. 14.2.1.2.1.2.2.81  MAIN_PADCFG_CTRL_MMRCFG0_PADCONFIG51 Register
                82. 14.2.1.2.1.2.2.82  MAIN_PADCFG_CTRL_MMRCFG0_PADCONFIG52 Register
                83. 14.2.1.2.1.2.2.83  MAIN_PADCFG_CTRL_MMRCFG0_PADCONFIG53 Register
                84. 14.2.1.2.1.2.2.84  MAIN_PADCFG_CTRL_MMRCFG0_PADCONFIG56 Register
                85. 14.2.1.2.1.2.2.85  MAIN_PADCFG_CTRL_MMRCFG0_PADCONFIG57 Register
                86. 14.2.1.2.1.2.2.86  MAIN_PADCFG_CTRL_MMRCFG0_PADCONFIG58 Register
                87. 14.2.1.2.1.2.2.87  MAIN_PADCFG_CTRL_MMRCFG0_PADCONFIG59 Register
                88. 14.2.1.2.1.2.2.88  MAIN_PADCFG_CTRL_MMRCFG0_PADCONFIG60 Register
                89. 14.2.1.2.1.2.2.89  MAIN_PADCFG_CTRL_MMRCFG0_PADCONFIG63 Register
                90. 14.2.1.2.1.2.2.90  MAIN_PADCFG_CTRL_MMRCFG0_PADCONFIG64 Register
                91. 14.2.1.2.1.2.2.91  MAIN_PADCFG_CTRL_MMRCFG0_PADCONFIG65 Register
                92. 14.2.1.2.1.2.2.92  MAIN_PADCFG_CTRL_MMRCFG0_PADCONFIG66 Register
                93. 14.2.1.2.1.2.2.93  MAIN_PADCFG_CTRL_MMRCFG0_PADCONFIG67 Register
                94. 14.2.1.2.1.2.2.94  MAIN_PADCFG_CTRL_MMRCFG0_PADCONFIG68 Register
                95. 14.2.1.2.1.2.2.95  MAIN_PADCFG_CTRL_MMRCFG0_PADCONFIG69 Register
                96. 14.2.1.2.1.2.2.96  MAIN_PADCFG_CTRL_MMRCFG0_PADCONFIG70 Register
                97. 14.2.1.2.1.2.2.97  MAIN_PADCFG_CTRL_MMRCFG0_PADCONFIG71 Register
                98. 14.2.1.2.1.2.2.98  MAIN_PADCFG_CTRL_MMRCFG0_PADCONFIG72 Register
                99. 14.2.1.2.1.2.2.99  MAIN_PADCFG_CTRL_MMRCFG0_PADCONFIG73 Register
                100. 14.2.1.2.1.2.2.100 MAIN_PADCFG_CTRL_MMRCFG0_PADCONFIG74 Register
                101. 14.2.1.2.1.2.2.101 MAIN_PADCFG_CTRL_MMRCFG0_PADCONFIG75 Register
                102. 14.2.1.2.1.2.2.102 MAIN_PADCFG_CTRL_MMRCFG0_PADCONFIG76 Register
                103. 14.2.1.2.1.2.2.103 MAIN_PADCFG_CTRL_MMRCFG0_PADCONFIG77 Register
                104. 14.2.1.2.1.2.2.104 MAIN_PADCFG_CTRL_MMRCFG0_PADCONFIG78 Register
                105. 14.2.1.2.1.2.2.105 MAIN_PADCFG_CTRL_MMRCFG0_PADCONFIG79 Register
                106. 14.2.1.2.1.2.2.106 MAIN_PADCFG_CTRL_MMRCFG0_PADCONFIG80 Register
                107. 14.2.1.2.1.2.2.107 MAIN_PADCFG_CTRL_MMRCFG0_PADCONFIG81 Register
                108. 14.2.1.2.1.2.2.108 MAIN_PADCFG_CTRL_MMRCFG0_PADCONFIG82 Register
                109. 14.2.1.2.1.2.2.109 MAIN_PADCFG_CTRL_MMRCFG0_PADCONFIG83 Register
                110. 14.2.1.2.1.2.2.110 MAIN_PADCFG_CTRL_MMRCFG0_PADCONFIG84 Register
                111. 14.2.1.2.1.2.2.111 MAIN_PADCFG_CTRL_MMRCFG0_PADCONFIG85 Register
                112. 14.2.1.2.1.2.2.112 MAIN_PADCFG_CTRL_MMRCFG0_PADCONFIG86 Register
                113. 14.2.1.2.1.2.2.113 MAIN_PADCFG_CTRL_MMRCFG0_PADCONFIG87 Register
                114. 14.2.1.2.1.2.2.114 MAIN_PADCFG_CTRL_MMRCFG0_PADCONFIG88 Register
                115. 14.2.1.2.1.2.2.115 MAIN_PADCFG_CTRL_MMRCFG0_PADCONFIG89 Register
                116. 14.2.1.2.1.2.2.116 MAIN_PADCFG_CTRL_MMRCFG0_PADCONFIG90 Register
                117. 14.2.1.2.1.2.2.117 MAIN_PADCFG_CTRL_MMRCFG0_PADCONFIG91 Register
                118. 14.2.1.2.1.2.2.118 MAIN_PADCFG_CTRL_MMRCFG0_PADCONFIG92 Register
                119. 14.2.1.2.1.2.2.119 MAIN_PADCFG_CTRL_MMRCFG0_PADCONFIG93 Register
                120. 14.2.1.2.1.2.2.120 MAIN_PADCFG_CTRL_MMRCFG0_PADCONFIG94 Register
                121. 14.2.1.2.1.2.2.121 MAIN_PADCFG_CTRL_MMRCFG0_PADCONFIG95 Register
                122. 14.2.1.2.1.2.2.122 MAIN_PADCFG_CTRL_MMRCFG0_PADCONFIG96 Register
                123. 14.2.1.2.1.2.2.123 MAIN_PADCFG_CTRL_MMRCFG0_PADCONFIG97 Register
                124. 14.2.1.2.1.2.2.124 MAIN_PADCFG_CTRL_MMRCFG0_PADCONFIG98 Register
                125. 14.2.1.2.1.2.2.125 MAIN_PADCFG_CTRL_MMRCFG0_PADCONFIG99 Register
                126. 14.2.1.2.1.2.2.126 MAIN_PADCFG_CTRL_MMRCFG0_PADCONFIG100 Register
                127. 14.2.1.2.1.2.2.127 MAIN_PADCFG_CTRL_MMRCFG0_PADCONFIG101 Register
                128. 14.2.1.2.1.2.2.128 MAIN_PADCFG_CTRL_MMRCFG0_PADCONFIG102 Register
                129. 14.2.1.2.1.2.2.129 MAIN_PADCFG_CTRL_MMRCFG0_PADCONFIG103 Register
                130. 14.2.1.2.1.2.2.130 MAIN_PADCFG_CTRL_MMRCFG0_PADCONFIG104 Register
                131. 14.2.1.2.1.2.2.131 MAIN_PADCFG_CTRL_MMRCFG0_PADCONFIG105 Register
                132. 14.2.1.2.1.2.2.132 MAIN_PADCFG_CTRL_MMRCFG0_PADCONFIG106 Register
                133. 14.2.1.2.1.2.2.133 MAIN_PADCFG_CTRL_MMRCFG0_PADCONFIG107 Register
                134. 14.2.1.2.1.2.2.134 MAIN_PADCFG_CTRL_MMRCFG0_PADCONFIG108 Register
                135. 14.2.1.2.1.2.2.135 MAIN_PADCFG_CTRL_MMRCFG0_PADCONFIG109 Register
                136. 14.2.1.2.1.2.2.136 MAIN_PADCFG_CTRL_MMRCFG0_PADCONFIG110 Register
                137. 14.2.1.2.1.2.2.137 MAIN_PADCFG_CTRL_MMRCFG0_PADCONFIG111 Register
                138. 14.2.1.2.1.2.2.138 MAIN_PADCFG_CTRL_MMRCFG0_PADCONFIG112 Register
                139. 14.2.1.2.1.2.2.139 MAIN_PADCFG_CTRL_MMRCFG0_PADCONFIG113 Register
                140. 14.2.1.2.1.2.2.140 MAIN_PADCFG_CTRL_MMRCFG0_PADCONFIG114 Register
                141. 14.2.1.2.1.2.2.141 MAIN_PADCFG_CTRL_MMRCFG0_PADCONFIG115 Register
                142. 14.2.1.2.1.2.2.142 MAIN_PADCFG_CTRL_MMRCFG0_PADCONFIG116 Register
                143. 14.2.1.2.1.2.2.143 MAIN_PADCFG_CTRL_MMRCFG0_PADCONFIG117 Register
                144. 14.2.1.2.1.2.2.144 MAIN_PADCFG_CTRL_MMRCFG0_PADCONFIG118 Register
                145. 14.2.1.2.1.2.2.145 MAIN_PADCFG_CTRL_MMRCFG0_PADCONFIG119 Register
                146. 14.2.1.2.1.2.2.146 MAIN_PADCFG_CTRL_MMRCFG0_PADCONFIG120 Register
                147. 14.2.1.2.1.2.2.147 MAIN_PADCFG_CTRL_MMRCFG0_PADCONFIG121 Register
                148. 14.2.1.2.1.2.2.148 MAIN_PADCFG_CTRL_MMRCFG0_PADCONFIG122 Register
                149. 14.2.1.2.1.2.2.149 MAIN_PADCFG_CTRL_MMRCFG0_PADCONFIG123 Register
                150. 14.2.1.2.1.2.2.150 MAIN_PADCFG_CTRL_MMRCFG0_PADCONFIG124 Register
                151. 14.2.1.2.1.2.2.151 MAIN_PADCFG_CTRL_MMRCFG0_PADCONFIG125 Register
                152. 14.2.1.2.1.2.2.152 MAIN_PADCFG_CTRL_MMRCFG0_PADCONFIG126 Register
                153. 14.2.1.2.1.2.2.153 MAIN_PADCFG_CTRL_MMRCFG0_PADCONFIG127 Register
                154. 14.2.1.2.1.2.2.154 MAIN_PADCFG_CTRL_MMRCFG0_PADCONFIG128 Register
                155. 14.2.1.2.1.2.2.155 MAIN_PADCFG_CTRL_MMRCFG0_PADCONFIG129 Register
                156. 14.2.1.2.1.2.2.156 MAIN_PADCFG_CTRL_MMRCFG0_PADCONFIG130 Register
                157. 14.2.1.2.1.2.2.157 MAIN_PADCFG_CTRL_MMRCFG0_PADCONFIG131 Register
                158. 14.2.1.2.1.2.2.158 MAIN_PADCFG_CTRL_MMRCFG0_PADCONFIG132 Register
                159. 14.2.1.2.1.2.2.159 MAIN_PADCFG_CTRL_MMRCFG0_PADCONFIG133 Register
                160. 14.2.1.2.1.2.2.160 MAIN_PADCFG_CTRL_MMRCFG0_PADCONFIG134 Register
                161. 14.2.1.2.1.2.2.161 MAIN_PADCFG_CTRL_MMRCFG0_PADCONFIG135 Register
                162. 14.2.1.2.1.2.2.162 MAIN_PADCFG_CTRL_MMRCFG0_PADCONFIG136 Register
                163. 14.2.1.2.1.2.2.163 MAIN_PADCFG_CTRL_MMRCFG0_PADCONFIG137 Register
                164. 14.2.1.2.1.2.2.164 MAIN_PADCFG_CTRL_MMRCFG0_PADCONFIG138 Register
                165. 14.2.1.2.1.2.2.165 MAIN_PADCFG_CTRL_MMRCFG0_PADCONFIG139 Register
                166. 14.2.1.2.1.2.2.166 MAIN_PADCFG_CTRL_MMRCFG0_PADCONFIG140 Register
                167. 14.2.1.2.1.2.2.167 MAIN_PADCFG_CTRL_MMRCFG0_PADCONFIG141 Register
                168. 14.2.1.2.1.2.2.168 MAIN_PADCFG_CTRL_MMRCFG0_PADCONFIG143 Register
                169. 14.2.1.2.1.2.2.169 MAIN_PADCFG_CTRL_MMRCFG0_PADCONFIG144 Register
                170. 14.2.1.2.1.2.2.170 MAIN_PADCFG_CTRL_MMRCFG0_PADCONFIG145 Register
                171. 14.2.1.2.1.2.2.171 MAIN_PADCFG_CTRL_MMRCFG0_PADCONFIG147 Register
                172. 14.2.1.2.1.2.2.172 MAIN_PADCFG_CTRL_MMRCFG0_PADCONFIG149 Register
                173. 14.2.1.2.1.2.2.173 MAIN_PADCFG_CTRL_MMRCFG0_PADCONFIG171 Register
                174. 14.2.1.2.1.2.2.174 MAIN_PADCFG_CTRL_MMRCFG0_PADCONFIG172 Register
                175. 14.2.1.2.1.2.2.175 MAIN_PADCFG_CTRL_MMRCFG0_PADCONFIG173 Register
                176. 14.2.1.2.1.2.2.176 MAIN_PADCFG_CTRL_MMRCFG0_PADCONFIG174 Register
                177. 14.2.1.2.1.2.2.177 MAIN_PADCFG_CTRL_MMRCFG0_PADCONFIG175 Register
                178. 14.2.1.2.1.2.2.178 MAIN_PADCFG_CTRL_MMRCFG0_PADCONFIG176 Register
                179. 14.2.1.2.1.2.2.179 MAIN_PADCFG_CTRL_MMRCFG0_PADCONFIG177 Register
                180. 14.2.1.2.1.2.2.180 MAIN_PADCFG_CTRL_MMRCFG0_PADCONFIG178 Register
                181. 14.2.1.2.1.2.2.181 MAIN_PADCFG_CTRL_MMRCFG0_PADCONFIG179 Register
                182. 14.2.1.2.1.2.2.182 MAIN_PADCFG_CTRL_MMRCFG0_PADCONFIG180 Register
                183. 14.2.1.2.1.2.2.183 MAIN_PADCFG_CTRL_MMRCFG0_PADCONFIG181 Register
                184. 14.2.1.2.1.2.2.184 MAIN_PADCFG_CTRL_MMRCFG0_PADCONFIG182 Register
                185. 14.2.1.2.1.2.2.185 MAIN_PADCFG_CTRL_MMRCFG0_PADCONFIG183 Register
                186. 14.2.1.2.1.2.2.186 MAIN_PADCFG_CTRL_MMRCFG0_LOCK1_KICK0 Register
                187. 14.2.1.2.1.2.2.187 MAIN_PADCFG_CTRL_MMRCFG0_LOCK1_KICK1 Register
                188. 14.2.1.2.1.2.2.188 MAIN_PADCFG_CTRL_MMRCFG0_CLAIMREG_P1_R0_READONLY Register
                189. 14.2.1.2.1.2.2.189 MAIN_PADCFG_CTRL_MMRCFG0_CLAIMREG_P1_R1_READONLY Register
                190. 14.2.1.2.1.2.2.190 MAIN_PADCFG_CTRL_MMRCFG0_CLAIMREG_P1_R2_READONLY Register
                191. 14.2.1.2.1.2.2.191 MAIN_PADCFG_CTRL_MMRCFG0_CLAIMREG_P1_R3_READONLY Register
                192. 14.2.1.2.1.2.2.192 MAIN_PADCFG_CTRL_MMRCFG0_CLAIMREG_P1_R4_READONLY Register
                193. 14.2.1.2.1.2.2.193 MAIN_PADCFG_CTRL_MMRCFG0_CLAIMREG_P1_R5_READONLY Register
                194. 14.2.1.2.1.2.2.194 MAIN_PADCFG_CTRL_MMRCFG0_PADCONFIG0_PROXY Register
                195. 14.2.1.2.1.2.2.195 MAIN_PADCFG_CTRL_MMRCFG0_PADCONFIG1_PROXY Register
                196. 14.2.1.2.1.2.2.196 MAIN_PADCFG_CTRL_MMRCFG0_PADCONFIG2_PROXY Register
                197. 14.2.1.2.1.2.2.197 MAIN_PADCFG_CTRL_MMRCFG0_PADCONFIG3_PROXY Register
                198. 14.2.1.2.1.2.2.198 MAIN_PADCFG_CTRL_MMRCFG0_PADCONFIG4_PROXY Register
                199. 14.2.1.2.1.2.2.199 MAIN_PADCFG_CTRL_MMRCFG0_PADCONFIG5_PROXY Register
                200. 14.2.1.2.1.2.2.200 MAIN_PADCFG_CTRL_MMRCFG0_PADCONFIG6_PROXY Register
                201. 14.2.1.2.1.2.2.201 MAIN_PADCFG_CTRL_MMRCFG0_PADCONFIG7_PROXY Register
                202. 14.2.1.2.1.2.2.202 MAIN_PADCFG_CTRL_MMRCFG0_PADCONFIG8_PROXY Register
                203. 14.2.1.2.1.2.2.203 MAIN_PADCFG_CTRL_MMRCFG0_PADCONFIG9_PROXY Register
                204. 14.2.1.2.1.2.2.204 MAIN_PADCFG_CTRL_MMRCFG0_PADCONFIG10_PROXY Register
                205. 14.2.1.2.1.2.2.205 MAIN_PADCFG_CTRL_MMRCFG0_PADCONFIG11_PROXY Register
                206. 14.2.1.2.1.2.2.206 MAIN_PADCFG_CTRL_MMRCFG0_PADCONFIG12_PROXY Register
                207. 14.2.1.2.1.2.2.207 MAIN_PADCFG_CTRL_MMRCFG0_PADCONFIG13_PROXY Register
                208. 14.2.1.2.1.2.2.208 MAIN_PADCFG_CTRL_MMRCFG0_PADCONFIG14_PROXY Register
                209. 14.2.1.2.1.2.2.209 MAIN_PADCFG_CTRL_MMRCFG0_PADCONFIG15_PROXY Register
                210. 14.2.1.2.1.2.2.210 MAIN_PADCFG_CTRL_MMRCFG0_PADCONFIG16_PROXY Register
                211. 14.2.1.2.1.2.2.211 MAIN_PADCFG_CTRL_MMRCFG0_PADCONFIG17_PROXY Register
                212. 14.2.1.2.1.2.2.212 MAIN_PADCFG_CTRL_MMRCFG0_PADCONFIG18_PROXY Register
                213. 14.2.1.2.1.2.2.213 MAIN_PADCFG_CTRL_MMRCFG0_PADCONFIG19_PROXY Register
                214. 14.2.1.2.1.2.2.214 MAIN_PADCFG_CTRL_MMRCFG0_PADCONFIG20_PROXY Register
                215. 14.2.1.2.1.2.2.215 MAIN_PADCFG_CTRL_MMRCFG0_PADCONFIG21_PROXY Register
                216. 14.2.1.2.1.2.2.216 MAIN_PADCFG_CTRL_MMRCFG0_PADCONFIG22_PROXY Register
                217. 14.2.1.2.1.2.2.217 MAIN_PADCFG_CTRL_MMRCFG0_PADCONFIG23_PROXY Register
                218. 14.2.1.2.1.2.2.218 MAIN_PADCFG_CTRL_MMRCFG0_PADCONFIG24_PROXY Register
                219. 14.2.1.2.1.2.2.219 MAIN_PADCFG_CTRL_MMRCFG0_PADCONFIG25_PROXY Register
                220. 14.2.1.2.1.2.2.220 MAIN_PADCFG_CTRL_MMRCFG0_PADCONFIG26_PROXY Register
                221. 14.2.1.2.1.2.2.221 MAIN_PADCFG_CTRL_MMRCFG0_PADCONFIG27_PROXY Register
                222. 14.2.1.2.1.2.2.222 MAIN_PADCFG_CTRL_MMRCFG0_PADCONFIG28_PROXY Register
                223. 14.2.1.2.1.2.2.223 MAIN_PADCFG_CTRL_MMRCFG0_PADCONFIG29_PROXY Register
                224. 14.2.1.2.1.2.2.224 MAIN_PADCFG_CTRL_MMRCFG0_PADCONFIG30_PROXY Register
                225. 14.2.1.2.1.2.2.225 MAIN_PADCFG_CTRL_MMRCFG0_PADCONFIG31_PROXY Register
                226. 14.2.1.2.1.2.2.226 MAIN_PADCFG_CTRL_MMRCFG0_PADCONFIG33_PROXY Register
                227. 14.2.1.2.1.2.2.227 MAIN_PADCFG_CTRL_MMRCFG0_PADCONFIG34_PROXY Register
                228. 14.2.1.2.1.2.2.228 MAIN_PADCFG_CTRL_MMRCFG0_PADCONFIG35_PROXY Register
                229. 14.2.1.2.1.2.2.229 MAIN_PADCFG_CTRL_MMRCFG0_PADCONFIG36_PROXY Register
                230. 14.2.1.2.1.2.2.230 MAIN_PADCFG_CTRL_MMRCFG0_PADCONFIG37_PROXY Register
                231. 14.2.1.2.1.2.2.231 MAIN_PADCFG_CTRL_MMRCFG0_PADCONFIG38_PROXY Register
                232. 14.2.1.2.1.2.2.232 MAIN_PADCFG_CTRL_MMRCFG0_PADCONFIG39_PROXY Register
                233. 14.2.1.2.1.2.2.233 MAIN_PADCFG_CTRL_MMRCFG0_PADCONFIG40_PROXY Register
                234. 14.2.1.2.1.2.2.234 MAIN_PADCFG_CTRL_MMRCFG0_PADCONFIG41_PROXY Register
                235. 14.2.1.2.1.2.2.235 MAIN_PADCFG_CTRL_MMRCFG0_PADCONFIG42_PROXY Register
                236. 14.2.1.2.1.2.2.236 MAIN_PADCFG_CTRL_MMRCFG0_PADCONFIG43_PROXY Register
                237. 14.2.1.2.1.2.2.237 MAIN_PADCFG_CTRL_MMRCFG0_PADCONFIG44_PROXY Register
                238. 14.2.1.2.1.2.2.238 MAIN_PADCFG_CTRL_MMRCFG0_PADCONFIG45_PROXY Register
                239. 14.2.1.2.1.2.2.239 MAIN_PADCFG_CTRL_MMRCFG0_PADCONFIG46_PROXY Register
                240. 14.2.1.2.1.2.2.240 MAIN_PADCFG_CTRL_MMRCFG0_PADCONFIG47_PROXY Register
                241. 14.2.1.2.1.2.2.241 MAIN_PADCFG_CTRL_MMRCFG0_PADCONFIG48_PROXY Register
                242. 14.2.1.2.1.2.2.242 MAIN_PADCFG_CTRL_MMRCFG0_PADCONFIG49_PROXY Register
                243. 14.2.1.2.1.2.2.243 MAIN_PADCFG_CTRL_MMRCFG0_PADCONFIG50_PROXY Register
                244. 14.2.1.2.1.2.2.244 MAIN_PADCFG_CTRL_MMRCFG0_PADCONFIG51_PROXY Register
                245. 14.2.1.2.1.2.2.245 MAIN_PADCFG_CTRL_MMRCFG0_PADCONFIG52_PROXY Register
                246. 14.2.1.2.1.2.2.246 MAIN_PADCFG_CTRL_MMRCFG0_PADCONFIG53_PROXY Register
                247. 14.2.1.2.1.2.2.247 MAIN_PADCFG_CTRL_MMRCFG0_PADCONFIG56_PROXY Register
                248. 14.2.1.2.1.2.2.248 MAIN_PADCFG_CTRL_MMRCFG0_PADCONFIG57_PROXY Register
                249. 14.2.1.2.1.2.2.249 MAIN_PADCFG_CTRL_MMRCFG0_PADCONFIG58_PROXY Register
                250. 14.2.1.2.1.2.2.250 MAIN_PADCFG_CTRL_MMRCFG0_PADCONFIG59_PROXY Register
                251. 14.2.1.2.1.2.2.251 MAIN_PADCFG_CTRL_MMRCFG0_PADCONFIG60_PROXY Register
                252. 14.2.1.2.1.2.2.252 MAIN_PADCFG_CTRL_MMRCFG0_PADCONFIG63_PROXY Register
                253. 14.2.1.2.1.2.2.253 MAIN_PADCFG_CTRL_MMRCFG0_PADCONFIG64_PROXY Register
                254. 14.2.1.2.1.2.2.254 MAIN_PADCFG_CTRL_MMRCFG0_PADCONFIG65_PROXY Register
                255. 14.2.1.2.1.2.2.255 MAIN_PADCFG_CTRL_MMRCFG0_PADCONFIG66_PROXY Register
                256. 14.2.1.2.1.2.2.256 MAIN_PADCFG_CTRL_MMRCFG0_PADCONFIG67_PROXY Register
                257. 14.2.1.2.1.2.2.257 MAIN_PADCFG_CTRL_MMRCFG0_PADCONFIG68_PROXY Register
                258. 14.2.1.2.1.2.2.258 MAIN_PADCFG_CTRL_MMRCFG0_PADCONFIG69_PROXY Register
                259. 14.2.1.2.1.2.2.259 MAIN_PADCFG_CTRL_MMRCFG0_PADCONFIG70_PROXY Register
                260. 14.2.1.2.1.2.2.260 MAIN_PADCFG_CTRL_MMRCFG0_PADCONFIG71_PROXY Register
                261. 14.2.1.2.1.2.2.261 MAIN_PADCFG_CTRL_MMRCFG0_PADCONFIG72_PROXY Register
                262. 14.2.1.2.1.2.2.262 MAIN_PADCFG_CTRL_MMRCFG0_PADCONFIG73_PROXY Register
                263. 14.2.1.2.1.2.2.263 MAIN_PADCFG_CTRL_MMRCFG0_PADCONFIG74_PROXY Register
                264. 14.2.1.2.1.2.2.264 MAIN_PADCFG_CTRL_MMRCFG0_PADCONFIG75_PROXY Register
                265. 14.2.1.2.1.2.2.265 MAIN_PADCFG_CTRL_MMRCFG0_PADCONFIG76_PROXY Register
                266. 14.2.1.2.1.2.2.266 MAIN_PADCFG_CTRL_MMRCFG0_PADCONFIG77_PROXY Register
                267. 14.2.1.2.1.2.2.267 MAIN_PADCFG_CTRL_MMRCFG0_PADCONFIG78_PROXY Register
                268. 14.2.1.2.1.2.2.268 MAIN_PADCFG_CTRL_MMRCFG0_PADCONFIG79_PROXY Register
                269. 14.2.1.2.1.2.2.269 MAIN_PADCFG_CTRL_MMRCFG0_PADCONFIG80_PROXY Register
                270. 14.2.1.2.1.2.2.270 MAIN_PADCFG_CTRL_MMRCFG0_PADCONFIG81_PROXY Register
                271. 14.2.1.2.1.2.2.271 MAIN_PADCFG_CTRL_MMRCFG0_PADCONFIG82_PROXY Register
                272. 14.2.1.2.1.2.2.272 MAIN_PADCFG_CTRL_MMRCFG0_PADCONFIG83_PROXY Register
                273. 14.2.1.2.1.2.2.273 MAIN_PADCFG_CTRL_MMRCFG0_PADCONFIG84_PROXY Register
                274. 14.2.1.2.1.2.2.274 MAIN_PADCFG_CTRL_MMRCFG0_PADCONFIG85_PROXY Register
                275. 14.2.1.2.1.2.2.275 MAIN_PADCFG_CTRL_MMRCFG0_PADCONFIG86_PROXY Register
                276. 14.2.1.2.1.2.2.276 MAIN_PADCFG_CTRL_MMRCFG0_PADCONFIG87_PROXY Register
                277. 14.2.1.2.1.2.2.277 MAIN_PADCFG_CTRL_MMRCFG0_PADCONFIG88_PROXY Register
                278. 14.2.1.2.1.2.2.278 MAIN_PADCFG_CTRL_MMRCFG0_PADCONFIG89_PROXY Register
                279. 14.2.1.2.1.2.2.279 MAIN_PADCFG_CTRL_MMRCFG0_PADCONFIG90_PROXY Register
                280. 14.2.1.2.1.2.2.280 MAIN_PADCFG_CTRL_MMRCFG0_PADCONFIG91_PROXY Register
                281. 14.2.1.2.1.2.2.281 MAIN_PADCFG_CTRL_MMRCFG0_PADCONFIG92_PROXY Register
                282. 14.2.1.2.1.2.2.282 MAIN_PADCFG_CTRL_MMRCFG0_PADCONFIG93_PROXY Register
                283. 14.2.1.2.1.2.2.283 MAIN_PADCFG_CTRL_MMRCFG0_PADCONFIG94_PROXY Register
                284. 14.2.1.2.1.2.2.284 MAIN_PADCFG_CTRL_MMRCFG0_PADCONFIG95_PROXY Register
                285. 14.2.1.2.1.2.2.285 MAIN_PADCFG_CTRL_MMRCFG0_PADCONFIG96_PROXY Register
                286. 14.2.1.2.1.2.2.286 MAIN_PADCFG_CTRL_MMRCFG0_PADCONFIG97_PROXY Register
                287. 14.2.1.2.1.2.2.287 MAIN_PADCFG_CTRL_MMRCFG0_PADCONFIG98_PROXY Register
                288. 14.2.1.2.1.2.2.288 MAIN_PADCFG_CTRL_MMRCFG0_PADCONFIG99_PROXY Register
                289. 14.2.1.2.1.2.2.289 MAIN_PADCFG_CTRL_MMRCFG0_PADCONFIG100_PROXY Register
                290. 14.2.1.2.1.2.2.290 MAIN_PADCFG_CTRL_MMRCFG0_PADCONFIG101_PROXY Register
                291. 14.2.1.2.1.2.2.291 MAIN_PADCFG_CTRL_MMRCFG0_PADCONFIG102_PROXY Register
                292. 14.2.1.2.1.2.2.292 MAIN_PADCFG_CTRL_MMRCFG0_PADCONFIG103_PROXY Register
                293. 14.2.1.2.1.2.2.293 MAIN_PADCFG_CTRL_MMRCFG0_PADCONFIG104_PROXY Register
                294. 14.2.1.2.1.2.2.294 MAIN_PADCFG_CTRL_MMRCFG0_PADCONFIG105_PROXY Register
                295. 14.2.1.2.1.2.2.295 MAIN_PADCFG_CTRL_MMRCFG0_PADCONFIG106_PROXY Register
                296. 14.2.1.2.1.2.2.296 MAIN_PADCFG_CTRL_MMRCFG0_PADCONFIG107_PROXY Register
                297. 14.2.1.2.1.2.2.297 MAIN_PADCFG_CTRL_MMRCFG0_PADCONFIG108_PROXY Register
                298. 14.2.1.2.1.2.2.298 MAIN_PADCFG_CTRL_MMRCFG0_PADCONFIG109_PROXY Register
                299. 14.2.1.2.1.2.2.299 MAIN_PADCFG_CTRL_MMRCFG0_PADCONFIG110_PROXY Register
                300. 14.2.1.2.1.2.2.300 MAIN_PADCFG_CTRL_MMRCFG0_PADCONFIG111_PROXY Register
                301. 14.2.1.2.1.2.2.301 MAIN_PADCFG_CTRL_MMRCFG0_PADCONFIG112_PROXY Register
                302. 14.2.1.2.1.2.2.302 MAIN_PADCFG_CTRL_MMRCFG0_PADCONFIG113_PROXY Register
                303. 14.2.1.2.1.2.2.303 MAIN_PADCFG_CTRL_MMRCFG0_PADCONFIG114_PROXY Register
                304. 14.2.1.2.1.2.2.304 MAIN_PADCFG_CTRL_MMRCFG0_PADCONFIG115_PROXY Register
                305. 14.2.1.2.1.2.2.305 MAIN_PADCFG_CTRL_MMRCFG0_PADCONFIG116_PROXY Register
                306. 14.2.1.2.1.2.2.306 MAIN_PADCFG_CTRL_MMRCFG0_PADCONFIG117_PROXY Register
                307. 14.2.1.2.1.2.2.307 MAIN_PADCFG_CTRL_MMRCFG0_PADCONFIG118_PROXY Register
                308. 14.2.1.2.1.2.2.308 MAIN_PADCFG_CTRL_MMRCFG0_PADCONFIG119_PROXY Register
                309. 14.2.1.2.1.2.2.309 MAIN_PADCFG_CTRL_MMRCFG0_PADCONFIG120_PROXY Register
                310. 14.2.1.2.1.2.2.310 MAIN_PADCFG_CTRL_MMRCFG0_PADCONFIG121_PROXY Register
                311. 14.2.1.2.1.2.2.311 MAIN_PADCFG_CTRL_MMRCFG0_PADCONFIG122_PROXY Register
                312. 14.2.1.2.1.2.2.312 MAIN_PADCFG_CTRL_MMRCFG0_PADCONFIG123_PROXY Register
                313. 14.2.1.2.1.2.2.313 MAIN_PADCFG_CTRL_MMRCFG0_PADCONFIG124_PROXY Register
                314. 14.2.1.2.1.2.2.314 MAIN_PADCFG_CTRL_MMRCFG0_PADCONFIG125_PROXY Register
                315. 14.2.1.2.1.2.2.315 MAIN_PADCFG_CTRL_MMRCFG0_PADCONFIG126_PROXY Register
                316. 14.2.1.2.1.2.2.316 MAIN_PADCFG_CTRL_MMRCFG0_PADCONFIG127_PROXY Register
                317. 14.2.1.2.1.2.2.317 MAIN_PADCFG_CTRL_MMRCFG0_PADCONFIG128_PROXY Register
                318. 14.2.1.2.1.2.2.318 MAIN_PADCFG_CTRL_MMRCFG0_PADCONFIG129_PROXY Register
                319. 14.2.1.2.1.2.2.319 MAIN_PADCFG_CTRL_MMRCFG0_PADCONFIG130_PROXY Register
                320. 14.2.1.2.1.2.2.320 MAIN_PADCFG_CTRL_MMRCFG0_PADCONFIG131_PROXY Register
                321. 14.2.1.2.1.2.2.321 MAIN_PADCFG_CTRL_MMRCFG0_PADCONFIG132_PROXY Register
                322. 14.2.1.2.1.2.2.322 MAIN_PADCFG_CTRL_MMRCFG0_PADCONFIG133_PROXY Register
                323. 14.2.1.2.1.2.2.323 MAIN_PADCFG_CTRL_MMRCFG0_PADCONFIG134_PROXY Register
                324. 14.2.1.2.1.2.2.324 MAIN_PADCFG_CTRL_MMRCFG0_PADCONFIG135_PROXY Register
                325. 14.2.1.2.1.2.2.325 MAIN_PADCFG_CTRL_MMRCFG0_PADCONFIG136_PROXY Register
                326. 14.2.1.2.1.2.2.326 MAIN_PADCFG_CTRL_MMRCFG0_PADCONFIG137_PROXY Register
                327. 14.2.1.2.1.2.2.327 MAIN_PADCFG_CTRL_MMRCFG0_PADCONFIG138_PROXY Register
                328. 14.2.1.2.1.2.2.328 MAIN_PADCFG_CTRL_MMRCFG0_PADCONFIG139_PROXY Register
                329. 14.2.1.2.1.2.2.329 MAIN_PADCFG_CTRL_MMRCFG0_PADCONFIG140_PROXY Register
                330. 14.2.1.2.1.2.2.330 MAIN_PADCFG_CTRL_MMRCFG0_PADCONFIG141_PROXY Register
                331. 14.2.1.2.1.2.2.331 MAIN_PADCFG_CTRL_MMRCFG0_PADCONFIG143_PROXY Register
                332. 14.2.1.2.1.2.2.332 MAIN_PADCFG_CTRL_MMRCFG0_PADCONFIG144_PROXY Register
                333. 14.2.1.2.1.2.2.333 MAIN_PADCFG_CTRL_MMRCFG0_PADCONFIG145_PROXY Register
                334. 14.2.1.2.1.2.2.334 MAIN_PADCFG_CTRL_MMRCFG0_PADCONFIG147_PROXY Register
                335. 14.2.1.2.1.2.2.335 MAIN_PADCFG_CTRL_MMRCFG0_PADCONFIG149_PROXY Register
                336. 14.2.1.2.1.2.2.336 MAIN_PADCFG_CTRL_MMRCFG0_PADCONFIG171_PROXY Register
                337. 14.2.1.2.1.2.2.337 MAIN_PADCFG_CTRL_MMRCFG0_PADCONFIG172_PROXY Register
                338. 14.2.1.2.1.2.2.338 MAIN_PADCFG_CTRL_MMRCFG0_PADCONFIG173_PROXY Register
                339. 14.2.1.2.1.2.2.339 MAIN_PADCFG_CTRL_MMRCFG0_PADCONFIG174_PROXY Register
                340. 14.2.1.2.1.2.2.340 MAIN_PADCFG_CTRL_MMRCFG0_PADCONFIG175_PROXY Register
                341. 14.2.1.2.1.2.2.341 MAIN_PADCFG_CTRL_MMRCFG0_PADCONFIG176_PROXY Register
                342. 14.2.1.2.1.2.2.342 MAIN_PADCFG_CTRL_MMRCFG0_PADCONFIG177_PROXY Register
                343. 14.2.1.2.1.2.2.343 MAIN_PADCFG_CTRL_MMRCFG0_PADCONFIG178_PROXY Register
                344. 14.2.1.2.1.2.2.344 MAIN_PADCFG_CTRL_MMRCFG0_PADCONFIG179_PROXY Register
                345. 14.2.1.2.1.2.2.345 MAIN_PADCFG_CTRL_MMRCFG0_PADCONFIG180_PROXY Register
                346. 14.2.1.2.1.2.2.346 MAIN_PADCFG_CTRL_MMRCFG0_PADCONFIG181_PROXY Register
                347. 14.2.1.2.1.2.2.347 MAIN_PADCFG_CTRL_MMRCFG0_PADCONFIG182_PROXY Register
                348. 14.2.1.2.1.2.2.348 MAIN_PADCFG_CTRL_MMRCFG0_PADCONFIG183_PROXY Register
                349. 14.2.1.2.1.2.2.349 MAIN_PADCFG_CTRL_MMRCFG0_LOCK1_KICK0_PROXY Register
                350. 14.2.1.2.1.2.2.350 MAIN_PADCFG_CTRL_MMRCFG0_LOCK1_KICK1_PROXY Register
                351. 14.2.1.2.1.2.2.351 MAIN_PADCFG_CTRL_MMRCFG0_CLAIMREG_P1_R0 Register
                352. 14.2.1.2.1.2.2.352 MAIN_PADCFG_CTRL_MMRCFG0_CLAIMREG_P1_R1 Register
                353. 14.2.1.2.1.2.2.353 MAIN_PADCFG_CTRL_MMRCFG0_CLAIMREG_P1_R2 Register
                354. 14.2.1.2.1.2.2.354 MAIN_PADCFG_CTRL_MMRCFG0_CLAIMREG_P1_R3 Register
                355. 14.2.1.2.1.2.2.355 MAIN_PADCFG_CTRL_MMRCFG0_CLAIMREG_P1_R4 Register
                356. 14.2.1.2.1.2.2.356 MAIN_PADCFG_CTRL_MMRCFG0_CLAIMREG_P1_R5 Register
        3. 14.2.1.3 Security Control Registers
          1. 14.2.1.3.1 MAIN_SEC_MMR
            1. 14.2.1.3.1.1 MAIN_SEC_MMR Summaries
              1.          6544
              2.          6545
            2. 14.2.1.3.1.2 MAIN_SEC_MMR Registers
              1. 14.2.1.3.1.2.1  MAIN_SEC_MMR_CFG2_CLSTR0_CORE0_DBG_CFG Register
              2. 14.2.1.3.1.2.2  MAIN_SEC_MMR_CFG2_CLSTR0_CORE1_DBG_CFG Register
              3. 14.2.1.3.1.2.3  MAIN_SEC_MMR_CFG2_CLSTR1_CORE0_DBG_CFG Register
              4. 14.2.1.3.1.2.4  MAIN_SEC_MMR_CFG2_CLSTR1_CORE1_DBG_CFG Register
              5. 14.2.1.3.1.2.5  MAIN_SEC_MMR_CFG2_CLSTR13_CORE0_DBG_CFG Register
              6. 14.2.1.3.1.2.6  MAIN_SEC_MMR_CFG2_CLSTR14_CORE0_DBG_CFG Register
              7. 14.2.1.3.1.2.7  MAIN_SEC_MMR_CFG0_PID Register
              8. 14.2.1.3.1.2.8  MAIN_SEC_MMR_CFG0_CLSTR0_DEF Register
              9. 14.2.1.3.1.2.9  MAIN_SEC_MMR_CFG0_CLSTR0_CFG Register
              10. 14.2.1.3.1.2.10 MAIN_SEC_MMR_CFG0_CLSTR0_PMCTRL Register
              11. 14.2.1.3.1.2.11 MAIN_SEC_MMR_CFG0_CLSTR0_PMSTAT Register
              12. 14.2.1.3.1.2.12 MAIN_SEC_MMR_CFG0_CLSTR0_CORE0_CFG Register
              13. 14.2.1.3.1.2.13 MAIN_SEC_MMR_CFG0_CLSTR0_CORE0_BOOTVECT_LO Register
              14. 14.2.1.3.1.2.14 MAIN_SEC_MMR_CFG0_CLSTR0_CORE0_BOOTVECT_HI Register
              15. 14.2.1.3.1.2.15 MAIN_SEC_MMR_CFG0_CLSTR0_CORE0_PMCTRL Register
              16. 14.2.1.3.1.2.16 MAIN_SEC_MMR_CFG0_CLSTR0_CORE0_PMSTAT Register
              17. 14.2.1.3.1.2.17 MAIN_SEC_MMR_CFG0_CLSTR0_CORE1_CFG Register
              18. 14.2.1.3.1.2.18 MAIN_SEC_MMR_CFG0_CLSTR0_CORE1_BOOTVECT_LO Register
              19. 14.2.1.3.1.2.19 MAIN_SEC_MMR_CFG0_CLSTR0_CORE1_BOOTVECT_HI Register
              20. 14.2.1.3.1.2.20 MAIN_SEC_MMR_CFG0_CLSTR0_CORE1_PMCTRL Register
              21. 14.2.1.3.1.2.21 MAIN_SEC_MMR_CFG0_CLSTR0_CORE1_PMSTAT Register
              22. 14.2.1.3.1.2.22 MAIN_SEC_MMR_CFG0_CLSTR1_DEF Register
              23. 14.2.1.3.1.2.23 MAIN_SEC_MMR_CFG0_CLSTR1_CFG Register
              24. 14.2.1.3.1.2.24 MAIN_SEC_MMR_CFG0_CLSTR1_PMCTRL Register
              25. 14.2.1.3.1.2.25 MAIN_SEC_MMR_CFG0_CLSTR1_PMSTAT Register
              26. 14.2.1.3.1.2.26 MAIN_SEC_MMR_CFG0_CLSTR1_CORE0_CFG Register
              27. 14.2.1.3.1.2.27 MAIN_SEC_MMR_CFG0_CLSTR1_CORE0_BOOTVECT_LO Register
              28. 14.2.1.3.1.2.28 MAIN_SEC_MMR_CFG0_CLSTR1_CORE0_BOOTVECT_HI Register
              29. 14.2.1.3.1.2.29 MAIN_SEC_MMR_CFG0_CLSTR1_CORE0_PMCTRL Register
              30. 14.2.1.3.1.2.30 MAIN_SEC_MMR_CFG0_CLSTR1_CORE0_PMSTAT Register
              31. 14.2.1.3.1.2.31 MAIN_SEC_MMR_CFG0_CLSTR1_CORE1_CFG Register
              32. 14.2.1.3.1.2.32 MAIN_SEC_MMR_CFG0_CLSTR1_CORE1_BOOTVECT_LO Register
              33. 14.2.1.3.1.2.33 MAIN_SEC_MMR_CFG0_CLSTR1_CORE1_BOOTVECT_HI Register
              34. 14.2.1.3.1.2.34 MAIN_SEC_MMR_CFG0_CLSTR1_CORE1_PMCTRL Register
              35. 14.2.1.3.1.2.35 MAIN_SEC_MMR_CFG0_CLSTR1_CORE1_PMSTAT Register
              36. 14.2.1.3.1.2.36 MAIN_SEC_MMR_CFG0_CLSTR13_DEF Register
              37. 14.2.1.3.1.2.37 MAIN_SEC_MMR_CFG0_CLSTR13_CFG Register
              38. 14.2.1.3.1.2.38 MAIN_SEC_MMR_CFG0_CLSTR13_PMSTAT Register
              39. 14.2.1.3.1.2.39 MAIN_SEC_MMR_CFG0_CLSTR13_CORE0_BOOTVECT_LO Register
              40. 14.2.1.3.1.2.40 MAIN_SEC_MMR_CFG0_CLSTR13_CORE0_BOOTVECT_HI Register
              41. 14.2.1.3.1.2.41 MAIN_SEC_MMR_CFG0_CLSTR14_DEF Register
              42. 14.2.1.3.1.2.42 MAIN_SEC_MMR_CFG0_CLSTR14_CFG Register
              43. 14.2.1.3.1.2.43 MAIN_SEC_MMR_CFG0_CLSTR14_PMSTAT Register
              44. 14.2.1.3.1.2.44 MAIN_SEC_MMR_CFG0_CLSTR14_CORE0_BOOTVECT_LO Register
              45. 14.2.1.3.1.2.45 MAIN_SEC_MMR_CFG0_CLSTR14_CORE0_BOOTVECT_HI Register
          2. 14.2.1.3.2 WKUP_SEC_MMR
            1. 14.2.1.3.2.1 WKUP_SEC_MMR Summaries
              1.          6594
              2.          6595
            2. 14.2.1.3.2.2 WKUP_SEC_MMR Registers
              1. 14.2.1.3.2.2.1  WKUP_SEC_MMR_CFG2_CLSTR28_CORE0_DBG_CFG Register
              2. 14.2.1.3.2.2.2  WKUP_SEC_MMR_CFG2_CLSTR28_CORE1_DBG_CFG Register
              3. 14.2.1.3.2.2.3  WKUP_SEC_MMR_CFG0_PID Register
              4. 14.2.1.3.2.2.4  WKUP_SEC_MMR_CFG0_CLSTR28_DEF Register
              5. 14.2.1.3.2.2.5  WKUP_SEC_MMR_CFG0_CLSTR28_CFG Register
              6. 14.2.1.3.2.2.6  WKUP_SEC_MMR_CFG0_CLSTR28_PMCTRL Register
              7. 14.2.1.3.2.2.7  WKUP_SEC_MMR_CFG0_CLSTR28_PMSTAT Register
              8. 14.2.1.3.2.2.8  WKUP_SEC_MMR_CFG0_CLSTR28_CORE0_CFG Register
              9. 14.2.1.3.2.2.9  WKUP_SEC_MMR_CFG0_CLSTR28_CORE0_BOOTVECT_LO Register
              10. 14.2.1.3.2.2.10 WKUP_SEC_MMR_CFG0_CLSTR28_CORE0_BOOTVECT_HI Register
              11. 14.2.1.3.2.2.11 WKUP_SEC_MMR_CFG0_CLSTR28_CORE0_PMCTRL Register
              12. 14.2.1.3.2.2.12 WKUP_SEC_MMR_CFG0_CLSTR28_CORE0_PMSTAT Register
      2. 14.2.2 Power Registers
        1. 14.2.2.1 PSC
          1. 14.2.2.1.1 PSC Summaries
            1.         6612
          2. 14.2.2.1.2 PSC Registers
            1. 14.2.2.1.2.1  PSC_PID Register
            2. 14.2.2.1.2.2  PSC_GBLSTAT Register
            3. 14.2.2.1.2.3  PSC_INTEVAL Register
            4. 14.2.2.1.2.4  PSC_MERRPR Register
            5. 14.2.2.1.2.5  PSC_MERRCR Register
            6. 14.2.2.1.2.6  PSC_PERRPR Register
            7. 14.2.2.1.2.7  PSC_PERRCR Register
            8. 14.2.2.1.2.8  PSC_EPCPR Register
            9. 14.2.2.1.2.9  PSC_EPCCR Register
            10. 14.2.2.1.2.10 PSC_RAILSTAT Register
            11. 14.2.2.1.2.11 PSC_RAILCTL Register
            12. 14.2.2.1.2.12 PSC_RAILSEL Register
            13. 14.2.2.1.2.13 PSC_PTCMD Register
            14. 14.2.2.1.2.14 PSC_PTSTAT Register
            15. 14.2.2.1.2.15 PSC_PDSTAT_J Register
            16. 14.2.2.1.2.16 PSC_PDCTL_J Register
            17. 14.2.2.1.2.17 PSC_PDCFG_J Register
            18. 14.2.2.1.2.18 PSC_MDCFG_J Register
            19. 14.2.2.1.2.19 PSC_MDSTAT_J Register
            20. 14.2.2.1.2.20 PSC_MDCTL_J Register
        2. 14.2.2.2 PSC
          1. 14.2.2.2.1 PSC Summaries
            1.         6636
          2. 14.2.2.2.2 PSC Registers
            1. 14.2.2.2.2.1  PSC_PID Register
            2. 14.2.2.2.2.2  PSC_GBLSTAT Register
            3. 14.2.2.2.2.3  PSC_INTEVAL Register
            4. 14.2.2.2.2.4  PSC_MERRPR_J Register
            5. 14.2.2.2.2.5  PSC_MERRCR_J Register
            6. 14.2.2.2.2.6  PSC_PERRPR Register
            7. 14.2.2.2.2.7  PSC_PERRCR Register
            8. 14.2.2.2.2.8  PSC_EPCPR Register
            9. 14.2.2.2.2.9  PSC_EPCCR Register
            10. 14.2.2.2.2.10 PSC_RAILSTAT Register
            11. 14.2.2.2.2.11 PSC_RAILCTL Register
            12. 14.2.2.2.2.12 PSC_RAILSEL Register
            13. 14.2.2.2.2.13 PSC_PTCMD Register
            14. 14.2.2.2.2.14 PSC_PTSTAT Register
            15. 14.2.2.2.2.15 PSC_PDSTAT_J Register
            16. 14.2.2.2.2.16 PSC_PDCTL_J Register
            17. 14.2.2.2.2.17 PSC_PDCFG_J Register
            18. 14.2.2.2.2.18 PSC_MDCFG_J Register
            19. 14.2.2.2.2.19 PSC_MDSTAT_J Register
            20. 14.2.2.2.2.20 PSC_MDCTL_J Register
        3. 14.2.2.3 VTM
          1. 14.2.2.3.1 VTM Summaries
            1.         6660
            2.         6661
            3.         6662
          2. 14.2.2.3.2 VTM Registers
            1. 14.2.2.3.2.1  VTM_CFG1_PID Register
            2. 14.2.2.3.2.2  VTM_CFG1_DEVINFO_PWR0 Register
            3. 14.2.2.3.2.3  VTM_CFG1_GT_TH1_INT_RAW_STAT_SET Register
            4. 14.2.2.3.2.4  VTM_CFG1_GT_TH1_INT_EN_STAT_CLR Register
            5. 14.2.2.3.2.5  VTM_CFG1_GT_TH1_INT_EN_SET Register
            6. 14.2.2.3.2.6  VTM_CFG1_GT_TH1_INT_EN_CLR Register
            7. 14.2.2.3.2.7  VTM_CFG1_GT_TH2_INT_RAW_STAT_SET Register
            8. 14.2.2.3.2.8  VTM_CFG1_GT_TH2_INT_EN_STAT_CLR Register
            9. 14.2.2.3.2.9  VTM_CFG1_GT_TH2_INT_EN_SET Register
            10. 14.2.2.3.2.10 VTM_CFG1_GT_TH2_INT_EN_CLR Register
            11. 14.2.2.3.2.11 VTM_CFG1_LT_TH0_INT_RAW_STAT_SET Register
            12. 14.2.2.3.2.12 VTM_CFG1_LT_TH0_INT_EN_STAT_CLR Register
            13. 14.2.2.3.2.13 VTM_CFG1_LT_TH0_INT_EN_SET Register
            14. 14.2.2.3.2.14 VTM_CFG1_LT_TH0_INT_EN_CLR Register
            15. 14.2.2.3.2.15 VTM_CFG1_VD_DEVINFO_J Register
            16. 14.2.2.3.2.16 VTM_CFG1_VD_OPPVID_J Register
            17. 14.2.2.3.2.17 VTM_CFG1_VD_EVT_STAT_J Register
            18. 14.2.2.3.2.18 VTM_CFG1_VD_EVT_SET_J Register
            19. 14.2.2.3.2.19 VTM_CFG1_VD_EVT_CLR_J Register
            20. 14.2.2.3.2.20 VTM_CFG1_TMPSENS_CTRL_J Register
            21. 14.2.2.3.2.21 VTM_CFG1_TMPSENS_STAT_J Register
            22. 14.2.2.3.2.22 VTM_CFG1_TMPSENS_TH_J Register
            23. 14.2.2.3.2.23 VTM_CFG1_TMPSENS_TH2_J Register
            24. 14.2.2.3.2.24 VTM_CFG2_MISC_CTRL Register
            25. 14.2.2.3.2.25 VTM_CFG2_MISC_CTRL2 Register
            26. 14.2.2.3.2.26 VTM_CFG2_TMPSENS_CTRL_J Register
            27. 14.2.2.3.2.27 VTM_CFG2_TMPSENS_TRIM_J Register
            28. 14.2.2.3.2.28 ECC_AGGR_REV Register
            29. 14.2.2.3.2.29 ECC_AGGR_VECTOR Register
            30. 14.2.2.3.2.30 ECC_AGGR_STAT Register
            31. 14.2.2.3.2.31 ECC_AGGR_RESERVED_SVBUS_J Register
            32. 14.2.2.3.2.32 ECC_AGGR_SEC_EOI_REG Register
            33. 14.2.2.3.2.33 ECC_AGGR_SEC_STATUS_REG0 Register
            34. 14.2.2.3.2.34 ECC_AGGR_SEC_ENABLE_SET_REG0 Register
            35. 14.2.2.3.2.35 ECC_AGGR_SEC_ENABLE_CLR_REG0 Register
            36. 14.2.2.3.2.36 ECC_AGGR_DED_EOI_REG Register
            37. 14.2.2.3.2.37 ECC_AGGR_DED_STATUS_REG0 Register
            38. 14.2.2.3.2.38 ECC_AGGR_DED_ENABLE_SET_REG0 Register
            39. 14.2.2.3.2.39 ECC_AGGR_DED_ENABLE_CLR_REG0 Register
            40. 14.2.2.3.2.40 ECC_AGGR_AGGR_ENABLE_SET Register
            41. 14.2.2.3.2.41 ECC_AGGR_AGGR_ENABLE_CLR Register
            42. 14.2.2.3.2.42 ECC_AGGR_AGGR_STATUS_SET Register
            43. 14.2.2.3.2.43 ECC_AGGR_AGGR_STATUS_CLR Register
      3. 14.2.3 Clocking Registers
        1. 14.2.3.1 PLL
          1. 14.2.3.1.1 PLL Summaries
            1.         6710
          2. 14.2.3.1.2 PLL Registers
            1. 14.2.3.1.2.1   MAIN_PLL_MMRCFG_PLL0_PID Register
            2. 14.2.3.1.2.2   MAIN_PLL_MMRCFG_PLL0_CFG Register
            3. 14.2.3.1.2.3   MAIN_PLL_MMRCFG_PLL0_LOCKKEY0 Register
            4. 14.2.3.1.2.4   MAIN_PLL_MMRCFG_PLL0_LOCKKEY1 Register
            5. 14.2.3.1.2.5   MAIN_PLL_MMRCFG_PLL0_CTRL Register
            6. 14.2.3.1.2.6   MAIN_PLL_MMRCFG_PLL0_STAT Register
            7. 14.2.3.1.2.7   MAIN_PLL_MMRCFG_PLL0_FREQ_CTRL0 Register
            8. 14.2.3.1.2.8   MAIN_PLL_MMRCFG_PLL0_FREQ_CTRL1 Register
            9. 14.2.3.1.2.9   MAIN_PLL_MMRCFG_PLL0_DIV_CTRL Register
            10. 14.2.3.1.2.10  MAIN_PLL_MMRCFG_PLL0_SS_CTRL Register
            11. 14.2.3.1.2.11  MAIN_PLL_MMRCFG_PLL0_SS_SPREAD Register
            12. 14.2.3.1.2.12  MAIN_PLL_MMRCFG_PLL0_CAL_CTRL Register
            13. 14.2.3.1.2.13  MAIN_PLL_MMRCFG_PLL0_CAL_STAT Register
            14. 14.2.3.1.2.14  MAIN_PLL_MMRCFG_PLL0_HSDIV_CTRL0 Register
            15. 14.2.3.1.2.15  MAIN_PLL_MMRCFG_PLL0_HSDIV_CTRL1 Register
            16. 14.2.3.1.2.16  MAIN_PLL_MMRCFG_PLL0_HSDIV_CTRL2 Register
            17. 14.2.3.1.2.17  MAIN_PLL_MMRCFG_PLL0_HSDIV_CTRL3 Register
            18. 14.2.3.1.2.18  MAIN_PLL_MMRCFG_PLL0_HSDIV_CTRL4 Register
            19. 14.2.3.1.2.19  MAIN_PLL_MMRCFG_PLL0_HSDIV_CTRL5 Register
            20. 14.2.3.1.2.20  MAIN_PLL_MMRCFG_PLL0_HSDIV_CTRL6 Register
            21. 14.2.3.1.2.21  MAIN_PLL_MMRCFG_PLL0_HSDIV_CTRL7 Register
            22. 14.2.3.1.2.22  MAIN_PLL_MMRCFG_PLL0_HSDIV_CTRL8 Register
            23. 14.2.3.1.2.23  MAIN_PLL_MMRCFG_PLL0_HSDIV_CTRL9 Register
            24. 14.2.3.1.2.24  MAIN_PLL_MMRCFG_PLL1_PID Register
            25. 14.2.3.1.2.25  MAIN_PLL_MMRCFG_PLL1_CFG Register
            26. 14.2.3.1.2.26  MAIN_PLL_MMRCFG_PLL1_LOCKKEY0 Register
            27. 14.2.3.1.2.27  MAIN_PLL_MMRCFG_PLL1_LOCKKEY1 Register
            28. 14.2.3.1.2.28  MAIN_PLL_MMRCFG_PLL1_CTRL Register
            29. 14.2.3.1.2.29  MAIN_PLL_MMRCFG_PLL1_STAT Register
            30. 14.2.3.1.2.30  MAIN_PLL_MMRCFG_PLL1_FREQ_CTRL0 Register
            31. 14.2.3.1.2.31  MAIN_PLL_MMRCFG_PLL1_FREQ_CTRL1 Register
            32. 14.2.3.1.2.32  MAIN_PLL_MMRCFG_PLL1_DIV_CTRL Register
            33. 14.2.3.1.2.33  MAIN_PLL_MMRCFG_PLL1_SS_CTRL Register
            34. 14.2.3.1.2.34  MAIN_PLL_MMRCFG_PLL1_SS_SPREAD Register
            35. 14.2.3.1.2.35  MAIN_PLL_MMRCFG_PLL1_CAL_CTRL Register
            36. 14.2.3.1.2.36  MAIN_PLL_MMRCFG_PLL1_CAL_STAT Register
            37. 14.2.3.1.2.37  MAIN_PLL_MMRCFG_PLL1_HSDIV_CTRL0 Register
            38. 14.2.3.1.2.38  MAIN_PLL_MMRCFG_PLL1_HSDIV_CTRL1 Register
            39. 14.2.3.1.2.39  MAIN_PLL_MMRCFG_PLL1_HSDIV_CTRL2 Register
            40. 14.2.3.1.2.40  MAIN_PLL_MMRCFG_PLL1_HSDIV_CTRL3 Register
            41. 14.2.3.1.2.41  MAIN_PLL_MMRCFG_PLL1_HSDIV_CTRL4 Register
            42. 14.2.3.1.2.42  MAIN_PLL_MMRCFG_PLL1_HSDIV_CTRL5 Register
            43. 14.2.3.1.2.43  MAIN_PLL_MMRCFG_PLL1_HSDIV_CTRL6 Register
            44. 14.2.3.1.2.44  MAIN_PLL_MMRCFG_PLL2_PID Register
            45. 14.2.3.1.2.45  MAIN_PLL_MMRCFG_PLL2_CFG Register
            46. 14.2.3.1.2.46  MAIN_PLL_MMRCFG_PLL2_LOCKKEY0 Register
            47. 14.2.3.1.2.47  MAIN_PLL_MMRCFG_PLL2_LOCKKEY1 Register
            48. 14.2.3.1.2.48  MAIN_PLL_MMRCFG_PLL2_CTRL Register
            49. 14.2.3.1.2.49  MAIN_PLL_MMRCFG_PLL2_STAT Register
            50. 14.2.3.1.2.50  MAIN_PLL_MMRCFG_PLL2_FREQ_CTRL0 Register
            51. 14.2.3.1.2.51  MAIN_PLL_MMRCFG_PLL2_FREQ_CTRL1 Register
            52. 14.2.3.1.2.52  MAIN_PLL_MMRCFG_PLL2_DIV_CTRL Register
            53. 14.2.3.1.2.53  MAIN_PLL_MMRCFG_PLL2_SS_CTRL Register
            54. 14.2.3.1.2.54  MAIN_PLL_MMRCFG_PLL2_SS_SPREAD Register
            55. 14.2.3.1.2.55  MAIN_PLL_MMRCFG_PLL2_CAL_CTRL Register
            56. 14.2.3.1.2.56  MAIN_PLL_MMRCFG_PLL2_CAL_STAT Register
            57. 14.2.3.1.2.57  MAIN_PLL_MMRCFG_PLL2_HSDIV_CTRL0 Register
            58. 14.2.3.1.2.58  MAIN_PLL_MMRCFG_PLL2_HSDIV_CTRL1 Register
            59. 14.2.3.1.2.59  MAIN_PLL_MMRCFG_PLL2_HSDIV_CTRL2 Register
            60. 14.2.3.1.2.60  MAIN_PLL_MMRCFG_PLL2_HSDIV_CTRL3 Register
            61. 14.2.3.1.2.61  MAIN_PLL_MMRCFG_PLL2_HSDIV_CTRL4 Register
            62. 14.2.3.1.2.62  MAIN_PLL_MMRCFG_PLL2_HSDIV_CTRL5 Register
            63. 14.2.3.1.2.63  MAIN_PLL_MMRCFG_PLL2_HSDIV_CTRL6 Register
            64. 14.2.3.1.2.64  MAIN_PLL_MMRCFG_PLL2_HSDIV_CTRL7 Register
            65. 14.2.3.1.2.65  MAIN_PLL_MMRCFG_PLL2_HSDIV_CTRL8 Register
            66. 14.2.3.1.2.66  MAIN_PLL_MMRCFG_PLL2_HSDIV_CTRL9 Register
            67. 14.2.3.1.2.67  MAIN_PLL_MMRCFG_PLL4_PID Register
            68. 14.2.3.1.2.68  MAIN_PLL_MMRCFG_PLL4_CFG Register
            69. 14.2.3.1.2.69  MAIN_PLL_MMRCFG_PLL4_LOCKKEY0 Register
            70. 14.2.3.1.2.70  MAIN_PLL_MMRCFG_PLL4_LOCKKEY1 Register
            71. 14.2.3.1.2.71  MAIN_PLL_MMRCFG_PLL4_CTRL Register
            72. 14.2.3.1.2.72  MAIN_PLL_MMRCFG_PLL4_STAT Register
            73. 14.2.3.1.2.73  MAIN_PLL_MMRCFG_PLL4_FREQ_CTRL0 Register
            74. 14.2.3.1.2.74  MAIN_PLL_MMRCFG_PLL4_FREQ_CTRL1 Register
            75. 14.2.3.1.2.75  MAIN_PLL_MMRCFG_PLL4_DIV_CTRL Register
            76. 14.2.3.1.2.76  MAIN_PLL_MMRCFG_PLL4_SS_CTRL Register
            77. 14.2.3.1.2.77  MAIN_PLL_MMRCFG_PLL4_SS_SPREAD Register
            78. 14.2.3.1.2.78  MAIN_PLL_MMRCFG_PLL4_CAL_CTRL Register
            79. 14.2.3.1.2.79  MAIN_PLL_MMRCFG_PLL4_CAL_STAT Register
            80. 14.2.3.1.2.80  MAIN_PLL_MMRCFG_PLL4_HSDIV_CTRL0 Register
            81. 14.2.3.1.2.81  MAIN_PLL_MMRCFG_PLL4_HSDIV_CTRL1 Register
            82. 14.2.3.1.2.82  MAIN_PLL_MMRCFG_PLL4_HSDIV_CTRL2 Register
            83. 14.2.3.1.2.83  MAIN_PLL_MMRCFG_PLL4_HSDIV_CTRL3 Register
            84. 14.2.3.1.2.84  MAIN_PLL_MMRCFG_PLL7_PID Register
            85. 14.2.3.1.2.85  MAIN_PLL_MMRCFG_PLL7_CFG Register
            86. 14.2.3.1.2.86  MAIN_PLL_MMRCFG_PLL7_LOCKKEY0 Register
            87. 14.2.3.1.2.87  MAIN_PLL_MMRCFG_PLL7_LOCKKEY1 Register
            88. 14.2.3.1.2.88  MAIN_PLL_MMRCFG_PLL7_CTRL Register
            89. 14.2.3.1.2.89  MAIN_PLL_MMRCFG_PLL7_STAT Register
            90. 14.2.3.1.2.90  MAIN_PLL_MMRCFG_PLL7_FREQ_CTRL0 Register
            91. 14.2.3.1.2.91  MAIN_PLL_MMRCFG_PLL7_FREQ_CTRL1 Register
            92. 14.2.3.1.2.92  MAIN_PLL_MMRCFG_PLL7_DIV_CTRL Register
            93. 14.2.3.1.2.93  MAIN_PLL_MMRCFG_PLL7_SS_CTRL Register
            94. 14.2.3.1.2.94  MAIN_PLL_MMRCFG_PLL7_SS_SPREAD Register
            95. 14.2.3.1.2.95  MAIN_PLL_MMRCFG_PLL7_CAL_CTRL Register
            96. 14.2.3.1.2.96  MAIN_PLL_MMRCFG_PLL7_CAL_STAT Register
            97. 14.2.3.1.2.97  MAIN_PLL_MMRCFG_PLL7_HSDIV_CTRL0 Register
            98. 14.2.3.1.2.98  MAIN_PLL_MMRCFG_PLL7_HSDIV_CTRL1 Register
            99. 14.2.3.1.2.99  MAIN_PLL_MMRCFG_PLL14_PID Register
            100. 14.2.3.1.2.100 MAIN_PLL_MMRCFG_PLL14_CFG Register
            101. 14.2.3.1.2.101 MAIN_PLL_MMRCFG_PLL14_LOCKKEY0 Register
            102. 14.2.3.1.2.102 MAIN_PLL_MMRCFG_PLL14_LOCKKEY1 Register
            103. 14.2.3.1.2.103 MAIN_PLL_MMRCFG_PLL14_CTRL Register
            104. 14.2.3.1.2.104 MAIN_PLL_MMRCFG_PLL14_STAT Register
            105. 14.2.3.1.2.105 MAIN_PLL_MMRCFG_PLL14_FREQ_CTRL0 Register
            106. 14.2.3.1.2.106 MAIN_PLL_MMRCFG_PLL14_FREQ_CTRL1 Register
            107. 14.2.3.1.2.107 MAIN_PLL_MMRCFG_PLL14_DIV_CTRL Register
            108. 14.2.3.1.2.108 MAIN_PLL_MMRCFG_PLL14_SS_CTRL Register
            109. 14.2.3.1.2.109 MAIN_PLL_MMRCFG_PLL14_SS_SPREAD Register
            110. 14.2.3.1.2.110 MAIN_PLL_MMRCFG_PLL14_CAL_CTRL Register
            111. 14.2.3.1.2.111 MAIN_PLL_MMRCFG_PLL14_CAL_STAT Register
            112. 14.2.3.1.2.112 MAIN_PLL_MMRCFG_PLL14_HSDIV_CTRL0 Register
            113. 14.2.3.1.2.113 MAIN_PLL_MMRCFG_PLL14_HSDIV_CTRL1 Register
            114. 14.2.3.1.2.114 MAIN_PLL_MMRCFG_PLL15_PID Register
            115. 14.2.3.1.2.115 MAIN_PLL_MMRCFG_PLL15_CFG Register
            116. 14.2.3.1.2.116 MAIN_PLL_MMRCFG_PLL15_LOCKKEY0 Register
            117. 14.2.3.1.2.117 MAIN_PLL_MMRCFG_PLL15_LOCKKEY1 Register
            118. 14.2.3.1.2.118 MAIN_PLL_MMRCFG_PLL15_CTRL Register
            119. 14.2.3.1.2.119 MAIN_PLL_MMRCFG_PLL15_STAT Register
            120. 14.2.3.1.2.120 MAIN_PLL_MMRCFG_PLL15_FREQ_CTRL0 Register
            121. 14.2.3.1.2.121 MAIN_PLL_MMRCFG_PLL15_FREQ_CTRL1 Register
            122. 14.2.3.1.2.122 MAIN_PLL_MMRCFG_PLL15_DIV_CTRL Register
            123. 14.2.3.1.2.123 MAIN_PLL_MMRCFG_PLL15_SS_CTRL Register
            124. 14.2.3.1.2.124 MAIN_PLL_MMRCFG_PLL15_SS_SPREAD Register
            125. 14.2.3.1.2.125 MAIN_PLL_MMRCFG_PLL15_CAL_CTRL Register
            126. 14.2.3.1.2.126 MAIN_PLL_MMRCFG_PLL15_CAL_STAT Register
            127. 14.2.3.1.2.127 MAIN_PLL_MMRCFG_PLL15_HSDIV_CTRL0 Register
            128. 14.2.3.1.2.128 MAIN_PLL_MMRCFG_PLL15_HSDIV_CTRL1 Register
            129. 14.2.3.1.2.129 MAIN_PLL_MMRCFG_PLL15_HSDIV_CTRL2 Register
            130. 14.2.3.1.2.130 MAIN_PLL_MMRCFG_PLL15_HSDIV_CTRL3 Register
        2. 14.2.3.2 PLL
          1. 14.2.3.2.1 PLL Summaries
            1.         6844
          2. 14.2.3.2.2 PLL Registers
            1. 14.2.3.2.2.1  MCU_PLL_MMRCFG_PLL0_PID Register
            2. 14.2.3.2.2.2  MCU_PLL_MMRCFG_PLL0_CFG Register
            3. 14.2.3.2.2.3  MCU_PLL_MMRCFG_PLL0_LOCKKEY0 Register
            4. 14.2.3.2.2.4  MCU_PLL_MMRCFG_PLL0_LOCKKEY1 Register
            5. 14.2.3.2.2.5  MCU_PLL_MMRCFG_PLL0_CTRL Register
            6. 14.2.3.2.2.6  MCU_PLL_MMRCFG_PLL0_STAT Register
            7. 14.2.3.2.2.7  MCU_PLL_MMRCFG_PLL0_FREQ_CTRL0 Register
            8. 14.2.3.2.2.8  MCU_PLL_MMRCFG_PLL0_FREQ_CTRL1 Register
            9. 14.2.3.2.2.9  MCU_PLL_MMRCFG_PLL0_DIV_CTRL Register
            10. 14.2.3.2.2.10 MCU_PLL_MMRCFG_PLL0_SS_CTRL Register
            11. 14.2.3.2.2.11 MCU_PLL_MMRCFG_PLL0_SS_SPREAD Register
            12. 14.2.3.2.2.12 MCU_PLL_MMRCFG_PLL0_CAL_CTRL Register
            13. 14.2.3.2.2.13 MCU_PLL_MMRCFG_PLL0_CAL_STAT Register
            14. 14.2.3.2.2.14 MCU_PLL_MMRCFG_PLL0_HSDIV_CTRL0 Register
            15. 14.2.3.2.2.15 MCU_PLL_MMRCFG_PLL0_HSDIV_CTRL1 Register
            16. 14.2.3.2.2.16 MCU_PLL_MMRCFG_PLL0_HSDIV_CTRL2 Register
            17. 14.2.3.2.2.17 MCU_PLL_MMRCFG_PLL0_HSDIV_CTRL3 Register
            18. 14.2.3.2.2.18 MCU_PLL_MMRCFG_PLL0_HSDIV_CTRL4 Register
            19. 14.2.3.2.2.19 MCU_PLL_MMRCFG_PLL0_HSDIV_CTRL5 Register
            20. 14.2.3.2.2.20 MCU_PLL_MMRCFG_PLL0_HSDIV_CTRL6 Register
        3. 14.2.3.3 TIMESYNC_EVENT_INTROUTER
          1. 14.2.3.3.1 TIMESYNC_EVENT_INTROUTER Summaries
            1.         6868
          2. 14.2.3.3.2 TIMESYNC_EVENT_INTROUTER Registers
            1. 14.2.3.3.2.1 INTR_ROUTER_CFG_PID Register
            2. 14.2.3.3.2.2 INTR_ROUTER_CFG_MUXCNTL_J Register
    3. 14.3 Processors and Accelerators Registers
      1. 14.3.1 R5FSS Registers
        1. 14.3.1.1 R5FSS_COMMON0
          1. 14.3.1.1.1 R5FSS_COMMON0 Summaries
            1.         6876
          2. 14.3.1.1.2 R5FSS_COMMON0 Registers
            1. 14.3.1.1.2.1  ECC_AGGR_REV Register
            2. 14.3.1.1.2.2  ECC_AGGR_VECTOR Register
            3. 14.3.1.1.2.3  ECC_AGGR_STAT Register
            4. 14.3.1.1.2.4  ECC_AGGR_RESERVED_SVBUS_J Register
            5. 14.3.1.1.2.5  ECC_AGGR_SEC_EOI_REG Register
            6. 14.3.1.1.2.6  ECC_AGGR_SEC_STATUS_REG0 Register
            7. 14.3.1.1.2.7  ECC_AGGR_SEC_ENABLE_SET_REG0 Register
            8. 14.3.1.1.2.8  ECC_AGGR_SEC_ENABLE_CLR_REG0 Register
            9. 14.3.1.1.2.9  ECC_AGGR_DED_EOI_REG Register
            10. 14.3.1.1.2.10 ECC_AGGR_DED_STATUS_REG0 Register
            11. 14.3.1.1.2.11 ECC_AGGR_DED_ENABLE_SET_REG0 Register
            12. 14.3.1.1.2.12 ECC_AGGR_DED_ENABLE_CLR_REG0 Register
            13. 14.3.1.1.2.13 ECC_AGGR_AGGR_ENABLE_SET Register
            14. 14.3.1.1.2.14 ECC_AGGR_AGGR_ENABLE_CLR Register
            15. 14.3.1.1.2.15 ECC_AGGR_AGGR_STATUS_SET Register
            16. 14.3.1.1.2.16 ECC_AGGR_AGGR_STATUS_CLR Register
        2. 14.3.1.2 R5FSS_COMMON0
          1. 14.3.1.2.1 R5FSS_COMMON0 Summaries
            1.         6896
            2.         6897
          2. 14.3.1.2.2 R5FSS_COMMON0 Registers
            1. 14.3.1.2.2.1  R5FSS_COMMON0_COMPARE_CFG_CCMSR1 Register
            2. 14.3.1.2.2.2  R5FSS_COMMON0_COMPARE_CFG_CCMKEYR1 Register
            3. 14.3.1.2.2.3  R5FSS_COMMON0_COMPARE_CFG_CCMSR2 Register
            4. 14.3.1.2.2.4  R5FSS_COMMON0_COMPARE_CFG_CCMKEYR2 Register
            5. 14.3.1.2.2.5  R5FSS_COMMON0_COMPARE_CFG_CCMSR3 Register
            6. 14.3.1.2.2.6  R5FSS_COMMON0_COMPARE_CFG_CCMKEYR3 Register
            7. 14.3.1.2.2.7  R5FSS_COMMON0_COMPARE_CFG_CCMPOLCNTRL Register
            8. 14.3.1.2.2.8  R5FSS_COMMON0_EVNT_BUS_VBUSP_MMRS_DISABLE_CR Register
            9. 14.3.1.2.2.9  R5FSS_COMMON0_EVNT_BUS_VBUSP_MMRS_PULSAR_CPU0_EVNT_BUS_SB_ERR_CNT_STATUS Register
            10. 14.3.1.2.2.10 R5FSS_COMMON0_EVNT_BUS_VBUSP_MMRS_PULSAR_CPU1_EVNT_BUS_SB_ERR_CNT_STATUS Register
            11. 14.3.1.2.2.11 R5FSS_COMMON0_EVNT_BUS_VBUSP_MMRS_PULSAR_CPU0_EVNT_BUS_MB_ERR_CNT_STATUS Register
            12. 14.3.1.2.2.12 R5FSS_COMMON0_EVNT_BUS_VBUSP_MMRS_PULSAR_CPU1_EVNT_BUS_MB_ERR_CNT_STATUS Register
            13. 14.3.1.2.2.13 R5FSS_COMMON0_EVNT_BUS_VBUSP_MMRS_PULSAR_EVNT_BUS_ESM_STATUS Register
            14. 14.3.1.2.2.14 R5FSS_COMMON0_EVNT_BUS_VBUSP_MMRS_PULSAR_EVNT_BUS_ESM_SET Register
            15. 14.3.1.2.2.15 R5FSS_COMMON0_EVNT_BUS_VBUSP_MMRS_PULSAR_EVNT_BUS_ESM_CLR Register
            16. 14.3.1.2.2.16 R5FSS_COMMON0_EVNT_BUS_VBUSP_MMRS_PULSAR_EVNT_BUS_MASK_ESM_SET Register
            17. 14.3.1.2.2.17 R5FSS_COMMON0_EVNT_BUS_VBUSP_MMRS_PULSAR_EVNT_BUS_MASK_ESM_CLR Register
            18. 14.3.1.2.2.18 R5FSS_COMMON0_EVNT_BUS_VBUSP_MMRS_PULSAR_EVT_BUS_REVID Register
        3. 14.3.1.3 rl2_of_cba4
          1. 14.3.1.3.1 rl2_of_cba4 Summaries
            1.         6919
          2. 14.3.1.3.2 rl2_of_cba4 Registers
            1. 14.3.1.3.2.1  RL2_OF_CBA4_MOD_VER Register
            2. 14.3.1.3.2.2  RL2_OF_CBA4_L2_CTRL Register
            3. 14.3.1.3.2.3  RL2_OF_CBA4_L2_STS Register
            4. 14.3.1.3.2.4  RL2_OF_CBA4_L2_LO_LSW Register
            5. 14.3.1.3.2.5  RL2_OF_CBA4_L2_LO_MSW Register
            6. 14.3.1.3.2.6  RL2_OF_CBA4_L2_HI Register
            7. 14.3.1.3.2.7  RL2_OF_CBA4_L2_HI_MSW Register
            8. 14.3.1.3.2.8  RL2_OF_CBA4_L2HC Register
            9. 14.3.1.3.2.9  RL2_OF_CBA4_L2MC Register
            10. 14.3.1.3.2.10 RL2_OF_CBA4_IRQSTATUS_RAW Register
            11. 14.3.1.3.2.11 RL2_OF_CBA4_IRQSTATUS_MSK Register
            12. 14.3.1.3.2.12 RL2_OF_CBA4_IRQENABLE_SET Register
            13. 14.3.1.3.2.13 RL2_OF_CBA4_IRQENABLE_CLR Register
            14. 14.3.1.3.2.14 RL2_OF_CBA4_FLC_CFG Register
            15. 14.3.1.3.2.15 RL2_OF_CBA4_FLC_STS Register
            16. 14.3.1.3.2.16 RL2_OF_CBA4_FLC_DBG0 Register
            17. 14.3.1.3.2.17 RL2_OF_CBA4_FLC_DBG1 Register
            18. 14.3.1.3.2.18 RL2_OF_CBA4_FLC_DBG2 Register
            19. 14.3.1.3.2.19 RL2_OF_CBA4_RAT_CFG Register
            20. 14.3.1.3.2.20 RL2_OF_CBA4_TRK0_LO Register
            21. 14.3.1.3.2.21 RL2_OF_CBA4_TRK0_LO_MSW Register
            22. 14.3.1.3.2.22 RL2_OF_CBA4_TRK0_HI Register
            23. 14.3.1.3.2.23 RL2_OF_CBA4_TRK0_HI_MSW Register
            24. 14.3.1.3.2.24 RL2_OF_CBA4_TRK0_CTL Register
            25. 14.3.1.3.2.25 RL2_OF_CBA4_REM_ADR Register
            26. 14.3.1.3.2.26 RL2_OF_CBA4_REM_ADR_MSW Register
            27. 14.3.1.3.2.27 RL2_OF_CBA4_REM_LEN Register
            28. 14.3.1.3.2.28 RL2_OF_CBA4_FLC_LO_J Register
            29. 14.3.1.3.2.29 RL2_OF_CBA4_FLC_LO_MSW_J Register
            30. 14.3.1.3.2.30 RL2_OF_CBA4_FLC_HI_J Register
            31. 14.3.1.3.2.31 RL2_OF_CBA4_FLC_HI_MSW_J Register
            32. 14.3.1.3.2.32 RL2_OF_CBA4_FLC_RA_J Register
            33. 14.3.1.3.2.33 RL2_OF_CBA4_FLC_RA_MSW_J Register
            34. 14.3.1.3.2.34 RL2_OF_CBA4_FLC_CTL_J Register
      2. 14.3.2 DSP (C7x256v) Registers
        1. 14.3.2.1 C7X256V_CLEC
          1. 14.3.2.1.1 C7X256V_CLEC Summaries
            1.         6958
          2. 14.3.2.1.2 C7X256V_CLEC Registers
            1. 14.3.2.1.2.1 CLEC_EVT_GLOBAL_PID Register
            2. 14.3.2.1.2.2 CLEC_EVT_GLOBAL_GELRS Register
            3. 14.3.2.1.2.3 CLEC_EVT_GLOBAL_GELRNS Register
            4. 14.3.2.1.2.4 CLEC_EVT_CFG_MRR_J Register
            5. 14.3.2.1.2.5 CLEC_EVT_CFG_ESR_J Register
            6. 14.3.2.1.2.6 CLEC_EVT_CFG_ECR_J Register
            7. 14.3.2.1.2.7 CLEC_EVT_GLOBAL_SET_FLAG_EFR_J Register
            8. 14.3.2.1.2.8 CLEC_EVT_GLOBAL_DROP_FLAG_EDR_J Register
        2. 14.3.2.2 C7X256V_CORE0
          1. 14.3.2.2.1 C7X256V_CORE0 Summaries
            1.         6970
            2.         6971
          2. 14.3.2.2.2 C7X256V_CORE0 Registers
            1. 14.3.2.2.2.1  DRU_ATOMIC_CHATOMIC_DEBUG_ATOMIC_SUBMIT_CURR_TR_WORD0_1_J Register
            2. 14.3.2.2.2.2  DRU_ATOMIC_CHATOMIC_DEBUG_ATOMIC_SUBMIT_CURR_TR_WORD2_3_J Register
            3. 14.3.2.2.2.3  DRU_ATOMIC_CHATOMIC_DEBUG_ATOMIC_SUBMIT_CURR_TR_WORD4_5_J Register
            4. 14.3.2.2.2.4  DRU_ATOMIC_CHATOMIC_DEBUG_ATOMIC_SUBMIT_CURR_TR_WORD6_7_J Register
            5. 14.3.2.2.2.5  DRU_ATOMIC_CHATOMIC_DEBUG_ATOMIC_SUBMIT_CURR_TR_WORD8_9_J Register
            6. 14.3.2.2.2.6  DRU_ATOMIC_CHATOMIC_DEBUG_ATOMIC_SUBMIT_CURR_TR_WORD10_11_J Register
            7. 14.3.2.2.2.7  DRU_ATOMIC_CHATOMIC_DEBUG_ATOMIC_SUBMIT_CURR_TR_WORD12_13_J Register
            8. 14.3.2.2.2.8  DRU_ATOMIC_CHATOMIC_DEBUG_ATOMIC_SUBMIT_CURR_TR_WORD14_15_J Register
            9. 14.3.2.2.2.9  DRU_ATOMIC_CHATOMIC_DEBUG_DEBUG_NEXT_TR_WORD0_1_J_K Register
            10. 14.3.2.2.2.10 DRU_ATOMIC_CHATOMIC_DEBUG_DEBUG_NEXT_TR_WORD2_3_J_K Register
            11. 14.3.2.2.2.11 DRU_ATOMIC_CHATOMIC_DEBUG_DEBUG_NEXT_TR_WORD4_5_J_K Register
            12. 14.3.2.2.2.12 DRU_ATOMIC_CHATOMIC_DEBUG_DEBUG_NEXT_TR_WORD6_7_J_K Register
            13. 14.3.2.2.2.13 DRU_ATOMIC_CHATOMIC_DEBUG_DEBUG_NEXT_TR_WORD8_9_J_K Register
            14. 14.3.2.2.2.14 DRU_ATOMIC_CHATOMIC_DEBUG_DEBUG_NEXT_TR_WORD10_11_J_K Register
            15. 14.3.2.2.2.15 DRU_ATOMIC_CHATOMIC_DEBUG_DEBUG_NEXT_TR_WORD12_13_J_K Register
            16. 14.3.2.2.2.16 DRU_ATOMIC_CHATOMIC_DEBUG_DEBUG_NEXT_TR_WORD14_15_J_K Register
            17. 14.3.2.2.2.17 DRU_CHCORE_CHCORE_CORE_SUBMIT_WORD0_1_J_K Register
            18. 14.3.2.2.2.18 DRU_CHCORE_CHCORE_CORE_SUBMIT_WORD2_3_J_K Register
            19. 14.3.2.2.2.19 DRU_CHCORE_CHCORE_CORE_SUBMIT_WORD4_5_J_K Register
            20. 14.3.2.2.2.20 DRU_CHCORE_CHCORE_CORE_SUBMIT_WORD6_7_J_K Register
            21. 14.3.2.2.2.21 DRU_CHCORE_CHCORE_CORE_SUBMIT_WORD8_9_J_K Register
            22. 14.3.2.2.2.22 DRU_CHCORE_CHCORE_CORE_SUBMIT_WORD10_11_J_K Register
            23. 14.3.2.2.2.23 DRU_CHCORE_CHCORE_CORE_SUBMIT_WORD12_13_J_K Register
            24. 14.3.2.2.2.24 DRU_CHCORE_CHCORE_CORE_SUBMIT_WORD14_15_J_K Register
        3. 14.3.2.3 C7X256V_DEBUG
          1. 14.3.2.3.1 C7X256V_DEBUG Summaries
            1.         6999
            2.         7000
            3.         7001
            4.         7002
            5.         7003
            6.         7004
            7.         7005
          2. 14.3.2.3.2 C7X256V_DEBUG Registers
            1. 14.3.2.3.2.1   THINMAN_REG_DBG_CAP Register
            2. 14.3.2.3.2.2   THINMAN_REG_DBG_PID Register
            3. 14.3.2.3.2.3   THINMAN_REG_DBG_CNTL Register
            4. 14.3.2.3.2.4   THINMAN_REG_DBG_STAT Register
            5. 14.3.2.3.2.5   THINMAN_REG_DBG_OWN Register
            6. 14.3.2.3.2.6   THINMAN_REG_DBG_INDRCT_CAP0 Register
            7. 14.3.2.3.2.7   THINMAN_REG_DBG_INDRCT_CAP1 Register
            8. 14.3.2.3.2.8   THINMAN_REG_DBG_INDRCT_CNTL Register
            9. 14.3.2.3.2.9   THINMAN_REG_DBG_INDRCT_CTXT0 Register
            10. 14.3.2.3.2.10  THINMAN_REG_DBG_INDRCT_CTXT1 Register
            11. 14.3.2.3.2.11  THINMAN_REG_DBG_INDRCT_CTXT2 Register
            12. 14.3.2.3.2.12  THINMAN_REG_DBG_INDRCT_ADDR0 Register
            13. 14.3.2.3.2.13  THINMAN_REG_DBG_INDRCT_ADDR1 Register
            14. 14.3.2.3.2.14  THINMAN_REG_DBG_INDRCT_DATA0 Register
            15. 14.3.2.3.2.15  THINMAN_REG_DBG_INDRCT_DATA1 Register
            16. 14.3.2.3.2.16  THINMAN_REG_DBG_HWBP_0_CNTL Register
            17. 14.3.2.3.2.17  THINMAN_REG_DBG_HWBP_0_CTXT0 Register
            18. 14.3.2.3.2.18  THINMAN_REG_DBG_HWBP_0_CTXT1 Register
            19. 14.3.2.3.2.19  THINMAN_REG_DBG_HWBP_0_CTXT2 Register
            20. 14.3.2.3.2.20  THINMAN_REG_DBG_HWBP_0_ADDR0 Register
            21. 14.3.2.3.2.21  THINMAN_REG_DBG_HWBP_0_ADDR1 Register
            22. 14.3.2.3.2.22  THINMAN_REG_DBG_HWBP_0_AMASK0 Register
            23. 14.3.2.3.2.23  THINMAN_REG_DBG_HWBP_0_AMASK1 Register
            24. 14.3.2.3.2.24  THINMAN_REG_DBG_HWBP_1_CNTL Register
            25. 14.3.2.3.2.25  THINMAN_REG_DBG_HWBP_1_CTXT0 Register
            26. 14.3.2.3.2.26  THINMAN_REG_DBG_HWBP_1_CTXT1 Register
            27. 14.3.2.3.2.27  THINMAN_REG_DBG_HWBP_1_CTXT2 Register
            28. 14.3.2.3.2.28  THINMAN_REG_DBG_HWBP_1_ADDR0 Register
            29. 14.3.2.3.2.29  THINMAN_REG_DBG_HWBP_1_ADDR1 Register
            30. 14.3.2.3.2.30  THINMAN_REG_DBG_HWBP_1_AMASK0 Register
            31. 14.3.2.3.2.31  THINMAN_REG_DBG_HWBP_1_AMASK1 Register
            32. 14.3.2.3.2.32  THINMAN_REG_DBG_HWBP_2_CNTL Register
            33. 14.3.2.3.2.33  THINMAN_REG_DBG_HWBP_2_CTXT0 Register
            34. 14.3.2.3.2.34  THINMAN_REG_DBG_HWBP_2_CTXT1 Register
            35. 14.3.2.3.2.35  THINMAN_REG_DBG_HWBP_2_CTXT2 Register
            36. 14.3.2.3.2.36  THINMAN_REG_DBG_HWBP_2_ADDR0 Register
            37. 14.3.2.3.2.37  THINMAN_REG_DBG_HWBP_2_ADDR1 Register
            38. 14.3.2.3.2.38  THINMAN_REG_DBG_HWBP_2_AMASK0 Register
            39. 14.3.2.3.2.39  THINMAN_REG_DBG_HWBP_2_AMASK1 Register
            40. 14.3.2.3.2.40  THINMAN_REG_DBG_HWBP_3_CNTL Register
            41. 14.3.2.3.2.41  THINMAN_REG_DBG_HWBP_3_CTXT0 Register
            42. 14.3.2.3.2.42  THINMAN_REG_DBG_HWBP_3_CTXT1 Register
            43. 14.3.2.3.2.43  THINMAN_REG_DBG_HWBP_3_CTXT2 Register
            44. 14.3.2.3.2.44  THINMAN_REG_DBG_HWBP_3_ADDR0 Register
            45. 14.3.2.3.2.45  THINMAN_REG_DBG_HWBP_3_ADDR1 Register
            46. 14.3.2.3.2.46  THINMAN_REG_DBG_HWBP_3_AMASK0 Register
            47. 14.3.2.3.2.47  THINMAN_REG_DBG_HWBP_3_AMASK1 Register
            48. 14.3.2.3.2.48  THINMAN_REG_DBG_HWWP_0_CNTL Register
            49. 14.3.2.3.2.49  THINMAN_REG_DBG_HWWP_0_CTXT0 Register
            50. 14.3.2.3.2.50  THINMAN_REG_DBG_HWWP_0_CTXT1 Register
            51. 14.3.2.3.2.51  THINMAN_REG_DBG_HWWP_0_CTXT2 Register
            52. 14.3.2.3.2.52  THINMAN_REG_DBG_HWWP_0_ADDR0 Register
            53. 14.3.2.3.2.53  THINMAN_REG_DBG_HWWP_0_ADDR1 Register
            54. 14.3.2.3.2.54  THINMAN_REG_DBG_HWWP_0_AMASK0 Register
            55. 14.3.2.3.2.55  THINMAN_REG_DBG_HWWP_0_AMASK1 Register
            56. 14.3.2.3.2.56  COLUMBO_COLUMBO_REG_AET_PID Register
            57. 14.3.2.3.2.57  COLUMBO_COLUMBO_REG_AET_OWN Register
            58. 14.3.2.3.2.58  COLUMBO_COLUMBO_REG_AET_STAT Register
            59. 14.3.2.3.2.59  COLUMBO_COLUMBO_REG_AET_EVT Register
            60. 14.3.2.3.2.60  COLUMBO_COLUMBO_REG_AET_PC_0 Register
            61. 14.3.2.3.2.61  COLUMBO_COLUMBO_REG_AET_PC_1 Register
            62. 14.3.2.3.2.62  COLUMBO_COLUMBO_REG_IAR_ADD Register
            63. 14.3.2.3.2.63  COLUMBO_COLUMBO_REG_IAR_DAT Register
            64. 14.3.2.3.2.64  MATLOCK_REG_TRC_ID Register
            65. 14.3.2.3.2.65  MATLOCK_REG_TRC_OWN Register
            66. 14.3.2.3.2.66  MATLOCK_REG_TRC_CNTL Register
            67. 14.3.2.3.2.67  MATLOCK_REG_TRC_PER_CNT Register
            68. 14.3.2.3.2.68  MATLOCK_REG_TRC_STAT Register
            69. 14.3.2.3.2.69  MATLOCK_REG_TRC_TRIG0_CNTL_STAT Register
            70. 14.3.2.3.2.70  MATLOCK_REG_TRC_TRIG1_CNTL_STAT Register
            71. 14.3.2.3.2.71  MATLOCK_REG_TRC_TIMESTAMP_CNT_REG0 Register
            72. 14.3.2.3.2.72  MATLOCK_REG_TRC_TIMESTAMP_CNT_REG1 Register
            73. 14.3.2.3.2.73  MATLOCK_REG_TRC_EXPT_CNTL Register
            74. 14.3.2.3.2.74  MATLOCK_REG_TRC_EXPT_STAT Register
            75. 14.3.2.3.2.75  MATLOCK_REG_TRC_EXPT_ATID Register
            76. 14.3.2.3.2.76  CSCTI_CTICONTROL Register
            77. 14.3.2.3.2.77  CSCTI_CTIINTACK Register
            78. 14.3.2.3.2.78  CSCTI_CTIAPPSET Register
            79. 14.3.2.3.2.79  CSCTI_CTIAPPCLR Register
            80. 14.3.2.3.2.80  CSCTI_CTIAPPPULSE Register
            81. 14.3.2.3.2.81  CSCTI_CTIINEN0 Register
            82. 14.3.2.3.2.82  CSCTI_CTIINEN1 Register
            83. 14.3.2.3.2.83  CSCTI_CTIINEN2 Register
            84. 14.3.2.3.2.84  CSCTI_CTIINEN3 Register
            85. 14.3.2.3.2.85  CSCTI_CTIINEN4 Register
            86. 14.3.2.3.2.86  CSCTI_CTIINEN5 Register
            87. 14.3.2.3.2.87  CSCTI_CTIINEN6 Register
            88. 14.3.2.3.2.88  CSCTI_CTIINEN7 Register
            89. 14.3.2.3.2.89  CSCTI_CTIOUTEN0 Register
            90. 14.3.2.3.2.90  CSCTI_CTIOUTEN1 Register
            91. 14.3.2.3.2.91  CSCTI_CTIOUTEN2 Register
            92. 14.3.2.3.2.92  CSCTI_CTIOUTEN3 Register
            93. 14.3.2.3.2.93  CSCTI_CTIOUTEN4 Register
            94. 14.3.2.3.2.94  CSCTI_CTIOUTEN5 Register
            95. 14.3.2.3.2.95  CSCTI_CTIOUTEN6 Register
            96. 14.3.2.3.2.96  CSCTI_CTIOUTEN7 Register
            97. 14.3.2.3.2.97  CSCTI_CTITRIGINSTATUS Register
            98. 14.3.2.3.2.98  CSCTI_CTITRIGOUTSTATUS Register
            99. 14.3.2.3.2.99  CSCTI_CTICHINSTATUS Register
            100. 14.3.2.3.2.100 CSCTI_CTICHOUTSTATUS Register
            101. 14.3.2.3.2.101 CSCTI_CTIGATE Register
            102. 14.3.2.3.2.102 CSCTI_ASICCTL Register
            103. 14.3.2.3.2.103 CSCTI_ITCHINACK Register
            104. 14.3.2.3.2.104 CSCTI_ITTRIGINACK Register
            105. 14.3.2.3.2.105 CSCTI_ITCHOUT Register
            106. 14.3.2.3.2.106 CSCTI_ITTRIGOUT Register
            107. 14.3.2.3.2.107 CSCTI_ITCHOUTACK Register
            108. 14.3.2.3.2.108 CSCTI_ITTRIGOUTACK Register
            109. 14.3.2.3.2.109 CSCTI_ITCHIN Register
            110. 14.3.2.3.2.110 CSCTI_ITTRIGIN Register
            111. 14.3.2.3.2.111 CSCTI_ITCTRL Register
            112. 14.3.2.3.2.112 CSCTI_CLAIMSET Register
            113. 14.3.2.3.2.113 CSCTI_CLAIMCLR Register
            114. 14.3.2.3.2.114 CSCTI_LOCKACCESS Register
            115. 14.3.2.3.2.115 CSCTI_LOCKSTATUS Register
            116. 14.3.2.3.2.116 CSCTI_AUTHSTATUS Register
            117. 14.3.2.3.2.117 CSCTI_DEVID Register
            118. 14.3.2.3.2.118 CSCTI_DEVTYPE Register
            119. 14.3.2.3.2.119 CSCTI_PERIPHID4 Register
            120. 14.3.2.3.2.120 CSCTI_PERIPHID0 Register
            121. 14.3.2.3.2.121 CSCTI_PERIPHID1 Register
            122. 14.3.2.3.2.122 CSCTI_PERIPHID2 Register
            123. 14.3.2.3.2.123 CSCTI_PERIPHID3 Register
            124. 14.3.2.3.2.124 CSCTI_COMPID0 Register
            125. 14.3.2.3.2.125 CSCTI_COMPID1 Register
            126. 14.3.2.3.2.126 CSCTI_COMPID2 Register
            127. 14.3.2.3.2.127 CSCTI_COMPID3 Register
            128. 14.3.2.3.2.128 CTSET2_CFG_CTSETID Register
            129. 14.3.2.3.2.129 CTSET2_CFG_CTSETSYSCFG Register
            130. 14.3.2.3.2.130 CTSET2_CFG_SETSTR Register
            131. 14.3.2.3.2.131 CTSET2_CFG_DBGTIMELOW Register
            132. 14.3.2.3.2.132 CTSET2_CFG_DBGTIMEHI Register
            133. 14.3.2.3.2.133 CTSET2_CFG_CTSETCFG Register
            134. 14.3.2.3.2.134 CTSET2_CFG_SETSPLREG Register
            135. 14.3.2.3.2.135 CTSET2_CFG_SETEVTENBL1 Register
            136. 14.3.2.3.2.136 CTSET2_CFG_SETEVTENBL2 Register
            137. 14.3.2.3.2.137 CTSET2_CFG_SETEVTENBL3 Register
            138. 14.3.2.3.2.138 CTSET2_CFG_SETEVTENBL4 Register
            139. 14.3.2.3.2.139 CTSET2_CFG_SETEVTENBL5 Register
            140. 14.3.2.3.2.140 CTSET2_CFG_SETEVTENBL6 Register
            141. 14.3.2.3.2.141 CTSET2_CFG_SETEVTENBL7 Register
            142. 14.3.2.3.2.142 CTSET2_CFG_SETEVTENBL8 Register
            143. 14.3.2.3.2.143 CTSET2_CFG_SETMSTID Register
            144. 14.3.2.3.2.144 CTSET2_CFG_CTCNTL Register
            145. 14.3.2.3.2.145 CTSET2_CFG_CTNUMDBG Register
            146. 14.3.2.3.2.146 CTSET2_CFG_CTUSERACCCTL Register
            147. 14.3.2.3.2.147 CTSET2_CFG_CTSTMCNTL Register
            148. 14.3.2.3.2.148 CTSET2_CFG_CTSTMMSTID Register
            149. 14.3.2.3.2.149 CTSET2_CFG_CTSTMINTVL Register
            150. 14.3.2.3.2.150 CTSET2_CFG_CTSTMSEL0 Register
            151. 14.3.2.3.2.151 CTSET2_CFG_CTSTMSEL1 Register
            152. 14.3.2.3.2.152 CTSET2_CFG_CTDBGSGL0 Register
            153. 14.3.2.3.2.153 CTSET2_CFG_CTDBGSGL1 Register
            154. 14.3.2.3.2.154 CTSET2_CFG_CTDBGSGL2 Register
            155. 14.3.2.3.2.155 CTSET2_CFG_CTDBGSGL3 Register
            156. 14.3.2.3.2.156 CTSET2_CFG_CTDBGSGL4 Register
            157. 14.3.2.3.2.157 CTSET2_CFG_CTDBGSGL5 Register
            158. 14.3.2.3.2.158 CTSET2_CFG_CTDBGSGL6 Register
            159. 14.3.2.3.2.159 CTSET2_CFG_CTDBGSGL7 Register
            160. 14.3.2.3.2.160 CTSET2_CFG_CTGNBL0 Register
            161. 14.3.2.3.2.161 CTSET2_CFG_CTGNBL1 Register
            162. 14.3.2.3.2.162 CTSET2_CFG_CTGRST0 Register
            163. 14.3.2.3.2.163 CTSET2_CFG_CTGRST1 Register
            164. 14.3.2.3.2.164 CTSET2_CFG_CTCR0 Register
            165. 14.3.2.3.2.165 CTSET2_CFG_CTCR1 Register
            166. 14.3.2.3.2.166 CTSET2_CFG_CTCR2 Register
            167. 14.3.2.3.2.167 CTSET2_CFG_CTCR3 Register
            168. 14.3.2.3.2.168 CTSET2_CFG_CTCR4 Register
            169. 14.3.2.3.2.169 CTSET2_CFG_CTCR5 Register
            170. 14.3.2.3.2.170 CTSET2_CFG_CTCR6 Register
            171. 14.3.2.3.2.171 CTSET2_CFG_CTCR7 Register
            172. 14.3.2.3.2.172 CTSET2_CFG_CTCR8 Register
            173. 14.3.2.3.2.173 CTSET2_CFG_CTCR9 Register
            174. 14.3.2.3.2.174 CTSET2_CFG_CTCR10 Register
            175. 14.3.2.3.2.175 CTSET2_CFG_CTCR11 Register
            176. 14.3.2.3.2.176 CTSET2_CFG_CTCR12 Register
            177. 14.3.2.3.2.177 CTSET2_CFG_CTCR13 Register
            178. 14.3.2.3.2.178 CTSET2_CFG_CTCR14 Register
            179. 14.3.2.3.2.179 CTSET2_CFG_CTCR15 Register
            180. 14.3.2.3.2.180 CTSET2_CFG_CTCR16 Register
            181. 14.3.2.3.2.181 CTSET2_CFG_CTCR17 Register
            182. 14.3.2.3.2.182 CTSET2_CFG_CTCR18 Register
            183. 14.3.2.3.2.183 CTSET2_CFG_CTCR19 Register
            184. 14.3.2.3.2.184 CTSET2_CFG_CTCR20 Register
            185. 14.3.2.3.2.185 CTSET2_CFG_CTCR21 Register
            186. 14.3.2.3.2.186 CTSET2_CFG_CTCR22 Register
            187. 14.3.2.3.2.187 CTSET2_CFG_CTCR23 Register
            188. 14.3.2.3.2.188 CTSET2_CFG_CTCR24 Register
            189. 14.3.2.3.2.189 CTSET2_CFG_CTCR25 Register
            190. 14.3.2.3.2.190 CTSET2_CFG_CTCR26 Register
            191. 14.3.2.3.2.191 CTSET2_CFG_CTCR27 Register
            192. 14.3.2.3.2.192 CTSET2_CFG_CTCR28 Register
            193. 14.3.2.3.2.193 CTSET2_CFG_CTCR29 Register
            194. 14.3.2.3.2.194 CTSET2_CFG_CTCR30 Register
            195. 14.3.2.3.2.195 CTSET2_CFG_CTCR31 Register
            196. 14.3.2.3.2.196 CTSET2_CFG_CTOWN0 Register
            197. 14.3.2.3.2.197 CTSET2_CFG_CTOWN1 Register
            198. 14.3.2.3.2.198 CTSET2_CFG_CTOWN2 Register
            199. 14.3.2.3.2.199 CTSET2_CFG_CTOWN3 Register
            200. 14.3.2.3.2.200 CTSET2_CFG_CTOWN4 Register
            201. 14.3.2.3.2.201 CTSET2_CFG_CTOWN5 Register
            202. 14.3.2.3.2.202 CTSET2_CFG_CTOWN6 Register
            203. 14.3.2.3.2.203 CTSET2_CFG_CTOWN7 Register
            204. 14.3.2.3.2.204 CTSET2_CFG_CTOWN8 Register
            205. 14.3.2.3.2.205 CTSET2_CFG_CTOWN9 Register
            206. 14.3.2.3.2.206 CTSET2_CFG_CTOWN10 Register
            207. 14.3.2.3.2.207 CTSET2_CFG_CTOWN11 Register
            208. 14.3.2.3.2.208 CTSET2_CFG_CTOWN12 Register
            209. 14.3.2.3.2.209 CTSET2_CFG_CTOWN13 Register
            210. 14.3.2.3.2.210 CTSET2_CFG_CTOWN14 Register
            211. 14.3.2.3.2.211 CTSET2_CFG_CTOWN15 Register
            212. 14.3.2.3.2.212 CTSET2_CFG_CTOWN16 Register
            213. 14.3.2.3.2.213 CTSET2_CFG_CTOWN17 Register
            214. 14.3.2.3.2.214 CTSET2_CFG_CTOWN18 Register
            215. 14.3.2.3.2.215 CTSET2_CFG_CTOWN19 Register
            216. 14.3.2.3.2.216 CTSET2_CFG_CTOWN20 Register
            217. 14.3.2.3.2.217 CTSET2_CFG_CTOWN21 Register
            218. 14.3.2.3.2.218 CTSET2_CFG_CTOWN22 Register
            219. 14.3.2.3.2.219 CTSET2_CFG_CTOWN23 Register
            220. 14.3.2.3.2.220 CTSET2_CFG_CTOWN24 Register
            221. 14.3.2.3.2.221 CTSET2_CFG_CTOWN25 Register
            222. 14.3.2.3.2.222 CTSET2_CFG_CTOWN26 Register
            223. 14.3.2.3.2.223 CTSET2_CFG_CTOWN27 Register
            224. 14.3.2.3.2.224 CTSET2_CFG_CTOWN28 Register
            225. 14.3.2.3.2.225 CTSET2_CFG_CTOWN29 Register
            226. 14.3.2.3.2.226 CTSET2_CFG_CTOWN30 Register
            227. 14.3.2.3.2.227 CTSET2_CFG_CTOWN31 Register
            228. 14.3.2.3.2.228 CTSET2_CFG_CTFILT0 Register
            229. 14.3.2.3.2.229 CTSET2_CFG_CTFILT1 Register
            230. 14.3.2.3.2.230 CTSET2_CFG_CTFILT2 Register
            231. 14.3.2.3.2.231 CTSET2_CFG_CTFILT3 Register
            232. 14.3.2.3.2.232 CTSET2_CFG_CTFILT4 Register
            233. 14.3.2.3.2.233 CTSET2_CFG_CTFILT5 Register
            234. 14.3.2.3.2.234 CTSET2_CFG_CTFILT6 Register
            235. 14.3.2.3.2.235 CTSET2_CFG_CTFILT7 Register
            236. 14.3.2.3.2.236 CTSET2_CFG_CTFILT8 Register
            237. 14.3.2.3.2.237 CTSET2_CFG_CTFILT9 Register
            238. 14.3.2.3.2.238 CTSET2_CFG_CTFILT10 Register
            239. 14.3.2.3.2.239 CTSET2_CFG_CTFILT11 Register
            240. 14.3.2.3.2.240 CTSET2_CFG_CTFILT12 Register
            241. 14.3.2.3.2.241 CTSET2_CFG_CTFILT13 Register
            242. 14.3.2.3.2.242 CTSET2_CFG_CTFILT14 Register
            243. 14.3.2.3.2.243 CTSET2_CFG_CTFILT15 Register
            244. 14.3.2.3.2.244 CTSET2_CFG_CTFILT16 Register
            245. 14.3.2.3.2.245 CTSET2_CFG_CTFILT17 Register
            246. 14.3.2.3.2.246 CTSET2_CFG_CTFILT18 Register
            247. 14.3.2.3.2.247 CTSET2_CFG_CTFILT19 Register
            248. 14.3.2.3.2.248 CTSET2_CFG_CTFILT20 Register
            249. 14.3.2.3.2.249 CTSET2_CFG_CTFILT21 Register
            250. 14.3.2.3.2.250 CTSET2_CFG_CTFILT22 Register
            251. 14.3.2.3.2.251 CTSET2_CFG_CTFILT23 Register
            252. 14.3.2.3.2.252 CTSET2_CFG_CTFILT24 Register
            253. 14.3.2.3.2.253 CTSET2_CFG_CTFILT25 Register
            254. 14.3.2.3.2.254 CTSET2_CFG_CTFILT26 Register
            255. 14.3.2.3.2.255 CTSET2_CFG_CTFILT27 Register
            256. 14.3.2.3.2.256 CTSET2_CFG_CTFILT28 Register
            257. 14.3.2.3.2.257 CTSET2_CFG_CTFILT29 Register
            258. 14.3.2.3.2.258 CTSET2_CFG_CTFILT30 Register
            259. 14.3.2.3.2.259 CTSET2_CFG_CTFILT31 Register
            260. 14.3.2.3.2.260 CTSET2_CFG_CTCNTR0 Register
            261. 14.3.2.3.2.261 CTSET2_CFG_CTCNTR1 Register
            262. 14.3.2.3.2.262 CTSET2_CFG_CTCNTR2 Register
            263. 14.3.2.3.2.263 CTSET2_CFG_CTCNTR3 Register
            264. 14.3.2.3.2.264 CTSET2_CFG_CTCNTR4 Register
            265. 14.3.2.3.2.265 CTSET2_CFG_CTCNTR5 Register
            266. 14.3.2.3.2.266 CTSET2_CFG_CTCNTR6 Register
            267. 14.3.2.3.2.267 CTSET2_CFG_CTCNTR7 Register
            268. 14.3.2.3.2.268 CTSET2_CFG_CTCNTR8 Register
            269. 14.3.2.3.2.269 CTSET2_CFG_CTCNTR9 Register
            270. 14.3.2.3.2.270 CTSET2_CFG_CTCNTR10 Register
            271. 14.3.2.3.2.271 CTSET2_CFG_CTCNTR11 Register
            272. 14.3.2.3.2.272 CTSET2_CFG_CTCNTR12 Register
            273. 14.3.2.3.2.273 CTSET2_CFG_CTCNTR13 Register
            274. 14.3.2.3.2.274 CTSET2_CFG_CTCNTR14 Register
            275. 14.3.2.3.2.275 CTSET2_CFG_CTCNTR15 Register
            276. 14.3.2.3.2.276 CTSET2_CFG_CTCNTR16 Register
            277. 14.3.2.3.2.277 CTSET2_CFG_CTCNTR17 Register
            278. 14.3.2.3.2.278 CTSET2_CFG_CTCNTR18 Register
            279. 14.3.2.3.2.279 CTSET2_CFG_CTCNTR19 Register
            280. 14.3.2.3.2.280 CTSET2_CFG_CTCNTR20 Register
            281. 14.3.2.3.2.281 CTSET2_CFG_CTCNTR21 Register
            282. 14.3.2.3.2.282 CTSET2_CFG_CTCNTR22 Register
            283. 14.3.2.3.2.283 CTSET2_CFG_CTCNTR23 Register
            284. 14.3.2.3.2.284 CTSET2_CFG_CTCNTR24 Register
            285. 14.3.2.3.2.285 CTSET2_CFG_CTCNTR25 Register
            286. 14.3.2.3.2.286 CTSET2_CFG_CTCNTR26 Register
            287. 14.3.2.3.2.287 CTSET2_CFG_CTCNTR27 Register
            288. 14.3.2.3.2.288 CTSET2_CFG_CTCNTR28 Register
            289. 14.3.2.3.2.289 CTSET2_CFG_CTCNTR29 Register
            290. 14.3.2.3.2.290 CTSET2_CFG_CTCNTR30 Register
            291. 14.3.2.3.2.291 CTSET2_CFG_CTCNTR31 Register
            292. 14.3.2.3.2.292 CTSET2_CFG_CT_EOI Register
            293. 14.3.2.3.2.293 CTSET2_CFG_CTIRQSTAT_RAW Register
            294. 14.3.2.3.2.294 CTSET2_CFG_CTIRQSTAT Register
            295. 14.3.2.3.2.295 CTSET2_CFG_CTIRQENABLE_SET Register
            296. 14.3.2.3.2.296 CTSET2_CFG_CTIRQENABLE_CLR Register
            297. 14.3.2.3.2.297 CTSET2_CFG_STPTCR Register
            298. 14.3.2.3.2.298 CTSET2_CFG_STPTID Register
            299. 14.3.2.3.2.299 CTSET2_CFG_STPASYNC Register
            300. 14.3.2.3.2.300 CTSET2_CFG_STPFFCR Register
            301. 14.3.2.3.2.301 CTSET2_CFG_STPFEAT1 Register
            302. 14.3.2.3.2.302 C7X256V_DEBUG_DBG_AGR0_MMR_AGGREGATOR_ID Register
            303. 14.3.2.3.2.303 C7X256V_DEBUG_DBG_AGR0_MMR_AGGREGATOR_CNTL Register
            304. 14.3.2.3.2.304 C7X256V_DEBUG_DBG_AGR0_MMR_AGGREGATOR_OWN Register
            305. 14.3.2.3.2.305 C7X256V_DEBUG_DBG_AGR0_MMR_CONT_READ_PORT0 Register
            306. 14.3.2.3.2.306 C7X256V_DEBUG_DBG_AGR0_MMR_CONT_READ_ADDR0 Register
            307. 14.3.2.3.2.307 C7X256V_DEBUG_DBG_AGR0_MMR_CONT_READ_DATA0 Register
            308. 14.3.2.3.2.308 C7X256V_DEBUG_DBG_AGR0_MMR_CONT_READ_PORT1 Register
            309. 14.3.2.3.2.309 C7X256V_DEBUG_DBG_AGR0_MMR_CONT_READ_ADDR1 Register
            310. 14.3.2.3.2.310 C7X256V_DEBUG_DBG_AGR0_MMR_CONT_READ_DATA1 Register
            311. 14.3.2.3.2.311 C7X256V_DEBUG_DBG_AGR0_MMR_CONT_READ_PORT2 Register
            312. 14.3.2.3.2.312 C7X256V_DEBUG_DBG_AGR0_MMR_CONT_READ_ADDR2 Register
            313. 14.3.2.3.2.313 C7X256V_DEBUG_DBG_AGR0_MMR_CONT_READ_DATA2 Register
            314. 14.3.2.3.2.314 C7X256V_DEBUG_DBG_AGR0_MMR_CONT_READ_PORT3 Register
            315. 14.3.2.3.2.315 C7X256V_DEBUG_DBG_AGR0_MMR_CONT_READ_ADDR3 Register
            316. 14.3.2.3.2.316 C7X256V_DEBUG_DBG_AGR0_MMR_CONT_READ_DATA3 Register
            317. 14.3.2.3.2.317 C7X256V_DEBUG_DBG_AGR0_MEM_CFG_STP_TRACE_CONTROL Register
            318. 14.3.2.3.2.318 C7X256V_DEBUG_DBG_AGR0_MEM_CFG_STP_TRACE_ID Register
            319. 14.3.2.3.2.319 C7X256V_DEBUG_DBG_AGR0_MEM_CFG_STP_SYNC_CONTROL Register
            320. 14.3.2.3.2.320 C7X256V_DEBUG_DBG_AGR0_MEM_CFG_STP_FLUSH_CONTROL Register
            321. 14.3.2.3.2.321 C7X256V_DEBUG_DBG_AGR0_MEM_CFG_STP_FEATURES Register
        4. 14.3.2.4 C7X256V_DEBUG
          1. 14.3.2.4.1 C7X256V_DEBUG Summaries
            1.         7330
            2.         7331
          2. 14.3.2.4.2 C7X256V_DEBUG Registers
            1. 14.3.2.4.2.1   CTSET2_CFG_CTSETID Register
            2. 14.3.2.4.2.2   CTSET2_CFG_CTSETSYSCFG Register
            3. 14.3.2.4.2.3   CTSET2_CFG_SETSTR Register
            4. 14.3.2.4.2.4   CTSET2_CFG_DBGTIMELOW Register
            5. 14.3.2.4.2.5   CTSET2_CFG_DBGTIMEHI Register
            6. 14.3.2.4.2.6   CTSET2_CFG_CTSETCFG Register
            7. 14.3.2.4.2.7   CTSET2_CFG_SETSPLREG Register
            8. 14.3.2.4.2.8   CTSET2_CFG_SETEVTENBL1 Register
            9. 14.3.2.4.2.9   CTSET2_CFG_SETEVTENBL2 Register
            10. 14.3.2.4.2.10  CTSET2_CFG_SETEVTENBL3 Register
            11. 14.3.2.4.2.11  CTSET2_CFG_SETEVTENBL4 Register
            12. 14.3.2.4.2.12  CTSET2_CFG_SETEVTENBL5 Register
            13. 14.3.2.4.2.13  CTSET2_CFG_SETEVTENBL6 Register
            14. 14.3.2.4.2.14  CTSET2_CFG_SETEVTENBL7 Register
            15. 14.3.2.4.2.15  CTSET2_CFG_SETEVTENBL8 Register
            16. 14.3.2.4.2.16  CTSET2_CFG_SETMSTID Register
            17. 14.3.2.4.2.17  CTSET2_CFG_CTCNTL Register
            18. 14.3.2.4.2.18  CTSET2_CFG_CTNUMDBG Register
            19. 14.3.2.4.2.19  CTSET2_CFG_CTUSERACCCTL Register
            20. 14.3.2.4.2.20  CTSET2_CFG_CTSTMCNTL Register
            21. 14.3.2.4.2.21  CTSET2_CFG_CTSTMMSTID Register
            22. 14.3.2.4.2.22  CTSET2_CFG_CTSTMINTVL Register
            23. 14.3.2.4.2.23  CTSET2_CFG_CTSTMSEL0 Register
            24. 14.3.2.4.2.24  CTSET2_CFG_CTSTMSEL1 Register
            25. 14.3.2.4.2.25  CTSET2_CFG_CTDBGSGL0 Register
            26. 14.3.2.4.2.26  CTSET2_CFG_CTDBGSGL1 Register
            27. 14.3.2.4.2.27  CTSET2_CFG_CTDBGSGL2 Register
            28. 14.3.2.4.2.28  CTSET2_CFG_CTDBGSGL3 Register
            29. 14.3.2.4.2.29  CTSET2_CFG_CTDBGSGL4 Register
            30. 14.3.2.4.2.30  CTSET2_CFG_CTDBGSGL5 Register
            31. 14.3.2.4.2.31  CTSET2_CFG_CTDBGSGL6 Register
            32. 14.3.2.4.2.32  CTSET2_CFG_CTDBGSGL7 Register
            33. 14.3.2.4.2.33  CTSET2_CFG_CTGNBL0 Register
            34. 14.3.2.4.2.34  CTSET2_CFG_CTGNBL1 Register
            35. 14.3.2.4.2.35  CTSET2_CFG_CTGRST0 Register
            36. 14.3.2.4.2.36  CTSET2_CFG_CTGRST1 Register
            37. 14.3.2.4.2.37  CTSET2_CFG_CTCR0 Register
            38. 14.3.2.4.2.38  CTSET2_CFG_CTCR1 Register
            39. 14.3.2.4.2.39  CTSET2_CFG_CTCR2 Register
            40. 14.3.2.4.2.40  CTSET2_CFG_CTCR3 Register
            41. 14.3.2.4.2.41  CTSET2_CFG_CTCR4 Register
            42. 14.3.2.4.2.42  CTSET2_CFG_CTCR5 Register
            43. 14.3.2.4.2.43  CTSET2_CFG_CTCR6 Register
            44. 14.3.2.4.2.44  CTSET2_CFG_CTCR7 Register
            45. 14.3.2.4.2.45  CTSET2_CFG_CTCR8 Register
            46. 14.3.2.4.2.46  CTSET2_CFG_CTCR9 Register
            47. 14.3.2.4.2.47  CTSET2_CFG_CTCR10 Register
            48. 14.3.2.4.2.48  CTSET2_CFG_CTCR11 Register
            49. 14.3.2.4.2.49  CTSET2_CFG_CTCR12 Register
            50. 14.3.2.4.2.50  CTSET2_CFG_CTCR13 Register
            51. 14.3.2.4.2.51  CTSET2_CFG_CTCR14 Register
            52. 14.3.2.4.2.52  CTSET2_CFG_CTCR15 Register
            53. 14.3.2.4.2.53  CTSET2_CFG_CTCR16 Register
            54. 14.3.2.4.2.54  CTSET2_CFG_CTCR17 Register
            55. 14.3.2.4.2.55  CTSET2_CFG_CTCR18 Register
            56. 14.3.2.4.2.56  CTSET2_CFG_CTCR19 Register
            57. 14.3.2.4.2.57  CTSET2_CFG_CTCR20 Register
            58. 14.3.2.4.2.58  CTSET2_CFG_CTCR21 Register
            59. 14.3.2.4.2.59  CTSET2_CFG_CTCR22 Register
            60. 14.3.2.4.2.60  CTSET2_CFG_CTCR23 Register
            61. 14.3.2.4.2.61  CTSET2_CFG_CTCR24 Register
            62. 14.3.2.4.2.62  CTSET2_CFG_CTCR25 Register
            63. 14.3.2.4.2.63  CTSET2_CFG_CTCR26 Register
            64. 14.3.2.4.2.64  CTSET2_CFG_CTCR27 Register
            65. 14.3.2.4.2.65  CTSET2_CFG_CTCR28 Register
            66. 14.3.2.4.2.66  CTSET2_CFG_CTCR29 Register
            67. 14.3.2.4.2.67  CTSET2_CFG_CTCR30 Register
            68. 14.3.2.4.2.68  CTSET2_CFG_CTCR31 Register
            69. 14.3.2.4.2.69  CTSET2_CFG_CTOWN0 Register
            70. 14.3.2.4.2.70  CTSET2_CFG_CTOWN1 Register
            71. 14.3.2.4.2.71  CTSET2_CFG_CTOWN2 Register
            72. 14.3.2.4.2.72  CTSET2_CFG_CTOWN3 Register
            73. 14.3.2.4.2.73  CTSET2_CFG_CTOWN4 Register
            74. 14.3.2.4.2.74  CTSET2_CFG_CTOWN5 Register
            75. 14.3.2.4.2.75  CTSET2_CFG_CTOWN6 Register
            76. 14.3.2.4.2.76  CTSET2_CFG_CTOWN7 Register
            77. 14.3.2.4.2.77  CTSET2_CFG_CTOWN8 Register
            78. 14.3.2.4.2.78  CTSET2_CFG_CTOWN9 Register
            79. 14.3.2.4.2.79  CTSET2_CFG_CTOWN10 Register
            80. 14.3.2.4.2.80  CTSET2_CFG_CTOWN11 Register
            81. 14.3.2.4.2.81  CTSET2_CFG_CTOWN12 Register
            82. 14.3.2.4.2.82  CTSET2_CFG_CTOWN13 Register
            83. 14.3.2.4.2.83  CTSET2_CFG_CTOWN14 Register
            84. 14.3.2.4.2.84  CTSET2_CFG_CTOWN15 Register
            85. 14.3.2.4.2.85  CTSET2_CFG_CTOWN16 Register
            86. 14.3.2.4.2.86  CTSET2_CFG_CTOWN17 Register
            87. 14.3.2.4.2.87  CTSET2_CFG_CTOWN18 Register
            88. 14.3.2.4.2.88  CTSET2_CFG_CTOWN19 Register
            89. 14.3.2.4.2.89  CTSET2_CFG_CTOWN20 Register
            90. 14.3.2.4.2.90  CTSET2_CFG_CTOWN21 Register
            91. 14.3.2.4.2.91  CTSET2_CFG_CTOWN22 Register
            92. 14.3.2.4.2.92  CTSET2_CFG_CTOWN23 Register
            93. 14.3.2.4.2.93  CTSET2_CFG_CTOWN24 Register
            94. 14.3.2.4.2.94  CTSET2_CFG_CTOWN25 Register
            95. 14.3.2.4.2.95  CTSET2_CFG_CTOWN26 Register
            96. 14.3.2.4.2.96  CTSET2_CFG_CTOWN27 Register
            97. 14.3.2.4.2.97  CTSET2_CFG_CTOWN28 Register
            98. 14.3.2.4.2.98  CTSET2_CFG_CTOWN29 Register
            99. 14.3.2.4.2.99  CTSET2_CFG_CTOWN30 Register
            100. 14.3.2.4.2.100 CTSET2_CFG_CTOWN31 Register
            101. 14.3.2.4.2.101 CTSET2_CFG_CTFILT0 Register
            102. 14.3.2.4.2.102 CTSET2_CFG_CTFILT1 Register
            103. 14.3.2.4.2.103 CTSET2_CFG_CTFILT2 Register
            104. 14.3.2.4.2.104 CTSET2_CFG_CTFILT3 Register
            105. 14.3.2.4.2.105 CTSET2_CFG_CTFILT4 Register
            106. 14.3.2.4.2.106 CTSET2_CFG_CTFILT5 Register
            107. 14.3.2.4.2.107 CTSET2_CFG_CTFILT6 Register
            108. 14.3.2.4.2.108 CTSET2_CFG_CTFILT7 Register
            109. 14.3.2.4.2.109 CTSET2_CFG_CTFILT8 Register
            110. 14.3.2.4.2.110 CTSET2_CFG_CTFILT9 Register
            111. 14.3.2.4.2.111 CTSET2_CFG_CTFILT10 Register
            112. 14.3.2.4.2.112 CTSET2_CFG_CTFILT11 Register
            113. 14.3.2.4.2.113 CTSET2_CFG_CTFILT12 Register
            114. 14.3.2.4.2.114 CTSET2_CFG_CTFILT13 Register
            115. 14.3.2.4.2.115 CTSET2_CFG_CTFILT14 Register
            116. 14.3.2.4.2.116 CTSET2_CFG_CTFILT15 Register
            117. 14.3.2.4.2.117 CTSET2_CFG_CTFILT16 Register
            118. 14.3.2.4.2.118 CTSET2_CFG_CTFILT17 Register
            119. 14.3.2.4.2.119 CTSET2_CFG_CTFILT18 Register
            120. 14.3.2.4.2.120 CTSET2_CFG_CTFILT19 Register
            121. 14.3.2.4.2.121 CTSET2_CFG_CTFILT20 Register
            122. 14.3.2.4.2.122 CTSET2_CFG_CTFILT21 Register
            123. 14.3.2.4.2.123 CTSET2_CFG_CTFILT22 Register
            124. 14.3.2.4.2.124 CTSET2_CFG_CTFILT23 Register
            125. 14.3.2.4.2.125 CTSET2_CFG_CTFILT24 Register
            126. 14.3.2.4.2.126 CTSET2_CFG_CTFILT25 Register
            127. 14.3.2.4.2.127 CTSET2_CFG_CTFILT26 Register
            128. 14.3.2.4.2.128 CTSET2_CFG_CTFILT27 Register
            129. 14.3.2.4.2.129 CTSET2_CFG_CTFILT28 Register
            130. 14.3.2.4.2.130 CTSET2_CFG_CTFILT29 Register
            131. 14.3.2.4.2.131 CTSET2_CFG_CTFILT30 Register
            132. 14.3.2.4.2.132 CTSET2_CFG_CTFILT31 Register
            133. 14.3.2.4.2.133 CTSET2_CFG_CTCNTR0 Register
            134. 14.3.2.4.2.134 CTSET2_CFG_CTCNTR1 Register
            135. 14.3.2.4.2.135 CTSET2_CFG_CTCNTR2 Register
            136. 14.3.2.4.2.136 CTSET2_CFG_CTCNTR3 Register
            137. 14.3.2.4.2.137 CTSET2_CFG_CTCNTR4 Register
            138. 14.3.2.4.2.138 CTSET2_CFG_CTCNTR5 Register
            139. 14.3.2.4.2.139 CTSET2_CFG_CTCNTR6 Register
            140. 14.3.2.4.2.140 CTSET2_CFG_CTCNTR7 Register
            141. 14.3.2.4.2.141 CTSET2_CFG_CTCNTR8 Register
            142. 14.3.2.4.2.142 CTSET2_CFG_CTCNTR9 Register
            143. 14.3.2.4.2.143 CTSET2_CFG_CTCNTR10 Register
            144. 14.3.2.4.2.144 CTSET2_CFG_CTCNTR11 Register
            145. 14.3.2.4.2.145 CTSET2_CFG_CTCNTR12 Register
            146. 14.3.2.4.2.146 CTSET2_CFG_CTCNTR13 Register
            147. 14.3.2.4.2.147 CTSET2_CFG_CTCNTR14 Register
            148. 14.3.2.4.2.148 CTSET2_CFG_CTCNTR15 Register
            149. 14.3.2.4.2.149 CTSET2_CFG_CTCNTR16 Register
            150. 14.3.2.4.2.150 CTSET2_CFG_CTCNTR17 Register
            151. 14.3.2.4.2.151 CTSET2_CFG_CTCNTR18 Register
            152. 14.3.2.4.2.152 CTSET2_CFG_CTCNTR19 Register
            153. 14.3.2.4.2.153 CTSET2_CFG_CTCNTR20 Register
            154. 14.3.2.4.2.154 CTSET2_CFG_CTCNTR21 Register
            155. 14.3.2.4.2.155 CTSET2_CFG_CTCNTR22 Register
            156. 14.3.2.4.2.156 CTSET2_CFG_CTCNTR23 Register
            157. 14.3.2.4.2.157 CTSET2_CFG_CTCNTR24 Register
            158. 14.3.2.4.2.158 CTSET2_CFG_CTCNTR25 Register
            159. 14.3.2.4.2.159 CTSET2_CFG_CTCNTR26 Register
            160. 14.3.2.4.2.160 CTSET2_CFG_CTCNTR27 Register
            161. 14.3.2.4.2.161 CTSET2_CFG_CTCNTR28 Register
            162. 14.3.2.4.2.162 CTSET2_CFG_CTCNTR29 Register
            163. 14.3.2.4.2.163 CTSET2_CFG_CTCNTR30 Register
            164. 14.3.2.4.2.164 CTSET2_CFG_CTCNTR31 Register
            165. 14.3.2.4.2.165 CTSET2_CFG_CT_EOI Register
            166. 14.3.2.4.2.166 CTSET2_CFG_CTIRQSTAT_RAW Register
            167. 14.3.2.4.2.167 CTSET2_CFG_CTIRQSTAT Register
            168. 14.3.2.4.2.168 CTSET2_CFG_CTIRQENABLE_SET Register
            169. 14.3.2.4.2.169 CTSET2_CFG_CTIRQENABLE_CLR Register
            170. 14.3.2.4.2.170 CTSET2_CFG_STPTCR Register
            171. 14.3.2.4.2.171 CTSET2_CFG_STPTID Register
            172. 14.3.2.4.2.172 CTSET2_CFG_STPASYNC Register
            173. 14.3.2.4.2.173 CTSET2_CFG_STPFFCR Register
            174. 14.3.2.4.2.174 CTSET2_CFG_STPFEAT1 Register
            175. 14.3.2.4.2.175 C7X256V_DEBUG_DBG_AGR0_MEM_CFG_STP_TRACE_CONTROL Register
            176. 14.3.2.4.2.176 C7X256V_DEBUG_DBG_AGR0_MEM_CFG_STP_TRACE_ID Register
            177. 14.3.2.4.2.177 C7X256V_DEBUG_DBG_AGR0_MEM_CFG_STP_SYNC_CONTROL Register
            178. 14.3.2.4.2.178 C7X256V_DEBUG_DBG_AGR0_MEM_CFG_STP_FLUSH_CONTROL Register
            179. 14.3.2.4.2.179 C7X256V_DEBUG_DBG_AGR0_MEM_CFG_STP_FEATURES Register
        5. 14.3.2.5 C7X256V_ECC_AGGR
          1. 14.3.2.5.1 C7X256V_ECC_AGGR Summaries
            1.         7514
          2. 14.3.2.5.2 C7X256V_ECC_AGGR Registers
            1. 14.3.2.5.2.1  ECC_AGGR_REV Register
            2. 14.3.2.5.2.2  ECC_AGGR_VECTOR Register
            3. 14.3.2.5.2.3  ECC_AGGR_STAT Register
            4. 14.3.2.5.2.4  ECC_AGGR_RESERVED_SVBUS_J Register
            5. 14.3.2.5.2.5  ECC_AGGR_SEC_EOI_REG Register
            6. 14.3.2.5.2.6  ECC_AGGR_SEC_STATUS_REG0 Register
            7. 14.3.2.5.2.7  ECC_AGGR_SEC_ENABLE_SET_REG0 Register
            8. 14.3.2.5.2.8  ECC_AGGR_SEC_ENABLE_CLR_REG0 Register
            9. 14.3.2.5.2.9  ECC_AGGR_DED_EOI_REG Register
            10. 14.3.2.5.2.10 ECC_AGGR_DED_STATUS_REG0 Register
            11. 14.3.2.5.2.11 ECC_AGGR_DED_ENABLE_SET_REG0 Register
            12. 14.3.2.5.2.12 ECC_AGGR_DED_ENABLE_CLR_REG0 Register
            13. 14.3.2.5.2.13 ECC_AGGR_AGGR_ENABLE_SET Register
            14. 14.3.2.5.2.14 ECC_AGGR_AGGR_ENABLE_CLR Register
            15. 14.3.2.5.2.15 ECC_AGGR_AGGR_STATUS_SET Register
            16. 14.3.2.5.2.16 ECC_AGGR_AGGR_STATUS_CLR Register
        6. 14.3.2.6 C7X256V_PBIST
          1. 14.3.2.6.1 C7X256V_PBIST Summaries
            1.         7534
          2. 14.3.2.6.2 C7X256V_PBIST Registers
            1. 14.3.2.6.2.1  PBIST_RF0L Register
            2. 14.3.2.6.2.2  PBIST_RF1L Register
            3. 14.3.2.6.2.3  PBIST_RF2L Register
            4. 14.3.2.6.2.4  PBIST_RF3L Register
            5. 14.3.2.6.2.5  PBIST_RF4L Register
            6. 14.3.2.6.2.6  PBIST_RF5L Register
            7. 14.3.2.6.2.7  PBIST_RF6L Register
            8. 14.3.2.6.2.8  PBIST_RF7L Register
            9. 14.3.2.6.2.9  PBIST_RF8L Register
            10. 14.3.2.6.2.10 PBIST_RF9L Register
            11. 14.3.2.6.2.11 PBIST_RF10L Register
            12. 14.3.2.6.2.12 PBIST_RF11L Register
            13. 14.3.2.6.2.13 PBIST_RF12L Register
            14. 14.3.2.6.2.14 PBIST_RF13L Register
            15. 14.3.2.6.2.15 PBIST_RF14L Register
            16. 14.3.2.6.2.16 PBIST_RF15L Register
            17. 14.3.2.6.2.17 PBIST_RF0U Register
            18. 14.3.2.6.2.18 PBIST_RF1U Register
            19. 14.3.2.6.2.19 PBIST_RF2U Register
            20. 14.3.2.6.2.20 PBIST_RF3U Register
            21. 14.3.2.6.2.21 PBIST_RF4U Register
            22. 14.3.2.6.2.22 PBIST_RF5U Register
            23. 14.3.2.6.2.23 PBIST_RF6U Register
            24. 14.3.2.6.2.24 PBIST_RF7U Register
            25. 14.3.2.6.2.25 PBIST_RF8U Register
            26. 14.3.2.6.2.26 PBIST_RF9U Register
            27. 14.3.2.6.2.27 PBIST_RF10U Register
            28. 14.3.2.6.2.28 PBIST_RF11U Register
            29. 14.3.2.6.2.29 PBIST_RF12U Register
            30. 14.3.2.6.2.30 PBIST_RF13U Register
            31. 14.3.2.6.2.31 PBIST_RF14U Register
            32. 14.3.2.6.2.32 PBIST_RF15U Register
            33. 14.3.2.6.2.33 PBIST_A0 Register
            34. 14.3.2.6.2.34 PBIST_A1 Register
            35. 14.3.2.6.2.35 PBIST_A2 Register
            36. 14.3.2.6.2.36 PBIST_A3 Register
            37. 14.3.2.6.2.37 PBIST_L0 Register
            38. 14.3.2.6.2.38 PBIST_L1 Register
            39. 14.3.2.6.2.39 PBIST_L2 Register
            40. 14.3.2.6.2.40 PBIST_L3 Register
            41. 14.3.2.6.2.41 PBIST_D Register
            42. 14.3.2.6.2.42 PBIST_E Register
            43. 14.3.2.6.2.43 PBIST_CA0 Register
            44. 14.3.2.6.2.44 PBIST_CA1 Register
            45. 14.3.2.6.2.45 PBIST_CA2 Register
            46. 14.3.2.6.2.46 PBIST_CA3 Register
            47. 14.3.2.6.2.47 PBIST_CL0 Register
            48. 14.3.2.6.2.48 PBIST_CL1 Register
            49. 14.3.2.6.2.49 PBIST_CL2 Register
            50. 14.3.2.6.2.50 PBIST_CL3 Register
            51. 14.3.2.6.2.51 PBIST_I0 Register
            52. 14.3.2.6.2.52 PBIST_I1 Register
            53. 14.3.2.6.2.53 PBIST_I2 Register
            54. 14.3.2.6.2.54 PBIST_I3 Register
            55. 14.3.2.6.2.55 PBIST_RAMT Register
            56. 14.3.2.6.2.56 PBIST_DLR Register
            57. 14.3.2.6.2.57 PBIST_CMS Register
            58. 14.3.2.6.2.58 PBIST_STR Register
            59. 14.3.2.6.2.59 PBIST_SCR Register
            60. 14.3.2.6.2.60 PBIST_CSR Register
            61. 14.3.2.6.2.61 PBIST_FDLY Register
            62. 14.3.2.6.2.62 PBIST_PACT Register
            63. 14.3.2.6.2.63 PBIST_PID Register
            64. 14.3.2.6.2.64 PBIST_OVER Register
            65. 14.3.2.6.2.65 PBIST_FSRF Register
            66. 14.3.2.6.2.66 PBIST_FSRC Register
            67. 14.3.2.6.2.67 PBIST_FSRA Register
            68. 14.3.2.6.2.68 PBIST_FSRDL0 Register
            69. 14.3.2.6.2.69 PBIST_FSRDL1 Register
            70. 14.3.2.6.2.70 PBIST_MARGIN_MODE Register
            71. 14.3.2.6.2.71 PBIST_WRENZ Register
            72. 14.3.2.6.2.72 PBIST_PAGE_PGS Register
            73. 14.3.2.6.2.73 PBIST_ROM Register
            74. 14.3.2.6.2.74 PBIST_ALGO Register
            75. 14.3.2.6.2.75 PBIST_RINFO Register
    4. 14.4 Interprocessor Communication Registers
      1. 14.4.1 MAILBOX_MAILBOX_CLUSTER_0
        1. 14.4.1.1 MAILBOX_MAILBOX_CLUSTER_0 Summaries
          1.        7614
        2. 14.4.1.2 MAILBOX_MAILBOX_CLUSTER_0 Registers
          1. 14.4.1.2.1  MAILBOX_REVISION Register
          2. 14.4.1.2.2  MAILBOX_SYSCONFIG Register
          3. 14.4.1.2.3  MAILBOX_MESSAGE_J Register
          4. 14.4.1.2.4  MAILBOX_FIFO_STATUS_J Register
          5. 14.4.1.2.5  MAILBOX_MSG_STATUS_J Register
          6. 14.4.1.2.6  MAILBOX_IRQ_EOI Register
          7. 14.4.1.2.7  MAILBOX_USER_IRQ_STATUS_RAW_J Register
          8. 14.4.1.2.8  MAILBOX_USER_IRQ_STATUS_CLR_J Register
          9. 14.4.1.2.9  MAILBOX_USER_IRQ_ENABLE_SET_J Register
          10. 14.4.1.2.10 MAILBOX_USER_IRQ_ENABLE_CLR_J Register
      2. 14.4.2 MAILBOX_MAILBOX_CLUSTER_1
        1. 14.4.2.1 MAILBOX_MAILBOX_CLUSTER_1 Summaries
          1.        7628
        2. 14.4.2.2 MAILBOX_MAILBOX_CLUSTER_1 Registers
          1. 14.4.2.2.1  MAILBOX_REVISION Register
          2. 14.4.2.2.2  MAILBOX_SYSCONFIG Register
          3. 14.4.2.2.3  MAILBOX_MESSAGE_J Register
          4. 14.4.2.2.4  MAILBOX_FIFO_STATUS_J Register
          5. 14.4.2.2.5  MAILBOX_MSG_STATUS_J Register
          6. 14.4.2.2.6  MAILBOX_IRQ_EOI Register
          7. 14.4.2.2.7  MAILBOX_USER_IRQ_STATUS_RAW_J Register
          8. 14.4.2.2.8  MAILBOX_USER_IRQ_STATUS_CLR_J Register
          9. 14.4.2.2.9  MAILBOX_USER_IRQ_ENABLE_SET_J Register
          10. 14.4.2.2.10 MAILBOX_USER_IRQ_ENABLE_CLR_J Register
      3. 14.4.3 MAILBOX_MAILBOX_CLUSTER_2
        1. 14.4.3.1 MAILBOX_MAILBOX_CLUSTER_2 Summaries
          1.        7642
        2. 14.4.3.2 MAILBOX_MAILBOX_CLUSTER_2 Registers
          1. 14.4.3.2.1  MAILBOX_REVISION Register
          2. 14.4.3.2.2  MAILBOX_SYSCONFIG Register
          3. 14.4.3.2.3  MAILBOX_MESSAGE_J Register
          4. 14.4.3.2.4  MAILBOX_FIFO_STATUS_J Register
          5. 14.4.3.2.5  MAILBOX_MSG_STATUS_J Register
          6. 14.4.3.2.6  MAILBOX_IRQ_EOI Register
          7. 14.4.3.2.7  MAILBOX_USER_IRQ_STATUS_RAW_J Register
          8. 14.4.3.2.8  MAILBOX_USER_IRQ_STATUS_CLR_J Register
          9. 14.4.3.2.9  MAILBOX_USER_IRQ_ENABLE_SET_J Register
          10. 14.4.3.2.10 MAILBOX_USER_IRQ_ENABLE_CLR_J Register
      4. 14.4.4 MAILBOX_MAILBOX_CLUSTER_3
        1. 14.4.4.1 MAILBOX_MAILBOX_CLUSTER_3 Summaries
          1.        7656
        2. 14.4.4.2 MAILBOX_MAILBOX_CLUSTER_3 Registers
          1. 14.4.4.2.1  MAILBOX_REVISION Register
          2. 14.4.4.2.2  MAILBOX_SYSCONFIG Register
          3. 14.4.4.2.3  MAILBOX_MESSAGE_J Register
          4. 14.4.4.2.4  MAILBOX_FIFO_STATUS_J Register
          5. 14.4.4.2.5  MAILBOX_MSG_STATUS_J Register
          6. 14.4.4.2.6  MAILBOX_IRQ_EOI Register
          7. 14.4.4.2.7  MAILBOX_USER_IRQ_STATUS_RAW_J Register
          8. 14.4.4.2.8  MAILBOX_USER_IRQ_STATUS_CLR_J Register
          9. 14.4.4.2.9  MAILBOX_USER_IRQ_ENABLE_SET_J Register
          10. 14.4.4.2.10 MAILBOX_USER_IRQ_ENABLE_CLR_J Register
      5. 14.4.5 MAILBOX_MAILBOX_CLUSTER_4
        1. 14.4.5.1 MAILBOX_MAILBOX_CLUSTER_4 Summaries
          1.        7670
        2. 14.4.5.2 MAILBOX_MAILBOX_CLUSTER_4 Registers
          1. 14.4.5.2.1  MAILBOX_REVISION Register
          2. 14.4.5.2.2  MAILBOX_SYSCONFIG Register
          3. 14.4.5.2.3  MAILBOX_MESSAGE_J Register
          4. 14.4.5.2.4  MAILBOX_FIFO_STATUS_J Register
          5. 14.4.5.2.5  MAILBOX_MSG_STATUS_J Register
          6. 14.4.5.2.6  MAILBOX_IRQ_EOI Register
          7. 14.4.5.2.7  MAILBOX_USER_IRQ_STATUS_RAW_J Register
          8. 14.4.5.2.8  MAILBOX_USER_IRQ_STATUS_CLR_J Register
          9. 14.4.5.2.9  MAILBOX_USER_IRQ_ENABLE_SET_J Register
          10. 14.4.5.2.10 MAILBOX_USER_IRQ_ENABLE_CLR_J Register
      6. 14.4.6 MAILBOX_MAILBOX_CLUSTER_5
        1. 14.4.6.1 MAILBOX_MAILBOX_CLUSTER_5 Summaries
          1.        7684
        2. 14.4.6.2 MAILBOX_MAILBOX_CLUSTER_5 Registers
          1. 14.4.6.2.1  MAILBOX_REVISION Register
          2. 14.4.6.2.2  MAILBOX_SYSCONFIG Register
          3. 14.4.6.2.3  MAILBOX_MESSAGE_J Register
          4. 14.4.6.2.4  MAILBOX_FIFO_STATUS_J Register
          5. 14.4.6.2.5  MAILBOX_MSG_STATUS_J Register
          6. 14.4.6.2.6  MAILBOX_IRQ_EOI Register
          7. 14.4.6.2.7  MAILBOX_USER_IRQ_STATUS_RAW_J Register
          8. 14.4.6.2.8  MAILBOX_USER_IRQ_STATUS_CLR_J Register
          9. 14.4.6.2.9  MAILBOX_USER_IRQ_ENABLE_SET_J Register
          10. 14.4.6.2.10 MAILBOX_USER_IRQ_ENABLE_CLR_J Register
      7. 14.4.7 MAILBOX_MAILBOX_CLUSTER_6
        1. 14.4.7.1 MAILBOX_MAILBOX_CLUSTER_6 Summaries
          1.        7698
        2. 14.4.7.2 MAILBOX_MAILBOX_CLUSTER_6 Registers
          1. 14.4.7.2.1  MAILBOX_REVISION Register
          2. 14.4.7.2.2  MAILBOX_SYSCONFIG Register
          3. 14.4.7.2.3  MAILBOX_MESSAGE_J Register
          4. 14.4.7.2.4  MAILBOX_FIFO_STATUS_J Register
          5. 14.4.7.2.5  MAILBOX_MSG_STATUS_J Register
          6. 14.4.7.2.6  MAILBOX_IRQ_EOI Register
          7. 14.4.7.2.7  MAILBOX_USER_IRQ_STATUS_RAW_J Register
          8. 14.4.7.2.8  MAILBOX_USER_IRQ_STATUS_CLR_J Register
          9. 14.4.7.2.9  MAILBOX_USER_IRQ_ENABLE_SET_J Register
          10. 14.4.7.2.10 MAILBOX_USER_IRQ_ENABLE_CLR_J Register
      8. 14.4.8 MAILBOX_MAILBOX_CLUSTER_7
        1. 14.4.8.1 MAILBOX_MAILBOX_CLUSTER_7 Summaries
          1.        7712
        2. 14.4.8.2 MAILBOX_MAILBOX_CLUSTER_7 Registers
          1. 14.4.8.2.1  MAILBOX_REVISION Register
          2. 14.4.8.2.2  MAILBOX_SYSCONFIG Register
          3. 14.4.8.2.3  MAILBOX_MESSAGE_J Register
          4. 14.4.8.2.4  MAILBOX_FIFO_STATUS_J Register
          5. 14.4.8.2.5  MAILBOX_MSG_STATUS_J Register
          6. 14.4.8.2.6  MAILBOX_IRQ_EOI Register
          7. 14.4.8.2.7  MAILBOX_USER_IRQ_STATUS_RAW_J Register
          8. 14.4.8.2.8  MAILBOX_USER_IRQ_STATUS_CLR_J Register
          9. 14.4.8.2.9  MAILBOX_USER_IRQ_ENABLE_SET_J Register
          10. 14.4.8.2.10 MAILBOX_USER_IRQ_ENABLE_CLR_J Register
      9. 14.4.9 SPINLOCK
        1. 14.4.9.1 SPINLOCK Summaries
          1.        7726
        2. 14.4.9.2 SPINLOCK Registers
          1. 14.4.9.2.1 SPINLOCK_REVISION Register
          2. 14.4.9.2.2 SPINLOCK_SYSCONFIG Register
          3. 14.4.9.2.3 SPINLOCK_SYSTATUS Register
          4. 14.4.9.2.4 SPINLOCK_LOCK_REG_J Register
    5. 14.5 Interrupt Router Registers
      1. 14.5.1 MAIN_GPIOMUX_INTROUTER
        1. 14.5.1.1 MAIN_GPIOMUX_INTROUTER Summaries
          1.        7735
        2. 14.5.1.2 MAIN_GPIOMUX_INTROUTER Registers
          1. 14.5.1.2.1 INTR_ROUTER_CFG_PID Register
          2. 14.5.1.2.2 INTR_ROUTER_CFG_MUXCNTL_J Register
      2. 14.5.2 MCU_GPIOMUX_INTROUTER
        1. 14.5.2.1 MCU_GPIOMUX_INTROUTER Summaries
          1.        7741
        2. 14.5.2.2 MCU_GPIOMUX_INTROUTER Registers
          1. 14.5.2.2.1 INTR_ROUTER_CFG_PID Register
          2. 14.5.2.2.2 INTR_ROUTER_CFG_MUXCNTL_J Register
    6. 14.6 DMA Controller Registers
      1. 14.6.1  DMASS_BCDMA_0
        1. 14.6.1.1 DMASS_BCDMA_0 Summaries
          1.        7748
          2.        7749
          3.        7750
          4.        7751
          5.        7752
          6.        7753
          7.        7754
          8.        7755
          9.        7756
          10.        7757
        2. 14.6.1.2 DMASS_BCDMA_0 Registers
          1. 14.6.1.2.1  LCDMA_RINGACC_CRED_RING_CRED_J Register
          2. 14.6.1.2.2  BCDMA_BCCFG_CHAN_CFG_J Register
          3. 14.6.1.2.3  BCDMA_BCCFG_CHAN_PRI_CTRL_J Register
          4. 14.6.1.2.4  BCDMA_BCCFG_CHAN_TST_SCHED_J Register
          5. 14.6.1.2.5  BCDMA_TXCCFG_CHAN_TCFG_J Register
          6. 14.6.1.2.6  BCDMA_TXCCFG_CHAN_TPRI_CTRL_J Register
          7. 14.6.1.2.7  BCDMA_TXCCFG_CHAN_THREAD_J Register
          8. 14.6.1.2.8  BCDMA_TXCCFG_CHAN_TFIFO_DEPTH_J Register
          9. 14.6.1.2.9  BCDMA_TXCCFG_CHAN_TST_SCHED_J Register
          10. 14.6.1.2.10 BCDMA_RXCCFG_CHAN_RCFG_J Register
          11. 14.6.1.2.11 BCDMA_RXCCFG_CHAN_RPRI_CTRL_J Register
          12. 14.6.1.2.12 BCDMA_RXCCFG_CHAN_THREAD_J Register
          13. 14.6.1.2.13 BCDMA_RXCCFG_CHAN_RST_SCHED_J Register
          14. 14.6.1.2.14 BCDMA_GCFG_REVISION Register
          15. 14.6.1.2.15 BCDMA_GCFG_PERF_CTRL Register
          16. 14.6.1.2.16 BCDMA_GCFG_EMU_CTRL Register
          17. 14.6.1.2.17 BCDMA_GCFG_PSIL_TO Register
          18. 14.6.1.2.18 BCDMA_GCFG_CAP0 Register
          19. 14.6.1.2.19 BCDMA_GCFG_CAP1 Register
          20. 14.6.1.2.20 BCDMA_GCFG_CAP2 Register
          21. 14.6.1.2.21 BCDMA_GCFG_CAP3 Register
          22. 14.6.1.2.22 BCDMA_GCFG_CAP4 Register
          23. 14.6.1.2.23 BCDMA_GCFG_PM0 Register
          24. 14.6.1.2.24 BCDMA_GCFG_PM1 Register
          25. 14.6.1.2.25 BCDMA_GCFG_DBGADDR Register
          26. 14.6.1.2.26 BCDMA_GCFG_DBGDATA Register
          27. 14.6.1.2.27 LCDMA_RINGACC_RING_CFG_RING_BA_LO_J Register
          28. 14.6.1.2.28 LCDMA_RINGACC_RING_CFG_RING_BA_HI_J Register
          29. 14.6.1.2.29 LCDMA_RINGACC_RING_CFG_RING_SIZE_J Register
          30. 14.6.1.2.30 BCDMA_RXCRT_CHAN_CTL_J Register
          31. 14.6.1.2.31 BCDMA_RXCRT_CHAN_SWTRIG_J Register
          32. 14.6.1.2.32 BCDMA_RXCRT_CHAN_STATUS0_J Register
          33. 14.6.1.2.33 BCDMA_RXCRT_CHAN_STATUS1_J Register
          34. 14.6.1.2.34 BCDMA_RXCRT_CHAN_STDATA_J_K Register
          35. 14.6.1.2.35 BCDMA_RXCRT_CHAN_PEER0_J Register
          36. 14.6.1.2.36 BCDMA_RXCRT_CHAN_PEER1_J Register
          37. 14.6.1.2.37 BCDMA_RXCRT_CHAN_PEER2_J Register
          38. 14.6.1.2.38 BCDMA_RXCRT_CHAN_PEER3_J Register
          39. 14.6.1.2.39 BCDMA_RXCRT_CHAN_PEER4_J Register
          40. 14.6.1.2.40 BCDMA_RXCRT_CHAN_PEER5_J Register
          41. 14.6.1.2.41 BCDMA_RXCRT_CHAN_PEER6_J Register
          42. 14.6.1.2.42 BCDMA_RXCRT_CHAN_PEER7_J Register
          43. 14.6.1.2.43 BCDMA_RXCRT_CHAN_PEER8_J Register
          44. 14.6.1.2.44 BCDMA_RXCRT_CHAN_PEER9_J Register
          45. 14.6.1.2.45 BCDMA_RXCRT_CHAN_PEER10_J Register
          46. 14.6.1.2.46 BCDMA_RXCRT_CHAN_PEER11_J Register
          47. 14.6.1.2.47 BCDMA_RXCRT_CHAN_PEER12_J Register
          48. 14.6.1.2.48 BCDMA_RXCRT_CHAN_PEER13_J Register
          49. 14.6.1.2.49 BCDMA_RXCRT_CHAN_PEER14_J Register
          50. 14.6.1.2.50 BCDMA_RXCRT_CHAN_PEER15_J Register
          51. 14.6.1.2.51 BCDMA_RXCRT_CHAN_PCNT_J Register
          52. 14.6.1.2.52 BCDMA_RXCRT_CHAN_BCNT_J Register
          53. 14.6.1.2.53 BCDMA_RXCRT_CHAN_SBCNT_J Register
          54. 14.6.1.2.54 BCDMA_TXCRT_CHAN_CTL_J Register
          55. 14.6.1.2.55 BCDMA_TXCRT_CHAN_SWTRIG_J Register
          56. 14.6.1.2.56 BCDMA_TXCRT_CHAN_STATUS0_J Register
          57. 14.6.1.2.57 BCDMA_TXCRT_CHAN_STATUS1_J Register
          58. 14.6.1.2.58 BCDMA_TXCRT_CHAN_STDATA_J_K Register
          59. 14.6.1.2.59 BCDMA_TXCRT_CHAN_PEER0_J Register
          60. 14.6.1.2.60 BCDMA_TXCRT_CHAN_PEER1_J Register
          61. 14.6.1.2.61 BCDMA_TXCRT_CHAN_PEER2_J Register
          62. 14.6.1.2.62 BCDMA_TXCRT_CHAN_PEER3_J Register
          63. 14.6.1.2.63 BCDMA_TXCRT_CHAN_PEER4_J Register
          64. 14.6.1.2.64 BCDMA_TXCRT_CHAN_PEER5_J Register
          65. 14.6.1.2.65 BCDMA_TXCRT_CHAN_PEER6_J Register
          66. 14.6.1.2.66 BCDMA_TXCRT_CHAN_PEER7_J Register
          67. 14.6.1.2.67 BCDMA_TXCRT_CHAN_PEER8_J Register
          68. 14.6.1.2.68 BCDMA_TXCRT_CHAN_PEER9_J Register
          69. 14.6.1.2.69 BCDMA_TXCRT_CHAN_PEER10_J Register
          70. 14.6.1.2.70 BCDMA_TXCRT_CHAN_PEER11_J Register
          71. 14.6.1.2.71 BCDMA_TXCRT_CHAN_PEER12_J Register
          72. 14.6.1.2.72 BCDMA_TXCRT_CHAN_PEER13_J Register
          73. 14.6.1.2.73 BCDMA_TXCRT_CHAN_PEER14_J Register
          74. 14.6.1.2.74 BCDMA_TXCRT_CHAN_PEER15_J Register
          75. 14.6.1.2.75 BCDMA_TXCRT_CHAN_PCNT_J Register
          76. 14.6.1.2.76 BCDMA_TXCRT_CHAN_BCNT_J Register
          77. 14.6.1.2.77 BCDMA_TXCRT_CHAN_SBCNT_J Register
          78. 14.6.1.2.78 LCDMA_RINGACC_RINGRT_RING_FDB_J Register
          79. 14.6.1.2.79 LCDMA_RINGACC_RINGRT_RING_FOCC_J Register
          80. 14.6.1.2.80 LCDMA_RINGACC_RINGRT_RING_RDB_J Register
          81. 14.6.1.2.81 LCDMA_RINGACC_RINGRT_RING_ROCC_J Register
          82. 14.6.1.2.82 BCDMA_BCRT_CHAN_CTL_J Register
          83. 14.6.1.2.83 BCDMA_BCRT_CHAN_SWTRIG_J Register
          84. 14.6.1.2.84 BCDMA_BCRT_CHAN_STATUS0_J Register
          85. 14.6.1.2.85 BCDMA_BCRT_CHAN_STATUS1_J Register
          86. 14.6.1.2.86 BCDMA_BCRT_CHAN_STATUS2_J Register
          87. 14.6.1.2.87 BCDMA_BCRT_CHAN_STATUS3_J Register
          88. 14.6.1.2.88 BCDMA_BCRT_CHAN_STDATA_J_K Register
          89. 14.6.1.2.89 BCDMA_BCRT_CHAN_STDATAW_J_K Register
          90. 14.6.1.2.90 BCDMA_BCRT_CHAN_PCNT_J Register
          91. 14.6.1.2.91 BCDMA_BCRT_CHAN_BCNT_J Register
          92. 14.6.1.2.92 BCDMA_BCRT_CHAN_SBCNT_J Register
      2. 14.6.2  DMASS_ECC_AGGR_0
        1. 14.6.2.1 DMASS_ECC_AGGR_0 Summaries
          1.        7853
        2. 14.6.2.2 DMASS_ECC_AGGR_0 Registers
          1. 14.6.2.2.1  DMASS_ECC_AGGR_0_ECCAGGR_REV Register
          2. 14.6.2.2.2  DMASS_ECC_AGGR_0_ECCAGGR_VECTOR Register
          3. 14.6.2.2.3  DMASS_ECC_AGGR_0_ECCAGGR_STAT Register
          4. 14.6.2.2.4  DMASS_ECC_AGGR_0_ECCAGGR_RESERVED_SVBUS Register
          5. 14.6.2.2.5  DMASS_ECC_AGGR_0_ECCAGGR_SEC_EOI_REG Register
          6. 14.6.2.2.6  DMASS_ECC_AGGR_0_ECCAGGR_SEC_STATUS_REG0 Register
          7. 14.6.2.2.7  DMASS_ECC_AGGR_0_ECCAGGR_SEC_ENABLE_SET_REG0 Register
          8. 14.6.2.2.8  DMASS_ECC_AGGR_0_ECCAGGR_SEC_ENABLE_CLR_REG0 Register
          9. 14.6.2.2.9  DMASS_ECC_AGGR_0_ECCAGGR_DED_EOI_REG Register
          10. 14.6.2.2.10 DMASS_ECC_AGGR_0_ECCAGGR_DED_STATUS_REG0 Register
          11. 14.6.2.2.11 DMASS_ECC_AGGR_0_ECCAGGR_DED_ENABLE_SET_REG0 Register
          12. 14.6.2.2.12 DMASS_ECC_AGGR_0_ECCAGGR_DED_ENABLE_CLR_REG0 Register
          13. 14.6.2.2.13 DMASS_ECC_AGGR_0_ECCAGGR_AGGR_ENABLE_SET Register
          14. 14.6.2.2.14 DMASS_ECC_AGGR_0_ECCAGGR_AGGR_ENABLE_CLR Register
          15. 14.6.2.2.15 DMASS_ECC_AGGR_0_ECCAGGR_AGGR_STATUS_SET Register
          16. 14.6.2.2.16 DMASS_ECC_AGGR_0_ECCAGGR_AGGR_STATUS_CLR Register
      3. 14.6.3  DMASS_INTAGGR_0
        1. 14.6.3.1 DMASS_INTAGGR_0 Summaries
          1.        7873
          2.        7874
          3.        7875
          4.        7876
          5.        7877
          6.        7878
          7.        7879
          8.        7880
        2. 14.6.3.2 DMASS_INTAGGR_0 Registers
          1. 14.6.3.2.1  INTAGGR_INTR_VINT_ENABLE_SET_J Register
          2. 14.6.3.2.2  INTAGGR_INTR_VINT_ENABLE_CLEAR_J Register
          3. 14.6.3.2.3  INTAGGR_INTR_VINT_STATUS_SET_J Register
          4. 14.6.3.2.4  INTAGGR_INTR_VINT_STATUS_CLEAR_J Register
          5. 14.6.3.2.5  INTAGGR_INTR_VINT_STATUSM_J Register
          6. 14.6.3.2.6  INTAGGR_IMAP_GEVI_IMAP_J Register
          7. 14.6.3.2.7  INTAGGR_CFG_REVISION Register
          8. 14.6.3.2.8  INTAGGR_CFG_INTCAP Register
          9. 14.6.3.2.9  INTAGGR_CFG_AUXCAP Register
          10. 14.6.3.2.10 INTAGGR_L2G_LEVI_MAP_J Register
          11. 14.6.3.2.11 INTAGGR_UNMAP_UNMAP0_MAP_J Register
          12. 14.6.3.2.12 INTAGGR_UNMAP_UNMAP1_MAP_J Register
          13. 14.6.3.2.13 INTAGGR_UNMAP_UNMAP2_MAP_J Register
          14. 14.6.3.2.14 INTAGGR_UNMAP_UNMAP3_MAP_J Register
          15. 14.6.3.2.15 INTAGGR_UNMAP_UNMAP4_MAP_J Register
          16. 14.6.3.2.16 INTAGGR_UNMAP_UNMAP5_MAP Register
          17. 14.6.3.2.17 INTAGGR_UNMAP_UNMAP6_MAP_J Register
          18. 14.6.3.2.18 INTAGGR_UNMAP_UNMAP7_MAP_J Register
          19. 14.6.3.2.19 INTAGGR_UNMAP_UNMAP8_MAP_J Register
          20. 14.6.3.2.20 INTAGGR_UNMAP_UNMAP9_MAP_J Register
          21. 14.6.3.2.21 INTAGGR_UNMAP_UNMAP10_MAP_J Register
          22. 14.6.3.2.22 INTAGGR_UNMAP_UNMAP11_MAP_J Register
          23. 14.6.3.2.23 INTAGGR_UNMAP_UNMAP12_MAP_J Register
          24. 14.6.3.2.24 INTAGGR_UNMAP_UNMAP13_MAP_J Register
          25. 14.6.3.2.25 INTAGGR_UNMAP_UNMAP14_MAP_J Register
          26. 14.6.3.2.26 INTAGGR_MCAST_GEVI_MCMAP_J Register
          27. 14.6.3.2.27 INTAGGR_GCNTCFG_GEVI_MAP_J Register
          28. 14.6.3.2.28 INTAGGR_GCNTRTI_GEVI_COUNT_J Register
      4. 14.6.4  DMASS_PKTDMA_0
        1. 14.6.4.1 DMASS_PKTDMA_0 Summaries
          1.        7912
          2.        7913
          3.        7914
          4.        7915
          5.        7916
          6.        7917
          7.        7918
          8.        7919
          9.        7920
        2. 14.6.4.2 DMASS_PKTDMA_0 Registers
          1. 14.6.4.2.1  LCDMA_RINGACC_CRED_RING_CRED_J Register
          2. 14.6.4.2.2  PKTDMA_RXFCFG_FLOW_RFA_J Register
          3. 14.6.4.2.3  PKTDMA_TXCCFG_CHAN_TCFG_J Register
          4. 14.6.4.2.4  PKTDMA_TXCCFG_CHAN_TPRI_CTRL_J Register
          5. 14.6.4.2.5  PKTDMA_TXCCFG_CHAN_THREAD_J Register
          6. 14.6.4.2.6  PKTDMA_TXCCFG_CHAN_TFIFO_DEPTH_J Register
          7. 14.6.4.2.7  PKTDMA_TXCCFG_CHAN_TST_SCHED_J Register
          8. 14.6.4.2.8  PKTDMA_RXCCFG_CHAN_RCFG_J Register
          9. 14.6.4.2.9  PKTDMA_RXCCFG_CHAN_RPRI_CTRL_J Register
          10. 14.6.4.2.10 PKTDMA_RXCCFG_CHAN_THREAD_J Register
          11. 14.6.4.2.11 PKTDMA_RXCCFG_CHAN_RST_SCHED_J Register
          12. 14.6.4.2.12 PKTDMA_GCFG_REVISION Register
          13. 14.6.4.2.13 PKTDMA_GCFG_PERF_CTRL Register
          14. 14.6.4.2.14 PKTDMA_GCFG_EMU_CTRL Register
          15. 14.6.4.2.15 PKTDMA_GCFG_PSIL_TO Register
          16. 14.6.4.2.16 PKTDMA_GCFG_CAP0 Register
          17. 14.6.4.2.17 PKTDMA_GCFG_CAP1 Register
          18. 14.6.4.2.18 PKTDMA_GCFG_CAP2 Register
          19. 14.6.4.2.19 PKTDMA_GCFG_CAP3 Register
          20. 14.6.4.2.20 PKTDMA_GCFG_CAP4 Register
          21. 14.6.4.2.21 PKTDMA_GCFG_PM0 Register
          22. 14.6.4.2.22 PKTDMA_GCFG_PM1 Register
          23. 14.6.4.2.23 PKTDMA_GCFG_DBGADDR Register
          24. 14.6.4.2.24 PKTDMA_GCFG_DBGDATA Register
          25. 14.6.4.2.25 PKTDMA_GCFG_RFLOWFWSTAT Register
          26. 14.6.4.2.26 LCDMA_RINGACC_RING_CFG_RING_BA_LO_J Register
          27. 14.6.4.2.27 LCDMA_RINGACC_RING_CFG_RING_BA_HI_J Register
          28. 14.6.4.2.28 LCDMA_RINGACC_RING_CFG_RING_SIZE_J Register
          29. 14.6.4.2.29 PKTDMA_RXCRT_CHAN_CTL_J Register
          30. 14.6.4.2.30 PKTDMA_RXCRT_CHAN_STATUS0_J Register
          31. 14.6.4.2.31 PKTDMA_RXCRT_CHAN_STATUS1_J Register
          32. 14.6.4.2.32 PKTDMA_RXCRT_CHAN_STDATA_J_K Register
          33. 14.6.4.2.33 PKTDMA_RXCRT_CHAN_PEER0_J Register
          34. 14.6.4.2.34 PKTDMA_RXCRT_CHAN_PEER1_J Register
          35. 14.6.4.2.35 PKTDMA_RXCRT_CHAN_PEER2_J Register
          36. 14.6.4.2.36 PKTDMA_RXCRT_CHAN_PEER3_J Register
          37. 14.6.4.2.37 PKTDMA_RXCRT_CHAN_PEER4_J Register
          38. 14.6.4.2.38 PKTDMA_RXCRT_CHAN_PEER5_J Register
          39. 14.6.4.2.39 PKTDMA_RXCRT_CHAN_PEER6_J Register
          40. 14.6.4.2.40 PKTDMA_RXCRT_CHAN_PEER7_J Register
          41. 14.6.4.2.41 PKTDMA_RXCRT_CHAN_PEER8_J Register
          42. 14.6.4.2.42 PKTDMA_RXCRT_CHAN_PEER9_J Register
          43. 14.6.4.2.43 PKTDMA_RXCRT_CHAN_PEER10_J Register
          44. 14.6.4.2.44 PKTDMA_RXCRT_CHAN_PEER11_J Register
          45. 14.6.4.2.45 PKTDMA_RXCRT_CHAN_PEER12_J Register
          46. 14.6.4.2.46 PKTDMA_RXCRT_CHAN_PEER13_J Register
          47. 14.6.4.2.47 PKTDMA_RXCRT_CHAN_PEER14_J Register
          48. 14.6.4.2.48 PKTDMA_RXCRT_CHAN_PEER15_J Register
          49. 14.6.4.2.49 PKTDMA_RXCRT_CHAN_PCNT_J Register
          50. 14.6.4.2.50 PKTDMA_RXCRT_CHAN_DCNT_J Register
          51. 14.6.4.2.51 PKTDMA_RXCRT_CHAN_BCNT_J Register
          52. 14.6.4.2.52 PKTDMA_RXCRT_CHAN_SBCNT_J Register
          53. 14.6.4.2.53 PKTDMA_TXCRT_CHAN_CTL_J Register
          54. 14.6.4.2.54 PKTDMA_TXCRT_CHAN_STATUS0_J Register
          55. 14.6.4.2.55 PKTDMA_TXCRT_CHAN_STATUS1_J Register
          56. 14.6.4.2.56 PKTDMA_TXCRT_CHAN_STDATA_J_K Register
          57. 14.6.4.2.57 PKTDMA_TXCRT_CHAN_PEER0_J Register
          58. 14.6.4.2.58 PKTDMA_TXCRT_CHAN_PEER1_J Register
          59. 14.6.4.2.59 PKTDMA_TXCRT_CHAN_PEER2_J Register
          60. 14.6.4.2.60 PKTDMA_TXCRT_CHAN_PEER3_J Register
          61. 14.6.4.2.61 PKTDMA_TXCRT_CHAN_PEER4_J Register
          62. 14.6.4.2.62 PKTDMA_TXCRT_CHAN_PEER5_J Register
          63. 14.6.4.2.63 PKTDMA_TXCRT_CHAN_PEER6_J Register
          64. 14.6.4.2.64 PKTDMA_TXCRT_CHAN_PEER7_J Register
          65. 14.6.4.2.65 PKTDMA_TXCRT_CHAN_PEER8_J Register
          66. 14.6.4.2.66 PKTDMA_TXCRT_CHAN_PEER9_J Register
          67. 14.6.4.2.67 PKTDMA_TXCRT_CHAN_PEER10_J Register
          68. 14.6.4.2.68 PKTDMA_TXCRT_CHAN_PEER11_J Register
          69. 14.6.4.2.69 PKTDMA_TXCRT_CHAN_PEER12_J Register
          70. 14.6.4.2.70 PKTDMA_TXCRT_CHAN_PEER13_J Register
          71. 14.6.4.2.71 PKTDMA_TXCRT_CHAN_PEER14_J Register
          72. 14.6.4.2.72 PKTDMA_TXCRT_CHAN_PEER15_J Register
          73. 14.6.4.2.73 PKTDMA_TXCRT_CHAN_PCNT_J Register
          74. 14.6.4.2.74 PKTDMA_TXCRT_CHAN_BCNT_J Register
          75. 14.6.4.2.75 PKTDMA_TXCRT_CHAN_SBCNT_J Register
          76. 14.6.4.2.76 LCDMA_RINGACC_RINGRT_RING_FDB_J Register
          77. 14.6.4.2.77 LCDMA_RINGACC_RINGRT_RING_FOCC_J Register
          78. 14.6.4.2.78 LCDMA_RINGACC_RINGRT_RING_RDB_J Register
          79. 14.6.4.2.79 LCDMA_RINGACC_RINGRT_RING_ROCC_J Register
      5. 14.6.5  DMASS_PSILCFG_0
        1. 14.6.5.1 DMASS_PSILCFG_0 Summaries
          1.        8003
        2. 14.6.5.2 DMASS_PSILCFG_0 Registers
          1. 14.6.5.2.1 PSILCFG_REVISION Register
          2. 14.6.5.2.2 PSILCFG_PSIL_TO Register
          3. 14.6.5.2.3 PSILCFG_CMDA Register
          4. 14.6.5.2.4 PSILCFG_CMDB Register
          5. 14.6.5.2.5 PSILCFG_WDATA Register
          6. 14.6.5.2.6 PSILCFG_RDATA Register
      6. 14.6.6  DMASS_PSILSS_0
        1. 14.6.6.1 DMASS_PSILSS_0 Summaries
          1.        8013
        2. 14.6.6.2 DMASS_PSILSS_0 Registers
          1. 14.6.6.2.1 PSILSS_PID Register
          2. 14.6.6.2.2 PSILSS_CONFIG Register
          3. 14.6.6.2.3 PSILSS_EVENT Register
          4. 14.6.6.2.4 PSILSS_LINK Register
          5. 14.6.6.2.5 PSILSS_DOWN Register
      7. 14.6.7  DMASS_RINGACC_0
        1. 14.6.7.1 DMASS_RINGACC_0 Summaries
          1.        8022
          2.        8023
          3.        8024
        2. 14.6.7.2 DMASS_RINGACC_0 Registers
          1. 14.6.7.2.1  RINGACC_GCFG_REVISION Register
          2. 14.6.7.2.2  RINGACC_GCFG_TRACE_CTL Register
          3. 14.6.7.2.3  RINGACC_GCFG_OVRFLOW Register
          4. 14.6.7.2.4  RINGACC_GCFG_ERROR_EVT Register
          5. 14.6.7.2.5  RINGACC_GCFG_ERROR_LOG Register
          6. 14.6.7.2.6  RINGACC_RT_RINGRT_DB_J Register
          7. 14.6.7.2.7  RINGACC_RT_RINGRT_OCC_J Register
          8. 14.6.7.2.8  RINGACC_RT_RINGRT_INDX_J Register
          9. 14.6.7.2.9  RINGACC_RT_RINGRT_HWOCC_J Register
          10. 14.6.7.2.10 RINGACC_RT_RINGRT_HWINDX_J Register
          11. 14.6.7.2.11 RINGACC_CFG_RING_BA_LO_J Register
          12. 14.6.7.2.12 RINGACC_CFG_RING_BA_HI_J Register
          13. 14.6.7.2.13 RINGACC_CFG_RING_SIZE_J Register
          14. 14.6.7.2.14 RINGACC_CFG_RING_EVENT_J Register
          15. 14.6.7.2.15 RINGACC_CFG_RING_ORDERID_J Register
      8. 14.6.8  DMASS_SEC_PROXY_0 Summaries
        1.       8042
        2.       8043
        3.       8044
        4.       8045
      9. 14.6.9  Note on PDMA Instances
      10. 14.6.10 PDMA
        1. 14.6.10.1 PDMA Summaries
          1.        8049
        2. 14.6.10.2 PDMA Registers
          1. 14.6.10.2.1  ECC_AGGR_REV Register
          2. 14.6.10.2.2  ECC_AGGR_VECTOR Register
          3. 14.6.10.2.3  ECC_AGGR_STAT Register
          4. 14.6.10.2.4  ECC_AGGR_RESERVED_SVBUS_J Register
          5. 14.6.10.2.5  ECC_AGGR_SEC_EOI_REG Register
          6. 14.6.10.2.6  ECC_AGGR_SEC_STATUS_REG0 Register
          7. 14.6.10.2.7  ECC_AGGR_SEC_ENABLE_SET_REG0 Register
          8. 14.6.10.2.8  ECC_AGGR_SEC_ENABLE_CLR_REG0 Register
          9. 14.6.10.2.9  ECC_AGGR_DED_EOI_REG Register
          10. 14.6.10.2.10 ECC_AGGR_DED_STATUS_REG0 Register
          11. 14.6.10.2.11 ECC_AGGR_DED_ENABLE_SET_REG0 Register
          12. 14.6.10.2.12 ECC_AGGR_DED_ENABLE_CLR_REG0 Register
          13. 14.6.10.2.13 ECC_AGGR_AGGR_ENABLE_SET Register
          14. 14.6.10.2.14 ECC_AGGR_AGGR_ENABLE_CLR Register
          15. 14.6.10.2.15 ECC_AGGR_AGGR_STATUS_SET Register
          16. 14.6.10.2.16 ECC_AGGR_AGGR_STATUS_CLR Register
      11. 14.6.11 PDMA
        1. 14.6.11.1 PDMA Summaries
          1.        8069
        2. 14.6.11.2 PDMA Registers
          1. 14.6.11.2.1  ECC_AGGR_REV Register
          2. 14.6.11.2.2  ECC_AGGR_VECTOR Register
          3. 14.6.11.2.3  ECC_AGGR_STAT Register
          4. 14.6.11.2.4  ECC_AGGR_RESERVED_SVBUS_J Register
          5. 14.6.11.2.5  ECC_AGGR_SEC_EOI_REG Register
          6. 14.6.11.2.6  ECC_AGGR_SEC_STATUS_REG0 Register
          7. 14.6.11.2.7  ECC_AGGR_SEC_ENABLE_SET_REG0 Register
          8. 14.6.11.2.8  ECC_AGGR_SEC_ENABLE_CLR_REG0 Register
          9. 14.6.11.2.9  ECC_AGGR_DED_EOI_REG Register
          10. 14.6.11.2.10 ECC_AGGR_DED_STATUS_REG0 Register
          11. 14.6.11.2.11 ECC_AGGR_DED_ENABLE_SET_REG0 Register
          12. 14.6.11.2.12 ECC_AGGR_DED_ENABLE_CLR_REG0 Register
          13. 14.6.11.2.13 ECC_AGGR_AGGR_ENABLE_SET Register
          14. 14.6.11.2.14 ECC_AGGR_AGGR_ENABLE_CLR Register
          15. 14.6.11.2.15 ECC_AGGR_AGGR_STATUS_SET Register
          16. 14.6.11.2.16 ECC_AGGR_AGGR_STATUS_CLR Register
    7. 14.7 Peripherals Registers
      1. 14.7.1 Audio Peripherals Registers
        1. 14.7.1.1 aasrc
          1. 14.7.1.1.1 aasrc Summaries
            1.         8091
            2.         8092
            3.         8093
          2. 14.7.1.1.2 aasrc Registers
            1. 14.7.1.1.2.1   AASRC_CFG_AASRC_PID Register
            2. 14.7.1.1.2.2   AASRC_CFG_AASRC_SYSCONFIG Register
            3. 14.7.1.1.2.3   AASRC_CFG_IRQ_EOI_REGISTER Register
            4. 14.7.1.1.2.4   AASRC_CFG_INPUT_FIFO_INTERRUPT_STATUS_RAW_REGISTER Register
            5. 14.7.1.1.2.5   AASRC_CFG_INPUT_FIFO_INTERRUPT_STATUS_ENABLED_REGISTER Register
            6. 14.7.1.1.2.6   AASRC_CFG_INPUT_FIFO_INTERRUPT_ENABLE_SET_REGISTER Register
            7. 14.7.1.1.2.7   AASRC_CFG_INPUT_FIFO_INTERRUPT_ENABLE_CLEAR_REGISTER Register
            8. 14.7.1.1.2.8   AASRC_CFG_OUTPUT_FIFO_INTERRUPT_STATUS_RAW_REGISTER Register
            9. 14.7.1.1.2.9   AASRC_CFG_OUTPUT_FIFO_INTERRUPT_STATUS_ENABLED_REGISTER Register
            10. 14.7.1.1.2.10  AASRC_CFG_OUTPUT_FIFO_INTERRUPT_ENABLE_SET_REGISTER Register
            11. 14.7.1.1.2.11  AASRC_CFG_OUTPUT_FIFO_INTERRUPT_ENABLE_CLEAR_REGISTER Register
            12. 14.7.1.1.2.12  AASRC_CFG_INPUT_GROUP_INTERRUPT_STATUS_RAW_REGISTER Register
            13. 14.7.1.1.2.13  AASRC_CFG_INPUT_GROUP_INTERRUPT_STATUS_ENABLED_REGISTER Register
            14. 14.7.1.1.2.14  AASRC_CFG_INPUT_GROUP_INTERRUPT_ENABLE_SET_REGISTER Register
            15. 14.7.1.1.2.15  AASRC_CFG_INPUT_GROUP_INTERRUPT_ENABLE_CLEAR_REGISTER Register
            16. 14.7.1.1.2.16  AASRC_CFG_OUTPUT_GROUP_INTERRUPT_STATUS_RAW_REGISTER Register
            17. 14.7.1.1.2.17  AASRC_CFG_OUTPUT_GROUP_INTERRUPT_STATUS_ENABLED_REGISTER Register
            18. 14.7.1.1.2.18  AASRC_CFG_OUTPUT_GROUP_INTERRUPT_ENABLE_SET_REGISTER Register
            19. 14.7.1.1.2.19  AASRC_CFG_OUTPUT_GROUP_INTERRUPT_ENABLE_CLEAR_REGISTER Register
            20. 14.7.1.1.2.20  AASRC_CFG_ERROR_INTERRUPT_STATUS_RAW_REGISTER Register
            21. 14.7.1.1.2.21  AASRC_CFG_ERROR_INTERRUPT_STATUS_ENABLED_REGISTER Register
            22. 14.7.1.1.2.22  AASRC_CFG_ERROR_INTERRUPT_ENABLE_SET_REGISTER Register
            23. 14.7.1.1.2.23  AASRC_CFG_ERROR_INTERRUPT_ENABLE_CLEAR_REGISTER Register
            24. 14.7.1.1.2.24  AASRC_CFG_INPUT_GROUP_0_SELECT Register
            25. 14.7.1.1.2.25  AASRC_CFG_INPUT_GROUP_1_SELECT Register
            26. 14.7.1.1.2.26  AASRC_CFG_INPUT_GROUP_2_SELECT Register
            27. 14.7.1.1.2.27  AASRC_CFG_INPUT_GROUP_3_SELECT Register
            28. 14.7.1.1.2.28  AASRC_CFG_OUTPUT_GROUP_0_SELECT Register
            29. 14.7.1.1.2.29  AASRC_CFG_OUTPUT_GROUP_1_SELECT Register
            30. 14.7.1.1.2.30  AASRC_CFG_OUTPUT_GROUP_2_SELECT Register
            31. 14.7.1.1.2.31  AASRC_CFG_OUTPUT_GROUP_3_SELECT Register
            32. 14.7.1.1.2.32  AASRC_CFG_SRC_FIFO_CONTROL_0 Register
            33. 14.7.1.1.2.33  AASRC_CFG_SRC_CONTROL_0 Register
            34. 14.7.1.1.2.34  AASRC_CFG_SRC_STATUS_0 Register
            35. 14.7.1.1.2.35  AASRC_CFG_SRC_FIFO_CONTROL_1 Register
            36. 14.7.1.1.2.36  AASRC_CFG_SRC_CONTROL_1 Register
            37. 14.7.1.1.2.37  AASRC_CFG_SRC_STATUS_1 Register
            38. 14.7.1.1.2.38  AASRC_CFG_SRC_FIFO_CONTROL_2 Register
            39. 14.7.1.1.2.39  AASRC_CFG_SRC_CONTROL_2 Register
            40. 14.7.1.1.2.40  AASRC_CFG_SRC_STATUS_2 Register
            41. 14.7.1.1.2.41  AASRC_CFG_SRC_FIFO_CONTROL_3 Register
            42. 14.7.1.1.2.42  AASRC_CFG_SRC_CONTROL_3 Register
            43. 14.7.1.1.2.43  AASRC_CFG_SRC_STATUS_3 Register
            44. 14.7.1.1.2.44  AASRC_CFG_SRC_FIFO_CONTROL_4 Register
            45. 14.7.1.1.2.45  AASRC_CFG_SRC_CONTROL_4 Register
            46. 14.7.1.1.2.46  AASRC_CFG_SRC_STATUS_4 Register
            47. 14.7.1.1.2.47  AASRC_CFG_SRC_FIFO_CONTROL_5 Register
            48. 14.7.1.1.2.48  AASRC_CFG_SRC_CONTROL_5 Register
            49. 14.7.1.1.2.49  AASRC_CFG_SRC_STATUS_5 Register
            50. 14.7.1.1.2.50  AASRC_CFG_SRC_FIFO_CONTROL_6 Register
            51. 14.7.1.1.2.51  AASRC_CFG_SRC_CONTROL_6 Register
            52. 14.7.1.1.2.52  AASRC_CFG_SRC_STATUS_6 Register
            53. 14.7.1.1.2.53  AASRC_CFG_SRC_FIFO_CONTROL_7 Register
            54. 14.7.1.1.2.54  AASRC_CFG_SRC_CONTROL_7 Register
            55. 14.7.1.1.2.55  AASRC_CFG_SRC_STATUS_7 Register
            56. 14.7.1.1.2.56  AASRC_CFG_GROUP_FIFO_CONTROL_0 Register
            57. 14.7.1.1.2.57  AASRC_CFG_GROUP_SRC_CONTROL_0 Register
            58. 14.7.1.1.2.58  AASRC_CFG_GROUP_FIFO_CONTROL_1 Register
            59. 14.7.1.1.2.59  AASRC_CFG_GROUP_SRC_CONTROL_1 Register
            60. 14.7.1.1.2.60  AASRC_CFG_GROUP_FIFO_CONTROL_2 Register
            61. 14.7.1.1.2.61  AASRC_CFG_GROUP_SRC_CONTROL_2 Register
            62. 14.7.1.1.2.62  AASRC_CFG_GROUP_FIFO_CONTROL_3 Register
            63. 14.7.1.1.2.63  AASRC_CFG_GROUP_SRC_CONTROL_3 Register
            64. 14.7.1.1.2.64  AASRC_CFG_INPUT_CLOCK_GENERATOR_STAMP_LO_0 Register
            65. 14.7.1.1.2.65  AASRC_CFG_INPUT_CLOCK_GENERATOR_STAMP_HI_0 Register
            66. 14.7.1.1.2.66  AASRC_CFG_INPUT_CLOCK_GENERATOR_RATE_LO_0 Register
            67. 14.7.1.1.2.67  AASRC_CFG_INPUT_CLOCK_GENERATOR_RATE_HI_0 Register
            68. 14.7.1.1.2.68  AASRC_CFG_INPUT_CLOCK_RECOVERY_LOOP_RATE_LO_0 Register
            69. 14.7.1.1.2.69  AASRC_CFG_INPUT_CLOCK_RECOVERY_LOOP_RATE_HI_0 Register
            70. 14.7.1.1.2.70  AASRC_CFG_INPUT_CLOCKZONE_COUNT_0 Register
            71. 14.7.1.1.2.71  AASRC_CFG_INPUT_CLOCKZONE_CONTROL_0 Register
            72. 14.7.1.1.2.72  AASRC_CFG_OUTPUT_CLOCK_GENERATOR_STAMP_LO_0 Register
            73. 14.7.1.1.2.73  AASRC_CFG_OUTPUT_CLOCK_GENERATOR_STAMP_HI_0 Register
            74. 14.7.1.1.2.74  AASRC_CFG_OUTPUT_CLOCK_GENERATOR_RATE_LO_0 Register
            75. 14.7.1.1.2.75  AASRC_CFG_OUTPUT_CLOCK_GENERATOR_RATE_HI_0 Register
            76. 14.7.1.1.2.76  AASRC_CFG_OUTPUT_CLOCK_RECOVERY_LOOP_RATE_LO_0 Register
            77. 14.7.1.1.2.77  AASRC_CFG_OUTPUT_CLOCK_RECOVERY_LOOP_RATE_HI_0 Register
            78. 14.7.1.1.2.78  AASRC_CFG_OUTPUT_CLOCK_RECOVERY_LOOP_STAMP_LO_0 Register
            79. 14.7.1.1.2.79  AASRC_CFG_OUTPUT_CLOCK_RECOVERY_LOOP_STAMP_HI_0 Register
            80. 14.7.1.1.2.80  AASRC_CFG_OUTPUT_CLOCKZONE_COUNT_0 Register
            81. 14.7.1.1.2.81  AASRC_CFG_OUTPUT_CLOCKZONE_CONTROL_0 Register
            82. 14.7.1.1.2.82  AASRC_CFG_INPUT_CLOCK_RECOVERY_LOOP_OVERRIDE_RATE_LO_0 Register
            83. 14.7.1.1.2.83  AASRC_CFG_INPUT_CLOCK_RECOVERY_LOOP_OVERRIDE_RATE_HI_0 Register
            84. 14.7.1.1.2.84  AASRC_CFG_OUTPUT_CLOCK_RECOVERY_LOOP_OVERRIDE_RATE_LO_0 Register
            85. 14.7.1.1.2.85  AASRC_CFG_OUTPUT_CLOCK_RECOVERY_LOOP_OVERRIDE_RATE_HI_0 Register
            86. 14.7.1.1.2.86  AASRC_CFG_INPUT_CLOCK_GENERATOR_STAMP_LO_1 Register
            87. 14.7.1.1.2.87  AASRC_CFG_INPUT_CLOCK_GENERATOR_STAMP_HI_1 Register
            88. 14.7.1.1.2.88  AASRC_CFG_INPUT_CLOCK_GENERATOR_RATE_LO_1 Register
            89. 14.7.1.1.2.89  AASRC_CFG_INPUT_CLOCK_GENERATOR_RATE_HI_1 Register
            90. 14.7.1.1.2.90  AASRC_CFG_INPUT_CLOCK_RECOVERY_LOOP_RATE_LO_1 Register
            91. 14.7.1.1.2.91  AASRC_CFG_INPUT_CLOCK_RECOVERY_LOOP_RATE_HI_1 Register
            92. 14.7.1.1.2.92  AASRC_CFG_INPUT_CLOCKZONE_COUNT_1 Register
            93. 14.7.1.1.2.93  AASRC_CFG_INPUT_CLOCKZONE_CONTROL_1 Register
            94. 14.7.1.1.2.94  AASRC_CFG_OUTPUT_CLOCK_GENERATOR_STAMP_LO_1 Register
            95. 14.7.1.1.2.95  AASRC_CFG_OUTPUT_CLOCK_GENERATOR_STAMP_HI_1 Register
            96. 14.7.1.1.2.96  AASRC_CFG_OUTPUT_CLOCK_GENERATOR_RATE_LO_1 Register
            97. 14.7.1.1.2.97  AASRC_CFG_OUTPUT_CLOCK_GENERATOR_RATE_HI_1 Register
            98. 14.7.1.1.2.98  AASRC_CFG_OUTPUT_CLOCK_RECOVERY_LOOP_RATE_LO_1 Register
            99. 14.7.1.1.2.99  AASRC_CFG_OUTPUT_CLOCK_RECOVERY_LOOP_RATE_HI_1 Register
            100. 14.7.1.1.2.100 AASRC_CFG_OUTPUT_CLOCK_RECOVERY_LOOP_STAMP_LO_1 Register
            101. 14.7.1.1.2.101 AASRC_CFG_OUTPUT_CLOCK_RECOVERY_LOOP_STAMP_HI_1 Register
            102. 14.7.1.1.2.102 AASRC_CFG_OUTPUT_CLOCKZONE_COUNT_1 Register
            103. 14.7.1.1.2.103 AASRC_CFG_OUTPUT_CLOCKZONE_CONTROL_1 Register
            104. 14.7.1.1.2.104 AASRC_CFG_INPUT_CLOCK_RECOVERY_LOOP_OVERRIDE_RATE_LO_1 Register
            105. 14.7.1.1.2.105 AASRC_CFG_INPUT_CLOCK_RECOVERY_LOOP_OVERRIDE_RATE_HI_1 Register
            106. 14.7.1.1.2.106 AASRC_CFG_OUTPUT_CLOCK_RECOVERY_LOOP_OVERRIDE_RATE_LO_1 Register
            107. 14.7.1.1.2.107 AASRC_CFG_OUTPUT_CLOCK_RECOVERY_LOOP_OVERRIDE_RATE_HI_1 Register
            108. 14.7.1.1.2.108 AASRC_CFG_INPUT_CLOCK_GENERATOR_STAMP_LO_2 Register
            109. 14.7.1.1.2.109 AASRC_CFG_INPUT_CLOCK_GENERATOR_STAMP_HI_2 Register
            110. 14.7.1.1.2.110 AASRC_CFG_INPUT_CLOCK_GENERATOR_RATE_LO_2 Register
            111. 14.7.1.1.2.111 AASRC_CFG_INPUT_CLOCK_GENERATOR_RATE_HI_2 Register
            112. 14.7.1.1.2.112 AASRC_CFG_INPUT_CLOCK_RECOVERY_LOOP_RATE_LO_2 Register
            113. 14.7.1.1.2.113 AASRC_CFG_INPUT_CLOCK_RECOVERY_LOOP_RATE_HI_2 Register
            114. 14.7.1.1.2.114 AASRC_CFG_INPUT_CLOCKZONE_COUNT_2 Register
            115. 14.7.1.1.2.115 AASRC_CFG_INPUT_CLOCKZONE_CONTROL_2 Register
            116. 14.7.1.1.2.116 AASRC_CFG_OUTPUT_CLOCK_GENERATOR_STAMP_LO_2 Register
            117. 14.7.1.1.2.117 AASRC_CFG_OUTPUT_CLOCK_GENERATOR_STAMP_HI_2 Register
            118. 14.7.1.1.2.118 AASRC_CFG_OUTPUT_CLOCK_GENERATOR_RATE_LO_2 Register
            119. 14.7.1.1.2.119 AASRC_CFG_OUTPUT_CLOCK_GENERATOR_RATE_HI_2 Register
            120. 14.7.1.1.2.120 AASRC_CFG_OUTPUT_CLOCK_RECOVERY_LOOP_RATE_LO_2 Register
            121. 14.7.1.1.2.121 AASRC_CFG_OUTPUT_CLOCK_RECOVERY_LOOP_RATE_HI_2 Register
            122. 14.7.1.1.2.122 AASRC_CFG_OUTPUT_CLOCK_RECOVERY_LOOP_STAMP_LO_2 Register
            123. 14.7.1.1.2.123 AASRC_CFG_OUTPUT_CLOCK_RECOVERY_LOOP_STAMP_HI_2 Register
            124. 14.7.1.1.2.124 AASRC_CFG_OUTPUT_CLOCKZONE_COUNT_2 Register
            125. 14.7.1.1.2.125 AASRC_CFG_OUTPUT_CLOCKZONE_CONTROL_2 Register
            126. 14.7.1.1.2.126 AASRC_CFG_INPUT_CLOCK_RECOVERY_LOOP_OVERRIDE_RATE_LO_2 Register
            127. 14.7.1.1.2.127 AASRC_CFG_INPUT_CLOCK_RECOVERY_LOOP_OVERRIDE_RATE_HI_2 Register
            128. 14.7.1.1.2.128 AASRC_CFG_OUTPUT_CLOCK_RECOVERY_LOOP_OVERRIDE_RATE_LO_2 Register
            129. 14.7.1.1.2.129 AASRC_CFG_OUTPUT_CLOCK_RECOVERY_LOOP_OVERRIDE_RATE_HI_2 Register
            130. 14.7.1.1.2.130 AASRC_CFG_INPUT_CLOCK_GENERATOR_STAMP_LO_3 Register
            131. 14.7.1.1.2.131 AASRC_CFG_INPUT_CLOCK_GENERATOR_STAMP_HI_3 Register
            132. 14.7.1.1.2.132 AASRC_CFG_INPUT_CLOCK_GENERATOR_RATE_LO_3 Register
            133. 14.7.1.1.2.133 AASRC_CFG_INPUT_CLOCK_GENERATOR_RATE_HI_3 Register
            134. 14.7.1.1.2.134 AASRC_CFG_INPUT_CLOCK_RECOVERY_LOOP_RATE_LO_3 Register
            135. 14.7.1.1.2.135 AASRC_CFG_INPUT_CLOCK_RECOVERY_LOOP_RATE_HI_3 Register
            136. 14.7.1.1.2.136 AASRC_CFG_INPUT_CLOCKZONE_COUNT_3 Register
            137. 14.7.1.1.2.137 AASRC_CFG_INPUT_CLOCKZONE_CONTROL_3 Register
            138. 14.7.1.1.2.138 AASRC_CFG_OUTPUT_CLOCK_GENERATOR_STAMP_LO_3 Register
            139. 14.7.1.1.2.139 AASRC_CFG_OUTPUT_CLOCK_GENERATOR_STAMP_HI_3 Register
            140. 14.7.1.1.2.140 AASRC_CFG_OUTPUT_CLOCK_GENERATOR_RATE_LO_3 Register
            141. 14.7.1.1.2.141 AASRC_CFG_OUTPUT_CLOCK_GENERATOR_RATE_HI_3 Register
            142. 14.7.1.1.2.142 AASRC_CFG_OUTPUT_CLOCK_RECOVERY_LOOP_RATE_LO_3 Register
            143. 14.7.1.1.2.143 AASRC_CFG_OUTPUT_CLOCK_RECOVERY_LOOP_RATE_HI_3 Register
            144. 14.7.1.1.2.144 AASRC_CFG_OUTPUT_CLOCK_RECOVERY_LOOP_STAMP_LO_3 Register
            145. 14.7.1.1.2.145 AASRC_CFG_OUTPUT_CLOCK_RECOVERY_LOOP_STAMP_HI_3 Register
            146. 14.7.1.1.2.146 AASRC_CFG_OUTPUT_CLOCKZONE_COUNT_3 Register
            147. 14.7.1.1.2.147 AASRC_CFG_OUTPUT_CLOCKZONE_CONTROL_3 Register
            148. 14.7.1.1.2.148 AASRC_CFG_INPUT_CLOCK_RECOVERY_LOOP_OVERRIDE_RATE_LO_3 Register
            149. 14.7.1.1.2.149 AASRC_CFG_INPUT_CLOCK_RECOVERY_LOOP_OVERRIDE_RATE_HI_3 Register
            150. 14.7.1.1.2.150 AASRC_CFG_OUTPUT_CLOCK_RECOVERY_LOOP_OVERRIDE_RATE_LO_3 Register
            151. 14.7.1.1.2.151 AASRC_CFG_OUTPUT_CLOCK_RECOVERY_LOOP_OVERRIDE_RATE_HI_3 Register
            152. 14.7.1.1.2.152 AASRC_CFG_INPUT_CLOCK_ZONE_DIVIDER Register
            153. 14.7.1.1.2.153 AASRC_CFG_OUTPUT_CLOCK_ZONE_DIVIDER Register
            154. 14.7.1.1.2.154 AASRC_DATA_R0_GROUP_INPUT_FIFO_DATA_L0 Register
            155. 14.7.1.1.2.155 AASRC_DATA_R0_GROUP_INPUT_FIFO_DATA_R0 Register
            156. 14.7.1.1.2.156 AASRC_DATA_R0_GROUP_INPUT_FIFO_DATA_L1 Register
            157. 14.7.1.1.2.157 AASRC_DATA_R0_GROUP_INPUT_FIFO_DATA_R1 Register
            158. 14.7.1.1.2.158 AASRC_DATA_R0_GROUP_INPUT_FIFO_DATA_L2 Register
            159. 14.7.1.1.2.159 AASRC_DATA_R0_GROUP_INPUT_FIFO_DATA_R2 Register
            160. 14.7.1.1.2.160 AASRC_DATA_R0_GROUP_INPUT_FIFO_DATA_L3 Register
            161. 14.7.1.1.2.161 AASRC_DATA_R0_GROUP_INPUT_FIFO_DATA_R3 Register
            162. 14.7.1.1.2.162 AASRC_DATA_R0_GROUP_INPUT_FIFO_DATA_L4 Register
            163. 14.7.1.1.2.163 AASRC_DATA_R0_GROUP_INPUT_FIFO_DATA_R4 Register
            164. 14.7.1.1.2.164 AASRC_DATA_R0_GROUP_INPUT_FIFO_DATA_L5 Register
            165. 14.7.1.1.2.165 AASRC_DATA_R0_GROUP_INPUT_FIFO_DATA_R5 Register
            166. 14.7.1.1.2.166 AASRC_DATA_R0_GROUP_INPUT_FIFO_DATA_L6 Register
            167. 14.7.1.1.2.167 AASRC_DATA_R0_GROUP_INPUT_FIFO_DATA_R6 Register
            168. 14.7.1.1.2.168 AASRC_DATA_R0_GROUP_INPUT_FIFO_DATA_L7 Register
            169. 14.7.1.1.2.169 AASRC_DATA_R0_GROUP_INPUT_FIFO_DATA_R7 Register
            170. 14.7.1.1.2.170 AASRC_DATA_R0_GROUP_OUTPUT_FIFO_DATA_L0 Register
            171. 14.7.1.1.2.171 AASRC_DATA_R0_GROUP_OUTPUT_FIFO_DATA_R0 Register
            172. 14.7.1.1.2.172 AASRC_DATA_R0_GROUP_OUTPUT_FIFO_DATA_L1 Register
            173. 14.7.1.1.2.173 AASRC_DATA_R0_GROUP_OUTPUT_FIFO_DATA_R1 Register
            174. 14.7.1.1.2.174 AASRC_DATA_R0_GROUP_OUTPUT_FIFO_DATA_L2 Register
            175. 14.7.1.1.2.175 AASRC_DATA_R0_GROUP_OUTPUT_FIFO_DATA_R2 Register
            176. 14.7.1.1.2.176 AASRC_DATA_R0_GROUP_OUTPUT_FIFO_DATA_L3 Register
            177. 14.7.1.1.2.177 AASRC_DATA_R0_GROUP_OUTPUT_FIFO_DATA_R3 Register
            178. 14.7.1.1.2.178 AASRC_DATA_R0_GROUP_OUTPUT_FIFO_DATA_L4 Register
            179. 14.7.1.1.2.179 AASRC_DATA_R0_GROUP_OUTPUT_FIFO_DATA_R4 Register
            180. 14.7.1.1.2.180 AASRC_DATA_R0_GROUP_OUTPUT_FIFO_DATA_L5 Register
            181. 14.7.1.1.2.181 AASRC_DATA_R0_GROUP_OUTPUT_FIFO_DATA_R5 Register
            182. 14.7.1.1.2.182 AASRC_DATA_R0_GROUP_OUTPUT_FIFO_DATA_L6 Register
            183. 14.7.1.1.2.183 AASRC_DATA_R0_GROUP_OUTPUT_FIFO_DATA_R6 Register
            184. 14.7.1.1.2.184 AASRC_DATA_R0_GROUP_OUTPUT_FIFO_DATA_L7 Register
            185. 14.7.1.1.2.185 AASRC_DATA_R0_GROUP_OUTPUT_FIFO_DATA_R7 Register
            186. 14.7.1.1.2.186 AASRC_DATA_R1_STREAM_INPUT_FIFO_DATA_L0 Register
            187. 14.7.1.1.2.187 AASRC_DATA_R1_STREAM_INPUT_FIFO_DATA_R0 Register
            188. 14.7.1.1.2.188 AASRC_DATA_R1_STREAM_INPUT_FIFO_DATA_L1 Register
            189. 14.7.1.1.2.189 AASRC_DATA_R1_STREAM_INPUT_FIFO_DATA_R1 Register
            190. 14.7.1.1.2.190 AASRC_DATA_R1_STREAM_INPUT_FIFO_DATA_L2 Register
            191. 14.7.1.1.2.191 AASRC_DATA_R1_STREAM_INPUT_FIFO_DATA_R2 Register
            192. 14.7.1.1.2.192 AASRC_DATA_R1_STREAM_INPUT_FIFO_DATA_L3 Register
            193. 14.7.1.1.2.193 AASRC_DATA_R1_STREAM_INPUT_FIFO_DATA_R3 Register
            194. 14.7.1.1.2.194 AASRC_DATA_R1_STREAM_INPUT_FIFO_DATA_L4 Register
            195. 14.7.1.1.2.195 AASRC_DATA_R1_STREAM_INPUT_FIFO_DATA_R4 Register
            196. 14.7.1.1.2.196 AASRC_DATA_R1_STREAM_INPUT_FIFO_DATA_L5 Register
            197. 14.7.1.1.2.197 AASRC_DATA_R1_STREAM_INPUT_FIFO_DATA_R5 Register
            198. 14.7.1.1.2.198 AASRC_DATA_R1_STREAM_INPUT_FIFO_DATA_L6 Register
            199. 14.7.1.1.2.199 AASRC_DATA_R1_STREAM_INPUT_FIFO_DATA_R6 Register
            200. 14.7.1.1.2.200 AASRC_DATA_R1_STREAM_INPUT_FIFO_DATA_L7 Register
            201. 14.7.1.1.2.201 AASRC_DATA_R1_STREAM_INPUT_FIFO_DATA_R7 Register
            202. 14.7.1.1.2.202 AASRC_DATA_R1_STREAM_OUTPUT_FIFO_DATA_L0 Register
            203. 14.7.1.1.2.203 AASRC_DATA_R1_STREAM_OUTPUT_FIFO_DATA_R0 Register
            204. 14.7.1.1.2.204 AASRC_DATA_R1_STREAM_OUTPUT_FIFO_DATA_L1 Register
            205. 14.7.1.1.2.205 AASRC_DATA_R1_STREAM_OUTPUT_FIFO_DATA_R1 Register
            206. 14.7.1.1.2.206 AASRC_DATA_R1_STREAM_OUTPUT_FIFO_DATA_L2 Register
            207. 14.7.1.1.2.207 AASRC_DATA_R1_STREAM_OUTPUT_FIFO_DATA_R2 Register
            208. 14.7.1.1.2.208 AASRC_DATA_R1_STREAM_OUTPUT_FIFO_DATA_L3 Register
            209. 14.7.1.1.2.209 AASRC_DATA_R1_STREAM_OUTPUT_FIFO_DATA_R3 Register
            210. 14.7.1.1.2.210 AASRC_DATA_R1_STREAM_OUTPUT_FIFO_DATA_L4 Register
            211. 14.7.1.1.2.211 AASRC_DATA_R1_STREAM_OUTPUT_FIFO_DATA_R4 Register
            212. 14.7.1.1.2.212 AASRC_DATA_R1_STREAM_OUTPUT_FIFO_DATA_L5 Register
            213. 14.7.1.1.2.213 AASRC_DATA_R1_STREAM_OUTPUT_FIFO_DATA_R5 Register
            214. 14.7.1.1.2.214 AASRC_DATA_R1_STREAM_OUTPUT_FIFO_DATA_L6 Register
            215. 14.7.1.1.2.215 AASRC_DATA_R1_STREAM_OUTPUT_FIFO_DATA_R6 Register
            216. 14.7.1.1.2.216 AASRC_DATA_R1_STREAM_OUTPUT_FIFO_DATA_L7 Register
            217. 14.7.1.1.2.217 AASRC_DATA_R1_STREAM_OUTPUT_FIFO_DATA_R7 Register
        2. 14.7.1.2 MCASP
          1. 14.7.1.2.1 MCASP Summaries
            1.         8314
          2. 14.7.1.2.2 MCASP Registers
            1. 14.7.1.2.2.1   MCASP_PID Register
            2. 14.7.1.2.2.2   MCASP_PWRIDLESYSCONFIG Register
            3. 14.7.1.2.2.3   MCASP_PFUNC Register
            4. 14.7.1.2.2.4   MCASP_PDIR Register
            5. 14.7.1.2.2.5   MCASP_PDOUT Register
            6. 14.7.1.2.2.6   MCASP_PDIN Register
            7. 14.7.1.2.2.7   MCASP_PDCLR Register
            8. 14.7.1.2.2.8   MCASP_GBLCTL Register
            9. 14.7.1.2.2.9   MCASP_AMUTE Register
            10. 14.7.1.2.2.10  MCASP_DLBCTL Register
            11. 14.7.1.2.2.11  MCASP_DITCTL Register
            12. 14.7.1.2.2.12  MCASP_RGBLCTL Register
            13. 14.7.1.2.2.13  MCASP_RMASK Register
            14. 14.7.1.2.2.14  MCASP_RFMT Register
            15. 14.7.1.2.2.15  MCASP_AFSRCTL Register
            16. 14.7.1.2.2.16  MCASP_ACLKRCTL Register
            17. 14.7.1.2.2.17  MCASP_AHCLKRCTL Register
            18. 14.7.1.2.2.18  MCASP_RTDM Register
            19. 14.7.1.2.2.19  MCASP_RINTCTL Register
            20. 14.7.1.2.2.20  MCASP_RSTAT Register
            21. 14.7.1.2.2.21  MCASP_RSLOT Register
            22. 14.7.1.2.2.22  MCASP_RCLKCHK Register
            23. 14.7.1.2.2.23  MCASP_XGBLCTL Register
            24. 14.7.1.2.2.24  MCASP_XMASK Register
            25. 14.7.1.2.2.25  MCASP_XFMT Register
            26. 14.7.1.2.2.26  MCASP_AFSXCTL Register
            27. 14.7.1.2.2.27  MCASP_ACLKXCTL Register
            28. 14.7.1.2.2.28  MCASP_AHCLKXCTL Register
            29. 14.7.1.2.2.29  MCASP_XTDM Register
            30. 14.7.1.2.2.30  MCASP_XINTCTL Register
            31. 14.7.1.2.2.31  MCASP_XSTAT Register
            32. 14.7.1.2.2.32  MCASP_XSLOT Register
            33. 14.7.1.2.2.33  MCASP_XCLKCHK Register
            34. 14.7.1.2.2.34  MCASP_XEVTCTL Register
            35. 14.7.1.2.2.35  MCASP_DITCSRA0 Register
            36. 14.7.1.2.2.36  MCASP_DITCSRA1 Register
            37. 14.7.1.2.2.37  MCASP_DITCSRA2 Register
            38. 14.7.1.2.2.38  MCASP_DITCSRA3 Register
            39. 14.7.1.2.2.39  MCASP_DITCSRA4 Register
            40. 14.7.1.2.2.40  MCASP_DITCSRA5 Register
            41. 14.7.1.2.2.41  MCASP_DITCSRB0 Register
            42. 14.7.1.2.2.42  MCASP_DITCSRB1 Register
            43. 14.7.1.2.2.43  MCASP_DITCSRB2 Register
            44. 14.7.1.2.2.44  MCASP_DITCSRB3 Register
            45. 14.7.1.2.2.45  MCASP_DITCSRB4 Register
            46. 14.7.1.2.2.46  MCASP_DITCSRB5 Register
            47. 14.7.1.2.2.47  MCASP_DITUDRA0 Register
            48. 14.7.1.2.2.48  MCASP_DITUDRA1 Register
            49. 14.7.1.2.2.49  MCASP_DITUDRA2 Register
            50. 14.7.1.2.2.50  MCASP_DITUDRA3 Register
            51. 14.7.1.2.2.51  MCASP_DITUDRA4 Register
            52. 14.7.1.2.2.52  MCASP_DITUDRA5 Register
            53. 14.7.1.2.2.53  MCASP_DITUDRB0 Register
            54. 14.7.1.2.2.54  MCASP_DITUDRB1 Register
            55. 14.7.1.2.2.55  MCASP_DITUDRB2 Register
            56. 14.7.1.2.2.56  MCASP_DITUDRB3 Register
            57. 14.7.1.2.2.57  MCASP_DITUDRB4 Register
            58. 14.7.1.2.2.58  MCASP_DITUDRB5 Register
            59. 14.7.1.2.2.59  MCASP_SRCTL0 Register
            60. 14.7.1.2.2.60  MCASP_SRCTL1 Register
            61. 14.7.1.2.2.61  MCASP_SRCTL2 Register
            62. 14.7.1.2.2.62  MCASP_SRCTL3 Register
            63. 14.7.1.2.2.63  MCASP_SRCTL4 Register
            64. 14.7.1.2.2.64  MCASP_SRCTL5 Register
            65. 14.7.1.2.2.65  MCASP_SRCTL6 Register
            66. 14.7.1.2.2.66  MCASP_SRCTL7 Register
            67. 14.7.1.2.2.67  MCASP_SRCTL8 Register
            68. 14.7.1.2.2.68  MCASP_SRCTL9 Register
            69. 14.7.1.2.2.69  MCASP_SRCTL10 Register
            70. 14.7.1.2.2.70  MCASP_SRCTL11 Register
            71. 14.7.1.2.2.71  MCASP_SRCTL12 Register
            72. 14.7.1.2.2.72  MCASP_SRCTL13 Register
            73. 14.7.1.2.2.73  MCASP_SRCTL14 Register
            74. 14.7.1.2.2.74  MCASP_SRCTL15 Register
            75. 14.7.1.2.2.75  MCASP_XBUF0 Register
            76. 14.7.1.2.2.76  MCASP_XBUF1 Register
            77. 14.7.1.2.2.77  MCASP_XBUF2 Register
            78. 14.7.1.2.2.78  MCASP_XBUF3 Register
            79. 14.7.1.2.2.79  MCASP_XBUF4 Register
            80. 14.7.1.2.2.80  MCASP_XBUF5 Register
            81. 14.7.1.2.2.81  MCASP_XBUF6 Register
            82. 14.7.1.2.2.82  MCASP_XBUF7 Register
            83. 14.7.1.2.2.83  MCASP_XBUF8 Register
            84. 14.7.1.2.2.84  MCASP_XBUF9 Register
            85. 14.7.1.2.2.85  MCASP_XBUF10 Register
            86. 14.7.1.2.2.86  MCASP_XBUF11 Register
            87. 14.7.1.2.2.87  MCASP_XBUF12 Register
            88. 14.7.1.2.2.88  MCASP_XBUF13 Register
            89. 14.7.1.2.2.89  MCASP_XBUF14 Register
            90. 14.7.1.2.2.90  MCASP_XBUF15 Register
            91. 14.7.1.2.2.91  MCASP_RBUF0 Register
            92. 14.7.1.2.2.92  MCASP_RBUF1 Register
            93. 14.7.1.2.2.93  MCASP_RBUF2 Register
            94. 14.7.1.2.2.94  MCASP_RBUF3 Register
            95. 14.7.1.2.2.95  MCASP_RBUF4 Register
            96. 14.7.1.2.2.96  MCASP_RBUF5 Register
            97. 14.7.1.2.2.97  MCASP_RBUF6 Register
            98. 14.7.1.2.2.98  MCASP_RBUF7 Register
            99. 14.7.1.2.2.99  MCASP_RBUF8 Register
            100. 14.7.1.2.2.100 MCASP_RBUF9 Register
            101. 14.7.1.2.2.101 MCASP_RBUF10 Register
            102. 14.7.1.2.2.102 MCASP_RBUF11 Register
            103. 14.7.1.2.2.103 MCASP_RBUF12 Register
            104. 14.7.1.2.2.104 MCASP_RBUF13 Register
            105. 14.7.1.2.2.105 MCASP_RBUF14 Register
            106. 14.7.1.2.2.106 MCASP_RBUF15 Register
            107. 14.7.1.2.2.107 MCASP_WFIFOCTL Register
            108. 14.7.1.2.2.108 MCASP_WFIFOSTS Register
            109. 14.7.1.2.2.109 MCASP_RFIFOCTL Register
            110. 14.7.1.2.2.110 MCASP_RFIFOSTS Register
        3. 14.7.1.3 atl
          1. 14.7.1.3.1 atl Summaries
            1.         8428
          2. 14.7.1.3.2 atl Registers
            1. 14.7.1.3.2.1  ATL_MMR_REVISION Register
            2. 14.7.1.3.2.2  ATL_MMR_ATL0_PPMR Register
            3. 14.7.1.3.2.3  ATL_MMR_ATL0_BBSR Register
            4. 14.7.1.3.2.4  ATL_MMR_ATL0_ATLCR Register
            5. 14.7.1.3.2.5  ATL_MMR_ATL0_SWEN Register
            6. 14.7.1.3.2.6  ATL_MMR_ATL0_BWSMUX Register
            7. 14.7.1.3.2.7  ATL_MMR_ATL0_AWSMUX Register
            8. 14.7.1.3.2.8  ATL_MMR_ATL0_PCLKMUX Register
            9. 14.7.1.3.2.9  ATL_MMR_ATL1_PPMR Register
            10. 14.7.1.3.2.10 ATL_MMR_ATL1_BBSR Register
            11. 14.7.1.3.2.11 ATL_MMR_ATL1_ATLCR Register
            12. 14.7.1.3.2.12 ATL_MMR_ATL1_SWEN Register
            13. 14.7.1.3.2.13 ATL_MMR_ATL1_BWSMUX Register
            14. 14.7.1.3.2.14 ATL_MMR_ATL1_AWSMUX Register
            15. 14.7.1.3.2.15 ATL_MMR_ATL1_PCLKMUX Register
            16. 14.7.1.3.2.16 ATL_MMR_ATL2_PPMR Register
            17. 14.7.1.3.2.17 ATL_MMR_ATL2_BBSR Register
            18. 14.7.1.3.2.18 ATL_MMR_ATL2_ATLCR Register
            19. 14.7.1.3.2.19 ATL_MMR_ATL2_SWEN Register
            20. 14.7.1.3.2.20 ATL_MMR_ATL2_BWSMUX Register
            21. 14.7.1.3.2.21 ATL_MMR_ATL2_AWSMUX Register
            22. 14.7.1.3.2.22 ATL_MMR_ATL2_PCLKMUX Register
            23. 14.7.1.3.2.23 ATL_MMR_ATL3_PPMR Register
            24. 14.7.1.3.2.24 ATL_MMR_ATL3_BBSR Register
            25. 14.7.1.3.2.25 ATL_MMR_ATL3_ATLCR Register
            26. 14.7.1.3.2.26 ATL_MMR_ATL3_SWEN Register
            27. 14.7.1.3.2.27 ATL_MMR_ATL3_BWSMUX Register
            28. 14.7.1.3.2.28 ATL_MMR_ATL3_AWSMUX Register
            29. 14.7.1.3.2.29 ATL_MMR_ATL3_PCLKMUX Register
        4. 14.7.1.4 MLB
          1. 14.7.1.4.1 MLB Summaries
            1.         8461
            2.         8462
            3.         8463
            4.         8464
          2. 14.7.1.4.2 MLB Registers
            1. 14.7.1.4.2.1  MLBSS_CFG_PID Register
            2. 14.7.1.4.2.2  MLBSS_CFG_STAT Register
            3. 14.7.1.4.2.3  MLBSS_CFG_DMA_CTRL Register
            4. 14.7.1.4.2.4  MLBDIM_CFG_MLBC0 Register
            5. 14.7.1.4.2.5  MLBDIM_CFG_MLBPC0 Register
            6. 14.7.1.4.2.6  MLBDIM_CFG_MS0 Register
            7. 14.7.1.4.2.7  MLBDIM_CFG_MS1 Register
            8. 14.7.1.4.2.8  MLBDIM_CFG_MSS Register
            9. 14.7.1.4.2.9  MLBDIM_CFG_MSD Register
            10. 14.7.1.4.2.10 MLBDIM_CFG_MIEN Register
            11. 14.7.1.4.2.11 MLBDIM_CFG_MLBPC2 Register
            12. 14.7.1.4.2.12 MLBDIM_CFG_MLBPC1 Register
            13. 14.7.1.4.2.13 MLBDIM_CFG_MLBC1 Register
            14. 14.7.1.4.2.14 MLBDIM_CFG_HCTL Register
            15. 14.7.1.4.2.15 MLBDIM_CFG_HCMR0 Register
            16. 14.7.1.4.2.16 MLBDIM_CFG_HCMR1 Register
            17. 14.7.1.4.2.17 MLBDIM_CFG_HCER0 Register
            18. 14.7.1.4.2.18 MLBDIM_CFG_HCER1 Register
            19. 14.7.1.4.2.19 MLBDIM_CFG_HCBR0 Register
            20. 14.7.1.4.2.20 MLBDIM_CFG_HCBR1 Register
            21. 14.7.1.4.2.21 MLBDIM_CFG_MDAT0 Register
            22. 14.7.1.4.2.22 MLBDIM_CFG_MDAT1 Register
            23. 14.7.1.4.2.23 MLBDIM_CFG_MDAT2 Register
            24. 14.7.1.4.2.24 MLBDIM_CFG_MDAT3 Register
            25. 14.7.1.4.2.25 MLBDIM_CFG_MDWE0 Register
            26. 14.7.1.4.2.26 MLBDIM_CFG_MDWE1 Register
            27. 14.7.1.4.2.27 MLBDIM_CFG_MDWE2 Register
            28. 14.7.1.4.2.28 MLBDIM_CFG_MDWE3 Register
            29. 14.7.1.4.2.29 MLBDIM_CFG_MCTL Register
            30. 14.7.1.4.2.30 MLBDIM_CFG_MADR Register
            31. 14.7.1.4.2.31 MLBDIM_CFG_PID Register
            32. 14.7.1.4.2.32 MLBDIM_CFG_ACTL Register
            33. 14.7.1.4.2.33 MLBDIM_CFG_ACSR0 Register
            34. 14.7.1.4.2.34 MLBDIM_CFG_ACSR1 Register
            35. 14.7.1.4.2.35 MLBDIM_CFG_ACMR0 Register
            36. 14.7.1.4.2.36 MLBDIM_CFG_ACMR1 Register
            37. 14.7.1.4.2.37 RAT_PID Register
            38. 14.7.1.4.2.38 RAT_CONFIG Register
            39. 14.7.1.4.2.39 RAT_DESTINATION_ID Register
            40. 14.7.1.4.2.40 RAT_EXCEPTION_LOGGING_CONTROL Register
            41. 14.7.1.4.2.41 RAT_EXCEPTION_LOGGING_HEADER0 Register
            42. 14.7.1.4.2.42 RAT_EXCEPTION_LOGGING_HEADER1 Register
            43. 14.7.1.4.2.43 RAT_EXCEPTION_LOGGING_DATA0 Register
            44. 14.7.1.4.2.44 RAT_EXCEPTION_LOGGING_DATA1 Register
            45. 14.7.1.4.2.45 RAT_EXCEPTION_LOGGING_DATA2 Register
            46. 14.7.1.4.2.46 RAT_EXCEPTION_LOGGING_DATA3 Register
            47. 14.7.1.4.2.47 RAT_EXCEPTION_PEND_SET Register
            48. 14.7.1.4.2.48 RAT_EXCEPTION_PEND_CLEAR Register
            49. 14.7.1.4.2.49 RAT_EXCEPTION_ENABLE_SET Register
            50. 14.7.1.4.2.50 RAT_EXCEPTION_ENABLE_CLEAR Register
            51. 14.7.1.4.2.51 RAT_EOI_REG Register
            52. 14.7.1.4.2.52 RAT_REGION_CTRL_J Register
            53. 14.7.1.4.2.53 RAT_REGION_BASE_J Register
            54. 14.7.1.4.2.54 RAT_REGION_TRANS_L_J Register
            55. 14.7.1.4.2.55 RAT_REGION_TRANS_U_J Register
            56. 14.7.1.4.2.56 ECC_AGGR_REV Register
            57. 14.7.1.4.2.57 ECC_AGGR_VECTOR Register
            58. 14.7.1.4.2.58 ECC_AGGR_STAT Register
            59. 14.7.1.4.2.59 ECC_AGGR_RESERVED_SVBUS_J Register
            60. 14.7.1.4.2.60 ECC_AGGR_SEC_EOI_REG Register
            61. 14.7.1.4.2.61 ECC_AGGR_SEC_STATUS_REG0 Register
            62. 14.7.1.4.2.62 ECC_AGGR_SEC_ENABLE_SET_REG0 Register
            63. 14.7.1.4.2.63 ECC_AGGR_SEC_ENABLE_CLR_REG0 Register
            64. 14.7.1.4.2.64 ECC_AGGR_DED_EOI_REG Register
            65. 14.7.1.4.2.65 ECC_AGGR_DED_STATUS_REG0 Register
            66. 14.7.1.4.2.66 ECC_AGGR_DED_ENABLE_SET_REG0 Register
            67. 14.7.1.4.2.67 ECC_AGGR_DED_ENABLE_CLR_REG0 Register
            68. 14.7.1.4.2.68 ECC_AGGR_AGGR_ENABLE_SET Register
            69. 14.7.1.4.2.69 ECC_AGGR_AGGR_ENABLE_CLR Register
            70. 14.7.1.4.2.70 ECC_AGGR_AGGR_STATUS_SET Register
            71. 14.7.1.4.2.71 ECC_AGGR_AGGR_STATUS_CLR Register
      2. 14.7.2 General Connectivity Peripherals Registers
        1. 14.7.2.1 GPIO
          1. 14.7.2.1.1 GPIO Summaries
            1.         8540
          2. 14.7.2.1.2 GPIO Registers
            1. 14.7.2.1.2.1  GPIO_PID Register
            2. 14.7.2.1.2.2  GPIO_PCR Register
            3. 14.7.2.1.2.3  GPIO_BINTEN Register
            4. 14.7.2.1.2.4  GPIO_DIR01 Register
            5. 14.7.2.1.2.5  GPIO_OUT_DATA01 Register
            6. 14.7.2.1.2.6  GPIO_SET_DATA01 Register
            7. 14.7.2.1.2.7  GPIO_CLR_DATA01 Register
            8. 14.7.2.1.2.8  GPIO_IN_DATA01 Register
            9. 14.7.2.1.2.9  GPIO_SET_RIS_TRIG01 Register
            10. 14.7.2.1.2.10 GPIO_CLR_RIS_TRIG01 Register
            11. 14.7.2.1.2.11 GPIO_SET_FAL_TRIG01 Register
            12. 14.7.2.1.2.12 GPIO_CLR_FAL_TRIG01 Register
            13. 14.7.2.1.2.13 GPIO_INTSTAT01 Register
            14. 14.7.2.1.2.14 GPIO_DIR23 Register
            15. 14.7.2.1.2.15 GPIO_OUT_DATA23 Register
            16. 14.7.2.1.2.16 GPIO_SET_DATA23 Register
            17. 14.7.2.1.2.17 GPIO_CLR_DATA23 Register
            18. 14.7.2.1.2.18 GPIO_IN_DATA23 Register
            19. 14.7.2.1.2.19 GPIO_SET_RIS_TRIG23 Register
            20. 14.7.2.1.2.20 GPIO_CLR_RIS_TRIG23 Register
            21. 14.7.2.1.2.21 GPIO_SET_FAL_TRIG23 Register
            22. 14.7.2.1.2.22 GPIO_CLR_FAL_TRIG23 Register
            23. 14.7.2.1.2.23 GPIO_INTSTAT23 Register
            24. 14.7.2.1.2.24 GPIO_DIR45 Register
            25. 14.7.2.1.2.25 GPIO_OUT_DATA45 Register
            26. 14.7.2.1.2.26 GPIO_SET_DATA45 Register
            27. 14.7.2.1.2.27 GPIO_CLR_DATA45 Register
            28. 14.7.2.1.2.28 GPIO_IN_DATA45 Register
            29. 14.7.2.1.2.29 GPIO_SET_RIS_TRIG45 Register
            30. 14.7.2.1.2.30 GPIO_CLR_RIS_TRIG45 Register
            31. 14.7.2.1.2.31 GPIO_SET_FAL_TRIG45 Register
            32. 14.7.2.1.2.32 GPIO_CLR_FAL_TRIG45 Register
            33. 14.7.2.1.2.33 GPIO_INTSTAT45 Register
            34. 14.7.2.1.2.34 GPIO_DIR67 Register
            35. 14.7.2.1.2.35 GPIO_OUT_DATA67 Register
            36. 14.7.2.1.2.36 GPIO_SET_DATA67 Register
            37. 14.7.2.1.2.37 GPIO_CLR_DATA67 Register
            38. 14.7.2.1.2.38 GPIO_IN_DATA67 Register
            39. 14.7.2.1.2.39 GPIO_SET_RIS_TRIG67 Register
            40. 14.7.2.1.2.40 GPIO_CLR_RIS_TRIG67 Register
            41. 14.7.2.1.2.41 GPIO_SET_FAL_TRIG67 Register
            42. 14.7.2.1.2.42 GPIO_CLR_FAL_TRIG67 Register
            43. 14.7.2.1.2.43 GPIO_INTSTAT67 Register
            44. 14.7.2.1.2.44 GPIO_DIR8 Register
            45. 14.7.2.1.2.45 GPIO_OUT_DATA8 Register
            46. 14.7.2.1.2.46 GPIO_SET_DATA8 Register
            47. 14.7.2.1.2.47 GPIO_CLR_DATA8 Register
            48. 14.7.2.1.2.48 GPIO_IN_DATA8 Register
            49. 14.7.2.1.2.49 GPIO_SET_RIS_TRIG8 Register
            50. 14.7.2.1.2.50 GPIO_CLR_RIS_TRIG8 Register
            51. 14.7.2.1.2.51 GPIO_SET_FAL_TRIG8 Register
            52. 14.7.2.1.2.52 GPIO_CLR_FAL_TRIG8 Register
            53. 14.7.2.1.2.53 GPIO_INTSTAT8 Register
        2. 14.7.2.2 I2C
          1. 14.7.2.2.1 I2C Summaries
            1.         8597
          2. 14.7.2.2.2 I2C Registers
            1. 14.7.2.2.2.1  I2C_REVNB_LO Register
            2. 14.7.2.2.2.2  I2C_REVNB_HI Register
            3. 14.7.2.2.2.3  I2C_SYSC Register
            4. 14.7.2.2.2.4  I2C_EOI Register
            5. 14.7.2.2.2.5  I2C_IRQSTATUS_RAW Register
            6. 14.7.2.2.2.6  I2C_IRQSTATUS Register
            7. 14.7.2.2.2.7  I2C_IRQENABLE_SET Register
            8. 14.7.2.2.2.8  I2C_IRQENABLE_CLR Register
            9. 14.7.2.2.2.9  I2C_WE Register
            10. 14.7.2.2.2.10 I2C_DMARXENABLE_SET Register
            11. 14.7.2.2.2.11 I2C_DMATXENABLE_SET Register
            12. 14.7.2.2.2.12 I2C_DMARXENABLE_CLR Register
            13. 14.7.2.2.2.13 I2C_DMATXENABLE_CLR Register
            14. 14.7.2.2.2.14 I2C_DMARXWAKE_EN Register
            15. 14.7.2.2.2.15 I2C_DMATXWAKE_EN Register
            16. 14.7.2.2.2.16 I2C_IE Register
            17. 14.7.2.2.2.17 I2C_STAT Register
            18. 14.7.2.2.2.18 I2C_SYSS Register
            19. 14.7.2.2.2.19 I2C_BUF Register
            20. 14.7.2.2.2.20 I2C_CNT Register
            21. 14.7.2.2.2.21 I2C_DATA Register
            22. 14.7.2.2.2.22 I2C_CON Register
            23. 14.7.2.2.2.23 I2C_OA Register
            24. 14.7.2.2.2.24 I2C_SA Register
            25. 14.7.2.2.2.25 I2C_PSC Register
            26. 14.7.2.2.2.26 I2C_SCLL Register
            27. 14.7.2.2.2.27 I2C_SCLH Register
            28. 14.7.2.2.2.28 I2C_SYSTEST Register
            29. 14.7.2.2.2.29 I2C_BUFSTAT Register
            30. 14.7.2.2.2.30 I2C_OA1 Register
            31. 14.7.2.2.2.31 I2C_OA2 Register
            32. 14.7.2.2.2.32 I2C_OA3 Register
            33. 14.7.2.2.2.33 I2C_ACTOA Register
            34. 14.7.2.2.2.34 I2C_SBLOCK Register
        3. 14.7.2.3 MCSPI
          1. 14.7.2.3.1 MCSPI Summaries
            1.         8635
          2. 14.7.2.3.2 MCSPI Registers
            1. 14.7.2.3.2.1  MCSPI_HL_REV Register
            2. 14.7.2.3.2.2  MCSPI_HL_HWINFO Register
            3. 14.7.2.3.2.3  MCSPI_HL_SYSCONFIG Register
            4. 14.7.2.3.2.4  MCSPI_REVISION Register
            5. 14.7.2.3.2.5  MCSPI_SYSCONFIG Register
            6. 14.7.2.3.2.6  MCSPI_SYSSTATUS Register
            7. 14.7.2.3.2.7  MCSPI_IRQSTATUS Register
            8. 14.7.2.3.2.8  MCSPI_IRQENABLE Register
            9. 14.7.2.3.2.9  MCSPI_WAKEUPENABLE Register
            10. 14.7.2.3.2.10 MCSPI_SYST Register
            11. 14.7.2.3.2.11 MCSPI_MODULCTRL Register
            12. 14.7.2.3.2.12 MCSPI_CH0CONF Register
            13. 14.7.2.3.2.13 MCSPI_CH0STAT Register
            14. 14.7.2.3.2.14 MCSPI_CH0CTRL Register
            15. 14.7.2.3.2.15 MCSPI_TX0 Register
            16. 14.7.2.3.2.16 MCSPI_RX0 Register
            17. 14.7.2.3.2.17 MCSPI_CH1CONF Register
            18. 14.7.2.3.2.18 MCSPI_CH1STAT Register
            19. 14.7.2.3.2.19 MCSPI_CH1CTRL Register
            20. 14.7.2.3.2.20 MCSPI_TX1 Register
            21. 14.7.2.3.2.21 MCSPI_RX1 Register
            22. 14.7.2.3.2.22 MCSPI_CH2CONF Register
            23. 14.7.2.3.2.23 MCSPI_CH2STAT Register
            24. 14.7.2.3.2.24 MCSPI_CH2CTRL Register
            25. 14.7.2.3.2.25 MCSPI_TX2 Register
            26. 14.7.2.3.2.26 MCSPI_RX2 Register
            27. 14.7.2.3.2.27 MCSPI_CH3CONF Register
            28. 14.7.2.3.2.28 MCSPI_CH3STAT Register
            29. 14.7.2.3.2.29 MCSPI_CH3CTRL Register
            30. 14.7.2.3.2.30 MCSPI_TX3 Register
            31. 14.7.2.3.2.31 MCSPI_RX3 Register
            32. 14.7.2.3.2.32 MCSPI_XFERLEVEL Register
            33. 14.7.2.3.2.33 MCSPI_DAFTX Register
            34. 14.7.2.3.2.34 MCSPI_DAFRX Register
        4. 14.7.2.4 UART
          1. 14.7.2.4.1 UART Summaries
            1.         8673
          2. 14.7.2.4.2 UART Registers
            1. 14.7.2.4.2.1  UART_DLL Register
            2. 14.7.2.4.2.2  UART_RHR Register
            3. 14.7.2.4.2.3  UART_THR Register
            4. 14.7.2.4.2.4  UART_DLH Register
            5. 14.7.2.4.2.5  UART_IER_CIR Register
            6. 14.7.2.4.2.6  UART_IER_IRDA Register
            7. 14.7.2.4.2.7  UART_IER_UART Register
            8. 14.7.2.4.2.8  UART_EFR Register
            9. 14.7.2.4.2.9  UART_FCR Register
            10. 14.7.2.4.2.10 UART_IIR_CIR Register
            11. 14.7.2.4.2.11 UART_IIR_IRDA Register
            12. 14.7.2.4.2.12 UART_IIR_UART Register
            13. 14.7.2.4.2.13 UART_LCR Register
            14. 14.7.2.4.2.14 UART_MCR Register
            15. 14.7.2.4.2.15 UART_XON1_ADDR1 Register
            16. 14.7.2.4.2.16 UART_LSR_CIR Register
            17. 14.7.2.4.2.17 UART_LSR_IRDA Register
            18. 14.7.2.4.2.18 UART_LSR_UART Register
            19. 14.7.2.4.2.19 UART_XON2_ADDR2 Register
            20. 14.7.2.4.2.20 UART_MSR Register
            21. 14.7.2.4.2.21 UART_TCR Register
            22. 14.7.2.4.2.22 UART_XOFF1 Register
            23. 14.7.2.4.2.23 UART_SPR Register
            24. 14.7.2.4.2.24 UART_TLR Register
            25. 14.7.2.4.2.25 UART_XOFF2 Register
            26. 14.7.2.4.2.26 UART_MDR1 Register
            27. 14.7.2.4.2.27 UART_MDR2 Register
            28. 14.7.2.4.2.28 UART_SFLSR Register
            29. 14.7.2.4.2.29 UART_TXFLL Register
            30. 14.7.2.4.2.30 UART_RESUME Register
            31. 14.7.2.4.2.31 UART_TXFLH Register
            32. 14.7.2.4.2.32 UART_RXFLL Register
            33. 14.7.2.4.2.33 UART_SFREGL Register
            34. 14.7.2.4.2.34 UART_RXFLH Register
            35. 14.7.2.4.2.35 UART_SFREGH Register
            36. 14.7.2.4.2.36 UART_BLR Register
            37. 14.7.2.4.2.37 UART_UASR Register
            38. 14.7.2.4.2.38 UART_ACREG Register
            39. 14.7.2.4.2.39 UART_SCR Register
            40. 14.7.2.4.2.40 UART_SSR Register
            41. 14.7.2.4.2.41 UART_EBLR Register
            42. 14.7.2.4.2.42 UART_MVR Register
            43. 14.7.2.4.2.43 UART_SYSC Register
            44. 14.7.2.4.2.44 UART_SYSS Register
            45. 14.7.2.4.2.45 UART_WER Register
            46. 14.7.2.4.2.46 UART_CFPS Register
            47. 14.7.2.4.2.47 UART_RXFIFO_LVL Register
            48. 14.7.2.4.2.48 UART_TXFIFO_LVL Register
            49. 14.7.2.4.2.49 UART_IER2 Register
            50. 14.7.2.4.2.50 UART_ISR2 Register
            51. 14.7.2.4.2.51 UART_FREQ_SEL Register
            52. 14.7.2.4.2.52 UART_ABAUD_1ST_CHAR Register
            53. 14.7.2.4.2.53 UART_BAUD_2ND_CHAR Register
            54. 14.7.2.4.2.54 UART_MDR3 Register
            55. 14.7.2.4.2.55 UART_TX_DMA_THRESHOLD Register
            56. 14.7.2.4.2.56 UART_MDR4 Register
            57. 14.7.2.4.2.57 UART_EFR2 Register
            58. 14.7.2.4.2.58 UART_ECR Register
            59. 14.7.2.4.2.59 UART_TIMEGUARD Register
            60. 14.7.2.4.2.60 UART_TIMEOUTL Register
            61. 14.7.2.4.2.61 UART_TIMEOUTH Register
            62. 14.7.2.4.2.62 UART_SCCR Register
            63. 14.7.2.4.2.63 UART_ERHR Register
            64. 14.7.2.4.2.64 UART_ETHR Register
            65. 14.7.2.4.2.65 UART_MAR Register
            66. 14.7.2.4.2.66 UART_MMR Register
            67. 14.7.2.4.2.67 UART_MBR Register
      3. 14.7.3 High-Speed Serial Interfaces Registers
        1. 14.7.3.1 CPSW
          1. 14.7.3.1.1 CPSW Summaries
            1.         8745
            2.         8746
          2. 14.7.3.1.2 CPSW Registers
            1. 14.7.3.1.2.1   CPSW3_ECC_ECC_REV Register
            2. 14.7.3.1.2.2   CPSW3_ECC_ECC_VECTOR Register
            3. 14.7.3.1.2.3   CPSW3_ECC_ECC_STAT Register
            4. 14.7.3.1.2.4   CPSW3_ECC_ECC_RESERVED_SVBUS_J Register
            5. 14.7.3.1.2.5   CPSW3_ECC_ECC_SEC_EOI_REG Register
            6. 14.7.3.1.2.6   CPSW3_ECC_ECC_SEC_STATUS_REG0 Register
            7. 14.7.3.1.2.7   CPSW3_ECC_ECC_SEC_ENABLE_SET_REG0 Register
            8. 14.7.3.1.2.8   CPSW3_ECC_ECC_SEC_ENABLE_CLR_REG0 Register
            9. 14.7.3.1.2.9   CPSW3_ECC_ECC_DED_EOI_REG Register
            10. 14.7.3.1.2.10  CPSW3_ECC_ECC_DED_STATUS_REG0 Register
            11. 14.7.3.1.2.11  CPSW3_ECC_ECC_DED_ENABLE_SET_REG0 Register
            12. 14.7.3.1.2.12  CPSW3_ECC_ECC_DED_ENABLE_CLR_REG0 Register
            13. 14.7.3.1.2.13  CPSW3_ECC_ECC_AGGR_ENABLE_SET Register
            14. 14.7.3.1.2.14  CPSW3_ECC_ECC_AGGR_ENABLE_CLR Register
            15. 14.7.3.1.2.15  CPSW3_ECC_ECC_AGGR_STATUS_SET Register
            16. 14.7.3.1.2.16  CPSW3_ECC_ECC_AGGR_STATUS_CLR Register
            17. 14.7.3.1.2.17  CPSW3_CPSW_NUSS_IDVER_REG Register
            18. 14.7.3.1.2.18  CPSW3_SYNCE_COUNT_REG Register
            19. 14.7.3.1.2.19  CPSW3_SYNCE_MUX_REG Register
            20. 14.7.3.1.2.20  CPSW3_CONTROL_REG Register
            21. 14.7.3.1.2.21  CPSW3_SUBSSYSTEM_STATUS_REG Register
            22. 14.7.3.1.2.22  CPSW3_SUBSYSTEM_CONFIG_REG Register
            23. 14.7.3.1.2.23  CPSW3_RGMII1_STATUS_REG Register
            24. 14.7.3.1.2.24  CPSW3_RGMII2_STATUS_REG Register
            25. 14.7.3.1.2.25  CPSW3_MDIO_MDIO_VERSION_REG Register
            26. 14.7.3.1.2.26  CPSW3_MDIO_CONTROL_REG Register
            27. 14.7.3.1.2.27  CPSW3_MDIO_ALIVE_REG Register
            28. 14.7.3.1.2.28  CPSW3_MDIO_LINK_REG Register
            29. 14.7.3.1.2.29  CPSW3_MDIO_LINK_INT_RAW_REG Register
            30. 14.7.3.1.2.30  CPSW3_MDIO_LINK_INT_MASKED_REG Register
            31. 14.7.3.1.2.31  CPSW3_MDIO_LINK_INT_MASK_SET_REG Register
            32. 14.7.3.1.2.32  CPSW3_MDIO_LINK_INT_MASK_CLEAR_REG Register
            33. 14.7.3.1.2.33  CPSW3_MDIO_USER_INT_RAW_REG Register
            34. 14.7.3.1.2.34  CPSW3_MDIO_USER_INT_MASKED_REG Register
            35. 14.7.3.1.2.35  CPSW3_MDIO_USER_INT_MASK_SET_REG Register
            36. 14.7.3.1.2.36  CPSW3_MDIO_USER_INT_MASK_CLEAR_REG Register
            37. 14.7.3.1.2.37  CPSW3_MDIO_MANUAL_IF_REG Register
            38. 14.7.3.1.2.38  CPSW3_MDIO_POLL_REG Register
            39. 14.7.3.1.2.39  CPSW3_MDIO_POLL_EN_REG Register
            40. 14.7.3.1.2.40  CPSW3_MDIO_CLAUS45_REG Register
            41. 14.7.3.1.2.41  CPSW3_MDIO_USER_ADDR0_REG Register
            42. 14.7.3.1.2.42  CPSW3_MDIO_USER_ADDR1_REG Register
            43. 14.7.3.1.2.43  CPSW3_INTD_REVISION Register
            44. 14.7.3.1.2.44  CPSW3_INTD_EOI_REG Register
            45. 14.7.3.1.2.45  CPSW3_INTD_INTR_VECTOR_REG Register
            46. 14.7.3.1.2.46  CPSW3_INTD_ENABLE_REG_OUT_PULSE_0 Register
            47. 14.7.3.1.2.47  CPSW3_INTD_ENABLE_CLR_REG_OUT_PULSE_0 Register
            48. 14.7.3.1.2.48  CPSW3_INTD_STATUS_REG_OUT_PULSE_0 Register
            49. 14.7.3.1.2.49  CPSW3_INTD_INTR_VECTOR_REG_OUT_PULSE Register
            50. 14.7.3.1.2.50  CPSW3_CPSW_NU_CPSW_ID_VER_REG Register
            51. 14.7.3.1.2.51  CPSW3_CPSW_NU_CONTROL_REG Register
            52. 14.7.3.1.2.52  CPSW3_CPSW_NU_EM_CONTROL_REG Register
            53. 14.7.3.1.2.53  CPSW3_CPSW_NU_STAT_PORT_EN_REG Register
            54. 14.7.3.1.2.54  CPSW3_CPSW_NU_PTYPE_REG Register
            55. 14.7.3.1.2.55  CPSW3_CPSW_NU_SOFT_IDLE_REG Register
            56. 14.7.3.1.2.56  CPSW3_CPSW_NU_THRU_RATE_REG Register
            57. 14.7.3.1.2.57  CPSW3_CPSW_NU_GAP_THRESH_REG Register
            58. 14.7.3.1.2.58  CPSW3_CPSW_NU_EEE_PRESCALE_REG Register
            59. 14.7.3.1.2.59  CPSW3_CPSW_NU_TX_G_OFLOW_THRESH_SET_REG Register
            60. 14.7.3.1.2.60  CPSW3_CPSW_NU_TX_G_OFLOW_THRESH_CLR_REG Register
            61. 14.7.3.1.2.61  CPSW3_CPSW_NU_TX_G_BUF_THRESH_SET_L_REG Register
            62. 14.7.3.1.2.62  CPSW3_CPSW_NU_TX_G_BUF_THRESH_SET_H_REG Register
            63. 14.7.3.1.2.63  CPSW3_CPSW_NU_TX_G_BUF_THRESH_CLR_L_REG Register
            64. 14.7.3.1.2.64  CPSW3_CPSW_NU_TX_G_BUF_THRESH_CLR_H_REG Register
            65. 14.7.3.1.2.65  CPSW3_CPSW_NU_VLAN_LTYPE_REG Register
            66. 14.7.3.1.2.66  CPSW3_CPSW_NU_EST_TS_DOMAIN_REG Register
            67. 14.7.3.1.2.67  CPSW3_CPSW_NU_CUT_THRESHOLD_REG Register
            68. 14.7.3.1.2.68  CPSW3_CPSW_NU_FREQUENCY_REG Register
            69. 14.7.3.1.2.69  CPSW3_CPSW_NU_IET_HOLD_CNT_LD_VAL_REG Register
            70. 14.7.3.1.2.70  CPSW3_CPSW_NU_TX_PRI0_MAXLEN_REG Register
            71. 14.7.3.1.2.71  CPSW3_CPSW_NU_TX_PRI1_MAXLEN_REG Register
            72. 14.7.3.1.2.72  CPSW3_CPSW_NU_TX_PRI2_MAXLEN_REG Register
            73. 14.7.3.1.2.73  CPSW3_CPSW_NU_TX_PRI3_MAXLEN_REG Register
            74. 14.7.3.1.2.74  CPSW3_CPSW_NU_TX_PRI4_MAXLEN_REG Register
            75. 14.7.3.1.2.75  CPSW3_CPSW_NU_TX_PRI5_MAXLEN_REG Register
            76. 14.7.3.1.2.76  CPSW3_CPSW_NU_TX_PRI6_MAXLEN_REG Register
            77. 14.7.3.1.2.77  CPSW3_CPSW_NU_TX_PRI7_MAXLEN_REG Register
            78. 14.7.3.1.2.78  CPSW3_MDIO_USER_GROUP_USER_ACCESS_REG_J Register
            79. 14.7.3.1.2.79  CPSW3_MDIO_USER_GROUP_USER_PHY_SEL_REG_J Register
            80. 14.7.3.1.2.80  CPSW3_CPSW_NU_CPSW_NU_CPPI_P0_CONTROL_REG Register
            81. 14.7.3.1.2.81  CPSW3_CPSW_NU_CPSW_NU_CPPI_P0_FLOW_ID_OFFSET_REG Register
            82. 14.7.3.1.2.82  CPSW3_CPSW_NU_CPSW_NU_CPPI_P0_BLK_CNT_REG Register
            83. 14.7.3.1.2.83  CPSW3_CPSW_NU_CPSW_NU_CPPI_P0_PORT_VLAN_REG Register
            84. 14.7.3.1.2.84  CPSW3_CPSW_NU_CPSW_NU_CPPI_P0_TX_PRI_MAP_REG Register
            85. 14.7.3.1.2.85  CPSW3_CPSW_NU_CPSW_NU_CPPI_P0_PRI_CTL_REG Register
            86. 14.7.3.1.2.86  CPSW3_CPSW_NU_CPSW_NU_CPPI_P0_RX_PRI_MAP_REG Register
            87. 14.7.3.1.2.87  CPSW3_CPSW_NU_CPSW_NU_CPPI_P0_RX_MAXLEN_REG Register
            88. 14.7.3.1.2.88  CPSW3_CPSW_NU_CPSW_NU_CPPI_P0_TX_BLKS_PRI_REG Register
            89. 14.7.3.1.2.89  CPSW3_CPSW_NU_CPSW_NU_CPPI_P0_IDLE2LPI_REG Register
            90. 14.7.3.1.2.90  CPSW3_CPSW_NU_CPSW_NU_CPPI_P0_LPI2WAKE_REG Register
            91. 14.7.3.1.2.91  CPSW3_CPSW_NU_CPSW_NU_CPPI_P0_EEE_STATUS_REG Register
            92. 14.7.3.1.2.92  CPSW3_CPSW_NU_CPSW_NU_CPPI_P0_FIFO_STATUS_REG Register
            93. 14.7.3.1.2.93  CPSW3_CPSW_NU_CPSW_NU_CPPI_P0_MAX_BLKS_REG Register
            94. 14.7.3.1.2.94  CPSW3_CPSW_NU_CPSW_NU_CPPI_P0_RX_DSCP_MAP_REG_J Register
            95. 14.7.3.1.2.95  CPSW3_CPSW_NU_CPSW_NU_CPPI_P0_PRI_CIR_REG_J Register
            96. 14.7.3.1.2.96  CPSW3_CPSW_NU_CPSW_NU_CPPI_P0_PRI_EIR_REG_J Register
            97. 14.7.3.1.2.97  CPSW3_CPSW_NU_CPSW_NU_CPPI_P0_TX_D_THRESH_SET_L_REG Register
            98. 14.7.3.1.2.98  CPSW3_CPSW_NU_CPSW_NU_CPPI_P0_TX_D_THRESH_SET_H_REG Register
            99. 14.7.3.1.2.99  CPSW3_CPSW_NU_CPSW_NU_CPPI_P0_TX_D_THRESH_CLR_L_REG Register
            100. 14.7.3.1.2.100 CPSW3_CPSW_NU_CPSW_NU_CPPI_P0_TX_D_THRESH_CLR_H_REG Register
            101. 14.7.3.1.2.101 CPSW3_CPSW_NU_CPSW_NU_CPPI_P0_TX_G_BUF_THRESH_SET_L_REG Register
            102. 14.7.3.1.2.102 CPSW3_CPSW_NU_CPSW_NU_CPPI_P0_TX_G_BUF_THRESH_SET_H_REG Register
            103. 14.7.3.1.2.103 CPSW3_CPSW_NU_CPSW_NU_CPPI_P0_TX_G_BUF_THRESH_CLR_L_REG Register
            104. 14.7.3.1.2.104 CPSW3_CPSW_NU_CPSW_NU_CPPI_P0_TX_G_BUF_THRESH_CLR_H_REG Register
            105. 14.7.3.1.2.105 CPSW3_CPSW_NU_CPSW_NU_CPPI_P0_SRC_ID_A_REG Register
            106. 14.7.3.1.2.106 CPSW3_CPSW_NU_CPSW_NU_CPPI_P0_SRC_ID_B_REG Register
            107. 14.7.3.1.2.107 CPSW3_CPSW_NU_CPSW_NU_CPPI_P0_HOST_BLKS_PRI_REG Register
            108. 14.7.3.1.2.108 CPSW3_CPSW_NU_CPSW_NU_ETH_MAC_0_PN_RESERVED_REG Register
            109. 14.7.3.1.2.109 CPSW3_CPSW_NU_CPSW_NU_ETH_MAC_0_PN_CONTROL_REG Register
            110. 14.7.3.1.2.110 CPSW3_CPSW_NU_CPSW_NU_ETH_MAC_0_PN_MAX_BLKS_REG Register
            111. 14.7.3.1.2.111 CPSW3_CPSW_NU_CPSW_NU_ETH_MAC_0_PN_BLK_CNT_REG Register
            112. 14.7.3.1.2.112 CPSW3_CPSW_NU_CPSW_NU_ETH_MAC_0_PN_PORT_VLAN_REG Register
            113. 14.7.3.1.2.113 CPSW3_CPSW_NU_CPSW_NU_ETH_MAC_0_PN_TX_PRI_MAP_REG Register
            114. 14.7.3.1.2.114 CPSW3_CPSW_NU_CPSW_NU_ETH_MAC_0_PN_PRI_CTL_REG Register
            115. 14.7.3.1.2.115 CPSW3_CPSW_NU_CPSW_NU_ETH_MAC_0_PN_RX_PRI_MAP_REG Register
            116. 14.7.3.1.2.116 CPSW3_CPSW_NU_CPSW_NU_ETH_MAC_0_PN_RX_MAXLEN_REG Register
            117. 14.7.3.1.2.117 CPSW3_CPSW_NU_CPSW_NU_ETH_MAC_0_PN_TX_BLKS_PRI_REG Register
            118. 14.7.3.1.2.118 CPSW3_CPSW_NU_CPSW_NU_ETH_MAC_0_PN_IDLE2LPI_REG Register
            119. 14.7.3.1.2.119 CPSW3_CPSW_NU_CPSW_NU_ETH_MAC_0_PN_LPI2WAKE_REG Register
            120. 14.7.3.1.2.120 CPSW3_CPSW_NU_CPSW_NU_ETH_MAC_0_PN_EEE_STATUS_REG Register
            121. 14.7.3.1.2.121 CPSW3_CPSW_NU_CPSW_NU_ETH_MAC_0_PN_IET_CONTROL_REG Register
            122. 14.7.3.1.2.122 CPSW3_CPSW_NU_CPSW_NU_ETH_MAC_0_PN_IET_STATUS_REG Register
            123. 14.7.3.1.2.123 CPSW3_CPSW_NU_CPSW_NU_ETH_MAC_0_PN_IET_VERIFY_REG Register
            124. 14.7.3.1.2.124 CPSW3_CPSW_NU_CPSW_NU_ETH_MAC_0_PN_FIFO_STATUS_REG Register
            125. 14.7.3.1.2.125 CPSW3_CPSW_NU_CPSW_NU_ETH_MAC_0_PN_EST_CONTROL_REG Register
            126. 14.7.3.1.2.126 CPSW3_CPSW_NU_CPSW_NU_ETH_MAC_0_PN_RX_DSCP_MAP_REG_J Register
            127. 14.7.3.1.2.127 CPSW3_CPSW_NU_CPSW_NU_ETH_MAC_0_PN_PRI_CIR_REG_J Register
            128. 14.7.3.1.2.128 CPSW3_CPSW_NU_CPSW_NU_ETH_MAC_0_PN_PRI_EIR_REG_J Register
            129. 14.7.3.1.2.129 CPSW3_CPSW_NU_CPSW_NU_ETH_MAC_0_PN_TX_D_THRESH_SET_L_REG Register
            130. 14.7.3.1.2.130 CPSW3_CPSW_NU_CPSW_NU_ETH_MAC_0_PN_TX_D_THRESH_SET_H_REG Register
            131. 14.7.3.1.2.131 CPSW3_CPSW_NU_CPSW_NU_ETH_MAC_0_PN_TX_D_THRESH_CLR_L_REG Register
            132. 14.7.3.1.2.132 CPSW3_CPSW_NU_CPSW_NU_ETH_MAC_0_PN_TX_D_THRESH_CLR_H_REG Register
            133. 14.7.3.1.2.133 CPSW3_CPSW_NU_CPSW_NU_ETH_MAC_0_PN_TX_G_BUF_THRESH_SET_L_REG Register
            134. 14.7.3.1.2.134 CPSW3_CPSW_NU_CPSW_NU_ETH_MAC_0_PN_TX_G_BUF_THRESH_SET_H_REG Register
            135. 14.7.3.1.2.135 CPSW3_CPSW_NU_CPSW_NU_ETH_MAC_0_PN_TX_G_BUF_THRESH_CLR_L_REG Register
            136. 14.7.3.1.2.136 CPSW3_CPSW_NU_CPSW_NU_ETH_MAC_0_PN_TX_G_BUF_THRESH_CLR_H_REG Register
            137. 14.7.3.1.2.137 CPSW3_CPSW_NU_CPSW_NU_ETH_MAC_0_PN_TX_D_OFLOW_ADDVAL_L_REG Register
            138. 14.7.3.1.2.138 CPSW3_CPSW_NU_CPSW_NU_ETH_MAC_0_PN_TX_D_OFLOW_ADDVAL_H_REG Register
            139. 14.7.3.1.2.139 CPSW3_CPSW_NU_CPSW_NU_ETH_MAC_0_PN_SA_L_REG Register
            140. 14.7.3.1.2.140 CPSW3_CPSW_NU_CPSW_NU_ETH_MAC_0_PN_SA_H_REG Register
            141. 14.7.3.1.2.141 CPSW3_CPSW_NU_CPSW_NU_ETH_MAC_0_PN_TS_CTL_REG Register
            142. 14.7.3.1.2.142 CPSW3_CPSW_NU_CPSW_NU_ETH_MAC_0_PN_TS_SEQ_LTYPE_REG Register
            143. 14.7.3.1.2.143 CPSW3_CPSW_NU_CPSW_NU_ETH_MAC_0_PN_TS_VLAN_LTYPE_REG Register
            144. 14.7.3.1.2.144 CPSW3_CPSW_NU_CPSW_NU_ETH_MAC_0_PN_TS_CTL_LTYPE2_REG Register
            145. 14.7.3.1.2.145 CPSW3_CPSW_NU_CPSW_NU_ETH_MAC_0_PN_TS_CTL2_REG Register
            146. 14.7.3.1.2.146 CPSW3_CPSW_NU_CPSW_NU_ETH_MAC_0_PN_MAC_CONTROL_REG Register
            147. 14.7.3.1.2.147 CPSW3_CPSW_NU_CPSW_NU_ETH_MAC_0_PN_MAC_STATUS_REG Register
            148. 14.7.3.1.2.148 CPSW3_CPSW_NU_CPSW_NU_ETH_MAC_0_PN_MAC_SOFT_RESET_REG Register
            149. 14.7.3.1.2.149 CPSW3_CPSW_NU_CPSW_NU_ETH_MAC_0_PN_MAC_BOFFTEST_REG Register
            150. 14.7.3.1.2.150 CPSW3_CPSW_NU_CPSW_NU_ETH_MAC_0_PN_MAC_RX_PAUSETIMER_REG Register
            151. 14.7.3.1.2.151 CPSW3_CPSW_NU_CPSW_NU_ETH_MAC_0_PN_MAC_RXN_PAUSETIMER_REG_J Register
            152. 14.7.3.1.2.152 CPSW3_CPSW_NU_CPSW_NU_ETH_MAC_0_PN_MAC_TX_PAUSETIMER_REG Register
            153. 14.7.3.1.2.153 CPSW3_CPSW_NU_CPSW_NU_ETH_MAC_0_PN_MAC_TXN_PAUSETIMER_REG_J Register
            154. 14.7.3.1.2.154 CPSW3_CPSW_NU_CPSW_NU_ETH_MAC_0_PN_MAC_EMCONTROL_REG Register
            155. 14.7.3.1.2.155 CPSW3_CPSW_NU_CPSW_NU_ETH_MAC_0_PN_MAC_TX_GAP_REG Register
            156. 14.7.3.1.2.156 CPSW3_CPSW_NU_CPSW_NU_ETH_MAC_0_PN_MAC_PORT_CONFIG Register
            157. 14.7.3.1.2.157 CPSW3_CPSW_NU_CPSW_NU_ETH_MAC_0_PN_INTERVLAN_OPX_POINTER_REG Register
            158. 14.7.3.1.2.158 CPSW3_CPSW_NU_CPSW_NU_ETH_MAC_0_PN_INTERVLAN_OPX_A_REG Register
            159. 14.7.3.1.2.159 CPSW3_CPSW_NU_CPSW_NU_ETH_MAC_0_PN_INTERVLAN_OPX_B_REG Register
            160. 14.7.3.1.2.160 CPSW3_CPSW_NU_CPSW_NU_ETH_MAC_0_PN_INTERVLAN_OPX_C_REG Register
            161. 14.7.3.1.2.161 CPSW3_CPSW_NU_CPSW_NU_ETH_MAC_0_PN_INTERVLAN_OPX_D_REG Register
            162. 14.7.3.1.2.162 CPSW3_CPSW_NU_CPSW_NU_ETH_MAC_0_PN_CUT_THRU_REG Register
            163. 14.7.3.1.2.163 CPSW3_CPSW_NU_CPSW_NU_ETH_MAC_0_PN_PORT_SPEED_REG Register
            164. 14.7.3.1.2.164 CPSW3_CPSW_NU_CPSW_NU_ETH_MAC_1_PN_RESERVED_REG Register
            165. 14.7.3.1.2.165 CPSW3_CPSW_NU_CPSW_NU_ETH_MAC_1_PN_CONTROL_REG Register
            166. 14.7.3.1.2.166 CPSW3_CPSW_NU_CPSW_NU_ETH_MAC_1_PN_MAX_BLKS_REG Register
            167. 14.7.3.1.2.167 CPSW3_CPSW_NU_CPSW_NU_ETH_MAC_1_PN_BLK_CNT_REG Register
            168. 14.7.3.1.2.168 CPSW3_CPSW_NU_CPSW_NU_ETH_MAC_1_PN_PORT_VLAN_REG Register
            169. 14.7.3.1.2.169 CPSW3_CPSW_NU_CPSW_NU_ETH_MAC_1_PN_TX_PRI_MAP_REG Register
            170. 14.7.3.1.2.170 CPSW3_CPSW_NU_CPSW_NU_ETH_MAC_1_PN_PRI_CTL_REG Register
            171. 14.7.3.1.2.171 CPSW3_CPSW_NU_CPSW_NU_ETH_MAC_1_PN_RX_PRI_MAP_REG Register
            172. 14.7.3.1.2.172 CPSW3_CPSW_NU_CPSW_NU_ETH_MAC_1_PN_RX_MAXLEN_REG Register
            173. 14.7.3.1.2.173 CPSW3_CPSW_NU_CPSW_NU_ETH_MAC_1_PN_TX_BLKS_PRI_REG Register
            174. 14.7.3.1.2.174 CPSW3_CPSW_NU_CPSW_NU_ETH_MAC_1_PN_IDLE2LPI_REG Register
            175. 14.7.3.1.2.175 CPSW3_CPSW_NU_CPSW_NU_ETH_MAC_1_PN_LPI2WAKE_REG Register
            176. 14.7.3.1.2.176 CPSW3_CPSW_NU_CPSW_NU_ETH_MAC_1_PN_EEE_STATUS_REG Register
            177. 14.7.3.1.2.177 CPSW3_CPSW_NU_CPSW_NU_ETH_MAC_1_PN_IET_CONTROL_REG Register
            178. 14.7.3.1.2.178 CPSW3_CPSW_NU_CPSW_NU_ETH_MAC_1_PN_IET_STATUS_REG Register
            179. 14.7.3.1.2.179 CPSW3_CPSW_NU_CPSW_NU_ETH_MAC_1_PN_IET_VERIFY_REG Register
            180. 14.7.3.1.2.180 CPSW3_CPSW_NU_CPSW_NU_ETH_MAC_1_PN_FIFO_STATUS_REG Register
            181. 14.7.3.1.2.181 CPSW3_CPSW_NU_CPSW_NU_ETH_MAC_1_PN_EST_CONTROL_REG Register
            182. 14.7.3.1.2.182 CPSW3_CPSW_NU_CPSW_NU_ETH_MAC_1_PN_RX_DSCP_MAP_REG_J Register
            183. 14.7.3.1.2.183 CPSW3_CPSW_NU_CPSW_NU_ETH_MAC_1_PN_PRI_CIR_REG_J Register
            184. 14.7.3.1.2.184 CPSW3_CPSW_NU_CPSW_NU_ETH_MAC_1_PN_PRI_EIR_REG_J Register
            185. 14.7.3.1.2.185 CPSW3_CPSW_NU_CPSW_NU_ETH_MAC_1_PN_TX_D_THRESH_SET_L_REG Register
            186. 14.7.3.1.2.186 CPSW3_CPSW_NU_CPSW_NU_ETH_MAC_1_PN_TX_D_THRESH_SET_H_REG Register
            187. 14.7.3.1.2.187 CPSW3_CPSW_NU_CPSW_NU_ETH_MAC_1_PN_TX_D_THRESH_CLR_L_REG Register
            188. 14.7.3.1.2.188 CPSW3_CPSW_NU_CPSW_NU_ETH_MAC_1_PN_TX_D_THRESH_CLR_H_REG Register
            189. 14.7.3.1.2.189 CPSW3_CPSW_NU_CPSW_NU_ETH_MAC_1_PN_TX_G_BUF_THRESH_SET_L_REG Register
            190. 14.7.3.1.2.190 CPSW3_CPSW_NU_CPSW_NU_ETH_MAC_1_PN_TX_G_BUF_THRESH_SET_H_REG Register
            191. 14.7.3.1.2.191 CPSW3_CPSW_NU_CPSW_NU_ETH_MAC_1_PN_TX_G_BUF_THRESH_CLR_L_REG Register
            192. 14.7.3.1.2.192 CPSW3_CPSW_NU_CPSW_NU_ETH_MAC_1_PN_TX_G_BUF_THRESH_CLR_H_REG Register
            193. 14.7.3.1.2.193 CPSW3_CPSW_NU_CPSW_NU_ETH_MAC_1_PN_TX_D_OFLOW_ADDVAL_L_REG Register
            194. 14.7.3.1.2.194 CPSW3_CPSW_NU_CPSW_NU_ETH_MAC_1_PN_TX_D_OFLOW_ADDVAL_H_REG Register
            195. 14.7.3.1.2.195 CPSW3_CPSW_NU_CPSW_NU_ETH_MAC_1_PN_SA_L_REG Register
            196. 14.7.3.1.2.196 CPSW3_CPSW_NU_CPSW_NU_ETH_MAC_1_PN_SA_H_REG Register
            197. 14.7.3.1.2.197 CPSW3_CPSW_NU_CPSW_NU_ETH_MAC_1_PN_TS_CTL_REG Register
            198. 14.7.3.1.2.198 CPSW3_CPSW_NU_CPSW_NU_ETH_MAC_1_PN_TS_SEQ_LTYPE_REG Register
            199. 14.7.3.1.2.199 CPSW3_CPSW_NU_CPSW_NU_ETH_MAC_1_PN_TS_VLAN_LTYPE_REG Register
            200. 14.7.3.1.2.200 CPSW3_CPSW_NU_CPSW_NU_ETH_MAC_1_PN_TS_CTL_LTYPE2_REG Register
            201. 14.7.3.1.2.201 CPSW3_CPSW_NU_CPSW_NU_ETH_MAC_1_PN_TS_CTL2_REG Register
            202. 14.7.3.1.2.202 CPSW3_CPSW_NU_CPSW_NU_ETH_MAC_1_PN_MAC_CONTROL_REG Register
            203. 14.7.3.1.2.203 CPSW3_CPSW_NU_CPSW_NU_ETH_MAC_1_PN_MAC_STATUS_REG Register
            204. 14.7.3.1.2.204 CPSW3_CPSW_NU_CPSW_NU_ETH_MAC_1_PN_MAC_SOFT_RESET_REG Register
            205. 14.7.3.1.2.205 CPSW3_CPSW_NU_CPSW_NU_ETH_MAC_1_PN_MAC_BOFFTEST_REG Register
            206. 14.7.3.1.2.206 CPSW3_CPSW_NU_CPSW_NU_ETH_MAC_1_PN_MAC_RX_PAUSETIMER_REG Register
            207. 14.7.3.1.2.207 CPSW3_CPSW_NU_CPSW_NU_ETH_MAC_1_PN_MAC_RXN_PAUSETIMER_REG_J Register
            208. 14.7.3.1.2.208 CPSW3_CPSW_NU_CPSW_NU_ETH_MAC_1_PN_MAC_TX_PAUSETIMER_REG Register
            209. 14.7.3.1.2.209 CPSW3_CPSW_NU_CPSW_NU_ETH_MAC_1_PN_MAC_TXN_PAUSETIMER_REG_J Register
            210. 14.7.3.1.2.210 CPSW3_CPSW_NU_CPSW_NU_ETH_MAC_1_PN_MAC_EMCONTROL_REG Register
            211. 14.7.3.1.2.211 CPSW3_CPSW_NU_CPSW_NU_ETH_MAC_1_PN_MAC_TX_GAP_REG Register
            212. 14.7.3.1.2.212 CPSW3_CPSW_NU_CPSW_NU_ETH_MAC_1_PN_MAC_PORT_CONFIG Register
            213. 14.7.3.1.2.213 CPSW3_CPSW_NU_CPSW_NU_ETH_MAC_1_PN_INTERVLAN_OPX_POINTER_REG Register
            214. 14.7.3.1.2.214 CPSW3_CPSW_NU_CPSW_NU_ETH_MAC_1_PN_INTERVLAN_OPX_A_REG Register
            215. 14.7.3.1.2.215 CPSW3_CPSW_NU_CPSW_NU_ETH_MAC_1_PN_INTERVLAN_OPX_B_REG Register
            216. 14.7.3.1.2.216 CPSW3_CPSW_NU_CPSW_NU_ETH_MAC_1_PN_INTERVLAN_OPX_C_REG Register
            217. 14.7.3.1.2.217 CPSW3_CPSW_NU_CPSW_NU_ETH_MAC_1_PN_INTERVLAN_OPX_D_REG Register
            218. 14.7.3.1.2.218 CPSW3_CPSW_NU_CPSW_NU_ETH_MAC_1_PN_CUT_THRU_REG Register
            219. 14.7.3.1.2.219 CPSW3_CPSW_NU_CPSW_NU_ETH_MAC_1_PN_PORT_SPEED_REG Register
            220. 14.7.3.1.2.220 CPSW3_CPSW_NU_CPSW_NU_EST_FETCH_LOC_J Register
            221. 14.7.3.1.2.221 CPSW3_CPSW_NU_CPSW_NU_STAT_RXGOODFRAMES_J Register
            222. 14.7.3.1.2.222 CPSW3_CPSW_NU_CPSW_NU_STAT_RXBROADCASTFRAMES_J Register
            223. 14.7.3.1.2.223 CPSW3_CPSW_NU_CPSW_NU_STAT_RXMULTICASTFRAMES_J Register
            224. 14.7.3.1.2.224 CPSW3_CPSW_NU_CPSW_NU_STAT_RXPAUSEFRAMES_J Register
            225. 14.7.3.1.2.225 CPSW3_CPSW_NU_CPSW_NU_STAT_RXCRCERRORS_J Register
            226. 14.7.3.1.2.226 CPSW3_CPSW_NU_CPSW_NU_STAT_RXALIGNCODEERRORS_J Register
            227. 14.7.3.1.2.227 CPSW3_CPSW_NU_CPSW_NU_STAT_RXOVERSIZEDFRAMES_J Register
            228. 14.7.3.1.2.228 CPSW3_CPSW_NU_CPSW_NU_STAT_RXJABBERFRAMES_J Register
            229. 14.7.3.1.2.229 CPSW3_CPSW_NU_CPSW_NU_STAT_RXUNDERSIZEDFRAMES_J Register
            230. 14.7.3.1.2.230 CPSW3_CPSW_NU_CPSW_NU_STAT_RXFRAGMENTS_J Register
            231. 14.7.3.1.2.231 CPSW3_CPSW_NU_CPSW_NU_STAT_ALE_DROP_J Register
            232. 14.7.3.1.2.232 CPSW3_CPSW_NU_CPSW_NU_STAT_ALE_OVERRUN_DROP_J Register
            233. 14.7.3.1.2.233 CPSW3_CPSW_NU_CPSW_NU_STAT_RXOCTETS_J Register
            234. 14.7.3.1.2.234 CPSW3_CPSW_NU_CPSW_NU_STAT_TXGOODFRAMES_J Register
            235. 14.7.3.1.2.235 CPSW3_CPSW_NU_CPSW_NU_STAT_TXBROADCASTFRAMES_J Register
            236. 14.7.3.1.2.236 CPSW3_CPSW_NU_CPSW_NU_STAT_TXMULTICASTFRAMES_J Register
            237. 14.7.3.1.2.237 CPSW3_CPSW_NU_CPSW_NU_STAT_TXPAUSEFRAMES_J Register
            238. 14.7.3.1.2.238 CPSW3_CPSW_NU_CPSW_NU_STAT_TXDEFERREDFRAMES_J Register
            239. 14.7.3.1.2.239 CPSW3_CPSW_NU_CPSW_NU_STAT_TXCOLLISIONFRAMES_J Register
            240. 14.7.3.1.2.240 CPSW3_CPSW_NU_CPSW_NU_STAT_TXSINGLECOLLFRAMES_J Register
            241. 14.7.3.1.2.241 CPSW3_CPSW_NU_CPSW_NU_STAT_TXMULTCOLLFRAMES_J Register
            242. 14.7.3.1.2.242 CPSW3_CPSW_NU_CPSW_NU_STAT_TXEXCESSIVECOLLISIONS_J Register
            243. 14.7.3.1.2.243 CPSW3_CPSW_NU_CPSW_NU_STAT_TXLATECOLLISIONS_J Register
            244. 14.7.3.1.2.244 CPSW3_CPSW_NU_CPSW_NU_STAT_RXIPGERROR_J Register
            245. 14.7.3.1.2.245 CPSW3_CPSW_NU_CPSW_NU_STAT_TXCARRIERSENSEERRORS_J Register
            246. 14.7.3.1.2.246 CPSW3_CPSW_NU_CPSW_NU_STAT_TXOCTETS_J Register
            247. 14.7.3.1.2.247 CPSW3_CPSW_NU_CPSW_NU_STAT_OCTETFRAMES64_J Register
            248. 14.7.3.1.2.248 CPSW3_CPSW_NU_CPSW_NU_STAT_OCTETFRAMES65T127_J Register
            249. 14.7.3.1.2.249 CPSW3_CPSW_NU_CPSW_NU_STAT_OCTETFRAMES128T255_J Register
            250. 14.7.3.1.2.250 CPSW3_CPSW_NU_CPSW_NU_STAT_OCTETFRAMES256T511_J Register
            251. 14.7.3.1.2.251 CPSW3_CPSW_NU_CPSW_NU_STAT_OCTETFRAMES512T1023_J Register
            252. 14.7.3.1.2.252 CPSW3_CPSW_NU_CPSW_NU_STAT_OCTETFRAMES1024TUP_J Register
            253. 14.7.3.1.2.253 CPSW3_CPSW_NU_CPSW_NU_STAT_NETOCTETS_J Register
            254. 14.7.3.1.2.254 CPSW3_CPSW_NU_CPSW_NU_STAT_RX_BOTTOM_OF_FIFO_DROP_J Register
            255. 14.7.3.1.2.255 CPSW3_CPSW_NU_CPSW_NU_STAT_PORTMASK_DROP_J Register
            256. 14.7.3.1.2.256 CPSW3_CPSW_NU_CPSW_NU_STAT_RX_TOP_OF_FIFO_DROP_J Register
            257. 14.7.3.1.2.257 CPSW3_CPSW_NU_CPSW_NU_STAT_ALE_RATE_LIMIT_DROP_J Register
            258. 14.7.3.1.2.258 CPSW3_CPSW_NU_CPSW_NU_STAT_ALE_VID_INGRESS_DROP_J Register
            259. 14.7.3.1.2.259 CPSW3_CPSW_NU_CPSW_NU_STAT_ALE_DA_EQ_SA_DROP_J Register
            260. 14.7.3.1.2.260 CPSW3_CPSW_NU_CPSW_NU_STAT_ALE_BLOCK_DROP_J Register
            261. 14.7.3.1.2.261 CPSW3_CPSW_NU_CPSW_NU_STAT_ALE_SECURE_DROP_J Register
            262. 14.7.3.1.2.262 CPSW3_CPSW_NU_CPSW_NU_STAT_ALE_AUTH_DROP_J Register
            263. 14.7.3.1.2.263 CPSW3_CPSW_NU_CPSW_NU_STAT_ALE_UNKN_UNI_J Register
            264. 14.7.3.1.2.264 CPSW3_CPSW_NU_CPSW_NU_STAT_ALE_UNKN_UNI_BCNT_J Register
            265. 14.7.3.1.2.265 CPSW3_CPSW_NU_CPSW_NU_STAT_ALE_UNKN_MLT_J Register
            266. 14.7.3.1.2.266 CPSW3_CPSW_NU_CPSW_NU_STAT_ALE_UNKN_MLT_BCNT_J Register
            267. 14.7.3.1.2.267 CPSW3_CPSW_NU_CPSW_NU_STAT_ALE_UNKN_BRD_J Register
            268. 14.7.3.1.2.268 CPSW3_CPSW_NU_CPSW_NU_STAT_ALE_UNKN_BRD_BCNT_J Register
            269. 14.7.3.1.2.269 CPSW3_CPSW_NU_CPSW_NU_STAT_ALE_POL_MATCH_J Register
            270. 14.7.3.1.2.270 CPSW3_CPSW_NU_CPSW_NU_STAT_ALE_POL_MATCH_RED_J Register
            271. 14.7.3.1.2.271 CPSW3_CPSW_NU_CPSW_NU_STAT_ALE_POL_MATCH_YELLOW_J Register
            272. 14.7.3.1.2.272 CPSW3_CPSW_NU_CPSW_NU_STAT_ALE_MULT_SA_DROP_J Register
            273. 14.7.3.1.2.273 CPSW3_CPSW_NU_CPSW_NU_STAT_ALE_DUAL_VLAN_DROP_J Register
            274. 14.7.3.1.2.274 CPSW3_CPSW_NU_CPSW_NU_STAT_ALE_LEN_ERROR_DROP_J Register
            275. 14.7.3.1.2.275 CPSW3_CPSW_NU_CPSW_NU_STAT_ALE_IP_NEXT_HDR_DROP_J Register
            276. 14.7.3.1.2.276 CPSW3_CPSW_NU_CPSW_NU_STAT_ALE_IPV4_FRAG_DROP_J Register
            277. 14.7.3.1.2.277 CPSW3_CPSW_NU_CPSW_NU_STAT_IET_RX_ASSEMBLY_ERROR_REG_J Register
            278. 14.7.3.1.2.278 CPSW3_CPSW_NU_CPSW_NU_STAT_IET_RX_ASSEMBLY_OK_REG_J Register
            279. 14.7.3.1.2.279 CPSW3_CPSW_NU_CPSW_NU_STAT_IET_RX_SMD_ERROR_REG_J Register
            280. 14.7.3.1.2.280 CPSW3_CPSW_NU_CPSW_NU_STAT_IET_RX_FRAG_REG_J Register
            281. 14.7.3.1.2.281 CPSW3_CPSW_NU_CPSW_NU_STAT_IET_TX_HOLD_REG_J Register
            282. 14.7.3.1.2.282 CPSW3_CPSW_NU_CPSW_NU_STAT_IET_TX_FRAG_REG_J Register
            283. 14.7.3.1.2.283 CPSW3_CPSW_NU_CPSW_NU_STAT_TX_MEMORY_PROTECT_ERROR_J Register
            284. 14.7.3.1.2.284 CPSW3_CPSW_NU_CPSW_NU_STAT_ENET_PN_TX_PRI_REG_J_K Register
            285. 14.7.3.1.2.285 CPSW3_CPSW_NU_CPSW_NU_STAT_ENET_PN_TX_PRI_BCNT_REG_J_K Register
            286. 14.7.3.1.2.286 CPSW3_CPSW_NU_CPSW_NU_STAT_ENET_PN_TX_PRI_DROP_REG_J_K Register
            287. 14.7.3.1.2.287 CPSW3_CPSW_NU_CPSW_NU_STAT_ENET_PN_TX_PRI_DROP_BCNT_REG_J_K Register
            288. 14.7.3.1.2.288 CPSW3_CPSW_NU_CPTS_IDVER_REG Register
            289. 14.7.3.1.2.289 CPSW3_CPSW_NU_CPTS_CONTROL_REG Register
            290. 14.7.3.1.2.290 CPSW3_CPSW_NU_CPTS_RFTCLK_SEL_REG Register
            291. 14.7.3.1.2.291 CPSW3_CPSW_NU_CPTS_TS_PUSH_REG Register
            292. 14.7.3.1.2.292 CPSW3_CPSW_NU_CPTS_TS_LOAD_VAL_REG Register
            293. 14.7.3.1.2.293 CPSW3_CPSW_NU_CPTS_TS_LOAD_EN_REG Register
            294. 14.7.3.1.2.294 CPSW3_CPSW_NU_CPTS_TS_COMP_VAL_REG Register
            295. 14.7.3.1.2.295 CPSW3_CPSW_NU_CPTS_TS_COMP_LEN_REG Register
            296. 14.7.3.1.2.296 CPSW3_CPSW_NU_CPTS_INTSTAT_RAW_REG Register
            297. 14.7.3.1.2.297 CPSW3_CPSW_NU_CPTS_INTSTAT_MASKED_REG Register
            298. 14.7.3.1.2.298 CPSW3_CPSW_NU_CPTS_INT_ENABLE_REG Register
            299. 14.7.3.1.2.299 CPSW3_CPSW_NU_CPTS_TS_COMP_NUDGE_REG Register
            300. 14.7.3.1.2.300 CPSW3_CPSW_NU_CPTS_EVENT_POP_REG Register
            301. 14.7.3.1.2.301 CPSW3_CPSW_NU_CPTS_EVENT_0_REG Register
            302. 14.7.3.1.2.302 CPSW3_CPSW_NU_CPTS_EVENT_1_REG Register
            303. 14.7.3.1.2.303 CPSW3_CPSW_NU_CPTS_EVENT_2_REG Register
            304. 14.7.3.1.2.304 CPSW3_CPSW_NU_CPTS_EVENT_3_REG Register
            305. 14.7.3.1.2.305 CPSW3_CPSW_NU_CPTS_TS_LOAD_HIGH_VAL_REG Register
            306. 14.7.3.1.2.306 CPSW3_CPSW_NU_CPTS_TS_COMP_HIGH_VAL_REG Register
            307. 14.7.3.1.2.307 CPSW3_CPSW_NU_CPTS_TS_ADD_VAL_REG Register
            308. 14.7.3.1.2.308 CPSW3_CPSW_NU_CPTS_TS_PPM_LOW_VAL_REG Register
            309. 14.7.3.1.2.309 CPSW3_CPSW_NU_CPTS_TS_PPM_HIGH_VAL_REG Register
            310. 14.7.3.1.2.310 CPSW3_CPSW_NU_CPTS_TS_NUDGE_VAL_REG Register
            311. 14.7.3.1.2.311 CPSW3_CPSW_NU_CPTS_TS_CONFIG Register
            312. 14.7.3.1.2.312 CPSW3_CPSW_NU_ALE_MOD_VER Register
            313. 14.7.3.1.2.313 CPSW3_CPSW_NU_ALE_ALE_STATUS Register
            314. 14.7.3.1.2.314 CPSW3_CPSW_NU_ALE_ALE_CONTROL Register
            315. 14.7.3.1.2.315 CPSW3_CPSW_NU_ALE_ALE_CTRL2 Register
            316. 14.7.3.1.2.316 CPSW3_CPSW_NU_ALE_ALE_PRESCALE Register
            317. 14.7.3.1.2.317 CPSW3_CPSW_NU_ALE_ALE_AGING_CTRL Register
            318. 14.7.3.1.2.318 CPSW3_CPSW_NU_ALE_ALE_NXT_HDR Register
            319. 14.7.3.1.2.319 CPSW3_CPSW_NU_ALE_ALE_TBLCTL Register
            320. 14.7.3.1.2.320 CPSW3_CPSW_NU_ALE_ALE_TBLW2 Register
            321. 14.7.3.1.2.321 CPSW3_CPSW_NU_ALE_ALE_TBLW1 Register
            322. 14.7.3.1.2.322 CPSW3_CPSW_NU_ALE_ALE_TBLW0 Register
            323. 14.7.3.1.2.323 CPSW3_CPSW_NU_ALE_I0_ALE_PORTCTL0_J Register
            324. 14.7.3.1.2.324 CPSW3_CPSW_NU_ALE_ALE_UVLAN_MEMBER Register
            325. 14.7.3.1.2.325 CPSW3_CPSW_NU_ALE_ALE_UVLAN_URCAST Register
            326. 14.7.3.1.2.326 CPSW3_CPSW_NU_ALE_ALE_UVLAN_RMCAST Register
            327. 14.7.3.1.2.327 CPSW3_CPSW_NU_ALE_ALE_UVLAN_UNTAG Register
            328. 14.7.3.1.2.328 CPSW3_CPSW_NU_ALE_ALE_FAST_LUT Register
            329. 14.7.3.1.2.329 CPSW3_CPSW_NU_ALE_ALE_STAT_DIAG Register
            330. 14.7.3.1.2.330 CPSW3_CPSW_NU_ALE_ALE_OAM_LB_CTRL Register
            331. 14.7.3.1.2.331 CPSW3_CPSW_NU_ALE_EGRESSOP Register
            332. 14.7.3.1.2.332 CPSW3_CPSW_NU_ALE_POLICECFG0 Register
            333. 14.7.3.1.2.333 CPSW3_CPSW_NU_ALE_POLICECFG1 Register
            334. 14.7.3.1.2.334 CPSW3_CPSW_NU_ALE_POLICECFG2 Register
            335. 14.7.3.1.2.335 CPSW3_CPSW_NU_ALE_POLICECFG3 Register
            336. 14.7.3.1.2.336 CPSW3_CPSW_NU_ALE_POLICECFG4 Register
            337. 14.7.3.1.2.337 CPSW3_CPSW_NU_ALE_POLICECFG6 Register
            338. 14.7.3.1.2.338 CPSW3_CPSW_NU_ALE_POLICECFG7 Register
            339. 14.7.3.1.2.339 CPSW3_CPSW_NU_ALE_POLICETBLCTL Register
            340. 14.7.3.1.2.340 CPSW3_CPSW_NU_ALE_POLICECONTROL Register
            341. 14.7.3.1.2.341 CPSW3_CPSW_NU_ALE_POLICETESTCTL Register
            342. 14.7.3.1.2.342 CPSW3_CPSW_NU_ALE_POLICEHSTAT Register
            343. 14.7.3.1.2.343 CPSW3_CPSW_NU_ALE_THREADMAPDEF Register
            344. 14.7.3.1.2.344 CPSW3_CPSW_NU_ALE_THREADMAPCTL Register
            345. 14.7.3.1.2.345 CPSW3_CPSW_NU_ALE_THREADMAPVAL Register
            346. 14.7.3.1.2.346 CPSW3_CPSW_NU_CPTS_TS_GENF_COMP_LOW_REG_J Register
            347. 14.7.3.1.2.347 CPSW3_CPSW_NU_CPTS_TS_GENF_COMP_HIGH_REG_J Register
            348. 14.7.3.1.2.348 CPSW3_CPSW_NU_CPTS_TS_GENF_CONTROL_REG_J Register
            349. 14.7.3.1.2.349 CPSW3_CPSW_NU_CPTS_TS_GENF_LENGTH_REG_J Register
            350. 14.7.3.1.2.350 CPSW3_CPSW_NU_CPTS_TS_GENF_PPM_LOW_REG_J Register
            351. 14.7.3.1.2.351 CPSW3_CPSW_NU_CPTS_TS_GENF_PPM_HIGH_REG_J Register
            352. 14.7.3.1.2.352 CPSW3_CPSW_NU_CPTS_TS_GENF_NUDGE_REG_J Register
            353. 14.7.3.1.2.353 CPSW3_CPSW_NU_CPTS_TS_ESTF_COMP_LOW_REG_J Register
            354. 14.7.3.1.2.354 CPSW3_CPSW_NU_CPTS_TS_ESTF_COMP_HIGH_REG_J Register
            355. 14.7.3.1.2.355 CPSW3_CPSW_NU_CPTS_TS_ESTF_CONTROL_REG_J Register
            356. 14.7.3.1.2.356 CPSW3_CPSW_NU_CPTS_TS_ESTF_LENGTH_REG_J Register
            357. 14.7.3.1.2.357 CPSW3_CPSW_NU_CPTS_TS_ESTF_PPM_LOW_REG_J Register
            358. 14.7.3.1.2.358 CPSW3_CPSW_NU_CPTS_TS_ESTF_PPM_HIGH_REG_J Register
            359. 14.7.3.1.2.359 CPSW3_CPSW_NU_CPTS_TS_ESTF_NUDGE_REG_J Register
        2. 14.7.3.2 USB
          1. 14.7.3.2.1 USB Summaries
            1.         9109
            2.         9110
            3.         9111
            4.         9112
            5.         9113
            6.         9114
            7.         9115
            8.         9116
            9.         9117
            10.         9118
            11.         9119
            12.         9120
            13.         9121
            14.         9122
            15.         9123
            16.         9124
            17.         9125
            18.         9126
          2. 14.7.3.2.2 USB Registers
            1. 14.7.3.2.2.1   USB2SS_USB2SS_DEBUG_TRACE_TRACE_CTRL Register
            2. 14.7.3.2.2.2   USB2SS_USB2SS_DEBUG_TRACE_EP_TRB0_W0_J Register
            3. 14.7.3.2.2.3   USB2SS_USB2SS_DEBUG_TRACE_EP_TRB0_W1_J Register
            4. 14.7.3.2.2.4   USB2SS_USB2SS_DEBUG_TRACE_EP_TRB0_W2_J Register
            5. 14.7.3.2.2.5   USB2SS_USB2SS_DEBUG_TRACE_EP_TRB0_W3_J Register
            6. 14.7.3.2.2.6   USB2SS_USB2SS_DEBUG_TRACE_EP_TRB1_W0_J Register
            7. 14.7.3.2.2.7   USB2SS_USB2SS_DEBUG_TRACE_EP_TRB1_W1_J Register
            8. 14.7.3.2.2.8   USB2SS_USB2SS_DEBUG_TRACE_EP_TRB1_W2_J Register
            9. 14.7.3.2.2.9   USB2SS_USB2SS_DEBUG_TRACE_EP_TRB1_W3_J Register
            10. 14.7.3.2.2.10  USB2SS_USB2SS_DEBUG_TRACE_EP_TRB2_W0_J Register
            11. 14.7.3.2.2.11  USB2SS_USB2SS_DEBUG_TRACE_EP_TRB2_W1_J Register
            12. 14.7.3.2.2.12  USB2SS_USB2SS_DEBUG_TRACE_EP_TRB2_W2_J Register
            13. 14.7.3.2.2.13  USB2SS_USB2SS_DEBUG_TRACE_EP_TRB2_W3_J Register
            14. 14.7.3.2.2.14  USB2SS_USB2SS_DEBUG_TRACE_EP_TRB3_W0_J Register
            15. 14.7.3.2.2.15  USB2SS_USB2SS_DEBUG_TRACE_EP_TRB3_W1_J Register
            16. 14.7.3.2.2.16  USB2SS_USB2SS_DEBUG_TRACE_EP_TRB3_W2_J Register
            17. 14.7.3.2.2.17  USB2SS_USB2SS_DEBUG_TRACE_EP_TRB3_W3_J Register
            18. 14.7.3.2.2.18  USB2SS_USB2SS_CFG_REVISION Register
            19. 14.7.3.2.2.19  USB2SS_USB2SS_CFG_OVERCURRENT_CONTROL Register
            20. 14.7.3.2.2.20  USB2SS_USB2SS_CFG_PHY_CONFIG Register
            21. 14.7.3.2.2.21  USB2SS_USB2SS_CFG_PHY_TEST Register
            22. 14.7.3.2.2.22  USB2SS_USB2SS_CFG_CORE_STAT Register
            23. 14.7.3.2.2.23  USB2SS_USB2SS_CFG_HOST_VBUS_CTRL Register
            24. 14.7.3.2.2.24  USB2SS_USB2SS_CFG_MODE_CONTROL Register
            25. 14.7.3.2.2.25  USB2SS_USB2SS_CFG_WAKEUP_CONFIG Register
            26. 14.7.3.2.2.26  USB2SS_USB2SS_CFG_WAKEUP_STAT Register
            27. 14.7.3.2.2.27  USB2SS_USB2SS_CFG_OVERRIDE_CONFIG Register
            28. 14.7.3.2.2.28  USB2SS_USB2SS_CFG_IRQ_MISC_STATUS_RAW Register
            29. 14.7.3.2.2.29  USB2SS_USB2SS_CFG_IRQ_MISC_STATUS Register
            30. 14.7.3.2.2.30  USB2SS_USB2SS_CFG_IRQ_MISC_ENABLE_SET Register
            31. 14.7.3.2.2.31  USB2SS_USB2SS_CFG_IRQ_MISC_ENABLE_CLR Register
            32. 14.7.3.2.2.32  USB2SS_USB2SS_CFG_IRQ_MISC_EOI Register
            33. 14.7.3.2.2.33  USB2SS_USB2SS_CFG_INTR_TEST Register
            34. 14.7.3.2.2.34  USB2SS_USB2SS_CFG_VBUS_FILTER Register
            35. 14.7.3.2.2.35  USB2SS_USB2SS_CFG_VBUS_STAT Register
            36. 14.7.3.2.2.36  USB2SS_USB2SS_CFG_DEBUG_CFG Register
            37. 14.7.3.2.2.37  USB2SS_USB2SS_CFG_DEBUG_DATA Register
            38. 14.7.3.2.2.38  USB2SS_USB2SS_CFG_HOST_HUB_CTRL Register
            39. 14.7.3.2.2.39  USB2SS_PHY2_AFE_TX_REG0 Register
            40. 14.7.3.2.2.40  USB2SS_PHY2_AFE_TX_REG1 Register
            41. 14.7.3.2.2.41  USB2SS_PHY2_AFE_TX_REG2 Register
            42. 14.7.3.2.2.42  USB2SS_PHY2_AFE_TX_REG3 Register
            43. 14.7.3.2.2.43  USB2SS_PHY2_AFE_TX_REG4 Register
            44. 14.7.3.2.2.44  USB2SS_PHY2_AFE_TX_REG5 Register
            45. 14.7.3.2.2.45  USB2SS_PHY2_AFE_TX_REG6 Register
            46. 14.7.3.2.2.46  USB2SS_PHY2_AFE_TX_REG7 Register
            47. 14.7.3.2.2.47  USB2SS_PHY2_AFE_TX_REG8 Register
            48. 14.7.3.2.2.48  USB2SS_PHY2_AFE_TX_REG9 Register
            49. 14.7.3.2.2.49  USB2SS_PHY2_AFE_TX_REG10 Register
            50. 14.7.3.2.2.50  USB2SS_PHY2_AFE_TX_REG11 Register
            51. 14.7.3.2.2.51  USB2SS_PHY2_AFE_TX_REG12 Register
            52. 14.7.3.2.2.52  USB2SS_PHY2_AFE_RX_REG0 Register
            53. 14.7.3.2.2.53  USB2SS_PHY2_AFE_RX_REG1 Register
            54. 14.7.3.2.2.54  USB2SS_PHY2_AFE_RX_REG2 Register
            55. 14.7.3.2.2.55  USB2SS_PHY2_AFE_RX_REG3 Register
            56. 14.7.3.2.2.56  USB2SS_PHY2_AFE_RX_REG4 Register
            57. 14.7.3.2.2.57  USB2SS_PHY2_AFE_RX_REG5 Register
            58. 14.7.3.2.2.58  USB2SS_PHY2_AFE_RX_REG6 Register
            59. 14.7.3.2.2.59  USB2SS_PHY2_AFE_TX_REG13 Register
            60. 14.7.3.2.2.60  USB2SS_PHY2_AFE_TX_REG14 Register
            61. 14.7.3.2.2.61  USB2SS_PHY2_AFE_RX_REG7 Register
            62. 14.7.3.2.2.62  USB2SS_PHY2_AFE_RX_REG8 Register
            63. 14.7.3.2.2.63  USB2SS_PHY2_AFE_UNUSED_REG0 Register
            64. 14.7.3.2.2.64  USB2SS_PHY2_AFE_UNUSED_REG1 Register
            65. 14.7.3.2.2.65  USB2SS_PHY2_AFE_BG_REG0 Register
            66. 14.7.3.2.2.66  USB2SS_PHY2_AFE_BG_REG1 Register
            67. 14.7.3.2.2.67  USB2SS_PHY2_AFE_BG_REG2 Register
            68. 14.7.3.2.2.68  USB2SS_PHY2_AFE_BG_REG3 Register
            69. 14.7.3.2.2.69  USB2SS_PHY2_AFE_CALIB_REG0 Register
            70. 14.7.3.2.2.70  USB2SS_PHY2_AFE_BC_REG0 Register
            71. 14.7.3.2.2.71  USB2SS_PHY2_AFE_BC_REG1 Register
            72. 14.7.3.2.2.72  USB2SS_PHY2_AFE_BC_REG2 Register
            73. 14.7.3.2.2.73  USB2SS_PHY2_AFE_BC_REG3 Register
            74. 14.7.3.2.2.74  USB2SS_PHY2_AFE_BC_REG4 Register
            75. 14.7.3.2.2.75  USB2SS_PHY2_AFE_BC_REG5 Register
            76. 14.7.3.2.2.76  USB2SS_PHY2_AFE_BC_REG6 Register
            77. 14.7.3.2.2.77  USB2SS_PHY2_AFE_PLL_REG0 Register
            78. 14.7.3.2.2.78  USB2SS_PHY2_AFE_PLL_REG1 Register
            79. 14.7.3.2.2.79  USB2SS_PHY2_AFE_PLL_REG2 Register
            80. 14.7.3.2.2.80  USB2SS_PHY2_AFE_PLL_REG3 Register
            81. 14.7.3.2.2.81  USB2SS_PHY2_AFE_PLL_REG4 Register
            82. 14.7.3.2.2.82  USB2SS_PHY2_AFE_PLL_REG5 Register
            83. 14.7.3.2.2.83  USB2SS_PHY2_AFE_BG_REG4 Register
            84. 14.7.3.2.2.84  USB2SS_PHY2_AFE_CALIB_REG1 Register
            85. 14.7.3.2.2.85  USB2SS_PHY2_AFE_BC_REG7 Register
            86. 14.7.3.2.2.86  USB2SS_PHY2_AFE_PLL_REG6 Register
            87. 14.7.3.2.2.87  USB2SS_PHY2_AFE_UNUSED_REG2 Register
            88. 14.7.3.2.2.88  USB2SS_PHY2_AFE_UNUSED_REG3 Register
            89. 14.7.3.2.2.89  USB2SS_PHY2_PLL_REG0 Register
            90. 14.7.3.2.2.90  USB2SS_PHY2_PLL_REG1 Register
            91. 14.7.3.2.2.91  USB2SS_PHY2_PLL_REG2 Register
            92. 14.7.3.2.2.92  USB2SS_PHY2_PLL_REG3 Register
            93. 14.7.3.2.2.93  USB2SS_PHY2_PLL_REG4 Register
            94. 14.7.3.2.2.94  USB2SS_PHY2_PLL_REG5 Register
            95. 14.7.3.2.2.95  USB2SS_PHY2_PLL_REG6 Register
            96. 14.7.3.2.2.96  USB2SS_PHY2_PLL_REG7 Register
            97. 14.7.3.2.2.97  USB2SS_PHY2_PLL_REG8 Register
            98. 14.7.3.2.2.98  USB2SS_PHY2_PLL_REG9 Register
            99. 14.7.3.2.2.99  USB2SS_PHY2_PLL_REG10 Register
            100. 14.7.3.2.2.100 USB2SS_PHY2_PLL_REG11 Register
            101. 14.7.3.2.2.101 USB2SS_PHY2_PLL_REG12 Register
            102. 14.7.3.2.2.102 USB2SS_PHY2_PLL_REG13 Register
            103. 14.7.3.2.2.103 USB2SS_PHY2_PLL_REG14 Register
            104. 14.7.3.2.2.104 USB2SS_PHY2_PLL_UNUSED_REG0 Register
            105. 14.7.3.2.2.105 USB2SS_PHY2_PLL_UNUSED_REG1 Register
            106. 14.7.3.2.2.106 USB2SS_PHY2_PLL_REG15 Register
            107. 14.7.3.2.2.107 USB2SS_PHY2_PLL_REG16 Register
            108. 14.7.3.2.2.108 USB2SS_PHY2_PLL_UNUSED_REG2 Register
            109. 14.7.3.2.2.109 USB2SS_PHY2_CALIB_REG0 Register
            110. 14.7.3.2.2.110 USB2SS_PHY2_CALIB_REG1 Register
            111. 14.7.3.2.2.111 USB2SS_PHY2_BC_REG0 Register
            112. 14.7.3.2.2.112 USB2SS_PHY2_BC_REG1 Register
            113. 14.7.3.2.2.113 USB2SS_PHY2_BC_REG2 Register
            114. 14.7.3.2.2.114 USB2SS_PHY2_BC_REG3 Register
            115. 14.7.3.2.2.115 USB2SS_PHY2_BC_REG4 Register
            116. 14.7.3.2.2.116 USB2SS_PHY2_BC_REG5 Register
            117. 14.7.3.2.2.117 USB2SS_PHY2_BC_REG6 Register
            118. 14.7.3.2.2.118 USB2SS_PHY2_BC_REG7 Register
            119. 14.7.3.2.2.119 USB2SS_PHY2_TED_REG0 Register
            120. 14.7.3.2.2.120 USB2SS_PHY2_TED_REG1 Register
            121. 14.7.3.2.2.121 USB2SS_PHY2_TED_REG2 Register
            122. 14.7.3.2.2.122 USB2SS_PHY2_CALIB_REG2 Register
            123. 14.7.3.2.2.123 USB2SS_PHY2_CALIB_REG3 Register
            124. 14.7.3.2.2.124 USB2SS_PHY2_BC_REG8 Register
            125. 14.7.3.2.2.125 USB2SS_PHY2_BC_REG9 Register
            126. 14.7.3.2.2.126 USB2SS_PHY2_BC_REG10 Register
            127. 14.7.3.2.2.127 USB2SS_PHY2_BC_REG11 Register
            128. 14.7.3.2.2.128 USB2SS_PHY2_BC_REG12 Register
            129. 14.7.3.2.2.129 USB2SS_PHY2_TED_REG3 Register
            130. 14.7.3.2.2.130 USB2SS_PHY2_TED_REG4 Register
            131. 14.7.3.2.2.131 USB2SS_PHY2_DIG_UNUSED_REG0 Register
            132. 14.7.3.2.2.132 USB2SS_PHY2_DIG_UNUSED_REG1 Register
            133. 14.7.3.2.2.133 USB2SS_PHY2_DIG_UNUSED_REG2 Register
            134. 14.7.3.2.2.134 USB2SS_PHY2_DIG_UNUSED_REG3 Register
            135. 14.7.3.2.2.135 USB2SS_PHY2_INTERRUPT_REG1 Register
            136. 14.7.3.2.2.136 USB2SS_PHY2_INTERRUPT_REG2 Register
            137. 14.7.3.2.2.137 USB2SS_PHY2_RX_REG0 Register
            138. 14.7.3.2.2.138 USB2SS_PHY2_RX_REG1 Register
            139. 14.7.3.2.2.139 USB2SS_PHY2_TX_REG0 Register
            140. 14.7.3.2.2.140 USB2SS_PHY2_TX_REG1 Register
            141. 14.7.3.2.2.141 USB2SS_PHY2_CDR_REG0 Register
            142. 14.7.3.2.2.142 USB2SS_PHY2_CDR_REG1 Register
            143. 14.7.3.2.2.143 USB2SS_PHY2_CDR_REG2 Register
            144. 14.7.3.2.2.144 USB2SS_PHY2_CDR_REG3 Register
            145. 14.7.3.2.2.145 USB2SS_PHY2_CDR_REG4 Register
            146. 14.7.3.2.2.146 USB2SS_PHY2_CDR_REG5 Register
            147. 14.7.3.2.2.147 USB2SS_PHY2_CDR_REG6 Register
            148. 14.7.3.2.2.148 USB2SS_PHY2_CDR_REG7 Register
            149. 14.7.3.2.2.149 USB2SS_PHY2_CDR_REG8 Register
            150. 14.7.3.2.2.150 USB2SS_PHY2_RX_REG2 Register
            151. 14.7.3.2.2.151 USB2SS_PHY2_RX_REG3 Register
            152. 14.7.3.2.2.152 USB2SS_PHY2_RX_REG4 Register
            153. 14.7.3.2.2.153 USB2SS_PHY2_RX_REG5 Register
            154. 14.7.3.2.2.154 USB2SS_PHY2_RX_REG6 Register
            155. 14.7.3.2.2.155 USB2SS_PHY2_RX_REG7 Register
            156. 14.7.3.2.2.156 USB2SS_PHY2_TX_REG2 Register
            157. 14.7.3.2.2.157 USB2SS_PHY2_TX_REG3 Register
            158. 14.7.3.2.2.158 USB2SS_PHY2_TX_REG4 Register
            159. 14.7.3.2.2.159 USB2SS_PHY2_CDR_REG9 Register
            160. 14.7.3.2.2.160 USB2SS_PHY2_CDR_REG10 Register
            161. 14.7.3.2.2.161 USB2SS_PHY2_CDR_REG11 Register
            162. 14.7.3.2.2.162 USB2SS_PHY2_CDR_RE12 Register
            163. 14.7.3.2.2.163 USB2SS_PHY2_DIG_TXRX_UNUSED_REG0 Register
            164. 14.7.3.2.2.164 USB2SS_PHY2_DIG_TXRX_UNUSED_REG1 Register
            165. 14.7.3.2.2.165 USB2SS_PHY2_DIG_TXRX_UNUSED_REG2 Register
            166. 14.7.3.2.2.166 USB2SS_PHY2_DIG_TXRX_UNUSED_REG3 Register
            167. 14.7.3.2.2.167 USB2SS_PHY2_UTMI_REG0 Register
            168. 14.7.3.2.2.168 USB2SS_PHY2_UTMI_REG1 Register
            169. 14.7.3.2.2.169 USB2SS_PHY2_UTMI_REG2 Register
            170. 14.7.3.2.2.170 USB2SS_PHY2_UTMI_REG3 Register
            171. 14.7.3.2.2.171 USB2SS_PHY2_UTMI_REG4 Register
            172. 14.7.3.2.2.172 USB2SS_PHY2_UTMI_REG5 Register
            173. 14.7.3.2.2.173 USB2SS_PHY2_UTMI_REG6 Register
            174. 14.7.3.2.2.174 USB2SS_PHY2_UTMI_REG7 Register
            175. 14.7.3.2.2.175 USB2SS_PHY2_UTMI_REG8 Register
            176. 14.7.3.2.2.176 USB2SS_PHY2_UTMI_REG9 Register
            177. 14.7.3.2.2.177 USB2SS_PHY2_UTMI_REG10 Register
            178. 14.7.3.2.2.178 USB2SS_PHY2_UTMI_REG11 Register
            179. 14.7.3.2.2.179 USB2SS_PHY2_UTMI_REG12 Register
            180. 14.7.3.2.2.180 USB2SS_PHY2_UTMI_REG13 Register
            181. 14.7.3.2.2.181 USB2SS_PHY2_UTMI_REG14 Register
            182. 14.7.3.2.2.182 USB2SS_PHY2_UTMI_REG15 Register
            183. 14.7.3.2.2.183 USB2SS_PHY2_UTMI_REG16 Register
            184. 14.7.3.2.2.184 USB2SS_PHY2_UTMI_REG17 Register
            185. 14.7.3.2.2.185 USB2SS_PHY2_UTMI_REG18 Register
            186. 14.7.3.2.2.186 USB2SS_PHY2_UTMI_REG19 Register
            187. 14.7.3.2.2.187 USB2SS_PHY2_UTMI_REG20 Register
            188. 14.7.3.2.2.188 USB2SS_PHY2_UTMI_REG21 Register
            189. 14.7.3.2.2.189 USB2SS_PHY2_UTMI_REG22 Register
            190. 14.7.3.2.2.190 USB2SS_PHY2_UTMI_REG23 Register
            191. 14.7.3.2.2.191 USB2SS_PHY2_UTMI_REG24 Register
            192. 14.7.3.2.2.192 USB2SS_PHY2_UTMI_REG25 Register
            193. 14.7.3.2.2.193 USB2SS_PHY2_UTMI_REG26 Register
            194. 14.7.3.2.2.194 USB2SS_PHY2_UTMI_REG27 Register
            195. 14.7.3.2.2.195 USB2SS_PHY2_UTMI_REG28 Register
            196. 14.7.3.2.2.196 USB2SS_PHY2_UTMI_REG29 Register
            197. 14.7.3.2.2.197 USB2SS_PHY2_UTMI_REG30 Register
            198. 14.7.3.2.2.198 USB2SS_PHY2_UTMI_UNUSED_REG0 Register
            199. 14.7.3.2.2.199 USB2SS_PHY2_UTMI_UNUSED_REG1 Register
            200. 14.7.3.2.2.200 USB2SS_PHY2_UTMI_UNUSED_REG2 Register
            201. 14.7.3.2.2.201 USB2SS_PHY2_UTMI_UNUSED_REG3 Register
            202. 14.7.3.2.2.202 USB2SS_PHY2_UTMI_REG31 Register
            203. 14.7.3.2.2.203 USB2SS_PHY2_UTMI_REG32 Register
            204. 14.7.3.2.2.204 USB2SS_PHY2_UTMI_REG33 Register
            205. 14.7.3.2.2.205 USB2SS_PHY2_UTMI_REG34 Register
            206. 14.7.3.2.2.206 USB2SS_PHY2_UTMI_REG35 Register
            207. 14.7.3.2.2.207 USB2SS_PHY2_UTMI_REG36 Register
            208. 14.7.3.2.2.208 USB2SS_PHY2_UTMI_REG37 Register
            209. 14.7.3.2.2.209 USB2SS_PHY2_UTMI_REG38 Register
            210. 14.7.3.2.2.210 USB2SS_PHY2_UTMI_REG39 Register
            211. 14.7.3.2.2.211 USB2SS_PHY2_UTMI_REG40 Register
            212. 14.7.3.2.2.212 USB2SS_PHY2_UTMI_REG41 Register
            213. 14.7.3.2.2.213 USB2SS_PHY2_UTMI_REG42 Register
            214. 14.7.3.2.2.214 USB2SS_PHY2_UTMI_REG43 Register
            215. 14.7.3.2.2.215 USB2SS_PHY2_UTMI_REG44 Register
            216. 14.7.3.2.2.216 USB2SS_PHY2_UTMI_REG45 Register
            217. 14.7.3.2.2.217 USB2SS_PHY2_UTMI_REG46 Register
            218. 14.7.3.2.2.218 USB2SS_PHY2_UTMI_REG47 Register
            219. 14.7.3.2.2.219 USB2SS_PHY2_UTMI_REG48 Register
            220. 14.7.3.2.2.220 USB2SS_PHY2_UTMI_REG49 Register
            221. 14.7.3.2.2.221 USB2SS_PHY2_UTMI_REG50 Register
            222. 14.7.3.2.2.222 USB2SS_PHY2_UTMI_REG51 Register
            223. 14.7.3.2.2.223 USB2SS_PHY2_UTMI_REG52 Register
            224. 14.7.3.2.2.224 USB2SS_PHY2_UTMI_REG53 Register
            225. 14.7.3.2.2.225 USB2SS_PHY2_UTMI_REG54 Register
            226. 14.7.3.2.2.226 USB2SS_PHY2_UTMI_REG55 Register
            227. 14.7.3.2.2.227 USB2SS_PHY2_UTMI_REG56 Register
            228. 14.7.3.2.2.228 USB2SS_PHY2_UTMI_REG57 Register
            229. 14.7.3.2.2.229 USB2SS_PHY2_UTMI_REG58 Register
            230. 14.7.3.2.2.230 USB2SS_PHY2_UTMI_REG59 Register
            231. 14.7.3.2.2.231 USB2SS_PHY2_UTMI_UNUSED_REG6 Register
            232. 14.7.3.2.2.232 USB2SS_PHY2_UTMI_UNUSED_REG7 Register
            233. 14.7.3.2.2.233 ECC_AGGR_REV Register
            234. 14.7.3.2.2.234 ECC_AGGR_VECTOR Register
            235. 14.7.3.2.2.235 ECC_AGGR_STAT Register
            236. 14.7.3.2.2.236 ECC_AGGR_RESERVED_SVBUS_J Register
            237. 14.7.3.2.2.237 ECC_AGGR_SEC_EOI_REG Register
            238. 14.7.3.2.2.238 ECC_AGGR_SEC_STATUS_REG0 Register
            239. 14.7.3.2.2.239 ECC_AGGR_SEC_ENABLE_SET_REG0 Register
            240. 14.7.3.2.2.240 ECC_AGGR_SEC_ENABLE_CLR_REG0 Register
            241. 14.7.3.2.2.241 ECC_AGGR_DED_EOI_REG Register
            242. 14.7.3.2.2.242 ECC_AGGR_DED_STATUS_REG0 Register
            243. 14.7.3.2.2.243 ECC_AGGR_DED_ENABLE_SET_REG0 Register
            244. 14.7.3.2.2.244 ECC_AGGR_DED_ENABLE_CLR_REG0 Register
            245. 14.7.3.2.2.245 ECC_AGGR_AGGR_ENABLE_SET Register
            246. 14.7.3.2.2.246 ECC_AGGR_AGGR_ENABLE_CLR Register
            247. 14.7.3.2.2.247 ECC_AGGR_AGGR_STATUS_SET Register
            248. 14.7.3.2.2.248 ECC_AGGR_AGGR_STATUS_CLR Register
            249. 14.7.3.2.2.249 USB2SS_CAP_CAPLENGTH Register
            250. 14.7.3.2.2.250 USB2SS_CAP_HCSPARAMS1 Register
            251. 14.7.3.2.2.251 USB2SS_CAP_HCSPARAMS2 Register
            252. 14.7.3.2.2.252 USB2SS_CAP_HCSPARAMS3 Register
            253. 14.7.3.2.2.253 USB2SS_CAP_HCCPARAMS1 Register
            254. 14.7.3.2.2.254 USB2SS_CAP_DBOFF Register
            255. 14.7.3.2.2.255 USB2SS_CAP_RTSOFF Register
            256. 14.7.3.2.2.256 USB2SS_CAP_HCCPARAMS2 Register
            257. 14.7.3.2.2.257 USB2SS_OPER_USBCMD Register
            258. 14.7.3.2.2.258 USB2SS_OPER_USBSTS Register
            259. 14.7.3.2.2.259 USB2SS_OPER_PAGESIZE Register
            260. 14.7.3.2.2.260 USB2SS_OPER_DNCTRL Register
            261. 14.7.3.2.2.261 USB2SS_OPER_CRCR_LO Register
            262. 14.7.3.2.2.262 USB2SS_OPER_CRCR_HI Register
            263. 14.7.3.2.2.263 USB2SS_OPER_DCBAAP_LO Register
            264. 14.7.3.2.2.264 USB2SS_OPER_DCBAAP_HI Register
            265. 14.7.3.2.2.265 USB2SS_OPER_CONFIG Register
            266. 14.7.3.2.2.266 USB2SS_PORT_XHCI_PORT_20_PORTSC_20 Register
            267. 14.7.3.2.2.267 USB2SS_PORT_XHCI_PORT_20_PORTPMSC_20 Register
            268. 14.7.3.2.2.268 USB2SS_PORT_XHCI_PORT_20_PORTLI_20 Register
            269. 14.7.3.2.2.269 USB2SS_PORT_XHCI_PORT_20_PORTHLPMC_20 Register
            270. 14.7.3.2.2.270 USB2SS_PORT_XHCI_PORT_30_PORTPMSC_30 Register
            271. 14.7.3.2.2.271 USB2SS_PORT_XHCI_PORT_30_PORTLI_30 Register
            272. 14.7.3.2.2.272 USB2SS_PORT_XHCI_PORT_30_PORTHLPMC_30 Register
            273. 14.7.3.2.2.273 USB2SS_RUNTIME_MFINDEX Register
            274. 14.7.3.2.2.274 USB2SS_RUNTIME_RSVDZ Register
            275. 14.7.3.2.2.275 USB2SS_INTR_XHCI_INTR_IMAN_J Register
            276. 14.7.3.2.2.276 USB2SS_INTR_XHCI_INTR_IMOD_J Register
            277. 14.7.3.2.2.277 USB2SS_INTR_XHCI_INTR_ERSTSZ_J Register
            278. 14.7.3.2.2.278 USB2SS_INTR_XHCI_INTR_RSVDP_J Register
            279. 14.7.3.2.2.279 USB2SS_INTR_XHCI_INTR_ERSTBA_LO_J Register
            280. 14.7.3.2.2.280 USB2SS_INTR_XHCI_INTR_ERSTBA_HI_J Register
            281. 14.7.3.2.2.281 USB2SS_INTR_XHCI_INTR_ERDP_LO_J Register
            282. 14.7.3.2.2.282 USB2SS_INTR_XHCI_INTR_ERDP_HI_J Register
            283. 14.7.3.2.2.283 USB2SS_DBARR_XHCI_DB_DB_J Register
            284. 14.7.3.2.2.284 USB2SS_EXTCAP_USBLEGSUP Register
            285. 14.7.3.2.2.285 USB2SS_EXTCAP_USBLEGCTLSTS Register
            286. 14.7.3.2.2.286 USB2SS_SUPPRTCAP2_SUPTPRT2_DW0 Register
            287. 14.7.3.2.2.287 USB2SS_SUPPRTCAP2_SUPTPRT2_DW1 Register
            288. 14.7.3.2.2.288 USB2SS_SUPPRTCAP2_SUPTPRT2_DW2 Register
            289. 14.7.3.2.2.289 USB2SS_SUPPRTCAP2_SUPTPRT2_DW3 Register
            290. 14.7.3.2.2.290 USB2SS_SUPPRTCAP3_SUPTPRT3_DW0 Register
            291. 14.7.3.2.2.291 USB2SS_SUPPRTCAP3_SUPTPRT3_DW1 Register
            292. 14.7.3.2.2.292 USB2SS_SUPPRTCAP3_SUPTPRT3_DW2 Register
            293. 14.7.3.2.2.293 USB2SS_SUPPRTCAP3_SUPTPRT3_DW3 Register
            294. 14.7.3.2.2.294 USB2SS_GBL_GSBUSCFG0 Register
            295. 14.7.3.2.2.295 USB2SS_GBL_GSBUSCFG1 Register
            296. 14.7.3.2.2.296 USB2SS_GBL_GTXTHRCFG Register
            297. 14.7.3.2.2.297 USB2SS_GBL_GRXTHRCFG Register
            298. 14.7.3.2.2.298 USB2SS_GBL_GCTL Register
            299. 14.7.3.2.2.299 USB2SS_GBL_GPMSTS Register
            300. 14.7.3.2.2.300 USB2SS_GBL_GSTS Register
            301. 14.7.3.2.2.301 USB2SS_GBL_GUCTL1 Register
            302. 14.7.3.2.2.302 USB2SS_GBL_GSNPSID Register
            303. 14.7.3.2.2.303 USB2SS_GBL_GGPIO Register
            304. 14.7.3.2.2.304 USB2SS_GBL_GUID Register
            305. 14.7.3.2.2.305 USB2SS_GBL_GUCTL Register
            306. 14.7.3.2.2.306 USB2SS_GBL_GBUSERRADDRLO Register
            307. 14.7.3.2.2.307 USB2SS_GBL_GBUSERRADDRHI Register
            308. 14.7.3.2.2.308 USB2SS_GBL_GPRTBIMAPLO Register
            309. 14.7.3.2.2.309 USB2SS_GBL_GPRTBIMAPHI Register
            310. 14.7.3.2.2.310 USB2SS_GBL_GHWPARAMS0 Register
            311. 14.7.3.2.2.311 USB2SS_GBL_GHWPARAMS1 Register
            312. 14.7.3.2.2.312 USB2SS_GBL_GHWPARAMS2 Register
            313. 14.7.3.2.2.313 USB2SS_GBL_GHWPARAMS3 Register
            314. 14.7.3.2.2.314 USB2SS_GBL_GHWPARAMS4 Register
            315. 14.7.3.2.2.315 USB2SS_GBL_GHWPARAMS5 Register
            316. 14.7.3.2.2.316 USB2SS_GBL_GHWPARAMS6 Register
            317. 14.7.3.2.2.317 USB2SS_GBL_GHWPARAMS7 Register
            318. 14.7.3.2.2.318 USB2SS_GBL_GDBGFIFOSPACE Register
            319. 14.7.3.2.2.319 USB2SS_GBL_GDBGLTSSM Register
            320. 14.7.3.2.2.320 USB2SS_GBL_GDBGLNMCC Register
            321. 14.7.3.2.2.321 USB2SS_GBL_GDBGBMU Register
            322. 14.7.3.2.2.322 USB2SS_GBL_GDBGLSPMUX_HST Register
            323. 14.7.3.2.2.323 USB2SS_GBL_GDBGLSP Register
            324. 14.7.3.2.2.324 USB2SS_GBL_GDBGEPINFO0 Register
            325. 14.7.3.2.2.325 USB2SS_GBL_GDBGEPINFO1 Register
            326. 14.7.3.2.2.326 USB2SS_GBL_GPRTBIMAP_HSLO Register
            327. 14.7.3.2.2.327 USB2SS_GBL_GPRTBIMAP_HSHI Register
            328. 14.7.3.2.2.328 USB2SS_GBL_GPRTBIMAP_FSLO Register
            329. 14.7.3.2.2.329 USB2SS_GBL_GPRTBIMAP_FSHI Register
            330. 14.7.3.2.2.330 USB2SS_GBL_RESERVED_94 Register
            331. 14.7.3.2.2.331 USB2SS_GBL_RESERVED_98 Register
            332. 14.7.3.2.2.332 USB2SS_GBL_GUCTL2 Register
            333. 14.7.3.2.2.333 USB2SS_GBL_GHWPARAMS8 Register
            334. 14.7.3.2.2.334 USB2SS_GBL_GUCTL3 Register
            335. 14.7.3.2.2.335 USB2SS_GBL_GTXFIFOPRIDEV Register
            336. 14.7.3.2.2.336 USB2SS_GBL_GTXFIFOPRIHST Register
            337. 14.7.3.2.2.337 USB2SS_GBL_GRXFIFOPRIHST Register
            338. 14.7.3.2.2.338 USB2SS_GBL_GDMAHLRATIO Register
            339. 14.7.3.2.2.339 USB2SS_GBL_GFLADJ Register
            340. 14.7.3.2.2.340 USB2SS_GBL_GPHY_GUSB2PHYCFG Register
            341. 14.7.3.2.2.341 USB2SS_GBL_GI2C_GUSB2I2CCTL Register
            342. 14.7.3.2.2.342 USB2SS_GBL_GULPI_GUSB2PHYACC_ULPI Register
            343. 14.7.3.2.2.343 USB2SS_GBL_GPIPE_GUSB3PIPECTL Register
            344. 14.7.3.2.2.344 USB2SS_GBL_GTXFIFO_GTXFIFOSIZ0 Register
            345. 14.7.3.2.2.345 USB2SS_GBL_GTXFIFO_GTXFIFOSIZ1 Register
            346. 14.7.3.2.2.346 USB2SS_GBL_GTXFIFO_GTXFIFOSIZ2 Register
            347. 14.7.3.2.2.347 USB2SS_GBL_GTXFIFO_GTXFIFOSIZ3 Register
            348. 14.7.3.2.2.348 USB2SS_GBL_GTXFIFO_GTXFIFOSIZ4 Register
            349. 14.7.3.2.2.349 USB2SS_GBL_GTXFIFO_GTXFIFOSIZ5 Register
            350. 14.7.3.2.2.350 USB2SS_GBL_GTXFIFO_GTXFIFOSIZ6 Register
            351. 14.7.3.2.2.351 USB2SS_GBL_GTXFIFO_GTXFIFOSIZ7 Register
            352. 14.7.3.2.2.352 USB2SS_GBL_GTXFIFO_GTXFIFOSIZ8 Register
            353. 14.7.3.2.2.353 USB2SS_GBL_GTXFIFO_GTXFIFOSIZ9 Register
            354. 14.7.3.2.2.354 USB2SS_GBL_GTXFIFO_GTXFIFOSIZ10 Register
            355. 14.7.3.2.2.355 USB2SS_GBL_GTXFIFO_GTXFIFOSIZ11 Register
            356. 14.7.3.2.2.356 USB2SS_GBL_GTXFIFO_GTXFIFOSIZ12 Register
            357. 14.7.3.2.2.357 USB2SS_GBL_GTXFIFO_GTXFIFOSIZ13 Register
            358. 14.7.3.2.2.358 USB2SS_GBL_GTXFIFO_GTXFIFOSIZ14 Register
            359. 14.7.3.2.2.359 USB2SS_GBL_GTXFIFO_GTXFIFOSIZ15 Register
            360. 14.7.3.2.2.360 USB2SS_GBL_GRXFIFO_GRXFIFOSIZ0 Register
            361. 14.7.3.2.2.361 USB2SS_GBL_GRXFIFO_GRXFIFOSIZ1 Register
            362. 14.7.3.2.2.362 USB2SS_GBL_GRXFIFO_GRXFIFOSIZ2 Register
            363. 14.7.3.2.2.363 USB2SS_GBL_GEVNT_GEVNTADRLO_J Register
            364. 14.7.3.2.2.364 USB2SS_GBL_GEVNT_GEVNTADRHI_J Register
            365. 14.7.3.2.2.365 USB2SS_GBL_GEVNT_GEVNTSIZ_J Register
            366. 14.7.3.2.2.366 USB2SS_GBL_GEVNT_GEVNTCOUNT_J Register
            367. 14.7.3.2.2.367 USB2SS_GBL_GRHB_GUSB2RHBCTL Register
            368. 14.7.3.2.2.368 USB2SS_DEV_DCFG Register
            369. 14.7.3.2.2.369 USB2SS_DEV_DCTL Register
            370. 14.7.3.2.2.370 USB2SS_DEV_DEVTEN Register
            371. 14.7.3.2.2.371 USB2SS_DEV_DSTS Register
            372. 14.7.3.2.2.372 USB2SS_DEV_DGCMDPAR Register
            373. 14.7.3.2.2.373 USB2SS_DEV_DGCMD Register
            374. 14.7.3.2.2.374 USB2SS_DEV_DALEPENA Register
            375. 14.7.3.2.2.375 USB2SS_DEV_DEV_RESERVED_RSVD_J Register
            376. 14.7.3.2.2.376 USB2SS_DEV_DEPCMDPAR_EP_DEPCMDPAR2_J Register
            377. 14.7.3.2.2.377 USB2SS_DEV_DEPCMDPAR_EP_DEPCMDPAR1_J Register
            378. 14.7.3.2.2.378 USB2SS_DEV_DEPCMDPAR_EP_DEPCMDPAR0_J Register
            379. 14.7.3.2.2.379 USB2SS_DEV_DEPCMDPAR_EP_DEPCMD_J Register
            380. 14.7.3.2.2.380 USB2SS_DEV_DEV_INTR_DEV_IMOD_J Register
            381. 14.7.3.2.2.381 USB2SS_LINK_LINK_LU1LFPSRXTIM Register
            382. 14.7.3.2.2.382 USB2SS_LINK_LINK_LINK_SETTINGS Register
            383. 14.7.3.2.2.383 USB2SS_LINK_LINK_LLUCTL Register
            384. 14.7.3.2.2.384 USB2SS_LINK_LINK_LPTMDPDELAY Register
            385. 14.7.3.2.2.385 USB2SS_DEBUG_DEBUG_U3RHBDBG Register
            386. 14.7.3.2.2.386 USB2SS_DEBUG_RAM0_RAM0_J Register
      4. 14.7.4 Memory Interfaces Registers
        1. 14.7.4.1 FSS0
          1. 14.7.4.1.1 FSS0 Summaries
            1.         9517
            2.         9518
            3.         9519
            4.         9520
            5.         9521
            6.         9522
            7.         9523
            8.         9524
            9.         9525
            10.         9526
            11.         9527
            12.         9528
            13.         9529
            14.         9530
          2. 14.7.4.1.2 FSS0 Registers
            1. 14.7.4.1.2.1   ECC_AGGR_REV Register
            2. 14.7.4.1.2.2   ECC_AGGR_VECTOR Register
            3. 14.7.4.1.2.3   ECC_AGGR_STAT Register
            4. 14.7.4.1.2.4   ECC_AGGR_RESERVED_SVBUS_J Register
            5. 14.7.4.1.2.5   ECC_AGGR_SEC_EOI_REG Register
            6. 14.7.4.1.2.6   ECC_AGGR_SEC_STATUS_REG0 Register
            7. 14.7.4.1.2.7   ECC_AGGR_SEC_ENABLE_SET_REG0 Register
            8. 14.7.4.1.2.8   ECC_AGGR_SEC_ENABLE_CLR_REG0 Register
            9. 14.7.4.1.2.9   ECC_AGGR_DED_EOI_REG Register
            10. 14.7.4.1.2.10  ECC_AGGR_DED_STATUS_REG0 Register
            11. 14.7.4.1.2.11  ECC_AGGR_DED_ENABLE_SET_REG0 Register
            12. 14.7.4.1.2.12  ECC_AGGR_DED_ENABLE_CLR_REG0 Register
            13. 14.7.4.1.2.13  ECC_AGGR_AGGR_ENABLE_SET Register
            14. 14.7.4.1.2.14  ECC_AGGR_AGGR_ENABLE_CLR Register
            15. 14.7.4.1.2.15  ECC_AGGR_AGGR_STATUS_SET Register
            16. 14.7.4.1.2.16  ECC_AGGR_AGGR_STATUS_CLR Register
            17. 14.7.4.1.2.17  ECC_AGGR_REV Register
            18. 14.7.4.1.2.18  ECC_AGGR_VECTOR Register
            19. 14.7.4.1.2.19  ECC_AGGR_STAT Register
            20. 14.7.4.1.2.20  ECC_AGGR_RESERVED_SVBUS_J Register
            21. 14.7.4.1.2.21  ECC_AGGR_SEC_EOI_REG Register
            22. 14.7.4.1.2.22  ECC_AGGR_SEC_STATUS_REG0 Register
            23. 14.7.4.1.2.23  ECC_AGGR_SEC_ENABLE_SET_REG0 Register
            24. 14.7.4.1.2.24  ECC_AGGR_SEC_ENABLE_CLR_REG0 Register
            25. 14.7.4.1.2.25  ECC_AGGR_DED_EOI_REG Register
            26. 14.7.4.1.2.26  ECC_AGGR_DED_STATUS_REG0 Register
            27. 14.7.4.1.2.27  ECC_AGGR_DED_ENABLE_SET_REG0 Register
            28. 14.7.4.1.2.28  ECC_AGGR_DED_ENABLE_CLR_REG0 Register
            29. 14.7.4.1.2.29  ECC_AGGR_AGGR_ENABLE_SET Register
            30. 14.7.4.1.2.30  ECC_AGGR_AGGR_ENABLE_CLR Register
            31. 14.7.4.1.2.31  ECC_AGGR_AGGR_STATUS_SET Register
            32. 14.7.4.1.2.32  ECC_AGGR_AGGR_STATUS_CLR Register
            33. 14.7.4.1.2.33  FSS_GENREGS_REVISION Register
            34. 14.7.4.1.2.34  FSS0_FSAS_GENREGS_REVISION Register
            35. 14.7.4.1.2.35  FSS0_FSAS_GENREGS_SYSCONFIG Register
            36. 14.7.4.1.2.36  FSS0_FSAS_GENREGS_DP_ERR_INJ_CTRL Register
            37. 14.7.4.1.2.37  FSS0_FSAS_GENREGS_IRQ_EOI Register
            38. 14.7.4.1.2.38  FSS0_FSAS_GENREGS_IRQ_STATUS_RAW Register
            39. 14.7.4.1.2.39  FSS0_FSAS_GENREGS_IRQ_STATUS Register
            40. 14.7.4.1.2.40  FSS0_FSAS_GENREGS_IRQ_ENABLE_SET Register
            41. 14.7.4.1.2.41  FSS0_FSAS_GENREGS_IRQ_ENABLE_CLR Register
            42. 14.7.4.1.2.42  FSS0_FSAS_GENREGS_ECC_REGCTRL_ECC_RGSTRT_J Register
            43. 14.7.4.1.2.43  FSS0_FSAS_GENREGS_ECC_REGCTRL_ECC_RGSIZ_J Register
            44. 14.7.4.1.2.44  FSS0_FSAS_GENREGS_ERR_ECC_BLOCK_ADR Register
            45. 14.7.4.1.2.45  FSS0_FSAS_GENREGS_ERR_ECC_TYPE Register
            46. 14.7.4.1.2.46  FSS0_FSAS_GENREGS_ERR_WRT_TYPE Register
            47. 14.7.4.1.2.47  FSAS_OTFA_REGS_REVID Register
            48. 14.7.4.1.2.48  FSAS_OTFA_REGS_SCFG Register
            49. 14.7.4.1.2.49  FSAS_OTFA_REGS_ISR Register
            50. 14.7.4.1.2.50  FSAS_OTFA_REGS_IS Register
            51. 14.7.4.1.2.51  FSAS_OTFA_REGS_IES Register
            52. 14.7.4.1.2.52  FSAS_OTFA_REGS_IEC Register
            53. 14.7.4.1.2.53  FSAS_OTFA_REGS_CCFG Register
            54. 14.7.4.1.2.54  FSAS_OTFA_REGS_CSTATUS Register
            55. 14.7.4.1.2.55  FSAS_OTFA_REGS_IRQADDINFO0 Register
            56. 14.7.4.1.2.56  FSAS_OTFA_REGS_IRQADDINFO1 Register
            57. 14.7.4.1.2.57  FSAS_OTFA_REGS_MACCACHEINFO Register
            58. 14.7.4.1.2.58  FSAS_OTFA_REGS_RMWRMCNT Register
            59. 14.7.4.1.2.59  FSAS_OTFA_REGS_RG_RGCFG_J Register
            60. 14.7.4.1.2.60  FSAS_OTFA_REGS_RG_RGMACST_J Register
            61. 14.7.4.1.2.61  FSAS_OTFA_REGS_RG_RGST_J Register
            62. 14.7.4.1.2.62  FSAS_OTFA_REGS_RG_RGSI_J Register
            63. 14.7.4.1.2.63  FSAS_OTFA_REGS_RG_RKEYE_J_K Register
            64. 14.7.4.1.2.64  FSAS_OTFA_REGS_RG_RKEYEP_J_K Register
            65. 14.7.4.1.2.65  FSAS_OTFA_REGS_RG_RKEYA_J_K Register
            66. 14.7.4.1.2.66  FSAS_OTFA_REGS_RG_RKEYAP_J_K Register
            67. 14.7.4.1.2.67  FSAS_OTFA_REGS_RG_RIV_J_K Register
            68. 14.7.4.1.2.68  OSPI_FLASH_CFG_CONFIG_REG Register
            69. 14.7.4.1.2.69  OSPI_FLASH_CFG_DEV_INSTR_RD_CONFIG_REG Register
            70. 14.7.4.1.2.70  OSPI_FLASH_CFG_DEV_INSTR_WR_CONFIG_REG Register
            71. 14.7.4.1.2.71  OSPI_FLASH_CFG_DEV_DELAY_REG Register
            72. 14.7.4.1.2.72  OSPI_FLASH_CFG_RD_DATA_CAPTURE_REG Register
            73. 14.7.4.1.2.73  OSPI_FLASH_CFG_DEV_SIZE_CONFIG_REG Register
            74. 14.7.4.1.2.74  OSPI_FLASH_CFG_SRAM_PARTITION_CFG_REG Register
            75. 14.7.4.1.2.75  OSPI_FLASH_CFG_IND_AHB_ADDR_TRIGGER_REG Register
            76. 14.7.4.1.2.76  OSPI_FLASH_CFG_DMA_PERIPH_CONFIG_REG Register
            77. 14.7.4.1.2.77  OSPI_FLASH_CFG_REMAP_ADDR_REG Register
            78. 14.7.4.1.2.78  OSPI_FLASH_CFG_MODE_BIT_CONFIG_REG Register
            79. 14.7.4.1.2.79  OSPI_FLASH_CFG_SRAM_FILL_REG Register
            80. 14.7.4.1.2.80  OSPI_FLASH_CFG_TX_THRESH_REG Register
            81. 14.7.4.1.2.81  OSPI_FLASH_CFG_RX_THRESH_REG Register
            82. 14.7.4.1.2.82  OSPI_FLASH_CFG_WRITE_COMPLETION_CTRL_REG Register
            83. 14.7.4.1.2.83  OSPI_FLASH_CFG_NO_OF_POLLS_BEF_EXP_REG Register
            84. 14.7.4.1.2.84  OSPI_FLASH_CFG_IRQ_STATUS_REG Register
            85. 14.7.4.1.2.85  OSPI_FLASH_CFG_IRQ_MASK_REG Register
            86. 14.7.4.1.2.86  OSPI_FLASH_CFG_LOWER_WR_PROT_REG Register
            87. 14.7.4.1.2.87  OSPI_FLASH_CFG_UPPER_WR_PROT_REG Register
            88. 14.7.4.1.2.88  OSPI_FLASH_CFG_WR_PROT_CTRL_REG Register
            89. 14.7.4.1.2.89  OSPI_FLASH_CFG_INDIRECT_READ_XFER_CTRL_REG Register
            90. 14.7.4.1.2.90  OSPI_FLASH_CFG_INDIRECT_READ_XFER_WATERMARK_REG Register
            91. 14.7.4.1.2.91  OSPI_FLASH_CFG_INDIRECT_READ_XFER_START_REG Register
            92. 14.7.4.1.2.92  OSPI_FLASH_CFG_INDIRECT_READ_XFER_NUM_BYTES_REG Register
            93. 14.7.4.1.2.93  OSPI_FLASH_CFG_INDIRECT_WRITE_XFER_CTRL_REG Register
            94. 14.7.4.1.2.94  OSPI_FLASH_CFG_INDIRECT_WRITE_XFER_WATERMARK_REG Register
            95. 14.7.4.1.2.95  OSPI_FLASH_CFG_INDIRECT_WRITE_XFER_START_REG Register
            96. 14.7.4.1.2.96  OSPI_FLASH_CFG_INDIRECT_WRITE_XFER_NUM_BYTES_REG Register
            97. 14.7.4.1.2.97  OSPI_FLASH_CFG_INDIRECT_TRIGGER_ADDR_RANGE_REG Register
            98. 14.7.4.1.2.98  OSPI_FLASH_CFG_FLASH_COMMAND_CTRL_MEM_REG Register
            99. 14.7.4.1.2.99  OSPI_FLASH_CFG_FLASH_CMD_CTRL_REG Register
            100. 14.7.4.1.2.100 OSPI_FLASH_CFG_FLASH_CMD_ADDR_REG Register
            101. 14.7.4.1.2.101 OSPI_FLASH_CFG_FLASH_RD_DATA_LOWER_REG Register
            102. 14.7.4.1.2.102 OSPI_FLASH_CFG_FLASH_RD_DATA_UPPER_REG Register
            103. 14.7.4.1.2.103 OSPI_FLASH_CFG_FLASH_WR_DATA_LOWER_REG Register
            104. 14.7.4.1.2.104 OSPI_FLASH_CFG_FLASH_WR_DATA_UPPER_REG Register
            105. 14.7.4.1.2.105 OSPI_FLASH_CFG_POLLING_FLASH_STATUS_REG Register
            106. 14.7.4.1.2.106 OSPI_FLASH_CFG_PHY_CONFIGURATION_REG Register
            107. 14.7.4.1.2.107 OSPI_FLASH_CFG_PHY_MASTER_CONTROL_REG Register
            108. 14.7.4.1.2.108 OSPI_FLASH_CFG_DLL_OBSERVABLE_LOWER_REG Register
            109. 14.7.4.1.2.109 OSPI_FLASH_CFG_DLL_OBSERVABLE_UPPER_REG Register
            110. 14.7.4.1.2.110 OSPI_FLASH_CFG_OPCODE_EXT_LOWER_REG Register
            111. 14.7.4.1.2.111 OSPI_FLASH_CFG_OPCODE_EXT_UPPER_REG Register
            112. 14.7.4.1.2.112 OSPI_FLASH_CFG_MODULE_ID_REG Register
            113. 14.7.4.1.2.113 OSPI_CFG_PID Register
            114. 14.7.4.1.2.114 OSPI_CFG_CTRL Register
            115. 14.7.4.1.2.115 OSPI_CFG_STAT Register
            116. 14.7.4.1.2.116 OSPI_CFG_EOI Register
            117. 14.7.4.1.2.117 FSS0_FOTA_GENREGS_FOTA_INIT Register
            118. 14.7.4.1.2.118 FSS0_FOTA_GENREGS_FOTA_CTRL Register
            119. 14.7.4.1.2.119 FSS0_FOTA_GENREGS_FOTA_ERR_INFO Register
            120. 14.7.4.1.2.120 FSS0_FOTA_GENREGS_FOTA_GP0 Register
            121. 14.7.4.1.2.121 FSS0_FOTA_GENREGS_FOTA_GP1 Register
            122. 14.7.4.1.2.122 FSS0_FOTA_GENREGS_FOTA_ADDR Register
            123. 14.7.4.1.2.123 FSS0_FOTA_GENREGS_FOTA_CNT Register
            124. 14.7.4.1.2.124 FSS0_FOTA_GENREGS_STS_IRQ_EOI Register
            125. 14.7.4.1.2.125 FSS0_FOTA_GENREGS_STS_IRQ_STATUS_RAW Register
            126. 14.7.4.1.2.126 FSS0_FOTA_GENREGS_STS_IRQ_STATUS Register
            127. 14.7.4.1.2.127 FSS0_FOTA_GENREGS_STS_IRQ_ENABLE_SET Register
            128. 14.7.4.1.2.128 FSS0_FOTA_GENREGS_STS_IRQ_ENABLE_CLR Register
            129. 14.7.4.1.2.129 FSS0_FOTA_GENREGS_ERR_STS_IRQ_EOI Register
            130. 14.7.4.1.2.130 FSS0_FOTA_GENREGS_ERR_STS_IRQ_STATUS_RAW Register
            131. 14.7.4.1.2.131 FSS0_FOTA_GENREGS_ERR_STS_IRQ_STATUS Register
            132. 14.7.4.1.2.132 FSS0_FOTA_GENREGS_ERR_STS_IRQ_ENABLE_SET Register
            133. 14.7.4.1.2.133 FSS0_FOTA_GENREGS_ERR_STS_IRQ_ENABLE_CLR Register
            134. 14.7.4.1.2.134 FSS0_PDMEM_GENREGS_LOC_J Register
            135. 14.7.4.1.2.135 FSS0_IMEM_GENREGS_LOC_J Register
            136. 14.7.4.1.2.136 FSS0_WBUF_GENREGS_LOC_J Register
            137. 14.7.4.1.2.137 DAT_REG1_HPB_DATA_MEM_J Register
            138. 14.7.4.1.2.138 DAT_REG0_HPB_DATA_MEM_J Register
            139. 14.7.4.1.2.139 DAT_REG3_HPB_DATA_MEM_J Register
        2. 14.7.4.2 FSS1
          1. 14.7.4.2.1 FSS1 Summaries
            1.         9673
          2. 14.7.4.2.2 FSS1 Registers
            1. 14.7.4.2.2.1  FSS_GENREGS_REVISION Register
            2. 14.7.4.2.2.2  FSS_GENREGS_SYSCONFIG Register
            3. 14.7.4.2.2.3  FSS_GENREGS_IRQ_EOI Register
            4. 14.7.4.2.2.4  FSS_GENREGS_IRQ_STATUS_RAW Register
            5. 14.7.4.2.2.5  FSS_GENREGS_IRQ_STATUS Register
            6. 14.7.4.2.2.6  FSS_GENREGS_IRQ_ENABLE_SET Register
            7. 14.7.4.2.2.7  FSS_GENREGS_IRQ_ENABLE_CLR Register
            8. 14.7.4.2.2.8  FSS_GENREGS_ECC_REGCTRL_ECC_RGSTRT_J Register
            9. 14.7.4.2.2.9  FSS_GENREGS_ECC_REGCTRL_ECC_RGSIZ_J Register
            10. 14.7.4.2.2.10 FSS_GENREGS_ERR_ECC_BLOCK_ADR Register
            11. 14.7.4.2.2.11 FSS_GENREGS_ERR_ECC_TYPE Register
            12. 14.7.4.2.2.12 FSS_GENREGS_ERR_WRT_TYPE Register
        3. 14.7.4.3 OSPI1
          1. 14.7.4.3.1 OSPI1 Summaries
            1.         9689
            2.         9690
            3.         9691
          2. 14.7.4.3.2 OSPI1 Registers
            1. 14.7.4.3.2.1  ECC_AGGR_REV Register
            2. 14.7.4.3.2.2  ECC_AGGR_VECTOR Register
            3. 14.7.4.3.2.3  ECC_AGGR_STAT Register
            4. 14.7.4.3.2.4  ECC_AGGR_RESERVED_SVBUS_J Register
            5. 14.7.4.3.2.5  ECC_AGGR_SEC_EOI_REG Register
            6. 14.7.4.3.2.6  ECC_AGGR_SEC_STATUS_REG0 Register
            7. 14.7.4.3.2.7  ECC_AGGR_SEC_ENABLE_SET_REG0 Register
            8. 14.7.4.3.2.8  ECC_AGGR_SEC_ENABLE_CLR_REG0 Register
            9. 14.7.4.3.2.9  ECC_AGGR_DED_EOI_REG Register
            10. 14.7.4.3.2.10 ECC_AGGR_DED_STATUS_REG0 Register
            11. 14.7.4.3.2.11 ECC_AGGR_DED_ENABLE_SET_REG0 Register
            12. 14.7.4.3.2.12 ECC_AGGR_DED_ENABLE_CLR_REG0 Register
            13. 14.7.4.3.2.13 ECC_AGGR_AGGR_ENABLE_SET Register
            14. 14.7.4.3.2.14 ECC_AGGR_AGGR_ENABLE_CLR Register
            15. 14.7.4.3.2.15 ECC_AGGR_AGGR_STATUS_SET Register
            16. 14.7.4.3.2.16 ECC_AGGR_AGGR_STATUS_CLR Register
            17. 14.7.4.3.2.17 OSPI_FLASH_CFG_CONFIG_REG Register
            18. 14.7.4.3.2.18 OSPI_FLASH_CFG_DEV_INSTR_RD_CONFIG_REG Register
            19. 14.7.4.3.2.19 OSPI_FLASH_CFG_DEV_INSTR_WR_CONFIG_REG Register
            20. 14.7.4.3.2.20 OSPI_FLASH_CFG_DEV_DELAY_REG Register
            21. 14.7.4.3.2.21 OSPI_FLASH_CFG_RD_DATA_CAPTURE_REG Register
            22. 14.7.4.3.2.22 OSPI_FLASH_CFG_DEV_SIZE_CONFIG_REG Register
            23. 14.7.4.3.2.23 OSPI_FLASH_CFG_SRAM_PARTITION_CFG_REG Register
            24. 14.7.4.3.2.24 OSPI_FLASH_CFG_IND_AHB_ADDR_TRIGGER_REG Register
            25. 14.7.4.3.2.25 OSPI_FLASH_CFG_DMA_PERIPH_CONFIG_REG Register
            26. 14.7.4.3.2.26 OSPI_FLASH_CFG_REMAP_ADDR_REG Register
            27. 14.7.4.3.2.27 OSPI_FLASH_CFG_MODE_BIT_CONFIG_REG Register
            28. 14.7.4.3.2.28 OSPI_FLASH_CFG_SRAM_FILL_REG Register
            29. 14.7.4.3.2.29 OSPI_FLASH_CFG_TX_THRESH_REG Register
            30. 14.7.4.3.2.30 OSPI_FLASH_CFG_RX_THRESH_REG Register
            31. 14.7.4.3.2.31 OSPI_FLASH_CFG_WRITE_COMPLETION_CTRL_REG Register
            32. 14.7.4.3.2.32 OSPI_FLASH_CFG_NO_OF_POLLS_BEF_EXP_REG Register
            33. 14.7.4.3.2.33 OSPI_FLASH_CFG_IRQ_STATUS_REG Register
            34. 14.7.4.3.2.34 OSPI_FLASH_CFG_IRQ_MASK_REG Register
            35. 14.7.4.3.2.35 OSPI_FLASH_CFG_LOWER_WR_PROT_REG Register
            36. 14.7.4.3.2.36 OSPI_FLASH_CFG_UPPER_WR_PROT_REG Register
            37. 14.7.4.3.2.37 OSPI_FLASH_CFG_WR_PROT_CTRL_REG Register
            38. 14.7.4.3.2.38 OSPI_FLASH_CFG_INDIRECT_READ_XFER_CTRL_REG Register
            39. 14.7.4.3.2.39 OSPI_FLASH_CFG_INDIRECT_READ_XFER_WATERMARK_REG Register
            40. 14.7.4.3.2.40 OSPI_FLASH_CFG_INDIRECT_READ_XFER_START_REG Register
            41. 14.7.4.3.2.41 OSPI_FLASH_CFG_INDIRECT_READ_XFER_NUM_BYTES_REG Register
            42. 14.7.4.3.2.42 OSPI_FLASH_CFG_INDIRECT_WRITE_XFER_CTRL_REG Register
            43. 14.7.4.3.2.43 OSPI_FLASH_CFG_INDIRECT_WRITE_XFER_WATERMARK_REG Register
            44. 14.7.4.3.2.44 OSPI_FLASH_CFG_INDIRECT_WRITE_XFER_START_REG Register
            45. 14.7.4.3.2.45 OSPI_FLASH_CFG_INDIRECT_WRITE_XFER_NUM_BYTES_REG Register
            46. 14.7.4.3.2.46 OSPI_FLASH_CFG_INDIRECT_TRIGGER_ADDR_RANGE_REG Register
            47. 14.7.4.3.2.47 OSPI_FLASH_CFG_FLASH_COMMAND_CTRL_MEM_REG Register
            48. 14.7.4.3.2.48 OSPI_FLASH_CFG_FLASH_CMD_CTRL_REG Register
            49. 14.7.4.3.2.49 OSPI_FLASH_CFG_FLASH_CMD_ADDR_REG Register
            50. 14.7.4.3.2.50 OSPI_FLASH_CFG_FLASH_RD_DATA_LOWER_REG Register
            51. 14.7.4.3.2.51 OSPI_FLASH_CFG_FLASH_RD_DATA_UPPER_REG Register
            52. 14.7.4.3.2.52 OSPI_FLASH_CFG_FLASH_WR_DATA_LOWER_REG Register
            53. 14.7.4.3.2.53 OSPI_FLASH_CFG_FLASH_WR_DATA_UPPER_REG Register
            54. 14.7.4.3.2.54 OSPI_FLASH_CFG_POLLING_FLASH_STATUS_REG Register
            55. 14.7.4.3.2.55 OSPI_FLASH_CFG_PHY_CONFIGURATION_REG Register
            56. 14.7.4.3.2.56 OSPI_FLASH_CFG_PHY_MASTER_CONTROL_REG Register
            57. 14.7.4.3.2.57 OSPI_FLASH_CFG_DLL_OBSERVABLE_LOWER_REG Register
            58. 14.7.4.3.2.58 OSPI_FLASH_CFG_DLL_OBSERVABLE_UPPER_REG Register
            59. 14.7.4.3.2.59 OSPI_FLASH_CFG_OPCODE_EXT_LOWER_REG Register
            60. 14.7.4.3.2.60 OSPI_FLASH_CFG_OPCODE_EXT_UPPER_REG Register
            61. 14.7.4.3.2.61 OSPI_FLASH_CFG_MODULE_ID_REG Register
            62. 14.7.4.3.2.62 OSPI_CFG_PID Register
            63. 14.7.4.3.2.63 OSPI_CFG_CTRL Register
            64. 14.7.4.3.2.64 OSPI_CFG_STAT Register
            65. 14.7.4.3.2.65 OSPI_CFG_EOI Register
        4. 14.7.4.4 FSS_HYPERBUS1P0_0
          1. 14.7.4.4.1 FSS_HYPERBUS1P0_0 Summaries
            1.         9760
            2.         9761
            3.         9762
          2. 14.7.4.4.2 FSS_HYPERBUS1P0_0 Registers
            1. 14.7.4.4.2.1  ECC_AGGR_REV Register
            2. 14.7.4.4.2.2  ECC_AGGR_VECTOR Register
            3. 14.7.4.4.2.3  ECC_AGGR_STAT Register
            4. 14.7.4.4.2.4  ECC_AGGR_RESERVED_SVBUS_J Register
            5. 14.7.4.4.2.5  ECC_AGGR_SEC_EOI_REG Register
            6. 14.7.4.4.2.6  ECC_AGGR_SEC_STATUS_REG0 Register
            7. 14.7.4.4.2.7  ECC_AGGR_SEC_ENABLE_SET_REG0 Register
            8. 14.7.4.4.2.8  ECC_AGGR_SEC_ENABLE_CLR_REG0 Register
            9. 14.7.4.4.2.9  ECC_AGGR_DED_EOI_REG Register
            10. 14.7.4.4.2.10 ECC_AGGR_DED_STATUS_REG0 Register
            11. 14.7.4.4.2.11 ECC_AGGR_DED_ENABLE_SET_REG0 Register
            12. 14.7.4.4.2.12 ECC_AGGR_DED_ENABLE_CLR_REG0 Register
            13. 14.7.4.4.2.13 ECC_AGGR_AGGR_ENABLE_SET Register
            14. 14.7.4.4.2.14 ECC_AGGR_AGGR_ENABLE_CLR Register
            15. 14.7.4.4.2.15 ECC_AGGR_AGGR_STATUS_SET Register
            16. 14.7.4.4.2.16 ECC_AGGR_AGGR_STATUS_CLR Register
            17. 14.7.4.4.2.17 HYPERBUS_SYSCFG_REVISION_REG Register
            18. 14.7.4.4.2.18 HYPERBUS_SYSCFG_DLL_STAT_REG Register
            19. 14.7.4.4.2.19 HYPERBUS_SYSCFG_RAM_STAT_REG Register
            20. 14.7.4.4.2.20 HYPERBUS_CORE_CSR Register
            21. 14.7.4.4.2.21 HYPERBUS_CORE_IER Register
            22. 14.7.4.4.2.22 HYPERBUS_CORE_ISR Register
            23. 14.7.4.4.2.23 HYPERBUS_CORE_MBAR_J Register
            24. 14.7.4.4.2.24 HYPERBUS_CORE_MCR_J Register
            25. 14.7.4.4.2.25 HYPERBUS_CORE_MTR_J Register
            26. 14.7.4.4.2.26 HYPERBUS_CORE_GPOR Register
            27. 14.7.4.4.2.27 HYPERBUS_CORE_WPR Register
            28. 14.7.4.4.2.28 HYPERBUS_CORE_LBR Register
        5. 14.7.4.5 FSS_FSAS_0
          1. 14.7.4.5.1 FSS_FSAS_0 Summaries
            1.         9794
            2.         9795
            3.         9796
            4.         9797
            5.         9798
          2. 14.7.4.5.2 FSS_FSAS_0 Registers
            1. 14.7.4.5.2.1   FSS_FSAS_GENREGS_SYSCONFIG Register
            2. 14.7.4.5.2.2   FSS_FSAS_GENREGS_FRAG_ADR Register
            3. 14.7.4.5.2.3   FSS_FSAS_GENREGS_FRAG_CTL Register
            4. 14.7.4.5.2.4   FSS_FSAS_GENREGS_IRQ_EOI Register
            5. 14.7.4.5.2.5   FSS_FSAS_GENREGS_IRQ_STATUS_RAW Register
            6. 14.7.4.5.2.6   FSS_FSAS_GENREGS_IRQ_STATUS Register
            7. 14.7.4.5.2.7   FSS_FSAS_GENREGS_IRQ_ENABLE_SET Register
            8. 14.7.4.5.2.8   FSS_FSAS_GENREGS_IRQ_ENABLE_CLR Register
            9. 14.7.4.5.2.9   FSS_FSAS_GENREGS_ECC_REGCTRL_ECC_RGSTRT_J Register
            10. 14.7.4.5.2.10  FSS_FSAS_GENREGS_ECC_REGCTRL_ECC_RGSIZ_J Register
            11. 14.7.4.5.2.11  FSS_FSAS_GENREGS_ERR_ECC_BLOCK_ADR Register
            12. 14.7.4.5.2.12  FSS_FSAS_GENREGS_ERR_ECC_TYPE Register
            13. 14.7.4.5.2.13  FSS_FSAS_GENREGS_ERR_WRT_TYPE Register
            14. 14.7.4.5.2.14  FSS_FSAS_OTFA_REGS_REVID Register
            15. 14.7.4.5.2.15  FSS_FSAS_OTFA_REGS_SCFG Register
            16. 14.7.4.5.2.16  FSS_FSAS_OTFA_REGS_ISR Register
            17. 14.7.4.5.2.17  FSS_FSAS_OTFA_REGS_IS Register
            18. 14.7.4.5.2.18  FSS_FSAS_OTFA_REGS_IES Register
            19. 14.7.4.5.2.19  FSS_FSAS_OTFA_REGS_IEC Register
            20. 14.7.4.5.2.20  FSS_FSAS_OTFA_REGS_CCFG Register
            21. 14.7.4.5.2.21  FSS_FSAS_OTFA_REGS_CSTATUS Register
            22. 14.7.4.5.2.22  FSS_FSAS_OTFA_REGS_RGCFG0 Register
            23. 14.7.4.5.2.23  FSS_FSAS_OTFA_REGS_RGMACST0 Register
            24. 14.7.4.5.2.24  FSS_FSAS_OTFA_REGS_RGST0 Register
            25. 14.7.4.5.2.25  FSS_FSAS_OTFA_REGS_RGSI0 Register
            26. 14.7.4.5.2.26  FSS_FSAS_OTFA_REGS_RKEYE00 Register
            27. 14.7.4.5.2.27  FSS_FSAS_OTFA_REGS_RKEYE01 Register
            28. 14.7.4.5.2.28  FSS_FSAS_OTFA_REGS_RKEYE02 Register
            29. 14.7.4.5.2.29  FSS_FSAS_OTFA_REGS_RKEYE03 Register
            30. 14.7.4.5.2.30  FSS_FSAS_OTFA_REGS_RKEYE04 Register
            31. 14.7.4.5.2.31  FSS_FSAS_OTFA_REGS_RKEYE05 Register
            32. 14.7.4.5.2.32  FSS_FSAS_OTFA_REGS_RKEYE06 Register
            33. 14.7.4.5.2.33  FSS_FSAS_OTFA_REGS_RKEYE07 Register
            34. 14.7.4.5.2.34  FSS_FSAS_OTFA_REGS_RKEYEP00 Register
            35. 14.7.4.5.2.35  FSS_FSAS_OTFA_REGS_RKEYEP01 Register
            36. 14.7.4.5.2.36  FSS_FSAS_OTFA_REGS_RKEYEP02 Register
            37. 14.7.4.5.2.37  FSS_FSAS_OTFA_REGS_RKEYEP03 Register
            38. 14.7.4.5.2.38  FSS_FSAS_OTFA_REGS_RKEYEP04 Register
            39. 14.7.4.5.2.39  FSS_FSAS_OTFA_REGS_RKEYEP05 Register
            40. 14.7.4.5.2.40  FSS_FSAS_OTFA_REGS_RKEYEP06 Register
            41. 14.7.4.5.2.41  FSS_FSAS_OTFA_REGS_RKEYEP07 Register
            42. 14.7.4.5.2.42  FSS_FSAS_OTFA_REGS_RKEYA00 Register
            43. 14.7.4.5.2.43  FSS_FSAS_OTFA_REGS_RKEYA01 Register
            44. 14.7.4.5.2.44  FSS_FSAS_OTFA_REGS_RKEYA02 Register
            45. 14.7.4.5.2.45  FSS_FSAS_OTFA_REGS_RKEYA03 Register
            46. 14.7.4.5.2.46  FSS_FSAS_OTFA_REGS_RKEYAP00 Register
            47. 14.7.4.5.2.47  FSS_FSAS_OTFA_REGS_RKEYAP01 Register
            48. 14.7.4.5.2.48  FSS_FSAS_OTFA_REGS_RKEYAP02 Register
            49. 14.7.4.5.2.49  FSS_FSAS_OTFA_REGS_RKEYAP03 Register
            50. 14.7.4.5.2.50  FSS_FSAS_OTFA_REGS_RIV00 Register
            51. 14.7.4.5.2.51  FSS_FSAS_OTFA_REGS_RIV01 Register
            52. 14.7.4.5.2.52  FSS_FSAS_OTFA_REGS_RIV02 Register
            53. 14.7.4.5.2.53  FSS_FSAS_OTFA_REGS_RIV03 Register
            54. 14.7.4.5.2.54  FSS_FSAS_OTFA_REGS_RGCFG1 Register
            55. 14.7.4.5.2.55  FSS_FSAS_OTFA_REGS_RGMACST1 Register
            56. 14.7.4.5.2.56  FSS_FSAS_OTFA_REGS_RGST1 Register
            57. 14.7.4.5.2.57  FSS_FSAS_OTFA_REGS_RGSI1 Register
            58. 14.7.4.5.2.58  FSS_FSAS_OTFA_REGS_RKEYE10 Register
            59. 14.7.4.5.2.59  FSS_FSAS_OTFA_REGS_RKEYE11 Register
            60. 14.7.4.5.2.60  FSS_FSAS_OTFA_REGS_RKEYE12 Register
            61. 14.7.4.5.2.61  FSS_FSAS_OTFA_REGS_RKEYE13 Register
            62. 14.7.4.5.2.62  FSS_FSAS_OTFA_REGS_RKEYE14 Register
            63. 14.7.4.5.2.63  FSS_FSAS_OTFA_REGS_RKEYE15 Register
            64. 14.7.4.5.2.64  FSS_FSAS_OTFA_REGS_RKEYE16 Register
            65. 14.7.4.5.2.65  FSS_FSAS_OTFA_REGS_RKEYE17 Register
            66. 14.7.4.5.2.66  FSS_FSAS_OTFA_REGS_RKEYEP10 Register
            67. 14.7.4.5.2.67  FSS_FSAS_OTFA_REGS_RKEYEP11 Register
            68. 14.7.4.5.2.68  FSS_FSAS_OTFA_REGS_RKEYEP12 Register
            69. 14.7.4.5.2.69  FSS_FSAS_OTFA_REGS_RKEYEP13 Register
            70. 14.7.4.5.2.70  FSS_FSAS_OTFA_REGS_RKEYEP14 Register
            71. 14.7.4.5.2.71  FSS_FSAS_OTFA_REGS_RKEYEP15 Register
            72. 14.7.4.5.2.72  FSS_FSAS_OTFA_REGS_RKEYEP16 Register
            73. 14.7.4.5.2.73  FSS_FSAS_OTFA_REGS_RKEYEP17 Register
            74. 14.7.4.5.2.74  FSS_FSAS_OTFA_REGS_RKEYA10 Register
            75. 14.7.4.5.2.75  FSS_FSAS_OTFA_REGS_RKEYA11 Register
            76. 14.7.4.5.2.76  FSS_FSAS_OTFA_REGS_RKEYA12 Register
            77. 14.7.4.5.2.77  FSS_FSAS_OTFA_REGS_RKEYA13 Register
            78. 14.7.4.5.2.78  FSS_FSAS_OTFA_REGS_RKEYAP10 Register
            79. 14.7.4.5.2.79  FSS_FSAS_OTFA_REGS_RKEYAP11 Register
            80. 14.7.4.5.2.80  FSS_FSAS_OTFA_REGS_RKEYAP12 Register
            81. 14.7.4.5.2.81  FSS_FSAS_OTFA_REGS_RKEYAP13 Register
            82. 14.7.4.5.2.82  FSS_FSAS_OTFA_REGS_RIV10 Register
            83. 14.7.4.5.2.83  FSS_FSAS_OTFA_REGS_RIV11 Register
            84. 14.7.4.5.2.84  FSS_FSAS_OTFA_REGS_RIV12 Register
            85. 14.7.4.5.2.85  FSS_FSAS_OTFA_REGS_RIV13 Register
            86. 14.7.4.5.2.86  FSS_FSAS_OTFA_REGS_RGCFG2 Register
            87. 14.7.4.5.2.87  FSS_FSAS_OTFA_REGS_RGMACST2 Register
            88. 14.7.4.5.2.88  FSS_FSAS_OTFA_REGS_RGST2 Register
            89. 14.7.4.5.2.89  FSS_FSAS_OTFA_REGS_RGSI2 Register
            90. 14.7.4.5.2.90  FSS_FSAS_OTFA_REGS_RKEYE20 Register
            91. 14.7.4.5.2.91  FSS_FSAS_OTFA_REGS_RKEYE21 Register
            92. 14.7.4.5.2.92  FSS_FSAS_OTFA_REGS_RKEYE22 Register
            93. 14.7.4.5.2.93  FSS_FSAS_OTFA_REGS_RKEYE23 Register
            94. 14.7.4.5.2.94  FSS_FSAS_OTFA_REGS_RKEYE24 Register
            95. 14.7.4.5.2.95  FSS_FSAS_OTFA_REGS_RKEYE25 Register
            96. 14.7.4.5.2.96  FSS_FSAS_OTFA_REGS_RKEYE26 Register
            97. 14.7.4.5.2.97  FSS_FSAS_OTFA_REGS_RKEYE27 Register
            98. 14.7.4.5.2.98  FSS_FSAS_OTFA_REGS_RKEYEP20 Register
            99. 14.7.4.5.2.99  FSS_FSAS_OTFA_REGS_RKEYEP21 Register
            100. 14.7.4.5.2.100 FSS_FSAS_OTFA_REGS_RKEYEP22 Register
            101. 14.7.4.5.2.101 FSS_FSAS_OTFA_REGS_RKEYEP23 Register
            102. 14.7.4.5.2.102 FSS_FSAS_OTFA_REGS_RKEYEP24 Register
            103. 14.7.4.5.2.103 FSS_FSAS_OTFA_REGS_RKEYEP25 Register
            104. 14.7.4.5.2.104 FSS_FSAS_OTFA_REGS_RKEYEP26 Register
            105. 14.7.4.5.2.105 FSS_FSAS_OTFA_REGS_RKEYEP27 Register
            106. 14.7.4.5.2.106 FSS_FSAS_OTFA_REGS_RKEYA20 Register
            107. 14.7.4.5.2.107 FSS_FSAS_OTFA_REGS_RKEYA21 Register
            108. 14.7.4.5.2.108 FSS_FSAS_OTFA_REGS_RKEYA22 Register
            109. 14.7.4.5.2.109 FSS_FSAS_OTFA_REGS_RKEYA23 Register
            110. 14.7.4.5.2.110 FSS_FSAS_OTFA_REGS_RKEYAP20 Register
            111. 14.7.4.5.2.111 FSS_FSAS_OTFA_REGS_RKEYAP21 Register
            112. 14.7.4.5.2.112 FSS_FSAS_OTFA_REGS_RKEYAP22 Register
            113. 14.7.4.5.2.113 FSS_FSAS_OTFA_REGS_RKEYAP23 Register
            114. 14.7.4.5.2.114 FSS_FSAS_OTFA_REGS_RIV20 Register
            115. 14.7.4.5.2.115 FSS_FSAS_OTFA_REGS_RIV21 Register
            116. 14.7.4.5.2.116 FSS_FSAS_OTFA_REGS_RIV22 Register
            117. 14.7.4.5.2.117 FSS_FSAS_OTFA_REGS_RIV23 Register
            118. 14.7.4.5.2.118 FSS_FSAS_OTFA_REGS_RGCFG3 Register
            119. 14.7.4.5.2.119 FSS_FSAS_OTFA_REGS_RGMACST3 Register
            120. 14.7.4.5.2.120 FSS_FSAS_OTFA_REGS_RGST3 Register
            121. 14.7.4.5.2.121 FSS_FSAS_OTFA_REGS_RGSI3 Register
            122. 14.7.4.5.2.122 FSS_FSAS_OTFA_REGS_RKEYE30 Register
            123. 14.7.4.5.2.123 FSS_FSAS_OTFA_REGS_RKEYE31 Register
            124. 14.7.4.5.2.124 FSS_FSAS_OTFA_REGS_RKEYE32 Register
            125. 14.7.4.5.2.125 FSS_FSAS_OTFA_REGS_RKEYE33 Register
            126. 14.7.4.5.2.126 FSS_FSAS_OTFA_REGS_RKEYE34 Register
            127. 14.7.4.5.2.127 FSS_FSAS_OTFA_REGS_RKEYE35 Register
            128. 14.7.4.5.2.128 FSS_FSAS_OTFA_REGS_RKEYE36 Register
            129. 14.7.4.5.2.129 FSS_FSAS_OTFA_REGS_RKEYE37 Register
            130. 14.7.4.5.2.130 FSS_FSAS_OTFA_REGS_RKEYEP30 Register
            131. 14.7.4.5.2.131 FSS_FSAS_OTFA_REGS_RKEYEP31 Register
            132. 14.7.4.5.2.132 FSS_FSAS_OTFA_REGS_RKEYEP32 Register
            133. 14.7.4.5.2.133 FSS_FSAS_OTFA_REGS_RKEYEP33 Register
            134. 14.7.4.5.2.134 FSS_FSAS_OTFA_REGS_RKEYEP34 Register
            135. 14.7.4.5.2.135 FSS_FSAS_OTFA_REGS_RKEYEP35 Register
            136. 14.7.4.5.2.136 FSS_FSAS_OTFA_REGS_RKEYEP36 Register
            137. 14.7.4.5.2.137 FSS_FSAS_OTFA_REGS_RKEYEP37 Register
            138. 14.7.4.5.2.138 FSS_FSAS_OTFA_REGS_RKEYA30 Register
            139. 14.7.4.5.2.139 FSS_FSAS_OTFA_REGS_RKEYA31 Register
            140. 14.7.4.5.2.140 FSS_FSAS_OTFA_REGS_RKEYA32 Register
            141. 14.7.4.5.2.141 FSS_FSAS_OTFA_REGS_RKEYA33 Register
            142. 14.7.4.5.2.142 FSS_FSAS_OTFA_REGS_RKEYAP30 Register
            143. 14.7.4.5.2.143 FSS_FSAS_OTFA_REGS_RKEYAP31 Register
            144. 14.7.4.5.2.144 FSS_FSAS_OTFA_REGS_RKEYAP32 Register
            145. 14.7.4.5.2.145 FSS_FSAS_OTFA_REGS_RKEYAP33 Register
            146. 14.7.4.5.2.146 FSS_FSAS_OTFA_REGS_RIV30 Register
            147. 14.7.4.5.2.147 FSS_FSAS_OTFA_REGS_RIV31 Register
            148. 14.7.4.5.2.148 FSS_FSAS_OTFA_REGS_RIV32 Register
            149. 14.7.4.5.2.149 FSS_FSAS_OTFA_REGS_RIV33 Register
            150. 14.7.4.5.2.150 FSS_FSAS_OTFA_REGS_IRQADDINFO0 Register
            151. 14.7.4.5.2.151 FSS_FSAS_OTFA_REGS_IRQADDINFO1 Register
            152. 14.7.4.5.2.152 FSS_FSAS_OTFA_REGS_MACCACHEINFO Register
            153. 14.7.4.5.2.153 FSS_FSAS_OTFA_REGS_RMWRMCNT Register
            154. 14.7.4.5.2.154 FSS_DAT_REG1_HPB_DATA_MEM_J Register
            155. 14.7.4.5.2.155 FSS_DAT_REG0_HPB_DATA_MEM_J Register
            156. 14.7.4.5.2.156 FSS_DAT_REG3_HPB_DATA_MEM_J Register
        6. 14.7.4.6 MMCSD
          1. 14.7.4.6.1 MMCSD Summaries
            1.         9958
            2.         9959
            3.         9960
            4.         9961
          2. 14.7.4.6.2 MMCSD Registers
            1. 14.7.4.6.2.1   MMCSD_ECC_AGGR_RXMEM_REV Register
            2. 14.7.4.6.2.2   MMCSD_ECC_AGGR_RXMEM_VECTOR Register
            3. 14.7.4.6.2.3   MMCSD_ECC_AGGR_RXMEM_STAT Register
            4. 14.7.4.6.2.4   MMCSD_ECC_AGGR_RXMEM_RESERVED_SVBUS Register
            5. 14.7.4.6.2.5   MMCSD_ECC_AGGR_RXMEM_SEC_EOI_REG Register
            6. 14.7.4.6.2.6   MMCSD_ECC_AGGR_RXMEM_SEC_STATUS_REG0 Register
            7. 14.7.4.6.2.7   MMCSD_ECC_AGGR_RXMEM_SEC_ENABLE_SET_REG0 Register
            8. 14.7.4.6.2.8   MMCSD_ECC_AGGR_RXMEM_SEC_ENABLE_CLR_REG0 Register
            9. 14.7.4.6.2.9   MMCSD_ECC_AGGR_RXMEM_DED_EOI_REG Register
            10. 14.7.4.6.2.10  MMCSD_ECC_AGGR_RXMEM_DED_STATUS_REG0 Register
            11. 14.7.4.6.2.11  MMCSD_ECC_AGGR_RXMEM_DED_ENABLE_SET_REG0 Register
            12. 14.7.4.6.2.12  MMCSD_ECC_AGGR_RXMEM_DED_ENABLE_CLR_REG0 Register
            13. 14.7.4.6.2.13  MMCSD_ECC_AGGR_RXMEM_AGGR_ENABLE_SET Register
            14. 14.7.4.6.2.14  MMCSD_ECC_AGGR_RXMEM_AGGR_ENABLE_CLR Register
            15. 14.7.4.6.2.15  MMCSD_ECC_AGGR_RXMEM_AGGR_STATUS_SET Register
            16. 14.7.4.6.2.16  MMCSD_ECC_AGGR_RXMEM_AGGR_STATUS_CLR Register
            17. 14.7.4.6.2.17  MMCSD_ECC_AGGR_TXMEM_REV Register
            18. 14.7.4.6.2.18  MMCSD_ECC_AGGR_TXMEM_VECTOR Register
            19. 14.7.4.6.2.19  MMCSD_ECC_AGGR_TXMEM_STAT Register
            20. 14.7.4.6.2.20  MMCSD_ECC_AGGR_TXMEM_RESERVED_SVBUS Register
            21. 14.7.4.6.2.21  MMCSD_ECC_AGGR_TXMEM_SEC_EOI_REG Register
            22. 14.7.4.6.2.22  MMCSD_ECC_AGGR_TXMEM_SEC_STATUS_REG0 Register
            23. 14.7.4.6.2.23  MMCSD_ECC_AGGR_TXMEM_SEC_ENABLE_SET_REG0 Register
            24. 14.7.4.6.2.24  MMCSD_ECC_AGGR_TXMEM_SEC_ENABLE_CLR_REG0 Register
            25. 14.7.4.6.2.25  MMCSD_ECC_AGGR_TXMEM_DED_EOI_REG Register
            26. 14.7.4.6.2.26  MMCSD_ECC_AGGR_TXMEM_DED_STATUS_REG0 Register
            27. 14.7.4.6.2.27  MMCSD_ECC_AGGR_TXMEM_DED_ENABLE_SET_REG0 Register
            28. 14.7.4.6.2.28  MMCSD_ECC_AGGR_TXMEM_DED_ENABLE_CLR_REG0 Register
            29. 14.7.4.6.2.29  MMCSD_ECC_AGGR_TXMEM_AGGR_ENABLE_SET Register
            30. 14.7.4.6.2.30  MMCSD_ECC_AGGR_TXMEM_AGGR_ENABLE_CLR Register
            31. 14.7.4.6.2.31  MMCSD_ECC_AGGR_TXMEM_AGGR_STATUS_SET Register
            32. 14.7.4.6.2.32  MMCSD_ECC_AGGR_TXMEM_AGGR_STATUS_CLR Register
            33. 14.7.4.6.2.33  MMCSD_CTL_CFG_SDMA_SYS_ADDR_LO Register
            34. 14.7.4.6.2.34  MMCSD_CTL_CFG_SDMA_SYS_ADDR_HI Register
            35. 14.7.4.6.2.35  MMCSD_CTL_CFG_BLOCK_SIZE Register
            36. 14.7.4.6.2.36  MMCSD_CTL_CFG_BLOCK_COUNT Register
            37. 14.7.4.6.2.37  MMCSD_CTL_CFG_ARGUMENT1_LO Register
            38. 14.7.4.6.2.38  MMCSD_CTL_CFG_ARGUMENT1_HI Register
            39. 14.7.4.6.2.39  MMCSD_CTL_CFG_TRANSFER_MODE Register
            40. 14.7.4.6.2.40  MMCSD_CTL_CFG_COMMAND Register
            41. 14.7.4.6.2.41  MMCSD_CTL_CFG_RESPONSE Register
            42. 14.7.4.6.2.42  MMCSD_CTL_CFG_DATA_PORT Register
            43. 14.7.4.6.2.43  MMCSD_CTL_CFG_PRESENTSTATE Register
            44. 14.7.4.6.2.44  MMCSD_CTL_CFG_HOST_CONTROL1 Register
            45. 14.7.4.6.2.45  MMCSD_CTL_CFG_POWER_CONTROL Register
            46. 14.7.4.6.2.46  MMCSD_CTL_CFG_BLOCK_GAP_CONTROL Register
            47. 14.7.4.6.2.47  MMCSD_CTL_CFG_WAKEUP_CONTROL Register
            48. 14.7.4.6.2.48  MMCSD_CTL_CFG_CLOCK_CONTROL Register
            49. 14.7.4.6.2.49  MMCSD_CTL_CFG_TIMEOUT_CONTROL Register
            50. 14.7.4.6.2.50  MMCSD_CTL_CFG_SOFTWARE_RESET Register
            51. 14.7.4.6.2.51  MMCSD_CTL_CFG_NORMAL_INTR_STS Register
            52. 14.7.4.6.2.52  MMCSD_CTL_CFG_ERROR_INTR_STS Register
            53. 14.7.4.6.2.53  MMCSD_CTL_CFG_NORMAL_INTR_STS_ENA Register
            54. 14.7.4.6.2.54  MMCSD_CTL_CFG_ERROR_INTR_STS_ENA Register
            55. 14.7.4.6.2.55  MMCSD_CTL_CFG_NORMAL_INTR_SIG_ENA Register
            56. 14.7.4.6.2.56  MMCSD_CTL_CFG_ERROR_INTR_SIG_ENA Register
            57. 14.7.4.6.2.57  MMCSD_CTL_CFG_AUTOCMD_ERR_STS Register
            58. 14.7.4.6.2.58  MMCSD_CTL_CFG_HOST_CONTROL2 Register
            59. 14.7.4.6.2.59  MMCSD_CTL_CFG_CAPABILITIES Register
            60. 14.7.4.6.2.60  MMCSD_CTL_CFG_MAX_CURRENT_CAP Register
            61. 14.7.4.6.2.61  MMCSD_CTL_CFG_FORCE_EVNT_ACMD_ERR_STS Register
            62. 14.7.4.6.2.62  MMCSD_CTL_CFG_FORCE_EVNT_ERR_INT_STS Register
            63. 14.7.4.6.2.63  MMCSD_CTL_CFG_ADMA_ERR_STATUS Register
            64. 14.7.4.6.2.64  MMCSD_CTL_CFG_ADMA_SYS_ADDRESS Register
            65. 14.7.4.6.2.65  MMCSD_CTL_CFG_PRESET_VALUE0 Register
            66. 14.7.4.6.2.66  MMCSD_CTL_CFG_PRESET_VALUE1 Register
            67. 14.7.4.6.2.67  MMCSD_CTL_CFG_PRESET_VALUE2 Register
            68. 14.7.4.6.2.68  MMCSD_CTL_CFG_PRESET_VALUE3 Register
            69. 14.7.4.6.2.69  MMCSD_CTL_CFG_PRESET_VALUE4 Register
            70. 14.7.4.6.2.70  MMCSD_CTL_CFG_PRESET_VALUE5 Register
            71. 14.7.4.6.2.71  MMCSD_CTL_CFG_PRESET_VALUE6 Register
            72. 14.7.4.6.2.72  MMCSD_CTL_CFG_PRESET_VALUE7 Register
            73. 14.7.4.6.2.73  MMCSD_CTL_CFG_PRESET_VALUE8 Register
            74. 14.7.4.6.2.74  MMCSD_CTL_CFG_PRESET_VALUE10 Register
            75. 14.7.4.6.2.75  MMCSD_CTL_CFG_ADMA3_DESC_ADDRESS Register
            76. 14.7.4.6.2.76  MMCSD_CTL_CFG_UHS2_BLOCK_SIZE Register
            77. 14.7.4.6.2.77  MMCSD_CTL_CFG_UHS2_BLOCK_COUNT Register
            78. 14.7.4.6.2.78  MMCSD_CTL_CFG_UHS2_COMMAND_PKT Register
            79. 14.7.4.6.2.79  MMCSD_CTL_CFG_UHS2_XFER_MODE Register
            80. 14.7.4.6.2.80  MMCSD_CTL_CFG_UHS2_COMMAND Register
            81. 14.7.4.6.2.81  MMCSD_CTL_CFG_UHS2_RESPONSE Register
            82. 14.7.4.6.2.82  MMCSD_CTL_CFG_UHS2_MESSAGE_SELECT Register
            83. 14.7.4.6.2.83  MMCSD_CTL_CFG_UHS2_MESSAGE Register
            84. 14.7.4.6.2.84  MMCSD_CTL_CFG_UHS2_DEVICE_INTR_STATUS Register
            85. 14.7.4.6.2.85  MMCSD_CTL_CFG_UHS2_DEVICE_SELECT Register
            86. 14.7.4.6.2.86  MMCSD_CTL_CFG_UHS2_DEVICE_INT_CODE Register
            87. 14.7.4.6.2.87  MMCSD_CTL_CFG_UHS2_SOFTWARE_RESET Register
            88. 14.7.4.6.2.88  MMCSD_CTL_CFG_UHS2_TIMER_CONTROL Register
            89. 14.7.4.6.2.89  MMCSD_CTL_CFG_UHS2_ERR_INTR_STS Register
            90. 14.7.4.6.2.90  MMCSD_CTL_CFG_UHS2_ERR_INTR_STS_ENA Register
            91. 14.7.4.6.2.91  MMCSD_CTL_CFG_UHS2_ERR_INTR_SIG_ENA Register
            92. 14.7.4.6.2.92  MMCSD_CTL_CFG_UHS2_SETTINGS_PTR Register
            93. 14.7.4.6.2.93  MMCSD_CTL_CFG_UHS2_CAPABILITIES_PTR Register
            94. 14.7.4.6.2.94  MMCSD_CTL_CFG_UHS2_TEST_PTR Register
            95. 14.7.4.6.2.95  MMCSD_CTL_CFG_SHARED_BUS_CTRL_PTR Register
            96. 14.7.4.6.2.96  MMCSD_CTL_CFG_VENDOR_SPECFIC_PTR Register
            97. 14.7.4.6.2.97  MMCSD_CTL_CFG_BOOT_TIMEOUT_CONTROL Register
            98. 14.7.4.6.2.98  MMCSD_CTL_CFG_VENDOR_REGISTER Register
            99. 14.7.4.6.2.99  MMCSD_CTL_CFG_SLOT_INT_STS Register
            100. 14.7.4.6.2.100 MMCSD_CTL_CFG_HOST_CONTROLLER_VER Register
            101. 14.7.4.6.2.101 MMCSD_CTL_CFG_UHS2_GEN_SETTINGS Register
            102. 14.7.4.6.2.102 MMCSD_CTL_CFG_UHS2_PHY_SETTINGS Register
            103. 14.7.4.6.2.103 MMCSD_CTL_CFG_UHS2_LNK_TRN_SETTINGS Register
            104. 14.7.4.6.2.104 MMCSD_CTL_CFG_UHS2_GEN_CAP Register
            105. 14.7.4.6.2.105 MMCSD_CTL_CFG_UHS2_PHY_CAP Register
            106. 14.7.4.6.2.106 MMCSD_CTL_CFG_UHS2_LNK_TRN_CAP Register
            107. 14.7.4.6.2.107 MMCSD_CTL_CFG_FORCE_UHSII_ERR_INT_STS Register
            108. 14.7.4.6.2.108 MMCSD_CTL_CFG_CQ_VERSION Register
            109. 14.7.4.6.2.109 MMCSD_CTL_CFG_CQ_CAPABILITIES Register
            110. 14.7.4.6.2.110 MMCSD_CTL_CFG_CQ_CONFIG Register
            111. 14.7.4.6.2.111 MMCSD_CTL_CFG_CQ_CONTROL Register
            112. 14.7.4.6.2.112 MMCSD_CTL_CFG_CQ_INTR_STS Register
            113. 14.7.4.6.2.113 MMCSD_CTL_CFG_CQ_INTR_STS_ENA Register
            114. 14.7.4.6.2.114 MMCSD_CTL_CFG_CQ_INTR_SIG_ENA Register
            115. 14.7.4.6.2.115 MMCSD_CTL_CFG_CQ_INTR_COALESCING Register
            116. 14.7.4.6.2.116 MMCSD_CTL_CFG_CQ_TDL_BASE_ADDR Register
            117. 14.7.4.6.2.117 MMCSD_CTL_CFG_CQ_TDL_BASE_ADDR_UPBITS Register
            118. 14.7.4.6.2.118 MMCSD_CTL_CFG_CQ_TASK_DOOR_BELL Register
            119. 14.7.4.6.2.119 MMCSD_CTL_CFG_CQ_TASK_COMP_NOTIF Register
            120. 14.7.4.6.2.120 MMCSD_CTL_CFG_CQ_DEV_QUEUE_STATUS Register
            121. 14.7.4.6.2.121 MMCSD_CTL_CFG_CQ_DEV_PENDING_TASKS Register
            122. 14.7.4.6.2.122 MMCSD_CTL_CFG_CQ_TASK_CLEAR Register
            123. 14.7.4.6.2.123 MMCSD_CTL_CFG_CQ_SEND_STS_CONFIG1 Register
            124. 14.7.4.6.2.124 MMCSD_CTL_CFG_CQ_SEND_STS_CONFIG2 Register
            125. 14.7.4.6.2.125 MMCSD_CTL_CFG_CQ_DCMD_RESPONSE Register
            126. 14.7.4.6.2.126 MMCSD_CTL_CFG_CQ_RESP_ERR_MASK Register
            127. 14.7.4.6.2.127 MMCSD_CTL_CFG_CQ_TASK_ERR_INFO Register
            128. 14.7.4.6.2.128 MMCSD_CTL_CFG_CQ_CMD_RESP_INDEX Register
            129. 14.7.4.6.2.129 MMCSD_CTL_CFG_CQ_CMD_RESP_ARG Register
            130. 14.7.4.6.2.130 MMCSD_CTL_CFG_CQ_ERROR_TASK_ID Register
            131. 14.7.4.6.2.131 MMCSD_SS_CFG_SS_ID_REV_REG Register
            132. 14.7.4.6.2.132 MMCSD_SS_CFG_CTL_CFG_1_REG Register
            133. 14.7.4.6.2.133 MMCSD_SS_CFG_CTL_CFG_2_REG Register
            134. 14.7.4.6.2.134 MMCSD_SS_CFG_CTL_CFG_3_REG Register
            135. 14.7.4.6.2.135 MMCSD_SS_CFG_CTL_CFG_4_REG Register
            136. 14.7.4.6.2.136 MMCSD_SS_CFG_CTL_CFG_5_REG Register
            137. 14.7.4.6.2.137 MMCSD_SS_CFG_CTL_CFG_6_REG Register
            138. 14.7.4.6.2.138 MMCSD_SS_CFG_CTL_CFG_7_REG Register
            139. 14.7.4.6.2.139 MMCSD_SS_CFG_CTL_CFG_8_REG Register
            140. 14.7.4.6.2.140 MMCSD_SS_CFG_CTL_CFG_9_REG Register
            141. 14.7.4.6.2.141 MMCSD_SS_CFG_CTL_CFG_10_REG Register
            142. 14.7.4.6.2.142 MMCSD_SS_CFG_CTL_CFG_11_REG Register
            143. 14.7.4.6.2.143 MMCSD_SS_CFG_CTL_CFG_12_REG Register
            144. 14.7.4.6.2.144 MMCSD_SS_CFG_CTL_CFG_13_REG Register
            145. 14.7.4.6.2.145 MMCSD_SS_CFG_CTL_CFG_14_REG Register
            146. 14.7.4.6.2.146 MMCSD_SS_CFG_CTL_STAT_1_REG Register
            147. 14.7.4.6.2.147 MMCSD_SS_CFG_CTL_STAT_2_REG Register
            148. 14.7.4.6.2.148 MMCSD_SS_CFG_CTL_STAT_3_REG Register
            149. 14.7.4.6.2.149 MMCSD_SS_CFG_CTL_STAT_4_REG Register
            150. 14.7.4.6.2.150 MMCSD_SS_CFG_CTL_STAT_5_REG Register
            151. 14.7.4.6.2.151 MMCSD_SS_CFG_CTL_STAT_6_REG Register
            152. 14.7.4.6.2.152 MMCSD_SS_CFG_PHY_CTRL_1_REG Register
            153. 14.7.4.6.2.153 MMCSD_SS_CFG_PHY_CTRL_2_REG Register
            154. 14.7.4.6.2.154 MMCSD_SS_CFG_PHY_CTRL_3_REG Register
            155. 14.7.4.6.2.155 MMCSD_SS_CFG_PHY_CTRL_4_REG Register
            156. 14.7.4.6.2.156 MMCSD_SS_CFG_PHY_CTRL_5_REG Register
            157. 14.7.4.6.2.157 MMCSD_SS_CFG_PHY_CTRL_6_REG Register
            158. 14.7.4.6.2.158 MMCSD_SS_CFG_PHY_STAT_1_REG Register
            159. 14.7.4.6.2.159 MMCSD_SS_CFG_PHY_STAT_2_REG Register
      5. 14.7.5 Industrial and Control Interfaces Registers
        1. 14.7.5.1 MCAN
          1. 14.7.5.1.1 MCAN Summaries
            1.         10125
            2. 14.7.5.1.1.1 ECAP_CTL_STS_TSCNT Register
            3.         10127
            4.         10128
          2. 14.7.5.1.2 MCAN Registers
            1. 14.7.5.1.2.1  MCAN_PID Register
            2. 14.7.5.1.2.2  MCAN_CTRL Register
            3. 14.7.5.1.2.3  MCAN_STAT Register
            4. 14.7.5.1.2.4  MCAN_ICS Register
            5. 14.7.5.1.2.5  MCAN_IRS Register
            6. 14.7.5.1.2.6  MCAN_IECS Register
            7. 14.7.5.1.2.7  MCAN_IE Register
            8. 14.7.5.1.2.8  MCAN_IES Register
            9. 14.7.5.1.2.9  MCAN_EOI Register
            10. 14.7.5.1.2.10 MCAN_EXT_TS_PRESCALER Register
            11. 14.7.5.1.2.11 MCAN_EXT_TS_UNSERVICED_INTR_CNTR Register
            12. 14.7.5.1.2.12 MMCSD_ECC_AGGR_RXMEM_REV Register
            13. 14.7.5.1.2.13 MMCSD_ECC_AGGR_RXMEM_VECTOR Register
            14. 14.7.5.1.2.14 MMCSD_ECC_AGGR_RXMEM_STAT Register
            15. 14.7.5.1.2.15 MMCSD_ECC_AGGR_RXMEM_RESERVED_SVBUS Register
            16. 14.7.5.1.2.16 MMCSD_ECC_AGGR_RXMEM_SEC_EOI_REG Register
            17. 14.7.5.1.2.17 MMCSD_ECC_AGGR_RXMEM_SEC_STATUS_REG0 Register
            18. 14.7.5.1.2.18 MMCSD_ECC_AGGR_RXMEM_SEC_ENABLE_SET_REG0 Register
            19. 14.7.5.1.2.19 MMCSD_ECC_AGGR_RXMEM_SEC_ENABLE_CLR_REG0 Register
            20. 14.7.5.1.2.20 MMCSD_ECC_AGGR_RXMEM_DED_EOI_REG Register
            21. 14.7.5.1.2.21 MMCSD_ECC_AGGR_RXMEM_DED_STATUS_REG0 Register
            22. 14.7.5.1.2.22 MMCSD_ECC_AGGR_RXMEM_DED_ENABLE_SET_REG0 Register
            23. 14.7.5.1.2.23 MMCSD_ECC_AGGR_RXMEM_DED_ENABLE_CLR_REG0 Register
            24. 14.7.5.1.2.24 MMCSD_ECC_AGGR_RXMEM_AGGR_ENABLE_SET Register
            25. 14.7.5.1.2.25 MMCSD_ECC_AGGR_RXMEM_AGGR_ENABLE_CLR Register
            26. 14.7.5.1.2.26 MMCSD_ECC_AGGR_RXMEM_AGGR_STATUS_SET Register
            27. 14.7.5.1.2.27 MMCSD_ECC_AGGR_RXMEM_AGGR_STATUS_CLR Register
            28. 14.7.5.1.2.28 MCAN_MSGMEM_RAM_RAM_REG_J Register
            29. 14.7.5.1.2.29 ECC_AGGR_REV Register
            30. 14.7.5.1.2.30 ECC_AGGR_VECTOR Register
            31. 14.7.5.1.2.31 ECC_AGGR_STAT Register
            32. 14.7.5.1.2.32 ECC_AGGR_SEC_EOI_REG Register
            33. 14.7.5.1.2.33 ECC_AGGR_SEC_STATUS_REG0 Register
            34. 14.7.5.1.2.34 ECC_AGGR_SEC_ENABLE_SET_REG0 Register
            35. 14.7.5.1.2.35 ECC_AGGR_SEC_ENABLE_CLR_REG0 Register
            36. 14.7.5.1.2.36 ECC_AGGR_DED_EOI_REG Register
            37. 14.7.5.1.2.37 ECC_AGGR_DED_STATUS_REG0 Register
            38. 14.7.5.1.2.38 ECC_AGGR_DED_ENABLE_SET_REG0 Register
            39. 14.7.5.1.2.39 ECC_AGGR_DED_ENABLE_CLR_REG0 Register
            40. 14.7.5.1.2.40 ECC_AGGR_AGGR_ENABLE_SET Register
            41. 14.7.5.1.2.41 ECC_AGGR_AGGR_ENABLE_CLR Register
            42. 14.7.5.1.2.42 ECC_AGGR_AGGR_STATUS_SET Register
            43. 14.7.5.1.2.43 ECC_AGGR_AGGR_STATUS_CLR Register
        2. 14.7.5.2 ECAP
          1. 14.7.5.2.1 ECAP Summaries
            1. 14.7.5.2.1.1 CBASS_QOS_IPULSAR_UL_WKUP_0_CPU0_PMST_MAP0 Register
          2. 14.7.5.2.2 CBASS_QOS_IPULSAR_UL_WKUP_0_CPU0_WMST_MAP0 Register
            1. 14.7.5.2.2.1  CBASS_SAFE_ERR_PID Register
            2. 14.7.5.2.2.2  CBASS_SAFE_ERR_DESTINATION_ID Register
            3. 14.7.5.2.2.3  CBASS_SAFE_ERR_EXCEPTION_LOGGING_HEADER0 Register
            4. 14.7.5.2.2.4  CBASS_SAFE_ERR_EXCEPTION_LOGGING_HEADER1 Register
            5. 14.7.5.2.2.5  CBASS_SAFE_ERR_EXCEPTION_LOGGING_DATA0 Register
            6. 14.7.5.2.2.6  CBASS_SAFE_ERR_EXCEPTION_LOGGING_DATA1 Register
            7. 14.7.5.2.2.7  CBASS_SAFE_ERR_EXCEPTION_LOGGING_DATA2 Register
            8. 14.7.5.2.2.8  CBASS_SAFE_ERR_EXCEPTION_LOGGING_DATA3 Register
            9. 14.7.5.2.2.9  CBASS_SAFE_ERR_ERR_INTR_RAW_STAT Register
            10. 14.7.5.2.2.10 CBASS_SAFE_ERR_ERR_INTR_ENABLED_STAT Register
            11. 14.7.5.2.2.11 CBASS_SAFE_ERR_ERR_INTR_ENABLE_SET Register
            12. 14.7.5.2.2.12 CBASS_SAFE_ERR_ERR_INTR_ENABLE_CLR Register
            13. 14.7.5.2.2.13 CBASS_SAFE_ERR_EOI Register
        3. 14.7.5.3 EPWM
          1. 14.7.5.3.1 EPWM Summaries
            1.         10192
          2. 14.7.5.3.2 EPWM Registers
            1. 14.7.5.3.2.1  EPWM_TBCTL Register
            2. 14.7.5.3.2.2  EPWM_TBSTS Register
            3. 14.7.5.3.2.3  EPWM_TBPHSHR Register
            4. 14.7.5.3.2.4  EPWM_TBPHS Register
            5. 14.7.5.3.2.5  EPWM_TBCNT Register
            6. 14.7.5.3.2.6  EPWM_TBPRD Register
            7. 14.7.5.3.2.7  EPWM_CMPCTL Register
            8. 14.7.5.3.2.8  EPWM_CMPAHR Register
            9. 14.7.5.3.2.9  EPWM_CMPA Register
            10. 14.7.5.3.2.10 EPWM_CMPB Register
            11. 14.7.5.3.2.11 EPWM_AQCTLA Register
            12. 14.7.5.3.2.12 EPWM_AQCTLB Register
            13. 14.7.5.3.2.13 EPWM_AQSFRC Register
            14. 14.7.5.3.2.14 EPWM_AQCSFRC Register
            15. 14.7.5.3.2.15 EPWM_DBCTL Register
            16. 14.7.5.3.2.16 EPWM_DBRED Register
            17. 14.7.5.3.2.17 EPWM_DBFED Register
            18. 14.7.5.3.2.18 EPWM_TZSEL Register
            19. 14.7.5.3.2.19 EPWM_TZCTL Register
            20. 14.7.5.3.2.20 EPWM_TZEINT Register
            21. 14.7.5.3.2.21 EPWM_TZFLG Register
            22. 14.7.5.3.2.22 EPWM_TZCLR Register
            23. 14.7.5.3.2.23 EPWM_TZFRC Register
            24. 14.7.5.3.2.24 EPWM_ETSEL Register
            25. 14.7.5.3.2.25 EPWM_ETPS Register
            26. 14.7.5.3.2.26 EPWM_ETFLG Register
            27. 14.7.5.3.2.27 EPWM_ETCLR Register
            28. 14.7.5.3.2.28 EPWM_ETFRC Register
            29. 14.7.5.3.2.29 EPWM_PCCTL Register
            30. 14.7.5.3.2.30 EPWM_PID Register
        4. 14.7.5.4 adcss
          1. 14.7.5.4.1 adcss Summaries
            1.         10226
            2.         10227
            3.         10228
          2. 14.7.5.4.2 adcss Registers
            1. 14.7.5.4.2.1  ADCSS_ECC_AGGR_ADCSS_ECC_AGGR Register
            2. 14.7.5.4.2.2  ADCSS_ECC_AGGR_ADCSS_ECC_AGGR Register
            3. 14.7.5.4.2.3  ADCSS_ECC_AGGR_ADCSS_ECC_AGGR Register
            4. 14.7.5.4.2.4  ADCSS_ECC_AGGR_SEC_EOI_REG Register
            5. 14.7.5.4.2.5  ADCSS_ECC_AGGR_SEC_STATUS_REG0 Register
            6. 14.7.5.4.2.6  ADCSS_ECC_AGGR_SEC_ENABLE_SET_REG0 Register
            7. 14.7.5.4.2.7  ADCSS_ECC_AGGR_SEC_ENABLE_CLR_REG0 Register
            8. 14.7.5.4.2.8  ADCSS_ECC_AGGR_DED_EOI_REG Register
            9. 14.7.5.4.2.9  ADCSS_ECC_AGGR_DED_STATUS_REG0 Register
            10. 14.7.5.4.2.10 ADCSS_ECC_AGGR_DED_ENABLE_SET_REG0 Register
            11. 14.7.5.4.2.11 ADCSS_ECC_AGGR_DED_ENABLE_CLR_REG0 Register
            12. 14.7.5.4.2.12 ADCSS_ECC_AGGR_ADCSS_ECC_AGGR Register
            13. 14.7.5.4.2.13 ADCSS_ECC_AGGR_ADCSS_ECC_AGGR Register
            14. 14.7.5.4.2.14 ADCSS_ECC_AGGR_ADCSS_ECC_AGGR Register
            15. 14.7.5.4.2.15 ADCSS_ECC_AGGR_ADCSS_ECC_AGGR Register
            16. 14.7.5.4.2.16 ADC_DATA0 Register
            17. 14.7.5.4.2.17 ADC_DATA1 Register
            18. 14.7.5.4.2.18 ADC_DATA0 Register
            19. 14.7.5.4.2.19 ADC_DATA1 Register
      6. 14.7.6 Timer Module Registers
        1. 14.7.6.1 DMASS_BCDMA_0_BCDMA_GCFG_CAP1 Register
          1. 14.7.6.1.1 DMASS_BCDMA_0_BCDMA_GCFG_CAP0 Register
            1. 14.7.6.1.1.1 DMASS_BCDMA_0_BCDMA_GCFG_REVISION Register
            2.         10253
            3.         10254
            4.         10255
          2. 14.7.6.1.2 DMASS_BCDMA_0_BCDMA_GCFG_EMU_CTRL Register
            1. 14.7.6.1.2.1  DMASS_BCDMA_0_BCDMA_RING_RING_BA_LO_J Register
            2. 14.7.6.1.2.2  DMASS_BCDMA_0_BCDMA_RING_RING_BA_HI_J Register
            3. 14.7.6.1.2.3  DMASS_BCDMA_0_BCDMA_RING_RING_SIZE_J Register
            4. 14.7.6.1.2.4  GTC_CFG1_CNTCR Register
            5. 14.7.6.1.2.5  GTC_CFG1_CNTSR Register
            6. 14.7.6.1.2.6  GTC_CFG1_CNTCV_LO Register
            7. 14.7.6.1.2.7  GTC_CFG1_CNTCV_HI Register
            8. 14.7.6.1.2.8  GTC_CFG1_CNTFID0 Register
            9. 14.7.6.1.2.9  GTC_CFG1_CNTFID1 Register
            10. 14.7.6.1.2.10 DMASS_BCDMA_0_BCDMA_RINGRT_RINGRT_FDB_J Register
            11. 14.7.6.1.2.11 DMASS_BCDMA_0_BCDMA_RINGRT_RINGRT_FOCC_J Register
            12. 14.7.6.1.2.12 DMASS_BCDMA_0_BCDMA_RINGRT_RINGRT_RDB_J Register
            13. 14.7.6.1.2.13 DMASS_BCDMA_0_BCDMA_RINGRT_RINGRT_ROCC_J Register
            14. 14.7.6.1.2.14 GTC_CFG3_CNTTIDR Register
        2. 14.7.6.2 RTI
          1. 14.7.6.2.1 RTI Summaries
            1.         10273
          2. 14.7.6.2.2 RTI Registers
            1. 14.7.6.2.2.1  SMS_HSM_WDT_RTI_GCTRL Register
            2. 14.7.6.2.2.2  SMS_HSM_WDT_RTI_TBCTRL Register
            3. 14.7.6.2.2.3  SMS_HSM_WDT_RTI_CAPCTRL Register
            4. 14.7.6.2.2.4  SMS_HSM_WDT_RTI_COMPCTRL Register
            5. 14.7.6.2.2.5  SMS_HSM_WDT_RTI_FRC0 Register
            6. 14.7.6.2.2.6  SMS_HSM_WDT_RTI_UC0 Register
            7. 14.7.6.2.2.7  SMS_HSM_WDT_RTI_CPUC0 Register
            8. 14.7.6.2.2.8  SMS_HSM_WDT_RTI_CAFRC0 Register
            9. 14.7.6.2.2.9  SMS_HSM_WDT_RTI_CAUC0 Register
            10. 14.7.6.2.2.10 SMS_HSM_WDT_RTI_FRC1 Register
            11. 14.7.6.2.2.11 SMS_HSM_WDT_RTI_UC1 Register
            12. 14.7.6.2.2.12 SMS_HSM_WDT_RTI_CPUC1 Register
            13. 14.7.6.2.2.13 SMS_HSM_WDT_RTI_CAFRC1 Register
            14. 14.7.6.2.2.14 SMS_HSM_WDT_RTI_CAUC1 Register
            15. 14.7.6.2.2.15 SMS_HSM_WDT_RTI_COMP0 Register
            16. 14.7.6.2.2.16 SMS_HSM_WDT_RTI_UDCP0 Register
            17. 14.7.6.2.2.17 SMS_HSM_WDT_RTI_COMP1 Register
            18. 14.7.6.2.2.18 SMS_HSM_WDT_RTI_UDCP1 Register
            19. 14.7.6.2.2.19 SMS_HSM_WDT_RTI_COMP2 Register
            20. 14.7.6.2.2.20 SMS_HSM_WDT_RTI_UDCP2 Register
            21. 14.7.6.2.2.21 SMS_HSM_WDT_RTI_COMP3 Register
            22. 14.7.6.2.2.22 SMS_HSM_WDT_RTI_UDCP3 Register
            23. 14.7.6.2.2.23 SMS_HSM_WDT_RTI_TBLCOMP Register
            24. 14.7.6.2.2.24 SMS_HSM_WDT_RTI_TBHCOMP Register
            25. 14.7.6.2.2.25 SMS_HSM_WDT_RTI_SETINT Register
            26. 14.7.6.2.2.26 SMS_HSM_WDT_RTI_CLEARINT Register
            27. 14.7.6.2.2.27 SMS_HSM_WDT_RTI_INTFLAG Register
            28. 14.7.6.2.2.28 SMS_HSM_WDT_RTI_DWDCTRL Register
            29. 14.7.6.2.2.29 SMS_HSM_WDT_RTI_DWDPRLD Register
            30. 14.7.6.2.2.30 SMS_HSM_WDT_RTI_WDSTATUS Register
            31. 14.7.6.2.2.31 SMS_HSM_WDT_RTI_WDKEY Register
            32. 14.7.6.2.2.32 SMS_HSM_WDT_RTI_DWDCNTR Register
            33. 14.7.6.2.2.33 SMS_HSM_WDT_RTI_WWDRXNCTRL Register
            34. 14.7.6.2.2.34 SMS_HSM_WDT_RTI_WWDSIZECTRL Register
            35. 14.7.6.2.2.35 SMS_HSM_WDT_RTI_INTCLRENABLE Register
            36. 14.7.6.2.2.36 SMS_HSM_WDT_RTI_COMP0CLR Register
            37. 14.7.6.2.2.37 SMS_HSM_WDT_RTI_COMP1CLR Register
            38. 14.7.6.2.2.38 SMS_HSM_WDT_RTI_COMP2CLR Register
            39. 14.7.6.2.2.39 SMS_HSM_WDT_RTI_COMP3CLR Register
        3. 14.7.6.3 rtcss
          1. 14.7.6.3.1 rtcss Summaries
            1.         10316
          2. 14.7.6.3.2 rtcss Registers
            1. 14.7.6.3.2.1  RTC_MOD_VER Register
            2. 14.7.6.3.2.2  RTC_SUB_S_CNT Register
            3. 14.7.6.3.2.3  RTC_S_CNT_LSW Register
            4. 14.7.6.3.2.4  RTC_S_CNT_MSW Register
            5. 14.7.6.3.2.5  RTC_COMP Register
            6. 14.7.6.3.2.6  RTC_OFF_ON_S_CNT_LSW Register
            7. 14.7.6.3.2.7  RTC_OFF_ON_S_CNT_MSW Register
            8. 14.7.6.3.2.8  RTC_ON_OFF_S_CNT_LSW Register
            9. 14.7.6.3.2.9  RTC_ON_OFF_S_CNT_MSW Register
            10. 14.7.6.3.2.10 RTC_DEBOUNCE Register
            11. 14.7.6.3.2.11 RTC_ANALOG Register
            12. 14.7.6.3.2.12 RTC_SCRATCH0_J Register
            13. 14.7.6.3.2.13 RTC_GENRAL_CTL Register
            14. 14.7.6.3.2.14 RTC_IRQSTATUS_RAW_SYS Register
            15. 14.7.6.3.2.15 RTC_IRQSTATUS_SYS Register
            16. 14.7.6.3.2.16 RTC_IRQENABLE_SET_SYS Register
            17. 14.7.6.3.2.17 RTC_IRQENABLE_CLR_SYS Register
            18. 14.7.6.3.2.18 RTC_SYNCPEND Register
            19. 14.7.6.3.2.19 RTC_KICK0 Register
            20. 14.7.6.3.2.20 RTC_KICK1 Register
        4. 14.7.6.4 TIMER
          1. 14.7.6.4.1 TIMER Summaries
            1.         10340
          2. 14.7.6.4.2 TIMER Registers
            1. 14.7.6.4.2.1  DMTIMER1MS_TIDR Register
            2. 14.7.6.4.2.2  DMTIMER1MS_TIOCP_CFG Register
            3. 14.7.6.4.2.3  DMTIMER1MS_IRQ_EOI Register
            4. 14.7.6.4.2.4  DMTIMER1MS_IRQSTATUS_RAW Register
            5. 14.7.6.4.2.5  DMTIMER1MS_IRQSTATUS Register
            6. 14.7.6.4.2.6  DMTIMER1MS_IRQSTATUS_SET Register
            7. 14.7.6.4.2.7  DMTIMER1MS_IRQSTATUS_CLR Register
            8. 14.7.6.4.2.8  DMTIMER1MS_IRQWAKEEN Register
            9. 14.7.6.4.2.9  DMTIMER1MS_TCLR Register
            10. 14.7.6.4.2.10 DMTIMER1MS_TCRR Register
            11. 14.7.6.4.2.11 DMTIMER1MS_TLDR Register
            12. 14.7.6.4.2.12 DMTIMER1MS_TTGR Register
            13. 14.7.6.4.2.13 DMTIMER1MS_TWPS Register
            14. 14.7.6.4.2.14 DMTIMER1MS_TMAR Register
            15. 14.7.6.4.2.15 DMTIMER1MS_TCAR1 Register
            16. 14.7.6.4.2.16 DMTIMER1MS_TSICR Register
            17. 14.7.6.4.2.17 DMTIMER1MS_TCAR2 Register
            18. 14.7.6.4.2.18 DMTIMER1MS_TPIR Register
            19. 14.7.6.4.2.19 DMTIMER1MS_TNIR Register
            20. 14.7.6.4.2.20 DMTIMER1MS_TCVR Register
            21. 14.7.6.4.2.21 DMTIMER1MS_TOCR Register
            22. 14.7.6.4.2.22 DMTIMER1MS_TOWR Register
      7. 14.7.7 Internal Diagnostics Modules Registers
        1. 14.7.7.1 DCC
          1. 14.7.7.1.1 DCC Summaries
            1.         10367
          2. 14.7.7.1.2 DCC Registers
            1. 14.7.7.1.2.1  DCC2_DCCGCTRL Register
            2. 14.7.7.1.2.2  DCC2_DCCREV Register
            3. 14.7.7.1.2.3  DCC2_DCCCNTSEED0 Register
            4. 14.7.7.1.2.4  DCC2_DCCVALIDSEED0 Register
            5. 14.7.7.1.2.5  DCC2_DCCCNTSEED1 Register
            6. 14.7.7.1.2.6  DCC2_DCCSTATUS Register
            7. 14.7.7.1.2.7  DCC2_DCCCNT0 Register
            8. 14.7.7.1.2.8  DCC2_DCCVALID0 Register
            9. 14.7.7.1.2.9  DCC2_DCCCNT1 Register
            10. 14.7.7.1.2.10 DCC2_DCCCLKSRC1 Register
            11. 14.7.7.1.2.11 DCC2_DCCCLKSRC0 Register
            12. 14.7.7.1.2.12 DCC2_DCCGCTRL2 Register
            13. 14.7.7.1.2.13 DCC2_DCCSTATUS2 Register
            14. 14.7.7.1.2.14 DCC2_DCCERRCNT Register
        2. 14.7.7.2 ESM
          1. 14.7.7.2.1 ESM Summaries
            1.         10385
          2. 14.7.7.2.2 ESM Registers
            1. 14.7.7.2.2.1  ESM_PID Register
            2. 14.7.7.2.2.2  ESM_INFO Register
            3. 14.7.7.2.2.3  ESM_EN Register
            4. 14.7.7.2.2.4  ESM_SFT_RST Register
            5. 14.7.7.2.2.5  ESM_ERR_RAW Register
            6. 14.7.7.2.2.6  ESM_ERR_STS Register
            7. 14.7.7.2.2.7  ESM_ERR_EN_SET Register
            8. 14.7.7.2.2.8  ESM_ERR_EN_CLR Register
            9. 14.7.7.2.2.9  ESM_LOW_PRI Register
            10. 14.7.7.2.2.10 ESM_HI_PRI Register
            11. 14.7.7.2.2.11 ESM_LOW Register
            12. 14.7.7.2.2.12 ESM_HI Register
            13. 14.7.7.2.2.13 ESM_EOI Register
            14. 14.7.7.2.2.14 ESM_PIN_CTRL Register
            15. 14.7.7.2.2.15 ESM_PIN_STS Register
            16. 14.7.7.2.2.16 ESM_PIN_CNTR Register
            17. 14.7.7.2.2.17 ESM_PIN_CNTR_PRE Register
            18. 14.7.7.2.2.18 ESM_PWMH_PIN_CNTR Register
            19. 14.7.7.2.2.19 ESM_PWMH_PIN_CNTR_PRE Register
            20. 14.7.7.2.2.20 ESM_PWML_PIN_CNTR Register
            21. 14.7.7.2.2.21 ESM_PWML_PIN_CNTR_PRE Register
            22. 14.7.7.2.2.22 ESM_ERR_GRP_RAW_J Register
            23. 14.7.7.2.2.23 ESM_ERR_GRP_STS_J Register
            24. 14.7.7.2.2.24 ESM_ERR_GRP_INTR_EN_SET_J Register
            25. 14.7.7.2.2.25 ESM_ERR_GRP_INTR_EN_CLR_J Register
            26. 14.7.7.2.2.26 ESM_ERR_GRP_INT_PRIO_J Register
            27. 14.7.7.2.2.27 ESM_ERR_GRP_PIN_EN_SET_J Register
            28. 14.7.7.2.2.28 ESM_ERR_GRP_PIN_EN_CLR_J Register
        3. 14.7.7.3 ESM
          1. 14.7.7.3.1 ESM Summaries
            1.         10417
          2. 14.7.7.3.2 ESM Registers
            1. 14.7.7.3.2.1  ESM_PID Register
            2. 14.7.7.3.2.2  ESM_INFO Register
            3. 14.7.7.3.2.3  ESM_EN Register
            4. 14.7.7.3.2.4  ESM_SFT_RST Register
            5. 14.7.7.3.2.5  ESM_ERR_RAW Register
            6. 14.7.7.3.2.6  ESM_ERR_STS Register
            7. 14.7.7.3.2.7  ESM_ERR_EN_SET Register
            8. 14.7.7.3.2.8  ESM_ERR_EN_CLR Register
            9. 14.7.7.3.2.9  ESM_LOW_PRI Register
            10. 14.7.7.3.2.10 ESM_HI_PRI Register
            11. 14.7.7.3.2.11 ESM_LOW Register
            12. 14.7.7.3.2.12 ESM_HI Register
            13. 14.7.7.3.2.13 ESM_EOI Register
            14. 14.7.7.3.2.14 ESM_PIN_CTRL Register
            15. 14.7.7.3.2.15 ESM_PIN_STS Register
            16. 14.7.7.3.2.16 ESM_PIN_CNTR Register
            17. 14.7.7.3.2.17 ESM_PIN_CNTR_PRE Register
            18. 14.7.7.3.2.18 ESM_PWMH_PIN_CNTR Register
            19. 14.7.7.3.2.19 ESM_PWMH_PIN_CNTR_PRE Register
            20. 14.7.7.3.2.20 ESM_PWML_PIN_CNTR Register
            21. 14.7.7.3.2.21 ESM_PWML_PIN_CNTR_PRE Register
            22. 14.7.7.3.2.22 ESM_ERR_GRP_RAW_J Register
            23. 14.7.7.3.2.23 ESM_ERR_GRP_STS_J Register
            24. 14.7.7.3.2.24 ESM_ERR_GRP_INTR_EN_SET_J Register
            25. 14.7.7.3.2.25 ESM_ERR_GRP_INTR_EN_CLR_J Register
            26. 14.7.7.3.2.26 ESM_ERR_GRP_INT_PRIO_J Register
            27. 14.7.7.3.2.27 ESM_ERR_GRP_PIN_EN_SET_J Register
            28. 14.7.7.3.2.28 ESM_ERR_GRP_PIN_EN_CLR_J Register
        4. 14.7.7.4 MCRC64
          1. 14.7.7.4.1 MCRC64 Summaries
            1.         10449
          2. 14.7.7.4.2 MCRC64 Registers
            1. 14.7.7.4.2.1  CRC_CTRL0 Register
            2. 14.7.7.4.2.2  CRC_CTRL1 Register
            3. 14.7.7.4.2.3  CRC_CTRL2 Register
            4. 14.7.7.4.2.4  CRC_INTS Register
            5. 14.7.7.4.2.5  CRC_INTR Register
            6. 14.7.7.4.2.6  CRC_STATUS Register
            7. 14.7.7.4.2.7  CRC_INT_OFFSET_REG Register
            8. 14.7.7.4.2.8  CRC_BUSY Register
            9. 14.7.7.4.2.9  CRC_PCOUNT_REG1 Register
            10. 14.7.7.4.2.10 CRC_SCOUNT_REG1 Register
            11. 14.7.7.4.2.11 CRC_CURSEC_REG1 Register
            12. 14.7.7.4.2.12 CRC_WDTOPLD1 Register
            13. 14.7.7.4.2.13 CRC_BCTOPLD1 Register
            14. 14.7.7.4.2.14 CRC_PSA_SIGREGL1 Register
            15. 14.7.7.4.2.15 CRC_PSA_SIGREGH1 Register
            16. 14.7.7.4.2.16 CRC_REGL1 Register
            17. 14.7.7.4.2.17 CRC_REGH1 Register
            18. 14.7.7.4.2.18 CRC_PSA_SECSIGREGL1 Register
            19. 14.7.7.4.2.19 CRC_PSA_SECSIGREGH1 Register
            20. 14.7.7.4.2.20 CRC_RAW_DATAREGL1 Register
            21. 14.7.7.4.2.21 CRC_RAW_DATAREGH1 Register
            22. 14.7.7.4.2.22 CRC_PCOUNT_REG2 Register
            23. 14.7.7.4.2.23 CRC_SCOUNT_REG2 Register
            24. 14.7.7.4.2.24 CRC_CURSEC_REG2 Register
            25. 14.7.7.4.2.25 CRC_WDTOPLD2 Register
            26. 14.7.7.4.2.26 CRC_BCTOPLD2 Register
            27. 14.7.7.4.2.27 CRC_PSA_SIGREGL2 Register
            28. 14.7.7.4.2.28 CRC_PSA_SIGREGH2 Register
            29. 14.7.7.4.2.29 CRC_REGL2 Register
            30. 14.7.7.4.2.30 CRC_REGH2 Register
            31. 14.7.7.4.2.31 CRC_PSA_SECSIGREGL2 Register
            32. 14.7.7.4.2.32 CRC_PSA_SECSIGREGH2 Register
            33. 14.7.7.4.2.33 CRC_RAW_DATAREGL2 Register
            34. 14.7.7.4.2.34 CRC_RAW_DATAREGH2 Register
            35. 14.7.7.4.2.35 CRC_PCOUNT_REG3 Register
            36. 14.7.7.4.2.36 CRC_SCOUNT_REG3 Register
            37. 14.7.7.4.2.37 CRC_CURSEC_REG3 Register
            38. 14.7.7.4.2.38 CRC_WDTOPLD3 Register
            39. 14.7.7.4.2.39 CRC_BCTOPLD3 Register
            40. 14.7.7.4.2.40 CRC_PSA_SIGREGL3 Register
            41. 14.7.7.4.2.41 CRC_PSA_SIGREGH3 Register
            42. 14.7.7.4.2.42 CRC_REGL3 Register
            43. 14.7.7.4.2.43 CRC_REGH3 Register
            44. 14.7.7.4.2.44 CRC_PSA_SECSIGREGL3 Register
            45. 14.7.7.4.2.45 CRC_PSA_SECSIGREGH3 Register
            46. 14.7.7.4.2.46 CRC_RAW_DATAREGL3 Register
            47. 14.7.7.4.2.47 CRC_RAW_DATAREGH3 Register
            48. 14.7.7.4.2.48 CRC_PCOUNT_REG4 Register
            49. 14.7.7.4.2.49 CRC_SCOUNT_REG4 Register
            50. 14.7.7.4.2.50 CRC_CURSEC_REG4 Register
            51. 14.7.7.4.2.51 CRC_WDTOPLD4 Register
            52. 14.7.7.4.2.52 CRC_BCTOPLD4 Register
            53. 14.7.7.4.2.53 CRC_PSA_SIGREGL4 Register
            54. 14.7.7.4.2.54 CRC_PSA_SIGREGH4 Register
            55. 14.7.7.4.2.55 CRC_REGL4 Register
            56. 14.7.7.4.2.56 CRC_REGH4 Register
            57. 14.7.7.4.2.57 CRC_PSA_SECSIGREGL4 Register
            58. 14.7.7.4.2.58 CRC_PSA_SECSIGREGH4 Register
            59. 14.7.7.4.2.59 CRC_RAW_DATAREGL4 Register
            60. 14.7.7.4.2.60 CRC_RAW_DATAREGH4 Register
            61. 14.7.7.4.2.61 CRC_MBUS_SEL Register
            62. 14.7.7.4.2.62 CRC_I0_PSA_SIGREG1_CPY_J Register
            63. 14.7.7.4.2.63 CRC_I0_PSA_SIGREG2_CPY_J Register
            64. 14.7.7.4.2.64 CRC_I0_PSA_SIGREG3_CPY_J Register
            65. 14.7.7.4.2.65 CRC_I0_PSA_SIGREG4_CPY_J Register
        5. 14.7.7.5 ECC_AGGR
          1. 14.7.7.5.1 ECC_AGGR Summaries
            1.         10518
          2. 14.7.7.5.2 ECC_AGGR Registers
            1. 14.7.7.5.2.1  ECC_AGGR_REV Register
            2. 14.7.7.5.2.2  ECC_AGGR_VECTOR Register
            3. 14.7.7.5.2.3  ECC_AGGR_STAT Register
            4. 14.7.7.5.2.4  ECC_AGGR_RESERVED_SVBUS_J Register
            5. 14.7.7.5.2.5  ECC_AGGR_SEC_EOI_REG Register
            6. 14.7.7.5.2.6  ECC_AGGR_SEC_STATUS_REG0 Register
            7. 14.7.7.5.2.7  ECC_AGGR_SEC_ENABLE_SET_REG0 Register
            8. 14.7.7.5.2.8  ECC_AGGR_SEC_ENABLE_CLR_REG0 Register
            9. 14.7.7.5.2.9  ECC_AGGR_DED_EOI_REG Register
            10. 14.7.7.5.2.10 ECC_AGGR_DED_STATUS_REG0 Register
            11. 14.7.7.5.2.11 ECC_AGGR_DED_ENABLE_SET_REG0 Register
            12. 14.7.7.5.2.12 ECC_AGGR_DED_ENABLE_CLR_REG0 Register
            13. 14.7.7.5.2.13 ECC_AGGR_AGGR_ENABLE_SET Register
            14. 14.7.7.5.2.14 ECC_AGGR_AGGR_ENABLE_CLR Register
            15. 14.7.7.5.2.15 ECC_AGGR_AGGR_STATUS_SET Register
            16. 14.7.7.5.2.16 ECC_AGGR_AGGR_STATUS_CLR Register
    8. 14.8 On-Chip Debug Registers
      1. 14.8.1 DEBUGSS_WRAP
        1. 14.8.1.1 DEBUGSS_WRAP Summaries
          1.        10539
          2.        10540
          3.        10541
          4.        10542
          5.        10543
          6.        10544
          7.        10545
          8.        10546
          9.        10547
          10.        10548
          11.        10549
          12.        10550
          13.        10551
          14.        10552
          15.        10553
          16.        10554
          17.        10555
          18.        10556
          19.        10557
          20.        10558
          21.        10559
          22.        10560
          23.        10561
          24.        10562
          25.        10563
          26.        10564
          27.        10565
          28.        10566
          29.        10567
          30.        10568
          31.        10569
          32.        10570
          33.        10571
          34.        10572
          35.        10573
          36.        10574
          37.        10575
          38.        10576
          39.        10577
          40.        10578
          41.        10579
          42.        10580
          43.        10581
          44.        10582
        2. 14.8.1.2 DEBUGSS_WRAP Registers
          1. 14.8.1.2.1   ROM_TABLE_0_0_ROM_ENTRY0 Register
          2. 14.8.1.2.2   ROM_TABLE_0_0_ROM_ENTRY1 Register
          3. 14.8.1.2.3   ROM_TABLE_0_0_ROM_ENTRY2 Register
          4. 14.8.1.2.4   ROM_TABLE_0_0_ROM_MANUAL_ENTRY0 Register
          5. 14.8.1.2.5   ROM_TABLE_0_0_ROM_MANUAL_ENTRY1 Register
          6. 14.8.1.2.6   ROM_TABLE_0_0_ROM_MANUAL_ENTRY2 Register
          7. 14.8.1.2.7   ROM_TABLE_0_0_ROM_MANUAL_ENTRY3 Register
          8. 14.8.1.2.8   ROM_TABLE_0_0_ROM_MANUAL_ENTRY4 Register
          9. 14.8.1.2.9   ROM_TABLE_0_0_ROM_MANUAL_ENTRY5 Register
          10. 14.8.1.2.10  ROM_TABLE_0_0_ROM_MANUAL_ENTRY6 Register
          11. 14.8.1.2.11  ROM_TABLE_0_0_ROM_MANUAL_ENTRY7 Register
          12. 14.8.1.2.12  ROM_TABLE_0_0_ROM_MANUAL_ENTRY8 Register
          13. 14.8.1.2.13  ROM_TABLE_0_0_ROM_MANUAL_ENTRY9 Register
          14. 14.8.1.2.14  ROM_TABLE_0_0_ROM_MANUAL_ENTRY10 Register
          15. 14.8.1.2.15  ROM_TABLE_0_0_ROM_MANUAL_ENTRY11 Register
          16. 14.8.1.2.16  ROM_TABLE_0_0_ROM_MANUAL_ENTRY12 Register
          17. 14.8.1.2.17  ROM_TABLE_0_0_ROM_MANUAL_ENTRY13 Register
          18. 14.8.1.2.18  ROM_TABLE_0_0_ROM_MANUAL_ENTRY14 Register
          19. 14.8.1.2.19  ROM_TABLE_0_0_ROM_MANUAL_ENTRY15 Register
          20. 14.8.1.2.20  ROM_TABLE_0_0_ROM_MANUAL_ENTRY16 Register
          21. 14.8.1.2.21  ROM_TABLE_0_0_ROM_MANUAL_ENTRY17 Register
          22. 14.8.1.2.22  ROM_TABLE_0_0_ROM_MANUAL_ENTRY18 Register
          23. 14.8.1.2.23  ROM_TABLE_0_0_ROM_MANUAL_ENTRY19 Register
          24. 14.8.1.2.24  ROM_TABLE_0_0_ROM_MANUAL_ENTRY20 Register
          25. 14.8.1.2.25  ROM_TABLE_0_0_ROM_MANUAL_ENTRY21 Register
          26. 14.8.1.2.26  ROM_TABLE_0_0_ROM_MANUAL_ENTRY22 Register
          27. 14.8.1.2.27  ROM_TABLE_0_0_ROM_MANUAL_ENTRY23 Register
          28. 14.8.1.2.28  ROM_TABLE_0_0_ROM_MANUAL_ENTRY24 Register
          29. 14.8.1.2.29  ROM_TABLE_0_0_ROM_MANUAL_ENTRY25 Register
          30. 14.8.1.2.30  ROM_TABLE_0_0_ROM_MANUAL_ENTRY26 Register
          31. 14.8.1.2.31  ROM_TABLE_0_0_ROM_MANUAL_ENTRY27 Register
          32. 14.8.1.2.32  ROM_TABLE_0_0_ROM_MANUAL_ENTRY28 Register
          33. 14.8.1.2.33  ROM_TABLE_0_0_ROM_MANUAL_ENTRY29 Register
          34. 14.8.1.2.34  ROM_TABLE_0_0_ROM_MANUAL_ENTRY30 Register
          35. 14.8.1.2.35  ROM_TABLE_0_0_ROM_MANUAL_ENTRY31 Register
          36. 14.8.1.2.36  ROM_TABLE_0_0_ROM_MANUAL_ENTRY32 Register
          37. 14.8.1.2.37  ROM_TABLE_0_0_ROM_MANUAL_ENTRY33 Register
          38. 14.8.1.2.38  ROM_TABLE_0_0_ROM_MANUAL_ENTRY34 Register
          39. 14.8.1.2.39  ROM_TABLE_0_0_ROM_MANUAL_ENTRY35 Register
          40. 14.8.1.2.40  ROM_TABLE_0_0_ROM_MANUAL_ENTRY36 Register
          41. 14.8.1.2.41  ROM_TABLE_0_0_ROM_MANUAL_ENTRY37 Register
          42. 14.8.1.2.42  ROM_TABLE_0_0_ROM_MANUAL_ENTRY38 Register
          43. 14.8.1.2.43  ROM_TABLE_0_0_ROM_MANUAL_ENTRY39 Register
          44. 14.8.1.2.44  ROM_TABLE_0_0_ROM_MANUAL_ENTRY40 Register
          45. 14.8.1.2.45  ROM_TABLE_0_0_ROM_MANUAL_ENTRY41 Register
          46. 14.8.1.2.46  ROM_TABLE_0_0_ROM_MANUAL_ENTRY42 Register
          47. 14.8.1.2.47  ROM_TABLE_0_0_ROM_MANUAL_ENTRY43 Register
          48. 14.8.1.2.48  ROM_TABLE_0_0_ROM_MANUAL_ENTRY44 Register
          49. 14.8.1.2.49  ROM_TABLE_0_0_ROM_MANUAL_ENTRY45 Register
          50. 14.8.1.2.50  ROM_TABLE_0_0_ROM_MANUAL_ENTRY46 Register
          51. 14.8.1.2.51  ROM_TABLE_0_0_ROM_MANUAL_ENTRY47 Register
          52. 14.8.1.2.52  ROM_TABLE_0_0_ROM_MANUAL_ENTRY48 Register
          53. 14.8.1.2.53  ROM_TABLE_0_0_ROM_MANUAL_ENTRY49 Register
          54. 14.8.1.2.54  ROM_TABLE_0_0_ROM_MANUAL_ENTRY50 Register
          55. 14.8.1.2.55  ROM_TABLE_0_0_ROM_MANUAL_ENTRY51 Register
          56. 14.8.1.2.56  ROM_TABLE_0_0_ROM_MANUAL_ENTRY52 Register
          57. 14.8.1.2.57  ROM_TABLE_0_0_ROM_MANUAL_ENTRY53 Register
          58. 14.8.1.2.58  ROM_TABLE_0_0_ROM_MANUAL_ENTRY54 Register
          59. 14.8.1.2.59  ROM_TABLE_0_0_ROM_MANUAL_ENTRY55 Register
          60. 14.8.1.2.60  ROM_TABLE_0_0_ROM_MANUAL_ENTRY56 Register
          61. 14.8.1.2.61  ROM_TABLE_0_0_ROM_MANUAL_ENTRY57 Register
          62. 14.8.1.2.62  ROM_TABLE_0_0_ROM_MANUAL_ENTRY58 Register
          63. 14.8.1.2.63  ROM_TABLE_0_0_ROM_MANUAL_ENTRY59 Register
          64. 14.8.1.2.64  ROM_TABLE_0_0_ROM_MANUAL_ENTRY60 Register
          65. 14.8.1.2.65  ROM_TABLE_0_0_ROM_MANUAL_ENTRY61 Register
          66. 14.8.1.2.66  ROM_TABLE_0_0_ROM_MANUAL_ENTRY62 Register
          67. 14.8.1.2.67  ROM_TABLE_0_0_ROM_MANUAL_ENTRY63 Register
          68. 14.8.1.2.68  ROM_TABLE_0_0_PERIPHID0 Register
          69. 14.8.1.2.69  ROM_TABLE_0_0_PERIPHID1 Register
          70. 14.8.1.2.70  ROM_TABLE_0_0_PERIPHID2 Register
          71. 14.8.1.2.71  ROM_TABLE_0_0_PERIPHID3 Register
          72. 14.8.1.2.72  ROM_TABLE_0_0_PERIPHID4 Register
          73. 14.8.1.2.73  ROM_TABLE_0_0_COMPID0 Register
          74. 14.8.1.2.74  ROM_TABLE_0_0_COMPID1 Register
          75. 14.8.1.2.75  ROM_TABLE_0_0_COMPID2 Register
          76. 14.8.1.2.76  ROM_TABLE_0_0_COMPID3 Register
          77. 14.8.1.2.77  CFGAP_CFG_0_JTAGID_REG Register
          78. 14.8.1.2.78  CFGAP_CFG_0_USERID_REG Register
          79. 14.8.1.2.79  CFGAP_CFG_0_VERSION_REG Register
          80. 14.8.1.2.80  CFGAP_CFG_0_APID_REGISTER Register
          81. 14.8.1.2.81  APBAP_CFG_0_CSWREG Register
          82. 14.8.1.2.82  APBAP_CFG_0_DRWREG Register
          83. 14.8.1.2.83  APBAP_CFG_0_BD0REG Register
          84. 14.8.1.2.84  APBAP_CFG_0_BD1REG Register
          85. 14.8.1.2.85  APBAP_CFG_0_BD2REG Register
          86. 14.8.1.2.86  APBAP_CFG_0_BD3REG Register
          87. 14.8.1.2.87  APBAP_CFG_0_ROM_REGISTER Register
          88. 14.8.1.2.88  APBAP_CFG_0_ID_REGISTER Register
          89. 14.8.1.2.89  AXIAP_CFG_0_CSWREG Register
          90. 14.8.1.2.90  AXIAP_CFG_0_DRWREG Register
          91. 14.8.1.2.91  AXIAP_CFG_0_BD0REG Register
          92. 14.8.1.2.92  AXIAP_CFG_0_BD1REG Register
          93. 14.8.1.2.93  AXIAP_CFG_0_BD2REG Register
          94. 14.8.1.2.94  AXIAP_CFG_0_BD3REG Register
          95. 14.8.1.2.95  AXIAP_CFG_0_MBT_REGISTER Register
          96. 14.8.1.2.96  AXIAP_CFG_0_ROM_HI_REGISTER Register
          97. 14.8.1.2.97  AXIAP_CFG_0_CFG_REGISTER Register
          98. 14.8.1.2.98  AXIAP_CFG_0_ROM_LO_REGISTER Register
          99. 14.8.1.2.99  AXIAP_CFG_0_ID_REGISTER Register
          100. 14.8.1.2.100 PWRAP_CFG_0_ID_REGISTER Register
          101. 14.8.1.2.101 PVIEW_CFG_0_PVIEW_STATE0 Register
          102. 14.8.1.2.102 PVIEW_CFG_0_PVIEW_CAPABILITY Register
          103. 14.8.1.2.103 PVIEW_CFG_0_ID_REGISTER Register
          104. 14.8.1.2.104 JTAGAP_CFG_0_CSW Register
          105. 14.8.1.2.105 JTAGAP_CFG_0_PSEL_REG Register
          106. 14.8.1.2.106 JTAGAP_CFG_0_PSTA_REG Register
          107. 14.8.1.2.107 JTAGAP_CFG_0_BYTEFIFO1 Register
          108. 14.8.1.2.108 JTAGAP_CFG_0_BYTEFIFO2 Register
          109. 14.8.1.2.109 JTAGAP_CFG_0_BYTEFIFO3 Register
          110. 14.8.1.2.110 JTAGAP_CFG_0_BYTEFIFO4 Register
          111. 14.8.1.2.111 JTAGAP_CFG_0_ID_REGISTER Register
          112. 14.8.1.2.112 SECAP_CFG_0_TXDATA Register
          113. 14.8.1.2.113 SECAP_CFG_0_TXCTRL Register
          114. 14.8.1.2.114 SECAP_CFG_0_RXDATA Register
          115. 14.8.1.2.115 SECAP_CFG_0_RXCTRL Register
          116. 14.8.1.2.116 CORTEX0_CFG_0_CSWREG Register
          117. 14.8.1.2.117 CORTEX0_CFG_0_DRWREG Register
          118. 14.8.1.2.118 CORTEX0_CFG_0_BD0REG Register
          119. 14.8.1.2.119 CORTEX0_CFG_0_BD1REG Register
          120. 14.8.1.2.120 CORTEX0_CFG_0_BD2REG Register
          121. 14.8.1.2.121 CORTEX0_CFG_0_BD3REG Register
          122. 14.8.1.2.122 CORTEX0_CFG_0_ROM_REGISTER Register
          123. 14.8.1.2.123 CORTEX0_CFG_0_ID_REGISTER Register
          124. 14.8.1.2.124 CORTEX1_CFG_0_CSWREG Register
          125. 14.8.1.2.125 CORTEX1_CFG_0_DRWREG Register
          126. 14.8.1.2.126 CORTEX1_CFG_0_BD0REG Register
          127. 14.8.1.2.127 CORTEX1_CFG_0_BD1REG Register
          128. 14.8.1.2.128 CORTEX1_CFG_0_BD2REG Register
          129. 14.8.1.2.129 CORTEX1_CFG_0_BD3REG Register
          130. 14.8.1.2.130 CORTEX1_CFG_0_ROM_REGISTER Register
          131. 14.8.1.2.131 CORTEX1_CFG_0_ID_REGISTER Register
          132. 14.8.1.2.132 CORTEX2_CFG_0_CSWREG Register
          133. 14.8.1.2.133 CORTEX2_CFG_0_DRWREG Register
          134. 14.8.1.2.134 CORTEX2_CFG_0_BD0REG Register
          135. 14.8.1.2.135 CORTEX2_CFG_0_BD1REG Register
          136. 14.8.1.2.136 CORTEX2_CFG_0_BD2REG Register
          137. 14.8.1.2.137 CORTEX2_CFG_0_BD3REG Register
          138. 14.8.1.2.138 CORTEX2_CFG_0_ROM_REGISTER Register
          139. 14.8.1.2.139 CORTEX2_CFG_0_ID_REGISTER Register
          140. 14.8.1.2.140 CORTEX3_CFG_0_CSWREG Register
          141. 14.8.1.2.141 CORTEX3_CFG_0_DRWREG Register
          142. 14.8.1.2.142 CORTEX3_CFG_0_BD0REG Register
          143. 14.8.1.2.143 CORTEX3_CFG_0_BD1REG Register
          144. 14.8.1.2.144 CORTEX3_CFG_0_BD2REG Register
          145. 14.8.1.2.145 CORTEX3_CFG_0_BD3REG Register
          146. 14.8.1.2.146 CORTEX3_CFG_0_ROM_REGISTER Register
          147. 14.8.1.2.147 CORTEX3_CFG_0_ID_REGISTER Register
          148. 14.8.1.2.148 CORTEX4_CFG_0_CSWREG Register
          149. 14.8.1.2.149 CORTEX4_CFG_0_DRWREG Register
          150. 14.8.1.2.150 CORTEX4_CFG_0_BD0REG Register
          151. 14.8.1.2.151 CORTEX4_CFG_0_BD1REG Register
          152. 14.8.1.2.152 CORTEX4_CFG_0_BD2REG Register
          153. 14.8.1.2.153 CORTEX4_CFG_0_BD3REG Register
          154. 14.8.1.2.154 CORTEX4_CFG_0_ROM_REGISTER Register
          155. 14.8.1.2.155 CORTEX4_CFG_0_ID_REGISTER Register
          156. 14.8.1.2.156 CORTEX5_CFG_0_CSWREG Register
          157. 14.8.1.2.157 CORTEX5_CFG_0_DRWREG Register
          158. 14.8.1.2.158 CORTEX5_CFG_0_BD0REG Register
          159. 14.8.1.2.159 CORTEX5_CFG_0_BD1REG Register
          160. 14.8.1.2.160 CORTEX5_CFG_0_BD2REG Register
          161. 14.8.1.2.161 CORTEX5_CFG_0_BD3REG Register
          162. 14.8.1.2.162 CORTEX5_CFG_0_ROM_REGISTER Register
          163. 14.8.1.2.163 CORTEX5_CFG_0_ID_REGISTER Register
          164. 14.8.1.2.164 CORTEX6_CFG_0_CSWREG Register
          165. 14.8.1.2.165 CORTEX6_CFG_0_DRWREG Register
          166. 14.8.1.2.166 CORTEX6_CFG_0_BD0REG Register
          167. 14.8.1.2.167 CORTEX6_CFG_0_BD1REG Register
          168. 14.8.1.2.168 CORTEX6_CFG_0_BD2REG Register
          169. 14.8.1.2.169 CORTEX6_CFG_0_BD3REG Register
          170. 14.8.1.2.170 CORTEX6_CFG_0_ROM_REGISTER Register
          171. 14.8.1.2.171 CORTEX6_CFG_0_ID_REGISTER Register
          172. 14.8.1.2.172 CORTEX7_CFG_0_CSWREG Register
          173. 14.8.1.2.173 CORTEX7_CFG_0_DRWREG Register
          174. 14.8.1.2.174 CORTEX7_CFG_0_BD0REG Register
          175. 14.8.1.2.175 CORTEX7_CFG_0_BD1REG Register
          176. 14.8.1.2.176 CORTEX7_CFG_0_BD2REG Register
          177. 14.8.1.2.177 CORTEX7_CFG_0_BD3REG Register
          178. 14.8.1.2.178 CORTEX7_CFG_0_ROM_REGISTER Register
          179. 14.8.1.2.179 CORTEX7_CFG_0_ID_REGISTER Register
          180. 14.8.1.2.180 CORTEX8_CFG_0_CSWREG Register
          181. 14.8.1.2.181 CORTEX8_CFG_0_DRWREG Register
          182. 14.8.1.2.182 CORTEX8_CFG_0_BD0REG Register
          183. 14.8.1.2.183 CORTEX8_CFG_0_BD1REG Register
          184. 14.8.1.2.184 CORTEX8_CFG_0_BD2REG Register
          185. 14.8.1.2.185 CORTEX8_CFG_0_BD3REG Register
          186. 14.8.1.2.186 CORTEX8_CFG_0_ROM_REGISTER Register
          187. 14.8.1.2.187 CORTEX8_CFG_0_ID_REGISTER Register
          188. 14.8.1.2.188 ROM_TABLE_1_0_ROM_ENTRY0 Register
          189. 14.8.1.2.189 ROM_TABLE_1_0_ROM_ENTRY1 Register
          190. 14.8.1.2.190 ROM_TABLE_1_0_ROM_ENTRY2 Register
          191. 14.8.1.2.191 ROM_TABLE_1_0_ROM_ENTRY3 Register
          192. 14.8.1.2.192 ROM_TABLE_1_0_ROM_ENTRY4 Register
          193. 14.8.1.2.193 ROM_TABLE_1_0_ROM_ENTRY5 Register
          194. 14.8.1.2.194 ROM_TABLE_1_0_COMPUTE_CLUSTER0 Register
          195. 14.8.1.2.195 ROM_TABLE_1_0_COMPUTE_CLUSTER1 Register
          196. 14.8.1.2.196 ROM_TABLE_1_0_COMPUTE_CLUSTER2 Register
          197. 14.8.1.2.197 ROM_TABLE_1_0_DEBUG_CELL0 Register
          198. 14.8.1.2.198 ROM_TABLE_1_0_DEBUG_CELL1 Register
          199. 14.8.1.2.199 ROM_TABLE_1_0_DEBUG_CELL2 Register
          200. 14.8.1.2.200 ROM_TABLE_1_0_DEBUG_CELL3 Register
          201. 14.8.1.2.201 ROM_TABLE_1_0_DEBUG_CELL4 Register
          202. 14.8.1.2.202 ROM_TABLE_1_0_DEBUG_CELL5 Register
          203. 14.8.1.2.203 ROM_TABLE_1_0_DEBUG_CELL6 Register
          204. 14.8.1.2.204 ROM_TABLE_1_0_DEBUG_CELL7 Register
          205. 14.8.1.2.205 ROM_TABLE_1_0_DEBUG_CELL8 Register
          206. 14.8.1.2.206 ROM_TABLE_1_0_DEBUG_CELL9 Register
          207. 14.8.1.2.207 ROM_TABLE_1_0_DEBUG_CELL10 Register
          208. 14.8.1.2.208 ROM_TABLE_1_0_DEBUG_CELL11 Register
          209. 14.8.1.2.209 ROM_TABLE_1_0_EXTCSCOMP0 Register
          210. 14.8.1.2.210 ROM_TABLE_1_0_EXTCSCOMP1 Register
          211. 14.8.1.2.211 ROM_TABLE_1_0_EXTCSCOMP2 Register
          212. 14.8.1.2.212 ROM_TABLE_1_0_EXTCSCOMP3 Register
          213. 14.8.1.2.213 ROM_TABLE_1_0_EXTCSCOMP4 Register
          214. 14.8.1.2.214 ROM_TABLE_1_0_EXTCSCOMP5 Register
          215. 14.8.1.2.215 ROM_TABLE_1_0_EXTCSCOMP6 Register
          216. 14.8.1.2.216 ROM_TABLE_1_0_EXTCSCOMP7 Register
          217. 14.8.1.2.217 ROM_TABLE_1_0_EXTCSCOMP8 Register
          218. 14.8.1.2.218 ROM_TABLE_1_0_EXTCSCOMP9 Register
          219. 14.8.1.2.219 ROM_TABLE_1_0_EXTCSCOMP10 Register
          220. 14.8.1.2.220 ROM_TABLE_1_0_EXTCSCOMP11 Register
          221. 14.8.1.2.221 CSCTI_CTICONTROL Register
          222. 14.8.1.2.222 CSCTI_CTIINTACK Register
          223. 14.8.1.2.223 CSCTI_CTIAPPSET Register
          224. 14.8.1.2.224 CSCTI_CTIAPPCLR Register
          225. 14.8.1.2.225 CSCTI_CTIAPPPULSE Register
          226. 14.8.1.2.226 CSCTI_CTIINEN0 Register
          227. 14.8.1.2.227 CSCTI_CTIINEN1 Register
          228. 14.8.1.2.228 CSCTI_CTIINEN2 Register
          229. 14.8.1.2.229 CSCTI_CTIINEN3 Register
          230. 14.8.1.2.230 CSCTI_CTIINEN4 Register
          231. 14.8.1.2.231 CSCTI_CTIINEN5 Register
          232. 14.8.1.2.232 CSCTI_CTIINEN6 Register
          233. 14.8.1.2.233 CSCTI_CTIINEN7 Register
          234. 14.8.1.2.234 CSCTI_CTIOUTEN0 Register
          235. 14.8.1.2.235 CSCTI_CTIOUTEN1 Register
          236. 14.8.1.2.236 CSCTI_CTIOUTEN2 Register
          237. 14.8.1.2.237 CSCTI_CTIOUTEN3 Register
          238. 14.8.1.2.238 CSCTI_CTIOUTEN4 Register
          239. 14.8.1.2.239 CSCTI_CTIOUTEN5 Register
          240. 14.8.1.2.240 CSCTI_CTIOUTEN6 Register
          241. 14.8.1.2.241 CSCTI_CTIOUTEN7 Register
          242. 14.8.1.2.242 CSCTI_CTITRIGINSTATUS Register
          243. 14.8.1.2.243 CSCTI_CTITRIGOUTSTATUS Register
          244. 14.8.1.2.244 CSCTI_CTICHINSTATUS Register
          245. 14.8.1.2.245 CSCTI_CTICHOUTSTATUS Register
          246. 14.8.1.2.246 CSCTI_CTIGATE Register
          247. 14.8.1.2.247 CSCTI_ASICCTL Register
          248. 14.8.1.2.248 CSCTI_ITCHINACK Register
          249. 14.8.1.2.249 CSCTI_ITTRIGINACK Register
          250. 14.8.1.2.250 CSCTI_ITCHOUT Register
          251. 14.8.1.2.251 CSCTI_ITTRIGOUT Register
          252. 14.8.1.2.252 CSCTI_ITCHOUTACK Register
          253. 14.8.1.2.253 CSCTI_ITTRIGOUTACK Register
          254. 14.8.1.2.254 CSCTI_ITCHIN Register
          255. 14.8.1.2.255 CSCTI_ITTRIGIN Register
          256. 14.8.1.2.256 CSCTI_ITCTRL Register
          257. 14.8.1.2.257 CSCTI_CLAIMSET Register
          258. 14.8.1.2.258 CSCTI_CLAIMCLR Register
          259. 14.8.1.2.259 CSCTI_LOCKACCESS Register
          260. 14.8.1.2.260 CSCTI_LOCKSTATUS Register
          261. 14.8.1.2.261 CSCTI_AUTHSTATUS Register
          262. 14.8.1.2.262 CSCTI_DEVID Register
          263. 14.8.1.2.263 CSCTI_DEVTYPE Register
          264. 14.8.1.2.264 CSCTI_PERIPHID4 Register
          265. 14.8.1.2.265 CSCTI_PERIPHID0 Register
          266. 14.8.1.2.266 CSCTI_PERIPHID1 Register
          267. 14.8.1.2.267 CSCTI_PERIPHID2 Register
          268. 14.8.1.2.268 CSCTI_PERIPHID3 Register
          269. 14.8.1.2.269 CSCTI_COMPONID0 Register
          270. 14.8.1.2.270 CSCTI_COMPONID1 Register
          271. 14.8.1.2.271 CSCTI_COMPONID2 Register
          272. 14.8.1.2.272 CSCTI_COMPONID3 Register
          273. 14.8.1.2.273 DRM_CFG_0_PERIPH_ID Register
          274. 14.8.1.2.274 DRM_CFG_0_VERSION Register
          275. 14.8.1.2.275 DRM_CFG_0_CAPABILITY Register
          276. 14.8.1.2.276 DRM_CFG_0_TRACE_CTRL Register
          277. 14.8.1.2.277 DRM_CFG_0_VBUSM_CTRL Register
          278. 14.8.1.2.278 DRM_CFG_0_DAP_TIMEOUT Register
          279. 14.8.1.2.279 DRM_CFG_0_CONFIG Register
          280. 14.8.1.2.280 DRM_CFG_0_EMUTRIGEN Register
          281. 14.8.1.2.281 DRM_CFG_0_BINVALLO Register
          282. 14.8.1.2.282 DRM_CFG_0_BINVALHI Register
          283. 14.8.1.2.283 DRM_CFG_0_SUSPEND_REG0 Register
          284. 14.8.1.2.284 DRM_CFG_0_SUSPEND_REG1 Register
          285. 14.8.1.2.285 DRM_CFG_0_SUSPEND_REG2 Register
          286. 14.8.1.2.286 DRM_CFG_0_SUSPEND_REG3 Register
          287. 14.8.1.2.287 DRM_CFG_0_SUSPEND_REG4 Register
          288. 14.8.1.2.288 DRM_CFG_0_SUSPEND_REG5 Register
          289. 14.8.1.2.289 DRM_CFG_0_SUSPEND_REG6 Register
          290. 14.8.1.2.290 DRM_CFG_0_SUSPEND_REG7 Register
          291. 14.8.1.2.291 DRM_CFG_0_SUSPEND_REG8 Register
          292. 14.8.1.2.292 DRM_CFG_0_SUSPEND_REG9 Register
          293. 14.8.1.2.293 DRM_CFG_0_SUSPEND_REG10 Register
          294. 14.8.1.2.294 DRM_CFG_0_SUSPEND_REG11 Register
          295. 14.8.1.2.295 DRM_CFG_0_SUSPEND_REG12 Register
          296. 14.8.1.2.296 DRM_CFG_0_SUSPEND_REG13 Register
          297. 14.8.1.2.297 DRM_CFG_0_SUSPEND_REG14 Register
          298. 14.8.1.2.298 DRM_CFG_0_SUSPEND_REG15 Register
          299. 14.8.1.2.299 DRM_CFG_0_SUSPEND_REG16 Register
          300. 14.8.1.2.300 DRM_CFG_0_SUSPEND_REG17 Register
          301. 14.8.1.2.301 DRM_CFG_0_SUSPEND_REG18 Register
          302. 14.8.1.2.302 DRM_CFG_0_SUSPEND_REG19 Register
          303. 14.8.1.2.303 DRM_CFG_0_SUSPEND_REG20 Register
          304. 14.8.1.2.304 DRM_CFG_0_SUSPEND_REG21 Register
          305. 14.8.1.2.305 DRM_CFG_0_SUSPEND_REG22 Register
          306. 14.8.1.2.306 DRM_CFG_0_SUSPEND_REG23 Register
          307. 14.8.1.2.307 DRM_CFG_0_SUSPEND_REG24 Register
          308. 14.8.1.2.308 DRM_CFG_0_SUSPEND_REG25 Register
          309. 14.8.1.2.309 DRM_CFG_0_SUSPEND_REG26 Register
          310. 14.8.1.2.310 DRM_CFG_0_SUSPEND_REG27 Register
          311. 14.8.1.2.311 DRM_CFG_0_SUSPEND_REG28 Register
          312. 14.8.1.2.312 DRM_CFG_0_SUSPEND_REG29 Register
          313. 14.8.1.2.313 DRM_CFG_0_SUSPEND_REG30 Register
          314. 14.8.1.2.314 DRM_CFG_0_SUSPEND_REG31 Register
          315. 14.8.1.2.315 CSTPIU_CFG_0_SUPPORTSIZE Register
          316. 14.8.1.2.316 CSTPIU_CFG_0_CURPORTSIZE Register
          317. 14.8.1.2.317 CSTPIU_CFG_0_TRIGMODEREG Register
          318. 14.8.1.2.318 CSTPIU_CFG_0_TRIGCTRREG Register
          319. 14.8.1.2.319 CSTPIU_CFG_0_TRIGMPYREG Register
          320. 14.8.1.2.320 CSTPIU_CFG_0_SUPTESTPAT Register
          321. 14.8.1.2.321 CSTPIU_CFG_0_CURTESTPAT Register
          322. 14.8.1.2.322 CSTPIU_CFG_0_TESTPATCNT Register
          323. 14.8.1.2.323 CSTPIU_CFG_0_FORMFLUSHSTAT Register
          324. 14.8.1.2.324 CSTPIU_CFG_0_FORMFLUSHCTL Register
          325. 14.8.1.2.325 CSTPIU_CFG_0_FORMSYNCCTR Register
          326. 14.8.1.2.326 CSTPIU_CFG_0_EXTCTLIN Register
          327. 14.8.1.2.327 CSTPIU_CFG_0_EXTCTLOUT Register
          328. 14.8.1.2.328 CSTPIU_CFG_0_ITTRFLINACK Register
          329. 14.8.1.2.329 CSTPIU_CFG_0_ITTRFLIN Register
          330. 14.8.1.2.330 CSTPIU_CFG_0_ITATBDATA0 Register
          331. 14.8.1.2.331 CSTPIU_CFG_0_ITATBCTR2 Register
          332. 14.8.1.2.332 CSTPIU_CFG_0_ITATBCTR1 Register
          333. 14.8.1.2.333 CSTPIU_CFG_0_ITATBCTR0 Register
          334. 14.8.1.2.334 CSTPIU_CFG_0_INTCTRL Register
          335. 14.8.1.2.335 CSTPIU_CFG_0_CTSET Register
          336. 14.8.1.2.336 CSTPIU_CFG_0_CTCLR Register
          337. 14.8.1.2.337 CSTPIU_CFG_0_LAREG Register
          338. 14.8.1.2.338 CSTPIU_CFG_0_LSREG Register
          339. 14.8.1.2.339 CSTPIU_CFG_0_AUTHST Register
          340. 14.8.1.2.340 CSTPIU_CFG_0_DEVID Register
          341. 14.8.1.2.341 CSTPIU_CFG_0_DEVTYPE Register
          342. 14.8.1.2.342 CSTPIU_CFG_0_PERID4 Register
          343. 14.8.1.2.343 CSTPIU_CFG_0_PERID0 Register
          344. 14.8.1.2.344 CSTPIU_CFG_0_PERID1 Register
          345. 14.8.1.2.345 CSTPIU_CFG_0_PERID2 Register
          346. 14.8.1.2.346 CSTPIU_CFG_0_PERID3 Register
          347. 14.8.1.2.347 CSTPIU_CFG_0_COMPID0 Register
          348. 14.8.1.2.348 CSTPIU_CFG_0_COMPID1 Register
          349. 14.8.1.2.349 CSTPIU_CFG_0_COMPID2 Register
          350. 14.8.1.2.350 CSTPIU_CFG_0_COMPID3 Register
          351. 14.8.1.2.351 CTF_CFG_0_CSTFCTLREG Register
          352. 14.8.1.2.352 CTF_CFG_0_PRIORCTLREG Register
          353. 14.8.1.2.353 CTF_CFG_0_ITATBDATA0 Register
          354. 14.8.1.2.354 CTF_CFG_0_ITATBCTR2 Register
          355. 14.8.1.2.355 CTF_CFG_0_ITATBCTR1 Register
          356. 14.8.1.2.356 CTF_CFG_0_ITATBCTR0 Register
          357. 14.8.1.2.357 CTF_CFG_0_INTCTRL Register
          358. 14.8.1.2.358 CTF_CFG_0_CTSET Register
          359. 14.8.1.2.359 CTF_CFG_0_CTCLR Register
          360. 14.8.1.2.360 CTF_CFG_0_LAREG Register
          361. 14.8.1.2.361 CTF_CFG_0_LSREG Register
          362. 14.8.1.2.362 CTF_CFG_0_AUTHST Register
          363. 14.8.1.2.363 CTF_CFG_0_DEVID Register
          364. 14.8.1.2.364 CTF_CFG_0_DEVTYPEID Register
          365. 14.8.1.2.365 CTF_CFG_0_PERID4 Register
          366. 14.8.1.2.366 CTF_CFG_0_PERID5 Register
          367. 14.8.1.2.367 CTF_CFG_0_PERID6 Register
          368. 14.8.1.2.368 CTF_CFG_0_PERID7 Register
          369. 14.8.1.2.369 CTF_CFG_0_PERID0 Register
          370. 14.8.1.2.370 CTF_CFG_0_PERID1 Register
          371. 14.8.1.2.371 CTF_CFG_0_PERID2 Register
          372. 14.8.1.2.372 CTF_CFG_0_PERID3 Register
          373. 14.8.1.2.373 CTF_CFG_0_COMPID0 Register
          374. 14.8.1.2.374 CTF_CFG_0_COMPID1 Register
          375. 14.8.1.2.375 CTF_CFG_0_COMPID2 Register
          376. 14.8.1.2.376 CTF_CFG_0_COMPID3 Register
          377. 14.8.1.2.377 ROM_TABLE_0_1_ROM_ENTRY0 Register
          378. 14.8.1.2.378 ROM_TABLE_0_1_ROM_ENTRY1 Register
          379. 14.8.1.2.379 ROM_TABLE_0_1_ROM_ENTRY2 Register
          380. 14.8.1.2.380 ROM_TABLE_0_1_ROM_MANUAL_ENTRY0 Register
          381. 14.8.1.2.381 ROM_TABLE_0_1_ROM_MANUAL_ENTRY1 Register
          382. 14.8.1.2.382 ROM_TABLE_0_1_ROM_MANUAL_ENTRY2 Register
          383. 14.8.1.2.383 ROM_TABLE_0_1_ROM_MANUAL_ENTRY3 Register
          384. 14.8.1.2.384 ROM_TABLE_0_1_ROM_MANUAL_ENTRY4 Register
          385. 14.8.1.2.385 ROM_TABLE_0_1_ROM_MANUAL_ENTRY5 Register
          386. 14.8.1.2.386 ROM_TABLE_0_1_ROM_MANUAL_ENTRY6 Register
          387. 14.8.1.2.387 ROM_TABLE_0_1_ROM_MANUAL_ENTRY7 Register
          388. 14.8.1.2.388 ROM_TABLE_0_1_ROM_MANUAL_ENTRY8 Register
          389. 14.8.1.2.389 ROM_TABLE_0_1_ROM_MANUAL_ENTRY9 Register
          390. 14.8.1.2.390 ROM_TABLE_0_1_ROM_MANUAL_ENTRY10 Register
          391. 14.8.1.2.391 ROM_TABLE_0_1_ROM_MANUAL_ENTRY11 Register
          392. 14.8.1.2.392 ROM_TABLE_0_1_ROM_MANUAL_ENTRY12 Register
          393. 14.8.1.2.393 ROM_TABLE_0_1_ROM_MANUAL_ENTRY13 Register
          394. 14.8.1.2.394 ROM_TABLE_0_1_ROM_MANUAL_ENTRY14 Register
          395. 14.8.1.2.395 ROM_TABLE_0_1_ROM_MANUAL_ENTRY15 Register
          396. 14.8.1.2.396 ROM_TABLE_0_1_ROM_MANUAL_ENTRY16 Register
          397. 14.8.1.2.397 ROM_TABLE_0_1_ROM_MANUAL_ENTRY17 Register
          398. 14.8.1.2.398 ROM_TABLE_0_1_ROM_MANUAL_ENTRY18 Register
          399. 14.8.1.2.399 ROM_TABLE_0_1_ROM_MANUAL_ENTRY19 Register
          400. 14.8.1.2.400 ROM_TABLE_0_1_ROM_MANUAL_ENTRY20 Register
          401. 14.8.1.2.401 ROM_TABLE_0_1_ROM_MANUAL_ENTRY21 Register
          402. 14.8.1.2.402 ROM_TABLE_0_1_ROM_MANUAL_ENTRY22 Register
          403. 14.8.1.2.403 ROM_TABLE_0_1_ROM_MANUAL_ENTRY23 Register
          404. 14.8.1.2.404 ROM_TABLE_0_1_ROM_MANUAL_ENTRY24 Register
          405. 14.8.1.2.405 ROM_TABLE_0_1_ROM_MANUAL_ENTRY25 Register
          406. 14.8.1.2.406 ROM_TABLE_0_1_ROM_MANUAL_ENTRY26 Register
          407. 14.8.1.2.407 ROM_TABLE_0_1_ROM_MANUAL_ENTRY27 Register
          408. 14.8.1.2.408 ROM_TABLE_0_1_ROM_MANUAL_ENTRY28 Register
          409. 14.8.1.2.409 ROM_TABLE_0_1_ROM_MANUAL_ENTRY29 Register
          410. 14.8.1.2.410 ROM_TABLE_0_1_ROM_MANUAL_ENTRY30 Register
          411. 14.8.1.2.411 ROM_TABLE_0_1_ROM_MANUAL_ENTRY31 Register
          412. 14.8.1.2.412 ROM_TABLE_0_1_ROM_MANUAL_ENTRY32 Register
          413. 14.8.1.2.413 ROM_TABLE_0_1_ROM_MANUAL_ENTRY33 Register
          414. 14.8.1.2.414 ROM_TABLE_0_1_ROM_MANUAL_ENTRY34 Register
          415. 14.8.1.2.415 ROM_TABLE_0_1_ROM_MANUAL_ENTRY35 Register
          416. 14.8.1.2.416 ROM_TABLE_0_1_ROM_MANUAL_ENTRY36 Register
          417. 14.8.1.2.417 ROM_TABLE_0_1_ROM_MANUAL_ENTRY37 Register
          418. 14.8.1.2.418 ROM_TABLE_0_1_ROM_MANUAL_ENTRY38 Register
          419. 14.8.1.2.419 ROM_TABLE_0_1_ROM_MANUAL_ENTRY39 Register
          420. 14.8.1.2.420 ROM_TABLE_0_1_ROM_MANUAL_ENTRY40 Register
          421. 14.8.1.2.421 ROM_TABLE_0_1_ROM_MANUAL_ENTRY41 Register
          422. 14.8.1.2.422 ROM_TABLE_0_1_ROM_MANUAL_ENTRY42 Register
          423. 14.8.1.2.423 ROM_TABLE_0_1_ROM_MANUAL_ENTRY43 Register
          424. 14.8.1.2.424 ROM_TABLE_0_1_ROM_MANUAL_ENTRY44 Register
          425. 14.8.1.2.425 ROM_TABLE_0_1_ROM_MANUAL_ENTRY45 Register
          426. 14.8.1.2.426 ROM_TABLE_0_1_ROM_MANUAL_ENTRY46 Register
          427. 14.8.1.2.427 ROM_TABLE_0_1_ROM_MANUAL_ENTRY47 Register
          428. 14.8.1.2.428 ROM_TABLE_0_1_ROM_MANUAL_ENTRY48 Register
          429. 14.8.1.2.429 ROM_TABLE_0_1_ROM_MANUAL_ENTRY49 Register
          430. 14.8.1.2.430 ROM_TABLE_0_1_ROM_MANUAL_ENTRY50 Register
          431. 14.8.1.2.431 ROM_TABLE_0_1_ROM_MANUAL_ENTRY51 Register
          432. 14.8.1.2.432 ROM_TABLE_0_1_ROM_MANUAL_ENTRY52 Register
          433. 14.8.1.2.433 ROM_TABLE_0_1_ROM_MANUAL_ENTRY53 Register
          434. 14.8.1.2.434 ROM_TABLE_0_1_ROM_MANUAL_ENTRY54 Register
          435. 14.8.1.2.435 ROM_TABLE_0_1_ROM_MANUAL_ENTRY55 Register
          436. 14.8.1.2.436 ROM_TABLE_0_1_ROM_MANUAL_ENTRY56 Register
          437. 14.8.1.2.437 ROM_TABLE_0_1_ROM_MANUAL_ENTRY57 Register
          438. 14.8.1.2.438 ROM_TABLE_0_1_ROM_MANUAL_ENTRY58 Register
          439. 14.8.1.2.439 ROM_TABLE_0_1_ROM_MANUAL_ENTRY59 Register
          440. 14.8.1.2.440 ROM_TABLE_0_1_ROM_MANUAL_ENTRY60 Register
          441. 14.8.1.2.441 ROM_TABLE_0_1_ROM_MANUAL_ENTRY61 Register
          442. 14.8.1.2.442 ROM_TABLE_0_1_ROM_MANUAL_ENTRY62 Register
          443. 14.8.1.2.443 ROM_TABLE_0_1_ROM_MANUAL_ENTRY63 Register
          444. 14.8.1.2.444 ROM_TABLE_0_1_PERIPHID0 Register
          445. 14.8.1.2.445 ROM_TABLE_0_1_PERIPHID1 Register
          446. 14.8.1.2.446 ROM_TABLE_0_1_PERIPHID2 Register
          447. 14.8.1.2.447 ROM_TABLE_0_1_PERIPHID3 Register
          448. 14.8.1.2.448 ROM_TABLE_0_1_PERIPHID4 Register
          449. 14.8.1.2.449 ROM_TABLE_0_1_COMPID0 Register
          450. 14.8.1.2.450 ROM_TABLE_0_1_COMPID1 Register
          451. 14.8.1.2.451 ROM_TABLE_0_1_COMPID2 Register
          452. 14.8.1.2.452 ROM_TABLE_0_1_COMPID3 Register
          453. 14.8.1.2.453 CFGAP_CFG_1_JTAGID_REG Register
          454. 14.8.1.2.454 CFGAP_CFG_1_USERID_REG Register
          455. 14.8.1.2.455 CFGAP_CFG_1_VERSION_REG Register
          456. 14.8.1.2.456 CFGAP_CFG_1_APID_REGISTER Register
          457. 14.8.1.2.457 APBAP_CFG_1_CSWREG Register
          458. 14.8.1.2.458 APBAP_CFG_1_DRWREG Register
          459. 14.8.1.2.459 APBAP_CFG_1_BD0REG Register
          460. 14.8.1.2.460 APBAP_CFG_1_BD1REG Register
          461. 14.8.1.2.461 APBAP_CFG_1_BD2REG Register
          462. 14.8.1.2.462 APBAP_CFG_1_BD3REG Register
          463. 14.8.1.2.463 APBAP_CFG_1_ROM_REGISTER Register
          464. 14.8.1.2.464 APBAP_CFG_1_ID_REGISTER Register
          465. 14.8.1.2.465 AXIAP_CFG_1_CSWREG Register
          466. 14.8.1.2.466 AXIAP_CFG_1_DRWREG Register
          467. 14.8.1.2.467 AXIAP_CFG_1_BD0REG Register
          468. 14.8.1.2.468 AXIAP_CFG_1_BD1REG Register
          469. 14.8.1.2.469 AXIAP_CFG_1_BD2REG Register
          470. 14.8.1.2.470 AXIAP_CFG_1_BD3REG Register
          471. 14.8.1.2.471 AXIAP_CFG_1_MBT_REGISTER Register
          472. 14.8.1.2.472 AXIAP_CFG_1_ROM_HI_REGISTER Register
          473. 14.8.1.2.473 AXIAP_CFG_1_CFG_REGISTER Register
          474. 14.8.1.2.474 AXIAP_CFG_1_ROM_LO_REGISTER Register
          475. 14.8.1.2.475 AXIAP_CFG_1_ID_REGISTER Register
          476. 14.8.1.2.476 PWRAP_CFG_1_ID_REGISTER Register
          477. 14.8.1.2.477 PVIEW_CFG_1_PVIEW_STATE0 Register
          478. 14.8.1.2.478 PVIEW_CFG_1_PVIEW_CAPABILITY Register
          479. 14.8.1.2.479 PVIEW_CFG_1_ID_REGISTER Register
          480. 14.8.1.2.480 JTAGAP_CFG_1_CSW Register
          481. 14.8.1.2.481 JTAGAP_CFG_1_PSEL_REG Register
          482. 14.8.1.2.482 JTAGAP_CFG_1_PSTA_REG Register
          483. 14.8.1.2.483 JTAGAP_CFG_1_BYTEFIFO1 Register
          484. 14.8.1.2.484 JTAGAP_CFG_1_BYTEFIFO2 Register
          485. 14.8.1.2.485 JTAGAP_CFG_1_BYTEFIFO3 Register
          486. 14.8.1.2.486 JTAGAP_CFG_1_BYTEFIFO4 Register
          487. 14.8.1.2.487 JTAGAP_CFG_1_ID_REGISTER Register
          488. 14.8.1.2.488 SECAP_CFG_1_TXDATA Register
          489. 14.8.1.2.489 SECAP_CFG_1_TXCTRL Register
          490. 14.8.1.2.490 SECAP_CFG_1_RXDATA Register
          491. 14.8.1.2.491 SECAP_CFG_1_RXCTRL Register
          492. 14.8.1.2.492 CORTEX0_CFG_1_CSWREG Register
          493. 14.8.1.2.493 CORTEX0_CFG_1_DRWREG Register
          494. 14.8.1.2.494 CORTEX0_CFG_1_BD0REG Register
          495. 14.8.1.2.495 CORTEX0_CFG_1_BD1REG Register
          496. 14.8.1.2.496 CORTEX0_CFG_1_BD2REG Register
          497. 14.8.1.2.497 CORTEX0_CFG_1_BD3REG Register
          498. 14.8.1.2.498 CORTEX0_CFG_1_ROM_REGISTER Register
          499. 14.8.1.2.499 CORTEX0_CFG_1_ID_REGISTER Register
          500. 14.8.1.2.500 CORTEX1_CFG_1_CSWREG Register
          501. 14.8.1.2.501 CORTEX1_CFG_1_DRWREG Register
          502. 14.8.1.2.502 CORTEX1_CFG_1_BD0REG Register
          503. 14.8.1.2.503 CORTEX1_CFG_1_BD1REG Register
          504. 14.8.1.2.504 CORTEX1_CFG_1_BD2REG Register
          505. 14.8.1.2.505 CORTEX1_CFG_1_BD3REG Register
          506. 14.8.1.2.506 CORTEX1_CFG_1_ROM_REGISTER Register
          507. 14.8.1.2.507 CORTEX1_CFG_1_ID_REGISTER Register
          508. 14.8.1.2.508 CORTEX2_CFG_1_CSWREG Register
          509. 14.8.1.2.509 CORTEX2_CFG_1_DRWREG Register
          510. 14.8.1.2.510 CORTEX2_CFG_1_BD0REG Register
          511. 14.8.1.2.511 CORTEX2_CFG_1_BD1REG Register
          512. 14.8.1.2.512 CORTEX2_CFG_1_BD2REG Register
          513. 14.8.1.2.513 CORTEX2_CFG_1_BD3REG Register
          514. 14.8.1.2.514 CORTEX2_CFG_1_ROM_REGISTER Register
          515. 14.8.1.2.515 CORTEX2_CFG_1_ID_REGISTER Register
          516. 14.8.1.2.516 CORTEX3_CFG_1_CSWREG Register
          517. 14.8.1.2.517 CORTEX3_CFG_1_DRWREG Register
          518. 14.8.1.2.518 CORTEX3_CFG_1_BD0REG Register
          519. 14.8.1.2.519 CORTEX3_CFG_1_BD1REG Register
          520. 14.8.1.2.520 CORTEX3_CFG_1_BD2REG Register
          521. 14.8.1.2.521 CORTEX3_CFG_1_BD3REG Register
          522. 14.8.1.2.522 CORTEX3_CFG_1_ROM_REGISTER Register
          523. 14.8.1.2.523 CORTEX3_CFG_1_ID_REGISTER Register
          524. 14.8.1.2.524 CORTEX4_CFG_1_CSWREG Register
          525. 14.8.1.2.525 CORTEX4_CFG_1_DRWREG Register
          526. 14.8.1.2.526 CORTEX4_CFG_1_BD0REG Register
          527. 14.8.1.2.527 CORTEX4_CFG_1_BD1REG Register
          528. 14.8.1.2.528 CORTEX4_CFG_1_BD2REG Register
          529. 14.8.1.2.529 CORTEX4_CFG_1_BD3REG Register
          530. 14.8.1.2.530 CORTEX4_CFG_1_ROM_REGISTER Register
          531. 14.8.1.2.531 CORTEX4_CFG_1_ID_REGISTER Register
          532. 14.8.1.2.532 CORTEX5_CFG_1_CSWREG Register
          533. 14.8.1.2.533 CORTEX5_CFG_1_DRWREG Register
          534. 14.8.1.2.534 CORTEX5_CFG_1_BD0REG Register
          535. 14.8.1.2.535 CORTEX5_CFG_1_BD1REG Register
          536. 14.8.1.2.536 CORTEX5_CFG_1_BD2REG Register
          537. 14.8.1.2.537 CORTEX5_CFG_1_BD3REG Register
          538. 14.8.1.2.538 CORTEX5_CFG_1_ROM_REGISTER Register
          539. 14.8.1.2.539 CORTEX5_CFG_1_ID_REGISTER Register
          540. 14.8.1.2.540 CORTEX6_CFG_1_CSWREG Register
          541. 14.8.1.2.541 CORTEX6_CFG_1_DRWREG Register
          542. 14.8.1.2.542 CORTEX6_CFG_1_BD0REG Register
          543. 14.8.1.2.543 CORTEX6_CFG_1_BD1REG Register
          544. 14.8.1.2.544 CORTEX6_CFG_1_BD2REG Register
          545. 14.8.1.2.545 CORTEX6_CFG_1_BD3REG Register
          546. 14.8.1.2.546 CORTEX6_CFG_1_ROM_REGISTER Register
          547. 14.8.1.2.547 CORTEX6_CFG_1_ID_REGISTER Register
          548. 14.8.1.2.548 CORTEX7_CFG_1_CSWREG Register
          549. 14.8.1.2.549 CORTEX7_CFG_1_DRWREG Register
          550. 14.8.1.2.550 CORTEX7_CFG_1_BD0REG Register
          551. 14.8.1.2.551 CORTEX7_CFG_1_BD1REG Register
          552. 14.8.1.2.552 CORTEX7_CFG_1_BD2REG Register
          553. 14.8.1.2.553 CORTEX7_CFG_1_BD3REG Register
          554. 14.8.1.2.554 CORTEX7_CFG_1_ROM_REGISTER Register
          555. 14.8.1.2.555 CORTEX7_CFG_1_ID_REGISTER Register
          556. 14.8.1.2.556 CORTEX8_CFG_1_CSWREG Register
          557. 14.8.1.2.557 CORTEX8_CFG_1_DRWREG Register
          558. 14.8.1.2.558 CORTEX8_CFG_1_BD0REG Register
          559. 14.8.1.2.559 CORTEX8_CFG_1_BD1REG Register
          560. 14.8.1.2.560 CORTEX8_CFG_1_BD2REG Register
          561. 14.8.1.2.561 CORTEX8_CFG_1_BD3REG Register
          562. 14.8.1.2.562 CORTEX8_CFG_1_ROM_REGISTER Register
          563. 14.8.1.2.563 CORTEX8_CFG_1_ID_REGISTER Register
          564. 14.8.1.2.564 ROM_TABLE_1_1_ROM_ENTRY0 Register
          565. 14.8.1.2.565 ROM_TABLE_1_1_ROM_ENTRY1 Register
          566. 14.8.1.2.566 ROM_TABLE_1_1_ROM_ENTRY2 Register
          567. 14.8.1.2.567 ROM_TABLE_1_1_ROM_ENTRY3 Register
          568. 14.8.1.2.568 ROM_TABLE_1_1_ROM_ENTRY4 Register
          569. 14.8.1.2.569 ROM_TABLE_1_1_ROM_ENTRY5 Register
          570. 14.8.1.2.570 ROM_TABLE_1_1_COMPUTE_CLUSTER0 Register
          571. 14.8.1.2.571 ROM_TABLE_1_1_COMPUTE_CLUSTER1 Register
          572. 14.8.1.2.572 ROM_TABLE_1_1_COMPUTE_CLUSTER2 Register
          573. 14.8.1.2.573 ROM_TABLE_1_1_DEBUG_CELL0 Register
          574. 14.8.1.2.574 ROM_TABLE_1_1_DEBUG_CELL1 Register
          575. 14.8.1.2.575 ROM_TABLE_1_1_DEBUG_CELL2 Register
          576. 14.8.1.2.576 ROM_TABLE_1_1_DEBUG_CELL3 Register
          577. 14.8.1.2.577 ROM_TABLE_1_1_DEBUG_CELL4 Register
          578. 14.8.1.2.578 ROM_TABLE_1_1_DEBUG_CELL5 Register
          579. 14.8.1.2.579 ROM_TABLE_1_1_DEBUG_CELL6 Register
          580. 14.8.1.2.580 ROM_TABLE_1_1_DEBUG_CELL7 Register
          581. 14.8.1.2.581 ROM_TABLE_1_1_DEBUG_CELL8 Register
          582. 14.8.1.2.582 ROM_TABLE_1_1_DEBUG_CELL9 Register
          583. 14.8.1.2.583 ROM_TABLE_1_1_DEBUG_CELL10 Register
          584. 14.8.1.2.584 ROM_TABLE_1_1_DEBUG_CELL11 Register
          585. 14.8.1.2.585 ROM_TABLE_1_1_EXTCSCOMP0 Register
          586. 14.8.1.2.586 ROM_TABLE_1_1_EXTCSCOMP1 Register
          587. 14.8.1.2.587 ROM_TABLE_1_1_EXTCSCOMP2 Register
          588. 14.8.1.2.588 ROM_TABLE_1_1_EXTCSCOMP3 Register
          589. 14.8.1.2.589 ROM_TABLE_1_1_EXTCSCOMP4 Register
          590. 14.8.1.2.590 ROM_TABLE_1_1_EXTCSCOMP5 Register
          591. 14.8.1.2.591 ROM_TABLE_1_1_EXTCSCOMP6 Register
          592. 14.8.1.2.592 ROM_TABLE_1_1_EXTCSCOMP7 Register
          593. 14.8.1.2.593 ROM_TABLE_1_1_EXTCSCOMP8 Register
          594. 14.8.1.2.594 ROM_TABLE_1_1_EXTCSCOMP9 Register
          595. 14.8.1.2.595 ROM_TABLE_1_1_EXTCSCOMP10 Register
          596. 14.8.1.2.596 ROM_TABLE_1_1_EXTCSCOMP11 Register
          597. 14.8.1.2.597 CSCTI_CTICONTROL Register
          598. 14.8.1.2.598 CSCTI_CTIINTACK Register
          599. 14.8.1.2.599 CSCTI_CTIAPPSET Register
          600. 14.8.1.2.600 CSCTI_CTIAPPCLR Register
          601. 14.8.1.2.601 CSCTI_CTIAPPPULSE Register
          602. 14.8.1.2.602 CSCTI_CTIINEN0 Register
          603. 14.8.1.2.603 CSCTI_CTIINEN1 Register
          604. 14.8.1.2.604 CSCTI_CTIINEN2 Register
          605. 14.8.1.2.605 CSCTI_CTIINEN3 Register
          606. 14.8.1.2.606 CSCTI_CTIINEN4 Register
          607. 14.8.1.2.607 CSCTI_CTIINEN5 Register
          608. 14.8.1.2.608 CSCTI_CTIINEN6 Register
          609. 14.8.1.2.609 CSCTI_CTIINEN7 Register
          610. 14.8.1.2.610 CSCTI_CTIOUTEN0 Register
          611. 14.8.1.2.611 CSCTI_CTIOUTEN1 Register
          612. 14.8.1.2.612 CSCTI_CTIOUTEN2 Register
          613. 14.8.1.2.613 CSCTI_CTIOUTEN3 Register
          614. 14.8.1.2.614 CSCTI_CTIOUTEN4 Register
          615. 14.8.1.2.615 CSCTI_CTIOUTEN5 Register
          616. 14.8.1.2.616 CSCTI_CTIOUTEN6 Register
          617. 14.8.1.2.617 CSCTI_CTIOUTEN7 Register
          618. 14.8.1.2.618 CSCTI_CTITRIGINSTATUS Register
          619. 14.8.1.2.619 CSCTI_CTITRIGOUTSTATUS Register
          620. 14.8.1.2.620 CSCTI_CTICHINSTATUS Register
          621. 14.8.1.2.621 CSCTI_CTICHOUTSTATUS Register
          622. 14.8.1.2.622 CSCTI_CTIGATE Register
          623. 14.8.1.2.623 CSCTI_ASICCTL Register
          624. 14.8.1.2.624 CSCTI_ITCHINACK Register
          625. 14.8.1.2.625 CSCTI_ITTRIGINACK Register
          626. 14.8.1.2.626 CSCTI_ITCHOUT Register
          627. 14.8.1.2.627 CSCTI_ITTRIGOUT Register
          628. 14.8.1.2.628 CSCTI_ITCHOUTACK Register
          629. 14.8.1.2.629 CSCTI_ITTRIGOUTACK Register
          630. 14.8.1.2.630 CSCTI_ITCHIN Register
          631. 14.8.1.2.631 CSCTI_ITTRIGIN Register
          632. 14.8.1.2.632 CSCTI_ITCTRL Register
          633. 14.8.1.2.633 CSCTI_CLAIMSET Register
          634. 14.8.1.2.634 CSCTI_CLAIMCLR Register
          635. 14.8.1.2.635 CSCTI_LOCKACCESS Register
          636. 14.8.1.2.636 CSCTI_LOCKSTATUS Register
          637. 14.8.1.2.637 CSCTI_AUTHSTATUS Register
          638. 14.8.1.2.638 CSCTI_DEVID Register
          639. 14.8.1.2.639 CSCTI_DEVTYPE Register
          640. 14.8.1.2.640 CSCTI_PERIPHID4 Register
          641. 14.8.1.2.641 CSCTI_PERIPHID0 Register
          642. 14.8.1.2.642 CSCTI_PERIPHID1 Register
          643. 14.8.1.2.643 CSCTI_PERIPHID2 Register
          644. 14.8.1.2.644 CSCTI_PERIPHID3 Register
          645. 14.8.1.2.645 CSCTI_COMPONID0 Register
          646. 14.8.1.2.646 CSCTI_COMPONID1 Register
          647. 14.8.1.2.647 CSCTI_COMPONID2 Register
          648. 14.8.1.2.648 CSCTI_COMPONID3 Register
          649. 14.8.1.2.649 DRM_CFG_1_PERIPH_ID Register
          650. 14.8.1.2.650 DRM_CFG_1_VERSION Register
          651. 14.8.1.2.651 DRM_CFG_1_CAPABILITY Register
          652. 14.8.1.2.652 DRM_CFG_1_TRACE_CTRL Register
          653. 14.8.1.2.653 DRM_CFG_1_VBUSM_CTRL Register
          654. 14.8.1.2.654 DRM_CFG_1_DAP_TIMEOUT Register
          655. 14.8.1.2.655 DRM_CFG_1_CONFIG Register
          656. 14.8.1.2.656 DRM_CFG_1_EMUTRIGEN Register
          657. 14.8.1.2.657 DRM_CFG_1_BINVALLO Register
          658. 14.8.1.2.658 DRM_CFG_1_BINVALHI Register
          659. 14.8.1.2.659 DRM_CFG_1_SUSPEND_REG0 Register
          660. 14.8.1.2.660 DRM_CFG_1_SUSPEND_REG1 Register
          661. 14.8.1.2.661 DRM_CFG_1_SUSPEND_REG2 Register
          662. 14.8.1.2.662 DRM_CFG_1_SUSPEND_REG3 Register
          663. 14.8.1.2.663 DRM_CFG_1_SUSPEND_REG4 Register
          664. 14.8.1.2.664 DRM_CFG_1_SUSPEND_REG5 Register
          665. 14.8.1.2.665 DRM_CFG_1_SUSPEND_REG6 Register
          666. 14.8.1.2.666 DRM_CFG_1_SUSPEND_REG7 Register
          667. 14.8.1.2.667 DRM_CFG_1_SUSPEND_REG8 Register
          668. 14.8.1.2.668 DRM_CFG_1_SUSPEND_REG9 Register
          669. 14.8.1.2.669 DRM_CFG_1_SUSPEND_REG10 Register
          670. 14.8.1.2.670 DRM_CFG_1_SUSPEND_REG11 Register
          671. 14.8.1.2.671 DRM_CFG_1_SUSPEND_REG12 Register
          672. 14.8.1.2.672 DRM_CFG_1_SUSPEND_REG13 Register
          673. 14.8.1.2.673 DRM_CFG_1_SUSPEND_REG14 Register
          674. 14.8.1.2.674 DRM_CFG_1_SUSPEND_REG15 Register
          675. 14.8.1.2.675 DRM_CFG_1_SUSPEND_REG16 Register
          676. 14.8.1.2.676 DRM_CFG_1_SUSPEND_REG17 Register
          677. 14.8.1.2.677 DRM_CFG_1_SUSPEND_REG18 Register
          678. 14.8.1.2.678 DRM_CFG_1_SUSPEND_REG19 Register
          679. 14.8.1.2.679 DRM_CFG_1_SUSPEND_REG20 Register
          680. 14.8.1.2.680 DRM_CFG_1_SUSPEND_REG21 Register
          681. 14.8.1.2.681 DRM_CFG_1_SUSPEND_REG22 Register
          682. 14.8.1.2.682 DRM_CFG_1_SUSPEND_REG23 Register
          683. 14.8.1.2.683 DRM_CFG_1_SUSPEND_REG24 Register
          684. 14.8.1.2.684 DRM_CFG_1_SUSPEND_REG25 Register
          685. 14.8.1.2.685 DRM_CFG_1_SUSPEND_REG26 Register
          686. 14.8.1.2.686 DRM_CFG_1_SUSPEND_REG27 Register
          687. 14.8.1.2.687 DRM_CFG_1_SUSPEND_REG28 Register
          688. 14.8.1.2.688 DRM_CFG_1_SUSPEND_REG29 Register
          689. 14.8.1.2.689 DRM_CFG_1_SUSPEND_REG30 Register
          690. 14.8.1.2.690 DRM_CFG_1_SUSPEND_REG31 Register
          691. 14.8.1.2.691 CSTPIU_CFG_1_SUPPORTSIZE Register
          692. 14.8.1.2.692 CSTPIU_CFG_1_CURPORTSIZE Register
          693. 14.8.1.2.693 CSTPIU_CFG_1_TRIGMODEREG Register
          694. 14.8.1.2.694 CSTPIU_CFG_1_TRIGCTRREG Register
          695. 14.8.1.2.695 CSTPIU_CFG_1_TRIGMPYREG Register
          696. 14.8.1.2.696 CSTPIU_CFG_1_SUPTESTPAT Register
          697. 14.8.1.2.697 CSTPIU_CFG_1_CURTESTPAT Register
          698. 14.8.1.2.698 CSTPIU_CFG_1_TESTPATCNT Register
          699. 14.8.1.2.699 CSTPIU_CFG_1_FORMFLUSHSTAT Register
          700. 14.8.1.2.700 CSTPIU_CFG_1_FORMFLUSHCTL Register
          701. 14.8.1.2.701 CSTPIU_CFG_1_FORMSYNCCTR Register
          702. 14.8.1.2.702 CSTPIU_CFG_1_EXTCTLIN Register
          703. 14.8.1.2.703 CSTPIU_CFG_1_EXTCTLOUT Register
          704. 14.8.1.2.704 CSTPIU_CFG_1_ITTRFLINACK Register
          705. 14.8.1.2.705 CSTPIU_CFG_1_ITTRFLIN Register
          706. 14.8.1.2.706 CSTPIU_CFG_1_ITATBDATA0 Register
          707. 14.8.1.2.707 CSTPIU_CFG_1_ITATBCTR2 Register
          708. 14.8.1.2.708 CSTPIU_CFG_1_ITATBCTR1 Register
          709. 14.8.1.2.709 CSTPIU_CFG_1_ITATBCTR0 Register
          710. 14.8.1.2.710 CSTPIU_CFG_1_INTCTRL Register
          711. 14.8.1.2.711 CSTPIU_CFG_1_CTSET Register
          712. 14.8.1.2.712 CSTPIU_CFG_1_CTCLR Register
          713. 14.8.1.2.713 CSTPIU_CFG_1_LAREG Register
          714. 14.8.1.2.714 CSTPIU_CFG_1_LSREG Register
          715. 14.8.1.2.715 CSTPIU_CFG_1_AUTHST Register
          716. 14.8.1.2.716 CSTPIU_CFG_1_DEVID Register
          717. 14.8.1.2.717 CSTPIU_CFG_1_DEVTYPE Register
          718. 14.8.1.2.718 CSTPIU_CFG_1_PERID4 Register
          719. 14.8.1.2.719 CSTPIU_CFG_1_PERID0 Register
          720. 14.8.1.2.720 CSTPIU_CFG_1_PERID1 Register
          721. 14.8.1.2.721 CSTPIU_CFG_1_PERID2 Register
          722. 14.8.1.2.722 CSTPIU_CFG_1_PERID3 Register
          723. 14.8.1.2.723 CSTPIU_CFG_1_COMPID0 Register
          724. 14.8.1.2.724 CSTPIU_CFG_1_COMPID1 Register
          725. 14.8.1.2.725 CSTPIU_CFG_1_COMPID2 Register
          726. 14.8.1.2.726 CSTPIU_CFG_1_COMPID3 Register
          727. 14.8.1.2.727 CTF_CFG_1_CSTFCTLREG Register
          728. 14.8.1.2.728 CTF_CFG_1_PRIORCTLREG Register
          729. 14.8.1.2.729 CTF_CFG_1_ITATBDATA0 Register
          730. 14.8.1.2.730 CTF_CFG_1_ITATBCTR2 Register
          731. 14.8.1.2.731 CTF_CFG_1_ITATBCTR1 Register
          732. 14.8.1.2.732 CTF_CFG_1_ITATBCTR0 Register
          733. 14.8.1.2.733 CTF_CFG_1_INTCTRL Register
          734. 14.8.1.2.734 CTF_CFG_1_CTSET Register
          735. 14.8.1.2.735 CTF_CFG_1_CTCLR Register
          736. 14.8.1.2.736 CTF_CFG_1_LAREG Register
          737. 14.8.1.2.737 CTF_CFG_1_LSREG Register
          738. 14.8.1.2.738 CTF_CFG_1_AUTHST Register
          739. 14.8.1.2.739 CTF_CFG_1_DEVID Register
          740. 14.8.1.2.740 CTF_CFG_1_DEVTYPEID Register
          741. 14.8.1.2.741 CTF_CFG_1_PERID4 Register
          742. 14.8.1.2.742 CTF_CFG_1_PERID5 Register
          743. 14.8.1.2.743 CTF_CFG_1_PERID6 Register
          744. 14.8.1.2.744 CTF_CFG_1_PERID7 Register
          745. 14.8.1.2.745 CTF_CFG_1_PERID0 Register
          746. 14.8.1.2.746 CTF_CFG_1_PERID1 Register
          747. 14.8.1.2.747 CTF_CFG_1_PERID2 Register
          748. 14.8.1.2.748 CTF_CFG_1_PERID3 Register
          749. 14.8.1.2.749 CTF_CFG_1_COMPID0 Register
          750. 14.8.1.2.750 CTF_CFG_1_COMPID1 Register
          751. 14.8.1.2.751 CTF_CFG_1_COMPID2 Register
          752. 14.8.1.2.752 CTF_CFG_1_COMPID3 Register
      2. 14.8.2 PBIST
        1. 14.8.2.1 PBIST Summaries
          1.        11338
        2. 14.8.2.2 PBIST Registers
          1. 14.8.2.2.1  PBIST_RF0L Register
          2. 14.8.2.2.2  PBIST_RF1L Register
          3. 14.8.2.2.3  PBIST_RF2L Register
          4. 14.8.2.2.4  PBIST_RF3L Register
          5. 14.8.2.2.5  PBIST_RF4L Register
          6. 14.8.2.2.6  PBIST_RF5L Register
          7. 14.8.2.2.7  PBIST_RF6L Register
          8. 14.8.2.2.8  PBIST_RF7L Register
          9. 14.8.2.2.9  PBIST_RF8L Register
          10. 14.8.2.2.10 PBIST_RF9L Register
          11. 14.8.2.2.11 PBIST_RF10L Register
          12. 14.8.2.2.12 PBIST_RF11L Register
          13. 14.8.2.2.13 PBIST_RF12L Register
          14. 14.8.2.2.14 PBIST_RF13L Register
          15. 14.8.2.2.15 PBIST_RF14L Register
          16. 14.8.2.2.16 PBIST_RF15L Register
          17. 14.8.2.2.17 PBIST_RF0U Register
          18. 14.8.2.2.18 PBIST_RF1U Register
          19. 14.8.2.2.19 PBIST_RF2U Register
          20. 14.8.2.2.20 PBIST_RF3U Register
          21. 14.8.2.2.21 PBIST_RF4U Register
          22. 14.8.2.2.22 PBIST_RF5U Register
          23. 14.8.2.2.23 PBIST_RF6U Register
          24. 14.8.2.2.24 PBIST_RF7U Register
          25. 14.8.2.2.25 PBIST_RF8U Register
          26. 14.8.2.2.26 PBIST_RF9U Register
          27. 14.8.2.2.27 PBIST_RF10U Register
          28. 14.8.2.2.28 PBIST_RF11U Register
          29. 14.8.2.2.29 PBIST_RF12U Register
          30. 14.8.2.2.30 PBIST_RF13U Register
          31. 14.8.2.2.31 PBIST_RF14U Register
          32. 14.8.2.2.32 PBIST_RF15U Register
          33. 14.8.2.2.33 PBIST_A0 Register
          34. 14.8.2.2.34 PBIST_A1 Register
          35. 14.8.2.2.35 PBIST_A2 Register
          36. 14.8.2.2.36 PBIST_A3 Register
          37. 14.8.2.2.37 PBIST_L0 Register
          38. 14.8.2.2.38 PBIST_L1 Register
          39. 14.8.2.2.39 PBIST_L2 Register
          40. 14.8.2.2.40 PBIST_L3 Register
          41. 14.8.2.2.41 PBIST_D Register
          42. 14.8.2.2.42 PBIST_E Register
          43. 14.8.2.2.43 PBIST_CA0 Register
          44. 14.8.2.2.44 PBIST_CA1 Register
          45. 14.8.2.2.45 PBIST_CA2 Register
          46. 14.8.2.2.46 PBIST_CA3 Register
          47. 14.8.2.2.47 PBIST_CL0 Register
          48. 14.8.2.2.48 PBIST_CL1 Register
          49. 14.8.2.2.49 PBIST_CL2 Register
          50. 14.8.2.2.50 PBIST_CL3 Register
          51. 14.8.2.2.51 PBIST_I0 Register
          52. 14.8.2.2.52 PBIST_I1 Register
          53. 14.8.2.2.53 PBIST_I2 Register
          54. 14.8.2.2.54 PBIST_I3 Register
          55. 14.8.2.2.55 PBIST_RAMT Register
          56. 14.8.2.2.56 PBIST_DLR Register
          57. 14.8.2.2.57 PBIST_CMS Register
          58. 14.8.2.2.58 PBIST_STR Register
          59. 14.8.2.2.59 PBIST_SCR Register
          60. 14.8.2.2.60 PBIST_CSR Register
          61. 14.8.2.2.61 PBIST_FDLY Register
          62. 14.8.2.2.62 PBIST_PACT Register
          63. 14.8.2.2.63 PBIST_PID Register
          64. 14.8.2.2.64 PBIST_OVER Register
          65. 14.8.2.2.65 PBIST_FSRF Register
          66. 14.8.2.2.66 PBIST_FSRC Register
          67. 14.8.2.2.67 PBIST_FSRA Register
          68. 14.8.2.2.68 PBIST_FSRDL0 Register
          69. 14.8.2.2.69 PBIST_FSRDL1 Register
          70. 14.8.2.2.70 PBIST_MARGIN_MODE Register
          71. 14.8.2.2.71 PBIST_WRENZ Register
          72. 14.8.2.2.72 PBIST_PAGE_PGS Register
          73. 14.8.2.2.73 PBIST_ROM Register
          74. 14.8.2.2.74 PBIST_ALGO Register
          75. 14.8.2.2.75 PBIST_RINFO Register
  17. 15Revision History

OSPI Environment

The FSS0_OSPI0 module is hereinafter referred to as OSPI module.

This section describes the OSPI external connections (environment).

The OSPI module is primarily intended for fast booting from Octal- and Quad-SPI flash memories. Figure 12-185 shows a typical connection of the OSPI module to an external Octal-SPI flash memory.

AM275 OSPI
                    Connected to an External Octal-SPI Flash Memory Figure 12-185 OSPI Connected to an External Octal-SPI Flash Memory

Table 12-224 lists and describes the FSS0_OSPI I/O signals.

Table 12-224 OSPI I/O Signals
Module PinDevice Level SignalI/O(1)DescriptionModule Pin Reset Value(2)
FSS0_OSPIi(4)
DQ0OSPIi(4)_D0IOFSS0_OSPIi(4) data input/output 0HiZ
DQ1OSPIi(4)_D1IOFSS0_OSPIi(4) data input/output 1HiZ
DQ2OSPIi(4)_D2IOFSS0_OSPIi(4) data input/output 2HiZ
DQ3OSPIi(4)_D3IOFSS0_OSPIi(4) data input/output 3HiZ
DQ4OSPIi(4)_D4IOFSS0_OSPIi(4) data input/output 4HiZ
DQ5OSPIi(4)_D5IOFSS0_OSPIi(4) data input/output 5HiZ
DQ6OSPIi(4)_D6IOFSS0_OSPIi(4) data input/output 6HiZ
DQ7OSPIi(4)_D7IOFSS0_OSPIi(4) data input/output 7HiZ
N_SS_OUT0OSPIi(4)_CSn0OFSS0_OSPIi(4) external flash device chip select 00x1
N_SS_OUT1OSPIi(4)_CSn1OFSS0_OSPIi(4) external flash device chip select 10x1
N_SS_OUT2OSPIi(4)_CSn2OFSS0_OSPIi(4) external flash device chip select 20x1
N_SS_OUT3OSPIi(4)_CSn3OFSS0_OSPIi(4) external flash device chip select 30x1
OCLKOSPIi(4)_CLKOFSS0_OSPIi(4) clock output for the external flash device0x0
OSPI0_LBCLKOOFSS0_OSPIi(4) external loopback output0x0
DQSOSPIi(4)_DQSI(3)FSS0_OSPIi(4) data strobe / external loopback inputDon't care
RESET_OUT0OSPIi(4)_RESET_OUT0OFSS0_OSPIi(4) reset output 0 for the external flash device0x1
RESET_OUT1OSPIi(4)_RESET_OUT1OFSS0_OSPIi(4) reset output 1 for the external flash device0x1
ECC_FAILOSPIi(4)_ECC_FAILIFSS0_OSPIi(4) ECC status from the external flash device0x1
I = Input; O = Output
HiZ = High Impedance
When used as an external loopback input, the DQS signal can alternatively be referred to as LBCLKI. The LBCLKI clock input signal is a looped back version of the LBCLKO clock output signal and facilitates easier timing closure at higher speeds. The loopback has to be at board level in order to support higher OSPI speeds. The source of the loopback clock is defined by CTRLMMR_MCU_OSPIn_CLKSEL[4] LOOPCLK_SEL bit in Control Module (CTRL_MMR).
i represents an OSPI instance. See the device datasheet for available domains and OSPI instances.

Table 12-225 describes the OSPI I/O connectivity to external SPI devices.

Table 12-225 OSPI I/O Connectivity to External SPI Devices
Module
Pin
I/O(1)Description
4-pin(1) SPI - Single Read/Write (SIO)
(DATA_XFER_TYPE_EXT_MODE_FLD=0x0)
4-pin(1) SPI - Dual Read/Write
(DATA_XFER_TYPE_EXT_MODE_FLD=0x1)
6-pin(1) SPI - Quad Read/Write
(DATA_XFER_TYPE_EXT_MODE_FLD=0x2)
11-pin(1) SPI - Octal Read/Write
(DATA_XFER_TYPE_EXT_MODE_FLD=0x3)
DQ0IOUsed as SPI data outputUsed as SPI data input 0
Used as SPI data output 0
Used as SPI data input 0
Used as SPI data output 0
Used as SPI data input 0
Used as SPI data output 0
DQ1IOUsed as SPI data inputUsed as SPI data input 1
Used as SPI data output 1
Used as SPI data input 1
Used as SPI data output 1
Used as SPI data input 1
Used as SPI data output 1
DQ2IONot usedNot usedUsed as SPI data input 2
Used as SPI data output 2
Used as SPI data input 2
Used as SPI data output 2
DQ3IONot usedNot usedUsed as SPI data input 3
Used as SPI data output 3
Used as SPI data input 3
Used as SPI data output 3
DQ4IONot usedNot usedNot usedUsed as SPI data input 4
Used as SPI data output 4
DQ5IONot usedNot usedNot usedUsed as SPI data input 5
Used as SPI data output 5
DQ6IONot usedNot usedNot usedUsed as SPI data input 6
Used as SPI data output 6
DQ7IONot usedNot usedNot usedUsed as SPI data input 7
Used as SPI data output 7
DQSI(2)Not usedNot usedNot usedData strobe or loopback clock input
OCLKOOutput clock or loopback clock output. For more information, see Table 12-224.
N_SS_OUT0OExternal SPI device chip-select 0
N_SS_OUT1OExternal SPI device chip-select 1
N_SS_OUT2OExternal SPI device chip-select 2
N_SS_OUT3OExternal SPI device chip-select 3
RESET_OUT0OExternal SPI device reset 0
RESET_OUT1OExternal SPI device reset 1
ECC_FAILIExternal SPI device ECC failure indication
This is the pin count at the external SPI flash memory side.
When used as an external loopback input, the DQS signal can alternatively be referred to as LBCLKI. The LBCLKI clock input signal is a looped back version of the LBCLKO clock output signal and facilitates easier timing closure at higher speeds. The loopback has to be at board level in order to support higher OSPI speeds. The source of the loopback clock is defined by CTRLMMR_MCU_OSPIn_CLKSEL[4] LOOPCLK_SEL bit in Control Module (CTRL_MMR).
Note:

For OSPI0_CLK, OSPI0_LBCLKO, and OSPI0_DQS signals to work properly, the RXACTIVE bit of the appropriate registers should be set to 0x1 because of retiming purposes.

Note:

For more information about device level signals (pull-up/down resistors, buffer type, multiplexing and others), see tables Pin Attributes and Pin Multiplexing in the device-specific Datasheet.