SPRUIE9D May   2017  â€“ May 2024 DRA74P , DRA75P , DRA76P , DRA77P

 

  1.   1
  2.   Read This First
    1.     Support Resources
    2.     About This Manual
    3.     Information About Cautions and Warnings
    4.     Register, Field, and Bit Calls
    5.     Coding Rules
    6.     Flow Chart Rules
    7.     Glossary
    8.     Export Control Notice
    9.     DRA75xP, DRA74xP, DRA77xP, DRA76xP MIPI® Disclaimer
    10.     Trademarks
  3. Introduction
    1. 1.1 DRA75xP, DRA74xP, DRA77xP, DRA76xP Overview
    2. 1.2 DRA75xP, DRA74xP, DRA77xP, DRA76xP Environment
    3. 1.3 DRA75xP, DRA74xP, DRA77xP, DRA76xP Description
      1. 1.3.1  MPU Subsystem
      2. 1.3.2  DSP Subsystems
      3. 1.3.3  EVE Subsystems
      4. 1.3.4  Imaging Subsystem
      5. 1.3.5  Camera Interface Subsystem
      6. 1.3.6  IPU Subsystems
      7. 1.3.7  IVA-HD Subsystem
      8. 1.3.8  Display Subsystem
      9. 1.3.9  Video Processing Subsystem
      10. 1.3.10 Video Capture
      11. 1.3.11 3D GPU Subsystem
      12. 1.3.12 BB2D Subsystem
      13. 1.3.13 On-Chip Debug Support
      14. 1.3.14 Power, Reset, and Clock Management
      15. 1.3.15 On-Chip Memory
      16. 1.3.16 Memory Management
      17. 1.3.17 External Memory Interfaces
      18. 1.3.18 System and Connectivity Peripherals
        1. 1.3.18.1 System Peripherals
        2. 1.3.18.2 Media Connectivity Peripherals
        3. 1.3.18.3 Car Connectivity Peripherals
        4. 1.3.18.4 Audio Connectivity Peripherals
        5. 1.3.18.5 Serial Control Peripherals
        6. 1.3.18.6 Radio Accelerators
    4. 1.4 DRA75xP, DRA74xP, DRA77xP, DRA76xP Family
    5. 1.5 DRA75xP, DRA74xP, DRA77xP, DRA76xP Device Identification
    6. 1.6 DRA75xP, DRA74xP, DRA77xP, DRA76xP Package Characteristics Overview
  4. Memory Mapping
    1. 2.1 Introduction
    2. 2.2 L3_MAIN Memory Map
      1. 2.2.1 L3_INSTR Memory Map
    3. 2.3 L4 Memory Map
      1. 2.3.1 L4_CFG Memory Map
      2. 2.3.2 L4_WKUP Memory Map
    4. 2.4 L4_PER Memory Map
      1. 2.4.1 L4_PER1 Memory Space Mapping
      2. 2.4.2 L4_PER2 Memory Map
      3. 2.4.3 L4_PER3 Memory Map
    5. 2.5 MPU Memory Map
    6. 2.6 IPU Memory Map
    7. 2.7 DSP Memory Map
    8. 2.8 EVE Memory Map
    9. 2.9 TILER View Memory Map
  5. Power, Reset, and Clock Management
    1. 3.1  Device Power Management Introduction
      1. 3.1.1 Device Power-Management Architecture Building Blocks
        1. 3.1.1.1 Clock Management
          1. 3.1.1.1.1 Module Interface and Functional Clocks
          2. 3.1.1.1.2 65
          3. 3.1.1.1.3 Module-Level Clock Management
          4. 3.1.1.1.4 Clock Domain
          5. 3.1.1.1.5 Clock Domain-Level Clock Management
          6. 3.1.1.1.6 Clock Domain HW_AUTO Mode Sequences
          7. 3.1.1.1.7 Clock Domain Sleep/Wake-up
          8. 3.1.1.1.8 Clock Domain Dependency
            1. 3.1.1.1.8.1 Static Dependency
            2. 3.1.1.1.8.2 Dynamic Dependency
            3. 3.1.1.1.8.3 Wake-Up Dependency
        2. 3.1.1.2 Power Management
          1. 3.1.1.2.1 Power Domain
          2. 3.1.1.2.2 Module Logic and Memory Context
          3. 3.1.1.2.3 Power Domain Management
        3. 3.1.1.3 Voltage Management
          1. 3.1.1.3.1 Voltage Domain
          2. 3.1.1.3.2 Voltage Domain Management
          3. 3.1.1.3.3 AVS Overview
            1. 3.1.1.3.3.1 AVS Class 0 (SmartReflexâ„¢) Voltage Control
      2. 3.1.2 Power-Management Techniques
        1. 3.1.2.1 Standby Leakage Management
        2. 3.1.2.2 Dynamic Voltage and Frequency Scaling
        3. 3.1.2.3 Dynamic Power Switching
        4. 3.1.2.4 Adaptive Voltage Scaling
        5. 3.1.2.5 Adaptive Body Bias
        6. 3.1.2.6 SR3-APG (Automatic Power Gating)
        7. 3.1.2.7 Combining Power-Management Techniques
          1. 3.1.2.7.1 DPS Versus SLM
    2. 3.2  PRCM Subsystem Overview
      1. 3.2.1 Introduction
      2. 3.2.2 Power-Management Framework Features
    3. 3.3  PRCM Subsystem Environment
      1. 3.3.1 External Clock Signals
      2. 3.3.2 External Boot Signals
      3. 3.3.3 External Reset Signals
      4. 3.3.4 External Voltage Inputs
    4. 3.4  PRCM Subsystem Integration
      1. 3.4.1 Device Power-Management Layout
      2. 3.4.2 Power-Management Scheme, Reset, and Interrupt Requests
        1. 3.4.2.1 Power Domain
        2. 3.4.2.2 Resets
        3. 3.4.2.3 PRCM Interrupt Requests
        4. 3.4.2.4 107
    5. 3.5  Reset Management Functional Description
      1. 3.5.1 Overview
        1. 3.5.1.1 PRCM Reset Management Functional Description
          1. 3.5.1.1.1 Power-On Reset
          2. 3.5.1.1.2 Warm Reset
        2. 3.5.1.2 PRM Reset Management Functional Description
      2. 3.5.2 General Characteristics of Reset Signals
        1. 3.5.2.1 Scope
        2. 3.5.2.2 Occurrence
        3. 3.5.2.3 Source Type
        4. 3.5.2.4 Retention Type
      3. 3.5.3 Reset Sources
        1. 3.5.3.1 Global Reset Sources
        2. 3.5.3.2 Local Reset Sources
      4. 3.5.4 Reset Logging
      5. 3.5.5 Reset Domains
      6. 3.5.6 Reset Sequences
        1. 3.5.6.1  MPU Subsystem Power-On Reset Sequence
        2. 3.5.6.2  MPU Subsystem Warm Reset Sequence
        3. 3.5.6.3  MPU Subsystem Reset Sequence on Sleep and Wake-Up Transitions From RETENTION State
        4. 3.5.6.4  IVA Subsystem Power-On Reset Sequence
        5. 3.5.6.5  IVA Subsystem Software Warm Reset Sequence
        6. 3.5.6.6  DSP1 Subsystem Power-On Reset Sequence
        7. 3.5.6.7  DSP1 Subsystem Software Warm Reset Sequence
        8. 3.5.6.8  DSP2 Subsystem Power-On Reset Sequence
        9. 3.5.6.9  DSP2 Subsystem Software Warm Reset Sequence
        10. 3.5.6.10 IPU1 Subsystem Power-On Reset Sequence
        11. 3.5.6.11 IPU1 Subsystem Software Warm Reset Sequence
        12. 3.5.6.12 IPU2 Subsystem Power-On Reset Sequence
        13. 3.5.6.13 IPU2 Subsystem Software Warm Reset Sequence
        14. 3.5.6.14 EVE1 Subsystem Power-On Reset Sequence
        15. 3.5.6.15 EVE1 Subsystem Software Warm Reset Sequence
        16. 3.5.6.16 EVE2 Subsystem Power-On Reset Sequence
        17. 3.5.6.17 EVE2 Subsystem Software Warm Reset Sequence
        18. 3.5.6.18 Global Warm Reset Sequence
    6. 3.6  Clock Management Functional Description
      1. 3.6.1 Overview
      2. 3.6.2 External Clock Inputs
        1. 3.6.2.1 FUNC_32K_CLK Clock
        2. 3.6.2.2 High-Frequency System Clock Input
        3. 3.6.2.3 External Reference Clock Input
      3. 3.6.3 Internal Clock Sources and Generators
        1. 3.6.3.1  PRM Clock Source
        2. 3.6.3.2  CM Clock Source
          1. 3.6.3.2.1 CM_CORE_AON Clock Generator
          2. 3.6.3.2.2 CM_CORE_AON_CLKOUTMUX Overview
          3. 3.6.3.2.3 CM_CORE_AON_TIMER Overview
          4. 3.6.3.2.4 CM_CORE_AON_MCASP Overview
        3. 3.6.3.3  Generic DPLL Overview
          1. 3.6.3.3.1 Generic APLL Overview
          2. 3.6.3.3.2 DPLLs Output Clocks Parameters
          3. 3.6.3.3.3 Enable Control, Status, and Low-Power Operation Mode
          4. 3.6.3.3.4 DPLL Power Modes
          5. 3.6.3.3.5 DPLL Recalibration
          6. 3.6.3.3.6 DPLL Output Power Down
        4. 3.6.3.4  DPLL_PER Description
          1. 3.6.3.4.1 DPLL_PER Overview
          2. 3.6.3.4.2 DPLL_PER Synthesized Clock Parameters
          3. 3.6.3.4.3 DPLL_PER Power Modes
          4. 3.6.3.4.4 DPLL_PER Recalibration
        5. 3.6.3.5  DPLL_CORE Description
          1. 3.6.3.5.1 DPLL_CORE Overview
          2. 3.6.3.5.2 DPLL_CORE Synthesized Clock Parameters
          3. 3.6.3.5.3 DPLL_CORE Power Modes
          4. 3.6.3.5.4 DPLL_CORE Recalibration
        6. 3.6.3.6  DPLL_ABE Description
          1. 3.6.3.6.1 DPLL_ABE Overview
          2. 3.6.3.6.2 DPLL_ABE Synthesized Clock Parameters
          3. 3.6.3.6.3 DPLL_ABE Power Modes
          4. 3.6.3.6.4 DPLL_ABE Recalibration
          5. 3.6.3.6.5 Fractional M-factor
        7. 3.6.3.7  DPLL_MPU Description
          1. 3.6.3.7.1 DPLL_MPU Overview
          2. 3.6.3.7.2 DPLL_MPU Tactical Clocking Adjustment
          3. 3.6.3.7.3 DPLL_MPU Synthesized Clock Parameters
          4. 3.6.3.7.4 DPLL_MPU Power Modes
          5. 3.6.3.7.5 DPLL_MPU Recalibration
        8. 3.6.3.8  DPLL_IVA Description
          1. 3.6.3.8.1 DPLL_IVA Overview
          2. 3.6.3.8.2 DPLL_IVA Synthesized Clock Parameters
          3. 3.6.3.8.3 DPLL_IVA Power Modes
          4. 3.6.3.8.4 DPLL_IVA Recalibration
        9. 3.6.3.9  DPLL_USB Description
          1. 3.6.3.9.1 DPLL_USB Overview
          2. 3.6.3.9.2 DPLL_USB Synthesized Clock Parameters
          3. 3.6.3.9.3 DPLL_USB Power Modes
          4. 3.6.3.9.4 DPLL_USB Recalibration
        10. 3.6.3.10 DPLL_EVE Description
          1. 3.6.3.10.1 DPLL_EVE Overview
          2. 3.6.3.10.2 DPLL_EVE Synthesized Clock Parameters
          3. 3.6.3.10.3 DPLL_EVE Power Modes
          4. 3.6.3.10.4 DPLL_EVE Recalibration
        11. 3.6.3.11 DPLL_DSP Description
          1. 3.6.3.11.1 DPLL_DSP Overview
          2. 3.6.3.11.2 DPLL_DSP Synthesized Clock Parameters
          3. 3.6.3.11.3 DPLL_DSP Power Modes
          4. 3.6.3.11.4 DPLL_DSP Recalibration
        12. 3.6.3.12 DPLL_GMAC Description
          1. 3.6.3.12.1 DPLL_GMAC Overview
          2. 3.6.3.12.2 DPLL_GMAC Synthesized Clock Parameters
          3. 3.6.3.12.3 DPLL_GMAC Power Modes
          4. 3.6.3.12.4 DPLL_GMAC Recalibration
        13. 3.6.3.13 DPLL_GPU Description
          1. 3.6.3.13.1 DPLL_GPU Overview
          2. 3.6.3.13.2 DPLL_GPU Synthesized Clock Parameters
          3. 3.6.3.13.3 DPLL_GPU Power Modes
          4. 3.6.3.13.4 DPLL_GPU Recalibration
        14. 3.6.3.14 DPLL_DDR Description
          1. 3.6.3.14.1 DPLL_DDR Overview
          2. 3.6.3.14.2 DPLL_DDR Synthesized Clock Parameters
          3. 3.6.3.14.3 DPLL_DDR Power Modes
          4. 3.6.3.14.4 DPLL_DDR Recalibration
        15. 3.6.3.15 DPLL_PCIE_REF Description
          1. 3.6.3.15.1 DPLL_PCIE_REF Overview
          2. 3.6.3.15.2 DPLL_PCIE_REF Synthesized Clock Parameters
          3. 3.6.3.15.3 DPLL_PCIE_REF Power Modes
        16. 3.6.3.16 APLL_PCIE Description
          1. 3.6.3.16.1 APLL_PCIE Overview
          2. 3.6.3.16.2 APLL_PCIE Synthesized Clock Parameters
          3. 3.6.3.16.3 APLL_PCIE Power Modes
      4. 3.6.4 Clock Domains
        1. 3.6.4.1  CD_WKUPAON Clock Domain
          1. 3.6.4.1.1 Overview
          2. 3.6.4.1.2 Clock Domain Modes
          3. 3.6.4.1.3 Clock Domain Dependency
            1. 3.6.4.1.3.1 Wake-Up Dependency
          4. 3.6.4.1.4 Clock Domain Module Attributes
        2. 3.6.4.2  CD_DSP1 Clock Domain
          1. 3.6.4.2.1 Overview
          2. 3.6.4.2.2 Clock Domain Modes
          3. 3.6.4.2.3 Clock Domain Dependency
            1. 3.6.4.2.3.1 Static Dependency
            2. 3.6.4.2.3.2 Dynamic Dependency
          4. 3.6.4.2.4 Clock Domain Module Attributes
        3. 3.6.4.3  CD_DSP2 Clock Domain
          1. 3.6.4.3.1 Overview
          2. 3.6.4.3.2 Clock Domain Modes
          3. 3.6.4.3.3 Clock Domain Dependency
            1. 3.6.4.3.3.1 Static Dependency
            2. 3.6.4.3.3.2 Dynamic Dependency
          4. 3.6.4.3.4 Clock Domain Module Attributes
        4. 3.6.4.4  CD_CUSTEFUSE Clock Domain
          1. 3.6.4.4.1 Overview
          2. 3.6.4.4.2 Clock Domain Modes
          3. 3.6.4.4.3 Clock Domain Dependency
          4. 3.6.4.4.4 Clock Domain Module Attributes
        5. 3.6.4.5  CD_MPU Clock Domain
          1. 3.6.4.5.1 Overview
          2. 3.6.4.5.2 Clock Domain Modes
          3. 3.6.4.5.3 Clock Domain Dependency
            1. 3.6.4.5.3.1 Static Dependency
            2. 3.6.4.5.3.2 Dynamic Dependency
          4. 3.6.4.5.4 Clock Domain Module Attributes
        6. 3.6.4.6  CD_L4PER1 Clock Domain
          1. 3.6.4.6.1 Overview
          2. 3.6.4.6.2 Clock Domain Modes
          3. 3.6.4.6.3 Clock Domain Dependency
            1. 3.6.4.6.3.1 Dynamic Dependency
            2. 3.6.4.6.3.2 Wake-Up Dependency
          4. 3.6.4.6.4 Clock Domain Module Attributes
        7. 3.6.4.7  CD_L4PER2 Clock Domain
          1. 3.6.4.7.1 Overview
          2. 3.6.4.7.2 Clock Domain Modes
          3. 3.6.4.7.3 Clock Domain Dependency
            1. 3.6.4.7.3.1 Dynamic Dependency
            2. 3.6.4.7.3.2 Wake-Up Dependency
          4. 3.6.4.7.4 Clock Domain Module Attributes
        8. 3.6.4.8  CD_L4PER3 Clock Domain
          1. 3.6.4.8.1 Overview
          2. 3.6.4.8.2 Clock Domain Modes
          3. 3.6.4.8.3 Clock Domain Dependency
            1. 3.6.4.8.3.1 Dynamic Dependency
            2. 3.6.4.8.3.2 Wake-Up Dependency
          4. 3.6.4.8.4 Clock Domain Module Attributes
        9. 3.6.4.9  CD_L4SEC Clock Domain
          1. 3.6.4.9.1 Overview
          2. 3.6.4.9.2 Clock Domain Modes
          3. 3.6.4.9.3 Clock Domain Dependency
            1. 3.6.4.9.3.1 Static Dependency
            2. 3.6.4.9.3.2 Dynamic Dependency
          4. 3.6.4.9.4 Clock Domain Module Attributes
          5. 3.6.4.9.5 289
        10. 3.6.4.10 CD_L3INIT Clock Domain
          1. 3.6.4.10.1 Overview
          2. 3.6.4.10.2 Clock Domain Modes
          3. 3.6.4.10.3 Clock Domain Dependency
            1. 3.6.4.10.3.1 Static Dependency
            2. 3.6.4.10.3.2 Dynamic Dependency
            3. 3.6.4.10.3.3 Wake-Up Dependency
          4. 3.6.4.10.4 Clock Domain Module Attributes
        11. 3.6.4.11 CD_IVA Clock Domain
          1. 3.6.4.11.1 Overview
          2. 3.6.4.11.2 Clock Domain Modes
          3. 3.6.4.11.3 Clock Domain Dependency
            1. 3.6.4.11.3.1 Static Dependency
            2. 3.6.4.11.3.2 Dynamic Dependency
          4. 3.6.4.11.4 Clock Domain Module Attributes
        12. 3.6.4.12 CD_GPU Description
          1. 3.6.4.12.1 Overview
          2. 3.6.4.12.2 Clock Domain Modes
          3. 3.6.4.12.3 Clock Domain Dependency
            1. 3.6.4.12.3.1 Static Dependency
            2. 3.6.4.12.3.2 Dynamic Dependency
          4. 3.6.4.12.4 Clock Domain Module Attributes
        13. 3.6.4.13 CD_EMU Clock Domain
          1. 3.6.4.13.1 Overview
          2. 3.6.4.13.2 Clock Domain Modes
          3. 3.6.4.13.3 Clock Domain Dependency
            1. 3.6.4.13.3.1 Dynamic Dependency
          4. 3.6.4.13.4 Clock Domain Module Attributes
        14. 3.6.4.14 CD_DSS Clock Domain
          1. 3.6.4.14.1 Overview
          2. 3.6.4.14.2 Clock Domain Modes
          3. 3.6.4.14.3 Clock Domain Dependency
            1. 3.6.4.14.3.1 Static Dependency
            2. 3.6.4.14.3.2 Dynamic Dependency
            3. 3.6.4.14.3.3 Wake-Up Dependency
          4. 3.6.4.14.4 Clock Domain Module Attributes
        15. 3.6.4.15 CD_L4_CFG Clock Domain
          1. 3.6.4.15.1 Overview
          2. 3.6.4.15.2 Clock Domain Modes
          3. 3.6.4.15.3 Clock Domain Dependency
            1. 3.6.4.15.3.1 Dynamic Dependency
          4. 3.6.4.15.4 Clock Domain Module Attributes
        16. 3.6.4.16 CD_L3_INSTR Clock Domain
          1. 3.6.4.16.1 Overview
          2. 3.6.4.16.2 Clock Domain Modes
          3. 3.6.4.16.3 Clock Domain Dependency
          4. 3.6.4.16.4 Clock Domain Module Attributes
        17. 3.6.4.17 CD_L3_MAIN1 Clock Domain
          1. 3.6.4.17.1 Overview
          2. 3.6.4.17.2 Clock Domain Modes
          3. 3.6.4.17.3 Clock Domain Dependency
            1. 3.6.4.17.3.1 Dynamic Dependency
          4. 3.6.4.17.4 Clock Domain Module Attributes
        18. 3.6.4.18 CD_EMIF Clock Domain
          1. 3.6.4.18.1 Overview
          2. 3.6.4.18.2 Clock Domain Modes
          3. 3.6.4.18.3 Clock Domain Dependency
          4. 3.6.4.18.4 Clock Domain Module Attributes
        19. 3.6.4.19 CD_IPU Clock Domain
          1. 3.6.4.19.1 Overview
          2. 3.6.4.19.2 Clock Domain Modes
          3. 3.6.4.19.3 Clock Domain Dependency
            1. 3.6.4.19.3.1 Static Dependency
            2. 3.6.4.19.3.2 Dynamic Dependency
          4. 3.6.4.19.4 Clock Domain Module Attributes
        20. 3.6.4.20 CD_IPU1 Clock Domain
          1. 3.6.4.20.1 Overview
          2. 3.6.4.20.2 Clock Domain Modes
          3. 3.6.4.20.3 Clock Domain Dependency
            1. 3.6.4.20.3.1 Static Dependency
            2. 3.6.4.20.3.2 Dynamic Dependency
          4. 3.6.4.20.4 Clock Domain Module Attributes
        21. 3.6.4.21 CD_IPU2 Clock Domain
          1. 3.6.4.21.1 Overview
          2. 3.6.4.21.2 Clock Domain Modes
          3. 3.6.4.21.3 Clock Domain Dependency
            1. 3.6.4.21.3.1 Static Dependency
            2. 3.6.4.21.3.2 Dynamic Dependency
          4. 3.6.4.21.4 Clock Domain Module Attributes
        22. 3.6.4.22 CD_DMA Clock Domain
          1. 3.6.4.22.1 Overview
          2. 3.6.4.22.2 Clock Domain Modes
          3. 3.6.4.22.3 Clock Domain Dependency
            1. 3.6.4.22.3.1 Static Dependency
            2. 3.6.4.22.3.2 Dynamic Dependency
          4. 3.6.4.22.4 Clock Domain Module Attributes
        23. 3.6.4.23 CD_ATL Clock Domain
          1. 3.6.4.23.1 Overview
          2. 3.6.4.23.2 Clock Domain Modes
          3. 3.6.4.23.3 Clock Domain Module Attributes
        24. 3.6.4.24 CD_CAM Clock Domain
          1. 3.6.4.24.1 Overview
          2. 3.6.4.24.2 Clock Domain Modes
          3. 3.6.4.24.3 Clock Domain Dependency
            1. 3.6.4.24.3.1 Static Dependency
            2. 3.6.4.24.3.2 Dynamic Dependency
          4. 3.6.4.24.4 Clock Domain Module Attributes
          5. 3.6.4.24.5 387
        25. 3.6.4.25 CD_GMAC Clock Domain
          1. 3.6.4.25.1 Overview
          2. 3.6.4.25.2 Clock Domain Modes
          3. 3.6.4.25.3 Clock Domain Dependency
            1. 3.6.4.25.3.1 Static Dependency
            2. 3.6.4.25.3.2 Dynamic Dependency
          4. 3.6.4.25.4 Clock Domain Module Attributes
        26. 3.6.4.26 CD_VPE Clock Domain
          1. 3.6.4.26.1 CD_VPE Overview
          2. 3.6.4.26.2 Clock Domain Modes
          3. 3.6.4.26.3 Clock Domain Dependency
            1. 3.6.4.26.3.1 Wake-Up Dependency
          4. 3.6.4.26.4 Clock Domain Module Attributes
        27. 3.6.4.27 CD_EVE1 Clock Domain
          1. 3.6.4.27.1 CD_EVE1 Overview
          2. 3.6.4.27.2 Clock Domain Modes
          3. 3.6.4.27.3 Clock Domain Dependency
            1. 3.6.4.27.3.1 Wake-Up Dependency
          4. 3.6.4.27.4 Clock Domain Module Attributes
        28. 3.6.4.28 CD_EVE2 Clock Domain
          1. 3.6.4.28.1 CD_EVE2 Overview
          2. 3.6.4.28.2 Clock Domain Modes
          3. 3.6.4.28.3 Clock Domain Dependency
            1. 3.6.4.28.3.1 Wake-Up Dependency
          4. 3.6.4.28.4 Clock Domain Module Attributes
        29. 3.6.4.29 CD_EVE3 Clock Domain
          1. 3.6.4.29.1 CD_EVE3 Overview
          2. 3.6.4.29.2 415
          3. 3.6.4.29.3 Clock Domain Modes
          4. 3.6.4.29.4 Clock Domain Dependency
            1. 3.6.4.29.4.1 Wake-Up Dependency
          5. 3.6.4.29.5 Clock Domain Module Attributes
        30. 3.6.4.30 CD_RTC Clock Domain
          1. 3.6.4.30.1 CD_RTC Overview
          2. 3.6.4.30.2 Clock Domain Modes
          3. 3.6.4.30.3 Clock Domain Dependency
            1. 3.6.4.30.3.1 Wake-Up Dependency
          4. 3.6.4.30.4 Clock Domain Module Attributes
        31. 3.6.4.31 CD_PCIE Clock Domain
          1. 3.6.4.31.1 CD_PCIE Overview
          2. 3.6.4.31.2 Clock Domain Modes
          3. 3.6.4.31.3 Clock Domain Dependency
            1. 3.6.4.31.3.1 Wake-Up Dependency
          4. 3.6.4.31.4 Clock Domain Module Attributes
    7. 3.7  Power Management Functional Description
      1. 3.7.1  PD_WKUPAON Description
        1. 3.7.1.1 Power Domain Modes
          1. 3.7.1.1.1 Logic and Memory Area Power Modes
      2. 3.7.2  PD_DSP1 Description
        1. 3.7.2.1 Power Domain Modes
          1. 3.7.2.1.1 Logic and Memory Area Power Modes
          2. 3.7.2.1.2 Logic and Memory Area Power Modes Control and Status
      3. 3.7.3  PD_DSP2 Description
        1. 3.7.3.1 Power Domain Modes
          1. 3.7.3.1.1 Logic and Memory Area Power Modes
          2. 3.7.3.1.2 Logic and Memory Area Power Modes Control and Status
      4. 3.7.4  PD_CUSTEFUSE Description
        1. 3.7.4.1 Power Domain Modes
          1. 3.7.4.1.1 Logic and Memory Area Power Modes
          2. 3.7.4.1.2 Logic and Memory Area Power Modes Control and Status
      5. 3.7.5  PD_MPU Description
        1. 3.7.5.1 Power Domain Modes
          1. 3.7.5.1.1 Logic and Memory Area Power Modes
          2. 3.7.5.1.2 Logic and Memory Area Power Modes Control and Status
          3. 3.7.5.1.3 Power State Override
      6. 3.7.6  PD_IPU Description
        1. 3.7.6.1 Power Domain Modes
          1. 3.7.6.1.1 Logic and Memory Area Power Modes
          2. 3.7.6.1.2 Logic and Memory Area Power Modes Control and Status
      7. 3.7.7  PD_L3INIT Description
        1. 3.7.7.1 Power Domain Modes
          1. 3.7.7.1.1 Logic and Memory Area Power Modes
          2. 3.7.7.1.2 Logic and Memory Area Power Modes Control and Status
      8. 3.7.8  PD_L4PER Description
        1. 3.7.8.1 Power Domain Modes
          1. 3.7.8.1.1 Logic and Memory Area Power Modes
          2. 3.7.8.1.2 Logic and Memory Area Power Modes Control and Status
      9. 3.7.9  PD_IVA Description
        1. 3.7.9.1 Power Domain Modes
          1. 3.7.9.1.1 Logic and Memory Area Power Modes
          2. 3.7.9.1.2 Logic and Memory Area Power Modes Control and Status
      10. 3.7.10 PD_GPU Description
        1. 3.7.10.1 Power Domain Modes
          1. 3.7.10.1.1 Logic and Memory Area Power Modes
          2. 3.7.10.1.2 Logic and Memory Area Power Modes Control and Status
      11. 3.7.11 PD_EMU Description
        1. 3.7.11.1 Power Domain Modes
          1. 3.7.11.1.1 Logic and Memory Area Power Modes
          2. 3.7.11.1.2 Logic and Memory Area Power Modes Control and Status
      12. 3.7.12 PD_DSS Description
        1. 3.7.12.1 Power Domain Modes
          1. 3.7.12.1.1 Logic and Memory Area Power Modes
          2. 3.7.12.1.2 Logic and Memory Area Power Mode Control and Status
      13. 3.7.13 PD_CORE Description
        1. 3.7.13.1 Power Domain Modes
          1. 3.7.13.1.1 Logic and Memory Area Power Modes
          2. 3.7.13.1.2 Logic and Memory Area Power Mode Control and Status
      14. 3.7.14 PD_CAM (Physical PD_COREAON) Description
        1. 3.7.14.1 Power Domain Modes
          1. 3.7.14.1.1 Logic and Memory Area Power Modes
          2. 3.7.14.1.2 Logic and Memory Area Power Mode Control and Status
      15. 3.7.15 PD_MPUAON Description
        1. 3.7.15.1 Power Domain Modes
      16. 3.7.16 PD_MMAON Description
        1. 3.7.16.1 Power Domain Modes
      17. 3.7.17 PD_COREAON Description
        1. 3.7.17.1 Power Domain Modes
      18. 3.7.18 PD_VPE Description
        1. 3.7.18.1 Power Domain Modes
          1. 3.7.18.1.1 Logic and Memory Area Power Modes
          2. 3.7.18.1.2 Logic and Memory Area Power Modes Control and Status
      19. 3.7.19 PD_EVE1 Description
        1. 3.7.19.1 Power Domain Modes
          1. 3.7.19.1.1 Logic and Memory Area Power Modes
          2. 3.7.19.1.2 Logic and Memory Area Power Modes Control and Status
      20. 3.7.20 PD_EVE2 Description
        1. 3.7.20.1 Power Domain Modes
          1. 3.7.20.1.1 Logic and Memory Area Power Modes
          2. 3.7.20.1.2 Logic and Memory Area Power Modes Control and Status
      21. 3.7.21 PD_EVE3 Description
        1. 3.7.21.1 Power Domain Modes
          1. 3.7.21.1.1 Logic and Memory Area Power Modes
          2. 3.7.21.1.2 Logic and Memory Area Power Modes Control and Status
      22. 3.7.22 PD_RTC Description
        1. 3.7.22.1 Power Domain Modes
          1. 3.7.22.1.1 Logic and Memory Area Power Modes
    8. 3.8  Voltage-Management Functional Description
      1. 3.8.1 Overview
      2. 3.8.2 Voltage-Control Architecture
      3. 3.8.3 Internal LDOs Control
        1. 3.8.3.1 VDD_MPU_L, VDD_CORE_L, and VDD_IVAHD_L, VDD_GPU_L, VDD_DSPEVE_L Control
          1. 3.8.3.1.1 Adaptive Voltage Scaling
            1. 3.8.3.1.1.1 SmartReflex in the Device
        2. 3.8.3.2 Memory LDOs
        3. 3.8.3.3 ABB LDOs Control
        4. 3.8.3.4 ABB LDO Programming Sequence
          1. 3.8.3.4.1 ABB LDO Enable Sequence
          2. 3.8.3.4.2 ABB LDO Disable Sequence (Entering in Bypass Mode)
        5. 3.8.3.5 BANDGAPs Control
      4. 3.8.4 DVFS
    9. 3.9  Device Low-Power States
      1. 3.9.1 Device Wake-Up Source Summary
      2. 3.9.2 Wakeup Upon Global Warm Reset
      3. 3.9.3 Global Warm Reset During a Device Wake-Up Sequence
      4. 3.9.4 I/O Management
        1. 3.9.4.1 Isolation / Wakeup Sequence
          1. 3.9.4.1.1 Software-Controlled I/O Isolation
    10. 3.10 PRCM Module Programming Guide
      1. 3.10.1 DPLLs Low-Level Programming Models
        1. 3.10.1.1 Global Initialization
          1. 3.10.1.1.1 Surrounding Module Global Initialization
          2. 3.10.1.1.2 DPLL Global Initialization
            1. 3.10.1.1.2.1 Main Sequence – DPLL Global Initialization
            2. 3.10.1.1.2.2 Subsequence – Recalibration Parameter Configuration
            3. 3.10.1.1.2.3 Subsequence – Synthesized Clock Parameter Configuration
            4. 3.10.1.1.2.4 Subsequence – Output Clock Parameter Configuration
        2. 3.10.1.2 DPLL Output Frequency Change
      2. 3.10.2 Clock Management Low-Level Programming Models
        1. 3.10.2.1 Global Initialization
          1. 3.10.2.1.1 Surrounding Module Global Initialization
          2. 3.10.2.1.2 Clock Management Global Initialization
            1. 3.10.2.1.2.1 Main Sequence – Clock Domain Global Initialization
            2. 3.10.2.1.2.2 Subsequence – Slave Module Clock-Management Parameters Configuration
        2. 3.10.2.2 Clock Domain Sleep Transition and Troubleshooting
        3. 3.10.2.3 Enable/Disable Software-Programmable Static Dependency
      3. 3.10.3 Power Management Low-Level Programming Models
        1. 3.10.3.1 Global Initialization
          1. 3.10.3.1.1 Surrounding Module Global Initialization
          2. 3.10.3.1.2 Power Management Global Initialization
            1. 3.10.3.1.2.1 Main Sequence – Power Domain Global Initialization and Setting
        2. 3.10.3.2 Forced Memory Area State Change With Power Domain ON
        3. 3.10.3.3 Forced Power Domain Low-Power State Transition
    11. 3.11 560
    12. 3.12 PRCM Software Configuration for OPP_PLUS
    13. 3.13 PRCM Register Manual
      1. 3.13.1  PRCM Instance Summary
      2. 3.13.2  CM_CORE_AON__CKGEN Registers
        1. 3.13.2.1 CM_CORE_AON__CKGEN Register Summary
        2. 3.13.2.2 CM_CORE_AON__CKGEN Register Description
      3. 3.13.3  CM_CORE_AON__DSP1 Registers
        1. 3.13.3.1 CM_CORE_AON__DSP1 Register Summary
        2. 3.13.3.2 CM_CORE_AON__DSP1 Register Description
      4. 3.13.4  CM_CORE_AON__DSP2 Registers
        1. 3.13.4.1 CM_CORE_AON__DSP2 Register Summary
        2. 3.13.4.2 CM_CORE_AON__DSP2 Register Description
      5. 3.13.5  CM_CORE_AON__EVE1 Registers
        1. 3.13.5.1 CM_CORE_AON__EVE1 Register Summary
        2. 3.13.5.2 CM_CORE_AON__EVE1 Register Description
      6. 3.13.6  CM_CORE_AON__EVE2 Registers
        1. 3.13.6.1 CM_CORE_AON__EVE2 Register Summary
        2. 3.13.6.2 CM_CORE_AON__EVE2 Register Description
      7. 3.13.7  CORE_AON__EVE3 Registers
        1. 3.13.7.1 CM_CORE_AON__EVE3 Register Summary
        2. 3.13.7.2 CM_CORE_AON__EVE3 Register Description
      8. 3.13.8  CM_CORE_AON__INSTR Registers
        1. 3.13.8.1 CM_CORE_AON__INSTR Register Summary
        2. 3.13.8.2 CM_CORE_AON__INSTR Register Description
      9. 3.13.9  CM_CORE_AON__IPU Registers
        1. 3.13.9.1 CM_CORE_AON__IPU Register Summary
        2. 3.13.9.2 CM_CORE_AON__IPU Register Description
      10. 3.13.10 CM_CORE_AON__MPU Registers
        1. 3.13.10.1 CM_CORE_AON__MPU Register Summary
        2. 3.13.10.2 CM_CORE_AON__MPU Register Description
      11. 3.13.11 CM_CORE_AON__OCP_SOCKET Registers
        1. 3.13.11.1 CM_CORE_AON__OCP_SOCKET Register Summary
        2. 3.13.11.2 CM_CORE_AON__OCP_SOCKET Register Description
      12. 3.13.12 CM_CORE_AON__RESTORE Registers
        1. 3.13.12.1 CM_CORE_AON__RESTORE Register Summary
        2. 3.13.12.2 CM_CORE_AON__RESTORE Register Description
      13. 3.13.13 CM_CORE_AON__RTC Registers
        1. 3.13.13.1 CM_CORE_AON__RTC Register Summary
        2. 3.13.13.2 CM_CORE_AON__RTC Register Description
      14. 3.13.14 CM_CORE_AON__VPE Registers
        1. 3.13.14.1 CM_CORE_AON__VPE Register Summary
        2. 3.13.14.2 CM_CORE_AON__VPE Register Description
      15. 3.13.15 CM_CORE__CAM Registers
        1. 3.13.15.1 CM_CORE__CAM Register Summary
        2. 3.13.15.2 CM_CORE__CAM Register Description
      16. 3.13.16 CM_CORE__CKGEN Registers
        1. 3.13.16.1 CM_CORE__CKGEN Register Summary
        2. 3.13.16.2 CM_CORE__CKGEN Register Description
      17. 3.13.17 CM_CORE__COREAON Registers
        1. 3.13.17.1 CM_CORE__COREAON Register Summary
        2. 3.13.17.2 CM_CORE__COREAON Register Description
      18. 3.13.18 CM_CORE__CORE Registers
        1. 3.13.18.1 CM_CORE__CORE Register Summary
        2. 3.13.18.2 CM_CORE__CORE Register Description
      19. 3.13.19 CM_CORE__CUSTEFUSE Registers
        1. 3.13.19.1 CM_CORE__CUSTEFUSE Register Summary
        2. 3.13.19.2 CM_CORE__CUSTEFUSE Register Description
      20. 3.13.20 CM_CORE__DSS Registers
        1. 3.13.20.1 CM_CORE__DSS Register Summary
        2. 3.13.20.2 CM_CORE__DSS Register Description
      21. 3.13.21 CM_CORE__GPU Registers
        1. 3.13.21.1 CM_CORE__GPU Register Summary
        2. 3.13.21.2 CM_CORE__GPU Register Description
      22. 3.13.22 CM_CORE__IVA Registers
        1. 3.13.22.1 CM_CORE__IVA Register Summary
        2. 3.13.22.2 CM_CORE__IVA Register Description
      23. 3.13.23 CM_CORE__L3INIT Registers
        1. 3.13.23.1 CM_CORE__L3INIT Register Summary
        2. 3.13.23.2 CM_CORE__L3INIT Register Description
      24. 3.13.24 CM_CORE__L4PER Registers
        1. 3.13.24.1 CM_CORE__L4PER Register Summary
        2. 3.13.24.2 CM_CORE__L4PER Register Description
      25. 3.13.25 CM_CORE__OCP_SOCKET Registers
        1. 3.13.25.1 CM_CORE__OCP_SOCKET Register Summary
        2. 3.13.25.2 CM_CORE__OCP_SOCKET Register Description
      26. 3.13.26 CM_CORE__RESTORE Registers
        1. 3.13.26.1 CM_CORE__RESTORE Register Summary
        2. 3.13.26.2 CM_CORE__RESTORE Register Description
      27. 3.13.27 CAM_PRM Registers
        1. 3.13.27.1 CAM_PRM Register Summary
        2. 3.13.27.2 CAM_PRM Register Description
      28. 3.13.28 CKGEN_PRM Registers
        1. 3.13.28.1 CKGEN_PRM Register Summary
        2. 3.13.28.2 CKGEN_PRM Register Description
      29. 3.13.29 CORE_PRM Registers
        1. 3.13.29.1 CORE_PRM Register Summary
        2. 3.13.29.2 CORE_PRM Register Description
      30. 3.13.30 CUSTEFUSE_PRM Registers
        1. 3.13.30.1 CUSTEFUSE_PRM Register Summary
        2. 3.13.30.2 CUSTEFUSE_PRM Register Description
      31. 3.13.31 DEVICE_PRM Registers
        1. 3.13.31.1 DEVICE_PRM Register Summary
        2. 3.13.31.2 DEVICE_PRM Register Description
      32. 3.13.32 DSP1_PRM Registers
        1. 3.13.32.1 DSP1_PRM Register Summary
        2. 3.13.32.2 DSP1_PRM Register Description
      33. 3.13.33 DSP2_PRM Registers
        1. 3.13.33.1 DSP2_PRM Register Summary
        2. 3.13.33.2 DSP2_PRM Register Description
      34. 3.13.34 DSS_PRM Registers
        1. 3.13.34.1 DSS_PRM Register Summary
        2. 3.13.34.2 DSS_PRM Register Description
      35. 3.13.35 EMU_CM Registers
        1. 3.13.35.1 EMU_CM Register Summary
        2. 3.13.35.2 EMU_CM Register Description
      36. 3.13.36 EMU_PRM Registers
        1. 3.13.36.1 EMU_PRM Register Summary
        2. 3.13.36.2 EMU_PRM Register Description
      37. 3.13.37 EVE1_PRM Registers
        1. 3.13.37.1 EVE1_PRM Register Summary
        2. 3.13.37.2 EVE1_PRM Register Description
      38. 3.13.38 EVE2_PRM Registers
        1. 3.13.38.1 EVE2_PRM Register Summary
        2. 3.13.38.2 EVE2_PRM Register Description
      39. 3.13.39 EVE3_PRM Registers
        1. 3.13.39.1 EVE3_PRM Register Summary
        2. 3.13.39.2 EVE3_PRM Register Description
      40. 3.13.40 GPU_PRM Registers
        1. 3.13.40.1 GPU_PRM Register Summary
        2. 3.13.40.2 GPU_PRM Register Description
      41. 3.13.41 INSTR_PRM Registers
        1. 3.13.41.1 INSTR_PRM Register Summary
        2. 3.13.41.2 INSTR_PRM Register Description
      42. 3.13.42 IPU_PRM Registers
        1. 3.13.42.1 IPU_PRM Register Summary
        2. 3.13.42.2 IPU_PRM Register Description
      43. 3.13.43 IVA_PRM Registers
        1. 3.13.43.1 IVA_PRM Register Summary
        2. 3.13.43.2 IVA_PRM Register Description
      44. 3.13.44 L3INIT_PRM Registers
        1. 3.13.44.1 L3INIT_PRM Register Summary
        2. 3.13.44.2 L3INIT_PRM Register Description
      45. 3.13.45 L4PER_PRM Registers
        1. 3.13.45.1 L4PER_PRM Register Summary
        2. 3.13.45.2 L4PER_PRM Register Description
      46. 3.13.46 MPU_PRM Registers
        1. 3.13.46.1 MPU_PRM Register Summary
        2. 3.13.46.2 MPU_PRM Register Description
      47. 3.13.47 OCP_SOCKET_PRM Registers
        1. 3.13.47.1 OCP_SOCKET_PRM Register Summary
        2. 3.13.47.2 OCP_SOCKET_PRM Register Description
      48. 3.13.48 RTC_PRM Registers
        1. 3.13.48.1 RTC_PRM Register Summary
        2. 3.13.48.2 RTC_PRM Register Description
      49. 3.13.49 VPE_PRM Registers
        1. 3.13.49.1 VPE_PRM Register Summary
        2. 3.13.49.2 VPE_PRM Register Description
      50. 3.13.50 WKUPAON_CM Registers
        1. 3.13.50.1 WKUPAON_CM Register Summary
        2. 3.13.50.2 WKUPAON_CM Register Description
      51. 3.13.51 WKUPAON_PRM Registers
        1. 3.13.51.1 WKUPAON_PRM Register Summary
        2. 3.13.51.2 WKUPAON_PRM Register Description
  6. Dual Cortex-A15 MPU Subsystem
    1. 4.1 Dual Cortex-A15 MPU Subsystem Overview
      1. 4.1.1 Introduction
      2. 4.1.2 Features
    2. 4.2 Dual Cortex-A15 MPU Subsystem Integration
      1. 4.2.1 Clock Distribution
      2. 4.2.2 Reset Distribution
    3. 4.3 Dual Cortex-A15 MPU Subsystem Functional Description
      1. 4.3.1 MPU Subsystem Block Diagram
      2. 4.3.2 Cortex-A15 MPCore (MPU_CLUSTER)
        1. 4.3.2.1 MPU L2 Cache Memory System
          1. 4.3.2.1.1 MPU L2 Cache Architecture
          2. 4.3.2.1.2 MPU L2 Cache Controller
          3. 4.3.2.1.3 727
      3. 4.3.3 MPU_AXI2OCP
      4. 4.3.4 Memory Adapter
        1. 4.3.4.1 MPU_MA Overview
        2. 4.3.4.2 AXI Input Interface
        3. 4.3.4.3 Interleaving
          1. 4.3.4.3.1 High-Order Fixed Interleaving Model
          2. 4.3.4.3.2 Lower 2-GiB Programmable Interleaving Model
          3. 4.3.4.3.3 Local Interconnect and Synchronization Agent (LISA) Section Manager
          4. 4.3.4.3.4 MA_LSM Registers
          5. 4.3.4.3.5 Posted and Nonposted Writes
          6. 4.3.4.3.6 Errors
        4. 4.3.4.4 Statistics Collector Probe Ports
        5. 4.3.4.5 MPU_MA Firewall
        6. 4.3.4.6 MPU_MA Power and Reset Management
        7. 4.3.4.7 MPU_MA Watchpoint
          1. 4.3.4.7.1 Watchpoint Types
          2. 4.3.4.7.2 Transaction Filtering Options
          3. 4.3.4.7.3 Transaction Match Effects
          4. 4.3.4.7.4 Trigger Generation
          5. 4.3.4.7.5 Programming Options Summary
      5. 4.3.5 Realtime Counter (Master Counter)
        1. 4.3.5.1 Counter Operation
        2. 4.3.5.2 Frequency Change Procedure
      6. 4.3.6 MPU Watchdog Timer
      7. 4.3.7 MPU Subsystem Power Management
        1. 4.3.7.1 Power Domains
        2. 4.3.7.2 Power States of MPU_Cx
        3. 4.3.7.3 Power States of MPU Subsystem
        4. 4.3.7.4 MPU_WUGEN
        5. 4.3.7.5 Power Transition Sequence
        6. 4.3.7.6 SR3-APG Technology Fail-Safe Mode
      8. 4.3.8 MPU Subsystem AMBA Interface Configuration
    4. 4.4 Dual Cortex-A15 MPU Subsystem Register Manual
      1. 4.4.1  Dual Cortex-A15 MPU Subsystem Instance Summary
      2. 4.4.2  MPU_CS_STM Registers
      3. 4.4.3  MPU_INTC Registers
      4. 4.4.4  MPU_PRCM_OCP_SOCKET Registers
        1. 4.4.4.1 MPU_PRCM_OCP_SOCKET Register Summary
        2. 4.4.4.2 MPU_PRCM_OCP_SOCKET Register Description
      5. 4.4.5  MPU_PRCM_DEVICE Registers
        1. 4.4.5.1 MPU_PRCM_DEVICE Register Summary
        2. 4.4.5.2 MPU_PRCM_DEVICE Register Description
      6. 4.4.6  MPU_PRCM_PRM_C0 Registers
        1. 4.4.6.1 MPU_PRCM_PRM_C0 Register Summary
        2. 4.4.6.2 MPU_PRCM_PRM_C0 Register Description
      7. 4.4.7  MPU_PRCM_CM_C0 Registers
        1. 4.4.7.1 MPU_PRCM_CM_C0 Register Summary
        2. 4.4.7.2 MPU_PRCM_CM_C0 Register Description
      8. 4.4.8  MPU_PRCM_PRM_C1 Registers
        1. 4.4.8.1 MPU_PRCM_PRM_C1 Register Summary
        2. 4.4.8.2 MPU_PRCM_PRM_C1 Register Description
      9. 4.4.9  MPU_PRCM_CM_C1 Registers
        1. 4.4.9.1 MPU_PRCM_CM_C1 Register Summary
        2. 4.4.9.2 MPU_PRCM_CM_C1 Register Description
      10. 4.4.10 MPU_WUGEN Registers
        1. 4.4.10.1 MPU_WUGEN Register Summary
        2. 4.4.10.2 MPU_WUGEN Register Description
      11. 4.4.11 MPU_WD_TIMER Registers
        1. 4.4.11.1 MPU_WD_TIMER Register Summary
        2. 4.4.11.2 MPU_WD_TIMER Register Description
      12. 4.4.12 MPU_AXI2OCP_MISC Registers
        1. 4.4.12.1 MPU_AXI2OCP_MISC Register Summary
        2. 4.4.12.2 MPU_AXI2OCP_MISC Register Description
      13. 4.4.13 MPU_MA_LSM Registers
        1. 4.4.13.1 MPU_MA_LSM Register Summary
        2. 4.4.13.2 MPU_MA_LSM Register Description
      14. 4.4.14 MPU_MA_WP Registers
        1. 4.4.14.1 MPU_MA_WP Register Summary
        2. 4.4.14.2 MPU_MA_WP Register Description
  7. DSP Subsystems
    1. 5.1 DSP Subsystems Overview
      1. 5.1.1 DSP Subsystems Key Features
    2. 5.2 DSP Subsystem Integration
    3. 5.3 DSP Subsystems Functional Description
      1. 5.3.1  DSP Subsystems Block Diagram
      2. 5.3.2  DSP Subsystem Components
        1. 5.3.2.1 C66x DSP Subsystem Introduction
        2. 5.3.2.2 DSP TMS320C66x CorePac
          1. 5.3.2.2.1 DSP TMS320C66x CorePac CPU
          2. 5.3.2.2.2 DSP TMS320C66x CorePac Internal Memory Controllers and Memories
            1. 5.3.2.2.2.1 Level 1 Memories
            2. 5.3.2.2.2.2 Level 2 Memory
          3. 5.3.2.2.3 DSP C66x CorePac Internal Peripherals
            1. 5.3.2.2.3.1 DSP C66x CorePac Interrupt Controller (DSP INTC)
            2. 5.3.2.2.3.2 DSP C66x CorePac Power-Down Controller (DSP PDC)
            3. 5.3.2.2.3.3 DSP C66x CorePac Bandwidth Manager (BWM)
            4. 5.3.2.2.3.4 DSP C66x CorePac Memory Protection Hardware
            5. 5.3.2.2.3.5 DSP C66x CorePac Internal DMA (IDMA) Controller
            6. 5.3.2.2.3.6 DSP C66x CorePac External Memory Controller
            7. 5.3.2.2.3.7 DSP C66x CorePac Extended Memory Controller
              1. 5.3.2.2.3.7.1 XMC MDMA Accesses at DSP System Level
                1. 5.3.2.2.3.7.1.1 DSP System MPAX Logic
                2. 5.3.2.2.3.7.1.2 MDMA Non-Post Override Control
            8. 5.3.2.2.3.8 L1P Memory Error Detection Logic
            9. 5.3.2.2.3.9 L2 Memory Error Detection and Correction Logic
        3. 5.3.2.3 DSP Debug and Trace Support
          1. 5.3.2.3.1 DSP Advanced Event Triggering (AET)
          2. 5.3.2.3.2 DSP Trace Support
          3. 5.3.2.3.3 826
      3. 5.3.3  DSP System Control Logic
        1. 5.3.3.1 DSP System Clocks
        2. 5.3.3.2 DSP Hardware Resets
        3. 5.3.3.3 DSP Software Resets
        4. 5.3.3.4 DSP Power Management
          1. 5.3.3.4.1 DSP System Powerdown Protocols
          2. 5.3.3.4.2 DSP Software and Hardware Power Down Sequence Overview
          3. 5.3.3.4.3 DSP IDLE Wakeup
          4. 5.3.3.4.4 DSP SYSTEM IRQWAKEEN registers
          5. 5.3.3.4.5 DSP Automatic Power Transition
      4. 5.3.4  DSP Interrupt Requests
        1. 5.3.4.1 DSP Input Interrupts
          1. 5.3.4.1.1 DSP Non-maskable Interrupt Input
        2. 5.3.4.2 DSP Event and Interrupt Generation Outputs
          1. 5.3.4.2.1 DSP MDMA and DSP EDMA Mflag Event Outputs
          2. 5.3.4.2.2 DSP Aggregated Error Interrupt Output
          3. 5.3.4.2.3 Non-DSP C66x CorePac Generated Peripheral Interrupt Outputs
      5. 5.3.5  DSP DMA Requests
        1. 5.3.5.1 DSP EDMA Wakeup Interrupt
      6. 5.3.6  DSP Intergated Memory Management Units
        1. 5.3.6.1 DSP MMUs Overview
        2. 5.3.6.2 Routing MDMA Traffic through DSP MMU0
        3. 5.3.6.3 Routing EDMA Traffic thorugh DSP MMU1
      7. 5.3.7  DSP Integrated EDMA Subsystem
        1. 5.3.7.1 DSP EDMA Overview
        2. 5.3.7.2 DSP System and Device Level Settings of DSP EDMA
      8. 5.3.8  DSP L2 interconnect Network
        1. 5.3.8.1 DSP Public Firewall Settings
        2. 5.3.8.2 DSP NoC Flag Mux and Error Log Registers
        3. 5.3.8.3 DSP NoC Arbitration
      9. 5.3.9  DSP Boot Configuration
      10. 5.3.10 DSP Internal and External Memory Views
        1. 5.3.10.1 C66x CPU View of the Address Space
        2. 5.3.10.2 DSP_EDMA View of the Address Space
        3. 5.3.10.3 L3_MAIN View of the DSP Address Space
    4. 5.4 DSP Subsystem Register Manual
      1. 5.4.1 DSP Subsystem Instance Summary
      2. 5.4.2 DSP_ICFG Registers
        1. 5.4.2.1 DSP_ICFG Register Summary
        2. 5.4.2.2 DSP_ICFG Register Description
      3. 5.4.3 DSP_SYSTEM Registers
        1. 5.4.3.1 DSP_SYSTEM Register Summary
        2. 5.4.3.2 DSP_SYSTEM Register Description
      4. 5.4.4 DSP_FW_L2_NOC_CFG Registers
        1. 5.4.4.1 DSP_FW_L2_NOC_CFG Register Summary
        2. 5.4.4.2 DSP_FW_L2_NOC_CFG Register Description
  8. IVA Subsystem
  9. Dual Cortex-M4 IPU Subsystem
    1. 7.1 Dual Cortex-M4 IPU Subsystem Overview
      1. 7.1.1 Introduction
      2. 7.1.2 Features
    2. 7.2 Dual Cortex-M4 IPU Subsystem Integration
      1. 7.2.1 Dual Cortex-M4 IPU Subsystem Clock and Reset Distribution
        1. 7.2.1.1 Clock Distribution
        2. 7.2.1.2 Reset Distribution
    3. 7.3 Dual Cortex-M4 IPU Subsystem Functional Description
      1. 7.3.1 IPUx Subsystem Block Diagram
      2. 7.3.2 Power Management
        1. 7.3.2.1 Local Power Management
        2. 7.3.2.2 Power Domains
        3. 7.3.2.3 887
        4. 7.3.2.4 Voltage Domain
        5. 7.3.2.5 Power States and Modes
        6. 7.3.2.6 Wake-Up Generator (IPUx_WUGEN)
          1. 7.3.2.6.1 IPUx_WUGEN Main Features
      3. 7.3.3 IPUx_UNICACHE
      4. 7.3.4 IPUx_UNICACHE_MMU
      5. 7.3.5 IPUx_UNICACHE_SCTM
        1. 7.3.5.1 Counter Functions
          1. 7.3.5.1.1 Input Events
          2. 7.3.5.1.2 Counters
            1. 7.3.5.1.2.1 Counting Modes
            2. 7.3.5.1.2.2 Counter Overflow
            3. 7.3.5.1.2.3 Counters and Processor State
            4. 7.3.5.1.2.4 Chaining Counters
            5. 7.3.5.1.2.5 Enabling and Disabling Counters
            6. 7.3.5.1.2.6 Resetting Counters
        2. 7.3.5.2 Timer Functions
          1. 7.3.5.2.1 Periodic Intervals
          2. 7.3.5.2.2 Event Generation
      6. 7.3.6 IPUx_MMU
        1. 7.3.6.1 IPUx_MMU Behavior on Page-Fault in IPUx Subsystem
      7. 7.3.7 Interprocessor Communication (IPC)
        1. 7.3.7.1 Use of WFE and SEV
        2. 7.3.7.2 Use of Interrupt for IPC
        3. 7.3.7.3 Use of the Bit-Band Feature for Semaphore Operations
        4. 7.3.7.4 Private Memory Space
      8. 7.3.8 IPU Boot Options
    4. 7.4 Dual Cortex-M4 IPU Subsystem Register Manual
      1. 7.4.1 IPUx Subsystem Instance Summary
      2. 7.4.2 IPUx_UNICACHE_CFG Registers
        1. 7.4.2.1 IPUx_UNICACHE_CFG Register Summary
        2. 7.4.2.2 IPUx_UNICACHE_CFG Register Description
      3. 7.4.3 IPUx_UNICACHE_SCTM Registers
        1. 7.4.3.1 IPUx_UNICACHE_SCTM Register Summary
        2. 7.4.3.2 IPUx_UNICACHE_SCTM Register Description
      4. 7.4.4 IPUx_UNICACHE_MMU (AMMU) Registers
        1. 7.4.4.1 IPUx_UNICACHE_MMU (AMMU) Register Summary
        2. 7.4.4.2 IPUx_UNICACHE_MMU (AMMU) Register Description
      5. 7.4.5 IPUx_MMU Registers
      6. 7.4.6 IPUx_Cx_INTC Registers
      7. 7.4.7 IPUx_WUGEN Registers
        1. 7.4.7.1 IPUx_WUGEN Register Summary
        2. 7.4.7.2 IPUx_WUGEN Register Description
      8. 7.4.8 IPUx_Cx_RW_TABLE Registers
        1. 7.4.8.1 IPUx_Cx_RW_TABLE Register Summary
        2. 7.4.8.2 IPUx_Cx_RW_TABLE Register Description
  10. Embedded Vision Engine
    1. 8.1 Embedded Vision Engine (EVE) Subsystem
      1. 8.1.1 EVE Overview
        1. 8.1.1.1 EVE Memories
      2. 8.1.2 EVE Integration
        1. 8.1.2.1 Multi-EVE Recommended Connections
      3. 8.1.3 EVE Functional Description
        1. 8.1.3.1  EVE Connection ID (ConnID) Mapping
        2. 8.1.3.2  EVE Processors Overview
          1. 8.1.3.2.1 Scalar Core (ARP32)
          2. 8.1.3.2.2 VCOP
          3. 8.1.3.2.3 Scalar-Vector Interaction
        3. 8.1.3.3  Internal Memory Overview
          1. 8.1.3.3.1 Program Cache/Memory
          2. 8.1.3.3.2 ARP32 Data Memory (DMEM)
          3. 8.1.3.3.3 WBUF
          4. 8.1.3.3.4 Image Buffers–IBUFLA, IBUFLB, IBUFHA, and IBUFHB
          5. 8.1.3.3.5 Memory Switch Error Registers
          6. 8.1.3.3.6 Memory Error Detection
            1. 8.1.3.3.6.1 Captured Address – EDADDR and EDADDR_BO
            2. 8.1.3.3.6.2 Modes of Operation
            3. 8.1.3.3.6.3 Parity Error Testability
            4. 8.1.3.3.6.4 Parity Error Recovery
          7. 8.1.3.3.7 VCOP System Error Halt Conditions
        4. 8.1.3.4  Program Cache Architecture
          1. 8.1.3.4.1 Basic Operation
          2. 8.1.3.4.2 Line Buffer
          3. 8.1.3.4.3 Software Direct Preload
          4. 8.1.3.4.4 User Coherence Operation
            1. 8.1.3.4.4.1 Global Invalidate
            2. 8.1.3.4.4.2 Range-Based Invalidate
            3. 8.1.3.4.4.3 Single-Address Invalidate – For Breakpoint Operation
          5. 8.1.3.4.5 Demand-Based Prefetch
          6. 8.1.3.4.6 Debug Support
            1. 8.1.3.4.6.1 Read/Write Accessibility through OCP Debug Target Port
            2. 8.1.3.4.6.2 Breakpoint Support
            3. 8.1.3.4.6.3 Cache Profiling
          7. 8.1.3.4.7 Error Detection
        5. 8.1.3.5  EDMA
          1. 8.1.3.5.1 DMA Channel Events
          2. 8.1.3.5.2 DMA Parameter Set
          3. 8.1.3.5.3 Channel Controller
          4. 8.1.3.5.4 EVE-Level Bus Width and Throughput
            1. 8.1.3.5.4.1 Concurrent Transfer Requirements
        6. 8.1.3.6  General-Purpose Inputs/Outputs
        7. 8.1.3.7  CME Signaling
        8. 8.1.3.8  Multi-EVE and VIP Usage Models
          1. 8.1.3.8.1 Data Partitioning
          2. 8.1.3.8.2 Task Partitioning
          3. 8.1.3.8.3 983
        9. 8.1.3.9  Memory Management Unit
        10. 8.1.3.10 Interrupt Control
          1. 8.1.3.10.1 EVE Interrupt Sources – Memory Switch and Parity Error Interrupts
          2. 8.1.3.10.2 ARP32 INTC
          3. 8.1.3.10.3 Output Interrupt Reduction
          4. 8.1.3.10.4 End of Interrupt Mapping
        11. 8.1.3.11 Interprocessor Communication
          1. 8.1.3.11.1 Mailbox Configuration
            1. 8.1.3.11.1.1 Mailbox 0 – EVE to DSP1, DSP2 and MPU
            2. 8.1.3.11.1.2 Mailbox 1 – EVE to Other Hosts
            3. 8.1.3.11.1.3 Mailbox 2 – EVE to EVE in a 2x EVE System
        12. 8.1.3.12 Powerdown
          1. 8.1.3.12.1 Extended Duration Sleep
            1. 8.1.3.12.1.1 Sequence Overview
            2. 8.1.3.12.1.2 Idle Protocol Overview
            3. 8.1.3.12.1.3 Mstandby Protocol Overview
            4. 8.1.3.12.1.4 IDLE Wakeup
        13. 8.1.3.13 Hardware-Assisted Software Self-Test – MISRs
          1. 8.1.3.13.1 Mapping of MISRs to Different Width Buses
          2. 8.1.3.13.2 Detection of Valid Address and Data Cycles
          3. 8.1.3.13.3 Creating a Unique Signature – Software Self-Test Implications
          4. 8.1.3.13.4 Multipass Tests Using WBUF MISR
        14. 8.1.3.14 Error Recovery – ARP32 and OCP Disconnect
          1. 8.1.3.14.1 ARP32 Disconnect
          2. 8.1.3.14.2 OCP Initiator Disconnect
        15. 8.1.3.15 Lock and Unlock Feature
        16. 8.1.3.16 EVE Memory Map
          1. 8.1.3.16.1 VCOP and Local EDMA: IBUF Memory Map Aliasing
          2. 8.1.3.16.2 ARP32 Write Model – Avoiding Race Conditions
        17. 8.1.3.17 Debug Support
          1. 8.1.3.17.1 ARP32 Debug Support
          2. 8.1.3.17.2 SCTM
            1. 8.1.3.17.2.1 SCTM Configuration
            2. 8.1.3.17.2.2 SCTM Resources Reserved for BIOS
            3. 8.1.3.17.2.3 SCTM Event Mapping
            4. 8.1.3.17.2.4 SCTM Halt and Idle Modes
          3. 8.1.3.17.3 SMSET
            1. 8.1.3.17.3.1 SMSET Configuration
            2. 8.1.3.17.3.2 SMSET Event Mapping
        18. 8.1.3.18 EVE L2_FNOC Interconnect
          1. 8.1.3.18.1 EVE L2_FNOC Flag Mux and Error Log Registers
      4. 8.1.4 EVE Programming Model
        1. 8.1.4.1 Boot
        2. 8.1.4.2 Task Change and Program Cache Prefetch
          1. 8.1.4.2.1 Simple or Unoptimized Branch to New Task
          2. 8.1.4.2.2 Prefetch, Wait, then Branch to New Task
          3. 8.1.4.2.3 Hidden Prefetch
        3. 8.1.4.3 Interrupts
        4. 8.1.4.4 Safety Considerations
          1. 8.1.4.4.1 Memory Error Detection
          2. 8.1.4.4.2 MMU
          3. 8.1.4.4.3 Firewall
          4. 8.1.4.4.4 Interconnect
          5. 8.1.4.4.5 Application Stability/Sequencing
          6. 8.1.4.4.6 Interrupt Servicing
      5. 8.1.5 EVE Subsystem Register Manual
        1. 8.1.5.1 EVE Instance Summary
        2. 8.1.5.2 EVE Register Summary and Description
          1. 8.1.5.2.1 EVE Register Summary
          2. 8.1.5.2.2 EVE Register Description
        3. 8.1.5.3 EVE L2_FNOC Register Summary and Description
          1. 8.1.5.3.1 EVE L2_FNOC Register Summary
          2. 8.1.5.3.2 EVE L2_FNOC Register Description
      6. 8.1.6 Subsystem Counter Timer Module
        1. 8.1.6.1 Introduction
          1. 8.1.6.1.1 Overview
          2. 8.1.6.1.2 Top-Level Requirements
          3. 8.1.6.1.3 Configuration
          4. 8.1.6.1.4 Block Diagram
        2. 8.1.6.2 Functional Description
          1. 8.1.6.2.1 Configuration Interface
          2. 8.1.6.2.2 Counter Function
            1. 8.1.6.2.2.1 Input Events
            2. 8.1.6.2.2.2 Counters
            3. 8.1.6.2.2.3 Counting Mode
            4. 8.1.6.2.2.4 Counter Overflow
            5. 8.1.6.2.2.5 Counters and Processor State
            6. 8.1.6.2.2.6 Chaining Counters
              1. 8.1.6.2.2.6.1 Reading Chained Counters
            7. 8.1.6.2.2.7 Enabling and Disabling Counters
            8. 8.1.6.2.2.8 Resetting Counters
          3. 8.1.6.2.3 Timer Function
            1. 8.1.6.2.3.1 Periodic Intervals
            2. 8.1.6.2.3.2 Event Generation
            3. 8.1.6.2.3.3 Watchdog Timer Function
          4. 8.1.6.2.4 System Trace Integration
            1. 8.1.6.2.4.1 Overview
            2. 8.1.6.2.4.2 STM Configuration
              1. 8.1.6.2.4.2.1 Periodic Counter State Export
              2. 8.1.6.2.4.2.2 Application Control of Counter State Export
              3. 8.1.6.2.4.2.3 Application Control of the Counter Configuration Export
        3. 8.1.6.3 Use Case Examples
          1. 8.1.6.3.1 Counter Enable
            1. 8.1.6.3.1.1 Enabling a Single Counter
            2. 8.1.6.3.1.2 Reading a Single Counter
            3. 8.1.6.3.1.3 Enabling a Group of Counters Simultaneously
            4. 8.1.6.3.1.4 Reading a Group of Counters Simultaneously
            5. 8.1.6.3.1.5 Configuring a Chained Counter
          2. 8.1.6.3.2 Timer Enable
          3. 8.1.6.3.3 Periodic STM Export Enable
          4. 8.1.6.3.4 Disabling the SCTM
        4. 8.1.6.4 SCTM Register Manual
          1. 8.1.6.4.1 SCTM Instance Summary
          2. 8.1.6.4.2 SCTM Registers
            1. 8.1.6.4.2.1 SCTM Register Summary
            2. 8.1.6.4.2.2 SCTM Register Description
      7. 8.1.7 Software Message and System Event Trace
        1. 8.1.7.1 Introduction
          1. 8.1.7.1.1 Overview
          2. 8.1.7.1.2 Configuration
          3. 8.1.7.1.3 Block Diagram
        2. 8.1.7.2 Functional Description
          1. 8.1.7.2.1 Connectivity
          2. 8.1.7.2.2 SMSET Event Mapping
          3. 8.1.7.2.3 Software Messages
          4. 8.1.7.2.4 SMSET Master Port
            1. 8.1.7.2.4.1 OCP Disconnect
          5. 8.1.7.2.5 SMSET Debug Features
          6. 8.1.7.2.6 Component Ownership
            1. 8.1.7.2.6.1 Ownership State
              1. 8.1.7.2.6.1.1 Available State
              2. 8.1.7.2.6.1.2 Claimed State
              3. 8.1.7.2.6.1.3 Enabled State
            2. 8.1.7.2.6.2 Ownership Commands
            3. 8.1.7.2.6.3 Claim Reset
        3. 8.1.7.3 Use Case Examples
          1. 8.1.7.3.1 Procedure to Enable System Event Capture
          2. 8.1.7.3.2 Procedure to Start and Stop System Event Capture from External Trigger Detection
          3. 8.1.7.3.3 Procedure to Disable System Event Capture
        4. 8.1.7.4 SMSET Register Manual
          1. 8.1.7.4.1 SMSET Instance Summary
          2. 8.1.7.4.2 SMSET Register Summary
          3. 8.1.7.4.3 SMSET Register Description
    2. 8.2 ARP32 CPU and Instruction Set
      1. 8.2.1 Overview
      2. 8.2.2 Features
      3. 8.2.3 Block Diagram
      4. 8.2.4 Architecture
        1. 8.2.4.1  Interface Description
          1. 8.2.4.1.1 Data Memory Interface
          2. 8.2.4.1.2 Instruction Memory Interface
        2. 8.2.4.2  Pipeline
          1. 8.2.4.2.1 Overview
          2. 8.2.4.2.2 Pipeline Operation
            1. 8.2.4.2.2.1 ARP32 CPU Pipeline Operation
            2. 8.2.4.2.2.2 1129
          3. 8.2.4.2.3 Pipeline Interlocks
        3. 8.2.4.3  Data Format
        4. 8.2.4.4  Endian Support
        5. 8.2.4.5  Architectural Register File
        6. 8.2.4.6  CPU Control Registers
          1. 8.2.4.6.1  Control Status Register (CSR)
          2. 8.2.4.6.2  Interrupt Enable Register (IER)
          3. 8.2.4.6.3  Interrupt Flag Register (IFR)
          4. 8.2.4.6.4  Interrupt Set Register (ISR)
          5. 8.2.4.6.5  Interrupt Clear Register (ICR)
          6. 8.2.4.6.6  Nonmaskable Interrupt (NMI) Return Pointer Register (NRP)
          7. 8.2.4.6.7  Interrupt Return Pointer Register (IRP)
          8. 8.2.4.6.8  Stack Pointer Register (SP)
          9. 8.2.4.6.9  Global Data Pointer Register (GDP)
          10. 8.2.4.6.10 Link Register (LR)
          11. 8.2.4.6.11 Loop 0 Start Address Register (LSA0)
          12. 8.2.4.6.12 Loop 0 End Address Register (LEA0)
          13. 8.2.4.6.13 Loop 0 Iteration Count Register (LCNT0)
          14. 8.2.4.6.14 Loop 1 Start Address Register (LSA1)
          15. 8.2.4.6.15 Loop 1 End Address Register (LEA1)
          16. 8.2.4.6.16 Loop 1 Iteration Count Register (LCNT1)
          17. 8.2.4.6.17 Loop 0 Iteration Count Reload Value Register (LCNT0RLD)
          18. 8.2.4.6.18 Shadow Control Status Register (SCSR)
          19. 8.2.4.6.19 NMI Shadow Control Status Register (NMISCSR)
          20. 8.2.4.6.20 CPU Identification Register (CPUID)
          21. 8.2.4.6.21 Decode Program Counter Register (DPC)
          22. 8.2.4.6.22 Time Stamp Counter Registers (TSCL and TSCH)
            1. 8.2.4.6.22.1 Initialization
            2. 8.2.4.6.22.2 Enabling Counting
            3. 8.2.4.6.22.3 Disabling Counting
            4. 8.2.4.6.22.4 Reading the Counter
        7. 8.2.4.7  CPU Shadow Registers
        8. 8.2.4.8  Functional Units
        9. 8.2.4.9  Instruction Fetch
        10. 8.2.4.10 Alignment of 32-bit Instructions
        11. 8.2.4.11 Instruction Execution in Branch Delay Slot
        12. 8.2.4.12 Address Space
        13. 8.2.4.13 Program Counter Convention
        14. 8.2.4.14 Stack Pointer Convention
        15. 8.2.4.15 Global Data Pointer Convention
        16. 8.2.4.16 Conditional Execution
        17. 8.2.4.17 Hardware Loop Acceleration
          1. 8.2.4.17.1  Overview
          2. 8.2.4.17.2  Loop Registers
          3. 8.2.4.17.3  Loop Setup Instructions
          4. 8.2.4.17.4  Loop Operation
          5. 8.2.4.17.5  Call and Branch within Loop Context
          6. 8.2.4.17.6  Dynamic Changes to Loop Iteration Count
          7. 8.2.4.17.7  Interrupt Processing During HLA
          8. 8.2.4.17.8  HLA Usage in Interrupt Context
          9. 8.2.4.17.9  HLA Usage Restrictions
          10. 8.2.4.17.10 HLA Mapping Examples
            1. 8.2.4.17.10.1 Loops With Single Level of Nesting
              1. 8.2.4.17.10.1.1 C memset-like Loop, Single Level, Minimum Instructions
              2. 8.2.4.17.10.1.2 1184
              3. 8.2.4.17.10.1.3 C memcpy-like Loop, Single Level, Minimum Instructions
              4. 8.2.4.17.10.1.4 1186
            2. 8.2.4.17.10.2 Loops With Two Levels of Nesting
              1. 8.2.4.17.10.2.1 Two-level Nesting, Both Loops Ending at Same Instruction
              2. 8.2.4.17.10.2.2 1189
              3. 8.2.4.17.10.2.3 Two-level Nesting, Different Ending Instructions for Two Levels
              4. 8.2.4.17.10.2.4 1191
        18. 8.2.4.18 Interrupts
          1. 8.2.4.18.1  Overview
          2. 8.2.4.18.2  Interrupt Processing
          3. 8.2.4.18.3  Interrupt Acknowledgment
          4. 8.2.4.18.4  Interrupt Priorities
          5. 8.2.4.18.5  Interrupt Service Table (IST)
          6. 8.2.4.18.6  Interrupt Flags
            1. 8.2.4.18.6.1 Setting Interrupt Flag
            2. 8.2.4.18.6.2 Setting Interrupt Flag
            3. 8.2.4.18.6.3 1201
          7. 8.2.4.18.7  Interrupt Behavior
            1. 8.2.4.18.7.1 Reset Interrupt
            2. 8.2.4.18.7.2 Non-maskable Interrupt (NMI)
            3. 8.2.4.18.7.3 SWI Interrupt
            4. 8.2.4.18.7.4 Maskable Interrupts
            5. 8.2.4.18.7.5 UNDEF Interrupt
          8. 8.2.4.18.8  Interrupt Context Save and Restore
          9. 8.2.4.18.9  Nested Interrupts
            1. 8.2.4.18.9.1 Non-nested Interrupt Model
            2. 8.2.4.18.9.2 Nested Interrupt Model
          10. 8.2.4.18.10 Non-nested Interrupt Latency
            1. 8.2.4.18.10.1 Best Case Interrupt Latency
            2. 8.2.4.18.10.2 Worst Case Interrupt Latency
      5.      8.2.A Instruction Set
        1.       8.2.A.1 Instruction Operation and Execution Notations
        2.       8.2.A.2 Instruction Syntax and Opcode Notations
        3.       8.2.A.3 Instruction Scheduling Restrictions
          1.        8.2.A.3.1 Restrictions Applicable to a Branch Delay Slot
          2.        8.2.A.3.2 Restrictions on Loops Using Hardware Loop Assist (HLA)
          3.        8.2.A.3.3 Restrictions on Other Types of Control Flow Instructions
          4.        8.2.A.3.4 Restrictions for Write Data Bypass to Control Register Reads
          5.        8.2.A.3.5 Restrictions for Write Data Bypass to Shadow Register Reads
          6.        8.2.A.3.6 Restrictions for Link Register Update
        4.       8.2.A.4 Instruction Set Encoding
        5.       8.2.A.5 Instruction Descriptions
          1.        ABS
          2.        ADD
          3.        ADD
          4.        ADD
          5.        ADD
          6.        ADD
          7.        AND
          8.        AND
          9.        B(cc)
          10.        B(cc)
          11.        B(cc)
          12.        BIRP
          13.        BKPT
          14.        BNRP
          15.        CALL
          16.        CALL
          17.        CLR
          18.        CLR
          19.        CMP
          20.        CMP
          21.        CMP
          22.        CMPU
          23.        CMPU
          24.        CMPU
          25.        DIV
          26.        DIVU
          27.        EXT
          28.        EXT
          29.        EXTU
          30.        EXTU
          31.        IDLE
          32.        LDB(U)
          33.        LDB(U)
          34.        LDB(U)
          35.        LDB(U)
          36.        LDB(U)
          37.        LDB(U)
          38.        LDB(U)
          39.        LDB(U)
          40.        LDH(U)
          41.        LDH(U)
          42.        LDH(U)
          43.        LDH(U)
          44.        LDH(U)
          45.        LDH(U)
          46.        LDH(U)
          47.        LDH(U)
          48.        LDW
          49.        LDW
          50.        LDW
          51.        LDW
          52.        LDW
          53.        LDW
          54.        LDW
          55.        LDW
          56.        LDRF
          57.        LMBD
          58.        MAX
          59.        MAXU
          60.        MIN
          61.        MINU
          62.        MOD
          63.        MODU
          64.        MPY
          65.        MPYU
          66.        MV
          67.        MVC
          68.        MVC
          69.        MVC
          70.        MVCH
          71.        MVK
          72.        MVKH
          73.        MVKLS
          74.        MVKS
          75.        MVS
          76.        MVS
          77.        NEG
          78.        NOP
          79.        NOT
          80.        OR
          81.        OR
          82.        RET
          83.        REV
          84.        ROT
          85.        ROTC
          86.        SADD
          87.        SATN
          88.        SET
          89.        SET
          90.        SHL
          91.        SHL
          92.        SHRA
          93.        SHRA
          94.        SHRU
          95.        SHRU
          96.        SLA
          97.        SSUB
          98.        STB
          99.        STB
          100.        STB
          101.        STB
          102.        STB
          103.        STB
          104.        STB
          105.        STB
          106.        STH
          107.        STH
          108.        STH
          109.        STH
          110.        STH
          111.        STH
          112.        STH
          113.        STH
          114.        STW
          115.        STW
          116.        STW
          117.        STW
          118.        STW
          119.        STW
          120.        STW
          121.        STW
          122.        STHI
          123.        STRF
          124.        SUB
          125.        SUB
          126.        SUB
          127.        SUB
          128.        SUB
          129.        SWI
          130.        XOR
          131.        XOR
      6.      8.2.B Clock, Reset, and Dynamic Power Management
        1.       8.2.B.1 Introduction
        2.       8.2.B.2 CPU Reset Modes
        3.       8.2.B.3 Dynamic Power Management
      7.      8.2.C Notes on Programming Model
        1.       8.2.C.1 Booting
        2.       8.2.C.2 Enabling and Disabling Interrupts
          1.        8.2.C.2.1 Globally Enabling or Disabling Maskable Interrupts
          2.        8.2.C.2.2 Enabling or Disabling Individual Interrupts
        3.       8.2.C.3 Stack Usage in Interrupt Service Routine
        4.       8.2.C.4 General Restrictions
    3. 8.3 VCOP CPU and Instruction Set
      1. 8.3.1 Module Overview
      2. 8.3.2 Features
      3. 8.3.3 Block Diagram
      4. 8.3.4 System Interfaces
        1. 8.3.4.1 Interrupts
        2. 8.3.4.2 Configuration Bus Slave Port
        3. 8.3.4.3 Performance Counter Interface
        4. 8.3.4.4 Data Memory Map
      5. 8.3.5 Functional Description
        1. 8.3.5.1 Scalar-Vector Architecture
          1. 8.3.5.1.1 Scalar Core
          2. 8.3.5.1.2 Scalar-Vector Interaction
        2. 8.3.5.2 Vector Core Overview
          1. 8.3.5.2.1 Nested for Loop Model
            1. 8.3.5.2.1.1 Nested Loop Model Skeleton
            2. 8.3.5.2.1.2 1385
          2. 8.3.5.2.2 Instruction Organization
        3. 8.3.5.3 Vector Control
          1. 8.3.5.3.1 Repeat End Count
          2. 8.3.5.3.2 Parameter Pointer
          3. 8.3.5.3.3 Switch Buffers
        4. 8.3.5.4 Vector-Scalar Synchronization
          1. 8.3.5.4.1 Wait for Vector Core Done
          2. 8.3.5.4.2 Wait for Vector Core Ready
        5. 8.3.5.5 Vector Computation
          1. 8.3.5.5.1  Vector Loop
            1. 8.3.5.5.1.1 Retention of State Between VLOOPs
          2. 8.3.5.5.2  Vector Register Initialization
          3. 8.3.5.5.3  Address Generator (agen)
          4. 8.3.5.5.4  Vector Load
          5. 8.3.5.5.5  Vector Arithmetic/Logic Operations
          6. 8.3.5.5.6  Vector Store
          7. 8.3.5.5.7  Table Lookup Operation
          8. 8.3.5.5.8  Histogram Operation
          9. 8.3.5.5.9  Circular Buffer Addressing Support
          10. 8.3.5.5.10 Load/Store Address Alignment Constraints
        6. 8.3.5.6 Load/Store Buffer and Scheduling
          1. 8.3.5.6.1 3-Tap Horizontal Filtering, Byte Type
          2. 8.3.5.6.2 1408
          3. 8.3.5.6.3 Horizontal Filtering, Short Type
          4. 8.3.5.6.4 1410
        7. 8.3.5.7 VCOP Per-Loop Overhead
        8. 8.3.5.8 VCOP Error Handling
        9. 8.3.5.9 Vector Operation Details
          1. 8.3.5.9.1  VABS
          2. 8.3.5.9.2  VABSDIF
          3. 8.3.5.9.3  VADD
          4. 8.3.5.9.4  VADDH
          5. 8.3.5.9.5  VADDSUB
          6. 8.3.5.9.6  VADD3
          7. 8.3.5.9.7  VADIF3
          8. 8.3.5.9.8  VAND
          9. 8.3.5.9.9  VANDN
          10. 8.3.5.9.10 VAND3
          11. 8.3.5.9.11 VBINLOG
          12. 8.3.5.9.12 VBITC
          13. 8.3.5.9.13 VBITDI
          14. 8.3.5.9.14 VBITI
          15. 8.3.5.9.15 VBITPK
          16. 8.3.5.9.16 VBITR
          17. 8.3.5.9.17 VBITTR
          18. 8.3.5.9.18 VBITUNPK
          19. 8.3.5.9.19 VCMOV
          20. 8.3.5.9.20 VCMPEQ
          21. 8.3.5.9.21 VCMPGE
          22. 8.3.5.9.22 VCMPGT
          23. 8.3.5.9.23 VDINTRLV
          24. 8.3.5.9.24 VDINTRLV2
          25. 8.3.5.9.25 VEXITNZ
          26. 8.3.5.9.26 VINTRLV
          27. 8.3.5.9.27 VINTRLV2
          28. 8.3.5.9.28 VINTRLV4
          29. 8.3.5.9.29 VLMBD
          30. 8.3.5.9.30 VMADD
          31. 8.3.5.9.31 VMAX
          32. 8.3.5.9.32 VMAXSETF
          33. 8.3.5.9.33 VMIN
          34. 8.3.5.9.34 VMINSETF
          35. 8.3.5.9.35 VMPY
          36. 8.3.5.9.36 VMSUB
          37. 8.3.5.9.37 VNOP
          38. 8.3.5.9.38 VNOT
          39. 8.3.5.9.39 VOR
          40. 8.3.5.9.40 VOR3
          41. 8.3.5.9.41 VRND
          42. 8.3.5.9.42 VSAD
          43. 8.3.5.9.43 VSEL
          44. 8.3.5.9.44 VSHF
          45. 8.3.5.9.45 VSHFOR
          46. 8.3.5.9.46 VSHF16
          47. 8.3.5.9.47 VSIGN
          48. 8.3.5.9.48 VSORT2
          49. 8.3.5.9.49 VSUB
          50. 8.3.5.9.50 VSWAP
          51. 8.3.5.9.51 VXOR
      6. 8.3.6 Debug Support
      7. 8.3.7 VCOP Register Manual
        1. 8.3.7.1 VCOP Instance Summary
        2. 8.3.7.2 VCOP Registers
          1. 8.3.7.2.1 VCOP Registers Mapping Summary
          2. 8.3.7.2.2 VCOP Register Description
  11. Imaging Subsystem
    1. 9.1 ISS Overview
      1. 9.1.1 ISS Integration
        1. 9.1.1.1 ISS PRCM Interface Integration
          1. 9.1.1.1.1 ISS Clock Domains
      2. 9.1.2 ISS Functional Description
        1. 9.1.2.1 ISS Interrupts
          1. 9.1.2.1.1 ISS Interrupt Merger
          2. 9.1.2.1.2 ISS Submodule Interrupts
            1. 9.1.2.1.2.1 ISS ISP Interrupts
            2. 9.1.2.1.2.2 ISS CAL_B Interrupts
            3. 9.1.2.1.2.3 ISS SIMCOP Interrupts
        2. 9.1.2.2 ISS Interconnect
        3. 9.1.2.3 ISS Video Mux
        4. 9.1.2.4 ISS Clocks
        5. 9.1.2.5 ISS Reset
        6. 9.1.2.6 ISS Power Management
          1. 9.1.2.6.1 ISS Power-Management Infrastructure Overview
          2. 9.1.2.6.2 ISS STANDBY Mechanism
          3. 9.1.2.6.3 ISS IDLE Mechanism
        7. 9.1.2.7 ISS CAL Usage Considerations
          1. 9.1.2.7.1 CAL Usage as Memory to Memory Pixel DMA
          2. 9.1.2.7.2 CAL Usage with GLBCE
      3. 9.1.3 ISS Register Manual
        1. 9.1.3.1 ISS Instance Summary
        2. 9.1.3.2 ISS Registers
          1. 9.1.3.2.1 ISS TOP Register Summary
          2. 9.1.3.2.2 ISS TOP Register Description
    2. 9.2 ISS Camera Adapter Layer (CAL)
      1. 9.2.1 ISS CAL Features
      2. 9.2.2 ISS CAL Integration
        1. 9.2.2.1 CAL Main Integration Attributes
        2. 9.2.2.2 CAL Integration - Video Port
        3. 9.2.2.3 CAL Integration - BYS Ports
      3. 9.2.3 ISS CAL Functional Description
        1. 9.2.3.1  CAL Block Diagram
        2. 9.2.3.2  CAL Hardware and Software Reset
        3. 9.2.3.3  CAL Clock Configuration
        4. 9.2.3.4  CAL Power Management
        5. 9.2.3.5  CAL Interrupt Events
        6. 9.2.3.6  CAL Data Stream
        7. 9.2.3.7  CAL Pixel Extraction
        8. 9.2.3.8  CAL DPCM Decoding and Encoding
          1. 9.2.3.8.1 CAL Partial DPCM Decompression
        9. 9.2.3.9  CAL Pixel Packing
        10. 9.2.3.10 CAL Write DMA
          1. 9.2.3.10.1 CAL Write DMA Overview
          2. 9.2.3.10.2 CAL Write DMA Data Cropping
          3. 9.2.3.10.3 CAL Write DMA Buffer Management
          4. 9.2.3.10.4 CAL Write DMA OCP Address Generation
            1. 9.2.3.10.4.1 Write DMA Buffer Base Address
            2. 9.2.3.10.4.2 Write DMA Line Start Address
            3. 9.2.3.10.4.3 Write DMA Data Address
          5. 9.2.3.10.5 CAL Write DMA OCP Transaction Generation
          6. 9.2.3.10.6 CAL Write DMA Real Time Traffic
        11. 9.2.3.11 CAL Read DMA
          1. 9.2.3.11.1 CAL Read DMA Overview
          2. 9.2.3.11.2 CAL Read DMA Data Provided to Processing Pipeline
          3. 9.2.3.11.3 CAL Read DMA Skipping Modes
          4. 9.2.3.11.4 CAL Read DMA YUV420 Support
          5. 9.2.3.11.5 CAL Read DMA OCP Request Generation
        12. 9.2.3.12 CAL Video Port
          1. 9.2.3.12.1 CAL Video Port Overview
          2. 9.2.3.12.2 CAL Video Port Pixel Clock Generation
          3. 9.2.3.12.3 CAL Video Port Video Timing Generator
        13. 9.2.3.13 CAL BYS Ports
          1. 9.2.3.13.1 CAL BYS Ports Overview
          2. 9.2.3.13.2 CAL BYS Output Port
          3. 9.2.3.13.3 BYS Input Port
        14. 9.2.3.14 CAL Registers Shadowing
      4. 9.2.4 ISS CAL Register Manual
        1. 9.2.4.1 CAL Instance Summary
        2. 9.2.4.2 CAL Registers
          1. 9.2.4.2.1 CAL Register Summary
          2. 9.2.4.2.2 CAL Register Description
    3. 9.3 ISS Image Signal Processor (ISP)
      1. 9.3.1 ISS ISP Overview
        1. 9.3.1.1 ISS ISP Features
        2. 9.3.1.2 ISS ISP Block Diagram
      2. 9.3.2 ISS ISP Integration
        1. 9.3.2.1 ISS ISP PRCM Interface
          1. 9.3.2.1.1 ISS ISP Clocks
          2. 9.3.2.1.2 ISS ISP Reset
        2. 9.3.2.2 ISS ISP Interrupt Tree
        3. 9.3.2.3 ISS ISP IPIPEIF Integration
          1. 9.3.2.3.1 ISS ISP IPIPEIF Interrupts
        4. 9.3.2.4 ISS ISP IPIPE Integration
          1. 9.3.2.4.1 ISS ISP IPIPE Interrupts
        5. 9.3.2.5 ISS ISP RSZ Integration
          1. 9.3.2.5.1 ISS ISP RSZ PRCM Interface
            1. 9.3.2.5.1.1 ISS ISP RSZ Reset
          2. 9.3.2.5.2 ISS ISP RSZ Interrupts
        6. 9.3.2.6 ISS ISP H3A Integration
          1. 9.3.2.6.1 ISS ISP H3A Interrupts
        7. 9.3.2.7 ISS ISP ISIF Integration
          1. 9.3.2.7.1 ISS ISP ISIF Interrupts
        8. 9.3.2.8 ISS ISP BL Integration
      3. 9.3.3 ISS ISP Functional Description
        1. 9.3.3.1  ISS ISP VP Functional Description
          1. 9.3.3.1.1 ISS ISP VP Overview
          2. 9.3.3.1.2 ISS ISP VP Data Formats
          3. 9.3.3.1.3 ISS ISP VP Top-Level Communication With CAL_B
          4. 9.3.3.1.4 ISS ISP VP Pixel Clock Inversion
        2. 9.3.3.2  ISS ISP GLBCE Functional Description
          1. 9.3.3.2.1 ISS ISP GLBCE Overview
          2. 9.3.3.2.2 ISS ISP GLBCE Interface
          3. 9.3.3.2.3 ISS ISP GLBCE Core
            1. 9.3.3.2.3.1 ISS ISP GLBCE Core Key Parameters
            2. 9.3.3.2.3.2 ISS ISP GLBCE Iridix Strength Calculation
            3. 9.3.3.2.3.3 ISS ISP GLBCE Iridix Configuration Registers
              1. 9.3.3.2.3.3.1  ISS ISP GLBCE Iridix Frame Width
              2. 9.3.3.2.3.3.2  ISS ISP GLBCE Iridix Frame Height
              3. 9.3.3.2.3.3.3  ISS ISP GLBCE Iridix Control
              4. 9.3.3.2.3.3.4  ISS ISP GLBCE Iridix Control
              5. 9.3.3.2.3.3.5  ISS ISP GLBCE Iridix Strength
              6. 9.3.3.2.3.3.6  ISS ISP GLBCE Iridix Variance
              7. 9.3.3.2.3.3.7  ISS ISP GLBCE Iridix Dither
              8. 9.3.3.2.3.3.8  ISS ISP GLBCE Iridix Amplification Limit
              9. 9.3.3.2.3.3.9  ISS ISP GLBCE Iridix Slope Min and Max
              10. 9.3.3.2.3.3.10 ISS ISP GLBCE Iridix Black Level
              11. 9.3.3.2.3.3.11 ISS ISP GLBCE Iridix White Level
              12. 9.3.3.2.3.3.12 ISS ISP GLBCE Iridix Asymmetry Function Look-up-table
              13. 9.3.3.2.3.3.13 ISS ISP GLBCE Iridix Forward and Reverse Perceptual Functions Look-up-tables
              14. 9.3.3.2.3.3.14 ISS ISP GLBCE Iridix Tile Position and Size
              15. 9.3.3.2.3.3.15 ISS ISP GLBCE Iridix WDR Look-up-table
          4. 9.3.3.2.4 ISS ISP GLBCE Embedded Memory
          5. 9.3.3.2.5 ISS ISP GLBCE Programming Model
            1. 9.3.3.2.5.1 ISS ISP GLBCE Restriction
              1. 9.3.3.2.5.1.1 ISS ISP GLBCE Recovery from Reset
              2. 9.3.3.2.5.1.2 General description of GLBCE processing
              3. 9.3.3.2.5.1.3 Continuous Frame Processing
              4. 9.3.3.2.5.1.4 Single Image Processing
        3. 9.3.3.3  ISS ISP NSF3V Functional Description
          1. 9.3.3.3.1 ISS ISP NSF3V Overview
          2. 9.3.3.3.2 ISS ISP NSF3V Register Shadowing
          3. 9.3.3.3.3 ISS ISP NSF3V Programming Model
            1. 9.3.3.3.3.1 ISS ISP NSF3V Initialization
        4. 9.3.3.4  ISS ISP IPIPEIF Functional Description
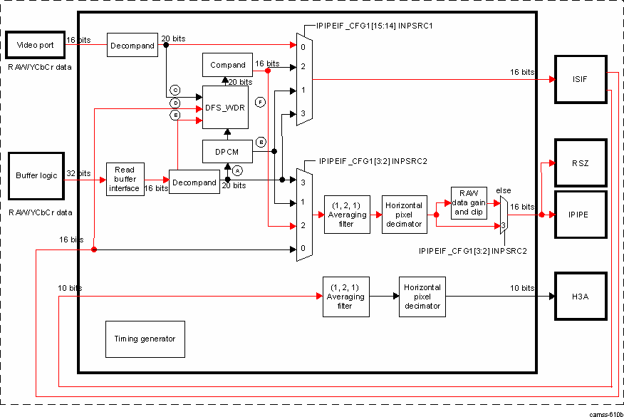
          1. 9.3.3.4.1  ISS ISP IPIPEIF Overview
          2. 9.3.3.4.2  ISS ISP IPIPEIF Top-Level Block Diagram
          3. 9.3.3.4.3  ISS ISP IPIPEIF Input Interface
            1. 9.3.3.4.3.1 ISS ISP IPIPEIF Input From VP
            2. 9.3.3.4.3.2 ISS ISP IPIPEIF Input From BL
              1. 9.3.3.4.3.2.1 ISS ISP IPIPEIF Double-Buffer Input Function When Reading From BL
          4. 9.3.3.4.4  ISS ISP IPIPEIF Data Path Selection
            1. 9.3.3.4.4.1 ISS ISP IPIPEIF INPSRC1 = 0 and INPSRC2 = 0
            2. 9.3.3.4.4.2 ISS ISP IPIPEIF INPSRC1 = 0 and INPSRC2 = 1
            3. 9.3.3.4.4.3 ISS ISP IPIPEIF INPSRC1 = 0 and INPSRC2 = 2
            4. 9.3.3.4.4.4 ISS ISP IPIPEIF INPSRC1 = 0 and INPSRC2 = 3
            5. 9.3.3.4.4.5 ISS ISP IPIPEIF INPSRC1 = 1 and INPSRC2 = 0
            6. 9.3.3.4.4.6 ISS ISP IPIPEIF INPSRC1 = 2 and INPSRC2 = 0
            7. 9.3.3.4.4.7 ISS ISP IPIPEIF INPSRC1 = 3 and INPSRC2 = 0
          5. 9.3.3.4.5  ISS ISP IPIPEIF Timing Generation
            1. 9.3.3.4.5.1 ISS ISP IPIPEIF Fractional Clock Divider
          6. 9.3.3.4.6  ISS ISP IPIPEIF Decompression (DPCM) Subblock: Unpack and Decompression Function
          7. 9.3.3.4.7  ISS ISP IPIPEIF Dark-Frame Subtraction Functionality
            1. 9.3.3.4.7.1 ISS ISP IPIPEIF Defect Pixel Correction
            2. 9.3.3.4.7.2 ISS ISP IPIPEIF DFS Subtraction Direction
          8. 9.3.3.4.8  ISS ISP IPIPEIF Wide Dynamic Range WDR Merging Functionality
            1. 9.3.3.4.8.1 ISS ISP IPIPEIF merging general description
          9. 9.3.3.4.9  ISS ISP IPIPEIF (1, 2, 1) Averaging Filter for IPIPE Data Path
          10. 9.3.3.4.10 ISS ISP IPIPEIF Horizontal Pixel Decimator (Downsizer) for IPIPE Data Path
          11. 9.3.3.4.11 ISS ISP IPIPEIF RAW Data Gain for IPIPE Data Path
          12. 9.3.3.4.12 ISS ISP IPIPEIF (1, 2 ,1) Averaging Filter for H3A Data Path
          13. 9.3.3.4.13 ISS ISP IPIPEIF Horizontal Pixel Decimator (Downsizer) for H3A Data Path
          14. 9.3.3.4.14 ISS ISP IPIPEIF YUV4:2:2 8-bit Packed Data Input Coming From ISIF Module
          15. 9.3.3.4.15 ISS ISP IPIPEIF YUV4:2:0 Data Input for Memory-to-Memory Resize Operations
          16. 9.3.3.4.16 ISS ISP IPIPEIF Module Events and Status Checking
        5. 9.3.3.5  ISS ISP IPIPE Functional Description
          1. 9.3.3.5.1  ISS ISP IPIPE Overview
          2. 9.3.3.5.2  ISS ISP IPIPE Top-Level Block Diagram
          3. 9.3.3.5.3  ISS ISP IPIPE Input Interface
          4. 9.3.3.5.4  ISS ISP IPIPE Defect Pixel Correction
            1. 9.3.3.5.4.1 ISS ISP IPIPE LUT Defect Pixel Correction (LUT DPC)
          5. 9.3.3.5.5  ISS ISP IPIPE DPC Interface
          6. 9.3.3.5.6  ISS ISP IPIPE White Balance
          7. 9.3.3.5.7  ISS ISP IPIPE YUV422to444
          8. 9.3.3.5.8  ISS ISP IPIPE RGB2RGB Blending Module
          9. 9.3.3.5.9  ISS ISP IPIPE Gamma Correction Module
          10. 9.3.3.5.10 ISS ISP IPIPE Second RGB2RGB Conversion Matrix
          11. 9.3.3.5.11 ISS ISP IPIPE RGB2YCbCr Conversion Matrix
          12. 9.3.3.5.12 ISS ISP IPIPE 4:2:2 Conversion Module
          13. 9.3.3.5.13 ISS ISP IPIPE 2D Edge-Enhancer
          14. 9.3.3.5.14 ISS ISP IPIPE Histogram
          15. 9.3.3.5.15 ISS ISP IPIPE Boxcar
        6. 9.3.3.6  ISS ISP RSZ Functional Description
          1. 9.3.3.6.1 ISS ISP RSZ Overview
          2. 9.3.3.6.2 ISS ISP RSZ Top-Level Block Diagram
          3. 9.3.3.6.3 ISS ISP RSZ Interfaces
            1. 9.3.3.6.3.1 ISS ISP RSZ VBUSP Interface
            2. 9.3.3.6.3.2 ISS ISP RSZ Video Port Interfaces
            3. 9.3.3.6.3.3 ISS ISP RSZ MTC Interfaces
            4. 9.3.3.6.3.4 ISS ISP RSZ CNF Interface
          4. 9.3.3.6.4 ISS ISP RSZ ICM Handshake Signals
          5. 9.3.3.6.5 ISS ISP RSZ Integration
          6. 9.3.3.6.6 ISS ISP RSZ Functional Description
            1. 9.3.3.6.6.1 ISS ISP RSZ Operating Modes
              1. 9.3.3.6.6.1.1 ISS ISP RSZ Operating Modes and Maximum Input Clock
            2. 9.3.3.6.6.2 ISS ISP RSZ Input Data Cropper
            3. 9.3.3.6.6.3 ISS ISP RSZ Averager
              1. 9.3.3.6.6.3.1 ISS ISP RSZ Use Cases
              2. 9.3.3.6.6.3.2 ISS ISP RSZ Memory Use
              3. 9.3.3.6.6.3.3 ISS ISP RSZ Border Conditions
            4. 9.3.3.6.6.4 ISS ISP RSZ Interpolation
              1. 9.3.3.6.6.4.1 ISS ISP RSZ Liner Interpolation Input Data
                1. 9.3.3.6.6.4.1.1 ISS ISP RSZ Cubic Convolution Mode
                2. 9.3.3.6.6.4.1.2 ISS ISP RSZ Phase Settings
            5. 9.3.3.6.6.5 ISS ISP RSZ Data Saturator
            6. 9.3.3.6.6.6 ISS ISP RSZ Color Converter
            7. 9.3.3.6.6.7 ISS ISP RSZ Output Interface
              1. 9.3.3.6.6.7.1 ISS ISP RSZ Circular Buffer
        7. 9.3.3.7  ISS ISP CNF Functional Description
          1. 9.3.3.7.1 ISS ISP CNF Overview
          2. 9.3.3.7.2 ISS ISP CNF Top Level Block Diagram
          3. 9.3.3.7.3 ISS ISP CNF Noise Filter Algorithm
          4. 9.3.3.7.4 ISS ISP CNF Chroma Downsampling and Upsampling
          5. 9.3.3.7.5 ISS ISP CNF Vertical and Horizontal Blanking
          6. 9.3.3.7.6 ISS ISP CNF configuring ranges/restrictions
        8. 9.3.3.8  ISS ISP H3A Functional Description
          1. 9.3.3.8.1 ISS ISP H3A Overview
          2. 9.3.3.8.2 ISS ISP H3A Top-Level Block Diagram
          3. 9.3.3.8.3 ISS ISP H3A Line Framing Logic
          4. 9.3.3.8.4 ISS ISP H3A Optional Preprocessing
          5. 9.3.3.8.5 ISS ISP H3A Autofocus Engine
            1. 9.3.3.8.5.1 ISS ISP H3A Paxel Extraction
            2. 9.3.3.8.5.2 ISS ISP H3A Horizontal FV Calculator
            3. 9.3.3.8.5.3 ISS ISP H3A HFV Accumulator
            4. 9.3.3.8.5.4 ISS ISP H3A VFV Calculator
            5. 9.3.3.8.5.5 ISS ISP H3A VFV Accumulator
          6. 9.3.3.8.6 ISS ISP H3A AE/AWB Engine
            1. 9.3.3.8.6.1 ISS ISP H3A Subsampler
            2. 9.3.3.8.6.2 ISS ISP H3A Additional Black Row of AE/AWB Windows
            3. 9.3.3.8.6.3 ISS ISP H3A Saturation Check
            4. 9.3.3.8.6.4 ISS ISP H3A AE/AWB Accumulators
          7. 9.3.3.8.7 ISS ISP H3A DMA Interface
          8. 9.3.3.8.8 ISS ISP H3A Events and Status Checking
        9. 9.3.3.9  ISS ISP ISIF Functional Description
          1. 9.3.3.9.1  ISS ISP ISIF Overview
          2. 9.3.3.9.2  ISS ISP ISIF Top-Level Block Diagram
          3. 9.3.3.9.3  ISS ISP ISIF Input Interface
          4. 9.3.3.9.4  ISS ISP ISIF Interface
          5. 9.3.3.9.5  ISS ISP ISIF Sensor Linearization
          6. 9.3.3.9.6  ISS ISP ISIF Input Data Formatter
            1. 9.3.3.9.6.1 1714
            2. 9.3.3.9.6.2 ISS ISP ISIF Formatter Area Settings
            3. 9.3.3.9.6.3 ISS ISP ISIF Formatter Programming
            4. 9.3.3.9.6.4 ISS ISP ISIF Combine the Divided Input Lines
          7. 9.3.3.9.7  ISS ISP ISIF Color Space Converter
          8. 9.3.3.9.8  ISS ISP ISIF Black Clamp
            1. 9.3.3.9.8.1 ISS ISP ISIF Clamp Value for Horizontal Direction
            2. 9.3.3.9.8.2 ISS ISP ISIF Clamp Value for Vertical Direction
          9. 9.3.3.9.9  ISS ISP ISIF Vertical Line Defect Correction (VDFC)
            1. 9.3.3.9.9.1 ISS ISP ISIF Vertical Line Defect Table Update Procedure
          10. 9.3.3.9.10 ISS ISP ISIF Lens Shading Correction Module (2D-LSC)
            1. 9.3.3.9.10.1 ISS ISP ISIF 2D-LSC Active Region Settings
              1. 9.3.3.9.10.1.1 ISS ISP ISIF 2D-LSC Gain and Offset Tables
              2. 9.3.3.9.10.1.2 ISS ISP ISIF 2D-LSC Gain and Offset Table Upsampling
              3. 9.3.3.9.10.1.3 ISS ISP ISIF Application of Gain and Offset to Image Pixels
              4. 9.3.3.9.10.1.4 ISS ISP ISIF Enabling and Disabling the 2D-LSC Module
              5. 9.3.3.9.10.1.5 ISS ISP ISIF 2D-LSC Events and Status Checking
              6. 9.3.3.9.10.1.6 ISS ISP ISIF Supported On-the-Fly 2D-LSC Configurations
              7. 9.3.3.9.10.1.7 ISS ISP ISIF Bandwidth Requirements on BL Read Port
          11. 9.3.3.9.11 ISS ISP ISIF White Balance
          12. 9.3.3.9.12 ISS ISP ISIF Low-Pass Filter
          13. 9.3.3.9.13 ISS ISP ISIF A-Law Compression
          14. 9.3.3.9.14 ISS ISP ISIF Culling
          15. 9.3.3.9.15 ISS ISP ISIF 12-to-8-Bit DPCM Compression Block
          16. 9.3.3.9.16 ISP ISIF Storage Formatter
          17. 9.3.3.9.17 ISS ISP ISIF Circular Buffer
          18. 9.3.3.9.18 ISS ISP ISIF YCbCr Signal Processing
          19. 9.3.3.9.19 ISS ISP ISIF Expected Bandwidth on BL Ports
            1. 9.3.3.9.19.1 ISS ISP ISIF Write Port
            2. 9.3.3.9.19.2 ISS ISP ISIF Read Port
          20. 9.3.3.9.20 ISS ISP ISIF Events and Status Checking
            1. 9.3.3.9.20.1 ISS ISP ISIF VDINT0, VDINT1, and VDINT2 Interrupts
            2. 9.3.3.9.20.2 ISS ISP ISIF 2DLSCINT Interrupt
            3. 9.3.3.9.20.3 ISS ISP ISIF Status Checking
        10. 9.3.3.10 ISS ISP BL Functional Description
          1. 9.3.3.10.1 ISS ISP BL Overview
          2. 9.3.3.10.2 ISS ISP BL Functional Description
          3. 9.3.3.10.3 ISS ISP BL Address Alignment
          4. 9.3.3.10.4 ISS ISP BL Out-of-Order Responses
          5. 9.3.3.10.5 ISS ISP BL Stalling
            1. 9.3.3.10.5.1 ISS ISP BL Stalling Write Requests
            2. 9.3.3.10.5.2 ISS ISP BL Stalling Read Requests
          6. 9.3.3.10.6 ISS ISP BL Dynamic and Static MFlag Generation
          7. 9.3.3.10.7 ISS ISP BL VBUSM2OCP Last Beat Command Delay
          8. 9.3.3.10.8 ISS ISP BL Peak Memory Bandwidth Reduction
        11. 9.3.3.11 ISS ISP Memory Mapping
      4. 9.3.4 ISS ISP Register Manual
        1. 9.3.4.1  ISS ISP Instance Summary
        2. 9.3.4.2  ISS ISP6P5_SYS1 Registers
          1. 9.3.4.2.1 ISS ISP6P5_SYS1 Register Summary
          2. 9.3.4.2.2 ISS ISP6P5_SYS1 Register Description
        3. 9.3.4.3  ISS ISP6P5_SYS2 Registers
          1. 9.3.4.3.1 ISS ISP6P5_SYS2 Register Summary
          2. 9.3.4.3.2 ISS ISP6P5_SYS2 Register Description
        4. 9.3.4.4  ISS ISP6P5_RESIZER Registers
          1. 9.3.4.4.1 ISS ISP6P5_RESIZER Register Summary
          2. 9.3.4.4.2 ISS ISP6P5_RESIZER Register Description
        5. 9.3.4.5  ISS ISP6P5_IPIPE Registers
          1. 9.3.4.5.1 ISS ISP6P5_IPIPE Register Summary
          2. 9.3.4.5.2 ISS ISP6P5_IPIPE Register Description
        6. 9.3.4.6  ISS ISP6P5_ISIF Registers
          1. 9.3.4.6.1 ISS ISP6P5_ISIF Register Summary
          2. 9.3.4.6.2 ISS ISP6P5_ISIF Register Description
        7. 9.3.4.7  ISS ISP6P5_IPIPEIF Registers
          1. 9.3.4.7.1 ISS ISP6P5_IPIPEIF Register Summary
          2. 9.3.4.7.2 ISS ISP6P5_IPIPEIF Register Description
        8. 9.3.4.8  ISS ISP6P5_H3A Registers
          1. 9.3.4.8.1 ISS ISP6P5_H3A Register Summary
          2. 9.3.4.8.2 ISS ISP6P5_H3A Register Description
        9. 9.3.4.9  ISS ISP6P5_SYS3 Registers
          1. 9.3.4.9.1 ISS ISP6P5_SYS3 Register Summary
          2. 9.3.4.9.2 ISS ISP6P5_SYS3 Register Description
        10. 9.3.4.10 ISS ISP6P5 CNF1 and NSF3V Registers
          1. 9.3.4.10.1 ISS ISP6P5 CNF1 and NSF3V Register Summary
          2. 9.3.4.10.2 ISS ISP6P5 CNF1 and NSF3V Register Description
        11. 9.3.4.11 ISS ISP6P5_GLBCE Registers
          1. 9.3.4.11.1 ISS ISP6P5_GLBCE Register Summary
          2. 9.3.4.11.2 ISS ISP6P5_GLBCE Register Description
    4. 9.4 ISS Still Image Coprocessor (SIMCOP)
      1. 9.4.1 ISS SIMCOP Overview
        1. 9.4.1.1 ISS SIMCOP Integration
        2. 9.4.1.2 ISS SIMCOP Functional Description
          1. 9.4.1.2.1 ISS SIMCOP Local Power and Clock Management
            1. 9.4.1.2.1.1 ISS SIMCOP Local Clock Management
            2. 9.4.1.2.1.2 Local Clock Autogating
            3. 9.4.1.2.1.3 ISS SIMCOP Power Management
          2. 9.4.1.2.2 ISS SIMCOP Reset
          3. 9.4.1.2.3 ISS SIMCOP Interrupt Merger
          4. 9.4.1.2.4 ISS SIMCOP Modules Description
        3. 9.4.1.3 ISS SIMCOP Programming Models
          1. 9.4.1.3.1 Global Initialization
            1. 9.4.1.3.1.1 Surrounding Modules Global Initialization
            2. 9.4.1.3.1.2 ISS SIMCOP Module Global Initialization
          2. 9.4.1.3.2 ISS SIMCOP Operational Modes Configuration
            1. 9.4.1.3.2.1 Interrupts
        4. 9.4.1.4 ISS SIMCOP Registers Manual
          1. 9.4.1.4.1 SIMCOP Instance Summary
          2. 9.4.1.4.2 SIMCOP Registers
            1. 9.4.1.4.2.1 SIMCOP Register Summary
            2. 9.4.1.4.2.2 SIMCOP Register Description
      2. 9.4.2 ISS SIMCOP Hardware Sequencer and Buffers Module
        1. 9.4.2.1 ISS SIMCOP Hardware Sequencer and Buffers Overview
        2. 9.4.2.2 ISS SIMCOP Hardware Sequencer and Buffer Integration
        3. 9.4.2.3 ISS SIMCOP Hardware Sequencer and Buffers Functional Description
          1. 9.4.2.3.1 ISS SIMCOP Hardware Sequencer and Buffers Software Reset
          2. 9.4.2.3.2 ISS SIMCOP Hardware Sequencer and Buffers Power Management
          3. 9.4.2.3.3 ISS SIMCOP Hardware Sequencer and Buffer Interrupt Requests
            1. 9.4.2.3.3.1 Static Crossbar
            2. 9.4.2.3.3.2 Image Buffers
          4. 9.4.2.3.4 ISS SIMCOP Hardware Sequencer
            1. 9.4.2.3.4.1 Automatic Operation
            2. 9.4.2.3.4.2 Hardware Sequencer Override
        4. 9.4.2.4 ISS SIMCOP Hardware Sequencer and Buffers Basic Programming Model
          1. 9.4.2.4.1 ISS SIMCOP Hardware Sequencer and Buffers Application Programming Principle
          2. 9.4.2.4.2 External CPU Use for Data Processing
        5. 9.4.2.5 ISS SIMCOP Hardware Sequencer and Buffer Registers Manual
          1. 9.4.2.5.1 Hardware Sequencer Instance Summary
          2. 9.4.2.5.2 Hardware Sequencer Registers
            1. 9.4.2.5.2.1 Hardware Sequencer Register Summary
            2. 9.4.2.5.2.2 Hardware Sequencer Register Description
      3. 9.4.3 ISS SIMCOP DMA Module
        1. 9.4.3.1 ISS SIMCOP DMA Overview
        2. 9.4.3.2 ISS SIMCOP DMA Integration
        3. 9.4.3.3 ISS SIMCOP DMA Functional Description
          1. 9.4.3.3.1 ISS SIMCOP DMA Block Diagram
          2. 9.4.3.3.2 ISS SIMCOP DMA Power Management
          3. 9.4.3.3.3 ISS SIMCOP DMA Interrupt Requests
          4. 9.4.3.3.4 ISS SIMCOP DMA Logical Channels
            1. 9.4.3.3.4.1 Logical Channel States
            2. 9.4.3.3.4.2 Logical Channel Chaining, Trigger, and Hardware Synchronization
            3. 9.4.3.3.4.3 Logical Channel Data Transfer
          5. 9.4.3.3.5 Transaction Generation
            1. 9.4.3.3.5.1 Incrementing Bursts for Regular Transfers
        4. 9.4.3.4 ISS SIMCOP DMA Basic Programming Model
          1. 9.4.3.4.1 Initialization of Surrounding Modules
          2. 9.4.3.4.2 ISS SIMCOP DMA Channel Configuration and Hardware Synchronization
          3. 9.4.3.4.3 Software Synchronization
        5. 9.4.3.5 ISS SIMCOP DMA Register Manual
          1. 9.4.3.5.1 ISS SIMCOP DMA Instance Summary
          2. 9.4.3.5.2 ISS SIMCOP DMA Registers
            1. 9.4.3.5.2.1 ISS SIMCOP DMA Register Summary
            2. 9.4.3.5.2.2 ISS SIMCOP DMA Register Description
      4. 9.4.4 ISS SIMCOP VTNF Module
        1. 9.4.4.1 ISS SIMCOP VTNF Overview
        2. 9.4.4.2 ISS SIMCOP VTNF Environment
          1. 9.4.4.2.1 ISS SIMCOP VTNF Protocols and Data Formats
        3. 9.4.4.3 ISS SIMCOP VTNF Integration
        4. 9.4.4.4 ISS SIMCOP VTNF Functional Description
          1. 9.4.4.4.1 ISS SIMCOP VTNF Block Diagram
          2. 9.4.4.4.2 ISS SIMCOP VTNF Clocks Management
          3. 9.4.4.4.3 ISS SIMCOP VTNF Interrupt Requests
          4. 9.4.4.4.4 ISS SIMCOP VTNF Configuration
            1. 9.4.4.4.4.1 ISS SIMCOP VTNF Initialization
            2. 9.4.4.4.4.2 ISS SIMCOP VTNF Programming Ranges and Restrictions
            3. 9.4.4.4.4.3 ISS SIMCOP VTNF Resets
            4. 9.4.4.4.4.4 ISS SIMCOP VTNF Programming Parameters Tuning
        5. 9.4.4.5 ISS SIMCOP VTNF Register Manual
          1. 9.4.4.5.1 ISS SIMCOP VTNF Instance Summary
          2. 9.4.4.5.2 ISS SIMCOP VTNF registers
            1. 9.4.4.5.2.1 ISS SIMCOP VTNF Register Summary
            2. 9.4.4.5.2.2 ISS SIMCOP VTNF Register Description
      5. 9.4.5 ISS SIMCOP LDC Module
        1. 9.4.5.1 ISS SIMCOP LDC Overview
        2. 9.4.5.2 ISS SIMCOP LDC Integration
        3. 9.4.5.3 ISS SIMCOP LDC Functional Description
          1. 9.4.5.3.1  ISS SIMCOP LDC Block Diagram
          2. 9.4.5.3.2  ISS SIMCOP LDC Interrupt Requests
          3. 9.4.5.3.3  ISS SIMCOP LDC Input/Output Format Data
            1. 9.4.5.3.3.1 ISS SIMCOP LDC YCbCr Format
            2. 9.4.5.3.3.2 ISS SIMCOP LDC Bayer Format
          4. 9.4.5.3.4  ISS SIMCOP Lens Distortion Back-Mapping
          5. 9.4.5.3.5  ISS SIMCOP LCD Bayer Chromatic Aberration Correction Implementation
          6. 9.4.5.3.6  ISS SIMCOP LDC Affine Transform
          7. 9.4.5.3.7  ISS SIMCOP LDC Perspective Transformation
          8. 9.4.5.3.8  ISS SIMCOP LDC Pixel Interpolation
          9. 9.4.5.3.9  ISS SIMCOP LDC Buffer Management
          10. 9.4.5.3.10 ISS SIMCOP LDC Input Circular Buffer
          11. 9.4.5.3.11 ISS SIMCOP LDC and Hardware Sequencer
            1. 9.4.5.3.11.1 ISS SIMCOP LDC and Hardware Sequencer and Buffers Overview
            2. 9.4.5.3.11.2 ISS SIMCOP LDC and Hardware Sequencer and Buffer Integration
            3. 9.4.5.3.11.3 ISS SIMCOP LDC and Hardware Sequencer and Buffers Functional Description
              1. 9.4.5.3.11.3.1 ISS SIMCOP Hardware Sequencer Buffer Description
                1. 9.4.5.3.11.3.1.1 ISS SIMCOP LDC Static Crossbar
                2. 9.4.5.3.11.3.1.2 ISS SIMCOP LDC Private Input Memory
              2. 9.4.5.3.11.3.2 ISS SIMCOP Hardware Sequencer
                1. 9.4.5.3.11.3.2.1 Hardware Sequencer Override
        4. 9.4.5.4 ISS SIMCOP LDC Basic Programming Model
          1. 9.4.5.4.1 ISS SIMCOP LDC Initialization of Surrounding Modules
          2. 9.4.5.4.2 ISS SIMCOP LDC Geometric Distortion Mode
          3. 9.4.5.4.3 ISS SIMCOP LDC Bayer Chromatic Aberration Mode
          4. 9.4.5.4.4 ISS SIMCOP LDC Programming Affine Transformation
          5. 9.4.5.4.5 ISS SIMCOP LDC Programming Perspective Transformation
        5. 9.4.5.5 ISS SIMCOP LDC Register Manual
          1. 9.4.5.5.1 ISS SIMCOP LDC Instance Summary
          2. 9.4.5.5.2 ISS SIMCOP LDC Registers
            1. 9.4.5.5.2.1 ISS SIMCOP LDC Register Summary
            2. 9.4.5.5.2.2 ISS SIMCOP LDC Register Description
  12. 10Camera Interface Subsystem
    1. 10.1 CAMSS Overview
      1. 10.1.1 CAMSS Block Diagram
      2. 10.1.2 1914
      3. 10.1.3 CAMSS Features
    2. 10.2 CAMSS Environment
      1. 10.2.1 CAMSS Interfaces Signal Descriptions
    3. 10.3 CAMSS Integration
      1. 10.3.1 CAMSS Main Integration Attributes
      2. 10.3.2 CAL Integration - Video Port
      3. 10.3.3 CAL Integration - PPI Interface
    4. 10.4 CAMSS Functional Description
      1. 10.4.1 CAMSS Hardware and Software Reset
      2. 10.4.2 CAMSS Clock Configuration
      3. 10.4.3 CAMSS Power Management
      4. 10.4.4 CAMSS Interrupt Events
      5. 10.4.5 CSI2 PHY Functional Description
        1. 10.4.5.1 CSI2 PHY Overview
        2. 10.4.5.2 CSI2 PHY Configuration
        3. 10.4.5.3 CSI2 PHY Link Initialization Sequence
        4. 10.4.5.4 CSI2 PHY Error Signals
      6. 10.4.6 CAL Functional Description
        1. 10.4.6.1  CAL Block Diagram
        2. 10.4.6.2  CSI2 Low Level Protocol
          1. 10.4.6.2.1 CSI2 Physical Layer
          2. 10.4.6.2.2 CSI2 Multi-lane Layer and Lane Merger
          3. 10.4.6.2.3 CSI2 Protocol Layer
            1. 10.4.6.2.3.1  CSI2 Short Packet
            2. 10.4.6.2.3.2  CSI2 Long Packet
            3. 10.4.6.2.3.3  CSI2 ECC and Checksum Generation
              1. 10.4.6.2.3.3.1 CSI2 ECC
              2. 10.4.6.2.3.3.2 CSI2 Checksum
            4. 10.4.6.2.3.4  CSI2 Alignment Constraints
            5. 10.4.6.2.3.5  CSI2 Data Identifier
            6. 10.4.6.2.3.6  CSI2 Virtual Channel ID
            7. 10.4.6.2.3.7  CSI2 Synchronization Codes
            8. 10.4.6.2.3.8  CSI2 Generic Short Packet Codes
            9. 10.4.6.2.3.9  CSI2 Frame Structure and Data
            10. 10.4.6.2.3.10 CSI2 Virtual Channel and Context
          4. 10.4.6.2.4 CSI2 TAG Generation FSM
        3. 10.4.6.3  CAL Data Stream Merger
        4. 10.4.6.4  CAL Pixel Extraction
        5. 10.4.6.5  CAL DPCM Decoding and Encoding
        6. 10.4.6.6  CAL Stream Interleaving
        7. 10.4.6.7  CAL Pixel Packing
        8. 10.4.6.8  CAL Write DMA
          1. 10.4.6.8.1 CAL Write DMA Overview
          2. 10.4.6.8.2 CAL Write DMA Data Cropping
          3. 10.4.6.8.3 CAL Write DMA YUV422 to YUV422BP Conversion
          4. 10.4.6.8.4 CAL Write DMA Buffer Management
          5. 10.4.6.8.5 CAL Write DMA OCP Address Generation
            1. 10.4.6.8.5.1 Write DMA Buffer Base Address
            2. 10.4.6.8.5.2 Write DMA Line Start Address
            3. 10.4.6.8.5.3 Write DMA Data Address
          6. 10.4.6.8.6 CAL Write DMA OCP Transaction Generation
          7. 10.4.6.8.7 CAL Write DMA Real Time Traffic
        9. 10.4.6.9  CAL Video Port
          1. 10.4.6.9.1 CAL Video Port Overview
          2. 10.4.6.9.2 CAL Video Port Pixel Clock Generation
          3. 10.4.6.9.3 CAL Video Port Video Timing Generator
        10. 10.4.6.10 CAL Registers Shadowing
    5. 10.5 CAMSS Register Manual
      1. 10.5.1 CAMSS Instance Summary
      2. 10.5.2 CAL Registers
        1. 10.5.2.1 CAL Register Summary
        2. 10.5.2.2 CAL Register Description
      3. 10.5.3 CSI2 PHY Registers
        1. 10.5.3.1 CSI2 PHY Register Summary
        2. 10.5.3.2 CSI2 PHY Register Description
  13. 11Video Input Port
    1. 11.1 VIP Overview
    2. 11.2 VIP Environment
    3. 11.3 VIP Integration
    4. 11.4 VIP Functional Description
      1. 11.4.1 VIP Block Diagram
      2. 11.4.2 VIP Software Reset
      3. 11.4.3 VIP Power and Clocks Management
        1. 11.4.3.1 VIP Clocks
        2. 11.4.3.2 VIP Idle Mode
        3. 11.4.3.3 VIP StandBy Mode
      4. 11.4.4 VIP Slice
        1. 11.4.4.1 VIP Slice Processing Path Overview
        2. 11.4.4.2 VIP Slice Processing Path Multiplexers
          1. 11.4.4.2.1 VIP_CSC Multiplexers
          2. 11.4.4.2.2 VIP_SC Multiplexer
          3. 11.4.4.2.3 Output to VPDMA Multiplexers
        3. 11.4.4.3 VIP Slice Processing Path Examples
          1. 11.4.4.3.1 Input: A=RGB, B=YUV422; Output: A=RGB, B=RGB
          2. 11.4.4.3.2 Input: A=YUV422 8/16, B=YUV422; Output: A=Scaled YUV420, B=RGB
          3. 11.4.4.3.3 Input: A=RGB, B=YUV422; Output: A=RGB, B=Scaled YUV420
          4. 11.4.4.3.4 Input: A=YUV444, B=YUV422; Output: A=YUV422, A=Scaled YUV422, B=YUV422
          5. 11.4.4.3.5 Input: A=YUV444; Output: A=Scaled YUV420, A=YUV420
          6. 11.4.4.3.6 Input: A=YUV444; Output: A=Scaled YUV420, A=YUV444
          7. 11.4.4.3.7 Input: A=YUV422 8/16; Output: A=Scaled YUV420, A=YUV444
          8. 11.4.4.3.8 Input: A=YUV422 8/16, B=YUV422; Output: A=Scaled YUV420, B=YUV420
          9. 11.4.4.3.9 Input: A=YUV422 8/16, B=YUV422; Output: A=YUV420, B=YUV420
      5. 11.4.5 VIP Parser
        1. 11.4.5.1  Features
        2. 11.4.5.2  Repacker
        3. 11.4.5.3  Analog Video
        4. 11.4.5.4  Digitized Video
        5. 11.4.5.5  Frame Buffers
        6. 11.4.5.6  Input Data Interface
          1. 11.4.5.6.1  8b Interface Mode
          2. 11.4.5.6.2  16b Interface Mode
          3. 11.4.5.6.3  24b Interface Mode
          4. 11.4.5.6.4  Signal Relationships
          5. 11.4.5.6.5  General 5 Pin Interfaces
          6. 11.4.5.6.6  Signal Subsets—4 Pin VSYNC, ACTVID, and FID
          7. 11.4.5.6.7  Signal Subsets—4 Pin VSYNC, HSYNC, and FID
          8. 11.4.5.6.8  Vertical Sync
          9. 11.4.5.6.9  Field ID Determination Using Dedicated Signal
          10. 11.4.5.6.10 Field ID Determination Using VSYNC Skew
          11. 11.4.5.6.11 Rationale for FID Determination By VSYNC Skew
          12. 11.4.5.6.12 ACTVID Framing
          13. 11.4.5.6.13 Ancillary Data Storage in Descrete Sync Mode
        7. 11.4.5.7  BT.656 Style Embedded Sync
          1. 11.4.5.7.1 Data Input
          2. 11.4.5.7.2 Sync Words
          3. 11.4.5.7.3 Error Correction
          4. 11.4.5.7.4 Embedded Sync Ancillary Data
          5. 11.4.5.7.5 Embedded Sync RGB 24-bit Data
        8. 11.4.5.8  Source Multiplexing
          1. 11.4.5.8.1  Multiplexing Scenarios
          2. 11.4.5.8.2  2-Way Multiplexing
          3. 11.4.5.8.3  4-Way Multiplexing
          4. 11.4.5.8.4  Line Multiplexing
          5. 11.4.5.8.5  Super Frame Concept in Line Multiplexing
          6. 11.4.5.8.6  8-bit Data Interface in Line Multiplexing
          7. 11.4.5.8.7  16-bit Data Interface in Line Multiplexing
          8. 11.4.5.8.8  Split Lines in Line Multiplex Mode
          9. 11.4.5.8.9  Meta Data
          10. 11.4.5.8.10 TI Line Mux Mode, Split Lines, and Channel ID Remapping
        9. 11.4.5.9  Channel ID Extraction for 2x/4x Multiplexed Source
          1. 11.4.5.9.1 Channel ID Extraction Overview
          2. 11.4.5.9.2 Channel ID Embedded in Protection Bits for 2- and 4-Way Multiplexing
          3. 11.4.5.9.3 Channel ID Embedded in Horizontal Blanking Pixel Data for 2- and 4-Way Multiplexing
        10. 11.4.5.10 Embedded Sync Mux Modes and Data Bus Widths
        11. 11.4.5.11 Ancillary and Active Video Cropping
        12. 11.4.5.12 Interrupts
        13. 11.4.5.13 VDET Interrupt
        14. 11.4.5.14 Source Video Size
        15. 11.4.5.15 Clipping
        16. 11.4.5.16 Current and Last FID Value
        17. 11.4.5.17 Disable Handling
        18. 11.4.5.18 Picture Size Interrupt
        19. 11.4.5.19 Discrete Sync Signals
          1. 11.4.5.19.1 VBLNK and HBLNK
          2. 11.4.5.19.2 BLNK and ACTVID (1)
          3. 11.4.5.19.3 VBLNK and ACTVID(2)
          4. 11.4.5.19.4 VBLNK and HSYNC
          5. 11.4.5.19.5 VSYNC and HBLNK
          6. 11.4.5.19.6 VSYNC and ACTIVID(1)
          7. 11.4.5.19.7 VSYNC and ACTIVID(2)
          8. 11.4.5.19.8 VSYNC and HSYNC
          9. 11.4.5.19.9 Line and Pixel Capture Examples
        20. 11.4.5.20 VIP Overflow Detection and Recovery
      6. 11.4.6 VIP Color Space Converter (CSC)
        1. 11.4.6.1 CSC Features
        2. 11.4.6.2 CSC Functional Description
          1. 11.4.6.2.1 HDTV Application
            1. 11.4.6.2.1.1 HDTV Application with Video Data Range
            2. 11.4.6.2.1.2 HDTV Application with Graphics Data Range
            3. 11.4.6.2.1.3 Quantized Coefficients for Color Space Converter in HDTV
          2. 11.4.6.2.2 SDTV Application
            1. 11.4.6.2.2.1 SDTV Application with Video Data Range
            2. 11.4.6.2.2.2 SDTV Application with Graphics Data Range
            3. 11.4.6.2.2.3 Quantized Coefficients for Color Space Converter in SDTV
        3. 11.4.6.3 CSC Bypass Mode
      7. 11.4.7 VIP Scaler (SC)
        1. 11.4.7.1 SC Features
        2. 11.4.7.2 SC Functional Description
          1. 11.4.7.2.1 Trimmer
          2. 11.4.7.2.2 2084
          3. 11.4.7.2.3 Peaking
          4. 11.4.7.2.4 Vertical Scaler
            1. 11.4.7.2.4.1 Running Average Filter
            2. 11.4.7.2.4.2 Vertical Scaler Configuration Parameters
          5. 11.4.7.2.5 Horizontal Scaler
            1. 11.4.7.2.5.1 Half Decimation Filter
            2. 11.4.7.2.5.2 Polyphase Filter
            3. 11.4.7.2.5.3 Nonlinear Horizontal Scaling
            4. 11.4.7.2.5.4 Horizontal Scaler Configuration Registers
          6. 11.4.7.2.6 Basic Configurations
          7. 11.4.7.2.7 Coefficient Memory
            1. 11.4.7.2.7.1 Overview
            2. 11.4.7.2.7.2 Physical Coefficient SRAM Layout
            3. 11.4.7.2.7.3 Scaler Coefficients Packing on 128-bit VPI Control I/F
            4. 11.4.7.2.7.4 VPI Control I/F Memory Map for Scaler Coefficients
            5. 11.4.7.2.7.5 VPI Control Interface
            6. 11.4.7.2.7.6 Coefficient Table Selection Guide
        3. 11.4.7.3 SC Code
          1. 11.4.7.3.1 Generate Coefficient Memory Image
          2. 11.4.7.3.2 Scaler Configuration Calculation
          3. 11.4.7.3.3 Typical Configuration Values
        4. 11.4.7.4 SC Coefficient Data Files
          1. 11.4.7.4.1 HS Polyphase Filter Coefficients
            1. 11.4.7.4.1.1 ppfcoef_scale_eq_1_32_phases_flip.dat
            2. 11.4.7.4.1.2 ppfcoef_scale_eq_8div16_32_phases_flip.dat
            3. 11.4.7.4.1.3 ppfcoef_scale_eq_9div16_32_phases_flip.dat
            4. 11.4.7.4.1.4 ppfcoef_scale_eq_10div16_32_phases_flip.dat
            5. 11.4.7.4.1.5 ppfcoef_scale_eq_11div16_32_phases_flip.dat
            6. 11.4.7.4.1.6 ppfcoef_scale_eq_12div16_32_phases_flip.dat
            7. 11.4.7.4.1.7 ppfcoef_scale_eq_13div16_32_phases_flip.dat
            8. 11.4.7.4.1.8 ppfcoef_scale_eq_14div16_32_phases_flip.dat
            9. 11.4.7.4.1.9 ppfcoef_scale_eq_15div16_32_phases_flip.dat
          2. 11.4.7.4.2 VS Polyphase Filter Coefficients
            1. 11.4.7.4.2.1 ppfcoef_scale_eq_1_32_phases_ver_5tap_flip.dat
            2. 11.4.7.4.2.2 ppfcoef_scale_eq_3_32_phases_flip.dat
            3. 11.4.7.4.2.3 ppfcoef_scale_eq_4_32_phases_flip.dat
            4. 11.4.7.4.2.4 ppfcoef_scale_eq_5_32_phases_flip.dat
            5. 11.4.7.4.2.5 ppfcoef_scale_eq_6_32_phases_flip.dat
            6. 11.4.7.4.2.6 ppfcoef_scale_eq_7_32_phases_flip.dat
              1. 11.4.7.4.2.6.1 ppfcoef_scale_eq_8div16_32_phases_ver_5tap_flip.dat
              2. 11.4.7.4.2.6.2 ppfcoef_scale_eq_9div16_32_phases_ver_5tap_flip.dat
              3. 11.4.7.4.2.6.3 ppfcoef_scale_eq_10div16_32_phases_ver_5tap_flip.dat
              4. 11.4.7.4.2.6.4 ppfcoef_scale_eq_11div16_32_phases_ver_5tap_flip.dat
              5. 11.4.7.4.2.6.5 ppfcoef_scale_eq_12div16_32_phases_ver_5tap_flip.dat
              6. 11.4.7.4.2.6.6 ppfcoef_scale_eq_13div16_32_phases_ver_5tap_flip.dat
              7. 11.4.7.4.2.6.7 ppfcoef_scale_eq_14div16_32_phases_ver_5tap_flip.dat
              8. 11.4.7.4.2.6.8 ppfcoef_scale_eq_15div16_32_phases_ver_5tap_flip.dat
          3. 11.4.7.4.3 VS (Bilinear Filter Coefficients)
            1. 11.4.7.4.3.1 ppfcoef_scale_eq_1_32_phases_flip_PPF3_peak5_gain_eq_1_25.dat
      8. 11.4.8 VIP Video Port Direct Memory Access (VPDMA)
        1. 11.4.8.1  VPDMA Introduction
        2. 11.4.8.2  VPDMA Basic Definitions
          1. 11.4.8.2.1 Client
          2. 11.4.8.2.2 Channel
          3. 11.4.8.2.3 List
          4. 11.4.8.2.4 Data Formats Supported
        3. 11.4.8.3  2141
        4. 11.4.8.4  VPDMA Client Buffering and Functionality
        5. 11.4.8.5  VPDMA Channels Assignment
        6. 11.4.8.6  VPDMA MFLAG Mechanism
        7. 11.4.8.7  VPDMA Interrupts
        8. 11.4.8.8  VPDMA Descriptors
          1. 11.4.8.8.1 Data Transfer Descriptors
            1. 11.4.8.8.1.1 Data Packet Descriptor Word 0 (Data)
              1. 11.4.8.8.1.1.1 Data Type
              2. 11.4.8.8.1.1.2 Notify
              3. 11.4.8.8.1.1.3 Field
              4. 11.4.8.8.1.1.4 Even Line Skip
              5. 11.4.8.8.1.1.5 Odd Line Skip
              6. 11.4.8.8.1.1.6 Line Stride
            2. 11.4.8.8.1.2 Data Packet Descriptor Word 1
              1. 11.4.8.8.1.2.1 Line Length
              2. 11.4.8.8.1.2.2 Transfer Height
            3. 11.4.8.8.1.3 Data Packet Descriptor Word 2
              1. 11.4.8.8.1.3.1 Start Address
            4. 11.4.8.8.1.4 Data Packet Descriptor Word 3
              1. 11.4.8.8.1.4.1 Packet Type
              2. 11.4.8.8.1.4.2 Mode
              3. 11.4.8.8.1.4.3 Direction
              4. 11.4.8.8.1.4.4 Channel
              5. 11.4.8.8.1.4.5 Priority
              6. 11.4.8.8.1.4.6 Next Channel
            5. 11.4.8.8.1.5 Data Packet Descriptor Word 4
              1. 11.4.8.8.1.5.1 Inbound data
                1. 11.4.8.8.1.5.1.1 Frame Width
                2. 11.4.8.8.1.5.1.2 Frame Height
              2. 11.4.8.8.1.5.2 Outbound data
                1. 11.4.8.8.1.5.2.1 Descriptor Write Address
                2. 11.4.8.8.1.5.2.2 Write Descriptor
                3. 11.4.8.8.1.5.2.3 Drop Data
            6. 11.4.8.8.1.6 Data Packet Descriptor Word 5
              1. 11.4.8.8.1.6.1 Outbound data
                1. 11.4.8.8.1.6.1.1 Max Width
                2. 11.4.8.8.1.6.1.2 Max Height
          2. 11.4.8.8.2 Configuration Descriptor
            1. 11.4.8.8.2.1 Configuration Descriptor Header Word0
            2. 11.4.8.8.2.2 Configuration Descriptor Header Word1
              1. 11.4.8.8.2.2.1 Number of Data Words
            3. 11.4.8.8.2.3 Configuration Descriptor Header Word2
              1. 11.4.8.8.2.3.1 Payload Location
            4. 11.4.8.8.2.4 Configuration Descriptor Header Word3
              1. 11.4.8.8.2.4.1 Packet Type
              2. 11.4.8.8.2.4.2 Direct
              3. 11.4.8.8.2.4.3 Class
                1. 11.4.8.8.2.4.3.1 Address Data Block Format
              4. 11.4.8.8.2.4.4 Destination
              5. 11.4.8.8.2.4.5 Descriptor Length
          3. 11.4.8.8.3 Control Descriptor
            1. 11.4.8.8.3.1 Generic Control Descriptor Format
            2. 11.4.8.8.3.2 Control Descriptor Header Description
              1. 11.4.8.8.3.2.1 Packet Type
              2. 11.4.8.8.3.2.2 Source
              3. 11.4.8.8.3.2.3 Control
            3. 11.4.8.8.3.3 Control Descriptor Types
              1. 11.4.8.8.3.3.1 Sync on Client
              2. 11.4.8.8.3.3.2 Sync on List
              3. 11.4.8.8.3.3.3 Sync on External Event
              4. 11.4.8.8.3.3.4 Sync on Channel
              5. 11.4.8.8.3.3.5 Sync on LM Timer
              6. 11.4.8.8.3.3.6 Change Client Interrupt
              7. 11.4.8.8.3.3.7 Send Interrupt
              8. 11.4.8.8.3.3.8 Reload List
              9. 11.4.8.8.3.3.9 Abort Channel
        9. 11.4.8.9  VPDMA Configuration
          1. 11.4.8.9.1 Regular List
          2. 11.4.8.9.2 Video Input Ports
            1. 11.4.8.9.2.1 Multiplexed Data Streams
            2. 11.4.8.9.2.2 Single YUV Color Separate
            3. 11.4.8.9.2.3 Dual YUV Interleaved
        10. 11.4.8.10 VPDMA Data Formats
          1. 11.4.8.10.1 YUV Data Formats
            1. 11.4.8.10.1.1 Y 4:4:4 (Data Type 0)
            2. 11.4.8.10.1.2 Y 4:2:2 (Data Type 1)
            3. 11.4.8.10.1.3 Y 4:2:0 (Data Type 2)
            4. 11.4.8.10.1.4 C 4:4:4 (Data Type 4)
            5. 11.4.8.10.1.5 C 4:2:2 (Data Type 5)
            6. 11.4.8.10.1.6 C 4:2:0 (Data Type 6)
            7. 11.4.8.10.1.7 YC 4:2:2 (Data Type 7)
            8. 11.4.8.10.1.8 YC 4:4:4 (Data Type 8)
            9. 11.4.8.10.1.9 CY 4:2:2 (Data Type 23)
          2. 11.4.8.10.2 RGB Data Formats
            1. 11.4.8.10.2.1  RGB16-565 (Data Type 0)
            2. 11.4.8.10.2.2  ARGB-1555 (Data Type 1)
            3. 11.4.8.10.2.3  ARGB-4444 (Data Type 2)
            4. 11.4.8.10.2.4  RGBA-5551 (Data Type 3)
            5. 11.4.8.10.2.5  RGBA-4444 (Data Type 4)
            6. 11.4.8.10.2.6  ARGB24-6666 (Data Type 5)
            7. 11.4.8.10.2.7  RGB24-888 (Data Type 6)
            8. 11.4.8.10.2.8  ARGB32-8888 (Data Type 7)
            9. 11.4.8.10.2.9  RGBA24-6666 (Data Type 8)
            10. 11.4.8.10.2.10 RGBA32-8888 (Data Type 9)
          3. 11.4.8.10.3 Miscellaneous Data Type
    5. 11.5 VIP Register Manual
      1. 11.5.1 VIP Instance Summary
      2. 11.5.2 VIP Top Level Registers
        1. 11.5.2.1 VIP Top Level Register Summary
        2. 11.5.2.2 VIP Top Level Register Description
      3. 11.5.3 VIP Parser Registers
        1. 11.5.3.1 VIP Parser Register Summary
        2. 11.5.3.2 VIP Parser Register Description
      4. 11.5.4 VIP CSC Registers
        1. 11.5.4.1 VIP CSC Register Summary
        2. 11.5.4.2 VIP CSC Register Description
      5. 11.5.5 VIP SC registers
        1. 11.5.5.1 VIP SC Register Summary
        2. 11.5.5.2 VIP SC Register Description
      6. 11.5.6 VIP VPDMA Registers
        1. 11.5.6.1 VIP VPDMA Register Summary
        2. 11.5.6.2 VIP VPDMA Register Description
  14. 12Video Processing Engine
    1. 12.1 VPE Overview
    2. 12.2 VPE Integration
    3. 12.3 VPE Functional Description
      1. 12.3.1  VPE Block Diagram
      2. 12.3.2  VPE VC1 Range Mapping/Range Reduction
      3. 12.3.3  VPE Deinterlacer (DEI)
        1. 12.3.3.1 Functional Description
        2. 12.3.3.2 Bypass Mode
        3. 12.3.3.3 2263
          1. 12.3.3.3.1 VPDMA Interface
          2. 12.3.3.3.2 MDT
          3. 12.3.3.3.3 EDI
          4. 12.3.3.3.4 FMD
          5. 12.3.3.3.5 MUX
          6. 12.3.3.3.6 LINE BUFFER
      4. 12.3.4  VPE Scaler (SC)
        1. 12.3.4.1 SC Features
        2. 12.3.4.2 SC Functional Description
          1. 12.3.4.2.1 Trimmer
          2. 12.3.4.2.2 2274
          3. 12.3.4.2.3 Peaking
          4. 12.3.4.2.4 Vertical Scaler
            1. 12.3.4.2.4.1 Running Average Filter
            2. 12.3.4.2.4.2 Vertical Scaler Configuration Parameters
          5. 12.3.4.2.5 Horizontal Scaler
            1. 12.3.4.2.5.1 Half Decimation Filter
            2. 12.3.4.2.5.2 Polyphase Filter
            3. 12.3.4.2.5.3 Nonlinear Horizontal Scaling
            4. 12.3.4.2.5.4 Horizontal Scaler Configuration Registers
          6. 12.3.4.2.6 Basic Configurations
          7. 12.3.4.2.7 Coefficient Memory
            1. 12.3.4.2.7.1 Overview
            2. 12.3.4.2.7.2 Physical Coefficient SRAM Layout
            3. 12.3.4.2.7.3 Scaler Coefficients Packing on 128-bit VPI Control I/F
            4. 12.3.4.2.7.4 VPI Control I/F Memory Map for Scaler Coefficients
            5. 12.3.4.2.7.5 VPI Control Interface
            6. 12.3.4.2.7.6 Coefficient Table Selection Guide
        3. 12.3.4.3 SC Code
          1. 12.3.4.3.1 Generate Coefficient Memory Image
          2. 12.3.4.3.2 Scaler Configuration Calculation
          3. 12.3.4.3.3 Typical Configuration Values
        4. 12.3.4.4 SC Coefficient Data Files
          1. 12.3.4.4.1 HS Polyphase Filter Coefficients
            1. 12.3.4.4.1.1 ppfcoef_scale_eq_1_32_phases_flip.dat
            2. 12.3.4.4.1.2 ppfcoef_scale_eq_8div16_32_phases_flip.dat
            3. 12.3.4.4.1.3 ppfcoef_scale_eq_9div16_32_phases_flip.dat
            4. 12.3.4.4.1.4 ppfcoef_scale_eq_10div16_32_phases_flip.dat
            5. 12.3.4.4.1.5 ppfcoef_scale_eq_11div16_32_phases_flip.dat
            6. 12.3.4.4.1.6 ppfcoef_scale_eq_12div16_32_phases_flip.dat
            7. 12.3.4.4.1.7 ppfcoef_scale_eq_13div16_32_phases_flip.dat
            8. 12.3.4.4.1.8 ppfcoef_scale_eq_14div16_32_phases_flip.dat
            9. 12.3.4.4.1.9 ppfcoef_scale_eq_15div16_32_phases_flip.dat
          2. 12.3.4.4.2 VS Polyphase Filter Coefficients
            1. 12.3.4.4.2.1 ppfcoef_scale_eq_1_32_phases_ver_5tap_flip.dat
            2. 12.3.4.4.2.2 ppfcoef_scale_eq_3_32_phases_flip.dat
            3. 12.3.4.4.2.3 ppfcoef_scale_eq_4_32_phases_flip.dat
            4. 12.3.4.4.2.4 ppfcoef_scale_eq_5_32_phases_flip.dat
            5. 12.3.4.4.2.5 ppfcoef_scale_eq_6_32_phases_flip.dat
            6. 12.3.4.4.2.6 ppfcoef_scale_eq_7_32_phases_flip.dat
              1. 12.3.4.4.2.6.1 ppfcoef_scale_eq_8div16_32_phases_ver_5tap_flip.dat
              2. 12.3.4.4.2.6.2 ppfcoef_scale_eq_9div16_32_phases_ver_5tap_flip.dat
              3. 12.3.4.4.2.6.3 ppfcoef_scale_eq_10div16_32_phases_ver_5tap_flip.dat
              4. 12.3.4.4.2.6.4 ppfcoef_scale_eq_11div16_32_phases_ver_5tap_flip.dat
              5. 12.3.4.4.2.6.5 ppfcoef_scale_eq_12div16_32_phases_ver_5tap_flip.dat
              6. 12.3.4.4.2.6.6 ppfcoef_scale_eq_13div16_32_phases_ver_5tap_flip.dat
              7. 12.3.4.4.2.6.7 ppfcoef_scale_eq_14div16_32_phases_ver_5tap_flip.dat
              8. 12.3.4.4.2.6.8 ppfcoef_scale_eq_15div16_32_phases_ver_5tap_flip.dat
              9. 12.3.4.4.2.6.9 ppcoef_scale_1x_ver_5tap.dat
          3. 12.3.4.4.3 VS (Bilinear Filter Coefficients)
            1. 12.3.4.4.3.1 ppfcoef_scale_eq_1_32_phases_flip_PPF3_peak5_gain_eq_1_25.dat
      5. 12.3.5  VPE Color Space Converter (CSC)
        1. 12.3.5.1 CSC Features
        2. 12.3.5.2 CSC Functional Description
        3. 12.3.5.3 2328
          1. 12.3.5.3.1 HDTV Application
            1. 12.3.5.3.1.1 HDTV Application with Video Data Range
            2. 12.3.5.3.1.2 HDTV Application with Graphics Data Range
            3. 12.3.5.3.1.3 Quantized Coefficients for Color Space Converter in HDTV
          2. 12.3.5.3.2 SDTV Application
            1. 12.3.5.3.2.1 SDTV Application with Video Data Range
            2. 12.3.5.3.2.2 SDTV Application with Graphics Data Range
            3. 12.3.5.3.2.3 Quantized Coefficients for Color Space Converter in SDTV
        4. 12.3.5.4 CSC Bypass Mode
      6. 12.3.6  VPE Chroma Up-Sampler (CHR_US)
        1. 12.3.6.1 Features
        2. 12.3.6.2 Functional Description
        3. 12.3.6.3 For Interlaced YUV420 Input Data
        4. 12.3.6.4 Edge Effects
        5. 12.3.6.5 Modes of Operation (VPDMA)
        6. 12.3.6.6 Coefficient Configuration
      7. 12.3.7  VPE Chroma Down-Sampler (CHR_DS)
      8. 12.3.8  VPE YUV422 to YUV444 Conversion
      9. 12.3.9  VPE Video Port Direct Memory Access (VPDMA)
        1. 12.3.9.1 VPDMA Introduction
        2. 12.3.9.2 VPDMA Basic Definitions
          1. 12.3.9.2.1 Client
          2. 12.3.9.2.2 Channel
          3. 12.3.9.2.3 List
          4. 12.3.9.2.4 Data Formats Supported
        3. 12.3.9.3 VPDMA Client Buffering and Functionality
        4. 12.3.9.4 VPDMA Channels Assignment
        5. 12.3.9.5 VPDMA Interrupts
        6. 12.3.9.6 VPDMA Descriptors
          1. 12.3.9.6.1 Data Transfer Descriptors
            1. 12.3.9.6.1.1 Data Packet Descriptor Word 0 (Data)
              1. 12.3.9.6.1.1.1 Data Type
              2. 12.3.9.6.1.1.2 Notify
              3. 12.3.9.6.1.1.3 Field
              4. 12.3.9.6.1.1.4 1D
              5. 12.3.9.6.1.1.5 Even Line Skip
              6. 12.3.9.6.1.1.6 Odd Line Skip
              7. 12.3.9.6.1.1.7 Line Stride
            2. 12.3.9.6.1.2 Data Packet Descriptor Word 1
              1. 12.3.9.6.1.2.1 Line Length
              2. 12.3.9.6.1.2.2 Transfer Height
            3. 12.3.9.6.1.3 Data Packet Descriptor Word 2
              1. 12.3.9.6.1.3.1 Start Address
            4. 12.3.9.6.1.4 Data Packet Descriptor Word 3
              1. 12.3.9.6.1.4.1 Packet Type
              2. 12.3.9.6.1.4.2 Mode
              3. 12.3.9.6.1.4.3 Direction
              4. 12.3.9.6.1.4.4 Channel
              5. 12.3.9.6.1.4.5 Priority
              6. 12.3.9.6.1.4.6 Next Channel
            5. 12.3.9.6.1.5 Data Packet Descriptor Word 4
              1. 12.3.9.6.1.5.1 Inbound data
                1. 12.3.9.6.1.5.1.1 Frame Width
                2. 12.3.9.6.1.5.1.2 Frame Height
              2. 12.3.9.6.1.5.2 Outbound data
                1. 12.3.9.6.1.5.2.1 Descriptor Write Address
                2. 12.3.9.6.1.5.2.2 Write Descriptor
                3. 12.3.9.6.1.5.2.3 Drop Data
                4. 12.3.9.6.1.5.2.4 Use Descriptor Register
            6. 12.3.9.6.1.6 Data Packet Descriptor Word 5
              1. 12.3.9.6.1.6.1 Outbound data
                1. 12.3.9.6.1.6.1.1 Max Width
                2. 12.3.9.6.1.6.1.2 Max Height
            7. 12.3.9.6.1.7 Data Packet Descriptor Word 6/7 (Data)
          2. 12.3.9.6.2 Configuration Descriptor
            1. 12.3.9.6.2.1 Configuration Descriptor Header Word0
            2. 12.3.9.6.2.2 Configuration Descriptor Header Word1
              1. 12.3.9.6.2.2.1 Number of Data Words
            3. 12.3.9.6.2.3 Configuration Descriptor Header Word2
              1. 12.3.9.6.2.3.1 Payload Location
            4. 12.3.9.6.2.4 Configuration Descriptor Header Word3
              1. 12.3.9.6.2.4.1 Packet Type
              2. 12.3.9.6.2.4.2 Direct
              3. 12.3.9.6.2.4.3 Class
                1. 12.3.9.6.2.4.3.1 Address Data Block Format
              4. 12.3.9.6.2.4.4 Destination
              5. 12.3.9.6.2.4.5 Descriptor Length
          3. 12.3.9.6.3 Control Descriptor
            1. 12.3.9.6.3.1 Generic Control Descriptor Format
            2. 12.3.9.6.3.2 Control Descriptor Header Description
              1. 12.3.9.6.3.2.1 Packet Type
              2. 12.3.9.6.3.2.2 Source
              3. 12.3.9.6.3.2.3 Control
            3. 12.3.9.6.3.3 Control Descriptor Types
              1. 12.3.9.6.3.3.1 Sync on Client
              2. 12.3.9.6.3.3.2 Sync on List
              3. 12.3.9.6.3.3.3 Sync on External Event
              4. 12.3.9.6.3.3.4 Sync on Channel
              5. 12.3.9.6.3.3.5 Sync on LM Timer
              6. 12.3.9.6.3.3.6 Change Client Interrupt
              7. 12.3.9.6.3.3.7 Send Interrupt
              8. 12.3.9.6.3.3.8 Reload List
              9. 12.3.9.6.3.3.9 Abort Channel
        7. 12.3.9.7 VPDMA Configuration
          1. 12.3.9.7.1 Regular List
          2. 12.3.9.7.2 Video Input Ports
            1. 12.3.9.7.2.1 Single YUV Color Separate
            2. 12.3.9.7.2.2 Dual YUV Interleaved
            3. 12.3.9.7.2.3 Single RGB Stream
        8. 12.3.9.8 VPDMA Data Formats
          1. 12.3.9.8.1 YUV Data Formats
            1. 12.3.9.8.1.1 Y 4:4:4 (Data Type 0)
            2. 12.3.9.8.1.2 Y 4:2:2 (Data Type 1)
            3. 12.3.9.8.1.3 Y 4:2:0 (Data Type 2)
            4. 12.3.9.8.1.4 C 4:4:4 (Data Type 4)
            5. 12.3.9.8.1.5 C 4:2:2 (Data Type 5)
            6. 12.3.9.8.1.6 C 4:2:0 (Data Type 6)
            7. 12.3.9.8.1.7 YC 4:2:2 (Data Type 7)
            8. 12.3.9.8.1.8 YC 4:4:4 (Data Type 8)
            9. 12.3.9.8.1.9 CY 4:2:2 (Data Type 23)
          2. 12.3.9.8.2 RGB Data Formats
            1. 12.3.9.8.2.1 Input Data Formats
              1. 12.3.9.8.2.1.1  RGB16-565 (Data Type 0)
              2. 12.3.9.8.2.1.2  ARGB-1555 (Data Type 1)
              3. 12.3.9.8.2.1.3  ARGB-4444 (Data Type 2)
              4. 12.3.9.8.2.1.4  RGBA-5551 (Data Type 3)
              5. 12.3.9.8.2.1.5  RGBA-4444 (Data Type 4)
              6. 12.3.9.8.2.1.6  ARGB24-6666 (Data Type 5)
              7. 12.3.9.8.2.1.7  RGB24-888 (Data Type 6)
              8. 12.3.9.8.2.1.8  ARGB32-8888 (Data Type 7)
              9. 12.3.9.8.2.1.9  RGBA24-6666 (Data Type 8)
              10. 12.3.9.8.2.1.10 RGBA32-8888 (Data Type 9)
            2. 12.3.9.8.2.2 Output Data Formats
              1. 12.3.9.8.2.2.1  RGB16-565 (Data Type 0)
              2. 12.3.9.8.2.2.2  ARGB-1555 (Data Type 1)
              3. 12.3.9.8.2.2.3  ARGB-4444 (Data Type 2)
              4. 12.3.9.8.2.2.4  RGBA-5551 (Data Type 3)
              5. 12.3.9.8.2.2.5  RGBA-4444 (Data Type 4)
              6. 12.3.9.8.2.2.6  ARGB24-6666 (Data Type 5)
              7. 12.3.9.8.2.2.7  RGB24-888 (Data Type 6)
              8. 12.3.9.8.2.2.8  ARGB32-8888 (Data Type 7)
              9. 12.3.9.8.2.2.9  RGBA24-6666 (Data Type 8)
              10. 12.3.9.8.2.2.10 RGBA32-8888 (Data Type 9)
          3. 12.3.9.8.3 Miscellaneous Data Type
      10. 12.3.10 VPE Software Reset
      11. 12.3.11 VPE Power and Clocks Management
        1. 12.3.11.1 VPE Clocks
        2. 12.3.11.2 VPE Idle Mode
        3. 12.3.11.3 VPE StandBy Mode
    4. 12.4 VPE Register Manual
      1. 12.4.1 VPE Instance Summary
      2. 12.4.2 VPE_CSC Registers
        1. 12.4.2.1 VPE_CSC Register Summary
        2. 12.4.2.2 VPE_CSC Register Description
      3. 12.4.3 VPE_SC Registers
        1. 12.4.3.1 VPE_SC Register Summary
        2. 12.4.3.2 VPE_SC Register Description
      4. 12.4.4 VPE_CHR_US Registers
        1. 12.4.4.1 VPE_CHR_US Register Summary
        2. 12.4.4.2 VPE_CHR_US Register Description
      5. 12.4.5 VPE_DEI Registers
        1. 12.4.5.1 VPE_DEI Register Summary
        2. 12.4.5.2 VPE_DEI Register Description
      6. 12.4.6 VPE_VPDMA Registers
        1. 12.4.6.1 VPE_VPDMA Register Summary
        2. 12.4.6.2 VPE_VPDMA Register Description
      7. 12.4.7 VPE_TOP_LEVEL Registers
        1. 12.4.7.1 VPE_TOP_LEVEL Register Summary
        2. 12.4.7.2 VPE_TOP_LEVEL Register Description
  15. 13Display Subsystem
    1. 13.1 Display Subsystem Overview
      1. 13.1.1 Display Subsystem Environment
        1. 13.1.1.1 Display Subsystem LCD Support
          1. 13.1.1.1.1 Display Subsystem LCD with Parallel Interfaces
        2. 13.1.1.2 Display Subsystem TV Display Support
          1. 13.1.1.2.1 Display Subsystem TV With Parallel Interfaces
          2. 13.1.1.2.2 Display Subsystem TV With Serial Interfaces
      2. 13.1.2 Display Subsystem Integration
        1. 13.1.2.1 Display Subsystem Clocks
        2. 13.1.2.2 Display Subsystem Resets
        3. 13.1.2.3 Display Subsystem Power Management
          1. 13.1.2.3.1 Display Subsystem Standby Mode
          2. 13.1.2.3.2 2501
          3. 13.1.2.3.3 Display Subsystem Wake-Up Mode
      3. 13.1.3 Display Subsystem DPLL Controllers Functional Description
        1. 13.1.3.1 DPLL Controllers Overview
        2. 13.1.3.2 OCP2SCP2 Functional Description
          1. 13.1.3.2.1 OCP2SCP2 Reset
            1. 13.1.3.2.1.1 Hardware Reset
            2. 13.1.3.2.1.2 Software Reset
          2. 13.1.3.2.2 OCP2SCP2 Power Management
            1. 13.1.3.2.2.1 Idle Mode
            2. 13.1.3.2.2.2 Clock Gating
          3. 13.1.3.2.3 OCP2SCP2 Timing Registers
        3. 13.1.3.3 DPLL_VIDEO Functional Description
          1. 13.1.3.3.1 DPLL_VIDEO Controller Architecture
          2. 13.1.3.3.2 DPLL_VIDEO Operations
          3. 13.1.3.3.3 DPLL_VIDEO Error Handling
          4. 13.1.3.3.4 DPLL_VIDEO Software Reset
          5. 13.1.3.3.5 DPLL_VIDEO Power Management
          6. 13.1.3.3.6 DPLL_VIDEO HSDIVIDER Loading Operation
          7. 13.1.3.3.7 DPLL_VIDEO Clock Sequence
          8. 13.1.3.3.8 DPLL_VIDEO Go Sequence
          9. 13.1.3.3.9 DPLL_VIDEO Recommended Values
        4. 13.1.3.4 DPLL_HDMI Functional Description
          1. 13.1.3.4.1  DPLL_HDMI and PLLCTRL_HDMI Overview
          2. 13.1.3.4.2  DPLL_HDMI and PLLCTRL_HDMI Architecture
          3. 13.1.3.4.3  DPLL_HDMI Operations
          4. 13.1.3.4.4  DPLL_HDMI Register Access
          5. 13.1.3.4.5  DPLL_HDMI Error Handling
          6. 13.1.3.4.6  DPLL_HDMI Software Reset
          7. 13.1.3.4.7  DPLL_HDMI Power Management
          8. 13.1.3.4.8  DPLL_HDMI Lock Sequence
          9. 13.1.3.4.9  DPLL_HDMI Go Sequence
          10. 13.1.3.4.10 DPLL_HDMI Recommended Values
      4. 13.1.4 Display Subsystem Programming Guide
      5. 13.1.5 Display Subsystem Register Manual
        1. 13.1.5.1 Display Subsystem Instance Summary
        2. 13.1.5.2 Display Subsystem Registers
          1. 13.1.5.2.1 Display Subsystem Registers Mapping Summary
          2. 13.1.5.2.2 Display Subsystem Register Description
        3. 13.1.5.3 OCP2SCP2 registers
          1. 13.1.5.3.1 OCP2SCP2 Register Summary
          2. 13.1.5.3.2 OCP2SCP Register Description
        4. 13.1.5.4 DPLL_VIDEO Registers
          1. 13.1.5.4.1 DPLL_VIDEO Register Summary
          2. 13.1.5.4.2 DPLL_VIDEO Register Description
        5. 13.1.5.5 DPLL_HDMI Registers
          1. 13.1.5.5.1 DPLL_HDMI Registers Mapping Summary
          2. 13.1.5.5.2 DPLL_HDMI Register Description
        6. 13.1.5.6 HDMI_WP Registers
          1. 13.1.5.6.1 HDMI_WP Registers Mapping Summary
          2. 13.1.5.6.2 HDMI_WP Register Description
        7. 13.1.5.7 DSI Registers
          1. 13.1.5.7.1 DSI Register Summary
          2. 13.1.5.7.2 DSI Register Description
    2. 13.2 Display Controller
      1. 13.2.1 DISPC Overview
      2. 13.2.2 DISPC Environment
        1. 13.2.2.1 DISPC LCD Output and Data Format for the Parallel Interface
        2. 13.2.2.2 DISPC Transaction Timing Diagrams
        3. 13.2.2.3 DISPC TV Output and Data Format for the Parallel Interface
      3. 13.2.3 DISPC Integration
      4. 13.2.4 DISPC Functional Description
        1. 13.2.4.1  DISPC Clock Configuration
        2. 13.2.4.2  DISPC Software Reset
        3. 13.2.4.3  DISPC Power Management
          1. 13.2.4.3.1 DISPC Idle Mode
          2. 13.2.4.3.2 DISPC StandBy Mode
          3. 13.2.4.3.3 DISPC Wakeup
        4. 13.2.4.4  DISPC Interrupt Requests
        5. 13.2.4.5  DISPC DMA Requests
        6. 13.2.4.6  DISPC DMA Engine
          1. 13.2.4.6.1 DISPC Addressing and Bursts
          2. 13.2.4.6.2 DISPC Immediate Base Address Flip Mechanism
          3. 13.2.4.6.3 DISPC DMA Buffers
            1. 13.2.4.6.3.1 DISPC READ DMA Buffers (GFX and VID Pipelines)
            2. 13.2.4.6.3.2 DISPC WRITE DMA Buffer (WB Pipeline)
          4. 13.2.4.6.4 DISPC MFLAG Mechanism and Arbitration
          5. 13.2.4.6.5 DISPC Predecimation
          6. 13.2.4.6.6 DISPC Progressive-to-Interlaced Format Conversion
          7. 13.2.4.6.7 DISPC Arbitration
          8. 13.2.4.6.8 DISPC DMA Power Modes
            1. 13.2.4.6.8.1 DISPC DMA Low-Power Mode
            2. 13.2.4.6.8.2 DISPC DMA Ultralow-Power Mode
        7. 13.2.4.7  DISPC Rotation and Mirroring
        8. 13.2.4.8  DISPC Memory Format
        9. 13.2.4.9  DISPC Graphics Pipeline
          1. 13.2.4.9.1 DISPC Replication Logic
          2. 13.2.4.9.2 DISPC Antiflicker Filter
        10. 13.2.4.10 DISPC Video Pipelines
          1. 13.2.4.10.1 DISPC Replication Logic
          2. 13.2.4.10.2 DISPC VC-1 Range Mapping Unit
          3. 13.2.4.10.3 DISPC CSC Unit YUV to RGB
            1. 13.2.4.10.3.1 DISPC Chrominance Resampling
          4. 13.2.4.10.4 DISPC Scaler Unit
            1. 13.2.4.10.4.1 DISPC Scaling Algorithms
            2. 13.2.4.10.4.2 DISPC Scaling limitations
        11. 13.2.4.11 DISPC Write-Back Pipeline
          1. 13.2.4.11.1 DISPC Write-Back CSC Unit RGB to YUV
          2. 13.2.4.11.2 DISPC Write-Back Scaler Unit
          3. 13.2.4.11.3 DISPC Write-Back RGB Truncation Logic
        12. 13.2.4.12 DISPC Hardware Cursor
        13. 13.2.4.13 DISPC LCD Outputs
          1. 13.2.4.13.1 DISPC Overlay Manager
            1. 13.2.4.13.1.1 DISPC Priority Rule
            2. 13.2.4.13.1.2 DISPC Alpha Blender
            3. 13.2.4.13.1.3 DISPC Transparency Color Keys
            4. 13.2.4.13.1.4 DISPC Overlay Optimization
          2. 13.2.4.13.2 DISPC Gamma Correction Unit
          3. 13.2.4.13.3 DISPC Color Phase Rotation Unit
          4. 13.2.4.13.4 DISPC Color Space Conversion
          5. 13.2.4.13.5 DISPC BT.656 and BT.1120 Modes
            1. 13.2.4.13.5.1 Blanking
            2. 13.2.4.13.5.2 EAV and SAV
          6. 13.2.4.13.6 DISPC Active Matrix
            1. 13.2.4.13.6.1 DISPC Spatial/Temporal Dithering
            2. 13.2.4.13.6.2 DISPC Multiple Cycle Output Format (TDM)
          7. 13.2.4.13.7 DISPC Synchronized Buffer Update
          8. 13.2.4.13.8 DISPC Timing Generator and Panel Settings
        14. 13.2.4.14 DISPC TV Output
          1. 13.2.4.14.1 DISPC Overlay Manager
          2. 13.2.4.14.2 DISPC Gamma Correction Unit
          3. 13.2.4.14.3 DISPC Synchronized Buffer Update
          4. 13.2.4.14.4 DISPC Timing and TV Format Settings
        15. 13.2.4.15 DISPC Frame Width Considerations
        16. 13.2.4.16 DISPC Extended 3D Support
          1. 13.2.4.16.1 DISPC Extended 3D Support - Line Alternative Format
          2. 13.2.4.16.2 2627
          3. 13.2.4.16.3 DISPC Extended 3D Support - Frame Packing Format Format
          4. 13.2.4.16.4 DISPC Extended 3D Support - DLP 3D Format
        17. 13.2.4.17 DISPC Shadow Registers
      5. 13.2.5 DISPC Programming Guide
        1. 13.2.5.1 DISPC Low-Level Programming Models
          1. 13.2.5.1.1 DISPC Global Initialization
            1. 13.2.5.1.1.1 DISPC Surrounding Modules Global Initialization
          2. 13.2.5.1.2 DISPC Operational Modes Configuration
            1. 13.2.5.1.2.1 DISPC DMA Configuration
              1. 13.2.5.1.2.1.1 DISPC Main Sequence – DISPC DMA Channel Configuration
            2. 13.2.5.1.2.2 DISPC GFX Pipeline Configuration
              1. 13.2.5.1.2.2.1 DISPC Main Sequence – Configure the GFX Pipeline
              2. 13.2.5.1.2.2.2 DISPC Subsequence – Configure the GFX Window
              3. 13.2.5.1.2.2.3 DISPC Subsequence – Configure the GFX Pipeline Processing
              4. 13.2.5.1.2.2.4 DISPC Subsequence – Configure the GFX Pipeline Layer Output
            3. 13.2.5.1.2.3 DISPC Video Pipeline Configuration
              1. 13.2.5.1.2.3.1 DISPC Main Sequence – Configure the Video Pipeline
              2. 13.2.5.1.2.3.2 DISPC Subsequence – Configure the Video Window
              3. 13.2.5.1.2.3.3 DISPC Subsequence – Configure the Video Pipeline Processing
              4. 13.2.5.1.2.3.4 DISPC Subsequence – Configure the VC-1 Range Mapping
              5. 13.2.5.1.2.3.5 DISPC Subsequence – Configure the Video Color Space Conversion
              6. 13.2.5.1.2.3.6 DISPC Subsequence – Configure the Video Scaler Unit
              7. 13.2.5.1.2.3.7 DISPC Subsequence – Configure the Video Pipeline Layer Output
            4. 13.2.5.1.2.4 DISPC WB Pipeline Configuration
              1. 13.2.5.1.2.4.1 DISPC Main Sequence – Configure the WB Pipeline
              2. 13.2.5.1.2.4.2 DISPC Subsequence – Configure the Capture Window
              3. 13.2.5.1.2.4.3 DISPC Subsequence – Configure the WB Scaler Unit
              4. 13.2.5.1.2.4.4 DISPC Subsequence – Configure the WB Color Space Conversion Unit
            5. 13.2.5.1.2.5 DISPC LCD Output Configuration
              1. 13.2.5.1.2.5.1 DISPC Main Sequence – Configure the LCD Output
              2. 13.2.5.1.2.5.2 DISPC Subsequence – Configure the Overlay Manager
              3. 13.2.5.1.2.5.3 DISPC Subsequence – Configure the Gamma Table for Gamma Correction
              4. 13.2.5.1.2.5.4 DISPC Subsequence – Configure the Color Phase Rotation
              5. 13.2.5.1.2.5.5 DISPC Subsequence – Configure the LCD Panel Timings and Parameters
              6. 13.2.5.1.2.5.6 DISPC Subsequence – Configure BT.656 or BT.1120 Mode
            6. 13.2.5.1.2.6 DISPC TV Output Configuration
              1. 13.2.5.1.2.6.1 DISPC Main Sequence – Configure the TV Output
                1. 13.2.5.1.2.6.1.1 DISPC Subsequence – Configure the TV Overlay Manager
                2. 13.2.5.1.2.6.1.2 DISPC Subsequence – Configure the Gamma Table for Gamma Correction
                3. 13.2.5.1.2.6.1.3 DISPC Subsequence – Configure the TV Panel Timings and Parameters
      6. 13.2.6 DISPC Register Manual
        1. 13.2.6.1 DISPC Instance Summary
        2. 13.2.6.2 DISPC Logical Register Mapping
        3. 13.2.6.3 DISPC Registers
          1. 13.2.6.3.1 DISPC Register Summary
          2. 13.2.6.3.2 DISPC Register Description
    3. 13.3 High-Definition Multimedia Interface
      1. 13.3.1 HDMI Overview
        1. 13.3.1.1 HDMI Main Features
        2. 13.3.1.2 HDMI Video Formats and Timings
          1. 13.3.1.2.1 HDMI CEA-861-D Video Formats and Timings
          2. 13.3.1.2.2 VESA DMT Video Formats and Timings
  16. 143D Graphics Accelerator
    1. 14.1 GPU Overview
      1. 14.1.1 GPU Features Overview
      2. 14.1.2 Graphics Feature Overview
    2. 14.2 GPU Integration
    3. 14.3 GPU Functional Description
      1. 14.3.1 GPU Block Diagram
      2. 14.3.2 GPU Clock Configuration
      3. 14.3.3 GPU Software Reset
      4. 14.3.4 GPU Power Management
      5. 14.3.5 GPU Thermal Management
      6. 14.3.6 GPU Interrupt Requests
    4. 14.4 GPU Register Manual
      1. 14.4.1 GPU Instance Summary
      2. 14.4.2 GPU Registers
        1. 14.4.2.1 GPU_WRAPPER Register Summary
        2. 14.4.2.2 GPU_WRAPPER Register Description
  17. 152D Graphics Accelerator
    1. 15.1 BB2D Overview
      1. 15.1.1 BB2D Key Features Overview
    2. 15.2 BB2D Integration
    3. 15.3 BB2D Functional Description
      1. 15.3.1 BB2D Block Diagram
      2. 15.3.2 BB2D Clock Configuration
      3. 15.3.3 BB2D Software Reset
      4. 15.3.4 BB2D Power Management
    4. 15.4 BB2D Register Manual
      1. 15.4.1 BB2D Instance Summary
      2. 15.4.2 BB2D Registers
        1. 15.4.2.1 BB2D Register Summary
        2. 15.4.2.2 BB2D Register Description
  18. 16Interconnect
    1. 16.1 Interconnect Overview
      1. 16.1.1 Terminology
      2. 16.1.2 Architecture Overview
    2. 16.2 L3_MAIN Interconnect
      1. 16.2.1 L3_MAIN Interconnect Overview
      2. 16.2.2 L3_MAIN Interconnect Integration
      3. 16.2.3 L3_MAIN Interconnect Functional Description
        1. 16.2.3.1 Module Use in L3_MAIN Interconnect
        2. 16.2.3.2 Module Distribution
          1. 16.2.3.2.1 L3_MAIN Interconnect Agents
          2. 16.2.3.2.2 L3_MAIN Connectivity Matrix
            1. 16.2.3.2.2.1 Clock Domain Mapping of the L3_MAIN Interconnect Modules
            2. 16.2.3.2.2.2 2724
          3. 16.2.3.2.3 Master NIU Identification
        3. 16.2.3.3 Bandwidth Regulators
        4. 16.2.3.4 Bandwidth Limiters
        5. 16.2.3.5 Flag Muxing
          1. 16.2.3.5.1 Flag Mux Time-out
        6. 16.2.3.6 Statistic Collectors Group
        7. 16.2.3.7 L3_MAIN Protection and Firewalls
          1. 16.2.3.7.1 L3_MAIN Firewall Reset
            1. 16.2.3.7.1.1 L3_MAIN Firewall – Exported Reset Values
          2. 16.2.3.7.2 Power Management
          3. 16.2.3.7.3 L3_MAIN Firewall Functionality
            1. 16.2.3.7.3.1 Protection Regions
            2. 16.2.3.7.3.2 L3_MAIN Firewall Registers Overview
            3. 16.2.3.7.3.3 Protection Mechanism per Region Examples
            4. 16.2.3.7.3.4 L3_MAIN Firewall Error Logging
            5. 16.2.3.7.3.5 L3_MAIN Firewall Default Configuration
        8. 16.2.3.8 L3_MAIN Interconnect Error Handling
          1. 16.2.3.8.1 Global Error-Routing Scheme
          2. 16.2.3.8.2 Slave NIU Error Logging
          3. 16.2.3.8.3 Flag Mux Error Logging
          4. 16.2.3.8.4 Severity Level of Standard and Custom Errors
          5. 16.2.3.8.5 Example for Decoding Standard/Custom Errors Logged in L3_MAIN
      4. 16.2.4 L3_MAIN Interconnect Programming Guide
        1. 16.2.4.1 L3 _MAIN Interconnect Low-Level Programming Models
          1. 16.2.4.1.1 Global Initialization
            1. 16.2.4.1.1.1 Global Initialization of Surrounding Modules
        2. 16.2.4.2 Operational Modes Configuration
          1. 16.2.4.2.1 L3_MAIN Interconnect Error Analysis Mode
            1. 16.2.4.2.1.1 Main Sequence: L3_MAIN Interconnect Error Analysis Mode
              1. 16.2.4.2.1.1.1 Subsequence: L3_MAIN Custom Error Identification
              2. 16.2.4.2.1.1.2 Subsequence: L3_MAIN Interconnect Protection Violation Error Identification
              3. 16.2.4.2.1.1.3 Subsequence: L3_MAIN Interconnect Standard Error Identification
              4. 16.2.4.2.1.1.4 Subsequence: L3_MAIN Interconnect FLAGMUX Configuration
      5. 16.2.5 L3_MAIN Interconnect Register Manual
        1. 16.2.5.1 L3_MAIN Register Group Summary
          1. 16.2.5.1.1 L3_MAIN Firewall Registers Summary and Description
            1. 16.2.5.1.1.1 L3_MAIN Firewall Registers Summary
            2. 16.2.5.1.1.2 L3_MAIN Firewall Registers Description
          2. 16.2.5.1.2 L3_MAIN Host Register Summary and Description
            1. 16.2.5.1.2.1 L3_MAIN HOST Register Summary
            2. 16.2.5.1.2.2 L3_MAIN HOST Register Description
          3. 16.2.5.1.3 L3_MAIN TARG Register Summary and Description
            1. 16.2.5.1.3.1 L3_MAIN TARG Register Summary
            2. 16.2.5.1.3.2 L3_MAIN TARG Register Description
          4. 16.2.5.1.4 L3_MAIN FLAGMUX Registers Summary and Description
            1. 16.2.5.1.4.1 L3_MAIN FLAGMUX Registers Summary
            2. 16.2.5.1.4.2 L3_MAIN FLAGMUX Rebisters Description
          5. 16.2.5.1.5 L3_MAIN FLAGMUX CLK1MERGE Registers Summary and Description
            1. 16.2.5.1.5.1 L3_MAIN FLAGMUX CLK1MERGE Registers Summary
            2. 16.2.5.1.5.2 L3_MAIN FLAGMUX CLK1MERGE Registers Description
          6. 16.2.5.1.6 L3_MAIN FLAGMUX TIMEOUT Registers Summary and Description
            1. 16.2.5.1.6.1 L3_MAIN FLAGMUX TIMEOUT Registers Summary
            2. 16.2.5.1.6.2 L3_MAIN FLAGMUX TIMEOUT Registers Description
          7. 16.2.5.1.7 L3_MAIN BW Regulator Register Summary and Description
            1. 16.2.5.1.7.1 L3_MAIN BW_REGULATOR Register Summary
            2. 16.2.5.1.7.2 L3_MAIN BW_REGULATOR Register Description
          8. 16.2.5.1.8 L3_MAIN Bandwidth Limiter Register Summary and Description
            1. 16.2.5.1.8.1 L3_MAIN BW Limiter Register Summary
            2. 16.2.5.1.8.2 L3_MAIN BW Limiter Register Description
          9. 16.2.5.1.9 L3_MAIN STATCOLL Register Summary and Description
            1. 16.2.5.1.9.1 L3_MAIN STATCOLL Register Summary
            2. 16.2.5.1.9.2 L3_MAIN STATCOLL Register Description
    3. 16.3 L4 Interconnects
      1. 16.3.1 L4 Interconnect Overview
      2. 16.3.2 L4 Interconnect Integration
      3. 16.3.3 L4 Interconnect Functional Description
        1. 16.3.3.1 Module Distribution
          1. 16.3.3.1.1 L4_PER1 Interconnect Agents
          2. 16.3.3.1.2 L4_PER2 Interconnect Agents
          3. 16.3.3.1.3 L4_PER3 Interconnect Agents
          4. 16.3.3.1.4 L4_CFG Interconnect Agents
          5. 16.3.3.1.5 L4_WKUP Interconnect Agents
        2. 16.3.3.2 Power Management
        3. 16.3.3.3 L4 Firewalls
          1. 16.3.3.3.1 Protection Group
          2. 16.3.3.3.2 Segments and Regions
          3. 16.3.3.3.3 L4 Firewall Address and Protection Register Settings
        4. 16.3.3.4 L4 Error Detection and Reporting
          1. 16.3.3.4.1 IA and TA Error Detection and Logging
          2. 16.3.3.4.2 Time-Out
          3. 16.3.3.4.3 Error Reporting
          4. 16.3.3.4.4 Error Recovery
          5. 16.3.3.4.5 Firewall Error Logging in the Control Module
      4. 16.3.4 L4 Interconnect Programming Guide
        1. 16.3.4.1 L4 Interconnect Low-level Programming Models
          1. 16.3.4.1.1 Global Initialization
            1. 16.3.4.1.1.1 Surrounding Modules Global Initialization
          2. 16.3.4.1.2 Operational Modes Configuration
            1. 16.3.4.1.2.1 L4 Interconnect Error Analysis Mode
              1. 16.3.4.1.2.1.1 Main Sequence: L4 Interconnect Error Analysis Mode
              2. 16.3.4.1.2.1.2 Subsequence: L4 Interconnect Protection Violation Error Identification
              3. 16.3.4.1.2.1.3 Subsequence: L4 Interconnect Unsupported Command/Address Hole Error Identification
              4. 16.3.4.1.2.1.4 Subsequence: L4 Interconnect Reset TA and Module
            2. 16.3.4.1.2.2 L4 Interconnect Time-Out Configuration Mode
              1. 16.3.4.1.2.2.1 Main Sequence: L4 Interconnect Time-Out Configuration Mode
            3. 16.3.4.1.2.3 L4 Interconnect Firewall Configuration Mode
              1. 16.3.4.1.2.3.1 Main Sequence: L4 Interconnect Firewall Configuration Mode
      5. 16.3.5 L4 Interconnects Register Manual
        1. 16.3.5.1 L4 Interconnects Instance Summary
        2. 16.3.5.2 L4 Initiator Agent (L4 IA)
          1. 16.3.5.2.1 L4 Initiator Agent (L4 IA) Register Summary
          2. 16.3.5.2.2 L4 Initiator Agent (L4 IA) Register Description
        3. 16.3.5.3 L4 Target Agent (L4 TA)
          1. 16.3.5.3.1 L4 Target Agent (L4 TA) Register Summary
          2. 16.3.5.3.2 L4 Target Agent (L4 TA) Register Description
        4. 16.3.5.4 L4 Link Agent (L4 LA)
          1. 16.3.5.4.1 L4 Link Agent (L4 LA) Register Summary
          2. 16.3.5.4.2 L4 Link Agent (L4 LA) Register Description
        5. 16.3.5.5 L4 Address Protection (L4 AP)
          1. 16.3.5.5.1 L4 Address Protection (L4 AP) Register Summary
          2. 16.3.5.5.2 L4 Address Protection (L4 AP) Register Description
  19. 17Memory Subsystem
    1. 17.1 Memory Subsystem Overview
      1. 17.1.1 DMM Overview
      2. 17.1.2 TILER Overview
      3. 17.1.3 EMIF Overview
      4. 17.1.4 GPMC Overview
      5. 17.1.5 ELM Overview
      6. 17.1.6 OCM Overview
    2. 17.2 Dynamic Memory Manager
      1. 17.2.1 DMM Overview
      2. 17.2.2 DMM Integration
        1. 17.2.2.1 DMM Configuration
      3. 17.2.3 DMM Functional Description
        1. 17.2.3.1 DMM Block Diagram
        2. 17.2.3.2 DMM Clock Configuration
        3. 17.2.3.3 DMM Power Management
        4. 17.2.3.4 DMM Interrupt Requests
        5. 17.2.3.5 DMM
          1. 17.2.3.5.1 DMM Concepts
            1. 17.2.3.5.1.1 Dynamic Mapping
            2. 17.2.3.5.1.2 Address Mapping
            3. 17.2.3.5.1.3 Address Translation
              1. 17.2.3.5.1.3.1 PAT View Mappings
              2. 17.2.3.5.1.3.2 PAT View Map Base Address
              3. 17.2.3.5.1.3.3 PAT Views
                1. 17.2.3.5.1.3.3.1 PAT Direct Access Translation
                2. 17.2.3.5.1.3.3.2 PAT Indirect Access Translation
                3. 17.2.3.5.1.3.3.3 PAT View Configuration
                4. 17.2.3.5.1.3.3.4 PAT Address Translation LUT
                5. 17.2.3.5.1.3.3.5 Direct Access to the PAT Table Vectors
                6. 17.2.3.5.1.3.3.6 Automatic Refill Through the Refill Engines
          2. 17.2.3.5.2 DMM Transaction Flows
            1. 17.2.3.5.2.1 Nontiled Transaction Flow
            2. 17.2.3.5.2.2 Tiled Transaction Flow
          3. 17.2.3.5.3 DMM Internal Macro-Architecture
            1. 17.2.3.5.3.1 LISA Description
            2. 17.2.3.5.3.2 PAT Description
            3. 17.2.3.5.3.3 PEG Description
            4. 17.2.3.5.3.4 LISA Interconnect Arbitration
            5. 17.2.3.5.3.5 ROBIN Description
            6. 17.2.3.5.3.6 TILER Description
        6. 17.2.3.6 TILER
          1. 17.2.3.6.1 TILER Concepts
            1. 17.2.3.6.1.1 TILER Rationale
              1. 17.2.3.6.1.1.1 The TILER is a 4-GiB Virtual Address Space Composed of Eight Views
              2. 17.2.3.6.1.1.2 A View is a 512-MiB Virtual Address Space Composed of Four Containers
              3. 17.2.3.6.1.1.3 A Container is a 128-MiB Virtual Address Space
              4. 17.2.3.6.1.1.4 A Page is a 4-kiB Virtual Address Space
              5. 17.2.3.6.1.1.5 A Tile is a 1-kiB Address Space
              6. 17.2.3.6.1.1.6 2885
              7. 17.2.3.6.1.1.7 A Subtile is a 128-Bit Address Space
            2. 17.2.3.6.1.2 TILER Modes
              1. 17.2.3.6.1.2.1 Bypass Mode
              2. 17.2.3.6.1.2.2 Page Mode
              3. 17.2.3.6.1.2.3 Tiled Mode
            3. 17.2.3.6.1.3 Object Container Definition
            4. 17.2.3.6.1.4 Page Definition
              1. 17.2.3.6.1.4.1 Container Geometry With 4-kiB Pages
              2. 17.2.3.6.1.4.2 Container Geometry and Page Mapping Summary
            5. 17.2.3.6.1.5 Orientation
            6. 17.2.3.6.1.6 Tile Definition
            7. 17.2.3.6.1.7 Subtiles
              1. 17.2.3.6.1.7.1 Subtiling Definition
            8. 17.2.3.6.1.8 TILER Virtual Addressing
              1. 17.2.3.6.1.8.1 Page Mode Virtual Addressing and Characteristics
              2. 17.2.3.6.1.8.2 Tiled Mode Virtual Addressing and Characteristics
              3. 17.2.3.6.1.8.3 Element Ordering in the TILER Container
                1. 17.2.3.6.1.8.3.1 Natural View or 0-Degree View (Orientation 0)
                2. 17.2.3.6.1.8.3.2 0-Degree View With Vertical Mirror or 180-Degree View With Horizontal Mirror (Orientation 1)
                3. 17.2.3.6.1.8.3.3 0-Degree View With Horizontal Mirror or 180-Degree View With Vertical Mirror (Orientation 2)
                4. 17.2.3.6.1.8.3.4 180-Degree View (Orientation 3)
                5. 17.2.3.6.1.8.3.5 90-Degree View With Vertical Mirror or 270-Degree View With Horizontal Mirror (Orientation 4)
                6. 17.2.3.6.1.8.3.6 270-Degree View (Orientation 5)
                7. 17.2.3.6.1.8.3.7 90-Degree View (Orientation 6)
                8. 17.2.3.6.1.8.3.8 90-Degree View With Horizontal Mirror or 270-Degree View With Vertical Mirror (Orientation 7)
          2. 17.2.3.6.2 TILER Macro-Architecture
          3. 17.2.3.6.3 TILER Guidelines for Initiators
            1. 17.2.3.6.3.1 Buffered Raster-Based Initiators
              1. 17.2.3.6.3.1.1 Buffer Size
              2. 17.2.3.6.3.1.2 Performance
      4. 17.2.4 DMM Use Cases and Tips
        1. 17.2.4.1 PAT Use Cases
          1. 17.2.4.1.1 Simple Manual Area Refill
          2. 17.2.4.1.2 Single Auto-Configured Area Refill
          3. 17.2.4.1.3 Chained Auto-Configured Area Refill
          4. 17.2.4.1.4 Synchronized Auto-Configured Area Refill
          5. 17.2.4.1.5 Cyclic Synchronized Auto-Configured Area Refill
        2. 17.2.4.2 Addressing Management with LISA
          1. 17.2.4.2.1 Case 1: Use of One Memory Controller
          2. 17.2.4.2.2 Case 2: Use of Two Memory Controllers
            1. 17.2.4.2.2.1 Address Upper Bits Shifting
      5. 17.2.5 DMM Basic Programming Model
        1. 17.2.5.1 Global Initialization
        2. 17.2.5.2 DMM Module Global Initialization
        3. 17.2.5.3 DMM Operational Modes Configuration
          1. 17.2.5.3.1 Different Operational Modes
          2. 17.2.5.3.2 Configuration Settings and LUT Refill
          3. 17.2.5.3.3 Interleaving Settings
          4. 17.2.5.3.4 Aliased Tiled View Orientation Settings and LUT Refill
          5. 17.2.5.3.5 Priority Settings
          6. 17.2.5.3.6 Error Handling
          7. 17.2.5.3.7 PAT Programming Model
            1. 17.2.5.3.7.1 PAT in Direct Translation Mode
            2. 17.2.5.3.7.2 PAT in Indirect Translation Mode
        4. 17.2.5.4 Addressing an Object in Tiled Mode
          1. 17.2.5.4.1 Frame-Buffer Addressing
          2. 17.2.5.4.2 TILER Page Mapping
        5. 17.2.5.5 Addressing an Object in Page Mode
        6. 17.2.5.6 Sharing Containers Between Different Modes
      6. 17.2.6 DMM Register Manual
        1. 17.2.6.1 DMM Instance Summary
        2. 17.2.6.2 DMM Registers
          1. 17.2.6.2.1 DMM Register Summary
          2. 17.2.6.2.2 DMM Register Description
    3. 17.3 EMIF Controller
      1. 17.3.1 EMIF Controller Overview
      2. 17.3.2 EMIF Module Environment
      3. 17.3.3 EMIF Module Integration
      4. 17.3.4 EMIF Functional Description
        1. 17.3.4.1  Block Diagram
          1. 17.3.4.1.1 Local Interface
          2. 17.3.4.1.2 FIFO Description
          3. 17.3.4.1.3 MPU Port Restrictions
          4. 17.3.4.1.4 Arbitration of Commands in the Command FIFO
        2. 17.3.4.2  Clock Management
          1. 17.3.4.2.1 EMIF_FICLK Overview
          2. 17.3.4.2.2 EMIF Dependency on MPU Clock Rate
        3. 17.3.4.3  Reset
        4. 17.3.4.4  System Power Management
          1. 17.3.4.4.1 Power-Down Mode
          2. 17.3.4.4.2 Self-Refresh Mode
        5. 17.3.4.5  Interrupt Requests
        6. 17.3.4.6  SDRAM Refresh Scheduling
        7. 17.3.4.7  SDRAM Initialization
          1. 17.3.4.7.1 DDR2 SDRAM Initialization
          2. 17.3.4.7.2 DDR3 SDRAM Initialization
        8. 17.3.4.8  DDR3 Read-Write Leveling
          1. 17.3.4.8.1 Full Leveling
          2. 17.3.4.8.2 Software Leveling
        9. 17.3.4.9  EMIF Access Cycles
        10. 17.3.4.10 Turnaround Time
        11. 17.3.4.11 PHY DLL Calibration
        12. 17.3.4.12 SDRAM Address Mapping
          1. 17.3.4.12.1 Address Mapping for IBANK_POS = 0 and EBANK_POS = 0
          2. 17.3.4.12.2 Address Mapping for IBANK_POS = 1 and EBANK_POS = 0
          3. 17.3.4.12.3 Address Mapping for IBANK_POS = 2 and EBANK_POS = 0
          4. 17.3.4.12.4 Address Mapping for IBANK_POS = 3 and EBANK_POS = 0
          5. 17.3.4.12.5 Address Mapping for IBANK_POS = 0 and EBANK_POS = 1
          6. 17.3.4.12.6 Address Mapping for IBANK_POS = 1 and EBANK_POS = 1
          7. 17.3.4.12.7 Address Mapping for IBANK_POS = 2 and EBANK_POS = 1
          8. 17.3.4.12.8 2986
          9. 17.3.4.12.9 Address Mapping for IBANK_POS = 3 and EBANK_POS = 1
        13. 17.3.4.13 DDR3 Output Impedance Calibration
        14. 17.3.4.14 Error Correction And Detection Feature
          1. 17.3.4.14.1 Read-Modify-Write Module
        15. 17.3.4.15 Class of Service
        16. 17.3.4.16 Performance Counters
          1. 17.3.4.16.1 Performance Counters General Examples
        17. 17.3.4.17 Forcing CKE to tri-state
      5. 17.3.5 EMIF Programming Guide
        1. 17.3.5.1 EMIF Low-Level Programming Models
          1. 17.3.5.1.1 Global Initialization
            1. 17.3.5.1.1.1 EMIF Configuration Sequence
          2. 17.3.5.1.2 Operational Modes Configuration
            1. 17.3.5.1.2.1 EMIF Output Impedance Calibration Mode
            2. 17.3.5.1.2.2 EMIF SDRAM Self-Refresh
            3. 17.3.5.1.2.3 EMIF SDRAM Power-Down Mode
            4. 17.3.5.1.2.4 EMIF ECC Configuration
      6. 17.3.6 EMIF Register Manual
        1. 17.3.6.1 EMIF Instance Summary
        2. 17.3.6.2 EMIF Registers
          1. 17.3.6.2.1 EMIF Register Summary
          2. 17.3.6.2.2 EMIF Register Description
    4. 17.4 General-Purpose Memory Controller
      1. 17.4.1 GPMC Overview
      2. 17.4.2 GPMC Environment
        1. 17.4.2.1 GPMC Modes
        2. 17.4.2.2 GPMC Signals
      3. 17.4.3 GPMC Integration
      4. 17.4.4 GPMC Functional Description
        1. 17.4.4.1  GPMC Block Diagram
        2. 17.4.4.2  GPMC Clock Configuration
        3. 17.4.4.3  GPMC Software Reset
        4. 17.4.4.4  GPMC Power Management
        5. 17.4.4.5  GPMC Interrupt Requests
        6. 17.4.4.6  L3 Interconnect Interface
        7. 17.4.4.7  GPMC Address and Data Bus
          1. 17.4.4.7.1 GPMC I/O Configuration Setting
          2. 17.4.4.7.2 GPMC CS0 Default Configuration at Device Reset
        8. 17.4.4.8  Address Decoder and Chip-Select Configuration
          1. 17.4.4.8.1 Chip-Select Base Address and Region Size
          2. 17.4.4.8.2 Access Protocol
            1. 17.4.4.8.2.1 Supported Devices
            2. 17.4.4.8.2.2 Access Size Adaptation and Device Width
            3. 17.4.4.8.2.3 Address/Data-Multiplexing Interface
          3. 17.4.4.8.3 External Signals
            1. 17.4.4.8.3.1 Wait Pin Monitoring Control
              1. 17.4.4.8.3.1.1 Wait Monitoring During Asynchronous Read Access
              2. 17.4.4.8.3.1.2 Wait Monitoring During Asynchronous Write Access
              3. 17.4.4.8.3.1.3 Wait Monitoring During Synchronous Read Access
              4. 17.4.4.8.3.1.4 Wait Monitoring During Synchronous Write Access
              5. 17.4.4.8.3.1.5 Wait With NAND Device
              6. 17.4.4.8.3.1.6 Idle Cycle Control Between Successive Accesses
                1. 17.4.4.8.3.1.6.1 Bus Turnaround (BUSTURNAROUND)
                2. 17.4.4.8.3.1.6.2 Idle Cycles Between Accesses to Same Chip-Select (CYCLE2CYCLESAMECSEN, CYCLE2CYCLEDELAY)
                3. 17.4.4.8.3.1.6.3 Idle Cycles Between Accesses to Different Chip-Select (CYCLE2CYCLEDIFFCSEN, CYCLE2CYCLEDELAY)
              7. 17.4.4.8.3.1.7 Slow Device Support (TIMEPARAGRANULARITY Parameter)
            2. 17.4.4.8.3.2 Reset
            3. 17.4.4.8.3.3 Byte Enable (nBE1/nBE0)
          4. 17.4.4.8.4 Error Handling
        9. 17.4.4.9  Timing Setting
          1. 17.4.4.9.1  Read Cycle Time and Write Cycle Time (RDCYCLETIME / WRCYCLETIME)
          2. 17.4.4.9.2  nCS: Chip-Select Signal Control Assertion/Deassertion Time (CSONTIME / CSRDOFFTIME / CSWROFFTIME / CSEXTRADELAY)
          3. 17.4.4.9.3  nADV/ALE: Address Valid/Address Latch Enable Signal Control Assertion/Deassertion Time (ADVONTIME / ADVRDOFFTIME / ADVWROFFTIME / ADVEXTRADELAY/ADVAADMUXONTIME/ADVAADMUXRDOFFTIME/ADVAADMUXWROFFTIME)
          4. 17.4.4.9.4  nOE/nRE: Output Enable/Read Enable Signal Control Assertion/Deassertion Time (OEONTIME / OEOFFTIME / OEEXTRADELAY / OEAADMUXONTIME / OEAADMUXOFFTIME)
          5. 17.4.4.9.5  nWE: Write Enable Signal Control Assertion/Deassertion Time (WEONTIME / WEOFFTIME / WEEXTRADELAY)
          6. 17.4.4.9.6  GPMC_CLK
          7. 17.4.4.9.7  GPMC_CLK and Control Signals Setup and Hold
          8. 17.4.4.9.8  Access Time (RDACCESSTIME / WRACCESSTIME)
            1. 17.4.4.9.8.1 Access Time on Read Access
            2. 17.4.4.9.8.2 Access Time on Write Access
          9. 17.4.4.9.9  Page Burst Access Time (PAGEBURSTACCESSTIME)
            1. 17.4.4.9.9.1 Page Burst Access Time on Read Access
            2. 17.4.4.9.9.2 Page Burst Access Time on Write Access
          10. 17.4.4.9.10 Bus Keeping Support
        10. 17.4.4.10 NOR Access Description
          1. 17.4.4.10.1 Asynchronous Access Description
            1. 17.4.4.10.1.1 Access on Address/Data Multiplexed Devices
              1. 17.4.4.10.1.1.1 Asynchronous Single-Read Operation on an Address/Data Multiplexed Device
              2. 17.4.4.10.1.1.2 Asynchronous Single-Write Operation on an Address/Data-Multiplexed Device
              3. 17.4.4.10.1.1.3 Asynchronous Multiple (Page) Write Operation on an Address/Data-Multiplexed Device
            2. 17.4.4.10.1.2 Access on Address/Address/Data-Multiplexed Devices
              1. 17.4.4.10.1.2.1 Asynchronous Single Read Operation on an AAD-Multiplexed Device
              2. 17.4.4.10.1.2.2 Asynchronous Single-Write Operation on an AAD-Multiplexed Device
              3. 17.4.4.10.1.2.3 Asynchronous Multiple (Page) Read Operation on an AAD-Multiplexed Device
          2. 17.4.4.10.2 Synchronous Access Description
            1. 17.4.4.10.2.1 Synchronous Single Read
            2. 17.4.4.10.2.2 Synchronous Multiple (Burst) Read (4-, 8-, 16-Word16 Burst With Wraparound Capability)
            3. 17.4.4.10.2.3 Synchronous Single Write
            4. 17.4.4.10.2.4 Synchronous Multiple (Burst) Write
          3. 17.4.4.10.3 Asynchronous and Synchronous Accesses in Nonmultiplexed Mode
            1. 17.4.4.10.3.1 Asynchronous Single-Read Operation on Nonmultiplexed Device
            2. 17.4.4.10.3.2 Asynchronous Single-Write Operation on Nonmultiplexed Device
            3. 17.4.4.10.3.3 Asynchronous Multiple (Page Mode) Read Operation on Nonmultiplexed Device
            4. 17.4.4.10.3.4 Synchronous Operations on a Nonmultiplexed Device
          4. 17.4.4.10.4 Page and Burst Support
          5. 17.4.4.10.5 System Burst vs External Device Burst Support
        11. 17.4.4.11 pSRAM Access Specificities
        12. 17.4.4.12 NAND Access Description
          1. 17.4.4.12.1 NAND Memory Device in Byte or 16-bit Word Stream Mode
            1. 17.4.4.12.1.1 Chip-Select Configuration for NAND Interfacing in Byte or Word Stream Mode
            2. 17.4.4.12.1.2 NAND Device Command and Address Phase Control
            3. 17.4.4.12.1.3 Command Latch Cycle
            4. 17.4.4.12.1.4 Address Latch Cycle
            5. 17.4.4.12.1.5 NAND Device Data Read and Write Phase Control in Stream Mode
            6. 17.4.4.12.1.6 NAND Device General Chip-Select Timing Control Requirement
            7. 17.4.4.12.1.7 Read and Write Access Size Adaptation
              1. 17.4.4.12.1.7.1 8-Bit-Wide NAND Device
              2. 17.4.4.12.1.7.2 16-Bit-Wide NAND Device
          2. 17.4.4.12.2 NAND Device-Ready Pin
            1. 17.4.4.12.2.1 Ready Pin Monitored by Software Polling
            2. 17.4.4.12.2.2 Ready Pin Monitored by Hardware Interrupt
          3. 17.4.4.12.3 ECC Calculator
            1. 17.4.4.12.3.1 Hamming Code
              1. 17.4.4.12.3.1.1 ECC Result Register and ECC Computation Accumulation Size
              2. 17.4.4.12.3.1.2 ECC Enabling
              3. 17.4.4.12.3.1.3 ECC Computation
              4. 17.4.4.12.3.1.4 ECC Comparison and Correction
              5. 17.4.4.12.3.1.5 ECC Calculation Based on 8-Bit Word
              6. 17.4.4.12.3.1.6 ECC Calculation Based on 16-Bit Word
            2. 17.4.4.12.3.2 BCH Code
              1. 17.4.4.12.3.2.1 Requirements
              2. 17.4.4.12.3.2.2 Memory Mapping of BCH Codeword
                1. 17.4.4.12.3.2.2.1 Memory Mapping of Data Message
                2. 17.4.4.12.3.2.2.2 Memory-Mapping of the ECC
                3. 17.4.4.12.3.2.2.3 Wrapping Modes
                  1. 4.4.12.3.2.2.3.1  Manual Mode (0x0)
                  2. 4.4.12.3.2.2.3.2  Mode 0x1
                  3. 4.4.12.3.2.2.3.3  Mode 0xA (10)
                  4. 4.4.12.3.2.2.3.4  Mode 0x2
                  5. 4.4.12.3.2.2.3.5  Mode 0x3
                  6. 4.4.12.3.2.2.3.6  Mode 0x7
                  7. 4.4.12.3.2.2.3.7  Mode 0x8
                  8. 4.4.12.3.2.2.3.8  Mode 0x4
                  9. 4.4.12.3.2.2.3.9  Mode 0x9
                  10. 4.4.12.3.2.2.3.10 Mode 0x5
                  11. 4.4.12.3.2.2.3.11 Mode 0xB (11)
                  12. 4.4.12.3.2.2.3.12 Mode 0x6
              3. 17.4.4.12.3.2.3 Supported NAND Page Mappings and ECC Schemes
                1. 17.4.4.12.3.2.3.1 Per-Sector Spare Mappings
                2. 17.4.4.12.3.2.3.2 Pooled Spare Mapping
                3. 17.4.4.12.3.2.3.3 Per-Sector Spare Mapping, with ECC Separated at the End of the Page
          4. 17.4.4.12.4 Prefetch and Write-Posting Engine
            1. 17.4.4.12.4.1 General Facts About the Engine Configuration
            2. 17.4.4.12.4.2 Prefetch Mode
            3. 17.4.4.12.4.3 FIFO Control in Prefetch Mode
            4. 17.4.4.12.4.4 Write-Posting Mode
            5. 17.4.4.12.4.5 FIFO Control in Write-Posting Mode
            6. 17.4.4.12.4.6 Optimizing NAND Access Using the Prefetch and Write-Posting Engine
            7. 17.4.4.12.4.7 Interleaved Accesses Between Prefetch and Write-Posting Engine and Other Chip-Selects
      5. 17.4.5 GPMC Basic Programming Model
        1. 17.4.5.1 GPMC High-Level Programming Model Overview
        2. 17.4.5.2 GPMC Initialization
        3. 17.4.5.3 GPMC Configuration in NOR Mode
        4. 17.4.5.4 GPMC Configuration in NAND Mode
        5. 17.4.5.5 Set Memory Access
        6. 17.4.5.6 GPMC Timing Parameters
          1. 17.4.5.6.1 GPMC Timing Parameters Formulas
            1. 17.4.5.6.1.1 NAND Flash Interface Timing Parameters Formulas
            2. 17.4.5.6.1.2 Synchronous NOR Flash Timing Parameters Formulas
            3. 17.4.5.6.1.3 Asynchronous NOR Flash Timing Parameters Formulas
      6. 17.4.6 GPMC Use Cases and Tips
        1. 17.4.6.1 How to Set GPMC Timing Parameters for Typical Accesses
          1. 17.4.6.1.1 External Memory Attached to the GPMC Module
          2. 17.4.6.1.2 Typical GPMC Setup
            1. 17.4.6.1.2.1 GPMC Configuration for Synchronous Burst Read Access
            2. 17.4.6.1.2.2 GPMC Configuration for Asynchronous Read Access
            3. 17.4.6.1.2.3 GPMC Configuration for Asynchronous Single Write Access
        2. 17.4.6.2 How to Choose a Suitable Memory to Use With the GPMC
          1. 17.4.6.2.1 Supported Memories or Devices
            1. 17.4.6.2.1.1 Memory Pin Multiplexing
            2. 17.4.6.2.1.2 NAND Interface Protocol
            3. 17.4.6.2.1.3 NOR Interface Protocol
            4. 17.4.6.2.1.4 Other Technologies
            5. 17.4.6.2.1.5 Supported Protocols
          2. 17.4.6.2.2 GPMC Features and Settings
      7. 17.4.7 GPMC Register Manual
        1. 17.4.7.1 GPMC Register Summary
        2. 17.4.7.2 GPMC Register Descriptions
    5. 17.5 Error Location Module
      1. 17.5.1 Error Location Module Overview
      2. 17.5.2 ELM Integration
      3. 17.5.3 ELM Functional Description
        1. 17.5.3.1 ELM Software Reset
        2. 17.5.3.2 ELM Power Management
        3. 17.5.3.3 ELM Interrupt Requests
        4. 17.5.3.4 Processing Initialization
        5. 17.5.3.5 Processing Sequence
        6. 17.5.3.6 Processing Completion
      4. 17.5.4 ELM Basic Programming Model
        1. 17.5.4.1 ELM Low-Level Programming Model
          1. 17.5.4.1.1 Processing Initialization
          2. 17.5.4.1.2 Read Results
          3. 17.5.4.1.3 3179
        2. 17.5.4.2 Use Case: ELM Used in Continuous Mode
        3. 17.5.4.3 Use Case: ELM Used in Page Mode
      5. 17.5.5 ELM Register Manual
        1. 17.5.5.1 ELM Instance Summary
        2. 17.5.5.2 ELM Registers
          1. 17.5.5.2.1 ELM Register Summary
          2. 17.5.5.2.2 ELM Register Description
    6. 17.6 On-Chip Memory (OCM) Subsystem
      1. 17.6.1 OCM Subsystem Overview
      2. 17.6.2 OCM Subsystem Integration
      3. 17.6.3 OCM Subsystem Functional Desctiption
        1. 17.6.3.1  Block Diagram
        2. 17.6.3.2  Resets
        3. 17.6.3.3  Clock Management
        4. 17.6.3.4  Interrupt Requests
        5. 17.6.3.5  OCM Subsystem Memory Regions
        6. 17.6.3.6  OCM Controller Modes Of Operation
        7. 17.6.3.7  ECC Associated FIFOs
        8. 17.6.3.8  ECC Counters And Corrected Bit Distribution Register
        9. 17.6.3.9  ECC Support
        10. 17.6.3.10 Circular Buffer (CBUF) Support
        11. 17.6.3.11 CBUF Mode Error Handling
          1. 17.6.3.11.1 VBUF Address Not Mapped to a CBUF Memory Space
          2. 17.6.3.11.2 VBUF Access Not Starting At The Base Address
          3. 17.6.3.11.3 Illegal Address Change Between Two Same Type Accesses
          4. 17.6.3.11.4 Illegal Frame SIze (Short Frame Detection)
          5. 17.6.3.11.5 CBUF Overflow
          6. 17.6.3.11.6 CBUF Underflow
        12. 17.6.3.12 Status Reporting
      4. 17.6.4 OCM Subsystem Register Manual
        1. 17.6.4.1 OCM Subsystem Instance Summary
        2. 17.6.4.2 OCM Subsystem Registers
          1. 17.6.4.2.1 OCM Subsystem Register Summary
          2. 17.6.4.2.2 OCM Subsystem Register Description
  20. 18DMA Controllers
    1. 18.1 System DMA
      1. 18.1.1 DMA_SYSTEM Module Overview
      2. 18.1.2 DMA_SYSTEM Controller Environment
      3. 18.1.3 DMA_SYSTEM Module Integration
        1. 18.1.3.1 DMA Requests to the DMA_SYSTEM Controller
        2. 18.1.3.2 Mapping of DMA Requests to DMA_CROSSBAR Inputs
      4. 18.1.4 DMA_SYSTEM Functional Description
        1. 18.1.4.1  DMA_SYSTEM Controller Power Management
        2. 18.1.4.2  DMA_SYSTEM Controller Interrupt Requests
          1. 18.1.4.2.1 Interrupt Generation
        3. 18.1.4.3  Logical Channel Transfer Overview
        4. 18.1.4.4  FIFO Queue Memory Pool
        5. 18.1.4.5  Addressing Modes
        6. 18.1.4.6  Packed Accesses
        7. 18.1.4.7  Burst Transactions
        8. 18.1.4.8  Endianism Conversion
        9. 18.1.4.9  Transfer Synchronization
          1. 18.1.4.9.1 Software Synchronization
          2. 18.1.4.9.2 Hardware Synchronization
        10. 18.1.4.10 Thread Budget Allocation
        11. 18.1.4.11 FIFO Budget Allocation
        12. 18.1.4.12 Chained Logical Channel Transfers
        13. 18.1.4.13 Reprogramming an Active Channel
        14. 18.1.4.14 Packet Synchronization
        15. 18.1.4.15 Graphics Acceleration Support
        16. 18.1.4.16 Supervisor Modes
        17. 18.1.4.17 Posted and Nonposted Writes
        18. 18.1.4.18 Disabling a Channel During Transfer
        19. 18.1.4.19 FIFO Draining Mechanism
        20. 18.1.4.20 Linked List
          1. 18.1.4.20.1 Overview
          2. 18.1.4.20.2 Link-List Transfer Profile
          3. 18.1.4.20.3 Descriptors
            1. 18.1.4.20.3.1 Type 1
            2. 18.1.4.20.3.2 Type 2
            3. 18.1.4.20.3.3 Type 3
          4. 18.1.4.20.4 Linked-List Control and Monitoring
            1. 18.1.4.20.4.1 Transfer Mode Setting
            2. 18.1.4.20.4.2 Starting a Linked List
            3. 18.1.4.20.4.3 Monitoring a Linked-List Progression
            4. 18.1.4.20.4.4 Interrupt During Linked-List Execution
            5. 18.1.4.20.4.5 Pause a Linked List
            6. 18.1.4.20.4.6 Stop a Linked List (Abort or Drain)
              1. 18.1.4.20.4.6.1 Drain
              2. 18.1.4.20.4.6.2 Abort
            7. 18.1.4.20.4.7 Status Bit Behavior
            8. 18.1.4.20.4.8 Linked-List Channel Linking
      5. 18.1.5 DMA_SYSTEM Basic Programming Model
        1. 18.1.5.1 Setup Configuration
        2. 18.1.5.2 Software-Triggered (Nonsynchronized) Transfer
        3. 18.1.5.3 Hardware-Synchronized Transfer
        4. 18.1.5.4 Synchronized Transfer Monitoring Using CDAC
        5. 18.1.5.5 Concurrent Software and Hardware Synchronization
        6. 18.1.5.6 Chained Transfer
        7. 18.1.5.7 90-Degree Clockwise Image Rotation
        8. 18.1.5.8 Graphic Operations
        9. 18.1.5.9 Linked-List Programming Guidelines
      6. 18.1.6 DMA_SYSTEM Register Manual
        1. 18.1.6.1 DMA_SYSTEM Instance Summary
        2. 18.1.6.2 DMA_SYSTEM Registers
          1. 18.1.6.2.1 DMA_SYSTEM Register Summary
          2. 18.1.6.2.2 DMA_SYSTEM Register Description
    2. 18.2 Enhanced DMA
      1. 18.2.1 EDMA Module Overview
        1. 18.2.1.1 EDMA Features
        2. 18.2.1.2 3280
        3. 18.2.1.3 EDMA Controllers Configuration
      2. 18.2.2 EDMA Controller Environment
      3. 18.2.3 EDMA Controller Integration
        1. 18.2.3.1 EDMA Requests to the EDMA Controller
      4. 18.2.4 EDMA Controller Functional Description
        1. 18.2.4.1  Block Diagram
          1. 18.2.4.1.1 Third-Party Channel Controller
          2. 18.2.4.1.2 Third-Party Transfer Controller
        2. 18.2.4.2  Types of EDMA controller Transfers
          1. 18.2.4.2.1 A-Synchronized Transfers
          2. 18.2.4.2.2 AB-Synchronized Transfers
        3. 18.2.4.3  Parameter RAM (PaRAM)
          1. 18.2.4.3.1 PaRAM
          2. 18.2.4.3.2 EDMA Channel PaRAM Set Entry Fields
            1. 18.2.4.3.2.1  Channel Options Parameter (OPT)
            2. 18.2.4.3.2.2  Channel Source Address (SRC)
            3. 18.2.4.3.2.3  Channel Destination Address (DST)
            4. 18.2.4.3.2.4  Count for 1st Dimension (ACNT)
            5. 18.2.4.3.2.5  Count for 2nd Dimension (BCNT)
            6. 18.2.4.3.2.6  Count for 3rd Dimension (CCNT)
            7. 18.2.4.3.2.7  BCNT Reload (BCNTRLD)
            8. 18.2.4.3.2.8  Source B Index (SBIDX)
            9. 18.2.4.3.2.9  Destination B Index (DBIDX)
            10. 18.2.4.3.2.10 Source C Index (SCIDX)
            11. 18.2.4.3.2.11 Destination C Index (DCIDX)
            12. 18.2.4.3.2.12 Link Address (LINK)
          3. 18.2.4.3.3 Null PaRAM Set
          4. 18.2.4.3.4 Dummy PaRAM Set
          5. 18.2.4.3.5 Dummy Versus Null Transfer Comparison
          6. 18.2.4.3.6 Parameter Set Updates
          7. 18.2.4.3.7 Linking Transfers
          8. 18.2.4.3.8 Constant Addressing Mode Transfers/Alignment Issues
          9. 18.2.4.3.9 Element Size
        4. 18.2.4.4  Initiating a DMA Transfer
          1. 18.2.4.4.1 DMA Channel
            1. 18.2.4.4.1.1 Event-Triggered Transfer Request
            2. 18.2.4.4.1.2 Manually-Triggered Transfer Request
            3. 18.2.4.4.1.3 Chain-Triggered Transfer Request
          2. 18.2.4.4.2 QDMA Channels
            1. 18.2.4.4.2.1 Auto-triggered and Link-Triggered Transfer Request
          3. 18.2.4.4.3 Comparison Between DMA and QDMA Channels
        5. 18.2.4.5  Completion of a DMA Transfer
          1. 18.2.4.5.1 Normal Completion
          2. 18.2.4.5.2 Early Completion
          3. 18.2.4.5.3 Dummy or Null Completion
        6. 18.2.4.6  Event, Channel, and PaRAM Mapping
          1. 18.2.4.6.1 DMA Channel to PaRAM Mapping
          2. 18.2.4.6.2 QDMA Channel to PaRAM Mapping
        7. 18.2.4.7  EDMA Channel Controller Regions
          1. 18.2.4.7.1 Region Overview
          2. 18.2.4.7.2 Channel Controller Regions
            1. 18.2.4.7.2.1 Resource Pool Division Across Two Regions
          3. 18.2.4.7.3 Region Interrupts
        8. 18.2.4.8  Chaining EDMA Channels
        9. 18.2.4.9  EDMA Interrupts
          1. 18.2.4.9.1 Transfer Completion Interrupts
            1. 18.2.4.9.1.1 Enabling Transfer Completion Interrupts
            2. 18.2.4.9.1.2 Clearing Transfer Completion Interrupts
          2. 18.2.4.9.2 EDMA Interrupt Servicing
          3. 18.2.4.9.3 Interrupt Servicing
          4. 18.2.4.9.4 3341
          5. 18.2.4.9.5 Interrupt Servicing
          6. 18.2.4.9.6 Interrupt Evaluation Operations
          7. 18.2.4.9.7 Error Interrupts
          8. 18.2.4.9.8 3345
        10. 18.2.4.10 Memory Protection
          1. 18.2.4.10.1 Active Memory Protection
          2. 18.2.4.10.2 Proxy Memory Protection
        11. 18.2.4.11 Event Queue(s)
          1. 18.2.4.11.1 DMA/QDMA Channel to Event Queue Mapping
          2. 18.2.4.11.2 Queue RAM Debug Visibility
          3. 18.2.4.11.3 Queue Resource Tracking
          4. 18.2.4.11.4 Performance Considerations
        12. 18.2.4.12 EDMA Transfer Controller (EDMA_TPTC)
          1. 18.2.4.12.1 Architecture Details
            1. 18.2.4.12.1.1 Command Fragmentation
            2. 18.2.4.12.1.2 TR Pipelining
            3. 18.2.4.12.1.3 Command Fragmentation (DBS = 64)
            4. 18.2.4.12.1.4 Performance Tuning
          2. 18.2.4.12.2 Memory Protection
          3. 18.2.4.12.3 Error Generation
          4. 18.2.4.12.4 Debug Features
            1. 18.2.4.12.4.1 Destination FIFO Register Pointer
          5. 18.2.4.12.5 EDMA_TPTC Configuration
        13. 18.2.4.13 Event Dataflow
        14. 18.2.4.14 EDMA controller Prioritization
          1. 18.2.4.14.1 Channel Priority
          2. 18.2.4.14.2 Trigger Source Priority
          3. 18.2.4.14.3 Dequeue Priority
        15. 18.2.4.15 EDMA Power, Reset and Clock Management
          1. 18.2.4.15.1 Clock and Power Management
          2. 18.2.4.15.2 Reset Considerations
        16. 18.2.4.16 Emulation Considerations
      5. 18.2.5 EDMA Transfer Examples
        1. 18.2.5.1 Block Move Example
        2. 18.2.5.2 Subframe Extraction Example
        3. 18.2.5.3 Data Sorting Example
        4. 18.2.5.4 Peripheral Servicing Example
          1. 18.2.5.4.1 Non-bursting Peripherals
          2. 18.2.5.4.2 Bursting Peripherals
          3. 18.2.5.4.3 Continuous Operation
            1. 18.2.5.4.3.1 Receive Channel
            2. 18.2.5.4.3.2 Transmit Channel
            3. 18.2.5.4.3.3 3384
          4. 18.2.5.4.4 Ping-Pong Buffering
            1. 18.2.5.4.4.1 Synchronization with the CPU
          5. 18.2.5.4.5 Transfer Chaining Examples
            1. 18.2.5.4.5.1 Servicing Input/Output FIFOs with a Single Event
            2. 18.2.5.4.5.2 Breaking Up Large Transfers with Intermediate Chaining
        5. 18.2.5.5 Setting Up an EDMA Transfer
          1. 18.2.5.5.1 3391
      6. 18.2.6 EDMA Debug Checklist and Programming Tips
        1. 18.2.6.1 EDMA Debug Checklist
        2. 18.2.6.2 EDMA Programming Tips
      7. 18.2.7 EDMA Register Manual
        1. 18.2.7.1 EDMA Instance Summary
        2. 18.2.7.2 EDMA Registers
          1. 18.2.7.2.1 EDMA Register Summary
          2. 18.2.7.2.2 EDMA Register Description
            1. 18.2.7.2.2.1 EDMA_TPCC Register Description
            2. 18.2.7.2.2.2 EDMA_TPTC0 and EDMA_TPTC1 Register Description
  21. 19Interrupt Controllers
    1. 19.1 Interrupt Controllers Overview
    2. 19.2 Interrupt Controllers Environment
    3. 19.3 Interrupt Controllers Integration
      1. 19.3.1 Interrupt Requests to MPU_INTC
      2. 19.3.2 Interrupt Requests to DSP1_INTC
      3. 19.3.3 Interrupt Requests to DSP2_INTC
      4. 19.3.4 Interrupt Requests to IPU1_Cx_INTC
      5. 19.3.5 Interrupt Requests to IPU2_Cx_INTC
      6. 19.3.6 Interrupt Requests to EVE1_INTC1
      7. 19.3.7 Interrupt Requests to EVE2_INTC1
      8. 19.3.8 Mapping of Device Interrupts to IRQ_CROSSBAR Inputs
    4. 19.4 Interrupt Controllers Functional Description
  22. 20Control Module
    1. 20.1 Control Module Overview
    2. 20.2 Control Module Environment
    3. 20.3 Control Module Integration
    4. 20.4 Control Module Functional Description
      1. 20.4.1 Control Module Clock Configuration
      2. 20.4.2 Control Module Resets
      3. 20.4.3 Control Module Power Management
        1. 20.4.3.1 Power Management Protocols
      4. 20.4.4 Hardware Requests
      5. 20.4.5 Control Module Initialization
      6. 20.4.6 Functional Description Of The Various Register Types In CTRL_MODULE_CORE Submodule
        1. 20.4.6.1  Pad Configuration
          1. 20.4.6.1.1 Pad Configuration Registers
            1. 20.4.6.1.1.1 Permanent PU/PD disabling
          2. 20.4.6.1.2 Pull Selection
          3. 20.4.6.1.3 Pad multiplexing
          4. 20.4.6.1.4 IOSETs
          5. 20.4.6.1.5 Virtual IO Timing Modes
          6. 20.4.6.1.6 Manual IO Timing Modes
          7. 20.4.6.1.7 Isolation Requirements
          8. 20.4.6.1.8 IO Delay Recalibration
        2. 20.4.6.2  Thermal Management Related Registers
          1. 20.4.6.2.1 Temperature Sensors Control Registers
          2. 20.4.6.2.2 Registers For The Thermal Alert Comparators
          3. 20.4.6.2.3 Thermal Shutdown Comparators
          4. 20.4.6.2.4 Temperature Timestamp Registers
          5. 20.4.6.2.5 Other Thermal Management Related Registers
          6. 20.4.6.2.6 Summary of the Thermal Management Related Registers
          7. 20.4.6.2.7 ADC Values Versus Temperature
        3. 20.4.6.3  PBIAS Cell And MMC1 I/O Cells Control Registers
        4. 20.4.6.4  IRQ_CROSSBAR Module Functional Description
        5. 20.4.6.5  DMA_CROSSBAR Module Functional Description
        6. 20.4.6.6  SDRAM Initiator Priority Registers
        7. 20.4.6.7  L3_MAIN Initiator Priority Registers
        8. 20.4.6.8  Memory Region Lock Registers
        9. 20.4.6.9  NMI Mapping To Respective Cores
        10. 20.4.6.10 Software Controls for the DDR2/DDR3 I/O Cells
        11. 20.4.6.11 Reference Voltage for the Device DDR2/DDR3 Receivers
        12. 20.4.6.12 AVS Class 0 Associated Registers
        13. 20.4.6.13 ABB Associated Registers
        14. 20.4.6.14 Registers For Other Miscellaneous Functions
          1. 20.4.6.14.1 System Boot Status Settings
          2. 20.4.6.14.2 Force MPU Write Nonposted Transactions
          3. 20.4.6.14.3 Firewall Error Status Registers
          4. 20.4.6.14.4 Settings Related To Different Peripheral Modules
      7. 20.4.7 Functional Description Of The Various Register Types In CTRL_MODULE_WKUP Submodule
        1. 20.4.7.1 Registers For Basic EMIF Configuration
    5. 20.5 Control Module Register Manual
    6. 20.6 IODELAYCONFIG Module Integration
    7. 20.7 IODELAYCONFIG Module Register Manual
  23. 21Mailbox
    1. 21.1 Mailbox Overview
    2. 21.2 Mailbox Integration
      1. 21.2.1 System MAILBOX Integration
      2. 21.2.2 IVA Mailbox Integration
      3. 21.2.3 EVE Mailbox Integration
    3. 21.3 Mailbox Functional Description
      1. 21.3.1 Mailbox Block Diagram
        1. 21.3.1.1 3474
      2. 21.3.2 Mailbox Software Reset
      3. 21.3.3 Mailbox Power Management
      4. 21.3.4 Mailbox Interrupt Requests
      5. 21.3.5 Mailbox Assignment
        1. 21.3.5.1 Description
      6. 21.3.6 Sending and Receiving Messages
        1. 21.3.6.1 Description
      7. 21.3.7 16-Bit Register Access
        1. 21.3.7.1 Description
      8. 21.3.8 Example of Communication
    4. 21.4 Mailbox Programming Guide
      1. 21.4.1 Mailbox Low-level Programming Models
        1. 21.4.1.1 Global Initialization
          1. 21.4.1.1.1 Surrounding Modules Global Initialization
          2. 21.4.1.1.2 Mailbox Global Initialization
            1. 21.4.1.1.2.1 Main Sequence - Mailbox Global Initialization
        2. 21.4.1.2 Mailbox Operational Modes Configuration
          1. 21.4.1.2.1 Mailbox Processing modes
            1. 21.4.1.2.1.1 Main Sequence - Sending a Message (Polling Method)
            2. 21.4.1.2.1.2 Main Sequence - Sending a Message (Interrupt Method)
            3. 21.4.1.2.1.3 Main Sequence - Receiving a Message (Polling Method)
            4. 21.4.1.2.1.4 Main Sequence - Receiving a Message (Interrupt Method)
        3. 21.4.1.3 Mailbox Events Servicing
          1. 21.4.1.3.1 Events Servicing in Sending Mode
          2. 21.4.1.3.2 Events Servicing in Receiving Mode
    5. 21.5 Mailbox Register Manual
      1. 21.5.1 Mailbox Instance Summary
      2. 21.5.2 Mailbox Registers
        1. 21.5.2.1 Mailbox Register Summary
        2. 21.5.2.2 Mailbox Register Description
  24. 22Memory Management Units
    1. 22.1 MMU Overview
    2. 22.2 MMU Integration
    3. 22.3 MMU Functional Description
      1. 22.3.1 MMU Block Diagram
        1. 22.3.1.1 MMU Address Translation Process
        2. 22.3.1.2 Translation Tables
          1. 22.3.1.2.1 Translation Table Hierarchy
          2. 22.3.1.2.2 First-Level Translation Table
            1. 22.3.1.2.2.1 First-Level Descriptor Format
            2. 22.3.1.2.2.2 First-Level Page Descriptor Format
            3. 22.3.1.2.2.3 First-Level Section Descriptor Format
            4. 22.3.1.2.2.4 Section Translation Summary
            5. 22.3.1.2.2.5 Supersection Translation Summary
          3. 22.3.1.2.3 Two-Level Translation
            1. 22.3.1.2.3.1 Second-Level Descriptor Format
            2. 22.3.1.2.3.2 Small Page Translation Summary
            3. 22.3.1.2.3.3 Large Page Translation Summary
        3. 22.3.1.3 Translation Lookaside Buffer
          1. 22.3.1.3.1 TLB Entry Format
        4. 22.3.1.4 No Translation (Bypass) Regions
      2. 22.3.2 MMU Software Reset
      3. 22.3.3 MMU Power Management
      4. 22.3.4 MMU Interrupt Requests
      5. 22.3.5 MMU Error Handling
    4. 22.4 MMU Low-level Programming Models
      1. 22.4.1 Global Initialization
        1. 22.4.1.1 Surrounding Modules Global Initialization
        2. 22.4.1.2 MMU Global Initialization
          1. 22.4.1.2.1 Main Sequence - MMU Global Initialization
          2. 22.4.1.2.2 Subsequence - Configure a TLB entry
        3. 22.4.1.3 Operational Modes Configuration
          1. 22.4.1.3.1 Main Sequence - Writing TLB Entries Statically
          2. 22.4.1.3.2 Main Sequence - Protecting TLB Entries
          3. 22.4.1.3.3 Main Sequence - Deleting TLB Entries
          4. 22.4.1.3.4 Main Sequence - Read TLB Entries
    5. 22.5 MMU Register Manual
      1. 22.5.1 MMU Instance Summary
      2. 22.5.2 MMU Registers
        1. 22.5.2.1 MMU Register Summary
        2. 22.5.2.2 MMU Register Description
  25. 23Spinlock
    1. 23.1 Spinlock Overview
    2. 23.2 Spinlock Integration
    3. 23.3 Spinlock Functional Description
      1. 23.3.1 Spinlock Software Reset
      2. 23.3.2 Spinlock Power Management
      3. 23.3.3 About Spinlocks
      4. 23.3.4 Spinlock Functional Operation
    4. 23.4 Spinlock Programming Guide
      1. 23.4.1 Spinlock Low-level Programming Models
        1. 23.4.1.1 Surrounding Modules Global Initialization
        2. 23.4.1.2 Basic Spinlock Operations
          1. 23.4.1.2.1 Spinlocks Clearing After a System Bug Recovery
          2. 23.4.1.2.2 Take and Release Spinlock
    5. 23.5 Spinlock Register Manual
      1. 23.5.1 Spinlock Instance Summary
      2. 23.5.2 Spinlock Registers
        1. 23.5.2.1 Spinlock Register Summary
        2. 23.5.2.2 Spinlock Register Description
  26. 24Timers
    1. 24.1 Timers Overview
    2. 24.2 General-Purpose Timers
      1. 24.2.1 General-Purpose Timers Overview
        1. 24.2.1.1 GP Timer Features
      2. 24.2.2 GP Timer Environment
        1. 24.2.2.1 GP Timer External System Interface
      3. 24.2.3 GP Timer Integration
      4. 24.2.4 GP Timer Functional Description
        1. 24.2.4.1  GP Timer Block Diagram
        2. 24.2.4.2  TIMER1, TIMER2 and TIMER10 Power Management
          1. 24.2.4.2.1 Wake-Up Capability
        3. 24.2.4.3  Power Management of Other GP Timers
          1. 24.2.4.3.1 Wake-Up Capability
        4. 24.2.4.4  Software Reset
        5. 24.2.4.5  GP Timer Interrupts
        6. 24.2.4.6  Timer Mode Functionality
          1. 24.2.4.6.1 1-ms Tick Generation (Only TIMER1, TIMER2 and TIMER10)
        7. 24.2.4.7  Capture Mode Functionality
        8. 24.2.4.8  Compare Mode Functionality
        9. 24.2.4.9  Prescaler Functionality
        10. 24.2.4.10 Pulse-Width Modulation
        11. 24.2.4.11 Timer Counting Rate
        12. 24.2.4.12 Timer Under Emulation
        13. 24.2.4.13 Accessing GP Timer Registers
          1. 24.2.4.13.1 Writing to Timer Registers
            1. 24.2.4.13.1.1 Write Posting Synchronization Mode
            2. 24.2.4.13.1.2 Write Nonposting Synchronization Mode
          2. 24.2.4.13.2 Reading From Timer Counter Registers
            1. 24.2.4.13.2.1 Read Posted
            2. 24.2.4.13.2.2 Read Non-Posted
        14. 24.2.4.14 Posted Mode Selection
      5. 24.2.5 GP Timer Low-Level Programming Models
        1. 24.2.5.1 Global Initialization
          1. 24.2.5.1.1 Global Initialization of Surrounding Modules
          2. 24.2.5.1.2 GP Timer Module Global Initialization
            1. 24.2.5.1.2.1 Main Sequence – GP Timer Module Global Initialization
        2. 24.2.5.2 Operational Mode Configuration
          1. 24.2.5.2.1 GP Timer Mode
            1. 24.2.5.2.1.1 Main Sequence – GP Timer Mode Configuration
          2. 24.2.5.2.2 GP Timer Compare Mode
            1. 24.2.5.2.2.1 Main Sequence – GP Timer Compare Mode Configuration
          3. 24.2.5.2.3 GP Timer Capture Mode
            1. 24.2.5.2.3.1 Main Sequence – GP Timer Capture Mode Configuration
            2. 24.2.5.2.3.2 Subsequence – Initialize Capture Mode
            3. 24.2.5.2.3.3 Subsequence – Detect Event
          4. 24.2.5.2.4 GP Timer PWM Mode
            1. 24.2.5.2.4.1 Main Sequence – GP Timer PWM Mode Configuration
      6. 24.2.6 GP Timer Register Manual
        1. 24.2.6.1 GP Timer Instance Summary
        2. 24.2.6.2 GP Timer Registers
          1. 24.2.6.2.1 GP Timer Register Summary
          2. 24.2.6.2.2 GP Timer Register Description
          3. 24.2.6.2.3 TIMER1, TIMER2, and TIMER10 Register Description
    3. 24.3 32-kHz Synchronized Timer (COUNTER_32K)
      1. 24.3.1 32-kHz Synchronized Timer Overview
        1. 24.3.1.1 32-kHz Synchronized Timer Features
      2. 24.3.2 32-kHz Synchronized Timer Integration
      3. 24.3.3 32-kHz Synchronized Timer Functional Description
        1. 24.3.3.1 Reading the 32-kHz Synchronized Timer
      4. 24.3.4 COUNTER_32K Timer Register Manual
        1. 24.3.4.1 COUNTER_32K Timer Register Mapping Summary
        2. 24.3.4.2 COUNTER_32K Timer Register Description
    4. 24.4 Watchdog Timer
      1. 24.4.1 Watchdog Timer Overview
        1. 24.4.1.1 Watchdog Timer Features
      2. 24.4.2 Watchdog Timer Integration
      3. 24.4.3 Watchdog Timer Functional Description
        1. 24.4.3.1  Power Management
          1. 24.4.3.1.1 Wake-Up Capability
        2. 24.4.3.2  Interrupts
        3. 24.4.3.3  General Watchdog Timer Operation
        4. 24.4.3.4  Reset Context
        5. 24.4.3.5  Overflow/Reset Generation
        6. 24.4.3.6  Prescaler Value/Timer Reset Frequency
        7. 24.4.3.7  Triggering a Timer Reload
        8. 24.4.3.8  Start/Stop Sequence for Watchdog Timer (Using the WSPR Register)
        9. 24.4.3.9  Modifying Timer Count/Load Values and Prescaler Setting
        10. 24.4.3.10 Watchdog Counter Register Access Restriction (WCRR)
        11. 24.4.3.11 Watchdog Timer Interrupt Generation
        12. 24.4.3.12 Watchdog Timer Under Emulation
        13. 24.4.3.13 Accessing Watchdog Timer Registers
      4. 24.4.4 Watchdog Timer Low-Level Programming Model
        1. 24.4.4.1 Global Initialization
          1. 24.4.4.1.1 Surrounding Modules Global Initialization
          2. 24.4.4.1.2 Watchdog Timer Module Global Initialization
            1. 24.4.4.1.2.1 Main Sequence – Watchdog Timer Module Global Initialization
        2. 24.4.4.2 Operational Mode Configuration
          1. 24.4.4.2.1 Watchdog Timer Basic Configuration
            1. 24.4.4.2.1.1 Main Sequence – Watchdog Timer Basic Configuration
            2. 24.4.4.2.1.2 Subsequence – Disable the Watchdog Timer
            3. 24.4.4.2.1.3 Subsequence – Enable the Watchdog Timer
      5. 24.4.5 Watchdog Timer Register Manual
        1. 24.4.5.1 Watchdog Timer Instance Summary
        2. 24.4.5.2 Watchdog Timer Registers
          1. 24.4.5.2.1 Watchdog Timer Register Summary
          2. 24.4.5.2.2 3661
          3. 24.4.5.2.3 Watchdog Timer Register Description
  27. 25Real-Time Clock (RTC)
    1. 25.1 RTC Overview
      1. 25.1.1 RTC Features
    2. 25.2 RTC Environment
      1. 25.2.1 RTC External Interface
    3. 25.3 RTC Integration
    4. 25.4 RTC Functional Description
      1. 25.4.1 Clock Source
      2. 25.4.2 Interrupt Support
        1. 25.4.2.1 CPU Interrupts
        2. 25.4.2.2 Interrupt Description
          1. 25.4.2.2.1 Timer Interrupt (timer_intr)
          2. 25.4.2.2.2 Alarm Interrupt (alarm_intr)
      3. 25.4.3 RTC Programming/Usage Guide
        1. 25.4.3.1 Time/Calendar Data Format
        2. 25.4.3.2 Register Access
        3. 25.4.3.3 Register Spurious Write Protection
        4. 25.4.3.4 Reading the Timer/Calendar (TC) Registers
          1. 25.4.3.4.1 Rounding Seconds
        5. 25.4.3.5 Modifying the TC Registers
          1. 25.4.3.5.1 General Registers
        6. 25.4.3.6 Crystal Compensation
      4. 25.4.4 Scratch Registers
      5. 25.4.5 Debouncing
      6. 25.4.6 Power Management
        1. 25.4.6.1 Device-Level Power Management
        2. 25.4.6.2 Subsystem-Level Power Management — PMIC Mode
    5. 25.5 RTC Low-Level Programming Guide
      1. 25.5.1 Global Initialization
        1. 25.5.1.1 Surrounding Modules Global Initialization
        2. 25.5.1.2 RTC Module Global Initialization
          1. 25.5.1.2.1 Main Sequence – RTC Module Global Initialization
    6. 25.6 RTC Register Manual
      1. 25.6.1 RTC Instance Summary
      2. 25.6.2 RTC_SS Registers
        1. 25.6.2.1 RTC_SS Register Summary
        2. 25.6.2.2 RTC_SS Register Description
  28. 26Serial Communication Interfaces
    1. 26.1  Multimaster High-Speed I2C Controller
      1. 26.1.1 HS I2C Overview
      2. 26.1.2 HS I2C Environment
        1. 26.1.2.1 HS I2C Typical Application
          1. 26.1.2.1.1 HS I2C Pins for Typical Connections in I2C Mode
          2. 26.1.2.1.2 HS I2C Interface Typical Connections
        2. 26.1.2.2 HS I2C Typical Connection Protocol and Data Format
          1. 26.1.2.2.1  HS I2C Serial Data Format
          2. 26.1.2.2.2  HS I2C Data Validity
          3. 26.1.2.2.3  HS I2C Start and Stop Conditions
          4. 26.1.2.2.4  HS I2C Addressing
            1. 26.1.2.2.4.1 Data Transfer Formats in F/S Mode
            2. 26.1.2.2.4.2 Data Transfer Format in HS Mode
          5. 26.1.2.2.5  HS I2C Master Transmitter
          6. 26.1.2.2.6  HS I2C Master Receiver
          7. 26.1.2.2.7  HS I2C Slave Transmitter
          8. 26.1.2.2.8  HS I2C Slave Receiver
          9. 26.1.2.2.9  HS I2C Bus Arbitration
          10. 26.1.2.2.10 HS I2C Clock Generation and Synchronization
      3. 26.1.3 HS I2C Integration
      4. 26.1.4 HS I2C Functional Description
        1. 26.1.4.1  HS I2C Block Diagram
        2. 26.1.4.2  HS I2C Clocks
          1. 26.1.4.2.1 HS I2C Clocking
          2. 26.1.4.2.2 HS I2C Automatic Blocking of the I2C Clock Feature
        3. 26.1.4.3  HS I2C Software Reset
        4. 26.1.4.4  HS I2C Power Management
        5. 26.1.4.5  HS I2C Interrupt Requests
        6. 26.1.4.6  HS I2C DMA Requests
        7. 26.1.4.7  HS I2C Programmable Multislave Channel Feature
        8. 26.1.4.8  HS I2C FIFO Management
          1. 26.1.4.8.1 HS I2C FIFO Interrupt Mode
          2. 26.1.4.8.2 HS I2C FIFO Polling Mode
          3. 26.1.4.8.3 HS I2C FIFO DMA Mode
          4. 26.1.4.8.4 HS I2C Draining Feature
        9. 26.1.4.9  HS I2C Noise Filter
        10. 26.1.4.10 HS I2C System Test Mode
      5. 26.1.5 HS I2C Programming Guide
        1. 26.1.5.1 HS I2C Low-Level Programming Models
          1. 26.1.5.1.1 HS I2C Programming Model
            1. 26.1.5.1.1.1 Main Program
              1. 26.1.5.1.1.1.1 Configure the Module Before Enabling the I2C Controller
              2. 26.1.5.1.1.1.2 Initialize the I2C Controller
              3. 26.1.5.1.1.1.3 Configure Slave Address and the Data Control Register
              4. 26.1.5.1.1.1.4 Initiate a Transfer
              5. 26.1.5.1.1.1.5 Receive Data
              6. 26.1.5.1.1.1.6 Transmit Data
            2. 26.1.5.1.1.2 Interrupt Subroutine Sequence
            3. 26.1.5.1.1.3 Programming Flow-Diagrams
      6. 26.1.6 HS I2C Register Manual
        1. 26.1.6.1 HS I2C Instance Summary
        2. 26.1.6.2 HS I2C Registers
          1. 26.1.6.2.1 HS I2C Register Summary
          2. 26.1.6.2.2 HS I2C Register Description
    2. 26.2  HDQ/1-Wire
      1. 26.2.1 HDQ1W Overview
      2. 26.2.2 HDQ1W Environment
        1. 26.2.2.1 HDQ1W Functional Modes
        2. 26.2.2.2 HDQ and 1-Wire (SDQ) Protocols
          1. 26.2.2.2.1 HDQ Protocol Initialization (Default)
          2. 26.2.2.2.2 1-Wire (SDQ) Protocol Initialization
          3. 26.2.2.2.3 Communication Sequence (HDQ and 1-Wire Protocols)
      3. 26.2.3 HDQ1W Integration
      4. 26.2.4 HDQ1W Functional Description
        1. 26.2.4.1 HDQ1W Block Diagram
        2. 26.2.4.2 HDQ1W Clocking Configuration
          1. 26.2.4.2.1 HDQ1W Clocks
        3. 26.2.4.3 HDQ1W Hardware and Software Reset
        4. 26.2.4.4 HDQ1W Power Management
          1. 26.2.4.4.1 Auto-Idle Mode
          2. 26.2.4.4.2 Power-Down Mode
          3. 26.2.4.4.3 3772
        5. 26.2.4.5 HDQ Interrupt Requests
        6. 26.2.4.6 HDQ Mode (Default)
          1. 26.2.4.6.1 HDQ Mode Features
          2. 26.2.4.6.2 Description
          3. 26.2.4.6.3 Single-Bit Mode
          4. 26.2.4.6.4 Interrupt Conditions
        7. 26.2.4.7 1-Wire Mode
          1. 26.2.4.7.1 1-Wire Mode Features
          2. 26.2.4.7.2 Description
          3. 26.2.4.7.3 1-Wire Single-Bit Mode Operation
          4. 26.2.4.7.4 Interrupt Conditions
          5. 26.2.4.7.5 Status Flags
        8. 26.2.4.8 BITFSM Delay
      5. 26.2.5 HDQ1W Low-Level Programming Model
        1. 26.2.5.1 Global Initialization
          1. 26.2.5.1.1 Surrounding Modules Global Initialization
          2. 26.2.5.1.2 HDQ1W Module Global Initialization
        2. 26.2.5.2 HDQ Operational Modes Configuration
          1. 26.2.5.2.1 Main Sequence - HDQ Write Operation Mode
          2. 26.2.5.2.2 Main Sequence - HDQ Read Operation Mode
            1. 26.2.5.2.2.1 Sub-sequence - Initialize HDQ Slave
        3. 26.2.5.3 1-Wire Operational Modes Configuration
          1. 26.2.5.3.1 Main Sequence - 1-Wire Write Operation Mode
          2. 26.2.5.3.2 Main Sequence - 1-Wire Read Operation Mode
          3. 26.2.5.3.3 Sub-sequence - Initialize 1-Wire Slave
      6. 26.2.6 HDQ1W Register Manual
        1. 26.2.6.1 HDQ1W Instance Summary
        2. 26.2.6.2 HDQ1W Registers
          1. 26.2.6.2.1 HDQ1W Register Summary
          2. 26.2.6.2.2 HDQ1W Register Description
    3. 26.3  UART/IrDA/CIR
      1. 26.3.1 UART/IrDA/CIR Overview
        1. 26.3.1.1 UART Features
        2. 26.3.1.2 IrDA Features
        3. 26.3.1.3 CIR Features
      2. 26.3.2 UART/IrDA/CIR Environment
        1. 26.3.2.1 UART Interface
          1. 26.3.2.1.1 System Using UART Communication With Hardware Handshake
          2. 26.3.2.1.2 UART Interface Description
          3. 26.3.2.1.3 UART Protocol and Data Format
        2. 26.3.2.2 IrDA Functional Interfaces
          1. 26.3.2.2.1 System Using IrDA Communication Protocol
          2. 26.3.2.2.2 IrDA Interface Description
          3. 26.3.2.2.3 IrDA Protocol and Data Format
            1. 26.3.2.2.3.1 SIR Mode
              1. 26.3.2.2.3.1.1 Frame Format
              2. 26.3.2.2.3.1.2 Asynchronous Transparency
              3. 26.3.2.2.3.1.3 Abort Sequence
              4. 26.3.2.2.3.1.4 Pulse Shaping
              5. 26.3.2.2.3.1.5 Encoder
              6. 26.3.2.2.3.1.6 Decoder
              7. 26.3.2.2.3.1.7 IR Address Checking
            2. 26.3.2.2.3.2 SIR Free-Format Mode
            3. 26.3.2.2.3.3 MIR Mode
              1. 26.3.2.2.3.3.1 MIR Encoder/Decoder
              2. 26.3.2.2.3.3.2 SIP Generation
            4. 26.3.2.2.3.4 FIR Mode
        3. 26.3.2.3 CIR Functional Interfaces
          1. 26.3.2.3.1 System Using CIR Communication Protocol With Remote Control
          2. 26.3.2.3.2 CIR Interface Description
          3. 26.3.2.3.3 CIR Protocol and Data Format
            1. 26.3.2.3.3.1 Carrier Modulation
            2. 26.3.2.3.3.2 Pulse Duty Cycle
            3. 26.3.2.3.3.3 Consumer IR Encoding/Decoding
      3. 26.3.3 UART/IrDA/CIR Integration
        1. 26.3.3.1 3838
      4. 26.3.4 UART/IrDA/CIR Functional Description
        1. 26.3.4.1 Block Diagram
        2. 26.3.4.2 Clock Configuration
        3. 26.3.4.3 Software Reset
        4. 26.3.4.4 Power Management
          1. 26.3.4.4.1 UART Mode Power Management
            1. 26.3.4.4.1.1 Module Power Saving
            2. 26.3.4.4.1.2 System Power Saving
          2. 26.3.4.4.2 IrDA Mode Power Management (UART3 Only)
            1. 26.3.4.4.2.1 Module Power Saving
            2. 26.3.4.4.2.2 System Power Saving
          3. 26.3.4.4.3 CIR Mode Power Management (UART3 Only)
            1. 26.3.4.4.3.1 Module Power Saving
            2. 26.3.4.4.3.2 System Power Saving
          4. 26.3.4.4.4 Local Power Management
        5. 26.3.4.5 Interrupt Requests
          1. 26.3.4.5.1 UART Mode Interrupt Management
            1. 26.3.4.5.1.1 UART Interrupts
            2. 26.3.4.5.1.2 Wake-Up Interrupt
          2. 26.3.4.5.2 IrDA Mode Interrupt Management
            1. 26.3.4.5.2.1 IrDA Interrupts
            2. 26.3.4.5.2.2 Wake-Up Interrupts
          3. 26.3.4.5.3 CIR Mode Interrupt Management
            1. 26.3.4.5.3.1 CIR Interrupts
            2. 26.3.4.5.3.2 Wake-Up Interrupts
        6. 26.3.4.6 FIFO Management
          1. 26.3.4.6.1 FIFO Trigger
            1. 26.3.4.6.1.1 Transmit FIFO Trigger
            2. 26.3.4.6.1.2 Receive FIFO Trigger
          2. 26.3.4.6.2 FIFO Interrupt Mode
          3. 26.3.4.6.3 FIFO Polled Mode Operation
          4. 26.3.4.6.4 FIFO DMA Mode Operation
            1. 26.3.4.6.4.1 DMA sequence to disable TX DMA
            2. 26.3.4.6.4.2 DMA Transfers (DMA Mode 1, 2, or 3)
            3. 26.3.4.6.4.3 DMA Transmission
            4. 26.3.4.6.4.4 DMA Reception
        7. 26.3.4.7 Mode Selection
          1. 26.3.4.7.1 Register Access Modes
            1. 26.3.4.7.1.1 Operational Mode and Configuration Modes
            2. 26.3.4.7.1.2 Register Access Submode
            3. 26.3.4.7.1.3 Registers Available for the Register Access Modes
          2. 26.3.4.7.2 UART/IrDA (SIR, MIR, FIR)/CIR Mode Selection
            1. 26.3.4.7.2.1 Registers Available for the UART Function
            2. 26.3.4.7.2.2 Registers Available for the IrDA Function (UART3 Only)
            3. 26.3.4.7.2.3 Registers Available for the CIR Function (UART3 Only)
        8. 26.3.4.8 Protocol Formatting
          1. 26.3.4.8.1 UART Mode
            1. 26.3.4.8.1.1 UART Clock Generation: Baud Rate Generation
            2. 26.3.4.8.1.2 Choosing the Appropriate Divisor Value
            3. 26.3.4.8.1.3 UART Data Formatting
              1. 26.3.4.8.1.3.1 Frame Formatting
              2. 26.3.4.8.1.3.2 Hardware Flow Control
              3. 26.3.4.8.1.3.3 Software Flow Control
                1. 26.3.4.8.1.3.3.1 Receive (RX)
                2. 26.3.4.8.1.3.3.2 Transmit (TX)
              4. 26.3.4.8.1.3.4 Autobauding Modes
              5. 26.3.4.8.1.3.5 Error Detection
              6. 26.3.4.8.1.3.6 Overrun During Receive
              7. 26.3.4.8.1.3.7 Time-Out and Break Conditions
                1. 26.3.4.8.1.3.7.1 Time-Out Counter
                2. 26.3.4.8.1.3.7.2 Break Condition
          2. 26.3.4.8.2 IrDA Mode (UART3 Only)
            1. 26.3.4.8.2.1 IrDA Clock Generation: Baud Generator
            2. 26.3.4.8.2.2 Choosing the Appropriate Divisor Value
            3. 26.3.4.8.2.3 IrDA Data Formatting
              1. 26.3.4.8.2.3.1 IR RX Polarity Control
              2. 26.3.4.8.2.3.2 IrDA Reception Control
              3. 26.3.4.8.2.3.3 IR Address Checking
              4. 26.3.4.8.2.3.4 Frame Closing
              5. 26.3.4.8.2.3.5 Store and Controlled Transmission
              6. 26.3.4.8.2.3.6 Error Detection
              7. 26.3.4.8.2.3.7 Underrun During Transmission
              8. 26.3.4.8.2.3.8 Overrun During Receive
              9. 26.3.4.8.2.3.9 Status FIFO
            4. 26.3.4.8.2.4 SIR Mode Data Formatting
              1. 26.3.4.8.2.4.1 Abort Sequence
              2. 26.3.4.8.2.4.2 Pulse Shaping
              3. 26.3.4.8.2.4.3 SIR Free Format Programming
            5. 26.3.4.8.2.5 MIR and FIR Mode Data Formatting
          3. 26.3.4.8.3 CIR Mode (UART3 Only)
            1. 26.3.4.8.3.1 CIR Mode Clock Generation
            2. 26.3.4.8.3.2 CIR Data Formatting
              1. 26.3.4.8.3.2.1 IR RX Polarity Control
              2. 26.3.4.8.3.2.2 CIR Transmission
      5. 26.3.5 UART/IrDA/CIR Basic Programming Model
        1. 26.3.5.1 Global Initialization
          1. 26.3.5.1.1 Surrounding Modules Global Initialization
          2. 26.3.5.1.2 UART/IrDA/CIR Module Global Initialization
        2. 26.3.5.2 Mode selection
        3. 26.3.5.3 Submode selection
        4. 26.3.5.4 Load FIFO trigger and DMA mode settings
          1. 26.3.5.4.1 DMA mode Settings
          2. 26.3.5.4.2 FIFO Trigger Settings
        5. 26.3.5.5 Protocol, Baud rate and interrupt settings
          1. 26.3.5.5.1 Baud rate settings
          2. 26.3.5.5.2 Interrupt settings
          3. 26.3.5.5.3 Protocol settings
          4. 26.3.5.5.4 UART/IrDA(SIR/MIR/FIR)/CIR
        6. 26.3.5.6 Hardware and Software Flow Control Configuration
          1. 26.3.5.6.1 Hardware Flow Control Configuration
          2. 26.3.5.6.2 Software Flow Control Configuration
        7. 26.3.5.7 IrDA Programming Model (UART3 Only)
          1. 26.3.5.7.1 SIR mode
            1. 26.3.5.7.1.1 Receive
            2. 26.3.5.7.1.2 Transmit
          2. 26.3.5.7.2 MIR mode
            1. 26.3.5.7.2.1 Receive
            2. 26.3.5.7.2.2 Transmit
          3. 26.3.5.7.3 FIR mode
            1. 26.3.5.7.3.1 Receive
            2. 26.3.5.7.3.2 Transmit
      6. 26.3.6 UART/IrDA/CIR Register Manual
        1. 26.3.6.1 UART/IrDA/CIR Instance Summary
        2. 26.3.6.2 UART/IrDA/CIR Registers
          1. 26.3.6.2.1 UART/IrDA/CIR Register Summary
          2. 26.3.6.2.2 UART/IrDA/CIR Register Description
    4. 26.4  Multichannel Serial Peripheral Interface
      1. 26.4.1 McSPI Overview
      2. 26.4.2 McSPI Environment
        1. 26.4.2.1 Basic McSPI Pins for Master Mode
        2. 26.4.2.2 Basic McSPI Pins for Slave Mode
        3. 26.4.2.3 Multichannel SPI Protocol and Data Format
          1. 26.4.2.3.1 Transfer Format
        4. 26.4.2.4 SPI in Master Mode
        5. 26.4.2.5 SPI in Slave Mode
      3. 26.4.3 McSPI Integration
      4. 26.4.4 McSPI Functional Description
        1. 26.4.4.1 McSPI Block Diagram
        2. 26.4.4.2 Reset
        3. 26.4.4.3 Master Mode
          1. 26.4.4.3.1 Master Mode Features
          2. 26.4.4.3.2 Master Transmit-and-Receive Mode (Full Duplex)
          3. 26.4.4.3.3 Master Transmit-Only Mode (Half Duplex)
          4. 26.4.4.3.4 Master Receive-Only Mode (Half Duplex)
          5. 26.4.4.3.5 Single-Channel Master Mode
            1. 26.4.4.3.5.1 Programming Tips When Switching to Another Channel
            2. 26.4.4.3.5.2 Force SPIEN[x] Mode
            3. 26.4.4.3.5.3 Turbo Mode
          6. 26.4.4.3.6 Start-Bit Mode
          7. 26.4.4.3.7 Chip-Select Timing Control
          8. 26.4.4.3.8 Programmable SPI Clock
            1. 26.4.4.3.8.1 Clock Ratio Granularity
        4. 26.4.4.4 Slave Mode
          1. 26.4.4.4.1 Dedicated Resources
          2. 26.4.4.4.2 Slave Transmit-and-Receive Mode
          3. 26.4.4.4.3 Slave Transmit-Only Mode
          4. 26.4.4.4.4 Slave Receive-Only Mode
        5. 26.4.4.5 3-Pin or 4-Pin Mode
        6. 26.4.4.6 FIFO Buffer Management
          1. 26.4.4.6.1 Buffer Almost Full
          2. 26.4.4.6.2 Buffer Almost Empty
          3. 26.4.4.6.3 End of Transfer Management
        7. 26.4.4.7 Interrupts
          1. 26.4.4.7.1 Interrupt Events in Master Mode
            1. 26.4.4.7.1.1 TXx_EMPTY
            2. 26.4.4.7.1.2 TXx_UNDERFLOW
            3. 26.4.4.7.1.3 RXx_ FULL
            4. 26.4.4.7.1.4 End Of Word Count
          2. 26.4.4.7.2 Interrupt Events in Slave Mode
            1. 26.4.4.7.2.1 TXx_EMPTY
            2. 26.4.4.7.2.2 TXx_UNDERFLOW
            3. 26.4.4.7.2.3 RXx_FULL
            4. 26.4.4.7.2.4 RX0_OVERFLOW
            5. 26.4.4.7.2.5 End Of Word Count
          3. 26.4.4.7.3 Interrupt-Driven Operation
          4. 26.4.4.7.4 Polling
        8. 26.4.4.8 DMA Requests
        9. 26.4.4.9 Power Saving Management
          1. 26.4.4.9.1 Normal Mode
          2. 26.4.4.9.2 Idle Mode
            1. 26.4.4.9.2.1 Wake-Up Event in Smart-Idle Mode
            2. 26.4.4.9.2.2 Transitions From Smart-Idle Mode to Normal Mode
            3. 26.4.4.9.2.3 Force-Idle Mode
      5. 26.4.5 McSPI Programming Guide
        1. 26.4.5.1 Global Initialization
          1. 26.4.5.1.1 Surrounding Modules Global Initialization
          2. 26.4.5.1.2 McSPI Global Initialization
            1. 26.4.5.1.2.1 Main Sequence – McSPI Global Initialization
        2. 26.4.5.2 Operational Mode Configuration
          1. 26.4.5.2.1 McSPI Operational Modes
            1. 26.4.5.2.1.1 Common Transfer Sequence
            2. 26.4.5.2.1.2 End of Transfer Sequences
            3. 26.4.5.2.1.3 Transmit-and-Receive (Master and Slave)
            4. 26.4.5.2.1.4 Transmit-Only (Master and Slave)
              1. 26.4.5.2.1.4.1 Based on Interrupt Requests
              2. 26.4.5.2.1.4.2 Based on DMA Write Requests
            5. 26.4.5.2.1.5 Master Normal Receive-Only
              1. 26.4.5.2.1.5.1 Based on Interrupt Requests
              2. 26.4.5.2.1.5.2 Based on DMA Read Requests
            6. 26.4.5.2.1.6 Master Turbo Receive-Only
              1. 26.4.5.2.1.6.1 Based on Interrupt Requests
              2. 26.4.5.2.1.6.2 Based on DMA Read Requests
            7. 26.4.5.2.1.7 Slave Receive-Only
            8. 26.4.5.2.1.8 Transfer Procedures With FIFO
              1. 26.4.5.2.1.8.1 Common Transfer Sequence in FIFO Mode
              2. 26.4.5.2.1.8.2 End of Transfer Sequences in FIFO Mode
              3. 26.4.5.2.1.8.3 Transmit-and-Receive With Word Count
              4. 26.4.5.2.1.8.4 Transmit-and-Receive Without Word Count
              5. 26.4.5.2.1.8.5 Transmit-Only
              6. 26.4.5.2.1.8.6 Receive-Only With Word Count
              7. 26.4.5.2.1.8.7 Receive-Only Without Word Count
        3. 26.4.5.3 Common Transfer Procedures Without FIFO – Polling Method
          1. 26.4.5.3.1 Receive-Only Procedure – Polling Method
          2. 26.4.5.3.2 Receive-Only Procedure – Interrupt Method
          3. 26.4.5.3.3 Transmit-Only Procedure – Polling Method
          4. 26.4.5.3.4 Transmit-and-Receive Procedure – Polling Method
      6. 26.4.6 McSPI Register Manual
        1. 26.4.6.1 McSPI Instance Summary
        2. 26.4.6.2 McSPI Registers
          1. 26.4.6.2.1 McSPI Register Summary
          2. 26.4.6.2.2 McSPI Register Description
    5. 26.5  Quad Serial Peripheral Interface
      1. 26.5.1 Quad Serial Peripheral Interface Overview
      2. 26.5.2 QSPI Environment
      3. 26.5.3 QSPI Integration
      4. 26.5.4 QSPI Functional Description
        1. 26.5.4.1 QSPI Block Diagram
          1. 26.5.4.1.1 SFI Register Control
          2. 26.5.4.1.2 SFI Translator
          3. 26.5.4.1.3 SPI Control Interface
          4. 26.5.4.1.4 SPI Clock Generator
          5. 26.5.4.1.5 SPI Control State-Machine
          6. 26.5.4.1.6 SPI Data Shifter
        2. 26.5.4.2 QSPI Clock Configuration
        3. 26.5.4.3 QSPI Interrupt Requests
        4. 26.5.4.4 QSPI Memory Regions
      5. 26.5.5 QSPI Register Manual
        1. 26.5.5.1 QSPI Instance Summary
        2. 26.5.5.2 QSPI registers
          1. 26.5.5.2.1 QSPI Register Summary
          2. 26.5.5.2.2 QSPI Register Description
    6. 26.6  Multichannel Audio Serial Port
      1. 26.6.1 McASP Overview
      2. 26.6.2 McASP Environment
        1. 26.6.2.1 McASP Signals
        2. 26.6.2.2 Protocols and Data Formats
          1. 26.6.2.2.1 Protocols Supported
          2. 26.6.2.2.2 Definition of Terms
          3. 26.6.2.2.3 TDM Format
          4. 26.6.2.2.4 I2S Format
          5. 26.6.2.2.5 S/PDIF Coding Format
            1. 26.6.2.2.5.1 Biphase-Mark Code
            2. 26.6.2.2.5.2 S/PDIF Subframe Format
            3. 26.6.2.2.5.3 Frame Format
      3. 26.6.3 McASP Integration
      4. 26.6.4 McASP Functional Description
        1. 26.6.4.1  McASP Block Diagram
        2. 26.6.4.2  McASP Clock and Frame-Sync Configurations
          1. 26.6.4.2.1 McASP Transmit Clock
          2. 26.6.4.2.2 McASP Receive Clock
          3. 26.6.4.2.3 Frame-Sync Generator
          4. 26.6.4.2.4 Synchronous and Asynchronous Transmit and Receive Operations
        3. 26.6.4.3  Serializers
        4. 26.6.4.4  Format Units
          1. 26.6.4.4.1 Transmit Format Unit
            1. 26.6.4.4.1.1 TDM Mode Transmission Data Alignment Settings
            2. 26.6.4.4.1.2 DIT Mode Transmission Data Alignment Settings
          2. 26.6.4.4.2 Receive Format Unit
            1. 26.6.4.4.2.1 TDM Mode Reception Data Alignment Settings
        5. 26.6.4.5  State-Machines
        6. 26.6.4.6  TDM Sequencers
        7. 26.6.4.7  McASP Software Reset
        8. 26.6.4.8  McASP Power Management
        9. 26.6.4.9  Transfer Modes
          1. 26.6.4.9.1 Burst Transfer Mode
          2. 26.6.4.9.2 Time-Division Multiplexed (TDM) Transfer Mode
            1. 26.6.4.9.2.1 TDM Time Slots Generation and Processing
            2. 26.6.4.9.2.2 Special 384-Slot TDM Mode for Connection to External DIR
          3. 26.6.4.9.3 DIT Transfer Mode
            1. 26.6.4.9.3.1 Transmit DIT Encoding
            2. 26.6.4.9.3.2 Transmit DIT Clock and Frame-Sync Generation
            3. 26.6.4.9.3.3 DIT Channel Status and User Data Register Files
        10. 26.6.4.10 Data Transmission and Reception
          1. 26.6.4.10.1 Data Ready Status and Event/Interrupt Generation
            1. 26.6.4.10.1.1 Transmit Data Ready
            2. 26.6.4.10.1.2 Receive Data Ready
            3. 26.6.4.10.1.3 Transfers Through the Data Port (DATA)
            4. 26.6.4.10.1.4 Transfers Through the Configuration Bus (CFG)
            5. 26.6.4.10.1.5 Using a Device CPU for McASP Servicing
            6. 26.6.4.10.1.6 Using the DMA for McASP Servicing
        11. 26.6.4.11 McASP Audio FIFO (AFIFO)
          1. 26.6.4.11.1 AFIFO Data Transmission
            1. 26.6.4.11.1.1 Transmit DMA Event Pacer
          2. 26.6.4.11.2 AFIFO Data Reception
            1. 26.6.4.11.2.1 Receive DMA Event Pacer
          3. 26.6.4.11.3 Arbitration Between Transmit and Receive DMA Requests
        12. 26.6.4.12 McASP Events and Interrupt Requests
          1. 26.6.4.12.1 Transmit Data Ready Event and Interrupt
          2. 26.6.4.12.2 Receive Data Ready Event and Interrupt
          3. 26.6.4.12.3 Error Interrupt
          4. 26.6.4.12.4 Multiple Interrupts
        13. 26.6.4.13 DMA Requests
        14. 26.6.4.14 Loopback Modes
          1. 26.6.4.14.1 Loopback Mode Configurations
        15. 26.6.4.15 Error Reporting
          1. 26.6.4.15.1 Buffer Underrun Error -Transmitter
          2. 26.6.4.15.2 Buffer Overrun Error-Receiver
          3. 26.6.4.15.3 DATA Port Error - Transmitter
          4. 26.6.4.15.4 DATA Port Error - Receiver
          5. 26.6.4.15.5 Unexpected Frame Sync Error
          6. 26.6.4.15.6 Clock Failure Detection
            1. 26.6.4.15.6.1 Clock Failure Check Startup
            2. 26.6.4.15.6.2 Transmit Clock Failure Check and Recovery
            3. 26.6.4.15.6.3 Receive Clock Failure Check and Recovery
      5. 26.6.5 McASP Low-Level Programming Model
        1. 26.6.5.1 Global Initialization
          1. 26.6.5.1.1 Surrounding Modules Global Initialization
          2. 26.6.5.1.2 McASP Global Initialization
            1. 26.6.5.1.2.1 Main Sequence – McASP Global Initialization for DIT-Transmission
              1. 26.6.5.1.2.1.1 Subsequence – Transmit Format Unit Configuration for DIT-Transmission
              2. 26.6.5.1.2.1.2 Subsequence – Transmit Frame Synchronization Generator Configuration for DIT-Transmission
              3. 26.6.5.1.2.1.3 Subsequence – Transmit Clock Generator Configuration for DIT-Transmission
              4. 26.6.5.1.2.1.4 Subsequence - McASP Pins Functional Configuration
              5. 26.6.5.1.2.1.5 Subsequence – DIT-specific Subframe Fields Configuration
            2. 26.6.5.1.2.2 Main Sequence – McASP Global Initialization for TDM-Reception
              1. 26.6.5.1.2.2.1 Subsequence – Receive Format Unit Configuration in TDM Mode
              2. 26.6.5.1.2.2.2 Subsequence – Receive Frame Synchronization Generator Configuration in TDM Mode
              3. 26.6.5.1.2.2.3 Subsequence – Receive Clock Generator Configuration
              4. 26.6.5.1.2.2.4 Subsequence—McASP Receiver Pins Functional Configuration
            3. 26.6.5.1.2.3 Main Sequence – McASP Global Initialization for TDM -Transmission
              1. 26.6.5.1.2.3.1 Subsequence – Transmit Format Unit Configuration in TDM Mode
              2. 26.6.5.1.2.3.2 Subsequence – Transmit Frame Synchronization Generator Configuration in TDM Mode
              3. 26.6.5.1.2.3.3 Subsequence – Transmit Clock Generator Configuration for TDM Cases
              4. 26.6.5.1.2.3.4 Subsequence—McASP Transmit Pins Functional Configuration
        2. 26.6.5.2 Operational Modes Configuration
          1. 26.6.5.2.1 McASP Transmission Modes
            1. 26.6.5.2.1.1 Main Sequence – McASP DIT- /TDM- Polling Transmission Method
            2. 26.6.5.2.1.2 Main Sequence – McASP DIT- /TDM - Interrupt Transmission Method
            3. 26.6.5.2.1.3 Main Sequence –McASP DIT- /TDM - Mode DMA Transmission Method
          2. 26.6.5.2.2 McASP Reception Modes
            1. 26.6.5.2.2.1 Main Sequence – McASP Polling Reception Method
            2. 26.6.5.2.2.2 Main Sequence – McASP TDM - Interrupt Reception Method
            3. 26.6.5.2.2.3 Main Sequence – McASP TDM - Mode DMA Reception Method
          3. 26.6.5.2.3 McASP Event Servicing
            1. 26.6.5.2.3.1 McASP DIT-/TDM- Transmit Interrupt Events Servicing
            2. 26.6.5.2.3.2 McASP TDM- Receive Interrupt Events Servicing
            3. 26.6.5.2.3.3 4175
            4. 26.6.5.2.3.4 Subsequence – McASP DIT-/TDM -Modes Transmit Error Handling
            5. 26.6.5.2.3.5 Subsequence – McASP Receive Error Handling
      6. 26.6.6 McASP Register Manual
        1. 26.6.6.1 McASP Instance Summary
        2. 26.6.6.2 McASP Registers
          1. 26.6.6.2.1 MCASP_CFG Register Summary
          2. 26.6.6.2.2 MCASP_CFG Register Description
          3. 26.6.6.2.3 MCASP_AFIFO Register Summary
          4. 26.6.6.2.4 MCASP_AFIFO Register Description
          5. 26.6.6.2.5 MCASP_DAT Register Summary
          6. 26.6.6.2.6 MCASP_DAT Register Description
    7. 26.7  SuperSpeed USB DRD
      1. 26.7.1 SuperSpeed USB DRD Subsystem Overview
        1. 26.7.1.1 Main Features
      2. 26.7.2 SuperSpeed USB DRD Subsystem Environment
        1. 26.7.2.1 SuperSpeed USB DRD Subsystem I/O Interfaces
        2. 26.7.2.2 SuperSpeed USB Subsystem Application
          1. 26.7.2.2.1 USB3.0 DRD Application
          2. 26.7.2.2.2 USB2.0 DRD Internal PHY
          3. 26.7.2.2.3 USB2.0 DRD External PHY
          4. 26.7.2.2.4 4196
          5. 26.7.2.2.5 Host Mode
          6. 26.7.2.2.6 Device Mode
      3. 26.7.3 SuperSpeed USB Subsystem Integration
    8. 26.8  SATA Controller
      1. 26.8.1 SATA Controller Overview
        1. 26.8.1.1 SATA Controller
          1. 26.8.1.1.1 AHCI Mode Overview
          2. 26.8.1.1.2 Native Command Queuing
          3. 26.8.1.1.3 SATA Transport Layer Functionalities
          4. 26.8.1.1.4 SATA Link Layer Functionalities
        2. 26.8.1.2 SATA Controller Features
      2. 26.8.2 SATA Controller Environment
      3. 26.8.3 SATA Controller Integration
      4. 26.8.4 SATA Controller Functional Description
        1. 26.8.4.1  SATA Controller Block Diagram
        2. 26.8.4.2  SATA Controller Link Layer Protocol and Data Format
          1. 26.8.4.2.1 SATA 8b/10b Parallel Encoding/Decoding
          2. 26.8.4.2.2 SATA Stream Dword Components
          3. 26.8.4.2.3 Scrambling/Descrambling Processing
        3. 26.8.4.3  Resets
          1. 26.8.4.3.1 Hardware Reset
          2. 26.8.4.3.2 Software Initiated Resets
            1. 26.8.4.3.2.1 Software Reset
            2. 26.8.4.3.2.2 Port Reset
            3. 26.8.4.3.2.3 HBA Reset
        4. 26.8.4.4  Power Management
          1. 26.8.4.4.1 SATA Specific Power Management
            1. 26.8.4.4.1.1 PARTIAL Power Mode
            2. 26.8.4.4.1.2 Slumber Power Mode
            3. 26.8.4.4.1.3 Software Control over Low Power States
            4. 26.8.4.4.1.4 Aggressive Power Management
          2. 26.8.4.4.2 Master Standby and Slave Idle Management Protocols
          3. 26.8.4.4.3 Clock Gating Synchronization
          4. 26.8.4.4.4 4230
        5. 26.8.4.5  Interrupt Requests
          1. 26.8.4.5.1 Interrupt Generation
          2. 26.8.4.5.2 Levels of Interrupt Control
          3. 26.8.4.5.3 Interrupt Events Description
            1. 26.8.4.5.3.1  Task File Error Status
            2. 26.8.4.5.3.2  Host Bus Fatal Error
            3. 26.8.4.5.3.3  Interface Fatal Error Status
            4. 26.8.4.5.3.4  Interface Non-Fatal Error Status
            5. 26.8.4.5.3.5  Overflow Status
            6. 26.8.4.5.3.6  Incorrect Port Multiplier Status
            7. 26.8.4.5.3.7  PHYReady Change Status
            8. 26.8.4.5.3.8  Port Connect Change Status
            9. 26.8.4.5.3.9  Descriptor Processed
            10. 26.8.4.5.3.10 Unknown FIS Interrupt
            11. 26.8.4.5.3.11 Set Device Bits Interrupt
            12. 26.8.4.5.3.12 DMA Setup FIS Interrupt
            13. 26.8.4.5.3.13 PIO Setup FIS Interrupt
            14. 26.8.4.5.3.14 Device to Host Register FIS Interrupt
          4. 26.8.4.5.4 Interrupt Condition Control
          5. 26.8.4.5.5 Command Completion Coalescing Interrupts
            1. 26.8.4.5.5.1 CCC Interrupt Based on Expired Timeout Value
            2. 26.8.4.5.5.2 CCC Interrupt Based on Completion Count
        6. 26.8.4.6  System Memory FIS Descriptors
          1. 26.8.4.6.1 Command List Structure Basics
          2. 26.8.4.6.2 Supported Types of Commands
          3. 26.8.4.6.3 Received FIS Structures
          4. 26.8.4.6.4 FIS Descriptors Summary
        7. 26.8.4.7  Transport Layer FIS-Based Interactions
          1. 26.8.4.7.1 Software Processing of the Port Command List
          2. 26.8.4.7.2 Handling the Received FIS Descriptors
        8. 26.8.4.8  DMA Port Configuration
        9. 26.8.4.9  Port Multiplier Operation
          1. 26.8.4.9.1 Command-Based Switching Mode
            1. 26.8.4.9.1.1 Port Multiplier NCQ and Non-NCQ Commands Generation
          2. 26.8.4.9.2 Port Multiplier Enumeration
        10. 26.8.4.10 Activity LED Generation Functionality
        11. 26.8.4.11 Supported Types of SATA Transfers
          1. 26.8.4.11.1 Supported Higher Level Protocols
        12. 26.8.4.12 SATA Controller AHCI Hardware Register Interface
      5. 26.8.5 SATA Controller Low Level Programming Model
        1. 26.8.5.1 Global Initialization
          1. 26.8.5.1.1 Surrounding Modules Global Initialization
          2. 26.8.5.1.2 SATA Controller Global Initialization
            1. 26.8.5.1.2.1 Main Sequence SATA Controller Global Initialization
            2. 26.8.5.1.2.2 SubSequence – Firmware Capability Writes
          3. 26.8.5.1.3 Issue Command - Main Sequence
          4. 26.8.5.1.4 Receive FIS—Main Sequence
      6. 26.8.6 SATA Controller Register Manual
        1. 26.8.6.1 SATA Controller Instance Summary
        2. 26.8.6.2 DWC_ahsata Registers
          1. 26.8.6.2.1 DWC_ahsata Register Summary
          2. 26.8.6.2.2 DWC_ahsata Register Description
        3. 26.8.6.3 SATAMAC_wrapper Registers
          1. 26.8.6.3.1 SATAMAC_wrapper Register Summary
          2. 26.8.6.3.2 SATAMAC_wrapper Register Description
    9. 26.9  PCIe Controller
      1. 26.9.1 PCIe Controller Subsystem Overview
        1. 26.9.1.1 PCIe Controllers Key Features
      2. 26.9.2 PCIe Controller Environment
      3. 26.9.3 PCIe Controllers Integration
      4. 26.9.4 PCIe SS Controller Functional Description
        1. 26.9.4.1 PCIe Controller Functional Block Diagram
        2. 26.9.4.2 PCIe Traffics
        3. 26.9.4.3 PCIe Controller Ports on L3_MAIN Interconnect
          1. 26.9.4.3.1 PCIe Controller Master Port
            1. 26.9.4.3.1.1 PCIe Controller Master Port to MMU Routing
          2. 26.9.4.3.2 PCIe Controller Slave Port
          3. 26.9.4.3.3 4298
        4. 26.9.4.4 PCIe Controller Reset Management
          1. 26.9.4.4.1 PCIe Reset Types and Stickiness
          2. 26.9.4.4.2 PCIe Reset Conditions
            1. 26.9.4.4.2.1 PCIe Main Reset
              1. 26.9.4.4.2.1.1 PCIe Subsystem Cold Main Reset Source
              2. 26.9.4.4.2.1.2 PCIe Subsystem Warm Main Reset Sources
            2. 26.9.4.4.2.2 PCIe Standard Specific Resets to the PCIe Core Logic
        5. 26.9.4.5 PCIe Controller Power Management
          1. 26.9.4.5.1 PCIe Protocol Power Management
            1. 26.9.4.5.1.1 PCIe Device/function power state (D-state)
            2. 26.9.4.5.1.2 PCIe Controller PIPE Powerstate (Powerdown Control)
          2. 26.9.4.5.2 PCIE Controller Clocks Management
            1. 26.9.4.5.2.1 PCIe Clock Domains
            2. 26.9.4.5.2.2 PCIe Controller Idle/Standby Clock Management Interfaces
              1. 26.9.4.5.2.2.1 PCIe Controller Master Standby Behavior
              2. 26.9.4.5.2.2.2 PCIe Controller Slave Idle/Disconnect Behavior
                1. 26.9.4.5.2.2.2.1 PCIe Controller Idle Sequence During D3cold/L3 State
        6. 26.9.4.6 PCIe Controller Interrupt Requests
          1. 26.9.4.6.1 PCIe Controller Main Hardware Management
            1. 26.9.4.6.1.1 PCIe Management Interrupt Events
            2. 26.9.4.6.1.2 PCIe Error Interrupt Events
            3. 26.9.4.6.1.3 Summary of PCIe Controller Main Hardware Interrupt Events
          2. 26.9.4.6.2 PCIe Controller Legacy and MSI Virtual Interrupts Management
            1. 26.9.4.6.2.1 Legacy PCI Interrupts (INTx)
              1. 26.9.4.6.2.1.1 Legacy PCI Interrupt Events Overview
              2. 26.9.4.6.2.1.2 Legacy PCI Interrupt Transmission (EP mode only)
              3. 26.9.4.6.2.1.3 Legacy PCI Interrupt Reception (RC mode only)
            2. 26.9.4.6.2.2 PCIe Controller Message Signaled Interrupts (MSI)
              1. 26.9.4.6.2.2.1 PCIe Specific MSI Interrupt Event Overview
              2. 26.9.4.6.2.2.2 PCIe Controller MSI Transmission Methods (EP mode)
                1. 26.9.4.6.2.2.2.1 PCIe Controller MSI transmission, hardware method
                2. 26.9.4.6.2.2.2.2 PCIe Controller MSI transmission, software method
              3. 26.9.4.6.2.2.3 PCIe Controller MSI Reception (RC mode)
          3. 26.9.4.6.3 PCIe Controller MSI Hardware Interrupt Events
        7. 26.9.4.7 PCIe Controller Address Spaces and Address Translation
        8. 26.9.4.8 PCIe Traffic Requesting and Responding
          1. 26.9.4.8.1 PCIe Memory-type (Mem) Traffic Management
            1. 26.9.4.8.1.1 PCIe Memory Requesting
            2. 26.9.4.8.1.2 PCIe Memory Responding
          2. 26.9.4.8.2 PCIe Configuration Type (Cfg) Traffic Management
            1. 26.9.4.8.2.1 RC Self-configuration (RC Only)
            2. 26.9.4.8.2.2 Configuration Requests over PCIe (RC Only)
            3. 26.9.4.8.2.3 Configuration Responding over PCIe (EP Only)
          3. 26.9.4.8.3 PCIe I/O-type (IO) traffic management
            1. 26.9.4.8.3.1 PCIe I/O requesting (RC only)
            2. 26.9.4.8.3.2 PCIe IO BAR initialization before enumeration (EP only)
            3. 26.9.4.8.3.3 PCIe I/O responding (PCI legacy EP only)
          4. 26.9.4.8.4 PCIe Message-type (Msg) traffic management
        9. 26.9.4.9 PCIe Programming Register Interface
          1. 26.9.4.9.1 PCIe Register Access
          2. 26.9.4.9.2 Double Mapping of the PCIe Local Control Registers
          3. 26.9.4.9.3 Base Address Registers (BAR) Initialization
      5. 26.9.5 PCIe Controller Low Level Programming Model
        1. 26.9.5.1 Surrounding Modules Global Initialization
        2. 26.9.5.2 Main Sequence of PCIe Controllers Initalization
      6. 26.9.6 PCIe Standard Registers vs PCIe Subsystem Hardware Registers Mapping
      7. 26.9.7 PCIe Controller Register Manual
        1. 26.9.7.1 PCIe Controller Instance Summary
        2. 26.9.7.2 PCIe_SS_EP_CFG_PCIe Registers
          1. 26.9.7.2.1 PCIe_SS_EP_CFG_PCIe Register Summary
          2. 26.9.7.2.2 PCIe_SS_EP_CFG_PCIe Register Description
          3. 26.9.7.2.3 4360
        3. 26.9.7.3 PCIe_SS_EP_CFG_DBICS Registers
          1. 26.9.7.3.1 PCIe_SS_EP_CFG_DBICS Register Summary
          2. 26.9.7.3.2 PCIe_SS_EP_CFG_DBICS Register Description
        4. 26.9.7.4 PCIe_SS_RC_CFG_DBICS Registers
          1. 26.9.7.4.1 PCIe_SS_RC_CFG_DBICS Register Summary
          2. 26.9.7.4.2 PCIe_SS_RC_CFG_DBICS Register Description
        5. 26.9.7.5 PCIe_SS_PL_CONF Registers
          1. 26.9.7.5.1 PCIe_SS_PL_CONF Register Summary
          2. 26.9.7.5.2 PCIe_SS_PL_CONF Register Description
        6. 26.9.7.6 PCIe_SS_EP_CFG_DBICS2 Registers
          1. 26.9.7.6.1 PCIe_SS_EP_CFG_DBICS2 Register Summary
          2. 26.9.7.6.2 PCIe_SS_EP_CFG_DBICS2 Register Description
        7. 26.9.7.7 PCIe_SS_RC_CFG_DBICS2 Registers
          1. 26.9.7.7.1 PCIe_SS_RC_CFG_DBICS2 Register Summary
          2. 26.9.7.7.2 PCIe_SS_RC_CFG_DBICS2 Register Description
        8. 26.9.7.8 PCIe_SS_TI_CONF Registers
          1. 26.9.7.8.1 PCIe_SS_TI_CONF Register Summary
          2. 26.9.7.8.2 PCIe_SS_TI_CONF Register Description
    10. 26.10 DCAN
      1. 26.10.1 DCAN Overview
        1. 26.10.1.1 Features
      2. 26.10.2 DCAN Environment
        1. 26.10.2.1 CAN Network Basics
      3. 26.10.3 DCAN Integration
      4. 26.10.4 DCAN Functional Description
        1. 26.10.4.1  Module Clocking Requirements
        2. 26.10.4.2  Interrupt Functionality
          1. 26.10.4.2.1 Message Object Interrupts
          2. 26.10.4.2.2 Status Change Interrupts
          3. 26.10.4.2.3 Error Interrupts
        3. 26.10.4.3  DMA Functionality
        4. 26.10.4.4  Local Power-Down Mode
          1. 26.10.4.4.1 Entering Local Power-Down Mode
          2. 26.10.4.4.2 Wakeup From Local Power Down
        5. 26.10.4.5  Parity Check Mechanism
          1. 26.10.4.5.1 Behavior on Parity Error
          2. 26.10.4.5.2 Parity Testing
        6. 26.10.4.6  Debug/Suspend Mode
        7. 26.10.4.7  Configuration of Message Objects Description
          1. 26.10.4.7.1 Configuration of a Transmit Object for Data Frames
          2. 26.10.4.7.2 Configuration of a Transmit Object for Remote Frames
          3. 26.10.4.7.3 Configuration of a Single Receive Object for Data Frames
          4. 26.10.4.7.4 Configuration of a Single Receive Object for Remote Frames
          5. 26.10.4.7.5 Configuration of a FIFO Buffer
        8. 26.10.4.8  Message Handling
          1. 26.10.4.8.1  Message Handler Overview
          2. 26.10.4.8.2  Receive/Transmit Priority
          3. 26.10.4.8.3  Transmission of Messages in Event Driven CAN Communication
          4. 26.10.4.8.4  Updating a Transmit Object
          5. 26.10.4.8.5  Changing a Transmit Object
          6. 26.10.4.8.6  Acceptance Filtering of Received Messages
          7. 26.10.4.8.7  Reception of Data Frames
          8. 26.10.4.8.8  Reception of Remote Frames
          9. 26.10.4.8.9  Reading Received Messages
          10. 26.10.4.8.10 Requesting New Data for a Receive Object
          11. 26.10.4.8.11 Storing Received Messages in FIFO Buffers
          12. 26.10.4.8.12 Reading From a FIFO Buffer
        9. 26.10.4.9  CAN Bit Timing
          1. 26.10.4.9.1 Bit Time and Bit Rate
            1. 26.10.4.9.1.1 Synchronization Segment
            2. 26.10.4.9.1.2 Propagation Time Segment
            3. 26.10.4.9.1.3 Phase Buffer Segments and Synchronization
            4. 26.10.4.9.1.4 Oscillator Tolerance Range
          2. 26.10.4.9.2 DCAN Bit Timing Registers
            1. 26.10.4.9.2.1 Calculation of the Bit Timing Parameters
            2. 26.10.4.9.2.2 Example for Bit Timing Calculation
        10. 26.10.4.10 Message Interface Register Sets
          1. 26.10.4.10.1 Message Interface Register Sets 1 and 2
          2. 26.10.4.10.2 IF3 Register Set
        11. 26.10.4.11 Message RAM
          1. 26.10.4.11.1 Structure of Message Objects
          2. 26.10.4.11.2 Addressing Message Objects in RAM
          3. 26.10.4.11.3 Message RAM Representation in Debug/Suspend Mode
          4. 26.10.4.11.4 Message RAM Representation in Direct Access Mode
        12. 26.10.4.12 CAN Operation
          1. 26.10.4.12.1 CAN Module Initialization
            1. 26.10.4.12.1.1 Configuration of CAN Bit Timing
            2. 26.10.4.12.1.2 Configuration of Message Objects
            3. 26.10.4.12.1.3 DCAN RAM Hardware Initialization
          2. 26.10.4.12.2 CAN Message Transfer (Normal Operation)
            1. 26.10.4.12.2.1 Automatic Retransmission
            2. 26.10.4.12.2.2 Auto-Bus-On
          3. 26.10.4.12.3 Test Modes
            1. 26.10.4.12.3.1 Silent Mode
            2. 26.10.4.12.3.2 Loopback Mode
            3. 26.10.4.12.3.3 External Loopback Mode
            4. 26.10.4.12.3.4 Loopback Mode Combined With Silent Mode
            5. 26.10.4.12.3.5 Software Control of CAN_TX Pin
        13. 26.10.4.13 GPIO Support
      5. 26.10.5 DCAN Register Manual
        1. 26.10.5.1 DCAN Instance Summary
        2. 26.10.5.2 DCAN Registers
          1. 26.10.5.2.1 DCAN Register Summary
          2. 26.10.5.2.2 DCAN Register Description
    11. 26.11 MCAN
      1. 26.11.1 MCAN Overview
        1. 26.11.1.1 Features
      2. 26.11.2 MCAN Environment
        1. 26.11.2.1 CAN Network Basics
      3. 26.11.3 MCAN Integration
      4. 26.11.4 MCAN Functional Description
        1. 26.11.4.1  Module Clocking Requirements
        2. 26.11.4.2  Interrupt and DMA Requests
          1. 26.11.4.2.1 Interrupt Requests
          2. 26.11.4.2.2 DMA Requests
          3. 26.11.4.2.3 4466
        3. 26.11.4.3  Fuseable CAN FD Operation Enable
        4. 26.11.4.4  Operating Modes
          1. 26.11.4.4.1 Software Initialization
          2. 26.11.4.4.2 Normal Operation
          3. 26.11.4.4.3 CAN FD Operation
          4. 26.11.4.4.4 Transmitter Delay Compensation
            1. 26.11.4.4.4.1 Description
            2. 26.11.4.4.4.2 Transmitter Delay Compensation Measurement
          5. 26.11.4.4.5 Restricted Operation Mode
          6. 26.11.4.4.6 Bus Monitoring Mode
          7. 26.11.4.4.7 Disabled Automatic Retransmission (DAR) Mode
            1. 26.11.4.4.7.1 Frame Transmission in DAR Mode
          8. 26.11.4.4.8 Power Down (Sleep Mode)
            1. 26.11.4.4.8.1 External Clock Stop Mode
            2. 26.11.4.4.8.2 Suspend Mode
            3. 26.11.4.4.8.3 Wakeup request
          9. 26.11.4.4.9 Test Modes
            1. 26.11.4.4.9.1 Internal Loop Back Mode
        5. 26.11.4.5  Timestamp Generation
          1. 26.11.4.5.1 External Timestamp Counter
        6. 26.11.4.6  Timeout Counter
        7. 26.11.4.7  Safety
          1. 26.11.4.7.1 ECC Wrapper
          2. 26.11.4.7.2 ECC Aggregator
            1. 26.11.4.7.2.1 ECC Aggregator Overview
            2. 26.11.4.7.2.2 ECC Aggregator Registers
            3. 26.11.4.7.2.3 Reads to ECC Control and Status Registers
            4. 26.11.4.7.2.4 ECC Interrupts
        8. 26.11.4.8  Rx Handling
          1. 26.11.4.8.1 Acceptance Filtering
            1. 26.11.4.8.1.1 Range Filter
            2. 26.11.4.8.1.2 Filter for specific IDs
            3. 26.11.4.8.1.3 Classic Bit Mask Filter
            4. 26.11.4.8.1.4 Standard Message ID Filtering
            5. 26.11.4.8.1.5 Extended Message ID Filtering
          2. 26.11.4.8.2 Rx FIFOs
            1. 26.11.4.8.2.1 Rx FIFO Blocking Mode
            2. 26.11.4.8.2.2 Rx FIFO Overwrite Mode
          3. 26.11.4.8.3 Dedicated Rx Buffers
            1. 26.11.4.8.3.1 Rx Buffer Handling
        9. 26.11.4.9  Tx Handling
          1. 26.11.4.9.1 Transmit Pause
          2. 26.11.4.9.2 Dedicated Tx Buffers
          3. 26.11.4.9.3 Tx FIFO
          4. 26.11.4.9.4 Tx Queue
          5. 26.11.4.9.5 Mixed Dedicated Tx Buffers/Tx FIFO
          6. 26.11.4.9.6 Mixed Dedicated Tx Buffers/Tx Queue
          7. 26.11.4.9.7 Transmit Cancellation
          8. 26.11.4.9.8 Tx Event Handling
        10. 26.11.4.10 FIFO Acknowledge Handling
        11. 26.11.4.11 Message RAM
          1. 26.11.4.11.1 Message RAM Configuration
          2. 26.11.4.11.2 Rx Buffer and FIFO Element
          3. 26.11.4.11.3 Tx Buffer Element
          4. 26.11.4.11.4 Tx Event FIFO Element
          5. 26.11.4.11.5 Standard Message ID Filter Element
          6. 26.11.4.11.6 Extended Message ID Filter Element
      5. 26.11.5 MCAN Register Manual
        1. 26.11.5.1 MCAN Instance Summary
        2. 26.11.5.2 MCAN Registers
          1. 26.11.5.2.1 MCAN Register Summary
          2. 26.11.5.2.2 MCAN Register Description
    12. 26.12 Gigabit Ethernet Switch (GMAC_SW)
      1. 26.12.1 GMAC_SW Overview
        1. 26.12.1.1 Features
        2. 26.12.1.2 4532
      2. 26.12.2 GMAC_SW Environment
        1. 26.12.2.1 G/MII Interface
        2. 26.12.2.2 RMII Interface
        3. 26.12.2.3 RGMII Interface
      3. 26.12.3 GMAC_SW Integration
      4. 26.12.4 GMAC_SW Functional Description
        1. 26.12.4.1  Functional Block Diagram
        2. 26.12.4.2  GMAC_SW Ports
          1. 26.12.4.2.1 Interface Mode Selection
        3. 26.12.4.3  Clocking
          1. 26.12.4.3.1 Subsystem Clocking
          2. 26.12.4.3.2 Interface Clocking
            1. 26.12.4.3.2.1 G/MII Interface Clocking
            2. 26.12.4.3.2.2 RGMII Interface Clocking
            3. 26.12.4.3.2.3 RMII Interface Clocking
            4. 26.12.4.3.2.4 MDIO Clocking
        4. 26.12.4.4  Software IDLE
        5. 26.12.4.5  Interrupt Functionality
          1. 26.12.4.5.1 Receive Packet Completion Pulse Interrupt (RX_PULSE)
          2. 26.12.4.5.2 Transmit Packet Completion Pulse Interrupt (TX_PULSE)
          3. 26.12.4.5.3 Receive Threshold Pulse Interrupt (RX_THRESH_PULSE)
          4. 26.12.4.5.4 Miscellaneous Pulse Interrupt (MISC_PULSE)
            1. 26.12.4.5.4.1 EVNT_PEND( CPTS_PEND) Interrupt
            2. 26.12.4.5.4.2 Statistics Interrupt
            3. 26.12.4.5.4.3 Host Error interrupt
            4. 26.12.4.5.4.4 MDIO Interrupts
          5. 26.12.4.5.5 Interrupt Pacing
        6. 26.12.4.6  Reset Isolation
          1. 26.12.4.6.1 Reset Isolation Functional Description
        7. 26.12.4.7  Software Reset
        8. 26.12.4.8  CPSW_3G
          1. 26.12.4.8.1  CPDMA RX and TX Interfaces
            1. 26.12.4.8.1.1 Functional Operation
            2. 26.12.4.8.1.2 Receive DMA Interface
              1. 26.12.4.8.1.2.1 Receive DMA Host Configuration
              2. 26.12.4.8.1.2.2 Receive Channel Teardown
            3. 26.12.4.8.1.3 Transmit DMA Interface
              1. 26.12.4.8.1.3.1 Transmit DMA Host Configuration
              2. 26.12.4.8.1.3.2 Transmit Channel Teardown
            4. 26.12.4.8.1.4 Transmit Rate Limiting
            5. 26.12.4.8.1.5 Command IDLE
          2. 26.12.4.8.2  Address Lookup Engine (ALE)
            1. 26.12.4.8.2.1 Address Table Entry
              1. 26.12.4.8.2.1.1 Free Table Entry
              2. 26.12.4.8.2.1.2 Multicast Address Table Entry
              3. 26.12.4.8.2.1.3 VLAN/Multicast Address Table Entry
              4. 26.12.4.8.2.1.4 Unicast Address Table Entry
              5. 26.12.4.8.2.1.5 OUI Unicast Address Table Entry
              6. 26.12.4.8.2.1.6 VLAN/Unicast Address Table Entry
              7. 26.12.4.8.2.1.7 VLAN Table Entry
            2. 26.12.4.8.2.2 Packet Forwarding Processes
            3. 26.12.4.8.2.3 Learning Process
            4. 26.12.4.8.2.4 VLAN Aware Mode
            5. 26.12.4.8.2.5 VLAN Unaware Mode
          3. 26.12.4.8.3  Packet Priority Handling
          4. 26.12.4.8.4  FIFO Memory Control
          5. 26.12.4.8.5  FIFO Transmit Queue Control
            1. 26.12.4.8.5.1 Normal Priority Mode
            2. 26.12.4.8.5.2 Dual MAC Mode
            3. 26.12.4.8.5.3 Rate Limit Mode
          6. 26.12.4.8.6  Audio Video Bridging
            1. 26.12.4.8.6.1 IEEE 802.1AS: Timing and Synchronization for Time-Sensitive Applications in Bridged Local Area Networks (Precision Time Protocol (PTP))
              1. 26.12.4.8.6.1.1 IEEE 1722: "Layer 2 Transport Protocol for Time-Sensitive Streams"
              2. 26.12.4.8.6.1.2 IEEE 1733: Extends RTCP for RTP Streaming over AVB-supported Networks
            2. 26.12.4.8.6.2 IEEE 802.1Qav: "Virtual Bridged Local Area Networks: Forwarding and Queuing for Time-Sensitive Streams"
              1. 26.12.4.8.6.2.1 Configuring the Device for 802.1Qav Operation:
          7. 26.12.4.8.7  Ethernet MAC Sliver (CPGMAC_SL)
            1. 26.12.4.8.7.1 G/MII Media Independent Interface
              1. 26.12.4.8.7.1.1 Data Reception
                1. 26.12.4.8.7.1.1.1 Receive Control
                2. 26.12.4.8.7.1.1.2 Receive Inter-Frame Interval
              2. 26.12.4.8.7.1.2 Data Transmission
                1. 26.12.4.8.7.1.2.1 Transmit Control
                2. 26.12.4.8.7.1.2.2 CRC Insertion
                3. 26.12.4.8.7.1.2.3 MTXER
                4. 26.12.4.8.7.1.2.4 Adaptive Performance Optimization (APO)
                5. 26.12.4.8.7.1.2.5 Inter-Packet-Gap Enforcement
                6. 26.12.4.8.7.1.2.6 Back Off
                7. 26.12.4.8.7.1.2.7 Programmable Transmit Inter-Packet Gap
                8. 26.12.4.8.7.1.2.8 Speed, Duplex and Pause Frame Support Negotiation
            2. 26.12.4.8.7.2 RMII Interface
              1. 26.12.4.8.7.2.1 Features
              2. 26.12.4.8.7.2.2 RMII Receive (RX)
              3. 26.12.4.8.7.2.3 RMII Transmit (TX)
            3. 26.12.4.8.7.3 RGMII Interface
              1. 26.12.4.8.7.3.1 RGMII Features
              2. 26.12.4.8.7.3.2 RGMII Receive (RX)
              3. 26.12.4.8.7.3.3 In-Band Mode of Operation
              4. 26.12.4.8.7.3.4 Forced Mode of Operation
              5. 26.12.4.8.7.3.5 RGMII Transmit (TX)
            4. 26.12.4.8.7.4 Frame Classification
          8. 26.12.4.8.8  Embedded Memories
          9. 26.12.4.8.9  Flow Control
            1. 26.12.4.8.9.1 CPPI Port Flow Control
            2. 26.12.4.8.9.2 Ethernet Port Flow Control
              1. 26.12.4.8.9.2.1 Receive Flow Control
                1. 26.12.4.8.9.2.1.1 Collision Based Receive Buffer Flow Control
                2. 26.12.4.8.9.2.1.2 IEEE 802.3X Based Receive Flow Control
              2. 26.12.4.8.9.2.2 Transmit Flow Control
          10. 26.12.4.8.10 Short Gap
          11. 26.12.4.8.11 Switch Latency
          12. 26.12.4.8.12 Emulation Control
          13. 26.12.4.8.13 FIFO Loopback
          14. 26.12.4.8.14 Device Level Ring (DLR) Support
          15. 26.12.4.8.15 Energy Efficient Ethernet Support (802.3az)
          16. 26.12.4.8.16 CPSW_3G Network Statistics
            1. 26.12.4.8.16.1 4639
        9. 26.12.4.9  Static Packet Filter (SPF)
          1. 26.12.4.9.1 SPF Overview
          2. 26.12.4.9.2 SPF Functional Description
            1. 26.12.4.9.2.1 SPF Block Diagram
            2. 26.12.4.9.2.2 Interrupts
            3. 26.12.4.9.2.3 Protocol Header Extractor
            4. 26.12.4.9.2.4 Programmable Rule Engine
              1. 26.12.4.9.2.4.1 Internal Registers
              2. 26.12.4.9.2.4.2 Packet Buffer
            5. 26.12.4.9.2.5 Intrusion Event Logger
            6. 26.12.4.9.2.6 Rate Limiter
            7. 26.12.4.9.2.7 Rule Engine Instruction Set Architecture
              1. 26.12.4.9.2.7.1 Instruction Format
              2. 26.12.4.9.2.7.2 Operand Field
              3. 26.12.4.9.2.7.3 Arithmetic/Logical Function Field
              4. 26.12.4.9.2.7.4 Operation Field
          3. 26.12.4.9.3 Programming Guide
            1. 26.12.4.9.3.1 Initialization Routine
            2. 26.12.4.9.3.2 Interrupt Service Routine
            3. 26.12.4.9.3.3 Rule Engine Example Program
        10. 26.12.4.10 Common Platform Time Sync (CPTS)
          1. 26.12.4.10.1 CPTS Architecture
          2. 26.12.4.10.2 CPTS Initialization
          3. 26.12.4.10.3 Time Stamp Value
          4. 26.12.4.10.4 Event FIFO
          5. 26.12.4.10.5 Time Sync Events
            1. 26.12.4.10.5.1 Time Stamp Push Event
            2. 26.12.4.10.5.2 Time Stamp Counter Rollover Event
            3. 26.12.4.10.5.3 Time Stamp Counter Half-rollover Event
            4. 26.12.4.10.5.4 Hardware Time Stamp Push Event
            5. 26.12.4.10.5.5 Ethernet Port Events
          6. 26.12.4.10.6 CPTS Interrupt Handling
        11. 26.12.4.11 CPPI Buffer Descriptors
          1. 26.12.4.11.1 TX Buffer Descriptors
            1. 26.12.4.11.1.1 CPPI TX Data Word 0
            2. 26.12.4.11.1.2 CPPI TX Data Word 1
            3. 26.12.4.11.1.3 CPPI TX Data Word 2
            4. 26.12.4.11.1.4 CPPI TX Data Word 3
          2. 26.12.4.11.2 RX Buffer Descriptors
            1. 26.12.4.11.2.1 CPPI RX Data Word 0
            2. 26.12.4.11.2.2 CPPI RX Data Word 1
            3. 26.12.4.11.2.3 CPPI RX Data Word 2
            4. 26.12.4.11.2.4 CPPI RX Data Word 3
        12. 26.12.4.12 MDIO
          1. 26.12.4.12.1 MDIO Frame Formats
          2. 26.12.4.12.2 MDIO Functional Description
      5. 26.12.5 GMAC_SW Programming Guide
        1. 26.12.5.1 Transmit Operation
        2. 26.12.5.2 Receive Operation
        3. 26.12.5.3 MDIO Software Interface
          1. 26.12.5.3.1 Initializing the MDIO Module
          2. 26.12.5.3.2 Writing Data To a PHY Register
          3. 26.12.5.3.3 Reading Data From a PHY Register
        4. 26.12.5.4 Initialization and Configuration of CPSW
      6. 26.12.6 GMAC_SW Register Manual
        1. 26.12.6.1  GMAC_SW Instance Summary
        2. 26.12.6.2  SS Registers
          1. 26.12.6.2.1 SS Register Summary
          2. 26.12.6.2.2 SS Register Description
        3. 26.12.6.3  PORT Registers
          1. 26.12.6.3.1 PORT Register Summary
          2. 26.12.6.3.2 PORT Register Description
        4. 26.12.6.4  CPDMA registers
          1. 26.12.6.4.1 CPDMA Register Summary
          2. 26.12.6.4.2 CPDMA Register Description
        5. 26.12.6.5  STATS Registers
          1. 26.12.6.5.1 STATS Register Summary
          2. 26.12.6.5.2 STATS Register Description
        6. 26.12.6.6  STATERAM Registers
          1. 26.12.6.6.1 STATERAM Register Summary
          2. 26.12.6.6.2 STATERAM Register Description
        7. 26.12.6.7  CPTS registers
          1. 26.12.6.7.1 CPTS Register Summary
          2. 26.12.6.7.2 CPTS Register Description
        8. 26.12.6.8  ALE registers
          1. 26.12.6.8.1 ALE Register Summary
          2. 26.12.6.8.2 ALE Register Description
        9. 26.12.6.9  SL registers
          1. 26.12.6.9.1 SL Register Summary
          2. 26.12.6.9.2 SL Register Description
        10. 26.12.6.10 MDIO registers
          1. 26.12.6.10.1 MDIO Register Summary
          2. 26.12.6.10.2 MDIO Register Description
        11. 26.12.6.11 WR registers
          1. 26.12.6.11.1 WR Register Summary
          2. 26.12.6.11.2 WR Register Description
        12. 26.12.6.12 SPF Registers
          1. 26.12.6.12.1 SPF Register Summary
          2. 26.12.6.12.2 SPF Register Description
    13. 26.13 Media Local Bus (MLB)
      1. 26.13.1 MLB Overview
      2. 26.13.2 MLB Environment
        1. 26.13.2.1 MLB IO Cell Controls
        2. 26.13.2.2 Doubling the MLB Clock Line Frequency
      3. 26.13.3 MLB Integration
      4. 26.13.4 MLB Functional Description
        1. 26.13.4.1 Block Diagram
          1. 26.13.4.1.1 MediaLB Core Block
          2. 26.13.4.1.2 Routing Fabric Block
          3. 26.13.4.1.3 Data Buffer RAM
          4. 26.13.4.1.4 Channel Table RAM
            1. 26.13.4.1.4.1 Channel Allocation Table
            2. 26.13.4.1.4.2 Channel Descriptor Table
          5. 26.13.4.1.5 DMA Block
            1. 26.13.4.1.5.1 Synchronous Channel Descriptor
            2. 26.13.4.1.5.2 Isochronous Channel Descriptors
            3. 26.13.4.1.5.3 Asynchronous and Control Channel Descriptors
              1. 26.13.4.1.5.3.1 Single-Packet Mode
              2. 26.13.4.1.5.3.2 Multiple-Packet Mode
        2. 26.13.4.2 Software and Data Flow for MLBSS
          1. 26.13.4.2.1 Data Flow For Receive Channels
          2. 26.13.4.2.2 Data Flow for Transmit Channels
        3. 26.13.4.3 MLB Priority On The L3_MAIN Interconnect
      5. 26.13.5 MLB Programming Guide
        1. 26.13.5.1 Global Initialization
          1. 26.13.5.1.1 Surrounding Modules Global Initialization
          2. 26.13.5.1.2 MLBSS Global Initialization
            1. 26.13.5.1.2.1 Channel Initialization
        2. 26.13.5.2 MLBSS Operational Modes Configuration
          1. 26.13.5.2.1 Channel Servicing
          2. 26.13.5.2.2 Channel Table RAM Access
      6. 26.13.6 MLB Register Manual
        1. 26.13.6.1 MLB Instance Summary
        2. 26.13.6.2 MLB registers
          1. 26.13.6.2.1 MLB Register Summary
          2. 26.13.6.2.2 MLB Register Description
  29. 27eMMC/SD/SDIO
    1. 27.1 eMMC/SD/SDIO Overview
      1. 27.1.1 eMMC/SD/SDIO Features
    2. 27.2 eMMC/SD/SDIO Environment
      1. 27.2.1 eMMC/SD/SDIO Functional Modes
        1. 27.2.1.1 eMMC/SD/SDIO Connected to an eMMC, SD, or SDIO Card
      2. 27.2.2 Protocol and Data Format
        1. 27.2.2.1 Protocol
        2. 27.2.2.2 Data Format
    3. 27.3 eMMC/SD/SDIO Integration
    4. 27.4 eMMC/SD/SDIO Functional Description
      1. 27.4.1  Block Diagram
      2. 27.4.2  Resets
        1. 27.4.2.1 Hardware Reset
        2. 27.4.2.2 Software Reset
      3. 27.4.3  Power Management
      4. 27.4.4  Interrupt Requests
        1. 27.4.4.1 Interrupt-Driven Operation
        2. 27.4.4.2 Polling
        3. 27.4.4.3 Asynchronous Interrupt
      5. 27.4.5  DMA Modes
        1. 27.4.5.1 Master DMA Operations
          1. 27.4.5.1.1 Descriptor Table Description
          2. 27.4.5.1.2 Requirements for Descriptors
            1. 27.4.5.1.2.1 Data Length
            2. 27.4.5.1.2.2 Supported Features
            3. 27.4.5.1.2.3 Error Generation
          3. 27.4.5.1.3 Advanced DMA Description
        2. 27.4.5.2 Slave DMA Operations
          1. 27.4.5.2.1 DMA Receive Mode
          2. 27.4.5.2.2 DMA Transmit Mode
      6. 27.4.6  Mode Selection
      7. 27.4.7  Buffer Management
        1. 27.4.7.1 Data Buffer
          1. 27.4.7.1.1 Memory Size, Block Length, and Buffer-Management Relationship
          2. 27.4.7.1.2 Data Buffer Status
      8. 27.4.8  Transfer Process
        1. 27.4.8.1 Different Types of Commands
        2. 27.4.8.2 Different Types of Responses
      9. 27.4.9  Transfer or Command Status and Errors Reporting
        1. 27.4.9.1 Busy Time-Out for R1b, R5b Response Type
        2. 27.4.9.2 Busy Time-Out After Write CRC Status
        3. 27.4.9.3 Write CRC Status Time-Out
        4. 27.4.9.4 Read Data Time-Out
        5. 27.4.9.5 Boot Acknowledge Time-Out
      10. 27.4.10 Auto Command 12 Timings
        1. 27.4.10.1 Auto CMD12 Timings During Write Transfer
        2. 27.4.10.2 Auto CMD12 Timings During Read Transfer
      11. 27.4.11 Transfer Stop
      12. 27.4.12 Output Signals Generation
        1. 27.4.12.1 Generation on Falling Edge of MMC Clock
        2. 27.4.12.2 Generation on Rising Edge of MMC Clock
      13. 27.4.13 Sampling Clock Tuning
      14. 27.4.14 Card Boot Mode Management
        1. 27.4.14.1 Boot Mode Using CMD0
        2. 27.4.14.2 Boot Mode With CMD Line Tied to 0
      15. 27.4.15 MMC CE-ATA Command Completion Disable Management
      16. 27.4.16 Test Registers
      17. 27.4.17 eMMC/SD/SDIO Hardware Status Features
    5. 27.5 eMMC/SD/SDIO Programming Guide
      1. 27.5.1 Low-Level Programming Models
        1. 27.5.1.1 Global Initialization
          1. 27.5.1.1.1 Surrounding Modules Global Initialization
          2. 27.5.1.1.2 eMMC/SD/SDIO Host Controller Initialization Flow
            1. 27.5.1.1.2.1 Enable Interface and Functional Clock for MMC Controller
            2. 27.5.1.1.2.2 MMCHS Soft Reset Flow
            3. 27.5.1.1.2.3 Set MMCHS Default Capabilities
            4. 27.5.1.1.2.4 Wake-Up Configuration
            5. 27.5.1.1.2.5 MMC Host and Bus Configuration
        2. 27.5.1.2 Operational Modes Configuration
          1. 27.5.1.2.1 Basic Operations for eMMC/SD/SDIO Host Controller
            1. 27.5.1.2.1.1 Card Detection, Identification, and Selection
              1. 27.5.1.2.1.1.1 CMD Line Reset Procedure
            2. 27.5.1.2.1.2 Read/Write Transfer Flow in DMA Mode With Interrupt
              1. 27.5.1.2.1.2.1 DATA Lines Reset Procedure
            3. 27.5.1.2.1.3 Read/Write Transfer Flow in DMA Mode With Polling
            4. 27.5.1.2.1.4 Read/Write Transfer Flow Without DMA With Polling
            5. 27.5.1.2.1.5 Read/Write Transfer Flow in CE-ATA Mode
            6. 27.5.1.2.1.6 Suspend-Resume Flow
              1. 27.5.1.2.1.6.1 Suspend Flow
              2. 27.5.1.2.1.6.2 Resume Flow
            7. 27.5.1.2.1.7 Basic Operations – Steps Detailed
              1. 27.5.1.2.1.7.1 Command Transfer Flow
              2. 27.5.1.2.1.7.2 MMCHS Clock Frequency Change
              3. 27.5.1.2.1.7.3 Bus Width Selection
          2. 27.5.1.2.2 Bus Voltage Selection
          3. 27.5.1.2.3 Boot Mode Configuration
            1. 27.5.1.2.3.1 Boot Using CMD0
            2. 27.5.1.2.3.2 Boot With CMD Line Tied to 0
          4. 27.5.1.2.4 SDR104/HS200 DLL Tuning Procedure
    6. 27.6 eMMC/SD/SDIO Register Manual
      1. 27.6.1 eMMC/SD/SDIO Instance Summary
      2. 27.6.2 eMMC/SD/SDIO Registers
        1. 27.6.2.1 eMMC/SD/SDIO Register Summary
        2. 27.6.2.2 eMMC/SD/SDIO Register Description
  30. 28Shared PHY Component Subsystem
    1. 28.1 SATA PHY Subsystem
      1. 28.1.1 SATA PHY Subsystem Overview
      2. 28.1.2 SATA PHY Subsystem Environment
        1. 28.1.2.1 SATA PHY I/O Signals
      3. 28.1.3 SATA PHY Subsystem Integration
      4. 28.1.4 SATA PHY Subsystem Functional Description
        1. 28.1.4.1 SATA PLL Controller L4 Interface Adapter Functional Description
        2. 28.1.4.2 SATA PHY Serializer and Deserializer Functional Descriptions
          1. 28.1.4.2.1 SATA PHY Reset
          2. 28.1.4.2.2 SATA_PHY Clocking
            1. 28.1.4.2.2.1 SATA_PHY Input Clocks
            2. 28.1.4.2.2.2 SATA_PHY Output Clocks
          3. 28.1.4.2.3 SATA_PHY Power Management
            1. 28.1.4.2.3.1 SATA_PHY Power-Up/-Down Sequences
            2. 28.1.4.2.3.2 SATA_PHY Low-Power Modes
          4. 28.1.4.2.4 SATA_PHY Hardware Requests
        3. 28.1.4.3 SATA Clock Generator Subsystem Functional Description
          1. 28.1.4.3.1 SATA DPLL Clock Generator Overview
          2. 28.1.4.3.2 SATA DPLL Clock Generator Reset
          3. 28.1.4.3.3 SATA DPLL Low-Power Modes
          4. 28.1.4.3.4 SATA DPLL Clocks Configuration
            1. 28.1.4.3.4.1 SATA DPLL Input Clock Control
            2. 28.1.4.3.4.2 SATA DPLL Output Clock Configuration
              1. 28.1.4.3.4.2.1 SATA DPLL Output Clock Gating
          5. 28.1.4.3.5 SATA DPLL Subsystem Architecture
          6. 28.1.4.3.6 SATA DPLL Clock Generator Modes and State Transitions
            1. 28.1.4.3.6.1 SATA Clock Generator Power Up
            2. 28.1.4.3.6.2 SATA DPLL Sequences
            3. 28.1.4.3.6.3 SATA DPLL Locked Mode
            4. 28.1.4.3.6.4 SATA DPLL Idle-Bypass Mode
            5. 28.1.4.3.6.5 SATA DPLL MN-Bypass Mode
            6. 28.1.4.3.6.6 SATA DPLL Error Conditions
          7. 28.1.4.3.7 SATA PLL Controller Functions
            1. 28.1.4.3.7.1 SATA PLL Controller Register Access
            2. 28.1.4.3.7.2 SATA DPLL Clock Programming Sequence
            3. 28.1.4.3.7.3 SATA DPLL Recommended Values
      5. 28.1.5 SATA PHY Subsystem Low-Level Programming Model
    2. 28.2 USB3_PHY Subsystem
      1. 28.2.1 USB3_PHY Subsystem Overview
      2. 28.2.2 USB3_PHY Subsystem Environment
        1. 28.2.2.1 USB3_PHY I/O Signals
      3. 28.2.3 USB3_PHY Subsystem Integration
      4. 28.2.4 USB3_PHY Subsystem Functional Description
        1. 28.2.4.1 Super-Speed USB PLL Controller L4 Interface Adapter Functional Description
        2. 28.2.4.2 USB3_PHY Serializer and Deserializer Functional Descriptions
          1. 28.2.4.2.1 USB3_PHY Module Resets
            1. 28.2.4.2.1.1 Hardware Reset
            2. 28.2.4.2.1.2 Software Reset
          2. 28.2.4.2.2 USB3_PHY Subsystem Clocking
            1. 28.2.4.2.2.1 USB3_PHY Subsystem Input Clocks
            2. 28.2.4.2.2.2 USB3_PHY Subsystem Output Clocks
          3. 28.2.4.2.3 USB3_PHY Power Management
            1. 28.2.4.2.3.1 USB3_PHY Power-Up/-Down Sequences
            2. 28.2.4.2.3.2 USB3_PHY Low-Power Modes
            3. 28.2.4.2.3.3 Clock Gating
          4. 28.2.4.2.4 USB3_PHY Hardware Requests
        3. 28.2.4.3 USB3_PHY Clock Generator Subsystem Functional Description
          1. 28.2.4.3.1 USB3_PHY DPLL Clock Generator Overview
          2. 28.2.4.3.2 USB3_PHY DPLL Clock Generator Reset
          3. 28.2.4.3.3 USB3_PHY DPLL Low-Power Modes
          4. 28.2.4.3.4 USB3_PHY DPLL Clocks Configuration
            1. 28.2.4.3.4.1 USB3_PHY DPLL Input Clock Control
            2. 28.2.4.3.4.2 USB3_PHY DPLL Output Clock Configuration
              1. 28.2.4.3.4.2.1 USB3_PHY DPLL Output Clock Gating
          5. 28.2.4.3.5 USB3_PHY DPLL Subsystem Architecture
          6. 28.2.4.3.6 USB3_PHY DPLL Clock Generator Modes and State Transitions
            1. 28.2.4.3.6.1 USB3_PHY Clock Generator Power Up
            2. 28.2.4.3.6.2 USB3_PHY DPLL Sequences
            3. 28.2.4.3.6.3 USB3_PHY DPLL Locked Mode
            4. 28.2.4.3.6.4 USB3_PHY DPLL Idle-Bypass Mode
            5. 28.2.4.3.6.5 USB3_PHY DPLL MN-Bypass Mode
            6. 28.2.4.3.6.6 USB3_PHY DPLL Error Conditions
          7. 28.2.4.3.7 USB3_PHY PLL Controller Functions
            1. 28.2.4.3.7.1 USB3_PHY PLL Controller Register Access
            2. 28.2.4.3.7.2 4936
            3. 28.2.4.3.7.3 USB3_PHY DPLL Clock Programming Sequence
            4. 28.2.4.3.7.4 USB3_PHY DPLL Recommended Values
      5. 28.2.5 USB3_PHY Subsystem Low-Level Programming Model
    3. 28.3 USB3 PHY and SATA PHY Register Manual
      1. 28.3.1 USB3 PHY and SATA PHY Instance Summary
      2. 28.3.2 USB3_PHY_RX Registers
        1. 28.3.2.1 USB3_PHY_RX Register Summary
        2. 28.3.2.2 USB3_PHY_RX Register Description
      3. 28.3.3 USB3_PHY_TX Registers
        1. 28.3.3.1 USB3_PHY_TX Register Summary
        2. 28.3.3.2 USB3_PHY_TX Register Description
      4. 28.3.4 SATA_PHY_RX Registers
        1. 28.3.4.1 SATA_PHY_RX Register Summary
        2. 28.3.4.2 SATA_PHY_RX Register Description
      5. 28.3.5 SATA_PHY_TX Registers
        1. 28.3.5.1 SATA_PHY_TX Register Summary
        2. 28.3.5.2 SATA_PHY_TX Register Description
      6. 28.3.6 DPLLCTRL Registers
        1. 28.3.6.1 DPLLCTRL Register Summary
        2. 28.3.6.2 DPLLCTRL Register Description
    4. 28.4 PCIe PHY Subsystem
      1. 28.4.1 PCIe PHY Subsystem Overview
        1. 28.4.1.1 PCIe PHY Subsystem Key Features
      2. 28.4.2 PCIe PHY Subsystem Environment
        1. 28.4.2.1 PCIe PHY I/O Signals
      3. 28.4.3 PCIe Shared PHY Subsystem Integration
      4. 28.4.4 PCIe PHY Subsystem Functional Description
        1. 28.4.4.1 PCIe PHY Subsystem Block Diagram
        2. 28.4.4.2 OCP2SCP Functional Description
          1. 28.4.4.2.1 OCP2SCP Reset
            1. 28.4.4.2.1.1 Hardware Reset
            2. 28.4.4.2.1.2 Software Reset
          2. 28.4.4.2.2 OCP2SCP Power Management
            1. 28.4.4.2.2.1 Idle Mode
            2. 28.4.4.2.2.2 Clock Gating
          3. 28.4.4.2.3 OCP2SCP Timing Registers
        3. 28.4.4.3 PCIe PHY Serializer and Deserializer Functional Descriptions
          1. 28.4.4.3.1 PCIe PHY Module Resets
            1. 28.4.4.3.1.1 Hardware Reset
            2. 28.4.4.3.1.2 Software Reset
          2. 28.4.4.3.2 PCIe PHY Subsystem Clocking
            1. 28.4.4.3.2.1 PCIe PHY Subsystem Input Clocks
            2. 28.4.4.3.2.2 PCIe PHY Subsystem Output Clocks
          3. 28.4.4.3.3 PCIe PHY Power Management
            1. 28.4.4.3.3.1 PCIe PHY Power-Up/-Down Sequences
            2. 28.4.4.3.3.2 PCIe PHY Low-Power Modes
            3. 28.4.4.3.3.3 Clock Gating
          4. 28.4.4.3.4 PCIe PHY Hardware Requests
        4. 28.4.4.4 PCIe PHY Clock Generator Subsystem Functional Description
          1. 28.4.4.4.1 PCIe PHY DPLL Clock Generator
            1. 28.4.4.4.1.1 PCIe PHY DPLL Clock Generator Overview
            2. 28.4.4.4.1.2 PCIe PHY DPLL Clock Generator Reset
            3. 28.4.4.4.1.3 PCIe PHY DPLL Low-Power Modes
            4. 28.4.4.4.1.4 PCIe PHY DPLL Clocks Configuration
              1. 28.4.4.4.1.4.1 PCIe PHY DPLL Input Clock Control
              2. 28.4.4.4.1.4.2 PCIe PHY DPLL Output Clock Configuration
                1. 28.4.4.4.1.4.2.1 PCIe PHY DPLL Output Clock Gating
            5. 28.4.4.4.1.5 PCIe PHY DPLL Subsystem Architecture
            6. 28.4.4.4.1.6 PCIe PHY DPLL Clock Generator Modes and State Transitions
              1. 28.4.4.4.1.6.1 PCIe PHY Clock Generator Power Up
              2. 28.4.4.4.1.6.2 PCIe PHY DPLL Sequences
              3. 28.4.4.4.1.6.3 PCIe PHY DPLL Locked Mode
              4. 28.4.4.4.1.6.4 PCIe PHY DPLL Idle-Bypass Mode
              5. 28.4.4.4.1.6.5 PCIe PHY DPLL Low Power Stop Mode
              6. 28.4.4.4.1.6.6 PCIe PHY DPLL Clock Programming Sequence
              7. 28.4.4.4.1.6.7 PCIe PHY DPLL Recommended Values
          2. 28.4.4.4.2 PCIe PHY APLL Clock Generator
            1. 28.4.4.4.2.1 PCIe PHY APLL Clock Generator Overview
            2. 28.4.4.4.2.2 PCIe PHY APLL Clock Generator Reset
            3. 28.4.4.4.2.3 PCIe PHY APLL Low-Power Mode
            4. 28.4.4.4.2.4 PCIe PHY APLL Clocks Configuration
              1. 28.4.4.4.2.4.1 PCIe PHY APLL Input Clock Control
              2. 28.4.4.4.2.4.2 PCIe PHY APLL Output Clock Configuration
                1. 28.4.4.4.2.4.2.1 PCIe PHY APLL Output Clock Gating
            5. 28.4.4.4.2.5 PCIe PHY APLL Subsystem Architecture
            6. 28.4.4.4.2.6 PCIe PHY APLL Clock Generator Modes and State Transitions
              1. 28.4.4.4.2.6.1 PCIe PHY APLL Clock Generator Power Up
              2. 28.4.4.4.2.6.2 PCIe PHY APLL Sequences
              3. 28.4.4.4.2.6.3 PCIe PHY APLL Locked Mode
          3. 28.4.4.4.3 ACSPCIE reference clock buffer
      5. 28.4.5 PCIePHY Subsystem Low-Level Programming Model
      6. 28.4.6 PCIe PHY Subsystem Register Manual
        1. 28.4.6.1 PCIe PHY Instance Summary
          1. 28.4.6.1.1 PCIe_PHY_RX Registers
            1. 28.4.6.1.1.1 PCIe_PHY_RX Register Summary
            2. 28.4.6.1.1.2 PCIe_PHY_RX Register Description
          2. 28.4.6.1.2 PCIe_PHY_TX Registers
            1. 28.4.6.1.2.1 PCIe_PHY_TX Register Summary
            2. 28.4.6.1.2.2 PCIe_PHY_TX Register Description
          3. 28.4.6.1.3 OCP2SCP Registers
            1. 28.4.6.1.3.1 OCP2SCP Register Summary
            2. 28.4.6.1.3.2 OCP2SCP Register Description
  31. 29General-Purpose Interface
    1. 29.1 General-Purpose Interface Overview
    2. 29.2 General-Purpose Interface Environment
      1. 29.2.1 General-Purpose Interface as a Keyboard Interface
      2. 29.2.2 General-Purpose Interface Signals
    3. 29.3 General-Purpose Interface Integration
    4. 29.4 General-Purpose Interface Functional Description
      1. 29.4.1 General-Purpose Interface Block Diagram
      2. 29.4.2 General-Purpose Interface Interrupt and Wake-Up Features
        1. 29.4.2.1 Synchronous Path: Interrupt Request Generation
        2. 29.4.2.2 Asynchronous Path: Wake-Up Request Generation
        3. 29.4.2.3 Wake-Up Event Conditions During Transition To/From IDLE State
        4. 29.4.2.4 Interrupt (or Wake-Up) Line Release
      3. 29.4.3 General-Purpose Interface Clock Configuration
        1. 29.4.3.1 Clocking
      4. 29.4.4 General-Purpose Interface Hardware and Software Reset
      5. 29.4.5 General-Purpose Interface Power Management
        1. 29.4.5.1 Power Domain
        2. 29.4.5.2 Power Management
          1. 29.4.5.2.1 Idle Scheme
          2. 29.4.5.2.2 Operating Modes
          3. 29.4.5.2.3 System Power Management and Wakeup
          4. 29.4.5.2.4 Module Power Saving
      6. 29.4.6 General-Purpose Interface Interrupt and Wake-Up Requests
        1. 29.4.6.1 Interrupt Requests Generation
        2. 29.4.6.2 Wake-Up Requests Generation
      7. 29.4.7 General-Purpose Interface Channels Description
      8. 29.4.8 General-Purpose Interface Data Input/Output Capabilities
      9. 29.4.9 General-Purpose Interface Set-and-Clear Protocol
        1. 29.4.9.1 Description
        2. 29.4.9.2 Clear Instruction
          1. 29.4.9.2.1 Clear Register Addresses
          2. 29.4.9.2.2 Clear Instruction Example
        3. 29.4.9.3 Set Instruction
          1. 29.4.9.3.1 Set Register Addresses
          2. 29.4.9.3.2 Set Instruction Example
    5. 29.5 General-Purpose Interface Programming Guide
      1. 29.5.1 General-Purpose Interface Low-Level Programming Models
        1. 29.5.1.1 Global Initialization
          1. 29.5.1.1.1 Surrounding Modules Global Initialization
          2. 29.5.1.1.2 General-Purpose Interface Module Global Initialization
        2. 29.5.1.2 General-Purpose Interface Operational Modes Configuration
          1. 29.5.1.2.1 General-Purpose Interface Read Input Register
          2. 29.5.1.2.2 General-Purpose Interface Set Bit Function
          3. 29.5.1.2.3 General-Purpose Interface Clear Bit Function
    6. 29.6 General-Purpose Interface Register Manual
      1. 29.6.1 General-Purpose Interface Instance Summary
      2. 29.6.2 General-Purpose Interface Registers
        1. 29.6.2.1 General-Purpose Interface Register Summary
        2. 29.6.2.2 General-Purpose Interface Register Description
  32. 30Keyboard Controller
    1. 30.1 Keyboard Controller Overview
    2. 30.2 Keyboard Controller Environment
      1. 30.2.1 Keyboard Controller Functions/Modes
      2. 30.2.2 Keyboard Controller Signals
      3. 30.2.3 Protocols and Data Formats
    3. 30.3 Keyboard Controller Integration
    4. 30.4 Keyboard Controller Functional Description
      1. 30.4.1 Keyboard Controller Block Diagram
      2. 30.4.2 Keyboard Controller Software Reset
      3. 30.4.3 Keyboard Controller Power Management
      4. 30.4.4 Keyboard Controller Interrupt Requests
      5. 30.4.5 Keyboard Controller Software Mode
      6. 30.4.6 Keyboard Controller Hardware Decoding Modes
        1. 30.4.6.1 Functional Modes
        2. 30.4.6.2 Keyboard Controller Timer
        3. 30.4.6.3 State-Machine Status
        4. 30.4.6.4 Keyboard Controller Interrupt Generation
          1. 30.4.6.4.1 Interrupt-Generation Scheme
          2. 30.4.6.4.2 Keyboard Buffer and Missed Events (Overrun Feature)
      7. 30.4.7 Keyboard Controller Key Coding Registers
      8. 30.4.8 Keyboard Controller Register Access
        1. 30.4.8.1 Write Registers Access
        2. 30.4.8.2 Read Registers Access
    5. 30.5 Keyboard Controller Programming Guide
      1. 30.5.1 Keyboard Controller Low-Level Programming Models
        1. 30.5.1.1 Global Initialization
          1. 30.5.1.1.1 Surrounding Modules Global Initialization
          2. 30.5.1.1.2 Keyboard Controller Global Initialization
            1. 30.5.1.1.2.1 Main Sequence – Keyboard Controller Global Initialization
        2. 30.5.1.2 Operational Modes Configuration
          1. 30.5.1.2.1 Keyboard Controller in Hardware Decoding Mode (Default Mode)
            1. 30.5.1.2.1.1 Main Sequence – Keyboard Controller Hardware Mode
          2. 30.5.1.2.2 Keyboard Controller Software Scanning Mode
            1. 30.5.1.2.2.1 Main Sequence – Keyboard Controller Software Mode
          3. 30.5.1.2.3 Using the Timer
          4. 30.5.1.2.4 State-Machine Status Register
        3. 30.5.1.3 Keyboard Controller Events Servicing
    6. 30.6 Keyboard Controller Register Manual
      1. 30.6.1 Keyboard Controller Instance Summary
      2. 30.6.2 Keyboard Controller Registers
        1. 30.6.2.1 Keyboard Controller Register Summary
        2. 30.6.2.2 Keyboard Controller Register Description
  33. 31Pulse-Width Modulation Subsystem
    1. 31.1 PWM Subsystem Resources
      1. 31.1.1 PWMSS Overview
        1. 31.1.1.1 PWMSS Key Features
        2. 31.1.1.2 PWMSS Unsupported Fetaures
      2. 31.1.2 PWMSS Environment
        1. 31.1.2.1 PWMSS I/O Interface
      3. 31.1.3 PWMSS Integration
        1. 31.1.3.1 PWMSS Module Interfaces Implementation
          1. 31.1.3.1.1 Device Specific PWMSS Features
          2. 31.1.3.1.2 Daisy-Chain Connectivity between PWMSS Modules
          3. 31.1.3.1.3 eHRPWM Modules Time Base Clock Gating
      4. 31.1.4 PWMSS Subsystem Power, Reset and Clock Configuration
        1. 31.1.4.1 PWMSS Local Clock Management
        2. 31.1.4.2 PWMSS Modules Local Clock Gating
        3. 31.1.4.3 PWMSS Software Reset
      5. 31.1.5 PWMSS_CFG Register Manual
        1. 31.1.5.1 PWMSS_CFG Instance Summary
        2. 31.1.5.2 PWMSS_CFG Registers
          1. 31.1.5.2.1 PWMSS_CFG Register Summary
          2. 31.1.5.2.2 PWMSS_CFG Register Description
    2. 31.2 Enhanced PWM (ePWM) Module
    3. 31.3 Enhanced Capture (eCAP) Module
    4. 31.4 Enhanced Quadrature Encoder Pulse (eQEP) Module
  34. 32Viterbi-Decoder Coprocessor
    1. 32.1 VCP Overview
      1. 32.1.1 VCP Features
    2. 32.2 VCP Integration
    3. 32.3 VCP Functional Description
      1. 32.3.1  VCP Block Diagram
      2. 32.3.2  VCP Internal Interfaces
        1. 32.3.2.1 VCP Power Management
          1. 32.3.2.1.1 Idle Mode
        2. 32.3.2.2 VCP Clocks
        3. 32.3.2.3 VCP Resets
        4. 32.3.2.4 Interrupt Requests
        5. 32.3.2.5 EDMA Requests
      3. 32.3.3  Functional Overview
        1. 32.3.3.1 Theoretical Basics of the Convolutional Code.
        2. 32.3.3.2 5161
      4. 32.3.4  VCP Architecture
        1. 32.3.4.1 Sliding Windows Processing
          1. 32.3.4.1.1 Tailed Traceback Mode
          2. 32.3.4.1.2 Mixed Traceback Mode
          3. 32.3.4.1.3 Convergent Traceback Mode
          4. 32.3.4.1.4 F, R, and C Limitations
          5. 32.3.4.1.5 Yamamoto Parameters
          6. 32.3.4.1.6 Input FIFO (Branch Metrics)
          7. 32.3.4.1.7 Output FIFO (Decisions)
      5. 32.3.5  VCP Input Data
        1. 32.3.5.1 Branch Metrics Calculations
      6. 32.3.6  Soft Input Dynamic Ranges
      7. 32.3.7  VCP Memory Sleep Mode
      8. 32.3.8  Decision Data
      9. 32.3.9  Endianness
        1. 32.3.9.1 Branch Metrics
          1. 32.3.9.1.1 Hard Decisions
          2. 32.3.9.1.2 Soft Decisions
      10. 32.3.10 VCP Output Parameters
      11. 32.3.11 Event Generation
        1. 32.3.11.1 VCPnXEVT Generation
        2. 32.3.11.2 VCPnREVT Generation
      12. 32.3.12 Operational Modes
        1. 32.3.12.1 Debugging Features
      13. 32.3.13 Errors and Status
    4. 32.4 VCP Modules Programming Guide
      1. 32.4.1 EDMA Resources
        1. 32.4.1.1 VCP1 and VCP2 Dedicated EDMA Resources
        2. 32.4.1.2 Special VCP EDMA Programming Considerations
          1. 32.4.1.2.1 Input Configuration Parameters Transfer
          2. 32.4.1.2.2 Branch Metrics Transfer
          3. 32.4.1.2.3 Decisions Transfer
          4. 32.4.1.2.4 Hard-Decisions Mode
          5. 32.4.1.2.5 Soft-Decisions Mode
          6. 32.4.1.2.6 Output Parameters Transfer
      2. 32.4.2 Input Configuration Words
    5. 32.5 VCP Register Manual
      1. 32.5.1 VCP1 and VCP2 Instance Summary
      2. 32.5.2 VCP Registers
        1. 32.5.2.1 VCP Register Summary
        2. 32.5.2.2 VCP1 and VCP2 Data Registers Description
        3. 32.5.2.3 VCP1 and VCP2 Configuration Registers Description
  35. 33Audio Tracking Logic
    1. 33.1 ATL Overview
    2. 33.2 ATL Environment
      1. 33.2.1 ATL Functions
      2. 33.2.2 ATL Signals Descriptions
    3. 33.3 ATL Integration
      1. 33.3.1 ATL Distribution on Interconnects
      2. 33.3.2 ATL Regions Allocations
    4. 33.4 ATL Functional Description
      1. 33.4.1 Block Diagram
      2. 33.4.2 Source Signal Control
      3. 33.4.3 ATL Clock and Reset Configuration
    5. 33.5 ATL Register Manual
      1. 33.5.1 ATL Instance Summary
      2. 33.5.2 ATL Register Summary
      3. 33.5.3 ATL Register Description
  36. 34Initialization
    1. 34.1 Initialization Overview
      1. 34.1.1 Terminology
      2. 34.1.2 Initialization Process
    2. 34.2 Preinitialization
      1. 34.2.1 Power Requirements
      2. 34.2.2 Interaction With the PMIC Companion
      3. 34.2.3 Clock, Reset, and Control
        1. 34.2.3.1 Overview
        2. 34.2.3.2 Clocking Scheme
        3. 34.2.3.3 Reset Configuration
          1. 34.2.3.3.1 ON/OFF Interconnect and Power-On-Reset
          2. 34.2.3.3.2 Warm Reset
          3. 34.2.3.3.3 Peripheral Reset by GPIO
          4. 34.2.3.3.4 Warm Reset Impact on GPIOs
        4. 34.2.3.4 PMIC Control
        5. 34.2.3.5 PMIC Request Signals
      4. 34.2.4 Sysboot Configuration
        1. 34.2.4.1 GPMC Configuration for XIP/NAND
        2. 34.2.4.2 System Clock Speed Selection
        3. 34.2.4.3 QSPI Redundant SBL Images Offset
        4. 34.2.4.4 Booting Device Order Selection
        5. 34.2.4.5 5242
        6. 34.2.4.6 Boot Peripheral Pin Multiplexing
    3. 34.3 Device Initialization by ROM Code
      1. 34.3.1 Booting Overview
        1. 34.3.1.1 Booting Types
        2. 34.3.1.2 ROM Code Architecture
      2. 34.3.2 Memory Maps
        1. 34.3.2.1 ROM Memory Map
        2. 34.3.2.2 RAM Memory Map
      3. 34.3.3 Overall Booting Sequence
      4. 34.3.4 Startup and Configuration
        1. 34.3.4.1 Startup
        2. 34.3.4.2 Control Module Configuration
        3. 34.3.4.3 PRCM Module Mode Configuration
        4. 34.3.4.4 Clocking Configuration
        5. 34.3.4.5 Booting Device List Setup
      5. 34.3.5 Peripheral Booting
        1. 34.3.5.1 Description
        2. 34.3.5.2 Initialization Phase for UART Boot
        3. 34.3.5.3 Initialization Phase for USB Boot
          1. 34.3.5.3.1 Initialization Procedure
          2. 34.3.5.3.2 SATA Peripheral Device Flashing over USB Interface
          3. 34.3.5.3.3 USB Driver Descriptors
          4. 34.3.5.3.4 5265
          5. 34.3.5.3.5 USB Customized Vendor and Product IDs
          6. 34.3.5.3.6 USB Driver Functionality
      6. 34.3.6 Fast External Booting
        1. 34.3.6.1 Overview
        2. 34.3.6.2 Fast External Booting Procedure
      7. 34.3.7 Memory Booting
        1. 34.3.7.1 Overview
        2. 34.3.7.2 Non-XIP Memory
        3. 34.3.7.3 XIP Memory
          1. 34.3.7.3.1 GPMC Initialization
        4. 34.3.7.4 NAND
          1. 34.3.7.4.1 Initialization and NAND Detection
          2. 34.3.7.4.2 NAND Read Sector Procedure
        5. 34.3.7.5 SPI/QSPI Flash Devices
        6. 34.3.7.6 eMMC Memories and SD Cards
          1. 34.3.7.6.1 eMMC Memories
            1. 34.3.7.6.1.1 System Conditions and Limitations
            2. 34.3.7.6.1.2 eMMC Memory Connection
          2. 34.3.7.6.2 SD Cards
            1. 34.3.7.6.2.1 System Conditions and Limitations
            2. 34.3.7.6.2.2 SD Card Connection
            3. 34.3.7.6.2.3 Booting Procedure
            4. 34.3.7.6.2.4 eMMC Partitions Handling in Alternative Boot Operation Mode
              1. 34.3.7.6.2.4.1 eMMC Devices Preflashing
              2. 34.3.7.6.2.4.2 eMMC Device State After ROM Code Execution
              3. 34.3.7.6.2.4.3 Consideration on device Global Warm Reset
              4. 34.3.7.6.2.4.4 Booting Image Size
              5. 34.3.7.6.2.4.5 Booting Image Layout
          3. 34.3.7.6.3 Initialization and Detection
          4. 34.3.7.6.4 Read Sector Procedure
          5. 34.3.7.6.5 File System Handling
            1. 34.3.7.6.5.1 MBR and FAT File System
        7. 34.3.7.7 SATA Device Boot Operation
          1. 34.3.7.7.1 SATA Booting Overview
          2. 34.3.7.7.2 SATA Power-Up Initialization Sequence
          3. 34.3.7.7.3 System Conditions and Limitations for SATA Boot
          4. 34.3.7.7.4 SATA Read Sector Procedure in FAT Mode
      8. 34.3.8 Image Format
        1. 34.3.8.1 Overview
        2. 34.3.8.2 Configuration Header
          1. 34.3.8.2.1 CHSETTINGS Item
          2. 34.3.8.2.2 CHFLASH Item
          3. 34.3.8.2.3 CHMMCSD Item
          4. 34.3.8.2.4 CHQSPI Item
        3. 34.3.8.3 GP Header
        4. 34.3.8.4 Image Execution
      9. 34.3.9 Tracing
    4. 34.4 Services for HLOS Support
      1. 34.4.1 Hypervisor
      2. 34.4.2 Caches Maintenance
      3. 34.4.3 CP15 Registers
      4. 34.4.4 Wakeup Generator
      5. 34.4.5 Arm Timer
      6. 34.4.6 MReq Domain
  37. 35On-Chip Debug Support
    1. 35.1  Introduction
      1. 35.1.1 Key Features
    2. 35.2  Debug Interfaces
      1. 35.2.1 IEEE1149.1
      2. 35.2.2 Debug (Trace) Port
      3. 35.2.3 Trace Connector and Board Layout Considerations
    3. 35.3  Debugger Connection
      1. 35.3.1 ICEPick Module
      2. 35.3.2 ICEPick Boot Modes
        1. 35.3.2.1 Default Boot Mode
        2. 35.3.2.2 Wait-In-Reset
      3. 35.3.3 Dynamic TAP Insertion
        1. 35.3.3.1 ICEPick Secondary TAPs
    4. 35.4  Primary Debug Support
      1. 35.4.1 Processor Native Debug Support
        1. 35.4.1.1 Cortex-A15 Processor
        2. 35.4.1.2 Cortex-M4 Processor
        3. 35.4.1.3 DSP C66x
        4. 35.4.1.4 IVA Arm968
        5. 35.4.1.5 ARP32
        6. 35.4.1.6 5341
      2. 35.4.2 Cross-Triggering
        1. 35.4.2.1 SoC-Level Cross-Triggering
        2. 35.4.2.2 Cross-Triggering With External Device
      3. 35.4.3 Suspend
        1. 35.4.3.1 Debug Aware Peripherals and Host Processors
    5. 35.5  Real-Time Debug
      1. 35.5.1 Real-Time Debug Events
        1. 35.5.1.1 Emulation Interrupts
    6. 35.6  Power, Reset, and Clock Management Debug Support
      1. 35.6.1 Power and Clock Management
        1. 35.6.1.1 Power and Clock Control Override From Debugger
          1. 35.6.1.1.1 Debugger Directives
            1. 35.6.1.1.1.1 FORCEACTIVE Debugger Directive
            2. 35.6.1.1.1.2 INHIBITSLEEP Debugger Directive
          2. 35.6.1.1.2 Intrusive Debug Model
        2. 35.6.1.2 Debug Across Power Transition
          1. 35.6.1.2.1 Nonintrusive Debug Model
          2. 35.6.1.2.2 Debug Context Save and Restore
            1. 35.6.1.2.2.1 Debug Context Save
            2. 35.6.1.2.2.2 Debug Context Restore
      2. 35.6.2 Reset Management
        1. 35.6.2.1 Debugger Directives
          1. 35.6.2.1.1 Assert Reset
          2. 35.6.2.1.2 Block Reset
          3. 35.6.2.1.3 Wait-In-Reset
    7. 35.7  Performance Monitoring
      1. 35.7.1 MPU Subsystem Performance Monitoring
        1. 35.7.1.1 Performance Monitoring Unit
        2. 35.7.1.2 L2 Cache Controller
      2. 35.7.2 IPU Subsystem Performance Monitoring
        1. 35.7.2.1 Subsystem Counter Timer Module
        2. 35.7.2.2 Cache Events
      3. 35.7.3 DSP Subsystem Performance Monitoring
        1. 35.7.3.1 Advanced Event Triggering
      4. 35.7.4 EVE Subsystem Performance Monitoring
        1. 35.7.4.1 EVE Subsystem Counter Timer Module
        2. 35.7.4.2 EVE Subsystem SCTM Events
    8. 35.8  MPU Memory Adaptor (MPU_MA) Watchpoint
    9. 35.9  Processor Trace
      1. 35.9.1 Cortex-A15 Processor Trace
      2. 35.9.2 DSP Processor Trace
      3. 35.9.3 Trace Export
        1. 35.9.3.1 Trace Exported to External Trace Receiver
        2. 35.9.3.2 Trace Captured Into On-Chip Trace Buffer
        3. 35.9.3.3 Trace Exported Through USB
    10. 35.10 System Instrumentation
      1. 35.10.1  MIPI STM (CT_STM)
      2. 35.10.2  System Trace Export
        1. 35.10.2.1 CT_STM ATB Export
        2. 35.10.2.2 Trace Streams Interleaving
      3. 35.10.3  Software Instrumentation
        1. 35.10.3.1 MPU Software Instrumentation
        2. 35.10.3.2 SoC Software Instrumentation
      4. 35.10.4  OCP Watchpoint
        1. 35.10.4.1 OCP Target Traffic Monitoring
        2. 35.10.4.2 Messages Triggered from System Events
        3. 35.10.4.3 DMA Transfer Profiling
      5. 35.10.5  IVA Pipeline
      6. 35.10.6  EVE SMSET
      7. 35.10.7  L3 NOC Statistics Collector
        1. 35.10.7.1 L3 Target Load Monitoring
        2. 35.10.7.2 L3 Master Latency Monitoring
          1. 35.10.7.2.1  SC_LAT0 Configuration
          2. 35.10.7.2.2  SC_LAT1 Configuration
          3. 35.10.7.2.3  SC_LAT2 Configuration
          4. 35.10.7.2.4  SC_LAT3 Configuration
          5. 35.10.7.2.5  SC_LAT4 Configuration
          6. 35.10.7.2.6  SC_LAT5 Configuration
          7. 35.10.7.2.7  SC_LAT6 Configuration
          8. 35.10.7.2.8  SC_LAT7 Configuration
          9. 35.10.7.2.9  SC_LAT8 Configuration
          10. 35.10.7.2.10 Statistics Collector Alarm Mode
          11. 35.10.7.2.11 Statistics Collector Suspend Mode
      8. 35.10.8  PM Instrumentation
      9. 35.10.9  CM Instrumentation
      10. 35.10.10 Master-ID Encoding
        1. 35.10.10.1 Software Masters
        2. 35.10.10.2 Hardware Masters
    11. 35.11 Concurrent Debug Modes
    12. 35.12 DRM Register Manual
      1. 35.12.1 DRM Instance Summary
      2. 35.12.2 DRM Registers
        1. 35.12.2.1 DRM Register Summary
        2. 35.12.2.2 DRM Register Description
  38. 36Revision History
ISS ISP IPIPEIF INPSRC1 = 0 and INPSRC2 = 2

Set the IPIPEIF_CFG1[15:14] INPSRC1 bit field to 0 and the IPIPEIF_CFG1[3:2] INPSRC2 bit field to 2.

This configuration can be used for image capture with on-the-fly dark-frame subtraction. In the first case, the dark frame can come from BL and data from the ISIF. In the second case, the dark frame can come from the VP and data from BL.

Figure 9-43 shows the data path.

DRA74xP DRA75xP ISS ISP IPIPEIF INPSRC1 = 0 and INPSRC2 = 2 Data Paths Figure 9-43 ISS ISP IPIPEIF INPSRC1 = 0 and INPSRC2 = 2 Data Paths