SLAU723A October   2017  ā€“ October 2018 MSP432E401Y , MSP432E411Y

 

  1.   1
    1.     2
    2.     3
    3.     4
    4.     5
    5.     6
  2.   7
    1.     8
    2.     9
    3.     10
      1.      11
      2.      12
      3.      13
      4.      14
    4.     15
      1.      16
      2.      17
        1.       18
          1.        19
          2.        20
          3.        21
          4.        22
          5.        23
          6.        24
          7.        25
          8.        26
          9.        27
          10.        28
      3.      29
      4.      30
    5.     31
      1.      32
      2.      33
      3.      34
      4.      35
      5.      36
        1.       37
        2.       38
      6.      39
      7.      40
    6.     41
      1.      42
      2.      43
      3.      44
      4.      45
      5.      46
      6.      47
      7.      48
        1.       49
        2.       50
    7.     51
      1.      52
      2.      53
      3.      54
      4.      55
    8.     56
      1.      57
        1.       58
        2.       59
        3.       60
      2.      61
        1.       62
        2.       63
    9.     64
  3.   65
    1.     66
    2.     67
      1.      68
      2.      69
        1.       70
        2.       71
      3.      72
      4.      73
        1.       74
          1.        75
          2.        76
          3.        77
            1.         78
        2.       79
          1.        80
        3.       81
      5.      82
        1.       83
        2.       84
        3.       85
        4.       86
        5.       87
          1.        88
          2.        89
          3.        90
        6.       91
        7.       92
    3.     93
      1.      94
      2.      95
      3.      96
    4.     97
      1.      98
      2.      99
      3.      100
      4.      101
      5.      102
      6.      103
      7.      104
    5.     105
      1.      106
      2.      107
      3.      108
      4.      109
      5.      110
      6.      111
      7.      112
      8.      113
      9.      114
      10.      115
      11.      116
      12.      117
      13.      118
      14.      119
      15.      120
    6.     121
      1.      122
      2.      123
      3.      124
      4.      125
      5.      126
    7.     127
      1.      128
      2.      129
      3.      130
      4.      131
  4.   132
    1.     133
    2.     134
    3.     135
      1.      136
        1.       137
        2.       138
        3.       139
        4.       140
      2.      141
      3.      142
      4.      143
        1.       144
        2.       145
        3.       146
        4.       147
          1.        148
          2.        149
    4.     150
    5.     151
      1.      152
        1.       153
        2.       154
        3.       155
        4.       156
        5.       157
        6.       158
        7.       159
      2.      160
        1.       161
        2.       162
        3.       163
        4.       164
        5.       165
        6.       166
  5.   167
    1.     168
      1.      169
      2.      170
        1.       171
        2.       172
        3.       173
        4.       174
        5.       175
        6.       176
        7.       177
        8.       178
        9.       179
      3.      180
        1.       181
        2.       182
      4.      183
      5.      184
        1.       185
        2.       186
          1.        187
            1.         188
            2.         189
            3.         190
              1.          191
              2.          192
              3.          193
            4.         194
            5.         195
          2.        196
          3.        197
        3.       198
        4.       199
          1.        200
        5.       201
          1.        202
          2.        203
      6.      204
        1.       205
        2.       206
        3.       207
        4.       208
          1.        209
          2.        210
          3.        211
          4.        212
        5.       213
        6.       214
    2.     215
      1.      216
      2.      217
      3.      218
      4.      219
      5.      220
      6.      221
      7.      222
      8.      223
      9.      224
      10.      225
      11.      226
      12.      227
      13.      228
      14.      229
      15.      230
      16.      231
      17.      232
      18.      233
      19.      234
      20.      235
      21.      236
      22.      237
      23.      238
      24.      239
      25.      240
      26.      241
      27.      242
      28.      243
      29.      244
      30.      245
      31.      246
      32.      247
      33.      248
      34.      249
      35.      250
      36.      251
      37.      252
      38.      253
      39.      254
      40.      255
      41.      256
      42.      257
      43.      258
      44.      259
      45.      260
      46.      261
      47.      262
      48.      263
      49.      264
      50.      265
      51.      266
      52.      267
      53.      268
      54.      269
      55.      270
      56.      271
      57.      272
      58.      273
      59.      274
      60.      275
      61.      276
      62.      277
      63.      278
      64.      279
      65.      280
      66.      281
      67.      282
      68.      283
      69.      284
      70.      285
      71.      286
      72.      287
      73.      288
      74.      289
      75.      290
      76.      291
      77.      292
      78.      293
      79.      294
      80.      295
      81.      296
      82.      297
      83.      298
      84.      299
      85.      300
      86.      301
      87.      302
      88.      303
      89.      304
      90.      305
      91.      306
      92.      307
      93.      308
      94.      309
      95.      310
      96.      311
      97.      312
      98.      313
      99.      314
      100.      315
      101.      316
      102.      317
      103.      318
      104.      319
      105.      320
      106.      321
      107.      322
      108.      323
      109.      324
      110.      325
      111.      326
      112.      327
      113.      328
      114.      329
      115.      330
      116.      331
      117.      332
      118.      333
      119.      334
      120.      335
      121.      336
      122.      337
      123.      338
      124.      339
      125.      340
      126.      341
      127.      342
      128.      343
      129.      344
      130.      345
      131.      346
      132.      347
      133.      348
      134.      349
      135.      350
      136.      351
      137.      352
      138.      353
      139.      354
      140.      355
      141.      356
      142.      357
      143.      358
      144.      359
      145.      360
      146.      361
      147.      362
      148.      363
      149.      364
      150.      365
      151.      366
      152.      367
      153.      368
      154.      369
      155.      370
      156.      371
      157.      372
      158.      373
      159.      374
      160.      375
      161.      376
      162.      377
      163.      378
      164.      379
      165.      380
      166.      381
      167.      382
      168.      383
      169.      384
      170.      385
      171.      386
      172.      387
      173.      388
      174.      389
      175.      390
      176.      391
      177.      392
      178.      393
      179.      394
      180.      395
      181.      396
      182.      397
      183.      398
      184.      399
      185.      400
      186.      401
      187.      402
      188.      403
      189.      404
      190.      405
    3.     406
      1.      407
  6.   408
    1.     409
    2.     410
      1.      411
      2.      412
      3.      413
      4.      414
  7.   415
    1.     416
    2.     417
    3.     418
      1.      419
      2.      420
        1.       421
      3.      422
      4.      423
      5.      424
        1.       425
        2.       426
        3.       427
          1.        428
        4.       429
      6.      430
        1.       431
        2.       432
          1.        433
          2.        434
          3.        435
          4.        436
          5.        437
          6.        438
          7.        439
      7.      440
      8.      441
      9.      442
      10.      443
      11.      444
      12.      445
      13.      446
    4.     447
      1.      448
      2.      449
      3.      450
      4.      451
      5.      452
      6.      453
    5.     454
      1.      455
      2.      456
      3.      457
      4.      458
      5.      459
      6.      460
      7.      461
      8.      462
      9.      463
      10.      464
      11.      465
      12.      466
      13.      467
      14.      468
      15.      469
      16.      470
      17.      471
      18.      472
      19.      473
      20.      474
      21.      475
      22.      476
      23.      477
      24.      478
      25.      479
      26.      480
      27.      481
  8.   482
    1.     483
    2.     484
      1.      485
      2.      486
        1.       487
        2.       488
        3.       489
        4.       490
      3.      491
        1.       492
        2.       493
        3.       494
        4.       495
        5.       496
        6.       497
        7.       498
        8.       499
        9.       500
        10.       501
          1.        502
          2.        503
          3.        504
        11.       505
          1.        506
        12.       507
      4.      508
        1.       509
          1.        510
          2.        511
          3.        512
          4.        513
          5.        514
          6.        515
          7.        516
          8.        517
          9.        518
          10.        519
          11.        520
          12.        521
        2.       522
      5.      523
    3.     524
      1.      525
      2.      526
      3.      527
      4.      528
      5.      529
      6.      530
      7.      531
      8.      532
      9.      533
      10.      534
      11.      535
      12.      536
      13.      537
      14.      538
      15.      539
      16.      540
    4.     541
      1.      542
      2.      543
      3.      544
      4.      545
      5.      546
      6.      547
      7.      548
      8.      549
      9.      550
      10.      551
      11.      552
      12.      553
      13.      554
      14.      555
      15.      556
      16.      557
    5.     558
      1.      559
      2.      560
      3.      561
      4.      562
      5.      563
  9.   564
    1.     565
    2.     566
    3.     567
      1.      568
      2.      569
      3.      570
        1.       571
        2.       572
      4.      573
      5.      574
        1.       575
        2.       576
        3.       577
        4.       578
        5.       579
        6.       580
      6.      581
      7.      582
        1.       583
        2.       584
      8.      585
      9.      586
    4.     587
      1.      588
      2.      589
        1.       590
        2.       591
          1.        592
          2.        593
        3.       594
      3.      595
        1.       596
        2.       597
          1.        598
        3.       599
      4.      600
        1.       601
        2.       602
          1.        603
        3.       604
        4.       605
        5.       606
      5.      607
    5.     608
      1.      609
      2.      610
      3.      611
    6.     612
      1.      613
      2.      614
      3.      615
      4.      616
      5.      617
      6.      618
      7.      619
      8.      620
      9.      621
      10.      622
      11.      623
      12.      624
      13.      625
      14.      626
      15.      627
      16.      628
      17.      629
      18.      630
      19.      631
      20.      632
      21.      633
      22.      634
      23.      635
      24.      636
      25.      637
      26.      638
      27.      639
      28.      640
      29.      641
      30.      642
  10.   643
    1.     644
    2.     645
      1.      646
        1.       647
        2.       648
        3.       649
          1.        650
          2.        651
          3.        652
          4.        653
          5.        654
      2.      655
      3.      656
        1.       657
          1.        658
          2.        659
          3.        660
          4.        661
          5.        662
          6.        663
          7.        664
          8.        665
          9.        666
          10.        667
        2.       668
          1.        669
          2.        670
      4.      671
      5.      672
      6.      673
    3.     674
    4.     675
      1.      676
        1.       677
        2.       678
          1.        679
          2.        680
          3.        681
          4.        682
          5.        683
          6.        684
          7.        685
          8.        686
          9.        687
          10.        688
        3.       689
          1.        690
            1.         691
          2.        692
          3.        693
        4.       694
          1.        695
    5.     696
      1.      697
      2.      698
      3.      699
      4.      700
      5.      701
      6.      702
      7.      703
      8.      704
      9.      705
      10.      706
      11.      707
      12.      708
      13.      709
    6.     710
      1.      711
      2.      712
      3.      713
      4.      714
  11.   715
    1.     716
    2.     717
    3.     718
      1.      719
      2.      720
        1.       721
        2.       722
        3.       723
        4.       724
        5.       725
        6.       726
        7.       727
        8.       728
      3.      729
      4.      730
        1.       731
      5.      732
      6.      733
      7.      734
        1.       735
          1.        736
          2.        737
        2.       738
          1.        739
          2.        740
          3.        741
          4.        742
        3.       743
          1.        744
          2.        745
          3.        746
    4.     747
      1.      748
      2.      749
    5.     750
      1.      751
      2.      752
      3.      753
      4.      754
      5.      755
      6.      756
      7.      757
      8.      758
      9.      759
      10.      760
      11.      761
      12.      762
      13.      763
      14.      764
      15.      765
      16.      766
      17.      767
      18.      768
      19.      769
      20.      770
      21.      771
      22.      772
      23.      773
      24.      774
      25.      775
      26.      776
      27.      777
      28.      778
      29.      779
      30.      780
      31.      781
      32.      782
      33.      783
      34.      784
      35.      785
      36.      786
      37.      787
      38.      788
      39.      789
      40.      790
  12.   791
    1.     792
    2.     793
    3.     794
      1.      795
      2.      796
      3.      797
      4.      798
      5.      799
      6.      800
      7.      801
      8.      802
      9.      803
      10.      804
      11.      805
        1.       806
        2.       807
        3.       808
      12.      809
      13.      810
        1.       811
        2.       812
        3.       813
        4.       814
        5.       815
      14.      816
      15.      817
      16.      818
        1.       819
        2.       820
    4.     821
      1.      822
      2.      823
      3.      824
      4.      825
      5.      826
      6.      827
      7.      828
      8.      829
      9.      830
      10.      831
      11.      832
      12.      833
      13.      834
      14.      835
      15.      836
      16.      837
      17.      838
      18.      839
      19.      840
  13.   841
    1.     842
    2.     843
    3.     844
      1.      845
    4.     846
    5.     847
      1.      848
      2.      849
      3.      850
      4.      851
      5.      852
      6.      853
      7.      854
  14.   855
    1.     856
    2.     857
      1.      858
        1.       859
        2.       860
        3.       861
    3.     862
      1.      863
        1.       864
    4.     865
      1.      866
      2.      867
      3.      868
      4.      869
  15.   870
    1.     871
    2.     872
    3.     873
      1.      874
      2.      875
      3.      876
      4.      877
        1.       878
        2.       879
        3.       880
    4.     881
    5.     882
      1.      883
        1.       884
        2.       885
    6.     886
      1.      887
        1.       888
        2.       889
        3.       890
      2.      891
        1.       892
        2.       893
        3.       894
      3.      895
        1.       896
        2.       897
    7.     898
      1.      899
      2.      900
      3.      901
      4.      902
      5.      903
      6.      904
      7.      905
      8.      906
      9.      907
      10.      908
      11.      909
      12.      910
      13.      911
    8.     912
      1.      913
      2.      914
      3.      915
      4.      916
  16.   917
    1.     918
    2.     919
    3.     920
      1.      921
        1.       922
        2.       923
        3.       924
      2.      925
      3.      926
        1.       927
        2.       928
        3.       929
        4.       930
        5.       931
          1.        932
          2.        933
        6.       934
          1.        935
          2.        936
          3.        937
          4.        938
        7.       939
          1.        940
          2.        941
          3.        942
          4.        943
        8.       944
        9.       945
      4.      946
        1.       947
          1.        948
          2.        949
          3.        950
          4.        951
        2.       952
          1.        953
          2.        954
          3.        955
        3.       956
      5.      957
        1.       958
        2.       959
        3.       960
        4.       961
        5.       962
      6.      963
        1.       964
        2.       965
        3.       966
        4.       967
        5.       968
          1.        969
          2.        970
          3.        971
          4.        972
            1.         973
            2.         974
            3.         975
          5.        976
          6.        977
      7.      978
        1.       979
      8.      980
        1.       981
        2.       982
        3.       983
      9.      984
        1.       985
        2.       986
        3.       987
      10.      988
      11.      989
        1.       990
          1.        991
          2.        992
          3.        993
          4.        994
        2.       995
        3.       996
        4.       997
        5.       998
      12.      999
      13.      1000
      14.      1001
    4.     1002
      1.      1003
      2.      1004
        1.       1005
        2.       1006
        3.       1007
        4.       1008
        5.       1009
        6.       1010
        7.       1011
          1.        1012
          2.        1013
          3.        1014
          4.        1015
      3.      1016
    5.     1017
      1.      1018
        1.       1019
        2.       1020
    6.     1021
      1.      1022
      2.      1023
      3.      1024
      4.      1025
      5.      1026
      6.      1027
      7.      1028
      8.      1029
      9.      1030
      10.      1031
      11.      1032
      12.      1033
      13.      1034
      14.      1035
      15.      1036
      16.      1037
      17.      1038
      18.      1039
      19.      1040
      20.      1041
      21.      1042
      22.      1043
      23.      1044
      24.      1045
      25.      1046
      26.      1047
      27.      1048
      28.      1049
      29.      1050
      30.      1051
      31.      1052
      32.      1053
      33.      1054
      34.      1055
      35.      1056
      36.      1057
      37.      1058
      38.      1059
      39.      1060
      40.      1061
      41.      1062
      42.      1063
      43.      1064
      44.      1065
      45.      1066
      46.      1067
      47.      1068
      48.      1069
      49.      1070
      50.      1071
      51.      1072
      52.      1073
      53.      1074
      54.      1075
      55.      1076
      56.      1077
      57.      1078
      58.      1079
      59.      1080
      60.      1081
      61.      1082
      62.      1083
      63.      1084
      64.      1085
      65.      1086
      66.      1087
      67.      1088
      68.      1089
      69.      1090
      70.      1091
      71.      1092
      72.      1093
      73.      1094
    7.     1095
      1.      1096
      2.      1097
      3.      1098
      4.      1099
      5.      1100
      6.      1101
      7.      1102
      8.      1103
      9.      1104
      10.      1105
      11.      1106
      12.      1107
      13.      1108
      14.      1109
      15.      1110
      16.      1111
      17.      1112
      18.      1113
      19.      1114
      20.      1115
      21.      1116
      22.      1117
      23.      1118
      24.      1119
      25.      1120
      26.      1121
      27.      1122
      28.      1123
      29.      1124
  17.   1125
    1.     1126
    2.     1127
    3.     1128
      1.      1129
      2.      1130
      3.      1131
    4.     1132
      1.      1133
      2.      1134
        1.       1135
        2.       1136
        3.       1137
        4.       1138
        5.       1139
        6.       1140
      3.      1141
        1.       1142
        2.       1143
        3.       1144
        4.       1145
        5.       1146
        6.       1147
      4.      1148
        1.       1149
          1.        1150
          2.        1151
    5.     1152
      1.      1153
      2.      1154
      3.      1155
      4.      1156
      5.      1157
      6.      1158
      7.      1159
      8.      1160
      9.      1161
      10.      1162
      11.      1163
      12.      1164
      13.      1165
      14.      1166
      15.      1167
      16.      1168
      17.      1169
      18.      1170
      19.      1171
      20.      1172
      21.      1173
      22.      1174
      23.      1175
      24.      1176
      25.      1177
      26.      1178
      27.      1179
      28.      1180
      29.      1181
      30.      1182
      31.      1183
      32.      1184
      33.      1185
      34.      1186
      35.      1187
      36.      1188
  18.   1189
    1.     1190
    2.     1191
    3.     1192
      1.      1193
        1.       1194
        2.       1195
      2.      1196
        1.       1197
        2.       1198
        3.       1199
        4.       1200
      3.      1201
      4.      1202
      5.      1203
        1.       1204
      6.      1205
    4.     1206
    5.     1207
      1.      1208
      2.      1209
      3.      1210
      4.      1211
      5.      1212
      6.      1213
      7.      1214
      8.      1215
      9.      1216
      10.      1217
      11.      1218
      12.      1219
      13.      1220
      14.      1221
      15.      1222
      16.      1223
      17.      1224
      18.      1225
      19.      1226
      20.      1227
      21.      1228
      22.      1229
      23.      1230
      24.      1231
      25.      1232
      26.      1233
      27.      1234
      28.      1235
      29.      1236
      30.      1237
      31.      1238
      32.      1239
      33.      1240
      34.      1241
      35.      1242
      36.      1243
      37.      1244
      38.      1245
      39.      1246
      40.      1247
      41.      1248
      42.      1249
      43.      1250
  19.   1251
    1.     1252
    2.     1253
    3.     1254
      1.      1255
      2.      1256
      3.      1257
        1.       1258
          1.        1259
        2.       1260
        3.       1261
        4.       1262
        5.       1263
      4.      1264
      5.      1265
      6.      1266
      7.      1267
      8.      1268
    4.     1269
      1.      1270
      2.      1271
      3.      1272
      4.      1273
      5.      1274
    5.     1275
      1.      1276
      2.      1277
      3.      1278
      4.      1279
      5.      1280
      6.      1281
      7.      1282
      8.      1283
      9.      1284
      10.      1285
      11.      1286
      12.      1287
      13.      1288
      14.      1289
      15.      1290
      16.      1291
      17.      1292
      18.      1293
      19.      1294
      20.      1295
      21.      1296
      22.      1297
      23.      1298
      24.      1299
      25.      1300
      26.      1301
      27.      1302
      28.      1303
  20.   1304
    1.     1305
    2.     1306
    3.     1307
      1.      1308
        1.       1309
        2.       1310
        3.       1311
        4.       1312
        5.       1313
          1.        1314
          2.        1315
        6.       1316
        7.       1317
        8.       1318
        9.       1319
        10.       1320
          1.        1321
      2.      1322
        1.       1323
        2.       1324
      3.      1325
      4.      1326
      5.      1327
        1.       1328
          1.        1329
        2.       1330
      6.      1331
        1.       1332
        2.       1333
    4.     1334
      1.      1335
      2.      1336
    5.     1337
      1.      1338
      2.      1339
      3.      1340
      4.      1341
      5.      1342
      6.      1343
      7.      1344
      8.      1345
      9.      1346
      10.      1347
      11.      1348
      12.      1349
      13.      1350
      14.      1351
      15.      1352
      16.      1353
      17.      1354
      18.      1355
      19.      1356
      20.      1357
      21.      1358
      22.      1359
      23.      1360
      24.      1361
      25.      1362
      26.      1363
      27.      1364
  21.   1365
    1.     1366
    2.     1367
    3.     1368
      1.      1369
        1.       1370
        2.       1371
        3.       1372
        4.       1373
      2.      1374
        1.       1375
          1.        1376
          2.        1377
      3.      1378
      4.      1379
        1.       1380
      5.      1381
      6.      1382
        1.       1383
        2.       1384
          1.        1385
          2.        1386
            1.         1387
            2.         1388
            3.         1389
            4.         1390
      7.      1391
      8.      1392
      9.      1393
      10.      1394
      11.      1395
      12.      1396
        1.       1397
        2.       1398
      13.      1399
    4.     1400
    5.     1401
    6.     1402
    7.     1403
      1.      1404
      2.      1405
      3.      1406
      4.      1407
      5.      1408
      6.      1409
      7.      1410
      8.      1411
      9.      1412
      10.      1413
      11.      1414
      12.      1415
      13.      1416
      14.      1417
      15.      1418
      16.      1419
      17.      1420
      18.      1421
      19.      1422
      20.      1423
      21.      1424
      22.      1425
      23.      1426
      24.      1427
      25.      1428
      26.      1429
      27.      1430
  22.   1431
    1.     1432
    2.     1433
    3.     1434
      1.      1435
      2.      1436
      3.      1437
      4.      1438
      5.      1439
      6.      1440
      7.      1441
      8.      1442
      9.      1443
    4.     1444
    5.     1445
      1.      1446
      2.      1447
      3.      1448
      4.      1449
      5.      1450
      6.      1451
      7.      1452
      8.      1453
      9.      1454
      10.      1455
      11.      1456
      12.      1457
      13.      1458
      14.      1459
      15.      1460
      16.      1461
      17.      1462
      18.      1463
      19.      1464
      20.      1465
      21.      1466
      22.      1467
      23.      1468
      24.      1469
      25.      1470
      26.      1471
      27.      1472
      28.      1473
      29.      1474
      30.      1475
      31.      1476
      32.      1477
  23.   1478
    1.     1479
    2.     1480
    3.     1481
      1.      1482
      2.      1483
      3.      1484
      4.      1485
      5.      1486
      6.      1487
      7.      1488
      8.      1489
      9.      1490
    4.     1491
    5.     1492
      1.      1493
      2.      1494
      3.      1495
      4.      1496
      5.      1497
      6.      1498
      7.      1499
      8.      1500
      9.      1501
      10.      1502
  24.   1503
    1.     1504
    2.     1505
    3.     1506
      1.      1507
      2.      1508
        1.       1509
        2.       1510
      3.      1511
      4.      1512
      5.      1513
      6.      1514
      7.      1515
        1.       1516
        2.       1517
          1.        1518
          2.        1519
        3.       1520
        4.       1521
        5.       1522
        6.       1523
      8.      1524
    4.     1525
      1.      1526
    5.     1527
      1.      1528
      2.      1529
      3.      1530
      4.      1531
      5.      1532
      6.      1533
      7.      1534
      8.      1535
      9.      1536
      10.      1537
      11.      1538
      12.      1539
      13.      1540
      14.      1541
      15.      1542
      16.      1543
      17.      1544
      18.      1545
      19.      1546
      20.      1547
      21.      1548
      22.      1549
      23.      1550
      24.      1551
  25.   1552
    1.     1553
    2.     1554
    3.     1555
    4.     1556
    5.     1557
      1.      1558
      2.      1559
      3.      1560
      4.      1561
      5.      1562
      6.      1563
      7.      1564
      8.      1565
      9.      1566
      10.      1567
      11.      1568
  26.   1569
    1.     1570
      1.      1571
        1.       1572
        2.       1573
        3.       1574
        4.       1575
      2.      1576
      3.      1577
      4.      1578
      5.      1579
        1.       1580
          1.        1581
            1.         1582
            2.         1583
          2.        1584
        2.       1585
          1.        1586
          2.        1587
        3.       1588
      6.      1589
      7.      1590
        1.       1591
          1.        1592
          2.        1593
            1.         1594
            2.         1595
          3.        1596
            1.         1597
            2.         1598
            3.         1599
          4.        1600
            1.         1601
    2.     1602
      1.      1603
      2.      1604
      3.      1605
      4.      1606
      5.      1607
      6.      1608
      7.      1609
      8.      1610
      9.      1611
      10.      1612
    3.     1613
      1.      1614
      2.      1615
      3.      1616
      4.      1617
  27.   1618
    1.     1619
    2.     1620
    3.     1621
      1.      1622
      2.      1623
      3.      1624
      4.      1625
      5.      1626
      6.      1627
        1.       1628
        2.       1629
          1.        1630
          2.        1631
      7.      1632
      8.      1633
      9.      1634
      10.      1635
      11.      1636
    4.     1637
    5.     1638
      1.      1639
      2.      1640
      3.      1641
      4.      1642
      5.      1643
      6.      1644
      7.      1645
      8.      1646
      9.      1647
      10.      1648
      11.      1649
      12.      1650
      13.      1651
      14.      1652
      15.      1653
      16.      1654
      17.      1655
      18.      1656
      19.      1657
      20.      1658
      21.      1659
      22.      1660
      23.      1661
      24.      1662
      25.      1663
      26.      1664
      27.      1665
      28.      1666
      29.      1667
      30.      1668
  28.   1669
    1.     1670
    2.     1671
    3.     1672
      1.      1673
        1.       1674
        2.       1675
          1.        1676
          2.        1677
        3.       1678
          1.        1679
          2.        1680
        4.       1681
        5.       1682
          1.        1683
          2.        1684
          3.        1685
        6.       1686
        7.       1687
        8.       1688
        9.       1689
      2.      1690
        1.       1691
        2.       1692
        3.       1693
        4.       1694
        5.       1695
        6.       1696
        7.       1697
        8.       1698
        9.       1699
      3.      1700
        1.       1701
        2.       1702
        3.       1703
      4.      1704
        1.       1705
        2.       1706
        3.       1707
      5.      1708
        1.       1709
        2.       1710
      6.      1711
        1.       1712
        2.       1713
        3.       1714
          1.        1715
          2.        1716
        4.       1717
          1.        1718
          2.        1719
          3.        1720
          4.        1721
      7.      1722
    4.     1723
      1.      1724
      2.      1725
    5.     1726
      1.      1727
      2.      1728
      3.      1729
      4.      1730
      5.      1731
      6.      1732
      7.      1733
      8.      1734
      9.      1735
      10.      1736
      11.      1737
      12.      1738
      13.      1739
      14.      1740
      15.      1741
      16.      1742
      17.      1743
      18.      1744
      19.      1745
      20.      1746
      21.      1747
      22.      1748
      23.      1749
      24.      1750
      25.      1751
      26.      1752
      27.      1753
      28.      1754
      29.      1755
      30.      1756
      31.      1757
      32.      1758
      33.      1759
      34.      1760
      35.      1761
      36.      1762
      37.      1763
      38.      1764
      39.      1765
      40.      1766
      41.      1767
      42.      1768
      43.      1769
      44.      1770
      45.      1771
      46.      1772
      47.      1773
      48.      1774
      49.      1775
      50.      1776
      51.      1777
      52.      1778
      53.      1779
      54.      1780
      55.      1781
      56.      1782
      57.      1783
      58.      1784
      59.      1785
      60.      1786
      61.      1787
      62.      1788
      63.      1789
      64.      1790
      65.      1791
      66.      1792
      67.      1793
      68.      1794
      69.      1795
      70.      1796
      71.      1797
      72.      1798
      73.      1799
      74.      1800
      75.      1801
      76.      1802
      77.      1803
      78.      1804
      79.      1805
  29.   1806
    1.     1807
    2.     1808
    3.     1809
      1.      1810
    4.     1811
    5.     1812
      1.      1813
      2.      1814
      3.      1815
      4.      1816
      5.      1817
      6.      1818
      7.      1819
      8.      1820
      9.      1821
      10.      1822
      11.      1823
      12.      1824
      13.      1825
      14.      1826
      15.      1827
      16.      1828
      17.      1829
      18.      1830
      19.      1831
      20.      1832
  30.   1833

Interface Configuration

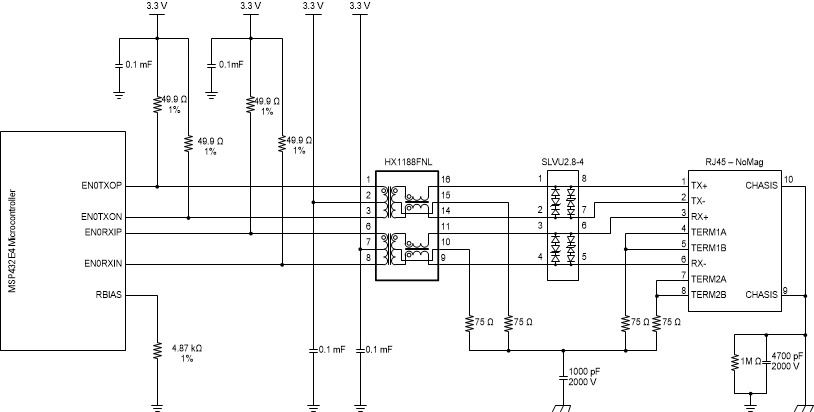
Figure 15-15 shows the proper method for interfacing the Ethernet Controller to a 10/100BASE-T Ethernet jack.

Snowflake_Magnetics.gifFigure 15-15 Interface to Ethernet Jack

The Ethernet PHY is designed to work with transformers that meet the IEEE 802.3 standard. To utilize the Auto-MDIX (AMDIX) capability of the Ethernet PHY, a symmetrical transformer is recommended. The Pulse HX1188 transformer has been tested and is known to successfully interface to the Ethernet PHY.

NOTE

If the PHY is not to be used, then the EN0RXIN / EN0TX0N EN0RXIP / EN0TX0P pair should be left unconnected and the RBIAS pin should be unconnected as well.

NOTE

When entering hibernation in VDD3ON mode, the supply rails to the Ethernet resistors R1, R2, R3, R4 found in Figure 15-15 must be switched off.