SPRUIM2H May   2020  â€“ October 2023 AM2431 , AM2432 , AM2434 , AM6411 , AM6412 , AM6421 , AM6422 , AM6441 , AM6442

 

  1.   1
  2.   Read This First
    1.     About This Manual
    2.     Glossary
    3.     Related Documentation From Texas Instruments
    4.     6
    5.     Support Resources
    6.     Trademarks
    7.     Export Control Notice
  3. Introduction
    1. 1.1 Device Overview
    2.     12
    3. 1.2 Functional Block Diagram
      1. 1.2.1 Module Allocation and Instances within Device Domains
    4. 1.3 Device MAIN Domain
      1. 1.3.1  Arm Cortex-A53 Subsystem (A53SS)
      2.      Arm Cortex-R5F Processor (R5FSS)
      3. 1.3.2  Programmable Real-Time Unit and Industrial Communication Subsystem - Gigabit (PRU_ICSSG)
      4. 1.3.3  DDR 16-bit Subsystem (DDR16)
      5. 1.3.4  Region-based Address Translation Module (RAT)
      6. 1.3.5  Data Movement Subsystem (DMSS)
      7. 1.3.6  Mailbox (MAILBOX)
      8. 1.3.7  Spinlock (SPINLOCK)
      9. 1.3.8  Analog-to-Digital Converter (ADC)
      10. 1.3.9  General Purpose Input/Output Interface (GPIO)
      11. 1.3.10 Inter-Integrated Circuit Interface (I2C)
      12. 1.3.11 Serial Peripheral Interface (SPI)
      13. 1.3.12 Universal Asynchronous Receiver/Transmitter (UART)
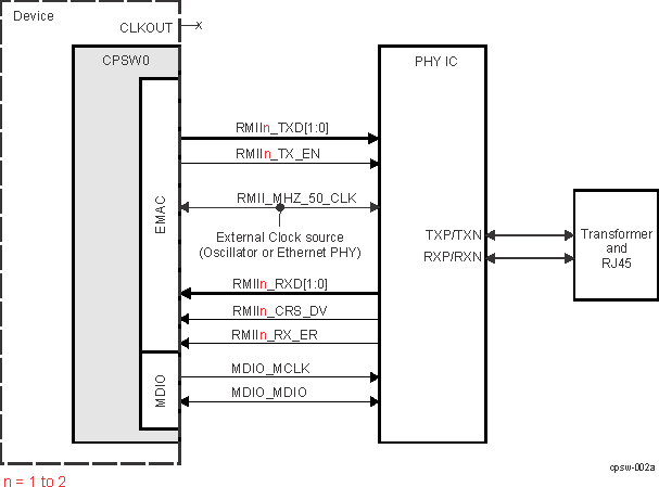
      14. 1.3.13 3-port Gigabit Ethernet Switch (CPSW3G)
      15. 1.3.14 Peripheral Component Interconnect Express Subsystem (PCIE)
      16. 1.3.15 Serializer/Deserializer (SERDES)
      17. 1.3.16 Universal Serial Bus 3.1 Subsystem (USBSS)
      18. 1.3.17 General Purpose Memory Controller (GPMC)
      19. 1.3.18 Error Location Module (ELM)
      20. 1.3.19 Flash Subsystem (FSS) with Octal Serial Peripheral Interface (OSPI)
      21. 1.3.20 Multi-Media Card/Secure Digital Interface (MMCSD)
      22. 1.3.21 Enhanced Capture Module (ECAP)
      23. 1.3.22 Enhanced Pulse-Width Modulation Module (EPWM)
      24. 1.3.23 Enhanced Quadrature Encoder Pulse Module (EQEP)
      25. 1.3.24 Controller Area Network (MCAN)
      26. 1.3.25 Fast Serial Interface Receiver (FSI_RX)
      27. 1.3.26 Fast Serial Interface Transmitter (FSI_TX)
      28. 1.3.27 Timers
      29. 1.3.28 Internal Diagnostics Modules
    5. 1.4 Device MCU Domain
      1. 1.4.1 MCU Arm Cortex M4F Subsystem (MCU_M4FSS)
      2. 1.4.2 MCU General Purpose Input/Output Interface (MCU_GPIO)
      3. 1.4.3 MCU Inter-Integrated Circuit Interface (MCU_I2C)
      4. 1.4.4 MCU Multi-channel Serial Peripheral Interface (MCU_SPI)
      5. 1.4.5 MCU Universal Asynchronous Receiver/Transmitter (MCU_UART)
      6. 1.4.6 MCU Timers
      7. 1.4.7 MCU Internal Diagnostics Modules
    6. 1.5 Device Identification
  4. Memory Map
    1. 2.1 MAIN Domain Memory Map
    2. 2.2 MCU Domain Memory Map
    3. 2.3 Processors View Memory Map
    4. 2.4 Region-based Address Translation
  5. System Interconnect
    1. 3.1  Terminology
    2. 3.2  System Interconnect Overview
    3. 3.3  Initiator/Target Connectivity
    4. 3.4  Interrupt Condition for Interconnect
    5. 3.5  IO Coherency Support
    6. 3.6  Quality of Service (QoS) Block
      1.      66
    7. 3.7  Route ID
      1.      68
    8. 3.8  ISC and Firewall
      1. 3.8.1 Initiator-Side Security Controls (ISC)
        1.       71
        2. 3.8.1.1 ISC MMR
      2. 3.8.2 Transaction Attributes for BCDMA and PktDMA Transactions
      3. 3.8.3 Firewall Block
        1.       75
        2. 3.8.3.1 Region Based Firewall Programming
    9. 3.9  System Interconnect Integration
      1. 3.9.1 Interconnect Integration in MAIN/MCU Domain
    10. 3.10 System Interconnect Registers
      1. 3.10.1 CBASS Registers
        1. 3.10.1.1    ERR_PID Registers
        2. 3.10.1.2    ERR_DESTINATION_ID Registers
        3. 3.10.1.3    ERR_EXCEPTION_LOGGING_HEADER0 Registers
        4. 3.10.1.4    ERR_EXCEPTION_LOGGING_HEADER1 Registers
        5. 3.10.1.5    ERR_EXCEPTION_LOGGING_DATA0 Registers
        6. 3.10.1.6    ERR_EXCEPTION_LOGGING_DATA1 Registers
        7. 3.10.1.7    ERR_EXCEPTION_LOGGING_DATA2 Registers
        8. 3.10.1.8    ERR_EXCEPTION_LOGGING_DATA3 Registers
        9. 3.10.1.9    ERR_ERR_INTR_RAW_STAT Registers
        10. 3.10.1.10   ERR_ERR_INTR_ENABLED_STAT Registers
        11. 3.10.1.11   ERR_ERR_INTR_ENABLE_SET Registers
        12. 3.10.1.12   ERR_ERR_INTR_ENABLE_CLR Registers
        13. 3.10.1.13   ERR_EOI Registers
        14. 3.10.1.14   FW_ISAM64_DDR_WRAP_MAIN_0_DDRSS_FW_REGION_0_CONTROL Registers
        15. 3.10.1.15   FW_ISAM64_DDR_WRAP_MAIN_0_DDRSS_FW_REGION_0_PERMISSION_0 Registers
        16. 3.10.1.16   FW_ISAM64_DDR_WRAP_MAIN_0_DDRSS_FW_REGION_0_PERMISSION_1 Registers
        17. 3.10.1.17   FW_ISAM64_DDR_WRAP_MAIN_0_DDRSS_FW_REGION_0_PERMISSION_2 Registers
        18. 3.10.1.18   FW_ISAM64_DDR_WRAP_MAIN_0_DDRSS_FW_REGION_0_START_ADDRESS_L Registers
        19. 3.10.1.19   FW_ISAM64_DDR_WRAP_MAIN_0_DDRSS_FW_REGION_0_START_ADDRESS_H Registers
        20. 3.10.1.20   FW_ISAM64_DDR_WRAP_MAIN_0_DDRSS_FW_REGION_0_END_ADDRESS_L Registers
        21. 3.10.1.21   FW_ISAM64_DDR_WRAP_MAIN_0_DDRSS_FW_REGION_0_END_ADDRESS_H Registers
        22. 3.10.1.22   FW_ISAM64_DDR_WRAP_MAIN_0_DDRSS_FW_REGION_1_CONTROL Registers
        23. 3.10.1.23   FW_ISAM64_DDR_WRAP_MAIN_0_DDRSS_FW_REGION_1_PERMISSION_0 Registers
        24. 3.10.1.24   FW_ISAM64_DDR_WRAP_MAIN_0_DDRSS_FW_REGION_1_PERMISSION_1 Registers
        25. 3.10.1.25   FW_ISAM64_DDR_WRAP_MAIN_0_DDRSS_FW_REGION_1_PERMISSION_2 Registers
        26. 3.10.1.26   FW_ISAM64_DDR_WRAP_MAIN_0_DDRSS_FW_REGION_1_START_ADDRESS_L Registers
        27. 3.10.1.27   FW_ISAM64_DDR_WRAP_MAIN_0_DDRSS_FW_REGION_1_START_ADDRESS_H Registers
        28. 3.10.1.28   FW_ISAM64_DDR_WRAP_MAIN_0_DDRSS_FW_REGION_1_END_ADDRESS_L Registers
        29. 3.10.1.29   FW_ISAM64_DDR_WRAP_MAIN_0_DDRSS_FW_REGION_1_END_ADDRESS_H Registers
        30. 3.10.1.30   FW_ISAM64_DDR_WRAP_MAIN_0_DDRSS_FW_REGION_2_CONTROL Registers
        31. 3.10.1.31   FW_ISAM64_DDR_WRAP_MAIN_0_DDRSS_FW_REGION_2_PERMISSION_0 Registers
        32. 3.10.1.32   FW_ISAM64_DDR_WRAP_MAIN_0_DDRSS_FW_REGION_2_PERMISSION_1 Registers
        33. 3.10.1.33   FW_ISAM64_DDR_WRAP_MAIN_0_DDRSS_FW_REGION_2_PERMISSION_2 Registers
        34. 3.10.1.34   FW_ISAM64_DDR_WRAP_MAIN_0_DDRSS_FW_REGION_2_START_ADDRESS_L Registers
        35. 3.10.1.35   FW_ISAM64_DDR_WRAP_MAIN_0_DDRSS_FW_REGION_2_START_ADDRESS_H Registers
        36. 3.10.1.36   FW_ISAM64_DDR_WRAP_MAIN_0_DDRSS_FW_REGION_2_END_ADDRESS_L Registers
        37. 3.10.1.37   FW_ISAM64_DDR_WRAP_MAIN_0_DDRSS_FW_REGION_2_END_ADDRESS_H Registers
        38. 3.10.1.38   FW_ISAM64_DDR_WRAP_MAIN_0_DDRSS_FW_REGION_3_CONTROL Registers
        39. 3.10.1.39   FW_ISAM64_DDR_WRAP_MAIN_0_DDRSS_FW_REGION_3_PERMISSION_0 Registers
        40. 3.10.1.40   FW_ISAM64_DDR_WRAP_MAIN_0_DDRSS_FW_REGION_3_PERMISSION_1 Registers
        41. 3.10.1.41   FW_ISAM64_DDR_WRAP_MAIN_0_DDRSS_FW_REGION_3_PERMISSION_2 Registers
        42. 3.10.1.42   FW_ISAM64_DDR_WRAP_MAIN_0_DDRSS_FW_REGION_3_START_ADDRESS_L Registers
        43. 3.10.1.43   FW_ISAM64_DDR_WRAP_MAIN_0_DDRSS_FW_REGION_3_START_ADDRESS_H Registers
        44. 3.10.1.44   FW_ISAM64_DDR_WRAP_MAIN_0_DDRSS_FW_REGION_3_END_ADDRESS_L Registers
        45. 3.10.1.45   FW_ISAM64_DDR_WRAP_MAIN_0_DDRSS_FW_REGION_3_END_ADDRESS_H Registers
        46. 3.10.1.46   FW_ISAM64_DDR_WRAP_MAIN_0_DDRSS_FW_REGION_4_CONTROL Registers
        47. 3.10.1.47   FW_ISAM64_DDR_WRAP_MAIN_0_DDRSS_FW_REGION_4_PERMISSION_0 Registers
        48. 3.10.1.48   FW_ISAM64_DDR_WRAP_MAIN_0_DDRSS_FW_REGION_4_PERMISSION_1 Registers
        49. 3.10.1.49   FW_ISAM64_DDR_WRAP_MAIN_0_DDRSS_FW_REGION_4_PERMISSION_2 Registers
        50. 3.10.1.50   FW_ISAM64_DDR_WRAP_MAIN_0_DDRSS_FW_REGION_4_START_ADDRESS_L Registers
        51. 3.10.1.51   FW_ISAM64_DDR_WRAP_MAIN_0_DDRSS_FW_REGION_4_START_ADDRESS_H Registers
        52. 3.10.1.52   FW_ISAM64_DDR_WRAP_MAIN_0_DDRSS_FW_REGION_4_END_ADDRESS_L Registers
        53. 3.10.1.53   FW_ISAM64_DDR_WRAP_MAIN_0_DDRSS_FW_REGION_4_END_ADDRESS_H Registers
        54. 3.10.1.54   FW_ISAM64_DDR_WRAP_MAIN_0_DDRSS_FW_REGION_5_CONTROL Registers
        55. 3.10.1.55   FW_ISAM64_DDR_WRAP_MAIN_0_DDRSS_FW_REGION_5_PERMISSION_0 Registers
        56. 3.10.1.56   FW_ISAM64_DDR_WRAP_MAIN_0_DDRSS_FW_REGION_5_PERMISSION_1 Registers
        57. 3.10.1.57   FW_ISAM64_DDR_WRAP_MAIN_0_DDRSS_FW_REGION_5_PERMISSION_2 Registers
        58. 3.10.1.58   FW_ISAM64_DDR_WRAP_MAIN_0_DDRSS_FW_REGION_5_START_ADDRESS_L Registers
        59. 3.10.1.59   FW_ISAM64_DDR_WRAP_MAIN_0_DDRSS_FW_REGION_5_START_ADDRESS_H Registers
        60. 3.10.1.60   FW_ISAM64_DDR_WRAP_MAIN_0_DDRSS_FW_REGION_5_END_ADDRESS_L Registers
        61. 3.10.1.61   FW_ISAM64_DDR_WRAP_MAIN_0_DDRSS_FW_REGION_5_END_ADDRESS_H Registers
        62. 3.10.1.62   FW_ISAM64_DDR_WRAP_MAIN_0_DDRSS_FW_REGION_6_CONTROL Registers
        63. 3.10.1.63   FW_ISAM64_DDR_WRAP_MAIN_0_DDRSS_FW_REGION_6_PERMISSION_0 Registers
        64. 3.10.1.64   FW_ISAM64_DDR_WRAP_MAIN_0_DDRSS_FW_REGION_6_PERMISSION_1 Registers
        65. 3.10.1.65   FW_ISAM64_DDR_WRAP_MAIN_0_DDRSS_FW_REGION_6_PERMISSION_2 Registers
        66. 3.10.1.66   FW_ISAM64_DDR_WRAP_MAIN_0_DDRSS_FW_REGION_6_START_ADDRESS_L Registers
        67. 3.10.1.67   FW_ISAM64_DDR_WRAP_MAIN_0_DDRSS_FW_REGION_6_START_ADDRESS_H Registers
        68. 3.10.1.68   FW_ISAM64_DDR_WRAP_MAIN_0_DDRSS_FW_REGION_6_END_ADDRESS_L Registers
        69. 3.10.1.69   FW_ISAM64_DDR_WRAP_MAIN_0_DDRSS_FW_REGION_6_END_ADDRESS_H Registers
        70. 3.10.1.70   FW_ISAM64_DDR_WRAP_MAIN_0_DDRSS_FW_REGION_7_CONTROL Registers
        71. 3.10.1.71   FW_ISAM64_DDR_WRAP_MAIN_0_DDRSS_FW_REGION_7_PERMISSION_0 Registers
        72. 3.10.1.72   FW_ISAM64_DDR_WRAP_MAIN_0_DDRSS_FW_REGION_7_PERMISSION_1 Registers
        73. 3.10.1.73   FW_ISAM64_DDR_WRAP_MAIN_0_DDRSS_FW_REGION_7_PERMISSION_2 Registers
        74. 3.10.1.74   FW_ISAM64_DDR_WRAP_MAIN_0_DDRSS_FW_REGION_7_START_ADDRESS_L Registers
        75. 3.10.1.75   FW_ISAM64_DDR_WRAP_MAIN_0_DDRSS_FW_REGION_7_START_ADDRESS_H Registers
        76. 3.10.1.76   FW_ISAM64_DDR_WRAP_MAIN_0_DDRSS_FW_REGION_7_END_ADDRESS_L Registers
        77. 3.10.1.77   FW_ISAM64_DDR_WRAP_MAIN_0_DDRSS_FW_REGION_7_END_ADDRESS_H Registers
        78. 3.10.1.78   FW_ISAM64_A53_256KB_WRAP_MAIN_0_A53_DUAL_WRAP_CBA_ACP_W_FW_REGION_0_CONTROL Registers
        79. 3.10.1.79   FW_ISAM64_A53_256KB_WRAP_MAIN_0_A53_DUAL_WRAP_CBA_ACP_W_FW_REGION_0_PERMISSION_0 Registers
        80. 3.10.1.80   FW_ISAM64_A53_256KB_WRAP_MAIN_0_A53_DUAL_WRAP_CBA_ACP_W_FW_REGION_0_PERMISSION_1 Registers
        81. 3.10.1.81   FW_ISAM64_A53_256KB_WRAP_MAIN_0_A53_DUAL_WRAP_CBA_ACP_W_FW_REGION_0_PERMISSION_2 Registers
        82. 3.10.1.82   FW_ISAM64_A53_256KB_WRAP_MAIN_0_A53_DUAL_WRAP_CBA_ACP_W_FW_REGION_0_START_ADDRESS_L Registers
        83. 3.10.1.83   FW_ISAM64_A53_256KB_WRAP_MAIN_0_A53_DUAL_WRAP_CBA_ACP_W_FW_REGION_0_START_ADDRESS_H Registers
        84. 3.10.1.84   FW_ISAM64_A53_256KB_WRAP_MAIN_0_A53_DUAL_WRAP_CBA_ACP_W_FW_REGION_0_END_ADDRESS_L Registers
        85. 3.10.1.85   FW_ISAM64_A53_256KB_WRAP_MAIN_0_A53_DUAL_WRAP_CBA_ACP_W_FW_REGION_0_END_ADDRESS_H Registers
        86. 3.10.1.86   FW_ISAM64_A53_256KB_WRAP_MAIN_0_A53_DUAL_WRAP_CBA_ACP_W_FW_REGION_1_CONTROL Registers
        87. 3.10.1.87   FW_ISAM64_A53_256KB_WRAP_MAIN_0_A53_DUAL_WRAP_CBA_ACP_W_FW_REGION_1_PERMISSION_0 Registers
        88. 3.10.1.88   FW_ISAM64_A53_256KB_WRAP_MAIN_0_A53_DUAL_WRAP_CBA_ACP_W_FW_REGION_1_PERMISSION_1 Registers
        89. 3.10.1.89   FW_ISAM64_A53_256KB_WRAP_MAIN_0_A53_DUAL_WRAP_CBA_ACP_W_FW_REGION_1_PERMISSION_2 Registers
        90. 3.10.1.90   FW_ISAM64_A53_256KB_WRAP_MAIN_0_A53_DUAL_WRAP_CBA_ACP_W_FW_REGION_1_START_ADDRESS_L Registers
        91. 3.10.1.91   FW_ISAM64_A53_256KB_WRAP_MAIN_0_A53_DUAL_WRAP_CBA_ACP_W_FW_REGION_1_START_ADDRESS_H Registers
        92. 3.10.1.92   FW_ISAM64_A53_256KB_WRAP_MAIN_0_A53_DUAL_WRAP_CBA_ACP_W_FW_REGION_1_END_ADDRESS_L Registers
        93. 3.10.1.93   FW_ISAM64_A53_256KB_WRAP_MAIN_0_A53_DUAL_WRAP_CBA_ACP_W_FW_REGION_1_END_ADDRESS_H Registers
        94. 3.10.1.94   FW_ISAM64_A53_256KB_WRAP_MAIN_0_A53_DUAL_WRAP_CBA_ACP_W_FW_REGION_2_CONTROL Registers
        95. 3.10.1.95   FW_ISAM64_A53_256KB_WRAP_MAIN_0_A53_DUAL_WRAP_CBA_ACP_W_FW_REGION_2_PERMISSION_0 Registers
        96. 3.10.1.96   FW_ISAM64_A53_256KB_WRAP_MAIN_0_A53_DUAL_WRAP_CBA_ACP_W_FW_REGION_2_PERMISSION_1 Registers
        97. 3.10.1.97   FW_ISAM64_A53_256KB_WRAP_MAIN_0_A53_DUAL_WRAP_CBA_ACP_W_FW_REGION_2_PERMISSION_2 Registers
        98. 3.10.1.98   FW_ISAM64_A53_256KB_WRAP_MAIN_0_A53_DUAL_WRAP_CBA_ACP_W_FW_REGION_2_START_ADDRESS_L Registers
        99. 3.10.1.99   FW_ISAM64_A53_256KB_WRAP_MAIN_0_A53_DUAL_WRAP_CBA_ACP_W_FW_REGION_2_START_ADDRESS_H Registers
        100. 3.10.1.100  FW_ISAM64_A53_256KB_WRAP_MAIN_0_A53_DUAL_WRAP_CBA_ACP_W_FW_REGION_2_END_ADDRESS_L Registers
        101. 3.10.1.101  FW_ISAM64_A53_256KB_WRAP_MAIN_0_A53_DUAL_WRAP_CBA_ACP_W_FW_REGION_2_END_ADDRESS_H Registers
        102. 3.10.1.102  FW_ISAM64_A53_256KB_WRAP_MAIN_0_A53_DUAL_WRAP_CBA_ACP_W_FW_REGION_3_CONTROL Registers
        103. 3.10.1.103  FW_ISAM64_A53_256KB_WRAP_MAIN_0_A53_DUAL_WRAP_CBA_ACP_W_FW_REGION_3_PERMISSION_0 Registers
        104. 3.10.1.104  FW_ISAM64_A53_256KB_WRAP_MAIN_0_A53_DUAL_WRAP_CBA_ACP_W_FW_REGION_3_PERMISSION_1 Registers
        105. 3.10.1.105  FW_ISAM64_A53_256KB_WRAP_MAIN_0_A53_DUAL_WRAP_CBA_ACP_W_FW_REGION_3_PERMISSION_2 Registers
        106. 3.10.1.106  FW_ISAM64_A53_256KB_WRAP_MAIN_0_A53_DUAL_WRAP_CBA_ACP_W_FW_REGION_3_START_ADDRESS_L Registers
        107. 3.10.1.107  FW_ISAM64_A53_256KB_WRAP_MAIN_0_A53_DUAL_WRAP_CBA_ACP_W_FW_REGION_3_START_ADDRESS_H Registers
        108. 3.10.1.108  FW_ISAM64_A53_256KB_WRAP_MAIN_0_A53_DUAL_WRAP_CBA_ACP_W_FW_REGION_3_END_ADDRESS_L Registers
        109. 3.10.1.109  FW_ISAM64_A53_256KB_WRAP_MAIN_0_A53_DUAL_WRAP_CBA_ACP_W_FW_REGION_3_END_ADDRESS_H Registers
        110. 3.10.1.110  FW_ISAM64_A53_256KB_WRAP_MAIN_0_A53_DUAL_WRAP_CBA_ACP_W_FW_REGION_4_CONTROL Registers
        111. 3.10.1.111  FW_ISAM64_A53_256KB_WRAP_MAIN_0_A53_DUAL_WRAP_CBA_ACP_W_FW_REGION_4_PERMISSION_0 Registers
        112. 3.10.1.112  FW_ISAM64_A53_256KB_WRAP_MAIN_0_A53_DUAL_WRAP_CBA_ACP_W_FW_REGION_4_PERMISSION_1 Registers
        113. 3.10.1.113  FW_ISAM64_A53_256KB_WRAP_MAIN_0_A53_DUAL_WRAP_CBA_ACP_W_FW_REGION_4_PERMISSION_2 Registers
        114. 3.10.1.114  FW_ISAM64_A53_256KB_WRAP_MAIN_0_A53_DUAL_WRAP_CBA_ACP_W_FW_REGION_4_START_ADDRESS_L Registers
        115. 3.10.1.115  FW_ISAM64_A53_256KB_WRAP_MAIN_0_A53_DUAL_WRAP_CBA_ACP_W_FW_REGION_4_START_ADDRESS_H Registers
        116. 3.10.1.116  FW_ISAM64_A53_256KB_WRAP_MAIN_0_A53_DUAL_WRAP_CBA_ACP_W_FW_REGION_4_END_ADDRESS_L Registers
        117. 3.10.1.117  FW_ISAM64_A53_256KB_WRAP_MAIN_0_A53_DUAL_WRAP_CBA_ACP_W_FW_REGION_4_END_ADDRESS_H Registers
        118. 3.10.1.118  FW_ISAM64_A53_256KB_WRAP_MAIN_0_A53_DUAL_WRAP_CBA_ACP_W_FW_REGION_5_CONTROL Registers
        119. 3.10.1.119  FW_ISAM64_A53_256KB_WRAP_MAIN_0_A53_DUAL_WRAP_CBA_ACP_W_FW_REGION_5_PERMISSION_0 Registers
        120. 3.10.1.120  FW_ISAM64_A53_256KB_WRAP_MAIN_0_A53_DUAL_WRAP_CBA_ACP_W_FW_REGION_5_PERMISSION_1 Registers
        121. 3.10.1.121  FW_ISAM64_A53_256KB_WRAP_MAIN_0_A53_DUAL_WRAP_CBA_ACP_W_FW_REGION_5_PERMISSION_2 Registers
        122. 3.10.1.122  FW_ISAM64_A53_256KB_WRAP_MAIN_0_A53_DUAL_WRAP_CBA_ACP_W_FW_REGION_5_START_ADDRESS_L Registers
        123. 3.10.1.123  FW_ISAM64_A53_256KB_WRAP_MAIN_0_A53_DUAL_WRAP_CBA_ACP_W_FW_REGION_5_START_ADDRESS_H Registers
        124. 3.10.1.124  FW_ISAM64_A53_256KB_WRAP_MAIN_0_A53_DUAL_WRAP_CBA_ACP_W_FW_REGION_5_END_ADDRESS_L Registers
        125. 3.10.1.125  FW_ISAM64_A53_256KB_WRAP_MAIN_0_A53_DUAL_WRAP_CBA_ACP_W_FW_REGION_5_END_ADDRESS_H Registers
        126. 3.10.1.126  FW_ISAM64_A53_256KB_WRAP_MAIN_0_A53_DUAL_WRAP_CBA_ACP_W_FW_REGION_6_CONTROL Registers
        127. 3.10.1.127  FW_ISAM64_A53_256KB_WRAP_MAIN_0_A53_DUAL_WRAP_CBA_ACP_W_FW_REGION_6_PERMISSION_0 Registers
        128. 3.10.1.128  FW_ISAM64_A53_256KB_WRAP_MAIN_0_A53_DUAL_WRAP_CBA_ACP_W_FW_REGION_6_PERMISSION_1 Registers
        129. 3.10.1.129  FW_ISAM64_A53_256KB_WRAP_MAIN_0_A53_DUAL_WRAP_CBA_ACP_W_FW_REGION_6_PERMISSION_2 Registers
        130. 3.10.1.130  FW_ISAM64_A53_256KB_WRAP_MAIN_0_A53_DUAL_WRAP_CBA_ACP_W_FW_REGION_6_START_ADDRESS_L Registers
        131. 3.10.1.131  FW_ISAM64_A53_256KB_WRAP_MAIN_0_A53_DUAL_WRAP_CBA_ACP_W_FW_REGION_6_START_ADDRESS_H Registers
        132. 3.10.1.132  FW_ISAM64_A53_256KB_WRAP_MAIN_0_A53_DUAL_WRAP_CBA_ACP_W_FW_REGION_6_END_ADDRESS_L Registers
        133. 3.10.1.133  FW_ISAM64_A53_256KB_WRAP_MAIN_0_A53_DUAL_WRAP_CBA_ACP_W_FW_REGION_6_END_ADDRESS_H Registers
        134. 3.10.1.134  FW_ISAM64_A53_256KB_WRAP_MAIN_0_A53_DUAL_WRAP_CBA_ACP_W_FW_REGION_7_CONTROL Registers
        135. 3.10.1.135  FW_ISAM64_A53_256KB_WRAP_MAIN_0_A53_DUAL_WRAP_CBA_ACP_W_FW_REGION_7_PERMISSION_0 Registers
        136. 3.10.1.136  FW_ISAM64_A53_256KB_WRAP_MAIN_0_A53_DUAL_WRAP_CBA_ACP_W_FW_REGION_7_PERMISSION_1 Registers
        137. 3.10.1.137  FW_ISAM64_A53_256KB_WRAP_MAIN_0_A53_DUAL_WRAP_CBA_ACP_W_FW_REGION_7_PERMISSION_2 Registers
        138. 3.10.1.138  FW_ISAM64_A53_256KB_WRAP_MAIN_0_A53_DUAL_WRAP_CBA_ACP_W_FW_REGION_7_START_ADDRESS_L Registers
        139. 3.10.1.139  FW_ISAM64_A53_256KB_WRAP_MAIN_0_A53_DUAL_WRAP_CBA_ACP_W_FW_REGION_7_START_ADDRESS_H Registers
        140. 3.10.1.140  FW_ISAM64_A53_256KB_WRAP_MAIN_0_A53_DUAL_WRAP_CBA_ACP_W_FW_REGION_7_END_ADDRESS_L Registers
        141. 3.10.1.141  FW_ISAM64_A53_256KB_WRAP_MAIN_0_A53_DUAL_WRAP_CBA_ACP_W_FW_REGION_7_END_ADDRESS_H Registers
        142. 3.10.1.142  FW_IMSRAM32KX64E_MAIN_0_SLV_FW_REGION_0_CONTROL Registers
        143. 3.10.1.143  FW_IMSRAM32KX64E_MAIN_0_SLV_FW_REGION_0_PERMISSION_0 Registers
        144. 3.10.1.144  FW_IMSRAM32KX64E_MAIN_0_SLV_FW_REGION_0_PERMISSION_1 Registers
        145. 3.10.1.145  FW_IMSRAM32KX64E_MAIN_0_SLV_FW_REGION_0_PERMISSION_2 Registers
        146. 3.10.1.146  FW_IMSRAM32KX64E_MAIN_0_SLV_FW_REGION_0_START_ADDRESS_L Registers
        147. 3.10.1.147  FW_IMSRAM32KX64E_MAIN_0_SLV_FW_REGION_0_START_ADDRESS_H Registers
        148. 3.10.1.148  FW_IMSRAM32KX64E_MAIN_0_SLV_FW_REGION_0_END_ADDRESS_L Registers
        149. 3.10.1.149  FW_IMSRAM32KX64E_MAIN_0_SLV_FW_REGION_0_END_ADDRESS_H Registers
        150. 3.10.1.150  FW_IMSRAM32KX64E_MAIN_0_SLV_FW_REGION_1_CONTROL Registers
        151. 3.10.1.151  FW_IMSRAM32KX64E_MAIN_0_SLV_FW_REGION_1_PERMISSION_0 Registers
        152. 3.10.1.152  FW_IMSRAM32KX64E_MAIN_0_SLV_FW_REGION_1_PERMISSION_1 Registers
        153. 3.10.1.153  FW_IMSRAM32KX64E_MAIN_0_SLV_FW_REGION_1_PERMISSION_2 Registers
        154. 3.10.1.154  FW_IMSRAM32KX64E_MAIN_0_SLV_FW_REGION_1_START_ADDRESS_L Registers
        155. 3.10.1.155  FW_IMSRAM32KX64E_MAIN_0_SLV_FW_REGION_1_START_ADDRESS_H Registers
        156. 3.10.1.156  FW_IMSRAM32KX64E_MAIN_0_SLV_FW_REGION_1_END_ADDRESS_L Registers
        157. 3.10.1.157  FW_IMSRAM32KX64E_MAIN_0_SLV_FW_REGION_1_END_ADDRESS_H Registers
        158. 3.10.1.158  FW_IMSRAM32KX64E_MAIN_0_SLV_FW_REGION_2_CONTROL Registers
        159. 3.10.1.159  FW_IMSRAM32KX64E_MAIN_0_SLV_FW_REGION_2_PERMISSION_0 Registers
        160. 3.10.1.160  FW_IMSRAM32KX64E_MAIN_0_SLV_FW_REGION_2_PERMISSION_1 Registers
        161. 3.10.1.161  FW_IMSRAM32KX64E_MAIN_0_SLV_FW_REGION_2_PERMISSION_2 Registers
        162. 3.10.1.162  FW_IMSRAM32KX64E_MAIN_0_SLV_FW_REGION_2_START_ADDRESS_L Registers
        163. 3.10.1.163  FW_IMSRAM32KX64E_MAIN_0_SLV_FW_REGION_2_START_ADDRESS_H Registers
        164. 3.10.1.164  FW_IMSRAM32KX64E_MAIN_0_SLV_FW_REGION_2_END_ADDRESS_L Registers
        165. 3.10.1.165  FW_IMSRAM32KX64E_MAIN_0_SLV_FW_REGION_2_END_ADDRESS_H Registers
        166. 3.10.1.166  FW_IMSRAM32KX64E_MAIN_0_SLV_FW_REGION_3_CONTROL Registers
        167. 3.10.1.167  FW_IMSRAM32KX64E_MAIN_0_SLV_FW_REGION_3_PERMISSION_0 Registers
        168. 3.10.1.168  FW_IMSRAM32KX64E_MAIN_0_SLV_FW_REGION_3_PERMISSION_1 Registers
        169. 3.10.1.169  FW_IMSRAM32KX64E_MAIN_0_SLV_FW_REGION_3_PERMISSION_2 Registers
        170. 3.10.1.170  FW_IMSRAM32KX64E_MAIN_0_SLV_FW_REGION_3_START_ADDRESS_L Registers
        171. 3.10.1.171  FW_IMSRAM32KX64E_MAIN_0_SLV_FW_REGION_3_START_ADDRESS_H Registers
        172. 3.10.1.172  FW_IMSRAM32KX64E_MAIN_0_SLV_FW_REGION_3_END_ADDRESS_L Registers
        173. 3.10.1.173  FW_IMSRAM32KX64E_MAIN_0_SLV_FW_REGION_3_END_ADDRESS_H Registers
        174. 3.10.1.174  FW_IMSRAM32KX64E_MAIN_1_SLV_FW_REGION_0_CONTROL Registers
        175. 3.10.1.175  FW_IMSRAM32KX64E_MAIN_1_SLV_FW_REGION_0_PERMISSION_0 Registers
        176. 3.10.1.176  FW_IMSRAM32KX64E_MAIN_1_SLV_FW_REGION_0_PERMISSION_1 Registers
        177. 3.10.1.177  FW_IMSRAM32KX64E_MAIN_1_SLV_FW_REGION_0_PERMISSION_2 Registers
        178. 3.10.1.178  FW_IMSRAM32KX64E_MAIN_1_SLV_FW_REGION_0_START_ADDRESS_L Registers
        179. 3.10.1.179  FW_IMSRAM32KX64E_MAIN_1_SLV_FW_REGION_0_START_ADDRESS_H Registers
        180. 3.10.1.180  FW_IMSRAM32KX64E_MAIN_1_SLV_FW_REGION_0_END_ADDRESS_L Registers
        181. 3.10.1.181  FW_IMSRAM32KX64E_MAIN_1_SLV_FW_REGION_0_END_ADDRESS_H Registers
        182. 3.10.1.182  FW_IMSRAM32KX64E_MAIN_1_SLV_FW_REGION_1_CONTROL Registers
        183. 3.10.1.183  FW_IMSRAM32KX64E_MAIN_1_SLV_FW_REGION_1_PERMISSION_0 Registers
        184. 3.10.1.184  FW_IMSRAM32KX64E_MAIN_1_SLV_FW_REGION_1_PERMISSION_1 Registers
        185. 3.10.1.185  FW_IMSRAM32KX64E_MAIN_1_SLV_FW_REGION_1_PERMISSION_2 Registers
        186. 3.10.1.186  FW_IMSRAM32KX64E_MAIN_1_SLV_FW_REGION_1_START_ADDRESS_L Registers
        187. 3.10.1.187  FW_IMSRAM32KX64E_MAIN_1_SLV_FW_REGION_1_START_ADDRESS_H Registers
        188. 3.10.1.188  FW_IMSRAM32KX64E_MAIN_1_SLV_FW_REGION_1_END_ADDRESS_L Registers
        189. 3.10.1.189  FW_IMSRAM32KX64E_MAIN_1_SLV_FW_REGION_1_END_ADDRESS_H Registers
        190. 3.10.1.190  FW_IMSRAM32KX64E_MAIN_1_SLV_FW_REGION_2_CONTROL Registers
        191. 3.10.1.191  FW_IMSRAM32KX64E_MAIN_1_SLV_FW_REGION_2_PERMISSION_0 Registers
        192. 3.10.1.192  FW_IMSRAM32KX64E_MAIN_1_SLV_FW_REGION_2_PERMISSION_1 Registers
        193. 3.10.1.193  FW_IMSRAM32KX64E_MAIN_1_SLV_FW_REGION_2_PERMISSION_2 Registers
        194. 3.10.1.194  FW_IMSRAM32KX64E_MAIN_1_SLV_FW_REGION_2_START_ADDRESS_L Registers
        195. 3.10.1.195  FW_IMSRAM32KX64E_MAIN_1_SLV_FW_REGION_2_START_ADDRESS_H Registers
        196. 3.10.1.196  FW_IMSRAM32KX64E_MAIN_1_SLV_FW_REGION_2_END_ADDRESS_L Registers
        197. 3.10.1.197  FW_IMSRAM32KX64E_MAIN_1_SLV_FW_REGION_2_END_ADDRESS_H Registers
        198. 3.10.1.198  FW_IMSRAM32KX64E_MAIN_1_SLV_FW_REGION_3_CONTROL Registers
        199. 3.10.1.199  FW_IMSRAM32KX64E_MAIN_1_SLV_FW_REGION_3_PERMISSION_0 Registers
        200. 3.10.1.200  FW_IMSRAM32KX64E_MAIN_1_SLV_FW_REGION_3_PERMISSION_1 Registers
        201. 3.10.1.201  FW_IMSRAM32KX64E_MAIN_1_SLV_FW_REGION_3_PERMISSION_2 Registers
        202. 3.10.1.202  FW_IMSRAM32KX64E_MAIN_1_SLV_FW_REGION_3_START_ADDRESS_L Registers
        203. 3.10.1.203  FW_IMSRAM32KX64E_MAIN_1_SLV_FW_REGION_3_START_ADDRESS_H Registers
        204. 3.10.1.204  FW_IMSRAM32KX64E_MAIN_1_SLV_FW_REGION_3_END_ADDRESS_L Registers
        205. 3.10.1.205  FW_IMSRAM32KX64E_MAIN_1_SLV_FW_REGION_3_END_ADDRESS_H Registers
        206. 3.10.1.206  FW_IMSRAM32KX64E_MAIN_2_SLV_FW_REGION_0_CONTROL Registers
        207. 3.10.1.207  FW_IMSRAM32KX64E_MAIN_2_SLV_FW_REGION_0_PERMISSION_0 Registers
        208. 3.10.1.208  FW_IMSRAM32KX64E_MAIN_2_SLV_FW_REGION_0_PERMISSION_1 Registers
        209. 3.10.1.209  FW_IMSRAM32KX64E_MAIN_2_SLV_FW_REGION_0_PERMISSION_2 Registers
        210. 3.10.1.210  FW_IMSRAM32KX64E_MAIN_2_SLV_FW_REGION_0_START_ADDRESS_L Registers
        211. 3.10.1.211  FW_IMSRAM32KX64E_MAIN_2_SLV_FW_REGION_0_START_ADDRESS_H Registers
        212. 3.10.1.212  FW_IMSRAM32KX64E_MAIN_2_SLV_FW_REGION_0_END_ADDRESS_L Registers
        213. 3.10.1.213  FW_IMSRAM32KX64E_MAIN_2_SLV_FW_REGION_0_END_ADDRESS_H Registers
        214. 3.10.1.214  FW_IMSRAM32KX64E_MAIN_2_SLV_FW_REGION_1_CONTROL Registers
        215. 3.10.1.215  FW_IMSRAM32KX64E_MAIN_2_SLV_FW_REGION_1_PERMISSION_0 Registers
        216. 3.10.1.216  FW_IMSRAM32KX64E_MAIN_2_SLV_FW_REGION_1_PERMISSION_1 Registers
        217. 3.10.1.217  FW_IMSRAM32KX64E_MAIN_2_SLV_FW_REGION_1_PERMISSION_2 Registers
        218. 3.10.1.218  FW_IMSRAM32KX64E_MAIN_2_SLV_FW_REGION_1_START_ADDRESS_L Registers
        219. 3.10.1.219  FW_IMSRAM32KX64E_MAIN_2_SLV_FW_REGION_1_START_ADDRESS_H Registers
        220. 3.10.1.220  FW_IMSRAM32KX64E_MAIN_2_SLV_FW_REGION_1_END_ADDRESS_L Registers
        221. 3.10.1.221  FW_IMSRAM32KX64E_MAIN_2_SLV_FW_REGION_1_END_ADDRESS_H Registers
        222. 3.10.1.222  FW_IMSRAM32KX64E_MAIN_2_SLV_FW_REGION_2_CONTROL Registers
        223. 3.10.1.223  FW_IMSRAM32KX64E_MAIN_2_SLV_FW_REGION_2_PERMISSION_0 Registers
        224. 3.10.1.224  FW_IMSRAM32KX64E_MAIN_2_SLV_FW_REGION_2_PERMISSION_1 Registers
        225. 3.10.1.225  FW_IMSRAM32KX64E_MAIN_2_SLV_FW_REGION_2_PERMISSION_2 Registers
        226. 3.10.1.226  FW_IMSRAM32KX64E_MAIN_2_SLV_FW_REGION_2_START_ADDRESS_L Registers
        227. 3.10.1.227  FW_IMSRAM32KX64E_MAIN_2_SLV_FW_REGION_2_START_ADDRESS_H Registers
        228. 3.10.1.228  FW_IMSRAM32KX64E_MAIN_2_SLV_FW_REGION_2_END_ADDRESS_L Registers
        229. 3.10.1.229  FW_IMSRAM32KX64E_MAIN_2_SLV_FW_REGION_2_END_ADDRESS_H Registers
        230. 3.10.1.230  FW_IMSRAM32KX64E_MAIN_2_SLV_FW_REGION_3_CONTROL Registers
        231. 3.10.1.231  FW_IMSRAM32KX64E_MAIN_2_SLV_FW_REGION_3_PERMISSION_0 Registers
        232. 3.10.1.232  FW_IMSRAM32KX64E_MAIN_2_SLV_FW_REGION_3_PERMISSION_1 Registers
        233. 3.10.1.233  FW_IMSRAM32KX64E_MAIN_2_SLV_FW_REGION_3_PERMISSION_2 Registers
        234. 3.10.1.234  FW_IMSRAM32KX64E_MAIN_2_SLV_FW_REGION_3_START_ADDRESS_L Registers
        235. 3.10.1.235  FW_IMSRAM32KX64E_MAIN_2_SLV_FW_REGION_3_START_ADDRESS_H Registers
        236. 3.10.1.236  FW_IMSRAM32KX64E_MAIN_2_SLV_FW_REGION_3_END_ADDRESS_L Registers
        237. 3.10.1.237  FW_IMSRAM32KX64E_MAIN_2_SLV_FW_REGION_3_END_ADDRESS_H Registers
        238. 3.10.1.238  FW_IMSRAM32KX64E_MAIN_5_SLV_FW_REGION_0_CONTROL Registers
        239. 3.10.1.239  FW_IMSRAM32KX64E_MAIN_5_SLV_FW_REGION_0_PERMISSION_0 Registers
        240. 3.10.1.240  FW_IMSRAM32KX64E_MAIN_5_SLV_FW_REGION_0_PERMISSION_1 Registers
        241. 3.10.1.241  FW_IMSRAM32KX64E_MAIN_5_SLV_FW_REGION_0_PERMISSION_2 Registers
        242. 3.10.1.242  FW_IMSRAM32KX64E_MAIN_5_SLV_FW_REGION_0_START_ADDRESS_L Registers
        243. 3.10.1.243  FW_IMSRAM32KX64E_MAIN_5_SLV_FW_REGION_0_START_ADDRESS_H Registers
        244. 3.10.1.244  FW_IMSRAM32KX64E_MAIN_5_SLV_FW_REGION_0_END_ADDRESS_L Registers
        245. 3.10.1.245  FW_IMSRAM32KX64E_MAIN_5_SLV_FW_REGION_0_END_ADDRESS_H Registers
        246. 3.10.1.246  FW_IMSRAM32KX64E_MAIN_5_SLV_FW_REGION_1_CONTROL Registers
        247. 3.10.1.247  FW_IMSRAM32KX64E_MAIN_5_SLV_FW_REGION_1_PERMISSION_0 Registers
        248. 3.10.1.248  FW_IMSRAM32KX64E_MAIN_5_SLV_FW_REGION_1_PERMISSION_1 Registers
        249. 3.10.1.249  FW_IMSRAM32KX64E_MAIN_5_SLV_FW_REGION_1_PERMISSION_2 Registers
        250. 3.10.1.250  FW_IMSRAM32KX64E_MAIN_5_SLV_FW_REGION_1_START_ADDRESS_L Registers
        251. 3.10.1.251  FW_IMSRAM32KX64E_MAIN_5_SLV_FW_REGION_1_START_ADDRESS_H Registers
        252. 3.10.1.252  FW_IMSRAM32KX64E_MAIN_5_SLV_FW_REGION_1_END_ADDRESS_L Registers
        253. 3.10.1.253  FW_IMSRAM32KX64E_MAIN_5_SLV_FW_REGION_1_END_ADDRESS_H Registers
        254. 3.10.1.254  FW_IMSRAM32KX64E_MAIN_5_SLV_FW_REGION_2_CONTROL Registers
        255. 3.10.1.255  FW_IMSRAM32KX64E_MAIN_5_SLV_FW_REGION_2_PERMISSION_0 Registers
        256. 3.10.1.256  FW_IMSRAM32KX64E_MAIN_5_SLV_FW_REGION_2_PERMISSION_1 Registers
        257. 3.10.1.257  FW_IMSRAM32KX64E_MAIN_5_SLV_FW_REGION_2_PERMISSION_2 Registers
        258. 3.10.1.258  FW_IMSRAM32KX64E_MAIN_5_SLV_FW_REGION_2_START_ADDRESS_L Registers
        259. 3.10.1.259  FW_IMSRAM32KX64E_MAIN_5_SLV_FW_REGION_2_START_ADDRESS_H Registers
        260. 3.10.1.260  FW_IMSRAM32KX64E_MAIN_5_SLV_FW_REGION_2_END_ADDRESS_L Registers
        261. 3.10.1.261  FW_IMSRAM32KX64E_MAIN_5_SLV_FW_REGION_2_END_ADDRESS_H Registers
        262. 3.10.1.262  FW_IMSRAM32KX64E_MAIN_5_SLV_FW_REGION_3_CONTROL Registers
        263. 3.10.1.263  FW_IMSRAM32KX64E_MAIN_5_SLV_FW_REGION_3_PERMISSION_0 Registers
        264. 3.10.1.264  FW_IMSRAM32KX64E_MAIN_5_SLV_FW_REGION_3_PERMISSION_1 Registers
        265. 3.10.1.265  FW_IMSRAM32KX64E_MAIN_5_SLV_FW_REGION_3_PERMISSION_2 Registers
        266. 3.10.1.266  FW_IMSRAM32KX64E_MAIN_5_SLV_FW_REGION_3_START_ADDRESS_L Registers
        267. 3.10.1.267  FW_IMSRAM32KX64E_MAIN_5_SLV_FW_REGION_3_START_ADDRESS_H Registers
        268. 3.10.1.268  FW_IMSRAM32KX64E_MAIN_5_SLV_FW_REGION_3_END_ADDRESS_L Registers
        269. 3.10.1.269  FW_IMSRAM32KX64E_MAIN_5_SLV_FW_REGION_3_END_ADDRESS_H Registers
        270. 3.10.1.270  FW_IMSRAM32KX64E_MAIN_4_SLV_FW_REGION_0_CONTROL Registers
        271. 3.10.1.271  FW_IMSRAM32KX64E_MAIN_4_SLV_FW_REGION_0_PERMISSION_0 Registers
        272. 3.10.1.272  FW_IMSRAM32KX64E_MAIN_4_SLV_FW_REGION_0_PERMISSION_1 Registers
        273. 3.10.1.273  FW_IMSRAM32KX64E_MAIN_4_SLV_FW_REGION_0_PERMISSION_2 Registers
        274. 3.10.1.274  FW_IMSRAM32KX64E_MAIN_4_SLV_FW_REGION_0_START_ADDRESS_L Registers
        275. 3.10.1.275  FW_IMSRAM32KX64E_MAIN_4_SLV_FW_REGION_0_START_ADDRESS_H Registers
        276. 3.10.1.276  FW_IMSRAM32KX64E_MAIN_4_SLV_FW_REGION_0_END_ADDRESS_L Registers
        277. 3.10.1.277  FW_IMSRAM32KX64E_MAIN_4_SLV_FW_REGION_0_END_ADDRESS_H Registers
        278. 3.10.1.278  FW_IMSRAM32KX64E_MAIN_4_SLV_FW_REGION_1_CONTROL Registers
        279. 3.10.1.279  FW_IMSRAM32KX64E_MAIN_4_SLV_FW_REGION_1_PERMISSION_0 Registers
        280. 3.10.1.280  FW_IMSRAM32KX64E_MAIN_4_SLV_FW_REGION_1_PERMISSION_1 Registers
        281. 3.10.1.281  FW_IMSRAM32KX64E_MAIN_4_SLV_FW_REGION_1_PERMISSION_2 Registers
        282. 3.10.1.282  FW_IMSRAM32KX64E_MAIN_4_SLV_FW_REGION_1_START_ADDRESS_L Registers
        283. 3.10.1.283  FW_IMSRAM32KX64E_MAIN_4_SLV_FW_REGION_1_START_ADDRESS_H Registers
        284. 3.10.1.284  FW_IMSRAM32KX64E_MAIN_4_SLV_FW_REGION_1_END_ADDRESS_L Registers
        285. 3.10.1.285  FW_IMSRAM32KX64E_MAIN_4_SLV_FW_REGION_1_END_ADDRESS_H Registers
        286. 3.10.1.286  FW_IMSRAM32KX64E_MAIN_4_SLV_FW_REGION_2_CONTROL Registers
        287. 3.10.1.287  FW_IMSRAM32KX64E_MAIN_4_SLV_FW_REGION_2_PERMISSION_0 Registers
        288. 3.10.1.288  FW_IMSRAM32KX64E_MAIN_4_SLV_FW_REGION_2_PERMISSION_1 Registers
        289. 3.10.1.289  FW_IMSRAM32KX64E_MAIN_4_SLV_FW_REGION_2_PERMISSION_2 Registers
        290. 3.10.1.290  FW_IMSRAM32KX64E_MAIN_4_SLV_FW_REGION_2_START_ADDRESS_L Registers
        291. 3.10.1.291  FW_IMSRAM32KX64E_MAIN_4_SLV_FW_REGION_2_START_ADDRESS_H Registers
        292. 3.10.1.292  FW_IMSRAM32KX64E_MAIN_4_SLV_FW_REGION_2_END_ADDRESS_L Registers
        293. 3.10.1.293  FW_IMSRAM32KX64E_MAIN_4_SLV_FW_REGION_2_END_ADDRESS_H Registers
        294. 3.10.1.294  FW_IMSRAM32KX64E_MAIN_4_SLV_FW_REGION_3_CONTROL Registers
        295. 3.10.1.295  FW_IMSRAM32KX64E_MAIN_4_SLV_FW_REGION_3_PERMISSION_0 Registers
        296. 3.10.1.296  FW_IMSRAM32KX64E_MAIN_4_SLV_FW_REGION_3_PERMISSION_1 Registers
        297. 3.10.1.297  FW_IMSRAM32KX64E_MAIN_4_SLV_FW_REGION_3_PERMISSION_2 Registers
        298. 3.10.1.298  FW_IMSRAM32KX64E_MAIN_4_SLV_FW_REGION_3_START_ADDRESS_L Registers
        299. 3.10.1.299  FW_IMSRAM32KX64E_MAIN_4_SLV_FW_REGION_3_START_ADDRESS_H Registers
        300. 3.10.1.300  FW_IMSRAM32KX64E_MAIN_4_SLV_FW_REGION_3_END_ADDRESS_L Registers
        301. 3.10.1.301  FW_IMSRAM32KX64E_MAIN_4_SLV_FW_REGION_3_END_ADDRESS_H Registers
        302. 3.10.1.302  FW_IMSRAM32KX64E_MAIN_3_SLV_FW_REGION_0_CONTROL Registers
        303. 3.10.1.303  FW_IMSRAM32KX64E_MAIN_3_SLV_FW_REGION_0_PERMISSION_0 Registers
        304. 3.10.1.304  FW_IMSRAM32KX64E_MAIN_3_SLV_FW_REGION_0_PERMISSION_1 Registers
        305. 3.10.1.305  FW_IMSRAM32KX64E_MAIN_3_SLV_FW_REGION_0_PERMISSION_2 Registers
        306. 3.10.1.306  FW_IMSRAM32KX64E_MAIN_3_SLV_FW_REGION_0_START_ADDRESS_L Registers
        307. 3.10.1.307  FW_IMSRAM32KX64E_MAIN_3_SLV_FW_REGION_0_START_ADDRESS_H Registers
        308. 3.10.1.308  FW_IMSRAM32KX64E_MAIN_3_SLV_FW_REGION_0_END_ADDRESS_L Registers
        309. 3.10.1.309  FW_IMSRAM32KX64E_MAIN_3_SLV_FW_REGION_0_END_ADDRESS_H Registers
        310. 3.10.1.310  FW_IMSRAM32KX64E_MAIN_3_SLV_FW_REGION_1_CONTROL Registers
        311. 3.10.1.311  FW_IMSRAM32KX64E_MAIN_3_SLV_FW_REGION_1_PERMISSION_0 Registers
        312. 3.10.1.312  FW_IMSRAM32KX64E_MAIN_3_SLV_FW_REGION_1_PERMISSION_1 Registers
        313. 3.10.1.313  FW_IMSRAM32KX64E_MAIN_3_SLV_FW_REGION_1_PERMISSION_2 Registers
        314. 3.10.1.314  FW_IMSRAM32KX64E_MAIN_3_SLV_FW_REGION_1_START_ADDRESS_L Registers
        315. 3.10.1.315  FW_IMSRAM32KX64E_MAIN_3_SLV_FW_REGION_1_START_ADDRESS_H Registers
        316. 3.10.1.316  FW_IMSRAM32KX64E_MAIN_3_SLV_FW_REGION_1_END_ADDRESS_L Registers
        317. 3.10.1.317  FW_IMSRAM32KX64E_MAIN_3_SLV_FW_REGION_1_END_ADDRESS_H Registers
        318. 3.10.1.318  FW_IMSRAM32KX64E_MAIN_3_SLV_FW_REGION_2_CONTROL Registers
        319. 3.10.1.319  FW_IMSRAM32KX64E_MAIN_3_SLV_FW_REGION_2_PERMISSION_0 Registers
        320. 3.10.1.320  FW_IMSRAM32KX64E_MAIN_3_SLV_FW_REGION_2_PERMISSION_1 Registers
        321. 3.10.1.321  FW_IMSRAM32KX64E_MAIN_3_SLV_FW_REGION_2_PERMISSION_2 Registers
        322. 3.10.1.322  FW_IMSRAM32KX64E_MAIN_3_SLV_FW_REGION_2_START_ADDRESS_L Registers
        323. 3.10.1.323  FW_IMSRAM32KX64E_MAIN_3_SLV_FW_REGION_2_START_ADDRESS_H Registers
        324. 3.10.1.324  FW_IMSRAM32KX64E_MAIN_3_SLV_FW_REGION_2_END_ADDRESS_L Registers
        325. 3.10.1.325  FW_IMSRAM32KX64E_MAIN_3_SLV_FW_REGION_2_END_ADDRESS_H Registers
        326. 3.10.1.326  FW_IMSRAM32KX64E_MAIN_3_SLV_FW_REGION_3_CONTROL Registers
        327. 3.10.1.327  FW_IMSRAM32KX64E_MAIN_3_SLV_FW_REGION_3_PERMISSION_0 Registers
        328. 3.10.1.328  FW_IMSRAM32KX64E_MAIN_3_SLV_FW_REGION_3_PERMISSION_1 Registers
        329. 3.10.1.329  FW_IMSRAM32KX64E_MAIN_3_SLV_FW_REGION_3_PERMISSION_2 Registers
        330. 3.10.1.330  FW_IMSRAM32KX64E_MAIN_3_SLV_FW_REGION_3_START_ADDRESS_L Registers
        331. 3.10.1.331  FW_IMSRAM32KX64E_MAIN_3_SLV_FW_REGION_3_START_ADDRESS_H Registers
        332. 3.10.1.332  FW_IMSRAM32KX64E_MAIN_3_SLV_FW_REGION_3_END_ADDRESS_L Registers
        333. 3.10.1.333  FW_IMSRAM32KX64E_MAIN_3_SLV_FW_REGION_3_END_ADDRESS_H Registers
        334. 3.10.1.334  FW_IDMSS_AM64_MAIN_0_IPCSS_VBM_DST_FW_REGION_0_CONTROL Registers
        335. 3.10.1.335  FW_IDMSS_AM64_MAIN_0_IPCSS_VBM_DST_FW_REGION_0_PERMISSION_0 Registers
        336. 3.10.1.336  FW_IDMSS_AM64_MAIN_0_IPCSS_VBM_DST_FW_REGION_0_PERMISSION_1 Registers
        337. 3.10.1.337  FW_IDMSS_AM64_MAIN_0_IPCSS_VBM_DST_FW_REGION_0_PERMISSION_2 Registers
        338. 3.10.1.338  FW_IDMSS_AM64_MAIN_0_IPCSS_VBM_DST_FW_REGION_0_START_ADDRESS_L Registers
        339. 3.10.1.339  FW_IDMSS_AM64_MAIN_0_IPCSS_VBM_DST_FW_REGION_0_START_ADDRESS_H Registers
        340. 3.10.1.340  FW_IDMSS_AM64_MAIN_0_IPCSS_VBM_DST_FW_REGION_0_END_ADDRESS_L Registers
        341. 3.10.1.341  FW_IDMSS_AM64_MAIN_0_IPCSS_VBM_DST_FW_REGION_0_END_ADDRESS_H Registers
        342. 3.10.1.342  FW_IDMSS_AM64_MAIN_0_IPCSS_VBM_DST_FW_REGION_1_CONTROL Registers
        343. 3.10.1.343  FW_IDMSS_AM64_MAIN_0_IPCSS_VBM_DST_FW_REGION_1_PERMISSION_0 Registers
        344. 3.10.1.344  FW_IDMSS_AM64_MAIN_0_IPCSS_VBM_DST_FW_REGION_1_PERMISSION_1 Registers
        345. 3.10.1.345  FW_IDMSS_AM64_MAIN_0_IPCSS_VBM_DST_FW_REGION_1_PERMISSION_2 Registers
        346. 3.10.1.346  FW_IDMSS_AM64_MAIN_0_IPCSS_VBM_DST_FW_REGION_1_START_ADDRESS_L Registers
        347. 3.10.1.347  FW_IDMSS_AM64_MAIN_0_IPCSS_VBM_DST_FW_REGION_1_START_ADDRESS_H Registers
        348. 3.10.1.348  FW_IDMSS_AM64_MAIN_0_IPCSS_VBM_DST_FW_REGION_1_END_ADDRESS_L Registers
        349. 3.10.1.349  FW_IDMSS_AM64_MAIN_0_IPCSS_VBM_DST_FW_REGION_1_END_ADDRESS_H Registers
        350. 3.10.1.350  FW_IDMSS_AM64_MAIN_0_IPCSS_VBM_DST_FW_REGION_2_CONTROL Registers
        351. 3.10.1.351  FW_IDMSS_AM64_MAIN_0_IPCSS_VBM_DST_FW_REGION_2_PERMISSION_0 Registers
        352. 3.10.1.352  FW_IDMSS_AM64_MAIN_0_IPCSS_VBM_DST_FW_REGION_2_PERMISSION_1 Registers
        353. 3.10.1.353  FW_IDMSS_AM64_MAIN_0_IPCSS_VBM_DST_FW_REGION_2_PERMISSION_2 Registers
        354. 3.10.1.354  FW_IDMSS_AM64_MAIN_0_IPCSS_VBM_DST_FW_REGION_2_START_ADDRESS_L Registers
        355. 3.10.1.355  FW_IDMSS_AM64_MAIN_0_IPCSS_VBM_DST_FW_REGION_2_START_ADDRESS_H Registers
        356. 3.10.1.356  FW_IDMSS_AM64_MAIN_0_IPCSS_VBM_DST_FW_REGION_2_END_ADDRESS_L Registers
        357. 3.10.1.357  FW_IDMSS_AM64_MAIN_0_IPCSS_VBM_DST_FW_REGION_2_END_ADDRESS_H Registers
        358. 3.10.1.358  FW_IDMSS_AM64_MAIN_0_IPCSS_VBM_DST_FW_REGION_3_CONTROL Registers
        359. 3.10.1.359  FW_IDMSS_AM64_MAIN_0_IPCSS_VBM_DST_FW_REGION_3_PERMISSION_0 Registers
        360. 3.10.1.360  FW_IDMSS_AM64_MAIN_0_IPCSS_VBM_DST_FW_REGION_3_PERMISSION_1 Registers
        361. 3.10.1.361  FW_IDMSS_AM64_MAIN_0_IPCSS_VBM_DST_FW_REGION_3_PERMISSION_2 Registers
        362. 3.10.1.362  FW_IDMSS_AM64_MAIN_0_IPCSS_VBM_DST_FW_REGION_3_START_ADDRESS_L Registers
        363. 3.10.1.363  FW_IDMSS_AM64_MAIN_0_IPCSS_VBM_DST_FW_REGION_3_START_ADDRESS_H Registers
        364. 3.10.1.364  FW_IDMSS_AM64_MAIN_0_IPCSS_VBM_DST_FW_REGION_3_END_ADDRESS_L Registers
        365. 3.10.1.365  FW_IDMSS_AM64_MAIN_0_IPCSS_VBM_DST_FW_REGION_3_END_ADDRESS_H Registers
        366. 3.10.1.366  FW_IDMSS_AM64_MAIN_0_IPCSS_VBM_DST_FW_REGION_4_CONTROL Registers
        367. 3.10.1.367  FW_IDMSS_AM64_MAIN_0_IPCSS_VBM_DST_FW_REGION_4_PERMISSION_0 Registers
        368. 3.10.1.368  FW_IDMSS_AM64_MAIN_0_IPCSS_VBM_DST_FW_REGION_4_PERMISSION_1 Registers
        369. 3.10.1.369  FW_IDMSS_AM64_MAIN_0_IPCSS_VBM_DST_FW_REGION_4_PERMISSION_2 Registers
        370. 3.10.1.370  FW_IDMSS_AM64_MAIN_0_IPCSS_VBM_DST_FW_REGION_4_START_ADDRESS_L Registers
        371. 3.10.1.371  FW_IDMSS_AM64_MAIN_0_IPCSS_VBM_DST_FW_REGION_4_START_ADDRESS_H Registers
        372. 3.10.1.372  FW_IDMSS_AM64_MAIN_0_IPCSS_VBM_DST_FW_REGION_4_END_ADDRESS_L Registers
        373. 3.10.1.373  FW_IDMSS_AM64_MAIN_0_IPCSS_VBM_DST_FW_REGION_4_END_ADDRESS_H Registers
        374. 3.10.1.374  FW_IDMSS_AM64_MAIN_0_IPCSS_VBM_DST_FW_REGION_5_CONTROL Registers
        375. 3.10.1.375  FW_IDMSS_AM64_MAIN_0_IPCSS_VBM_DST_FW_REGION_5_PERMISSION_0 Registers
        376. 3.10.1.376  FW_IDMSS_AM64_MAIN_0_IPCSS_VBM_DST_FW_REGION_5_PERMISSION_1 Registers
        377. 3.10.1.377  FW_IDMSS_AM64_MAIN_0_IPCSS_VBM_DST_FW_REGION_5_PERMISSION_2 Registers
        378. 3.10.1.378  FW_IDMSS_AM64_MAIN_0_IPCSS_VBM_DST_FW_REGION_5_START_ADDRESS_L Registers
        379. 3.10.1.379  FW_IDMSS_AM64_MAIN_0_IPCSS_VBM_DST_FW_REGION_5_START_ADDRESS_H Registers
        380. 3.10.1.380  FW_IDMSS_AM64_MAIN_0_IPCSS_VBM_DST_FW_REGION_5_END_ADDRESS_L Registers
        381. 3.10.1.381  FW_IDMSS_AM64_MAIN_0_IPCSS_VBM_DST_FW_REGION_5_END_ADDRESS_H Registers
        382. 3.10.1.382  FW_IDMSS_AM64_MAIN_0_IPCSS_VBM_DST_FW_REGION_6_CONTROL Registers
        383. 3.10.1.383  FW_IDMSS_AM64_MAIN_0_IPCSS_VBM_DST_FW_REGION_6_PERMISSION_0 Registers
        384. 3.10.1.384  FW_IDMSS_AM64_MAIN_0_IPCSS_VBM_DST_FW_REGION_6_PERMISSION_1 Registers
        385. 3.10.1.385  FW_IDMSS_AM64_MAIN_0_IPCSS_VBM_DST_FW_REGION_6_PERMISSION_2 Registers
        386. 3.10.1.386  FW_IDMSS_AM64_MAIN_0_IPCSS_VBM_DST_FW_REGION_6_START_ADDRESS_L Registers
        387. 3.10.1.387  FW_IDMSS_AM64_MAIN_0_IPCSS_VBM_DST_FW_REGION_6_START_ADDRESS_H Registers
        388. 3.10.1.388  FW_IDMSS_AM64_MAIN_0_IPCSS_VBM_DST_FW_REGION_6_END_ADDRESS_L Registers
        389. 3.10.1.389  FW_IDMSS_AM64_MAIN_0_IPCSS_VBM_DST_FW_REGION_6_END_ADDRESS_H Registers
        390. 3.10.1.390  FW_IDMSS_AM64_MAIN_0_IPCSS_VBM_DST_FW_REGION_7_CONTROL Registers
        391. 3.10.1.391  FW_IDMSS_AM64_MAIN_0_IPCSS_VBM_DST_FW_REGION_7_PERMISSION_0 Registers
        392. 3.10.1.392  FW_IDMSS_AM64_MAIN_0_IPCSS_VBM_DST_FW_REGION_7_PERMISSION_1 Registers
        393. 3.10.1.393  FW_IDMSS_AM64_MAIN_0_IPCSS_VBM_DST_FW_REGION_7_PERMISSION_2 Registers
        394. 3.10.1.394  FW_IDMSS_AM64_MAIN_0_IPCSS_VBM_DST_FW_REGION_7_START_ADDRESS_L Registers
        395. 3.10.1.395  FW_IDMSS_AM64_MAIN_0_IPCSS_VBM_DST_FW_REGION_7_START_ADDRESS_H Registers
        396. 3.10.1.396  FW_IDMSS_AM64_MAIN_0_IPCSS_VBM_DST_FW_REGION_7_END_ADDRESS_L Registers
        397. 3.10.1.397  FW_IDMSS_AM64_MAIN_0_IPCSS_VBM_DST_FW_REGION_7_END_ADDRESS_H Registers
        398. 3.10.1.398  FW_IEXPORT_VBUSM_32B_SLV_MAIN2MCU_SLV_FW_REGION_0_CONTROL Registers
        399. 3.10.1.399  FW_IEXPORT_VBUSM_32B_SLV_MAIN2MCU_SLV_FW_REGION_0_PERMISSION_0 Registers
        400. 3.10.1.400  FW_IEXPORT_VBUSM_32B_SLV_MAIN2MCU_SLV_FW_REGION_0_PERMISSION_1 Registers
        401. 3.10.1.401  FW_IEXPORT_VBUSM_32B_SLV_MAIN2MCU_SLV_FW_REGION_0_PERMISSION_2 Registers
        402. 3.10.1.402  FW_IEXPORT_VBUSM_32B_SLV_MAIN2MCU_SLV_FW_REGION_0_START_ADDRESS_L Registers
        403. 3.10.1.403  FW_IEXPORT_VBUSM_32B_SLV_MAIN2MCU_SLV_FW_REGION_0_START_ADDRESS_H Registers
        404. 3.10.1.404  FW_IEXPORT_VBUSM_32B_SLV_MAIN2MCU_SLV_FW_REGION_0_END_ADDRESS_L Registers
        405. 3.10.1.405  FW_IEXPORT_VBUSM_32B_SLV_MAIN2MCU_SLV_FW_REGION_0_END_ADDRESS_H Registers
        406. 3.10.1.406  FW_IEXPORT_VBUSM_32B_SLV_MAIN2MCU_SLV_FW_REGION_1_CONTROL Registers
        407. 3.10.1.407  FW_IEXPORT_VBUSM_32B_SLV_MAIN2MCU_SLV_FW_REGION_1_PERMISSION_0 Registers
        408. 3.10.1.408  FW_IEXPORT_VBUSM_32B_SLV_MAIN2MCU_SLV_FW_REGION_1_PERMISSION_1 Registers
        409. 3.10.1.409  FW_IEXPORT_VBUSM_32B_SLV_MAIN2MCU_SLV_FW_REGION_1_PERMISSION_2 Registers
        410. 3.10.1.410  FW_IEXPORT_VBUSM_32B_SLV_MAIN2MCU_SLV_FW_REGION_1_START_ADDRESS_L Registers
        411. 3.10.1.411  FW_IEXPORT_VBUSM_32B_SLV_MAIN2MCU_SLV_FW_REGION_1_START_ADDRESS_H Registers
        412. 3.10.1.412  FW_IEXPORT_VBUSM_32B_SLV_MAIN2MCU_SLV_FW_REGION_1_END_ADDRESS_L Registers
        413. 3.10.1.413  FW_IEXPORT_VBUSM_32B_SLV_MAIN2MCU_SLV_FW_REGION_1_END_ADDRESS_H Registers
        414. 3.10.1.414  FW_IEXPORT_VBUSM_32B_SLV_MAIN2MCU_SLV_FW_REGION_2_CONTROL Registers
        415. 3.10.1.415  FW_IEXPORT_VBUSM_32B_SLV_MAIN2MCU_SLV_FW_REGION_2_PERMISSION_0 Registers
        416. 3.10.1.416  FW_IEXPORT_VBUSM_32B_SLV_MAIN2MCU_SLV_FW_REGION_2_PERMISSION_1 Registers
        417. 3.10.1.417  FW_IEXPORT_VBUSM_32B_SLV_MAIN2MCU_SLV_FW_REGION_2_PERMISSION_2 Registers
        418. 3.10.1.418  FW_IEXPORT_VBUSM_32B_SLV_MAIN2MCU_SLV_FW_REGION_2_START_ADDRESS_L Registers
        419. 3.10.1.419  FW_IEXPORT_VBUSM_32B_SLV_MAIN2MCU_SLV_FW_REGION_2_START_ADDRESS_H Registers
        420. 3.10.1.420  FW_IEXPORT_VBUSM_32B_SLV_MAIN2MCU_SLV_FW_REGION_2_END_ADDRESS_L Registers
        421. 3.10.1.421  FW_IEXPORT_VBUSM_32B_SLV_MAIN2MCU_SLV_FW_REGION_2_END_ADDRESS_H Registers
        422. 3.10.1.422  FW_IEXPORT_VBUSM_32B_SLV_MAIN2MCU_SLV_FW_REGION_3_CONTROL Registers
        423. 3.10.1.423  FW_IEXPORT_VBUSM_32B_SLV_MAIN2MCU_SLV_FW_REGION_3_PERMISSION_0 Registers
        424. 3.10.1.424  FW_IEXPORT_VBUSM_32B_SLV_MAIN2MCU_SLV_FW_REGION_3_PERMISSION_1 Registers
        425. 3.10.1.425  FW_IEXPORT_VBUSM_32B_SLV_MAIN2MCU_SLV_FW_REGION_3_PERMISSION_2 Registers
        426. 3.10.1.426  FW_IEXPORT_VBUSM_32B_SLV_MAIN2MCU_SLV_FW_REGION_3_START_ADDRESS_L Registers
        427. 3.10.1.427  FW_IEXPORT_VBUSM_32B_SLV_MAIN2MCU_SLV_FW_REGION_3_START_ADDRESS_H Registers
        428. 3.10.1.428  FW_IEXPORT_VBUSM_32B_SLV_MAIN2MCU_SLV_FW_REGION_3_END_ADDRESS_L Registers
        429. 3.10.1.429  FW_IEXPORT_VBUSM_32B_SLV_MAIN2MCU_SLV_FW_REGION_3_END_ADDRESS_H Registers
        430. 3.10.1.430  FW_IEXPORT_VBUSM_32B_SLV_MAIN2MCU_SLV_FW_REGION_4_CONTROL Registers
        431. 3.10.1.431  FW_IEXPORT_VBUSM_32B_SLV_MAIN2MCU_SLV_FW_REGION_4_PERMISSION_0 Registers
        432. 3.10.1.432  FW_IEXPORT_VBUSM_32B_SLV_MAIN2MCU_SLV_FW_REGION_4_PERMISSION_1 Registers
        433. 3.10.1.433  FW_IEXPORT_VBUSM_32B_SLV_MAIN2MCU_SLV_FW_REGION_4_PERMISSION_2 Registers
        434. 3.10.1.434  FW_IEXPORT_VBUSM_32B_SLV_MAIN2MCU_SLV_FW_REGION_4_START_ADDRESS_L Registers
        435. 3.10.1.435  FW_IEXPORT_VBUSM_32B_SLV_MAIN2MCU_SLV_FW_REGION_4_START_ADDRESS_H Registers
        436. 3.10.1.436  FW_IEXPORT_VBUSM_32B_SLV_MAIN2MCU_SLV_FW_REGION_4_END_ADDRESS_L Registers
        437. 3.10.1.437  FW_IEXPORT_VBUSM_32B_SLV_MAIN2MCU_SLV_FW_REGION_4_END_ADDRESS_H Registers
        438. 3.10.1.438  FW_IEXPORT_VBUSM_32B_SLV_MAIN2MCU_SLV_FW_REGION_5_CONTROL Registers
        439. 3.10.1.439  FW_IEXPORT_VBUSM_32B_SLV_MAIN2MCU_SLV_FW_REGION_5_PERMISSION_0 Registers
        440. 3.10.1.440  FW_IEXPORT_VBUSM_32B_SLV_MAIN2MCU_SLV_FW_REGION_5_PERMISSION_1 Registers
        441. 3.10.1.441  FW_IEXPORT_VBUSM_32B_SLV_MAIN2MCU_SLV_FW_REGION_5_PERMISSION_2 Registers
        442. 3.10.1.442  FW_IEXPORT_VBUSM_32B_SLV_MAIN2MCU_SLV_FW_REGION_5_START_ADDRESS_L Registers
        443. 3.10.1.443  FW_IEXPORT_VBUSM_32B_SLV_MAIN2MCU_SLV_FW_REGION_5_START_ADDRESS_H Registers
        444. 3.10.1.444  FW_IEXPORT_VBUSM_32B_SLV_MAIN2MCU_SLV_FW_REGION_5_END_ADDRESS_L Registers
        445. 3.10.1.445  FW_IEXPORT_VBUSM_32B_SLV_MAIN2MCU_SLV_FW_REGION_5_END_ADDRESS_H Registers
        446. 3.10.1.446  FW_IEXPORT_VBUSM_32B_SLV_MAIN2MCU_SLV_FW_REGION_6_CONTROL Registers
        447. 3.10.1.447  FW_IEXPORT_VBUSM_32B_SLV_MAIN2MCU_SLV_FW_REGION_6_PERMISSION_0 Registers
        448. 3.10.1.448  FW_IEXPORT_VBUSM_32B_SLV_MAIN2MCU_SLV_FW_REGION_6_PERMISSION_1 Registers
        449. 3.10.1.449  FW_IEXPORT_VBUSM_32B_SLV_MAIN2MCU_SLV_FW_REGION_6_PERMISSION_2 Registers
        450. 3.10.1.450  FW_IEXPORT_VBUSM_32B_SLV_MAIN2MCU_SLV_FW_REGION_6_START_ADDRESS_L Registers
        451. 3.10.1.451  FW_IEXPORT_VBUSM_32B_SLV_MAIN2MCU_SLV_FW_REGION_6_START_ADDRESS_H Registers
        452. 3.10.1.452  FW_IEXPORT_VBUSM_32B_SLV_MAIN2MCU_SLV_FW_REGION_6_END_ADDRESS_L Registers
        453. 3.10.1.453  FW_IEXPORT_VBUSM_32B_SLV_MAIN2MCU_SLV_FW_REGION_6_END_ADDRESS_H Registers
        454. 3.10.1.454  FW_IEXPORT_VBUSM_32B_SLV_MAIN2MCU_SLV_FW_REGION_7_CONTROL Registers
        455. 3.10.1.455  FW_IEXPORT_VBUSM_32B_SLV_MAIN2MCU_SLV_FW_REGION_7_PERMISSION_0 Registers
        456. 3.10.1.456  FW_IEXPORT_VBUSM_32B_SLV_MAIN2MCU_SLV_FW_REGION_7_PERMISSION_1 Registers
        457. 3.10.1.457  FW_IEXPORT_VBUSM_32B_SLV_MAIN2MCU_SLV_FW_REGION_7_PERMISSION_2 Registers
        458. 3.10.1.458  FW_IEXPORT_VBUSM_32B_SLV_MAIN2MCU_SLV_FW_REGION_7_START_ADDRESS_L Registers
        459. 3.10.1.459  FW_IEXPORT_VBUSM_32B_SLV_MAIN2MCU_SLV_FW_REGION_7_START_ADDRESS_H Registers
        460. 3.10.1.460  FW_IEXPORT_VBUSM_32B_SLV_MAIN2MCU_SLV_FW_REGION_7_END_ADDRESS_L Registers
        461. 3.10.1.461  FW_IEXPORT_VBUSM_32B_SLV_MAIN2MCU_SLV_FW_REGION_7_END_ADDRESS_H Registers
        462. 3.10.1.462  FW_BR_SCRM_64B_CLK2_TO_SCRP_MISC_CLK2_L0_FW_REGION_0_CONTROL Registers
        463. 3.10.1.463  FW_BR_SCRM_64B_CLK2_TO_SCRP_MISC_CLK2_L0_FW_REGION_0_PERMISSION_0 Registers
        464. 3.10.1.464  FW_BR_SCRM_64B_CLK2_TO_SCRP_MISC_CLK2_L0_FW_REGION_0_PERMISSION_1 Registers
        465. 3.10.1.465  FW_BR_SCRM_64B_CLK2_TO_SCRP_MISC_CLK2_L0_FW_REGION_0_PERMISSION_2 Registers
        466. 3.10.1.466  FW_BR_SCRM_64B_CLK2_TO_SCRP_MISC_CLK2_L0_FW_REGION_0_START_ADDRESS_L Registers
        467. 3.10.1.467  FW_BR_SCRM_64B_CLK2_TO_SCRP_MISC_CLK2_L0_FW_REGION_0_START_ADDRESS_H Registers
        468. 3.10.1.468  FW_BR_SCRM_64B_CLK2_TO_SCRP_MISC_CLK2_L0_FW_REGION_0_END_ADDRESS_L Registers
        469. 3.10.1.469  FW_BR_SCRM_64B_CLK2_TO_SCRP_MISC_CLK2_L0_FW_REGION_0_END_ADDRESS_H Registers
        470. 3.10.1.470  FW_BR_SCRM_64B_CLK2_TO_SCRP_MISC_CLK2_L0_FW_REGION_1_CONTROL Registers
        471. 3.10.1.471  FW_BR_SCRM_64B_CLK2_TO_SCRP_MISC_CLK2_L0_FW_REGION_1_PERMISSION_0 Registers
        472. 3.10.1.472  FW_BR_SCRM_64B_CLK2_TO_SCRP_MISC_CLK2_L0_FW_REGION_1_PERMISSION_1 Registers
        473. 3.10.1.473  FW_BR_SCRM_64B_CLK2_TO_SCRP_MISC_CLK2_L0_FW_REGION_1_PERMISSION_2 Registers
        474. 3.10.1.474  FW_BR_SCRM_64B_CLK2_TO_SCRP_MISC_CLK2_L0_FW_REGION_1_START_ADDRESS_L Registers
        475. 3.10.1.475  FW_BR_SCRM_64B_CLK2_TO_SCRP_MISC_CLK2_L0_FW_REGION_1_START_ADDRESS_H Registers
        476. 3.10.1.476  FW_BR_SCRM_64B_CLK2_TO_SCRP_MISC_CLK2_L0_FW_REGION_1_END_ADDRESS_L Registers
        477. 3.10.1.477  FW_BR_SCRM_64B_CLK2_TO_SCRP_MISC_CLK2_L0_FW_REGION_1_END_ADDRESS_H Registers
        478. 3.10.1.478  FW_BR_SCRM_64B_CLK2_TO_SCRP_MISC_CLK2_L0_FW_REGION_2_CONTROL Registers
        479. 3.10.1.479  FW_BR_SCRM_64B_CLK2_TO_SCRP_MISC_CLK2_L0_FW_REGION_2_PERMISSION_0 Registers
        480. 3.10.1.480  FW_BR_SCRM_64B_CLK2_TO_SCRP_MISC_CLK2_L0_FW_REGION_2_PERMISSION_1 Registers
        481. 3.10.1.481  FW_BR_SCRM_64B_CLK2_TO_SCRP_MISC_CLK2_L0_FW_REGION_2_PERMISSION_2 Registers
        482. 3.10.1.482  FW_BR_SCRM_64B_CLK2_TO_SCRP_MISC_CLK2_L0_FW_REGION_2_START_ADDRESS_L Registers
        483. 3.10.1.483  FW_BR_SCRM_64B_CLK2_TO_SCRP_MISC_CLK2_L0_FW_REGION_2_START_ADDRESS_H Registers
        484. 3.10.1.484  FW_BR_SCRM_64B_CLK2_TO_SCRP_MISC_CLK2_L0_FW_REGION_2_END_ADDRESS_L Registers
        485. 3.10.1.485  FW_BR_SCRM_64B_CLK2_TO_SCRP_MISC_CLK2_L0_FW_REGION_2_END_ADDRESS_H Registers
        486. 3.10.1.486  FW_BR_SCRM_64B_CLK2_TO_SCRP_MISC_CLK2_L0_FW_REGION_3_CONTROL Registers
        487. 3.10.1.487  FW_BR_SCRM_64B_CLK2_TO_SCRP_MISC_CLK2_L0_FW_REGION_3_PERMISSION_0 Registers
        488. 3.10.1.488  FW_BR_SCRM_64B_CLK2_TO_SCRP_MISC_CLK2_L0_FW_REGION_3_PERMISSION_1 Registers
        489. 3.10.1.489  FW_BR_SCRM_64B_CLK2_TO_SCRP_MISC_CLK2_L0_FW_REGION_3_PERMISSION_2 Registers
        490. 3.10.1.490  FW_BR_SCRM_64B_CLK2_TO_SCRP_MISC_CLK2_L0_FW_REGION_3_START_ADDRESS_L Registers
        491. 3.10.1.491  FW_BR_SCRM_64B_CLK2_TO_SCRP_MISC_CLK2_L0_FW_REGION_3_START_ADDRESS_H Registers
        492. 3.10.1.492  FW_BR_SCRM_64B_CLK2_TO_SCRP_MISC_CLK2_L0_FW_REGION_3_END_ADDRESS_L Registers
        493. 3.10.1.493  FW_BR_SCRM_64B_CLK2_TO_SCRP_MISC_CLK2_L0_FW_REGION_3_END_ADDRESS_H Registers
        494. 3.10.1.494  FW_BR_SCRM_64B_CLK2_TO_SCRP_MISC_CLK2_L0_FW_REGION_4_CONTROL Registers
        495. 3.10.1.495  FW_BR_SCRM_64B_CLK2_TO_SCRP_MISC_CLK2_L0_FW_REGION_4_PERMISSION_0 Registers
        496. 3.10.1.496  FW_BR_SCRM_64B_CLK2_TO_SCRP_MISC_CLK2_L0_FW_REGION_4_PERMISSION_1 Registers
        497. 3.10.1.497  FW_BR_SCRM_64B_CLK2_TO_SCRP_MISC_CLK2_L0_FW_REGION_4_PERMISSION_2 Registers
        498. 3.10.1.498  FW_BR_SCRM_64B_CLK2_TO_SCRP_MISC_CLK2_L0_FW_REGION_4_START_ADDRESS_L Registers
        499. 3.10.1.499  FW_BR_SCRM_64B_CLK2_TO_SCRP_MISC_CLK2_L0_FW_REGION_4_START_ADDRESS_H Registers
        500. 3.10.1.500  FW_BR_SCRM_64B_CLK2_TO_SCRP_MISC_CLK2_L0_FW_REGION_4_END_ADDRESS_L Registers
        501. 3.10.1.501  FW_BR_SCRM_64B_CLK2_TO_SCRP_MISC_CLK2_L0_FW_REGION_4_END_ADDRESS_H Registers
        502. 3.10.1.502  FW_BR_SCRM_64B_CLK2_TO_SCRP_MISC_CLK2_L0_FW_REGION_5_CONTROL Registers
        503. 3.10.1.503  FW_BR_SCRM_64B_CLK2_TO_SCRP_MISC_CLK2_L0_FW_REGION_5_PERMISSION_0 Registers
        504. 3.10.1.504  FW_BR_SCRM_64B_CLK2_TO_SCRP_MISC_CLK2_L0_FW_REGION_5_PERMISSION_1 Registers
        505. 3.10.1.505  FW_BR_SCRM_64B_CLK2_TO_SCRP_MISC_CLK2_L0_FW_REGION_5_PERMISSION_2 Registers
        506. 3.10.1.506  FW_BR_SCRM_64B_CLK2_TO_SCRP_MISC_CLK2_L0_FW_REGION_5_START_ADDRESS_L Registers
        507. 3.10.1.507  FW_BR_SCRM_64B_CLK2_TO_SCRP_MISC_CLK2_L0_FW_REGION_5_START_ADDRESS_H Registers
        508. 3.10.1.508  FW_BR_SCRM_64B_CLK2_TO_SCRP_MISC_CLK2_L0_FW_REGION_5_END_ADDRESS_L Registers
        509. 3.10.1.509  FW_BR_SCRM_64B_CLK2_TO_SCRP_MISC_CLK2_L0_FW_REGION_5_END_ADDRESS_H Registers
        510. 3.10.1.510  FW_BR_SCRM_64B_CLK2_TO_SCRP_MISC_CLK2_L0_FW_REGION_6_CONTROL Registers
        511. 3.10.1.511  FW_BR_SCRM_64B_CLK2_TO_SCRP_MISC_CLK2_L0_FW_REGION_6_PERMISSION_0 Registers
        512. 3.10.1.512  FW_BR_SCRM_64B_CLK2_TO_SCRP_MISC_CLK2_L0_FW_REGION_6_PERMISSION_1 Registers
        513. 3.10.1.513  FW_BR_SCRM_64B_CLK2_TO_SCRP_MISC_CLK2_L0_FW_REGION_6_PERMISSION_2 Registers
        514. 3.10.1.514  FW_BR_SCRM_64B_CLK2_TO_SCRP_MISC_CLK2_L0_FW_REGION_6_START_ADDRESS_L Registers
        515. 3.10.1.515  FW_BR_SCRM_64B_CLK2_TO_SCRP_MISC_CLK2_L0_FW_REGION_6_START_ADDRESS_H Registers
        516. 3.10.1.516  FW_BR_SCRM_64B_CLK2_TO_SCRP_MISC_CLK2_L0_FW_REGION_6_END_ADDRESS_L Registers
        517. 3.10.1.517  FW_BR_SCRM_64B_CLK2_TO_SCRP_MISC_CLK2_L0_FW_REGION_6_END_ADDRESS_H Registers
        518. 3.10.1.518  FW_BR_SCRM_64B_CLK2_TO_SCRP_MISC_CLK2_L0_FW_REGION_7_CONTROL Registers
        519. 3.10.1.519  FW_BR_SCRM_64B_CLK2_TO_SCRP_MISC_CLK2_L0_FW_REGION_7_PERMISSION_0 Registers
        520. 3.10.1.520  FW_BR_SCRM_64B_CLK2_TO_SCRP_MISC_CLK2_L0_FW_REGION_7_PERMISSION_1 Registers
        521. 3.10.1.521  FW_BR_SCRM_64B_CLK2_TO_SCRP_MISC_CLK2_L0_FW_REGION_7_PERMISSION_2 Registers
        522. 3.10.1.522  FW_BR_SCRM_64B_CLK2_TO_SCRP_MISC_CLK2_L0_FW_REGION_7_START_ADDRESS_L Registers
        523. 3.10.1.523  FW_BR_SCRM_64B_CLK2_TO_SCRP_MISC_CLK2_L0_FW_REGION_7_START_ADDRESS_H Registers
        524. 3.10.1.524  FW_BR_SCRM_64B_CLK2_TO_SCRP_MISC_CLK2_L0_FW_REGION_7_END_ADDRESS_L Registers
        525. 3.10.1.525  FW_BR_SCRM_64B_CLK2_TO_SCRP_MISC_CLK2_L0_FW_REGION_7_END_ADDRESS_H Registers
        526. 3.10.1.526  FW_BR_SCRM_64B_CLK2_TO_SCRP_MISC_CLK2_L0_FW_REGION_8_CONTROL Registers
        527. 3.10.1.527  FW_BR_SCRM_64B_CLK2_TO_SCRP_MISC_CLK2_L0_FW_REGION_8_PERMISSION_0 Registers
        528. 3.10.1.528  FW_BR_SCRM_64B_CLK2_TO_SCRP_MISC_CLK2_L0_FW_REGION_8_PERMISSION_1 Registers
        529. 3.10.1.529  FW_BR_SCRM_64B_CLK2_TO_SCRP_MISC_CLK2_L0_FW_REGION_8_PERMISSION_2 Registers
        530. 3.10.1.530  FW_BR_SCRM_64B_CLK2_TO_SCRP_MISC_CLK2_L0_FW_REGION_8_START_ADDRESS_L Registers
        531. 3.10.1.531  FW_BR_SCRM_64B_CLK2_TO_SCRP_MISC_CLK2_L0_FW_REGION_8_START_ADDRESS_H Registers
        532. 3.10.1.532  FW_BR_SCRM_64B_CLK2_TO_SCRP_MISC_CLK2_L0_FW_REGION_8_END_ADDRESS_L Registers
        533. 3.10.1.533  FW_BR_SCRM_64B_CLK2_TO_SCRP_MISC_CLK2_L0_FW_REGION_8_END_ADDRESS_H Registers
        534. 3.10.1.534  FW_BR_SCRM_64B_CLK2_TO_SCRP_MISC_CLK2_L0_FW_REGION_9_CONTROL Registers
        535. 3.10.1.535  FW_BR_SCRM_64B_CLK2_TO_SCRP_MISC_CLK2_L0_FW_REGION_9_PERMISSION_0 Registers
        536. 3.10.1.536  FW_BR_SCRM_64B_CLK2_TO_SCRP_MISC_CLK2_L0_FW_REGION_9_PERMISSION_1 Registers
        537. 3.10.1.537  FW_BR_SCRM_64B_CLK2_TO_SCRP_MISC_CLK2_L0_FW_REGION_9_PERMISSION_2 Registers
        538. 3.10.1.538  FW_BR_SCRM_64B_CLK2_TO_SCRP_MISC_CLK2_L0_FW_REGION_9_START_ADDRESS_L Registers
        539. 3.10.1.539  FW_BR_SCRM_64B_CLK2_TO_SCRP_MISC_CLK2_L0_FW_REGION_9_START_ADDRESS_H Registers
        540. 3.10.1.540  FW_BR_SCRM_64B_CLK2_TO_SCRP_MISC_CLK2_L0_FW_REGION_9_END_ADDRESS_L Registers
        541. 3.10.1.541  FW_BR_SCRM_64B_CLK2_TO_SCRP_MISC_CLK2_L0_FW_REGION_9_END_ADDRESS_H Registers
        542. 3.10.1.542  FW_BR_SCRM_64B_CLK2_TO_SCRP_MISC_CLK2_L0_FW_REGION_10_CONTROL Registers
        543. 3.10.1.543  FW_BR_SCRM_64B_CLK2_TO_SCRP_MISC_CLK2_L0_FW_REGION_10_PERMISSION_0 Registers
        544. 3.10.1.544  FW_BR_SCRM_64B_CLK2_TO_SCRP_MISC_CLK2_L0_FW_REGION_10_PERMISSION_1 Registers
        545. 3.10.1.545  FW_BR_SCRM_64B_CLK2_TO_SCRP_MISC_CLK2_L0_FW_REGION_10_PERMISSION_2 Registers
        546. 3.10.1.546  FW_BR_SCRM_64B_CLK2_TO_SCRP_MISC_CLK2_L0_FW_REGION_10_START_ADDRESS_L Registers
        547. 3.10.1.547  FW_BR_SCRM_64B_CLK2_TO_SCRP_MISC_CLK2_L0_FW_REGION_10_START_ADDRESS_H Registers
        548. 3.10.1.548  FW_BR_SCRM_64B_CLK2_TO_SCRP_MISC_CLK2_L0_FW_REGION_10_END_ADDRESS_L Registers
        549. 3.10.1.549  FW_BR_SCRM_64B_CLK2_TO_SCRP_MISC_CLK2_L0_FW_REGION_10_END_ADDRESS_H Registers
        550. 3.10.1.550  FW_BR_SCRM_64B_CLK2_TO_SCRP_MISC_CLK2_L0_FW_REGION_11_CONTROL Registers
        551. 3.10.1.551  FW_BR_SCRM_64B_CLK2_TO_SCRP_MISC_CLK2_L0_FW_REGION_11_PERMISSION_0 Registers
        552. 3.10.1.552  FW_BR_SCRM_64B_CLK2_TO_SCRP_MISC_CLK2_L0_FW_REGION_11_PERMISSION_1 Registers
        553. 3.10.1.553  FW_BR_SCRM_64B_CLK2_TO_SCRP_MISC_CLK2_L0_FW_REGION_11_PERMISSION_2 Registers
        554. 3.10.1.554  FW_BR_SCRM_64B_CLK2_TO_SCRP_MISC_CLK2_L0_FW_REGION_11_START_ADDRESS_L Registers
        555. 3.10.1.555  FW_BR_SCRM_64B_CLK2_TO_SCRP_MISC_CLK2_L0_FW_REGION_11_START_ADDRESS_H Registers
        556. 3.10.1.556  FW_BR_SCRM_64B_CLK2_TO_SCRP_MISC_CLK2_L0_FW_REGION_11_END_ADDRESS_L Registers
        557. 3.10.1.557  FW_BR_SCRM_64B_CLK2_TO_SCRP_MISC_CLK2_L0_FW_REGION_11_END_ADDRESS_H Registers
        558. 3.10.1.558  FW_BR_SCRM_64B_CLK2_TO_SCRP_MISC_CLK2_L0_FW_REGION_12_CONTROL Registers
        559. 3.10.1.559  FW_BR_SCRM_64B_CLK2_TO_SCRP_MISC_CLK2_L0_FW_REGION_12_PERMISSION_0 Registers
        560. 3.10.1.560  FW_BR_SCRM_64B_CLK2_TO_SCRP_MISC_CLK2_L0_FW_REGION_12_PERMISSION_1 Registers
        561. 3.10.1.561  FW_BR_SCRM_64B_CLK2_TO_SCRP_MISC_CLK2_L0_FW_REGION_12_PERMISSION_2 Registers
        562. 3.10.1.562  FW_BR_SCRM_64B_CLK2_TO_SCRP_MISC_CLK2_L0_FW_REGION_12_START_ADDRESS_L Registers
        563. 3.10.1.563  FW_BR_SCRM_64B_CLK2_TO_SCRP_MISC_CLK2_L0_FW_REGION_12_START_ADDRESS_H Registers
        564. 3.10.1.564  FW_BR_SCRM_64B_CLK2_TO_SCRP_MISC_CLK2_L0_FW_REGION_12_END_ADDRESS_L Registers
        565. 3.10.1.565  FW_BR_SCRM_64B_CLK2_TO_SCRP_MISC_CLK2_L0_FW_REGION_12_END_ADDRESS_H Registers
        566. 3.10.1.566  FW_BR_SCRM_64B_CLK2_TO_SCRP_MISC_CLK2_L0_FW_REGION_13_CONTROL Registers
        567. 3.10.1.567  FW_BR_SCRM_64B_CLK2_TO_SCRP_MISC_CLK2_L0_FW_REGION_13_PERMISSION_0 Registers
        568. 3.10.1.568  FW_BR_SCRM_64B_CLK2_TO_SCRP_MISC_CLK2_L0_FW_REGION_13_PERMISSION_1 Registers
        569. 3.10.1.569  FW_BR_SCRM_64B_CLK2_TO_SCRP_MISC_CLK2_L0_FW_REGION_13_PERMISSION_2 Registers
        570. 3.10.1.570  FW_BR_SCRM_64B_CLK2_TO_SCRP_MISC_CLK2_L0_FW_REGION_13_START_ADDRESS_L Registers
        571. 3.10.1.571  FW_BR_SCRM_64B_CLK2_TO_SCRP_MISC_CLK2_L0_FW_REGION_13_START_ADDRESS_H Registers
        572. 3.10.1.572  FW_BR_SCRM_64B_CLK2_TO_SCRP_MISC_CLK2_L0_FW_REGION_13_END_ADDRESS_L Registers
        573. 3.10.1.573  FW_BR_SCRM_64B_CLK2_TO_SCRP_MISC_CLK2_L0_FW_REGION_13_END_ADDRESS_H Registers
        574. 3.10.1.574  FW_BR_SCRM_64B_CLK2_TO_SCRP_MISC_CLK2_L0_FW_REGION_14_CONTROL Registers
        575. 3.10.1.575  FW_BR_SCRM_64B_CLK2_TO_SCRP_MISC_CLK2_L0_FW_REGION_14_PERMISSION_0 Registers
        576. 3.10.1.576  FW_BR_SCRM_64B_CLK2_TO_SCRP_MISC_CLK2_L0_FW_REGION_14_PERMISSION_1 Registers
        577. 3.10.1.577  FW_BR_SCRM_64B_CLK2_TO_SCRP_MISC_CLK2_L0_FW_REGION_14_PERMISSION_2 Registers
        578. 3.10.1.578  FW_BR_SCRM_64B_CLK2_TO_SCRP_MISC_CLK2_L0_FW_REGION_14_START_ADDRESS_L Registers
        579. 3.10.1.579  FW_BR_SCRM_64B_CLK2_TO_SCRP_MISC_CLK2_L0_FW_REGION_14_START_ADDRESS_H Registers
        580. 3.10.1.580  FW_BR_SCRM_64B_CLK2_TO_SCRP_MISC_CLK2_L0_FW_REGION_14_END_ADDRESS_L Registers
        581. 3.10.1.581  FW_BR_SCRM_64B_CLK2_TO_SCRP_MISC_CLK2_L0_FW_REGION_14_END_ADDRESS_H Registers
        582. 3.10.1.582  FW_BR_SCRM_64B_CLK2_TO_SCRP_MISC_CLK2_L0_FW_REGION_15_CONTROL Registers
        583. 3.10.1.583  FW_BR_SCRM_64B_CLK2_TO_SCRP_MISC_CLK2_L0_FW_REGION_15_PERMISSION_0 Registers
        584. 3.10.1.584  FW_BR_SCRM_64B_CLK2_TO_SCRP_MISC_CLK2_L0_FW_REGION_15_PERMISSION_1 Registers
        585. 3.10.1.585  FW_BR_SCRM_64B_CLK2_TO_SCRP_MISC_CLK2_L0_FW_REGION_15_PERMISSION_2 Registers
        586. 3.10.1.586  FW_BR_SCRM_64B_CLK2_TO_SCRP_MISC_CLK2_L0_FW_REGION_15_START_ADDRESS_L Registers
        587. 3.10.1.587  FW_BR_SCRM_64B_CLK2_TO_SCRP_MISC_CLK2_L0_FW_REGION_15_START_ADDRESS_H Registers
        588. 3.10.1.588  FW_BR_SCRM_64B_CLK2_TO_SCRP_MISC_CLK2_L0_FW_REGION_15_END_ADDRESS_L Registers
        589. 3.10.1.589  FW_BR_SCRM_64B_CLK2_TO_SCRP_MISC_CLK2_L0_FW_REGION_15_END_ADDRESS_H Registers
        590. 3.10.1.590  FW_IMSRAM32KX64E_MAIN_6_SLV_FW_REGION_0_CONTROL Registers
        591. 3.10.1.591  FW_IMSRAM32KX64E_MAIN_6_SLV_FW_REGION_0_PERMISSION_0 Registers
        592. 3.10.1.592  FW_IMSRAM32KX64E_MAIN_6_SLV_FW_REGION_0_PERMISSION_1 Registers
        593. 3.10.1.593  FW_IMSRAM32KX64E_MAIN_6_SLV_FW_REGION_0_PERMISSION_2 Registers
        594. 3.10.1.594  FW_IMSRAM32KX64E_MAIN_6_SLV_FW_REGION_0_START_ADDRESS_L Registers
        595. 3.10.1.595  FW_IMSRAM32KX64E_MAIN_6_SLV_FW_REGION_0_START_ADDRESS_H Registers
        596. 3.10.1.596  FW_IMSRAM32KX64E_MAIN_6_SLV_FW_REGION_0_END_ADDRESS_L Registers
        597. 3.10.1.597  FW_IMSRAM32KX64E_MAIN_6_SLV_FW_REGION_0_END_ADDRESS_H Registers
        598. 3.10.1.598  FW_IMSRAM32KX64E_MAIN_6_SLV_FW_REGION_1_CONTROL Registers
        599. 3.10.1.599  FW_IMSRAM32KX64E_MAIN_6_SLV_FW_REGION_1_PERMISSION_0 Registers
        600. 3.10.1.600  FW_IMSRAM32KX64E_MAIN_6_SLV_FW_REGION_1_PERMISSION_1 Registers
        601. 3.10.1.601  FW_IMSRAM32KX64E_MAIN_6_SLV_FW_REGION_1_PERMISSION_2 Registers
        602. 3.10.1.602  FW_IMSRAM32KX64E_MAIN_6_SLV_FW_REGION_1_START_ADDRESS_L Registers
        603. 3.10.1.603  FW_IMSRAM32KX64E_MAIN_6_SLV_FW_REGION_1_START_ADDRESS_H Registers
        604. 3.10.1.604  FW_IMSRAM32KX64E_MAIN_6_SLV_FW_REGION_1_END_ADDRESS_L Registers
        605. 3.10.1.605  FW_IMSRAM32KX64E_MAIN_6_SLV_FW_REGION_1_END_ADDRESS_H Registers
        606. 3.10.1.606  FW_IMSRAM32KX64E_MAIN_6_SLV_FW_REGION_2_CONTROL Registers
        607. 3.10.1.607  FW_IMSRAM32KX64E_MAIN_6_SLV_FW_REGION_2_PERMISSION_0 Registers
        608. 3.10.1.608  FW_IMSRAM32KX64E_MAIN_6_SLV_FW_REGION_2_PERMISSION_1 Registers
        609. 3.10.1.609  FW_IMSRAM32KX64E_MAIN_6_SLV_FW_REGION_2_PERMISSION_2 Registers
        610. 3.10.1.610  FW_IMSRAM32KX64E_MAIN_6_SLV_FW_REGION_2_START_ADDRESS_L Registers
        611. 3.10.1.611  FW_IMSRAM32KX64E_MAIN_6_SLV_FW_REGION_2_START_ADDRESS_H Registers
        612. 3.10.1.612  FW_IMSRAM32KX64E_MAIN_6_SLV_FW_REGION_2_END_ADDRESS_L Registers
        613. 3.10.1.613  FW_IMSRAM32KX64E_MAIN_6_SLV_FW_REGION_2_END_ADDRESS_H Registers
        614. 3.10.1.614  FW_IMSRAM32KX64E_MAIN_6_SLV_FW_REGION_3_CONTROL Registers
        615. 3.10.1.615  FW_IMSRAM32KX64E_MAIN_6_SLV_FW_REGION_3_PERMISSION_0 Registers
        616. 3.10.1.616  FW_IMSRAM32KX64E_MAIN_6_SLV_FW_REGION_3_PERMISSION_1 Registers
        617. 3.10.1.617  FW_IMSRAM32KX64E_MAIN_6_SLV_FW_REGION_3_PERMISSION_2 Registers
        618. 3.10.1.618  FW_IMSRAM32KX64E_MAIN_6_SLV_FW_REGION_3_START_ADDRESS_L Registers
        619. 3.10.1.619  FW_IMSRAM32KX64E_MAIN_6_SLV_FW_REGION_3_START_ADDRESS_H Registers
        620. 3.10.1.620  FW_IMSRAM32KX64E_MAIN_6_SLV_FW_REGION_3_END_ADDRESS_L Registers
        621. 3.10.1.621  FW_IMSRAM32KX64E_MAIN_6_SLV_FW_REGION_3_END_ADDRESS_H Registers
        622. 3.10.1.622  FW_IMSRAM32KX64E_MAIN_6_SLV_FW_REGION_4_CONTROL Registers
        623. 3.10.1.623  FW_IMSRAM32KX64E_MAIN_6_SLV_FW_REGION_4_PERMISSION_0 Registers
        624. 3.10.1.624  FW_IMSRAM32KX64E_MAIN_6_SLV_FW_REGION_4_PERMISSION_1 Registers
        625. 3.10.1.625  FW_IMSRAM32KX64E_MAIN_6_SLV_FW_REGION_4_PERMISSION_2 Registers
        626. 3.10.1.626  FW_IMSRAM32KX64E_MAIN_6_SLV_FW_REGION_4_START_ADDRESS_L Registers
        627. 3.10.1.627  FW_IMSRAM32KX64E_MAIN_6_SLV_FW_REGION_4_START_ADDRESS_H Registers
        628. 3.10.1.628  FW_IMSRAM32KX64E_MAIN_6_SLV_FW_REGION_4_END_ADDRESS_L Registers
        629. 3.10.1.629  FW_IMSRAM32KX64E_MAIN_6_SLV_FW_REGION_4_END_ADDRESS_H Registers
        630. 3.10.1.630  FW_IMSRAM32KX64E_MAIN_6_SLV_FW_REGION_5_CONTROL Registers
        631. 3.10.1.631  FW_IMSRAM32KX64E_MAIN_6_SLV_FW_REGION_5_PERMISSION_0 Registers
        632. 3.10.1.632  FW_IMSRAM32KX64E_MAIN_6_SLV_FW_REGION_5_PERMISSION_1 Registers
        633. 3.10.1.633  FW_IMSRAM32KX64E_MAIN_6_SLV_FW_REGION_5_PERMISSION_2 Registers
        634. 3.10.1.634  FW_IMSRAM32KX64E_MAIN_6_SLV_FW_REGION_5_START_ADDRESS_L Registers
        635. 3.10.1.635  FW_IMSRAM32KX64E_MAIN_6_SLV_FW_REGION_5_START_ADDRESS_H Registers
        636. 3.10.1.636  FW_IMSRAM32KX64E_MAIN_6_SLV_FW_REGION_5_END_ADDRESS_L Registers
        637. 3.10.1.637  FW_IMSRAM32KX64E_MAIN_6_SLV_FW_REGION_5_END_ADDRESS_H Registers
        638. 3.10.1.638  FW_IMSRAM32KX64E_MAIN_6_SLV_FW_REGION_6_CONTROL Registers
        639. 3.10.1.639  FW_IMSRAM32KX64E_MAIN_6_SLV_FW_REGION_6_PERMISSION_0 Registers
        640. 3.10.1.640  FW_IMSRAM32KX64E_MAIN_6_SLV_FW_REGION_6_PERMISSION_1 Registers
        641. 3.10.1.641  FW_IMSRAM32KX64E_MAIN_6_SLV_FW_REGION_6_PERMISSION_2 Registers
        642. 3.10.1.642  FW_IMSRAM32KX64E_MAIN_6_SLV_FW_REGION_6_START_ADDRESS_L Registers
        643. 3.10.1.643  FW_IMSRAM32KX64E_MAIN_6_SLV_FW_REGION_6_START_ADDRESS_H Registers
        644. 3.10.1.644  FW_IMSRAM32KX64E_MAIN_6_SLV_FW_REGION_6_END_ADDRESS_L Registers
        645. 3.10.1.645  FW_IMSRAM32KX64E_MAIN_6_SLV_FW_REGION_6_END_ADDRESS_H Registers
        646. 3.10.1.646  FW_IMSRAM32KX64E_MAIN_6_SLV_FW_REGION_7_CONTROL Registers
        647. 3.10.1.647  FW_IMSRAM32KX64E_MAIN_6_SLV_FW_REGION_7_PERMISSION_0 Registers
        648. 3.10.1.648  FW_IMSRAM32KX64E_MAIN_6_SLV_FW_REGION_7_PERMISSION_1 Registers
        649. 3.10.1.649  FW_IMSRAM32KX64E_MAIN_6_SLV_FW_REGION_7_PERMISSION_2 Registers
        650. 3.10.1.650  FW_IMSRAM32KX64E_MAIN_6_SLV_FW_REGION_7_START_ADDRESS_L Registers
        651. 3.10.1.651  FW_IMSRAM32KX64E_MAIN_6_SLV_FW_REGION_7_START_ADDRESS_H Registers
        652. 3.10.1.652  FW_IMSRAM32KX64E_MAIN_6_SLV_FW_REGION_7_END_ADDRESS_L Registers
        653. 3.10.1.653  FW_IMSRAM32KX64E_MAIN_6_SLV_FW_REGION_7_END_ADDRESS_H Registers
        654. 3.10.1.654  FW_IMSRAM32KX64E_MAIN_7_SLV_FW_REGION_0_CONTROL Registers
        655. 3.10.1.655  FW_IMSRAM32KX64E_MAIN_7_SLV_FW_REGION_0_PERMISSION_0 Registers
        656. 3.10.1.656  FW_IMSRAM32KX64E_MAIN_7_SLV_FW_REGION_0_PERMISSION_1 Registers
        657. 3.10.1.657  FW_IMSRAM32KX64E_MAIN_7_SLV_FW_REGION_0_PERMISSION_2 Registers
        658. 3.10.1.658  FW_IMSRAM32KX64E_MAIN_7_SLV_FW_REGION_0_START_ADDRESS_L Registers
        659. 3.10.1.659  FW_IMSRAM32KX64E_MAIN_7_SLV_FW_REGION_0_START_ADDRESS_H Registers
        660. 3.10.1.660  FW_IMSRAM32KX64E_MAIN_7_SLV_FW_REGION_0_END_ADDRESS_L Registers
        661. 3.10.1.661  FW_IMSRAM32KX64E_MAIN_7_SLV_FW_REGION_0_END_ADDRESS_H Registers
        662. 3.10.1.662  FW_IMSRAM32KX64E_MAIN_7_SLV_FW_REGION_1_CONTROL Registers
        663. 3.10.1.663  FW_IMSRAM32KX64E_MAIN_7_SLV_FW_REGION_1_PERMISSION_0 Registers
        664. 3.10.1.664  FW_IMSRAM32KX64E_MAIN_7_SLV_FW_REGION_1_PERMISSION_1 Registers
        665. 3.10.1.665  FW_IMSRAM32KX64E_MAIN_7_SLV_FW_REGION_1_PERMISSION_2 Registers
        666. 3.10.1.666  FW_IMSRAM32KX64E_MAIN_7_SLV_FW_REGION_1_START_ADDRESS_L Registers
        667. 3.10.1.667  FW_IMSRAM32KX64E_MAIN_7_SLV_FW_REGION_1_START_ADDRESS_H Registers
        668. 3.10.1.668  FW_IMSRAM32KX64E_MAIN_7_SLV_FW_REGION_1_END_ADDRESS_L Registers
        669. 3.10.1.669  FW_IMSRAM32KX64E_MAIN_7_SLV_FW_REGION_1_END_ADDRESS_H Registers
        670. 3.10.1.670  FW_IMSRAM32KX64E_MAIN_7_SLV_FW_REGION_2_CONTROL Registers
        671. 3.10.1.671  FW_IMSRAM32KX64E_MAIN_7_SLV_FW_REGION_2_PERMISSION_0 Registers
        672. 3.10.1.672  FW_IMSRAM32KX64E_MAIN_7_SLV_FW_REGION_2_PERMISSION_1 Registers
        673. 3.10.1.673  FW_IMSRAM32KX64E_MAIN_7_SLV_FW_REGION_2_PERMISSION_2 Registers
        674. 3.10.1.674  FW_IMSRAM32KX64E_MAIN_7_SLV_FW_REGION_2_START_ADDRESS_L Registers
        675. 3.10.1.675  FW_IMSRAM32KX64E_MAIN_7_SLV_FW_REGION_2_START_ADDRESS_H Registers
        676. 3.10.1.676  FW_IMSRAM32KX64E_MAIN_7_SLV_FW_REGION_2_END_ADDRESS_L Registers
        677. 3.10.1.677  FW_IMSRAM32KX64E_MAIN_7_SLV_FW_REGION_2_END_ADDRESS_H Registers
        678. 3.10.1.678  FW_IMSRAM32KX64E_MAIN_7_SLV_FW_REGION_3_CONTROL Registers
        679. 3.10.1.679  FW_IMSRAM32KX64E_MAIN_7_SLV_FW_REGION_3_PERMISSION_0 Registers
        680. 3.10.1.680  FW_IMSRAM32KX64E_MAIN_7_SLV_FW_REGION_3_PERMISSION_1 Registers
        681. 3.10.1.681  FW_IMSRAM32KX64E_MAIN_7_SLV_FW_REGION_3_PERMISSION_2 Registers
        682. 3.10.1.682  FW_IMSRAM32KX64E_MAIN_7_SLV_FW_REGION_3_START_ADDRESS_L Registers
        683. 3.10.1.683  FW_IMSRAM32KX64E_MAIN_7_SLV_FW_REGION_3_START_ADDRESS_H Registers
        684. 3.10.1.684  FW_IMSRAM32KX64E_MAIN_7_SLV_FW_REGION_3_END_ADDRESS_L Registers
        685. 3.10.1.685  FW_IMSRAM32KX64E_MAIN_7_SLV_FW_REGION_3_END_ADDRESS_H Registers
        686. 3.10.1.686  FW_IMSRAM32KX64E_MAIN_7_SLV_FW_REGION_4_CONTROL Registers
        687. 3.10.1.687  FW_IMSRAM32KX64E_MAIN_7_SLV_FW_REGION_4_PERMISSION_0 Registers
        688. 3.10.1.688  FW_IMSRAM32KX64E_MAIN_7_SLV_FW_REGION_4_PERMISSION_1 Registers
        689. 3.10.1.689  FW_IMSRAM32KX64E_MAIN_7_SLV_FW_REGION_4_PERMISSION_2 Registers
        690. 3.10.1.690  FW_IMSRAM32KX64E_MAIN_7_SLV_FW_REGION_4_START_ADDRESS_L Registers
        691. 3.10.1.691  FW_IMSRAM32KX64E_MAIN_7_SLV_FW_REGION_4_START_ADDRESS_H Registers
        692. 3.10.1.692  FW_IMSRAM32KX64E_MAIN_7_SLV_FW_REGION_4_END_ADDRESS_L Registers
        693. 3.10.1.693  FW_IMSRAM32KX64E_MAIN_7_SLV_FW_REGION_4_END_ADDRESS_H Registers
        694. 3.10.1.694  FW_IMSRAM32KX64E_MAIN_7_SLV_FW_REGION_5_CONTROL Registers
        695. 3.10.1.695  FW_IMSRAM32KX64E_MAIN_7_SLV_FW_REGION_5_PERMISSION_0 Registers
        696. 3.10.1.696  FW_IMSRAM32KX64E_MAIN_7_SLV_FW_REGION_5_PERMISSION_1 Registers
        697. 3.10.1.697  FW_IMSRAM32KX64E_MAIN_7_SLV_FW_REGION_5_PERMISSION_2 Registers
        698. 3.10.1.698  FW_IMSRAM32KX64E_MAIN_7_SLV_FW_REGION_5_START_ADDRESS_L Registers
        699. 3.10.1.699  FW_IMSRAM32KX64E_MAIN_7_SLV_FW_REGION_5_START_ADDRESS_H Registers
        700. 3.10.1.700  FW_IMSRAM32KX64E_MAIN_7_SLV_FW_REGION_5_END_ADDRESS_L Registers
        701. 3.10.1.701  FW_IMSRAM32KX64E_MAIN_7_SLV_FW_REGION_5_END_ADDRESS_H Registers
        702. 3.10.1.702  FW_IMSRAM32KX64E_MAIN_7_SLV_FW_REGION_6_CONTROL Registers
        703. 3.10.1.703  FW_IMSRAM32KX64E_MAIN_7_SLV_FW_REGION_6_PERMISSION_0 Registers
        704. 3.10.1.704  FW_IMSRAM32KX64E_MAIN_7_SLV_FW_REGION_6_PERMISSION_1 Registers
        705. 3.10.1.705  FW_IMSRAM32KX64E_MAIN_7_SLV_FW_REGION_6_PERMISSION_2 Registers
        706. 3.10.1.706  FW_IMSRAM32KX64E_MAIN_7_SLV_FW_REGION_6_START_ADDRESS_L Registers
        707. 3.10.1.707  FW_IMSRAM32KX64E_MAIN_7_SLV_FW_REGION_6_START_ADDRESS_H Registers
        708. 3.10.1.708  FW_IMSRAM32KX64E_MAIN_7_SLV_FW_REGION_6_END_ADDRESS_L Registers
        709. 3.10.1.709  FW_IMSRAM32KX64E_MAIN_7_SLV_FW_REGION_6_END_ADDRESS_H Registers
        710. 3.10.1.710  FW_IMSRAM32KX64E_MAIN_7_SLV_FW_REGION_7_CONTROL Registers
        711. 3.10.1.711  FW_IMSRAM32KX64E_MAIN_7_SLV_FW_REGION_7_PERMISSION_0 Registers
        712. 3.10.1.712  FW_IMSRAM32KX64E_MAIN_7_SLV_FW_REGION_7_PERMISSION_1 Registers
        713. 3.10.1.713  FW_IMSRAM32KX64E_MAIN_7_SLV_FW_REGION_7_PERMISSION_2 Registers
        714. 3.10.1.714  FW_IMSRAM32KX64E_MAIN_7_SLV_FW_REGION_7_START_ADDRESS_L Registers
        715. 3.10.1.715  FW_IMSRAM32KX64E_MAIN_7_SLV_FW_REGION_7_START_ADDRESS_H Registers
        716. 3.10.1.716  FW_IMSRAM32KX64E_MAIN_7_SLV_FW_REGION_7_END_ADDRESS_L Registers
        717. 3.10.1.717  FW_IMSRAM32KX64E_MAIN_7_SLV_FW_REGION_7_END_ADDRESS_H Registers
        718. 3.10.1.718  ISC_ISAM64_A53_256KB_WRAP_MAIN_0_A53_DUAL_WRAP_CBA_AXI_R_ISC_REGION_0_CONTROL Registers
        719. 3.10.1.719  ISC_ISAM64_A53_256KB_WRAP_MAIN_0_A53_DUAL_WRAP_CBA_AXI_R_ISC_REGION_0_START_ADDRESS_L Registers
        720. 3.10.1.720  ISC_ISAM64_A53_256KB_WRAP_MAIN_0_A53_DUAL_WRAP_CBA_AXI_R_ISC_REGION_0_START_ADDRESS_H Registers
        721. 3.10.1.721  ISC_ISAM64_A53_256KB_WRAP_MAIN_0_A53_DUAL_WRAP_CBA_AXI_R_ISC_REGION_0_END_ADDRESS_L Registers
        722. 3.10.1.722  ISC_ISAM64_A53_256KB_WRAP_MAIN_0_A53_DUAL_WRAP_CBA_AXI_R_ISC_REGION_0_END_ADDRESS_H Registers
        723. 3.10.1.723  ISC_ISAM64_A53_256KB_WRAP_MAIN_0_A53_DUAL_WRAP_CBA_AXI_R_ISC_REGION_DEF_CONTROL Registers
        724. 3.10.1.724  ISC_ISAM64_A53_256KB_WRAP_MAIN_0_A53_DUAL_WRAP_CBA_AXI_W_ISC_REGION_0_CONTROL Registers
        725. 3.10.1.725  ISC_ISAM64_A53_256KB_WRAP_MAIN_0_A53_DUAL_WRAP_CBA_AXI_W_ISC_REGION_0_START_ADDRESS_L Registers
        726. 3.10.1.726  ISC_ISAM64_A53_256KB_WRAP_MAIN_0_A53_DUAL_WRAP_CBA_AXI_W_ISC_REGION_0_START_ADDRESS_H Registers
        727. 3.10.1.727  ISC_ISAM64_A53_256KB_WRAP_MAIN_0_A53_DUAL_WRAP_CBA_AXI_W_ISC_REGION_0_END_ADDRESS_L Registers
        728. 3.10.1.728  ISC_ISAM64_A53_256KB_WRAP_MAIN_0_A53_DUAL_WRAP_CBA_AXI_W_ISC_REGION_0_END_ADDRESS_H Registers
        729. 3.10.1.729  ISC_ISAM64_A53_256KB_WRAP_MAIN_0_A53_DUAL_WRAP_CBA_AXI_W_ISC_REGION_DEF_CONTROL Registers
        730. 3.10.1.730  ISC_IEMMC8SS_16FFC_MAIN_0_EMMCSS_WR_ISC_REGION_0_CONTROL Registers
        731. 3.10.1.731  ISC_IEMMC8SS_16FFC_MAIN_0_EMMCSS_WR_ISC_REGION_0_START_ADDRESS_L Registers
        732. 3.10.1.732  ISC_IEMMC8SS_16FFC_MAIN_0_EMMCSS_WR_ISC_REGION_0_START_ADDRESS_H Registers
        733. 3.10.1.733  ISC_IEMMC8SS_16FFC_MAIN_0_EMMCSS_WR_ISC_REGION_0_END_ADDRESS_L Registers
        734. 3.10.1.734  ISC_IEMMC8SS_16FFC_MAIN_0_EMMCSS_WR_ISC_REGION_0_END_ADDRESS_H Registers
        735. 3.10.1.735  ISC_IEMMC8SS_16FFC_MAIN_0_EMMCSS_WR_ISC_REGION_DEF_CONTROL Registers
        736. 3.10.1.736  ISC_IEMMC8SS_16FFC_MAIN_0_EMMCSS_RD_ISC_REGION_0_CONTROL Registers
        737. 3.10.1.737  ISC_IEMMC8SS_16FFC_MAIN_0_EMMCSS_RD_ISC_REGION_0_START_ADDRESS_L Registers
        738. 3.10.1.738  ISC_IEMMC8SS_16FFC_MAIN_0_EMMCSS_RD_ISC_REGION_0_START_ADDRESS_H Registers
        739. 3.10.1.739  ISC_IEMMC8SS_16FFC_MAIN_0_EMMCSS_RD_ISC_REGION_0_END_ADDRESS_L Registers
        740. 3.10.1.740  ISC_IEMMC8SS_16FFC_MAIN_0_EMMCSS_RD_ISC_REGION_0_END_ADDRESS_H Registers
        741. 3.10.1.741  ISC_IEMMC8SS_16FFC_MAIN_0_EMMCSS_RD_ISC_REGION_DEF_CONTROL Registers
        742. 3.10.1.742  ISC_IGIC500SS_1_2_MAIN_0_MEM_WR_VBUSM_ISC_REGION_0_CONTROL Registers
        743. 3.10.1.743  ISC_IGIC500SS_1_2_MAIN_0_MEM_WR_VBUSM_ISC_REGION_0_START_ADDRESS_L Registers
        744. 3.10.1.744  ISC_IGIC500SS_1_2_MAIN_0_MEM_WR_VBUSM_ISC_REGION_0_START_ADDRESS_H Registers
        745. 3.10.1.745  ISC_IGIC500SS_1_2_MAIN_0_MEM_WR_VBUSM_ISC_REGION_0_END_ADDRESS_L Registers
        746. 3.10.1.746  ISC_IGIC500SS_1_2_MAIN_0_MEM_WR_VBUSM_ISC_REGION_0_END_ADDRESS_H Registers
        747. 3.10.1.747  ISC_IGIC500SS_1_2_MAIN_0_MEM_WR_VBUSM_ISC_REGION_DEF_CONTROL Registers
        748. 3.10.1.748  ISC_IGIC500SS_1_2_MAIN_0_MEM_RD_VBUSM_ISC_REGION_0_CONTROL Registers
        749. 3.10.1.749  ISC_IGIC500SS_1_2_MAIN_0_MEM_RD_VBUSM_ISC_REGION_0_START_ADDRESS_L Registers
        750. 3.10.1.750  ISC_IGIC500SS_1_2_MAIN_0_MEM_RD_VBUSM_ISC_REGION_0_START_ADDRESS_H Registers
        751. 3.10.1.751  ISC_IGIC500SS_1_2_MAIN_0_MEM_RD_VBUSM_ISC_REGION_0_END_ADDRESS_L Registers
        752. 3.10.1.752  ISC_IGIC500SS_1_2_MAIN_0_MEM_RD_VBUSM_ISC_REGION_0_END_ADDRESS_H Registers
        753. 3.10.1.753  ISC_IGIC500SS_1_2_MAIN_0_MEM_RD_VBUSM_ISC_REGION_DEF_CONTROL Registers
        754. 3.10.1.754  ISC_IPULSAR_LITE_MAIN_0_CPU0_RMST_ISC_REGION_0_CONTROL Registers
        755. 3.10.1.755  ISC_IPULSAR_LITE_MAIN_0_CPU0_RMST_ISC_REGION_0_START_ADDRESS_L Registers
        756. 3.10.1.756  ISC_IPULSAR_LITE_MAIN_0_CPU0_RMST_ISC_REGION_0_START_ADDRESS_H Registers
        757. 3.10.1.757  ISC_IPULSAR_LITE_MAIN_0_CPU0_RMST_ISC_REGION_0_END_ADDRESS_L Registers
        758. 3.10.1.758  ISC_IPULSAR_LITE_MAIN_0_CPU0_RMST_ISC_REGION_0_END_ADDRESS_H Registers
        759. 3.10.1.759  ISC_IPULSAR_LITE_MAIN_0_CPU0_RMST_ISC_REGION_DEF_CONTROL Registers
        760. 3.10.1.760  ISC_IPULSAR_LITE_MAIN_0_CPU0_WMST_ISC_REGION_0_CONTROL Registers
        761. 3.10.1.761  ISC_IPULSAR_LITE_MAIN_0_CPU0_WMST_ISC_REGION_0_START_ADDRESS_L Registers
        762. 3.10.1.762  ISC_IPULSAR_LITE_MAIN_0_CPU0_WMST_ISC_REGION_0_START_ADDRESS_H Registers
        763. 3.10.1.763  ISC_IPULSAR_LITE_MAIN_0_CPU0_WMST_ISC_REGION_0_END_ADDRESS_L Registers
        764. 3.10.1.764  ISC_IPULSAR_LITE_MAIN_0_CPU0_WMST_ISC_REGION_0_END_ADDRESS_H Registers
        765. 3.10.1.765  ISC_IPULSAR_LITE_MAIN_0_CPU0_WMST_ISC_REGION_DEF_CONTROL Registers
        766. 3.10.1.766  ISC_IPULSAR_LITE_MAIN_0_CPU1_RMST_ISC_REGION_0_CONTROL Registers
        767. 3.10.1.767  ISC_IPULSAR_LITE_MAIN_0_CPU1_RMST_ISC_REGION_0_START_ADDRESS_L Registers
        768. 3.10.1.768  ISC_IPULSAR_LITE_MAIN_0_CPU1_RMST_ISC_REGION_0_START_ADDRESS_H Registers
        769. 3.10.1.769  ISC_IPULSAR_LITE_MAIN_0_CPU1_RMST_ISC_REGION_0_END_ADDRESS_L Registers
        770. 3.10.1.770  ISC_IPULSAR_LITE_MAIN_0_CPU1_RMST_ISC_REGION_0_END_ADDRESS_H Registers
        771. 3.10.1.771  ISC_IPULSAR_LITE_MAIN_0_CPU1_RMST_ISC_REGION_DEF_CONTROL Registers
        772. 3.10.1.772  ISC_IPULSAR_LITE_MAIN_0_CPU1_WMST_ISC_REGION_0_CONTROL Registers
        773. 3.10.1.773  ISC_IPULSAR_LITE_MAIN_0_CPU1_WMST_ISC_REGION_0_START_ADDRESS_L Registers
        774. 3.10.1.774  ISC_IPULSAR_LITE_MAIN_0_CPU1_WMST_ISC_REGION_0_START_ADDRESS_H Registers
        775. 3.10.1.775  ISC_IPULSAR_LITE_MAIN_0_CPU1_WMST_ISC_REGION_0_END_ADDRESS_L Registers
        776. 3.10.1.776  ISC_IPULSAR_LITE_MAIN_0_CPU1_WMST_ISC_REGION_0_END_ADDRESS_H Registers
        777. 3.10.1.777  ISC_IPULSAR_LITE_MAIN_0_CPU1_WMST_ISC_REGION_DEF_CONTROL Registers
        778. 3.10.1.778  ISC_IPULSAR_LITE_MAIN_1_CPU0_RMST_ISC_REGION_0_CONTROL Registers
        779. 3.10.1.779  ISC_IPULSAR_LITE_MAIN_1_CPU0_RMST_ISC_REGION_0_START_ADDRESS_L Registers
        780. 3.10.1.780  ISC_IPULSAR_LITE_MAIN_1_CPU0_RMST_ISC_REGION_0_START_ADDRESS_H Registers
        781. 3.10.1.781  ISC_IPULSAR_LITE_MAIN_1_CPU0_RMST_ISC_REGION_0_END_ADDRESS_L Registers
        782. 3.10.1.782  ISC_IPULSAR_LITE_MAIN_1_CPU0_RMST_ISC_REGION_0_END_ADDRESS_H Registers
        783. 3.10.1.783  ISC_IPULSAR_LITE_MAIN_1_CPU0_RMST_ISC_REGION_DEF_CONTROL Registers
        784. 3.10.1.784  ISC_IPULSAR_LITE_MAIN_1_CPU0_WMST_ISC_REGION_0_CONTROL Registers
        785. 3.10.1.785  ISC_IPULSAR_LITE_MAIN_1_CPU0_WMST_ISC_REGION_0_START_ADDRESS_L Registers
        786. 3.10.1.786  ISC_IPULSAR_LITE_MAIN_1_CPU0_WMST_ISC_REGION_0_START_ADDRESS_H Registers
        787. 3.10.1.787  ISC_IPULSAR_LITE_MAIN_1_CPU0_WMST_ISC_REGION_0_END_ADDRESS_L Registers
        788. 3.10.1.788  ISC_IPULSAR_LITE_MAIN_1_CPU0_WMST_ISC_REGION_0_END_ADDRESS_H Registers
        789. 3.10.1.789  ISC_IPULSAR_LITE_MAIN_1_CPU0_WMST_ISC_REGION_DEF_CONTROL Registers
        790. 3.10.1.790  ISC_IPULSAR_LITE_MAIN_1_CPU1_RMST_ISC_REGION_0_CONTROL Registers
        791. 3.10.1.791  ISC_IPULSAR_LITE_MAIN_1_CPU1_RMST_ISC_REGION_0_START_ADDRESS_L Registers
        792. 3.10.1.792  ISC_IPULSAR_LITE_MAIN_1_CPU1_RMST_ISC_REGION_0_START_ADDRESS_H Registers
        793. 3.10.1.793  ISC_IPULSAR_LITE_MAIN_1_CPU1_RMST_ISC_REGION_0_END_ADDRESS_L Registers
        794. 3.10.1.794  ISC_IPULSAR_LITE_MAIN_1_CPU1_RMST_ISC_REGION_0_END_ADDRESS_H Registers
        795. 3.10.1.795  ISC_IPULSAR_LITE_MAIN_1_CPU1_RMST_ISC_REGION_DEF_CONTROL Registers
        796. 3.10.1.796  ISC_IPULSAR_LITE_MAIN_1_CPU1_WMST_ISC_REGION_0_CONTROL Registers
        797. 3.10.1.797  ISC_IPULSAR_LITE_MAIN_1_CPU1_WMST_ISC_REGION_0_START_ADDRESS_L Registers
        798. 3.10.1.798  ISC_IPULSAR_LITE_MAIN_1_CPU1_WMST_ISC_REGION_0_START_ADDRESS_H Registers
        799. 3.10.1.799  ISC_IPULSAR_LITE_MAIN_1_CPU1_WMST_ISC_REGION_0_END_ADDRESS_L Registers
        800. 3.10.1.800  ISC_IPULSAR_LITE_MAIN_1_CPU1_WMST_ISC_REGION_0_END_ADDRESS_H Registers
        801. 3.10.1.801  ISC_IPULSAR_LITE_MAIN_1_CPU1_WMST_ISC_REGION_DEF_CONTROL Registers
        802. 3.10.1.802  ISC_IICSS_G_16FF_MAIN_0_PR1_EXT_VBUSM_ISC_REGION_0_CONTROL Registers
        803. 3.10.1.803  ISC_IICSS_G_16FF_MAIN_0_PR1_EXT_VBUSM_ISC_REGION_0_START_ADDRESS_L Registers
        804. 3.10.1.804  ISC_IICSS_G_16FF_MAIN_0_PR1_EXT_VBUSM_ISC_REGION_0_START_ADDRESS_H Registers
        805. 3.10.1.805  ISC_IICSS_G_16FF_MAIN_0_PR1_EXT_VBUSM_ISC_REGION_0_END_ADDRESS_L Registers
        806. 3.10.1.806  ISC_IICSS_G_16FF_MAIN_0_PR1_EXT_VBUSM_ISC_REGION_0_END_ADDRESS_H Registers
        807. 3.10.1.807  ISC_IICSS_G_16FF_MAIN_0_PR1_EXT_VBUSM_ISC_REGION_1_CONTROL Registers
        808. 3.10.1.808  ISC_IICSS_G_16FF_MAIN_0_PR1_EXT_VBUSM_ISC_REGION_1_START_ADDRESS_L Registers
        809. 3.10.1.809  ISC_IICSS_G_16FF_MAIN_0_PR1_EXT_VBUSM_ISC_REGION_1_START_ADDRESS_H Registers
        810. 3.10.1.810  ISC_IICSS_G_16FF_MAIN_0_PR1_EXT_VBUSM_ISC_REGION_1_END_ADDRESS_L Registers
        811. 3.10.1.811  ISC_IICSS_G_16FF_MAIN_0_PR1_EXT_VBUSM_ISC_REGION_1_END_ADDRESS_H Registers
        812. 3.10.1.812  ISC_IICSS_G_16FF_MAIN_0_PR1_EXT_VBUSM_ISC_REGION_2_CONTROL Registers
        813. 3.10.1.813  ISC_IICSS_G_16FF_MAIN_0_PR1_EXT_VBUSM_ISC_REGION_2_START_ADDRESS_L Registers
        814. 3.10.1.814  ISC_IICSS_G_16FF_MAIN_0_PR1_EXT_VBUSM_ISC_REGION_2_START_ADDRESS_H Registers
        815. 3.10.1.815  ISC_IICSS_G_16FF_MAIN_0_PR1_EXT_VBUSM_ISC_REGION_2_END_ADDRESS_L Registers
        816. 3.10.1.816  ISC_IICSS_G_16FF_MAIN_0_PR1_EXT_VBUSM_ISC_REGION_2_END_ADDRESS_H Registers
        817. 3.10.1.817  ISC_IICSS_G_16FF_MAIN_0_PR1_EXT_VBUSM_ISC_REGION_3_CONTROL Registers
        818. 3.10.1.818  ISC_IICSS_G_16FF_MAIN_0_PR1_EXT_VBUSM_ISC_REGION_3_START_ADDRESS_L Registers
        819. 3.10.1.819  ISC_IICSS_G_16FF_MAIN_0_PR1_EXT_VBUSM_ISC_REGION_3_START_ADDRESS_H Registers
        820. 3.10.1.820  ISC_IICSS_G_16FF_MAIN_0_PR1_EXT_VBUSM_ISC_REGION_3_END_ADDRESS_L Registers
        821. 3.10.1.821  ISC_IICSS_G_16FF_MAIN_0_PR1_EXT_VBUSM_ISC_REGION_3_END_ADDRESS_H Registers
        822. 3.10.1.822  ISC_IICSS_G_16FF_MAIN_0_PR1_EXT_VBUSM_ISC_REGION_4_CONTROL Registers
        823. 3.10.1.823  ISC_IICSS_G_16FF_MAIN_0_PR1_EXT_VBUSM_ISC_REGION_4_START_ADDRESS_L Registers
        824. 3.10.1.824  ISC_IICSS_G_16FF_MAIN_0_PR1_EXT_VBUSM_ISC_REGION_4_START_ADDRESS_H Registers
        825. 3.10.1.825  ISC_IICSS_G_16FF_MAIN_0_PR1_EXT_VBUSM_ISC_REGION_4_END_ADDRESS_L Registers
        826. 3.10.1.826  ISC_IICSS_G_16FF_MAIN_0_PR1_EXT_VBUSM_ISC_REGION_4_END_ADDRESS_H Registers
        827. 3.10.1.827  ISC_IICSS_G_16FF_MAIN_0_PR1_EXT_VBUSM_ISC_REGION_5_CONTROL Registers
        828. 3.10.1.828  ISC_IICSS_G_16FF_MAIN_0_PR1_EXT_VBUSM_ISC_REGION_5_START_ADDRESS_L Registers
        829. 3.10.1.829  ISC_IICSS_G_16FF_MAIN_0_PR1_EXT_VBUSM_ISC_REGION_5_START_ADDRESS_H Registers
        830. 3.10.1.830  ISC_IICSS_G_16FF_MAIN_0_PR1_EXT_VBUSM_ISC_REGION_5_END_ADDRESS_L Registers
        831. 3.10.1.831  ISC_IICSS_G_16FF_MAIN_0_PR1_EXT_VBUSM_ISC_REGION_5_END_ADDRESS_H Registers
        832. 3.10.1.832  ISC_IICSS_G_16FF_MAIN_0_PR1_EXT_VBUSM_ISC_REGION_6_CONTROL Registers
        833. 3.10.1.833  ISC_IICSS_G_16FF_MAIN_0_PR1_EXT_VBUSM_ISC_REGION_6_START_ADDRESS_L Registers
        834. 3.10.1.834  ISC_IICSS_G_16FF_MAIN_0_PR1_EXT_VBUSM_ISC_REGION_6_START_ADDRESS_H Registers
        835. 3.10.1.835  ISC_IICSS_G_16FF_MAIN_0_PR1_EXT_VBUSM_ISC_REGION_6_END_ADDRESS_L Registers
        836. 3.10.1.836  ISC_IICSS_G_16FF_MAIN_0_PR1_EXT_VBUSM_ISC_REGION_6_END_ADDRESS_H Registers
        837. 3.10.1.837  ISC_IICSS_G_16FF_MAIN_0_PR1_EXT_VBUSM_ISC_REGION_7_CONTROL Registers
        838. 3.10.1.838  ISC_IICSS_G_16FF_MAIN_0_PR1_EXT_VBUSM_ISC_REGION_7_START_ADDRESS_L Registers
        839. 3.10.1.839  ISC_IICSS_G_16FF_MAIN_0_PR1_EXT_VBUSM_ISC_REGION_7_START_ADDRESS_H Registers
        840. 3.10.1.840  ISC_IICSS_G_16FF_MAIN_0_PR1_EXT_VBUSM_ISC_REGION_7_END_ADDRESS_L Registers
        841. 3.10.1.841  ISC_IICSS_G_16FF_MAIN_0_PR1_EXT_VBUSM_ISC_REGION_7_END_ADDRESS_H Registers
        842. 3.10.1.842  ISC_IICSS_G_16FF_MAIN_0_PR1_EXT_VBUSM_ISC_REGION_8_CONTROL Registers
        843. 3.10.1.843  ISC_IICSS_G_16FF_MAIN_0_PR1_EXT_VBUSM_ISC_REGION_8_START_ADDRESS_L Registers
        844. 3.10.1.844  ISC_IICSS_G_16FF_MAIN_0_PR1_EXT_VBUSM_ISC_REGION_8_START_ADDRESS_H Registers
        845. 3.10.1.845  ISC_IICSS_G_16FF_MAIN_0_PR1_EXT_VBUSM_ISC_REGION_8_END_ADDRESS_L Registers
        846. 3.10.1.846  ISC_IICSS_G_16FF_MAIN_0_PR1_EXT_VBUSM_ISC_REGION_8_END_ADDRESS_H Registers
        847. 3.10.1.847  ISC_IICSS_G_16FF_MAIN_0_PR1_EXT_VBUSM_ISC_REGION_9_CONTROL Registers
        848. 3.10.1.848  ISC_IICSS_G_16FF_MAIN_0_PR1_EXT_VBUSM_ISC_REGION_9_START_ADDRESS_L Registers
        849. 3.10.1.849  ISC_IICSS_G_16FF_MAIN_0_PR1_EXT_VBUSM_ISC_REGION_9_START_ADDRESS_H Registers
        850. 3.10.1.850  ISC_IICSS_G_16FF_MAIN_0_PR1_EXT_VBUSM_ISC_REGION_9_END_ADDRESS_L Registers
        851. 3.10.1.851  ISC_IICSS_G_16FF_MAIN_0_PR1_EXT_VBUSM_ISC_REGION_9_END_ADDRESS_H Registers
        852. 3.10.1.852  ISC_IICSS_G_16FF_MAIN_0_PR1_EXT_VBUSM_ISC_REGION_10_CONTROL Registers
        853. 3.10.1.853  ISC_IICSS_G_16FF_MAIN_0_PR1_EXT_VBUSM_ISC_REGION_10_START_ADDRESS_L Registers
        854. 3.10.1.854  ISC_IICSS_G_16FF_MAIN_0_PR1_EXT_VBUSM_ISC_REGION_10_START_ADDRESS_H Registers
        855. 3.10.1.855  ISC_IICSS_G_16FF_MAIN_0_PR1_EXT_VBUSM_ISC_REGION_10_END_ADDRESS_L Registers
        856. 3.10.1.856  ISC_IICSS_G_16FF_MAIN_0_PR1_EXT_VBUSM_ISC_REGION_10_END_ADDRESS_H Registers
        857. 3.10.1.857  ISC_IICSS_G_16FF_MAIN_0_PR1_EXT_VBUSM_ISC_REGION_11_CONTROL Registers
        858. 3.10.1.858  ISC_IICSS_G_16FF_MAIN_0_PR1_EXT_VBUSM_ISC_REGION_11_START_ADDRESS_L Registers
        859. 3.10.1.859  ISC_IICSS_G_16FF_MAIN_0_PR1_EXT_VBUSM_ISC_REGION_11_START_ADDRESS_H Registers
        860. 3.10.1.860  ISC_IICSS_G_16FF_MAIN_0_PR1_EXT_VBUSM_ISC_REGION_11_END_ADDRESS_L Registers
        861. 3.10.1.861  ISC_IICSS_G_16FF_MAIN_0_PR1_EXT_VBUSM_ISC_REGION_11_END_ADDRESS_H Registers
        862. 3.10.1.862  ISC_IICSS_G_16FF_MAIN_0_PR1_EXT_VBUSM_ISC_REGION_12_CONTROL Registers
        863. 3.10.1.863  ISC_IICSS_G_16FF_MAIN_0_PR1_EXT_VBUSM_ISC_REGION_12_START_ADDRESS_L Registers
        864. 3.10.1.864  ISC_IICSS_G_16FF_MAIN_0_PR1_EXT_VBUSM_ISC_REGION_12_START_ADDRESS_H Registers
        865. 3.10.1.865  ISC_IICSS_G_16FF_MAIN_0_PR1_EXT_VBUSM_ISC_REGION_12_END_ADDRESS_L Registers
        866. 3.10.1.866  ISC_IICSS_G_16FF_MAIN_0_PR1_EXT_VBUSM_ISC_REGION_12_END_ADDRESS_H Registers
        867. 3.10.1.867  ISC_IICSS_G_16FF_MAIN_0_PR1_EXT_VBUSM_ISC_REGION_13_CONTROL Registers
        868. 3.10.1.868  ISC_IICSS_G_16FF_MAIN_0_PR1_EXT_VBUSM_ISC_REGION_13_START_ADDRESS_L Registers
        869. 3.10.1.869  ISC_IICSS_G_16FF_MAIN_0_PR1_EXT_VBUSM_ISC_REGION_13_START_ADDRESS_H Registers
        870. 3.10.1.870  ISC_IICSS_G_16FF_MAIN_0_PR1_EXT_VBUSM_ISC_REGION_13_END_ADDRESS_L Registers
        871. 3.10.1.871  ISC_IICSS_G_16FF_MAIN_0_PR1_EXT_VBUSM_ISC_REGION_13_END_ADDRESS_H Registers
        872. 3.10.1.872  ISC_IICSS_G_16FF_MAIN_0_PR1_EXT_VBUSM_ISC_REGION_14_CONTROL Registers
        873. 3.10.1.873  ISC_IICSS_G_16FF_MAIN_0_PR1_EXT_VBUSM_ISC_REGION_14_START_ADDRESS_L Registers
        874. 3.10.1.874  ISC_IICSS_G_16FF_MAIN_0_PR1_EXT_VBUSM_ISC_REGION_14_START_ADDRESS_H Registers
        875. 3.10.1.875  ISC_IICSS_G_16FF_MAIN_0_PR1_EXT_VBUSM_ISC_REGION_14_END_ADDRESS_L Registers
        876. 3.10.1.876  ISC_IICSS_G_16FF_MAIN_0_PR1_EXT_VBUSM_ISC_REGION_14_END_ADDRESS_H Registers
        877. 3.10.1.877  ISC_IICSS_G_16FF_MAIN_0_PR1_EXT_VBUSM_ISC_REGION_15_CONTROL Registers
        878. 3.10.1.878  ISC_IICSS_G_16FF_MAIN_0_PR1_EXT_VBUSM_ISC_REGION_15_START_ADDRESS_L Registers
        879. 3.10.1.879  ISC_IICSS_G_16FF_MAIN_0_PR1_EXT_VBUSM_ISC_REGION_15_START_ADDRESS_H Registers
        880. 3.10.1.880  ISC_IICSS_G_16FF_MAIN_0_PR1_EXT_VBUSM_ISC_REGION_15_END_ADDRESS_L Registers
        881. 3.10.1.881  ISC_IICSS_G_16FF_MAIN_0_PR1_EXT_VBUSM_ISC_REGION_15_END_ADDRESS_H Registers
        882. 3.10.1.882  ISC_IICSS_G_16FF_MAIN_0_PR1_EXT_VBUSM_ISC_REGION_DEF_CONTROL Registers
        883. 3.10.1.883  ISC_IICSS_G_16FF_MAIN_1_PR1_EXT_VBUSM_ISC_REGION_0_CONTROL Registers
        884. 3.10.1.884  ISC_IICSS_G_16FF_MAIN_1_PR1_EXT_VBUSM_ISC_REGION_0_START_ADDRESS_L Registers
        885. 3.10.1.885  ISC_IICSS_G_16FF_MAIN_1_PR1_EXT_VBUSM_ISC_REGION_0_START_ADDRESS_H Registers
        886. 3.10.1.886  ISC_IICSS_G_16FF_MAIN_1_PR1_EXT_VBUSM_ISC_REGION_0_END_ADDRESS_L Registers
        887. 3.10.1.887  ISC_IICSS_G_16FF_MAIN_1_PR1_EXT_VBUSM_ISC_REGION_0_END_ADDRESS_H Registers
        888. 3.10.1.888  ISC_IICSS_G_16FF_MAIN_1_PR1_EXT_VBUSM_ISC_REGION_1_CONTROL Registers
        889. 3.10.1.889  ISC_IICSS_G_16FF_MAIN_1_PR1_EXT_VBUSM_ISC_REGION_1_START_ADDRESS_L Registers
        890. 3.10.1.890  ISC_IICSS_G_16FF_MAIN_1_PR1_EXT_VBUSM_ISC_REGION_1_START_ADDRESS_H Registers
        891. 3.10.1.891  ISC_IICSS_G_16FF_MAIN_1_PR1_EXT_VBUSM_ISC_REGION_1_END_ADDRESS_L Registers
        892. 3.10.1.892  ISC_IICSS_G_16FF_MAIN_1_PR1_EXT_VBUSM_ISC_REGION_1_END_ADDRESS_H Registers
        893. 3.10.1.893  ISC_IICSS_G_16FF_MAIN_1_PR1_EXT_VBUSM_ISC_REGION_2_CONTROL Registers
        894. 3.10.1.894  ISC_IICSS_G_16FF_MAIN_1_PR1_EXT_VBUSM_ISC_REGION_2_START_ADDRESS_L Registers
        895. 3.10.1.895  ISC_IICSS_G_16FF_MAIN_1_PR1_EXT_VBUSM_ISC_REGION_2_START_ADDRESS_H Registers
        896. 3.10.1.896  ISC_IICSS_G_16FF_MAIN_1_PR1_EXT_VBUSM_ISC_REGION_2_END_ADDRESS_L Registers
        897. 3.10.1.897  ISC_IICSS_G_16FF_MAIN_1_PR1_EXT_VBUSM_ISC_REGION_2_END_ADDRESS_H Registers
        898. 3.10.1.898  ISC_IICSS_G_16FF_MAIN_1_PR1_EXT_VBUSM_ISC_REGION_3_CONTROL Registers
        899. 3.10.1.899  ISC_IICSS_G_16FF_MAIN_1_PR1_EXT_VBUSM_ISC_REGION_3_START_ADDRESS_L Registers
        900. 3.10.1.900  ISC_IICSS_G_16FF_MAIN_1_PR1_EXT_VBUSM_ISC_REGION_3_START_ADDRESS_H Registers
        901. 3.10.1.901  ISC_IICSS_G_16FF_MAIN_1_PR1_EXT_VBUSM_ISC_REGION_3_END_ADDRESS_L Registers
        902. 3.10.1.902  ISC_IICSS_G_16FF_MAIN_1_PR1_EXT_VBUSM_ISC_REGION_3_END_ADDRESS_H Registers
        903. 3.10.1.903  ISC_IICSS_G_16FF_MAIN_1_PR1_EXT_VBUSM_ISC_REGION_4_CONTROL Registers
        904. 3.10.1.904  ISC_IICSS_G_16FF_MAIN_1_PR1_EXT_VBUSM_ISC_REGION_4_START_ADDRESS_L Registers
        905. 3.10.1.905  ISC_IICSS_G_16FF_MAIN_1_PR1_EXT_VBUSM_ISC_REGION_4_START_ADDRESS_H Registers
        906. 3.10.1.906  ISC_IICSS_G_16FF_MAIN_1_PR1_EXT_VBUSM_ISC_REGION_4_END_ADDRESS_L Registers
        907. 3.10.1.907  ISC_IICSS_G_16FF_MAIN_1_PR1_EXT_VBUSM_ISC_REGION_4_END_ADDRESS_H Registers
        908. 3.10.1.908  ISC_IICSS_G_16FF_MAIN_1_PR1_EXT_VBUSM_ISC_REGION_5_CONTROL Registers
        909. 3.10.1.909  ISC_IICSS_G_16FF_MAIN_1_PR1_EXT_VBUSM_ISC_REGION_5_START_ADDRESS_L Registers
        910. 3.10.1.910  ISC_IICSS_G_16FF_MAIN_1_PR1_EXT_VBUSM_ISC_REGION_5_START_ADDRESS_H Registers
        911. 3.10.1.911  ISC_IICSS_G_16FF_MAIN_1_PR1_EXT_VBUSM_ISC_REGION_5_END_ADDRESS_L Registers
        912. 3.10.1.912  ISC_IICSS_G_16FF_MAIN_1_PR1_EXT_VBUSM_ISC_REGION_5_END_ADDRESS_H Registers
        913. 3.10.1.913  ISC_IICSS_G_16FF_MAIN_1_PR1_EXT_VBUSM_ISC_REGION_6_CONTROL Registers
        914. 3.10.1.914  ISC_IICSS_G_16FF_MAIN_1_PR1_EXT_VBUSM_ISC_REGION_6_START_ADDRESS_L Registers
        915. 3.10.1.915  ISC_IICSS_G_16FF_MAIN_1_PR1_EXT_VBUSM_ISC_REGION_6_START_ADDRESS_H Registers
        916. 3.10.1.916  ISC_IICSS_G_16FF_MAIN_1_PR1_EXT_VBUSM_ISC_REGION_6_END_ADDRESS_L Registers
        917. 3.10.1.917  ISC_IICSS_G_16FF_MAIN_1_PR1_EXT_VBUSM_ISC_REGION_6_END_ADDRESS_H Registers
        918. 3.10.1.918  ISC_IICSS_G_16FF_MAIN_1_PR1_EXT_VBUSM_ISC_REGION_7_CONTROL Registers
        919. 3.10.1.919  ISC_IICSS_G_16FF_MAIN_1_PR1_EXT_VBUSM_ISC_REGION_7_START_ADDRESS_L Registers
        920. 3.10.1.920  ISC_IICSS_G_16FF_MAIN_1_PR1_EXT_VBUSM_ISC_REGION_7_START_ADDRESS_H Registers
        921. 3.10.1.921  ISC_IICSS_G_16FF_MAIN_1_PR1_EXT_VBUSM_ISC_REGION_7_END_ADDRESS_L Registers
        922. 3.10.1.922  ISC_IICSS_G_16FF_MAIN_1_PR1_EXT_VBUSM_ISC_REGION_7_END_ADDRESS_H Registers
        923. 3.10.1.923  ISC_IICSS_G_16FF_MAIN_1_PR1_EXT_VBUSM_ISC_REGION_8_CONTROL Registers
        924. 3.10.1.924  ISC_IICSS_G_16FF_MAIN_1_PR1_EXT_VBUSM_ISC_REGION_8_START_ADDRESS_L Registers
        925. 3.10.1.925  ISC_IICSS_G_16FF_MAIN_1_PR1_EXT_VBUSM_ISC_REGION_8_START_ADDRESS_H Registers
        926. 3.10.1.926  ISC_IICSS_G_16FF_MAIN_1_PR1_EXT_VBUSM_ISC_REGION_8_END_ADDRESS_L Registers
        927. 3.10.1.927  ISC_IICSS_G_16FF_MAIN_1_PR1_EXT_VBUSM_ISC_REGION_8_END_ADDRESS_H Registers
        928. 3.10.1.928  ISC_IICSS_G_16FF_MAIN_1_PR1_EXT_VBUSM_ISC_REGION_9_CONTROL Registers
        929. 3.10.1.929  ISC_IICSS_G_16FF_MAIN_1_PR1_EXT_VBUSM_ISC_REGION_9_START_ADDRESS_L Registers
        930. 3.10.1.930  ISC_IICSS_G_16FF_MAIN_1_PR1_EXT_VBUSM_ISC_REGION_9_START_ADDRESS_H Registers
        931. 3.10.1.931  ISC_IICSS_G_16FF_MAIN_1_PR1_EXT_VBUSM_ISC_REGION_9_END_ADDRESS_L Registers
        932. 3.10.1.932  ISC_IICSS_G_16FF_MAIN_1_PR1_EXT_VBUSM_ISC_REGION_9_END_ADDRESS_H Registers
        933. 3.10.1.933  ISC_IICSS_G_16FF_MAIN_1_PR1_EXT_VBUSM_ISC_REGION_10_CONTROL Registers
        934. 3.10.1.934  ISC_IICSS_G_16FF_MAIN_1_PR1_EXT_VBUSM_ISC_REGION_10_START_ADDRESS_L Registers
        935. 3.10.1.935  ISC_IICSS_G_16FF_MAIN_1_PR1_EXT_VBUSM_ISC_REGION_10_START_ADDRESS_H Registers
        936. 3.10.1.936  ISC_IICSS_G_16FF_MAIN_1_PR1_EXT_VBUSM_ISC_REGION_10_END_ADDRESS_L Registers
        937. 3.10.1.937  ISC_IICSS_G_16FF_MAIN_1_PR1_EXT_VBUSM_ISC_REGION_10_END_ADDRESS_H Registers
        938. 3.10.1.938  ISC_IICSS_G_16FF_MAIN_1_PR1_EXT_VBUSM_ISC_REGION_11_CONTROL Registers
        939. 3.10.1.939  ISC_IICSS_G_16FF_MAIN_1_PR1_EXT_VBUSM_ISC_REGION_11_START_ADDRESS_L Registers
        940. 3.10.1.940  ISC_IICSS_G_16FF_MAIN_1_PR1_EXT_VBUSM_ISC_REGION_11_START_ADDRESS_H Registers
        941. 3.10.1.941  ISC_IICSS_G_16FF_MAIN_1_PR1_EXT_VBUSM_ISC_REGION_11_END_ADDRESS_L Registers
        942. 3.10.1.942  ISC_IICSS_G_16FF_MAIN_1_PR1_EXT_VBUSM_ISC_REGION_11_END_ADDRESS_H Registers
        943. 3.10.1.943  ISC_IICSS_G_16FF_MAIN_1_PR1_EXT_VBUSM_ISC_REGION_12_CONTROL Registers
        944. 3.10.1.944  ISC_IICSS_G_16FF_MAIN_1_PR1_EXT_VBUSM_ISC_REGION_12_START_ADDRESS_L Registers
        945. 3.10.1.945  ISC_IICSS_G_16FF_MAIN_1_PR1_EXT_VBUSM_ISC_REGION_12_START_ADDRESS_H Registers
        946. 3.10.1.946  ISC_IICSS_G_16FF_MAIN_1_PR1_EXT_VBUSM_ISC_REGION_12_END_ADDRESS_L Registers
        947. 3.10.1.947  ISC_IICSS_G_16FF_MAIN_1_PR1_EXT_VBUSM_ISC_REGION_12_END_ADDRESS_H Registers
        948. 3.10.1.948  ISC_IICSS_G_16FF_MAIN_1_PR1_EXT_VBUSM_ISC_REGION_13_CONTROL Registers
        949. 3.10.1.949  ISC_IICSS_G_16FF_MAIN_1_PR1_EXT_VBUSM_ISC_REGION_13_START_ADDRESS_L Registers
        950. 3.10.1.950  ISC_IICSS_G_16FF_MAIN_1_PR1_EXT_VBUSM_ISC_REGION_13_START_ADDRESS_H Registers
        951. 3.10.1.951  ISC_IICSS_G_16FF_MAIN_1_PR1_EXT_VBUSM_ISC_REGION_13_END_ADDRESS_L Registers
        952. 3.10.1.952  ISC_IICSS_G_16FF_MAIN_1_PR1_EXT_VBUSM_ISC_REGION_13_END_ADDRESS_H Registers
        953. 3.10.1.953  ISC_IICSS_G_16FF_MAIN_1_PR1_EXT_VBUSM_ISC_REGION_14_CONTROL Registers
        954. 3.10.1.954  ISC_IICSS_G_16FF_MAIN_1_PR1_EXT_VBUSM_ISC_REGION_14_START_ADDRESS_L Registers
        955. 3.10.1.955  ISC_IICSS_G_16FF_MAIN_1_PR1_EXT_VBUSM_ISC_REGION_14_START_ADDRESS_H Registers
        956. 3.10.1.956  ISC_IICSS_G_16FF_MAIN_1_PR1_EXT_VBUSM_ISC_REGION_14_END_ADDRESS_L Registers
        957. 3.10.1.957  ISC_IICSS_G_16FF_MAIN_1_PR1_EXT_VBUSM_ISC_REGION_14_END_ADDRESS_H Registers
        958. 3.10.1.958  ISC_IICSS_G_16FF_MAIN_1_PR1_EXT_VBUSM_ISC_REGION_15_CONTROL Registers
        959. 3.10.1.959  ISC_IICSS_G_16FF_MAIN_1_PR1_EXT_VBUSM_ISC_REGION_15_START_ADDRESS_L Registers
        960. 3.10.1.960  ISC_IICSS_G_16FF_MAIN_1_PR1_EXT_VBUSM_ISC_REGION_15_START_ADDRESS_H Registers
        961. 3.10.1.961  ISC_IICSS_G_16FF_MAIN_1_PR1_EXT_VBUSM_ISC_REGION_15_END_ADDRESS_L Registers
        962. 3.10.1.962  ISC_IICSS_G_16FF_MAIN_1_PR1_EXT_VBUSM_ISC_REGION_15_END_ADDRESS_H Registers
        963. 3.10.1.963  ISC_IICSS_G_16FF_MAIN_1_PR1_EXT_VBUSM_ISC_REGION_DEF_CONTROL Registers
        964. 3.10.1.964  ISC_IPCIE_G2X1_64_MAIN_0_PCIE_MST_RD_ISC_REGION_0_CONTROL Registers
        965. 3.10.1.965  ISC_IPCIE_G2X1_64_MAIN_0_PCIE_MST_RD_ISC_REGION_0_START_ADDRESS_L Registers
        966. 3.10.1.966  ISC_IPCIE_G2X1_64_MAIN_0_PCIE_MST_RD_ISC_REGION_0_START_ADDRESS_H Registers
        967. 3.10.1.967  ISC_IPCIE_G2X1_64_MAIN_0_PCIE_MST_RD_ISC_REGION_0_END_ADDRESS_L Registers
        968. 3.10.1.968  ISC_IPCIE_G2X1_64_MAIN_0_PCIE_MST_RD_ISC_REGION_0_END_ADDRESS_H Registers
        969. 3.10.1.969  ISC_IPCIE_G2X1_64_MAIN_0_PCIE_MST_RD_ISC_REGION_1_CONTROL Registers
        970. 3.10.1.970  ISC_IPCIE_G2X1_64_MAIN_0_PCIE_MST_RD_ISC_REGION_1_START_ADDRESS_L Registers
        971. 3.10.1.971  ISC_IPCIE_G2X1_64_MAIN_0_PCIE_MST_RD_ISC_REGION_1_START_ADDRESS_H Registers
        972. 3.10.1.972  ISC_IPCIE_G2X1_64_MAIN_0_PCIE_MST_RD_ISC_REGION_1_END_ADDRESS_L Registers
        973. 3.10.1.973  ISC_IPCIE_G2X1_64_MAIN_0_PCIE_MST_RD_ISC_REGION_1_END_ADDRESS_H Registers
        974. 3.10.1.974  ISC_IPCIE_G2X1_64_MAIN_0_PCIE_MST_RD_ISC_REGION_2_CONTROL Registers
        975. 3.10.1.975  ISC_IPCIE_G2X1_64_MAIN_0_PCIE_MST_RD_ISC_REGION_2_START_ADDRESS_L Registers
        976. 3.10.1.976  ISC_IPCIE_G2X1_64_MAIN_0_PCIE_MST_RD_ISC_REGION_2_START_ADDRESS_H Registers
        977. 3.10.1.977  ISC_IPCIE_G2X1_64_MAIN_0_PCIE_MST_RD_ISC_REGION_2_END_ADDRESS_L Registers
        978. 3.10.1.978  ISC_IPCIE_G2X1_64_MAIN_0_PCIE_MST_RD_ISC_REGION_2_END_ADDRESS_H Registers
        979. 3.10.1.979  ISC_IPCIE_G2X1_64_MAIN_0_PCIE_MST_RD_ISC_REGION_3_CONTROL Registers
        980. 3.10.1.980  ISC_IPCIE_G2X1_64_MAIN_0_PCIE_MST_RD_ISC_REGION_3_START_ADDRESS_L Registers
        981. 3.10.1.981  ISC_IPCIE_G2X1_64_MAIN_0_PCIE_MST_RD_ISC_REGION_3_START_ADDRESS_H Registers
        982. 3.10.1.982  ISC_IPCIE_G2X1_64_MAIN_0_PCIE_MST_RD_ISC_REGION_3_END_ADDRESS_L Registers
        983. 3.10.1.983  ISC_IPCIE_G2X1_64_MAIN_0_PCIE_MST_RD_ISC_REGION_3_END_ADDRESS_H Registers
        984. 3.10.1.984  ISC_IPCIE_G2X1_64_MAIN_0_PCIE_MST_RD_ISC_REGION_4_CONTROL Registers
        985. 3.10.1.985  ISC_IPCIE_G2X1_64_MAIN_0_PCIE_MST_RD_ISC_REGION_4_START_ADDRESS_L Registers
        986. 3.10.1.986  ISC_IPCIE_G2X1_64_MAIN_0_PCIE_MST_RD_ISC_REGION_4_START_ADDRESS_H Registers
        987. 3.10.1.987  ISC_IPCIE_G2X1_64_MAIN_0_PCIE_MST_RD_ISC_REGION_4_END_ADDRESS_L Registers
        988. 3.10.1.988  ISC_IPCIE_G2X1_64_MAIN_0_PCIE_MST_RD_ISC_REGION_4_END_ADDRESS_H Registers
        989. 3.10.1.989  ISC_IPCIE_G2X1_64_MAIN_0_PCIE_MST_RD_ISC_REGION_5_CONTROL Registers
        990. 3.10.1.990  ISC_IPCIE_G2X1_64_MAIN_0_PCIE_MST_RD_ISC_REGION_5_START_ADDRESS_L Registers
        991. 3.10.1.991  ISC_IPCIE_G2X1_64_MAIN_0_PCIE_MST_RD_ISC_REGION_5_START_ADDRESS_H Registers
        992. 3.10.1.992  ISC_IPCIE_G2X1_64_MAIN_0_PCIE_MST_RD_ISC_REGION_5_END_ADDRESS_L Registers
        993. 3.10.1.993  ISC_IPCIE_G2X1_64_MAIN_0_PCIE_MST_RD_ISC_REGION_5_END_ADDRESS_H Registers
        994. 3.10.1.994  ISC_IPCIE_G2X1_64_MAIN_0_PCIE_MST_RD_ISC_REGION_6_CONTROL Registers
        995. 3.10.1.995  ISC_IPCIE_G2X1_64_MAIN_0_PCIE_MST_RD_ISC_REGION_6_START_ADDRESS_L Registers
        996. 3.10.1.996  ISC_IPCIE_G2X1_64_MAIN_0_PCIE_MST_RD_ISC_REGION_6_START_ADDRESS_H Registers
        997. 3.10.1.997  ISC_IPCIE_G2X1_64_MAIN_0_PCIE_MST_RD_ISC_REGION_6_END_ADDRESS_L Registers
        998. 3.10.1.998  ISC_IPCIE_G2X1_64_MAIN_0_PCIE_MST_RD_ISC_REGION_6_END_ADDRESS_H Registers
        999. 3.10.1.999  ISC_IPCIE_G2X1_64_MAIN_0_PCIE_MST_RD_ISC_REGION_7_CONTROL Registers
        1000. 3.10.1.1000 ISC_IPCIE_G2X1_64_MAIN_0_PCIE_MST_RD_ISC_REGION_7_START_ADDRESS_L Registers
        1001. 3.10.1.1001 ISC_IPCIE_G2X1_64_MAIN_0_PCIE_MST_RD_ISC_REGION_7_START_ADDRESS_H Registers
        1002. 3.10.1.1002 ISC_IPCIE_G2X1_64_MAIN_0_PCIE_MST_RD_ISC_REGION_7_END_ADDRESS_L Registers
        1003. 3.10.1.1003 ISC_IPCIE_G2X1_64_MAIN_0_PCIE_MST_RD_ISC_REGION_7_END_ADDRESS_H Registers
        1004. 3.10.1.1004 ISC_IPCIE_G2X1_64_MAIN_0_PCIE_MST_RD_ISC_REGION_DEF_CONTROL Registers
        1005. 3.10.1.1005 ISC_IPCIE_G2X1_64_MAIN_0_PCIE_MST_WR_ISC_REGION_0_CONTROL Registers
        1006. 3.10.1.1006 ISC_IPCIE_G2X1_64_MAIN_0_PCIE_MST_WR_ISC_REGION_0_START_ADDRESS_L Registers
        1007. 3.10.1.1007 ISC_IPCIE_G2X1_64_MAIN_0_PCIE_MST_WR_ISC_REGION_0_START_ADDRESS_H Registers
        1008. 3.10.1.1008 ISC_IPCIE_G2X1_64_MAIN_0_PCIE_MST_WR_ISC_REGION_0_END_ADDRESS_L Registers
        1009. 3.10.1.1009 ISC_IPCIE_G2X1_64_MAIN_0_PCIE_MST_WR_ISC_REGION_0_END_ADDRESS_H Registers
        1010. 3.10.1.1010 ISC_IPCIE_G2X1_64_MAIN_0_PCIE_MST_WR_ISC_REGION_1_CONTROL Registers
        1011. 3.10.1.1011 ISC_IPCIE_G2X1_64_MAIN_0_PCIE_MST_WR_ISC_REGION_1_START_ADDRESS_L Registers
        1012. 3.10.1.1012 ISC_IPCIE_G2X1_64_MAIN_0_PCIE_MST_WR_ISC_REGION_1_START_ADDRESS_H Registers
        1013. 3.10.1.1013 ISC_IPCIE_G2X1_64_MAIN_0_PCIE_MST_WR_ISC_REGION_1_END_ADDRESS_L Registers
        1014. 3.10.1.1014 ISC_IPCIE_G2X1_64_MAIN_0_PCIE_MST_WR_ISC_REGION_1_END_ADDRESS_H Registers
        1015. 3.10.1.1015 ISC_IPCIE_G2X1_64_MAIN_0_PCIE_MST_WR_ISC_REGION_2_CONTROL Registers
        1016. 3.10.1.1016 ISC_IPCIE_G2X1_64_MAIN_0_PCIE_MST_WR_ISC_REGION_2_START_ADDRESS_L Registers
        1017. 3.10.1.1017 ISC_IPCIE_G2X1_64_MAIN_0_PCIE_MST_WR_ISC_REGION_2_START_ADDRESS_H Registers
        1018. 3.10.1.1018 ISC_IPCIE_G2X1_64_MAIN_0_PCIE_MST_WR_ISC_REGION_2_END_ADDRESS_L Registers
        1019. 3.10.1.1019 ISC_IPCIE_G2X1_64_MAIN_0_PCIE_MST_WR_ISC_REGION_2_END_ADDRESS_H Registers
        1020. 3.10.1.1020 ISC_IPCIE_G2X1_64_MAIN_0_PCIE_MST_WR_ISC_REGION_3_CONTROL Registers
        1021. 3.10.1.1021 ISC_IPCIE_G2X1_64_MAIN_0_PCIE_MST_WR_ISC_REGION_3_START_ADDRESS_L Registers
        1022. 3.10.1.1022 ISC_IPCIE_G2X1_64_MAIN_0_PCIE_MST_WR_ISC_REGION_3_START_ADDRESS_H Registers
        1023. 3.10.1.1023 ISC_IPCIE_G2X1_64_MAIN_0_PCIE_MST_WR_ISC_REGION_3_END_ADDRESS_L Registers
        1024. 3.10.1.1024 ISC_IPCIE_G2X1_64_MAIN_0_PCIE_MST_WR_ISC_REGION_3_END_ADDRESS_H Registers
        1025. 3.10.1.1025 ISC_IPCIE_G2X1_64_MAIN_0_PCIE_MST_WR_ISC_REGION_4_CONTROL Registers
        1026. 3.10.1.1026 ISC_IPCIE_G2X1_64_MAIN_0_PCIE_MST_WR_ISC_REGION_4_START_ADDRESS_L Registers
        1027. 3.10.1.1027 ISC_IPCIE_G2X1_64_MAIN_0_PCIE_MST_WR_ISC_REGION_4_START_ADDRESS_H Registers
        1028. 3.10.1.1028 ISC_IPCIE_G2X1_64_MAIN_0_PCIE_MST_WR_ISC_REGION_4_END_ADDRESS_L Registers
        1029. 3.10.1.1029 ISC_IPCIE_G2X1_64_MAIN_0_PCIE_MST_WR_ISC_REGION_4_END_ADDRESS_H Registers
        1030. 3.10.1.1030 ISC_IPCIE_G2X1_64_MAIN_0_PCIE_MST_WR_ISC_REGION_5_CONTROL Registers
        1031. 3.10.1.1031 ISC_IPCIE_G2X1_64_MAIN_0_PCIE_MST_WR_ISC_REGION_5_START_ADDRESS_L Registers
        1032. 3.10.1.1032 ISC_IPCIE_G2X1_64_MAIN_0_PCIE_MST_WR_ISC_REGION_5_START_ADDRESS_H Registers
        1033. 3.10.1.1033 ISC_IPCIE_G2X1_64_MAIN_0_PCIE_MST_WR_ISC_REGION_5_END_ADDRESS_L Registers
        1034. 3.10.1.1034 ISC_IPCIE_G2X1_64_MAIN_0_PCIE_MST_WR_ISC_REGION_5_END_ADDRESS_H Registers
        1035. 3.10.1.1035 ISC_IPCIE_G2X1_64_MAIN_0_PCIE_MST_WR_ISC_REGION_6_CONTROL Registers
        1036. 3.10.1.1036 ISC_IPCIE_G2X1_64_MAIN_0_PCIE_MST_WR_ISC_REGION_6_START_ADDRESS_L Registers
        1037. 3.10.1.1037 ISC_IPCIE_G2X1_64_MAIN_0_PCIE_MST_WR_ISC_REGION_6_START_ADDRESS_H Registers
        1038. 3.10.1.1038 ISC_IPCIE_G2X1_64_MAIN_0_PCIE_MST_WR_ISC_REGION_6_END_ADDRESS_L Registers
        1039. 3.10.1.1039 ISC_IPCIE_G2X1_64_MAIN_0_PCIE_MST_WR_ISC_REGION_6_END_ADDRESS_H Registers
        1040. 3.10.1.1040 ISC_IPCIE_G2X1_64_MAIN_0_PCIE_MST_WR_ISC_REGION_7_CONTROL Registers
        1041. 3.10.1.1041 ISC_IPCIE_G2X1_64_MAIN_0_PCIE_MST_WR_ISC_REGION_7_START_ADDRESS_L Registers
        1042. 3.10.1.1042 ISC_IPCIE_G2X1_64_MAIN_0_PCIE_MST_WR_ISC_REGION_7_START_ADDRESS_H Registers
        1043. 3.10.1.1043 ISC_IPCIE_G2X1_64_MAIN_0_PCIE_MST_WR_ISC_REGION_7_END_ADDRESS_L Registers
        1044. 3.10.1.1044 ISC_IPCIE_G2X1_64_MAIN_0_PCIE_MST_WR_ISC_REGION_7_END_ADDRESS_H Registers
        1045. 3.10.1.1045 ISC_IPCIE_G2X1_64_MAIN_0_PCIE_MST_WR_ISC_REGION_DEF_CONTROL Registers
        1046. 3.10.1.1046 ISC_IEMMCSD4SS_MAIN_0_EMMCSDSS_WR_ISC_REGION_0_CONTROL Registers
        1047. 3.10.1.1047 ISC_IEMMCSD4SS_MAIN_0_EMMCSDSS_WR_ISC_REGION_0_START_ADDRESS_L Registers
        1048. 3.10.1.1048 ISC_IEMMCSD4SS_MAIN_0_EMMCSDSS_WR_ISC_REGION_0_START_ADDRESS_H Registers
        1049. 3.10.1.1049 ISC_IEMMCSD4SS_MAIN_0_EMMCSDSS_WR_ISC_REGION_0_END_ADDRESS_L Registers
        1050. 3.10.1.1050 ISC_IEMMCSD4SS_MAIN_0_EMMCSDSS_WR_ISC_REGION_0_END_ADDRESS_H Registers
        1051. 3.10.1.1051 ISC_IEMMCSD4SS_MAIN_0_EMMCSDSS_WR_ISC_REGION_DEF_CONTROL Registers
        1052. 3.10.1.1052 ISC_IEMMCSD4SS_MAIN_0_EMMCSDSS_RD_ISC_REGION_0_CONTROL Registers
        1053. 3.10.1.1053 ISC_IEMMCSD4SS_MAIN_0_EMMCSDSS_RD_ISC_REGION_0_START_ADDRESS_L Registers
        1054. 3.10.1.1054 ISC_IEMMCSD4SS_MAIN_0_EMMCSDSS_RD_ISC_REGION_0_START_ADDRESS_H Registers
        1055. 3.10.1.1055 ISC_IEMMCSD4SS_MAIN_0_EMMCSDSS_RD_ISC_REGION_0_END_ADDRESS_L Registers
        1056. 3.10.1.1056 ISC_IEMMCSD4SS_MAIN_0_EMMCSDSS_RD_ISC_REGION_0_END_ADDRESS_H Registers
        1057. 3.10.1.1057 ISC_IEMMCSD4SS_MAIN_0_EMMCSDSS_RD_ISC_REGION_DEF_CONTROL Registers
        1058. 3.10.1.1058 ISC_ISA2_UL_MAIN_0_CTXCACH_EXT_DMA_ISC_REGION_0_CONTROL Registers
        1059. 3.10.1.1059 ISC_ISA2_UL_MAIN_0_CTXCACH_EXT_DMA_ISC_REGION_0_START_ADDRESS_L Registers
        1060. 3.10.1.1060 ISC_ISA2_UL_MAIN_0_CTXCACH_EXT_DMA_ISC_REGION_0_START_ADDRESS_H Registers
        1061. 3.10.1.1061 ISC_ISA2_UL_MAIN_0_CTXCACH_EXT_DMA_ISC_REGION_0_END_ADDRESS_L Registers
        1062. 3.10.1.1062 ISC_ISA2_UL_MAIN_0_CTXCACH_EXT_DMA_ISC_REGION_0_END_ADDRESS_H Registers
        1063. 3.10.1.1063 ISC_ISA2_UL_MAIN_0_CTXCACH_EXT_DMA_ISC_REGION_DEF_CONTROL Registers
        1064. 3.10.1.1064 ISC_IUSB3P0SS64_16FFC_MAIN_0_MSTR0_ISC_REGION_0_CONTROL Registers
        1065. 3.10.1.1065 ISC_IUSB3P0SS64_16FFC_MAIN_0_MSTR0_ISC_REGION_0_START_ADDRESS_L Registers
        1066. 3.10.1.1066 ISC_IUSB3P0SS64_16FFC_MAIN_0_MSTR0_ISC_REGION_0_START_ADDRESS_H Registers
        1067. 3.10.1.1067 ISC_IUSB3P0SS64_16FFC_MAIN_0_MSTR0_ISC_REGION_0_END_ADDRESS_L Registers
        1068. 3.10.1.1068 ISC_IUSB3P0SS64_16FFC_MAIN_0_MSTR0_ISC_REGION_0_END_ADDRESS_H Registers
        1069. 3.10.1.1069 ISC_IUSB3P0SS64_16FFC_MAIN_0_MSTR0_ISC_REGION_1_CONTROL Registers
        1070. 3.10.1.1070 ISC_IUSB3P0SS64_16FFC_MAIN_0_MSTR0_ISC_REGION_1_START_ADDRESS_L Registers
        1071. 3.10.1.1071 ISC_IUSB3P0SS64_16FFC_MAIN_0_MSTR0_ISC_REGION_1_START_ADDRESS_H Registers
        1072. 3.10.1.1072 ISC_IUSB3P0SS64_16FFC_MAIN_0_MSTR0_ISC_REGION_1_END_ADDRESS_L Registers
        1073. 3.10.1.1073 ISC_IUSB3P0SS64_16FFC_MAIN_0_MSTR0_ISC_REGION_1_END_ADDRESS_H Registers
        1074. 3.10.1.1074 ISC_IUSB3P0SS64_16FFC_MAIN_0_MSTR0_ISC_REGION_2_CONTROL Registers
        1075. 3.10.1.1075 ISC_IUSB3P0SS64_16FFC_MAIN_0_MSTR0_ISC_REGION_2_START_ADDRESS_L Registers
        1076. 3.10.1.1076 ISC_IUSB3P0SS64_16FFC_MAIN_0_MSTR0_ISC_REGION_2_START_ADDRESS_H Registers
        1077. 3.10.1.1077 ISC_IUSB3P0SS64_16FFC_MAIN_0_MSTR0_ISC_REGION_2_END_ADDRESS_L Registers
        1078. 3.10.1.1078 ISC_IUSB3P0SS64_16FFC_MAIN_0_MSTR0_ISC_REGION_2_END_ADDRESS_H Registers
        1079. 3.10.1.1079 ISC_IUSB3P0SS64_16FFC_MAIN_0_MSTR0_ISC_REGION_3_CONTROL Registers
        1080. 3.10.1.1080 ISC_IUSB3P0SS64_16FFC_MAIN_0_MSTR0_ISC_REGION_3_START_ADDRESS_L Registers
        1081. 3.10.1.1081 ISC_IUSB3P0SS64_16FFC_MAIN_0_MSTR0_ISC_REGION_3_START_ADDRESS_H Registers
        1082. 3.10.1.1082 ISC_IUSB3P0SS64_16FFC_MAIN_0_MSTR0_ISC_REGION_3_END_ADDRESS_L Registers
        1083. 3.10.1.1083 ISC_IUSB3P0SS64_16FFC_MAIN_0_MSTR0_ISC_REGION_3_END_ADDRESS_H Registers
        1084. 3.10.1.1084 ISC_IUSB3P0SS64_16FFC_MAIN_0_MSTR0_ISC_REGION_4_CONTROL Registers
        1085. 3.10.1.1085 ISC_IUSB3P0SS64_16FFC_MAIN_0_MSTR0_ISC_REGION_4_START_ADDRESS_L Registers
        1086. 3.10.1.1086 ISC_IUSB3P0SS64_16FFC_MAIN_0_MSTR0_ISC_REGION_4_START_ADDRESS_H Registers
        1087. 3.10.1.1087 ISC_IUSB3P0SS64_16FFC_MAIN_0_MSTR0_ISC_REGION_4_END_ADDRESS_L Registers
        1088. 3.10.1.1088 ISC_IUSB3P0SS64_16FFC_MAIN_0_MSTR0_ISC_REGION_4_END_ADDRESS_H Registers
        1089. 3.10.1.1089 ISC_IUSB3P0SS64_16FFC_MAIN_0_MSTR0_ISC_REGION_5_CONTROL Registers
        1090. 3.10.1.1090 ISC_IUSB3P0SS64_16FFC_MAIN_0_MSTR0_ISC_REGION_5_START_ADDRESS_L Registers
        1091. 3.10.1.1091 ISC_IUSB3P0SS64_16FFC_MAIN_0_MSTR0_ISC_REGION_5_START_ADDRESS_H Registers
        1092. 3.10.1.1092 ISC_IUSB3P0SS64_16FFC_MAIN_0_MSTR0_ISC_REGION_5_END_ADDRESS_L Registers
        1093. 3.10.1.1093 ISC_IUSB3P0SS64_16FFC_MAIN_0_MSTR0_ISC_REGION_5_END_ADDRESS_H Registers
        1094. 3.10.1.1094 ISC_IUSB3P0SS64_16FFC_MAIN_0_MSTR0_ISC_REGION_6_CONTROL Registers
        1095. 3.10.1.1095 ISC_IUSB3P0SS64_16FFC_MAIN_0_MSTR0_ISC_REGION_6_START_ADDRESS_L Registers
        1096. 3.10.1.1096 ISC_IUSB3P0SS64_16FFC_MAIN_0_MSTR0_ISC_REGION_6_START_ADDRESS_H Registers
        1097. 3.10.1.1097 ISC_IUSB3P0SS64_16FFC_MAIN_0_MSTR0_ISC_REGION_6_END_ADDRESS_L Registers
        1098. 3.10.1.1098 ISC_IUSB3P0SS64_16FFC_MAIN_0_MSTR0_ISC_REGION_6_END_ADDRESS_H Registers
        1099. 3.10.1.1099 ISC_IUSB3P0SS64_16FFC_MAIN_0_MSTR0_ISC_REGION_7_CONTROL Registers
        1100. 3.10.1.1100 ISC_IUSB3P0SS64_16FFC_MAIN_0_MSTR0_ISC_REGION_7_START_ADDRESS_L Registers
        1101. 3.10.1.1101 ISC_IUSB3P0SS64_16FFC_MAIN_0_MSTR0_ISC_REGION_7_START_ADDRESS_H Registers
        1102. 3.10.1.1102 ISC_IUSB3P0SS64_16FFC_MAIN_0_MSTR0_ISC_REGION_7_END_ADDRESS_L Registers
        1103. 3.10.1.1103 ISC_IUSB3P0SS64_16FFC_MAIN_0_MSTR0_ISC_REGION_7_END_ADDRESS_H Registers
        1104. 3.10.1.1104 ISC_IUSB3P0SS64_16FFC_MAIN_0_MSTR0_ISC_REGION_DEF_CONTROL Registers
        1105. 3.10.1.1105 ISC_IUSB3P0SS64_16FFC_MAIN_0_MSTW0_ISC_REGION_0_CONTROL Registers
        1106. 3.10.1.1106 ISC_IUSB3P0SS64_16FFC_MAIN_0_MSTW0_ISC_REGION_0_START_ADDRESS_L Registers
        1107. 3.10.1.1107 ISC_IUSB3P0SS64_16FFC_MAIN_0_MSTW0_ISC_REGION_0_START_ADDRESS_H Registers
        1108. 3.10.1.1108 ISC_IUSB3P0SS64_16FFC_MAIN_0_MSTW0_ISC_REGION_0_END_ADDRESS_L Registers
        1109. 3.10.1.1109 ISC_IUSB3P0SS64_16FFC_MAIN_0_MSTW0_ISC_REGION_0_END_ADDRESS_H Registers
        1110. 3.10.1.1110 ISC_IUSB3P0SS64_16FFC_MAIN_0_MSTW0_ISC_REGION_1_CONTROL Registers
        1111. 3.10.1.1111 ISC_IUSB3P0SS64_16FFC_MAIN_0_MSTW0_ISC_REGION_1_START_ADDRESS_L Registers
        1112. 3.10.1.1112 ISC_IUSB3P0SS64_16FFC_MAIN_0_MSTW0_ISC_REGION_1_START_ADDRESS_H Registers
        1113. 3.10.1.1113 ISC_IUSB3P0SS64_16FFC_MAIN_0_MSTW0_ISC_REGION_1_END_ADDRESS_L Registers
        1114. 3.10.1.1114 ISC_IUSB3P0SS64_16FFC_MAIN_0_MSTW0_ISC_REGION_1_END_ADDRESS_H Registers
        1115. 3.10.1.1115 ISC_IUSB3P0SS64_16FFC_MAIN_0_MSTW0_ISC_REGION_2_CONTROL Registers
        1116. 3.10.1.1116 ISC_IUSB3P0SS64_16FFC_MAIN_0_MSTW0_ISC_REGION_2_START_ADDRESS_L Registers
        1117. 3.10.1.1117 ISC_IUSB3P0SS64_16FFC_MAIN_0_MSTW0_ISC_REGION_2_START_ADDRESS_H Registers
        1118. 3.10.1.1118 ISC_IUSB3P0SS64_16FFC_MAIN_0_MSTW0_ISC_REGION_2_END_ADDRESS_L Registers
        1119. 3.10.1.1119 ISC_IUSB3P0SS64_16FFC_MAIN_0_MSTW0_ISC_REGION_2_END_ADDRESS_H Registers
        1120. 3.10.1.1120 ISC_IUSB3P0SS64_16FFC_MAIN_0_MSTW0_ISC_REGION_3_CONTROL Registers
        1121. 3.10.1.1121 ISC_IUSB3P0SS64_16FFC_MAIN_0_MSTW0_ISC_REGION_3_START_ADDRESS_L Registers
        1122. 3.10.1.1122 ISC_IUSB3P0SS64_16FFC_MAIN_0_MSTW0_ISC_REGION_3_START_ADDRESS_H Registers
        1123. 3.10.1.1123 ISC_IUSB3P0SS64_16FFC_MAIN_0_MSTW0_ISC_REGION_3_END_ADDRESS_L Registers
        1124. 3.10.1.1124 ISC_IUSB3P0SS64_16FFC_MAIN_0_MSTW0_ISC_REGION_3_END_ADDRESS_H Registers
        1125. 3.10.1.1125 ISC_IUSB3P0SS64_16FFC_MAIN_0_MSTW0_ISC_REGION_4_CONTROL Registers
        1126. 3.10.1.1126 ISC_IUSB3P0SS64_16FFC_MAIN_0_MSTW0_ISC_REGION_4_START_ADDRESS_L Registers
        1127. 3.10.1.1127 ISC_IUSB3P0SS64_16FFC_MAIN_0_MSTW0_ISC_REGION_4_START_ADDRESS_H Registers
        1128. 3.10.1.1128 ISC_IUSB3P0SS64_16FFC_MAIN_0_MSTW0_ISC_REGION_4_END_ADDRESS_L Registers
        1129. 3.10.1.1129 ISC_IUSB3P0SS64_16FFC_MAIN_0_MSTW0_ISC_REGION_4_END_ADDRESS_H Registers
        1130. 3.10.1.1130 ISC_IUSB3P0SS64_16FFC_MAIN_0_MSTW0_ISC_REGION_5_CONTROL Registers
        1131. 3.10.1.1131 ISC_IUSB3P0SS64_16FFC_MAIN_0_MSTW0_ISC_REGION_5_START_ADDRESS_L Registers
        1132. 3.10.1.1132 ISC_IUSB3P0SS64_16FFC_MAIN_0_MSTW0_ISC_REGION_5_START_ADDRESS_H Registers
        1133. 3.10.1.1133 ISC_IUSB3P0SS64_16FFC_MAIN_0_MSTW0_ISC_REGION_5_END_ADDRESS_L Registers
        1134. 3.10.1.1134 ISC_IUSB3P0SS64_16FFC_MAIN_0_MSTW0_ISC_REGION_5_END_ADDRESS_H Registers
        1135. 3.10.1.1135 ISC_IUSB3P0SS64_16FFC_MAIN_0_MSTW0_ISC_REGION_6_CONTROL Registers
        1136. 3.10.1.1136 ISC_IUSB3P0SS64_16FFC_MAIN_0_MSTW0_ISC_REGION_6_START_ADDRESS_L Registers
        1137. 3.10.1.1137 ISC_IUSB3P0SS64_16FFC_MAIN_0_MSTW0_ISC_REGION_6_START_ADDRESS_H Registers
        1138. 3.10.1.1138 ISC_IUSB3P0SS64_16FFC_MAIN_0_MSTW0_ISC_REGION_6_END_ADDRESS_L Registers
        1139. 3.10.1.1139 ISC_IUSB3P0SS64_16FFC_MAIN_0_MSTW0_ISC_REGION_6_END_ADDRESS_H Registers
        1140. 3.10.1.1140 ISC_IUSB3P0SS64_16FFC_MAIN_0_MSTW0_ISC_REGION_7_CONTROL Registers
        1141. 3.10.1.1141 ISC_IUSB3P0SS64_16FFC_MAIN_0_MSTW0_ISC_REGION_7_START_ADDRESS_L Registers
        1142. 3.10.1.1142 ISC_IUSB3P0SS64_16FFC_MAIN_0_MSTW0_ISC_REGION_7_START_ADDRESS_H Registers
        1143. 3.10.1.1143 ISC_IUSB3P0SS64_16FFC_MAIN_0_MSTW0_ISC_REGION_7_END_ADDRESS_L Registers
        1144. 3.10.1.1144 ISC_IUSB3P0SS64_16FFC_MAIN_0_MSTW0_ISC_REGION_7_END_ADDRESS_H Registers
        1145. 3.10.1.1145 ISC_IUSB3P0SS64_16FFC_MAIN_0_MSTW0_ISC_REGION_DEF_CONTROL Registers
        1146. 3.10.1.1146 ISC_IJ7_LED_MAIN_0_VBUSP_ISC_REGION_0_CONTROL Registers
        1147. 3.10.1.1147 ISC_IJ7_LED_MAIN_0_VBUSP_ISC_REGION_0_START_ADDRESS_L Registers
        1148. 3.10.1.1148 ISC_IJ7_LED_MAIN_0_VBUSP_ISC_REGION_0_START_ADDRESS_H Registers
        1149. 3.10.1.1149 ISC_IJ7_LED_MAIN_0_VBUSP_ISC_REGION_0_END_ADDRESS_L Registers
        1150. 3.10.1.1150 ISC_IJ7_LED_MAIN_0_VBUSP_ISC_REGION_0_END_ADDRESS_H Registers
        1151. 3.10.1.1151 ISC_IJ7_LED_MAIN_0_VBUSP_ISC_REGION_DEF_CONTROL Registers
        1152. 3.10.1.1152 ISC_IDEBUGSS_K3_WRAP_CV0_MAIN_0_VBUSMR_ISC_REGION_0_CONTROL Registers
        1153. 3.10.1.1153 ISC_IDEBUGSS_K3_WRAP_CV0_MAIN_0_VBUSMR_ISC_REGION_0_START_ADDRESS_L Registers
        1154. 3.10.1.1154 ISC_IDEBUGSS_K3_WRAP_CV0_MAIN_0_VBUSMR_ISC_REGION_0_START_ADDRESS_H Registers
        1155. 3.10.1.1155 ISC_IDEBUGSS_K3_WRAP_CV0_MAIN_0_VBUSMR_ISC_REGION_0_END_ADDRESS_L Registers
        1156. 3.10.1.1156 ISC_IDEBUGSS_K3_WRAP_CV0_MAIN_0_VBUSMR_ISC_REGION_0_END_ADDRESS_H Registers
        1157. 3.10.1.1157 ISC_IDEBUGSS_K3_WRAP_CV0_MAIN_0_VBUSMR_ISC_REGION_DEF_CONTROL Registers
        1158. 3.10.1.1158 ISC_IDEBUGSS_K3_WRAP_CV0_MAIN_0_VBUSMW_ISC_REGION_0_CONTROL Registers
        1159. 3.10.1.1159 ISC_IDEBUGSS_K3_WRAP_CV0_MAIN_0_VBUSMW_ISC_REGION_0_START_ADDRESS_L Registers
        1160. 3.10.1.1160 ISC_IDEBUGSS_K3_WRAP_CV0_MAIN_0_VBUSMW_ISC_REGION_0_START_ADDRESS_H Registers
        1161. 3.10.1.1161 ISC_IDEBUGSS_K3_WRAP_CV0_MAIN_0_VBUSMW_ISC_REGION_0_END_ADDRESS_L Registers
        1162. 3.10.1.1162 ISC_IDEBUGSS_K3_WRAP_CV0_MAIN_0_VBUSMW_ISC_REGION_0_END_ADDRESS_H Registers
        1163. 3.10.1.1163 ISC_IDEBUGSS_K3_WRAP_CV0_MAIN_0_VBUSMW_ISC_REGION_DEF_CONTROL Registers
        1164. 3.10.1.1164 GLB_PID Registers
        1165. 3.10.1.1165 GLB_DESTINATION_ID Registers
        1166. 3.10.1.1166 GLB_EXCEPTION_LOGGING_CONTROL Registers
        1167. 3.10.1.1167 GLB_EXCEPTION_LOGGING_HEADER0 Registers
        1168. 3.10.1.1168 GLB_EXCEPTION_LOGGING_HEADER1 Registers
        1169. 3.10.1.1169 GLB_EXCEPTION_LOGGING_DATA0 Registers
        1170. 3.10.1.1170 GLB_EXCEPTION_LOGGING_DATA1 Registers
        1171. 3.10.1.1171 GLB_EXCEPTION_LOGGING_DATA2 Registers
        1172. 3.10.1.1172 GLB_EXCEPTION_LOGGING_DATA3 Registers
        1173. 3.10.1.1173 GLB_EXCEPTION_PEND_SET Registers
        1174. 3.10.1.1174 GLB_EXCEPTION_PEND_CLEAR Registers
        1175. 3.10.1.1175 QOS_ISAM64_A53_256KB_WRAP_MAIN_0_A53_DUAL_WRAP_CBA_AXI_R_MAP0 Registers
        1176. 3.10.1.1176 QOS_ISAM64_A53_256KB_WRAP_MAIN_0_A53_DUAL_WRAP_CBA_AXI_W_MAP0 Registers
        1177. 3.10.1.1177 QOS_IEMMC8SS_16FFC_MAIN_0_EMMCSS_WR_MAP0 Registers
        1178. 3.10.1.1178 QOS_IEMMC8SS_16FFC_MAIN_0_EMMCSS_RD_MAP0 Registers
        1179. 3.10.1.1179 QOS_IGIC500SS_1_2_MAIN_0_MEM_WR_VBUSM_MAP0 Registers
        1180. 3.10.1.1180 QOS_IGIC500SS_1_2_MAIN_0_MEM_RD_VBUSM_MAP0 Registers
        1181. 3.10.1.1181 QOS_IPULSAR_LITE_MAIN_0_CPU0_RMST_MAP0 Registers
        1182. 3.10.1.1182 QOS_IPULSAR_LITE_MAIN_0_CPU0_WMST_MAP0 Registers
        1183. 3.10.1.1183 QOS_IPULSAR_LITE_MAIN_0_CPU1_RMST_MAP0 Registers
        1184. 3.10.1.1184 QOS_IPULSAR_LITE_MAIN_0_CPU1_WMST_MAP0 Registers
        1185. 3.10.1.1185 QOS_IPULSAR_LITE_MAIN_1_CPU0_RMST_MAP0 Registers
        1186. 3.10.1.1186 QOS_IPULSAR_LITE_MAIN_1_CPU0_WMST_MAP0 Registers
        1187. 3.10.1.1187 QOS_IPULSAR_LITE_MAIN_1_CPU1_RMST_MAP0 Registers
        1188. 3.10.1.1188 QOS_IPULSAR_LITE_MAIN_1_CPU1_WMST_MAP0 Registers
        1189. 3.10.1.1189 QOS_IICSS_G_16FF_MAIN_0_PR1_EXT_VBUSM_MAP0 Registers
        1190. 3.10.1.1190 QOS_IICSS_G_16FF_MAIN_0_PR1_EXT_VBUSM_MAP1 Registers
        1191. 3.10.1.1191 QOS_IICSS_G_16FF_MAIN_0_PR1_EXT_VBUSM_MAP2 Registers
        1192. 3.10.1.1192 QOS_IICSS_G_16FF_MAIN_0_PR1_EXT_VBUSM_MAP3 Registers
        1193. 3.10.1.1193 QOS_IICSS_G_16FF_MAIN_0_PR1_EXT_VBUSM_MAP4 Registers
        1194. 3.10.1.1194 QOS_IICSS_G_16FF_MAIN_0_PR1_EXT_VBUSM_MAP5 Registers
        1195. 3.10.1.1195 QOS_IICSS_G_16FF_MAIN_0_PR1_EXT_VBUSM_MAP6 Registers
        1196. 3.10.1.1196 QOS_IICSS_G_16FF_MAIN_0_PR1_EXT_VBUSM_MAP7 Registers
        1197. 3.10.1.1197 QOS_IICSS_G_16FF_MAIN_0_PR1_EXT_VBUSM_MAP8 Registers
        1198. 3.10.1.1198 QOS_IICSS_G_16FF_MAIN_0_PR1_EXT_VBUSM_MAP9 Registers
        1199. 3.10.1.1199 QOS_IICSS_G_16FF_MAIN_0_PR1_EXT_VBUSM_MAP10 Registers
        1200. 3.10.1.1200 QOS_IICSS_G_16FF_MAIN_0_PR1_EXT_VBUSM_MAP11 Registers
        1201. 3.10.1.1201 QOS_IICSS_G_16FF_MAIN_0_PR1_EXT_VBUSM_MAP12 Registers
        1202. 3.10.1.1202 QOS_IICSS_G_16FF_MAIN_0_PR1_EXT_VBUSM_MAP13 Registers
        1203. 3.10.1.1203 QOS_IICSS_G_16FF_MAIN_0_PR1_EXT_VBUSM_MAP14 Registers
        1204. 3.10.1.1204 QOS_IICSS_G_16FF_MAIN_0_PR1_EXT_VBUSM_MAP15 Registers
        1205. 3.10.1.1205 QOS_IICSS_G_16FF_MAIN_1_PR1_EXT_VBUSM_MAP0 Registers
        1206. 3.10.1.1206 QOS_IICSS_G_16FF_MAIN_1_PR1_EXT_VBUSM_MAP1 Registers
        1207. 3.10.1.1207 QOS_IICSS_G_16FF_MAIN_1_PR1_EXT_VBUSM_MAP2 Registers
        1208. 3.10.1.1208 QOS_IICSS_G_16FF_MAIN_1_PR1_EXT_VBUSM_MAP3 Registers
        1209. 3.10.1.1209 QOS_IICSS_G_16FF_MAIN_1_PR1_EXT_VBUSM_MAP4 Registers
        1210. 3.10.1.1210 QOS_IICSS_G_16FF_MAIN_1_PR1_EXT_VBUSM_MAP5 Registers
        1211. 3.10.1.1211 QOS_IICSS_G_16FF_MAIN_1_PR1_EXT_VBUSM_MAP6 Registers
        1212. 3.10.1.1212 QOS_IICSS_G_16FF_MAIN_1_PR1_EXT_VBUSM_MAP7 Registers
        1213. 3.10.1.1213 QOS_IICSS_G_16FF_MAIN_1_PR1_EXT_VBUSM_MAP8 Registers
        1214. 3.10.1.1214 QOS_IICSS_G_16FF_MAIN_1_PR1_EXT_VBUSM_MAP9 Registers
        1215. 3.10.1.1215 QOS_IICSS_G_16FF_MAIN_1_PR1_EXT_VBUSM_MAP10 Registers
        1216. 3.10.1.1216 QOS_IICSS_G_16FF_MAIN_1_PR1_EXT_VBUSM_MAP11 Registers
        1217. 3.10.1.1217 QOS_IICSS_G_16FF_MAIN_1_PR1_EXT_VBUSM_MAP12 Registers
        1218. 3.10.1.1218 QOS_IICSS_G_16FF_MAIN_1_PR1_EXT_VBUSM_MAP13 Registers
        1219. 3.10.1.1219 QOS_IICSS_G_16FF_MAIN_1_PR1_EXT_VBUSM_MAP14 Registers
        1220. 3.10.1.1220 QOS_IICSS_G_16FF_MAIN_1_PR1_EXT_VBUSM_MAP15 Registers
        1221. 3.10.1.1221 QOS_IPCIE_G2X1_64_MAIN_0_PCIE_MST_RD_MAP0 Registers
        1222. 3.10.1.1222 QOS_IPCIE_G2X1_64_MAIN_0_PCIE_MST_RD_MAP1 Registers
        1223. 3.10.1.1223 QOS_IPCIE_G2X1_64_MAIN_0_PCIE_MST_RD_MAP2 Registers
        1224. 3.10.1.1224 QOS_IPCIE_G2X1_64_MAIN_0_PCIE_MST_RD_MAP3 Registers
        1225. 3.10.1.1225 QOS_IPCIE_G2X1_64_MAIN_0_PCIE_MST_RD_MAP4 Registers
        1226. 3.10.1.1226 QOS_IPCIE_G2X1_64_MAIN_0_PCIE_MST_RD_MAP5 Registers
        1227. 3.10.1.1227 QOS_IPCIE_G2X1_64_MAIN_0_PCIE_MST_RD_MAP6 Registers
        1228. 3.10.1.1228 QOS_IPCIE_G2X1_64_MAIN_0_PCIE_MST_RD_MAP7 Registers
        1229. 3.10.1.1229 QOS_IPCIE_G2X1_64_MAIN_0_PCIE_MST_WR_MAP0 Registers
        1230. 3.10.1.1230 QOS_IPCIE_G2X1_64_MAIN_0_PCIE_MST_WR_MAP1 Registers
        1231. 3.10.1.1231 QOS_IPCIE_G2X1_64_MAIN_0_PCIE_MST_WR_MAP2 Registers
        1232. 3.10.1.1232 QOS_IPCIE_G2X1_64_MAIN_0_PCIE_MST_WR_MAP3 Registers
        1233. 3.10.1.1233 QOS_IPCIE_G2X1_64_MAIN_0_PCIE_MST_WR_MAP4 Registers
        1234. 3.10.1.1234 QOS_IPCIE_G2X1_64_MAIN_0_PCIE_MST_WR_MAP5 Registers
        1235. 3.10.1.1235 QOS_IPCIE_G2X1_64_MAIN_0_PCIE_MST_WR_MAP6 Registers
        1236. 3.10.1.1236 QOS_IPCIE_G2X1_64_MAIN_0_PCIE_MST_WR_MAP7 Registers
        1237. 3.10.1.1237 QOS_IEMMCSD4SS_MAIN_0_EMMCSDSS_WR_MAP0 Registers
        1238. 3.10.1.1238 QOS_IEMMCSD4SS_MAIN_0_EMMCSDSS_RD_MAP0 Registers
        1239. 3.10.1.1239 QOS_ISA2_UL_MAIN_0_CTXCACH_EXT_DMA_MAP0 Registers
        1240. 3.10.1.1240 QOS_IUSB3P0SS64_16FFC_MAIN_0_MSTR0_MAP0 Registers
        1241. 3.10.1.1241 QOS_IUSB3P0SS64_16FFC_MAIN_0_MSTR0_MAP1 Registers
        1242. 3.10.1.1242 QOS_IUSB3P0SS64_16FFC_MAIN_0_MSTR0_MAP2 Registers
        1243. 3.10.1.1243 QOS_IUSB3P0SS64_16FFC_MAIN_0_MSTR0_MAP3 Registers
        1244. 3.10.1.1244 QOS_IUSB3P0SS64_16FFC_MAIN_0_MSTR0_MAP4 Registers
        1245. 3.10.1.1245 QOS_IUSB3P0SS64_16FFC_MAIN_0_MSTR0_MAP5 Registers
        1246. 3.10.1.1246 QOS_IUSB3P0SS64_16FFC_MAIN_0_MSTR0_MAP6 Registers
        1247. 3.10.1.1247 QOS_IUSB3P0SS64_16FFC_MAIN_0_MSTR0_MAP7 Registers
        1248. 3.10.1.1248 QOS_IUSB3P0SS64_16FFC_MAIN_0_MSTW0_MAP0 Registers
        1249. 3.10.1.1249 QOS_IUSB3P0SS64_16FFC_MAIN_0_MSTW0_MAP1 Registers
        1250. 3.10.1.1250 QOS_IUSB3P0SS64_16FFC_MAIN_0_MSTW0_MAP2 Registers
        1251. 3.10.1.1251 QOS_IUSB3P0SS64_16FFC_MAIN_0_MSTW0_MAP3 Registers
        1252. 3.10.1.1252 QOS_IUSB3P0SS64_16FFC_MAIN_0_MSTW0_MAP4 Registers
        1253. 3.10.1.1253 QOS_IUSB3P0SS64_16FFC_MAIN_0_MSTW0_MAP5 Registers
        1254. 3.10.1.1254 QOS_IUSB3P0SS64_16FFC_MAIN_0_MSTW0_MAP6 Registers
        1255. 3.10.1.1255 QOS_IUSB3P0SS64_16FFC_MAIN_0_MSTW0_MAP7 Registers
        1256. 3.10.1.1256 QOS_IDEBUGSS_K3_WRAP_CV0_MAIN_0_VBUSMR_MAP0 Registers
        1257. 3.10.1.1257 QOS_IDEBUGSS_K3_WRAP_CV0_MAIN_0_VBUSMW_MAP0 Registers
        1258. 3.10.1.1258 ISC_IBLAZAR_MCU_0_VBUSP_M_ISC_REGION_0_CONTROL Registers
        1259. 3.10.1.1259 ISC_IBLAZAR_MCU_0_VBUSP_M_ISC_REGION_0_START_ADDRESS_L Registers
        1260. 3.10.1.1260 ISC_IBLAZAR_MCU_0_VBUSP_M_ISC_REGION_0_START_ADDRESS_H Registers
        1261. 3.10.1.1261 ISC_IBLAZAR_MCU_0_VBUSP_M_ISC_REGION_0_END_ADDRESS_L Registers
        1262. 3.10.1.1262 ISC_IBLAZAR_MCU_0_VBUSP_M_ISC_REGION_0_END_ADDRESS_H Registers
        1263. 3.10.1.1263 ISC_IBLAZAR_MCU_0_VBUSP_M_ISC_REGION_DEF_CONTROL Registers
        1264. 3.10.1.1264 QOS_IBLAZAR_MCU_0_VBUSP_M_MAP0 Registers
        1265. 3.10.1.1265 Access Table
      2. 3.10.2 CBASS_FW Registers
        1. 3.10.2.1  ERR_REGS_CBASS_FW_PID Registers
        2. 3.10.2.2  ERR_REGS_CBASS_FW_DESTINATION_ID Registers
        3. 3.10.2.3  ERR_REGS_CBASS_FW_EXCEPTION_LOGGING_HEADER0 Registers
        4. 3.10.2.4  ERR_REGS_CBASS_FW_EXCEPTION_LOGGING_HEADER1 Registers
        5. 3.10.2.5  ERR_REGS_CBASS_FW_EXCEPTION_LOGGING_DATA0 Registers
        6. 3.10.2.6  ERR_REGS_CBASS_FW_EXCEPTION_LOGGING_DATA1 Registers
        7. 3.10.2.7  ERR_REGS_CBASS_FW_EXCEPTION_LOGGING_DATA2 Registers
        8. 3.10.2.8  ERR_REGS_CBASS_FW_EXCEPTION_LOGGING_DATA3 Registers
        9. 3.10.2.9  ERR_REGS_CBASS_FW_ERR_INTR_RAW_STAT Registers
        10. 3.10.2.10 ERR_REGS_CBASS_FW_ERR_INTR_ENABLED_STAT Registers
        11. 3.10.2.11 ERR_REGS_CBASS_FW_ERR_INTR_ENABLE_SET Registers
        12. 3.10.2.12 ERR_REGS_CBASS_FW_ERR_INTR_ENABLE_CLR Registers
        13. 3.10.2.13 ERR_REGS_CBASS_FW_EOI Registers
        14. 3.10.2.14 Access Table
      3. 3.10.3 CBASS_INFRA Registers
        1. 3.10.3.1   ERR_REGS_CBASS_INFRA_PID Registers
        2. 3.10.3.2   ERR_REGS_CBASS_INFRA_DESTINATION_ID Registers
        3. 3.10.3.3   ERR_REGS_CBASS_INFRA_EXCEPTION_LOGGING_HEADER0 Registers
        4. 3.10.3.4   ERR_REGS_CBASS_INFRA_EXCEPTION_LOGGING_HEADER1 Registers
        5. 3.10.3.5   ERR_REGS_CBASS_INFRA_EXCEPTION_LOGGING_DATA0 Registers
        6. 3.10.3.6   ERR_REGS_CBASS_INFRA_EXCEPTION_LOGGING_DATA1 Registers
        7. 3.10.3.7   ERR_REGS_CBASS_INFRA_EXCEPTION_LOGGING_DATA2 Registers
        8. 3.10.3.8   ERR_REGS_CBASS_INFRA_EXCEPTION_LOGGING_DATA3 Registers
        9. 3.10.3.9   ERR_REGS_CBASS_INFRA_ERR_INTR_RAW_STAT Registers
        10. 3.10.3.10  ERR_REGS_CBASS_INFRA_ERR_INTR_ENABLED_STAT Registers
        11. 3.10.3.11  ERR_REGS_CBASS_INFRA_ERR_INTR_ENABLE_SET Registers
        12. 3.10.3.12  ERR_REGS_CBASS_INFRA_ERR_INTR_ENABLE_CLR Registers
        13. 3.10.3.13  ERR_REGS_CBASS_INFRA_EOI Registers
        14. 3.10.3.14  FW_REGS_CBASS_INFRA_BR_SCRP_32B_MOTOR_TO_SCRP0_32B_CLK4_L0_FW_REGION_0_CONTROL Registers
        15. 3.10.3.15  FW_REGS_CBASS_INFRA_BR_SCRP_32B_MOTOR_TO_SCRP0_32B_CLK4_L0_FW_REGION_0_PERMISSION_0 Registers
        16. 3.10.3.16  FW_REGS_CBASS_INFRA_BR_SCRP_32B_MOTOR_TO_SCRP0_32B_CLK4_L0_FW_REGION_0_PERMISSION_1 Registers
        17. 3.10.3.17  FW_REGS_CBASS_INFRA_BR_SCRP_32B_MOTOR_TO_SCRP0_32B_CLK4_L0_FW_REGION_0_PERMISSION_2 Registers
        18. 3.10.3.18  FW_REGS_CBASS_INFRA_BR_SCRP_32B_MOTOR_TO_SCRP0_32B_CLK4_L0_FW_REGION_0_START_ADDRESS_L Registers
        19. 3.10.3.19  FW_REGS_CBASS_INFRA_BR_SCRP_32B_MOTOR_TO_SCRP0_32B_CLK4_L0_FW_REGION_0_START_ADDRESS_H Registers
        20. 3.10.3.20  FW_REGS_CBASS_INFRA_BR_SCRP_32B_MOTOR_TO_SCRP0_32B_CLK4_L0_FW_REGION_0_END_ADDRESS_L Registers
        21. 3.10.3.21  FW_REGS_CBASS_INFRA_BR_SCRP_32B_MOTOR_TO_SCRP0_32B_CLK4_L0_FW_REGION_0_END_ADDRESS_H Registers
        22. 3.10.3.22  FW_REGS_CBASS_INFRA_BR_SCRP_32B_MOTOR_TO_SCRP0_32B_CLK4_L0_FW_REGION_1_CONTROL Registers
        23. 3.10.3.23  FW_REGS_CBASS_INFRA_BR_SCRP_32B_MOTOR_TO_SCRP0_32B_CLK4_L0_FW_REGION_1_PERMISSION_0 Registers
        24. 3.10.3.24  FW_REGS_CBASS_INFRA_BR_SCRP_32B_MOTOR_TO_SCRP0_32B_CLK4_L0_FW_REGION_1_PERMISSION_1 Registers
        25. 3.10.3.25  FW_REGS_CBASS_INFRA_BR_SCRP_32B_MOTOR_TO_SCRP0_32B_CLK4_L0_FW_REGION_1_PERMISSION_2 Registers
        26. 3.10.3.26  FW_REGS_CBASS_INFRA_BR_SCRP_32B_MOTOR_TO_SCRP0_32B_CLK4_L0_FW_REGION_1_START_ADDRESS_L Registers
        27. 3.10.3.27  FW_REGS_CBASS_INFRA_BR_SCRP_32B_MOTOR_TO_SCRP0_32B_CLK4_L0_FW_REGION_1_START_ADDRESS_H Registers
        28. 3.10.3.28  FW_REGS_CBASS_INFRA_BR_SCRP_32B_MOTOR_TO_SCRP0_32B_CLK4_L0_FW_REGION_1_END_ADDRESS_L Registers
        29. 3.10.3.29  FW_REGS_CBASS_INFRA_BR_SCRP_32B_MOTOR_TO_SCRP0_32B_CLK4_L0_FW_REGION_1_END_ADDRESS_H Registers
        30. 3.10.3.30  FW_REGS_CBASS_INFRA_BR_SCRP_32B_MOTOR_TO_SCRP0_32B_CLK4_L0_FW_REGION_2_CONTROL Registers
        31. 3.10.3.31  FW_REGS_CBASS_INFRA_BR_SCRP_32B_MOTOR_TO_SCRP0_32B_CLK4_L0_FW_REGION_2_PERMISSION_0 Registers
        32. 3.10.3.32  FW_REGS_CBASS_INFRA_BR_SCRP_32B_MOTOR_TO_SCRP0_32B_CLK4_L0_FW_REGION_2_PERMISSION_1 Registers
        33. 3.10.3.33  FW_REGS_CBASS_INFRA_BR_SCRP_32B_MOTOR_TO_SCRP0_32B_CLK4_L0_FW_REGION_2_PERMISSION_2 Registers
        34. 3.10.3.34  FW_REGS_CBASS_INFRA_BR_SCRP_32B_MOTOR_TO_SCRP0_32B_CLK4_L0_FW_REGION_2_START_ADDRESS_L Registers
        35. 3.10.3.35  FW_REGS_CBASS_INFRA_BR_SCRP_32B_MOTOR_TO_SCRP0_32B_CLK4_L0_FW_REGION_2_START_ADDRESS_H Registers
        36. 3.10.3.36  FW_REGS_CBASS_INFRA_BR_SCRP_32B_MOTOR_TO_SCRP0_32B_CLK4_L0_FW_REGION_2_END_ADDRESS_L Registers
        37. 3.10.3.37  FW_REGS_CBASS_INFRA_BR_SCRP_32B_MOTOR_TO_SCRP0_32B_CLK4_L0_FW_REGION_2_END_ADDRESS_H Registers
        38. 3.10.3.38  FW_REGS_CBASS_INFRA_BR_SCRP_32B_MOTOR_TO_SCRP0_32B_CLK4_L0_FW_REGION_3_CONTROL Registers
        39. 3.10.3.39  FW_REGS_CBASS_INFRA_BR_SCRP_32B_MOTOR_TO_SCRP0_32B_CLK4_L0_FW_REGION_3_PERMISSION_0 Registers
        40. 3.10.3.40  FW_REGS_CBASS_INFRA_BR_SCRP_32B_MOTOR_TO_SCRP0_32B_CLK4_L0_FW_REGION_3_PERMISSION_1 Registers
        41. 3.10.3.41  FW_REGS_CBASS_INFRA_BR_SCRP_32B_MOTOR_TO_SCRP0_32B_CLK4_L0_FW_REGION_3_PERMISSION_2 Registers
        42. 3.10.3.42  FW_REGS_CBASS_INFRA_BR_SCRP_32B_MOTOR_TO_SCRP0_32B_CLK4_L0_FW_REGION_3_START_ADDRESS_L Registers
        43. 3.10.3.43  FW_REGS_CBASS_INFRA_BR_SCRP_32B_MOTOR_TO_SCRP0_32B_CLK4_L0_FW_REGION_3_START_ADDRESS_H Registers
        44. 3.10.3.44  FW_REGS_CBASS_INFRA_BR_SCRP_32B_MOTOR_TO_SCRP0_32B_CLK4_L0_FW_REGION_3_END_ADDRESS_L Registers
        45. 3.10.3.45  FW_REGS_CBASS_INFRA_BR_SCRP_32B_MOTOR_TO_SCRP0_32B_CLK4_L0_FW_REGION_3_END_ADDRESS_H Registers
        46. 3.10.3.46  FW_REGS_CBASS_INFRA_BR_SCRP_32B_MOTOR_TO_SCRP0_32B_CLK4_L0_FW_REGION_4_CONTROL Registers
        47. 3.10.3.47  FW_REGS_CBASS_INFRA_BR_SCRP_32B_MOTOR_TO_SCRP0_32B_CLK4_L0_FW_REGION_4_PERMISSION_0 Registers
        48. 3.10.3.48  FW_REGS_CBASS_INFRA_BR_SCRP_32B_MOTOR_TO_SCRP0_32B_CLK4_L0_FW_REGION_4_PERMISSION_1 Registers
        49. 3.10.3.49  FW_REGS_CBASS_INFRA_BR_SCRP_32B_MOTOR_TO_SCRP0_32B_CLK4_L0_FW_REGION_4_PERMISSION_2 Registers
        50. 3.10.3.50  FW_REGS_CBASS_INFRA_BR_SCRP_32B_MOTOR_TO_SCRP0_32B_CLK4_L0_FW_REGION_4_START_ADDRESS_L Registers
        51. 3.10.3.51  FW_REGS_CBASS_INFRA_BR_SCRP_32B_MOTOR_TO_SCRP0_32B_CLK4_L0_FW_REGION_4_START_ADDRESS_H Registers
        52. 3.10.3.52  FW_REGS_CBASS_INFRA_BR_SCRP_32B_MOTOR_TO_SCRP0_32B_CLK4_L0_FW_REGION_4_END_ADDRESS_L Registers
        53. 3.10.3.53  FW_REGS_CBASS_INFRA_BR_SCRP_32B_MOTOR_TO_SCRP0_32B_CLK4_L0_FW_REGION_4_END_ADDRESS_H Registers
        54. 3.10.3.54  FW_REGS_CBASS_INFRA_BR_SCRP_32B_MOTOR_TO_SCRP0_32B_CLK4_L0_FW_REGION_5_CONTROL Registers
        55. 3.10.3.55  FW_REGS_CBASS_INFRA_BR_SCRP_32B_MOTOR_TO_SCRP0_32B_CLK4_L0_FW_REGION_5_PERMISSION_0 Registers
        56. 3.10.3.56  FW_REGS_CBASS_INFRA_BR_SCRP_32B_MOTOR_TO_SCRP0_32B_CLK4_L0_FW_REGION_5_PERMISSION_1 Registers
        57. 3.10.3.57  FW_REGS_CBASS_INFRA_BR_SCRP_32B_MOTOR_TO_SCRP0_32B_CLK4_L0_FW_REGION_5_PERMISSION_2 Registers
        58. 3.10.3.58  FW_REGS_CBASS_INFRA_BR_SCRP_32B_MOTOR_TO_SCRP0_32B_CLK4_L0_FW_REGION_5_START_ADDRESS_L Registers
        59. 3.10.3.59  FW_REGS_CBASS_INFRA_BR_SCRP_32B_MOTOR_TO_SCRP0_32B_CLK4_L0_FW_REGION_5_START_ADDRESS_H Registers
        60. 3.10.3.60  FW_REGS_CBASS_INFRA_BR_SCRP_32B_MOTOR_TO_SCRP0_32B_CLK4_L0_FW_REGION_5_END_ADDRESS_L Registers
        61. 3.10.3.61  FW_REGS_CBASS_INFRA_BR_SCRP_32B_MOTOR_TO_SCRP0_32B_CLK4_L0_FW_REGION_5_END_ADDRESS_H Registers
        62. 3.10.3.62  FW_REGS_CBASS_INFRA_BR_SCRP_32B_MOTOR_TO_SCRP0_32B_CLK4_L0_FW_REGION_6_CONTROL Registers
        63. 3.10.3.63  FW_REGS_CBASS_INFRA_BR_SCRP_32B_MOTOR_TO_SCRP0_32B_CLK4_L0_FW_REGION_6_PERMISSION_0 Registers
        64. 3.10.3.64  FW_REGS_CBASS_INFRA_BR_SCRP_32B_MOTOR_TO_SCRP0_32B_CLK4_L0_FW_REGION_6_PERMISSION_1 Registers
        65. 3.10.3.65  FW_REGS_CBASS_INFRA_BR_SCRP_32B_MOTOR_TO_SCRP0_32B_CLK4_L0_FW_REGION_6_PERMISSION_2 Registers
        66. 3.10.3.66  FW_REGS_CBASS_INFRA_BR_SCRP_32B_MOTOR_TO_SCRP0_32B_CLK4_L0_FW_REGION_6_START_ADDRESS_L Registers
        67. 3.10.3.67  FW_REGS_CBASS_INFRA_BR_SCRP_32B_MOTOR_TO_SCRP0_32B_CLK4_L0_FW_REGION_6_START_ADDRESS_H Registers
        68. 3.10.3.68  FW_REGS_CBASS_INFRA_BR_SCRP_32B_MOTOR_TO_SCRP0_32B_CLK4_L0_FW_REGION_6_END_ADDRESS_L Registers
        69. 3.10.3.69  FW_REGS_CBASS_INFRA_BR_SCRP_32B_MOTOR_TO_SCRP0_32B_CLK4_L0_FW_REGION_6_END_ADDRESS_H Registers
        70. 3.10.3.70  FW_REGS_CBASS_INFRA_BR_SCRP_32B_MOTOR_TO_SCRP0_32B_CLK4_L0_FW_REGION_7_CONTROL Registers
        71. 3.10.3.71  FW_REGS_CBASS_INFRA_BR_SCRP_32B_MOTOR_TO_SCRP0_32B_CLK4_L0_FW_REGION_7_PERMISSION_0 Registers
        72. 3.10.3.72  FW_REGS_CBASS_INFRA_BR_SCRP_32B_MOTOR_TO_SCRP0_32B_CLK4_L0_FW_REGION_7_PERMISSION_1 Registers
        73. 3.10.3.73  FW_REGS_CBASS_INFRA_BR_SCRP_32B_MOTOR_TO_SCRP0_32B_CLK4_L0_FW_REGION_7_PERMISSION_2 Registers
        74. 3.10.3.74  FW_REGS_CBASS_INFRA_BR_SCRP_32B_MOTOR_TO_SCRP0_32B_CLK4_L0_FW_REGION_7_START_ADDRESS_L Registers
        75. 3.10.3.75  FW_REGS_CBASS_INFRA_BR_SCRP_32B_MOTOR_TO_SCRP0_32B_CLK4_L0_FW_REGION_7_START_ADDRESS_H Registers
        76. 3.10.3.76  FW_REGS_CBASS_INFRA_BR_SCRP_32B_MOTOR_TO_SCRP0_32B_CLK4_L0_FW_REGION_7_END_ADDRESS_L Registers
        77. 3.10.3.77  FW_REGS_CBASS_INFRA_BR_SCRP_32B_MOTOR_TO_SCRP0_32B_CLK4_L0_FW_REGION_7_END_ADDRESS_H Registers
        78. 3.10.3.78  FW_REGS_CBASS_INFRA_BR_SCRP_32B_MOTOR_TO_SCRP_32B_MISCIO_L0_FW_REGION_0_CONTROL Registers
        79. 3.10.3.79  FW_REGS_CBASS_INFRA_BR_SCRP_32B_MOTOR_TO_SCRP_32B_MISCIO_L0_FW_REGION_0_PERMISSION_0 Registers
        80. 3.10.3.80  FW_REGS_CBASS_INFRA_BR_SCRP_32B_MOTOR_TO_SCRP_32B_MISCIO_L0_FW_REGION_0_PERMISSION_1 Registers
        81. 3.10.3.81  FW_REGS_CBASS_INFRA_BR_SCRP_32B_MOTOR_TO_SCRP_32B_MISCIO_L0_FW_REGION_0_PERMISSION_2 Registers
        82. 3.10.3.82  FW_REGS_CBASS_INFRA_BR_SCRP_32B_MOTOR_TO_SCRP_32B_MISCIO_L0_FW_REGION_0_START_ADDRESS_L Registers
        83. 3.10.3.83  FW_REGS_CBASS_INFRA_BR_SCRP_32B_MOTOR_TO_SCRP_32B_MISCIO_L0_FW_REGION_0_START_ADDRESS_H Registers
        84. 3.10.3.84  FW_REGS_CBASS_INFRA_BR_SCRP_32B_MOTOR_TO_SCRP_32B_MISCIO_L0_FW_REGION_0_END_ADDRESS_L Registers
        85. 3.10.3.85  FW_REGS_CBASS_INFRA_BR_SCRP_32B_MOTOR_TO_SCRP_32B_MISCIO_L0_FW_REGION_0_END_ADDRESS_H Registers
        86. 3.10.3.86  FW_REGS_CBASS_INFRA_BR_SCRP_32B_MOTOR_TO_SCRP_32B_MISCIO_L0_FW_REGION_1_CONTROL Registers
        87. 3.10.3.87  FW_REGS_CBASS_INFRA_BR_SCRP_32B_MOTOR_TO_SCRP_32B_MISCIO_L0_FW_REGION_1_PERMISSION_0 Registers
        88. 3.10.3.88  FW_REGS_CBASS_INFRA_BR_SCRP_32B_MOTOR_TO_SCRP_32B_MISCIO_L0_FW_REGION_1_PERMISSION_1 Registers
        89. 3.10.3.89  FW_REGS_CBASS_INFRA_BR_SCRP_32B_MOTOR_TO_SCRP_32B_MISCIO_L0_FW_REGION_1_PERMISSION_2 Registers
        90. 3.10.3.90  FW_REGS_CBASS_INFRA_BR_SCRP_32B_MOTOR_TO_SCRP_32B_MISCIO_L0_FW_REGION_1_START_ADDRESS_L Registers
        91. 3.10.3.91  FW_REGS_CBASS_INFRA_BR_SCRP_32B_MOTOR_TO_SCRP_32B_MISCIO_L0_FW_REGION_1_START_ADDRESS_H Registers
        92. 3.10.3.92  FW_REGS_CBASS_INFRA_BR_SCRP_32B_MOTOR_TO_SCRP_32B_MISCIO_L0_FW_REGION_1_END_ADDRESS_L Registers
        93. 3.10.3.93  FW_REGS_CBASS_INFRA_BR_SCRP_32B_MOTOR_TO_SCRP_32B_MISCIO_L0_FW_REGION_1_END_ADDRESS_H Registers
        94. 3.10.3.94  FW_REGS_CBASS_INFRA_BR_SCRP_32B_MOTOR_TO_SCRP_32B_MISCIO_L0_FW_REGION_2_CONTROL Registers
        95. 3.10.3.95  FW_REGS_CBASS_INFRA_BR_SCRP_32B_MOTOR_TO_SCRP_32B_MISCIO_L0_FW_REGION_2_PERMISSION_0 Registers
        96. 3.10.3.96  FW_REGS_CBASS_INFRA_BR_SCRP_32B_MOTOR_TO_SCRP_32B_MISCIO_L0_FW_REGION_2_PERMISSION_1 Registers
        97. 3.10.3.97  FW_REGS_CBASS_INFRA_BR_SCRP_32B_MOTOR_TO_SCRP_32B_MISCIO_L0_FW_REGION_2_PERMISSION_2 Registers
        98. 3.10.3.98  FW_REGS_CBASS_INFRA_BR_SCRP_32B_MOTOR_TO_SCRP_32B_MISCIO_L0_FW_REGION_2_START_ADDRESS_L Registers
        99. 3.10.3.99  FW_REGS_CBASS_INFRA_BR_SCRP_32B_MOTOR_TO_SCRP_32B_MISCIO_L0_FW_REGION_2_START_ADDRESS_H Registers
        100. 3.10.3.100 FW_REGS_CBASS_INFRA_BR_SCRP_32B_MOTOR_TO_SCRP_32B_MISCIO_L0_FW_REGION_2_END_ADDRESS_L Registers
        101. 3.10.3.101 FW_REGS_CBASS_INFRA_BR_SCRP_32B_MOTOR_TO_SCRP_32B_MISCIO_L0_FW_REGION_2_END_ADDRESS_H Registers
        102. 3.10.3.102 FW_REGS_CBASS_INFRA_BR_SCRP_32B_MOTOR_TO_SCRP_32B_MISCIO_L0_FW_REGION_3_CONTROL Registers
        103. 3.10.3.103 FW_REGS_CBASS_INFRA_BR_SCRP_32B_MOTOR_TO_SCRP_32B_MISCIO_L0_FW_REGION_3_PERMISSION_0 Registers
        104. 3.10.3.104 FW_REGS_CBASS_INFRA_BR_SCRP_32B_MOTOR_TO_SCRP_32B_MISCIO_L0_FW_REGION_3_PERMISSION_1 Registers
        105. 3.10.3.105 FW_REGS_CBASS_INFRA_BR_SCRP_32B_MOTOR_TO_SCRP_32B_MISCIO_L0_FW_REGION_3_PERMISSION_2 Registers
        106. 3.10.3.106 FW_REGS_CBASS_INFRA_BR_SCRP_32B_MOTOR_TO_SCRP_32B_MISCIO_L0_FW_REGION_3_START_ADDRESS_L Registers
        107. 3.10.3.107 FW_REGS_CBASS_INFRA_BR_SCRP_32B_MOTOR_TO_SCRP_32B_MISCIO_L0_FW_REGION_3_START_ADDRESS_H Registers
        108. 3.10.3.108 FW_REGS_CBASS_INFRA_BR_SCRP_32B_MOTOR_TO_SCRP_32B_MISCIO_L0_FW_REGION_3_END_ADDRESS_L Registers
        109. 3.10.3.109 FW_REGS_CBASS_INFRA_BR_SCRP_32B_MOTOR_TO_SCRP_32B_MISCIO_L0_FW_REGION_3_END_ADDRESS_H Registers
        110. 3.10.3.110 FW_REGS_CBASS_INFRA_BR_SCRP_32B_MOTOR_TO_SCRP_32B_MISCIO_L0_FW_REGION_4_CONTROL Registers
        111. 3.10.3.111 FW_REGS_CBASS_INFRA_BR_SCRP_32B_MOTOR_TO_SCRP_32B_MISCIO_L0_FW_REGION_4_PERMISSION_0 Registers
        112. 3.10.3.112 FW_REGS_CBASS_INFRA_BR_SCRP_32B_MOTOR_TO_SCRP_32B_MISCIO_L0_FW_REGION_4_PERMISSION_1 Registers
        113. 3.10.3.113 FW_REGS_CBASS_INFRA_BR_SCRP_32B_MOTOR_TO_SCRP_32B_MISCIO_L0_FW_REGION_4_PERMISSION_2 Registers
        114. 3.10.3.114 FW_REGS_CBASS_INFRA_BR_SCRP_32B_MOTOR_TO_SCRP_32B_MISCIO_L0_FW_REGION_4_START_ADDRESS_L Registers
        115. 3.10.3.115 FW_REGS_CBASS_INFRA_BR_SCRP_32B_MOTOR_TO_SCRP_32B_MISCIO_L0_FW_REGION_4_START_ADDRESS_H Registers
        116. 3.10.3.116 FW_REGS_CBASS_INFRA_BR_SCRP_32B_MOTOR_TO_SCRP_32B_MISCIO_L0_FW_REGION_4_END_ADDRESS_L Registers
        117. 3.10.3.117 FW_REGS_CBASS_INFRA_BR_SCRP_32B_MOTOR_TO_SCRP_32B_MISCIO_L0_FW_REGION_4_END_ADDRESS_H Registers
        118. 3.10.3.118 FW_REGS_CBASS_INFRA_BR_SCRP_32B_MOTOR_TO_SCRP_32B_MISCIO_L0_FW_REGION_5_CONTROL Registers
        119. 3.10.3.119 FW_REGS_CBASS_INFRA_BR_SCRP_32B_MOTOR_TO_SCRP_32B_MISCIO_L0_FW_REGION_5_PERMISSION_0 Registers
        120. 3.10.3.120 FW_REGS_CBASS_INFRA_BR_SCRP_32B_MOTOR_TO_SCRP_32B_MISCIO_L0_FW_REGION_5_PERMISSION_1 Registers
        121. 3.10.3.121 FW_REGS_CBASS_INFRA_BR_SCRP_32B_MOTOR_TO_SCRP_32B_MISCIO_L0_FW_REGION_5_PERMISSION_2 Registers
        122. 3.10.3.122 FW_REGS_CBASS_INFRA_BR_SCRP_32B_MOTOR_TO_SCRP_32B_MISCIO_L0_FW_REGION_5_START_ADDRESS_L Registers
        123. 3.10.3.123 FW_REGS_CBASS_INFRA_BR_SCRP_32B_MOTOR_TO_SCRP_32B_MISCIO_L0_FW_REGION_5_START_ADDRESS_H Registers
        124. 3.10.3.124 FW_REGS_CBASS_INFRA_BR_SCRP_32B_MOTOR_TO_SCRP_32B_MISCIO_L0_FW_REGION_5_END_ADDRESS_L Registers
        125. 3.10.3.125 FW_REGS_CBASS_INFRA_BR_SCRP_32B_MOTOR_TO_SCRP_32B_MISCIO_L0_FW_REGION_5_END_ADDRESS_H Registers
        126. 3.10.3.126 FW_REGS_CBASS_INFRA_BR_SCRP_32B_MOTOR_TO_SCRP_32B_MISCIO_L0_FW_REGION_6_CONTROL Registers
        127. 3.10.3.127 FW_REGS_CBASS_INFRA_BR_SCRP_32B_MOTOR_TO_SCRP_32B_MISCIO_L0_FW_REGION_6_PERMISSION_0 Registers
        128. 3.10.3.128 FW_REGS_CBASS_INFRA_BR_SCRP_32B_MOTOR_TO_SCRP_32B_MISCIO_L0_FW_REGION_6_PERMISSION_1 Registers
        129. 3.10.3.129 FW_REGS_CBASS_INFRA_BR_SCRP_32B_MOTOR_TO_SCRP_32B_MISCIO_L0_FW_REGION_6_PERMISSION_2 Registers
        130. 3.10.3.130 FW_REGS_CBASS_INFRA_BR_SCRP_32B_MOTOR_TO_SCRP_32B_MISCIO_L0_FW_REGION_6_START_ADDRESS_L Registers
        131. 3.10.3.131 FW_REGS_CBASS_INFRA_BR_SCRP_32B_MOTOR_TO_SCRP_32B_MISCIO_L0_FW_REGION_6_START_ADDRESS_H Registers
        132. 3.10.3.132 FW_REGS_CBASS_INFRA_BR_SCRP_32B_MOTOR_TO_SCRP_32B_MISCIO_L0_FW_REGION_6_END_ADDRESS_L Registers
        133. 3.10.3.133 FW_REGS_CBASS_INFRA_BR_SCRP_32B_MOTOR_TO_SCRP_32B_MISCIO_L0_FW_REGION_6_END_ADDRESS_H Registers
        134. 3.10.3.134 FW_REGS_CBASS_INFRA_BR_SCRP_32B_MOTOR_TO_SCRP_32B_MISCIO_L0_FW_REGION_7_CONTROL Registers
        135. 3.10.3.135 FW_REGS_CBASS_INFRA_BR_SCRP_32B_MOTOR_TO_SCRP_32B_MISCIO_L0_FW_REGION_7_PERMISSION_0 Registers
        136. 3.10.3.136 FW_REGS_CBASS_INFRA_BR_SCRP_32B_MOTOR_TO_SCRP_32B_MISCIO_L0_FW_REGION_7_PERMISSION_1 Registers
        137. 3.10.3.137 FW_REGS_CBASS_INFRA_BR_SCRP_32B_MOTOR_TO_SCRP_32B_MISCIO_L0_FW_REGION_7_PERMISSION_2 Registers
        138. 3.10.3.138 FW_REGS_CBASS_INFRA_BR_SCRP_32B_MOTOR_TO_SCRP_32B_MISCIO_L0_FW_REGION_7_START_ADDRESS_L Registers
        139. 3.10.3.139 FW_REGS_CBASS_INFRA_BR_SCRP_32B_MOTOR_TO_SCRP_32B_MISCIO_L0_FW_REGION_7_START_ADDRESS_H Registers
        140. 3.10.3.140 FW_REGS_CBASS_INFRA_BR_SCRP_32B_MOTOR_TO_SCRP_32B_MISCIO_L0_FW_REGION_7_END_ADDRESS_L Registers
        141. 3.10.3.141 FW_REGS_CBASS_INFRA_BR_SCRP_32B_MOTOR_TO_SCRP_32B_MISCIO_L0_FW_REGION_7_END_ADDRESS_H Registers
        142. 3.10.3.142 ISC_REGS_CBASS_INFRA_IPULSAR_LITE_MAIN_0_CPU0_PMST_ISC_REGION_0_CONTROL Registers
        143. 3.10.3.143 ISC_REGS_CBASS_INFRA_IPULSAR_LITE_MAIN_0_CPU0_PMST_ISC_REGION_0_START_ADDRESS_L Registers
        144. 3.10.3.144 ISC_REGS_CBASS_INFRA_IPULSAR_LITE_MAIN_0_CPU0_PMST_ISC_REGION_0_START_ADDRESS_H Registers
        145. 3.10.3.145 ISC_REGS_CBASS_INFRA_IPULSAR_LITE_MAIN_0_CPU0_PMST_ISC_REGION_0_END_ADDRESS_L Registers
        146. 3.10.3.146 ISC_REGS_CBASS_INFRA_IPULSAR_LITE_MAIN_0_CPU0_PMST_ISC_REGION_0_END_ADDRESS_H Registers
        147. 3.10.3.147 ISC_REGS_CBASS_INFRA_IPULSAR_LITE_MAIN_0_CPU0_PMST_ISC_REGION_DEF_CONTROL Registers
        148. 3.10.3.148 ISC_REGS_CBASS_INFRA_IPULSAR_LITE_MAIN_0_CPU1_PMST_ISC_REGION_0_CONTROL Registers
        149. 3.10.3.149 ISC_REGS_CBASS_INFRA_IPULSAR_LITE_MAIN_0_CPU1_PMST_ISC_REGION_0_START_ADDRESS_L Registers
        150. 3.10.3.150 ISC_REGS_CBASS_INFRA_IPULSAR_LITE_MAIN_0_CPU1_PMST_ISC_REGION_0_START_ADDRESS_H Registers
        151. 3.10.3.151 ISC_REGS_CBASS_INFRA_IPULSAR_LITE_MAIN_0_CPU1_PMST_ISC_REGION_0_END_ADDRESS_L Registers
        152. 3.10.3.152 ISC_REGS_CBASS_INFRA_IPULSAR_LITE_MAIN_0_CPU1_PMST_ISC_REGION_0_END_ADDRESS_H Registers
        153. 3.10.3.153 ISC_REGS_CBASS_INFRA_IPULSAR_LITE_MAIN_0_CPU1_PMST_ISC_REGION_DEF_CONTROL Registers
        154. 3.10.3.154 ISC_REGS_CBASS_INFRA_IPULSAR_LITE_MAIN_1_CPU0_PMST_ISC_REGION_0_CONTROL Registers
        155. 3.10.3.155 ISC_REGS_CBASS_INFRA_IPULSAR_LITE_MAIN_1_CPU0_PMST_ISC_REGION_0_START_ADDRESS_L Registers
        156. 3.10.3.156 ISC_REGS_CBASS_INFRA_IPULSAR_LITE_MAIN_1_CPU0_PMST_ISC_REGION_0_START_ADDRESS_H Registers
        157. 3.10.3.157 ISC_REGS_CBASS_INFRA_IPULSAR_LITE_MAIN_1_CPU0_PMST_ISC_REGION_0_END_ADDRESS_L Registers
        158. 3.10.3.158 ISC_REGS_CBASS_INFRA_IPULSAR_LITE_MAIN_1_CPU0_PMST_ISC_REGION_0_END_ADDRESS_H Registers
        159. 3.10.3.159 ISC_REGS_CBASS_INFRA_IPULSAR_LITE_MAIN_1_CPU0_PMST_ISC_REGION_DEF_CONTROL Registers
        160. 3.10.3.160 ISC_REGS_CBASS_INFRA_IPULSAR_LITE_MAIN_1_CPU1_PMST_ISC_REGION_0_CONTROL Registers
        161. 3.10.3.161 ISC_REGS_CBASS_INFRA_IPULSAR_LITE_MAIN_1_CPU1_PMST_ISC_REGION_0_START_ADDRESS_L Registers
        162. 3.10.3.162 ISC_REGS_CBASS_INFRA_IPULSAR_LITE_MAIN_1_CPU1_PMST_ISC_REGION_0_START_ADDRESS_H Registers
        163. 3.10.3.163 ISC_REGS_CBASS_INFRA_IPULSAR_LITE_MAIN_1_CPU1_PMST_ISC_REGION_0_END_ADDRESS_L Registers
        164. 3.10.3.164 ISC_REGS_CBASS_INFRA_IPULSAR_LITE_MAIN_1_CPU1_PMST_ISC_REGION_0_END_ADDRESS_H Registers
        165. 3.10.3.165 ISC_REGS_CBASS_INFRA_IPULSAR_LITE_MAIN_1_CPU1_PMST_ISC_REGION_DEF_CONTROL Registers
        166. 3.10.3.166 GLB_REGS_CBASS_INFRA_PID Registers
        167. 3.10.3.167 GLB_REGS_CBASS_INFRA_DESTINATION_ID Registers
        168. 3.10.3.168 GLB_REGS_CBASS_INFRA_EXCEPTION_LOGGING_CONTROL Registers
        169. 3.10.3.169 GLB_REGS_CBASS_INFRA_EXCEPTION_LOGGING_HEADER0 Registers
        170. 3.10.3.170 GLB_REGS_CBASS_INFRA_EXCEPTION_LOGGING_HEADER1 Registers
        171. 3.10.3.171 GLB_REGS_CBASS_INFRA_EXCEPTION_LOGGING_DATA0 Registers
        172. 3.10.3.172 GLB_REGS_CBASS_INFRA_EXCEPTION_LOGGING_DATA1 Registers
        173. 3.10.3.173 GLB_REGS_CBASS_INFRA_EXCEPTION_LOGGING_DATA2 Registers
        174. 3.10.3.174 GLB_REGS_CBASS_INFRA_EXCEPTION_LOGGING_DATA3 Registers
        175. 3.10.3.175 GLB_REGS_CBASS_INFRA_EXCEPTION_PEND_SET Registers
        176. 3.10.3.176 GLB_REGS_CBASS_INFRA_EXCEPTION_PEND_CLEAR Registers
        177. 3.10.3.177 QOS_REGS_CBASS_INFRA_IPULSAR_LITE_MAIN_0_CPU0_PMST_MAP0 Registers
        178. 3.10.3.178 QOS_REGS_CBASS_INFRA_IPULSAR_LITE_MAIN_0_CPU1_PMST_MAP0 Registers
        179. 3.10.3.179 QOS_REGS_CBASS_INFRA_IPULSAR_LITE_MAIN_1_CPU0_PMST_MAP0 Registers
        180. 3.10.3.180 QOS_REGS_CBASS_INFRA_IPULSAR_LITE_MAIN_1_CPU1_PMST_MAP0 Registers
        181. 3.10.3.181 Access Table
      4. 3.10.4 CBASS_DBG Registers
        1. 3.10.4.1  ERR_REGS_CBASS_DBG_PID Registers
        2. 3.10.4.2  ERR_REGS_CBASS_DBG_DESTINATION_ID Registers
        3. 3.10.4.3  ERR_REGS_CBASS_DBG_EXCEPTION_LOGGING_HEADER0 Registers
        4. 3.10.4.4  ERR_REGS_CBASS_DBG_EXCEPTION_LOGGING_HEADER1 Registers
        5. 3.10.4.5  ERR_REGS_CBASS_DBG_EXCEPTION_LOGGING_DATA0 Registers
        6. 3.10.4.6  ERR_REGS_CBASS_DBG_EXCEPTION_LOGGING_DATA1 Registers
        7. 3.10.4.7  ERR_REGS_CBASS_DBG_EXCEPTION_LOGGING_DATA2 Registers
        8. 3.10.4.8  ERR_REGS_CBASS_DBG_EXCEPTION_LOGGING_DATA3 Registers
        9. 3.10.4.9  ERR_REGS_CBASS_DBG_ERR_INTR_RAW_STAT Registers
        10. 3.10.4.10 ERR_REGS_CBASS_DBG_ERR_INTR_ENABLED_STAT Registers
        11. 3.10.4.11 ERR_REGS_CBASS_DBG_ERR_INTR_ENABLE_SET Registers
        12. 3.10.4.12 ERR_REGS_CBASS_DBG_ERR_INTR_ENABLE_CLR Registers
        13. 3.10.4.13 ERR_REGS_CBASS_DBG_EOI Registers
        14. 3.10.4.14 Access Table
  6. Initialization
    1. 4.1 Initialization Overview
      1. 4.1.1 ROM Code Overview
      2. 4.1.2 Bootloader Modes
      3. 4.1.3 Boot Terminology
    2. 4.2 Boot Process
      1. 4.2.1 Public ROM Code Architecture
        1. 4.2.1.1 Main Module
        2. 4.2.1.2 X509 Module
        3. 4.2.1.3 Buffer Manager Module
        4. 4.2.1.4 Log and Trace Module
        5. 4.2.1.5 System Module
        6. 4.2.1.6 Protocol Module
        7. 4.2.1.7 Driver Module
      2. 4.2.2 DMSC ROM Description
      3. 4.2.3 Boot Process Flow
    3. 4.3 Boot Mode Pins
      1. 4.3.1 BOOTMODE Pin Mapping
        1. 4.3.1.1 Primary Boot Mode Selection and Configuration
        2. 4.3.1.2 Backup Boot Mode Selection and Configuration
    4. 4.4 Boot Modes
      1. 4.4.1  OSPI, xSPI, QSPI, SPI Boot
        1. 4.4.1.1 OSPI Boot
          1. 4.4.1.1.1 OSPI Bootloader Operation
            1. 4.4.1.1.1.1 OSPI Initialization Process
            2. 4.4.1.1.1.2 OSPI Loading Process
        2. 4.4.1.2 xSPI Boot
          1. 4.4.1.2.1 xSPI Bootloader Operation
        3. 4.4.1.3 QSPI Boot
          1. 4.4.1.3.1 QSPI Bootloader Operation
            1. 4.4.1.3.1.1 QSPI Initialization Process
            2. 4.4.1.3.1.2 QSPI Loading Process
        4. 4.4.1.4 SPI Boot
          1. 4.4.1.4.1 SPI Bootloader Operation
            1. 4.4.1.4.1.1 SPI Initialization Process
            2. 4.4.1.4.1.2 SPI Loading Process
      2. 4.4.2  I2C Boot
        1. 4.4.2.1 I2C Bootloader Operation
          1. 4.4.2.1.1 I2C Initialization Process
            1. 4.4.2.1.1.1 Block Size
            2. 4.4.2.1.1.2 Addressing
          2. 4.4.2.1.2 I2C Loading Process
            1. 4.4.2.1.2.1 Loading a Boot Image From EEPROM
      3. 4.4.3  SD Card Boot
        1. 4.4.3.1 SD Card Bootloader Operation
      4. 4.4.4  eMMC Boot
        1. 4.4.4.1 eMMC Bootloader Operation
      5. 4.4.5  Ethernet Boot
        1. 4.4.5.1 Ethernet Bootloader Operation
          1. 4.4.5.1.1 Ethernet Initialization Process
          2. 4.4.5.1.2 Ethernet Loading Process
            1. 4.4.5.1.2.1 Ethernet Boot Data Formats
              1. 4.4.5.1.2.1.1 Limitations
              2. 4.4.5.1.2.1.2 BOOTP Request
                1. 4.4.5.1.2.1.2.1 MAC Header (DIX)
                2. 4.4.5.1.2.1.2.2 IPv4 Header
                3. 4.4.5.1.2.1.2.3 UDP Header
                4. 4.4.5.1.2.1.2.4 BOOTP Payload
                5. 4.4.5.1.2.1.2.5 TFTP
          3. 4.4.5.1.3 Ethernet Hand Over Process
      6. 4.4.6  USB Boot
        1. 4.4.6.1 USB Bootloader Operation
          1. 4.4.6.1.1 USB-Specific Attributes
            1. 4.4.6.1.1.1 DFU Device Mode
        2. 4.4.6.2 Limitations for USB DFU and PCIe boot modes
      7. 4.4.7  PCIe Boot
        1. 4.4.7.1 PCIe Bootloader Operation
          1. 4.4.7.1.1 PCIe Initialization Process
          2. 4.4.7.1.2 PCIe Loading Process
        2. 4.4.7.2 Limitations for USB DFU and PCIe boot modes
      8. 4.4.8  UART Boot
        1. 4.4.8.1 UART Bootloader Operation
          1. 4.4.8.1.1 Initialization Process
          2. 4.4.8.1.2 UART Loading Process
            1. 4.4.8.1.2.1 UART XMODEM
          3. 4.4.8.1.3 UART Hand-Over Process
      9. 4.4.9  GPMC NOR Boot
        1. 4.4.9.1 GPMC NOR Bootloader Operation
          1. 4.4.9.1.1 GPMC NOR Initialization Process
          2. 4.4.9.1.2 GPMC NOR Loading Process
      10. 4.4.10 GPMC NAND Boot
        1. 4.4.10.1 GPMC NAND Bootloader Operation
      11. 4.4.11 No boot/Development boot
    5. 4.5 PLL Configuration
    6. 4.6 Boot Parameter Tables
      1. 4.6.1  Common Header
      2. 4.6.2  PLL Setup
      3. 4.6.3  OSPI/QSPI/SPI Boot Parameter Table
      4. 4.6.4  UART Boot Parameter Table
      5. 4.6.5  PCIe Boot Parameter Table
      6. 4.6.6  I2C Boot Parameter Table
      7. 4.6.7  MMCSD/eMMC Boot Parameter Table
      8. 4.6.8  Ethernet Boot Parameter Table
      9. 4.6.9  xSPI Boot Parameter Table
      10. 4.6.10 USB DFU Boot Parameter Table
      11. 4.6.11 USB MSC Boot Parameter Table
      12. 4.6.12 GPMC NOR Boot Parameter Table
      13. 4.6.13 GPMC NAND Boot Parameter Table
    7. 4.7 Boot Image Format
      1. 4.7.1 Overall Structure
      2. 4.7.2 X.509 Certificate
      3. 4.7.3 Organizational Identifier (OID)
      4. 4.7.4 X.509 Extensions Specific to Boot
        1. 4.7.4.1 Boot Info (OID 1.3.6.1.4.1.294.1.1)
        2. 4.7.4.2 Image Integrity (OID 1.3.6.1.4.1.294.1.2)
      5. 4.7.5 Extended Boot Info Extension
        1. 4.7.5.1 Impact on HS Device
        2. 4.7.5.2 Extended Boot Info Details
        3. 4.7.5.3 Certificate / Component Types
        4. 4.7.5.4 Extended Boot Encryption Info
        5. 4.7.5.5 Component Ordering
        6. 4.7.5.6 Memory Load Sections Overlap with Executable Components
        7. 4.7.5.7 Device Type and Extended Boot Extension
      6. 4.7.6 Generating X.509 Certificates
        1. 4.7.6.1 Key Generation
          1. 4.7.6.1.1 Degenerate RSA Keys
        2. 4.7.6.2 Configuration Script
        3. 4.7.6.3 Image Data
    8. 4.8 Boot Memory Maps
      1. 4.8.1 Memory Layout/MPU
      2. 4.8.2 Global Memory Addresses Used by ROM Code
  7. Device Configuration
    1. 5.1 Control Module (CTRL_MMR)
      1. 5.1.1 CTRL_MMR0 and PADCFG_CTRL0_CFG0
        1. 5.1.1.1 CTRL_MMR0 and PADCFG_CTRL0_CFG0 Overview
        2. 5.1.1.2 CTRL_MMR0 and PADCFG_CTRL0_CFG0 Integration
        3. 5.1.1.3 CTRL_MMR0 and PADCFG_CTRL0_CFG0 Functional Description
          1. 5.1.1.3.1 Description for CTRL_MMR0 and PADCFG_CTRL0_CFG0 Register Types
            1. 5.1.1.3.1.1 Pad Configuration Registers
            2. 5.1.1.3.1.2 Kick Protection Registers
            3. 5.1.1.3.1.3 Proxy Addressing Registers
            4. 5.1.1.3.1.4 CTRL_MMR0 Module Interrupts
            5. 5.1.1.3.1.5 EHRPWM/EQEP Control and Status Registers
            6. 5.1.1.3.1.6 Clock Muxing and Division Registers
            7. 5.1.1.3.1.7 Ethernet Port Operation Control Registers
            8. 5.1.1.3.1.8 DDRSS Dynamic Frequency Change Registers
            9. 5.1.1.3.1.9 Device Feature Registers
        4. 5.1.1.4 Pad Configuration Registers
          1. 5.1.1.4.1 Pad Configuration Register Functional Description
          2. 5.1.1.4.2 Pad Configuration Ball Names
          3. 5.1.1.4.3 PADCFG_CTRL0_CFG0 Registers
        5. 5.1.1.5 CTRL_MMR0 Registers
        6. 5.1.1.6 MAIN_SEC_MMR0_CFG2 Registers
        7. 5.1.1.7 MAIN_SEC_MMR0_CFG0 Registers
      2. 5.1.2 MCU_CTRL_MMR0 and MCU_PADCFG_CTRL0_CFG0
        1. 5.1.2.1 MCU_CTRL_MMR0 and MCU_PADCFG_CTRL0_CFG0 Overview
        2. 5.1.2.2 MCU_CTRL_MMR0 and MCU_PADCFG_CTRL0_CFG0 Integration
        3. 5.1.2.3 MCU_CTRL_MMR0 and MCU_PADCFG_CTRL0_CFG0 Functional Description
          1. 5.1.2.3.1 Description for MCU_CTRL_MMR0 and MCU_PADCFG_CTRL0_CFG0 Register Types
            1. 5.1.2.3.1.1 Pad Configuration Registers
            2. 5.1.2.3.1.2 Kick Protection Registers
            3. 5.1.2.3.1.3 MCU_CTRL_MMR0 and MCU_PADCFG_CTRL0_CFG0 Module Interrupts
            4. 5.1.2.3.1.4 Clock Muxing and Division Registers
            5. 5.1.2.3.1.5 I/O Debounce Control Registers
            6. 5.1.2.3.1.6 PRG Related Registers
            7. 5.1.2.3.1.7 POK Module Registers
        4. 5.1.2.4 MCU_PADCFG_CTRL0_CFG0 Registers
        5. 5.1.2.5 MCU_CTRL_MMR0 Registers
    2. 5.2 Power
      1. 5.2.1 Power Management Overview
      2. 5.2.2 Power Management Subsystems
        1. 5.2.2.1 Power System Modules
          1. 5.2.2.1.1 Power OK (POK) Modules
            1. 5.2.2.1.1.1 Configuration Registers
          2. 5.2.2.1.2 Power on Reset (POR) Module
            1. 5.2.2.1.2.1 POR Overview
            2. 5.2.2.1.2.2 POR Integration
          3. 5.2.2.1.3 PoR/Reset Generator (PRG) Modules
            1. 5.2.2.1.3.1 PRG Overview
          4. 5.2.2.1.4 Power Glitch Detect (PGD) Modules
          5. 5.2.2.1.5 Voltage and Thermal Manager (VTM)
            1. 5.2.2.1.5.1 VTM Overview
              1. 5.2.2.1.5.1.1 VTM Features
              2. 5.2.2.1.5.1.2 VTM Not Supported Features
            2. 5.2.2.1.5.2 VTM Functional Description
              1. 5.2.2.1.5.2.1 VTM Temperature Status and Thermal Management
                1. 5.2.2.1.5.2.1.1 10-bit Temperature Values Versus Temperature
          6. 5.2.2.1.6 Integrated Low-dropout Regulator (LDO)
            1. 5.2.2.1.6.1 SDIO LDO Overview
        2. 5.2.2.2 Power Control Modules
          1. 5.2.2.2.1 Power Sleep Controller and Local Power Sleep Controllers
            1. 5.2.2.2.1.1 PSC Terminology
            2. 5.2.2.2.1.2 PSC Features
            3. 5.2.2.2.1.3 PSC: Device Power-Management Layout
              1. 5.2.2.2.1.3.1 Device Power-Management Layout
            4. 5.2.2.2.1.4 PSC: Executing State Transitions
              1. 5.2.2.2.1.4.1 Power Domain State Transitions
              2. 5.2.2.2.1.4.2 Module State Transitions
              3. 5.2.2.2.1.4.3 Concurrent Power Domain/Module State Transitions
              4. 5.2.2.2.1.4.4 Recommendations for Power Domain/Module Sequencing
            5. 5.2.2.2.1.5 LPSC Dependencies Overview
          2. 5.2.2.2.2 DMSC-L Power Management Overview
            1. 5.2.2.2.2.1 DMSC Power Management Features
      3. 5.2.3 Device Power States
        1. 5.2.3.1 Overview of Device Low-Power Modes
        2. 5.2.3.2 Device Power States and Transitions
      4. 5.2.4 Thermal Management
      5. 5.2.5 Power Registers
        1. 5.2.5.1 VTM Registers
        2. 5.2.5.2 PSC Registers
    3. 5.3 Reset
      1. 5.3.1 Overview
        1. 5.3.1.1 MAIN Domain Supported Resets
        2. 5.3.1.2 MCU Domain Supported Resets
        3. 5.3.1.3 Reset Terminology
        4. 5.3.1.4 Reset Architecture
      2. 5.3.2 Reset Sources
      3. 5.3.3 Reset Status
        1. 5.3.3.1 Reset Source Status Registers
        2. 5.3.3.2 MCU_RESETSTATz Status Pin
        3. 5.3.3.3 MCU_SAFETY_ERRORn Status Pin
        4. 5.3.3.4 MAIN_RESETSTATz Status Pin
        5. 5.3.3.5 MAIN_PORz_OUT Status Pin
      4. 5.3.4 Reset Controls
        1. 5.3.4.1 Reset Control Registers
        2. 5.3.4.2 Reset Isolation
      5. 5.3.5 Reset Details
        1. 5.3.5.1 POR Resets
          1. 5.3.5.1.1 SW_MAIN_PORz Reset
          2. 5.3.5.1.2 MCU_PORz Reset
        2. 5.3.5.2 Warm Resets
          1. 5.3.5.2.1 MAIN Domain Warm Reset Sequence Flow
          2. 5.3.5.2.2 MAIN_RESETz_REQ Reset
          3. 5.3.5.2.3 SW_MAIN_WARMRSTz Reset
          4. 5.3.5.2.4 MCU_RESETz Reset
          5. 5.3.5.2.5 SW_MCU_WARMRSTz Reset
        3. 5.3.5.3 DMSC-L Resets
          1. 5.3.5.3.1 DMSC_COLD_OUT_RST_n MAIN Reset
          2. 5.3.5.3.2 DMSC_WARM_OUT_RST_n MAIN Reset
          3. 5.3.5.3.3 DMSC_COLD_OUT_RST_n MCU Reset
        4. 5.3.5.4 VTM Thermal Alert Reset
        5. 5.3.5.5 MAIN ESM_ERRORz Reset
        6. 5.3.5.6 MCU ESM_ERRORz Reset
        7. 5.3.5.7 Reset - High Heating Value (HHV)
    4. 5.4 Clocking
      1. 5.4.1 Overview
      2. 5.4.2 Clock Inputs
        1. 5.4.2.1 Overview
        2. 5.4.2.2 Mapping of Clock Inputs
      3. 5.4.3 Clock Outputs
        1. 5.4.3.1 Observation Clock Pins
          1. 5.4.3.1.1 MCU_OBSCLK0 Pin
          2. 5.4.3.1.2 1800
          3. 5.4.3.1.3 OBSCLK0 Pin
        2. 5.4.3.2 System Clock Pins
          1. 5.4.3.2.1 MCU_SYSCLKOUT0
          2. 5.4.3.2.2 SYSCLKOUT0
      4. 5.4.4 Device Oscillators
        1. 5.4.4.1 Device Oscillators Integration
          1. 5.4.4.1.1 Oscillator with External Crystal
          2. 5.4.4.1.2 Internal RC Oscillator
        2. 5.4.4.2 Oscillator Clock Loss Detection
      5. 5.4.5 PLLs
        1. 5.4.5.1 MCU Domain PLL Overview
        2. 5.4.5.2 MAIN Domain PLLs Overview
        3. 5.4.5.3 PLL Reference Clocks
          1. 5.4.5.3.1 PLLs in MCU Domain
          2. 5.4.5.3.2 PLLs in MAIN Domain
        4. 5.4.5.4 Generic PLL Overview
          1. 5.4.5.4.1 PLLs Output Clocks Parameters
            1. 5.4.5.4.1.1 PLLs Input Clocks
            2. 5.4.5.4.1.2 PLL Output Clocks
              1. 5.4.5.4.1.2.1 PLLTS16FFCLAFRACF Type Output Clocks
              2. 5.4.5.4.1.2.2 PLL Lock
              3. 5.4.5.4.1.2.3 HSDIVIDER
              4. 5.4.5.4.1.2.4 ICG Module
              5. 5.4.5.4.1.2.5 PLL Power Down
              6. 5.4.5.4.1.2.6 PLL Calibration
          2. 5.4.5.4.2 PLL Spread Spectrum Modulation Module
            1. 5.4.5.4.2.1 Definition of SSMOD
            2. 5.4.5.4.2.2 SSMOD Configuration
        5. 5.4.5.5 PLLs Device-Specific Information
          1. 5.4.5.5.1 SSMOD Related Bitfields Table
          2. 5.4.5.5.2 Clock Synthesis Inputs to the PLLs
          3. 5.4.5.5.3 Clock Output Parameter
          4. 5.4.5.5.4 Calibration Related Bitfields
        6. 5.4.5.6 PLL and PLL Controller Connection
        7. 5.4.5.7 PLL, PLLCTRL, and HSDIV Controllers Programming Guide
          1. 5.4.5.7.1 PLL Initialization
            1. 5.4.5.7.1.1 Kick Protection Mechanism
            2. 5.4.5.7.1.2 PLL Initialization to PLL Mode
            3. 5.4.5.7.1.3 PLL Programming Requirements
          2. 5.4.5.7.2 HSDIV PLL Programming
          3. 5.4.5.7.3 PLL Controllers Programming - Dividers PLLDIVn and GO Operation
            1. 5.4.5.7.3.1 GO Operation
            2. 5.4.5.7.3.2 Software Steps to Modify PLLDIV Ratios
          4. 5.4.5.7.4 Entire Sequence for Programming PLLCTRL, HSDIV, and PLL
      6. 5.4.6 Clocking Registers
        1. 5.4.6.1 PLLCTRL0 Registers
        2. 5.4.6.2 PLL0_CFG Registers
        3. 5.4.6.3 MCU_PLL0_CFG Registers
  8. Processors and Accelerators
    1. 6.1 Arm Cortex-A53 Subsystem (A53SS)
      1. 6.1.1 A53SS Overview
        1. 6.1.1.1 A53SS Introduction
        2. 6.1.1.2 A53SS Features
      2. 6.1.2 A53SS Integration
      3. 6.1.3 A53SS Functional Description
        1. 6.1.3.1  A53SS Block Diagram
        2. 6.1.3.2  Arm Cortex-A53 Cluster
        3. 6.1.3.3  A53SS Interfaces and Async Bridges
        4. 6.1.3.4  A53SS Interrupts
          1. 6.1.3.4.1 A53SS Interrupt Inputs
          2. 6.1.3.4.2 A53SS Interrupt Outputs
        5. 6.1.3.5  A53SS Power Management and Clocking
          1. 6.1.3.5.1 A53SS Power Management
          2. 6.1.3.5.2 A53SS Clocking
        6. 6.1.3.6  A53SS Debug
        7. 6.1.3.7  A53SS Global and Debug Timestamps
        8. 6.1.3.8  A53SS Watchdog
        9. 6.1.3.9  A53SS Functional Safety - ECC Error Injection Support
          1. 6.1.3.9.1 A53 ECC Aggregators During Low Power States
          2. 6.1.3.9.2 Auto-initialization of Memories
          3. 6.1.3.9.3 A53 SRAM Safety
          4. 6.1.3.9.4 A53 SRAM ECC Aggregator Configurations
        10. 6.1.3.10 A53SS Boot
        11. 6.1.3.11 A53SS Interprocessor Communication
      4. 6.1.4 A53SS Registers
        1. 6.1.4.1 A53SS Registers
    2. 6.2 Arm Cortex R5F Subsystem (R5FSS)
      1. 6.2.1 R5FSS Overview
        1. 6.2.1.1 R5FSS Features
        2. 6.2.1.2 R5FSS Not Supported Features
      2. 6.2.2 R5FSS Integration
        1. 6.2.2.1 R5FSS Integration in MAIN Domain
      3. 6.2.3 R5FSS Functional Description
        1. 6.2.3.1  R5FSS Block Diagram
        2. 6.2.3.2  R5FSS Cortex-R5F Core
          1. 6.2.3.2.1 L1 Caches
          2. 6.2.3.2.2 Tightly-Coupled Memories (TCMs)
          3. 6.2.3.2.3 R5FSS Special Signals
        3. 6.2.3.3  R5FSS Interfaces
          1. 6.2.3.3.1 Initiator Interfaces
          2. 6.2.3.3.2 Target Interfaces
        4. 6.2.3.4  R5FSS Power, Clocking and Reset
          1. 6.2.3.4.1 R5FSS Power
          2. 6.2.3.4.2 R5FSS Clocking
          3. 6.2.3.4.3 R5FSS Reset
        5. 6.2.3.5  R5FSS Vectored Interrupt Manager (VIM)
          1. 6.2.3.5.1 VIM Overview
          2. 6.2.3.5.2 VIM Interrupt Inputs
          3. 6.2.3.5.3 VIM Interrupt Outputs
          4. 6.2.3.5.4 VIM Interrupt Vector Table (VIM RAM)
          5. 6.2.3.5.5 VIM Interrupt Prioritization
          6. 6.2.3.5.6 VIM ECC Support
          7. 6.2.3.5.7 VIM IDLE State
          8. 6.2.3.5.8 VIM Interrupt Handling
            1. 6.2.3.5.8.1 Servicing IRQ Through Vector Interface
            2. 6.2.3.5.8.2 Servicing IRQ Through MMR Interface
            3. 6.2.3.5.8.3 Servicing IRQ Through MMR Interface (Alternative)
            4. 6.2.3.5.8.4 Servicing FIQ
            5. 6.2.3.5.8.5 Servicing FIQ (Alternative)
        6. 6.2.3.6  R5FSS Region Address Translation (RAT)
          1. 6.2.3.6.1 R5FSS Usage
          2. 6.2.3.6.2 RAT Function
          3. 6.2.3.6.3 How to use RAT Block in R5
          4. 6.2.3.6.4 Example of Using RAT to Access Full 36b SoC Memory Map
        7. 6.2.3.7  R5FSS ECC Support
        8. 6.2.3.8  R5FSS Memory View
        9. 6.2.3.9  R5FSS Interrupts
        10. 6.2.3.10 R5FSS Debug and Trace
        11. 6.2.3.11 R5FSS Boot Options
        12. 6.2.3.12 R5FSS Core Memory ECC Events
      4. 6.2.4 R5FSS Registers
        1. 6.2.4.1 R5FSS_MPIDR Register
        2. 6.2.4.2 R5FSS_CPU0_ECC_AGGR_CFG_REGS Registers
        3. 6.2.4.3 R5FSS_CPU1_ECC_AGGR_CFG_REGS Registers
        4. 6.2.4.4 R5FSS_VIM Registers
        5. 6.2.4.5 R5FSS_RAT Registers
        6. 6.2.4.6 R5FSS_EVNT_BUS_VBUSP_MMRS Registers
    3. 6.3 Cortex-M4F Subsystem (MCU_M4FSS)
      1. 6.3.1 MCU_M4FSS Overview
        1. 6.3.1.1 MCU_M4FSS Features
        2. 6.3.1.2 MCU_M4FSS Not Supported Features
      2. 6.3.2 MCU_M4FSS Integration
      3. 6.3.3 MCU_M4FSS Functional Description
        1. 6.3.3.1  MCU_M4FSS Block Diagram
        2. 6.3.3.2  MCU_M4FSS Processor
        3. 6.3.3.3  MCU_M4FSS Internal RAMs
        4. 6.3.3.4  MCU_M4FSS Interfaces
        5. 6.3.3.5  MCU_M4FSS Power, Clocking and Reset
          1. 6.3.3.5.1 MCU_M4FSS Power
          2. 6.3.3.5.2 MCU_M4FSS Clocking
          3. 6.3.3.5.3 MCU_M4FSS Reset
        6. 6.3.3.6  MCU_M4FSS Memory View
        7. 6.3.3.7  MCU_M4FSS RAT
          1. 6.3.3.7.1 Why RAT is needed for M4F
          2. 6.3.3.7.2 RAT Function
          3. 6.3.3.7.3 How to use RAT Block in Blazar M4F
        8. 6.3.3.8  MCU_M4FSS ECC Support
        9. 6.3.3.9  MCU_M4FSS Interrupts
        10. 6.3.3.10 MCU_M4FSS Debug and Trace
        11. 6.3.3.11 MCU_M4FSS Time Sync
        12. 6.3.3.12 MCU_M4FSS SysTick
        13. 6.3.3.13 MCU_M4FSS Initialization
      4. 6.3.4 MCU_M4FSS Registers
        1. 6.3.4.1 M4FSS_RAT_0 Registers
          1. 6.3.4.1.1  RAT__CFG__MMRS_M4FSS_RAT_0_PID Registers
          2. 6.3.4.1.2  RAT__CFG__MMRS_M4FSS_RAT_0_CONFIG Registers
          3. 6.3.4.1.3  RAT__CFG__MMRS_M4FSS_RAT_0_DESTINATION_ID Registers
          4. 6.3.4.1.4  RAT__CFG__MMRS_M4FSS_RAT_0_EXCEPTION_LOGGING_CONTROL Registers
          5. 6.3.4.1.5  RAT__CFG__MMRS_M4FSS_RAT_0_EXCEPTION_LOGGING_HEADER0 Registers
          6. 6.3.4.1.6  RAT__CFG__MMRS_M4FSS_RAT_0_EXCEPTION_LOGGING_HEADER1 Registers
          7. 6.3.4.1.7  RAT__CFG__MMRS_M4FSS_RAT_0_EXCEPTION_LOGGING_DATA0 Registers
          8. 6.3.4.1.8  RAT__CFG__MMRS_M4FSS_RAT_0_EXCEPTION_LOGGING_DATA1 Registers
          9. 6.3.4.1.9  RAT__CFG__MMRS_M4FSS_RAT_0_EXCEPTION_LOGGING_DATA2 Registers
          10. 6.3.4.1.10 RAT__CFG__MMRS_M4FSS_RAT_0_EXCEPTION_LOGGING_DATA3 Registers
          11. 6.3.4.1.11 RAT__CFG__MMRS_M4FSS_RAT_0_EXCEPTION_PEND_SET Registers
          12. 6.3.4.1.12 RAT__CFG__MMRS_M4FSS_RAT_0_EXCEPTION_PEND_CLEAR Registers
          13. 6.3.4.1.13 RAT__CFG__MMRS_M4FSS_RAT_0_EXCEPTION_ENABLE_SET Registers
          14. 6.3.4.1.14 RAT__CFG__MMRS_M4FSS_RAT_0_EXCEPTION_ENABLE_CLEAR Registers
          15. 6.3.4.1.15 RAT__CFG__MMRS_M4FSS_RAT_0_EOI_REG Registers
          16. 6.3.4.1.16 RAT__CFG__MMRS_M4FSS_RAT_0_REGION_CTRL_J Registers
          17. 6.3.4.1.17 RAT__CFG__MMRS_M4FSS_RAT_0_REGION_BASE_J Registers
          18. 6.3.4.1.18 RAT__CFG__MMRS_M4FSS_RAT_0_REGION_TRANS_L_J Registers
          19. 6.3.4.1.19 RAT__CFG__MMRS_M4FSS_RAT_0_REGION_TRANS_U_J Registers
          20. 6.3.4.1.20 Access Table
    4. 6.4 Programmable Real-Time Unit and Industrial Communication Subsystem - Gigabit (PRU_ICSSG)
      1. 6.4.1  PRU_ICSSG Overview
        1. 6.4.1.1 PRU_ICSSG Key Features
        2. 6.4.1.2 Not Supported Features
      2. 6.4.2  PRU_ICSSG Environment
        1. 6.4.2.1 PRU_ICSSG Internal Pinmux
          1.        PRU_ICSSG I/O Signals
        2. 6.4.2.2 PRU_ICSSG Fast GPIO pins
      3. 6.4.3  PRU_ICSSG Integration
        1.       PRU_ICSSG Clocks
      4. 6.4.4  PRU_ICSSG Top Level Resources Functional Description
        1. 6.4.4.1 PRU_ICSSG Reset Management
        2. 6.4.4.2 PRU_ICSSG Power and Clock Management
          1. 6.4.4.2.1 PRU_ICSSG CORE Clock Generation
          2. 6.4.4.2.2 PRU_ICSSG Idle State
          3. 6.4.4.2.3 PRU_ICSSG Protect
          4. 6.4.4.2.4 Module Clock Configurations at PRU_ICSSG Top Level
        3. 6.4.4.3 Other PRU_ICSSG Module Functional Registers at Subsystem Level
        4. 6.4.4.4 PRU_ICSSG Memory Maps
          1. 6.4.4.4.1 PRU_ICSSG Local Memory Map
            1. 6.4.4.4.1.1 PRU_ICSSG Local Instruction Memory Map
            2. 6.4.4.4.1.2 PRU_ICSSG Local Data Memory Map
          2. 6.4.4.4.2 PRU_ICSSG Global Memory Map
      5. 6.4.5  PRU_ICSSG PRU Cores
        1. 6.4.5.1 PRU Cores Overview
        2. 6.4.5.2 PRU Cores Functional Description
          1. 6.4.5.2.1 PRUs Constant Table
          2. 6.4.5.2.2 PRU Module Interface
            1. 6.4.5.2.2.1 Real-Time Status Interface Mapping (R31): Interrupt Events Input
            2. 6.4.5.2.2.2 Event Interface Mapping (R31): PRU System Events
            3. 6.4.5.2.2.3 General-Purpose Inputs (R31): Enhanced PRU GP Module
              1. 6.4.5.2.2.3.1 PRU EGPIs Direct Input
              2. 6.4.5.2.2.3.2 PRU EGPIs 16-Bit Parallel Capture
              3. 6.4.5.2.2.3.3 PRU EGPIs 28-Bit Shift In
                1. 6.4.5.2.2.3.3.1 PRU EGPI Programming Model
              4. 6.4.5.2.2.3.4 General-Purpose Outputs (R30): Enhanced PRU GP Module
                1. 6.4.5.2.2.3.4.1 PRU EGPOs Direct Output
                2. 6.4.5.2.2.3.4.2 PRU EGPO Shift Out
                  1. 4.5.2.2.3.4.2.1 PRU EGPO Programming Model
              5. 6.4.5.2.2.3.5 Sigma Delta (SD) Decimation Filtering
                1. 6.4.5.2.2.3.5.1 Sigma Delta Block Diagram and Signals
                2. 6.4.5.2.2.3.5.2 PRU R30 / R31 Interface
                3. 6.4.5.2.2.3.5.3 Sigma Delta Description
                4. 6.4.5.2.2.3.5.4 Sigma Delta Basic Programming Example
              6. 6.4.5.2.2.3.6 Three Channel Peripheral Interface
                1. 6.4.5.2.2.3.6.1 Peripheral Interface Block Diagram and Signal Configuration
                2. 6.4.5.2.2.3.6.2 PRU R30 and R31 Interface
                3. 6.4.5.2.2.3.6.3 Clock Generation
                  1. 4.5.2.2.3.6.3.1 Configuration
                  2. 4.5.2.2.3.6.3.2 Clock Output Start Conditions
                    1. 5.2.2.3.6.3.2.1 TX Mode (RX_EN = 0)
                    2. 5.2.2.3.6.3.2.2 RX Mode (RX_EN = 1)
                  3. 4.5.2.2.3.6.3.3 Stop Conditions
                4. 6.4.5.2.2.3.6.4 Three Peripheral Mode Basic Programming Model
                  1. 4.5.2.2.3.6.4.1 Clock Generation
                  2. 4.5.2.2.3.6.4.2 TX - Single Shot
                  3. 4.5.2.2.3.6.4.3 TX - Continuous FIFO Loading
                  4. 4.5.2.2.3.6.4.4 RX - Auto Arm or Non-Auto Arm
        3. 6.4.5.3 PRU_ICSSG RAM Index Allocation
      6. 6.4.6  PRU_ICSSG Broadside Accelerators
        1. 6.4.6.1 PRU_ICSSG Broadside Accelerators Overview
        2. 6.4.6.2 PRU_ICSSG Data Processing Accelerators Functional
          1. 6.4.6.2.1  PRU Multiplier with Accumulation (MPY/MAC)
            1. 6.4.6.2.1.1 PRU MAC Operations
              1. 6.4.6.2.1.1.1 PRU versus MAC Interface
              2. 6.4.6.2.1.1.2 Multiply only mode(default state), MAC_MODE = 0
                1. 6.4.6.2.1.1.2.1 Programming PRU MAC in "Multiply-ONLY" mode
              3. 6.4.6.2.1.1.3 Multiply and Accumulate Mode, MAC_MODE = 1
                1. 6.4.6.2.1.1.3.1 Programming PRU MAC in Multiply and Accumulate Mode
          2. 6.4.6.2.2  PRU CRC16/32 Module
            1. 6.4.6.2.2.1 PRU and CRC16/32 Interface
            2. 6.4.6.2.2.2 CRC Programming Model
            3. 6.4.6.2.2.3 PRU and CRC16/32 Interface (R9:R2)
          3. 6.4.6.2.3  PRU_ICSSG Scratch Pad Memory
            1. 6.4.6.2.3.1 PRU0/1 Scratch Pad Overview
            2. 6.4.6.2.3.2 PRU0 /1 Scratch Pad Operations
              1. 6.4.6.2.3.2.1 Optional XIN/XOUT Shift
              2. 6.4.6.2.3.2.2 Scratch Pad Operations Examples
          4. 6.4.6.2.4  PRU_ICSSG IPC Scratch Pad Memory
          5. 6.4.6.2.5  PRU_ICSSG Broadside (BS) RAM
            1. 6.4.6.2.5.1 Programming the BS RAM
          6. 6.4.6.2.6  PRU_ICSSG SUM32 Hardware Accelerator
          7. 6.4.6.2.7  PRU_ICSSG Byte Swap (BSWAP)
            1. 6.4.6.2.7.1 Byte Order Swap Function
            2. 6.4.6.2.7.2 4_8 Function
            3. 6.4.6.2.7.3 4_16 Function
          8. 6.4.6.2.8  PRU_ICSSG Task Manager
            1. 6.4.6.2.8.1 Task Manager General Purpose Mode
              1. 6.4.6.2.8.1.1 Tasks and Sub-tasks
              2. 6.4.6.2.8.1.2 Task Manager Hardware Context Switching
              3. 6.4.6.2.8.1.3 Task Manager Programming Guide
            2. 6.4.6.2.8.2 Task Manager RX_TX Mode
              1. 6.4.6.2.8.2.1 RX_TX Task Manager Features
              2. 6.4.6.2.8.2.2 Tasks and Sub-tasks
          9. 6.4.6.2.9  PRU_ICSSG Spinlock
            1. 6.4.6.2.9.1 PRU0/1 and RTU_PRU0/1 Spinlock Interface
          10. 6.4.6.2.10 PRU_ICSSG Filter Data Base (FDB)
            1. 6.4.6.2.10.1 FDB Modes of operation
              1. 6.4.6.2.10.1.1 FDB LUT: Hardware operation (HSR Disabled: MII_G_RT_FDB_GEN_CFG2[5] FDB_HSR_EN = 0h)
              2. 6.4.6.2.10.1.2 FDB LUT: Hardware operation (HSR Enabled: MII_G_RT_FDB_GEN_CFG2[5] FDB_HSR_EN = 1h)
              3. 6.4.6.2.10.1.3 8KB/16KB Generic broadside RAM mode of operation
                1. 6.4.6.2.10.1.3.1 Broadside (BS) Mapping
              4. 6.4.6.2.10.1.4 FDB General purpose compare mode operation
        3. 6.4.6.3 PRU_ICSSG Data Movement Accelerators Functional
          1. 6.4.6.3.1 PRU_ICSSG XFR2VBUS Hardware Accelerator
            1. 6.4.6.3.1.1 Blocking Conditions
            2. 6.4.6.3.1.2 Read Operation with Auto Disabled
            3. 6.4.6.3.1.3 Read Operation with Auto Enabled
            4. 6.4.6.3.1.4 Write Operation with Auto Disabled
            5. 6.4.6.3.1.5 RTU_PRU/ PRU to XFR2VBUS Interface
            6. 6.4.6.3.1.6 XFR2VBUS Programming Model
          2. 6.4.6.3.2 PRU_ICSSG XFRDMA Functional Operation
            1. 6.4.6.3.2.1 XFRDMA: XFR Bus
              1. 6.4.6.3.2.1.1 XFRDMA: XFR Status
              2. 6.4.6.3.2.1.2 XFRDMA: XFR Bus XOUT
              3. 6.4.6.3.2.1.3 XFRDMA: XFR Bus XOUXFRDMA Functional Operation T Alignment
              4. 6.4.6.3.2.1.4 XFRDMA: XFR Bus XIN
                1. 6.4.6.3.2.1.4.1 XFRDMA: XFR Bus XIN Alignment
            2. 6.4.6.3.2.2 XFRDMA: PSI-L Bus
              1. 6.4.6.3.2.2.1 PRU XFRPSI Mapping
            3. 6.4.6.3.2.3 XFRDMA: Temporary FIFOs
              1. 6.4.6.3.2.3.1 XFRDMA: FIFO Stalls
          3. 6.4.6.3.3 PRU_ICSSG XFR2TR Ring Accelerator
            1. 6.4.6.3.3.1 XFR2TR Programming Model
      7. 6.4.7  PRU_ICSSG Local INTC
        1. 6.4.7.1 PRU_ICSSG Interrupt Controller Functional Description
          1. 6.4.7.1.1 PRU_ICSSG Interrupt Controller Events
          2. 6.4.7.1.2 PRU_ICSSG Interrupt Controller System Events Flow
            1. 6.4.7.1.2.1 PRU_ICSSG Interrupt Processing
              1. 6.4.7.1.2.1.1 PRU_ICSSG Interrupt Enabling
            2. 6.4.7.1.2.2 PRU_ICSSG Interrupt Status Checking
            3. 6.4.7.1.2.3 PRU_ICSSG Interrupt Channel Mapping
              1. 6.4.7.1.2.3.1 PRU_ICSSG Host Interrupt Mapping
              2. 6.4.7.1.2.3.2 PRU_ICSSG Interrupt Prioritization
            4. 6.4.7.1.2.4 PRU_ICSSG Interrupt Nesting
            5. 6.4.7.1.2.5 PRU_ICSSG Interrupt Status Clearing
          3. 6.4.7.1.3 PRU_ICSSG Interrupt Disabling
        2. 6.4.7.2 PRU_ICSSG Interrupt Controller Basic Programming Model
        3. 6.4.7.3 PRU_ICSSG Interrupt Requests Mapping
      8. 6.4.8  PRU_ICSSG UART Module
        1. 6.4.8.1 PRU_ICSSG UART Overview
        2. 6.4.8.2 PRU_ICSSG UART Environment
          1. 6.4.8.2.1 PRU_ICSSG UART Pin Multiplexing
          2. 6.4.8.2.2 PRU_ICSSG UART Signal Descriptions
          3. 6.4.8.2.3 PRU_ICSSG UART Protocol Description and Data Format
            1. 6.4.8.2.3.1 PRU_ICSSG UART Transmission Protocol
            2. 6.4.8.2.3.2 PRU_ICSSG UART Reception Protocol
            3. 6.4.8.2.3.3 PRU_ICSSG UART Data Format
              1. 6.4.8.2.3.3.1 Frame Formatting
          4. 6.4.8.2.4 PRU_ICSSG UART Clock Generation and Control
        3. 6.4.8.3 PRU_ICSSG UART Functional Description
          1. 6.4.8.3.1 PRU_ICSSG UART Functional Block Diagram
          2. 6.4.8.3.2 PRU_ICSSG UART Reset Considerations
            1. 6.4.8.3.2.1 PRU_ICSSG UART Software Reset Considerations
            2. 6.4.8.3.2.2 PRU_ICSSG UART Hardware Reset Considerations
          3. 6.4.8.3.3 PRU_ICSSG UART Power Management
          4. 6.4.8.3.4 PRU_ICSSG UART Interrupt Support
            1. 6.4.8.3.4.1 PRU_ICSSG UART Interrupt Events and Requests
            2. 6.4.8.3.4.2 PRU_ICSSG UART Interrupt Multiplexing
          5. 6.4.8.3.5 2134
          6. 6.4.8.3.6 PRU_ICSSG UART DMA Event Support
          7. 6.4.8.3.7 PRU_ICSSG UART Operations
            1. 6.4.8.3.7.1 PRU_ICSSG UART FIFO Modes
              1. 6.4.8.3.7.1.1 PRU_ICSSG UART FIFO Interrupt Mode
              2. 6.4.8.3.7.1.2 PRU_ICSSG UART FIFO Poll Mode
            2. 6.4.8.3.7.2 PRU_ICSSG UART Autoflow Control
              1. 6.4.8.3.7.2.1 PRU_ICSSG UART Signal UART0_RTS Behavior
              2. 6.4.8.3.7.2.2 PRU_ICSSG UART Signal UART0_CTS Behavior
            3. 6.4.8.3.7.3 PRU_ICSSG UART Loopback Control
          8. 6.4.8.3.8 PRU_ICSSG UART Emulation Considerations
          9. 6.4.8.3.9 PRU_ICSSG UART Exception Processing
            1. 6.4.8.3.9.1 PRU_ICSSG UART Divisor Latch Not Programmed
            2. 6.4.8.3.9.2 Changing Operating Mode During Busy Serial Communication of PRU_ICSSG UART
      9. 6.4.9  PRU_ICSSG ECAP Module
        1. 6.4.9.1 PRU_ICSSG ECAP Functional Description
      10. 6.4.10 PRU_ICSSG PWM Module
        1. 6.4.10.1 PRU_ICSSG PWM Supported Features
        2. 6.4.10.2 PRU_ICSSG PWM States Overview
        3. 6.4.10.3 PRU_ICSSG PWM Trip State Logic
        4. 6.4.10.4 PRU_ICSSG PWM Glitch Filter
      11. 6.4.11 PRU_ICSSG MII_G_RT Module
        1. 6.4.11.1 PRU_ICSSG MII_G_RT Introduction
          1. 6.4.11.1.1 PRU_ICSSG MII_G_RT Features
          2. 6.4.11.1.2 Unsupported Features
          3. 6.4.11.1.3 PRU_ICSSG MII_G_RT Block Diagram
        2. 6.4.11.2 MII_G_RT Functional Description
          1. 6.4.11.2.1 MII_G_RT Data Path Configuration
            1. 6.4.11.2.1.1 Auto-forward with Optional PRU Snoop
            2. 6.4.11.2.1.2 8- or 16-bit Processing with On-the-Fly Modifications
            3. 6.4.11.2.1.3 32-byte Double Buffer or Ping-Pong Processing
          2. 6.4.11.2.2 MII_G_RT Definition and Terms
            1. 6.4.11.2.2.1 MII_G_RT Data Frame Structure
            2. 6.4.11.2.2.2 PRU R30 and R31
            3. 6.4.11.2.2.3 RX and TX L1 FIFO Data Movement
            4. 6.4.11.2.2.4 Receive CRC Computation
            5. 6.4.11.2.2.5 Transmit CRC Computation
            6. 6.4.11.2.2.6 Transmit CRC Computation for fragmented frames
          3. 6.4.11.2.3 RX MII Interface
            1. 6.4.11.2.3.1 RX MII Receive Data Latch
            2. 6.4.11.2.3.2 RX MII Start of Frame Detection
            3. 6.4.11.2.3.3 CRC Error Detection
            4. 6.4.11.2.3.4 RX Error Detection and Action
            5. 6.4.11.2.3.5 RX Data Path Options to PRU
            6. 6.4.11.2.3.6 RX MII Port → RX L1 FIFO → PRU
            7. 6.4.11.2.3.7 RX MII Port → RX L1 FIFO → RX L2 Buffer → PRU
              1. 6.4.11.2.3.7.1 RX L2 Status in mode 0, none IET mode (when ICSS_G_CFG[2] RX_L2_G_EN= 0h)
              2. 6.4.11.2.3.7.2 2181
              3. 6.4.11.2.3.7.3 RX L2 Status for IET Type 1/Type 2 (when MII_G_RT_ICSS_G_CFG[2] RX_L2_G_EN = 1h)
              4. 6.4.11.2.3.7.4 2183
              5. 6.4.11.2.3.7.5 Broadside Stitch FIFO
              6. 6.4.11.2.3.7.6 MII_G_RT RX Classifier
                1. 6.4.11.2.3.7.6.1 RX Rate Counter Block
                2. 6.4.11.2.3.7.6.2 RX Rate Hit Mapping
                3. 6.4.11.2.3.7.6.3 Traffic Class Selector Block
                4. 6.4.11.2.3.7.6.4 PRU_ICSSG RX L2 Filter Block
                  1. 4.11.2.3.7.6.4.1 PRU_ICSSG RX L2 Filter Operation
                  2. 4.11.2.3.7.6.4.2 PRU_ICSSG RX L2 Filter - Type 1 (MAC Filter) Operation
                  3. 4.11.2.3.7.6.4.3 PRU_ICSSG RX L2 Filter - Type 3 (Content Filter) Operation
                  4. 4.11.2.3.7.6.4.4 PRU_ICSSG RX L2 Filter - Type 3 (Content Filter) Auto Restart operation
                  5. 4.11.2.3.7.6.4.5 RX SA Hash
                  6. 4.11.2.3.7.6.4.6 RX Connection Hash
          4. 6.4.11.2.4 PRU_ICSSG TX MII Interface
            1. 6.4.11.2.4.1 TX Data Path Options to TX L1 FIFO
              1. 6.4.11.2.4.1.1 PRU → TX L1 FIFO → TX MII Port
                1. 6.4.11.2.4.1.1.1 TX L2 FIFO Features
                2. 6.4.11.2.4.1.1.2 2200
                3. 6.4.11.2.4.1.1.3 TX Insertion
                4. 6.4.11.2.4.1.1.4 TX Preemption
                  1. 4.11.2.4.1.1.4.1 TX Preemption Programming Model
              2. 6.4.11.2.4.1.2 RX L1 FIFO → TX L1 FIFO (Direct Connection) → TX MII Port
          5. 6.4.11.2.5 PRU R31 Command Interface
          6. 6.4.11.2.6 Other Configuration Options
            1. 6.4.11.2.6.1 Nibble and Byte Order
            2. 6.4.11.2.6.2 MII_G_RT Preamble Source
            3. 6.4.11.2.6.3 PRU and MII Port Multiplexer
              1. 6.4.11.2.6.3.1 Receive Multiplexer
              2. 6.4.11.2.6.3.2 Transmit Multiplexer
            4. 6.4.11.2.6.4 RX L2 Scratch Pad
        3. 6.4.11.3 PRU_ICSSG PA_STATS Module
          1. 6.4.11.3.1 Statistics Page
          2. 6.4.11.3.2 Statistics Collection Modes
            1. 6.4.11.3.2.1 Manual Read Mode
          3. 6.4.11.3.3 Clock Stop
      12. 6.4.12 PRU_ICSSG MII MDIO Module
        1. 6.4.12.1 PRU_ICSSG MII MDIO Overview
        2. 6.4.12.2 PRU_ICSSG MII MDIO Functional Description
          1. 6.4.12.2.1 MDIO Clause 22 Frame Formats
            1. 6.4.12.2.1.1 PRU-ICSSG MDIO Control and Interface Signals
          2. 6.4.12.2.2 MDIO Clause 45 Frame Formats
          3. 6.4.12.2.3 PRU_ICSSG MII MDIO Interractions
          4. 6.4.12.2.4 PRU_ICSSG MII MDIO Interrupts
            1. 6.4.12.2.4.1 Normal Mode ([30]STATECHANGEMODE = 0h)
            2. 6.4.12.2.4.2 State Change Mode ([30]STATECHANGEMODE = 1h)
          5. 6.4.12.2.5 Manual Mode
        3. 6.4.12.3 PRU_ICSSG MII MDIO Receive/Transmit Frame Host Software Interface
      13. 6.4.13 PRU_ICSSG IEP
        1. 6.4.13.1 PRU_ICSSG IEP Overview
        2. 6.4.13.2 PRU_ICSSG IEP Functional Description
          1. 6.4.13.2.1 PRU_ICSSG IEP Clock Generation
          2. 6.4.13.2.2 PRU_ICSSG IEP Timer
            1. 6.4.13.2.2.1 PRU_ICSSG IEP Timer Features
          3. 6.4.13.2.3 32-Bit Shadow Mode
          4. 6.4.13.2.4 PRU_ICSSG IEP Timer Basic Programming Sequence
          5. 6.4.13.2.5 Industrial Ethernet Mapping
          6. 6.4.13.2.6 PRU_ICSSG IEP Sync0/Sync1 Module
            1. 6.4.13.2.6.1 PRU_ICSSG IEP Sync0/Sync1 Features
            2. 6.4.13.2.6.2 PRU_ICSSG IEP Sync0/Sync1 Generation Modes
          7. 6.4.13.2.7 PRU_ICSSG IEP WatchDog
          8. 6.4.13.2.8 PRU_ICSSG IEP DIGIO
            1. 6.4.13.2.8.1 PRU_ICSSG IEP DIGIO Features
            2. 6.4.13.2.8.2 2245
            3. 6.4.13.2.8.3 PRU_ICSSG IEP DIGIO Block Diagrams
            4. 6.4.13.2.8.4 PRU_ICSSG IEP Basic Programming Model
      14. 6.4.14 PRU_ICSSG Registers
        1. 6.4.14.1  PRU_ICSSG PRU_CTRL, RTU_PRU_CTRL, and TX_PRU_CTRL Registers
        2. 6.4.14.2  PRU_ICSSG PRU_DEBUG, RTU_PRU_DEBUG, and TX_PRU_DEBUG Registers
        3. 6.4.14.3  PRU_ICSSG_ECC_AGGR Registers
        4. 6.4.14.4  PRU_ICSSG_DDRAM Registers
        5. 6.4.14.5  PRU_ICSSG_CFG Registers
        6. 6.4.14.6  PRU_ECAP_ECAP0 Registers
        7. 6.4.14.7  PRU_ICSS_INTC_INTC Registers
        8. 6.4.14.8  PRU_UART_UART0 Registers
        9. 6.4.14.9  PRU_IEP_IEP Registers
        10. 6.4.14.10 PRU_MDIO_MDIO Registers
        11. 6.4.14.11 PRU_MII_RT_MII_RT Registers
        12. 6.4.14.12 PRU_MII_G_RT_MII_G_RT Registers
        13. 6.4.14.13 PRU_ICSSG_PA_STAT Registers
        14. 6.4.14.14 PRU_ICSSG_PA_STAT_QSTAT Registers
        15. 6.4.14.15 PRU_ICSSG_PA_STAT_CSTAT Registers
        16. 6.4.14.16 PRU_PROT_PROTECT Registers
        17. 6.4.14.17 PRU_RAT_SLICE_RAT_SLICE Registers
        18. 6.4.14.18 PRU_TASKS_MGR_TASKS_MGR_PRU_RTU_TX Registers
        19. 6.4.14.19 PRU_ICSSG_RAM Registers
  9. Interprocessor Communication (IPC)
    1. 7.1 Mailbox
      1. 7.1.1 Mailbox Overview
        1. 7.1.1.1 Mailbox Features
        2. 7.1.1.2 Mailbox Parameters
        3. 7.1.1.3 Mailbox Not Supported Features
      2. 7.1.2 Mailbox Integration
        1. 7.1.2.1 System Mailbox Integration
      3. 7.1.3 Mailbox Functional Description
        1. 7.1.3.1 Mailbox Block Diagram
        2. 7.1.3.2 Mailbox Software Reset
        3. 7.1.3.3 Mailbox Power Management
        4. 7.1.3.4 Mailbox Interrupt Requests
        5. 7.1.3.5 Mailbox Assignment
          1. 7.1.3.5.1 Description
        6. 7.1.3.6 Sending and Receiving Messages
          1. 7.1.3.6.1 Description
        7. 7.1.3.7 Example of Communication
      4. 7.1.4 Mailbox Programming Guide
        1. 7.1.4.1 Mailbox Low-level Programming Models
          1. 7.1.4.1.1 Global Initialization
            1. 7.1.4.1.1.1 Surrounding Modules Global Initialization
            2. 7.1.4.1.1.2 Mailbox Global Initialization
              1. 7.1.4.1.1.2.1 Main Sequence - Mailbox Global Initialization
          2. 7.1.4.1.2 Mailbox Operational Modes Configuration
            1. 7.1.4.1.2.1 Mailbox Processing modes
              1. 7.1.4.1.2.1.1 Main Sequence - Sending a Message (Polling Method)
              2. 7.1.4.1.2.1.2 Main Sequence - Sending a Message (Interrupt Method)
              3. 7.1.4.1.2.1.3 Main Sequence - Receiving a Message (Polling Method)
              4. 7.1.4.1.2.1.4 Main Sequence - Receiving a Message (Interrupt Method)
          3. 7.1.4.1.3 Mailbox Events Servicing
            1. 7.1.4.1.3.1 Events Servicing in Sending Mode
            2. 7.1.4.1.3.2 Events Servicing in Receiving Mode
      5. 7.1.5 Mailbox Registers
    2. 7.2 Spinlock
      1. 7.2.1 Spinlock Overview
        1. 7.2.1.1 Spinlock Not Supported Features
      2. 7.2.2 Spinlock Integration
      3. 7.2.3 Spinlock Functional Description
        1. 7.2.3.1 Spinlock Software Reset
        2. 7.2.3.2 Spinlock Power Management
        3. 7.2.3.3 About Spinlocks
        4. 7.2.3.4 Spinlock Functional Operation
      4. 7.2.4 Spinlock Programming Guide
        1. 7.2.4.1 Spinlock Low-level Programming Models
          1. 7.2.4.1.1 Surrounding Modules Global Initialization
          2. 7.2.4.1.2 Basic Spinlock Operations
            1. 7.2.4.1.2.1 Spinlocks Clearing After a System Bug Recovery
            2. 7.2.4.1.2.2 Take and Release Spinlock
      5. 7.2.5 Spinlock Registers
  10. Memory Controllers
    1. 8.1 DDR Subsystem (DDRSS)
      1. 8.1.1 DDRSS Overview
        1. 8.1.1.1 DDRSS Not Supported Features
      2. 8.1.2 DDRSS Environment
      3. 8.1.3 DDRSS Integration
        1. 8.1.3.1 DDRSS Integration in MAIN Domain
      4. 8.1.4 DDRSS Functional Description
        1. 8.1.4.1 Class of Service (CoS)
        2. 8.1.4.2 AXI Write Data All-Strobes
        3. 8.1.4.3 Inline ECC for SDRAM Data
          1. 8.1.4.3.1 ECC Cache
          2. 8.1.4.3.2 ECC Cache Flush
          3. 8.1.4.3.3 ECC Statistics
        4. 8.1.4.4 Address Alias Prevention
        5. 8.1.4.5 AXI Bus Timeout
        6. 8.1.4.6 DDRSS Interrupts
        7. 8.1.4.7 DDRSS Memory Regions
        8. 8.1.4.8 DDRSS Dynamic Frequency Change Interface
        9. 8.1.4.9 DDR Controller Functional Description
          1. 8.1.4.9.1 DDR PHY Interface (DFI)
          2. 8.1.4.9.2 Command Queue
            1. 8.1.4.9.2.1 Placement Logic
            2. 8.1.4.9.2.2 Command Selection Logic
          3. 8.1.4.9.3 Transaction Processing
          4. 8.1.4.9.4 Paging Policy
          5. 8.1.4.9.5 DDR Controller Initialization
      5. 8.1.5 DDR16SS Registers
        1. 8.1.5.1    REGS__SS_CFG__SSCFG_DDR16SS_SS_ID_REV_REG Registers
        2. 8.1.5.2    REGS__SS_CFG__SSCFG_DDR16SS_SS_CTL_REG Registers
        3. 8.1.5.3    REGS__SS_CFG__SSCFG_DDR16SS_V2A_CTL_REG Registers
        4. 8.1.5.4    REGS__SS_CFG__SSCFG_DDR16SS_V2A_R1_MAT_REG Registers
        5. 8.1.5.5    REGS__SS_CFG__SSCFG_DDR16SS_V2A_R2_MAT_REG Registers
        6. 8.1.5.6    REGS__SS_CFG__SSCFG_DDR16SS_V2A_R3_MAT_REG Registers
        7. 8.1.5.7    REGS__SS_CFG__SSCFG_DDR16SS_V2A_DEF_PRI_MAP_REG Registers
        8. 8.1.5.8    REGS__SS_CFG__SSCFG_DDR16SS_V2A_R1_PRI_MAP_REG Registers
        9. 8.1.5.9    REGS__SS_CFG__SSCFG_DDR16SS_V2A_R2_PRI_MAP_REG Registers
        10. 8.1.5.10   REGS__SS_CFG__SSCFG_DDR16SS_V2A_R3_PRI_MAP_REG Registers
        11. 8.1.5.11   REGS__SS_CFG__SSCFG_DDR16SS_V2A_AERR_LOG1_REG Registers
        12. 8.1.5.12   REGS__SS_CFG__SSCFG_DDR16SS_V2A_AERR_LOG2_REG Registers
        13. 8.1.5.13   REGS__SS_CFG__SSCFG_DDR16SS_V2A_BUS_TO Registers
        14. 8.1.5.14   REGS__SS_CFG__SSCFG_DDR16SS_V2A_INT_RAW_REG Registers
        15. 8.1.5.15   REGS__SS_CFG__SSCFG_DDR16SS_V2A_INT_STAT_REG Registers
        16. 8.1.5.16   REGS__SS_CFG__SSCFG_DDR16SS_V2A_INT_SET_REG Registers
        17. 8.1.5.17   REGS__SS_CFG__SSCFG_DDR16SS_V2A_INT_CLR_REG Registers
        18. 8.1.5.18   REGS__SS_CFG__SSCFG_DDR16SS_V2A_EOI_REG Registers
        19. 8.1.5.19   REGS__SS_CFG__SSCFG_DDR16SS_PERF_CNT_SEL_REG Registers
        20. 8.1.5.20   REGS__SS_CFG__SSCFG_DDR16SS_PERF_CNT1_REG Registers
        21. 8.1.5.21   REGS__SS_CFG__SSCFG_DDR16SS_PERF_CNT2_REG Registers
        22. 8.1.5.22   REGS__SS_CFG__SSCFG_DDR16SS_PERF_CNT3_REG Registers
        23. 8.1.5.23   REGS__SS_CFG__SSCFG_DDR16SS_PERF_CNT4_REG Registers
        24. 8.1.5.24   REGS__SS_CFG__SSCFG_DDR16SS_ECC_CTRL_REG Registers
        25. 8.1.5.25   REGS__SS_CFG__SSCFG_DDR16SS_ECC_RID_INDX_REG Registers
        26. 8.1.5.26   REGS__SS_CFG__SSCFG_DDR16SS_ECC_RID_VAL_REG Registers
        27. 8.1.5.27   REGS__SS_CFG__SSCFG_DDR16SS_ECC_R0_STR_ADDR_REG Registers
        28. 8.1.5.28   REGS__SS_CFG__SSCFG_DDR16SS_ECC_R0_END_ADDR_REG Registers
        29. 8.1.5.29   REGS__SS_CFG__SSCFG_DDR16SS_ECC_R1_STR_ADDR_REG Registers
        30. 8.1.5.30   REGS__SS_CFG__SSCFG_DDR16SS_ECC_R1_END_ADDR_REG Registers
        31. 8.1.5.31   REGS__SS_CFG__SSCFG_DDR16SS_ECC_R2_STR_ADDR_REG Registers
        32. 8.1.5.32   REGS__SS_CFG__SSCFG_DDR16SS_ECC_R2_END_ADDR_REG Registers
        33. 8.1.5.33   REGS__SS_CFG__SSCFG_DDR16SS_ECC_1B_ERR_CNT_REG Registers
        34. 8.1.5.34   REGS__SS_CFG__SSCFG_DDR16SS_ECC_1B_ERR_THRSH_REG Registers
        35. 8.1.5.35   REGS__SS_CFG__SSCFG_DDR16SS_ECC_1B_ERR_ADR_LOG_REG Registers
        36. 8.1.5.36   REGS__SS_CFG__SSCFG_DDR16SS_ECC_1B_ERR_MSK_LOG_REG Registers
        37. 8.1.5.37   REGS__SS_CFG__SSCFG_DDR16SS_ECC_2B_ERR_ADR_LOG_REG Registers
        38. 8.1.5.38   REGS__SS_CFG__SSCFG_DDR16SS_ECC_2B_ERR_MSK_LOG_REG Registers
        39. 8.1.5.39   REGS__SS_CFG__SSCFG_DDR16SS_PHY_TEST_CTRL1_REG Registers
        40. 8.1.5.40   REGS__SS_CFG__SSCFG_DDR16SS_PHY_TEST_CTRL2_REG Registers
        41. 8.1.5.41   REGS__SS_CFG__SSCFG_DDR16SS_PHY_TEST_CTRL3_REG Registers
        42. 8.1.5.42   REGS__SS_CFG__SSCFG_DDR16SS_PHY_TEST_CTRL4_REG Registers
        43. 8.1.5.43   REGS__SS_CFG__SSCFG_DDR16SS_PHY_TEST_CTRL5_REG Registers
        44. 8.1.5.44   REGS__SS_CFG__SSCFG_DDR16SS_PHY_TEST_CTRL6_REG Registers
        45. 8.1.5.45   REGS__SS_CFG__SSCFG_DDR16SS_PHY_TEST_CTRL7_REG Registers
        46. 8.1.5.46   REGS__SS_CFG__SSCFG_DDR16SS_PHY_TEST_CTRL8_REG Registers
        47. 8.1.5.47   REGS__SS_CFG__SSCFG_DDR16SS_PHY_TEST_CTRL9_REG Registers
        48. 8.1.5.48   REGS__SS_CFG__SSCFG_DDR16SS_PHY_TEST_CTRL10_REG Registers
        49. 8.1.5.49   REGS__SS_CFG__SSCFG_DDR16SS_PHY_TEST_STAT1_REG Registers
        50. 8.1.5.50   REGS__SS_CFG__SSCFG_DDR16SS_PHY_TEST_STAT2_REG Registers
        51. 8.1.5.51   CTLPHY_WRAP__CTL_CFG__CTLCFG_DDR16SS_DENALI_CTL_0 Registers
        52. 8.1.5.52   CTLPHY_WRAP__CTL_CFG__CTLCFG_DDR16SS_DENALI_CTL_1 Registers
        53. 8.1.5.53   CTLPHY_WRAP__CTL_CFG__CTLCFG_DDR16SS_DENALI_CTL_2 Registers
        54. 8.1.5.54   CTLPHY_WRAP__CTL_CFG__CTLCFG_DDR16SS_DENALI_CTL_3 Registers
        55. 8.1.5.55   CTLPHY_WRAP__CTL_CFG__CTLCFG_DDR16SS_DENALI_CTL_4 Registers
        56. 8.1.5.56   CTLPHY_WRAP__CTL_CFG__CTLCFG_DDR16SS_DENALI_CTL_5 Registers
        57. 8.1.5.57   CTLPHY_WRAP__CTL_CFG__CTLCFG_DDR16SS_DENALI_CTL_6 Registers
        58. 8.1.5.58   CTLPHY_WRAP__CTL_CFG__CTLCFG_DDR16SS_DENALI_CTL_7 Registers
        59. 8.1.5.59   CTLPHY_WRAP__CTL_CFG__CTLCFG_DDR16SS_DENALI_CTL_8 Registers
        60. 8.1.5.60   CTLPHY_WRAP__CTL_CFG__CTLCFG_DDR16SS_DENALI_CTL_9 Registers
        61. 8.1.5.61   CTLPHY_WRAP__CTL_CFG__CTLCFG_DDR16SS_DENALI_CTL_10 Registers
        62. 8.1.5.62   CTLPHY_WRAP__CTL_CFG__CTLCFG_DDR16SS_DENALI_CTL_11 Registers
        63. 8.1.5.63   CTLPHY_WRAP__CTL_CFG__CTLCFG_DDR16SS_DENALI_CTL_12 Registers
        64. 8.1.5.64   CTLPHY_WRAP__CTL_CFG__CTLCFG_DDR16SS_DENALI_CTL_13 Registers
        65. 8.1.5.65   CTLPHY_WRAP__CTL_CFG__CTLCFG_DDR16SS_DENALI_CTL_14 Registers
        66. 8.1.5.66   CTLPHY_WRAP__CTL_CFG__CTLCFG_DDR16SS_DENALI_CTL_15 Registers
        67. 8.1.5.67   CTLPHY_WRAP__CTL_CFG__CTLCFG_DDR16SS_DENALI_CTL_16 Registers
        68. 8.1.5.68   CTLPHY_WRAP__CTL_CFG__CTLCFG_DDR16SS_DENALI_CTL_17 Registers
        69. 8.1.5.69   CTLPHY_WRAP__CTL_CFG__CTLCFG_DDR16SS_DENALI_CTL_18 Registers
        70. 8.1.5.70   CTLPHY_WRAP__CTL_CFG__CTLCFG_DDR16SS_DENALI_CTL_19 Registers
        71. 8.1.5.71   CTLPHY_WRAP__CTL_CFG__CTLCFG_DDR16SS_DENALI_CTL_20 Registers
        72. 8.1.5.72   CTLPHY_WRAP__CTL_CFG__CTLCFG_DDR16SS_DENALI_CTL_21 Registers
        73. 8.1.5.73   CTLPHY_WRAP__CTL_CFG__CTLCFG_DDR16SS_DENALI_CTL_22 Registers
        74. 8.1.5.74   CTLPHY_WRAP__CTL_CFG__CTLCFG_DDR16SS_DENALI_CTL_23 Registers
        75. 8.1.5.75   CTLPHY_WRAP__CTL_CFG__CTLCFG_DDR16SS_DENALI_CTL_24 Registers
        76. 8.1.5.76   CTLPHY_WRAP__CTL_CFG__CTLCFG_DDR16SS_DENALI_CTL_25 Registers
        77. 8.1.5.77   CTLPHY_WRAP__CTL_CFG__CTLCFG_DDR16SS_DENALI_CTL_26 Registers
        78. 8.1.5.78   CTLPHY_WRAP__CTL_CFG__CTLCFG_DDR16SS_DENALI_CTL_27 Registers
        79. 8.1.5.79   CTLPHY_WRAP__CTL_CFG__CTLCFG_DDR16SS_DENALI_CTL_28 Registers
        80. 8.1.5.80   CTLPHY_WRAP__CTL_CFG__CTLCFG_DDR16SS_DENALI_CTL_29 Registers
        81. 8.1.5.81   CTLPHY_WRAP__CTL_CFG__CTLCFG_DDR16SS_DENALI_CTL_30 Registers
        82. 8.1.5.82   CTLPHY_WRAP__CTL_CFG__CTLCFG_DDR16SS_DENALI_CTL_31 Registers
        83. 8.1.5.83   CTLPHY_WRAP__CTL_CFG__CTLCFG_DDR16SS_DENALI_CTL_32 Registers
        84. 8.1.5.84   CTLPHY_WRAP__CTL_CFG__CTLCFG_DDR16SS_DENALI_CTL_33 Registers
        85. 8.1.5.85   CTLPHY_WRAP__CTL_CFG__CTLCFG_DDR16SS_DENALI_CTL_34 Registers
        86. 8.1.5.86   CTLPHY_WRAP__CTL_CFG__CTLCFG_DDR16SS_DENALI_CTL_35 Registers
        87. 8.1.5.87   CTLPHY_WRAP__CTL_CFG__CTLCFG_DDR16SS_DENALI_CTL_36 Registers
        88. 8.1.5.88   CTLPHY_WRAP__CTL_CFG__CTLCFG_DDR16SS_DENALI_CTL_37 Registers
        89. 8.1.5.89   CTLPHY_WRAP__CTL_CFG__CTLCFG_DDR16SS_DENALI_CTL_38 Registers
        90. 8.1.5.90   CTLPHY_WRAP__CTL_CFG__CTLCFG_DDR16SS_DENALI_CTL_39 Registers
        91. 8.1.5.91   CTLPHY_WRAP__CTL_CFG__CTLCFG_DDR16SS_DENALI_CTL_40 Registers
        92. 8.1.5.92   CTLPHY_WRAP__CTL_CFG__CTLCFG_DDR16SS_DENALI_CTL_41 Registers
        93. 8.1.5.93   CTLPHY_WRAP__CTL_CFG__CTLCFG_DDR16SS_DENALI_CTL_42 Registers
        94. 8.1.5.94   CTLPHY_WRAP__CTL_CFG__CTLCFG_DDR16SS_DENALI_CTL_43 Registers
        95. 8.1.5.95   CTLPHY_WRAP__CTL_CFG__CTLCFG_DDR16SS_DENALI_CTL_44 Registers
        96. 8.1.5.96   CTLPHY_WRAP__CTL_CFG__CTLCFG_DDR16SS_DENALI_CTL_45 Registers
        97. 8.1.5.97   CTLPHY_WRAP__CTL_CFG__CTLCFG_DDR16SS_DENALI_CTL_46 Registers
        98. 8.1.5.98   CTLPHY_WRAP__CTL_CFG__CTLCFG_DDR16SS_DENALI_CTL_47 Registers
        99. 8.1.5.99   CTLPHY_WRAP__CTL_CFG__CTLCFG_DDR16SS_DENALI_CTL_48 Registers
        100. 8.1.5.100  CTLPHY_WRAP__CTL_CFG__CTLCFG_DDR16SS_DENALI_CTL_49 Registers
        101. 8.1.5.101  CTLPHY_WRAP__CTL_CFG__CTLCFG_DDR16SS_DENALI_CTL_50 Registers
        102. 8.1.5.102  CTLPHY_WRAP__CTL_CFG__CTLCFG_DDR16SS_DENALI_CTL_51 Registers
        103. 8.1.5.103  CTLPHY_WRAP__CTL_CFG__CTLCFG_DDR16SS_DENALI_CTL_52 Registers
        104. 8.1.5.104  CTLPHY_WRAP__CTL_CFG__CTLCFG_DDR16SS_DENALI_CTL_53 Registers
        105. 8.1.5.105  CTLPHY_WRAP__CTL_CFG__CTLCFG_DDR16SS_DENALI_CTL_54 Registers
        106. 8.1.5.106  CTLPHY_WRAP__CTL_CFG__CTLCFG_DDR16SS_DENALI_CTL_55 Registers
        107. 8.1.5.107  CTLPHY_WRAP__CTL_CFG__CTLCFG_DDR16SS_DENALI_CTL_56 Registers
        108. 8.1.5.108  CTLPHY_WRAP__CTL_CFG__CTLCFG_DDR16SS_DENALI_CTL_57 Registers
        109. 8.1.5.109  CTLPHY_WRAP__CTL_CFG__CTLCFG_DDR16SS_DENALI_CTL_58 Registers
        110. 8.1.5.110  CTLPHY_WRAP__CTL_CFG__CTLCFG_DDR16SS_DENALI_CTL_59 Registers
        111. 8.1.5.111  CTLPHY_WRAP__CTL_CFG__CTLCFG_DDR16SS_DENALI_CTL_60 Registers
        112. 8.1.5.112  CTLPHY_WRAP__CTL_CFG__CTLCFG_DDR16SS_DENALI_CTL_61 Registers
        113. 8.1.5.113  CTLPHY_WRAP__CTL_CFG__CTLCFG_DDR16SS_DENALI_CTL_62 Registers
        114. 8.1.5.114  CTLPHY_WRAP__CTL_CFG__CTLCFG_DDR16SS_DENALI_CTL_63 Registers
        115. 8.1.5.115  CTLPHY_WRAP__CTL_CFG__CTLCFG_DDR16SS_DENALI_CTL_64 Registers
        116. 8.1.5.116  CTLPHY_WRAP__CTL_CFG__CTLCFG_DDR16SS_DENALI_CTL_65 Registers
        117. 8.1.5.117  CTLPHY_WRAP__CTL_CFG__CTLCFG_DDR16SS_DENALI_CTL_66 Registers
        118. 8.1.5.118  CTLPHY_WRAP__CTL_CFG__CTLCFG_DDR16SS_DENALI_CTL_67 Registers
        119. 8.1.5.119  CTLPHY_WRAP__CTL_CFG__CTLCFG_DDR16SS_DENALI_CTL_68 Registers
        120. 8.1.5.120  CTLPHY_WRAP__CTL_CFG__CTLCFG_DDR16SS_DENALI_CTL_69 Registers
        121. 8.1.5.121  CTLPHY_WRAP__CTL_CFG__CTLCFG_DDR16SS_DENALI_CTL_70 Registers
        122. 8.1.5.122  CTLPHY_WRAP__CTL_CFG__CTLCFG_DDR16SS_DENALI_CTL_71 Registers
        123. 8.1.5.123  CTLPHY_WRAP__CTL_CFG__CTLCFG_DDR16SS_DENALI_CTL_72 Registers
        124. 8.1.5.124  CTLPHY_WRAP__CTL_CFG__CTLCFG_DDR16SS_DENALI_CTL_73 Registers
        125. 8.1.5.125  CTLPHY_WRAP__CTL_CFG__CTLCFG_DDR16SS_DENALI_CTL_74 Registers
        126. 8.1.5.126  CTLPHY_WRAP__CTL_CFG__CTLCFG_DDR16SS_DENALI_CTL_75 Registers
        127. 8.1.5.127  CTLPHY_WRAP__CTL_CFG__CTLCFG_DDR16SS_DENALI_CTL_76 Registers
        128. 8.1.5.128  CTLPHY_WRAP__CTL_CFG__CTLCFG_DDR16SS_DENALI_CTL_77 Registers
        129. 8.1.5.129  CTLPHY_WRAP__CTL_CFG__CTLCFG_DDR16SS_DENALI_CTL_78 Registers
        130. 8.1.5.130  CTLPHY_WRAP__CTL_CFG__CTLCFG_DDR16SS_DENALI_CTL_79 Registers
        131. 8.1.5.131  CTLPHY_WRAP__CTL_CFG__CTLCFG_DDR16SS_DENALI_CTL_80 Registers
        132. 8.1.5.132  CTLPHY_WRAP__CTL_CFG__CTLCFG_DDR16SS_DENALI_CTL_81 Registers
        133. 8.1.5.133  CTLPHY_WRAP__CTL_CFG__CTLCFG_DDR16SS_DENALI_CTL_82 Registers
        134. 8.1.5.134  CTLPHY_WRAP__CTL_CFG__CTLCFG_DDR16SS_DENALI_CTL_83 Registers
        135. 8.1.5.135  CTLPHY_WRAP__CTL_CFG__CTLCFG_DDR16SS_DENALI_CTL_84 Registers
        136. 8.1.5.136  CTLPHY_WRAP__CTL_CFG__CTLCFG_DDR16SS_DENALI_CTL_85 Registers
        137. 8.1.5.137  CTLPHY_WRAP__CTL_CFG__CTLCFG_DDR16SS_DENALI_CTL_86 Registers
        138. 8.1.5.138  CTLPHY_WRAP__CTL_CFG__CTLCFG_DDR16SS_DENALI_CTL_87 Registers
        139. 8.1.5.139  CTLPHY_WRAP__CTL_CFG__CTLCFG_DDR16SS_DENALI_CTL_88 Registers
        140. 8.1.5.140  CTLPHY_WRAP__CTL_CFG__CTLCFG_DDR16SS_DENALI_CTL_89 Registers
        141. 8.1.5.141  CTLPHY_WRAP__CTL_CFG__CTLCFG_DDR16SS_DENALI_CTL_90 Registers
        142. 8.1.5.142  CTLPHY_WRAP__CTL_CFG__CTLCFG_DDR16SS_DENALI_CTL_91 Registers
        143. 8.1.5.143  CTLPHY_WRAP__CTL_CFG__CTLCFG_DDR16SS_DENALI_CTL_92 Registers
        144. 8.1.5.144  CTLPHY_WRAP__CTL_CFG__CTLCFG_DDR16SS_DENALI_CTL_93 Registers
        145. 8.1.5.145  CTLPHY_WRAP__CTL_CFG__CTLCFG_DDR16SS_DENALI_CTL_94 Registers
        146. 8.1.5.146  CTLPHY_WRAP__CTL_CFG__CTLCFG_DDR16SS_DENALI_CTL_95 Registers
        147. 8.1.5.147  CTLPHY_WRAP__CTL_CFG__CTLCFG_DDR16SS_DENALI_CTL_96 Registers
        148. 8.1.5.148  CTLPHY_WRAP__CTL_CFG__CTLCFG_DDR16SS_DENALI_CTL_97 Registers
        149. 8.1.5.149  CTLPHY_WRAP__CTL_CFG__CTLCFG_DDR16SS_DENALI_CTL_98 Registers
        150. 8.1.5.150  CTLPHY_WRAP__CTL_CFG__CTLCFG_DDR16SS_DENALI_CTL_99 Registers
        151. 8.1.5.151  CTLPHY_WRAP__CTL_CFG__CTLCFG_DDR16SS_DENALI_CTL_100 Registers
        152. 8.1.5.152  CTLPHY_WRAP__CTL_CFG__CTLCFG_DDR16SS_DENALI_CTL_101 Registers
        153. 8.1.5.153  CTLPHY_WRAP__CTL_CFG__CTLCFG_DDR16SS_DENALI_CTL_102 Registers
        154. 8.1.5.154  CTLPHY_WRAP__CTL_CFG__CTLCFG_DDR16SS_DENALI_CTL_103 Registers
        155. 8.1.5.155  CTLPHY_WRAP__CTL_CFG__CTLCFG_DDR16SS_DENALI_CTL_104 Registers
        156. 8.1.5.156  CTLPHY_WRAP__CTL_CFG__CTLCFG_DDR16SS_DENALI_CTL_105 Registers
        157. 8.1.5.157  CTLPHY_WRAP__CTL_CFG__CTLCFG_DDR16SS_DENALI_CTL_106 Registers
        158. 8.1.5.158  CTLPHY_WRAP__CTL_CFG__CTLCFG_DDR16SS_DENALI_CTL_107 Registers
        159. 8.1.5.159  CTLPHY_WRAP__CTL_CFG__CTLCFG_DDR16SS_DENALI_CTL_108 Registers
        160. 8.1.5.160  CTLPHY_WRAP__CTL_CFG__CTLCFG_DDR16SS_DENALI_CTL_109 Registers
        161. 8.1.5.161  CTLPHY_WRAP__CTL_CFG__CTLCFG_DDR16SS_DENALI_CTL_110 Registers
        162. 8.1.5.162  CTLPHY_WRAP__CTL_CFG__CTLCFG_DDR16SS_DENALI_CTL_111 Registers
        163. 8.1.5.163  CTLPHY_WRAP__CTL_CFG__CTLCFG_DDR16SS_DENALI_CTL_112 Registers
        164. 8.1.5.164  CTLPHY_WRAP__CTL_CFG__CTLCFG_DDR16SS_DENALI_CTL_113 Registers
        165. 8.1.5.165  CTLPHY_WRAP__CTL_CFG__CTLCFG_DDR16SS_DENALI_CTL_114 Registers
        166. 8.1.5.166  CTLPHY_WRAP__CTL_CFG__CTLCFG_DDR16SS_DENALI_CTL_115 Registers
        167. 8.1.5.167  CTLPHY_WRAP__CTL_CFG__CTLCFG_DDR16SS_DENALI_CTL_116 Registers
        168. 8.1.5.168  CTLPHY_WRAP__CTL_CFG__CTLCFG_DDR16SS_DENALI_CTL_117 Registers
        169. 8.1.5.169  CTLPHY_WRAP__CTL_CFG__CTLCFG_DDR16SS_DENALI_CTL_118 Registers
        170. 8.1.5.170  CTLPHY_WRAP__CTL_CFG__CTLCFG_DDR16SS_DENALI_CTL_119 Registers
        171. 8.1.5.171  CTLPHY_WRAP__CTL_CFG__CTLCFG_DDR16SS_DENALI_CTL_120 Registers
        172. 8.1.5.172  CTLPHY_WRAP__CTL_CFG__CTLCFG_DDR16SS_DENALI_CTL_121 Registers
        173. 8.1.5.173  CTLPHY_WRAP__CTL_CFG__CTLCFG_DDR16SS_DENALI_CTL_122 Registers
        174. 8.1.5.174  CTLPHY_WRAP__CTL_CFG__CTLCFG_DDR16SS_DENALI_CTL_123 Registers
        175. 8.1.5.175  CTLPHY_WRAP__CTL_CFG__CTLCFG_DDR16SS_DENALI_CTL_124 Registers
        176. 8.1.5.176  CTLPHY_WRAP__CTL_CFG__CTLCFG_DDR16SS_DENALI_CTL_125 Registers
        177. 8.1.5.177  CTLPHY_WRAP__CTL_CFG__CTLCFG_DDR16SS_DENALI_CTL_126 Registers
        178. 8.1.5.178  CTLPHY_WRAP__CTL_CFG__CTLCFG_DDR16SS_DENALI_CTL_127 Registers
        179. 8.1.5.179  CTLPHY_WRAP__CTL_CFG__CTLCFG_DDR16SS_DENALI_CTL_128 Registers
        180. 8.1.5.180  CTLPHY_WRAP__CTL_CFG__CTLCFG_DDR16SS_DENALI_CTL_129 Registers
        181. 8.1.5.181  CTLPHY_WRAP__CTL_CFG__CTLCFG_DDR16SS_DENALI_CTL_130 Registers
        182. 8.1.5.182  CTLPHY_WRAP__CTL_CFG__CTLCFG_DDR16SS_DENALI_CTL_131 Registers
        183. 8.1.5.183  CTLPHY_WRAP__CTL_CFG__CTLCFG_DDR16SS_DENALI_CTL_132 Registers
        184. 8.1.5.184  CTLPHY_WRAP__CTL_CFG__CTLCFG_DDR16SS_DENALI_CTL_133 Registers
        185. 8.1.5.185  CTLPHY_WRAP__CTL_CFG__CTLCFG_DDR16SS_DENALI_CTL_134 Registers
        186. 8.1.5.186  CTLPHY_WRAP__CTL_CFG__CTLCFG_DDR16SS_DENALI_CTL_135 Registers
        187. 8.1.5.187  CTLPHY_WRAP__CTL_CFG__CTLCFG_DDR16SS_DENALI_CTL_136 Registers
        188. 8.1.5.188  CTLPHY_WRAP__CTL_CFG__CTLCFG_DDR16SS_DENALI_CTL_137 Registers
        189. 8.1.5.189  CTLPHY_WRAP__CTL_CFG__CTLCFG_DDR16SS_DENALI_CTL_138 Registers
        190. 8.1.5.190  CTLPHY_WRAP__CTL_CFG__CTLCFG_DDR16SS_DENALI_CTL_139 Registers
        191. 8.1.5.191  CTLPHY_WRAP__CTL_CFG__CTLCFG_DDR16SS_DENALI_CTL_140 Registers
        192. 8.1.5.192  CTLPHY_WRAP__CTL_CFG__CTLCFG_DDR16SS_DENALI_CTL_141 Registers
        193. 8.1.5.193  CTLPHY_WRAP__CTL_CFG__CTLCFG_DDR16SS_DENALI_CTL_142 Registers
        194. 8.1.5.194  CTLPHY_WRAP__CTL_CFG__CTLCFG_DDR16SS_DENALI_CTL_143 Registers
        195. 8.1.5.195  CTLPHY_WRAP__CTL_CFG__CTLCFG_DDR16SS_DENALI_CTL_144 Registers
        196. 8.1.5.196  CTLPHY_WRAP__CTL_CFG__CTLCFG_DDR16SS_DENALI_CTL_145 Registers
        197. 8.1.5.197  CTLPHY_WRAP__CTL_CFG__CTLCFG_DDR16SS_DENALI_CTL_146 Registers
        198. 8.1.5.198  CTLPHY_WRAP__CTL_CFG__CTLCFG_DDR16SS_DENALI_CTL_147 Registers
        199. 8.1.5.199  CTLPHY_WRAP__CTL_CFG__CTLCFG_DDR16SS_DENALI_CTL_148 Registers
        200. 8.1.5.200  CTLPHY_WRAP__CTL_CFG__CTLCFG_DDR16SS_DENALI_CTL_149 Registers
        201. 8.1.5.201  CTLPHY_WRAP__CTL_CFG__CTLCFG_DDR16SS_DENALI_CTL_150 Registers
        202. 8.1.5.202  CTLPHY_WRAP__CTL_CFG__CTLCFG_DDR16SS_DENALI_CTL_151 Registers
        203. 8.1.5.203  CTLPHY_WRAP__CTL_CFG__CTLCFG_DDR16SS_DENALI_CTL_152 Registers
        204. 8.1.5.204  CTLPHY_WRAP__CTL_CFG__CTLCFG_DDR16SS_DENALI_CTL_153 Registers
        205. 8.1.5.205  CTLPHY_WRAP__CTL_CFG__CTLCFG_DDR16SS_DENALI_CTL_154 Registers
        206. 8.1.5.206  CTLPHY_WRAP__CTL_CFG__CTLCFG_DDR16SS_DENALI_CTL_155 Registers
        207. 8.1.5.207  CTLPHY_WRAP__CTL_CFG__CTLCFG_DDR16SS_DENALI_CTL_156 Registers
        208. 8.1.5.208  CTLPHY_WRAP__CTL_CFG__CTLCFG_DDR16SS_DENALI_CTL_157 Registers
        209. 8.1.5.209  CTLPHY_WRAP__CTL_CFG__CTLCFG_DDR16SS_DENALI_CTL_158 Registers
        210. 8.1.5.210  CTLPHY_WRAP__CTL_CFG__CTLCFG_DDR16SS_DENALI_CTL_159 Registers
        211. 8.1.5.211  CTLPHY_WRAP__CTL_CFG__CTLCFG_DDR16SS_DENALI_CTL_160 Registers
        212. 8.1.5.212  CTLPHY_WRAP__CTL_CFG__CTLCFG_DDR16SS_DENALI_CTL_161 Registers
        213. 8.1.5.213  CTLPHY_WRAP__CTL_CFG__CTLCFG_DDR16SS_DENALI_CTL_162 Registers
        214. 8.1.5.214  CTLPHY_WRAP__CTL_CFG__CTLCFG_DDR16SS_DENALI_CTL_163 Registers
        215. 8.1.5.215  CTLPHY_WRAP__CTL_CFG__CTLCFG_DDR16SS_DENALI_CTL_164 Registers
        216. 8.1.5.216  CTLPHY_WRAP__CTL_CFG__CTLCFG_DDR16SS_DENALI_CTL_165 Registers
        217. 8.1.5.217  CTLPHY_WRAP__CTL_CFG__CTLCFG_DDR16SS_DENALI_CTL_166 Registers
        218. 8.1.5.218  CTLPHY_WRAP__CTL_CFG__CTLCFG_DDR16SS_DENALI_CTL_167 Registers
        219. 8.1.5.219  CTLPHY_WRAP__CTL_CFG__CTLCFG_DDR16SS_DENALI_CTL_168 Registers
        220. 8.1.5.220  CTLPHY_WRAP__CTL_CFG__CTLCFG_DDR16SS_DENALI_CTL_169 Registers
        221. 8.1.5.221  CTLPHY_WRAP__CTL_CFG__CTLCFG_DDR16SS_DENALI_CTL_170 Registers
        222. 8.1.5.222  CTLPHY_WRAP__CTL_CFG__CTLCFG_DDR16SS_DENALI_CTL_171 Registers
        223. 8.1.5.223  CTLPHY_WRAP__CTL_CFG__CTLCFG_DDR16SS_DENALI_CTL_172 Registers
        224. 8.1.5.224  CTLPHY_WRAP__CTL_CFG__CTLCFG_DDR16SS_DENALI_CTL_173 Registers
        225. 8.1.5.225  CTLPHY_WRAP__CTL_CFG__CTLCFG_DDR16SS_DENALI_CTL_174 Registers
        226. 8.1.5.226  CTLPHY_WRAP__CTL_CFG__CTLCFG_DDR16SS_DENALI_CTL_175 Registers
        227. 8.1.5.227  CTLPHY_WRAP__CTL_CFG__CTLCFG_DDR16SS_DENALI_CTL_176 Registers
        228. 8.1.5.228  CTLPHY_WRAP__CTL_CFG__CTLCFG_DDR16SS_DENALI_CTL_177 Registers
        229. 8.1.5.229  CTLPHY_WRAP__CTL_CFG__CTLCFG_DDR16SS_DENALI_CTL_178 Registers
        230. 8.1.5.230  CTLPHY_WRAP__CTL_CFG__CTLCFG_DDR16SS_DENALI_CTL_179 Registers
        231. 8.1.5.231  CTLPHY_WRAP__CTL_CFG__CTLCFG_DDR16SS_DENALI_CTL_180 Registers
        232. 8.1.5.232  CTLPHY_WRAP__CTL_CFG__CTLCFG_DDR16SS_DENALI_CTL_181 Registers
        233. 8.1.5.233  CTLPHY_WRAP__CTL_CFG__CTLCFG_DDR16SS_DENALI_CTL_182 Registers
        234. 8.1.5.234  CTLPHY_WRAP__CTL_CFG__CTLCFG_DDR16SS_DENALI_CTL_183 Registers
        235. 8.1.5.235  CTLPHY_WRAP__CTL_CFG__CTLCFG_DDR16SS_DENALI_CTL_184 Registers
        236. 8.1.5.236  CTLPHY_WRAP__CTL_CFG__CTLCFG_DDR16SS_DENALI_CTL_185 Registers
        237. 8.1.5.237  CTLPHY_WRAP__CTL_CFG__CTLCFG_DDR16SS_DENALI_CTL_186 Registers
        238. 8.1.5.238  CTLPHY_WRAP__CTL_CFG__CTLCFG_DDR16SS_DENALI_CTL_187 Registers
        239. 8.1.5.239  CTLPHY_WRAP__CTL_CFG__CTLCFG_DDR16SS_DENALI_CTL_188 Registers
        240. 8.1.5.240  CTLPHY_WRAP__CTL_CFG__CTLCFG_DDR16SS_DENALI_CTL_189 Registers
        241. 8.1.5.241  CTLPHY_WRAP__CTL_CFG__CTLCFG_DDR16SS_DENALI_CTL_190 Registers
        242. 8.1.5.242  CTLPHY_WRAP__CTL_CFG__CTLCFG_DDR16SS_DENALI_CTL_191 Registers
        243. 8.1.5.243  CTLPHY_WRAP__CTL_CFG__CTLCFG_DDR16SS_DENALI_CTL_192 Registers
        244. 8.1.5.244  CTLPHY_WRAP__CTL_CFG__CTLCFG_DDR16SS_DENALI_CTL_193 Registers
        245. 8.1.5.245  CTLPHY_WRAP__CTL_CFG__CTLCFG_DDR16SS_DENALI_CTL_194 Registers
        246. 8.1.5.246  CTLPHY_WRAP__CTL_CFG__CTLCFG_DDR16SS_DENALI_CTL_195 Registers
        247. 8.1.5.247  CTLPHY_WRAP__CTL_CFG__CTLCFG_DDR16SS_DENALI_CTL_196 Registers
        248. 8.1.5.248  CTLPHY_WRAP__CTL_CFG__CTLCFG_DDR16SS_DENALI_CTL_197 Registers
        249. 8.1.5.249  CTLPHY_WRAP__CTL_CFG__CTLCFG_DDR16SS_DENALI_CTL_198 Registers
        250. 8.1.5.250  CTLPHY_WRAP__CTL_CFG__CTLCFG_DDR16SS_DENALI_CTL_199 Registers
        251. 8.1.5.251  CTLPHY_WRAP__CTL_CFG__CTLCFG_DDR16SS_DENALI_CTL_200 Registers
        252. 8.1.5.252  CTLPHY_WRAP__CTL_CFG__CTLCFG_DDR16SS_DENALI_CTL_201 Registers
        253. 8.1.5.253  CTLPHY_WRAP__CTL_CFG__CTLCFG_DDR16SS_DENALI_CTL_202 Registers
        254. 8.1.5.254  CTLPHY_WRAP__CTL_CFG__CTLCFG_DDR16SS_DENALI_CTL_203 Registers
        255. 8.1.5.255  CTLPHY_WRAP__CTL_CFG__CTLCFG_DDR16SS_DENALI_CTL_204 Registers
        256. 8.1.5.256  CTLPHY_WRAP__CTL_CFG__CTLCFG_DDR16SS_DENALI_CTL_205 Registers
        257. 8.1.5.257  CTLPHY_WRAP__CTL_CFG__CTLCFG_DDR16SS_DENALI_CTL_206 Registers
        258. 8.1.5.258  CTLPHY_WRAP__CTL_CFG__CTLCFG_DDR16SS_DENALI_CTL_207 Registers
        259. 8.1.5.259  CTLPHY_WRAP__CTL_CFG__CTLCFG_DDR16SS_DENALI_CTL_208 Registers
        260. 8.1.5.260  CTLPHY_WRAP__CTL_CFG__CTLCFG_DDR16SS_DENALI_CTL_209 Registers
        261. 8.1.5.261  CTLPHY_WRAP__CTL_CFG__CTLCFG_DDR16SS_DENALI_CTL_210 Registers
        262. 8.1.5.262  CTLPHY_WRAP__CTL_CFG__CTLCFG_DDR16SS_DENALI_CTL_211 Registers
        263. 8.1.5.263  CTLPHY_WRAP__CTL_CFG__CTLCFG_DDR16SS_DENALI_CTL_212 Registers
        264. 8.1.5.264  CTLPHY_WRAP__CTL_CFG__CTLCFG_DDR16SS_DENALI_CTL_213 Registers
        265. 8.1.5.265  CTLPHY_WRAP__CTL_CFG__CTLCFG_DDR16SS_DENALI_CTL_214 Registers
        266. 8.1.5.266  CTLPHY_WRAP__CTL_CFG__CTLCFG_DDR16SS_DENALI_CTL_215 Registers
        267. 8.1.5.267  CTLPHY_WRAP__CTL_CFG__CTLCFG_DDR16SS_DENALI_CTL_216 Registers
        268. 8.1.5.268  CTLPHY_WRAP__CTL_CFG__CTLCFG_DDR16SS_DENALI_CTL_217 Registers
        269. 8.1.5.269  CTLPHY_WRAP__CTL_CFG__CTLCFG_DDR16SS_DENALI_CTL_218 Registers
        270. 8.1.5.270  CTLPHY_WRAP__CTL_CFG__CTLCFG_DDR16SS_DENALI_CTL_219 Registers
        271. 8.1.5.271  CTLPHY_WRAP__CTL_CFG__CTLCFG_DDR16SS_DENALI_CTL_220 Registers
        272. 8.1.5.272  CTLPHY_WRAP__CTL_CFG__CTLCFG_DDR16SS_DENALI_CTL_221 Registers
        273. 8.1.5.273  CTLPHY_WRAP__CTL_CFG__CTLCFG_DDR16SS_DENALI_CTL_222 Registers
        274. 8.1.5.274  CTLPHY_WRAP__CTL_CFG__CTLCFG_DDR16SS_DENALI_CTL_223 Registers
        275. 8.1.5.275  CTLPHY_WRAP__CTL_CFG__CTLCFG_DDR16SS_DENALI_CTL_224 Registers
        276. 8.1.5.276  CTLPHY_WRAP__CTL_CFG__CTLCFG_DDR16SS_DENALI_CTL_225 Registers
        277. 8.1.5.277  CTLPHY_WRAP__CTL_CFG__CTLCFG_DDR16SS_DENALI_CTL_226 Registers
        278. 8.1.5.278  CTLPHY_WRAP__CTL_CFG__CTLCFG_DDR16SS_DENALI_CTL_227 Registers
        279. 8.1.5.279  CTLPHY_WRAP__CTL_CFG__CTLCFG_DDR16SS_DENALI_CTL_228 Registers
        280. 8.1.5.280  CTLPHY_WRAP__CTL_CFG__CTLCFG_DDR16SS_DENALI_CTL_229 Registers
        281. 8.1.5.281  CTLPHY_WRAP__CTL_CFG__CTLCFG_DDR16SS_DENALI_CTL_230 Registers
        282. 8.1.5.282  CTLPHY_WRAP__CTL_CFG__CTLCFG_DDR16SS_DENALI_CTL_231 Registers
        283. 8.1.5.283  CTLPHY_WRAP__CTL_CFG__CTLCFG_DDR16SS_DENALI_CTL_232 Registers
        284. 8.1.5.284  CTLPHY_WRAP__CTL_CFG__CTLCFG_DDR16SS_DENALI_CTL_233 Registers
        285. 8.1.5.285  CTLPHY_WRAP__CTL_CFG__CTLCFG_DDR16SS_DENALI_CTL_234 Registers
        286. 8.1.5.286  CTLPHY_WRAP__CTL_CFG__CTLCFG_DDR16SS_DENALI_CTL_235 Registers
        287. 8.1.5.287  CTLPHY_WRAP__CTL_CFG__CTLCFG_DDR16SS_DENALI_CTL_236 Registers
        288. 8.1.5.288  CTLPHY_WRAP__CTL_CFG__CTLCFG_DDR16SS_DENALI_CTL_237 Registers
        289. 8.1.5.289  CTLPHY_WRAP__CTL_CFG__CTLCFG_DDR16SS_DENALI_CTL_238 Registers
        290. 8.1.5.290  CTLPHY_WRAP__CTL_CFG__CTLCFG_DDR16SS_DENALI_CTL_239 Registers
        291. 8.1.5.291  CTLPHY_WRAP__CTL_CFG__CTLCFG_DDR16SS_DENALI_CTL_240 Registers
        292. 8.1.5.292  CTLPHY_WRAP__CTL_CFG__CTLCFG_DDR16SS_DENALI_CTL_241 Registers
        293. 8.1.5.293  CTLPHY_WRAP__CTL_CFG__CTLCFG_DDR16SS_DENALI_CTL_242 Registers
        294. 8.1.5.294  CTLPHY_WRAP__CTL_CFG__CTLCFG_DDR16SS_DENALI_CTL_243 Registers
        295. 8.1.5.295  CTLPHY_WRAP__CTL_CFG__CTLCFG_DDR16SS_DENALI_CTL_244 Registers
        296. 8.1.5.296  CTLPHY_WRAP__CTL_CFG__CTLCFG_DDR16SS_DENALI_CTL_245 Registers
        297. 8.1.5.297  CTLPHY_WRAP__CTL_CFG__CTLCFG_DDR16SS_DENALI_CTL_246 Registers
        298. 8.1.5.298  CTLPHY_WRAP__CTL_CFG__CTLCFG_DDR16SS_DENALI_CTL_247 Registers
        299. 8.1.5.299  CTLPHY_WRAP__CTL_CFG__CTLCFG_DDR16SS_DENALI_CTL_248 Registers
        300. 8.1.5.300  CTLPHY_WRAP__CTL_CFG__CTLCFG_DDR16SS_DENALI_CTL_249 Registers
        301. 8.1.5.301  CTLPHY_WRAP__CTL_CFG__CTLCFG_DDR16SS_DENALI_CTL_250 Registers
        302. 8.1.5.302  CTLPHY_WRAP__CTL_CFG__CTLCFG_DDR16SS_DENALI_CTL_251 Registers
        303. 8.1.5.303  CTLPHY_WRAP__CTL_CFG__CTLCFG_DDR16SS_DENALI_CTL_252 Registers
        304. 8.1.5.304  CTLPHY_WRAP__CTL_CFG__CTLCFG_DDR16SS_DENALI_CTL_253 Registers
        305. 8.1.5.305  CTLPHY_WRAP__CTL_CFG__CTLCFG_DDR16SS_DENALI_CTL_254 Registers
        306. 8.1.5.306  CTLPHY_WRAP__CTL_CFG__CTLCFG_DDR16SS_DENALI_CTL_255 Registers
        307. 8.1.5.307  CTLPHY_WRAP__CTL_CFG__CTLCFG_DDR16SS_DENALI_CTL_256 Registers
        308. 8.1.5.308  CTLPHY_WRAP__CTL_CFG__CTLCFG_DDR16SS_DENALI_CTL_257 Registers
        309. 8.1.5.309  CTLPHY_WRAP__CTL_CFG__CTLCFG_DDR16SS_DENALI_CTL_258 Registers
        310. 8.1.5.310  CTLPHY_WRAP__CTL_CFG__CTLCFG_DDR16SS_DENALI_CTL_259 Registers
        311. 8.1.5.311  CTLPHY_WRAP__CTL_CFG__CTLCFG_DDR16SS_DENALI_CTL_260 Registers
        312. 8.1.5.312  CTLPHY_WRAP__CTL_CFG__CTLCFG_DDR16SS_DENALI_CTL_261 Registers
        313. 8.1.5.313  CTLPHY_WRAP__CTL_CFG__CTLCFG_DDR16SS_DENALI_CTL_262 Registers
        314. 8.1.5.314  CTLPHY_WRAP__CTL_CFG__CTLCFG_DDR16SS_DENALI_CTL_263 Registers
        315. 8.1.5.315  CTLPHY_WRAP__CTL_CFG__CTLCFG_DDR16SS_DENALI_CTL_264 Registers
        316. 8.1.5.316  CTLPHY_WRAP__CTL_CFG__CTLCFG_DDR16SS_DENALI_CTL_265 Registers
        317. 8.1.5.317  CTLPHY_WRAP__CTL_CFG__CTLCFG_DDR16SS_DENALI_CTL_266 Registers
        318. 8.1.5.318  CTLPHY_WRAP__CTL_CFG__CTLCFG_DDR16SS_DENALI_CTL_267 Registers
        319. 8.1.5.319  CTLPHY_WRAP__CTL_CFG__CTLCFG_DDR16SS_DENALI_CTL_268 Registers
        320. 8.1.5.320  CTLPHY_WRAP__CTL_CFG__CTLCFG_DDR16SS_DENALI_CTL_269 Registers
        321. 8.1.5.321  CTLPHY_WRAP__CTL_CFG__CTLCFG_DDR16SS_DENALI_CTL_270 Registers
        322. 8.1.5.322  CTLPHY_WRAP__CTL_CFG__CTLCFG_DDR16SS_DENALI_CTL_271 Registers
        323. 8.1.5.323  CTLPHY_WRAP__CTL_CFG__CTLCFG_DDR16SS_DENALI_CTL_272 Registers
        324. 8.1.5.324  CTLPHY_WRAP__CTL_CFG__CTLCFG_DDR16SS_DENALI_CTL_273 Registers
        325. 8.1.5.325  CTLPHY_WRAP__CTL_CFG__CTLCFG_DDR16SS_DENALI_CTL_274 Registers
        326. 8.1.5.326  CTLPHY_WRAP__CTL_CFG__CTLCFG_DDR16SS_DENALI_CTL_275 Registers
        327. 8.1.5.327  CTLPHY_WRAP__CTL_CFG__CTLCFG_DDR16SS_DENALI_CTL_276 Registers
        328. 8.1.5.328  CTLPHY_WRAP__CTL_CFG__CTLCFG_DDR16SS_DENALI_CTL_277 Registers
        329. 8.1.5.329  CTLPHY_WRAP__CTL_CFG__CTLCFG_DDR16SS_DENALI_CTL_278 Registers
        330. 8.1.5.330  CTLPHY_WRAP__CTL_CFG__CTLCFG_DDR16SS_DENALI_CTL_279 Registers
        331. 8.1.5.331  CTLPHY_WRAP__CTL_CFG__CTLCFG_DDR16SS_DENALI_CTL_280 Registers
        332. 8.1.5.332  CTLPHY_WRAP__CTL_CFG__CTLCFG_DDR16SS_DENALI_CTL_281 Registers
        333. 8.1.5.333  CTLPHY_WRAP__CTL_CFG__CTLCFG_DDR16SS_DENALI_CTL_282 Registers
        334. 8.1.5.334  CTLPHY_WRAP__CTL_CFG__CTLCFG_DDR16SS_DENALI_CTL_283 Registers
        335. 8.1.5.335  CTLPHY_WRAP__CTL_CFG__CTLCFG_DDR16SS_DENALI_CTL_284 Registers
        336. 8.1.5.336  CTLPHY_WRAP__CTL_CFG__CTLCFG_DDR16SS_DENALI_CTL_285 Registers
        337. 8.1.5.337  CTLPHY_WRAP__CTL_CFG__CTLCFG_DDR16SS_DENALI_CTL_286 Registers
        338. 8.1.5.338  CTLPHY_WRAP__CTL_CFG__CTLCFG_DDR16SS_DENALI_CTL_287 Registers
        339. 8.1.5.339  CTLPHY_WRAP__CTL_CFG__CTLCFG_DDR16SS_DENALI_CTL_288 Registers
        340. 8.1.5.340  CTLPHY_WRAP__CTL_CFG__CTLCFG_DDR16SS_DENALI_CTL_289 Registers
        341. 8.1.5.341  CTLPHY_WRAP__CTL_CFG__CTLCFG_DDR16SS_DENALI_CTL_290 Registers
        342. 8.1.5.342  CTLPHY_WRAP__CTL_CFG__CTLCFG_DDR16SS_DENALI_CTL_291 Registers
        343. 8.1.5.343  CTLPHY_WRAP__CTL_CFG__CTLCFG_DDR16SS_DENALI_CTL_292 Registers
        344. 8.1.5.344  CTLPHY_WRAP__CTL_CFG__CTLCFG_DDR16SS_DENALI_CTL_293 Registers
        345. 8.1.5.345  CTLPHY_WRAP__CTL_CFG__CTLCFG_DDR16SS_DENALI_CTL_294 Registers
        346. 8.1.5.346  CTLPHY_WRAP__CTL_CFG__CTLCFG_DDR16SS_DENALI_CTL_295 Registers
        347. 8.1.5.347  CTLPHY_WRAP__CTL_CFG__CTLCFG_DDR16SS_DENALI_CTL_296 Registers
        348. 8.1.5.348  CTLPHY_WRAP__CTL_CFG__CTLCFG_DDR16SS_DENALI_CTL_297 Registers
        349. 8.1.5.349  CTLPHY_WRAP__CTL_CFG__CTLCFG_DDR16SS_DENALI_CTL_298 Registers
        350. 8.1.5.350  CTLPHY_WRAP__CTL_CFG__CTLCFG_DDR16SS_DENALI_CTL_299 Registers
        351. 8.1.5.351  CTLPHY_WRAP__CTL_CFG__CTLCFG_DDR16SS_DENALI_CTL_300 Registers
        352. 8.1.5.352  CTLPHY_WRAP__CTL_CFG__CTLCFG_DDR16SS_DENALI_CTL_301 Registers
        353. 8.1.5.353  CTLPHY_WRAP__CTL_CFG__CTLCFG_DDR16SS_DENALI_CTL_302 Registers
        354. 8.1.5.354  CTLPHY_WRAP__CTL_CFG__CTLCFG_DDR16SS_DENALI_CTL_303 Registers
        355. 8.1.5.355  CTLPHY_WRAP__CTL_CFG__CTLCFG_DDR16SS_DENALI_CTL_304 Registers
        356. 8.1.5.356  CTLPHY_WRAP__CTL_CFG__CTLCFG_DDR16SS_DENALI_CTL_305 Registers
        357. 8.1.5.357  CTLPHY_WRAP__CTL_CFG__CTLCFG_DDR16SS_DENALI_CTL_306 Registers
        358. 8.1.5.358  CTLPHY_WRAP__CTL_CFG__CTLCFG_DDR16SS_DENALI_CTL_307 Registers
        359. 8.1.5.359  CTLPHY_WRAP__CTL_CFG__CTLCFG_DDR16SS_DENALI_CTL_308 Registers
        360. 8.1.5.360  CTLPHY_WRAP__CTL_CFG__CTLCFG_DDR16SS_DENALI_CTL_309 Registers
        361. 8.1.5.361  CTLPHY_WRAP__CTL_CFG__CTLCFG_DDR16SS_DENALI_CTL_310 Registers
        362. 8.1.5.362  CTLPHY_WRAP__CTL_CFG__CTLCFG_DDR16SS_DENALI_CTL_311 Registers
        363. 8.1.5.363  CTLPHY_WRAP__CTL_CFG__CTLCFG_DDR16SS_DENALI_CTL_312 Registers
        364. 8.1.5.364  CTLPHY_WRAP__CTL_CFG__CTLCFG_DDR16SS_DENALI_CTL_313 Registers
        365. 8.1.5.365  CTLPHY_WRAP__CTL_CFG__CTLCFG_DDR16SS_DENALI_CTL_314 Registers
        366. 8.1.5.366  CTLPHY_WRAP__CTL_CFG__CTLCFG_DDR16SS_DENALI_CTL_315 Registers
        367. 8.1.5.367  CTLPHY_WRAP__CTL_CFG__CTLCFG_DDR16SS_DENALI_CTL_316 Registers
        368. 8.1.5.368  CTLPHY_WRAP__CTL_CFG__CTLCFG_DDR16SS_DENALI_CTL_317 Registers
        369. 8.1.5.369  CTLPHY_WRAP__CTL_CFG__CTLCFG_DDR16SS_DENALI_CTL_318 Registers
        370. 8.1.5.370  CTLPHY_WRAP__CTL_CFG__CTLCFG_DDR16SS_DENALI_CTL_319 Registers
        371. 8.1.5.371  CTLPHY_WRAP__CTL_CFG__CTLCFG_DDR16SS_DENALI_CTL_320 Registers
        372. 8.1.5.372  CTLPHY_WRAP__CTL_CFG__CTLCFG_DDR16SS_DENALI_CTL_321 Registers
        373. 8.1.5.373  CTLPHY_WRAP__CTL_CFG__CTLCFG_DDR16SS_DENALI_CTL_322 Registers
        374. 8.1.5.374  CTLPHY_WRAP__CTL_CFG__CTLCFG_DDR16SS_DENALI_CTL_323 Registers
        375. 8.1.5.375  CTLPHY_WRAP__CTL_CFG__CTLCFG_DDR16SS_DENALI_CTL_324 Registers
        376. 8.1.5.376  CTLPHY_WRAP__CTL_CFG__CTLCFG_DDR16SS_DENALI_CTL_325 Registers
        377. 8.1.5.377  CTLPHY_WRAP__CTL_CFG__CTLCFG_DDR16SS_DENALI_CTL_326 Registers
        378. 8.1.5.378  CTLPHY_WRAP__CTL_CFG__CTLCFG_DDR16SS_DENALI_CTL_327 Registers
        379. 8.1.5.379  CTLPHY_WRAP__CTL_CFG__CTLCFG_DDR16SS_DENALI_CTL_328 Registers
        380. 8.1.5.380  CTLPHY_WRAP__CTL_CFG__CTLCFG_DDR16SS_DENALI_CTL_329 Registers
        381. 8.1.5.381  CTLPHY_WRAP__CTL_CFG__CTLCFG_DDR16SS_DENALI_CTL_330 Registers
        382. 8.1.5.382  CTLPHY_WRAP__CTL_CFG__CTLCFG_DDR16SS_DENALI_CTL_331 Registers
        383. 8.1.5.383  CTLPHY_WRAP__CTL_CFG__CTLCFG_DDR16SS_DENALI_CTL_332 Registers
        384. 8.1.5.384  CTLPHY_WRAP__CTL_CFG__CTLCFG_DDR16SS_DENALI_CTL_333 Registers
        385. 8.1.5.385  CTLPHY_WRAP__CTL_CFG__CTLCFG_DDR16SS_DENALI_CTL_334 Registers
        386. 8.1.5.386  CTLPHY_WRAP__CTL_CFG__CTLCFG_DDR16SS_DENALI_CTL_335 Registers
        387. 8.1.5.387  CTLPHY_WRAP__CTL_CFG__CTLCFG_DDR16SS_DENALI_CTL_336 Registers
        388. 8.1.5.388  CTLPHY_WRAP__CTL_CFG__CTLCFG_DDR16SS_DENALI_CTL_337 Registers
        389. 8.1.5.389  CTLPHY_WRAP__CTL_CFG__CTLCFG_DDR16SS_DENALI_CTL_338 Registers
        390. 8.1.5.390  CTLPHY_WRAP__CTL_CFG__CTLCFG_DDR16SS_DENALI_CTL_339 Registers
        391. 8.1.5.391  CTLPHY_WRAP__CTL_CFG__CTLCFG_DDR16SS_DENALI_CTL_340 Registers
        392. 8.1.5.392  CTLPHY_WRAP__CTL_CFG__CTLCFG_DDR16SS_DENALI_CTL_341 Registers
        393. 8.1.5.393  CTLPHY_WRAP__CTL_CFG__CTLCFG_DDR16SS_DENALI_CTL_342 Registers
        394. 8.1.5.394  CTLPHY_WRAP__CTL_CFG__CTLCFG_DDR16SS_DENALI_CTL_343 Registers
        395. 8.1.5.395  CTLPHY_WRAP__CTL_CFG__CTLCFG_DDR16SS_DENALI_CTL_344 Registers
        396. 8.1.5.396  CTLPHY_WRAP__CTL_CFG__CTLCFG_DDR16SS_DENALI_CTL_345 Registers
        397. 8.1.5.397  CTLPHY_WRAP__CTL_CFG__CTLCFG_DDR16SS_DENALI_CTL_346 Registers
        398. 8.1.5.398  CTLPHY_WRAP__CTL_CFG__CTLCFG_DDR16SS_DENALI_CTL_347 Registers
        399. 8.1.5.399  CTLPHY_WRAP__CTL_CFG__CTLCFG_DDR16SS_DENALI_CTL_348 Registers
        400. 8.1.5.400  CTLPHY_WRAP__CTL_CFG__CTLCFG_DDR16SS_DENALI_CTL_349 Registers
        401. 8.1.5.401  CTLPHY_WRAP__CTL_CFG__CTLCFG_DDR16SS_DENALI_CTL_350 Registers
        402. 8.1.5.402  CTLPHY_WRAP__CTL_CFG__CTLCFG_DDR16SS_DENALI_CTL_351 Registers
        403. 8.1.5.403  CTLPHY_WRAP__CTL_CFG__CTLCFG_DDR16SS_DENALI_CTL_352 Registers
        404. 8.1.5.404  CTLPHY_WRAP__CTL_CFG__CTLCFG_DDR16SS_DENALI_CTL_353 Registers
        405. 8.1.5.405  CTLPHY_WRAP__CTL_CFG__CTLCFG_DDR16SS_DENALI_CTL_354 Registers
        406. 8.1.5.406  CTLPHY_WRAP__CTL_CFG__CTLCFG_DDR16SS_DENALI_CTL_355 Registers
        407. 8.1.5.407  CTLPHY_WRAP__CTL_CFG__CTLCFG_DDR16SS_DENALI_CTL_356 Registers
        408. 8.1.5.408  CTLPHY_WRAP__CTL_CFG__CTLCFG_DDR16SS_DENALI_CTL_357 Registers
        409. 8.1.5.409  CTLPHY_WRAP__CTL_CFG__CTLCFG_DDR16SS_DENALI_CTL_358 Registers
        410. 8.1.5.410  CTLPHY_WRAP__CTL_CFG__CTLCFG_DDR16SS_DENALI_CTL_359 Registers
        411. 8.1.5.411  CTLPHY_WRAP__CTL_CFG__CTLCFG_DDR16SS_DENALI_CTL_360 Registers
        412. 8.1.5.412  CTLPHY_WRAP__CTL_CFG__CTLCFG_DDR16SS_DENALI_CTL_361 Registers
        413. 8.1.5.413  CTLPHY_WRAP__CTL_CFG__CTLCFG_DDR16SS_DENALI_CTL_362 Registers
        414. 8.1.5.414  CTLPHY_WRAP__CTL_CFG__CTLCFG_DDR16SS_DENALI_CTL_363 Registers
        415. 8.1.5.415  CTLPHY_WRAP__CTL_CFG__CTLCFG_DDR16SS_DENALI_CTL_364 Registers
        416. 8.1.5.416  CTLPHY_WRAP__CTL_CFG__CTLCFG_DDR16SS_DENALI_CTL_365 Registers
        417. 8.1.5.417  CTLPHY_WRAP__CTL_CFG__CTLCFG_DDR16SS_DENALI_CTL_366 Registers
        418. 8.1.5.418  CTLPHY_WRAP__CTL_CFG__CTLCFG_DDR16SS_DENALI_CTL_367 Registers
        419. 8.1.5.419  CTLPHY_WRAP__CTL_CFG__CTLCFG_DDR16SS_DENALI_CTL_368 Registers
        420. 8.1.5.420  CTLPHY_WRAP__CTL_CFG__CTLCFG_DDR16SS_DENALI_CTL_369 Registers
        421. 8.1.5.421  CTLPHY_WRAP__CTL_CFG__CTLCFG_DDR16SS_DENALI_CTL_370 Registers
        422. 8.1.5.422  CTLPHY_WRAP__CTL_CFG__CTLCFG_DDR16SS_DENALI_CTL_371 Registers
        423. 8.1.5.423  CTLPHY_WRAP__CTL_CFG__CTLCFG_DDR16SS_DENALI_CTL_372 Registers
        424. 8.1.5.424  CTLPHY_WRAP__CTL_CFG__CTLCFG_DDR16SS_DENALI_CTL_373 Registers
        425. 8.1.5.425  CTLPHY_WRAP__CTL_CFG__CTLCFG_DDR16SS_DENALI_CTL_374 Registers
        426. 8.1.5.426  CTLPHY_WRAP__CTL_CFG__CTLCFG_DDR16SS_DENALI_CTL_375 Registers
        427. 8.1.5.427  CTLPHY_WRAP__CTL_CFG__CTLCFG_DDR16SS_DENALI_CTL_376 Registers
        428. 8.1.5.428  CTLPHY_WRAP__CTL_CFG__CTLCFG_DDR16SS_DENALI_CTL_377 Registers
        429. 8.1.5.429  CTLPHY_WRAP__CTL_CFG__CTLCFG_DDR16SS_DENALI_CTL_378 Registers
        430. 8.1.5.430  CTLPHY_WRAP__CTL_CFG__CTLCFG_DDR16SS_DENALI_CTL_379 Registers
        431. 8.1.5.431  CTLPHY_WRAP__CTL_CFG__CTLCFG_DDR16SS_DENALI_CTL_380 Registers
        432. 8.1.5.432  CTLPHY_WRAP__CTL_CFG__CTLCFG_DDR16SS_DENALI_CTL_381 Registers
        433. 8.1.5.433  CTLPHY_WRAP__CTL_CFG__CTLCFG_DDR16SS_DENALI_CTL_382 Registers
        434. 8.1.5.434  CTLPHY_WRAP__CTL_CFG__CTLCFG_DDR16SS_DENALI_CTL_383 Registers
        435. 8.1.5.435  CTLPHY_WRAP__CTL_CFG__CTLCFG_DDR16SS_DENALI_CTL_384 Registers
        436. 8.1.5.436  CTLPHY_WRAP__CTL_CFG__CTLCFG_DDR16SS_DENALI_CTL_385 Registers
        437. 8.1.5.437  CTLPHY_WRAP__CTL_CFG__CTLCFG_DDR16SS_DENALI_CTL_386 Registers
        438. 8.1.5.438  CTLPHY_WRAP__CTL_CFG__CTLCFG_DDR16SS_DENALI_CTL_387 Registers
        439. 8.1.5.439  CTLPHY_WRAP__CTL_CFG__CTLCFG_DDR16SS_DENALI_CTL_388 Registers
        440. 8.1.5.440  CTLPHY_WRAP__CTL_CFG__CTLCFG_DDR16SS_DENALI_CTL_389 Registers
        441. 8.1.5.441  CTLPHY_WRAP__CTL_CFG__CTLCFG_DDR16SS_DENALI_CTL_390 Registers
        442. 8.1.5.442  CTLPHY_WRAP__CTL_CFG__CTLCFG_DDR16SS_DENALI_CTL_391 Registers
        443. 8.1.5.443  CTLPHY_WRAP__CTL_CFG__CTLCFG_DDR16SS_DENALI_CTL_392 Registers
        444. 8.1.5.444  CTLPHY_WRAP__CTL_CFG__CTLCFG_DDR16SS_DENALI_CTL_393 Registers
        445. 8.1.5.445  CTLPHY_WRAP__CTL_CFG__CTLCFG_DDR16SS_DENALI_CTL_394 Registers
        446. 8.1.5.446  CTLPHY_WRAP__CTL_CFG__CTLCFG_DDR16SS_DENALI_CTL_395 Registers
        447. 8.1.5.447  CTLPHY_WRAP__CTL_CFG__CTLCFG_DDR16SS_DENALI_CTL_396 Registers
        448. 8.1.5.448  CTLPHY_WRAP__CTL_CFG__CTLCFG_DDR16SS_DENALI_CTL_397 Registers
        449. 8.1.5.449  CTLPHY_WRAP__CTL_CFG__CTLCFG_DDR16SS_DENALI_CTL_398 Registers
        450. 8.1.5.450  CTLPHY_WRAP__CTL_CFG__CTLCFG_DDR16SS_DENALI_CTL_399 Registers
        451. 8.1.5.451  CTLPHY_WRAP__CTL_CFG__CTLCFG_DDR16SS_DENALI_CTL_400 Registers
        452. 8.1.5.452  CTLPHY_WRAP__CTL_CFG__CTLCFG_DDR16SS_DENALI_CTL_401 Registers
        453. 8.1.5.453  CTLPHY_WRAP__CTL_CFG__CTLCFG_DDR16SS_DENALI_CTL_402 Registers
        454. 8.1.5.454  CTLPHY_WRAP__CTL_CFG__CTLCFG_DDR16SS_DENALI_CTL_403 Registers
        455. 8.1.5.455  CTLPHY_WRAP__CTL_CFG__CTLCFG_DDR16SS_DENALI_CTL_404 Registers
        456. 8.1.5.456  CTLPHY_WRAP__CTL_CFG__CTLCFG_DDR16SS_DENALI_CTL_405 Registers
        457. 8.1.5.457  CTLPHY_WRAP__CTL_CFG__CTLCFG_DDR16SS_DENALI_CTL_406 Registers
        458. 8.1.5.458  CTLPHY_WRAP__CTL_CFG__CTLCFG_DDR16SS_DENALI_CTL_407 Registers
        459. 8.1.5.459  CTLPHY_WRAP__CTL_CFG__CTLCFG_DDR16SS_DENALI_CTL_408 Registers
        460. 8.1.5.460  CTLPHY_WRAP__CTL_CFG__CTLCFG_DDR16SS_DENALI_CTL_409 Registers
        461. 8.1.5.461  CTLPHY_WRAP__CTL_CFG__CTLCFG_DDR16SS_DENALI_CTL_410 Registers
        462. 8.1.5.462  CTLPHY_WRAP__CTL_CFG__CTLCFG_DDR16SS_DENALI_CTL_411 Registers
        463. 8.1.5.463  CTLPHY_WRAP__CTL_CFG__CTLCFG_DDR16SS_DENALI_CTL_412 Registers
        464. 8.1.5.464  CTLPHY_WRAP__CTL_CFG__CTLCFG_DDR16SS_DENALI_CTL_413 Registers
        465. 8.1.5.465  CTLPHY_WRAP__CTL_CFG__CTLCFG_DDR16SS_DENALI_CTL_414 Registers
        466. 8.1.5.466  CTLPHY_WRAP__CTL_CFG__CTLCFG_DDR16SS_DENALI_CTL_415 Registers
        467. 8.1.5.467  CTLPHY_WRAP__CTL_CFG__CTLCFG_DDR16SS_DENALI_CTL_416 Registers
        468. 8.1.5.468  CTLPHY_WRAP__CTL_CFG__CTLCFG_DDR16SS_DENALI_CTL_417 Registers
        469. 8.1.5.469  CTLPHY_WRAP__CTL_CFG__CTLCFG_DDR16SS_DENALI_CTL_418 Registers
        470. 8.1.5.470  CTLPHY_WRAP__CTL_CFG__CTLCFG_DDR16SS_DENALI_CTL_419 Registers
        471. 8.1.5.471  CTLPHY_WRAP__CTL_CFG__CTLCFG_DDR16SS_DENALI_CTL_420 Registers
        472. 8.1.5.472  CTLPHY_WRAP__CTL_CFG__CTLCFG_DDR16SS_DENALI_CTL_421 Registers
        473. 8.1.5.473  CTLPHY_WRAP__CTL_CFG__CTLCFG_DDR16SS_DENALI_CTL_422 Registers
        474. 8.1.5.474  CTLPHY_WRAP__CTL_CFG__CTLCFG_DDR16SS_DENALI_PI_0 Registers
        475. 8.1.5.475  CTLPHY_WRAP__CTL_CFG__CTLCFG_DDR16SS_DENALI_PI_1 Registers
        476. 8.1.5.476  CTLPHY_WRAP__CTL_CFG__CTLCFG_DDR16SS_DENALI_PI_2 Registers
        477. 8.1.5.477  CTLPHY_WRAP__CTL_CFG__CTLCFG_DDR16SS_DENALI_PI_3 Registers
        478. 8.1.5.478  CTLPHY_WRAP__CTL_CFG__CTLCFG_DDR16SS_DENALI_PI_4 Registers
        479. 8.1.5.479  CTLPHY_WRAP__CTL_CFG__CTLCFG_DDR16SS_DENALI_PI_5 Registers
        480. 8.1.5.480  CTLPHY_WRAP__CTL_CFG__CTLCFG_DDR16SS_DENALI_PI_6 Registers
        481. 8.1.5.481  CTLPHY_WRAP__CTL_CFG__CTLCFG_DDR16SS_DENALI_PI_7 Registers
        482. 8.1.5.482  CTLPHY_WRAP__CTL_CFG__CTLCFG_DDR16SS_DENALI_PI_8 Registers
        483. 8.1.5.483  CTLPHY_WRAP__CTL_CFG__CTLCFG_DDR16SS_DENALI_PI_9 Registers
        484. 8.1.5.484  CTLPHY_WRAP__CTL_CFG__CTLCFG_DDR16SS_DENALI_PI_10 Registers
        485. 8.1.5.485  CTLPHY_WRAP__CTL_CFG__CTLCFG_DDR16SS_DENALI_PI_11 Registers
        486. 8.1.5.486  CTLPHY_WRAP__CTL_CFG__CTLCFG_DDR16SS_DENALI_PI_12 Registers
        487. 8.1.5.487  CTLPHY_WRAP__CTL_CFG__CTLCFG_DDR16SS_DENALI_PI_13 Registers
        488. 8.1.5.488  CTLPHY_WRAP__CTL_CFG__CTLCFG_DDR16SS_DENALI_PI_14 Registers
        489. 8.1.5.489  CTLPHY_WRAP__CTL_CFG__CTLCFG_DDR16SS_DENALI_PI_15 Registers
        490. 8.1.5.490  CTLPHY_WRAP__CTL_CFG__CTLCFG_DDR16SS_DENALI_PI_16 Registers
        491. 8.1.5.491  CTLPHY_WRAP__CTL_CFG__CTLCFG_DDR16SS_DENALI_PI_17 Registers
        492. 8.1.5.492  CTLPHY_WRAP__CTL_CFG__CTLCFG_DDR16SS_DENALI_PI_18 Registers
        493. 8.1.5.493  CTLPHY_WRAP__CTL_CFG__CTLCFG_DDR16SS_DENALI_PI_19 Registers
        494. 8.1.5.494  CTLPHY_WRAP__CTL_CFG__CTLCFG_DDR16SS_DENALI_PI_20 Registers
        495. 8.1.5.495  CTLPHY_WRAP__CTL_CFG__CTLCFG_DDR16SS_DENALI_PI_21 Registers
        496. 8.1.5.496  CTLPHY_WRAP__CTL_CFG__CTLCFG_DDR16SS_DENALI_PI_22 Registers
        497. 8.1.5.497  CTLPHY_WRAP__CTL_CFG__CTLCFG_DDR16SS_DENALI_PI_23 Registers
        498. 8.1.5.498  CTLPHY_WRAP__CTL_CFG__CTLCFG_DDR16SS_DENALI_PI_24 Registers
        499. 8.1.5.499  CTLPHY_WRAP__CTL_CFG__CTLCFG_DDR16SS_DENALI_PI_25 Registers
        500. 8.1.5.500  CTLPHY_WRAP__CTL_CFG__CTLCFG_DDR16SS_DENALI_PI_26 Registers
        501. 8.1.5.501  CTLPHY_WRAP__CTL_CFG__CTLCFG_DDR16SS_DENALI_PI_27 Registers
        502. 8.1.5.502  CTLPHY_WRAP__CTL_CFG__CTLCFG_DDR16SS_DENALI_PI_28 Registers
        503. 8.1.5.503  CTLPHY_WRAP__CTL_CFG__CTLCFG_DDR16SS_DENALI_PI_29 Registers
        504. 8.1.5.504  CTLPHY_WRAP__CTL_CFG__CTLCFG_DDR16SS_DENALI_PI_30 Registers
        505. 8.1.5.505  CTLPHY_WRAP__CTL_CFG__CTLCFG_DDR16SS_DENALI_PI_31 Registers
        506. 8.1.5.506  CTLPHY_WRAP__CTL_CFG__CTLCFG_DDR16SS_DENALI_PI_32 Registers
        507. 8.1.5.507  CTLPHY_WRAP__CTL_CFG__CTLCFG_DDR16SS_DENALI_PI_33 Registers
        508. 8.1.5.508  CTLPHY_WRAP__CTL_CFG__CTLCFG_DDR16SS_DENALI_PI_34 Registers
        509. 8.1.5.509  CTLPHY_WRAP__CTL_CFG__CTLCFG_DDR16SS_DENALI_PI_35 Registers
        510. 8.1.5.510  CTLPHY_WRAP__CTL_CFG__CTLCFG_DDR16SS_DENALI_PI_36 Registers
        511. 8.1.5.511  CTLPHY_WRAP__CTL_CFG__CTLCFG_DDR16SS_DENALI_PI_37 Registers
        512. 8.1.5.512  CTLPHY_WRAP__CTL_CFG__CTLCFG_DDR16SS_DENALI_PI_38 Registers
        513. 8.1.5.513  CTLPHY_WRAP__CTL_CFG__CTLCFG_DDR16SS_DENALI_PI_39 Registers
        514. 8.1.5.514  CTLPHY_WRAP__CTL_CFG__CTLCFG_DDR16SS_DENALI_PI_40 Registers
        515. 8.1.5.515  CTLPHY_WRAP__CTL_CFG__CTLCFG_DDR16SS_DENALI_PI_41 Registers
        516. 8.1.5.516  CTLPHY_WRAP__CTL_CFG__CTLCFG_DDR16SS_DENALI_PI_42 Registers
        517. 8.1.5.517  CTLPHY_WRAP__CTL_CFG__CTLCFG_DDR16SS_DENALI_PI_43 Registers
        518. 8.1.5.518  CTLPHY_WRAP__CTL_CFG__CTLCFG_DDR16SS_DENALI_PI_44 Registers
        519. 8.1.5.519  CTLPHY_WRAP__CTL_CFG__CTLCFG_DDR16SS_DENALI_PI_45 Registers
        520. 8.1.5.520  CTLPHY_WRAP__CTL_CFG__CTLCFG_DDR16SS_DENALI_PI_46 Registers
        521. 8.1.5.521  CTLPHY_WRAP__CTL_CFG__CTLCFG_DDR16SS_DENALI_PI_47 Registers
        522. 8.1.5.522  CTLPHY_WRAP__CTL_CFG__CTLCFG_DDR16SS_DENALI_PI_48 Registers
        523. 8.1.5.523  CTLPHY_WRAP__CTL_CFG__CTLCFG_DDR16SS_DENALI_PI_49 Registers
        524. 8.1.5.524  CTLPHY_WRAP__CTL_CFG__CTLCFG_DDR16SS_DENALI_PI_50 Registers
        525. 8.1.5.525  CTLPHY_WRAP__CTL_CFG__CTLCFG_DDR16SS_DENALI_PI_51 Registers
        526. 8.1.5.526  CTLPHY_WRAP__CTL_CFG__CTLCFG_DDR16SS_DENALI_PI_52 Registers
        527. 8.1.5.527  CTLPHY_WRAP__CTL_CFG__CTLCFG_DDR16SS_DENALI_PI_53 Registers
        528. 8.1.5.528  CTLPHY_WRAP__CTL_CFG__CTLCFG_DDR16SS_DENALI_PI_54 Registers
        529. 8.1.5.529  CTLPHY_WRAP__CTL_CFG__CTLCFG_DDR16SS_DENALI_PI_55 Registers
        530. 8.1.5.530  CTLPHY_WRAP__CTL_CFG__CTLCFG_DDR16SS_DENALI_PI_56 Registers
        531. 8.1.5.531  CTLPHY_WRAP__CTL_CFG__CTLCFG_DDR16SS_DENALI_PI_57 Registers
        532. 8.1.5.532  CTLPHY_WRAP__CTL_CFG__CTLCFG_DDR16SS_DENALI_PI_58 Registers
        533. 8.1.5.533  CTLPHY_WRAP__CTL_CFG__CTLCFG_DDR16SS_DENALI_PI_59 Registers
        534. 8.1.5.534  CTLPHY_WRAP__CTL_CFG__CTLCFG_DDR16SS_DENALI_PI_60 Registers
        535. 8.1.5.535  CTLPHY_WRAP__CTL_CFG__CTLCFG_DDR16SS_DENALI_PI_61 Registers
        536. 8.1.5.536  CTLPHY_WRAP__CTL_CFG__CTLCFG_DDR16SS_DENALI_PI_62 Registers
        537. 8.1.5.537  CTLPHY_WRAP__CTL_CFG__CTLCFG_DDR16SS_DENALI_PI_63 Registers
        538. 8.1.5.538  CTLPHY_WRAP__CTL_CFG__CTLCFG_DDR16SS_DENALI_PI_64 Registers
        539. 8.1.5.539  CTLPHY_WRAP__CTL_CFG__CTLCFG_DDR16SS_DENALI_PI_65 Registers
        540. 8.1.5.540  CTLPHY_WRAP__CTL_CFG__CTLCFG_DDR16SS_DENALI_PI_66 Registers
        541. 8.1.5.541  CTLPHY_WRAP__CTL_CFG__CTLCFG_DDR16SS_DENALI_PI_67 Registers
        542. 8.1.5.542  CTLPHY_WRAP__CTL_CFG__CTLCFG_DDR16SS_DENALI_PI_68 Registers
        543. 8.1.5.543  CTLPHY_WRAP__CTL_CFG__CTLCFG_DDR16SS_DENALI_PI_69 Registers
        544. 8.1.5.544  CTLPHY_WRAP__CTL_CFG__CTLCFG_DDR16SS_DENALI_PI_70 Registers
        545. 8.1.5.545  CTLPHY_WRAP__CTL_CFG__CTLCFG_DDR16SS_DENALI_PI_71 Registers
        546. 8.1.5.546  CTLPHY_WRAP__CTL_CFG__CTLCFG_DDR16SS_DENALI_PI_72 Registers
        547. 8.1.5.547  CTLPHY_WRAP__CTL_CFG__CTLCFG_DDR16SS_DENALI_PI_73 Registers
        548. 8.1.5.548  CTLPHY_WRAP__CTL_CFG__CTLCFG_DDR16SS_DENALI_PI_74 Registers
        549. 8.1.5.549  CTLPHY_WRAP__CTL_CFG__CTLCFG_DDR16SS_DENALI_PI_75 Registers
        550. 8.1.5.550  CTLPHY_WRAP__CTL_CFG__CTLCFG_DDR16SS_DENALI_PI_76 Registers
        551. 8.1.5.551  CTLPHY_WRAP__CTL_CFG__CTLCFG_DDR16SS_DENALI_PI_77 Registers
        552. 8.1.5.552  CTLPHY_WRAP__CTL_CFG__CTLCFG_DDR16SS_DENALI_PI_78 Registers
        553. 8.1.5.553  CTLPHY_WRAP__CTL_CFG__CTLCFG_DDR16SS_DENALI_PI_79 Registers
        554. 8.1.5.554  CTLPHY_WRAP__CTL_CFG__CTLCFG_DDR16SS_DENALI_PI_80 Registers
        555. 8.1.5.555  CTLPHY_WRAP__CTL_CFG__CTLCFG_DDR16SS_DENALI_PI_81 Registers
        556. 8.1.5.556  CTLPHY_WRAP__CTL_CFG__CTLCFG_DDR16SS_DENALI_PI_82 Registers
        557. 8.1.5.557  CTLPHY_WRAP__CTL_CFG__CTLCFG_DDR16SS_DENALI_PI_83 Registers
        558. 8.1.5.558  CTLPHY_WRAP__CTL_CFG__CTLCFG_DDR16SS_DENALI_PI_84 Registers
        559. 8.1.5.559  CTLPHY_WRAP__CTL_CFG__CTLCFG_DDR16SS_DENALI_PI_85 Registers
        560. 8.1.5.560  CTLPHY_WRAP__CTL_CFG__CTLCFG_DDR16SS_DENALI_PI_86 Registers
        561. 8.1.5.561  CTLPHY_WRAP__CTL_CFG__CTLCFG_DDR16SS_DENALI_PI_87 Registers
        562. 8.1.5.562  CTLPHY_WRAP__CTL_CFG__CTLCFG_DDR16SS_DENALI_PI_88 Registers
        563. 8.1.5.563  CTLPHY_WRAP__CTL_CFG__CTLCFG_DDR16SS_DENALI_PI_89 Registers
        564. 8.1.5.564  CTLPHY_WRAP__CTL_CFG__CTLCFG_DDR16SS_DENALI_PI_90 Registers
        565. 8.1.5.565  CTLPHY_WRAP__CTL_CFG__CTLCFG_DDR16SS_DENALI_PI_91 Registers
        566. 8.1.5.566  CTLPHY_WRAP__CTL_CFG__CTLCFG_DDR16SS_DENALI_PI_92 Registers
        567. 8.1.5.567  CTLPHY_WRAP__CTL_CFG__CTLCFG_DDR16SS_DENALI_PI_93 Registers
        568. 8.1.5.568  CTLPHY_WRAP__CTL_CFG__CTLCFG_DDR16SS_DENALI_PI_94 Registers
        569. 8.1.5.569  CTLPHY_WRAP__CTL_CFG__CTLCFG_DDR16SS_DENALI_PI_95 Registers
        570. 8.1.5.570  CTLPHY_WRAP__CTL_CFG__CTLCFG_DDR16SS_DENALI_PI_96 Registers
        571. 8.1.5.571  CTLPHY_WRAP__CTL_CFG__CTLCFG_DDR16SS_DENALI_PI_97 Registers
        572. 8.1.5.572  CTLPHY_WRAP__CTL_CFG__CTLCFG_DDR16SS_DENALI_PI_98 Registers
        573. 8.1.5.573  CTLPHY_WRAP__CTL_CFG__CTLCFG_DDR16SS_DENALI_PI_99 Registers
        574. 8.1.5.574  CTLPHY_WRAP__CTL_CFG__CTLCFG_DDR16SS_DENALI_PI_100 Registers
        575. 8.1.5.575  CTLPHY_WRAP__CTL_CFG__CTLCFG_DDR16SS_DENALI_PI_101 Registers
        576. 8.1.5.576  CTLPHY_WRAP__CTL_CFG__CTLCFG_DDR16SS_DENALI_PI_102 Registers
        577. 8.1.5.577  CTLPHY_WRAP__CTL_CFG__CTLCFG_DDR16SS_DENALI_PI_103 Registers
        578. 8.1.5.578  CTLPHY_WRAP__CTL_CFG__CTLCFG_DDR16SS_DENALI_PI_104 Registers
        579. 8.1.5.579  CTLPHY_WRAP__CTL_CFG__CTLCFG_DDR16SS_DENALI_PI_105 Registers
        580. 8.1.5.580  CTLPHY_WRAP__CTL_CFG__CTLCFG_DDR16SS_DENALI_PI_106 Registers
        581. 8.1.5.581  CTLPHY_WRAP__CTL_CFG__CTLCFG_DDR16SS_DENALI_PI_107 Registers
        582. 8.1.5.582  CTLPHY_WRAP__CTL_CFG__CTLCFG_DDR16SS_DENALI_PI_108 Registers
        583. 8.1.5.583  CTLPHY_WRAP__CTL_CFG__CTLCFG_DDR16SS_DENALI_PI_109 Registers
        584. 8.1.5.584  CTLPHY_WRAP__CTL_CFG__CTLCFG_DDR16SS_DENALI_PI_110 Registers
        585. 8.1.5.585  CTLPHY_WRAP__CTL_CFG__CTLCFG_DDR16SS_DENALI_PI_111 Registers
        586. 8.1.5.586  CTLPHY_WRAP__CTL_CFG__CTLCFG_DDR16SS_DENALI_PI_112 Registers
        587. 8.1.5.587  CTLPHY_WRAP__CTL_CFG__CTLCFG_DDR16SS_DENALI_PI_113 Registers
        588. 8.1.5.588  CTLPHY_WRAP__CTL_CFG__CTLCFG_DDR16SS_DENALI_PI_114 Registers
        589. 8.1.5.589  CTLPHY_WRAP__CTL_CFG__CTLCFG_DDR16SS_DENALI_PI_115 Registers
        590. 8.1.5.590  CTLPHY_WRAP__CTL_CFG__CTLCFG_DDR16SS_DENALI_PI_116 Registers
        591. 8.1.5.591  CTLPHY_WRAP__CTL_CFG__CTLCFG_DDR16SS_DENALI_PI_117 Registers
        592. 8.1.5.592  CTLPHY_WRAP__CTL_CFG__CTLCFG_DDR16SS_DENALI_PI_118 Registers
        593. 8.1.5.593  CTLPHY_WRAP__CTL_CFG__CTLCFG_DDR16SS_DENALI_PI_119 Registers
        594. 8.1.5.594  CTLPHY_WRAP__CTL_CFG__CTLCFG_DDR16SS_DENALI_PI_120 Registers
        595. 8.1.5.595  CTLPHY_WRAP__CTL_CFG__CTLCFG_DDR16SS_DENALI_PI_121 Registers
        596. 8.1.5.596  CTLPHY_WRAP__CTL_CFG__CTLCFG_DDR16SS_DENALI_PI_122 Registers
        597. 8.1.5.597  CTLPHY_WRAP__CTL_CFG__CTLCFG_DDR16SS_DENALI_PI_123 Registers
        598. 8.1.5.598  CTLPHY_WRAP__CTL_CFG__CTLCFG_DDR16SS_DENALI_PI_124 Registers
        599. 8.1.5.599  CTLPHY_WRAP__CTL_CFG__CTLCFG_DDR16SS_DENALI_PI_125 Registers
        600. 8.1.5.600  CTLPHY_WRAP__CTL_CFG__CTLCFG_DDR16SS_DENALI_PI_126 Registers
        601. 8.1.5.601  CTLPHY_WRAP__CTL_CFG__CTLCFG_DDR16SS_DENALI_PI_127 Registers
        602. 8.1.5.602  CTLPHY_WRAP__CTL_CFG__CTLCFG_DDR16SS_DENALI_PI_128 Registers
        603. 8.1.5.603  CTLPHY_WRAP__CTL_CFG__CTLCFG_DDR16SS_DENALI_PI_129 Registers
        604. 8.1.5.604  CTLPHY_WRAP__CTL_CFG__CTLCFG_DDR16SS_DENALI_PI_130 Registers
        605. 8.1.5.605  CTLPHY_WRAP__CTL_CFG__CTLCFG_DDR16SS_DENALI_PI_131 Registers
        606. 8.1.5.606  CTLPHY_WRAP__CTL_CFG__CTLCFG_DDR16SS_DENALI_PI_132 Registers
        607. 8.1.5.607  CTLPHY_WRAP__CTL_CFG__CTLCFG_DDR16SS_DENALI_PI_133 Registers
        608. 8.1.5.608  CTLPHY_WRAP__CTL_CFG__CTLCFG_DDR16SS_DENALI_PI_134 Registers
        609. 8.1.5.609  CTLPHY_WRAP__CTL_CFG__CTLCFG_DDR16SS_DENALI_PI_135 Registers
        610. 8.1.5.610  CTLPHY_WRAP__CTL_CFG__CTLCFG_DDR16SS_DENALI_PI_136 Registers
        611. 8.1.5.611  CTLPHY_WRAP__CTL_CFG__CTLCFG_DDR16SS_DENALI_PI_137 Registers
        612. 8.1.5.612  CTLPHY_WRAP__CTL_CFG__CTLCFG_DDR16SS_DENALI_PI_138 Registers
        613. 8.1.5.613  CTLPHY_WRAP__CTL_CFG__CTLCFG_DDR16SS_DENALI_PI_139 Registers
        614. 8.1.5.614  CTLPHY_WRAP__CTL_CFG__CTLCFG_DDR16SS_DENALI_PI_140 Registers
        615. 8.1.5.615  CTLPHY_WRAP__CTL_CFG__CTLCFG_DDR16SS_DENALI_PI_141 Registers
        616. 8.1.5.616  CTLPHY_WRAP__CTL_CFG__CTLCFG_DDR16SS_DENALI_PI_142 Registers
        617. 8.1.5.617  CTLPHY_WRAP__CTL_CFG__CTLCFG_DDR16SS_DENALI_PI_143 Registers
        618. 8.1.5.618  CTLPHY_WRAP__CTL_CFG__CTLCFG_DDR16SS_DENALI_PI_144 Registers
        619. 8.1.5.619  CTLPHY_WRAP__CTL_CFG__CTLCFG_DDR16SS_DENALI_PI_145 Registers
        620. 8.1.5.620  CTLPHY_WRAP__CTL_CFG__CTLCFG_DDR16SS_DENALI_PI_146 Registers
        621. 8.1.5.621  CTLPHY_WRAP__CTL_CFG__CTLCFG_DDR16SS_DENALI_PI_147 Registers
        622. 8.1.5.622  CTLPHY_WRAP__CTL_CFG__CTLCFG_DDR16SS_DENALI_PI_148 Registers
        623. 8.1.5.623  CTLPHY_WRAP__CTL_CFG__CTLCFG_DDR16SS_DENALI_PI_149 Registers
        624. 8.1.5.624  CTLPHY_WRAP__CTL_CFG__CTLCFG_DDR16SS_DENALI_PI_150 Registers
        625. 8.1.5.625  CTLPHY_WRAP__CTL_CFG__CTLCFG_DDR16SS_DENALI_PI_151 Registers
        626. 8.1.5.626  CTLPHY_WRAP__CTL_CFG__CTLCFG_DDR16SS_DENALI_PI_152 Registers
        627. 8.1.5.627  CTLPHY_WRAP__CTL_CFG__CTLCFG_DDR16SS_DENALI_PI_153 Registers
        628. 8.1.5.628  CTLPHY_WRAP__CTL_CFG__CTLCFG_DDR16SS_DENALI_PI_154 Registers
        629. 8.1.5.629  CTLPHY_WRAP__CTL_CFG__CTLCFG_DDR16SS_DENALI_PI_155 Registers
        630. 8.1.5.630  CTLPHY_WRAP__CTL_CFG__CTLCFG_DDR16SS_DENALI_PI_156 Registers
        631. 8.1.5.631  CTLPHY_WRAP__CTL_CFG__CTLCFG_DDR16SS_DENALI_PI_157 Registers
        632. 8.1.5.632  CTLPHY_WRAP__CTL_CFG__CTLCFG_DDR16SS_DENALI_PI_158 Registers
        633. 8.1.5.633  CTLPHY_WRAP__CTL_CFG__CTLCFG_DDR16SS_DENALI_PI_159 Registers
        634. 8.1.5.634  CTLPHY_WRAP__CTL_CFG__CTLCFG_DDR16SS_DENALI_PI_160 Registers
        635. 8.1.5.635  CTLPHY_WRAP__CTL_CFG__CTLCFG_DDR16SS_DENALI_PI_161 Registers
        636. 8.1.5.636  CTLPHY_WRAP__CTL_CFG__CTLCFG_DDR16SS_DENALI_PI_162 Registers
        637. 8.1.5.637  CTLPHY_WRAP__CTL_CFG__CTLCFG_DDR16SS_DENALI_PI_163 Registers
        638. 8.1.5.638  CTLPHY_WRAP__CTL_CFG__CTLCFG_DDR16SS_DENALI_PI_164 Registers
        639. 8.1.5.639  CTLPHY_WRAP__CTL_CFG__CTLCFG_DDR16SS_DENALI_PI_165 Registers
        640. 8.1.5.640  CTLPHY_WRAP__CTL_CFG__CTLCFG_DDR16SS_DENALI_PI_166 Registers
        641. 8.1.5.641  CTLPHY_WRAP__CTL_CFG__CTLCFG_DDR16SS_DENALI_PI_167 Registers
        642. 8.1.5.642  CTLPHY_WRAP__CTL_CFG__CTLCFG_DDR16SS_DENALI_PI_168 Registers
        643. 8.1.5.643  CTLPHY_WRAP__CTL_CFG__CTLCFG_DDR16SS_DENALI_PI_169 Registers
        644. 8.1.5.644  CTLPHY_WRAP__CTL_CFG__CTLCFG_DDR16SS_DENALI_PI_170 Registers
        645. 8.1.5.645  CTLPHY_WRAP__CTL_CFG__CTLCFG_DDR16SS_DENALI_PI_171 Registers
        646. 8.1.5.646  CTLPHY_WRAP__CTL_CFG__CTLCFG_DDR16SS_DENALI_PI_172 Registers
        647. 8.1.5.647  CTLPHY_WRAP__CTL_CFG__CTLCFG_DDR16SS_DENALI_PI_173 Registers
        648. 8.1.5.648  CTLPHY_WRAP__CTL_CFG__CTLCFG_DDR16SS_DENALI_PI_174 Registers
        649. 8.1.5.649  CTLPHY_WRAP__CTL_CFG__CTLCFG_DDR16SS_DENALI_PI_175 Registers
        650. 8.1.5.650  CTLPHY_WRAP__CTL_CFG__CTLCFG_DDR16SS_DENALI_PI_176 Registers
        651. 8.1.5.651  CTLPHY_WRAP__CTL_CFG__CTLCFG_DDR16SS_DENALI_PI_177 Registers
        652. 8.1.5.652  CTLPHY_WRAP__CTL_CFG__CTLCFG_DDR16SS_DENALI_PI_178 Registers
        653. 8.1.5.653  CTLPHY_WRAP__CTL_CFG__CTLCFG_DDR16SS_DENALI_PI_179 Registers
        654. 8.1.5.654  CTLPHY_WRAP__CTL_CFG__CTLCFG_DDR16SS_DENALI_PI_180 Registers
        655. 8.1.5.655  CTLPHY_WRAP__CTL_CFG__CTLCFG_DDR16SS_DENALI_PI_181 Registers
        656. 8.1.5.656  CTLPHY_WRAP__CTL_CFG__CTLCFG_DDR16SS_DENALI_PI_182 Registers
        657. 8.1.5.657  CTLPHY_WRAP__CTL_CFG__CTLCFG_DDR16SS_DENALI_PI_183 Registers
        658. 8.1.5.658  CTLPHY_WRAP__CTL_CFG__CTLCFG_DDR16SS_DENALI_PI_184 Registers
        659. 8.1.5.659  CTLPHY_WRAP__CTL_CFG__CTLCFG_DDR16SS_DENALI_PI_185 Registers
        660. 8.1.5.660  CTLPHY_WRAP__CTL_CFG__CTLCFG_DDR16SS_DENALI_PI_186 Registers
        661. 8.1.5.661  CTLPHY_WRAP__CTL_CFG__CTLCFG_DDR16SS_DENALI_PI_187 Registers
        662. 8.1.5.662  CTLPHY_WRAP__CTL_CFG__CTLCFG_DDR16SS_DENALI_PI_188 Registers
        663. 8.1.5.663  CTLPHY_WRAP__CTL_CFG__CTLCFG_DDR16SS_DENALI_PI_189 Registers
        664. 8.1.5.664  CTLPHY_WRAP__CTL_CFG__CTLCFG_DDR16SS_DENALI_PI_190 Registers
        665. 8.1.5.665  CTLPHY_WRAP__CTL_CFG__CTLCFG_DDR16SS_DENALI_PI_191 Registers
        666. 8.1.5.666  CTLPHY_WRAP__CTL_CFG__CTLCFG_DDR16SS_DENALI_PI_192 Registers
        667. 8.1.5.667  CTLPHY_WRAP__CTL_CFG__CTLCFG_DDR16SS_DENALI_PI_193 Registers
        668. 8.1.5.668  CTLPHY_WRAP__CTL_CFG__CTLCFG_DDR16SS_DENALI_PI_194 Registers
        669. 8.1.5.669  CTLPHY_WRAP__CTL_CFG__CTLCFG_DDR16SS_DENALI_PI_195 Registers
        670. 8.1.5.670  CTLPHY_WRAP__CTL_CFG__CTLCFG_DDR16SS_DENALI_PI_196 Registers
        671. 8.1.5.671  CTLPHY_WRAP__CTL_CFG__CTLCFG_DDR16SS_DENALI_PI_197 Registers
        672. 8.1.5.672  CTLPHY_WRAP__CTL_CFG__CTLCFG_DDR16SS_DENALI_PI_198 Registers
        673. 8.1.5.673  CTLPHY_WRAP__CTL_CFG__CTLCFG_DDR16SS_DENALI_PI_199 Registers
        674. 8.1.5.674  CTLPHY_WRAP__CTL_CFG__CTLCFG_DDR16SS_DENALI_PI_200 Registers
        675. 8.1.5.675  CTLPHY_WRAP__CTL_CFG__CTLCFG_DDR16SS_DENALI_PI_201 Registers
        676. 8.1.5.676  CTLPHY_WRAP__CTL_CFG__CTLCFG_DDR16SS_DENALI_PI_202 Registers
        677. 8.1.5.677  CTLPHY_WRAP__CTL_CFG__CTLCFG_DDR16SS_DENALI_PI_203 Registers
        678. 8.1.5.678  CTLPHY_WRAP__CTL_CFG__CTLCFG_DDR16SS_DENALI_PI_204 Registers
        679. 8.1.5.679  CTLPHY_WRAP__CTL_CFG__CTLCFG_DDR16SS_DENALI_PI_205 Registers
        680. 8.1.5.680  CTLPHY_WRAP__CTL_CFG__CTLCFG_DDR16SS_DENALI_PI_206 Registers
        681. 8.1.5.681  CTLPHY_WRAP__CTL_CFG__CTLCFG_DDR16SS_DENALI_PI_207 Registers
        682. 8.1.5.682  CTLPHY_WRAP__CTL_CFG__CTLCFG_DDR16SS_DENALI_PI_208 Registers
        683. 8.1.5.683  CTLPHY_WRAP__CTL_CFG__CTLCFG_DDR16SS_DENALI_PI_209 Registers
        684. 8.1.5.684  CTLPHY_WRAP__CTL_CFG__CTLCFG_DDR16SS_DENALI_PI_210 Registers
        685. 8.1.5.685  CTLPHY_WRAP__CTL_CFG__CTLCFG_DDR16SS_DENALI_PI_211 Registers
        686. 8.1.5.686  CTLPHY_WRAP__CTL_CFG__CTLCFG_DDR16SS_DENALI_PI_212 Registers
        687. 8.1.5.687  CTLPHY_WRAP__CTL_CFG__CTLCFG_DDR16SS_DENALI_PI_213 Registers
        688. 8.1.5.688  CTLPHY_WRAP__CTL_CFG__CTLCFG_DDR16SS_DENALI_PI_214 Registers
        689. 8.1.5.689  CTLPHY_WRAP__CTL_CFG__CTLCFG_DDR16SS_DENALI_PI_215 Registers
        690. 8.1.5.690  CTLPHY_WRAP__CTL_CFG__CTLCFG_DDR16SS_DENALI_PI_216 Registers
        691. 8.1.5.691  CTLPHY_WRAP__CTL_CFG__CTLCFG_DDR16SS_DENALI_PI_217 Registers
        692. 8.1.5.692  CTLPHY_WRAP__CTL_CFG__CTLCFG_DDR16SS_DENALI_PI_218 Registers
        693. 8.1.5.693  CTLPHY_WRAP__CTL_CFG__CTLCFG_DDR16SS_DENALI_PI_219 Registers
        694. 8.1.5.694  CTLPHY_WRAP__CTL_CFG__CTLCFG_DDR16SS_DENALI_PI_220 Registers
        695. 8.1.5.695  CTLPHY_WRAP__CTL_CFG__CTLCFG_DDR16SS_DENALI_PI_221 Registers
        696. 8.1.5.696  CTLPHY_WRAP__CTL_CFG__CTLCFG_DDR16SS_DENALI_PI_222 Registers
        697. 8.1.5.697  CTLPHY_WRAP__CTL_CFG__CTLCFG_DDR16SS_DENALI_PI_223 Registers
        698. 8.1.5.698  CTLPHY_WRAP__CTL_CFG__CTLCFG_DDR16SS_DENALI_PI_224 Registers
        699. 8.1.5.699  CTLPHY_WRAP__CTL_CFG__CTLCFG_DDR16SS_DENALI_PI_225 Registers
        700. 8.1.5.700  CTLPHY_WRAP__CTL_CFG__CTLCFG_DDR16SS_DENALI_PI_226 Registers
        701. 8.1.5.701  CTLPHY_WRAP__CTL_CFG__CTLCFG_DDR16SS_DENALI_PI_227 Registers
        702. 8.1.5.702  CTLPHY_WRAP__CTL_CFG__CTLCFG_DDR16SS_DENALI_PI_228 Registers
        703. 8.1.5.703  CTLPHY_WRAP__CTL_CFG__CTLCFG_DDR16SS_DENALI_PI_229 Registers
        704. 8.1.5.704  CTLPHY_WRAP__CTL_CFG__CTLCFG_DDR16SS_DENALI_PI_230 Registers
        705. 8.1.5.705  CTLPHY_WRAP__CTL_CFG__CTLCFG_DDR16SS_DENALI_PI_231 Registers
        706. 8.1.5.706  CTLPHY_WRAP__CTL_CFG__CTLCFG_DDR16SS_DENALI_PI_232 Registers
        707. 8.1.5.707  CTLPHY_WRAP__CTL_CFG__CTLCFG_DDR16SS_DENALI_PI_233 Registers
        708. 8.1.5.708  CTLPHY_WRAP__CTL_CFG__CTLCFG_DDR16SS_DENALI_PI_234 Registers
        709. 8.1.5.709  CTLPHY_WRAP__CTL_CFG__CTLCFG_DDR16SS_DENALI_PI_235 Registers
        710. 8.1.5.710  CTLPHY_WRAP__CTL_CFG__CTLCFG_DDR16SS_DENALI_PI_236 Registers
        711. 8.1.5.711  CTLPHY_WRAP__CTL_CFG__CTLCFG_DDR16SS_DENALI_PI_237 Registers
        712. 8.1.5.712  CTLPHY_WRAP__CTL_CFG__CTLCFG_DDR16SS_DENALI_PI_238 Registers
        713. 8.1.5.713  CTLPHY_WRAP__CTL_CFG__CTLCFG_DDR16SS_DENALI_PI_239 Registers
        714. 8.1.5.714  CTLPHY_WRAP__CTL_CFG__CTLCFG_DDR16SS_DENALI_PI_240 Registers
        715. 8.1.5.715  CTLPHY_WRAP__CTL_CFG__CTLCFG_DDR16SS_DENALI_PI_241 Registers
        716. 8.1.5.716  CTLPHY_WRAP__CTL_CFG__CTLCFG_DDR16SS_DENALI_PI_242 Registers
        717. 8.1.5.717  CTLPHY_WRAP__CTL_CFG__CTLCFG_DDR16SS_DENALI_PI_243 Registers
        718. 8.1.5.718  CTLPHY_WRAP__CTL_CFG__CTLCFG_DDR16SS_DENALI_PI_244 Registers
        719. 8.1.5.719  CTLPHY_WRAP__CTL_CFG__CTLCFG_DDR16SS_DENALI_PI_245 Registers
        720. 8.1.5.720  CTLPHY_WRAP__CTL_CFG__CTLCFG_DDR16SS_DENALI_PI_246 Registers
        721. 8.1.5.721  CTLPHY_WRAP__CTL_CFG__CTLCFG_DDR16SS_DENALI_PI_247 Registers
        722. 8.1.5.722  CTLPHY_WRAP__CTL_CFG__CTLCFG_DDR16SS_DENALI_PI_248 Registers
        723. 8.1.5.723  CTLPHY_WRAP__CTL_CFG__CTLCFG_DDR16SS_DENALI_PI_249 Registers
        724. 8.1.5.724  CTLPHY_WRAP__CTL_CFG__CTLCFG_DDR16SS_DENALI_PI_250 Registers
        725. 8.1.5.725  CTLPHY_WRAP__CTL_CFG__CTLCFG_DDR16SS_DENALI_PI_251 Registers
        726. 8.1.5.726  CTLPHY_WRAP__CTL_CFG__CTLCFG_DDR16SS_DENALI_PI_252 Registers
        727. 8.1.5.727  CTLPHY_WRAP__CTL_CFG__CTLCFG_DDR16SS_DENALI_PI_253 Registers
        728. 8.1.5.728  CTLPHY_WRAP__CTL_CFG__CTLCFG_DDR16SS_DENALI_PI_254 Registers
        729. 8.1.5.729  CTLPHY_WRAP__CTL_CFG__CTLCFG_DDR16SS_DENALI_PI_255 Registers
        730. 8.1.5.730  CTLPHY_WRAP__CTL_CFG__CTLCFG_DDR16SS_DENALI_PI_256 Registers
        731. 8.1.5.731  CTLPHY_WRAP__CTL_CFG__CTLCFG_DDR16SS_DENALI_PI_257 Registers
        732. 8.1.5.732  CTLPHY_WRAP__CTL_CFG__CTLCFG_DDR16SS_DENALI_PI_258 Registers
        733. 8.1.5.733  CTLPHY_WRAP__CTL_CFG__CTLCFG_DDR16SS_DENALI_PI_259 Registers
        734. 8.1.5.734  CTLPHY_WRAP__CTL_CFG__CTLCFG_DDR16SS_DENALI_PI_260 Registers
        735. 8.1.5.735  CTLPHY_WRAP__CTL_CFG__CTLCFG_DDR16SS_DENALI_PI_261 Registers
        736. 8.1.5.736  CTLPHY_WRAP__CTL_CFG__CTLCFG_DDR16SS_DENALI_PI_262 Registers
        737. 8.1.5.737  CTLPHY_WRAP__CTL_CFG__CTLCFG_DDR16SS_DENALI_PI_263 Registers
        738. 8.1.5.738  CTLPHY_WRAP__CTL_CFG__CTLCFG_DDR16SS_DENALI_PI_264 Registers
        739. 8.1.5.739  CTLPHY_WRAP__CTL_CFG__CTLCFG_DDR16SS_DENALI_PI_265 Registers
        740. 8.1.5.740  CTLPHY_WRAP__CTL_CFG__CTLCFG_DDR16SS_DENALI_PI_266 Registers
        741. 8.1.5.741  CTLPHY_WRAP__CTL_CFG__CTLCFG_DDR16SS_DENALI_PI_267 Registers
        742. 8.1.5.742  CTLPHY_WRAP__CTL_CFG__CTLCFG_DDR16SS_DENALI_PI_268 Registers
        743. 8.1.5.743  CTLPHY_WRAP__CTL_CFG__CTLCFG_DDR16SS_DENALI_PI_269 Registers
        744. 8.1.5.744  CTLPHY_WRAP__CTL_CFG__CTLCFG_DDR16SS_DENALI_PI_270 Registers
        745. 8.1.5.745  CTLPHY_WRAP__CTL_CFG__CTLCFG_DDR16SS_DENALI_PI_271 Registers
        746. 8.1.5.746  CTLPHY_WRAP__CTL_CFG__CTLCFG_DDR16SS_DENALI_PI_272 Registers
        747. 8.1.5.747  CTLPHY_WRAP__CTL_CFG__CTLCFG_DDR16SS_DENALI_PI_273 Registers
        748. 8.1.5.748  CTLPHY_WRAP__CTL_CFG__CTLCFG_DDR16SS_DENALI_PI_274 Registers
        749. 8.1.5.749  CTLPHY_WRAP__CTL_CFG__CTLCFG_DDR16SS_DENALI_PI_275 Registers
        750. 8.1.5.750  CTLPHY_WRAP__CTL_CFG__CTLCFG_DDR16SS_DENALI_PI_276 Registers
        751. 8.1.5.751  CTLPHY_WRAP__CTL_CFG__CTLCFG_DDR16SS_DENALI_PI_277 Registers
        752. 8.1.5.752  CTLPHY_WRAP__CTL_CFG__CTLCFG_DDR16SS_DENALI_PI_278 Registers
        753. 8.1.5.753  CTLPHY_WRAP__CTL_CFG__CTLCFG_DDR16SS_DENALI_PI_279 Registers
        754. 8.1.5.754  CTLPHY_WRAP__CTL_CFG__CTLCFG_DDR16SS_DENALI_PI_280 Registers
        755. 8.1.5.755  CTLPHY_WRAP__CTL_CFG__CTLCFG_DDR16SS_DENALI_PI_281 Registers
        756. 8.1.5.756  CTLPHY_WRAP__CTL_CFG__CTLCFG_DDR16SS_DENALI_PI_282 Registers
        757. 8.1.5.757  CTLPHY_WRAP__CTL_CFG__CTLCFG_DDR16SS_DENALI_PI_283 Registers
        758. 8.1.5.758  CTLPHY_WRAP__CTL_CFG__CTLCFG_DDR16SS_DENALI_PI_284 Registers
        759. 8.1.5.759  CTLPHY_WRAP__CTL_CFG__CTLCFG_DDR16SS_DENALI_PI_285 Registers
        760. 8.1.5.760  CTLPHY_WRAP__CTL_CFG__CTLCFG_DDR16SS_DENALI_PI_286 Registers
        761. 8.1.5.761  CTLPHY_WRAP__CTL_CFG__CTLCFG_DDR16SS_DENALI_PI_287 Registers
        762. 8.1.5.762  CTLPHY_WRAP__CTL_CFG__CTLCFG_DDR16SS_DENALI_PI_288 Registers
        763. 8.1.5.763  CTLPHY_WRAP__CTL_CFG__CTLCFG_DDR16SS_DENALI_PI_289 Registers
        764. 8.1.5.764  CTLPHY_WRAP__CTL_CFG__CTLCFG_DDR16SS_DENALI_PI_290 Registers
        765. 8.1.5.765  CTLPHY_WRAP__CTL_CFG__CTLCFG_DDR16SS_DENALI_PI_291 Registers
        766. 8.1.5.766  CTLPHY_WRAP__CTL_CFG__CTLCFG_DDR16SS_DENALI_PI_292 Registers
        767. 8.1.5.767  CTLPHY_WRAP__CTL_CFG__CTLCFG_DDR16SS_DENALI_PI_293 Registers
        768. 8.1.5.768  CTLPHY_WRAP__CTL_CFG__CTLCFG_DDR16SS_DENALI_PI_294 Registers
        769. 8.1.5.769  CTLPHY_WRAP__CTL_CFG__CTLCFG_DDR16SS_DENALI_PI_295 Registers
        770. 8.1.5.770  CTLPHY_WRAP__CTL_CFG__CTLCFG_DDR16SS_DENALI_PI_296 Registers
        771. 8.1.5.771  CTLPHY_WRAP__CTL_CFG__CTLCFG_DDR16SS_DENALI_PI_297 Registers
        772. 8.1.5.772  CTLPHY_WRAP__CTL_CFG__CTLCFG_DDR16SS_DENALI_PI_298 Registers
        773. 8.1.5.773  CTLPHY_WRAP__CTL_CFG__CTLCFG_DDR16SS_DENALI_PI_299 Registers
        774. 8.1.5.774  CTLPHY_WRAP__CTL_CFG__CTLCFG_DDR16SS_DENALI_PI_300 Registers
        775. 8.1.5.775  CTLPHY_WRAP__CTL_CFG__CTLCFG_DDR16SS_DENALI_PI_301 Registers
        776. 8.1.5.776  CTLPHY_WRAP__CTL_CFG__CTLCFG_DDR16SS_DENALI_PI_302 Registers
        777. 8.1.5.777  CTLPHY_WRAP__CTL_CFG__CTLCFG_DDR16SS_DENALI_PI_303 Registers
        778. 8.1.5.778  CTLPHY_WRAP__CTL_CFG__CTLCFG_DDR16SS_DENALI_PI_304 Registers
        779. 8.1.5.779  CTLPHY_WRAP__CTL_CFG__CTLCFG_DDR16SS_DENALI_PI_305 Registers
        780. 8.1.5.780  CTLPHY_WRAP__CTL_CFG__CTLCFG_DDR16SS_DENALI_PI_306 Registers
        781. 8.1.5.781  CTLPHY_WRAP__CTL_CFG__CTLCFG_DDR16SS_DENALI_PI_307 Registers
        782. 8.1.5.782  CTLPHY_WRAP__CTL_CFG__CTLCFG_DDR16SS_DENALI_PI_308 Registers
        783. 8.1.5.783  CTLPHY_WRAP__CTL_CFG__CTLCFG_DDR16SS_DENALI_PI_309 Registers
        784. 8.1.5.784  CTLPHY_WRAP__CTL_CFG__CTLCFG_DDR16SS_DENALI_PI_310 Registers
        785. 8.1.5.785  CTLPHY_WRAP__CTL_CFG__CTLCFG_DDR16SS_DENALI_PI_311 Registers
        786. 8.1.5.786  CTLPHY_WRAP__CTL_CFG__CTLCFG_DDR16SS_DENALI_PI_312 Registers
        787. 8.1.5.787  CTLPHY_WRAP__CTL_CFG__CTLCFG_DDR16SS_DENALI_PI_313 Registers
        788. 8.1.5.788  CTLPHY_WRAP__CTL_CFG__CTLCFG_DDR16SS_DENALI_PI_314 Registers
        789. 8.1.5.789  CTLPHY_WRAP__CTL_CFG__CTLCFG_DDR16SS_DENALI_PI_315 Registers
        790. 8.1.5.790  CTLPHY_WRAP__CTL_CFG__CTLCFG_DDR16SS_DENALI_PI_316 Registers
        791. 8.1.5.791  CTLPHY_WRAP__CTL_CFG__CTLCFG_DDR16SS_DENALI_PI_317 Registers
        792. 8.1.5.792  CTLPHY_WRAP__CTL_CFG__CTLCFG_DDR16SS_DENALI_PI_318 Registers
        793. 8.1.5.793  CTLPHY_WRAP__CTL_CFG__CTLCFG_DDR16SS_DENALI_PI_319 Registers
        794. 8.1.5.794  CTLPHY_WRAP__CTL_CFG__CTLCFG_DDR16SS_DENALI_PI_320 Registers
        795. 8.1.5.795  CTLPHY_WRAP__CTL_CFG__CTLCFG_DDR16SS_DENALI_PI_321 Registers
        796. 8.1.5.796  CTLPHY_WRAP__CTL_CFG__CTLCFG_DDR16SS_DENALI_PI_322 Registers
        797. 8.1.5.797  CTLPHY_WRAP__CTL_CFG__CTLCFG_DDR16SS_DENALI_PI_323 Registers
        798. 8.1.5.798  CTLPHY_WRAP__CTL_CFG__CTLCFG_DDR16SS_DENALI_PI_324 Registers
        799. 8.1.5.799  CTLPHY_WRAP__CTL_CFG__CTLCFG_DDR16SS_DENALI_PI_325 Registers
        800. 8.1.5.800  CTLPHY_WRAP__CTL_CFG__CTLCFG_DDR16SS_DENALI_PI_326 Registers
        801. 8.1.5.801  CTLPHY_WRAP__CTL_CFG__CTLCFG_DDR16SS_DENALI_PI_327 Registers
        802. 8.1.5.802  CTLPHY_WRAP__CTL_CFG__CTLCFG_DDR16SS_DENALI_PI_328 Registers
        803. 8.1.5.803  CTLPHY_WRAP__CTL_CFG__CTLCFG_DDR16SS_DENALI_PI_329 Registers
        804. 8.1.5.804  CTLPHY_WRAP__CTL_CFG__CTLCFG_DDR16SS_DENALI_PI_330 Registers
        805. 8.1.5.805  CTLPHY_WRAP__CTL_CFG__CTLCFG_DDR16SS_DENALI_PI_331 Registers
        806. 8.1.5.806  CTLPHY_WRAP__CTL_CFG__CTLCFG_DDR16SS_DENALI_PI_332 Registers
        807. 8.1.5.807  CTLPHY_WRAP__CTL_CFG__CTLCFG_DDR16SS_DENALI_PI_333 Registers
        808. 8.1.5.808  CTLPHY_WRAP__CTL_CFG__CTLCFG_DDR16SS_DENALI_PI_334 Registers
        809. 8.1.5.809  CTLPHY_WRAP__CTL_CFG__CTLCFG_DDR16SS_DENALI_PI_335 Registers
        810. 8.1.5.810  CTLPHY_WRAP__CTL_CFG__CTLCFG_DDR16SS_DENALI_PI_336 Registers
        811. 8.1.5.811  CTLPHY_WRAP__CTL_CFG__CTLCFG_DDR16SS_DENALI_PI_337 Registers
        812. 8.1.5.812  CTLPHY_WRAP__CTL_CFG__CTLCFG_DDR16SS_DENALI_PI_338 Registers
        813. 8.1.5.813  CTLPHY_WRAP__CTL_CFG__CTLCFG_DDR16SS_DENALI_PI_339 Registers
        814. 8.1.5.814  CTLPHY_WRAP__CTL_CFG__CTLCFG_DDR16SS_DENALI_PI_340 Registers
        815. 8.1.5.815  CTLPHY_WRAP__CTL_CFG__CTLCFG_DDR16SS_DENALI_PI_341 Registers
        816. 8.1.5.816  CTLPHY_WRAP__CTL_CFG__CTLCFG_DDR16SS_DENALI_PI_342 Registers
        817. 8.1.5.817  CTLPHY_WRAP__CTL_CFG__CTLCFG_DDR16SS_DENALI_PI_343 Registers
        818. 8.1.5.818  CTLPHY_WRAP__CTL_CFG__CTLCFG_DDR16SS_DENALI_PI_344 Registers
        819. 8.1.5.819  CTLPHY_WRAP__CTL_CFG__CTLCFG_DDR16SS_DENALI_PHY_0 Registers
        820. 8.1.5.820  CTLPHY_WRAP__CTL_CFG__CTLCFG_DDR16SS_DENALI_PHY_1 Registers
        821. 8.1.5.821  CTLPHY_WRAP__CTL_CFG__CTLCFG_DDR16SS_DENALI_PHY_2 Registers
        822. 8.1.5.822  CTLPHY_WRAP__CTL_CFG__CTLCFG_DDR16SS_DENALI_PHY_3 Registers
        823. 8.1.5.823  CTLPHY_WRAP__CTL_CFG__CTLCFG_DDR16SS_DENALI_PHY_4 Registers
        824. 8.1.5.824  CTLPHY_WRAP__CTL_CFG__CTLCFG_DDR16SS_DENALI_PHY_5 Registers
        825. 8.1.5.825  CTLPHY_WRAP__CTL_CFG__CTLCFG_DDR16SS_DENALI_PHY_6 Registers
        826. 8.1.5.826  CTLPHY_WRAP__CTL_CFG__CTLCFG_DDR16SS_DENALI_PHY_7 Registers
        827. 8.1.5.827  CTLPHY_WRAP__CTL_CFG__CTLCFG_DDR16SS_DENALI_PHY_8 Registers
        828. 8.1.5.828  CTLPHY_WRAP__CTL_CFG__CTLCFG_DDR16SS_DENALI_PHY_9 Registers
        829. 8.1.5.829  CTLPHY_WRAP__CTL_CFG__CTLCFG_DDR16SS_DENALI_PHY_10 Registers
        830. 8.1.5.830  CTLPHY_WRAP__CTL_CFG__CTLCFG_DDR16SS_DENALI_PHY_11 Registers
        831. 8.1.5.831  CTLPHY_WRAP__CTL_CFG__CTLCFG_DDR16SS_DENALI_PHY_12 Registers
        832. 8.1.5.832  CTLPHY_WRAP__CTL_CFG__CTLCFG_DDR16SS_DENALI_PHY_13 Registers
        833. 8.1.5.833  CTLPHY_WRAP__CTL_CFG__CTLCFG_DDR16SS_DENALI_PHY_14 Registers
        834. 8.1.5.834  CTLPHY_WRAP__CTL_CFG__CTLCFG_DDR16SS_DENALI_PHY_15 Registers
        835. 8.1.5.835  CTLPHY_WRAP__CTL_CFG__CTLCFG_DDR16SS_DENALI_PHY_16 Registers
        836. 8.1.5.836  CTLPHY_WRAP__CTL_CFG__CTLCFG_DDR16SS_DENALI_PHY_17 Registers
        837. 8.1.5.837  CTLPHY_WRAP__CTL_CFG__CTLCFG_DDR16SS_DENALI_PHY_18 Registers
        838. 8.1.5.838  CTLPHY_WRAP__CTL_CFG__CTLCFG_DDR16SS_DENALI_PHY_19 Registers
        839. 8.1.5.839  CTLPHY_WRAP__CTL_CFG__CTLCFG_DDR16SS_DENALI_PHY_20 Registers
        840. 8.1.5.840  CTLPHY_WRAP__CTL_CFG__CTLCFG_DDR16SS_DENALI_PHY_21 Registers
        841. 8.1.5.841  CTLPHY_WRAP__CTL_CFG__CTLCFG_DDR16SS_DENALI_PHY_22 Registers
        842. 8.1.5.842  CTLPHY_WRAP__CTL_CFG__CTLCFG_DDR16SS_DENALI_PHY_23 Registers
        843. 8.1.5.843  CTLPHY_WRAP__CTL_CFG__CTLCFG_DDR16SS_DENALI_PHY_24 Registers
        844. 8.1.5.844  CTLPHY_WRAP__CTL_CFG__CTLCFG_DDR16SS_DENALI_PHY_25 Registers
        845. 8.1.5.845  CTLPHY_WRAP__CTL_CFG__CTLCFG_DDR16SS_DENALI_PHY_26 Registers
        846. 8.1.5.846  CTLPHY_WRAP__CTL_CFG__CTLCFG_DDR16SS_DENALI_PHY_27 Registers
        847. 8.1.5.847  CTLPHY_WRAP__CTL_CFG__CTLCFG_DDR16SS_DENALI_PHY_28 Registers
        848. 8.1.5.848  CTLPHY_WRAP__CTL_CFG__CTLCFG_DDR16SS_DENALI_PHY_29 Registers
        849. 8.1.5.849  CTLPHY_WRAP__CTL_CFG__CTLCFG_DDR16SS_DENALI_PHY_30 Registers
        850. 8.1.5.850  CTLPHY_WRAP__CTL_CFG__CTLCFG_DDR16SS_DENALI_PHY_31 Registers
        851. 8.1.5.851  CTLPHY_WRAP__CTL_CFG__CTLCFG_DDR16SS_DENALI_PHY_32 Registers
        852. 8.1.5.852  CTLPHY_WRAP__CTL_CFG__CTLCFG_DDR16SS_DENALI_PHY_33 Registers
        853. 8.1.5.853  CTLPHY_WRAP__CTL_CFG__CTLCFG_DDR16SS_DENALI_PHY_34 Registers
        854. 8.1.5.854  CTLPHY_WRAP__CTL_CFG__CTLCFG_DDR16SS_DENALI_PHY_35 Registers
        855. 8.1.5.855  CTLPHY_WRAP__CTL_CFG__CTLCFG_DDR16SS_DENALI_PHY_36 Registers
        856. 8.1.5.856  CTLPHY_WRAP__CTL_CFG__CTLCFG_DDR16SS_DENALI_PHY_37 Registers
        857. 8.1.5.857  CTLPHY_WRAP__CTL_CFG__CTLCFG_DDR16SS_DENALI_PHY_38 Registers
        858. 8.1.5.858  CTLPHY_WRAP__CTL_CFG__CTLCFG_DDR16SS_DENALI_PHY_39 Registers
        859. 8.1.5.859  CTLPHY_WRAP__CTL_CFG__CTLCFG_DDR16SS_DENALI_PHY_40 Registers
        860. 8.1.5.860  CTLPHY_WRAP__CTL_CFG__CTLCFG_DDR16SS_DENALI_PHY_41 Registers
        861. 8.1.5.861  CTLPHY_WRAP__CTL_CFG__CTLCFG_DDR16SS_DENALI_PHY_42 Registers
        862. 8.1.5.862  CTLPHY_WRAP__CTL_CFG__CTLCFG_DDR16SS_DENALI_PHY_43 Registers
        863. 8.1.5.863  CTLPHY_WRAP__CTL_CFG__CTLCFG_DDR16SS_DENALI_PHY_44 Registers
        864. 8.1.5.864  CTLPHY_WRAP__CTL_CFG__CTLCFG_DDR16SS_DENALI_PHY_45 Registers
        865. 8.1.5.865  CTLPHY_WRAP__CTL_CFG__CTLCFG_DDR16SS_DENALI_PHY_46 Registers
        866. 8.1.5.866  CTLPHY_WRAP__CTL_CFG__CTLCFG_DDR16SS_DENALI_PHY_47 Registers
        867. 8.1.5.867  CTLPHY_WRAP__CTL_CFG__CTLCFG_DDR16SS_DENALI_PHY_48 Registers
        868. 8.1.5.868  CTLPHY_WRAP__CTL_CFG__CTLCFG_DDR16SS_DENALI_PHY_49 Registers
        869. 8.1.5.869  CTLPHY_WRAP__CTL_CFG__CTLCFG_DDR16SS_DENALI_PHY_50 Registers
        870. 8.1.5.870  CTLPHY_WRAP__CTL_CFG__CTLCFG_DDR16SS_DENALI_PHY_51 Registers
        871. 8.1.5.871  CTLPHY_WRAP__CTL_CFG__CTLCFG_DDR16SS_DENALI_PHY_52 Registers
        872. 8.1.5.872  CTLPHY_WRAP__CTL_CFG__CTLCFG_DDR16SS_DENALI_PHY_53 Registers
        873. 8.1.5.873  CTLPHY_WRAP__CTL_CFG__CTLCFG_DDR16SS_DENALI_PHY_54 Registers
        874. 8.1.5.874  CTLPHY_WRAP__CTL_CFG__CTLCFG_DDR16SS_DENALI_PHY_55 Registers
        875. 8.1.5.875  CTLPHY_WRAP__CTL_CFG__CTLCFG_DDR16SS_DENALI_PHY_56 Registers
        876. 8.1.5.876  CTLPHY_WRAP__CTL_CFG__CTLCFG_DDR16SS_DENALI_PHY_57 Registers
        877. 8.1.5.877  CTLPHY_WRAP__CTL_CFG__CTLCFG_DDR16SS_DENALI_PHY_58 Registers
        878. 8.1.5.878  CTLPHY_WRAP__CTL_CFG__CTLCFG_DDR16SS_DENALI_PHY_59 Registers
        879. 8.1.5.879  CTLPHY_WRAP__CTL_CFG__CTLCFG_DDR16SS_DENALI_PHY_60 Registers
        880. 8.1.5.880  CTLPHY_WRAP__CTL_CFG__CTLCFG_DDR16SS_DENALI_PHY_61 Registers
        881. 8.1.5.881  CTLPHY_WRAP__CTL_CFG__CTLCFG_DDR16SS_DENALI_PHY_62 Registers
        882. 8.1.5.882  CTLPHY_WRAP__CTL_CFG__CTLCFG_DDR16SS_DENALI_PHY_63 Registers
        883. 8.1.5.883  CTLPHY_WRAP__CTL_CFG__CTLCFG_DDR16SS_DENALI_PHY_64 Registers
        884. 8.1.5.884  CTLPHY_WRAP__CTL_CFG__CTLCFG_DDR16SS_DENALI_PHY_65 Registers
        885. 8.1.5.885  CTLPHY_WRAP__CTL_CFG__CTLCFG_DDR16SS_DENALI_PHY_66 Registers
        886. 8.1.5.886  CTLPHY_WRAP__CTL_CFG__CTLCFG_DDR16SS_DENALI_PHY_67 Registers
        887. 8.1.5.887  CTLPHY_WRAP__CTL_CFG__CTLCFG_DDR16SS_DENALI_PHY_68 Registers
        888. 8.1.5.888  CTLPHY_WRAP__CTL_CFG__CTLCFG_DDR16SS_DENALI_PHY_69 Registers
        889. 8.1.5.889  CTLPHY_WRAP__CTL_CFG__CTLCFG_DDR16SS_DENALI_PHY_70 Registers
        890. 8.1.5.890  CTLPHY_WRAP__CTL_CFG__CTLCFG_DDR16SS_DENALI_PHY_71 Registers
        891. 8.1.5.891  CTLPHY_WRAP__CTL_CFG__CTLCFG_DDR16SS_DENALI_PHY_72 Registers
        892. 8.1.5.892  CTLPHY_WRAP__CTL_CFG__CTLCFG_DDR16SS_DENALI_PHY_73 Registers
        893. 8.1.5.893  CTLPHY_WRAP__CTL_CFG__CTLCFG_DDR16SS_DENALI_PHY_74 Registers
        894. 8.1.5.894  CTLPHY_WRAP__CTL_CFG__CTLCFG_DDR16SS_DENALI_PHY_75 Registers
        895. 8.1.5.895  CTLPHY_WRAP__CTL_CFG__CTLCFG_DDR16SS_DENALI_PHY_76 Registers
        896. 8.1.5.896  CTLPHY_WRAP__CTL_CFG__CTLCFG_DDR16SS_DENALI_PHY_77 Registers
        897. 8.1.5.897  CTLPHY_WRAP__CTL_CFG__CTLCFG_DDR16SS_DENALI_PHY_78 Registers
        898. 8.1.5.898  CTLPHY_WRAP__CTL_CFG__CTLCFG_DDR16SS_DENALI_PHY_79 Registers
        899. 8.1.5.899  CTLPHY_WRAP__CTL_CFG__CTLCFG_DDR16SS_DENALI_PHY_80 Registers
        900. 8.1.5.900  CTLPHY_WRAP__CTL_CFG__CTLCFG_DDR16SS_DENALI_PHY_81 Registers
        901. 8.1.5.901  CTLPHY_WRAP__CTL_CFG__CTLCFG_DDR16SS_DENALI_PHY_82 Registers
        902. 8.1.5.902  CTLPHY_WRAP__CTL_CFG__CTLCFG_DDR16SS_DENALI_PHY_83 Registers
        903. 8.1.5.903  CTLPHY_WRAP__CTL_CFG__CTLCFG_DDR16SS_DENALI_PHY_84 Registers
        904. 8.1.5.904  CTLPHY_WRAP__CTL_CFG__CTLCFG_DDR16SS_DENALI_PHY_85 Registers
        905. 8.1.5.905  CTLPHY_WRAP__CTL_CFG__CTLCFG_DDR16SS_DENALI_PHY_86 Registers
        906. 8.1.5.906  CTLPHY_WRAP__CTL_CFG__CTLCFG_DDR16SS_DENALI_PHY_87 Registers
        907. 8.1.5.907  CTLPHY_WRAP__CTL_CFG__CTLCFG_DDR16SS_DENALI_PHY_88 Registers
        908. 8.1.5.908  CTLPHY_WRAP__CTL_CFG__CTLCFG_DDR16SS_DENALI_PHY_89 Registers
        909. 8.1.5.909  CTLPHY_WRAP__CTL_CFG__CTLCFG_DDR16SS_DENALI_PHY_90 Registers
        910. 8.1.5.910  CTLPHY_WRAP__CTL_CFG__CTLCFG_DDR16SS_DENALI_PHY_91 Registers
        911. 8.1.5.911  CTLPHY_WRAP__CTL_CFG__CTLCFG_DDR16SS_DENALI_PHY_92 Registers
        912. 8.1.5.912  CTLPHY_WRAP__CTL_CFG__CTLCFG_DDR16SS_DENALI_PHY_93 Registers
        913. 8.1.5.913  CTLPHY_WRAP__CTL_CFG__CTLCFG_DDR16SS_DENALI_PHY_94 Registers
        914. 8.1.5.914  CTLPHY_WRAP__CTL_CFG__CTLCFG_DDR16SS_DENALI_PHY_95 Registers
        915. 8.1.5.915  CTLPHY_WRAP__CTL_CFG__CTLCFG_DDR16SS_DENALI_PHY_96 Registers
        916. 8.1.5.916  CTLPHY_WRAP__CTL_CFG__CTLCFG_DDR16SS_DENALI_PHY_97 Registers
        917. 8.1.5.917  CTLPHY_WRAP__CTL_CFG__CTLCFG_DDR16SS_DENALI_PHY_98 Registers
        918. 8.1.5.918  CTLPHY_WRAP__CTL_CFG__CTLCFG_DDR16SS_DENALI_PHY_99 Registers
        919. 8.1.5.919  CTLPHY_WRAP__CTL_CFG__CTLCFG_DDR16SS_DENALI_PHY_100 Registers
        920. 8.1.5.920  CTLPHY_WRAP__CTL_CFG__CTLCFG_DDR16SS_DENALI_PHY_101 Registers
        921. 8.1.5.921  CTLPHY_WRAP__CTL_CFG__CTLCFG_DDR16SS_DENALI_PHY_102 Registers
        922. 8.1.5.922  CTLPHY_WRAP__CTL_CFG__CTLCFG_DDR16SS_DENALI_PHY_103 Registers
        923. 8.1.5.923  CTLPHY_WRAP__CTL_CFG__CTLCFG_DDR16SS_DENALI_PHY_104 Registers
        924. 8.1.5.924  CTLPHY_WRAP__CTL_CFG__CTLCFG_DDR16SS_DENALI_PHY_105 Registers
        925. 8.1.5.925  CTLPHY_WRAP__CTL_CFG__CTLCFG_DDR16SS_DENALI_PHY_106 Registers
        926. 8.1.5.926  CTLPHY_WRAP__CTL_CFG__CTLCFG_DDR16SS_DENALI_PHY_107 Registers
        927. 8.1.5.927  CTLPHY_WRAP__CTL_CFG__CTLCFG_DDR16SS_DENALI_PHY_108 Registers
        928. 8.1.5.928  CTLPHY_WRAP__CTL_CFG__CTLCFG_DDR16SS_DENALI_PHY_109 Registers
        929. 8.1.5.929  CTLPHY_WRAP__CTL_CFG__CTLCFG_DDR16SS_DENALI_PHY_110 Registers
        930. 8.1.5.930  CTLPHY_WRAP__CTL_CFG__CTLCFG_DDR16SS_DENALI_PHY_111 Registers
        931. 8.1.5.931  CTLPHY_WRAP__CTL_CFG__CTLCFG_DDR16SS_DENALI_PHY_112 Registers
        932. 8.1.5.932  CTLPHY_WRAP__CTL_CFG__CTLCFG_DDR16SS_DENALI_PHY_113 Registers
        933. 8.1.5.933  CTLPHY_WRAP__CTL_CFG__CTLCFG_DDR16SS_DENALI_PHY_114 Registers
        934. 8.1.5.934  CTLPHY_WRAP__CTL_CFG__CTLCFG_DDR16SS_DENALI_PHY_115 Registers
        935. 8.1.5.935  CTLPHY_WRAP__CTL_CFG__CTLCFG_DDR16SS_DENALI_PHY_116 Registers
        936. 8.1.5.936  CTLPHY_WRAP__CTL_CFG__CTLCFG_DDR16SS_DENALI_PHY_117 Registers
        937. 8.1.5.937  CTLPHY_WRAP__CTL_CFG__CTLCFG_DDR16SS_DENALI_PHY_118 Registers
        938. 8.1.5.938  CTLPHY_WRAP__CTL_CFG__CTLCFG_DDR16SS_DENALI_PHY_119 Registers
        939. 8.1.5.939  CTLPHY_WRAP__CTL_CFG__CTLCFG_DDR16SS_DENALI_PHY_120 Registers
        940. 8.1.5.940  CTLPHY_WRAP__CTL_CFG__CTLCFG_DDR16SS_DENALI_PHY_121 Registers
        941. 8.1.5.941  CTLPHY_WRAP__CTL_CFG__CTLCFG_DDR16SS_DENALI_PHY_122 Registers
        942. 8.1.5.942  CTLPHY_WRAP__CTL_CFG__CTLCFG_DDR16SS_DENALI_PHY_123 Registers
        943. 8.1.5.943  CTLPHY_WRAP__CTL_CFG__CTLCFG_DDR16SS_DENALI_PHY_124 Registers
        944. 8.1.5.944  CTLPHY_WRAP__CTL_CFG__CTLCFG_DDR16SS_DENALI_PHY_125 Registers
        945. 8.1.5.945  CTLPHY_WRAP__CTL_CFG__CTLCFG_DDR16SS_DENALI_PHY_256 Registers
        946. 8.1.5.946  CTLPHY_WRAP__CTL_CFG__CTLCFG_DDR16SS_DENALI_PHY_257 Registers
        947. 8.1.5.947  CTLPHY_WRAP__CTL_CFG__CTLCFG_DDR16SS_DENALI_PHY_258 Registers
        948. 8.1.5.948  CTLPHY_WRAP__CTL_CFG__CTLCFG_DDR16SS_DENALI_PHY_259 Registers
        949. 8.1.5.949  CTLPHY_WRAP__CTL_CFG__CTLCFG_DDR16SS_DENALI_PHY_260 Registers
        950. 8.1.5.950  CTLPHY_WRAP__CTL_CFG__CTLCFG_DDR16SS_DENALI_PHY_261 Registers
        951. 8.1.5.951  CTLPHY_WRAP__CTL_CFG__CTLCFG_DDR16SS_DENALI_PHY_262 Registers
        952. 8.1.5.952  CTLPHY_WRAP__CTL_CFG__CTLCFG_DDR16SS_DENALI_PHY_263 Registers
        953. 8.1.5.953  CTLPHY_WRAP__CTL_CFG__CTLCFG_DDR16SS_DENALI_PHY_264 Registers
        954. 8.1.5.954  CTLPHY_WRAP__CTL_CFG__CTLCFG_DDR16SS_DENALI_PHY_265 Registers
        955. 8.1.5.955  CTLPHY_WRAP__CTL_CFG__CTLCFG_DDR16SS_DENALI_PHY_266 Registers
        956. 8.1.5.956  CTLPHY_WRAP__CTL_CFG__CTLCFG_DDR16SS_DENALI_PHY_267 Registers
        957. 8.1.5.957  CTLPHY_WRAP__CTL_CFG__CTLCFG_DDR16SS_DENALI_PHY_268 Registers
        958. 8.1.5.958  CTLPHY_WRAP__CTL_CFG__CTLCFG_DDR16SS_DENALI_PHY_269 Registers
        959. 8.1.5.959  CTLPHY_WRAP__CTL_CFG__CTLCFG_DDR16SS_DENALI_PHY_270 Registers
        960. 8.1.5.960  CTLPHY_WRAP__CTL_CFG__CTLCFG_DDR16SS_DENALI_PHY_271 Registers
        961. 8.1.5.961  CTLPHY_WRAP__CTL_CFG__CTLCFG_DDR16SS_DENALI_PHY_272 Registers
        962. 8.1.5.962  CTLPHY_WRAP__CTL_CFG__CTLCFG_DDR16SS_DENALI_PHY_273 Registers
        963. 8.1.5.963  CTLPHY_WRAP__CTL_CFG__CTLCFG_DDR16SS_DENALI_PHY_274 Registers
        964. 8.1.5.964  CTLPHY_WRAP__CTL_CFG__CTLCFG_DDR16SS_DENALI_PHY_275 Registers
        965. 8.1.5.965  CTLPHY_WRAP__CTL_CFG__CTLCFG_DDR16SS_DENALI_PHY_276 Registers
        966. 8.1.5.966  CTLPHY_WRAP__CTL_CFG__CTLCFG_DDR16SS_DENALI_PHY_277 Registers
        967. 8.1.5.967  CTLPHY_WRAP__CTL_CFG__CTLCFG_DDR16SS_DENALI_PHY_278 Registers
        968. 8.1.5.968  CTLPHY_WRAP__CTL_CFG__CTLCFG_DDR16SS_DENALI_PHY_279 Registers
        969. 8.1.5.969  CTLPHY_WRAP__CTL_CFG__CTLCFG_DDR16SS_DENALI_PHY_280 Registers
        970. 8.1.5.970  CTLPHY_WRAP__CTL_CFG__CTLCFG_DDR16SS_DENALI_PHY_281 Registers
        971. 8.1.5.971  CTLPHY_WRAP__CTL_CFG__CTLCFG_DDR16SS_DENALI_PHY_282 Registers
        972. 8.1.5.972  CTLPHY_WRAP__CTL_CFG__CTLCFG_DDR16SS_DENALI_PHY_283 Registers
        973. 8.1.5.973  CTLPHY_WRAP__CTL_CFG__CTLCFG_DDR16SS_DENALI_PHY_284 Registers
        974. 8.1.5.974  CTLPHY_WRAP__CTL_CFG__CTLCFG_DDR16SS_DENALI_PHY_285 Registers
        975. 8.1.5.975  CTLPHY_WRAP__CTL_CFG__CTLCFG_DDR16SS_DENALI_PHY_286 Registers
        976. 8.1.5.976  CTLPHY_WRAP__CTL_CFG__CTLCFG_DDR16SS_DENALI_PHY_287 Registers
        977. 8.1.5.977  CTLPHY_WRAP__CTL_CFG__CTLCFG_DDR16SS_DENALI_PHY_288 Registers
        978. 8.1.5.978  CTLPHY_WRAP__CTL_CFG__CTLCFG_DDR16SS_DENALI_PHY_289 Registers
        979. 8.1.5.979  CTLPHY_WRAP__CTL_CFG__CTLCFG_DDR16SS_DENALI_PHY_290 Registers
        980. 8.1.5.980  CTLPHY_WRAP__CTL_CFG__CTLCFG_DDR16SS_DENALI_PHY_291 Registers
        981. 8.1.5.981  CTLPHY_WRAP__CTL_CFG__CTLCFG_DDR16SS_DENALI_PHY_292 Registers
        982. 8.1.5.982  CTLPHY_WRAP__CTL_CFG__CTLCFG_DDR16SS_DENALI_PHY_293 Registers
        983. 8.1.5.983  CTLPHY_WRAP__CTL_CFG__CTLCFG_DDR16SS_DENALI_PHY_294 Registers
        984. 8.1.5.984  CTLPHY_WRAP__CTL_CFG__CTLCFG_DDR16SS_DENALI_PHY_295 Registers
        985. 8.1.5.985  CTLPHY_WRAP__CTL_CFG__CTLCFG_DDR16SS_DENALI_PHY_296 Registers
        986. 8.1.5.986  CTLPHY_WRAP__CTL_CFG__CTLCFG_DDR16SS_DENALI_PHY_297 Registers
        987. 8.1.5.987  CTLPHY_WRAP__CTL_CFG__CTLCFG_DDR16SS_DENALI_PHY_298 Registers
        988. 8.1.5.988  CTLPHY_WRAP__CTL_CFG__CTLCFG_DDR16SS_DENALI_PHY_299 Registers
        989. 8.1.5.989  CTLPHY_WRAP__CTL_CFG__CTLCFG_DDR16SS_DENALI_PHY_300 Registers
        990. 8.1.5.990  CTLPHY_WRAP__CTL_CFG__CTLCFG_DDR16SS_DENALI_PHY_301 Registers
        991. 8.1.5.991  CTLPHY_WRAP__CTL_CFG__CTLCFG_DDR16SS_DENALI_PHY_302 Registers
        992. 8.1.5.992  CTLPHY_WRAP__CTL_CFG__CTLCFG_DDR16SS_DENALI_PHY_303 Registers
        993. 8.1.5.993  CTLPHY_WRAP__CTL_CFG__CTLCFG_DDR16SS_DENALI_PHY_304 Registers
        994. 8.1.5.994  CTLPHY_WRAP__CTL_CFG__CTLCFG_DDR16SS_DENALI_PHY_305 Registers
        995. 8.1.5.995  CTLPHY_WRAP__CTL_CFG__CTLCFG_DDR16SS_DENALI_PHY_306 Registers
        996. 8.1.5.996  CTLPHY_WRAP__CTL_CFG__CTLCFG_DDR16SS_DENALI_PHY_307 Registers
        997. 8.1.5.997  CTLPHY_WRAP__CTL_CFG__CTLCFG_DDR16SS_DENALI_PHY_308 Registers
        998. 8.1.5.998  CTLPHY_WRAP__CTL_CFG__CTLCFG_DDR16SS_DENALI_PHY_309 Registers
        999. 8.1.5.999  CTLPHY_WRAP__CTL_CFG__CTLCFG_DDR16SS_DENALI_PHY_310 Registers
        1000. 8.1.5.1000 CTLPHY_WRAP__CTL_CFG__CTLCFG_DDR16SS_DENALI_PHY_311 Registers
        1001. 8.1.5.1001 CTLPHY_WRAP__CTL_CFG__CTLCFG_DDR16SS_DENALI_PHY_312 Registers
        1002. 8.1.5.1002 CTLPHY_WRAP__CTL_CFG__CTLCFG_DDR16SS_DENALI_PHY_313 Registers
        1003. 8.1.5.1003 CTLPHY_WRAP__CTL_CFG__CTLCFG_DDR16SS_DENALI_PHY_314 Registers
        1004. 8.1.5.1004 CTLPHY_WRAP__CTL_CFG__CTLCFG_DDR16SS_DENALI_PHY_315 Registers
        1005. 8.1.5.1005 CTLPHY_WRAP__CTL_CFG__CTLCFG_DDR16SS_DENALI_PHY_316 Registers
        1006. 8.1.5.1006 CTLPHY_WRAP__CTL_CFG__CTLCFG_DDR16SS_DENALI_PHY_317 Registers
        1007. 8.1.5.1007 CTLPHY_WRAP__CTL_CFG__CTLCFG_DDR16SS_DENALI_PHY_318 Registers
        1008. 8.1.5.1008 CTLPHY_WRAP__CTL_CFG__CTLCFG_DDR16SS_DENALI_PHY_319 Registers
        1009. 8.1.5.1009 CTLPHY_WRAP__CTL_CFG__CTLCFG_DDR16SS_DENALI_PHY_320 Registers
        1010. 8.1.5.1010 CTLPHY_WRAP__CTL_CFG__CTLCFG_DDR16SS_DENALI_PHY_321 Registers
        1011. 8.1.5.1011 CTLPHY_WRAP__CTL_CFG__CTLCFG_DDR16SS_DENALI_PHY_322 Registers
        1012. 8.1.5.1012 CTLPHY_WRAP__CTL_CFG__CTLCFG_DDR16SS_DENALI_PHY_323 Registers
        1013. 8.1.5.1013 CTLPHY_WRAP__CTL_CFG__CTLCFG_DDR16SS_DENALI_PHY_324 Registers
        1014. 8.1.5.1014 CTLPHY_WRAP__CTL_CFG__CTLCFG_DDR16SS_DENALI_PHY_325 Registers
        1015. 8.1.5.1015 CTLPHY_WRAP__CTL_CFG__CTLCFG_DDR16SS_DENALI_PHY_326 Registers
        1016. 8.1.5.1016 CTLPHY_WRAP__CTL_CFG__CTLCFG_DDR16SS_DENALI_PHY_327 Registers
        1017. 8.1.5.1017 CTLPHY_WRAP__CTL_CFG__CTLCFG_DDR16SS_DENALI_PHY_328 Registers
        1018. 8.1.5.1018 CTLPHY_WRAP__CTL_CFG__CTLCFG_DDR16SS_DENALI_PHY_329 Registers
        1019. 8.1.5.1019 CTLPHY_WRAP__CTL_CFG__CTLCFG_DDR16SS_DENALI_PHY_330 Registers
        1020. 8.1.5.1020 CTLPHY_WRAP__CTL_CFG__CTLCFG_DDR16SS_DENALI_PHY_331 Registers
        1021. 8.1.5.1021 CTLPHY_WRAP__CTL_CFG__CTLCFG_DDR16SS_DENALI_PHY_332 Registers
        1022. 8.1.5.1022 CTLPHY_WRAP__CTL_CFG__CTLCFG_DDR16SS_DENALI_PHY_333 Registers
        1023. 8.1.5.1023 CTLPHY_WRAP__CTL_CFG__CTLCFG_DDR16SS_DENALI_PHY_334 Registers
        1024. 8.1.5.1024 CTLPHY_WRAP__CTL_CFG__CTLCFG_DDR16SS_DENALI_PHY_335 Registers
        1025. 8.1.5.1025 CTLPHY_WRAP__CTL_CFG__CTLCFG_DDR16SS_DENALI_PHY_336 Registers
        1026. 8.1.5.1026 CTLPHY_WRAP__CTL_CFG__CTLCFG_DDR16SS_DENALI_PHY_337 Registers
        1027. 8.1.5.1027 CTLPHY_WRAP__CTL_CFG__CTLCFG_DDR16SS_DENALI_PHY_338 Registers
        1028. 8.1.5.1028 CTLPHY_WRAP__CTL_CFG__CTLCFG_DDR16SS_DENALI_PHY_339 Registers
        1029. 8.1.5.1029 CTLPHY_WRAP__CTL_CFG__CTLCFG_DDR16SS_DENALI_PHY_340 Registers
        1030. 8.1.5.1030 CTLPHY_WRAP__CTL_CFG__CTLCFG_DDR16SS_DENALI_PHY_341 Registers
        1031. 8.1.5.1031 CTLPHY_WRAP__CTL_CFG__CTLCFG_DDR16SS_DENALI_PHY_342 Registers
        1032. 8.1.5.1032 CTLPHY_WRAP__CTL_CFG__CTLCFG_DDR16SS_DENALI_PHY_343 Registers
        1033. 8.1.5.1033 CTLPHY_WRAP__CTL_CFG__CTLCFG_DDR16SS_DENALI_PHY_344 Registers
        1034. 8.1.5.1034 CTLPHY_WRAP__CTL_CFG__CTLCFG_DDR16SS_DENALI_PHY_345 Registers
        1035. 8.1.5.1035 CTLPHY_WRAP__CTL_CFG__CTLCFG_DDR16SS_DENALI_PHY_346 Registers
        1036. 8.1.5.1036 CTLPHY_WRAP__CTL_CFG__CTLCFG_DDR16SS_DENALI_PHY_347 Registers
        1037. 8.1.5.1037 CTLPHY_WRAP__CTL_CFG__CTLCFG_DDR16SS_DENALI_PHY_348 Registers
        1038. 8.1.5.1038 CTLPHY_WRAP__CTL_CFG__CTLCFG_DDR16SS_DENALI_PHY_349 Registers
        1039. 8.1.5.1039 CTLPHY_WRAP__CTL_CFG__CTLCFG_DDR16SS_DENALI_PHY_350 Registers
        1040. 8.1.5.1040 CTLPHY_WRAP__CTL_CFG__CTLCFG_DDR16SS_DENALI_PHY_351 Registers
        1041. 8.1.5.1041 CTLPHY_WRAP__CTL_CFG__CTLCFG_DDR16SS_DENALI_PHY_352 Registers
        1042. 8.1.5.1042 CTLPHY_WRAP__CTL_CFG__CTLCFG_DDR16SS_DENALI_PHY_353 Registers
        1043. 8.1.5.1043 CTLPHY_WRAP__CTL_CFG__CTLCFG_DDR16SS_DENALI_PHY_354 Registers
        1044. 8.1.5.1044 CTLPHY_WRAP__CTL_CFG__CTLCFG_DDR16SS_DENALI_PHY_355 Registers
        1045. 8.1.5.1045 CTLPHY_WRAP__CTL_CFG__CTLCFG_DDR16SS_DENALI_PHY_356 Registers
        1046. 8.1.5.1046 CTLPHY_WRAP__CTL_CFG__CTLCFG_DDR16SS_DENALI_PHY_357 Registers
        1047. 8.1.5.1047 CTLPHY_WRAP__CTL_CFG__CTLCFG_DDR16SS_DENALI_PHY_358 Registers
        1048. 8.1.5.1048 CTLPHY_WRAP__CTL_CFG__CTLCFG_DDR16SS_DENALI_PHY_359 Registers
        1049. 8.1.5.1049 CTLPHY_WRAP__CTL_CFG__CTLCFG_DDR16SS_DENALI_PHY_360 Registers
        1050. 8.1.5.1050 CTLPHY_WRAP__CTL_CFG__CTLCFG_DDR16SS_DENALI_PHY_361 Registers
        1051. 8.1.5.1051 CTLPHY_WRAP__CTL_CFG__CTLCFG_DDR16SS_DENALI_PHY_362 Registers
        1052. 8.1.5.1052 CTLPHY_WRAP__CTL_CFG__CTLCFG_DDR16SS_DENALI_PHY_363 Registers
        1053. 8.1.5.1053 CTLPHY_WRAP__CTL_CFG__CTLCFG_DDR16SS_DENALI_PHY_364 Registers
        1054. 8.1.5.1054 CTLPHY_WRAP__CTL_CFG__CTLCFG_DDR16SS_DENALI_PHY_365 Registers
        1055. 8.1.5.1055 CTLPHY_WRAP__CTL_CFG__CTLCFG_DDR16SS_DENALI_PHY_366 Registers
        1056. 8.1.5.1056 CTLPHY_WRAP__CTL_CFG__CTLCFG_DDR16SS_DENALI_PHY_367 Registers
        1057. 8.1.5.1057 CTLPHY_WRAP__CTL_CFG__CTLCFG_DDR16SS_DENALI_PHY_368 Registers
        1058. 8.1.5.1058 CTLPHY_WRAP__CTL_CFG__CTLCFG_DDR16SS_DENALI_PHY_369 Registers
        1059. 8.1.5.1059 CTLPHY_WRAP__CTL_CFG__CTLCFG_DDR16SS_DENALI_PHY_370 Registers
        1060. 8.1.5.1060 CTLPHY_WRAP__CTL_CFG__CTLCFG_DDR16SS_DENALI_PHY_371 Registers
        1061. 8.1.5.1061 CTLPHY_WRAP__CTL_CFG__CTLCFG_DDR16SS_DENALI_PHY_372 Registers
        1062. 8.1.5.1062 CTLPHY_WRAP__CTL_CFG__CTLCFG_DDR16SS_DENALI_PHY_373 Registers
        1063. 8.1.5.1063 CTLPHY_WRAP__CTL_CFG__CTLCFG_DDR16SS_DENALI_PHY_374 Registers
        1064. 8.1.5.1064 CTLPHY_WRAP__CTL_CFG__CTLCFG_DDR16SS_DENALI_PHY_375 Registers
        1065. 8.1.5.1065 CTLPHY_WRAP__CTL_CFG__CTLCFG_DDR16SS_DENALI_PHY_376 Registers
        1066. 8.1.5.1066 CTLPHY_WRAP__CTL_CFG__CTLCFG_DDR16SS_DENALI_PHY_377 Registers
        1067. 8.1.5.1067 CTLPHY_WRAP__CTL_CFG__CTLCFG_DDR16SS_DENALI_PHY_378 Registers
        1068. 8.1.5.1068 CTLPHY_WRAP__CTL_CFG__CTLCFG_DDR16SS_DENALI_PHY_379 Registers
        1069. 8.1.5.1069 CTLPHY_WRAP__CTL_CFG__CTLCFG_DDR16SS_DENALI_PHY_380 Registers
        1070. 8.1.5.1070 CTLPHY_WRAP__CTL_CFG__CTLCFG_DDR16SS_DENALI_PHY_381 Registers
        1071. 8.1.5.1071 CTLPHY_WRAP__CTL_CFG__CTLCFG_DDR16SS_DENALI_PHY_512 Registers
        1072. 8.1.5.1072 CTLPHY_WRAP__CTL_CFG__CTLCFG_DDR16SS_DENALI_PHY_513 Registers
        1073. 8.1.5.1073 CTLPHY_WRAP__CTL_CFG__CTLCFG_DDR16SS_DENALI_PHY_514 Registers
        1074. 8.1.5.1074 CTLPHY_WRAP__CTL_CFG__CTLCFG_DDR16SS_DENALI_PHY_515 Registers
        1075. 8.1.5.1075 CTLPHY_WRAP__CTL_CFG__CTLCFG_DDR16SS_DENALI_PHY_516 Registers
        1076. 8.1.5.1076 CTLPHY_WRAP__CTL_CFG__CTLCFG_DDR16SS_DENALI_PHY_517 Registers
        1077. 8.1.5.1077 CTLPHY_WRAP__CTL_CFG__CTLCFG_DDR16SS_DENALI_PHY_518 Registers
        1078. 8.1.5.1078 CTLPHY_WRAP__CTL_CFG__CTLCFG_DDR16SS_DENALI_PHY_519 Registers
        1079. 8.1.5.1079 CTLPHY_WRAP__CTL_CFG__CTLCFG_DDR16SS_DENALI_PHY_520 Registers
        1080. 8.1.5.1080 CTLPHY_WRAP__CTL_CFG__CTLCFG_DDR16SS_DENALI_PHY_521 Registers
        1081. 8.1.5.1081 CTLPHY_WRAP__CTL_CFG__CTLCFG_DDR16SS_DENALI_PHY_522 Registers
        1082. 8.1.5.1082 CTLPHY_WRAP__CTL_CFG__CTLCFG_DDR16SS_DENALI_PHY_523 Registers
        1083. 8.1.5.1083 CTLPHY_WRAP__CTL_CFG__CTLCFG_DDR16SS_DENALI_PHY_524 Registers
        1084. 8.1.5.1084 CTLPHY_WRAP__CTL_CFG__CTLCFG_DDR16SS_DENALI_PHY_525 Registers
        1085. 8.1.5.1085 CTLPHY_WRAP__CTL_CFG__CTLCFG_DDR16SS_DENALI_PHY_526 Registers
        1086. 8.1.5.1086 CTLPHY_WRAP__CTL_CFG__CTLCFG_DDR16SS_DENALI_PHY_527 Registers
        1087. 8.1.5.1087 CTLPHY_WRAP__CTL_CFG__CTLCFG_DDR16SS_DENALI_PHY_528 Registers
        1088. 8.1.5.1088 CTLPHY_WRAP__CTL_CFG__CTLCFG_DDR16SS_DENALI_PHY_529 Registers
        1089. 8.1.5.1089 CTLPHY_WRAP__CTL_CFG__CTLCFG_DDR16SS_DENALI_PHY_530 Registers
        1090. 8.1.5.1090 CTLPHY_WRAP__CTL_CFG__CTLCFG_DDR16SS_DENALI_PHY_531 Registers
        1091. 8.1.5.1091 CTLPHY_WRAP__CTL_CFG__CTLCFG_DDR16SS_DENALI_PHY_532 Registers
        1092. 8.1.5.1092 CTLPHY_WRAP__CTL_CFG__CTLCFG_DDR16SS_DENALI_PHY_533 Registers
        1093. 8.1.5.1093 CTLPHY_WRAP__CTL_CFG__CTLCFG_DDR16SS_DENALI_PHY_534 Registers
        1094. 8.1.5.1094 CTLPHY_WRAP__CTL_CFG__CTLCFG_DDR16SS_DENALI_PHY_535 Registers
        1095. 8.1.5.1095 CTLPHY_WRAP__CTL_CFG__CTLCFG_DDR16SS_DENALI_PHY_536 Registers
        1096. 8.1.5.1096 CTLPHY_WRAP__CTL_CFG__CTLCFG_DDR16SS_DENALI_PHY_537 Registers
        1097. 8.1.5.1097 CTLPHY_WRAP__CTL_CFG__CTLCFG_DDR16SS_DENALI_PHY_538 Registers
        1098. 8.1.5.1098 CTLPHY_WRAP__CTL_CFG__CTLCFG_DDR16SS_DENALI_PHY_539 Registers
        1099. 8.1.5.1099 CTLPHY_WRAP__CTL_CFG__CTLCFG_DDR16SS_DENALI_PHY_540 Registers
        1100. 8.1.5.1100 CTLPHY_WRAP__CTL_CFG__CTLCFG_DDR16SS_DENALI_PHY_541 Registers
        1101. 8.1.5.1101 CTLPHY_WRAP__CTL_CFG__CTLCFG_DDR16SS_DENALI_PHY_542 Registers
        1102. 8.1.5.1102 CTLPHY_WRAP__CTL_CFG__CTLCFG_DDR16SS_DENALI_PHY_543 Registers
        1103. 8.1.5.1103 CTLPHY_WRAP__CTL_CFG__CTLCFG_DDR16SS_DENALI_PHY_544 Registers
        1104. 8.1.5.1104 CTLPHY_WRAP__CTL_CFG__CTLCFG_DDR16SS_DENALI_PHY_545 Registers
        1105. 8.1.5.1105 CTLPHY_WRAP__CTL_CFG__CTLCFG_DDR16SS_DENALI_PHY_546 Registers
        1106. 8.1.5.1106 CTLPHY_WRAP__CTL_CFG__CTLCFG_DDR16SS_DENALI_PHY_547 Registers
        1107. 8.1.5.1107 CTLPHY_WRAP__CTL_CFG__CTLCFG_DDR16SS_DENALI_PHY_548 Registers
        1108. 8.1.5.1108 CTLPHY_WRAP__CTL_CFG__CTLCFG_DDR16SS_DENALI_PHY_549 Registers
        1109. 8.1.5.1109 CTLPHY_WRAP__CTL_CFG__CTLCFG_DDR16SS_DENALI_PHY_550 Registers
        1110. 8.1.5.1110 CTLPHY_WRAP__CTL_CFG__CTLCFG_DDR16SS_DENALI_PHY_551 Registers
        1111. 8.1.5.1111 CTLPHY_WRAP__CTL_CFG__CTLCFG_DDR16SS_DENALI_PHY_552 Registers
        1112. 8.1.5.1112 CTLPHY_WRAP__CTL_CFG__CTLCFG_DDR16SS_DENALI_PHY_553 Registers
        1113. 8.1.5.1113 CTLPHY_WRAP__CTL_CFG__CTLCFG_DDR16SS_DENALI_PHY_554 Registers
        1114. 8.1.5.1114 CTLPHY_WRAP__CTL_CFG__CTLCFG_DDR16SS_DENALI_PHY_768 Registers
        1115. 8.1.5.1115 CTLPHY_WRAP__CTL_CFG__CTLCFG_DDR16SS_DENALI_PHY_769 Registers
        1116. 8.1.5.1116 CTLPHY_WRAP__CTL_CFG__CTLCFG_DDR16SS_DENALI_PHY_770 Registers
        1117. 8.1.5.1117 CTLPHY_WRAP__CTL_CFG__CTLCFG_DDR16SS_DENALI_PHY_771 Registers
        1118. 8.1.5.1118 CTLPHY_WRAP__CTL_CFG__CTLCFG_DDR16SS_DENALI_PHY_772 Registers
        1119. 8.1.5.1119 CTLPHY_WRAP__CTL_CFG__CTLCFG_DDR16SS_DENALI_PHY_773 Registers
        1120. 8.1.5.1120 CTLPHY_WRAP__CTL_CFG__CTLCFG_DDR16SS_DENALI_PHY_774 Registers
        1121. 8.1.5.1121 CTLPHY_WRAP__CTL_CFG__CTLCFG_DDR16SS_DENALI_PHY_775 Registers
        1122. 8.1.5.1122 CTLPHY_WRAP__CTL_CFG__CTLCFG_DDR16SS_DENALI_PHY_776 Registers
        1123. 8.1.5.1123 CTLPHY_WRAP__CTL_CFG__CTLCFG_DDR16SS_DENALI_PHY_777 Registers
        1124. 8.1.5.1124 CTLPHY_WRAP__CTL_CFG__CTLCFG_DDR16SS_DENALI_PHY_778 Registers
        1125. 8.1.5.1125 CTLPHY_WRAP__CTL_CFG__CTLCFG_DDR16SS_DENALI_PHY_779 Registers
        1126. 8.1.5.1126 CTLPHY_WRAP__CTL_CFG__CTLCFG_DDR16SS_DENALI_PHY_780 Registers
        1127. 8.1.5.1127 CTLPHY_WRAP__CTL_CFG__CTLCFG_DDR16SS_DENALI_PHY_781 Registers
        1128. 8.1.5.1128 CTLPHY_WRAP__CTL_CFG__CTLCFG_DDR16SS_DENALI_PHY_782 Registers
        1129. 8.1.5.1129 CTLPHY_WRAP__CTL_CFG__CTLCFG_DDR16SS_DENALI_PHY_783 Registers
        1130. 8.1.5.1130 CTLPHY_WRAP__CTL_CFG__CTLCFG_DDR16SS_DENALI_PHY_784 Registers
        1131. 8.1.5.1131 CTLPHY_WRAP__CTL_CFG__CTLCFG_DDR16SS_DENALI_PHY_785 Registers
        1132. 8.1.5.1132 CTLPHY_WRAP__CTL_CFG__CTLCFG_DDR16SS_DENALI_PHY_786 Registers
        1133. 8.1.5.1133 CTLPHY_WRAP__CTL_CFG__CTLCFG_DDR16SS_DENALI_PHY_787 Registers
        1134. 8.1.5.1134 CTLPHY_WRAP__CTL_CFG__CTLCFG_DDR16SS_DENALI_PHY_788 Registers
        1135. 8.1.5.1135 CTLPHY_WRAP__CTL_CFG__CTLCFG_DDR16SS_DENALI_PHY_789 Registers
        1136. 8.1.5.1136 CTLPHY_WRAP__CTL_CFG__CTLCFG_DDR16SS_DENALI_PHY_790 Registers
        1137. 8.1.5.1137 CTLPHY_WRAP__CTL_CFG__CTLCFG_DDR16SS_DENALI_PHY_791 Registers
        1138. 8.1.5.1138 CTLPHY_WRAP__CTL_CFG__CTLCFG_DDR16SS_DENALI_PHY_792 Registers
        1139. 8.1.5.1139 CTLPHY_WRAP__CTL_CFG__CTLCFG_DDR16SS_DENALI_PHY_793 Registers
        1140. 8.1.5.1140 CTLPHY_WRAP__CTL_CFG__CTLCFG_DDR16SS_DENALI_PHY_794 Registers
        1141. 8.1.5.1141 CTLPHY_WRAP__CTL_CFG__CTLCFG_DDR16SS_DENALI_PHY_795 Registers
        1142. 8.1.5.1142 CTLPHY_WRAP__CTL_CFG__CTLCFG_DDR16SS_DENALI_PHY_796 Registers
        1143. 8.1.5.1143 CTLPHY_WRAP__CTL_CFG__CTLCFG_DDR16SS_DENALI_PHY_797 Registers
        1144. 8.1.5.1144 CTLPHY_WRAP__CTL_CFG__CTLCFG_DDR16SS_DENALI_PHY_798 Registers
        1145. 8.1.5.1145 CTLPHY_WRAP__CTL_CFG__CTLCFG_DDR16SS_DENALI_PHY_799 Registers
        1146. 8.1.5.1146 CTLPHY_WRAP__CTL_CFG__CTLCFG_DDR16SS_DENALI_PHY_800 Registers
        1147. 8.1.5.1147 CTLPHY_WRAP__CTL_CFG__CTLCFG_DDR16SS_DENALI_PHY_801 Registers
        1148. 8.1.5.1148 CTLPHY_WRAP__CTL_CFG__CTLCFG_DDR16SS_DENALI_PHY_802 Registers
        1149. 8.1.5.1149 CTLPHY_WRAP__CTL_CFG__CTLCFG_DDR16SS_DENALI_PHY_803 Registers
        1150. 8.1.5.1150 CTLPHY_WRAP__CTL_CFG__CTLCFG_DDR16SS_DENALI_PHY_804 Registers
        1151. 8.1.5.1151 CTLPHY_WRAP__CTL_CFG__CTLCFG_DDR16SS_DENALI_PHY_805 Registers
        1152. 8.1.5.1152 CTLPHY_WRAP__CTL_CFG__CTLCFG_DDR16SS_DENALI_PHY_806 Registers
        1153. 8.1.5.1153 CTLPHY_WRAP__CTL_CFG__CTLCFG_DDR16SS_DENALI_PHY_807 Registers
        1154. 8.1.5.1154 CTLPHY_WRAP__CTL_CFG__CTLCFG_DDR16SS_DENALI_PHY_808 Registers
        1155. 8.1.5.1155 CTLPHY_WRAP__CTL_CFG__CTLCFG_DDR16SS_DENALI_PHY_809 Registers
        1156. 8.1.5.1156 CTLPHY_WRAP__CTL_CFG__CTLCFG_DDR16SS_DENALI_PHY_810 Registers
        1157. 8.1.5.1157 CTLPHY_WRAP__CTL_CFG__CTLCFG_DDR16SS_DENALI_PHY_1024 Registers
        1158. 8.1.5.1158 CTLPHY_WRAP__CTL_CFG__CTLCFG_DDR16SS_DENALI_PHY_1025 Registers
        1159. 8.1.5.1159 CTLPHY_WRAP__CTL_CFG__CTLCFG_DDR16SS_DENALI_PHY_1026 Registers
        1160. 8.1.5.1160 CTLPHY_WRAP__CTL_CFG__CTLCFG_DDR16SS_DENALI_PHY_1027 Registers
        1161. 8.1.5.1161 CTLPHY_WRAP__CTL_CFG__CTLCFG_DDR16SS_DENALI_PHY_1028 Registers
        1162. 8.1.5.1162 CTLPHY_WRAP__CTL_CFG__CTLCFG_DDR16SS_DENALI_PHY_1029 Registers
        1163. 8.1.5.1163 CTLPHY_WRAP__CTL_CFG__CTLCFG_DDR16SS_DENALI_PHY_1030 Registers
        1164. 8.1.5.1164 CTLPHY_WRAP__CTL_CFG__CTLCFG_DDR16SS_DENALI_PHY_1031 Registers
        1165. 8.1.5.1165 CTLPHY_WRAP__CTL_CFG__CTLCFG_DDR16SS_DENALI_PHY_1032 Registers
        1166. 8.1.5.1166 CTLPHY_WRAP__CTL_CFG__CTLCFG_DDR16SS_DENALI_PHY_1033 Registers
        1167. 8.1.5.1167 CTLPHY_WRAP__CTL_CFG__CTLCFG_DDR16SS_DENALI_PHY_1034 Registers
        1168. 8.1.5.1168 CTLPHY_WRAP__CTL_CFG__CTLCFG_DDR16SS_DENALI_PHY_1035 Registers
        1169. 8.1.5.1169 CTLPHY_WRAP__CTL_CFG__CTLCFG_DDR16SS_DENALI_PHY_1036 Registers
        1170. 8.1.5.1170 CTLPHY_WRAP__CTL_CFG__CTLCFG_DDR16SS_DENALI_PHY_1037 Registers
        1171. 8.1.5.1171 CTLPHY_WRAP__CTL_CFG__CTLCFG_DDR16SS_DENALI_PHY_1038 Registers
        1172. 8.1.5.1172 CTLPHY_WRAP__CTL_CFG__CTLCFG_DDR16SS_DENALI_PHY_1039 Registers
        1173. 8.1.5.1173 CTLPHY_WRAP__CTL_CFG__CTLCFG_DDR16SS_DENALI_PHY_1040 Registers
        1174. 8.1.5.1174 CTLPHY_WRAP__CTL_CFG__CTLCFG_DDR16SS_DENALI_PHY_1041 Registers
        1175. 8.1.5.1175 CTLPHY_WRAP__CTL_CFG__CTLCFG_DDR16SS_DENALI_PHY_1042 Registers
        1176. 8.1.5.1176 CTLPHY_WRAP__CTL_CFG__CTLCFG_DDR16SS_DENALI_PHY_1043 Registers
        1177. 8.1.5.1177 CTLPHY_WRAP__CTL_CFG__CTLCFG_DDR16SS_DENALI_PHY_1044 Registers
        1178. 8.1.5.1178 CTLPHY_WRAP__CTL_CFG__CTLCFG_DDR16SS_DENALI_PHY_1045 Registers
        1179. 8.1.5.1179 CTLPHY_WRAP__CTL_CFG__CTLCFG_DDR16SS_DENALI_PHY_1046 Registers
        1180. 8.1.5.1180 CTLPHY_WRAP__CTL_CFG__CTLCFG_DDR16SS_DENALI_PHY_1047 Registers
        1181. 8.1.5.1181 CTLPHY_WRAP__CTL_CFG__CTLCFG_DDR16SS_DENALI_PHY_1048 Registers
        1182. 8.1.5.1182 CTLPHY_WRAP__CTL_CFG__CTLCFG_DDR16SS_DENALI_PHY_1049 Registers
        1183. 8.1.5.1183 CTLPHY_WRAP__CTL_CFG__CTLCFG_DDR16SS_DENALI_PHY_1050 Registers
        1184. 8.1.5.1184 CTLPHY_WRAP__CTL_CFG__CTLCFG_DDR16SS_DENALI_PHY_1051 Registers
        1185. 8.1.5.1185 CTLPHY_WRAP__CTL_CFG__CTLCFG_DDR16SS_DENALI_PHY_1052 Registers
        1186. 8.1.5.1186 CTLPHY_WRAP__CTL_CFG__CTLCFG_DDR16SS_DENALI_PHY_1053 Registers
        1187. 8.1.5.1187 CTLPHY_WRAP__CTL_CFG__CTLCFG_DDR16SS_DENALI_PHY_1054 Registers
        1188. 8.1.5.1188 CTLPHY_WRAP__CTL_CFG__CTLCFG_DDR16SS_DENALI_PHY_1055 Registers
        1189. 8.1.5.1189 CTLPHY_WRAP__CTL_CFG__CTLCFG_DDR16SS_DENALI_PHY_1056 Registers
        1190. 8.1.5.1190 CTLPHY_WRAP__CTL_CFG__CTLCFG_DDR16SS_DENALI_PHY_1057 Registers
        1191. 8.1.5.1191 CTLPHY_WRAP__CTL_CFG__CTLCFG_DDR16SS_DENALI_PHY_1058 Registers
        1192. 8.1.5.1192 CTLPHY_WRAP__CTL_CFG__CTLCFG_DDR16SS_DENALI_PHY_1059 Registers
        1193. 8.1.5.1193 CTLPHY_WRAP__CTL_CFG__CTLCFG_DDR16SS_DENALI_PHY_1060 Registers
        1194. 8.1.5.1194 CTLPHY_WRAP__CTL_CFG__CTLCFG_DDR16SS_DENALI_PHY_1061 Registers
        1195. 8.1.5.1195 CTLPHY_WRAP__CTL_CFG__CTLCFG_DDR16SS_DENALI_PHY_1062 Registers
        1196. 8.1.5.1196 CTLPHY_WRAP__CTL_CFG__CTLCFG_DDR16SS_DENALI_PHY_1063 Registers
        1197. 8.1.5.1197 CTLPHY_WRAP__CTL_CFG__CTLCFG_DDR16SS_DENALI_PHY_1064 Registers
        1198. 8.1.5.1198 CTLPHY_WRAP__CTL_CFG__CTLCFG_DDR16SS_DENALI_PHY_1065 Registers
        1199. 8.1.5.1199 CTLPHY_WRAP__CTL_CFG__CTLCFG_DDR16SS_DENALI_PHY_1066 Registers
        1200. 8.1.5.1200 CTLPHY_WRAP__CTL_CFG__CTLCFG_DDR16SS_DENALI_PHY_1280 Registers
        1201. 8.1.5.1201 CTLPHY_WRAP__CTL_CFG__CTLCFG_DDR16SS_DENALI_PHY_1281 Registers
        1202. 8.1.5.1202 CTLPHY_WRAP__CTL_CFG__CTLCFG_DDR16SS_DENALI_PHY_1282 Registers
        1203. 8.1.5.1203 CTLPHY_WRAP__CTL_CFG__CTLCFG_DDR16SS_DENALI_PHY_1283 Registers
        1204. 8.1.5.1204 CTLPHY_WRAP__CTL_CFG__CTLCFG_DDR16SS_DENALI_PHY_1284 Registers
        1205. 8.1.5.1205 CTLPHY_WRAP__CTL_CFG__CTLCFG_DDR16SS_DENALI_PHY_1285 Registers
        1206. 8.1.5.1206 CTLPHY_WRAP__CTL_CFG__CTLCFG_DDR16SS_DENALI_PHY_1286 Registers
        1207. 8.1.5.1207 CTLPHY_WRAP__CTL_CFG__CTLCFG_DDR16SS_DENALI_PHY_1287 Registers
        1208. 8.1.5.1208 CTLPHY_WRAP__CTL_CFG__CTLCFG_DDR16SS_DENALI_PHY_1288 Registers
        1209. 8.1.5.1209 CTLPHY_WRAP__CTL_CFG__CTLCFG_DDR16SS_DENALI_PHY_1289 Registers
        1210. 8.1.5.1210 CTLPHY_WRAP__CTL_CFG__CTLCFG_DDR16SS_DENALI_PHY_1290 Registers
        1211. 8.1.5.1211 CTLPHY_WRAP__CTL_CFG__CTLCFG_DDR16SS_DENALI_PHY_1291 Registers
        1212. 8.1.5.1212 CTLPHY_WRAP__CTL_CFG__CTLCFG_DDR16SS_DENALI_PHY_1292 Registers
        1213. 8.1.5.1213 CTLPHY_WRAP__CTL_CFG__CTLCFG_DDR16SS_DENALI_PHY_1293 Registers
        1214. 8.1.5.1214 CTLPHY_WRAP__CTL_CFG__CTLCFG_DDR16SS_DENALI_PHY_1294 Registers
        1215. 8.1.5.1215 CTLPHY_WRAP__CTL_CFG__CTLCFG_DDR16SS_DENALI_PHY_1295 Registers
        1216. 8.1.5.1216 CTLPHY_WRAP__CTL_CFG__CTLCFG_DDR16SS_DENALI_PHY_1296 Registers
        1217. 8.1.5.1217 CTLPHY_WRAP__CTL_CFG__CTLCFG_DDR16SS_DENALI_PHY_1297 Registers
        1218. 8.1.5.1218 CTLPHY_WRAP__CTL_CFG__CTLCFG_DDR16SS_DENALI_PHY_1298 Registers
        1219. 8.1.5.1219 CTLPHY_WRAP__CTL_CFG__CTLCFG_DDR16SS_DENALI_PHY_1299 Registers
        1220. 8.1.5.1220 CTLPHY_WRAP__CTL_CFG__CTLCFG_DDR16SS_DENALI_PHY_1300 Registers
        1221. 8.1.5.1221 CTLPHY_WRAP__CTL_CFG__CTLCFG_DDR16SS_DENALI_PHY_1301 Registers
        1222. 8.1.5.1222 CTLPHY_WRAP__CTL_CFG__CTLCFG_DDR16SS_DENALI_PHY_1302 Registers
        1223. 8.1.5.1223 CTLPHY_WRAP__CTL_CFG__CTLCFG_DDR16SS_DENALI_PHY_1303 Registers
        1224. 8.1.5.1224 CTLPHY_WRAP__CTL_CFG__CTLCFG_DDR16SS_DENALI_PHY_1304 Registers
        1225. 8.1.5.1225 CTLPHY_WRAP__CTL_CFG__CTLCFG_DDR16SS_DENALI_PHY_1305 Registers
        1226. 8.1.5.1226 CTLPHY_WRAP__CTL_CFG__CTLCFG_DDR16SS_DENALI_PHY_1306 Registers
        1227. 8.1.5.1227 CTLPHY_WRAP__CTL_CFG__CTLCFG_DDR16SS_DENALI_PHY_1307 Registers
        1228. 8.1.5.1228 CTLPHY_WRAP__CTL_CFG__CTLCFG_DDR16SS_DENALI_PHY_1308 Registers
        1229. 8.1.5.1229 CTLPHY_WRAP__CTL_CFG__CTLCFG_DDR16SS_DENALI_PHY_1309 Registers
        1230. 8.1.5.1230 CTLPHY_WRAP__CTL_CFG__CTLCFG_DDR16SS_DENALI_PHY_1310 Registers
        1231. 8.1.5.1231 CTLPHY_WRAP__CTL_CFG__CTLCFG_DDR16SS_DENALI_PHY_1311 Registers
        1232. 8.1.5.1232 CTLPHY_WRAP__CTL_CFG__CTLCFG_DDR16SS_DENALI_PHY_1312 Registers
        1233. 8.1.5.1233 CTLPHY_WRAP__CTL_CFG__CTLCFG_DDR16SS_DENALI_PHY_1313 Registers
        1234. 8.1.5.1234 CTLPHY_WRAP__CTL_CFG__CTLCFG_DDR16SS_DENALI_PHY_1314 Registers
        1235. 8.1.5.1235 CTLPHY_WRAP__CTL_CFG__CTLCFG_DDR16SS_DENALI_PHY_1315 Registers
        1236. 8.1.5.1236 CTLPHY_WRAP__CTL_CFG__CTLCFG_DDR16SS_DENALI_PHY_1316 Registers
        1237. 8.1.5.1237 CTLPHY_WRAP__CTL_CFG__CTLCFG_DDR16SS_DENALI_PHY_1317 Registers
        1238. 8.1.5.1238 CTLPHY_WRAP__CTL_CFG__CTLCFG_DDR16SS_DENALI_PHY_1318 Registers
        1239. 8.1.5.1239 CTLPHY_WRAP__CTL_CFG__CTLCFG_DDR16SS_DENALI_PHY_1319 Registers
        1240. 8.1.5.1240 CTLPHY_WRAP__CTL_CFG__CTLCFG_DDR16SS_DENALI_PHY_1320 Registers
        1241. 8.1.5.1241 CTLPHY_WRAP__CTL_CFG__CTLCFG_DDR16SS_DENALI_PHY_1321 Registers
        1242. 8.1.5.1242 CTLPHY_WRAP__CTL_CFG__CTLCFG_DDR16SS_DENALI_PHY_1322 Registers
        1243. 8.1.5.1243 CTLPHY_WRAP__CTL_CFG__CTLCFG_DDR16SS_DENALI_PHY_1323 Registers
        1244. 8.1.5.1244 CTLPHY_WRAP__CTL_CFG__CTLCFG_DDR16SS_DENALI_PHY_1324 Registers
        1245. 8.1.5.1245 CTLPHY_WRAP__CTL_CFG__CTLCFG_DDR16SS_DENALI_PHY_1325 Registers
        1246. 8.1.5.1246 CTLPHY_WRAP__CTL_CFG__CTLCFG_DDR16SS_DENALI_PHY_1326 Registers
        1247. 8.1.5.1247 CTLPHY_WRAP__CTL_CFG__CTLCFG_DDR16SS_DENALI_PHY_1327 Registers
        1248. 8.1.5.1248 CTLPHY_WRAP__CTL_CFG__CTLCFG_DDR16SS_DENALI_PHY_1328 Registers
        1249. 8.1.5.1249 CTLPHY_WRAP__CTL_CFG__CTLCFG_DDR16SS_DENALI_PHY_1329 Registers
        1250. 8.1.5.1250 CTLPHY_WRAP__CTL_CFG__CTLCFG_DDR16SS_DENALI_PHY_1330 Registers
        1251. 8.1.5.1251 CTLPHY_WRAP__CTL_CFG__CTLCFG_DDR16SS_DENALI_PHY_1331 Registers
        1252. 8.1.5.1252 CTLPHY_WRAP__CTL_CFG__CTLCFG_DDR16SS_DENALI_PHY_1332 Registers
        1253. 8.1.5.1253 CTLPHY_WRAP__CTL_CFG__CTLCFG_DDR16SS_DENALI_PHY_1333 Registers
        1254. 8.1.5.1254 CTLPHY_WRAP__CTL_CFG__CTLCFG_DDR16SS_DENALI_PHY_1334 Registers
        1255. 8.1.5.1255 CTLPHY_WRAP__CTL_CFG__CTLCFG_DDR16SS_DENALI_PHY_1335 Registers
        1256. 8.1.5.1256 CTLPHY_WRAP__CTL_CFG__CTLCFG_DDR16SS_DENALI_PHY_1336 Registers
        1257. 8.1.5.1257 CTLPHY_WRAP__CTL_CFG__CTLCFG_DDR16SS_DENALI_PHY_1337 Registers
        1258. 8.1.5.1258 CTLPHY_WRAP__CTL_CFG__CTLCFG_DDR16SS_DENALI_PHY_1338 Registers
        1259. 8.1.5.1259 CTLPHY_WRAP__CTL_CFG__CTLCFG_DDR16SS_DENALI_PHY_1339 Registers
        1260. 8.1.5.1260 CTLPHY_WRAP__CTL_CFG__CTLCFG_DDR16SS_DENALI_PHY_1340 Registers
        1261. 8.1.5.1261 CTLPHY_WRAP__CTL_CFG__CTLCFG_DDR16SS_DENALI_PHY_1341 Registers
        1262. 8.1.5.1262 CTLPHY_WRAP__CTL_CFG__CTLCFG_DDR16SS_DENALI_PHY_1342 Registers
        1263. 8.1.5.1263 CTLPHY_WRAP__CTL_CFG__CTLCFG_DDR16SS_DENALI_PHY_1343 Registers
        1264. 8.1.5.1264 CTLPHY_WRAP__CTL_CFG__CTLCFG_DDR16SS_DENALI_PHY_1344 Registers
        1265. 8.1.5.1265 CTLPHY_WRAP__CTL_CFG__CTLCFG_DDR16SS_DENALI_PHY_1345 Registers
        1266. 8.1.5.1266 CTLPHY_WRAP__CTL_CFG__CTLCFG_DDR16SS_DENALI_PHY_1346 Registers
        1267. 8.1.5.1267 CTLPHY_WRAP__CTL_CFG__CTLCFG_DDR16SS_DENALI_PHY_1347 Registers
        1268. 8.1.5.1268 CTLPHY_WRAP__CTL_CFG__CTLCFG_DDR16SS_DENALI_PHY_1348 Registers
        1269. 8.1.5.1269 CTLPHY_WRAP__CTL_CFG__CTLCFG_DDR16SS_DENALI_PHY_1349 Registers
        1270. 8.1.5.1270 CTLPHY_WRAP__CTL_CFG__CTLCFG_DDR16SS_DENALI_PHY_1350 Registers
        1271. 8.1.5.1271 CTLPHY_WRAP__CTL_CFG__CTLCFG_DDR16SS_DENALI_PHY_1351 Registers
        1272. 8.1.5.1272 CTLPHY_WRAP__CTL_CFG__CTLCFG_DDR16SS_DENALI_PHY_1352 Registers
        1273. 8.1.5.1273 CTLPHY_WRAP__CTL_CFG__CTLCFG_DDR16SS_DENALI_PHY_1353 Registers
        1274. 8.1.5.1274 CTLPHY_WRAP__CTL_CFG__CTLCFG_DDR16SS_DENALI_PHY_1354 Registers
        1275. 8.1.5.1275 CTLPHY_WRAP__CTL_CFG__CTLCFG_DDR16SS_DENALI_PHY_1355 Registers
        1276. 8.1.5.1276 CTLPHY_WRAP__CTL_CFG__CTLCFG_DDR16SS_DENALI_PHY_1356 Registers
        1277. 8.1.5.1277 CTLPHY_WRAP__CTL_CFG__CTLCFG_DDR16SS_DENALI_PHY_1357 Registers
        1278. 8.1.5.1278 CTLPHY_WRAP__CTL_CFG__CTLCFG_DDR16SS_DENALI_PHY_1358 Registers
        1279. 8.1.5.1279 CTLPHY_WRAP__CTL_CFG__CTLCFG_DDR16SS_DENALI_PHY_1359 Registers
        1280. 8.1.5.1280 CTLPHY_WRAP__CTL_CFG__CTLCFG_DDR16SS_DENALI_PHY_1360 Registers
        1281. 8.1.5.1281 CTLPHY_WRAP__CTL_CFG__CTLCFG_DDR16SS_DENALI_PHY_1361 Registers
        1282. 8.1.5.1282 CTLPHY_WRAP__CTL_CFG__CTLCFG_DDR16SS_DENALI_PHY_1362 Registers
        1283. 8.1.5.1283 CTLPHY_WRAP__CTL_CFG__CTLCFG_DDR16SS_DENALI_PHY_1363 Registers
        1284. 8.1.5.1284 CTLPHY_WRAP__CTL_CFG__CTLCFG_DDR16SS_DENALI_PHY_1364 Registers
        1285. 8.1.5.1285 CTLPHY_WRAP__CTL_CFG__CTLCFG_DDR16SS_DENALI_PHY_1365 Registers
        1286. 8.1.5.1286 CTLPHY_WRAP__CTL_CFG__CTLCFG_DDR16SS_DENALI_PHY_1366 Registers
        1287. 8.1.5.1287 CTLPHY_WRAP__CTL_CFG__CTLCFG_DDR16SS_DENALI_PHY_1367 Registers
        1288. 8.1.5.1288 CTLPHY_WRAP__CTL_CFG__CTLCFG_DDR16SS_DENALI_PHY_1368 Registers
        1289. 8.1.5.1289 CTLPHY_WRAP__CTL_CFG__CTLCFG_DDR16SS_DENALI_PHY_1369 Registers
        1290. 8.1.5.1290 CTLPHY_WRAP__CTL_CFG__CTLCFG_DDR16SS_DENALI_PHY_1370 Registers
        1291. 8.1.5.1291 CTLPHY_WRAP__CTL_CFG__CTLCFG_DDR16SS_DENALI_PHY_1371 Registers
        1292. 8.1.5.1292 CTLPHY_WRAP__CTL_CFG__CTLCFG_DDR16SS_DENALI_PHY_1372 Registers
        1293. 8.1.5.1293 CTLPHY_WRAP__CTL_CFG__CTLCFG_DDR16SS_DENALI_PHY_1373 Registers
        1294. 8.1.5.1294 CTLPHY_WRAP__CTL_CFG__CTLCFG_DDR16SS_DENALI_PHY_1374 Registers
        1295. 8.1.5.1295 CTLPHY_WRAP__CTL_CFG__CTLCFG_DDR16SS_DENALI_PHY_1375 Registers
        1296. 8.1.5.1296 CTLPHY_WRAP__CTL_CFG__CTLCFG_DDR16SS_DENALI_PHY_1376 Registers
        1297. 8.1.5.1297 CTLPHY_WRAP__CTL_CFG__CTLCFG_DDR16SS_DENALI_PHY_1377 Registers
        1298. 8.1.5.1298 CTLPHY_WRAP__CTL_CFG__CTLCFG_DDR16SS_DENALI_PHY_1378 Registers
        1299. 8.1.5.1299 CTLPHY_WRAP__CTL_CFG__CTLCFG_DDR16SS_DENALI_PHY_1379 Registers
        1300. 8.1.5.1300 CTLPHY_WRAP__CTL_CFG__CTLCFG_DDR16SS_DENALI_PHY_1380 Registers
        1301. 8.1.5.1301 CTLPHY_WRAP__CTL_CFG__CTLCFG_DDR16SS_DENALI_PHY_1381 Registers
        1302. 8.1.5.1302 CTLPHY_WRAP__CTL_CFG__CTLCFG_DDR16SS_DENALI_PHY_1382 Registers
        1303. 8.1.5.1303 CTLPHY_WRAP__CTL_CFG__CTLCFG_DDR16SS_DENALI_PHY_1383 Registers
        1304. 8.1.5.1304 CTLPHY_WRAP__CTL_CFG__CTLCFG_DDR16SS_DENALI_PHY_1384 Registers
        1305. 8.1.5.1305 CTLPHY_WRAP__CTL_CFG__CTLCFG_DDR16SS_DENALI_PHY_1385 Registers
        1306. 8.1.5.1306 CTLPHY_WRAP__CTL_CFG__CTLCFG_DDR16SS_DENALI_PHY_1386 Registers
        1307. 8.1.5.1307 CTLPHY_WRAP__CTL_CFG__CTLCFG_DDR16SS_DENALI_PHY_1387 Registers
        1308. 8.1.5.1308 CTLPHY_WRAP__CTL_CFG__CTLCFG_DDR16SS_DENALI_PHY_1388 Registers
        1309. 8.1.5.1309 CTLPHY_WRAP__CTL_CFG__CTLCFG_DDR16SS_DENALI_PHY_1389 Registers
        1310. 8.1.5.1310 CTLPHY_WRAP__CTL_CFG__CTLCFG_DDR16SS_DENALI_PHY_1390 Registers
        1311. 8.1.5.1311 CTLPHY_WRAP__CTL_CFG__CTLCFG_DDR16SS_DENALI_PHY_1391 Registers
        1312. 8.1.5.1312 CTLPHY_WRAP__CTL_CFG__CTLCFG_DDR16SS_DENALI_PHY_1392 Registers
        1313. 8.1.5.1313 CTLPHY_WRAP__CTL_CFG__CTLCFG_DDR16SS_DENALI_PHY_1393 Registers
        1314. 8.1.5.1314 CTLPHY_WRAP__CTL_CFG__CTLCFG_DDR16SS_DENALI_PHY_1394 Registers
        1315. 8.1.5.1315 CTLPHY_WRAP__CTL_CFG__CTLCFG_DDR16SS_DENALI_PHY_1395 Registers
        1316. 8.1.5.1316 CTLPHY_WRAP__CTL_CFG__CTLCFG_DDR16SS_DENALI_PHY_1396 Registers
        1317. 8.1.5.1317 CTLPHY_WRAP__CTL_CFG__CTLCFG_DDR16SS_DENALI_PHY_1397 Registers
        1318. 8.1.5.1318 CTLPHY_WRAP__CTL_CFG__CTLCFG_DDR16SS_DENALI_PHY_1398 Registers
        1319. 8.1.5.1319 CTLPHY_WRAP__CTL_CFG__CTLCFG_DDR16SS_DENALI_PHY_1399 Registers
        1320. 8.1.5.1320 CTLPHY_WRAP__CTL_CFG__CTLCFG_DDR16SS_DENALI_PHY_1400 Registers
        1321. 8.1.5.1321 CTLPHY_WRAP__CTL_CFG__CTLCFG_DDR16SS_DENALI_PHY_1401 Registers
        1322. 8.1.5.1322 CTLPHY_WRAP__CTL_CFG__CTLCFG_DDR16SS_DENALI_PHY_1402 Registers
        1323. 8.1.5.1323 CTLPHY_WRAP__CTL_CFG__CTLCFG_DDR16SS_DENALI_PHY_1403 Registers
        1324. 8.1.5.1324 CTLPHY_WRAP__CTL_CFG__CTLCFG_DDR16SS_DENALI_PHY_1404 Registers
        1325. 8.1.5.1325 CTLPHY_WRAP__CTL_CFG__CTLCFG_DDR16SS_DENALI_PHY_1405 Registers
        1326. 8.1.5.1326 Access Table
    2. 8.2 Region-based Address Translation (RAT) Module
      1. 8.2.1 RAT Functional Description
        1. 8.2.1.1 RAT Availability
        2. 8.2.1.2 RAT Operation
        3. 8.2.1.3 RAT Error Logging
      2. 8.2.2 RAT Registers
  11. Interrupts
    1. 9.1 Interrupt Architecture
    2. 9.2 Interrupt Controllers
      1. 9.2.1 Generic Interrupt Controller (GICSS)
        1. 9.2.1.1 GICSS Overview
          1. 9.2.1.1.1 GICSS Features
          2. 9.2.1.1.2 GICSS Not Supported Features
        2. 9.2.1.2 GICSS Integration
        3. 9.2.1.3 GICSS Functional Description
          1. 9.2.1.3.1 GICSS Block Diagram
          2. 9.2.1.3.2 Arm GIC-500
          3. 9.2.1.3.3 GICSS Interrupt Types
          4. 9.2.1.3.4 GICSS Interfaces
          5. 9.2.1.3.5 GICSS Interrupt Outputs
          6. 9.2.1.3.6 GICSS ECC Support
          7. 9.2.1.3.7 GICSS AXI2VBUSM and VBUSM2AXI Bridges
        4. 9.2.1.4 GICSS Registers
          1. 9.2.1.4.1 Arm GIC-500 Registers
          2. 9.2.1.4.2 GICSS0_ECC_AGGR Registers
      2. 9.2.2 Other Interrupt Controllers
    3. 9.3 Interrupt Routers
      1. 9.3.1 INTRTR Overview
      2. 9.3.2 INTRTR Integration
        1. 9.3.2.1 MCU_GPIOMUX_INTRTR0 Integration
        2. 9.3.2.2 GPIOMUX_INTRTR0 Integration
      3. 9.3.3 INTRTR Registers
        1. 9.3.3.1 GPIOMUX_INTRTR0 Registers
        2. 9.3.3.2 MCU_GPIOMUX_INTRTR0 Registers
    4. 9.4 Interrupt Sources
      1. 9.4.1 MAIN Domain Interrupt Maps
        1. 9.4.1.1 GICSS0 Interrupt Map
          1. 9.4.1.1.1 GICSS0 PPI Interrupt Map
          2. 9.4.1.1.2 GICSS0 SPI Interrupt Map
        2. 9.4.1.2 R5FSS0_CORE0 Interrupt Map
        3. 9.4.1.3 R5FSS0_CORE1 Interrupt Map
        4. 9.4.1.4 R5FSS1_CORE0 Interrupt Map
        5. 9.4.1.5 R5FSS1_CORE1 Interrupt Map
        6. 9.4.1.6 PRU_ICSSG0 Interrupt Map
        7. 9.4.1.7 PRU_ICSSG1 Interrupt Map
        8. 9.4.1.8 GPIOMUX_INTRTR0 Interrupt Map
        9. 9.4.1.9 ESM0 Interrupt Map
      2. 9.4.2 MCU Domain Interrupt Maps
        1. 9.4.2.1 MCU_M4FSS Interrupt Map
        2. 9.4.2.2 MCU_GPIOMUX_INTRTR0 Interrupt Map
        3. 9.4.2.3 MCU_ESM0 Interrupt Map
    5. 9.5 Time Sync and Compare Interrupt Events
      1. 9.5.1 CMPEVT_INTRTR0 Interrupt Map
      2. 9.5.2 TIMESYNC_INTRTR0 Interrupt Map
  12. 10Time Sync
    1. 10.1 Time Sync Module (CPTS)
      1. 10.1.1 CPTS Overview
        1. 10.1.1.1 CPTS Features
        2. 10.1.1.2 CPTS Not Supported Features
      2. 10.1.2 CPTS Integration
      3. 10.1.3 CPTS Functional Description
        1. 10.1.3.1  CPTS Architecture
        2. 10.1.3.2  CPTS Initialization
        3. 10.1.3.3  32-bit Time Stamp Value
        4. 10.1.3.4  64-bit Time Stamp Value
          1. 10.1.3.4.1 64-Bit Timestamp Nudge
          2. 10.1.3.4.2 64-bit Timestamp PPM
        5. 10.1.3.5  Event FIFO
        6. 10.1.3.6  Timestamp Compare Output
          1. 10.1.3.6.1 Non-Toggle Mode
          2. 10.1.3.6.2 Toggle Mode
        7. 10.1.3.7  Timestamp Sync Output
        8. 10.1.3.8  Timestamp GENF Output
          1. 10.1.3.8.1 GENFn Nudge
          2. 10.1.3.8.2 GENFn PPM
        9. 10.1.3.9  Time Sync Events
          1. 10.1.3.9.1 Time Stamp Push Event
          2. 10.1.3.9.2 Time Stamp Counter Rollover Event (32-bit mode only)
          3. 10.1.3.9.3 Time Stamp Counter Half-rollover Event (32-bit mode only)
          4. 10.1.3.9.4 Hardware Time Stamp Push Event
        10. 10.1.3.10 Timestamp Compare Event
        11. 10.1.3.11 CPTS Interrupt Handling
      4. 10.1.4 CPTS Registers
    2. 10.2 Timer Manager
      1. 10.2.1 Timer Manager Overview
        1. 10.2.1.1 Timer Manager Features
        2. 10.2.1.2 Timer Manager Not Supported Features
      2. 10.2.2 Timer Manager Integration
      3. 10.2.3 Timer Manager Functional Description
        1. 10.2.3.1 Timer Manager Function Overview
        2. 10.2.3.2 Timer Counter
          1. 10.2.3.2.1 Timer Counter Rollover
        3. 10.2.3.3 Timer Control Module (FSM)
        4. 10.2.3.4 Timer Reprogramming
          1. 10.2.3.4.1 Periodic Hardware Timers
        5. 10.2.3.5 Event FIFO
        6. 10.2.3.6 Timer Manager Unmapped Events mapping
      4. 10.2.4 Timer Manager Programming Guide
        1. 10.2.4.1 Timer Manager Low-level Programming Models
          1. 10.2.4.1.1 Surrounding Modules Global Initialization
          2. 10.2.4.1.2 Initialization Sequence
          3. 10.2.4.1.3 Real-time Operating Requirements
            1. 10.2.4.1.3.1 Timer Touch
            2. 10.2.4.1.3.2 Timer Disable
            3. 10.2.4.1.3.3 Timer Enable
          4. 10.2.4.1.4 Power Up/Power Down Sequence
      5. 10.2.5 Timer Manager Registers
        1. 10.2.5.1 TIMERMGR_CFG_CFG Registers
        2. 10.2.5.2 TIMERMGR_CFG_TIMERS Registers
    3. 10.3 Time Sync and Compare Events
      1. 10.3.1 Time Sync Architecture
        1. 10.3.1.1 Time Sync Architecture Overview
      2. 10.3.2 Time Sync Routers
        1. 10.3.2.1 Time Sync Routers Overview
        2. 10.3.2.2 Time Sync Routers Integration
          1. 10.3.2.2.1 TIMESYNC_INTRTR0 Integration
          2. 10.3.2.2.2 CMPEVT_INTRTR0 Integration
        3. 10.3.2.3 Time Sync Routers Registers
          1. 10.3.2.3.1 TIMESYNC_EVENT_INTROUTER Registers
            1. 10.3.2.3.1.1 INTR_ROUTER_CFG_TIMESYNC_EVENT_INTROUTER_PID Registers
            2. 10.3.2.3.1.2 INTR_ROUTER_CFG_TIMESYNC_EVENT_INTROUTER_MUXCNTL Registers
            3. 10.3.2.3.1.3 Access Table
          2. 10.3.2.3.2 CMP_EVENT_INTROUTER Registers
            1. 10.3.2.3.2.1 INTR_ROUTER_CFG_CMP_EVENT_INTROUTER_PID Registers
            2. 10.3.2.3.2.2 INTR_ROUTER_CFG_CMP_EVENT_INTROUTER_MUXCNTL Registers
            3. 10.3.2.3.2.3 Access Table
      3. 10.3.3 Time Sync Event Sources
  13. 11Data Movement Architecture
    1. 11.1 Data Movement Architecture Overview
      1. 11.1.1 Overview
        1. 11.1.1.1 Ring Accelerator (RINGACC)
        2. 11.1.1.2 Secure Proxy (SEC_PROXY)
        3. 11.1.1.3 Interrupt Aggregator (INTAGGR)
        4. 11.1.1.4 Packet DMA (PKTDMA)
          1. 11.1.1.4.1 PKTDMA Submodule Descriptions
            1. 11.1.1.4.1.1  Bus Interface Unit
            2. 11.1.1.4.1.2  Config CR
            3. 11.1.1.4.1.3  Configuration Registers
              1. 11.1.1.4.1.3.1 RX State Mapping
              2. 11.1.1.4.1.3.2 TX State Mapping
            4. 11.1.1.4.1.4  Tx Packet DMA Unit
            5. 11.1.1.4.1.5  Tx Packet Coherency Unit
            6. 11.1.1.4.1.6  Tx Per Channel Buffers
            7. 11.1.1.4.1.7  Rx Per Channel Buffers
            8. 11.1.1.4.1.8  Rx Packet DMA Unit
            9. 11.1.1.4.1.9  Rx Packet Coherency Unit
            10. 11.1.1.4.1.10 Event Handler
          2. 11.1.1.4.2 Channel Classes
        5. 11.1.1.5 Block Copy DMA (BCDMA)
          1. 11.1.1.5.1 BCDMA Submodule Descriptions
            1. 11.1.1.5.1.1  Bus Interface Unit
            2. 11.1.1.5.1.2  Config CR
            3. 11.1.1.5.1.3  Configuration Registers
              1. 11.1.1.5.1.3.1 BCDMA Mapping Table
            4. 11.1.1.5.1.4  Read Unit(s)
            5. 11.1.1.5.1.5  TR Coherency Unit
            6. 11.1.1.5.1.6  Per-Copy-Channel Buffers
            7. 11.1.1.5.1.7  Tx Per-Split-Channel Buffers
            8. 11.1.1.5.1.8  Rx Per-Split-Channel Buffers
            9. 11.1.1.5.1.9  Write Unit(s)
            10. 11.1.1.5.1.10 Event Coherency Unit
            11. 11.1.1.5.1.11 Event Handler
          2. 11.1.1.5.2 Channel Classes
      2. 11.1.2 Definition of Terms
      3. 11.1.3 DMSS Hardware/Software Interface
        1. 11.1.3.1 Data Buffers
        2. 11.1.3.2 Descriptors
          1. 11.1.3.2.1 Host Packet Descriptor
          2. 11.1.3.2.2 Host Buffer Descriptor
          3. 11.1.3.2.3 Transfer Request Descriptor
        3. 11.1.3.3 Transfer Request Record
          1. 11.1.3.3.1 Overview
          2. 11.1.3.3.2 Addressing Algorithm
            1. 11.1.3.3.2.1 Linear Addressing (Forward)
          3. 11.1.3.3.3 Transfer Request Formats
          4. 11.1.3.3.4 Flags Field Definition
            1. 11.1.3.3.4.1 Type: TR Type Field
            2. 11.1.3.3.4.2 EVENT_SIZE: Event Generation Definition
            3. 11.1.3.3.4.3 TRIGGER_INFO: TR Triggers
            4. 11.1.3.3.4.4 TRIGGERX_TYPE: Trigger Type
            5. 11.1.3.3.4.5 TRIGGERX: Trigger Selection
            6. 11.1.3.3.4.6 Configuration Specific Flags Definition
          5. 11.1.3.3.5 TR Address and Size Attributes
            1. 11.1.3.3.5.1  ICNT0
            2. 11.1.3.3.5.2  ICNT1
            3. 11.1.3.3.5.3  ADDR
            4. 11.1.3.3.5.4  DIM1
            5. 11.1.3.3.5.5  ICNT2
            6. 11.1.3.3.5.6  ICNT3
            7. 11.1.3.3.5.7  DIM2
            8. 11.1.3.3.5.8  DIM3
            9. 11.1.3.3.5.9  DDIM1
            10. 11.1.3.3.5.10 DADDR
            11. 11.1.3.3.5.11 DDIM2
            12. 11.1.3.3.5.12 DDIM3
            13. 11.1.3.3.5.13 DICNT0
            14. 11.1.3.3.5.14 DICNT1
            15. 11.1.3.3.5.15 DICNT2
            16. 11.1.3.3.5.16 DICNT3
        4. 11.1.3.4 Transfer Response Record
          1. 11.1.3.4.1 STATUS Field Definition
            1. 11.1.3.4.1.1 STATUS_TYPE Definitions
              1. 11.1.3.4.1.1.1 Transfer Error
              2. 11.1.3.4.1.1.2 Aborted Error
              3. 11.1.3.4.1.1.3 Submission Error
              4. 11.1.3.4.1.1.4 Unsupported Feature
              5. 11.1.3.4.1.1.5 Transfer Exception
              6. 11.1.3.4.1.1.6 Teardown Flush
        5. 11.1.3.5 Channels
        6. 11.1.3.6 Flows
        7. 11.1.3.7 Queues
          1. 11.1.3.7.1 Queue Types
            1. 11.1.3.7.1.1 Transmit Queues
            2. 11.1.3.7.1.2 Transmit Completion Queues
            3. 11.1.3.7.1.3 Free Descriptor / Buffer Queues
            4. 11.1.3.7.1.4 Receive Queues
            5. 11.1.3.7.1.5 Ring Based Queues Implementation
      4. 11.1.4 Operational Description
        1. 11.1.4.1  Resource Allocation
        2. 11.1.4.2  PKTDMA/BCDMA - Ring Operation
          1. 11.1.4.2.1 Queue Initialization
          2. 11.1.4.2.2 Queueing Entries
          3. 11.1.4.2.3 De-queueing Entries
        3. 11.1.4.3  PKTDMA/BCDMA - Output Event Generation
        4. 11.1.4.4  PKTDMA - Transmit Channel Setup
        5. 11.1.4.5  PKTDMA - Transmit Channel Pause
        6. 11.1.4.6  PKTDMA - Transmit Channel Teardown
        7. 11.1.4.7  PKTDMA - Transmit Operation
        8. 11.1.4.8  PKTDMA - Receive Free Descriptor / Buffer Queue Setup
        9. 11.1.4.9  PKTDMA - Receive Channel Setup
        10. 11.1.4.10 PKTDMA - Receive Channel Teardown
        11. 11.1.4.11 PKTDMA - Receive Channel Pause
        12. 11.1.4.12 PKTDMA - Receive Operation
        13. 11.1.4.13 BCDMA - Block Copy Channel Setup
        14. 11.1.4.14 BCDMA - Block Copy Channel Pause
        15. 11.1.4.15 BCDMA - Block Copy Channel Teardown
        16. 11.1.4.16 BCDMA - Block Copy Operation (TR Packet)
        17. 11.1.4.17 BCDMA - Block Copy Error/Exception Handling
          1. 11.1.4.17.1 Null Icnt0 Error
          2. 11.1.4.17.2 Unsupported TR Type
          3. 11.1.4.17.3 Bus Errors
        18. 11.1.4.18 BCDMA - Split Transmit Channel Setup
        19. 11.1.4.19 BCDMA - Split Transmit Operation Pause
        20. 11.1.4.20 BCDMA - Split Transmit Channel Teardown
        21. 11.1.4.21 BCDMA - Split Transmit Operation (TR Packet)
        22. 11.1.4.22 BCDMA - Split Transmit Error / Exception Handling
          1. 11.1.4.22.1 Null Icnt0 Error
          2. 11.1.4.22.2 Unsupported TR Type
          3. 11.1.4.22.3 Bus Errors
        23. 11.1.4.23 BCDMA - Split Receive Channel Setup
        24. 11.1.4.24 BCDMA - Split Receive Channel Pause
        25. 11.1.4.25 BCDMA - Split Receive Channel Teardown
        26. 11.1.4.26 BCDMA - Split Receive Operation (TR Packet)
        27. 11.1.4.27 BCDMA - Split Receive Error / Exception Handling
          1. 11.1.4.27.1 PKTDMA Exception Conditions
            1. 11.1.4.27.1.1 Descriptor Starvation
            2. 11.1.4.27.1.2 Protocol Errors
            3. 11.1.4.27.1.3 Dropped Packets
            4. 11.1.4.27.1.4 Long Packet
          2. 11.1.4.27.2 BCDMA Exception Conditions
            1. 11.1.4.27.2.1 Reception of EOL Delimiter
            2. 11.1.4.27.2.2 EOP Asserted Prematurely (Short Packet)
            3. 11.1.4.27.2.3 EOP Asserted Late (Long Packets)
            4. 11.1.4.27.2.4 Descriptor Starvation
    2. 11.2 Data Movement Subsystem (DMSS)
      1. 11.2.1 Data Movement Subsystem (DMSS)
        1. 11.2.1.1 DMSS Overview
        2. 11.2.1.2 DMSS Integration
          1. 11.2.1.2.1 DMSS Integration Attributes
          2. 11.2.1.2.2 DMSS Clocks
          3. 11.2.1.2.3 DMSS Resets
          4. 11.2.1.2.4 DMSS Interrupt Requests
          5. 11.2.1.2.5 DMSS L2G Interrupt Inputs
          6. 11.2.1.2.6 DMSS DMA Events
          7. 11.2.1.2.7 Global Event Map
          8. 11.2.1.2.8 PSI-L System Thread Map
        3. 11.2.1.3 DMSS Functional Description
        4. 11.2.1.4 DMSS Interrupt Configuration
          1. 11.2.1.4.1 DMSS Event and Interrupt Flow
            1. 11.2.1.4.1.1 DMSS Interrupt Description
        5. 11.2.1.5 DMSS Top-Level Registers
          1. 11.2.1.5.1 DMASS_PKTDMA_0 Registers
          2. 11.2.1.5.2 DMASS_BCDMA_0 Registers
      2. 11.2.2 Ring Accelerator (RINGACC)
        1. 11.2.2.1 RINGACC Overview
          1. 11.2.2.1.1 RINGACC Features
          2. 11.2.2.1.2 RINGACC Not Supported Features
          3. 11.2.2.1.3 RINGACC Parameters
        2. 11.2.2.2 RINGACC Integration
          1. 11.2.2.2.1 RINGACC Integration Attributes
          2. 11.2.2.2.2 RINGACC Clocks
          3. 11.2.2.2.3 RINGACC Resets
          4. 11.2.2.2.4 RINGACC Interrupt Requests
          5. 11.2.2.2.5 RINGACC Outbound Events
        3. 11.2.2.3 RINGACC Functional Description
          1. 11.2.2.3.1 Block Diagram
            1. 11.2.2.3.1.1  Configuration Registers
            2. 11.2.2.3.1.2  Source Command FIFO
            3. 11.2.2.3.1.3  Source Write Data FIFO
            4. 11.2.2.3.1.4  Source Read Data FIFO
            5. 11.2.2.3.1.5  Source Write Status FIFO
            6. 11.2.2.3.1.6  Main State Machine
            7. 11.2.2.3.1.7  Destination Command FIFO
            8. 11.2.2.3.1.8  Destination Write Data FIFO
            9. 11.2.2.3.1.9  Destination Read Data FIFO
            10. 11.2.2.3.1.10 Destination Write Status FIFO
          2. 11.2.2.3.2 RINGACC Functional Operation
            1. 11.2.2.3.2.1 Queue Modes
              1. 11.2.2.3.2.1.1 Ring Mode
              2. 11.2.2.3.2.1.2 Messaging Mode
              3. 11.2.2.3.2.1.3 Credentials Mode
              4. 11.2.2.3.2.1.4 Peek Support
              5. 11.2.2.3.2.1.5 Index Register Operation
            2. 11.2.2.3.2.2 VBUSM Target Ring Operations
            3. 11.2.2.3.2.3 VBUSM Initiator Interface Command ID Selection
            4. 11.2.2.3.2.4 Ring Push Operation (VBUSM Write to Source Interface)
            5. 11.2.2.3.2.5 Ring Pop Operation (VBUSM Read from Source Interface)
            6. 11.2.2.3.2.6 Host Doorbell Access
            7. 11.2.2.3.2.7 Queue Push Operation (VBUSM Write to Source Interface)
            8. 11.2.2.3.2.8 Queue Pop Operation (VBUSM Read from Source Interface)
            9. 11.2.2.3.2.9 Mismatched Element Size Handling
          3. 11.2.2.3.3 Events
          4. 11.2.2.3.4 Bus Error Handling
          5. 11.2.2.3.5 Monitors
            1. 11.2.2.3.5.1 Threshold Monitor
            2. 11.2.2.3.5.2 Watermark Monitor
            3. 11.2.2.3.5.3 Starvation Monitor
            4. 11.2.2.3.5.4 Statistics Monitor
            5. 11.2.2.3.5.5 Overflow
            6. 11.2.2.3.5.6 Ring Update Port
            7. 11.2.2.3.5.7 Tracing
        4. 11.2.2.4 RINGACC Registers
          1. 11.2.2.4.1 DMASS_RINGACC_0 Registers
      3. 11.2.3 Secure Proxy (SEC_PROXY)
        1. 11.2.3.1 Secure Proxy Overview
          1. 11.2.3.1.1 Secure Proxy Features
          2. 11.2.3.1.2 Secure Proxy Parameters
          3. 11.2.3.1.3 Secure Proxy Not Supported Features
        2. 11.2.3.2 Secure Proxy Integration
          1. 11.2.3.2.1 Secure Proxy Integration Attributes
          2. 11.2.3.2.2 Secure Proxy Clocks
          3. 11.2.3.2.3 Secure Proxy Resets
          4. 11.2.3.2.4 Secure Proxy Interrupt Requests
          5. 11.2.3.2.5 Secure Proxy DMA Events
        3. 11.2.3.3 Secure Proxy Functional Description
          1. 11.2.3.3.1  Targets
          2. 11.2.3.3.2  Buffers
          3. 11.2.3.3.3  Proxy Thread Sizes
          4. 11.2.3.3.4  Proxy Thread Interleaving
          5. 11.2.3.3.5  Proxy States
          6. 11.2.3.3.6  Proxy Host Access
          7. 11.2.3.3.7  Permission Inheritance
          8. 11.2.3.3.8  Resource Association
          9. 11.2.3.3.9  Direction
          10. 11.2.3.3.10 Threshold Events
          11. 11.2.3.3.11 Error Events
          12. 11.2.3.3.12 Bus Error and Credits
          13. 11.2.3.3.13 Debug
        4. 11.2.3.4 Secure Proxy Registers
          1. 11.2.3.4.1 DMASS_SEC_PROXY_0 Registers
      4. 11.2.4 Interrupt Aggregator (INTAGGR)
        1. 11.2.4.1 INTAGGR Overview
          1. 11.2.4.1.1 INTAGGR Features
          2. 11.2.4.1.2 INTAGGR Parameters
        2. 11.2.4.2 INTAGGR Integration
          1. 11.2.4.2.1 INTAGGR Integration Attributes
          2. 11.2.4.2.2 INTAGGR Clocks
          3. 11.2.4.2.3 INTAGGR Resets
          4. 11.2.4.2.4 INTAGGR Interrupt Requests
          5. 11.2.4.2.5 INTAGGR DMA Events
        3. 11.2.4.3 INTAGGR Functional Description
          1. 11.2.4.3.1 Submodule Descriptions
          2. 11.2.4.3.2 General Functionality
        4. 11.2.4.4 INTAGGR Registers
          1. 11.2.4.4.1 DMASS_INTAGGR_0 Registers
      5. 11.2.5 Packet Streaming Interface Link (PSI-L)
        1. 11.2.5.1 PSI-L Overview
        2. 11.2.5.2 PSI-L Functional Description
          1. 11.2.5.2.1 PSI-L Introduction
          2. 11.2.5.2.2 PSI-L Operation
        3. 11.2.5.3 PSI-L Configuration Registers
          1. 11.2.5.3.1 DMASS_PSILCFG_0 Registers
          2. 11.2.5.3.2 DMASS_PSILSS_0 Registers
    3. 11.3 Peripheral DMA (PDMA)
      1. 11.3.1 PDMA Controller
        1. 11.3.1.1 PDMA Overview
          1. 11.3.1.1.1 PDMA Features
            1. 11.3.1.1.1.1 PDMA0 Features
            2. 11.3.1.1.1.2 PDMA1 Features
        2. 11.3.1.2 PDMA Integration
          1. 11.3.1.2.1 PDMA Integration in MAIN Domain
        3. 11.3.1.3 PDMA Functional Description
          1. 11.3.1.3.1 PDMA Functional Blocks
            1. 11.3.1.3.1.1 Scheduler
            2. 11.3.1.3.1.2 Tx Per-Channel Buffers (TCP FIFO)
            3. 11.3.1.3.1.3 Tx DMA Unit (Tx Engine)
            4. 11.3.1.3.1.4 Rx Per-Channel Buffers (RCP FIFO)
            5. 11.3.1.3.1.5 Rx DMA Unit (Rx Engine)
          2. 11.3.1.3.2 PDMA General Functionality
            1. 11.3.1.3.2.1 Operational States
            2. 11.3.1.3.2.2 Clock Stop
            3. 11.3.1.3.2.3 Emulation Control
          3. 11.3.1.3.3 PDMA Events and Flow Control
            1. 11.3.1.3.3.1 Channel Types
              1. 11.3.1.3.3.1.1 X-Y FIFO Mode
              2. 11.3.1.3.3.1.2 MCAN Mode
            2. 11.3.1.3.3.2 Channel Triggering
            3. 11.3.1.3.3.3 Completion Events
          4. 11.3.1.3.4 PDMA Transmit Operation
            1. 11.3.1.3.4.1 Destination (Tx) Channel Allocation
            2. 11.3.1.3.4.2 Destination (Tx) Channel Out-of-Band Signals
            3. 11.3.1.3.4.3 Destination Channel Initialization
              1. 11.3.1.3.4.3.1 PSI-L Destination Thread Pairing
              2. 11.3.1.3.4.3.2 Static Transfer Request Setup
              3. 11.3.1.3.4.3.3 PSI-L Destination Thread Enables
            4. 11.3.1.3.4.4 Data Transfer
              1. 11.3.1.3.4.4.1 X-Y FIFO Mode Channel
                1. 11.3.1.3.4.4.1.1 X-Y FIFO Burst Mode
              2. 11.3.1.3.4.4.2 MCAN Mode Channel
                1. 11.3.1.3.4.4.2.1 MCAN Burst Mode
              3. 11.3.1.3.4.4.3 AASRC Mode Channel
            5. 11.3.1.3.4.5 Tx Pause
            6. 11.3.1.3.4.6 Tx Teardown
            7. 11.3.1.3.4.7 Tx Channel Reset
            8. 11.3.1.3.4.8 Tx Debug/State Registers
          5. 11.3.1.3.5 PDMA Receive Operation
            1. 11.3.1.3.5.1 Source (Rx) Channel Allocation
            2. 11.3.1.3.5.2 Source Channel Initialization
              1. 11.3.1.3.5.2.1 PSI-L Source Thread Pairing
              2. 11.3.1.3.5.2.2 Static Transfer Request Setup
              3. 11.3.1.3.5.2.3 PSI-L Source Thread Enables
            3. 11.3.1.3.5.3 Data Transfer
              1. 11.3.1.3.5.3.1 X-Y FIFO Mode Channel
              2. 11.3.1.3.5.3.2 MCAN Mode Channel
                1. 11.3.1.3.5.3.2.1 MCAN Burst Mode
              3. 11.3.1.3.5.3.3 AASRC Mode Channel
            4. 11.3.1.3.5.4 Rx Pause
            5. 11.3.1.3.5.5 Rx Teardown
            6. 11.3.1.3.5.6 Rx Channel Reset
            7. 11.3.1.3.5.7 Rx Debug/State Register
          6. 11.3.1.3.6 PDMA ECC Support
        4. 11.3.1.4 PDMA Registers
          1. 11.3.1.4.1 PDMA0 ECC Registers
          2. 11.3.1.4.2 PDMA1 ECC Registers
          3. 11.3.1.4.3 PDMA PSI-L TX Configuration Registers
          4. 11.3.1.4.4 PDMA PSI-L RX Configuration Registers
      2. 11.3.2 PDMA Sources
        1. 11.3.2.1 PDMA0 Event Map
        2. 11.3.2.2 PDMA1 Event Map
  14. 12Peripherals
    1. 12.1 General Connectivity Peripherals
      1. 12.1.1 Analog-to-Digital Converter (ADC)
        1. 12.1.1.1 ADC Overview
          1. 12.1.1.1.1 ADC Features
          2. 12.1.1.1.2 ADC Not Supported Features
        2. 12.1.1.2 ADC Environment
          1. 12.1.1.2.1 ADC Interface Signals
        3. 12.1.1.3 ADC Integration
          1. 12.1.1.3.1 ADC Integration in MAIN Domain
        4. 12.1.1.4 ADC Functional Description
          1. 12.1.1.4.1 ADC FSM Sequencer Functional Description
            1. 12.1.1.4.1.1 Step Enable
            2. 12.1.1.4.1.2 Step Configuration
              1. 12.1.1.4.1.2.1 One-Shot (Single) or Continuous Mode
              2. 12.1.1.4.1.2.2 Software- or Hardware-Enabled Steps
              3. 12.1.1.4.1.2.3 Averaging of Samples
              4. 12.1.1.4.1.2.4 Analog Multiplexer Input Select
              5. 12.1.1.4.1.2.5 Differential Control
              6. 12.1.1.4.1.2.6 FIFO Select
              7. 12.1.1.4.1.2.7 Range Check Interrupt Enable
            3. 12.1.1.4.1.3 Open Delay and Sample Delay
              1. 12.1.1.4.1.3.1 Open Delay
              2. 12.1.1.4.1.3.2 Sample Delay
            4. 12.1.1.4.1.4 Interrupts
            5. 12.1.1.4.1.5 Power Management
            6. 12.1.1.4.1.6 DMA Requests
          2. 12.1.1.4.2 ADC AFE Functional Description
            1. 12.1.1.4.2.1 AFE Functional Block Diagram
            2. 12.1.1.4.2.2 ADC GPI Integration
          3. 12.1.1.4.3 ADC FIFOs and DMA
            1. 12.1.1.4.3.1 FIFOs
            2. 12.1.1.4.3.2 DMA
          4. 12.1.1.4.4 ADC Error Correcting Code (ECC)
            1. 12.1.1.4.4.1 Testing ECC Error Injection
          5. 12.1.1.4.5 ADC Functional Internal Diagnostic Debug Mode
        5. 12.1.1.5 ADC Programming Guide
          1. 12.1.1.5.1 ADC Low-Level Programming Models
            1. 12.1.1.5.1.1 Global Initialization
              1. 12.1.1.5.1.1.1 Surrounding Modules Global Initialization
              2. 12.1.1.5.1.1.2 General Programming Model
            2. 12.1.1.5.1.2 During Operation
        6. 12.1.1.6 ADC Registers
      2. 12.1.2 General-Purpose Interface (GPIO)
        1. 12.1.2.1 GPIO Overview
          1. 12.1.2.1.1 GPIO Features
          2. 12.1.2.1.2 GPIO Not Supported Features
        2. 12.1.2.2 GPIO Environment
          1. 12.1.2.2.1 GPIO Interface Signals
        3. 12.1.2.3 GPIO Integration
          1. 12.1.2.3.1 GPIO Integration in MCU Domain
          2. 12.1.2.3.2 GPIO Integration in MAIN Domain
        4. 12.1.2.4 GPIO Functional Description
          1. 12.1.2.4.1 GPIO Block Diagram
          2. 12.1.2.4.2 GPIO Function
          3. 12.1.2.4.3 GPIO Interrupt and Event Generation
            1. 12.1.2.4.3.1 Interrupt Enable (per Bank)
            2. 12.1.2.4.3.2 Trigger Configuration (per Bit)
            3. 12.1.2.4.3.3 Interrupt Status and Clear (per Bit)
          4. 12.1.2.4.4 GPIO Interrupt Connectivity
          5. 12.1.2.4.5 GPIO Emulation Halt Operation
        5. 12.1.2.5 GPIO Programming Guide
          1. 12.1.2.5.1 GPIO Low-Level Programming Models
            1. 12.1.2.5.1.1 Global Initialization
              1. 12.1.2.5.1.1.1 Surrounding Modules Global Initialization
              2. 12.1.2.5.1.1.2 GPIO Module Global Initialization
            2. 12.1.2.5.1.2 GPIO Operational Modes Configuration
              1. 12.1.2.5.1.2.1 GPIO Read Input Register
              2. 12.1.2.5.1.2.2 GPIO Set Bit Function
              3. 12.1.2.5.1.2.3 GPIO Clear Bit Function
        6. 12.1.2.6 GPIO Registers
      3. 12.1.3 Inter-Integrated Circuit (I2C) Interface
        1. 12.1.3.1 I2C Overview
          1. 12.1.3.1.1 I2C Features
          2. 12.1.3.1.2 I2C Not Supported Features
        2. 12.1.3.2 I2C Environment
          1. 12.1.3.2.1 I2C Typical Application
            1. 12.1.3.2.1.1 I2C Pins for Typical Connections in I2C Mode
            2. 12.1.3.2.1.2 I2C Interface Typical Connections
            3. 12.1.3.2.1.3 4200
          2. 12.1.3.2.2 I2C Typical Connection Protocol and Data Format
            1. 12.1.3.2.2.1  I2C Serial Data Format
            2. 12.1.3.2.2.2  I2C Data Validity
            3. 12.1.3.2.2.3  I2C Start and Stop Conditions
            4. 12.1.3.2.2.4  I2C Addressing
              1. 12.1.3.2.2.4.1 Data Transfer Formats in F/S Mode
              2. 12.1.3.2.2.4.2 Data Transfer Format in HS Mode
            5. 12.1.3.2.2.5  I2C Controller Transmitter
            6. 12.1.3.2.2.6  I2C Controller Receiver
            7. 12.1.3.2.2.7  I2C Target Transmitter
            8. 12.1.3.2.2.8  I2C Target Receiver
            9. 12.1.3.2.2.9  I2C Bus Arbitration
            10. 12.1.3.2.2.10 I2C Clock Generation and Synchronization
        3. 12.1.3.3 I2C Integration
          1. 12.1.3.3.1 I2C Integration in MCU Domain
          2. 12.1.3.3.2 I2C Integration in MAIN Domain
        4. 12.1.3.4 I2C Functional Description
          1. 12.1.3.4.1 I2C Block Diagram
          2. 12.1.3.4.2 I2C Clocks
            1. 12.1.3.4.2.1 I2C Clocking
            2. 12.1.3.4.2.2 I2C Automatic Blocking of the I2C Clock Feature
          3. 12.1.3.4.3 I2C Software Reset
          4. 12.1.3.4.4 I2C Power Management
          5. 12.1.3.4.5 I2C Interrupt Requests
          6. 12.1.3.4.6 I2C Programmable Multitarget Channel Feature
          7. 12.1.3.4.7 I2C FIFO Management
            1. 12.1.3.4.7.1 I2C FIFO Interrupt Mode
            2. 12.1.3.4.7.2 I2C FIFO Polling Mode
            3. 12.1.3.4.7.3 I2C Draining Feature
          8. 12.1.3.4.8 I2C Noise Filter
          9. 12.1.3.4.9 I2C System Test Mode
        5. 12.1.3.5 I2C Programming Guide
          1. 12.1.3.5.1 I2C Low-Level Programming Models
            1. 12.1.3.5.1.1 I2C Programming Model
              1. 12.1.3.5.1.1.1 Main Program
                1. 12.1.3.5.1.1.1.1 Configure the Module Before Enabling the I2C Controller
                2. 12.1.3.5.1.1.1.2 Initialize the I2C Controller
                3. 12.1.3.5.1.1.1.3 Configure Target Address and the Data Control Register
                4. 12.1.3.5.1.1.1.4 Initiate a Transfer
                5. 12.1.3.5.1.1.1.5 Receive Data
                6. 12.1.3.5.1.1.1.6 Transmit Data
              2. 12.1.3.5.1.1.2 Interrupt Subroutine Sequence
              3. 12.1.3.5.1.1.3 Programming Flow-Diagrams
        6. 12.1.3.6 I2C Registers
      4. 12.1.4 Multichannel Serial Peripheral Interface (MCSPI)
        1. 12.1.4.1 MCSPI Overview
          1. 12.1.4.1.1 SPI Features
          2. 12.1.4.1.2 SPI Not Supported Features
        2. 12.1.4.2 MCSPI Environment
          1. 12.1.4.2.1 Basic MCSPI Pins for Controller Mode
          2. 12.1.4.2.2 Basic MCSPI Pins for Peripheral Mode
          3. 12.1.4.2.3 MCSPI Protocol and Data Format
            1. 12.1.4.2.3.1 Transfer Format
          4. 12.1.4.2.4 MCSPI in Controller Mode
          5. 12.1.4.2.5 MCSPI in Peripheral Mode
        3. 12.1.4.3 MCSPI Integration
          1. 12.1.4.3.1 MCSPI Integration in MCU Domain
          2. 12.1.4.3.2 MCSPI Integration in MAIN Domain
        4. 12.1.4.4 MCSPI Functional Description
          1. 12.1.4.4.1 SPI Block Diagram
          2. 12.1.4.4.2 MCSPI Reset
          3. 12.1.4.4.3 MCSPI Controller Mode
            1. 12.1.4.4.3.1 Controller Mode Features
            2. 12.1.4.4.3.2 Controller Transmit-and-Receive Mode (Full Duplex)
            3. 12.1.4.4.3.3 Controller Transmit-Only Mode (Half Duplex)
            4. 12.1.4.4.3.4 Controller Receive-Only Mode (Half Duplex)
            5. 12.1.4.4.3.5 Single-Channel Controller Mode
              1. 12.1.4.4.3.5.1 Programming Tips When Switching to Another Channel
              2. 12.1.4.4.3.5.2 Force SPIEN[i] Mode
              3. 12.1.4.4.3.5.3 Turbo Mode
            6. 12.1.4.4.3.6 Start-Bit Mode
            7. 12.1.4.4.3.7 Chip-Select Timing Control
            8. 12.1.4.4.3.8 Programmable MCSPI Clock (SPICLK)
              1. 12.1.4.4.3.8.1 Clock Ratio Granularity
          4. 12.1.4.4.4 MCSPI Peripheral Mode
            1. 12.1.4.4.4.1 Dedicated Resources
            2. 12.1.4.4.4.2 Peripheral Transmit-and-Receive Mode
            3. 12.1.4.4.4.3 Peripheral Transmit-Only Mode
            4. 12.1.4.4.4.4 Peripheral Receive-Only Mode
          5. 12.1.4.4.5 MCSPI 3-Pin or 4-Pin Mode
          6. 12.1.4.4.6 MCSPI FIFO Buffer Management
            1. 12.1.4.4.6.1 Buffer Almost Full
            2. 12.1.4.4.6.2 Buffer Almost Empty
            3. 12.1.4.4.6.3 End of Transfer Management
            4. 12.1.4.4.6.4 Multiple MCSPI Word Access
            5. 12.1.4.4.6.5 First MCSPI Word Delay
          7. 12.1.4.4.7 MCSPI Interrupts
            1. 12.1.4.4.7.1 Interrupt Events in Controller Mode
              1. 12.1.4.4.7.1.1 TXx_EMPTY
              2. 12.1.4.4.7.1.2 TXx_UNDERFLOW
              3. 12.1.4.4.7.1.3 RXx_ FULL
              4. 12.1.4.4.7.1.4 End Of Word Count
            2. 12.1.4.4.7.2 Interrupt Events in Peripheral Mode
              1. 12.1.4.4.7.2.1 TXx_EMPTY
              2. 12.1.4.4.7.2.2 TXx_UNDERFLOW
              3. 12.1.4.4.7.2.3 RXx_FULL
              4. 12.1.4.4.7.2.4 RX0_OVERFLOW
              5. 12.1.4.4.7.2.5 End Of Word Count
            3. 12.1.4.4.7.3 Interrupt-Driven Operation
            4. 12.1.4.4.7.4 Polling
          8. 12.1.4.4.8 MCSPI DMA Requests
          9. 12.1.4.4.9 MCSPI Power Saving Management
            1. 12.1.4.4.9.1 Normal Mode
            2. 12.1.4.4.9.2 Idle Mode
              1. 12.1.4.4.9.2.1 Force-Idle Mode
        5. 12.1.4.5 MCSPI Programming Guide
          1. 12.1.4.5.1 MCSPI Global Initialization
            1. 12.1.4.5.1.1 Surrounding Modules Global Initialization
            2. 12.1.4.5.1.2 MCSPI Global Initialization
              1. 12.1.4.5.1.2.1 Main Sequence – MCSPI Global Initialization
          2. 12.1.4.5.2 MCSPI Operational Mode Configuration
            1. 12.1.4.5.2.1 MCSPI Operational Modes
              1. 12.1.4.5.2.1.1 Common Transfer Sequence
              2. 12.1.4.5.2.1.2 End of Transfer Sequences
              3. 12.1.4.5.2.1.3 Transmit-and-Receive (Controller and Peripheral)
              4. 12.1.4.5.2.1.4 Transmit-Only (Controller and Peripheral)
                1. 12.1.4.5.2.1.4.1 Based on Interrupt Requests
                2. 12.1.4.5.2.1.4.2 Based on DMA Write Requests
              5. 12.1.4.5.2.1.5 Controller Normal Receive-Only
                1. 12.1.4.5.2.1.5.1 Based on Interrupt Requests
                2. 12.1.4.5.2.1.5.2 Based on DMA Read Requests
              6. 12.1.4.5.2.1.6 Controller Turbo Receive-Only
                1. 12.1.4.5.2.1.6.1 Based on Interrupt Requests
                2. 12.1.4.5.2.1.6.2 Based on DMA Read Requests
              7. 12.1.4.5.2.1.7 Peripheral Receive-Only
              8. 12.1.4.5.2.1.8 Transfer Procedures With FIFO
                1. 12.1.4.5.2.1.8.1 Common Transfer Sequence in FIFO Mode
                2. 12.1.4.5.2.1.8.2 End of Transfer Sequences in FIFO Mode
                3. 12.1.4.5.2.1.8.3 Transmit-and-Receive With Word Count
                4. 12.1.4.5.2.1.8.4 Transmit-and-Receive Without Word Count
                5. 12.1.4.5.2.1.8.5 Transmit-Only
                6. 12.1.4.5.2.1.8.6 Receive-Only With Word Count
                7. 12.1.4.5.2.1.8.7 Receive-Only Without Word Count
              9. 12.1.4.5.2.1.9 Common Transfer Procedures Without FIFO – Polling Method
                1. 12.1.4.5.2.1.9.1 Receive-Only Procedure – Polling Method
                2. 12.1.4.5.2.1.9.2 Receive-Only Procedure – Interrupt Method
                3. 12.1.4.5.2.1.9.3 Transmit-Only Procedure – Polling Method
                4. 12.1.4.5.2.1.9.4 Transmit-and-Receive Procedure – Polling Method
        6. 12.1.4.6 MCSPI Registers
      5. 12.1.5 Universal Asynchronous Receiver/Transmitter (UART)
        1. 12.1.5.1 UART Overview
          1. 12.1.5.1.1 UART Features
          2. 12.1.5.1.2 IrDA Features
          3. 12.1.5.1.3 CIR Features
          4. 12.1.5.1.4 UART Not Supported Features
        2. 12.1.5.2 UART Environment
          1. 12.1.5.2.1 UART Functional Interfaces
            1. 12.1.5.2.1.1 System Using UART Communication With Hardware Handshake
            2. 12.1.5.2.1.2 UART Interface Description
            3. 12.1.5.2.1.3 UART Protocol and Data Format
            4. 12.1.5.2.1.4 UART 9-bit Mode Data Format
          2. 12.1.5.2.2 RS-485 Functional Interfaces
            1. 12.1.5.2.2.1 System Using RS-485 Communication
            2. 12.1.5.2.2.2 RS-485 Interface Description
          3. 12.1.5.2.3 IrDA Functional Interfaces
            1. 12.1.5.2.3.1 System Using IrDA Communication Protocol
            2. 12.1.5.2.3.2 IrDA Interface Description
            3. 12.1.5.2.3.3 IrDA Protocol and Data Format
              1. 12.1.5.2.3.3.1 SIR Mode
                1. 12.1.5.2.3.3.1.1 Frame Format
                2. 12.1.5.2.3.3.1.2 Asynchronous Transparency
                3. 12.1.5.2.3.3.1.3 Abort Sequence
                4. 12.1.5.2.3.3.1.4 Pulse Shaping
                5. 12.1.5.2.3.3.1.5 Encoder
                6. 12.1.5.2.3.3.1.6 Decoder
                7. 12.1.5.2.3.3.1.7 IR Address Checking
              2. 12.1.5.2.3.3.2 SIR Free-Format Mode
              3. 12.1.5.2.3.3.3 MIR Mode
                1. 12.1.5.2.3.3.3.1 MIR Encoder/Decoder
                2. 12.1.5.2.3.3.3.2 SIP Generation
              4. 12.1.5.2.3.3.4 FIR Mode
          4. 12.1.5.2.4 CIR Functional Interfaces
            1. 12.1.5.2.4.1 System Using CIR Communication Protocol With Remote Control
            2. 12.1.5.2.4.2 CIR Interface Description
            3. 12.1.5.2.4.3 CIR Protocol and Data Format
              1. 12.1.5.2.4.3.1 Carrier Modulation
              2. 12.1.5.2.4.3.2 Pulse Duty Cycle
              3. 12.1.5.2.4.3.3 Consumer IR Encoding/Decoding
        3. 12.1.5.3 UART Integration
          1. 12.1.5.3.1 UART Integration in MCU Domain
          2. 12.1.5.3.2 UART Integration in MAIN Domain
        4. 12.1.5.4 UART Functional Description
          1. 12.1.5.4.1 UART Block Diagram
          2. 12.1.5.4.2 UART Clock Configuration
          3. 12.1.5.4.3 UART Software Reset
            1. 12.1.5.4.3.1 Independent TX/RX
          4. 12.1.5.4.4 UART Power Management
            1. 12.1.5.4.4.1 UART Mode Power Management
              1. 12.1.5.4.4.1.1 Module Power Saving
              2. 12.1.5.4.4.1.2 System Power Saving
            2. 12.1.5.4.4.2 IrDA Mode Power Management
              1. 12.1.5.4.4.2.1 Module Power Saving
              2. 12.1.5.4.4.2.2 System Power Saving
            3. 12.1.5.4.4.3 CIR Mode Power Management
              1. 12.1.5.4.4.3.1 Module Power Saving
              2. 12.1.5.4.4.3.2 System Power Saving
            4. 12.1.5.4.4.4 Local Power Management
          5. 12.1.5.4.5 UART Interrupt Requests
            1. 12.1.5.4.5.1 UART Mode Interrupt Management
              1. 12.1.5.4.5.1.1 UART Interrupts
              2. 12.1.5.4.5.1.2 Wake-Up Interrupt
            2. 12.1.5.4.5.2 IrDA Mode Interrupt Management
              1. 12.1.5.4.5.2.1 IrDA Interrupts
              2. 12.1.5.4.5.2.2 Wake-Up Interrupts
            3. 12.1.5.4.5.3 CIR Mode Interrupt Management
              1. 12.1.5.4.5.3.1 CIR Interrupts
              2. 12.1.5.4.5.3.2 Wake-Up Interrupts
          6. 12.1.5.4.6 UART FIFO Management
            1. 12.1.5.4.6.1 FIFO Trigger
              1. 12.1.5.4.6.1.1 Transmit FIFO Trigger
              2. 12.1.5.4.6.1.2 Receive FIFO Trigger
            2. 12.1.5.4.6.2 FIFO Interrupt Mode
            3. 12.1.5.4.6.3 FIFO Polled Mode Operation
            4. 12.1.5.4.6.4 FIFO DMA Mode Operation
              1. 12.1.5.4.6.4.1 DMA sequence to disable TX DMA
              2. 12.1.5.4.6.4.2 DMA Transfers (DMA Mode 1, 2, or 3)
              3. 12.1.5.4.6.4.3 DMA Transmission
              4. 12.1.5.4.6.4.4 DMA Reception
          7. 12.1.5.4.7 UART Mode Selection
            1. 12.1.5.4.7.1 Register Access Modes
              1. 12.1.5.4.7.1.1 Operational Mode and Configuration Modes
              2. 12.1.5.4.7.1.2 Register Access Submode
              3. 12.1.5.4.7.1.3 Registers Available for the Register Access Modes
            2. 12.1.5.4.7.2 UART/RS-485/IrDA (SIR, MIR, FIR)/CIR Mode Selection
              1. 12.1.5.4.7.2.1 Registers Available for the UART Function
              2. 12.1.5.4.7.2.2 Registers Available for the IrDA Function
              3. 12.1.5.4.7.2.3 Registers Available for the CIR Function
          8. 12.1.5.4.8 UART Protocol Formatting
            1. 12.1.5.4.8.1 UART Mode
              1. 12.1.5.4.8.1.1 UART Clock Generation: Baud Rate Generation
              2. 12.1.5.4.8.1.2 Choosing the Appropriate Divisor Value
              3. 12.1.5.4.8.1.3 UART Data Formatting
                1. 12.1.5.4.8.1.3.1 Frame Formatting
                2. 12.1.5.4.8.1.3.2 Hardware Flow Control
                3. 12.1.5.4.8.1.3.3 Software Flow Control
                  1. 1.5.4.8.1.3.3.1 Receive (RX)
                  2. 1.5.4.8.1.3.3.2 Transmit (TX)
                4. 12.1.5.4.8.1.3.4 Autobauding Modes
                5. 12.1.5.4.8.1.3.5 Error Detection
                6. 12.1.5.4.8.1.3.6 Overrun During Receive
                7. 12.1.5.4.8.1.3.7 Time-Out and Break Conditions
                  1. 1.5.4.8.1.3.7.1 Time-Out Counter
                  2. 1.5.4.8.1.3.7.2 Break Condition
            2. 12.1.5.4.8.2 RS-485 Mode
              1. 12.1.5.4.8.2.1 RS-485 External Transceiver Direction Control
            3. 12.1.5.4.8.3 IrDA Mode
              1. 12.1.5.4.8.3.1 IrDA Clock Generation: Baud Generator
              2. 12.1.5.4.8.3.2 Choosing the Appropriate Divisor Value
              3. 12.1.5.4.8.3.3 IrDA Data Formatting
                1. 12.1.5.4.8.3.3.1  IR RX Polarity Control
                2. 12.1.5.4.8.3.3.2  IrDA Reception Control
                3. 12.1.5.4.8.3.3.3  IR Address Checking
                4. 12.1.5.4.8.3.3.4  Frame Closing
                5. 12.1.5.4.8.3.3.5  Store and Controlled Transmission
                6. 12.1.5.4.8.3.3.6  Error Detection
                7. 12.1.5.4.8.3.3.7  Underrun During Transmission
                8. 12.1.5.4.8.3.3.8  Overrun During Receive
                9. 12.1.5.4.8.3.3.9  Status FIFO
                10. 12.1.5.4.8.3.3.10 Multi-drop Parity Mode with Address Match
                11. 12.1.5.4.8.3.3.11 Time-guard
              4. 12.1.5.4.8.3.4 SIR Mode Data Formatting
                1. 12.1.5.4.8.3.4.1 Abort Sequence
                2. 12.1.5.4.8.3.4.2 Pulse Shaping
                3. 12.1.5.4.8.3.4.3 SIR Free Format Programming
              5. 12.1.5.4.8.3.5 MIR and FIR Mode Data Formatting
            4. 12.1.5.4.8.4 CIR Mode
              1. 12.1.5.4.8.4.1 CIR Mode Clock Generation
              2. 12.1.5.4.8.4.2 CIR Data Formatting
                1. 12.1.5.4.8.4.2.1 IR RX Polarity Control
                2. 12.1.5.4.8.4.2.2 CIR Transmission
                3. 12.1.5.4.8.4.2.3 CIR Reception
        5. 12.1.5.5 UART Programming Guide
          1. 12.1.5.5.1 UART Global Initialization
            1. 12.1.5.5.1.1 Surrounding Modules Global Initialization
            2. 12.1.5.5.1.2 UART Module Global Initialization
          2. 12.1.5.5.2 UART Mode selection
          3. 12.1.5.5.3 UART Submode selection
          4. 12.1.5.5.4 UART Load FIFO trigger and DMA mode settings
            1. 12.1.5.5.4.1 DMA mode Settings
            2. 12.1.5.5.4.2 FIFO Trigger Settings
          5. 12.1.5.5.5 UART Protocol, Baud rate and interrupt settings
            1. 12.1.5.5.5.1 Baud rate settings
            2. 12.1.5.5.5.2 Interrupt settings
            3. 12.1.5.5.5.3 Protocol settings
            4. 12.1.5.5.5.4 UART/RS-485/IrDA(SIR/MIR/FIR)/CIR
            5. 12.1.5.5.5.5 UART Multi-drop Parity Address Match Mode Configuration
          6. 12.1.5.5.6 UART Hardware and Software Flow Control Configuration
            1. 12.1.5.5.6.1 Hardware Flow Control Configuration
            2. 12.1.5.5.6.2 Software Flow Control Configuration
          7. 12.1.5.5.7 IrDA Programming Model
            1. 12.1.5.5.7.1 SIR mode
              1. 12.1.5.5.7.1.1 Receive
              2. 12.1.5.5.7.1.2 Transmit
            2. 12.1.5.5.7.2 MIR mode
              1. 12.1.5.5.7.2.1 Receive
              2. 12.1.5.5.7.2.2 Transmit
            3. 12.1.5.5.7.3 FIR mode
              1. 12.1.5.5.7.3.1 Receive
              2. 12.1.5.5.7.3.2 Transmit
        6. 12.1.5.6 UART Registers
    2. 12.2 High-speed Serial Interfaces
      1. 12.2.1 Gigabit Ethernet Switch (CPSW3G)
        1. 12.2.1.1 CPSW0 Overview
          1. 12.2.1.1.1 CPSW0 Features
          2. 12.2.1.1.2 CPSW0 Not Supported Features
          3. 12.2.1.1.3 CPSW Terminology
        2. 12.2.1.2 CPSW0 Environment
          1. 12.2.1.2.1 CPSW0 RMII Interface
          2. 12.2.1.2.2 CPSW0 RGMII Interface
        3. 12.2.1.3 CPSW0 Integration
        4. 12.2.1.4 CPSW0 Functional Description
          1. 12.2.1.4.1 Functional Block Diagram
          2. 12.2.1.4.2 CPSW Ports
            1. 12.2.1.4.2.1 Interface Mode Selection
          3. 12.2.1.4.3 Clocking
            1. 12.2.1.4.3.1 Subsystem Clocking
            2. 12.2.1.4.3.2 Interface Clocking
              1. 12.2.1.4.3.2.1 RGMII Interface Clocking
              2. 12.2.1.4.3.2.2 RMII Interface Clocking
              3. 12.2.1.4.3.2.3 MDIO Clocking
          4. 12.2.1.4.4 Software IDLE
          5. 12.2.1.4.5 Interrupt Functionality
            1. 12.2.1.4.5.1 EVNT_PEND Interrupt
            2. 12.2.1.4.5.2 Statistics Interrupt (STAT_PEND0)
            3. 12.2.1.4.5.3 ECC DED Level Interrupt (ECC_DED_INT)
            4. 12.2.1.4.5.4 ECC SEC Level Interrupt (ECC_SEC_INT)
            5. 12.2.1.4.5.5 MDIO Interrupts
          6. 12.2.1.4.6 CPSW_3G
            1. 12.2.1.4.6.1  Address Lookup Engine (ALE)
              1. 12.2.1.4.6.1.1  Error Handling
              2. 12.2.1.4.6.1.2  Bypass Operations
              3. 12.2.1.4.6.1.3  OUI Deny or Accept
              4. 12.2.1.4.6.1.4  Statistics Counting
              5. 12.2.1.4.6.1.5  Automotive Security Features
              6. 12.2.1.4.6.1.6  CPSW Switching Solutions
                1. 12.2.1.4.6.1.6.1 Basics of 3-port Switch Type
              7. 12.2.1.4.6.1.7  VLAN Routing and OAM Operations
                1. 12.2.1.4.6.1.7.1 InterVLAN Routing
                2. 12.2.1.4.6.1.7.2 OAM Operations
              8. 12.2.1.4.6.1.8  Supervisory packets
              9. 12.2.1.4.6.1.9  Address Table Entry
                1. 12.2.1.4.6.1.9.1  Multicast Address Table Entry
                2. 12.2.1.4.6.1.9.2  OUI Unicast Address Table Entry
                3. 12.2.1.4.6.1.9.3  Unicast Address Table Entry (Bit 40 == 0)
                4. 12.2.1.4.6.1.9.4  Multicast Address Table Entry (Bit 40==1)
                5. 12.2.1.4.6.1.9.5  VLAN/Unicast Address Table Entry (Bit 40 == 0)
                6. 12.2.1.4.6.1.9.6  VLAN/Multicast Address Table Entry (Bit 40==1)
                7. 12.2.1.4.6.1.9.7  Inner VLAN Table Entry
                8. 12.2.1.4.6.1.9.8  Outer VLAN Table Entry
                9. 12.2.1.4.6.1.9.9  EtherType Table Entry
                10. 12.2.1.4.6.1.9.10 IPv4 Table Entry
                11. 12.2.1.4.6.1.9.11 IPv6 Table Entry High
                12. 12.2.1.4.6.1.9.12 IPv6 Table Entry Low
              10. 12.2.1.4.6.1.10 Multicast Address
                1. 12.2.1.4.6.1.10.1 Multicast Ranges
              11. 12.2.1.4.6.1.11 Aging and Auto Aging
              12. 12.2.1.4.6.1.12 ALE Policing and Classification
                1. 12.2.1.4.6.1.12.1 ALE Policing
                2. 12.2.1.4.6.1.12.2 Classifier to Host Thread Mapping
                3. 12.2.1.4.6.1.12.3 ALE Classification
                  1. 2.1.4.6.1.12.3.1 Classifier to CPPI Transmit Flow ID Mapping
              13. 12.2.1.4.6.1.13 Mirroring
              14. 12.2.1.4.6.1.14 Trunking
              15. 12.2.1.4.6.1.15 DSCP
              16. 12.2.1.4.6.1.16 Packet Forwarding Processes
                1. 12.2.1.4.6.1.16.1 Ingress Filtering Process
                2. 12.2.1.4.6.1.16.2 VLAN_Aware Lookup Process
                3. 12.2.1.4.6.1.16.3 Egress Process
                4. 12.2.1.4.6.1.16.4 Learning/Updating/Touching Processes
                  1. 2.1.4.6.1.16.4.1 Learning Process
                  2. 2.1.4.6.1.16.4.2 Updating Process
                  3. 2.1.4.6.1.16.4.3 Touching Process
              17. 12.2.1.4.6.1.17 VLAN Aware Mode
              18. 12.2.1.4.6.1.18 VLAN Unaware Mode
            2. 12.2.1.4.6.2  Packet Priority Handling
              1. 12.2.1.4.6.2.1 Priority Mapping and Transmit VLAN Priority
            3. 12.2.1.4.6.3  CPPI Port Ingress
            4. 12.2.1.4.6.4  Packet CRC Handling
              1. 12.2.1.4.6.4.1 Transmit VLAN Processing
                1. 12.2.1.4.6.4.1.1 Untagged Packets (No VLAN or Priority Tag Header)
                2. 12.2.1.4.6.4.1.2 Priority Tagged Packets (VLAN VID == 0 && EN_VID0_MODE ==0h)
                3. 12.2.1.4.6.4.1.3 VLAN Tagged Packets (VLAN VID != 0 || (EN_VID0_MODE ==1h && VLAN VID ==0))
              2. 12.2.1.4.6.4.2 Ethernet Port Ingress Packet CRC
              3. 12.2.1.4.6.4.3 Ethernet Port Egress Packet CRC
              4. 12.2.1.4.6.4.4 CPPI Port Ingress Packet CRC
              5. 12.2.1.4.6.4.5 CPPI Port Egress Packet CRC
            5. 12.2.1.4.6.5  FIFO Memory Control
            6. 12.2.1.4.6.6  FIFO Transmit Queue Control
              1. 12.2.1.4.6.6.1 CPPI Port Receive Rate Limiting
              2. 12.2.1.4.6.6.2 Ethernet Port Transmit Rate Limiting
            7. 12.2.1.4.6.7  Intersperced Express Traffic (IET – P802.3br/D2.0)
              1. 12.2.1.4.6.7.1 IET Configuration
            8. 12.2.1.4.6.8  Enhanced Scheduled Traffic (EST – P802.1Qbv/D2.2)
              1. 12.2.1.4.6.8.1 Enhanced Scheduled Traffic Overview
              2. 12.2.1.4.6.8.2 Enhanced Scheduled Traffic Fetch RAM
              3. 12.2.1.4.6.8.3 Enhanced Scheduled Traffic Time Interval
              4. 12.2.1.4.6.8.4 Enhanced Scheduled Traffic Fetch Values
              5. 12.2.1.4.6.8.5 Enhanced Scheduled Traffic Packet Fill
              6. 12.2.1.4.6.8.6 Enhanced Scheduled Traffic Time Stamp
              7. 12.2.1.4.6.8.7 Enhanced Scheduled Traffic Packets Per Priority
            9. 12.2.1.4.6.9  Audio Video Bridging
              1. 12.2.1.4.6.9.1 IEEE 802.1AS: Timing and Synchronization for Time-Sensitive Applications in Bridged Local Area Networks (Precision Time Protocol (PTP))
                1. 12.2.1.4.6.9.1.1 IEEE 1722: "Layer 2 Transport Protocol for Time-Sensitive Streams"
                  1. 2.1.4.6.9.1.1.1 Cross-timestamping and Presentation Timestamps
                2. 12.2.1.4.6.9.1.2 IEEE 1733: Extends RTCP for RTP Streaming over AVB-supported Networks
              2. 12.2.1.4.6.9.2 IEEE 802.1Qav: "Virtual Bridged Local Area Networks: Forwarding and Queuing for Time-Sensitive Streams"
                1. 12.2.1.4.6.9.2.1 Configuring the Device for 802.1Qav Operation
            10. 12.2.1.4.6.10 Ethernet MAC Sliver
              1. 12.2.1.4.6.10.1 Ethernet MAC Sliver Overview
                1. 12.2.1.4.6.10.1.1 CRC Insertion
                2. 12.2.1.4.6.10.1.2 MTXER
                3. 12.2.1.4.6.10.1.3 Adaptive Performance Optimization (APO)
                4. 12.2.1.4.6.10.1.4 Inter-Packet-Gap Enforcement
                5. 12.2.1.4.6.10.1.5 Back Off
                6. 12.2.1.4.6.10.1.6 Programmable Transmit Inter-Packet Gap
                7. 12.2.1.4.6.10.1.7 Speed, Duplex and Pause Frame Support Negotiation
              2. 12.2.1.4.6.10.2 RMII Interface
                1. 12.2.1.4.6.10.2.1 Features
                2. 12.2.1.4.6.10.2.2 RMII Receive (RX)
                3. 12.2.1.4.6.10.2.3 RMII Transmit (TX)
              3. 12.2.1.4.6.10.3 RGMII Interface
                1. 12.2.1.4.6.10.3.1 Features
                2. 12.2.1.4.6.10.3.2 RGMII Receive (RX)
                3. 12.2.1.4.6.10.3.3 In-Band Mode of Operation
                4. 12.2.1.4.6.10.3.4 Forced Mode of Operation
                5. 12.2.1.4.6.10.3.5 RGMII Transmit (TX)
              4. 12.2.1.4.6.10.4 Frame Classification
              5. 12.2.1.4.6.10.5 Receive FIFO Architecture
            11. 12.2.1.4.6.11 Embedded Memories
            12. 12.2.1.4.6.12 Memory Error Detection and Correction
              1. 12.2.1.4.6.12.1 Packet Header ECC
              2. 12.2.1.4.6.12.2 Packet Protect CRC
              3. 12.2.1.4.6.12.3 Aggregator RAM Control
            13. 12.2.1.4.6.13 Ethernet Port Flow Control
              1. 12.2.1.4.6.13.1 Ethernet Receive Flow Control
                1. 12.2.1.4.6.13.1.1 Collision Based Receive Buffer Flow Control
                2. 12.2.1.4.6.13.1.2 IEEE 802.3X Based Receive Flow Control
              2. 12.2.1.4.6.13.2 Flow Control Trigger
              3. 12.2.1.4.6.13.3 Ethernet Transmit Flow Control
            14. 12.2.1.4.6.14 Energy Efficient Ethernet Support (802.3az)
            15. 12.2.1.4.6.15 Ethernet Switch Latency
            16. 12.2.1.4.6.16 MAC Emulation Control
            17. 12.2.1.4.6.17 MAC Command IDLE
            18. 12.2.1.4.6.18 CPSW Network Statistics
              1. 12.2.1.4.6.18.1  Rx-only Statistics Descriptions
                1. 12.2.1.4.6.18.1.1  Good Rx Frames (Offset = 3A000h)
                2. 12.2.1.4.6.18.1.2  Broadcast Rx Frames (Offset = 3A004h)
                3. 12.2.1.4.6.18.1.3  Multicast Rx Frames (Offset = 3A008h)
                4. 12.2.1.4.6.18.1.4  Pause Rx Frames (Offset = 3A00Ch)
                5. 12.2.1.4.6.18.1.5  Rx CRC Errors (Offset = 3A010h)
                6. 12.2.1.4.6.18.1.6  Rx Align/Code Errors (Offset = 3A014h)
                7. 12.2.1.4.6.18.1.7  Oversize Rx Frames (Offset = 3A018h)
                8. 12.2.1.4.6.18.1.8  Rx Jabbers (Offset = 3A01Ch)
                9. 12.2.1.4.6.18.1.9  Undersize (Short) Rx Frames (Offset = 3A020h)
                10. 12.2.1.4.6.18.1.10 Rx Fragments (Offset = 3A024h)
                11. 12.2.1.4.6.18.1.11 RX IPG Error (Offset = 3A05Ch)
                12. 12.2.1.4.6.18.1.12 ALE Drop (Offset = 3A028h)
                13. 12.2.1.4.6.18.1.13 ALE Overrun Drop (Offset = 3A02Ch)
                14. 12.2.1.4.6.18.1.14 Rx Octets (Offset = 3A030h)
                15. 12.2.1.4.6.18.1.15 Rx Bottom of FIFO Drop (Offset = 3A084h)
                16. 12.2.1.4.6.18.1.16 Portmask Drop (Offset = 3A088h)
                17. 12.2.1.4.6.18.1.17 Rx Top of FIFO Drop (Offset = 3A08Ch)
                18. 12.2.1.4.6.18.1.18 ALE Rate Limit Drop (Offset = 3A090h)
                19. 12.2.1.4.6.18.1.19 ALE VLAN Ingress Check Drop (Offset = 3A094h)
                  1. 2.1.4.6.18.1.19.1  ALE DA=SA Drop (Offset = 3A098h)
                  2. 2.1.4.6.18.1.19.2  Block Address Drop (Offset = 3A09Ch)
                  3. 2.1.4.6.18.1.19.3  ALE Secure Drop (Offset = 3A0A0h)
                  4. 2.1.4.6.18.1.19.4  ALE Authentication Drop (Offset = 3A0A4h)
                  5. 2.1.4.6.18.1.19.5  ALE Unknown Unicast (Offset = 3A0A8h)
                  6. 2.1.4.6.18.1.19.6  ALE Unknown Unicast Bytecount (Offset = 3A0ACh)
                  7. 2.1.4.6.18.1.19.7  ALE Unknown Multicast (Offset = 3A0B0h)
                  8. 2.1.4.6.18.1.19.8  ALE Unknown Multicast Bytecount (Offset = 3A0B4h)
                  9. 2.1.4.6.18.1.19.9  ALE Unknown Broadcast (Offset = 3A0B8h)
                  10. 2.1.4.6.18.1.19.10 ALE Unknown Broadcast Bytecount (Offset = 3A0BCh)
                  11. 2.1.4.6.18.1.19.11 ALE Policer/Classifier Match (Offset = 3A0C0h)
              2. 12.2.1.4.6.18.2  ALE Policer Match Red (Offset = 3A0C4h)
              3. 12.2.1.4.6.18.3  ALE Policer Match Yellow (Offset = 3A0C8h)
              4. 12.2.1.4.6.18.4  IET Receive Assembly Error (Offset = 3A140h)
              5. 12.2.1.4.6.18.5  IET Receive Assembly OK (Offset = 3A144h)
              6. 12.2.1.4.6.18.6  IET Receive SMD Error (Offset = 3A148h)
              7. 12.2.1.4.6.18.7  IET Receive Merge Fragment Count (Offset = 3A14Ch)
              8. 12.2.1.4.6.18.8  Rx Cut Thru with No Delay
              9. 12.2.1.4.6.18.9  Rx Cut Thru with Delay
              10. 12.2.1.4.6.18.10 Rx Cut Thru Store-and-Forward
              11. 12.2.1.4.6.18.11 Tx-only Statistics Descriptions
                1. 12.2.1.4.6.18.11.1  Good Tx Frames (Offset = 3A034h)
                2. 12.2.1.4.6.18.11.2  Broadcast Tx Frames (Offset = 3A038h)
                3. 12.2.1.4.6.18.11.3  Multicast Tx Frames (Offset = 3A03Ch)
                4. 12.2.1.4.6.18.11.4  Pause Tx Frames (Offset = 3A040h)
                5. 12.2.1.4.6.18.11.5  Deferred Tx Frames (Offset = 3A044h)
                6. 12.2.1.4.6.18.11.6  Collisions (Offset = 3A048h)
                7. 12.2.1.4.6.18.11.7  Single Collision Tx Frames (Offset = 3A04Ch)
                8. 12.2.1.4.6.18.11.8  Multiple Collision Tx Frames (Offset = 3A050h)
                9. 12.2.1.4.6.18.11.9  Excessive Collisions (Offset = 3A054h)
                10. 12.2.1.4.6.18.11.10 Late Collisions (Offset = 3A058h)
                11. 12.2.1.4.6.18.11.11 Carrier Sense Errors (Offset = 3A060h)
                12. 12.2.1.4.6.18.11.12 Tx Octets (Offset = 3A064h)
                13. 12.2.1.4.6.18.11.13 Transmit Priority 0-7 (Offset = 3A180h to 3A1A8h)
                14. 12.2.1.4.6.18.11.14 Transmit Priority 0-7 Drop (Offset = 3A1C0h to 3A1E8)
                15. 12.2.1.4.6.18.11.15 Tx Memory Protect Errors (Offset = 3A17Ch)
                16. 12.2.1.4.6.18.11.16 IET Transmit Merge Hold Count (Offset = 3A150h)
                17. 12.2.1.4.6.18.11.17 IET Transmit Merge Fragment Count (Offset = 3A14Ch)
                18. 12.2.1.4.6.18.11.18 Tx CRC Errors
                19. 12.2.1.4.6.18.11.19 Tx Cut Thru
                20. 12.2.1.4.6.18.11.20 Tx Cut Thru Store-and-Forward
              12. 12.2.1.4.6.18.12 Rx- and Tx (Shared) Statistics Descriptions
                1. 12.2.1.4.6.18.12.1 Rx + Tx 64 Octet Frames (Offset = 3A068h)
                2. 12.2.1.4.6.18.12.2 Rx + Tx 65–127 Octet Frames (Offset = 3A06Ch)
                3. 12.2.1.4.6.18.12.3 Rx + Tx 128–255 Octet Frames (Offset = 3A070h)
                4. 12.2.1.4.6.18.12.4 Rx + Tx 256–511 Octet Frames (Offset = 3A074h)
                5. 12.2.1.4.6.18.12.5 Rx + Tx 512–1023 Octet Frames (Offset = 3A078h)
                6. 12.2.1.4.6.18.12.6 Rx + Tx 1024_Up Octet Frames (Offset = 3A07Ch)
                7. 12.2.1.4.6.18.12.7 Net Octets (Offset = 3A080h)
              13. 12.2.1.4.6.18.13 4714
          7. 12.2.1.4.7 Common Platform Time Sync (CPTS)
            1. 12.2.1.4.7.1  CPSW0 CPTS Integration
            2. 12.2.1.4.7.2  CPTS Architecture
            3. 12.2.1.4.7.3  CPTS Initialization
            4. 12.2.1.4.7.4  32-bit Time Stamp Value
            5. 12.2.1.4.7.5  64-bit Time Stamp Value
            6. 12.2.1.4.7.6  64-Bit Timestamp Nudge
            7. 12.2.1.4.7.7  64-bit Timestamp PPM
            8. 12.2.1.4.7.8  Event FIFO
            9. 12.2.1.4.7.9  Timestamp Compare Output
              1. 12.2.1.4.7.9.1 Non-Toggle Mode: 32-bit
              2. 12.2.1.4.7.9.2 Non-Toggle Mode: 64-bit
              3. 12.2.1.4.7.9.3 Toggle Mode: 32-bit
              4. 12.2.1.4.7.9.4 Toggle Mode: 64-bit
            10. 12.2.1.4.7.10 Timestamp Sync Output
            11. 12.2.1.4.7.11 Timestamp GENFn Output
              1. 12.2.1.4.7.11.1 GENFn Nudge
              2. 12.2.1.4.7.11.2 GENFn PPM
            12. 12.2.1.4.7.12 Timestamp ESTFn
            13. 12.2.1.4.7.13 Time Sync Events
              1. 12.2.1.4.7.13.1 Time Stamp Push Event
              2. 12.2.1.4.7.13.2 Time Stamp Counter Rollover Event (32-bit mode only)
              3. 12.2.1.4.7.13.3 Time Stamp Counter Half-rollover Event (32-bit mode only)
              4. 12.2.1.4.7.13.4 Hardware Time Stamp Push Event
              5. 12.2.1.4.7.13.5 Ethernet Port Events
                1. 12.2.1.4.7.13.5.1 Ethernet Port Receive Event
                2. 12.2.1.4.7.13.5.2 Ethernet Port Transmit Event
                3. 12.2.1.4.7.13.5.3 4742
            14. 12.2.1.4.7.14 Timestamp Compare Event
              1. 12.2.1.4.7.14.1 32-Bit Mode
              2. 12.2.1.4.7.14.2 64-Bit Mode
            15. 12.2.1.4.7.15 Host Transmit Event
            16. 12.2.1.4.7.16 CPTS Interrupt Handling
          8. 12.2.1.4.8 CPPI Streaming Packet Interface
            1. 12.2.1.4.8.1 Port 0 CPPI Transmit Packet Streaming Interface (CPSW_3G Egress)
            2. 12.2.1.4.8.2 Port 0 CPPI Receive Packet Streaming Interface (CPSW_3G Ingress)
            3. 12.2.1.4.8.3 Cut-Thru
              1. 12.2.1.4.8.3.1 Host Port Cut-Thru Operations
              2. 12.2.1.4.8.3.2 Cut-Thru Error Packets
            4. 12.2.1.4.8.4 Port Speed
            5. 12.2.1.4.8.5 CPPI Checksum Offload
              1. 12.2.1.4.8.5.1 CPPI Transmit Checksum Offload
                1. 12.2.1.4.8.5.1.1 IPV4 UDP
                2. 12.2.1.4.8.5.1.2 IPV4 TCP
                3. 12.2.1.4.8.5.1.3 IPV6 UDP
                4. 12.2.1.4.8.5.1.4 IPV6 TCP
            6. 12.2.1.4.8.6 CPPI Receive Checksum Offload
            7. 12.2.1.4.8.7 Egress Packet Operations
          9. 12.2.1.4.9 MII Management Interface (MDIO)
            1. 12.2.1.4.9.1 MDIO Frame Formats
            2. 12.2.1.4.9.2 MDIO Functional Description
        5. 12.2.1.5 CPSW0 Programming Guide
          1. 12.2.1.5.1 Initialization and Configuration of CPSW Subsystem
          2. 12.2.1.5.2 CPSW Reset
          3. 12.2.1.5.3 MDIO Software Interface
            1. 12.2.1.5.3.1 Initializing the MDIO Module
            2. 12.2.1.5.3.2 Writing Data To a PHY Register
            3. 12.2.1.5.3.3 Reading Data From a PHY Register
        6. 12.2.1.6 CPSW0 Registers
          1. 12.2.1.6.1  CPSW0_NUSS Subsystem (SS) Registers
          2. 12.2.1.6.2  CPSW0_MDIO Registers
          3. 12.2.1.6.3  CPSW0_CPTS Registers
          4. 12.2.1.6.4  CPSW0_CONTROL Registers
          5. 12.2.1.6.5  CPSW0_CPINT Registers
          6. 12.2.1.6.6  CPSW0_RAM Registers
          7. 12.2.1.6.7  CPSW0_STAT0 Registers
          8. 12.2.1.6.8  CPSW0_STATN Registers
          9. 12.2.1.6.9  CPSW0_ALE Registers
          10. 12.2.1.6.10 CPSW0_PCSR Registers
          11. 12.2.1.6.11 CPSW0_ECC Registers
      2. 12.2.2 Peripheral Component Interconnect Express (PCIe) Subsystem
        1. 12.2.2.1 PCIe Subsystem Overview
          1. 12.2.2.1.1 PCIe Subsystem Features
          2. 12.2.2.1.2 PCIe Subsystem Not Supported Features
        2. 12.2.2.2 PCIe Subsystem Environment
        3. 12.2.2.3 PCIe Subsystem Integration
        4. 12.2.2.4 PCIe Subsystem Functional Description
          1. 12.2.2.4.1  PCIe Subsystem Block Diagram
            1. 12.2.2.4.1.1 PCIe PHY Interface
              1. 12.2.2.4.1.1.1 PCIe Core Module
            2. 12.2.2.4.1.2 Custom Logic
          2. 12.2.2.4.2  PCIe Subsystem Reset Schemes
            1. 12.2.2.4.2.1 PCIe Conventional Reset
            2. 12.2.2.4.2.2 PCIe Function Level Reset
            3. 12.2.2.4.2.3 PCIe Reset Isolation
              1. 12.2.2.4.2.3.1 Root Complex Reset with Device Not Reset
              2. 12.2.2.4.2.3.2 Device Reset with Root Complex Not Reset
              3. 12.2.2.4.2.3.3 End Point Device Reset with Root Complex Not Reset
              4. 12.2.2.4.2.3.4 Device Reset with End Point Device Not Reset
            4. 12.2.2.4.2.4 PCIe Reset Limitations
            5. 12.2.2.4.2.5 PCIe Reset Requirements
          3. 12.2.2.4.3  PCIe Subsystem Power Management
            1. 12.2.2.4.3.1 CBA Power Management
          4. 12.2.2.4.4  PCIe Subsystem Interrupts
            1. 12.2.2.4.4.1 Interrupts Aggregation
            2. 12.2.2.4.4.2 Interrupt Generation in EP Mode
              1. 12.2.2.4.4.2.1 Legacy Interrupt Generation in EP Mode
              2. 12.2.2.4.4.2.2 MSI and MSI-X Interrupt Generation
            3. 12.2.2.4.4.3 Interrupt Reception in EP Mode
              1. 12.2.2.4.4.3.1 PCIe Core Downstream Interrupts
              2. 12.2.2.4.4.3.2 PCIe Core Function Level Reset Interrupts
              3. 12.2.2.4.4.3.3 PCIe Core Power Management Event Interrupts
              4. 12.2.2.4.4.3.4 PCIe Core Hot Reset Request Interrupt
              5. 12.2.2.4.4.3.5 PTM Valid Interrupt
            4. 12.2.2.4.4.4 Interrupt Generation in RC Mode
            5. 12.2.2.4.4.5 Interrupt Reception in RC Mode
              1. 12.2.2.4.4.5.1 PCIe Legacy Interrupt Reception in RC Mode
              2. 12.2.2.4.4.5.2 MSI/MSI-X Interrupt Reception in RC Mode
              3. 12.2.2.4.4.5.3 Advanced Error Reporting Interrupt
            6. 12.2.2.4.4.6 Common Interrupt Reception in RC and EP Modes
              1. 12.2.2.4.4.6.1 PCIe Local Interrupt
              2. 12.2.2.4.4.6.2 PHY Interrupt
              3. 12.2.2.4.4.6.3 Link down Interrupt
              4. 12.2.2.4.4.6.4 Transaction Error Interrupts
              5. 12.2.2.4.4.6.5 Power Management Event Interrupt
            7. 12.2.2.4.4.7 ECC Aggregator Interrupts
            8. 12.2.2.4.4.8 CPTS Interrupt
          5. 12.2.2.4.5  PCIe Subsystem DMA Support
            1. 12.2.2.4.5.1 PCIe DMA Support in RC Mode
            2. 12.2.2.4.5.2 PCIe DMA Support in EP Mode
          6. 12.2.2.4.6  PCIe Subsystem Transactions
            1. 12.2.2.4.6.1 PCIe Supported Transactions
            2. 12.2.2.4.6.2 PCIe Transaction Limitations
          7. 12.2.2.4.7  PCIe Subsystem Address Translation
            1. 12.2.2.4.7.1 PCIe Inbound Address Translation
              1. 12.2.2.4.7.1.1 Root Complex Inbound PCIe to AXI Address Translation
              2. 12.2.2.4.7.1.2 End Point Inbound PCIe to AXI Address Translation
            2. 12.2.2.4.7.2 PCIe Outbound Address Translation
              1. 12.2.2.4.7.2.1 PCIe Outbound Address Translation Bypass
          8. 12.2.2.4.8  PCIe Subsystem Quality-of-Service (QoS)
          9. 12.2.2.4.9  PCIe Subsystem Precision Time Measurement (PTM)
          10. 12.2.2.4.10 PCIe Subsystem Loopback
            1. 12.2.2.4.10.1 PCIe Loopback
              1. 12.2.2.4.10.1.1 PCIe Loopback Initiator Mode
              2. 12.2.2.4.10.1.2 PCIe Loopback Target Mode
          11. 12.2.2.4.11 PCIe Subsystem Error Handling
          12. 12.2.2.4.12 PCIe Subsystem Internal Diagnostics Features
            1. 12.2.2.4.12.1 ECC Aggregators
            2. 12.2.2.4.12.2 RAM ECC Inversion
        5. 12.2.2.5 PCIe Subsystem Registers
          1. 12.2.2.5.1 PCIE Registers
      3. 12.2.3 Serializer/Deserializer (SerDes)
        1. 12.2.3.1 SerDes Overview
          1. 12.2.3.1.1 SerDes Features
          2. 12.2.3.1.2 Not Supported Features
          3. 12.2.3.1.3 Industry Standards Compatibility
        2. 12.2.3.2 SerDes Environment
          1. 12.2.3.2.1 SerDes I/Os
        3. 12.2.3.3 SerDes Integration
          1. 12.2.3.3.1 WIZ Settings
            1. 12.2.3.3.1.1 Interface Selection
            2. 12.2.3.3.1.2 Internal Reference Clock Selection
        4. 12.2.3.4 SerDes Functional Description
          1. 12.2.3.4.1 SerDes Block Diagram
      4. 12.2.4 Universal Serial Bus Subsystem (USBSS)
        1. 12.2.4.1 USB Overview
          1. 12.2.4.1.1 USB Features
          2. 12.2.4.1.2 USB Not Supported Features
          3. 12.2.4.1.3 USB Terminology
        2. 12.2.4.2 USB Environment
          1. 12.2.4.2.1 USB I/Os
          2. 12.2.4.2.2 USB Subsystem Application
          3. 12.2.4.2.3 VBUS Sense
        3. 12.2.4.3 USB Integration
          1. 12.2.4.3.1 Resets, Interrupts, and Clocks
        4. 12.2.4.4 USB Functional Description
          1. 12.2.4.4.1 USB Controller Reset
          2. 12.2.4.4.2 Overcurrent Detection
          3. 12.2.4.4.3 Top-Level Initialization Sequence
        5. 12.2.4.5 USB Registers
          1. 12.2.4.5.1 USB_RAMS_INJ_CFG Registers
          2. 12.2.4.5.2 USB_ECC_AGGR_CFG Registers
          3. 12.2.4.5.3 USB3P0SS_MMR_MMRVBP_USBSS_CMN Registers
    3. 12.3 Memory Interfaces
      1. 12.3.1 Flash Subsystem (FSS)
        1.       4890
        2. 12.3.1.1 FSS Overview
          1. 12.3.1.1.1 FSS Features
          2. 12.3.1.1.2 FSS Not Supported Features
        3. 12.3.1.2 FSS Environment
          1. 12.3.1.2.1 FSS Typical Application
        4. 12.3.1.3 FSS Integration
          1. 12.3.1.3.1 FSS Integration in MAIN Domain
        5. 12.3.1.4 FSS Functional Description
          1. 12.3.1.4.1 FSS Block Diagram
          2. 12.3.1.4.2 FSS Regions
            1. 12.3.1.4.2.1 FSS Regions Boot Size Configuration
          3. 12.3.1.4.3 FSS Memory Regions
        6. 12.3.1.5 FSS Programming Guide
          1. 12.3.1.5.1 FSS Initialization Sequence
          2. 12.3.1.5.2 FSS Power Up/Down Sequence
        7. 12.3.1.6 FSS Registers
          1. 12.3.1.6.1 FSS Registers
          2. 12.3.1.6.2 FSS_FSAS_0 Registers
          3. 12.3.1.6.3 FSS_OSPI_0 Registers
      2. 12.3.2 Octal Serial Peripheral Interface (OSPI)
        1.       4911
        2. 12.3.2.1 OSPI Overview
          1. 12.3.2.1.1 OSPI Features
          2. 12.3.2.1.2 OSPI Not Supported Features
        3. 12.3.2.2 OSPI Environment
        4. 12.3.2.3 OSPI Integration
          1. 12.3.2.3.1 OSPI Integration in MAIN Domain
        5. 12.3.2.4 OSPI Functional Description
          1. 12.3.2.4.1  OSPI Block Diagram
            1. 12.3.2.4.1.1 Data Target Interface
            2. 12.3.2.4.1.2 Configuration Target Interface
            3. 12.3.2.4.1.3 OSPI Clock Domains
          2. 12.3.2.4.2  OSPI Modes
            1. 12.3.2.4.2.1 Read Data Capture
              1. 12.3.2.4.2.1.1 Mechanisms of Data Capturing
              2. 12.3.2.4.2.1.2 Data Capturing Mechanism Using Taps
              3. 12.3.2.4.2.1.3 Data Capturing Mechanism Using PHY Module
              4. 12.3.2.4.2.1.4 External Pull Down on DQS
          3. 12.3.2.4.3  OSPI Power Management
          4. 12.3.2.4.4  Auto HW Polling
          5. 12.3.2.4.5  Flash Reset
          6. 12.3.2.4.6  OSPI Memory Regions
          7. 12.3.2.4.7  OSPI Interrupt Requests
          8. 12.3.2.4.8  OSPI Data Interface
            1. 12.3.2.4.8.1 Data Interface Address Remapping
            2. 12.3.2.4.8.2 Write Protection
            3. 12.3.2.4.8.3 Access Forwarding
          9. 12.3.2.4.9  OSPI Direct Access Controller (DAC)
          10. 12.3.2.4.10 OSPI Indirect Access Controller (INDAC)
            1. 12.3.2.4.10.1 Indirect Read Controller
              1. 12.3.2.4.10.1.1 Indirect Read Transfer Process
            2. 12.3.2.4.10.2 Indirect Write Controller
              1. 12.3.2.4.10.2.1 Indirect Write Transfer Process
            3. 12.3.2.4.10.3 Indirect Access Queuing
            4. 12.3.2.4.10.4 Consecutive Writes and Reads Using Indirect Transfers
            5. 12.3.2.4.10.5 Accessing the SRAM
          11. 12.3.2.4.11 OSPI Software-Triggered Instruction Generator (STIG)
            1. 12.3.2.4.11.1 Servicing a STIG Request
          12. 12.3.2.4.12 OSPI Arbitration Between Direct / Indirect Access Controller and STIG
          13. 12.3.2.4.13 OSPI Command Translation
          14. 12.3.2.4.14 Selecting the Flash Instruction Type
          15. 12.3.2.4.15 OSPI Data Integrity
          16. 12.3.2.4.16 OSPI PHY Module
            1. 12.3.2.4.16.1 PHY Pipeline Mode
            2. 12.3.2.4.16.2 Read Data Capturing by the PHY Module
        6. 12.3.2.5 OSPI Programming Guide
          1. 12.3.2.5.1 Configuring the OSPI Controller for Use After Reset
          2. 12.3.2.5.2 Configuring the OSPI Controller for Optimal Use
          3. 12.3.2.5.3 Using the Flash Command Control Register (STIG Operation)
          4. 12.3.2.5.4 Using SPI Legacy Mode
          5. 12.3.2.5.5 Entering XIP Mode from POR
          6. 12.3.2.5.6 Entering XIP Mode Otherwise
          7. 12.3.2.5.7 Exiting XIP Mode
        7. 12.3.2.6 OSPI Registers
      3. 12.3.3 General-Purpose Memory Controller (GPMC)
        1. 12.3.3.1 GPMC Overview
          1. 12.3.3.1.1 GPMC Features
          2. 12.3.3.1.2 GPMC Not Supported Features
        2. 12.3.3.2 GPMC Environment
          1. 12.3.3.2.1 GPMC Modes
          2. 12.3.3.2.2 GPMC I/O Signals
        3. 12.3.3.3 GPMC Integration
          1. 12.3.3.3.1 GPMC Integration in MAIN Domain
        4. 12.3.3.4 GPMC Functional Description
          1. 12.3.3.4.1  GPMC Block Diagram
          2. 12.3.3.4.2  GPMC Clock Configuration
          3. 12.3.3.4.3  GPMC Power Management
          4. 12.3.3.4.4  GPMC Interrupt Requests
          5. 12.3.3.4.5  GPMC Interconnect Port Interface
          6. 12.3.3.4.6  GPMC Address and Data Bus
            1. 12.3.3.4.6.1 GPMC I/O Configuration Setting
          7. 12.3.3.4.7  GPMC Address Decoder and Chip-Select Configuration
            1. 12.3.3.4.7.1 Chip-Select Base Address and Region Size
            2. 12.3.3.4.7.2 Access Protocol
              1. 12.3.3.4.7.2.1 Supported Devices
              2. 12.3.3.4.7.2.2 Access Size Adaptation and Device Width
              3. 12.3.3.4.7.2.3 Address/Data-Multiplexing Interface
            3. 12.3.3.4.7.3 External Signals
              1. 12.3.3.4.7.3.1 WAIT Pin Monitoring Control
                1. 12.3.3.4.7.3.1.1 Wait Monitoring During Asynchronous Read Access
                2. 12.3.3.4.7.3.1.2 Wait Monitoring During Asynchronous Write Access
                3. 12.3.3.4.7.3.1.3 Wait Monitoring During Synchronous Read Access
                4. 12.3.3.4.7.3.1.4 Wait Monitoring During Synchronous Write Access
                5. 12.3.3.4.7.3.1.5 Wait With NAND Device
                6. 12.3.3.4.7.3.1.6 Idle Cycle Control Between Successive Accesses
                  1. 3.3.4.7.3.1.6.1 Bus Turnaround (BUSTURNAROUND)
                  2. 3.3.4.7.3.1.6.2 Idle Cycles Between Accesses to Same Chip-Select (CYCLE2CYCLESAMECSEN, CYCLE2CYCLEDELAY)
                  3. 3.3.4.7.3.1.6.3 Idle Cycles Between Accesses to Different Chip-Select (CYCLE2CYCLEDIFFCSEN, CYCLE2CYCLEDELAY)
                7. 12.3.3.4.7.3.1.7 Slow Device Support (TIMEPARAGRANULARITY Parameter)
              2. 12.3.3.4.7.3.2 DIR Pin
              3. 12.3.3.4.7.3.3 Reset
              4. 12.3.3.4.7.3.4 Write Protect Signal (nWP)
              5. 12.3.3.4.7.3.5 Byte Enable (nBE1/nBE0)
            4. 12.3.3.4.7.4 Error Handling
          8. 12.3.3.4.8  GPMC Timing Setting
            1. 12.3.3.4.8.1  Read Cycle Time and Write Cycle Time (RDCYCLETIME / WRCYCLETIME)
            2. 12.3.3.4.8.2  nCS: Chip-Select Signal Control Assertion/Deassertion Time (CSONTIME / CSRDOFFTIME / CSWROFFTIME / CSEXTRADELAY)
            3. 12.3.3.4.8.3  nADV/ALE: Address Valid/Address Latch Enable Signal Control Assertion/Deassertion Time (ADVONTIME / ADVRDOFFTIME / ADVWROFFTIME / ADVEXTRADELAY/ADVAADMUXONTIME/ADVAADMUXRDOFFTIME/ADVAADMUXWROFFTIME)
            4. 12.3.3.4.8.4  nOE/nRE: Output Enable/Read Enable Signal Control Assertion/Deassertion Time (OEONTIME / OEOFFTIME / OEEXTRADELAY / OEAADMUXONTIME / OEAADMUXOFFTIME)
            5. 12.3.3.4.8.5  nWE: Write Enable Signal Control Assertion/Deassertion Time (WEONTIME / WEOFFTIME / WEEXTRADELAY)
            6. 12.3.3.4.8.6  GPMC_CLKOUT
            7. 12.3.3.4.8.7  GPMC Output Clock and Control Signals Setup and Hold
            8. 12.3.3.4.8.8  Access Time (RDACCESSTIME / WRACCESSTIME)
              1. 12.3.3.4.8.8.1 Access Time on Read Access
              2. 12.3.3.4.8.8.2 Access Time on Write Access
            9. 12.3.3.4.8.9  Page Burst Access Time (PAGEBURSTACCESSTIME)
              1. 12.3.3.4.8.9.1 Page Burst Access Time on Read Access
              2. 12.3.3.4.8.9.2 Page Burst Access Time on Write Access
            10. 12.3.3.4.8.10 Bus Keeping Support
          9. 12.3.3.4.9  GPMC NOR Access Description
            1. 12.3.3.4.9.1 Asynchronous Access Description
              1. 12.3.3.4.9.1.1 Access on Address/Data Multiplexed Devices
                1. 12.3.3.4.9.1.1.1 Asynchronous Single-Read Operation on an Address/Data Multiplexed Device
                2. 12.3.3.4.9.1.1.2 Asynchronous Single-Write Operation on an Address/Data-Multiplexed Device
                3. 12.3.3.4.9.1.1.3 Asynchronous Multiple (Page) Write Operation on an Address/Data-Multiplexed Device
              2. 12.3.3.4.9.1.2 Access on Address/Address/Data-Multiplexed Devices
                1. 12.3.3.4.9.1.2.1 Asynchronous Single Read Operation on an AAD-Multiplexed Device
                2. 12.3.3.4.9.1.2.2 Asynchronous Single-Write Operation on an AAD-Multiplexed Device
                3. 12.3.3.4.9.1.2.3 Asynchronous Multiple (Page) Read Operation on an AAD-Multiplexed Device
            2. 12.3.3.4.9.2 Synchronous Access Description
              1. 12.3.3.4.9.2.1 Synchronous Single Read
              2. 12.3.3.4.9.2.2 Synchronous Multiple (Burst) Read (4-, 8-, 16-Word16 Burst With Wraparound Capability)
              3. 12.3.3.4.9.2.3 Synchronous Single Write
              4. 12.3.3.4.9.2.4 Synchronous Multiple (Burst) Write
            3. 12.3.3.4.9.3 Asynchronous and Synchronous Accesses in non-multiplexed Mode
              1. 12.3.3.4.9.3.1 Asynchronous Single-Read Operation on non-multiplexed Device
              2. 12.3.3.4.9.3.2 Asynchronous Single-Write Operation on non-multiplexed Device
              3. 12.3.3.4.9.3.3 Asynchronous Multiple (Page Mode) Read Operation on non-multiplexed Device
              4. 12.3.3.4.9.3.4 Synchronous Operations on a non-multiplexed Device
            4. 12.3.3.4.9.4 Page and Burst Support
            5. 12.3.3.4.9.5 System Burst vs External Device Burst Support
          10. 12.3.3.4.10 GPMC pSRAM Access Specificities
          11. 12.3.3.4.11 GPMC NAND Access Description
            1. 12.3.3.4.11.1 NAND Memory Device in Byte or 16-bit Word Stream Mode
              1. 12.3.3.4.11.1.1 Chip-Select Configuration for NAND Interfacing in Byte or Word Stream Mode
              2. 12.3.3.4.11.1.2 NAND Device Command and Address Phase Control
              3. 12.3.3.4.11.1.3 Command Latch Cycle
              4. 12.3.3.4.11.1.4 Address Latch Cycle
              5. 12.3.3.4.11.1.5 NAND Device Data Read and Write Phase Control in Stream Mode
              6. 12.3.3.4.11.1.6 NAND Device General Chip-Select Timing Control Requirement
              7. 12.3.3.4.11.1.7 Read and Write Access Size Adaptation
                1. 12.3.3.4.11.1.7.1 8-Bit-Wide NAND Device
                2. 12.3.3.4.11.1.7.2 16-Bit-Wide NAND Device
            2. 12.3.3.4.11.2 NAND Device-Ready Pin
              1. 12.3.3.4.11.2.1 Ready Pin Monitored by Software Polling
              2. 12.3.3.4.11.2.2 Ready Pin Monitored by Hardware Interrupt
            3. 12.3.3.4.11.3 ECC Calculator
              1. 12.3.3.4.11.3.1 Hamming Code
                1. 12.3.3.4.11.3.1.1 ECC Result Register and ECC Computation Accumulation Size
                2. 12.3.3.4.11.3.1.2 ECC Enabling
                3. 12.3.3.4.11.3.1.3 ECC Computation
                4. 12.3.3.4.11.3.1.4 ECC Comparison and Correction
                5. 12.3.3.4.11.3.1.5 ECC Calculation Based on 8-Bit Word
                6. 12.3.3.4.11.3.1.6 ECC Calculation Based on 16-Bit Word
              2. 12.3.3.4.11.3.2 BCH Code
                1. 12.3.3.4.11.3.2.1 Requirements
                2. 12.3.3.4.11.3.2.2 Memory Mapping of BCH Codeword
                  1. 3.3.4.11.3.2.2.1 Memory Mapping of Data Message
                  2. 3.3.4.11.3.2.2.2 Memory-Mapping of the ECC
                  3. 3.3.4.11.3.2.2.3 Wrapping Modes
                    1. 3.4.11.3.2.2.3.1  Manual Mode (0x0)
                    2. 3.4.11.3.2.2.3.2  Mode 0x1
                    3. 3.4.11.3.2.2.3.3  Mode 0xA (10)
                    4. 3.4.11.3.2.2.3.4  Mode 0x2
                    5. 3.4.11.3.2.2.3.5  Mode 0x3
                    6. 3.4.11.3.2.2.3.6  Mode 0x7
                    7. 3.4.11.3.2.2.3.7  Mode 0x8
                    8. 3.4.11.3.2.2.3.8  Mode 0x4
                    9. 3.4.11.3.2.2.3.9  Mode 0x9
                    10. 3.4.11.3.2.2.3.10 Mode 0x5
                    11. 3.4.11.3.2.2.3.11 Mode 0xB (11)
                    12. 3.4.11.3.2.2.3.12 Mode 0x6
                3. 12.3.3.4.11.3.2.3 Supported NAND Page Mappings and ECC Schemes
                  1. 3.3.4.11.3.2.3.1 Per-Sector Spare Mappings
                  2. 3.3.4.11.3.2.3.2 Pooled Spare Mapping
                  3. 3.3.4.11.3.2.3.3 Per-Sector Spare Mapping, with ECC Separated at the End of the Page
            4. 12.3.3.4.11.4 Prefetch and Write-Posting Engine
              1. 12.3.3.4.11.4.1 General Facts About the Engine Configuration
              2. 12.3.3.4.11.4.2 Prefetch Mode
              3. 12.3.3.4.11.4.3 FIFO Control in Prefetch Mode
              4. 12.3.3.4.11.4.4 Write-Posting Mode
              5. 12.3.3.4.11.4.5 FIFO Control in Write-Posting Mode
              6. 12.3.3.4.11.4.6 Optimizing NAND Access Using the Prefetch and Write-Posting Engine
              7. 12.3.3.4.11.4.7 Interleaved Accesses Between Prefetch and Write-Posting Engine and Other Chip-Selects
          12. 12.3.3.4.12 GPMC Memory Regions
          13. 12.3.3.4.13 GPMC Use Cases and Tips
            1. 12.3.3.4.13.1 How to Set GPMC Timing Parameters for Typical Accesses
              1. 12.3.3.4.13.1.1 External Memory Attached to the GPMC Module
              2. 12.3.3.4.13.1.2 Typical GPMC Setup
                1. 12.3.3.4.13.1.2.1 GPMC Configuration for Synchronous Burst Read Access
                2. 12.3.3.4.13.1.2.2 GPMC Configuration for Asynchronous Read Access
                3. 12.3.3.4.13.1.2.3 GPMC Configuration for Asynchronous Single Write Access
            2. 12.3.3.4.13.2 How to Choose a Suitable Memory to Use With the GPMC
              1. 12.3.3.4.13.2.1 Supported Memories or Devices
                1. 12.3.3.4.13.2.1.1 Memory Pin Multiplexing
                2. 12.3.3.4.13.2.1.2 NAND Interface Protocol
                3. 12.3.3.4.13.2.1.3 NOR Interface Protocol
                4. 12.3.3.4.13.2.1.4 Other Technologies
        5. 12.3.3.5 GPMC Basic Programming Model
          1. 12.3.3.5.1 GPMC High-Level Programming Model Overview
          2. 12.3.3.5.2 GPMC Initialization
          3. 12.3.3.5.3 GPMC Configuration in NOR Mode
          4. 12.3.3.5.4 GPMC Configuration in NAND Mode
          5. 12.3.3.5.5 Set Memory Access
          6. 12.3.3.5.6 GPMC Timing Parameters
            1. 12.3.3.5.6.1 GPMC Timing Parameters Formulas
              1. 12.3.3.5.6.1.1 NAND Flash Interface Timing Parameters Formulas
              2. 12.3.3.5.6.1.2 Synchronous NOR Flash Timing Parameters Formulas
              3. 12.3.3.5.6.1.3 Asynchronous NOR Flash Timing Parameters Formulas
        6. 12.3.3.6 GPMC Registers
      4. 12.3.4 Error Location Module (ELM)
        1. 12.3.4.1 ELM Overview
          1. 12.3.4.1.1 ELM Features
          2. 12.3.4.1.2 ELM Not Supported Features
        2. 12.3.4.2 ELM Integration
          1. 12.3.4.2.1 ELM Integration in MAIN Domain
        3. 12.3.4.3 ELM Functional Description
          1. 12.3.4.3.1 ELM Software Reset
          2. 12.3.4.3.2 ELM Power Management
          3. 12.3.4.3.3 ELM Interrupt Requests
          4. 12.3.4.3.4 ELM Processing Initialization
          5. 12.3.4.3.5 ELM Processing Sequence
          6. 12.3.4.3.6 ELM Processing Completion
        4. 12.3.4.4 ELM Basic Programming Model
          1. 12.3.4.4.1 ELM Low-Level Programming Model
            1. 12.3.4.4.1.1 Processing Initialization
            2. 12.3.4.4.1.2 Read Results
            3. 12.3.4.4.1.3 5138
          2. 12.3.4.4.2 Use Case: ELM Used in Continuous Mode
          3. 12.3.4.4.3 Use Case: ELM Used in Page Mode
        5. 12.3.4.5 ELM Registers
      5. 12.3.5 Multi-Media Card Secure Digital (MMCSD) Interface
        1. 12.3.5.1 MMCSD Overview
          1. 12.3.5.1.1 MMCSD Features
          2. 12.3.5.1.2 MMCSD Not Supported Features
        2. 12.3.5.2 MMCSD Environment
          1. 12.3.5.2.1 Protocol and Data Format
            1. 12.3.5.2.1.1 Protocol
            2. 12.3.5.2.1.2 Data Format
              1. 12.3.5.2.1.2.1 Coding Scheme for Command Token
              2. 12.3.5.2.1.2.2 Coding Scheme for Response Token
              3. 12.3.5.2.1.2.3 Coding Scheme for Data Token
        3. 12.3.5.3 MMCSD Integration
          1. 12.3.5.3.1 MMCSD Integration in MAIN Domain
        4. 12.3.5.4 MMCSD Functional Description
          1. 12.3.5.4.1 Block Diagram
          2. 12.3.5.4.2 Memory Regions
          3. 12.3.5.4.3 Interrupt Requests
          4. 12.3.5.4.4 ECC Support
            1. 12.3.5.4.4.1 ECC Aggregator
          5. 12.3.5.4.5 Advanced DMA
        5. 12.3.5.5 MMCSD Programming Guide
          1. 12.3.5.5.1 Sequences
            1. 12.3.5.5.1.1  SD Card Detection
            2. 12.3.5.5.1.2  SD Clock Control
              1. 12.3.5.5.1.2.1 Internal Clock Setup Sequence
              2. 12.3.5.5.1.2.2 SD Clock Supply and Stop Sequence
              3. 12.3.5.5.1.2.3 SD Clock Frequency Change Sequence
            3. 12.3.5.5.1.3  SD Bus Power Control
            4. 12.3.5.5.1.4  Changing Bus Width
            5. 12.3.5.5.1.5  Timeout Setting on DAT Line
            6. 12.3.5.5.1.6  Card Initialization and Identification (for SD I/F)
              1. 12.3.5.5.1.6.1 Signal Voltage Switch Procedure (for UHS-I)
            7. 12.3.5.5.1.7  SD Transaction Generation
              1. 12.3.5.5.1.7.1 Transaction Control without Data Transfer Using DAT Line
                1. 12.3.5.5.1.7.1.1 The Sequence to Issue a SD Command
                2. 12.3.5.5.1.7.1.2 The Sequence to Finalize a Command
                3. 12.3.5.5.1.7.1.3 5178
              2. 12.3.5.5.1.7.2 Transaction Control with Data Transfer Using DAT Line
                1. 12.3.5.5.1.7.2.1 Not using DMA
                2. 12.3.5.5.1.7.2.2 Using SDMA
                3. 12.3.5.5.1.7.2.3 Using ADMA
            8. 12.3.5.5.1.8  Abort Transaction
              1. 12.3.5.5.1.8.1 Asynchronous Abort
              2. 12.3.5.5.1.8.2 Synchronous Abort
            9. 12.3.5.5.1.9  Changing Bus Speed Mode
            10. 12.3.5.5.1.10 Error Recovery
              1. 12.3.5.5.1.10.1 Error Interrupt Recovery
              2. 12.3.5.5.1.10.2 Auto CMD12 Error Recovery
            11. 12.3.5.5.1.11 Wakeup Control (Optional)
            12. 12.3.5.5.1.12 Suspend/Resume (Optional, Not Supported from Version 4.00)
              1. 12.3.5.5.1.12.1 Suspend Sequence
              2. 12.3.5.5.1.12.2 Resume Sequence
              3. 12.3.5.5.1.12.3 Stop At Block Gap/Continue Timing for Read Transaction
              4. 12.3.5.5.1.12.4 Stop At Block Gap/Continue Timing for Write Transaction
          2. 12.3.5.5.2 Driver Flow Sequence
            1. 12.3.5.5.2.1 Host Controller Setup and Card Detection
              1. 12.3.5.5.2.1.1 Host Controller Setup Sequence
              2. 12.3.5.5.2.1.2 Card Interface Detection Sequence
            2. 12.3.5.5.2.2 Boot Operation
              1. 12.3.5.5.2.2.1 Normal Boot Operation: (For Legacy eMMC 5.0)
              2. 12.3.5.5.2.2.2 Alternate Boot Operation (For Legacy eMMC 5.0):
              3. 12.3.5.5.2.2.3 Boot Code Chunk Read Operation (For Legacy eMMC 5.0):
            3. 12.3.5.5.2.3 Retuning procedure (For Legacy Interface)
              1. 12.3.5.5.2.3.1 Sampling Clock Tuning
              2. 12.3.5.5.2.3.2 Tuning Modes
              3. 12.3.5.5.2.3.3 Re-Tuning Mode 2
            4. 12.3.5.5.2.4 Command Queuing Driver Flow Sequence
              1. 12.3.5.5.2.4.1 Command Queuing Initialization Sequence
              2. 12.3.5.5.2.4.2 Task Issuance Sequence
              3. 12.3.5.5.2.4.3 Task Execution and Completion Sequence
              4. 12.3.5.5.2.4.4 Task Discard and Clear Sequence
              5. 12.3.5.5.2.4.5 Error Detect and Recovery when CQ is enabled
        6. 12.3.5.6 MMCSD Registers
          1. 12.3.5.6.1 MMCSD0 Subsystem Registers
          2. 12.3.5.6.2 MMCSD0 RX RAM ECC Aggregator Registers
          3. 12.3.5.6.3 MMCSD0 TX RAM ECC Aggregator Registers
          4. 12.3.5.6.4 MMCSD0 Host Controller Registers
          5. 12.3.5.6.5 MMCSD1 Subsystem Registers
          6. 12.3.5.6.6 MMCSD1 RX RAM ECC Aggregator Registers
          7. 12.3.5.6.7 MMCSD1 TX RAM ECC Aggregator Registers
          8. 12.3.5.6.8 MMCSD1 Host Controller Registers
    4. 12.4 Industrial and Control Interfaces
      1. 12.4.1 Modular Controller Area Network (MCAN)
        1. 12.4.1.1 MCAN Overview
          1. 12.4.1.1.1 MCAN Features
          2. 12.4.1.1.2 MCAN Not Supported Features
        2. 12.4.1.2 MCAN Environment
          1. 12.4.1.2.1 CAN Network Basics
        3. 12.4.1.3 MCAN Integration
          1. 12.4.1.3.1 MCAN Integration in MAIN Domain
        4. 12.4.1.4 MCAN Functional Description
          1. 12.4.1.4.1  Module Clocking Requirements
          2. 12.4.1.4.2  Interrupt and DMA Requests
            1. 12.4.1.4.2.1 Interrupt Requests
            2. 12.4.1.4.2.2 DMA Requests
          3. 12.4.1.4.3  Operating Modes
            1. 12.4.1.4.3.1 Software Initialization
            2. 12.4.1.4.3.2 Normal Operation
            3. 12.4.1.4.3.3 CAN FD Operation
            4. 12.4.1.4.3.4 Transmitter Delay Compensation
              1. 12.4.1.4.3.4.1 Description
              2. 12.4.1.4.3.4.2 Transmitter Delay Compensation Measurement
            5. 12.4.1.4.3.5 Restricted Operation Mode
            6. 12.4.1.4.3.6 Bus Monitoring Mode
            7. 12.4.1.4.3.7 Disabled Automatic Retransmission (DAR) Mode
              1. 12.4.1.4.3.7.1 Frame Transmission in DAR Mode
            8. 12.4.1.4.3.8 Power Down (Sleep Mode)
              1. 12.4.1.4.3.8.1 External Clock Stop Mode
              2. 12.4.1.4.3.8.2 Suspend Mode
              3. 12.4.1.4.3.8.3 Wakeup request
            9. 12.4.1.4.3.9 Test Modes
              1. 12.4.1.4.3.9.1 Internal Loopback Mode
          4. 12.4.1.4.4  Timestamp Generation
            1. 12.4.1.4.4.1 External Timestamp Counter
          5. 12.4.1.4.5  Timeout Counter
          6. 12.4.1.4.6  ECC Support
            1. 12.4.1.4.6.1 ECC Wrapper
            2. 12.4.1.4.6.2 ECC Aggregator
          7. 12.4.1.4.7  Rx Handling
            1. 12.4.1.4.7.1 Acceptance Filtering
              1. 12.4.1.4.7.1.1 Range Filter
              2. 12.4.1.4.7.1.2 Filter for specific IDs
              3. 12.4.1.4.7.1.3 Classic Bit Mask Filter
              4. 12.4.1.4.7.1.4 Standard Message ID Filtering
              5. 12.4.1.4.7.1.5 Extended Message ID Filtering
            2. 12.4.1.4.7.2 Rx FIFOs
              1. 12.4.1.4.7.2.1 Rx FIFO Blocking Mode
              2. 12.4.1.4.7.2.2 Rx FIFO Overwrite Mode
            3. 12.4.1.4.7.3 Dedicated Rx Buffers
              1. 12.4.1.4.7.3.1 Rx Buffer Handling
            4. 12.4.1.4.7.4 Debug on CAN Support
          8. 12.4.1.4.8  Tx Handling
            1. 12.4.1.4.8.1 Transmit Pause
            2. 12.4.1.4.8.2 Dedicated Tx Buffers
            3. 12.4.1.4.8.3 Tx FIFO
            4. 12.4.1.4.8.4 Tx Queue
            5. 12.4.1.4.8.5 Mixed Dedicated Tx Buffers/Tx FIFO
            6. 12.4.1.4.8.6 Mixed Dedicated Tx Buffers/Tx Queue
            7. 12.4.1.4.8.7 Transmit Cancellation
            8. 12.4.1.4.8.8 Tx Event Handling
          9. 12.4.1.4.9  FIFO Acknowledge Handling
          10. 12.4.1.4.10 Message RAM
            1. 12.4.1.4.10.1 Message RAM Configuration
            2. 12.4.1.4.10.2 Rx Buffer and FIFO Element
            3. 12.4.1.4.10.3 Tx Buffer Element
            4. 12.4.1.4.10.4 Tx Event FIFO Element
            5. 12.4.1.4.10.5 Standard Message ID Filter Element
            6. 12.4.1.4.10.6 Extended Message ID Filter Element
        5. 12.4.1.5 MCAN Registers
          1. 12.4.1.5.1 MCAN Subsystem Registers
          2. 12.4.1.5.2 MCAN Core Registers
          3. 12.4.1.5.3 MCAN ECC Aggregator Registers
      2. 12.4.2 Enhanced Capture (ECAP) Module
        1. 12.4.2.1 ECAP Overview
          1. 12.4.2.1.1 ECAP Features
        2. 12.4.2.2 ECAP Environment
          1. 12.4.2.2.1 ECAP I/O Interface
        3. 12.4.2.3 ECAP Integration
          1. 12.4.2.3.1 Daisy-Chain Connectivity between ECAP Modules
        4. 12.4.2.4 ECAP Functional Description
          1. 12.4.2.4.1 Capture and APWM Operating Modes
            1. 12.4.2.4.1.1 ECAP Capture Mode Description
              1. 12.4.2.4.1.1.1 ECAP Event Prescaler
              2. 12.4.2.4.1.1.2 ECAP Edge Polarity Select and Qualifier
              3. 12.4.2.4.1.1.3 ECAP Continuous/One-Shot Control
              4. 12.4.2.4.1.1.4 ECAP 32-Bit Counter and Phase Control
              5. 12.4.2.4.1.1.5 CAP1-CAP4 Registers
              6. 12.4.2.4.1.1.6 ECAP Interrupt Control
              7. 12.4.2.4.1.1.7 ECAP Shadow Load and Lockout Control
            2. 12.4.2.4.1.2 ECAP APWM Mode Operation
          2. 12.4.2.4.2 Summary of ECAP Functional Registers
        5. 12.4.2.5 ECAP Use Cases
          1. 12.4.2.5.1 Absolute Time-Stamp Operation Rising Edge Trigger Example
            1. 12.4.2.5.1.1 Code Snippet for CAP Mode Absolute Time, Rising Edge Trigger
          2. 12.4.2.5.2 Absolute Time-Stamp Operation Rising and Falling Edge Trigger Example
            1. 12.4.2.5.2.1 Code Snippet for CAP Mode Absolute Time, Rising and Falling Edge Trigger
          3. 12.4.2.5.3 Time Difference (Delta) Operation Rising Edge Trigger Example
            1. 12.4.2.5.3.1 Code Snippet for CAP Mode Delta Time, Rising Edge Trigger
          4. 12.4.2.5.4 Time Difference (Delta) Operation Rising and Falling Edge Trigger Example
            1. 12.4.2.5.4.1 Code Snippet for CAP Mode Delta Time, Rising and Falling Edge Triggers
          5. 12.4.2.5.5 Application of the APWM Mode
            1. 12.4.2.5.5.1 Simple PWM Generation (Independent Channel/s) Example
              1. 12.4.2.5.5.1.1 Code Snippet for APWM Mode
            2. 12.4.2.5.5.2 Multichannel PWM Generation with Synchronization Example
              1. 12.4.2.5.5.2.1 Code Snippet for Multichannel PWM Generation with Synchronization
            3. 12.4.2.5.5.3 Multichannel PWM Generation with Phase Control Example
              1. 12.4.2.5.5.3.1 Code Snippet for Multichannel PWM Generation with Phase Control
        6. 12.4.2.6 ECAP Registers
      3. 12.4.3 Enhanced Pulse Width Modulation (EPWM) Module
        1. 12.4.3.1 EPWM Overview
          1. 12.4.3.1.1 EPWM Features
          2. 12.4.3.1.2 EPWM Not Supported Features
          3. 12.4.3.1.3 Multiple EPWM Module Details
        2. 12.4.3.2 EPWM Environment
        3. 12.4.3.3 EPWM Integration
          1. 12.4.3.3.1 EPWM Additional Integration Details
            1. 12.4.3.3.1.1 EPWM Tripzone Connectivity
            2. 12.4.3.3.1.2 Daisy-Chain Connectivity between EPWM Modules
            3. 12.4.3.3.1.3 ADC start of conversion signals (PWM_SOCA and PWM_SOCB)
            4. 12.4.3.3.1.4 EPWM Modules Time-Base Clock Gating
        4. 12.4.3.4 EPWM Functional Description
          1. 12.4.3.4.1  EPWM Submodule Features
            1. 12.4.3.4.1.1 Constant Definitions Used in the EPWM Code Examples
          2. 12.4.3.4.2  EPWM Time-Base (TB) Submodule
            1. 12.4.3.4.2.1 Overview
            2. 12.4.3.4.2.2 Controlling and Monitoring the EPWM Time-Base Submodule
            3. 12.4.3.4.2.3 Calculating PWM Period and Frequency
              1. 12.4.3.4.2.3.1 EPWM Time-Base Period Shadow Register
              2. 12.4.3.4.2.3.2 EPWM Time-Base Counter Synchronization
            4. 12.4.3.4.2.4 Phase Locking the Time-Base Clocks of Multiple EPWM Modules
            5. 12.4.3.4.2.5 EPWM Time-Base Counter Modes and Timing Waveforms
          3. 12.4.3.4.3  EPWM Counter-Compare (CC) Submodule
            1. 12.4.3.4.3.1 Overview
            2. 12.4.3.4.3.2 Controlling and Monitoring the EPWM Counter-Compare Submodule
            3. 12.4.3.4.3.3 Operational Highlights for the EPWM Counter-Compare Submodule
            4. 12.4.3.4.3.4 EPWM Counter-Compare Submodule Timing Waveforms
          4. 12.4.3.4.4  EPWM Action-Qualifier (AQ) Submodule
            1. 12.4.3.4.4.1 Overview
            2. 12.4.3.4.4.2 Controlling and Monitoring the EPWM Action-Qualifier Submodule
            3. 12.4.3.4.4.3 EPWM Action-Qualifier Event Priority
            4. 12.4.3.4.4.4 Waveforms for Common EPWM Configurations
          5. 12.4.3.4.5  EPWM Dead-Band Generator (DB) Submodule
            1. 12.4.3.4.5.1 Overview
            2. 12.4.3.4.5.2 Controlling and Monitoring the EPWM Dead-Band Submodule
            3. 12.4.3.4.5.3 Operational Highlights for the EPWM Dead-Band Generator Submodule
          6. 12.4.3.4.6  EPWM-Chopper (PC) Submodule
            1. 12.4.3.4.6.1 Overview
            2. 12.4.3.4.6.2 5369
            3. 12.4.3.4.6.3 Controlling the EPWM-Chopper Submodule
            4. 12.4.3.4.6.4 Operational Highlights for the EPWM-Chopper Submodule
            5. 12.4.3.4.6.5 EPWM-Chopper Waveforms
              1. 12.4.3.4.6.5.1 EPWM-Chopper One-Shot Pulse
              2. 12.4.3.4.6.5.2 EPWM-Chopper Duty Cycle Control
          7. 12.4.3.4.7  EPWM Trip-Zone (TZ) Submodule
            1. 12.4.3.4.7.1 Overview
            2. 12.4.3.4.7.2 Controlling and Monitoring the EPWM Trip-Zone Submodule
            3. 12.4.3.4.7.3 Operational Highlights for the EPWM Trip-Zone Submodule
            4. 12.4.3.4.7.4 Generating EPWM Trip-Event Interrupts
          8. 12.4.3.4.8  EPWM Event-Trigger (ET) Submodule
            1. 12.4.3.4.8.1 Overview
            2. 12.4.3.4.8.2 Controlling and Monitoring the EPWM Event-Trigger Submodule
            3. 12.4.3.4.8.3 Operational Overview of the EPWM Event-Trigger Submodule
            4. 12.4.3.4.8.4 Operation Overview of the EPWM SOCx Pulse Generator
          9. 12.4.3.4.9  EPWM Functional Register Groups
          10. 12.4.3.4.10 Proper EPWM Interrupt Initialization Procedure
        5. 12.4.3.5 EPWM Registers
      4. 12.4.4 Enhanced Quadrature Encoder Pulse (EQEP) Module
        1. 12.4.4.1 EQEP Overview
          1. 12.4.4.1.1 EQEP Features
          2. 12.4.4.1.2 EQEP Not Supported Features
        2. 12.4.4.2 EQEP Environment
          1. 12.4.4.2.1 EQEP I/O Interface
        3. 12.4.4.3 EQEP Integration
          1. 12.4.4.3.1 Device Specific EQEP Features
        4. 12.4.4.4 EQEP Functional Description
          1. 12.4.4.4.1 EQEP Inputs
          2. 12.4.4.4.2 EQEP Quadrature Decoder Unit (QDU)
            1. 12.4.4.4.2.1 EQEP Position Counter Input Modes
              1. 12.4.4.4.2.1.1 Quadrature Count Mode
              2. 12.4.4.4.2.1.2 EQEP Direction-count Mode
              3. 12.4.4.4.2.1.3 EQEP Up-Count Mode
              4. 12.4.4.4.2.1.4 EQEP Down-Count Mode
            2. 12.4.4.4.2.2 EQEP Input Polarity Selection
            3. 12.4.4.4.2.3 EQEP Position-Compare Sync Output
          3. 12.4.4.4.3 EQEP Position Counter and Control Unit (PCCU)
            1. 12.4.4.4.3.1 EQEP Position Counter Operating Modes
              1. 12.4.4.4.3.1.1 EQEP Position Counter Reset on Index Event (EQEP_QDEC_QEP_CTL[29-28] PCRM] = 0b00)
              2. 12.4.4.4.3.1.2 EQEP Position Counter Reset on Maximum Position (EQEP_QDEC_QEP_CTL[29-28] PCRM=0b01)
              3. 12.4.4.4.3.1.3 Position Counter Reset on the First Index Event (EQEP_QDEC_QEP_CTL[29-28] PCRM = 0b10)
              4. 12.4.4.4.3.1.4 Position Counter Reset on Unit Time out Event (EQEP_QDEC_QEP_CTL[29-28] PCRM = 0b11)
            2. 12.4.4.4.3.2 EQEP Position Counter Latch
              1. 12.4.4.4.3.2.1 Index Event Latch
              2. 12.4.4.4.3.2.2 EQEP Strobe Event Latch
            3. 12.4.4.4.3.3 EQEP Position Counter Initialization
            4. 12.4.4.4.3.4 EQEP Position-Compare Unit
          4. 12.4.4.4.4 EQEP Edge Capture Unit
          5. 12.4.4.4.5 EQEP Watchdog
          6. 12.4.4.4.6 Unit Timer Base
          7. 12.4.4.4.7 EQEP Interrupt Structure
          8. 12.4.4.4.8 Summary of EQEP Functional Registers
        5. 12.4.4.5 EQEP Registers
      5. 12.4.5 Fast Serial Interface (FSI)
        1. 12.4.5.1 FSI Overview
          1. 12.4.5.1.1 FSI Features
          2. 12.4.5.1.2 FSI Not Supported Featurs
        2. 12.4.5.2 FSI Environment
          1. 12.4.5.2.1 Signal Description
        3. 12.4.5.3 FSI Integration
          1. 12.4.5.3.1 FSI Interrupts
            1. 12.4.5.3.1.1 Transmitter Interrupts
            2. 12.4.5.3.1.2 Receiver Interrupts
            3. 12.4.5.3.1.3 Configuring Interrupts
            4. 12.4.5.3.1.4 Handling Interrupts
        4. 12.4.5.4 FSI Functional Description
          1. 12.4.5.4.1 FSI Functional Description
          2. 12.4.5.4.2 FSI Transmitter Module (FSI_TX)
            1. 12.4.5.4.2.1 Initialization
            2. 12.4.5.4.2.2 FSI_TX Clocking
            3. 12.4.5.4.2.3 Transmitting Frames
              1. 12.4.5.4.2.3.1 Software Triggered Frames
              2. 12.4.5.4.2.3.2 Ping Frame Generation
                1. 12.4.5.4.2.3.2.1 Automatic Ping Frames
                2. 12.4.5.4.2.3.2.2 Software Triggered Ping Frame
            4. 12.4.5.4.2.4 Transmit Buffer Management
            5. 12.4.5.4.2.5 CRC Submodule
            6. 12.4.5.4.2.6 Conditions in Which the Transmitter Must Undergo a Soft Reset
            7. 12.4.5.4.2.7 Reset
          3. 12.4.5.4.3 FSI Receiver Module (FSI_RX)
            1. 12.4.5.4.3.1  Initialization
            2. 12.4.5.4.3.2  FSI_RX Clocking
            3. 12.4.5.4.3.3  Receiving Frames
            4. 12.4.5.4.3.4  Ping Frame Watchdog
            5. 12.4.5.4.3.5  Frame Watchdog
            6. 12.4.5.4.3.6  Delay Line Control
            7. 12.4.5.4.3.7  Buffer Management
            8. 12.4.5.4.3.8  CRC Submodule
            9. 12.4.5.4.3.9  Using the Zero Bits of the Receiver Tag Registers
            10. 12.4.5.4.3.10 Conditions in Which the Receiver Must Undergo a Soft Reset
            11. 12.4.5.4.3.11 FSI_RX Reset
          4. 12.4.5.4.4 Frame Format
            1. 12.4.5.4.4.1 FSI Frame Phases
            2. 12.4.5.4.4.2 Frame Types
              1. 12.4.5.4.4.2.1 Ping Frames
              2. 12.4.5.4.4.2.2 Error Frames
              3. 12.4.5.4.4.2.3 Data Frames
            3. 12.4.5.4.4.3 Multi-Lane Transmission
          5. 12.4.5.4.5 Flush Sequence
          6. 12.4.5.4.6 Internal Loopback
          7. 12.4.5.4.7 CRC Generation
          8. 12.4.5.4.8 ECC Module
          9. 12.4.5.4.9 FSI-SPI Compatibility Mode
            1. 12.4.5.4.9.1 Available SPI Modes
              1. 12.4.5.4.9.1.1 FSITX as SPI Controller, Transmit Only
                1. 12.4.5.4.9.1.1.1 Initialization
                2. 12.4.5.4.9.1.1.2 Operation
              2. 12.4.5.4.9.1.2 FSIRX as SPI Peripheral, Receive Only
                1. 12.4.5.4.9.1.2.1 Initialization
                2. 12.4.5.4.9.1.2.2 Operation
              3. 12.4.5.4.9.1.3 FSITX and FSIRX Emulating a Full Duplex SPI Controller
                1. 12.4.5.4.9.1.3.1 Initialization
                2. 12.4.5.4.9.1.3.2 Operation
        5. 12.4.5.5 FSI Programing Guide
          1. 12.4.5.5.1 Establishing the Communication Link
            1. 12.4.5.5.1.1 Establishing the Communication Link from the Main Device
            2. 12.4.5.5.1.2 Establishing the Communication Link from the Remote Device
          2. 12.4.5.5.2 Register Protection
          3. 12.4.5.5.3 Emulation Mode
        6. 12.4.5.6 FSI Registers
          1. 12.4.5.6.1 FSITX Registers
          2. 12.4.5.6.2 FSIRX Registers
    5. 12.5 Timer Modules
      1. 12.5.1 Global Timebase Counter (GTC)
        1. 12.5.1.1 Global Timebase Counter (GTC)
          1. 12.5.1.1.1 GTC Overview
            1. 12.5.1.1.1.1 GTC Features
            2. 12.5.1.1.1.2 GTC Not Supported Features
          2. 12.5.1.1.2 GTC Integration
        2. 12.5.1.2 GTC Functional Description
          1. 12.5.1.2.1 GTC Block Diagram
          2. 12.5.1.2.2 GTC Counter
          3. 12.5.1.2.3 GTC Register Partitioning
        3. 12.5.1.3 GTC Registers
          1. 12.5.1.3.1  GTC_CFG0_GTC_PID Registers
          2. 12.5.1.3.2  GTC_CFG0_GTC_GTC_PID Registers
          3. 12.5.1.3.3  GTC_CFG0_GTC_PUSHEVT Registers
          4. 12.5.1.3.4  GTC_CFG1_GTC_CNTCR Registers
          5. 12.5.1.3.5  GTC_CFG1_GTC_CNTSR Registers
          6. 12.5.1.3.6  GTC_CFG1_GTC_CNTCV_LO Registers
          7. 12.5.1.3.7  GTC_CFG1_GTC_CNTCV_HI Registers
          8. 12.5.1.3.8  GTC_CFG1_GTC_CNTFID0 Registers
          9. 12.5.1.3.9  GTC_CFG1_GTC_CNTFID1 Registers
          10. 12.5.1.3.10 GTC_CFG2_GTC_CNTCVS_LO Registers
          11. 12.5.1.3.11 GTC_CFG2_GTC_CNTCVS_HI Registers
          12. 12.5.1.3.12 GTC_CFG3_GTC_CNTTIDR Registers
          13. 12.5.1.3.13 Access Table
      2. 12.5.2 RTI-Windowed Watchdog Timer (WWDT)
        1. 12.5.2.1 RTI Overview
          1. 12.5.2.1.1 RTI Features
          2. 12.5.2.1.2 RTI Not Supported Features
        2. 12.5.2.2 RTI Integration
          1. 12.5.2.2.1 RTI Integration in MCU Domain
          2. 12.5.2.2.2 RTI Integration in MAIN Domain
        3. 12.5.2.3 RTI Functional Description
          1. 12.5.2.3.1 RTI Digital Windowed Watchdog
            1. 12.5.2.3.1.1 RTI Debug Mode Behavior
            2. 12.5.2.3.1.2 RTI Low Power Mode Operation
          2. 12.5.2.3.2 RTI Digital Watchdog
          3. 12.5.2.3.3 RTI Counter Operation
        4. 12.5.2.4 RTI Registers
      3. 12.5.3 Timers
        1. 12.5.3.1 Timers Overview
          1. 12.5.3.1.1 Timers Features
          2. 12.5.3.1.2 Timers Not Supported Features
        2. 12.5.3.2 Timers Environment
          1. 12.5.3.2.1 Timer External System Interface
        3. 12.5.3.3 Timers Integration
          1. 12.5.3.3.1 Timers Integration in MCU Domain
          2. 12.5.3.3.2 Timers Integration in MAIN Domain
        4. 12.5.3.4 Timers Functional Description
          1. 12.5.3.4.1  Timer Block Diagram
          2. 12.5.3.4.2  Timer Power Management
            1. 12.5.3.4.2.1 Wake-Up Capability
          3. 12.5.3.4.3  Timer Software Reset
          4. 12.5.3.4.4  Timer Interrupts
          5. 12.5.3.4.5  Timer Mode Functionality
            1. 12.5.3.4.5.1 1-ms Tick Generation
          6. 12.5.3.4.6  Timer Capture Mode Functionality
          7. 12.5.3.4.7  Timer Compare Mode Functionality
          8. 12.5.3.4.8  Timer Prescaler Functionality
          9. 12.5.3.4.9  Timer Pulse-Width Modulation
          10. 12.5.3.4.10 Timer Counting Rate
          11. 12.5.3.4.11 Timer Under Emulation
          12. 12.5.3.4.12 Accessing Timer Registers
            1. 12.5.3.4.12.1 Writing to Timer Registers
              1. 12.5.3.4.12.1.1 Write Posting Synchronization Mode
              2. 12.5.3.4.12.1.2 Write Nonposting Synchronization Mode
            2. 12.5.3.4.12.2 Reading From Timer Counter Registers
              1. 12.5.3.4.12.2.1 Read Posted
              2. 12.5.3.4.12.2.2 Read Non-Posted
          13. 12.5.3.4.13 Timer Posted Mode Selection
        5. 12.5.3.5 Timers Low-Level Programming Models
          1. 12.5.3.5.1 Timer Global Initialization
            1. 12.5.3.5.1.1 Main Sequence – Timer Module Global Initialization
          2. 12.5.3.5.2 Timer Operational Mode Configuration
            1. 12.5.3.5.2.1 Timer Mode
              1. 12.5.3.5.2.1.1 Main Sequence – Timer Mode Configuration
            2. 12.5.3.5.2.2 Timer Compare Mode
              1. 12.5.3.5.2.2.1 Main Sequence – Timer Compare Mode Configuration
            3. 12.5.3.5.2.3 Timer Capture Mode
              1. 12.5.3.5.2.3.1 Main Sequence – Timer Capture Mode Configuration
              2. 12.5.3.5.2.3.2 Subsequence – Initialize Capture Mode
              3. 12.5.3.5.2.3.3 Subsequence – Detect Event
            4. 12.5.3.5.2.4 Timer PWM Mode
              1. 12.5.3.5.2.4.1 Main Sequence – Timer PWM Mode Configuration
        6. 12.5.3.6 Timers Registers
    6. 12.6 Internal Diagnostics Modules
      1. 12.6.1 Dual Clock Comparator (DCC)
        1. 12.6.1.1 DCC Overview
          1. 12.6.1.1.1 DCC Features
          2. 12.6.1.1.2 DCC Not Supported Features
        2. 12.6.1.2 DCC Integration
          1. 12.6.1.2.1 DCC Integration in MCU Domain
            1. 12.6.1.2.1.1 MCU DCC Input Source Clock Mapping
          2. 12.6.1.2.2 DCC Integration in MAIN Domain
            1. 12.6.1.2.2.1 DCC Input Source Clock Mapping
        3. 12.6.1.3 DCC Functional Description
          1. 12.6.1.3.1 DCC Counter Operation
          2. 12.6.1.3.2 DCC Low Power Mode Operation
          3. 12.6.1.3.3 DCC Suspend Mode Behavior
          4. 12.6.1.3.4 DCC Single-Shot Mode
          5. 12.6.1.3.5 DCC Continuous mode
            1. 12.6.1.3.5.1 DCC Continue on Error
            2. 12.6.1.3.5.2 DCC Error Count
          6. 12.6.1.3.6 DCC Control and count hand-off across clock domains
          7. 12.6.1.3.7 DCC Error Trajectory record
            1. 12.6.1.3.7.1 DCC FIFO capturing for Errors
            2. 12.6.1.3.7.2 DCC FIFO in continuous capture mode
            3. 12.6.1.3.7.3 DCC FIFO Details
            4. 12.6.1.3.7.4 DCC FIFO Debug mode behavior
          8. 12.6.1.3.8 DCC Count read registers
        4. 12.6.1.4 DCC Registers
      2. 12.6.2 Error Signaling Module (ESM)
        1. 12.6.2.1 ESM Overview
          1. 12.6.2.1.1 ESM Features
        2. 12.6.2.2 ESM Environment
        3. 12.6.2.3 ESM Integration
          1. 12.6.2.3.1 ESM Integration in MCU Domain
          2. 12.6.2.3.2 ESM Integration in MAIN Domain
        4. 12.6.2.4 ESM Functional Description
          1. 12.6.2.4.1 ESM Interrupt Requests
            1. 12.6.2.4.1.1 ESM Configuration Error Interrupt
            2. 12.6.2.4.1.2 ESM Low Priority Error Interrupt
              1. 12.6.2.4.1.2.1 ESM Low Priority Error Level Event
              2. 12.6.2.4.1.2.2 ESM Low Priority Error Pulse Event
            3. 12.6.2.4.1.3 ESM High Priority Error Interrupt
              1. 12.6.2.4.1.3.1 ESM High Priority Error Level Event
              2. 12.6.2.4.1.3.2 ESM High Priority Error Pulse Event
          2. 12.6.2.4.2 ESM Error Event Inputs
          3. 12.6.2.4.3 ESM Error Pin Output
          4. 12.6.2.4.4 PWM Mode
          5. 12.6.2.4.5 ESM Minimum Time Interval
          6. 12.6.2.4.6 ESM Protection for Registers
          7. 12.6.2.4.7 ESM Clock Stop
        5. 12.6.2.5 ESM Registers
      3. 12.6.3 Memory Cyclic Redundancy Check (MCRC) Controller
        1. 12.6.3.1 MCRC Overview
          1. 12.6.3.1.1 MCRC Features
          2. 12.6.3.1.2 MCRC Not Supported Features
        2. 12.6.3.2 MCRC Integration
        3. 12.6.3.3 MCRC Functional Description
          1. 12.6.3.3.1  MCRC Block Diagram
          2. 12.6.3.3.2  MCRC General Operation
          3. 12.6.3.3.3  MCRC Modes of Operation
            1. 12.6.3.3.3.1 AUTO Mode
            2. 12.6.3.3.3.2 Semi-CPU Mode
            3. 12.6.3.3.3.3 Full-CPU Mode
          4. 12.6.3.3.4  PSA Signature Register
          5. 12.6.3.3.5  PSA Sector Signature Register
          6. 12.6.3.3.6  CRC Value Register
          7. 12.6.3.3.7  Raw Data Register
          8. 12.6.3.3.8  Example DMA Controller Setup
            1. 12.6.3.3.8.1 AUTO Mode Using Hardware Timer Trigger
            2. 12.6.3.3.8.2 AUTO Mode Using Software Trigger
            3. 12.6.3.3.8.3 Semi-CPU Mode Using Hardware Timer Trigger
          9. 12.6.3.3.9  Pattern Count Register
          10. 12.6.3.3.10 Sector Count Register/Current Sector Register
          11. 12.6.3.3.11 Interrupts
            1. 12.6.3.3.11.1 Overrun Interrupt
            2. 12.6.3.3.11.2 Timeout Interrupt
            3. 12.6.3.3.11.3 Underrun Interrupt
            4. 12.6.3.3.11.4 Compression Complete Interrupt
            5. 12.6.3.3.11.5 Interrupt Offset Register
            6. 12.6.3.3.11.6 Error Handling
          12. 12.6.3.3.12 Power Down Mode
          13. 12.6.3.3.13 Emulation
        4. 12.6.3.4 MCRC Programming Examples
          1. 12.6.3.4.1 Example: Auto Mode Using Time Based Event Triggering
            1. 12.6.3.4.1.1 DMA Setup
            2. 12.6.3.4.1.2 Timer Setup
            3. 12.6.3.4.1.3 CRC Setup
          2. 12.6.3.4.2 Example: Auto Mode Without Using Time Based Triggering
            1. 12.6.3.4.2.1 DMA Setup
            2. 12.6.3.4.2.2 CRC Setup
          3. 12.6.3.4.3 Example: Semi-CPU Mode
            1. 12.6.3.4.3.1 DMA Setup
            2. 12.6.3.4.3.2 Timer Setup
            3. 12.6.3.4.3.3 CRC Setup
          4. 12.6.3.4.4 Example: Full-CPU Mode
            1. 12.6.3.4.4.1 CRC Setup
        5. 12.6.3.5 MCRC Registers
      4. 12.6.4 ECC Aggregator
        1. 12.6.4.1 ECC Aggregator Overview
          1. 12.6.4.1.1 ECC Aggregator Features
        2. 12.6.4.2 ECC Aggregator Integration
        3. 12.6.4.3 ECC Aggregator Functional Description
          1. 12.6.4.3.1 ECC Aggregator Block Diagram
          2. 12.6.4.3.2 ECC Aggregator Register Groups
          3. 12.6.4.3.3 Read Access to the ECC Control and Status Registers
          4. 12.6.4.3.4 Serial Write Operation
          5. 12.6.4.3.5 Interrupts
          6. 12.6.4.3.6 Inject Only Mode
        4. 12.6.4.4 ECC Aggregators Interconnect
        5. 12.6.4.5 ECC Aggregator Registers
  15. 13On-Chip Debug
    1. 13.1 On-Chip Debug Overview
    2. 13.2 On-Chip Debug Features
    3.     5688
    4. 13.3 On-Chip Debug Functional Description
      1. 13.3.1  On-Chip Debug Block Diagram
      2. 13.3.2  Device Interfaces
        1. 13.3.2.1 JTAG Interface
        2. 13.3.2.2 Trigger and Debug Boot Mode Interface
        3. 13.3.2.3 Trace Port Interface
      3. 13.3.3  Debug and Boundary Scan Access and Control
      4. 13.3.4  Debug Boot Modes and Boundary Scan Compliance
      5. 13.3.5  Power, Reset, Clock Management
      6. 13.3.6  Debug Cross Triggering
      7. 13.3.7  R5FSS0/R5FSS1 Debug
      8. 13.3.8  DMSC Debug
      9. 13.3.9  A53SS0 Debug
      10. 13.3.10 PRU_ICSSG0/PRU_ICSSG1 Debug
      11. 13.3.11 SoC Debug and Trace
        1. 13.3.11.1 Software messaging trace
        2. 13.3.11.2 Debug-Aware Peripherals
        3. 13.3.11.3 Traffic Monitoring With Bus Probes
        4. 13.3.11.4 Global timestamping for trace
      12. 13.3.12 Trace Traffic
        1. 13.3.12.1 Trace Sources
        2. 13.3.12.2 Trace Infrasctructure
        3. 13.3.12.3 Trace Sinks
      13. 13.3.13 Application Support
  16. 14Revision History
CPSW0 RMII Interface

Figure 12-341 shows a device with integrated EMAC and MDIO interfaced via a RMII connection in a typical system. The individual CPSW0 and MDIO signals for the RMII interface are summarized in Table 12-638.

The CPSW0 module integrated in the device supports internal and external clock sources in RMII mode. Figure 12-341 shows the internal clock source for RMII_MHZ_50_CLK clock. It is 50 MHz clock source that is provided on the CLKOUT0 device pin. This clock has to be routed on the PCB to the RMII_REF_CLK device pin and the external PHY, RMII clock input.

For more information, refer to either the IEEE 802.3 standard or ISO/IEC 8802-3:2000(E).

GUID-50C1A2CA-9B0F-4C34-9219-B1BE77C1374C-low.gif Figure 12-341 RMII Interface Typical Application (Internal Clock Source)

Figure 12-342 shows the external clock source for RMII_MHZ_50_CLK clock. In this case a 50 MHz clock is available on the PCB and it can be sourced from an oscillator or from the Ethernet PHY. This externally generated clock should be routed to both RMII_REF_CLK device pin and the external PHY, RMII clock input.

GUID-97DC7513-CE32-4117-8573-0ECAB867B49F-low.gif Figure 12-342 RMII Interface Typical Application (External Clock Source)
Table 12-638 RMII I/O Description
Signal(2) Device Pin(s) I/O(1) Description
RMIIn_TXD[1:0] RMIIn_TXD[1:0] O Transmit data. The transmit data pins are a collection of 2 bits of data. TXD0 is the least-significant bit (LSB). The signals are synchronized by RMII_MHZ_50_CLK and valid only when RMIIn_TX_EN is asserted.
RMIIn_TX_EN RMIIn_TX_EN O RMII transmit enable. The transmit enable signal indicates that the RMIIn_TXD[1:0] pins are generating data for use by the PHY. RMIIn_TX_EN is synchronous to RMII_MHZ_50_CLK.
RMII_MHZ_50_CLK RMII_REF_CLK I RMII 50MHz reference clock.
The reference clock is used to synchronize all RMII signals. RMII_MHZ_50_CLK must be continuous and fixed at 50 MHz.
RMIIn_RXD[1:0] RMIIn_RXD[1:0] I Receive data. The receive data pins are a collection of 2 bits of data. RXD0 is the least-significant bit (LSB). The signals are synchronized by RMII_MHZ_50_CLK and valid only when RMIIn_CRS_DV is asserted and RMIIn_RX_ER is de-asserted.
RMIIn_CRS_DV RMIIn_CRS_DV I Carrier sense/receive data valid. Multiplexed signal between carrier sense and receive data valid.
RMIIn_RX_ER RMIIn_RX_ER I Receive error. The receive error signal is asserted to indicate that an error was detected in the received frame.
MDIO_MCLK MDIO0_MDC O Management data clock (MDIO_MCLK). The MDIO data clock is sourced by the MDIO module on the system. It is used to synchronize MDIO data access operations done on the MDIO0_MDIO data pin.
MDIO_MDIO MDIO0_MDIO I/O MDIO data pin drives PHY management data into and out of the PHY by way of an access frame consisting of start of frame, read/write indication, PHY address, register address, and data bit cycles. The MDIO0_MDIO pin acts as an output for all but the data bit cycles at which time it is an input for read operations.
I = Input; O = Output
n 1 to 2