SPRUIM2H May 2020 – October 2023 AM2431 , AM2432 , AM2434 , AM6411 , AM6412 , AM6421 , AM6422 , AM6441 , AM6442
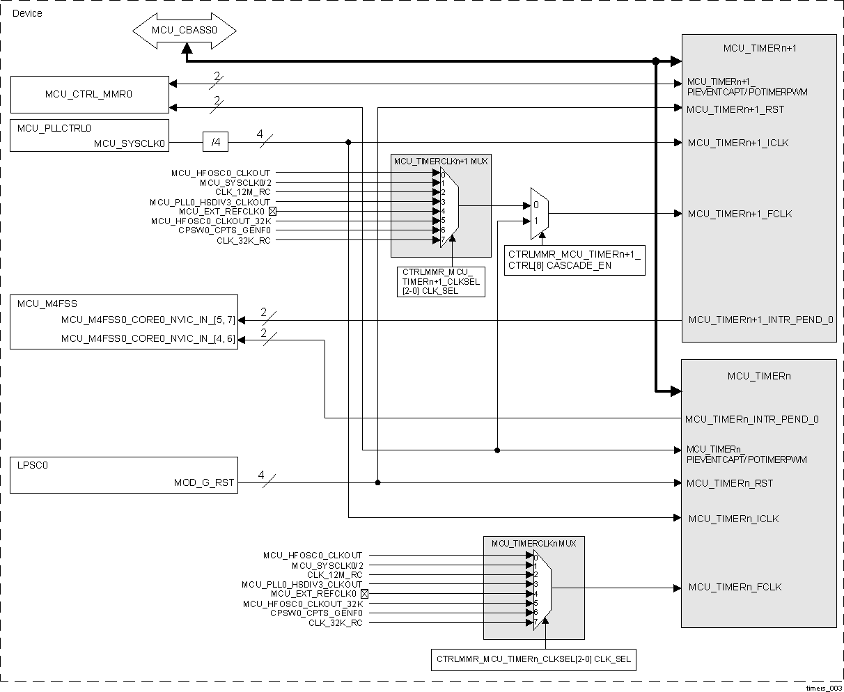
There are four timer modules integrated in the device MCU domain - MCU_TIMER0 through MCU_TIMER3. Figure 12-2471 shows their integration in the device.
Each timer instance is supplied by dedicated TIMERCLKn clock mux. For MCU_TIMERn+1 the TIMERCLKn output is further muxed with the TIMERn_POTIMERPWM output.

Table 12-4709 through Table 12-4712 summarize the integration of MCU_TIMER0 through MCU_TIMER3 in device MCU domain.
| Module Instance | Power Sleep Controller | Power Domain | Module Domain | Interconnect |
|---|---|---|---|---|
| MCU_TIMER0 | MCU_PSC0 | PD0 | LPSC0 | MCU_CBASS0 |
| MCU_TIMER1 | MCU_PSC0 | PD0 | LPSC0 | MCU_CBASS0 |
| MCU_TIMER2 | MCU_PSC0 | PD0 | LPSC0 | MCU_CBASS0 |
| MCU_TIMER3 | MCU_PSC0 | PD0 | LPSC0 | MCU_CBASS0 |
| Module Instance | Module Clock Input | Source Clock Signal | Source | Description |
|---|---|---|---|---|
| MCU_TIMER0 | MCU_TIMER0_ICLK | MCU_SYSCLK0/4 | MCU_PLLCTRL0 | MCU_TIMER0 Interface Clock |
| MCU_TIMER0_FCLK | MCU_HFOSC0_CLKOUT | MCU_HFOSC0 | MCU_TIMER0 Functional Clock. Output of multiplexor MCU_TIMERCLK0 MUX controlled by CTRLMMR_MCU_TIMER0_CLKSEL[2-0] CLK_SEL in Section 5.1, Control Module (CTRL_MMR) | |
| MCU_SYSCLK0/2 | MCU_PLLCTRL0 | |||
| CLK_12M_RC | MCU_RC_OSC_12M | |||
| MCU_PLL0_HSDIV3_CLKOUT | MCU_PLL0_HSDIV3 | |||
| MCU_EXT_REFCLK0 | I/O pin | |||
| MCU_HFOSC0_CLKOUT_32K | MCU_HFOSC0 | |||
| CPSW0_CPTS_GENF0 | CPSW0 | |||
| CLK_32K_RC | MCU_RC_OSC_12M | |||
| MCU_TIMER1 | MCU_TIMER1_ICLK | MCU_SYSCLK0/4 | MCU_PLLCTRL0 | MCU_TIMER1 Interface Clock |
| MCU_TIMER1_FCLK | MCU_HFOSC0_CLKOUT | MCU_HFOSC0 | MCU_TIMER1 Functional Clock. Output of multiplexor MCU_TIMERCLK1 MUX controlled by CTRLMMR_MCU_TIMER1_CLKSEL[2-0] CLK_SEL or MCU_TIMER0_POTIMERPWM in Section 5.1, Control Module (CTRL_MMR) | |
| MCU_SYSCLK0/2 | MCU_PLLCTRL0 | |||
| CLK_12M_RC | MCU_RC_OSC_12M | |||
| MCU_PLL0_HSDIV3_CLKOUT | MCU_PLL0_HSDIV3 | |||
| MCU_EXT_REFCLK0 | I/O pin | |||
| MCU_HFOSC0_CLKOUT_32K | MCU_HFOSC0 | |||
| CPSW0_CPTS_GENF0 | CPSW0 | |||
| CLK_32K_RC | MCU_RC_OSC_12M | |||
| MCU_TIMER2 | MCU_TIMER2_ICLK | MCU_SYSCLK0/4 | MCU_PLLCTRL0 | MCU_TIMER2 Interface Clock |
| MCU_TIMER2_FCLK | MCU_HFOSC0_CLKOUT | MCU_HFOSC0 | MCU_TIMER2 Functional Clock. Output of multiplexor MCU_TIMERCLK2 MUX controlled by CTRLMMR_MCU_TIMER2_CLKSEL[2-0] CLK_SEL in Section 5.1, Control Module (CTRL_MMR) | |
| MCU_SYSCLK0/2 | MCU_PLLCTRL0 | |||
| CLK_12M_RC | MCU_RC_OSC_12M | |||
| MCU_PLL0_HSDIV3_CLKOUT | MCU_PLL0_HSDIV3 | |||
| MCU_EXT_REFCLK0 | I/O pin | |||
| MCU_HFOSC0_CLKOUT_32K | MCU_HFOSC0 | |||
| CPSW0_CPTS_GENF0 | CPSW0 | |||
| CLK_32K_RC | MCU_RC_OSC_12M | |||
| MCU_TIMER3 | MCU_TIMER3_ICLK | MCU_SYSCLK0/4 | MCU_PLLCTRL0 | MCU_TIMER3 Interface Clock |
| MCU_TIMER3_FCLK | MCU_HFOSC0_CLKOUT | MCU_HFOSC0 | MCU_TIMER3 Functional Clock. Output of multiplexor MCU_TIMERCLK3 MUX controlled by CTRLMMR_MCU_TIMER3_CLKSEL[2-0] CLK_SEL or MCU_TIMER2_POTIMERPWM in Section 5.1, Control Module (CTRL_MMR) | |
| MCU_SYSCLK0/2 | MCU_PLLCTRL0 | |||
| CLK_12M_RC | MCU_RC_OSC_12M | |||
| MCU_PLL0_HSDIV3_CLKOUT | MCU_PLL0_HSDIV3 | |||
| MCU_EXT_REFCLK0 | I/O pin | |||
| MCU_HFOSC0_CLKOUT_32K | MCU_HFOSC0 | |||
| CPSW0_CPTS_GENF0 | CPSW0 | |||
| CLK_32K_RC | MCU_RC_OSC_12M |
| Module Instance | Module Reset Input | Source Reset Signal | Source | Description |
|---|---|---|---|---|
| MCU_TIMER0 | MCU_TIMER0_RST | MOD_G_RST | LPSC0 | Asyncronous Reset to MCU_TIMER0 |
| MCU_TIMER1 | MCU_TIMER1_RST | MOD_G_RST | LPSC0 | Asyncronous Reset to MCU_TIMER1 |
| MCU_TIMER2 | MCU_TIMER2_RST | MOD_G_RST | LPSC0 | Asyncronous Reset to MCU_TIMER2 |
| MCU_TIMER3 | MCU_TIMER3_RST | MOD_G_RST | LPSC0 | Asyncronous Reset to MCU_TIMER3 |
| Module Instance | Module Interrupt Signal | Destination Interrupt Input | Destination | Description | Type |
|---|---|---|---|---|---|
| MCU_TIMER0 | MCU_TIMER0_INTR_PEND_0 | MCU_M4FSS0_CORE0_NVIC_IN_4 | MCU_M4FSS0_CORE0 | MCU_TIMER0 Interrupt Request | Level |
| MCU_TIMER1 | MCU_TIMER1_INTR_PEND_0 | MCU_M4FSS0_CORE0_NVIC_IN_5 | MCU_M4FSS0_CORE0 | MCU_TIMER1 Interrupt Request | Level |
| MCU_TIMER2 | MCU_TIMER2_INTR_PEND_0 | MCU_M4FSS0_CORE0_NVIC_IN_6 | MCU_M4FSS0_CORE0 | MCU_TIMER2 Interrupt Request | Level |
| MCU_TIMER3 | MCU_TIMER3_INTR_PEND_0 | MCU_M4FSS0_CORE0_NVIC_IN_7 | MCU_M4FSS0_CORE0 | MCU_TIMER3 Interrupt Request | Level |
Timer interrupts are further described in Section 12.5.3.4.4, Timer Interrupts.
For more information on the interconnects, see Chapter 3, System Interconnect.
For more information on the power, reset and clock management, see the corresponding sections within Chapter 5, Device Configuration.
For more information on the device interrupt controllers, see Section 9.2, Interrupt Controllers.