ZHCA050E August   2021  – June 2022 CD4016B , CD4016B-MIL , CD4051B , CD4051B-MIL , CD4051B-Q1 , CD4052B , CD4052B-MIL , CD4053B , CD4053B-MIL , CD4053B-Q1 , CD4066B , CD4066B-MIL , CD4066B-Q1 , CD4067B , CD4067B-MIL , CD4097B , CD4097B-MIL , CD54HC4051 , CD54HC4052 , CD54HC4053 , CD54HC4066 , CD54HC4316 , CD54HC4351 , CD54HCT4051 , CD74HC4016 , CD74HC4051 , CD74HC4051-EP , CD74HC4051-Q1 , CD74HC4052 , CD74HC4053 , CD74HC4066 , CD74HC4067 , CD74HC4316 , CD74HC4351 , CD74HC4352 , CD74HCT4051 , CD74HCT4051-Q1 , CD74HCT4052 , CD74HCT4053 , CD74HCT4066 , CD74HCT4066-Q1 , CD74HCT4067 , CD74HCT4067-Q1 , CD74HCT4316 , CD74HCT4351 , LMH6580 , LMH6583 , LMH6586 , LMS4684 , MAX4594 , MAX4595 , MAX4596 , MAX4597 , MPC506 , MPC507 , MPC508 , MPC509 , MUX36D04 , MUX36D08 , MUX36S08 , MUX36S16 , MUX506 , MUX507 , MUX508 , MUX509 , SN3257-Q1 , SN54CBTD3384 , SN74AHC4066 , SN74AUC1G66 , SN74AUC2G53 , SN74AUC2G66 , SN74CB3Q16210 , SN74CB3Q16211 , SN74CB3Q16244 , SN74CB3Q16245 , SN74CB3Q16811 , SN74CB3Q3125 , SN74CB3Q3244 , SN74CB3Q3245 , SN74CB3Q3251 , SN74CB3Q3253 , SN74CB3Q3257 , SN74CB3Q3305 , SN74CB3Q3306A , SN74CB3Q3306A-EP , SN74CB3Q3345 , SN74CB3Q3384A , SN74CB3Q6800 , SN74CB3T16210 , SN74CB3T16210-Q1 , SN74CB3T16211 , SN74CB3T16212 , SN74CB3T1G125 , SN74CB3T1G125-Q1 , SN74CB3T3125 , SN74CB3T3245 , SN74CB3T3253 , SN74CB3T3257 , SN74CB3T3306 , SN74CB3T3383 , SN74CB3T3384 , SN74CBT16209A , SN74CBT16210 , SN74CBT16210C , SN74CBT16211A , SN74CBT16211C , SN74CBT16212A , SN74CBT16212C , SN74CBT16213 , SN74CBT16214 , SN74CBT16214C , SN74CBT162292 , SN74CBT16232 , SN74CBT16233 , SN74CBT16244 , SN74CBT16244C , SN74CBT16245 , SN74CBT16245C , SN74CBT16292 , SN74CBT16390 , SN74CBT16800C , SN74CBT16811C , SN74CBT16861 , SN74CBT1G125 , SN74CBT1G384 , SN74CBT3125 , SN74CBT3125C , SN74CBT3126 , SN74CBT3244 , SN74CBT3244C , SN74CBT3245A , SN74CBT3245C , SN74CBT3251 , SN74CBT3253 , SN74CBT3253C , SN74CBT3257 , SN74CBT3257C , SN74CBT3305C , SN74CBT3306 , SN74CBT3306C , SN74CBT3345 , SN74CBT3345C , SN74CBT3383 , SN74CBT3383C , SN74CBT3384A , SN74CBT3384C , SN74CBT34X245 , SN74CBT3861 , SN74CBT6800A , SN74CBT6800C , SN74CBT6845C , SN74CBTD16210 , SN74CBTD16211 , SN74CBTD1G125 , SN74CBTD1G384 , SN74CBTD3305C , SN74CBTD3306 , SN74CBTD3306C , SN74CBTD3384 , SN74CBTD3384C , SN74CBTD3861 , SN74CBTH16211 , SN74CBTK6800 , SN74CBTLV16210 , SN74CBTLV16211 , SN74CBTLV16212 , SN74CBTLV16292 , SN74CBTLV16800 , SN74CBTLV1G125 , SN74CBTLV1G125-Q1 , SN74CBTLV3125 , SN74CBTLV3126 , SN74CBTLV3245A , SN74CBTLV3251 , SN74CBTLV3253 , SN74CBTLV3257 , SN74CBTLV3257-EP , SN74CBTLV3383 , SN74CBTLV3384 , SN74CBTLV3857 , SN74CBTLV3861 , SN74CBTLV3861-Q1 , SN74CBTS16211 , SN74CBTS16212 , SN74CBTS3306 , SN74CBTS3384 , SN74CBTS6800 , SN74HC151-Q1 , SN74HC4066 , SN74HC4851 , SN74HC4851-Q1 , SN74HC4852 , SN74HC4852-Q1 , SN74LV4051A , SN74LV4051A-EP , SN74LV4051A-Q1 , SN74LV4052A , SN74LV4052A-EP , SN74LV4052A-Q1 , SN74LV4053A , SN74LV4053A-EP , SN74LV4053A-Q1 , SN74LV4066A , SN74LVC1G3157 , SN74LVC1G3157-Q1 , SN74LVC1G66 , SN74LVC1G66-Q1 , SN74LVC2G53 , SN74LVC2G66 , SN74LVC2G66-Q1 , SN74TVC16222A , SN74TVC3010 , SN74TVC3306 , TMUX1072 , TMUX1101 , TMUX1102 , TMUX1104 , TMUX1108 , TMUX1109 , TMUX1111 , TMUX1112 , TMUX1113 , TMUX1119 , TMUX1121 , TMUX1122 , TMUX1123 , TMUX1133 , TMUX1134 , TMUX1136 , TMUX1204 , TMUX1208 , TMUX1209 , TMUX1219 , TMUX1247 , TMUX1308 , TMUX1308-Q1 , TMUX1309 , TMUX136 , TMUX1511 , TMUX154E , TMUX1574 , TMUX4051 , TMUX4052 , TMUX4053 , TMUX6104 , TMUX6111 , TMUX6112 , TMUX6113 , TMUX6119 , TMUX6121 , TMUX6122 , TMUX6123 , TMUX6136 , TS12A12511 , TS12A44513 , TS12A44514 , TS12A44515 , TS12A4514 , TS12A4515 , TS12A4516 , TS12A4517 , TS3A225E , TS3A24157 , TS3A24159 , TS3A27518E , TS3A27518E-Q1 , TS3A44159 , TS3A4741 , TS3A4742 , TS3A4751 , TS3A5017 , TS3A5017-Q1 , TS3A5018 , TS3A5223 , TS5A1066 , TS5A12301E , TS5A2053 , TS5A2066 , TS5A21366 , TS5A22362 , TS5A22364 , TS5A22364-Q1 , TS5A22366 , TS5A23157 , TS5A23157-Q1 , TS5A23159 , TS5A23160 , TS5A23166 , TS5A23167 , TS5A26542 , TS5A3153 , TS5A3154 , TS5A3157 , TS5A3159 , TS5A3159-EP , TS5A3159-Q1 , TS5A3159A , TS5A3160 , TS5A3166 , TS5A3166-Q1 , TS5A3167 , TS5A3357 , TS5A3357-Q1 , TS5A3359 , TS5A4594 , TS5A4595 , TS5A4596 , TS5A4597 , TS5A4624 , TS5A623157 , TS5A63157 , TS5A6542 , TS5A9411 , TS5MP645 , TS5MP646 , TS5N118 , TS5N214 , TS5N412

 

  1.   选择正确的德州仪器 (TI) 信号开关
  2.   商标
  3. 1引言
    1. 1.1 理想与非理想开关
  4. 2信号开关基本结构
    1. 2.1 NFET 开关
    2. 2.2 传输门开关
    3. 2.3 带有电荷泵的 NFET
  5. 3模拟与数字信号开关
    1. 3.1 双向开关
    2. 3.2 配置和通道
  6. 4信号开关规格和特性
  7. 5德州仪器 (TI) 模拟信号开关和多路复用器产品系列
    1. 5.1 精密开关和多路复用器
    2. 5.2 保护开关和多路复用器
    3. 5.3 通用开关和多路复用器
    4. 5.4 汽车开关和多路复用器
  8. 6数字信号应用中的开关和多路复用器性能
  9. 7应用
    1. 7.1 SPI 多路复用
    2. 7.2 对外部 ADC的信号进行多路复用
    3. 7.3 故障敏感条件下对外部 ADC的信号进行多路复用
    4. 7.4 可切换的运算放大器增益设置
    5. 7.5 多路复用车身控制模块 (BCM) 输入
    6. 7.6 使用外部电阻器选择高电流范围
    7. 7.7 工厂自动化控制系统中的故障保护
    8. 7.8 采样和保持电路
  10. 8总结
  11. 9修订历史记录
  12.   A 附录 A
    1.     A.1 模拟性能 – CD、HC、CBT、LVC 和 LV
    2.     A.2 SN74CBT 特性
    3.     A.3 CD74HCT 特性
    4.     A.4 CD74HC 特性
    5.     A.5 SN74HC 特性
    6.     A.6 CD4066B 特性
    7.     A.7 LV-A 特性
    8.     A.8 LVC 特性
    9.     A.9 CBTLV 特性

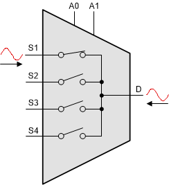
双向开关

这种开关有两个含义:

  • 开关从源极 (S) 到漏极 (D) 和从漏极 (D) 到源极 (S) 的导电性能相同。每个通道在两个方向上都有非常相似的特性,并都支持模拟和数字信号。TI 模拟开关和多路复用器通常是双向的(图 3-1)。
    GUID-947EF951-2207-43DA-9529-63A185470F5E-low.gif图 3-1 双向信号路径
  • 开关可用于模拟或数字应用。
请参阅开关和多路复用器:开关和多路复用器是双向的吗?,了解更多详细信息。