SLAU292G November   2009  â€“ July 2015

 

  1.   Read This First
    1.     If You Need Assistance
    2.     Related Documentation from Texas Instruments
    3.     FCC, IC, and Other Geographical Radio Use Restrictions
    4.     Environmental Operating Conditions
    5.     Export Control Regulations
    6.     Patents
    7.     Trademarks
  2. 1eZ430-Chronos™ Overview
    1. 1.1 Overview
    2. 1.2 eZ430-Chronos Features
    3. 1.3 Kit Contents
  3. 2Getting Started
    1. 2.1 Using the eZ430-Chronos Wrist Module Stand Alone
      1. 2.1.1 Setting the Time
      2. 2.1.2 Setting the Date
      3. 2.1.3 Feature Overview and Menu Structure
    2. 2.2 Install Demo Application, Drivers and Firmware
      1. 2.2.1 Windows® Installation
      2. 2.2.2 Linux® Installation
    3. 2.3 Using the eZ430-Chronos Wrist Module With a PC
      1. 2.3.1 Transmission of Acceleration Data and Button Pushes
        1. 2.3.1.1 PC Mouse Control
        2. 2.3.1.2 PowerPoint Control
  4. 3eZ430-Chronos Software
    1. 3.1 Overview
    2. 3.2 eZ430-Chronos Demo Software
      1. 3.2.1 Detailed Feature Overview - Modes Using the Top LCD Line
        1. 3.2.1.1 Time Mode
        2. 3.2.1.2 Alarm Mode
        3. 3.2.1.3 Temperature Mode
        4. 3.2.1.4 Altimeter Mode
        5. 3.2.1.5 Heart Rate Mode - RF Additional accessory or eZ430-Chronos Control Center heart rate simulation required.
        6. 3.2.1.6 Speed Mode - RF Additional accessory or eZ430-Chronos Control Center heart rate simulation required.
        7. 3.2.1.7 Tilt Mode
      2. 3.2.2 Detailed Feature Overview - Modes Using the Bottom LCD Line
        1. 3.2.2.1 Date Mode
        2. 3.2.2.2 Stopwatch Mode
        3. 3.2.2.3 Battery Voltage Mode
        4. 3.2.2.4 Acceleration Mode - RF
        5. 3.2.2.5 PowerPoint Mode - RF
        6. 3.2.2.6 Sync Mode - RF
        7. 3.2.2.7 Calorie/Distance Mode - RF Additional accessory or eZ430-Chronos Control Center heart rate simulation required.
        8. 3.2.2.8 Wireless Update - RF
    3. 3.3 eZ430-Chronos Control Center PC Software
      1. 3.3.1 SimpliciTI Acc/PPT Tab (Mouse and PowerPoint Control)
        1. 3.3.1.1 Acc Mode
        2. 3.3.1.2 PPT Mode
      2. 3.3.2 Key Configuration Tab
      3. 3.3.3 SimpliciTI™ Sync
      4. 3.3.4 BlueRobin™ Heart Rate Simulator
      5. 3.3.5 Wireless Update
    4. 3.4 eZ430-Chronos Data Logger
      1. 3.4.1 Detailed Feature Overview
        1. 3.4.1.1 Data Logger Mode
    5. 3.5 Data Logger PC Software
      1. 3.5.1 SimpliciTI Data Logger
      2. 3.5.2 Wireless Update
    6. 3.6 eZ430-Chronos Software Projects
      1. 3.6.1 IDE Installation
      2. 3.6.2 eZ430-Chronos Software Flow
      3. 3.6.3 eZ430-Chronos Wireless Update Feature
        1. 3.6.3.1 Overview and Components of the Wireless Update Feature
        2. 3.6.3.2 Detailed Description of the Wireless Update Feature
        3. 3.6.3.3 Error Handling
        4. 3.6.3.4 Upgrading Existing eZ430-Chronos Kits
          1. 3.6.3.4.1 RF Access Point Update
            1. 3.6.3.4.1.1 Access Point Based on MSP430F5509 Microcontroller and CC1101 Transceiver
            2. 3.6.3.4.1.2 Access Point Based on CC1111
          2. 3.6.3.4.2 eZ430-Chronos Wrist Module Update
            1. 3.6.3.4.2.1 eZ430-Chronos Wrist Module Update Using IAR
      4. 3.6.4 eZ430-Chronos Firmware
        1. 3.6.4.1 Using Code Composer Studio™ v5.5
        2. 3.6.4.2 Using IAR Embedded Workbench™
      5. 3.6.5 eZ430-Chronos GUI Sources
        1. 3.6.5.1 eZ430-Chronos GUI for Windows
          1. 3.6.5.1.1 TCL/TK Handling
          2. 3.6.5.1.2 Control Center DLL
        2. 3.6.5.2 eZ430-Chronos GUI for Linux
  5. 4eZ430-Chronos Hardware
    1. 4.1 Programming the eZ430-Chronos Wrist Module: Disassembly and Assembly of the Housing
      1. 4.1.1 Disassembly of eZ430-Chronos Wrist Module
      2. 4.1.2 Assembly of eZ430-Chronos Wrist Module
    2. 4.2 Functional Description of the eZ430-Chronos Wrist Module
    3. 4.3 Functional Description of the eZ430-Chronos RF Access Point
      1. 4.3.1 Access Point With Black PCB
      2. 4.3.2 Access Point With White PCB
    4. 4.4 Functional Description of the eZ430-Chronos Debug Interface
      1. 4.4.1 MSP430 Application UART
    5. 4.5 Schematics, Layout, BOM, and LCD
      1. 4.5.1 eZ430-Chronos-433 Wrist Module With Black PCB
      2. 4.5.2 eZ430-Chronos-433 Wrist Module With White PCB
      3. 4.5.3 eZ430-Chronos-868 and -915 Wrist Modules With Black PCB
      4. 4.5.4 eZ430-Chronos-868 and -915 Wrist Modules With White PCB
      5. 4.5.5 LCD
    6. 4.6 Access Point Schematics, Layout, and BOM
      1. 4.6.1 eZ430-Chronos-433 With Black PCB RF Access Point
      2. 4.6.2 eZ430-Chronos-433 With White PCB RF Access Point
      3. 4.6.3 eZ430-Chronos-868 and -915 With Black PCB RF Access Point
      4. 4.6.4 eZ430-Chronos-868 and -915 With White PCB RF Access Point
      5. 4.6.5 Debugging Interface Schematics and Layout
  6. AFrequently Asked Questions
    1. A.1 FAQs
  7. BDetailed Hardware Driver Installation Guide
    1. B.1 Overview
    2. B.2 eZ430-Chronos RF Access Point
    3. B.3 eZ430-RF Debug Interface
  8.   Revision History

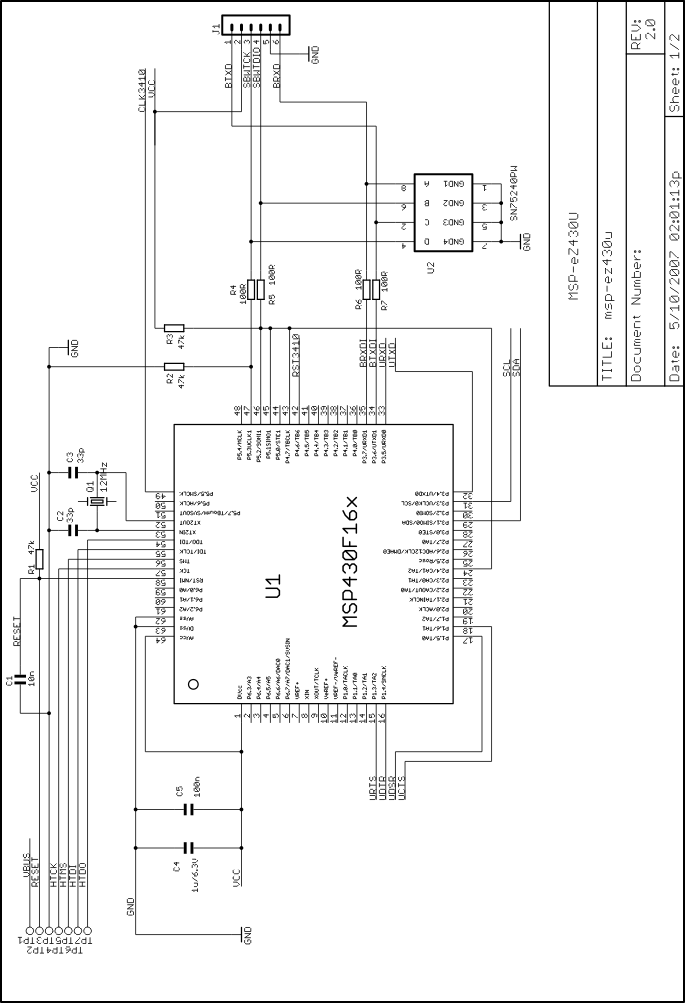
Debugging Interface Schematics and Layout

usb_debug_if_schematic_1.gifFigure 4-56 USB Debug Interface, Schematic
usb_debug_if_schematic_2.gifFigure 4-57 USB Debug Interface, Schematic
usb_debug_if_pcb_components_top.gifFigure 4-58 USB Debug Interface, PCB Components on Top Layer
usb_debug_if_pcb_components_bottom.gifFigure 4-59 USB Debug Interface, PCB Components on Bottom Layer
usb_debug_if_layout_top.gifFigure 4-60 USB Debug Interface, Layout Top Layer
usb_debug_if_layout_bottom.gifFigure 4-61 USB Debug Interface, Layout Bottom Layer