SPRUIL1D May 2019 – December 2024 DRA829J , DRA829J-Q1 , DRA829V , DRA829V-Q1 , TDA4VM , TDA4VM-Q1
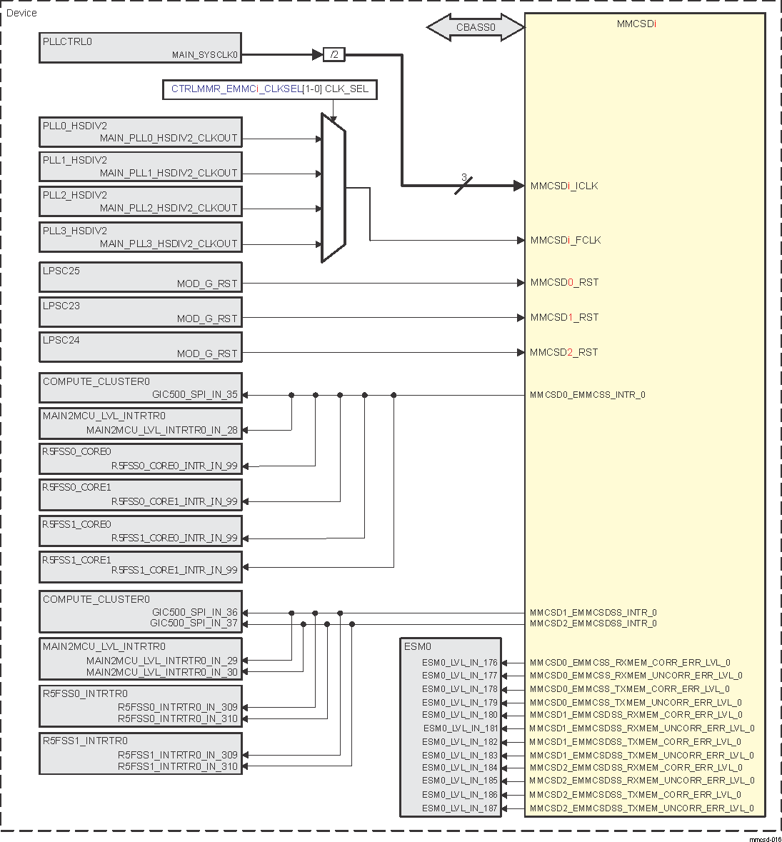
There are three MMCSD modules integrated in the device MAIN domain - MMCSD0, MMCSD1 and MMCSD2. Figure 12-297 shows the integration of MMCSD0, MMCSD1 and MMCSD2.

Table 12-381 through Table 12-383 summarize the integration of MMCSD0, MMCSD1 and MMCSD2 in the device MAIN domain.
| Module Instance | Attributes | |||
| Power Sleep Controller | Power Domain | Module Domain | Interconnect | |
| MMCSD0 | PSC0 | PD0 | LPSC25 | CBASS0 |
| MMCSD1 | PSC0 | PD0 | LPSC23 | CBASS0 |
| MMCSD2 | PSC0 | PD0 | LPSC24 | CBASS0 |
| Clocks | ||||
| Module Instance | Module Clock Input | Source Clock Signal | Source | Description |
| MMCSD0 | MMCSD0_ICLK | MAIN_SYSCLK0/2 | PLLCTRL0 | MMCSD0 Interface Clock |
| MMCSD0_FCLK | MAIN_PLL0_HSDIV2_CLKOUT (MMCSD0 default selection) | PLL0_HSDIV2 | MMCSD0 Functional Clock (for more information about clock multiplexing, see CTRLMMR_EMMC0_CLKSEL[1-0] CLK_SEL bit field in Control Module (CTRL_MMR). Default: CTRLMMR_EMMC0_CLKSEL[1-0] CLK_SEL = 0, MAIN_PLL0_HSDIV2_CLKOUT is selected) | |
| MAIN_PLL1_HSDIV2_CLKOUT (MMCSD1 default selection) | PLL1_HSDIV2 | |||
| MAIN_PLL2_HSDIV2_CLKOUT (MMCSD2 default selection) | PLL2_HSDIV2 | |||
| MAIN_PLL3_HSDIV2_CLKOUT (can be used by any MMCSD) | PLL3_HSDIV2 | |||
| MMCSD1 | MMCSD1_ICLK | MAIN_SYSCLK0/2 | PLLCTRL0 | MMCSD1 Interface Clock |
| MMCSD1_FCLK | MAIN_PLL0_HSDIV2_CLKOUT (MMCSD0 default selection) | PLL0_HSDIV2 | MMCSD1 Functional Clock (for more information about clock multiplexing, see CTRLMMR_EMMC1_CLKSEL[1-0] CLK_SEL bit field in Control Module (CTRL_MMR). Default: CTRLMMR_EMMC1_CLKSEL[1-0] CLK_SEL = 0, MAIN_PLL0_HSDIV2_CLKOUT is selected) | |
| MAIN_PLL1_HSDIV2_CLKOUT (MMCSD1 default selection) | PLL1_HSDIV2 | |||
| MAIN_PLL2_HSDIV2_CLKOUT (MMCSD2 default selection) | PLL2_HSDIV2 | |||
| MAIN_PLL3_HSDIV2_CLKOUT (can be used by any MMCSD) | PLL3_HSDIV2 | |||
| MMCSD2 | MMCSD2_ICLK | MAIN_SYSCLK0/2 | PLLCTRL0 | MMCSD2 Interface Clock |
| MMCSD2_FCLK | MAIN_PLL0_HSDIV2_CLKOUT (MMCSD0 default selection) | PLL0_HSDIV2 | MMCSD2 Functional Clock (for more information about clock multiplexing, see CTRLMMR_EMMC2_CLKSEL[1-0] CLK_SEL bit field in Control Module (CTRL_MMR). Default: CTRLMMR_EMMC2_CLKSEL[1-0] CLK_SEL = 0, MAIN_PLL0_HSDIV2_CLKOUT is selected) | |
| MAIN_PLL1_HSDIV2_CLKOUT (MMCSD1 default selection) | PLL1_HSDIV2 | |||
| MAIN_PLL2_HSDIV2_CLKOUT (MMCSD2 default selection) | PLL2_HSDIV2 | |||
| MAIN_PLL3_HSDIV2_CLKOUT (can be used by any MMCSD) | PLL3_HSDIV2 | |||
| Resets | ||||
| Module Instance | Module Reset Input | Source Reset Signal | Source | Description |
| MMCSD0 | MMCSD0_RST | MOD_G_RST | LPSC25 | MMCSD0 Asynchronous Reset |
| MMCSD1 | MMCSD1_RST | MOD_G_RST | LPSC23 | MMCSD1 Asynchronous Reset |
| MMCSD2 | MMCSD2_RST | MOD_G_RST | LPSC24 | MMCSD2 Asynchronous Reset |
| Interrupt Requests | |||||
| Module Instance | Module Interrupt Signal | Destination Interrupt Input | Destination | Description | Type |
| MMCSD0 | MMCSD0_EMMCSS_INTR_0 | GIC500_SPI_IN_35 | COMPUTE_CLUSTER0 | MMCSD0 Interrupt Request | Level |
| MAIN2MCU_LVL_INTRTR0_IN_28 | MAIN2MCU_LVL_INTRTR0 | ||||
| R5FSS0_CORE0_INTR_IN_99 | R5FSS0_CORE0 | ||||
| R5FSS0_CORE1_INTR_IN_99 | R5FSS0_CORE1 | ||||
| R5FSS1_CORE0_INTR_IN_99 | R5FSS1_CORE0 | ||||
| R5FSS1_CORE1_INTR_IN_99 | R5FSS1_CORE1 | ||||
| MMCSD0_EMMCSS_RXMEM_CORR_ERR_LVL_0 | ESM0_LVL_IN_176 | ESM0 | MMCSD0 Receive ECC Correctable Error Interrupt Request | Level | |
| MMCSD0_EMMCSS_RXMEM_UNCORR_ERR_LVL_0 | ESM0_LVL_IN_177 | ESM0 | MMCSD0 Receive ECC Uncorrectable Error Interrupt Request | ||
| MMCSD0_EMMCSS_TXMEM_CORR_ERR_LVL_0 | ESM0_LVL_IN_178 | ESM0 | MMCSD0 Transmit ECC Correctable Error Interrupt Request | ||
| MMCSD0_EMMCSS_TXMEM_UNCORR_ERR_LVL_0 | ESM0_LVL_IN_179 | ESM0 | MMCSD0 Transmit ECC Uncorrectable Error Interrupt Request | ||
| MMCSD1 | MMCSD1_EMMCSDSS_INTR_0 | GIC500_SPI_IN_36 | COMPUTE_CLUSTER0 | MMCSD1 Interrupt Request | Level |
| MAIN2MCU_LVL_INTRTR0_IN_29 | MAIN2MCU_LVL_INTRTR0 | ||||
| R5FSS0_INTRTR0_IN_309 | R5FSS0_INTRTR0 | ||||
| R5FSS1_INTRTR0_IN_309 | R5FSS1_INTRTR0 | ||||
| MMCSD1_EMMCSDSS_RXMEM_CORR_ERR_LVL_0 | ESM0_LVL_IN_180 | ESM0 | MMCSD1 Receive ECC Correctable Error Interrupt Request | Level | |
| MMCSD1_EMMCSDSS_RXMEM_UNCORR_ERR_LVL_0 | ESM0_LVL_IN_181 | ESM0 | MMCSD1 Receive ECC Uncorrectable Error Interrupt Request | ||
| MMCSD1_EMMCSDSS_TXMEM_CORR_ERR_LVL_0 | ESM0_LVL_IN_182 | ESM0 | MMCSD1 Transmit ECC Correctable Error Interrupt Request | ||
| MMCSD1_EMMCSDSS_TXMEM_UNCORR_ERR_LVL_0 | ESM0_LVL_IN_183 | ESM0 | MMCSD1 Transmit ECC Uncorrectable Error Interrupt Request | ||
| MMCSD2 | MMCSD2_EMMCSDSS_INTR_0 | GIC500_SPI_IN_37 | COMPUTE_CLUSTER0 | MMCSD2 Interrupt Request | Level |
| MAIN2MCU_LVL_INTRTR0_IN_30 | MAIN2MCU_LVL_INTRTR0 | ||||
| R5FSS0_INTRTR0_IN_310 | R5FSS0_INTRTR0 | ||||
| R5FSS1_INTRTR0_IN_310 | R5FSS1_INTRTR0 | ||||
| MMCSD2_EMMCSDSS_RXMEM_CORR_ERR_LVL_0 | ESM0_LVL_IN_184 | ESM0 | MMCSD2 Receive ECC Correctable Error Interrupt Request | Level | |
| MMCSD2_EMMCSDSS_RXMEM_UNCORR_ERR_LVL_0 | ESM0_LVL_IN_185 | ESM0 | MMCSD2 Receive ECC Uncorrectable Error Interrupt Request | ||
| MMCSD2_EMMCSDSS_TXMEM_CORR_ERR_LVL_0 | ESM0_LVL_IN_186 | ESM0 | MMCSD2 Transmit ECC Correctable Error Interrupt Request | ||
| MMCSD2_EMMCSDSS_TXMEM_UNCORR_ERR_LVL_0 | ESM0_LVL_IN_187 | ESM0 | MMCSD2 Transmit ECC Uncorrectable Error Interrupt Request | ||