ZHCU785E October   2018  – May 2022 AWR6843 , AWR6843AOP , IWR6443 , IWR6843 , IWR6843AOP

 

  1.   商标
  2. 1入门
    1. 1.1 引言
    2. 1.2 关键特性
      1. 1.2.1 特性汇总
      2. 1.2.2 xWR6843ISK
      3. 1.2.3 IWR6843ISK-ODS(开销检测感应)
      4. 1.2.4 IWR6843AOP
      5. 1.2.5 MMWAVEICBOOST
    3. 1.3 包含的内容
      1. 1.3.1 套件内容
        1. 1.3.1.1 xWR6843ISK
        2. 1.3.1.2 IWR6843ISK-ODS
        3. 1.3.1.3 IWR6843AOPEVM
        4. 1.3.1.4 MMWAVEICBOOST
  3. 2MMWAVEICBOOST
    1. 2.1 硬件
    2. 2.2 方框图与特性
      1. 2.2.1 方框图
      2. 2.2.2 硬件特性
    3. 2.3 用于多个来源的多路复用方案
    4. 2.4 MMWAVEICBOOST 与入门套件配合使用
      1. 2.4.1 PC 连接
      2. 2.4.2 刷写天线模块中的 QSPI 闪存
      3. 2.4.3 MMWAVEICBOOST 和用于模块化测试的天线模块连接
    5. 2.5 与 DCA1000EVM 连接
      1. 2.5.1 mmWave Studio 接口
      2. 2.5.2 MMWAVEICBOOST 和天线模块配置
      3. 2.5.3 DCA1000 EVM 连接
    6. 2.6 电源连接
    7. 2.7 连接器
      1. 2.7.1 20 引脚 LaunchPad 和 Booster Pack 连接器(J5 和 J6)
      2. 2.7.2 60 引脚高密度(HD)连接器(J4 和 J17)
      3. 2.7.3 60 引脚高密度(HD)连接器(J10)
      4. 2.7.4 MIPI 60 引脚连接器(J9)
      5. 2.7.5 TI 14 引脚 JTAG 连接器(J19)
      6. 2.7.6 CAN 连接器(J1 和 J2)
      7. 2.7.7 超微型同轴电缆连接器(J3)
    8. 2.8 跳线、开关和 LED
      1. 2.8.1 电源感应(SOP)跳线
      2. 2.8.2 I2C 连接
        1. 2.8.2.1 默认 I2C 地址
        2. 2.8.2.2 43
        3. 2.8.2.3 3.3V 电压轨选项
        4. 2.8.2.4 其他接头
        5. 2.8.2.5 开关和 LED
          1. 2.8.2.5.1 开关
  4. 3xWR6843ISK / IWR6843ISK-ODS 版本 C
    1. 3.1  硬件
      1. 3.1.1 xWR6843ISK EVM
      2. 3.1.2 IWR6843ISK-ODS EVM
    2. 3.2  xWR6843ISK/IWR6843ISK-ODS 的方框图
    3. 3.3  PCB 贮存和搬运建议
    4. 3.4  电源连接
      1. 3.4.1 高功率应用
    5. 3.5  接口
      1. 3.5.1 开关、按钮和多路复用器
      2. 3.5.2 LED 清单
      3. 3.5.3 CANFD
      4. 3.5.4 I2C 连接
        1. 3.5.4.1 EEPROM
        2. 3.5.4.2 默认 I2C 地址
    6. 3.6  xWR6843ISK 天线
    7. 3.7  IWR6843ISK-ODS 天线
    8. 3.8  模块模式
    9. 3.9  DCA1000EVM 模式
    10. 3.10 MMWAVEICBOOST 模式
  5. 4xWR6843AOPEVM 修订版 G
    1. 4.1  硬件
    2. 4.2  方框图
    3. 4.3  PCB 贮存和搬运建议
    4. 4.4  散热器和温度
    5. 4.5  xWR6843AOPEVM 天线
    6. 4.6  开关设置
    7. 4.7  xWR6843AOPEVM 多路复用方案
      1. 4.7.1 SOP 配置
    8. 4.8  模块化 DCA1000EVM 和 MMWAVEICBOOST 模式
      1. 4.8.1 模块化模式
      2. 4.8.2 DCA1000EVM 模式
      3. 4.8.3 MMWAVEICBOOST 模式
    9. 4.9  已知问题:出色性能
    10. 4.10 PC 连接
      1. 4.10.1 安装驱动程序
      2. 4.10.2 刷写电路板
    11. 4.11 REACH 合规性
    12. 4.12 xWR6843AOPEVM 修订版 G 的法规声明
  6. 5xWR6843AOPEVM 版本 F
    1. 5.1  硬件
    2. 5.2  方框图
    3. 5.3  PCB 贮存和搬运建议
    4. 5.4  散热器和温度
    5. 5.5  xWR6843AOPEVM 天线
    6. 5.6  开关设置
    7. 5.7  xWR6843AOPEVM 多路复用方案
      1. 5.7.1 SOP 配置
    8. 5.8  模块和 MMWAVEICBOOST 模式
      1. 5.8.1 模块模式
      2. 5.8.2 MMWAVEICBOOST 模式
    9. 5.9  PC 连接
      1. 5.9.1 安装驱动程序
      2. 5.9.2 刷写电路板
      3. 5.9.3 DCA1000
    10. 5.10 REACH 合规性
  7. 6IWR6843ISK / IWR6843ISK-ODS(已弃用)
    1. 6.1 硬件
      1. 6.1.1 IWR6843ISK EVM
      2. 6.1.2 IWR6843ISK-ODS EVM
    2. 6.2 IWR6843ISK/IWR6843ISK-ODS 的方框图
    3. 6.3 PCB 贮存和搬运建议
    4. 6.4 电源连接
    5. 6.5 杂项和 LED
      1. 6.5.1 LED 清单
      2. 6.5.2 I2C 连接
        1. 6.5.2.1 EEPROM
        2. 6.5.2.2 默认 I2C 地址
    6. 6.6 IWR6843ISK 天线
    7. 6.7 IWR6843ISK-ODS 天线
  8. 7IWR6843AOPEVM(已弃用)
    1. 7.1 硬件
    2. 7.2 方框图
    3. 7.3 PCB 贮存和搬运建议
    4. 7.4 IWR6843AOPEVM 天线
    5. 7.5 开关设置
    6. 7.6 IWR6843AOPEVM 多路复用方案
      1. 7.6.1 SOP 配置
    7. 7.7 模块和 MMWAVEICBOOST 模式
      1. 7.7.1 模块模式
      2. 7.7.2 MMWAVEICBOOST 模式
    8. 7.8 PC 连接
      1. 7.8.1 安装驱动程序
      2. 7.8.2 刷写电路板
      3. 7.8.3 DCA1000
    9. 7.9 REACH 合规性
  9. 8TI E2E 社区
  10. 9认证相关信息
  11.   修订历史记录

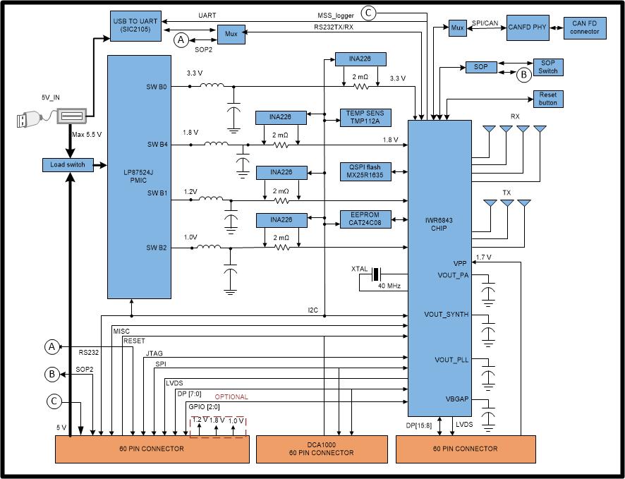
xWR6843ISK/IWR6843ISK-ODS 的方框图

图 3-5 显示了功能方框图。

GUID-15728E84-311A-4E36-B44E-EDC6727A59E9-low.jpg图 3-5 xWR6843ISK/IWR6843ISK-ODS 的方框图