ZHCSMX1B October   2019  – March 2022 TCAN1144-Q1 , TCAN1145-Q1 , TCAN1146-Q1

PRODUCTION DATA  

  1. 特性
  2. 应用
  3. 说明
  4. 修订历史记录
  5. 说明(续)
  6. 器件比较表
  7. 引脚配置和功能
  8. 规格
    1. 8.1  绝对最大额定值
    2. 8.2  ESD 等级
    3. 8.3  ESD 等级
    4. 8.4  建议工作条件
    5. 8.5  热性能信息
    6. 8.6  电源特性
    7. 8.7  电气特性
    8. 8.8  时序要求
    9. 8.9  开关特性
    10. 8.10 典型特性
  9. 参数测量信息
  10. 10详细说明
    1. 10.1 概述
    2. 10.2 功能方框图
    3. 10.3 特性说明
      1. 10.3.1  VSUP 引脚
      2. 10.3.2  VIO 引脚
      3. 10.3.3  VCC 引脚
      4. 10.3.4  GND
      5. 10.3.5  INH/LIMP 引脚
      6. 10.3.6  WAKE 引脚
      7. 10.3.7  TXD 引脚
      8. 10.3.8  RXD 引脚
      9. 10.3.9  SDO/nINT 中断引脚
      10. 10.3.10 nCS 引脚
      11. 10.3.11 SCLK
      12. 10.3.12 SDI
      13. 10.3.13 CANH 和 CANL 总线引脚
    4. 10.4 器件功能模式
      1. 10.4.1 正常模式
      2. 10.4.2 待机模式
      3. 10.4.3 仅监听模式
      4. 10.4.4 睡眠模式
        1. 10.4.4.1 在待机模式下通过 RXD 请求进行总线唤醒 (BWRR)
        2. 10.4.4.2 通过 WAKE 输入端子实现本地唤醒 (LWU)
      5. 10.4.5 选择性唤醒
        1. 10.4.5.1 选择性唤醒(TCAN1145-Q1 和 TCAN1146-Q1)
        2. 10.4.5.2 帧检测(TCAN1145-Q1 和 TCAN1146-Q1)
        3. 10.4.5.3 唤醒帧 (WUF) 验证(TCAN1145-Q1 和 TCAN1146-Q1)
        4. 10.4.5.4 WUF ID 验证(TCAN1145-Q1 和 TCAN1146-Q1)
        5. 10.4.5.5 WUF DLC 验证(TCAN1145-Q1 和 TCAN1146-Q1)
        6. 10.4.5.6 WUF 数据验证(TCAN1145-Q1 和 TCAN1146-Q1)
        7. 10.4.5.7 帧错误计数器(TCAN1145-Q1 和 TCAN1146-Q1)
        8. 10.4.5.8 CAN FD 帧容差(TCAN1145-Q1 和 TCAN1146-Q1)
      6. 10.4.6 失效防护特性
        1. 10.4.6.1 通过睡眠唤醒错误实现睡眠模式
        2. 10.4.6.2 失效防护模式
      7. 10.4.7 保护特性
        1. 10.4.7.1 驱动器和接收器功能
        2. 10.4.7.2 悬空端子
        3. 10.4.7.3 TXD 显性超时 (DTO)
        4. 10.4.7.4 CAN 总线短路限流
        5. 10.4.7.5 热关断
        6. 10.4.7.6 欠压锁定 (UVLO) 与未供电器件
          1. 10.4.7.6.1 UVSUP、UVCC
          2. 10.4.7.6.2 UVIO
            1. 10.4.7.6.2.1 故障行为
        7. 10.4.7.7 看门狗(TCAN1144-Q1 和 TCAN1146-Q1)
          1. 10.4.7.7.1 看门狗错误计数器
          2. 10.4.7.7.2 看门狗 SPI 控制编程
          3. 10.4.7.7.3 看门狗计时
          4. 10.4.7.7.4 看门狗相关问答
            1. 10.4.7.7.4.1 WD 问答基本信息
            2. 10.4.7.7.4.2 问答寄存器和设置
            3. 10.4.7.7.4.3 WD 问答值生成
          5. 10.4.7.7.5 问答 WD 示例
            1. 10.4.7.7.5.1 所需行为的示例配置
            2. 10.4.7.7.5.2 执行问答序列的示例
      8. 10.4.8 总线故障检测和通信(TCAN1144-Q1 和 TCAN1146-Q1)
      9. 10.4.9 SPI 通信
        1. 10.4.9.1 芯片选择非 (nCS):
        2. 10.4.9.2 SPI 时钟输入 (SCLK):
        3. 10.4.9.3 SPI 串行数据输入 (SDI):
        4. 10.4.9.4 SPI 串行数据输出 (SDO):
    5. 10.5 编程
    6. 10.6 寄存器映射
      1. 10.6.1  DEVICE_ID_y 寄存器(地址 = 0h + 公式)[复位 = 值]
      2. 10.6.2  REV_ID_MAJOR 寄存器(地址 = 8h)[复位 = 01h]
      3. 10.6.3  REV_ID_MINOR 寄存器(地址 = 9h)[复位 = 00h]
      4. 10.6.4  SPI_RSVD_x 寄存器(地址 = Ah + 公式)[复位 = 00h]
      5. 10.6.5  Scratch_Pad_SPI 寄存器(地址 = Fh)[复位 = 00h]
      6. 10.6.6  MODE_CNTRL 寄存器(地址 = 10h)[复位 = 04h]
      7. 10.6.7  WAKE_PIN_CONFIG 寄存器(地址 = 11h)[复位 = 4h]
      8. 10.6.8  PIN_CONFIG 寄存器(地址 = 12h)[复位 = 00h]
      9. 10.6.9  WD_CONFIG_1 寄存器(地址 = 13h)[复位 = 15h]
      10. 10.6.10 WD_CONFIG_2 寄存器(地址 = 14h)[复位 = 02h]
      11. 10.6.11 WD_INPUT_TRIG 寄存器(地址 = 15h)[复位 = 00h]
      12. 10.6.12 WD_RST_PULSE 寄存器(地址 = 16h)[复位 = 07h]
      13. 10.6.13 FSM_CONFIG 寄存器(地址 = 17h)[复位 = 00h]
      14. 10.6.14 FSM_CNTR 寄存器(地址 = 18h)[复位 = 00h]
      15. 10.6.15 DEVICE_RST 寄存器(地址 = 19h)[复位 = 00h]
      16. 10.6.16 DEVICE_CONFIG1 寄存器(地址 = 1Ah)[复位 = 00h]
      17. 10.6.17 DEVICE_CONFIG2 寄存器(地址 = 1Bh)[复位 = 0h]
      18. 10.6.18 SWE_DIS 寄存器(地址 1Ch)[复位 = 04h]
      19. 10.6.19 SDO_CONFIG 寄存器(地址 = 29h)[复位 = 00h]
      20. 10.6.20 WD_QA_CONFIG 寄存器(地址 = 2Dh)[复位 = 00h]
      21. 10.6.21 WD_QA_ANSWER 寄存器(地址 = 2Eh)[复位 = 00h]
      22. 10.6.22 WD_QA_QUESTION 寄存器(地址 = 2Fh)[复位 = 00h]
      23. 10.6.23 SW_ID1 寄存器(地址 = 30h)[复位 = 00h]
      24. 10.6.24 SW_ID2 寄存器(地址 = 31h)[复位 = 00h]
      25. 10.6.25 SW_ID3 寄存器(地址 = 32h)[复位 = 00h]
      26. 10.6.26 SW_ID4 寄存器(地址 = 33h)[复位 = 00h]
      27. 10.6.27 SW_ID_MASK1 寄存器(地址 = 34h)[复位 = 00h]
      28. 10.6.28 SW_ID_MASK2 寄存器(地址 = 35h)[复位 = 00h]
      29. 10.6.29 SW_ID_MASK3 寄存器(地址 = 36h)[复位 = 00h]
      30. 10.6.30 SW_ID_MASK4 寄存器(地址 = 37h)[复位 = 00h]
      31. 10.6.31 SW_ID_MASK_DLC 寄存器(地址 = 38h)[复位 = 00h]
      32. 10.6.32 DATA_y 寄存器(地址 = 39h + 公式)[复位 = 00h]
      33. 10.6.33 SW_RSVD_y 寄存器(地址 = 41h + 公式)[复位 = 00h]
      34. 10.6.34 SW_CONFIG_1 寄存器(地址 = 44h)[复位 = 50h]
      35. 10.6.35 SW_CONFIG_2 寄存器(地址 = 45h)[复位 = 00h]
      36. 10.6.36 SW_CONFIG_3 寄存器(地址 = 46h)[复位 = 1Fh]
      37. 10.6.37 SW_CONFIG_4 寄存器(地址 = 47h)[复位 = 00h]
      38. 10.6.38 SW_CONFIG_RSVD_y 寄存器(地址 = 48h + 公式)[复位 = 00h]
      39. 10.6.39 INT_GLOBAL 寄存器(地址 = 50h)[复位 = 00h]
      40. 10.6.40 INT_1 寄存器(地址 = 51h)[复位 = 00h]
      41. 10.6.41 INT_2 寄存器(地址 = 52h)[复位 = 40h]
      42. 10.6.42 INT_3 寄存器(地址 = 53h)[复位 = 00h]
      43. 10.6.43 INT_CANBUS 寄存器(地址 = 54h)[复位 = 00h]
      44. 10.6.44 INT_GLOBAL_ENABLE(地址 = 55h)[复位 = 00h]
      45. 10.6.45 INT_ENABLE_1 寄存器(地址 = 56h)[复位 = FFh]
      46. 10.6.46 INT_ENABLE_2 寄存器(地址 = 57h)[复位 = 1Fh]
      47. 10.6.47 INT_ENABLE_3 寄存器(地址 = 58h)[复位 = 0h]
      48. 10.6.48 INT_ENABLE_CANBUS 寄存器(地址 = 59h)[复位 = 7Fh]
      49. 10.6.49 INT_RSVD_y 寄存器(地址 = 5Ah + 公式)[复位 = 00h]
  11. 11应用信息免责声明
    1. 11.1 应用信息
      1. 11.1.1 总线负载能力、长度和节点数
      2. 11.1.2 CAN 端接
        1. 11.1.2.1 端接
        2. 11.1.2.2 CAN 总线偏置
    2. 11.2 典型应用
      1. 11.2.1 设计要求
      2. 11.2.2 详细设计过程
        1. 11.2.2.1 欠压
      3. 11.2.3 应用曲线
  12. 12电源相关建议
  13. 13布局
    1. 13.1 布局布线指南
    2. 13.2 布局示例
  14. 14器件和文档支持
    1. 14.1 文档支持
      1. 14.1.1 CAN 收发器物理层标准:
      2. 14.1.2 EMC 要求:
      3. 14.1.3 符合性测试要求:
      4. 14.1.4 相关文档
    2. 14.2 接收文档更新通知
    3. 14.3 支持资源
    4. 14.4 商标
    5. 14.5 Electrostatic Discharge Caution
    6. 14.6 术语表
  15. 15机械、封装和可订购信息

封装选项

机械数据 (封装 | 引脚)
散热焊盘机械数据 (封装 | 引脚)
订购信息

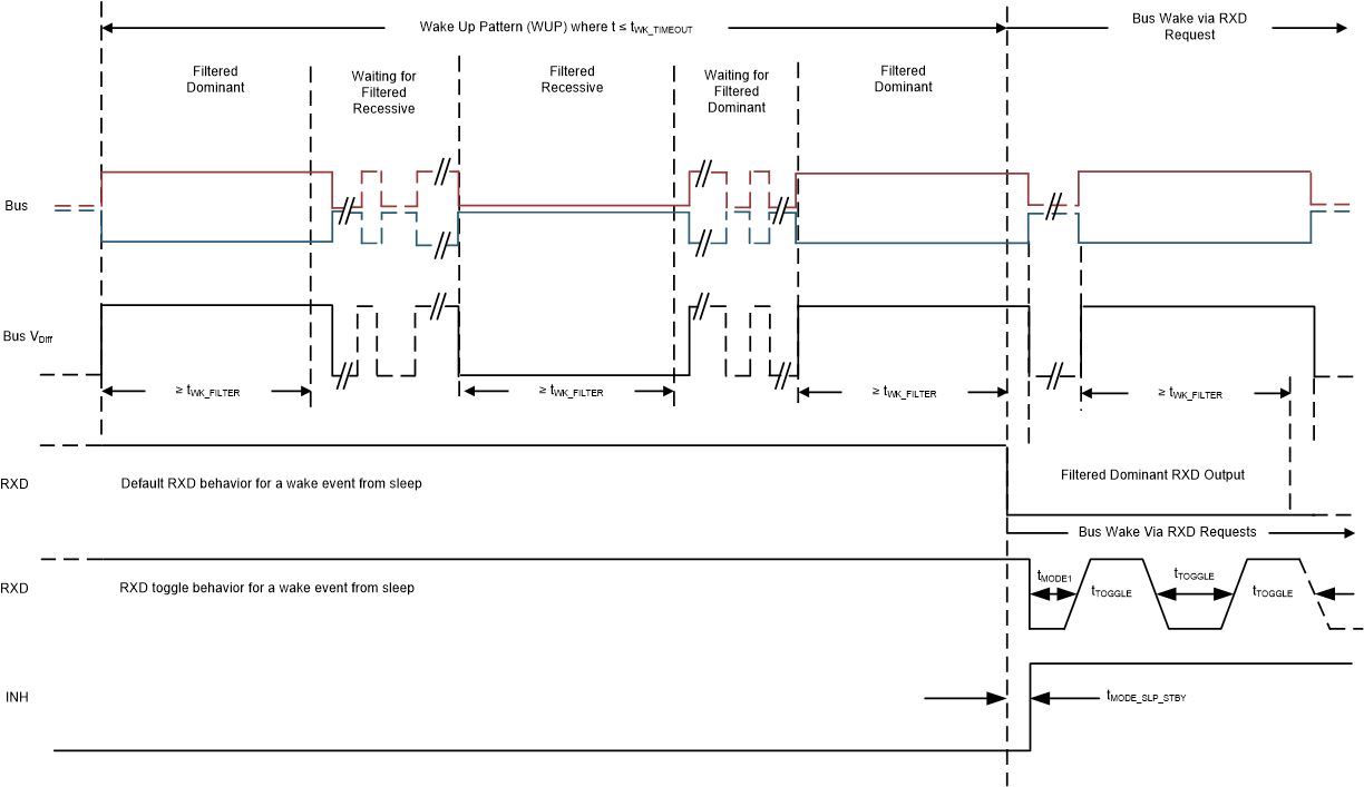
在待机模式下通过 RXD 请求进行总线唤醒 (BWRR)

TCAN114x-Q1 支持低功耗睡眠模式和待机模式,并使用称为通过 RXD 请求进行总线唤醒 (BWRR) 的 CAN 总线唤醒机制。一旦接收到这种模式,TCAN114x-Q1 就会从睡眠模式自动切换到待机模式,并在 nINT 引脚(如果已启用)上插入一个中断,以向主机微处理器指示总线处于运行状态,并且处理器应唤醒并为 TCAN114x-Q1 提供服务。在睡眠模式下会启用低功耗接收器和总线监视器,以允许通过 CAN 总线发出 RXD 唤醒请求。唤醒请求是连接到 RXD(驱动为低电平)的输出,如图 10-12 所示。外部 CAN FD 控制器会监视 RXD 的转换情况(从高电平转换为低电平),然后根据 RXD 唤醒请求重新激活器件,使其进入正常模式。在此模式下,如果 tSILENCE 已过期,则在 BWRR 之前,CAN 总线端子会被弱下拉至 GND,请参阅图 9-2

该器件使用 ISO 11898-2:2016 标准中的唤醒模式 (WUP) 来将总线流量限定为唤醒主机微处理器的请求。总线唤醒请求会以“下降沿加低电平”的形式发送给集成式 CAN FD 控制器,其中低电平信号对应于 RXD 端子上的“滤波”总线显性信号 (BWRR)。

唤醒模式 (WUP) 包括:

  • 至少为 tWK_FILTER 的滤波显性总线时间,后跟
  • 至少为 tWK_FILTER 的滤波隐性总线时间,后跟
  • 至少为 tWK_FILTER 的第二个滤波显性总线时间

检测到 WUP 后,器件会开始在 RXD 引脚上发出唤醒请求 (BWRR)。该引脚的行为由寄存器 h'12[2] 确定。如果 h'12[2] = 0,一旦接收到满足显性、隐性、显性滤波时间的 WUP 模式,RXD 引脚就会被拉低。第一个滤波显性信号会发起 WUP,之后总线监视器会等待滤波隐性信号;其他总线通信不会使总线监视器复位。接收到滤波隐性信号后,总线监视器会等待另一个滤波显性信号;其他总线通信不会使总线监视器复位。在接收到第二个滤波显性信号后,总线监视器会立即识别 WUP 并切换到 BWRR 模式。

对于被视为已滤波的显性或隐性信号,总线必须保持该状态超过 tWK_FILTER 时间。由于 tWK_FILTER 存在变化性,可以分为以下几种情况来判定。

  • 时间短于 tWK_FILTER(MIN) 的总线状态不会被检测为 WUP 的一部分,因此不会生成 BWRR。
  • tWK_FILTER(MIN) 和 tWK_FILTER(MAX) 之间的总线状态时间被检测为 WUP 的一部分,并且可能会生成 BWRR。
  • 时间超过 tWK_FILTER(MAX) 的总线状态始终会被检测为 WUP 的一部分,因此始终会生成 BWRR。

请参阅图 10-12 以了解 WUP 的时序图。

用于 WUP 和 BWRR 的模式和 tWK_FILTER 时间可防止噪声和总线卡在显性状态故障导致错误的唤醒请求,同时允许任何 CAN 或 CAN FD 报文发起 BWRR。如果器件切换到正常模式,或者 VCC 上发生欠压事件,则会丢失 BWRR。WUP 模式必须在 tWK_TIMEOUT 时间内发生;否则,器件会处于等待下一个隐性信号和有效 WUP 模式的状态。

如果 h'12[2] = 1,RXD 引脚会在 tTOGGLE = 10µs 内从低电平切换到高电平再切换到低电平,直到器件进入正常或监听模式。BWRR 会在加电时以及退出睡眠模式或某些失效防护模式条件后,在待机模式下激活。如果 SPI 写入将器件置于待机模式,RXD 引脚将处于高电平,直到发生唤醒事件。随后,RXD 引脚的行为与从睡眠模式唤醒时的行为类似。

GUID-20121D5B-C70C-4B53-9811-4211DFD8277C-low.gif图 10-12 唤醒模式 (WUP) 和 RXD 总线唤醒请求 (BWRR)
GUID-C3934263-EB1B-4095-A902-393E40CDFC0D-low.gif图 10-13 TXD DTO 的时序图示例