ZHCU872E March   2022  – January 2024

 

  1.   1
  2.   Jacinto7 J721E/DRA829/TDA4VM 评估模块 (EVM)
  3.   商标
  4. 1引言
    1. 1.1 关键特性
    2. 1.2 热性能合规性
    3. 1.3 REACH 合规性
    4. 1.4 EMC、EMI 和 ESD 合规性
  5. 2J721E EVM 概述
    1. 2.1 J721E EVM 板识别
    2. 2.2 J721E SOM 元件标识
    3. 2.3 Jacinto7 通用处理器元件标识
    4. 2.4 四端口以太网扩展板元件标识
  6. 3EVM 用户设置/配置
    1. 3.1 电源要求
    2. 3.2 通电开关和电源 LED
      1. 3.2.1 过压和欠压保护电路
      2. 3.2.2 电源稳压器和电源状态 LED
    3. 3.3 EVM 复位/中断按钮
    4. 3.4 EVM DIP 开关
      1. 3.4.1 EVM 配置 DIP 开关
      2. 3.4.2 SOM 配置 DIP 开关
      3. 3.4.3 引导模式
      4. 3.4.4 其他选择开关
    5. 3.5 EVM UART/COM 端口映射
    6. 3.6 JTAG 仿真
  7. 4J721E EVM 硬件架构
    1. 4.1  J721E EVM 硬件顶层图
    2. 4.2  J721E EVM 接口映射
    3. 4.3  I2C 地址映射
    4. 4.4  GPIO 映射
    5. 4.5  电源
      1. 4.5.1 电源时序
      2. 4.5.2 电压监控器
      3. 4.5.3 DDR I/O 电压选择
        1. 4.5.3.1 J721E SoC S2R 逻辑流程图
        2. 4.5.3.2 仅 J721E SoC MCU 操作
        3. 4.5.3.3 电源监控
    6. 4.6  复位
    7. 4.7  时钟
      1. 4.7.1 处理器的主时钟
      2. 4.7.2 处理器的辅助/SERDES 参考时钟
      3. 4.7.3 EVM 外设参考时钟
    8. 4.8  存储器接口
      1. 4.8.1 LPDDR4 接口
      2. 4.8.2 OSPI 接口
      3. 4.8.3 UFS 接口
      4. 4.8.4 MMC 接口
        1. 4.8.4.1 MMC0 - eMMC 接口
        2. 4.8.4.2 MMC1 – Micro SD 接口
      5. 4.8.5 板 ID EEPROM 接口
      6. 4.8.6 引导 EEPROM 接口
    9. 4.9  MCU 以太网接口
      1. 4.9.1 千兆位以太网 PHY 默认配置
    10. 4.10 QSGMII 以太网接口
    11. 4.11 PCIe 接口
      1. 4.11.1 单通道 PCIe 接口
      2. 4.11.2 双通道 PCIe 接口
      3. 4.11.3 M.2 PCIe 接口
    12. 4.12 USB 接口
      1. 4.12.1 USB 3.1 接口
      2. 4.12.2 USB 2.0 接口
      3. 4.12.3 USB 3.0 Micro AB 接口(保留的端口)
    13. 4.13 CAN 接口
    14. 4.14 FPD 接口(音频解串器)
    15. 4.15 FPD 面板接口(DSI 视频串行器)
    16. 4.16 显示串行接口 (DSI) FPC
    17. 4.17 音频接口
    18. 4.18 显示端口接口
    19. 4.19 MLB 接口
    20. 4.20 I3C 接口
    21. 4.21 ADC 接口
    22. 4.22 RTC 接口
    23. 4.23 Apple 认证接头
    24. 4.24 EVM 扩展连接器
    25. 4.25 ENET 扩展连接器
      1. 4.25.1 电源要求
      2. 4.25.2 时钟
        1. 4.25.2.1 主时钟
        2. 4.25.2.2 可选时钟
      3. 4.25.3 复位信号
      4. 4.25.4 以太网接口
        1. 4.25.4.1 四端口 SGMII PHY 默认配置
      5. 4.25.5 板 ID EEPROM 接口
    26. 4.26 CSI 扩展连接器
  8. 5修订历史记录

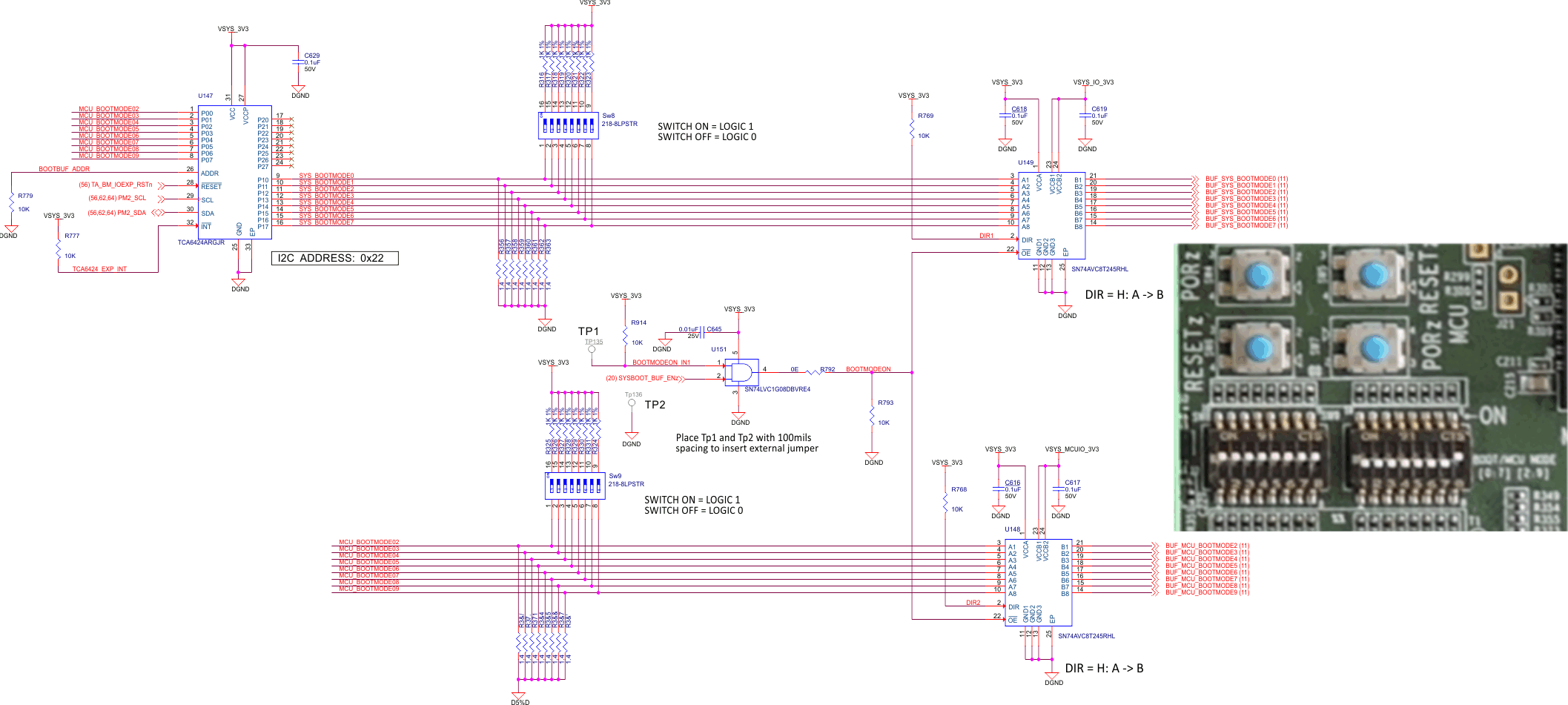
引导模式

处理器的引导模式由一组 DIP 开关(SW8、SW9)决定。所有引导模式引脚都具有若干弱下拉电阻器和一个能够连接到强上拉电阻器的开关,如图 3-7 所示。请注意,“关闭”设置提供低逻辑电平(“0”),“开启”设置提供高逻辑电平(“1”)。

GUID-AF3436E9-AE88-4364-AF25-BD4AA63CC513-low.gif图 3-7 在处理器卡上提供的引导开关

表 3-8表 3-9 提供了引导模式功能的开关映射。有关每个引导接口的具体设置,请参阅 DRA829/TDA4VM/AM752x 技术参考手册。EVM 支持的可选引导接口包括:八通道 SPI、四通道 SPI、HyperFlash、SD 卡、eMMC、PCIe(作为端点)、CPSW、USB、UFS、UART 和 EERPOM。

表 3-8 唤醒引导模式开关 (SW9)
唤醒引导引脚映射
0:1
(固定为“00”)
2
(SW9.1 = 关闭)
3
(SW9.2)
4
(SW9.3)
5
(SW9.4)
6
(SW9.5)
7
(SW9.6)
8
(SW9.7)
9
(SW9.8)
PLL 配置(固定为 19.2MHz) 主引导模式 A 仅 MCU 保留 保留(不用于引导)
表 3-9 主引导模式开关 (SW8)
唤醒引导引脚映射
0
(SW8.1)
1
(SW8.2)
2
(SW8.3)
3
(SW8.4)
4
(SW8.5)
5
(SW8.6)
6
(SW8.7)
7
(SW9.8)
主引导模式 B 备份引导模式 主引导模式配置 备份引导模式配置