ZHCU872E March   2022  – January 2024

 

  1.   1
  2.   Jacinto7 J721E/DRA829/TDA4VM 评估模块 (EVM)
  3.   商标
  4. 1引言
    1. 1.1 关键特性
    2. 1.2 热性能合规性
    3. 1.3 REACH 合规性
    4. 1.4 EMC、EMI 和 ESD 合规性
  5. 2J721E EVM 概述
    1. 2.1 J721E EVM 板识别
    2. 2.2 J721E SOM 元件标识
    3. 2.3 Jacinto7 通用处理器元件标识
    4. 2.4 四端口以太网扩展板元件标识
  6. 3EVM 用户设置/配置
    1. 3.1 电源要求
    2. 3.2 通电开关和电源 LED
      1. 3.2.1 过压和欠压保护电路
      2. 3.2.2 电源稳压器和电源状态 LED
    3. 3.3 EVM 复位/中断按钮
    4. 3.4 EVM DIP 开关
      1. 3.4.1 EVM 配置 DIP 开关
      2. 3.4.2 SOM 配置 DIP 开关
      3. 3.4.3 引导模式
      4. 3.4.4 其他选择开关
    5. 3.5 EVM UART/COM 端口映射
    6. 3.6 JTAG 仿真
  7. 4J721E EVM 硬件架构
    1. 4.1  J721E EVM 硬件顶层图
    2. 4.2  J721E EVM 接口映射
    3. 4.3  I2C 地址映射
    4. 4.4  GPIO 映射
    5. 4.5  电源
      1. 4.5.1 电源时序
      2. 4.5.2 电压监控器
      3. 4.5.3 DDR I/O 电压选择
        1. 4.5.3.1 J721E SoC S2R 逻辑流程图
        2. 4.5.3.2 仅 J721E SoC MCU 操作
        3. 4.5.3.3 电源监控
    6. 4.6  复位
    7. 4.7  时钟
      1. 4.7.1 处理器的主时钟
      2. 4.7.2 处理器的辅助/SERDES 参考时钟
      3. 4.7.3 EVM 外设参考时钟
    8. 4.8  存储器接口
      1. 4.8.1 LPDDR4 接口
      2. 4.8.2 OSPI 接口
      3. 4.8.3 UFS 接口
      4. 4.8.4 MMC 接口
        1. 4.8.4.1 MMC0 - eMMC 接口
        2. 4.8.4.2 MMC1 – Micro SD 接口
      5. 4.8.5 板 ID EEPROM 接口
      6. 4.8.6 引导 EEPROM 接口
    9. 4.9  MCU 以太网接口
      1. 4.9.1 千兆位以太网 PHY 默认配置
    10. 4.10 QSGMII 以太网接口
    11. 4.11 PCIe 接口
      1. 4.11.1 单通道 PCIe 接口
      2. 4.11.2 双通道 PCIe 接口
      3. 4.11.3 M.2 PCIe 接口
    12. 4.12 USB 接口
      1. 4.12.1 USB 3.1 接口
      2. 4.12.2 USB 2.0 接口
      3. 4.12.3 USB 3.0 Micro AB 接口(保留的端口)
    13. 4.13 CAN 接口
    14. 4.14 FPD 接口(音频解串器)
    15. 4.15 FPD 面板接口(DSI 视频串行器)
    16. 4.16 显示串行接口 (DSI) FPC
    17. 4.17 音频接口
    18. 4.18 显示端口接口
    19. 4.19 MLB 接口
    20. 4.20 I3C 接口
    21. 4.21 ADC 接口
    22. 4.22 RTC 接口
    23. 4.23 Apple 认证接头
    24. 4.24 EVM 扩展连接器
    25. 4.25 ENET 扩展连接器
      1. 4.25.1 电源要求
      2. 4.25.2 时钟
        1. 4.25.2.1 主时钟
        2. 4.25.2.2 可选时钟
      3. 4.25.3 复位信号
      4. 4.25.4 以太网接口
        1. 4.25.4.1 四端口 SGMII PHY 默认配置
      5. 4.25.5 板 ID EEPROM 接口
    26. 4.26 CSI 扩展连接器
  8. 5修订历史记录

单通道 PCIe 接口

单通道 PCIe 接口包含一个器件型号为 Amphenol 10142333-10111MLF 的 4 通道 PCIe 连接器,该连接器支持第 4 代 PCIe 操作。该连接器的引脚排列符合 PCIe 标准。

J7 SoC 的 SERDES0 端口连接到单通道 PCIe 插槽以进行数据传输。PCIe0、USB0_SS 和 SGMII1、2 接口与该 SERDES0 端口进行引脚多路复用。

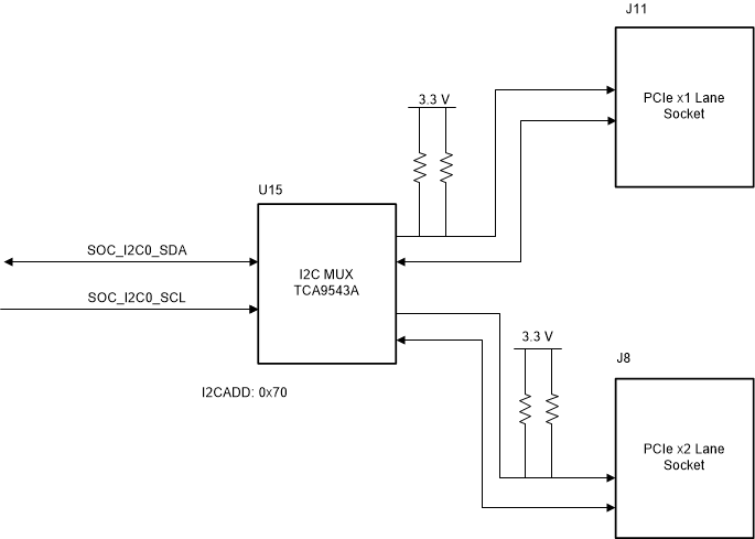
SoC 的 I2C0 用于控制目的, 并连接到该连接器上的 SMBUS。I2C0 端口通过多路复用器 TCA9543APWR 连接到单通道和双通道 PCIe 连接器。

GUID-46CAC349-3AC8-4C61-AE05-572E248A5091-low.gif图 4-19 SERDES0 的 PCIe 接口
GUID-52E34C82-23BE-4931-AF25-FC1310D712AD-low.gif图 4-20 PCIe SMBUS 方框图

复位:提供了一个 DIP 开关以选择主机和端点 PCIe 操作的复位源。在主机模式下,来自 GPIO 扩展器的信号和来自 SoC 的 PORz 信号进行“与”运算,输出连接到 PCIe 连接器。GPIO 信号被拉低以确保 PCIe 复位 (#PERST) 保持置位,直到 SoC 释放复位。

而在 PCIe 端点操作的情况下,CP 板接收来自 PCIe 卡的复位信号。

GUID-88219E8F-A8A7-4136-BD9D-A1CD2AE57600-low.gif图 4-21 1L-PCIe 根复合体/端点选择电路

时钟:提供了一个时钟发生器 (CDCI 1) 以驱动 PCIe 附加卡和 SoC 的 100MHz HCSL 时钟。提供了电阻器选项以选择主机和端点操作的时钟源。

对于 PCIe 主机操作:

  • 附加卡可以具有由 SOC 或时钟发生器驱动的时钟。可以通过电阻器进行选择,如表 4-13 所示。
表 4-13 PCIe 主机操作的参考时钟选择
选择的时钟 安装 拆除
来自时钟发生器的 SOC 参考时钟 R194 R195、C92
R198 R199、C93
来自 SOC 的 PCIe 连接器参考时钟 R195、C92 R194、R109
R199、C93 R198、R110
来自时钟发生器的 PCIe 连接器参考时钟 R109 R195、C92
R110 R199、C93

对于 PCIe 端点操作:

  • SOC 可以具有由附加卡或时钟发生器驱动的时钟。可以通过电阻器进行选择,如表 4-14 所示。
表 4-14 PCIe 端点操作的参考时钟选择
选择的时钟 安装 拆除
来自时钟发生器的 SOC 参考时钟 R194 R195、C92
R198 R199、C93
来自 PCIe 连接器的 SOC 参考时钟 R195、C92 R194、R109
R199、C93 R198、R110

热插拔:PRSNT1# 和 PRSNT2# 信号是热插拔存在检测信号。PRSNT1# 被拉高,PRSNT2# 与 GPIO 扩展器相连,这样当插入附加卡时,PRSNT1# 将被拉低,因为附加卡中的两个 PRSNT 信号都会被短接。提供了可选的电阻器来短接 PRSNT1# 和 PRSNT2#,以支持主机和设备模式。

为了选择 PCIe 卡的主机或设备操作,必须按照表 4-15 所述安装/拆除以下电阻器。

表 4-15 用于选择 PCIe 卡主机或设备操作的电阻器
模式 安装 拆除
主机模式 R674 R675
R679
设备模式 R675 R674
R679

附加选项:

外部 PCIe 附加卡支持可选的 MDIO 总线和 USB2.0 接口。

当基于网络(以太网)的附加卡插入 J11 时,SoC 主域 (CPSW9G0) MDIO 信号通过 0Ω 直插式电阻器(R137 和 R136)连接到 x1L PCIe 插槽 (J11)。默认情况下该路径处于断开状态。

此外,来自 USB 集线器下行端口的 USB2.0 数据信号连接到 4 引脚接头 (J2),并通过负载开关提供 5V 电源。

GUID-C02D237D-1136-47EF-B275-442E47FF8A4F-low.gif图 4-22 USB2.0 接头连接