ZHCABZ5A November   2021  – December 2022 TMS320F2800132 , TMS320F2800133 , TMS320F2800135 , TMS320F2800137 , TMS320F2800152-Q1 , TMS320F2800153-Q1 , TMS320F2800154-Q1 , TMS320F2800155 , TMS320F2800155-Q1 , TMS320F2800156-Q1 , TMS320F2800157 , TMS320F2800157-Q1 , TMS320F280021 , TMS320F280021-Q1 , TMS320F280023 , TMS320F280023-Q1 , TMS320F280023C , TMS320F280025 , TMS320F280025-Q1 , TMS320F280025C , TMS320F280025C-Q1 , TMS320F280033 , TMS320F280034 , TMS320F280034-Q1 , TMS320F280036-Q1 , TMS320F280036C-Q1 , TMS320F280037 , TMS320F280037-Q1 , TMS320F280037C , TMS320F280037C-Q1 , TMS320F280038-Q1 , TMS320F280038C-Q1 , TMS320F280039 , TMS320F280039-Q1 , TMS320F280039C , TMS320F280039C-Q1 , TMS320F280040-Q1 , TMS320F280040C-Q1 , TMS320F280041 , TMS320F280041-Q1 , TMS320F280041C , TMS320F280041C-Q1 , TMS320F280045 , TMS320F280048-Q1 , TMS320F280048C-Q1 , TMS320F280049 , TMS320F280049-Q1 , TMS320F280049C , TMS320F280049C-Q1

 

  1.   F2800x 器件的硬件设计指南
  2.   商标
  3. 1引言
  4. 2典型的 F2800x 系统方框图
  5. 3原理图设计
    1. 3.1 封装和器件决策
      1. 3.1.1 F2800x 器件
        1. 3.1.1.1 TMS320F28004x
        2. 3.1.1.2 TMS320F28002x
        3. 3.1.1.3 TMS320F28003x
        4. 3.1.1.4 TMS320F280013x
      2. 3.1.2 迁移指南
      3. 3.1.3 引脚复用 (PinMux) 工具
      4. 3.1.4 可配置逻辑块
    2. 3.2 数字 IO
      1. 3.2.1 通用输入/输出
      2. 3.2.2 集成外设和 X-BAR
      3. 3.2.3 控制外设
      4. 3.2.4 通信外设
      5. 3.2.5 引导引脚和引导外设
    3. 3.3 模拟 IO
      1. 3.3.1 模拟外设
      2. 3.3.2 选择模拟引脚
      3. 3.3.3 内部与外部模拟基准
      4. 3.3.4 ADC 输入
      5. 3.3.5 驱动选项
      6. 3.3.6 低通/抗混叠滤波器
    4. 3.4 电源
      1. 3.4.1 电源要求
      2. 3.4.2 电源时序
      3. 3.4.3 VDD 稳压器
        1. 3.4.3.1 内部与外部稳压器
        2. 3.4.3.2 内部 LDO 与内部直流/直流稳压器
      4. 3.4.4 功耗
      5. 3.4.5 功率计算
    5. 3.5 XRSn 和系统复位
    6. 3.6 计时
      1. 3.6.1 内部与外部振荡器
    7. 3.7 调试和仿真
      1. 3.7.1 JTAG/cJTAG
      2. 3.7.2 调试探针
    8. 3.8 未使用的引脚
  6. 4PCB 布局设计
    1. 4.1 布局设计概述
      1. 4.1.1 建议的布局实践
      2. 4.1.2 电路板尺寸
      3. 4.1.3 层堆叠
    2. 4.2 建议的电路板布局布线
    3. 4.3 放置元件
      1. 4.3.1 电力电子元件注意事项
    4. 4.4 接地层
    5. 4.5 模拟和数字分离
    6. 4.6 信号布线的引线和过孔
    7. 4.7 散热注意事项
  7. 5EOS、EMI/EMC 和 ESD 注意事项
    1. 5.1 电气过载
    2. 5.2 电磁干扰和电磁兼容性
    3. 5.3 静电放电
  8. 6最终详细信息和检查清单
  9. 7参考文献
  10. 8修订历史记录

通信外设

F2800x 器件包含不同数量的以下通信外设:

  • 控制器局域网 (CAN/DCAN)
  • 模块化控制器局域网 (MCAN/CAN FD)
  • 内部集成电路 (I2C)
  • 电源管理总线 (PMBus) 接口
  • 串行通信接口 (SCI)
  • 串行外设接口 (SPI)
  • 本地互连网络 (LIN)
  • 快速串行接口 (FSI)
  • 主机接口控制器 (HIC)

鉴于这些外设的性质及其不同的通信方式,每个系统在设计时都必须考虑到预定的通信外设支持。板级接口(包括 I2C、PMBus 和 SPI)连接到板上其他器件或通过电路板连接到其他器件。由于这些驱动器通常直接运行,因此务必密切注意驱动能力和布线长度。这些因素取决于这些信号的选定频率。

使用 CAN 时,建议在电路板上实施外部振荡器,而不是使用内部振荡器。根据所需的 CAN 参数(如位时间设置、比特率、总线长度和传播延迟),片上零引脚振荡器的精度可能不符合 CAN 协议的要求。有关这方面的更多信息,请参阅Topic Link Label3.6.1以及 DCAN 模块的编程示例和调试策略

特别是对于 I2C,建议使用外部上拉电阻器将 SDAA 和 SCLA 引脚拉高。太强的上拉(较小的电阻器阻值)会阻止 I2C 引脚被有效地驱动为低电平,而太弱的上拉(较大的电阻器阻值)会影响通信速度。应根据功耗和速度之间的折衷来选择阻值。要计算上拉电阻器的理想范围,请参阅应用报告 I2C 总线上拉电阻器计算

SCI、CAN、LIN 和 FSI 接口可连接两个或更多在不同处理器下运行的电路板。这些端口通常需要专用的收发器器件来转换电信号,从而降低噪声并与其他器件上的端口实现通信。使用通信收发器时,某些收发器可能需要在 MCU 的通信引脚上使用上拉电阻器。可根据收发器的数据表验证该要求。

GUID-20211103-SS0I-T1KQ-V4SF-ZQ6QGQP2V4SL-low.png图 3-5 LAUNCHXL-F280049C 中的 CAN 收发器
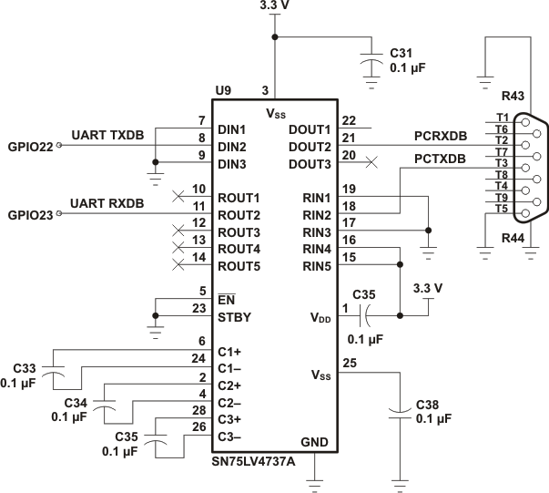
GUID-EE4C6087-E785-4C33-A164-7A5EF19F49C2-low.gif图 3-6 典型的 RS-232 收发器

SCI 通信外设是一个 2 线异步串行端口,具有两个外部引脚 SCITXD(SCI 发送 - 输出)和 SCIRXD(SCI 接收 - 输入)。该协议通常称为 UART,C2000 器件上的该协议使用标准 NRZ 格式。对于某些收发器实现,建议在 SCI-RX 引脚上连接一个上拉电阻器,从而允许信号在不被驱动的情况下返回到高逻辑电平。这可以防止 GPIO 引脚在可能导致错误和增加电流消耗的电平值之间浮动。可使用所用的特定收发器的数据表验证该上拉电阻器要求。当使用某些类型的收发器来确保 SCI 模块的确定性操作时,尤其有必要连接上拉电阻器。应在系统内选择性使用和测试该电阻器阻值,因为理想值在很大程度上取决于特定应用。太弱的上拉(较大的电阻值)会阻止电阻器在实际电路中通过另一个器件上拉三态或浮动输出。同样,太强的上拉(较小的电阻值)会阻止输出信号通过另一个器件切换。可以先从 10kΩ 测试阻值。有关 SCI 传输调试和故障排除的更多信息,请参阅 E2E 上的 SCI 常见问题解答主题

有关各种通信外设协议的其他参考资料,请参阅以下文档: