SPRUJ17I March 2022 – August 2025 AM2631 , AM2631-Q1 , AM2632 , AM2632-Q1 , AM2634 , AM2634-Q1
The purpose of the Diode Emulation logic is to provide hardware features and the necessary hooks into other IPs to implement robust diode mode sense and control in a noisy environment.
Diode Emulation features include:
Figure 7-182 illustrates the diode emulation submodule within the ePWM.

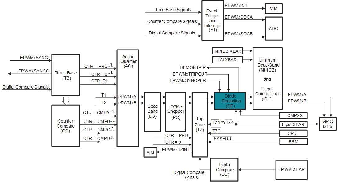
Figure 7-183 shows the interfaces to the DE block. As can be seen from the diagram, DE function is associated with an instance of ePWMx. The EPWMxA and EPWMxB signals from a given instance of ePWM module pass through the associated DE block and minimum dead band logic. In addition to EPWMxA and EPWMxB, two signals, EPWMxA_DB_NO_HR and EPWMxB_DB_NO_HR are tapped from the ePWM modules. These two signals are PWM signals that are tapped before the signals pass through the high-resolution delay lines and come from the dead-band submodule outputs. If high-resolution is not used, then EPWMxA_DB_NO_HR and EPWMxB_DB_NO_HR are just the outputs of the dead-band submodule.
The DE block can be configured to select one of the comparators or one of the outputs of the Input XBAR, as source of trip signals (TRIPH, TRIPL). The selected comparator is responsible for monitoring the current in the external power converter. Comparator thresholds (High and Low threshold) can be set such that, any breach of these thresholds indicates a need to switch to the DE mode.
Once DE mode is entered, indicated by setting of DEACTIVE flag, the ePWMs sent out of DE block are controlled by configuration registers in the DE block, and are not be the same as ePWMA/B from the associated ePWM instance. Once the DEACTIVE flag is set, the threshold settings of the selected CMPSS are switched to a new set of values (a narrower region). DEACTIVE flag from all of the ePWM instances are hooked up to all the comparator sub-systems (CMPSSy) to enable threshold value switch on DE mode entry. Refer to the CMPSS chapter for more details on how the new threshold values are set.