SPRUII0F May   2019  – June 2024 TMS320F28384D , TMS320F28384D-Q1 , TMS320F28384S , TMS320F28384S-Q1 , TMS320F28386D , TMS320F28386D-Q1 , TMS320F28386S , TMS320F28386S-Q1 , TMS320F28388D , TMS320F28388S

 

  1.   1
  2.   Read This First
    1.     About This Manual
    2.     Notational Conventions
    3.     Glossary
    4.     Related Documentation From Texas Instruments
    5.     Support Resources
    6.     Trademarks
  3. ► C28x SYSTEM RESOURCES
    1. 1.1 Technical Reference Manual Overview
  4. C2000™ Microcontrollers Software Support
    1. 2.1 Introduction
    2. 2.2 C2000Ware Structure
    3. 2.3 Documentation
    4. 2.4 Devices
    5. 2.5 Libraries
    6. 2.6 Code Composer Studio™ Integrated Development Environment (IDE)
    7. 2.7 SysConfig and PinMUX Tool
  5. C28x System Control and Interrupts
    1. 3.1  C28x System Control Introduction
      1. 3.1.1 SYSCTL Related Collateral
    2. 3.2  System Control Functional Description
      1. 3.2.1 Device Identification
      2. 3.2.2 Device Configuration Registers
    3. 3.3  Resets
      1. 3.3.1  Reset Sources
      2. 3.3.2  External Reset (XRSn)
      3. 3.3.3  Simulate External Reset
      4. 3.3.4  Power-On Reset (POR)
      5. 3.3.5  Debugger Reset (SYSRS)
      6. 3.3.6  Simulate CPU1 Reset
      7. 3.3.7  Watchdog Reset (WDRS)
      8. 3.3.8  NMI Watchdog Reset (NMIWDRS)
      9. 3.3.9  Secure Code Copy Reset (SCCRESET)
      10. 3.3.10 ESC Reset Output
      11. 3.3.11 Test Reset (TRST)
    4. 3.4  Peripheral Interrupts
      1. 3.4.1 Interrupt Concepts
      2. 3.4.2 Interrupt Architecture
        1. 3.4.2.1 Peripheral Stage
        2. 3.4.2.2 PIE Stage
        3. 3.4.2.3 CPU Stage
        4. 3.4.2.4 Dual-CPU Interrupt Handling
      3. 3.4.3 Interrupt Entry Sequence
      4. 3.4.4 Configuring and Using Interrupts
        1. 3.4.4.1 Enabling Interrupts
        2. 3.4.4.2 Handling Interrupts
        3. 3.4.4.3 Disabling Interrupts
        4. 3.4.4.4 Nesting Interrupts
      5. 3.4.5 PIE Channel Mapping
        1. 3.4.5.1 PIE Interrupt Priority
          1. 3.4.5.1.1 Channel Priority
          2. 3.4.5.1.2 Group Priority
      6. 3.4.6 System Error and CM Status Interrupts
      7. 3.4.7 Vector Tables
    5. 3.5  Exceptions and Non-Maskable Interrupts
      1. 3.5.1 Configuring and Using NMIs
      2. 3.5.2 Emulation Considerations
      3. 3.5.3 NMI Sources
        1. 3.5.3.1  Missing Clock Detection
        2. 3.5.3.2  RAM Uncorrectable Error
        3. 3.5.3.3  Flash Uncorrectable ECC Error
        4. 3.5.3.4  ROM Uncorrectable Error
        5. 3.5.3.5  NMI Vector Fetch Mismatch
        6. 3.5.3.6  CPU2 Watchdog or NMI Watchdog Reset
        7. 3.5.3.7  CM NMI Watchdog Reset
        8. 3.5.3.8  EtherCAT Reset out
        9. 3.5.3.9  CRC Fail
        10. 3.5.3.10 ERAD NMI
      4. 3.5.4 Illegal Instruction Trap (ITRAP)
    6. 3.6  Safety Features
      1. 3.6.1 Write Protection on Registers
        1. 3.6.1.1 LOCK Protection on System Configuration Registers
        2. 3.6.1.2 EALLOW Protection
      2. 3.6.2 CPU1 and CPU2 ePIE Vector Address Validity Check
      3. 3.6.3 NMIWDs
      4. 3.6.4 ECC and Parity Enabled RAMs, Shared RAMs Protection
      5. 3.6.5 ECC Enabled Flash Memory
      6. 3.6.6 ERRORSTS Pin
    7. 3.7  Clocking
      1. 3.7.1 Clock Sources
        1. 3.7.1.1 Primary Internal Oscillator (INTOSC2)
        2. 3.7.1.2 Backup Internal Oscillator (INTOSC1)
        3. 3.7.1.3 External Oscillator (XTAL)
        4. 3.7.1.4 Auxiliary Clock Input (AUXCLKIN)
      2. 3.7.2 Derived Clocks
        1. 3.7.2.1 Oscillator Clock (OSCCLK)
        2. 3.7.2.2 System PLL Output Clock (PLLRAWCLK)
        3. 3.7.2.3 Auxiliary Oscillator Clock (AUXOSCCLK)
        4. 3.7.2.4 Auxiliary PLL Output Clock (AUXPLLRAWCLK)
      3. 3.7.3 Device Clock Domains
        1. 3.7.3.1 System Clock (PLLSYSCLK)
        2. 3.7.3.2 CPU Clock (CPUCLK)
        3. 3.7.3.3 CPU Subsystem Clock (SYSCLK and PERx.SYSCLK)
        4. 3.7.3.4 Low-Speed Peripheral Clock (LSPCLK and PERx.LSPCLK)
        5. 3.7.3.5 USB Auxiliary Clock (AUXPLLCLK)
        6. 3.7.3.6 CAN Bit Clock
        7. 3.7.3.7 CPU Timer2 Clock (TIMER2CLK)
      4. 3.7.4 External Clock Output (XCLKOUT)
      5. 3.7.5 Clock Connectivity
      6. 3.7.6 PLL/AUXPLL
        1. 3.7.6.1 Choosing PLL Settings
        2. 3.7.6.2 System Clock Setup
        3. 3.7.6.3 USB Auxiliary Clock Setup
        4. 3.7.6.4 SYS PLL / AUX PLL Bypass
      7. 3.7.7 Clock (OSCCLK) Failure Detection
        1. 3.7.7.1 Missing Clock Detection Logic
    8. 3.8  Clock Configuration Semaphore
    9. 3.9  32-Bit CPU Timers 0/1/2
    10. 3.10 Watchdog Timers
      1. 3.10.1 Servicing the Watchdog Timer
      2. 3.10.2 Minimum Window Check
      3. 3.10.3 Watchdog Reset or Watchdog Interrupt Mode
      4. 3.10.4 Watchdog Operation in Low-Power Modes
      5. 3.10.5 Emulation Considerations
    11. 3.11 Low-Power Modes
      1. 3.11.1 IDLE
      2. 3.11.2 STANDBY
    12. 3.12 Memory Controller Module
      1. 3.12.1 Functional Description
        1. 3.12.1.1  Dedicated RAM (Dx RAM)
        2. 3.12.1.2  Local Shared RAM (LSx RAM)
        3. 3.12.1.3  Global Shared RAM (GSx RAM)
        4. 3.12.1.4  CPU Message RAM (CPU MSG RAM)
        5. 3.12.1.5  CLA Message RAM (CLA MSGRAM)
        6. 3.12.1.6  CLA-DMA MSG RAM
        7. 3.12.1.7  Access Arbitration
        8. 3.12.1.8  Access Protection
          1. 3.12.1.8.1 CPU Fetch Protection
          2. 3.12.1.8.2 CPU Write Protection
          3. 3.12.1.8.3 CPU Read Protection
          4. 3.12.1.8.4 CLA Fetch Protection
          5. 3.12.1.8.5 CLA Write Protection
          6. 3.12.1.8.6 CLA Read Protection
          7. 3.12.1.8.7 DMA Write Protection
        9. 3.12.1.9  Memory Error Detection, Correction and Error Handling
          1. 3.12.1.9.1 Error Detection and Correction
          2. 3.12.1.9.2 Error Handling
        10. 3.12.1.10 Application Test Hooks for Error Detection and Correction
        11. 3.12.1.11 ROM Test
        12. 3.12.1.12 RAM Initialization
    13. 3.13 JTAG
      1. 3.13.1 JTAG Noise and TAP_STATUS
    14. 3.14 System Control Register Configuration Restrictions
    15. 3.15 Software
      1. 3.15.1 SYSCTL Examples
        1. 3.15.1.1 Missing clock detection (MCD)
        2. 3.15.1.2 XCLKOUT (External Clock Output) Configuration
      2. 3.15.2 MEMCFG Examples
        1. 3.15.2.1 Correctable & Uncorrectable Memory Error Handling
        2. 3.15.2.2 Shared RAM Management (CPU1) - C28X_DUAL
        3. 3.15.2.3 Shared RAM Management (CPU2) - C28X_DUAL
        4. 3.15.2.4 Demonstrate memconfig diagnostics and error handling. - CM
        5. 3.15.2.5 Shared RAM Management (CPU1) - C28X_DUAL
        6. 3.15.2.6 Shared RAM Management (CPU2) - C28X_DUAL
      3. 3.15.3 NMI Examples
        1. 3.15.3.1 NMI handling - C28X_DUAL
        2. 3.15.3.2 Watchdog Reset - C28X_DUAL
        3. 3.15.3.3 NMI handling - C28X_DUAL
        4. 3.15.3.4 Watchdog Reset - C28X_DUAL
      4. 3.15.4 TIMER Examples
        1. 3.15.4.1 CPU Timers
        2. 3.15.4.2 CPU Timers - CM
        3. 3.15.4.3 CPU Timers
      5. 3.15.5 WATCHDOG Examples
        1. 3.15.5.1 Watchdog
        2. 3.15.5.2 Windowed watchdog expiry with NMI handling - CM
    16. 3.16 System Control Registers
      1. 3.16.1  SYSCTRL Base Address Table (C28)
      2. 3.16.2  ACCESS_PROTECTION_REGS Registers
      3. 3.16.3  CLK_CFG_REGS Registers
      4. 3.16.4  CM_CONF_REGS Registers
      5. 3.16.5  CPU_SYS_REGS Registers
      6. 3.16.6  CPU_ID_REGS Registers
      7. 3.16.7  CPU1_PERIPH_AC_REGS Registers
      8. 3.16.8  CPUTIMER_REGS Registers
      9. 3.16.9  DEV_CFG_REGS Registers
      10. 3.16.10 DMA_CLA_SRC_SEL_REGS Registers
      11. 3.16.11 MEM_CFG_REGS Registers
      12. 3.16.12 MEMORY_ERROR_REGS Registers
      13. 3.16.13 NMI_INTRUPT_REGS Registers
      14. 3.16.14 PIE_CTRL_REGS Registers
      15. 3.16.15 ROM_PREFETCH_REGS Registers
      16. 3.16.16 ROM_WAIT_STATE_REGS Registers
      17. 3.16.17 SYNC_SOC_REGS Registers
      18. 3.16.18 SYS_STATUS_REGS Registers
      19. 3.16.19 TEST_ERROR_REGS Registers
      20. 3.16.20 UID_REGS Registers
      21. 3.16.21 WD_REGS Registers
      22. 3.16.22 XINT_REGS Registers
      23. 3.16.23 Register to Driverlib Function Mapping
        1. 3.16.23.1 ASYSCTL Registers to Driverlib Functions
        2. 3.16.23.2 CPUTIMER Registers to Driverlib Functions
        3. 3.16.23.3 DCSM Registers to Driverlib Functions
        4. 3.16.23.4 MEMCFG Registers to Driverlib Functions
        5. 3.16.23.5 NMI Registers to Driverlib Functions
        6. 3.16.23.6 PIE Registers to Driverlib Functions
        7. 3.16.23.7 SYSCTL Registers to Driverlib Functions
        8. 3.16.23.8 WWD Registers to Driverlib Functions
        9. 3.16.23.9 XINT Registers to Driverlib Functions
  6. C28x Processor
    1. 4.1 Introduction
    2. 4.2 C28X Related Collateral
    3. 4.3 Features
    4. 4.4 Floating-Point Unit
    5. 4.5 Trigonometric Math Unit (TMU)
    6. 4.6 VCRC Unit
  7. ROM Code and Peripheral Booting
    1. 5.1 Introduction
      1. 5.1.1 ROM Related Collateral
    2. 5.2 Device Boot Sequence
    3. 5.3 Device Boot Modes
    4. 5.4 Device Boot Configurations
      1. 5.4.1 Configuring Boot Mode Pins for CPU1
      2. 5.4.2 Configuring Boot Mode Table Options for CPU1
      3. 5.4.3 Boot Mode Example Use Cases
        1. 5.4.3.1 Zero Boot Mode Select Pins
        2. 5.4.3.2 One Boot Mode Select Pin
        3. 5.4.3.3 Three Boot Mode Select Pins
    5. 5.5 Device Boot Flow Diagrams
      1. 5.5.1 CPU1 Boot Flow
      2. 5.5.2 CPU2 Boot Flow
      3. 5.5.3 Connectivity Manager (CM) Boot Flow
    6. 5.6 Device Reset and Exception Handling
      1. 5.6.1 Reset Causes and Handling
      2. 5.6.2 Exceptions and Interrupts Handling
    7. 5.7 Boot ROM Description
      1. 5.7.1  CPU1 Boot ROM Configuration Registers
        1. 5.7.1.1 GPREG2 Usage and MPOST Configuration
      2. 5.7.2  Booting CPU2 and CM
        1. 5.7.2.1 Boot Up Procedure
        2. 5.7.2.2 IPCBOOTMODE Details
        3. 5.7.2.3 Error IPC Command Table
      3. 5.7.3  Entry Points
      4. 5.7.4  Wait Points
      5. 5.7.5  Memory Maps
        1. 5.7.5.1 Boot ROM Memory Maps
        2. 5.7.5.2 CLA Data ROM Memory Maps
        3. 5.7.5.3 Reserved RAM Memory Maps
      6. 5.7.6  ROM Tables
      7. 5.7.7  Boot Modes and Loaders
        1. 5.7.7.1 Boot Modes
          1. 5.7.7.1.1 Wait Boot
          2. 5.7.7.1.2 Flash Boot
          3. 5.7.7.1.3 Secure Flash Boot
            1. 5.7.7.1.3.1 Secure Flash CPU1 Linker File Example
          4. 5.7.7.1.4 RAM Boot
          5. 5.7.7.1.5 User OTP Boot
          6. 5.7.7.1.6 IPC Message Copy to RAM Boot
        2. 5.7.7.2 Bootloaders
          1. 5.7.7.2.1 SCI Boot Mode
          2. 5.7.7.2.2 SPI Boot Mode
          3. 5.7.7.2.3 I2C Boot Mode
          4. 5.7.7.2.4 Parallel Boot Mode
          5. 5.7.7.2.5 CAN Boot Mode
          6. 5.7.7.2.6 USB Boot Mode
      8. 5.7.8  GPIO Assignments for CPU1
      9. 5.7.9  Secure ROM Function APIs
      10. 5.7.10 Clock Initializations
      11. 5.7.11 Boot Status information
        1. 5.7.11.1 CPU1 Booting Status
        2. 5.7.11.2 CPU2 Booting Status
        3. 5.7.11.3 CM Booting Status
        4. 5.7.11.4 Boot Mode and MPOST (Memory Power On Self-Test) Status
      12. 5.7.12 ROM Version
    8. 5.8 Application Notes for Using the Bootloaders
      1. 5.8.1 Boot Data Stream Structure
        1. 5.8.1.1 Bootloader Data Stream Structure
          1. 5.8.1.1.1 Data Stream Structure 8-bit
      2. 5.8.2 The C2000 Hex Utility
        1. 5.8.2.1 HEX2000.exe Command Syntax
    9. 5.9 Software
      1. 5.9.1 BOOT Examples
        1. 5.9.1.1 CM Secure Flash Boot
        2. 5.9.1.2 CPU1 Secure Flash Boot
        3. 5.9.1.3 CPU2 Secure Flash Boot
  8. Dual Code Security Module (DCSM)
    1. 6.1 Introduction
      1. 6.1.1 DCSM Related Collateral
    2. 6.2 Functional Description
      1. 6.2.1 CSM Passwords
      2. 6.2.2 Emulation Code Security Logic (ECSL)
      3. 6.2.3 CPU Secure Logic
      4. 6.2.4 Execute-Only Protection
      5. 6.2.5 Password Lock
      6. 6.2.6 JTAGLOCK
      7. 6.2.7 Link Pointer and Zone Select
      8. 6.2.8 C Code Example to Get Zone Select Block Addr for Zone1
    3. 6.3 Flash and OTP Erase/Program
    4. 6.4 Secure Copy Code
    5. 6.5 SecureCRC
    6. 6.6 CSM Impact on Other On-Chip Resources
    7. 6.7 Incorporating Code Security in User Applications
      1. 6.7.1 Environments That Require Security Unlocking
      2. 6.7.2 CSM Password Match Flow
      3. 6.7.3 C Code Example to Unsecure C28x Zone1
      4. 6.7.4 C Code Example to Resecure C28x Zone1
      5. 6.7.5 Environments That Require ECSL Unlocking
      6. 6.7.6 ECSL Password Match Flow
      7. 6.7.7 ECSL Disable Considerations for any Zone
        1. 6.7.7.1 C Code Example to Disable ECSL for C28x-Zone1
      8. 6.7.8 Device Unique ID
    8. 6.8 Software
      1. 6.8.1 DCSM Examples
        1. 6.8.1.1 Empty DCSM Tool Example
        2. 6.8.1.2 DCSM Memory Access control by master CPU1 - C28X_CM
        3. 6.8.1.3 DCSM Memory Access by CPU2 - C28X_DUAL
        4. 6.8.1.4 DCSM Memory Access control by CPU1 - C28X_DUAL
        5. 6.8.1.5 DCSM Memory partitioning Example
        6. 6.8.1.6 DCSM Memory Access by CM - C28X_CM
    9. 6.9 DCSM Registers
      1. 6.9.1 DCSM Base Address Table (C28)
      2. 6.9.2 CM DCSM Base Address Table (CM)
      3. 6.9.3 DCSM_Z1_REGS Registers
      4. 6.9.4 DCSM_Z2_REGS Registers
      5. 6.9.5 DCSM_COMMON_REGS Registers
      6. 6.9.6 DCSM_Z1_OTP Registers
      7. 6.9.7 DCSM_Z2_OTP Registers
  9. Background CRC-32 (BGCRC)
    1. 7.1 Introduction
      1. 7.1.1 BGCRC Related Collateral
      2. 7.1.2 Features
      3. 7.1.3 Block Diagram
      4. 7.1.4 Memory Wait States and Memory Map
    2. 7.2 Functional Description
      1. 7.2.1 Data Read Unit
      2. 7.2.2 CRC-32 Compute Unit
      3. 7.2.3 CRC Notification Unit
        1. 7.2.3.1 CPU Interrupt, CLA Task and NMI
      4. 7.2.4 Operating Modes
        1. 7.2.4.1 CRC Mode
        2. 7.2.4.2 Scrub Mode
      5. 7.2.5 BGCRC Watchdog
      6. 7.2.6 Hardware and Software Faults Protection
    3. 7.3 Application of the BGCRC
      1. 7.3.1 Software Configuration
      2. 7.3.2 Decision on Error Response Severity
      3. 7.3.3 Decision of Controller for CLA_CRC
      4. 7.3.4 Execution of Time Critical Code from Wait-Stated Memories
      5. 7.3.5 BGCRC Execution
      6. 7.3.6 Debug/Error Response for BGCRC Errors
      7. 7.3.7 BGCRC Golden CRC-32 Value Computation
    4. 7.4 Software
      1. 7.4.1 BGCRC Examples
        1. 7.4.1.1 BGCRC CPU Interrupt Example
        2. 7.4.1.2 BGCRC Example with Watchdog and Lock
        3. 7.4.1.3 CLA-BGCRC Example in CRC mode
        4. 7.4.1.4 CLA-BGCRC Example in Scrub Mode
    5. 7.5 BGCRC Registers
      1. 7.5.1 BGCRC Base Address Table (C28)
      2. 7.5.2 BGCRC_REGS Registers
      3. 7.5.3 BGCRC Registers to Driverlib Functions
  10. Control Law Accelerator (CLA)
    1. 8.1 Introduction
      1. 8.1.1 Features
      2. 8.1.2 CLA Related Collateral
      3. 8.1.3 Block Diagram
    2. 8.2 CLA Interface
      1. 8.2.1 CLA Memory
      2. 8.2.2 CLA Memory Bus
      3. 8.2.3 Shared Peripherals and EALLOW Protection
      4. 8.2.4 CLA Tasks and Interrupt Vectors
      5. 8.2.5 CLA Software Interrupt to CPU
    3. 8.3 CLA, DMA, and CPU Arbitration
      1. 8.3.1 CLA Message RAM
      2. 8.3.2 Peripheral Registers (ePWM, HRPWM, Comparator)
    4. 8.4 CLA Configuration and Debug
      1. 8.4.1 Building a CLA Application
      2. 8.4.2 Typical CLA Initialization Sequence
      3. 8.4.3 Debugging CLA Code
        1. 8.4.3.1 Software Breakpoint Support (MDEBUGSTOP1)
        2. 8.4.3.2 Legacy Breakpoint Support (MDEBUGSTOP)
      4. 8.4.4 CLA Illegal Opcode Behavior
      5. 8.4.5 Resetting the CLA
    5. 8.5 Pipeline
      1. 8.5.1 Pipeline Overview
      2. 8.5.2 CLA Pipeline Alignment
        1. 8.5.2.1 Code Fragment For MBCNDD, MCCNDD, or MRCNDD
        2.       379
        3. 8.5.2.2 Code Fragment for Loading MAR0 or MAR1
        4.       381
        5. 8.5.2.3 ADC Early Interrupt to CLA Response
      3. 8.5.3 Parallel Instructions
        1. 8.5.3.1 Math Operation with Parallel Load
        2. 8.5.3.2 Multiply with Parallel Add
      4. 8.5.4 CLA Task Execution Latency
    6. 8.6 Software
      1. 8.6.1 CLA Examples
        1. 8.6.1.1  CLA arcsine(x) using a lookup table (cla_asin_cpu01)
        2. 8.6.1.2  CLA arcsine(x) using a lookup table (cla_asin_cpu01) - C28X_DUAL
        3. 8.6.1.3  CLA Arcsine Example. - C28X_DUAL
        4. 8.6.1.4  CLA arctangent(x) using a lookup table (cla_atan_cpu01)
        5. 8.6.1.5  CLA 2 Pole 2 Zero Infinite Impulse Response Filter (cla_iir2p2z_cpu01) - C28X_DUAL
        6. 8.6.1.6  CLA 2-pole 2-zero IIR Filter Example for F2837xD. - C28X_DUAL
        7. 8.6.1.7  CLA background nesting task
        8. 8.6.1.8  Controlling PWM output using CLA
        9. 8.6.1.9  Just-in-time ADC sampling with CLA
        10. 8.6.1.10 Optimal offloading of control algorithms to CLA
        11. 8.6.1.11 Handling shared resources across C28x and CLA
    7. 8.7 Instruction Set
      1. 8.7.1 Instruction Descriptions
      2. 8.7.2 Addressing Modes and Encoding
      3. 8.7.3 Instructions
        1.       MABSF32 MRa, MRb
        2.       MADD32 MRa, MRb, MRc
        3.       MADDF32 MRa, #16FHi, MRb
        4.       MADDF32 MRa, MRb, #16FHi
        5.       MADDF32 MRa, MRb, MRc
        6.       MADDF32 MRd, MRe, MRf||MMOV32 mem32, MRa
        7.       MADDF32 MRd, MRe, MRf ||MMOV32 MRa, mem32
        8.       MAND32 MRa, MRb, MRc
        9.       MASR32 MRa, #SHIFT
        10.       MBCNDD 16BitDest [, CNDF]
        11.       MCCNDD 16BitDest [, CNDF]
        12.       MCLRC BGINTM
        13.       MCMP32 MRa, MRb
        14.       MCMPF32 MRa, MRb
        15.       MCMPF32 MRa, #16FHi
        16.       MDEBUGSTOP
        17.       MDEBUGSTOP1
        18.       MEALLOW
        19.       MEDIS
        20.       MEINVF32 MRa, MRb
        21.       MEISQRTF32 MRa, MRb
        22.       MF32TOI16 MRa, MRb
        23.       MF32TOI16R MRa, MRb
        24.       MF32TOI32 MRa, MRb
        25.       MF32TOUI16 MRa, MRb
        26.       MF32TOUI16R MRa, MRb
        27.       MF32TOUI32 MRa, MRb
        28.       MFRACF32 MRa, MRb
        29.       MI16TOF32 MRa, MRb
        30.       MI16TOF32 MRa, mem16
        31.       MI32TOF32 MRa, mem32
        32.       MI32TOF32 MRa, MRb
        33.       MLSL32 MRa, #SHIFT
        34.       MLSR32 MRa, #SHIFT
        35.       MMACF32 MR3, MR2, MRd, MRe, MRf ||MMOV32 MRa, mem32
        36.       MMAXF32 MRa, MRb
        37.       MMAXF32 MRa, #16FHi
        38.       MMINF32 MRa, MRb
        39.       MMINF32 MRa, #16FHi
        40.       MMOV16 MARx, MRa, #16I
        41.       MMOV16 MARx, mem16
        42.       MMOV16 mem16, MARx
        43.       MMOV16 mem16, MRa
        44.       MMOV32 mem32, MRa
        45.       MMOV32 mem32, MSTF
        46.       MMOV32 MRa, mem32 [, CNDF]
        47.       MMOV32 MRa, MRb [, CNDF]
        48.       MMOV32 MSTF, mem32
        49.       MMOVD32 MRa, mem32
        50.       MMOVF32 MRa, #32F
        51.       MMOVI16 MARx, #16I
        52.       MMOVI32 MRa, #32FHex
        53.       MMOVIZ MRa, #16FHi
        54.       MMOVZ16 MRa, mem16
        55.       MMOVXI MRa, #16FLoHex
        56.       MMPYF32 MRa, MRb, MRc
        57.       MMPYF32 MRa, #16FHi, MRb
        58.       MMPYF32 MRa, MRb, #16FHi
        59.       MMPYF32 MRa, MRb, MRc||MADDF32 MRd, MRe, MRf
        60.       MMPYF32 MRd, MRe, MRf ||MMOV32 MRa, mem32
        61.       MMPYF32 MRd, MRe, MRf ||MMOV32 mem32, MRa
        62.       MMPYF32 MRa, MRb, MRc ||MSUBF32 MRd, MRe, MRf
        63.       MNEGF32 MRa, MRb[, CNDF]
        64.       MNOP
        65.       MOR32 MRa, MRb, MRc
        66.       MRCNDD [CNDF]
        67.       MSETC BGINTM
        68.       MSETFLG FLAG, VALUE
        69.       MSTOP
        70.       MSUB32 MRa, MRb, MRc
        71.       MSUBF32 MRa, MRb, MRc
        72.       MSUBF32 MRa, #16FHi, MRb
        73.       MSUBF32 MRd, MRe, MRf ||MMOV32 MRa, mem32
        74.       MSUBF32 MRd, MRe, MRf ||MMOV32 mem32, MRa
        75.       MSWAPF MRa, MRb [, CNDF]
        76.       MTESTTF CNDF
        77.       MUI16TOF32 MRa, mem16
        78.       MUI16TOF32 MRa, MRb
        79.       MUI32TOF32 MRa, mem32
        80.       MUI32TOF32 MRa, MRb
        81.       MXOR32 MRa, MRb, MRc
    8. 8.8 CLA Registers
      1. 8.8.1 CLA Base Address Table (C28)
      2. 8.8.2 CLA_ONLY_REGS Registers
      3. 8.8.3 CLA_SOFTINT_REGS Registers
      4. 8.8.4 CLA_REGS Registers
      5. 8.8.5 CLA Registers to Driverlib Functions
  11. Configurable Logic Block (CLB)
    1. 9.1  Introduction
      1. 9.1.1 CLB Related Collateral
    2. 9.2  Description
      1. 9.2.1 CLB Clock
    3. 9.3  CLB Input/Output Connection
      1. 9.3.1 Overview
      2. 9.3.2 CLB Input Selection
      3. 9.3.3 CLB Output Selection
      4. 9.3.4 CLB Output Signal Multiplexer
    4. 9.4  CLB Tile
      1. 9.4.1 Static Switch Block
      2. 9.4.2 Counter Block
        1. 9.4.2.1 Counter Description
        2. 9.4.2.2 Counter Operation
        3. 9.4.2.3 Serializer Mode
        4. 9.4.2.4 Linear Feedback Shift Register (LFSR) Mode
      3. 9.4.3 FSM Block
      4. 9.4.4 LUT4 Block
      5. 9.4.5 Output LUT Block
      6. 9.4.6 Asynchronous Output Conditioning (AOC) Block
      7. 9.4.7 High Level Controller (HLC)
        1. 9.4.7.1 High Level Controller Events
        2. 9.4.7.2 High Level Controller Instructions
        3. 9.4.7.3 <Src> and <Dest>
        4. 9.4.7.4 Operation of the PUSH and PULL Instructions (Overflow and Underflow Detection)
    5. 9.5  CPU Interface
      1. 9.5.1 Register Description
      2. 9.5.2 Non-Memory Mapped Registers
    6. 9.6  DMA Access
    7. 9.7  CLB Data Export Through SPI RX Buffer
    8. 9.8  CLB Pipeline Mode
    9. 9.9  Software
      1. 9.9.1 CLB Examples
        1. 9.9.1.1  CLB Empty Project
        2. 9.9.1.2  CLB Combinational Logic
        3. 9.9.1.3  CLB GPIO Input Filter
        4. 9.9.1.4  CLB Auxilary PWM
        5. 9.9.1.5  CLB PWM Protection
        6. 9.9.1.6  CLB Event Window
        7. 9.9.1.7  CLB Signal Generator
        8. 9.9.1.8  CLB State Machine
        9. 9.9.1.9  CLB External Signal AND Gate
        10. 9.9.1.10 CLB Timer
        11. 9.9.1.11 CLB Timer Two States
        12. 9.9.1.12 CLB Interrupt Tag
        13. 9.9.1.13 CLB Output Intersect
        14. 9.9.1.14 CLB PUSH PULL
        15. 9.9.1.15 CLB Multi Tile
        16. 9.9.1.16 CLB Tile to Tile Delay
        17. 9.9.1.17 CLB based One-shot PWM
        18. 9.9.1.18 CLB AOC Control
        19. 9.9.1.19 CLB AOC Release Control
        20. 9.9.1.20 CLB XBARs
        21. 9.9.1.21 CLB AOC Control
        22. 9.9.1.22 CLB Serializer
        23. 9.9.1.23 CLB LFSR
        24. 9.9.1.24 CLB Lock Output Mask
        25. 9.9.1.25 CLB INPUT Pipeline Mode
        26. 9.9.1.26 CLB Clocking and PIPELINE Mode
        27. 9.9.1.27 CLB SPI Data Export
        28. 9.9.1.28 CLB SPI Data Export DMA
        29. 9.9.1.29 CLB Trip Zone Timestamp
        30. 9.9.1.30 CLB CRC
    10. 9.10 CLB Registers
      1. 9.10.1 CLB Base Address Table (C28)
      2. 9.10.2 CLB_LOGIC_CONFIG_REGS Registers
      3. 9.10.3 CLB_LOGIC_CONTROL_REGS Registers
      4. 9.10.4 CLB_DATA_EXCHANGE_REGS Registers
      5. 9.10.5 CLB Registers to Driverlib Functions
  12. 10Dual-Clock Comparator (DCC)
    1. 10.1 Introduction
      1. 10.1.1 Features
      2. 10.1.2 Block Diagram
    2. 10.2 Module Operation
      1. 10.2.1 Configuring DCC Counters
      2. 10.2.2 Single-Shot Measurement Mode
      3. 10.2.3 Continuous Monitoring Mode
      4. 10.2.4 Error Conditions
    3. 10.3 Interrupts
    4. 10.4 Software
      1. 10.4.1 DCC Examples
        1. 10.4.1.1 DCC Single shot Clock verification
        2. 10.4.1.2 DCC Single shot Clock measurement
        3. 10.4.1.3 DCC Continuous clock monitoring
        4. 10.4.1.4 DCC Continuous clock monitoring
        5. 10.4.1.5 DCC Detection of clock failure
    5. 10.5 DCC Registers
      1. 10.5.1 DCC Base Address Table (C28)
      2. 10.5.2 DCC_REGS Registers
      3. 10.5.3 DCC Registers to Driverlib Functions
  13. 11Direct Memory Access (DMA)
    1. 11.1 Introduction
      1. 11.1.1 Features
      2. 11.1.2 Block Diagram
    2. 11.2 Architecture
      1. 11.2.1 Peripheral Interrupt Event Trigger Sources
      2. 11.2.2 DMA Bus
    3. 11.3 Address Pointer and Transfer Control
    4. 11.4 Pipeline Timing and Throughput
    5. 11.5 CPU and CLA Arbitration
    6. 11.6 Channel Priority
      1. 11.6.1 Round-Robin Mode
      2. 11.6.2 Channel 1 High-Priority Mode
    7. 11.7 Overrun Detection Feature
    8. 11.8 Software
      1. 11.8.1 DMA Examples
        1. 11.8.1.1 DMA GSRAM Transfer (dma_ex1_gsram_transfer)
        2. 11.8.1.2 DMA Transfer Shared Peripheral - C28X_DUAL
        3. 11.8.1.3 DMA Transfer for Shared Peripheral Example (CPU2) - C28X_DUAL
        4. 11.8.1.4 DMA GSRAM Transfer (dma_ex2_gsram_transfer)
        5. 11.8.1.5 DMA Transfer Shared Peripheral - C28X_DUAL
    9. 11.9 DMA Registers
      1. 11.9.1 DMA Base Address Table (C28)
      2. 11.9.2 DMA_REGS Registers
      3. 11.9.3 DMA_CH_REGS Registers
      4. 11.9.4 DMA Registers to Driverlib Functions
  14. 12External Memory Interface (EMIF)
    1. 12.1 Introduction
      1. 12.1.1 Purpose of the Peripheral
      2. 12.1.2 EMIF Related Collateral
      3. 12.1.3 Features
        1. 12.1.3.1 Asynchronous Memory Support
        2. 12.1.3.2 Synchronous DRAM Memory Support
      4. 12.1.4 Functional Block Diagram
      5. 12.1.5 Configuring Device Pins
    2. 12.2 EMIF Module Architecture
      1. 12.2.1  EMIF Clock Control
      2. 12.2.2  EMIF Requests
      3. 12.2.3  EMIF Signal Descriptions
      4. 12.2.4  EMIF Signal Multiplexing Control
      5. 12.2.5  SDRAM Controller and Interface
        1. 12.2.5.1  SDRAM Commands
        2. 12.2.5.2  Interfacing to SDRAM
        3. 12.2.5.3  SDRAM Configuration Registers
        4. 12.2.5.4  SDRAM Auto-Initialization Sequence
        5. 12.2.5.5  SDRAM Configuration Procedure
        6. 12.2.5.6  EMIF Refresh Controller
          1. 12.2.5.6.1 Determining the Appropriate Value for the RR Field
        7. 12.2.5.7  Self-Refresh Mode
        8. 12.2.5.8  Power-Down Mode
        9. 12.2.5.9  SDRAM Read Operation
        10. 12.2.5.10 SDRAM Write Operations
        11. 12.2.5.11 Mapping from Logical Address to EMIF Pins
      6. 12.2.6  Asynchronous Controller and Interface
        1. 12.2.6.1 Interfacing to Asynchronous Memory
        2. 12.2.6.2 Accessing Larger Asynchronous Memories
        3. 12.2.6.3 Configuring EMIF for Asynchronous Accesses
        4. 12.2.6.4 Read and Write Operations in Normal Mode
          1. 12.2.6.4.1 Asynchronous Read Operations (Normal Mode)
          2. 12.2.6.4.2 Asynchronous Write Operations (Normal Mode)
        5. 12.2.6.5 Read and Write Operation in Select Strobe Mode
          1. 12.2.6.5.1 Asynchronous Read Operations (Select Strobe Mode)
          2. 12.2.6.5.2 Asynchronous Write Operations (Select Strobe Mode)
        6. 12.2.6.6 Extended Wait Mode and the EM1WAIT Pin
      7. 12.2.7  Data Bus Parking
      8. 12.2.8  Reset and Initialization Considerations
      9. 12.2.9  Interrupt Support
        1. 12.2.9.1 Interrupt Events
      10. 12.2.10 DMA Event Support
      11. 12.2.11 EMIF Signal Multiplexing
      12. 12.2.12 Memory Map
      13. 12.2.13 Priority and Arbitration
      14. 12.2.14 System Considerations
        1. 12.2.14.1 Asynchronous Request Times
      15. 12.2.15 Power Management
        1. 12.2.15.1 Power Management Using Self-Refresh Mode
        2. 12.2.15.2 Power Management Using Power Down Mode
      16. 12.2.16 Emulation Considerations
    3. 12.3 Example Configuration
      1. 12.3.1 Hardware Interface
      2. 12.3.2 Software Configuration
        1. 12.3.2.1 Configuring the SDRAM Interface
          1. 12.3.2.1.1 PLL Programming for EMIF to K4S641632H-TC(L)70 Interface
          2. 12.3.2.1.2 SDRAM Timing Register (SDRAM_TR) Settings for EMIF to K4S641632H-TC(L)70 Interface
          3. 12.3.2.1.3 SDRAM Self Refresh Exit Timing Register (SDR_EXT_TMNG) Settings for EMIF to K4S641632H-TC(L)70 Interface
          4. 12.3.2.1.4 SDRAM Refresh Control Register (SDRAM_RCR) Settings for EMIF to K4S641632H-TC(L)70 Interface
          5. 12.3.2.1.5 SDRAM Configuration Register (SDRAM_CR) Settings for EMIF to K4S641632H-TC(L)70 Interface
        2. 12.3.2.2 Configuring the Flash Interface
          1. 12.3.2.2.1 Asynchronous 1 Configuration Register (ASYNC_CS2_CFG) Settings for EMIF to LH28F800BJE-PTTL90 Interface
    4. 12.4 Software
      1. 12.4.1 EMIF Examples
        1. 12.4.1.1  Pin setup for EMIF module accessing ASRAM.
        2. 12.4.1.2  EMIF1 ASYNC module accessing 16bit ASRAM.
        3. 12.4.1.3  EMIF1 ASYNC module accessing 16bit ASRAM through CPU1 and CPU2. - C28X_DUAL
        4. 12.4.1.4  EMIF1 ASYNC module accessing 16bit ASRAM trhough CPU1 and CPU2. - C28X_DUAL
        5. 12.4.1.5  EMIF1 module accessing 16bit ASRAM as code memory.
        6. 12.4.1.6  EMIF1 module accessing 16bit SDRAM using memcpy_fast_far().
        7. 12.4.1.7  EMIF1 module accessing 16bit SDRAM then puts into Self Refresh mode before entering Low Power Mode.
        8. 12.4.1.8  EMIF1 module accessing 32bit SDRAM using DMA.
        9. 12.4.1.9  EMIF1 module accessing 16bit SDRAM using alternate address mapping.
        10. 12.4.1.10 EMIF1 ASYNC module accessing 16bit ASRAM HIC FSI
        11. 12.4.1.11 EMIF1 ASYNC module accessing 8bit HIC controller.
    5. 12.5 EMIF Registers
      1. 12.5.1 EMIF Base Address Table (C28)
      2. 12.5.2 EMIF_REGS Registers
      3. 12.5.3 EMIF1_CONFIG_REGS Registers
      4. 12.5.4 EMIF2_CONFIG_REGS Registers
      5. 12.5.5 EMIF Registers to Driverlib Functions
  15. 13Flash Module
    1. 13.1  Introduction to Flash and OTP Memory
      1. 13.1.1 FLASH Related Collateral
      2. 13.1.2 Features
      3. 13.1.3 Flash Tools
      4. 13.1.4 Default Flash Configuration
    2. 13.2  Flash Bank, OTP, and Pump
    3. 13.3  Flash Module Controller (FMC)
    4. 13.4  Flash and OTP Memory Power-Down Modes and Wakeup
    5. 13.5  Active Grace Period
    6. 13.6  Flash and OTP Memory Performance
    7. 13.7  Flash Read Interface
      1. 13.7.1 C28x-FMC (CPU1-FMC and CPU2-FMC) Flash Read Interface
        1. 13.7.1.1 Standard Read Mode
        2. 13.7.1.2 Prefetch Mode
          1. 13.7.1.2.1 Data Cache
      2. 13.7.2 M4-FMC (CM-FMC) Flash Read Interface
        1. 13.7.2.1 Standard Read Mode
        2. 13.7.2.2 Cache Mode
          1. 13.7.2.2.1 Program Cache
          2. 13.7.2.2.2 Data Cache
    8. 13.8  Flash Erase and Program
      1. 13.8.1 Erase
      2. 13.8.2 Program
      3. 13.8.3 Verify
    9. 13.9  Error Correction Code (ECC) Protection
      1. 13.9.1 Single-Bit Data Error
      2. 13.9.2 Uncorrectable Error
      3. 13.9.3 SECDED Logic Correctness Check
    10. 13.10 Reserved Locations Within Flash and OTP Memory
    11. 13.11 Migrating an Application from RAM to Flash
    12. 13.12 Procedure to Change the Flash Control Registers
    13. 13.13 Flash Pump Ownership Semaphore
    14. 13.14 Software
      1. 13.14.1 FLASH Examples
        1. 13.14.1.1 Flash Programming with AutoECC, DataAndECC, DataOnly and EccOnly - CM
        2. 13.14.1.2 Flash Programming with AutoECC, DataAndECC, DataOnly and EccOnly
        3. 13.14.1.3 Flash ECC Test Mode
        4. 13.14.1.4 Flash ECC Test Mode - CM
    15. 13.15 Flash Registers
      1. 13.15.1 FLASH Base Address Table (C28)
      2. 13.15.2 CM FLASH Base Address Table (CM)
      3. 13.15.3 FLASH_CTRL_REGS Registers
      4. 13.15.4 FLASH_ECC_REGS Registers
      5. 13.15.5 CM_FLASH_CTRL_REGS Registers
      6. 13.15.6 CM_FLASH_ECC_REGS Registers
      7. 13.15.7 FLASH_PUMP_SEMAPHORE_REGS Registers
      8. 13.15.8 FLASH Registers to Driverlib Functions
  16. 14Embedded Real-time Analysis and Diagnostic (ERAD)
    1. 14.1 Introduction
      1. 14.1.1 ERAD Related Collateral
    2. 14.2 Enhanced Bus Comparator Unit
      1. 14.2.1 Enhanced Bus Comparator Unit Operations
      2. 14.2.2 Event Masking and Exporting
    3. 14.3 System Event Counter Unit
      1. 14.3.1 System Event Counter Modes
        1. 14.3.1.1 Counting Active Levels Versus Edges
        2. 14.3.1.2 Max Mode
        3. 14.3.1.3 Cumulative Mode
        4. 14.3.1.4 Input Signal Selection
      2. 14.3.2 Reset on Event
      3. 14.3.3 Operation Conditions
    4. 14.4 ERAD Ownership, Initialization and Reset
    5. 14.5 ERAD Programming Sequence
      1. 14.5.1 Hardware Breakpoint and Hardware Watch Point Programming Sequence
      2. 14.5.2 Timer and Counter Programming Sequence
    6. 14.6 Cyclic Redundancy Check Unit
      1. 14.6.1 CRC Unit Qualifier
      2. 14.6.2 CRC Unit Programming Sequence
    7. 14.7 Program Counter Trace
      1. 14.7.1 Functional Block Diagram
      2. 14.7.2 Trace Qualification Modes
      3. 14.7.3 Trace Memory
      4. 14.7.4 Trace Input Signal Conditioning
      5. 14.7.5 PC Trace Software Operation
      6. 14.7.6 Trace Operation in Debug Mode
    8. 14.8 Software
      1. 14.8.1 ERAD Examples
        1. 14.8.1.1  ERAD Profiling Interrupts
        2. 14.8.1.2  ERAD Profile Function
        3. 14.8.1.3  ERAD Profile Function
        4. 14.8.1.4  ERAD HWBP Monitor Program Counter
        5. 14.8.1.5  ERAD HWBP Monitor Program Counter
        6. 14.8.1.6  ERAD Profile Function
        7. 14.8.1.7  ERAD HWBP Stack Overflow Detection
        8. 14.8.1.8  ERAD HWBP Stack Overflow Detection
        9. 14.8.1.9  ERAD Stack Overflow
        10. 14.8.1.10 ERAD Profile Interrupts CLA
        11. 14.8.1.11 ERAD Profiling Interrupts
        12. 14.8.1.12 ERAD Profiling Interrupts
        13. 14.8.1.13 ERAD MEMORY ACCESS RESTRICT
        14. 14.8.1.14 ERAD INTERRUPT ORDER
        15. 14.8.1.15 ERAD AND CLB
        16. 14.8.1.16 ERAD PWM PROTECTION
    9. 14.9 ERAD Registers
      1. 14.9.1 ERAD Base Address Table (C28)
      2. 14.9.2 ERAD_GLOBAL_REGS Registers
      3. 14.9.3 ERAD_HWBP_REGS Registers
      4. 14.9.4 ERAD_COUNTER_REGS Registers
      5. 14.9.5 ERAD_CRC_GLOBAL_REGS Registers
      6. 14.9.6 ERAD_CRC_REGS Registers
      7. 14.9.7 ERAD Registers to Driverlib Functions
  17. 15General-Purpose Input/Output (GPIO)
    1. 15.1  Introduction
      1. 15.1.1 GPIO Related Collateral
    2. 15.2  Configuration Overview
    3. 15.3  Digital General-Purpose I/O Control
    4. 15.4  Input Qualification
      1. 15.4.1 No Synchronization (Asynchronous Input)
      2. 15.4.2 Synchronization to SYSCLKOUT Only
      3. 15.4.3 Qualification Using a Sampling Window
    5. 15.5  USB Signals
    6. 15.6  SPI Signals
    7. 15.7  GPIO and Peripheral Muxing
      1. 15.7.1 GPIO Muxing
      2. 15.7.2 Peripheral Muxing
    8. 15.8  Internal Pullup Configuration Requirements
    9. 15.9  Software
      1. 15.9.1 GPIO Examples
        1. 15.9.1.1 Device GPIO Setup
        2. 15.9.1.2 Device GPIO Toggle
        3. 15.9.1.3 Device GPIO Interrupt
      2. 15.9.2 LED Examples
        1. 15.9.2.1 LED Blinky Example (CM) - C28X_CM
        2. 15.9.2.2 LED Blinky Example - C28X_DUAL
        3. 15.9.2.3 LED Blinky Example - C28X_CM
        4. 15.9.2.4 LED Blinky Example with DCSM
        5. 15.9.2.5 LED Blinky Example - C28X_DUAL
    10. 15.10 GPIO Registers
      1. 15.10.1 GPIO Base Address Table (C28)
      2. 15.10.2 CM GPIO Base Address Table (CM)
      3. 15.10.3 GPIO_CTRL_REGS Registers
      4. 15.10.4 GPIO_DATA_REGS Registers
      5. 15.10.5 GPIO_DATA_READ_REGS Registers
      6. 15.10.6 CM_GPIO_DATA_REGS Registers
      7. 15.10.7 CM_GPIO_DATA_READ_REGS Registers
      8. 15.10.8 GPIO Registers to Driverlib Functions
  18. 16Interprocessor Communication (IPC)
    1. 16.1 Introduction
    2. 16.2 Message RAMs
    3. 16.3 IPC Flags and Interrupts
    4. 16.4 IPC Command Registers
    5. 16.5 Free-Running Counter
    6. 16.6 IPC Communication Protocol
    7. 16.7 Software
      1. 16.7.1 IPC Examples
        1. 16.7.1.1  IPC basic message passing example with interrupt - C28X_CM
        2. 16.7.1.2  IPC basic message passing example with interrupt - C28X_CM
        3. 16.7.1.3  IPC basic message passing example with interrupt - C28X_DUAL
        4. 16.7.1.4  IPC basic message passing example with interrupt - C28X_DUAL
        5. 16.7.1.5  IPC message passing example with interrupt and message queue - C28X_CM
        6. 16.7.1.6  IPC message passing example with interrupt and message queue - C28X_CM
        7. 16.7.1.7  IPC message passing example with interrupt and message queue - C28X_DUAL
        8. 16.7.1.8  IPC message passing example with interrupt and message queue - C28X_DUAL
        9. 16.7.1.9  IPC basic message passing example with interrupt - C28X_DUAL
        10. 16.7.1.10 IPC basic message passing example with interrupt - C28X_DUAL
        11. 16.7.1.11 IPC message passing example with interrupt and message queue - C28X_DUAL
        12. 16.7.1.12 IPC message passing example with interrupt and message queue - C28X_DUAL
    8. 16.8 IPC Registers
      1. 16.8.1 IPC Base Address Table (C28)
      2. 16.8.2 CM IPC Base Address Table (CM)
      3. 16.8.3 CPU1TOCPU2_IPC_REGS_CPU1VIEW Registers
      4. 16.8.4 CPU1TOCPU2_IPC_REGS_CPU2VIEW Registers
      5. 16.8.5 CPU1TOCM_IPC_REGS_CPU1VIEW Registers
      6. 16.8.6 CPU1TOCM_IPC_REGS_CMVIEW Registers
      7. 16.8.7 CPU2TOCM_IPC_REGS_CPU2VIEW Registers
      8. 16.8.8 CPU2TOCM_IPC_REGS_CMVIEW Registers
      9. 16.8.9 IPC Registers to Driverlib Functions
  19. 17Crossbar (X-BAR)
    1. 17.1 Input X-BAR and CLB Input X-BAR
      1. 17.1.1 CLB Input X-BAR
    2. 17.2 ePWM, CLB, and GPIO Output X-BAR
      1. 17.2.1 ePWM X-BAR
        1. 17.2.1.1 ePWM X-BAR Architecture
      2. 17.2.2 CLB X-BAR
        1. 17.2.2.1 CLB X-BAR Architecture
      3. 17.2.3 GPIO Output X-BAR
        1. 17.2.3.1 GPIO Output X-BAR Architecture
      4. 17.2.4 CLB Output X-BAR
        1. 17.2.4.1 CLB Output X-BAR Architecture
      5. 17.2.5 X-BAR Flags
    3. 17.3 XBAR Registers
      1. 17.3.1 XBAR Base Address Table (C28)
      2. 17.3.2 INPUT_XBAR_REGS Registers
      3. 17.3.3 XBAR_REGS Registers
      4. 17.3.4 EPWM_XBAR_REGS Registers
      5. 17.3.5 CLB_XBAR_REGS Registers
      6. 17.3.6 OUTPUT_XBAR_REGS Registers
      7. 17.3.7 Register to Driverlib Function Mapping
        1. 17.3.7.1 INPUTXBAR Registers to Driverlib Functions
        2. 17.3.7.2 XBAR Registers to Driverlib Functions
        3. 17.3.7.3 EPWMXBAR Registers to Driverlib Functions
        4. 17.3.7.4 CLBXBAR Registers to Driverlib Functions
        5. 17.3.7.5 OUTPUTXBAR Registers to Driverlib Functions
  20. 18► ANALOG PERIPHERALS
    1. 18.1 Technical Reference Manual Overview
  21. 19Analog Subsystem
    1. 19.1 Introduction
      1. 19.1.1 Features
      2. 19.1.2 Block Diagram
    2. 19.2 Optimizing Power-Up Time
    3. 19.3 Analog Subsystem Registers
      1. 19.3.1 ASBSYS Base Address Table (C28)
      2. 19.3.2 ANALOG_SUBSYS_REGS Registers
  22. 20Analog-to-Digital Converter (ADC)
    1. 20.1  Introduction
      1. 20.1.1 ADC Related Collateral
      2. 20.1.2 Features
      3. 20.1.3 Block Diagram
    2. 20.2  ADC Configurability
      1. 20.2.1 Clock Configuration
      2. 20.2.2 Resolution
      3. 20.2.3 Voltage Reference
        1. 20.2.3.1 External Reference Mode
      4. 20.2.4 Signal Mode
      5. 20.2.5 Expected Conversion Results
      6. 20.2.6 Interpreting Conversion Results
    3. 20.3  SOC Principle of Operation
      1. 20.3.1 SOC Configuration
      2. 20.3.2 Trigger Operation
      3. 20.3.3 ADC Acquisition (Sample and Hold) Window
      4. 20.3.4 ADC Input Models
      5. 20.3.5 Channel Selection
    4. 20.4  SOC Configuration Examples
      1. 20.4.1 Single Conversion from ePWM Trigger
      2. 20.4.2 Oversampled Conversion from ePWM Trigger
      3. 20.4.3 Multiple Conversions from CPU Timer Trigger
      4. 20.4.4 Software Triggering of SOCs
    5. 20.5  ADC Conversion Priority
    6. 20.6  Burst Mode
      1. 20.6.1 Burst Mode Example
      2. 20.6.2 Burst Mode Priority Example
    7. 20.7  EOC and Interrupt Operation
      1. 20.7.1 Interrupt Overflow
      2. 20.7.2 Continue to Interrupt Mode
      3. 20.7.3 Early Interrupt Configuration Mode
    8. 20.8  Post-Processing Blocks
      1. 20.8.1 PPB Offset Correction
      2. 20.8.2 PPB Error Calculation
      3. 20.8.3 PPB Limit Detection and Zero-Crossing Detection
      4. 20.8.4 PPB Sample Delay Capture
    9. 20.9  Opens/Shorts Detection Circuit (OSDETECT)
      1. 20.9.1 Implementation
      2. 20.9.2 Detecting an Open Input Pin
      3. 20.9.3 Detecting a Shorted Input Pin
    10. 20.10 Power-Up Sequence
    11. 20.11 ADC Calibration
      1. 20.11.1 ADC Zero Offset Calibration
      2. 20.11.2 ADC Calibration Routines in OTP Memory
    12. 20.12 ADC Timings
      1. 20.12.1 ADC Timing Diagrams
    13. 20.13 Additional Information
      1. 20.13.1 Ensuring Synchronous Operation
        1. 20.13.1.1 Basic Synchronous Operation
        2. 20.13.1.2 Synchronous Operation with Multiple Trigger Sources
        3. 20.13.1.3 Synchronous Operation with Uneven SOC Numbers
        4. 20.13.1.4 Synchronous Operation with Different Resolutions
        5. 20.13.1.5 Non-overlapping Conversions
      2. 20.13.2 Choosing an Acquisition Window Duration
      3. 20.13.3 Achieving Simultaneous Sampling
      4. 20.13.4 Result Register Mapping
      5. 20.13.5 Internal Temperature Sensor
      6. 20.13.6 Designing an External Reference Circuit
    14. 20.14 Software
      1. 20.14.1 ADC Examples
        1. 20.14.1.1  ADC Software Triggering
        2. 20.14.1.2  ADC ePWM Triggering
        3. 20.14.1.3  ADC Temperature Sensor Conversion
        4. 20.14.1.4  ADC Synchronous SOC Software Force (adc_soc_software_sync)
        5. 20.14.1.5  ADC Continuous Triggering (adc_soc_continuous)
        6. 20.14.1.6  ADC Continuous Conversions Read by DMA (adc_soc_continuous_dma)
        7. 20.14.1.7  ADC PPB Offset (adc_ppb_offset)
        8. 20.14.1.8  ADC PPB Limits (adc_ppb_limits)
        9. 20.14.1.9  ADC PPB Delay Capture (adc_ppb_delay)
        10. 20.14.1.10 ADC ePWM Triggering Multiple SOC
        11. 20.14.1.11 ADC Burst Mode
        12. 20.14.1.12 ADC Burst Mode Oversampling
        13. 20.14.1.13 ADC SOC Oversampling
        14. 20.14.1.14 ADC PPB PWM trip (adc_ppb_pwm_trip)
        15. 20.14.1.15 ADC High Priority SOC (adc_high_priority_soc)
        16. 20.14.1.16 ADC Interleaved Averaging in Software
        17. 20.14.1.17 ADC Open Shorts Detection (adc_open_shorts_detection)
    15. 20.15 ADC Registers
      1. 20.15.1 ADC Base Address Table (C28)
      2. 20.15.2 ADC_REGS Registers
      3. 20.15.3 ADC_RESULT_REGS Registers
      4. 20.15.4 ADC Registers to Driverlib Functions
  23. 21Buffered Digital-to-Analog Converter (DAC)
    1. 21.1 Introduction
      1. 21.1.1 DAC Related Collateral
      2. 21.1.2 Features
      3. 21.1.3 Block Diagram
    2. 21.2 Using the DAC
      1. 21.2.1 Initialization Sequence
      2. 21.2.2 DAC Offset Adjustment
      3. 21.2.3 EPWMSYNCPER Signal
    3. 21.3 Lock Registers
    4. 21.4 Software
      1. 21.4.1 DAC Examples
        1. 21.4.1.1 Buffered DAC Enable
        2. 21.4.1.2 Buffered DAC Random
        3. 21.4.1.3 Buffered DAC Sine (buffdac_sine)
    5. 21.5 DAC Registers
      1. 21.5.1 DAC Base Address Table (C28)
      2. 21.5.2 DAC_REGS Registers
      3. 21.5.3 DAC Registers to Driverlib Functions
  24. 22Comparator Subsystem (CMPSS)
    1. 22.1 Introduction
      1. 22.1.1 CMPSS Related Collateral
      2. 22.1.2 Features
      3. 22.1.3 Block Diagram
    2. 22.2 Comparator
    3. 22.3 Reference DAC
    4. 22.4 Ramp Generator
      1. 22.4.1 Ramp Generator Overview
      2. 22.4.2 Ramp Generator Behavior
      3. 22.4.3 Ramp Generator Behavior at Corner Cases
    5. 22.5 Digital Filter
      1. 22.5.1 Filter Initialization Sequence
    6. 22.6 Using the CMPSS
      1. 22.6.1 LATCHCLR, EPWMSYNCPER, and EPWMBLANK Signals
      2. 22.6.2 Synchronizer, Digital Filter, and Latch Delays
      3. 22.6.3 Calibrating the CMPSS
      4. 22.6.4 Enabling and Disabling the CMPSS Clock
    7. 22.7 Software
      1. 22.7.1 CMPSS Examples
        1. 22.7.1.1 CMPSS Asynchronous Trip
        2. 22.7.1.2 CMPSS Digital Filter Configuration
    8. 22.8 CMPSS Registers
      1. 22.8.1 CMPSS Base Address Table (C28)
      2. 22.8.2 CMPSS_REGS Registers
      3. 22.8.3 CMPSS Registers to Driverlib Functions
  25. 23► CONTROL PERIPHERALS
    1. 23.1 Technical Reference Manual Overview
  26. 24Enhanced Capture (eCAP)
    1. 24.1 Introduction
      1. 24.1.1 Features
      2. 24.1.2 ECAP Related Collateral
    2. 24.2 Description
    3. 24.3 Configuring Device Pins for the eCAP
    4. 24.4 Capture and APWM Operating Mode
    5. 24.5 Capture Mode Description
      1. 24.5.1  Event Prescaler
      2. 24.5.2  Edge Polarity Select and Qualifier
      3. 24.5.3  Continuous/One-Shot Control
      4. 24.5.4  32-Bit Counter and Phase Control
      5. 24.5.5  CAP1-CAP4 Registers
      6. 24.5.6  eCAP Synchronization
        1. 24.5.6.1 Example 1 - Using SWSYNC with ECAP Module
      7. 24.5.7  Interrupt Control
      8. 24.5.8  DMA Interrupt
      9. 24.5.9  Shadow Load and Lockout Control
      10. 24.5.10 APWM Mode Operation
    6. 24.6 Application of the eCAP Module
      1. 24.6.1 Example 1 - Absolute Time-Stamp Operation Rising-Edge Trigger
      2. 24.6.2 Example 2 - Absolute Time-Stamp Operation Rising- and Falling-Edge Trigger
      3. 24.6.3 Example 3 - Time Difference (Delta) Operation Rising-Edge Trigger
      4. 24.6.4 Example 4 - Time Difference (Delta) Operation Rising- and Falling-Edge Trigger
    7. 24.7 Application of the APWM Mode
      1. 24.7.1 Example 1 - Simple PWM Generation (Independent Channels)
    8. 24.8 Software
      1. 24.8.1 ECAP Examples
        1. 24.8.1.1 eCAP APWM Example
        2. 24.8.1.2 eCAP Capture PWM Example
        3. 24.8.1.3 eCAP APWM Phase-shift Example
        4. 24.8.1.4 eCAP Software Sync Example
    9. 24.9 eCAP Registers
      1. 24.9.1 ECAP Base Address Table (C28)
      2. 24.9.2 ECAP_REGS Registers
      3. 24.9.3 ECAP Registers to Driverlib Functions
  27. 25High Resolution Capture (HRCAP)
    1. 25.1 Introduction
      1. 25.1.1 HRCAP Related Collateral
      2. 25.1.2 Features
      3. 25.1.3 Description
    2. 25.2 Operational Details
      1. 25.2.1 HRCAP Clocking
      2. 25.2.2 HRCAP Initialization Sequence
      3. 25.2.3 HRCAP Interrupts
      4. 25.2.4 HRCAP Calibration
        1. 25.2.4.1 Applying the Scale Factor
    3. 25.3 Known Exceptions
    4. 25.4 Software
      1. 25.4.1 HRCAP Examples
        1. 25.4.1.1 HRCAP Capture and Calibration Example
    5. 25.5 HRCAP Registers
      1. 25.5.1 HRCAP Base Address Table (C28)
      2. 25.5.2 HRCAP_REGS Registers
      3. 25.5.3 HRCAP Registers to Driverlib Functions
  28. 26Enhanced Pulse Width Modulator (ePWM)
    1. 26.1  Introduction
      1. 26.1.1 EPWM Related Collateral
      2. 26.1.2 Submodule Overview
    2. 26.2  Configuring Device Pins
    3. 26.3  ePWM Modules Overview
    4. 26.4  Time-Base (TB) Submodule
      1. 26.4.1 Purpose of the Time-Base Submodule
      2. 26.4.2 Controlling and Monitoring the Time-Base Submodule
      3. 26.4.3 Calculating PWM Period and Frequency
        1. 26.4.3.1 Time-Base Period Shadow Register
        2. 26.4.3.2 Time-Base Clock Synchronization
        3. 26.4.3.3 Time-Base Counter Synchronization
        4. 26.4.3.4 ePWM SYNC Selection
      4. 26.4.4 Phase Locking the Time-Base Clocks of Multiple ePWM Modules
      5. 26.4.5 Simultaneous Writes to TBPRD and CMPx Registers Between ePWM Modules
      6. 26.4.6 Time-Base Counter Modes and Timing Waveforms
      7. 26.4.7 Global Load
        1. 26.4.7.1 Global Load Pulse Pre-Scalar
        2. 26.4.7.2 One-Shot Load Mode
        3. 26.4.7.3 One-Shot Sync Mode
    5. 26.5  Counter-Compare (CC) Submodule
      1. 26.5.1 Purpose of the Counter-Compare Submodule
      2. 26.5.2 Controlling and Monitoring the Counter-Compare Submodule
      3. 26.5.3 Operational Highlights for the Counter-Compare Submodule
      4. 26.5.4 Count Mode Timing Waveforms
    6. 26.6  Action-Qualifier (AQ) Submodule
      1. 26.6.1 Purpose of the Action-Qualifier Submodule
      2. 26.6.2 Action-Qualifier Submodule Control and Status Register Definitions
      3. 26.6.3 Action-Qualifier Event Priority
      4. 26.6.4 AQCTLA and AQCTLB Shadow Mode Operations
      5. 26.6.5 Configuration Requirements for Common Waveforms
    7. 26.7  Dead-Band Generator (DB) Submodule
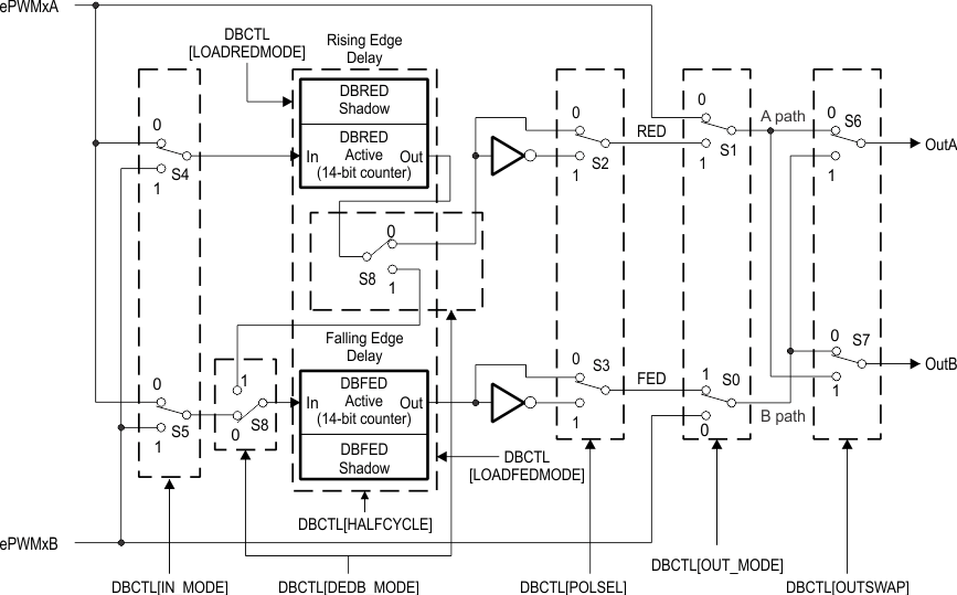
      1. 26.7.1 Purpose of the Dead-Band Submodule
      2. 26.7.2 Dead-band Submodule Additional Operating Modes
      3. 26.7.3 Operational Highlights for the Dead-Band Submodule
    8. 26.8  PWM Chopper (PC) Submodule
      1. 26.8.1 Purpose of the PWM Chopper Submodule
      2. 26.8.2 Operational Highlights for the PWM Chopper Submodule
      3. 26.8.3 Waveforms
        1. 26.8.3.1 One-Shot Pulse
        2. 26.8.3.2 Duty Cycle Control
    9. 26.9  Trip-Zone (TZ) Submodule
      1. 26.9.1 Purpose of the Trip-Zone Submodule
      2. 26.9.2 Operational Highlights for the Trip-Zone Submodule
        1. 26.9.2.1 Trip-Zone Configurations
      3. 26.9.3 Generating Trip Event Interrupts
    10. 26.10 Event-Trigger (ET) Submodule
      1. 26.10.1 Operational Overview of the ePWM Event-Trigger Submodule
    11. 26.11 Digital Compare (DC) Submodule
      1. 26.11.1 Purpose of the Digital Compare Submodule
      2. 26.11.2 Enhanced Trip Action Using CMPSS
      3. 26.11.3 Using CMPSS to Trip the ePWM on a Cycle-by-Cycle Basis
      4. 26.11.4 Operation Highlights of the Digital Compare Submodule
        1. 26.11.4.1 Digital Compare Events
        2. 26.11.4.2 Event Filtering
        3. 26.11.4.3 Valley Switching
    12. 26.12 ePWM Crossbar (X-BAR)
    13. 26.13 Applications to Power Topologies
      1. 26.13.1  Overview of Multiple Modules
      2. 26.13.2  Key Configuration Capabilities
      3. 26.13.3  Controlling Multiple Buck Converters With Independent Frequencies
      4. 26.13.4  Controlling Multiple Buck Converters With Same Frequencies
      5. 26.13.5  Controlling Multiple Half H-Bridge (HHB) Converters
      6. 26.13.6  Controlling Dual 3-Phase Inverters for Motors (ACI and PMSM)
      7. 26.13.7  Practical Applications Using Phase Control Between PWM Modules
      8. 26.13.8  Controlling a 3-Phase Interleaved DC/DC Converter
      9. 26.13.9  Controlling Zero Voltage Switched Full Bridge (ZVSFB) Converter
      10. 26.13.10 Controlling a Peak Current Mode Controlled Buck Module
      11. 26.13.11 Controlling H-Bridge LLC Resonant Converter
    14. 26.14 Register Lock Protection
    15. 26.15 High-Resolution Pulse Width Modulator (HRPWM)
      1. 26.15.1 Operational Description of HRPWM
        1. 26.15.1.1 Controlling the HRPWM Capabilities
        2. 26.15.1.2 HRPWM Source Clock
        3. 26.15.1.3 Configuring the HRPWM
        4. 26.15.1.4 Configuring High-Resolution in Deadband Rising-Edge and Falling-Edge Delay
        5. 26.15.1.5 Principle of Operation
          1. 26.15.1.5.1 Edge Positioning
          2. 26.15.1.5.2 Scaling Considerations
          3. 26.15.1.5.3 Duty Cycle Range Limitation
          4. 26.15.1.5.4 High-Resolution Period
            1. 26.15.1.5.4.1 High-Resolution Period Configuration
        6. 26.15.1.6 Deadband High-Resolution Operation
        7. 26.15.1.7 Scale Factor Optimizing Software (SFO)
        8. 26.15.1.8 HRPWM Examples Using Optimized Assembly Code
          1. 26.15.1.8.1 #Defines for HRPWM Header Files
          2. 26.15.1.8.2 Implementing a Simple Buck Converter
            1. 26.15.1.8.2.1 HRPWM Buck Converter Initialization Code
            2. 26.15.1.8.2.2 HRPWM Buck Converter Run-Time Code
          3. 26.15.1.8.3 Implementing a DAC Function Using an R+C Reconstruction Filter
            1. 26.15.1.8.3.1 PWM DAC Function Initialization Code
            2. 26.15.1.8.3.2 PWM DAC Function Run-Time Code
      2. 26.15.2 SFO Library Software - SFO_TI_Build_V8.lib
        1. 26.15.2.1 Scale Factor Optimizer Function - int SFO()
        2. 26.15.2.2 Software Usage
          1. 26.15.2.2.1 A Sample of How to Add "Include" Files
          2.        1176
          3. 26.15.2.2.2 Declaring an Element
          4.        1178
          5. 26.15.2.2.3 Initializing With a Scale Factor Value
          6.        1180
          7. 26.15.2.2.4 SFO Function Calls
    16. 26.16 Software
      1. 26.16.1 EPWM Examples
        1. 26.16.1.1  ePWM Trip Zone
        2. 26.16.1.2  ePWM Up Down Count Action Qualifier
        3. 26.16.1.3  ePWM Synchronization
        4. 26.16.1.4  ePWM Digital Compare
        5. 26.16.1.5  ePWM Digital Compare Event Filter Blanking Window
        6. 26.16.1.6  ePWM Valley Switching
        7. 26.16.1.7  ePWM Digital Compare Edge Filter
        8. 26.16.1.8  ePWM Deadband
        9. 26.16.1.9  ePWM DMA
        10. 26.16.1.10 ePWM Chopper
        11. 26.16.1.11 EPWM Configure Signal
        12. 26.16.1.12 Realization of Monoshot mode
        13. 26.16.1.13 EPWM Action Qualifier (epwm_up_aq)
      2. 26.16.2 HRPWM Examples
        1. 26.16.2.1 HRPWM Duty Control with SFO
        2. 26.16.2.2 HRPWM Slider
        3. 26.16.2.3 HRPWM Period Control
        4. 26.16.2.4 HRPWM Duty Control with UPDOWN Mode
        5. 26.16.2.5 HRPWM Slider Test
        6. 26.16.2.6 HRPWM Duty Up Count
        7. 26.16.2.7 HRPWM Period Up-Down Count
    17. 26.17 ePWM Registers
      1. 26.17.1 EPWM Base Address Table (C28)
      2. 26.17.2 EPWM_REGS Registers
      3. 26.17.3 SYNC_SOC_REGS Registers
      4. 26.17.4 Register to Driverlib Function Mapping
        1. 26.17.4.1 EPWM Registers to Driverlib Functions
        2. 26.17.4.2 HRPWM Registers to Driverlib Functions
  29. 27Enhanced Quadrature Encoder Pulse (eQEP)
    1. 27.1  Introduction
      1. 27.1.1 EQEP Related Collateral
    2. 27.2  Configuring Device Pins
    3. 27.3  Description
      1. 27.3.1 EQEP Inputs
      2. 27.3.2 Functional Description
      3. 27.3.3 eQEP Memory Map
    4. 27.4  Quadrature Decoder Unit (QDU)
      1. 27.4.1 Position Counter Input Modes
        1. 27.4.1.1 Quadrature Count Mode
        2. 27.4.1.2 Direction-Count Mode
        3. 27.4.1.3 Up-Count Mode
        4. 27.4.1.4 Down-Count Mode
      2. 27.4.2 eQEP Input Polarity Selection
      3. 27.4.3 Position-Compare Sync Output
    5. 27.5  Position Counter and Control Unit (PCCU)
      1. 27.5.1 Position Counter Operating Modes
        1. 27.5.1.1 Position Counter Reset on Index Event (QEPCTL[PCRM]=00)
        2. 27.5.1.2 Position Counter Reset on Maximum Position (QEPCTL[PCRM]=01)
        3. 27.5.1.3 Position Counter Reset on the First Index Event (QEPCTL[PCRM] = 10)
        4. 27.5.1.4 Position Counter Reset on Unit Time-out Event (QEPCTL[PCRM] = 11)
      2. 27.5.2 Position Counter Latch
        1. 27.5.2.1 Index Event Latch
        2. 27.5.2.2 Strobe Event Latch
      3. 27.5.3 Position Counter Initialization
      4. 27.5.4 eQEP Position-compare Unit
    6. 27.6  eQEP Edge Capture Unit
    7. 27.7  eQEP Watchdog
    8. 27.8  eQEP Unit Timer Base
    9. 27.9  QMA Module
      1. 27.9.1 Modes of Operation
        1. 27.9.1.1 QMA Mode-1 (QMACTRL[MODE]=1)
        2. 27.9.1.2 QMA Mode-2 (QMACTRL[MODE]=2)
      2. 27.9.2 Interrupt and Error Generation
    10. 27.10 eQEP Interrupt Structure
    11. 27.11 Software
      1. 27.11.1 EQEP Examples
        1. 27.11.1.1 Frequency Measurement Using eQEP
        2. 27.11.1.2 Position and Speed Measurement Using eQEP
        3. 27.11.1.3 ePWM frequency Measurement Using eQEP via xbar connection
        4. 27.11.1.4 Frequency Measurement Using eQEP via unit timeout interrupt
        5. 27.11.1.5 Motor speed and direction measurement using eQEP via unit timeout interrupt
    12. 27.12 eQEP Registers
      1. 27.12.1 EQEP Base Address Table (C28)
      2. 27.12.2 EQEP_REGS Registers
      3. 27.12.3 EQEP Registers to Driverlib Functions
  30. 28Sigma Delta Filter Module (SDFM)
    1. 28.1  Introduction
      1. 28.1.1 SDFM Related Collateral
      2. 28.1.2 Features
      3. 28.1.3 Block Diagram
    2. 28.2  Configuring Device Pins
    3. 28.3  Input Qualification
    4. 28.4  Input Control Unit
    5. 28.5  SDFM Clock Control
    6. 28.6  Sinc Filter
      1. 28.6.1 Data Rate and Latency of the Sinc Filter
    7. 28.7  Data (Primary) Filter Unit
      1. 28.7.1 32-bit or 16-bit Data Filter Output Representation
      2. 28.7.2 Data FIFO
      3. 28.7.3 SDSYNC Event
    8. 28.8  Comparator (Secondary) Filter Unit
      1. 28.8.1 Higher Threshold (HLT) Comparators
      2. 28.8.2 Lower Threshold (LLT) Comparators
      3. 28.8.3 Digital Filter
    9. 28.9  Theoretical SDFM Filter Output
    10. 28.10 Interrupt Unit
      1. 28.10.1 SDFM (SDyERR) Interrupt Sources
      2. 28.10.2 Data Ready (DRINT) Interrupt Sources
    11. 28.11 Software
      1. 28.11.1 SDFM Examples
        1. 28.11.1.1 SDFM Filter Sync CPU
        2. 28.11.1.2 SDFM Filter Sync CLA
        3. 28.11.1.3 SDFM Filter Sync DMA
        4. 28.11.1.4 SDFM PWM Sync
        5. 28.11.1.5 SDFM Type 1 Filter FIFO
        6. 28.11.1.6 SDFM Filter Sync CLA
    12. 28.12 SDFM Registers
      1. 28.12.1 SDFM Base Address Table (C28)
      2. 28.12.2 SDFM_REGS Registers
      3. 28.12.3 SDFM Registers to Driverlib Functions
  31. 29► COMMUNICATION PERIPHERALS
    1. 29.1 Technical Reference Manual Overview
  32. 30Controller Area Network (CAN)
    1. 30.1  Introduction
      1. 30.1.1 DCAN Related Collateral
      2. 30.1.2 Features
      3. 30.1.3 Block Diagram
        1. 30.1.3.1 CAN Core
        2. 30.1.3.2 Message Handler
        3. 30.1.3.3 Message RAM
        4. 30.1.3.4 Registers and Message Object Access (IFx)
    2. 30.2  Functional Description
      1. 30.2.1 Configuring Device Pins
      2. 30.2.2 Address/Data Bus Bridge
    3. 30.3  Operating Modes
      1. 30.3.1 Initialization
      2. 30.3.2 CAN Message Transfer (Normal Operation)
        1. 30.3.2.1 Disabled Automatic Retransmission
        2. 30.3.2.2 Auto-Bus-On
      3. 30.3.3 Test Modes
        1. 30.3.3.1 Silent Mode
        2. 30.3.3.2 Loopback Mode
        3. 30.3.3.3 External Loopback Mode
        4. 30.3.3.4 Loopback Combined with Silent Mode
    4. 30.4  Multiple Clock Source
    5. 30.5  Interrupt Functionality
      1. 30.5.1 Message Object Interrupts
      2. 30.5.2 Status Change Interrupts
      3. 30.5.3 Error Interrupts
      4. 30.5.4 Peripheral Interrupt Expansion (PIE) Module Nomenclature for DCAN Interrupts
      5. 30.5.5 Interrupt Topologies
    6. 30.6  DMA Functionality
    7. 30.7  Parity Check Mechanism
      1. 30.7.1 Behavior on Parity Error
    8. 30.8  Debug Mode
    9. 30.9  Module Initialization
    10. 30.10 Configuration of Message Objects
      1. 30.10.1 Configuration of a Transmit Object for Data Frames
      2. 30.10.2 Configuration of a Transmit Object for Remote Frames
      3. 30.10.3 Configuration of a Single Receive Object for Data Frames
      4. 30.10.4 Configuration of a Single Receive Object for Remote Frames
      5. 30.10.5 Configuration of a FIFO Buffer
    11. 30.11 Message Handling
      1. 30.11.1  Message Handler Overview
      2. 30.11.2  Receive/Transmit Priority
      3. 30.11.3  Transmission of Messages in Event Driven CAN Communication
      4. 30.11.4  Updating a Transmit Object
      5. 30.11.5  Changing a Transmit Object
      6. 30.11.6  Acceptance Filtering of Received Messages
      7. 30.11.7  Reception of Data Frames
      8. 30.11.8  Reception of Remote Frames
      9. 30.11.9  Reading Received Messages
      10. 30.11.10 Requesting New Data for a Receive Object
      11. 30.11.11 Storing Received Messages in FIFO Buffers
      12. 30.11.12 Reading from a FIFO Buffer
    12. 30.12 CAN Bit Timing
      1. 30.12.1 Bit Time and Bit Rate
        1. 30.12.1.1 Synchronization Segment
        2. 30.12.1.2 Propagation Time Segment
        3. 30.12.1.3 Phase Buffer Segments and Synchronization
        4. 30.12.1.4 Oscillator Tolerance Range
      2. 30.12.2 Configuration of the CAN Bit Timing
        1. 30.12.2.1 Calculation of the Bit Timing Parameters
        2. 30.12.2.2 Example for Bit Timing at High Baudrate
        3. 30.12.2.3 Example for Bit Timing at Low Baudrate
    13. 30.13 Message Interface Register Sets
      1. 30.13.1 Message Interface Register Sets 1 and 2 (IF1 and IF2)
      2. 30.13.2 Message Interface Register Set 3 (IF3)
    14. 30.14 Message RAM
      1. 30.14.1 Structure of Message Objects
      2. 30.14.2 Addressing Message Objects in RAM
      3. 30.14.3 Message RAM Representation in Debug Mode
    15. 30.15 Software
      1. 30.15.1 CAN Examples
        1. 30.15.1.1  NMI handling - C28X_DUAL
        2. 30.15.1.2  CAN External Loopback
        3. 30.15.1.3  Watchdog Reset - C28X_DUAL
        4. 30.15.1.4  CAN Loopback - CM
        5. 30.15.1.5  CAN External Loopback with Interrupts
        6. 30.15.1.6  CAN External Loopback with Interrupts - C28X_DUAL
        7. 30.15.1.7  CAN External Loopback with Interrupts - CM
        8. 30.15.1.8  CAN-A to CAN-B External Transmit
        9. 30.15.1.9  CAN-A to CAN-B External Transmit - CM
        10. 30.15.1.10 CAN External Loopback with DMA
        11. 30.15.1.11 CAN Transmit and Receive Configurations - CM
        12. 30.15.1.12 CAN Transmit and Receive Configurations
        13. 30.15.1.13 CAN Error Generation Example
        14. 30.15.1.14 CAN Remote Request Loopback
        15. 30.15.1.15 CAN example that illustrates the usage of Mask registers
    16. 30.16 CAN Registers
      1. 30.16.1 CAN Base Address Table (C28)
      2. 30.16.2 CM CAN Base Address Table (CM)
      3. 30.16.3 CAN_REGS Registers
      4. 30.16.4 CAN Registers to Driverlib Functions
  33. 31EtherCAT® Slave Controller (ESC)
    1. 31.1 Introduction
      1. 31.1.1  ECAT Related Collateral
      2. 31.1.2  ESC Features
      3. 31.1.3  ESC Subsystem Integrated Features
      4. 31.1.4  F2838x ESC versus Beckhoff ET1100
      5. 31.1.5  EtherCAT IP Block Diagram
      6. 31.1.6  ESC Functional Blocks
        1. 31.1.6.1  Interface to EtherCAT Master
        2. 31.1.6.2  Process Data Interface
        3. 31.1.6.3  General-Purpose Inputs and Outputs
        4. 31.1.6.4  EtherCAT Processing Unit (EPU)
        5. 31.1.6.5  Fieldbus Memory Management Unit (FMMU)
        6. 31.1.6.6  Sync Manager
        7. 31.1.6.7  Monitoring
        8. 31.1.6.8  Reset Controller
        9. 31.1.6.9  PHY Management
        10. 31.1.6.10 Distributed Clock (DC)
        11. 31.1.6.11 EEPROM
        12. 31.1.6.12 Status / LEDs
      7. 31.1.7  EtherCAT Physical Layer
        1. 31.1.7.1 MII Interface
        2. 31.1.7.2 PHY Management Interface
          1. 31.1.7.2.1 PHY Address Configuration
          2. 31.1.7.2.2 PHY Reset Signal
          3. 31.1.7.2.3 PHY Clock
      8. 31.1.8  EtherCAT Protocol
      9. 31.1.9  EtherCAT State Machine (ESM)
      10. 31.1.10 More Information on EtherCAT
      11. 31.1.11 Beckhoff® Automation EtherCAT IP Errata
    2. 31.2 ESC and ESCSS Description
      1. 31.2.1  ESC RAM Parity and Memory Address Maps
        1. 31.2.1.1 ESC RAM Parity Logic
        2. 31.2.1.2 CPU1 ESC Memory Address Map
        3. 31.2.1.3 CM ESC Memory Address Map
      2. 31.2.2  Local Host Communication
        1. 31.2.2.1 Byte Accessibility Through PDI
        2. 31.2.2.2 Software Details for Operation Across Clock Domains
      3. 31.2.3  Debug Emulation Mode Operation
      4. 31.2.4  ESC SubSystem
        1. 31.2.4.1 CPU1 Bus Interface
        2. 31.2.4.2 CM Bus Interface
      5. 31.2.5  Interrupts and Interrupt Mapping
      6. 31.2.6  Power, Clocks, and Resets
        1. 31.2.6.1 Power
        2. 31.2.6.2 Clocking
        3. 31.2.6.3 Resets
          1. 31.2.6.3.1 Chip-Level Reset
          2. 31.2.6.3.2 EtherCAT Soft Resets
          3. 31.2.6.3.3 Reset Out (RESET_OUT)
      7. 31.2.7  LED Controls
      8. 31.2.8  Slave Node Configuration and EEPROM
      9. 31.2.9  General-Purpose Inputs and Outputs
        1. 31.2.9.1 General-Purpose Inputs
        2. 31.2.9.2 General-Purpose Output
      10. 31.2.10 Distributed Clocks – Sync and Latch
        1. 31.2.10.1 Clock Synchronization
        2. 31.2.10.2 SYNC Signals
          1. 31.2.10.2.1 Seeking Host Intervention
        3. 31.2.10.3 LATCH Signals
          1. 31.2.10.3.1 Timestamping
        4. 31.2.10.4 Device Control and Synchronization
          1. 31.2.10.4.1 Synchronization of PWM
          2. 31.2.10.4.2 ECAP SYNC Inputs
          3. 31.2.10.4.3 SYNC Signal Conditioning and Rerouting
    3. 31.3 Software Initialization Sequence and Allocating Ownership
    4. 31.4 ESC Configuration Constants
    5. 31.5 EtherCAT IP Registers
      1. 31.5.1 ECAT Base Address Table (C28)
      2. 31.5.2 ESCSS_REGS Registers
      3. 31.5.3 ESCSS_CONFIG_REGS Registers
      4. 31.5.4 ESC_SS Registers to Driverlib Functions
  34. 32Fast Serial Interface (FSI)
    1. 32.1 Introduction
      1. 32.1.1 FSI Related Collateral
      2. 32.1.2 FSI Features
    2. 32.2 System-level Integration
      1. 32.2.1 CPU Interface
      2. 32.2.2 Signal Description
        1. 32.2.2.1 Configuring Device Pins
      3. 32.2.3 FSI Interrupts
        1. 32.2.3.1 Transmitter Interrupts
        2. 32.2.3.2 Receiver Interrupts
        3. 32.2.3.3 Configuring Interrupts
        4. 32.2.3.4 Handling Interrupts
      4. 32.2.4 CLA Task Triggering
      5. 32.2.5 DMA Interface
      6. 32.2.6 External Frame Trigger Mux
    3. 32.3 FSI Functional Description
      1. 32.3.1  Introduction to Operation
      2. 32.3.2  FSI Transmitter Module
        1. 32.3.2.1 Initialization
        2. 32.3.2.2 FSI_TX Clocking
        3. 32.3.2.3 Transmitting Frames
          1. 32.3.2.3.1 Software Triggered Frames
          2. 32.3.2.3.2 Externally Triggered Frames
          3. 32.3.2.3.3 Ping Frame Generation
            1. 32.3.2.3.3.1 Automatic Ping Frames
            2. 32.3.2.3.3.2 Software Triggered Ping Frame
            3. 32.3.2.3.3.3 Externally Triggered Ping Frame
          4. 32.3.2.3.4 Transmitting Frames with DMA
        4. 32.3.2.4 Transmit Buffer Management
        5. 32.3.2.5 CRC Submodule
        6. 32.3.2.6 Conditions in Which the Transmitter Must Undergo a Soft Reset
        7. 32.3.2.7 Reset
      3. 32.3.3  FSI Receiver Module
        1. 32.3.3.1  Initialization
        2. 32.3.3.2  FSI_RX Clocking
        3. 32.3.3.3  Receiving Frames
          1. 32.3.3.3.1 Receiving Frames with DMA
        4. 32.3.3.4  Ping Frame Watchdog
        5. 32.3.3.5  Frame Watchdog
        6. 32.3.3.6  Delay Line Control
        7. 32.3.3.7  Buffer Management
        8. 32.3.3.8  CRC Submodule
        9. 32.3.3.9  Using the Zero Bits of the Receiver Tag Registers
        10. 32.3.3.10 Conditions in Which the Receiver Must Undergo a Soft Reset
        11. 32.3.3.11 FSI_RX Reset
      4. 32.3.4  Frame Format
        1. 32.3.4.1 FSI Frame Phases
        2. 32.3.4.2 Frame Types
          1. 32.3.4.2.1 Ping Frames
          2. 32.3.4.2.2 Error Frames
          3. 32.3.4.2.3 Data Frames
        3. 32.3.4.3 Multi-Lane Transmission
      5. 32.3.5  Flush Sequence
      6. 32.3.6  Internal Loopback
      7. 32.3.7  CRC Generation
      8. 32.3.8  ECC Module
      9. 32.3.9  Tag Matching
      10. 32.3.10 TDM Configurations
      11. 32.3.11 FSI-SPI Compatibility Mode
        1. 32.3.11.1 Available SPI Modes
          1. 32.3.11.1.1 FSITX as SPI Master, Transmit Only
            1. 32.3.11.1.1.1 Initialization
            2. 32.3.11.1.1.2 Operation
          2. 32.3.11.1.2 FSIRX as SPI Slave, Receive Only
            1. 32.3.11.1.2.1 Initialization
            2. 32.3.11.1.2.2 Operation
          3. 32.3.11.1.3 FSITX and FSIRX Emulating a Full Duplex SPI Master
            1. 32.3.11.1.3.1 Initialization
            2. 32.3.11.1.3.2 Operation
    4. 32.4 FSI Programing Guide
      1. 32.4.1 Establishing the Communication Link
        1. 32.4.1.1 Establishing the Communication Link from the Master Device
        2. 32.4.1.2 Establishing the Communication Link from the Slave Device
      2. 32.4.2 Register Protection
      3. 32.4.3 Emulation Mode
    5. 32.5 Software
      1. 32.5.1 FSI Examples
        1. 32.5.1.1  FSI Multi-Rx Tag-Match - C28X_DUAL
        2. 32.5.1.2  FSI Loopback:CPU Control
        3. 32.5.1.3  FSI Multi-Rx Tag-Match - C28X_DUAL
        4. 32.5.1.4  FSI Loopback CLA control
        5. 32.5.1.5  FSI DMA frame transfers:DMA Control
        6. 32.5.1.6  FSI data transfer by external trigger
        7. 32.5.1.7  FSI data transfers upon CPU Timer event
        8. 32.5.1.8  FSI and SPI communication(fsi_ex6_spi_main_tx)
        9. 32.5.1.9  FSI and SPI communication(fsi_ex7_spi_remote_rx)
        10. 32.5.1.10 FSI P2Point Connection:Rx Side
        11. 32.5.1.11 FSI P2Point Connection:Tx Side
        12. 32.5.1.12 FSI star connection topology example. FSI communication using CPU control
        13. 32.5.1.13 FSI daisy chain topology, lead device example
        14. 32.5.1.14 FSI daisy chain topology, node device example
    6. 32.6 FSI Registers
      1. 32.6.1 FSI Base Address Table (C28)
      2. 32.6.2 FSI_TX_REGS Registers
      3. 32.6.3 FSI_RX_REGS Registers
      4. 32.6.4 FSI Registers to Driverlib Functions
  35. 33Inter-Integrated Circuit Module (I2C)
    1. 33.1 Introduction
      1. 33.1.1 I2C Related Collateral
      2. 33.1.2 Features
      3. 33.1.3 Features Not Supported
      4. 33.1.4 Functional Overview
      5. 33.1.5 Clock Generation
      6. 33.1.6 I2C Clock Divider Registers (I2CCLKL and I2CCLKH)
        1. 33.1.6.1 Formula for the Master Clock Period
    2. 33.2 Configuring Device Pins
    3. 33.3 I2C Module Operational Details
      1. 33.3.1  Input and Output Voltage Levels
      2. 33.3.2  Selecting Pullup Resistors
      3. 33.3.3  Data Validity
      4. 33.3.4  Operating Modes
      5. 33.3.5  I2C Module START and STOP Conditions
      6. 33.3.6  Non-repeat Mode versus Repeat Mode
      7. 33.3.7  Serial Data Formats
        1. 33.3.7.1 7-Bit Addressing Format
        2. 33.3.7.2 10-Bit Addressing Format
        3. 33.3.7.3 Free Data Format
        4. 33.3.7.4 Using a Repeated START Condition
      8. 33.3.8  Clock Synchronization
      9. 33.3.9  Arbitration
      10. 33.3.10 Digital Loopback Mode
      11. 33.3.11 NACK Bit Generation
    4. 33.4 Interrupt Requests Generated by the I2C Module
      1. 33.4.1 Basic I2C Interrupt Requests
      2. 33.4.2 I2C FIFO Interrupts
    5. 33.5 Resetting or Disabling the I2C Module
    6. 33.6 Software
      1. 33.6.1 I2C Examples
        1. 33.6.1.1  C28x-I2C Library source file for FIFO interrupts
        2. 33.6.1.2  C28x-I2C Library source file for FIFO using polling
        3. 33.6.1.3  C28x-I2C Library source file for FIFO interrupts
        4. 33.6.1.4  I2C Loopback with Slave Receive Interrupt - CM
        5. 33.6.1.5  I2C Digital Loopback with FIFO Interrupts
        6. 33.6.1.6  I2C EEPROM
        7. 33.6.1.7  I2C Digital External Loopback with FIFO Interrupts
        8. 33.6.1.8  I2C EEPROM
        9. 33.6.1.9  I2C controller target communication using FIFO interrupts
        10. 33.6.1.10 I2C EEPROM
    7. 33.7 I2C Registers
      1. 33.7.1 I2C Base Address Table (C28)
      2. 33.7.2 I2C_REGS Registers
      3. 33.7.3 I2C Registers to Driverlib Functions
  36. 34Multichannel Buffered Serial Port (McBSP)
    1. 34.1  Introduction
      1. 34.1.1 MCBSP Related Collateral
      2. 34.1.2 Features of the McBSPs
      3. 34.1.3 McBSP Pins/Signals
        1. 34.1.3.1 McBSP Generic Block Diagram
    2. 34.2  Configuring Device Pins
    3. 34.3  McBSP Operation
      1. 34.3.1 Data Transfer Process of McBSPs
        1. 34.3.1.1 Data Transfer Process for Word Length of 8, 12, or 16 Bits
        2. 34.3.1.2 Data Transfer Process for Word Length of 20, 24, or 32 Bits
      2. 34.3.2 Companding (Compressing and Expanding) Data
        1. 34.3.2.1 Companding Formats
        2. 34.3.2.2 Capability to Compand Internal Data
        3. 34.3.2.3 Reversing Bit Order: Option to Transfer LSB First
      3. 34.3.3 Clocking and Framing Data
        1. 34.3.3.1 Clocking
        2. 34.3.3.2 Serial Words
        3. 34.3.3.3 Frames and Frame Synchronization
        4. 34.3.3.4 Generating Transmit and Receive Interrupts
          1. 34.3.3.4.1 Detecting Frame-Synchronization Pulses, Even in Reset State
        5. 34.3.3.5 Ignoring Frame-Synchronization Pulses
        6. 34.3.3.6 Frame Frequency
        7. 34.3.3.7 Maximum Frame Frequency
      4. 34.3.4 Frame Phases
        1. 34.3.4.1 Number of Phases, Words, and Bits Per Frame
        2. 34.3.4.2 Single-Phase Frame Example
        3. 34.3.4.3 Dual-Phase Frame Example
        4. 34.3.4.4 Implementing the AC97 Standard With a Dual-Phase Frame
      5. 34.3.5 McBSP Reception
      6. 34.3.6 McBSP Transmission
      7. 34.3.7 Interrupts and DMA Events Generated by a McBSP
    4. 34.4  McBSP Sample Rate Generator
      1. 34.4.1 Block Diagram
        1. 34.4.1.1 Clock Generation in the Sample Rate Generator
        2. 34.4.1.2 Choosing an Input Clock
        3. 34.4.1.3 Choosing a Polarity for the Input Clock
        4. 34.4.1.4 Choosing a Frequency for the Output Clock (CLKG)
          1. 34.4.1.4.1 CLKG Frequency
        5. 34.4.1.5 Keeping CLKG Synchronized to External MCLKR
      2. 34.4.2 Frame Synchronization Generation in the Sample Rate Generator
        1. 34.4.2.1 Choosing the Width of the Frame-Synchronization Pulse on FSG
        2. 34.4.2.2 Controlling the Period Between the Starting Edges of Frame-Synchronization Pulses on FSG
        3. 34.4.2.3 Keeping FSG Synchronized to an External Clock
      3. 34.4.3 Synchronizing Sample Rate Generator Outputs to an External Clock
        1. 34.4.3.1 Operating the Transmitter Synchronously with the Receiver
        2. 34.4.3.2 Synchronization Examples
      4. 34.4.4 Reset and Initialization Procedure for the Sample Rate Generator
    5. 34.5  McBSP Exception/Error Conditions
      1. 34.5.1 Types of Errors
      2. 34.5.2 Overrun in the Receiver
        1. 34.5.2.1 Example of Overrun Condition
        2. 34.5.2.2 Example of Preventing Overrun Condition
      3. 34.5.3 Unexpected Receive Frame-Synchronization Pulse
        1. 34.5.3.1 Possible Responses to Receive Frame-Synchronization Pulses
        2. 34.5.3.2 Example of Unexpected Receive Frame-Synchronization Pulse
        3. 34.5.3.3 Preventing Unexpected Receive Frame-Synchronization Pulses
      4. 34.5.4 Overwrite in the Transmitter
        1. 34.5.4.1 Example of Overwrite Condition
        2. 34.5.4.2 Preventing Overwrites
      5. 34.5.5 Underflow in the Transmitter
        1. 34.5.5.1 Example of the Underflow Condition
        2. 34.5.5.2 Example of Preventing Underflow Condition
      6. 34.5.6 Unexpected Transmit Frame-Synchronization Pulse
        1. 34.5.6.1 Possible Responses to Transmit Frame-Synchronization Pulses
        2. 34.5.6.2 Example of Unexpected Transmit Frame-Synchronization Pulse
        3. 34.5.6.3 Preventing Unexpected Transmit Frame-Synchronization Pulses
    6. 34.6  Multichannel Selection Modes
      1. 34.6.1 Channels, Blocks, and Partitions
      2. 34.6.2 Multichannel Selection
      3. 34.6.3 Configuring a Frame for Multichannel Selection
      4. 34.6.4 Using Two Partitions
        1. 34.6.4.1 Assigning Blocks to Partitions A and B
        2. 34.6.4.2 Reassigning Blocks During Reception/Transmission
      5. 34.6.5 Using Eight Partitions
      6. 34.6.6 Receive Multichannel Selection Mode
      7. 34.6.7 Transmit Multichannel Selection Modes
        1. 34.6.7.1 Disabling/Enabling Versus Masking/Unmasking
        2. 34.6.7.2 Activity on McBSP Pins for Different Values of XMCM
      8. 34.6.8 Using Interrupts Between Block Transfers
    7. 34.7  SPI Operation Using the Clock Stop Mode
      1. 34.7.1 SPI Protocol
      2. 34.7.2 Clock Stop Mode
      3. 34.7.3 Enable and Configure the Clock Stop Mode
      4. 34.7.4 Clock Stop Mode Timing Diagrams
      5. 34.7.5 Procedure for Configuring a McBSP for SPI Operation
      6. 34.7.6 McBSP as the SPI Master
      7. 34.7.7 McBSP as an SPI Slave
    8. 34.8  Receiver Configuration
      1. 34.8.1  Programming the McBSP Registers for the Desired Receiver Operation
      2. 34.8.2  Resetting and Enabling the Receiver
        1. 34.8.2.1 Reset Considerations
      3. 34.8.3  Set the Receiver Pins to Operate as McBSP Pins
      4. 34.8.4  Digital Loopback Mode
      5. 34.8.5  Clock Stop Mode
      6. 34.8.6  Receive Multichannel Selection Mode
      7. 34.8.7  Receive Frame Phases
      8. 34.8.8  Receive Word Lengths
        1. 34.8.8.1 Word Length Bits
      9. 34.8.9  Receive Frame Length
        1. 34.8.9.1 Selected Frame Length
      10. 34.8.10 Receive Frame-Synchronization Ignore Function
        1. 34.8.10.1 Unexpected Frame-Synchronization Pulses and the Frame-Synchronization Ignore Function
        2. 34.8.10.2 Examples of Effects of RFIG
      11. 34.8.11 Receive Companding Mode
        1. 34.8.11.1 Companding
        2. 34.8.11.2 Format of Expanded Data
        3. 34.8.11.3 Companding Internal Data
        4. 34.8.11.4 Option to Receive LSB First
      12. 34.8.12 Receive Data Delay
        1. 34.8.12.1 Data Delay
        2. 34.8.12.2 0-Bit Data Delay
        3. 34.8.12.3 2-Bit Data Delay
      13. 34.8.13 Receive Sign-Extension and Justification Mode
        1. 34.8.13.1 Sign-Extension and the Justification
      14. 34.8.14 Receive Interrupt Mode
      15. 34.8.15 Receive Frame-Synchronization Mode
        1. 34.8.15.1 Receive Frame-Synchronization Modes
      16. 34.8.16 Receive Frame-Synchronization Polarity
        1. 34.8.16.1 Frame-Synchronization Pulses, Clock Signals, and Their Polarities
        2. 34.8.16.2 Frame-Synchronization Period and the Frame-Synchronization Pulse Width
      17. 34.8.17 Receive Clock Mode
        1. 34.8.17.1 Selecting a Source for the Receive Clock and a Data Direction for the MCLKR Pin
      18. 34.8.18 Receive Clock Polarity
        1. 34.8.18.1 Frame Synchronization Pulses, Clock Signals, and Their Polarities
      19. 34.8.19 SRG Clock Divide-Down Value
        1. 34.8.19.1 Sample Rate Generator Clock Divider
      20. 34.8.20 SRG Clock Synchronization Mode
      21. 34.8.21 SRG Clock Mode (Choose an Input Clock)
      22. 34.8.22 SRG Input Clock Polarity
        1. 34.8.22.1 Using CLKXP/CLKRP to Choose an Input Clock Polarity
    9. 34.9  Transmitter Configuration
      1. 34.9.1  Programming the McBSP Registers for the Desired Transmitter Operation
      2. 34.9.2  Resetting and Enabling the Transmitter
        1. 34.9.2.1 Reset Considerations
      3. 34.9.3  Set the Transmitter Pins to Operate as McBSP Pins
      4. 34.9.4  Digital Loopback Mode
      5. 34.9.5  Clock Stop Mode
      6. 34.9.6  Transmit Multichannel Selection Mode
      7. 34.9.7  XCERs Used in the Transmit Multichannel Selection Mode
      8. 34.9.8  Transmit Frame Phases
      9. 34.9.9  Transmit Word Lengths
        1. 34.9.9.1 Word Length Bits
      10. 34.9.10 Transmit Frame Length
        1. 34.9.10.1 Selected Frame Length
      11. 34.9.11 Enable/Disable the Transmit Frame-Synchronization Ignore Function
        1. 34.9.11.1 Unexpected Frame-Synchronization Pulses and Frame-Synchronization Ignore
        2. 34.9.11.2 Examples Showing the Effects of XFIG
      12. 34.9.12 Transmit Companding Mode
        1. 34.9.12.1 Companding
        2. 34.9.12.2 Format for Data To Be Compressed
        3. 34.9.12.3 Capability to Compand Internal Data
        4. 34.9.12.4 Option to Transmit LSB First
      13. 34.9.13 Transmit Data Delay
        1. 34.9.13.1 Data Delay
        2. 34.9.13.2 0-Bit Data Delay
        3. 34.9.13.3 2-Bit Data Delay
      14. 34.9.14 Transmit DXENA Mode
      15. 34.9.15 Transmit Interrupt Mode
      16. 34.9.16 Transmit Frame-Synchronization Mode
        1. 34.9.16.1 Other Considerations
      17. 34.9.17 Transmit Frame-Synchronization Polarity
        1. 34.9.17.1 Frame Synchronization Pulses, Clock Signals, and Their Polarities
      18. 34.9.18 SRG Frame-Synchronization Period and Pulse Width
        1. 34.9.18.1 Frame-Synchronization Period and Frame-Synchronization Pulse Width
      19. 34.9.19 Transmit Clock Mode
        1. 34.9.19.1 Selecting a Source for the Transmit Clock and a Data Direction for the MCLKX pin
        2. 34.9.19.2 Other Considerations
      20. 34.9.20 Transmit Clock Polarity
        1. 34.9.20.1 Frame Synchronization Pulses, Clock Signals, and Their Polarities
    10. 34.10 Emulation and Reset Considerations
      1. 34.10.1 McBSP Emulation Mode
      2. 34.10.2 Resetting and Initializing McBSPs
        1. 34.10.2.1 McBSP Pin States: DSP Reset Versus Receiver/Transmitter Reset
        2. 34.10.2.2 Device Reset, McBSP Reset, and Sample Rate Generator Reset
        3. 34.10.2.3 McBSP Initialization Procedure
        4. 34.10.2.4 Resetting the Transmitter While the Receiver is Running
          1. 34.10.2.4.1 Resetting and Configuring McBSP Transmitter While McBSP Receiver Running
    11. 34.11 Data Packing Examples
      1. 34.11.1 Data Packing Using Frame Length and Word Length
      2. 34.11.2 Data Packing Using Word Length and the Frame-Synchronization Ignore Function
    12. 34.12 Interrupt Generation
      1. 34.12.1 McBSP Receive Interrupt Generation
      2. 34.12.2 McBSP Transmit Interrupt Generation
      3. 34.12.3 Error Flags
    13. 34.13 McBSP Modes
    14. 34.14 Special Case: External Device is the Transmit Frame Master
    15. 34.15 Software
      1. 34.15.1 MCBSP Examples
        1. 34.15.1.1 Pin Setup for McBSP module
        2. 34.15.1.2 McBSP loopback example
        3. 34.15.1.3 McBSP loopback with DMA example.
        4. 34.15.1.4 McBSP loopback with interrupts example
        5. 34.15.1.5 McBSP loopback with interrupts example
        6. 34.15.1.6 McBSP loopback example using SPI mode
        7. 34.15.1.7 McBSP external loopback example
        8. 34.15.1.8 McBSP external loopback example using SPI mode
        9. 34.15.1.9 McBSP TDM-8 Test
    16. 34.16 McBSP Registers
      1. 34.16.1 MCBSP Base Address Table (C28)
      2. 34.16.2 McBSP_REGS Registers
      3. 34.16.3 MCBSP Registers to Driverlib Functions
  37. 35Power Management Bus Module (PMBus)
    1. 35.1 Introduction
      1. 35.1.1 PMBUS Related Collateral
      2. 35.1.2 Features
      3. 35.1.3 Block Diagram
    2. 35.2 Configuring Device Pins
    3. 35.3 Slave Mode Operation
      1. 35.3.1 Configuration
      2. 35.3.2 Message Handling
        1. 35.3.2.1  Quick Command
        2. 35.3.2.2  Send Byte
        3. 35.3.2.3  Receive Byte
        4. 35.3.2.4  Write Byte and Write Word
        5. 35.3.2.5  Read Byte and Read Word
        6. 35.3.2.6  Process Call
        7. 35.3.2.7  Block Write
        8. 35.3.2.8  Block Read
        9. 35.3.2.9  Block Write-Block Read Process Call
        10. 35.3.2.10 Alert Response
        11. 35.3.2.11 Extended Command
        12. 35.3.2.12 Group Command
    4. 35.4 Master Mode Operation
      1. 35.4.1 Configuration
      2. 35.4.2 Message Handling
        1. 35.4.2.1  Quick Command
        2. 35.4.2.2  Send Byte
        3. 35.4.2.3  Receive Byte
        4. 35.4.2.4  Write Byte and Write Word
        5. 35.4.2.5  Read Byte and Read Word
        6. 35.4.2.6  Process Call
        7. 35.4.2.7  Block Write
        8. 35.4.2.8  Block Read
        9. 35.4.2.9  Block Write-Block Read Process Call
        10. 35.4.2.10 Alert Response
        11. 35.4.2.11 Extended Command
        12. 35.4.2.12 Group Command
    5. 35.5 PMBus Registers
      1. 35.5.1 PMBUS Base Address Table (C28)
      2. 35.5.2 PMBUS_REGS Registers
      3. 35.5.3 PMBUS Registers to Driverlib Functions
  38. 36Serial Communications Interface (SCI)
    1. 36.1  Introduction
      1. 36.1.1 Features
      2. 36.1.2 SCI Related Collateral
      3. 36.1.3 Block Diagram
    2. 36.2  Architecture
    3. 36.3  SCI Module Signal Summary
    4. 36.4  Configuring Device Pins
    5. 36.5  Multiprocessor and Asynchronous Communication Modes
    6. 36.6  SCI Programmable Data Format
    7. 36.7  SCI Multiprocessor Communication
      1. 36.7.1 Recognizing the Address Byte
      2. 36.7.2 Controlling the SCI TX and RX Features
      3. 36.7.3 Receipt Sequence
    8. 36.8  Idle-Line Multiprocessor Mode
      1. 36.8.1 Idle-Line Mode Steps
      2. 36.8.2 Block Start Signal
      3. 36.8.3 Wake-Up Temporary (WUT) Flag
        1. 36.8.3.1 Sending a Block Start Signal
      4. 36.8.4 Receiver Operation
    9. 36.9  Address-Bit Multiprocessor Mode
      1. 36.9.1 Sending an Address
    10. 36.10 SCI Communication Format
      1. 36.10.1 Receiver Signals in Communication Modes
      2. 36.10.2 Transmitter Signals in Communication Modes
    11. 36.11 SCI Port Interrupts
      1. 36.11.1 Break Detect
    12. 36.12 SCI Baud Rate Calculations
    13. 36.13 SCI Enhanced Features
      1. 36.13.1 SCI FIFO Description
      2. 36.13.2 SCI Auto-Baud
      3. 36.13.3 Autobaud-Detect Sequence
    14. 36.14 Software
      1. 36.14.1 SCI Examples
        1. 36.14.1.1 Tune Baud Rate via UART Example
        2. 36.14.1.2 SCI FIFO Digital Loop Back
        3. 36.14.1.3 Watchdog Reset - C28X_DUAL
        4. 36.14.1.4 NMI handling - C28X_DUAL
        5. 36.14.1.5 SCI Digital Loop Back with Interrupts
        6. 36.14.1.6 SCI Echoback
        7. 36.14.1.7 stdout redirect example
    15. 36.15 SCI Registers
      1. 36.15.1 SCI Base Address Table (C28)
      2. 36.15.2 SCI_REGS Registers
      3. 36.15.3 SCI Registers to Driverlib Functions
  39. 37Serial Peripheral Interface (SPI)
    1. 37.1 Introduction
      1. 37.1.1 Features
      2. 37.1.2 SPI Related Collateral
      3. 37.1.3 Block Diagram
    2. 37.2 System-Level Integration
      1. 37.2.1 SPI Module Signals
      2. 37.2.2 Configuring Device Pins
        1. 37.2.2.1 GPIOs Required for High-Speed Mode
      3. 37.2.3 SPI Interrupts
      4. 37.2.4 DMA Support
    3. 37.3 SPI Operation
      1. 37.3.1  Introduction to Operation
      2. 37.3.2  Master Mode
      3. 37.3.3  Slave Mode
      4. 37.3.4  Data Format
        1. 37.3.4.1 Transmission of Bit from SPIRXBUF
      5. 37.3.5  Baud Rate Selection
        1. 37.3.5.1 Baud Rate Determination
        2. 37.3.5.2 Baud Rate Calculation in Non-High Speed Mode (HS_MODE = 0)
      6. 37.3.6  SPI Clocking Schemes
      7. 37.3.7  SPI FIFO Description
      8. 37.3.8  SPI DMA Transfers
        1. 37.3.8.1 Transmitting Data Using SPI with DMA
        2. 37.3.8.2 Receiving Data Using SPI with DMA
      9. 37.3.9  SPI High-Speed Mode
      10. 37.3.10 SPI 3-Wire Mode Description
    4. 37.4 Programming Procedure
      1. 37.4.1 Initialization Upon Reset
      2. 37.4.2 Configuring the SPI
      3. 37.4.3 Configuring the SPI for High-Speed Mode
      4. 37.4.4 Data Transfer Example
      5. 37.4.5 SPI 3-Wire Mode Code Examples
        1. 37.4.5.1 3-Wire Master Mode Transmit
        2.       1924
          1. 37.4.5.2.1 3-Wire Master Mode Receive
        3.       1926
          1. 37.4.5.2.1 3-Wire Slave Mode Transmit
        4.       1928
          1. 37.4.5.2.1 3-Wire Slave Mode Receive
      6. 37.4.6 SPI STEINV Bit in Digital Audio Transfers
    5. 37.5 Software
      1. 37.5.1 SPI Examples
        1. 37.5.1.1 SPI Digital Loopback
        2. 37.5.1.2 SPI Digital Loopback with FIFO Interrupts
        3. 37.5.1.3 SPI Digital External Loopback without FIFO Interrupts
        4. 37.5.1.4 SPI Digital External Loopback with FIFO Interrupts
        5. 37.5.1.5 SPI Digital Loopback with DMA
        6. 37.5.1.6 SPI EEPROM
        7. 37.5.1.7 SPI DMA EEPROM
    6. 37.6 SPI Registers
      1. 37.6.1 SPI Base Address Table (C28)
      2. 37.6.2 SPI_REGS Registers
      3. 37.6.3 SPI Registers to Driverlib Functions
  40. 38Universal Serial Bus (USB) Controller
    1. 38.1 Introduction
      1. 38.1.1 Features
      2. 38.1.2 USB Related Collateral
      3. 38.1.3 Block Diagram
        1. 38.1.3.1 Signal Description
        2. 38.1.3.2 VBus Recommendations
    2. 38.2 Functional Description
      1. 38.2.1 Operation as a Device
        1. 38.2.1.1 Control and Configurable Endpoints
          1. 38.2.1.1.1 IN Transactions as a Device
          2. 38.2.1.1.2 Out Transactions as a Device
          3. 38.2.1.1.3 Scheduling
          4. 38.2.1.1.4 Additional Actions
          5. 38.2.1.1.5 Device Mode Suspend
          6. 38.2.1.1.6 Start of Frame
          7. 38.2.1.1.7 USB Reset
          8. 38.2.1.1.8 Connect/Disconnect
      2. 38.2.2 Operation as a Host
        1. 38.2.2.1 Endpoint Registers
        2. 38.2.2.2 IN Transactions as a Host
        3. 38.2.2.3 OUT Transactions as a Host
        4. 38.2.2.4 Transaction Scheduling
        5. 38.2.2.5 USB Hubs
        6. 38.2.2.6 Babble
        7. 38.2.2.7 Host SUSPEND
        8. 38.2.2.8 USB RESET
        9. 38.2.2.9 Connect/Disconnect
      3. 38.2.3 DMA Operation
      4. 38.2.4 Address/Data Bus Bridge
    3. 38.3 Initialization and Configuration
      1. 38.3.1 Pin Configuration
      2. 38.3.2 Endpoint Configuration
    4. 38.4 USB Global Interrupts
    5. 38.5 Software
      1. 38.5.1 USB Examples
        1. 38.5.1.1  Wrapper for interrupt functions and USB support pins. - CM
        2. 38.5.1.2  USB CDC serial example
        3. 38.5.1.3  USB Composite Serial Device (usb_dev_cserial) - CM
        4. 38.5.1.4  USB HID Mouse Device
        5. 38.5.1.5  USB HID Mouse Device - CM
        6. 38.5.1.6  Data structures defining the USB mouse device. - CM
        7. 38.5.1.7  USB Device Keyboard
        8. 38.5.1.8  USB HID Keyboard Device (usb_dev_keyboard) - CM
        9. 38.5.1.9  Data structures defining the USB keyboard device. - CM
        10. 38.5.1.10 Data structures defining this bulk USB device. - CM
        11. 38.5.1.11 USB Generic Bulk Device (usb_dev_bulk) - CM
        12. 38.5.1.12 USB Generic Bulk Device
        13. 38.5.1.13 USB HID Mouse Host
        14. 38.5.1.14 USB HID Mouse Host (usb_host_mouse) - CM
        15. 38.5.1.15 USB HID Keyboard Host (usb_host_keyboard) - CM
        16. 38.5.1.16 USB HID Keyboard Host
        17. 38.5.1.17 USB Mass Storage Class Host
        18. 38.5.1.18 USB Mass Storage Class Host (usb_host_msc) - CM
        19. 38.5.1.19 USB Dual Detect
        20. 38.5.1.20 Data structures defining this bulk USB device. - CM
        21. 38.5.1.21 USB Throughput Bulk Device Example (usb_ex9_throughput_dev_bulk) - CM
        22. 38.5.1.22 USB HUB Host example - CM
        23. 38.5.1.23 USB Throughput Bulk Device Example (usb_ex9_throughput_dev_bulk)
        24. 38.5.1.24 USB HUB Host example
    6. 38.6 USB Registers
      1. 38.6.1 USB Base Address Table (C28)
      2. 38.6.2 USB_REGS Registers
      3. 38.6.3 USB Registers to Driverlib Functions
  41. 39► CONNECTIVITY MANAGER (CM)
    1. 39.1 Technical Reference Manual Overview
  42. 40Connectivity Manager Subsystem
    1. 40.1 Connectivity Manager Overview
    2. 40.2 Connectivity Manager Functional Block Diagram
    3. 40.3 Arm® Cortex®-M4 Processor Core Overview
  43. 41Connectivity Manager System Control and Interrupts
    1. 41.1  Introduction
    2. 41.2  Reset
      1. 41.2.1 CPU1 SYSRS
      2. 41.2.2 System Reset Request (CMSYSRESETREQ)
      3. 41.2.3 CM NMI Watchdog Reset (CMNMIWDRSTn)
      4. 41.2.4 CM Secure Code Copy Reset (CMSCCRESETn)
    3. 41.3  CM Clocking
      1. 41.3.1 CM Clock Sources
      2. 41.3.2 CM Derived Clocks
      3. 41.3.3 CM Device Clock Domains
        1. 41.3.3.1 Connectivity Manager Clock (CMCLK)
        2. 41.3.3.2 CM Peripheral Subsystem Clock (CM.PERx.SYSCLK)
        3. 41.3.3.3 MCAN Bit Clock
      4. 41.3.4 CM Clock Connectivity
    4. 41.4  SysTick
    5. 41.5  Watchdog Timer
    6. 41.6  Exceptions and NMI
      1. 41.6.1 CM Subsystem Nested Vectored Interrupt Controller
      2. 41.6.2 CM Subsystem Exceptions Handling
      3. 41.6.3 CM Subsystem Non-Maskable Interrupt (CMNMI) Module
        1. 41.6.3.1 CM Subsystem NMI Sources
          1. 41.6.3.1.1 RAM/ROM Uncorrectable Error
          2. 41.6.3.1.2 Reset Request from EtherCAT
          3. 41.6.3.1.3 Clock Fail Condition
          4. 41.6.3.1.4 MCAN Uncorrectable Error
          5. 41.6.3.1.5 CM Windowed Watchdog Timed Out
          6. 41.6.3.1.6 Flash Uncorrectable Error
        2. 41.6.3.2 CM Subsystem NMIWD Module
          1. 41.6.3.2.1 Emulation Considerations
        3. 41.6.3.3 Handling of CMNMI
      4. 41.6.4 CM Interrupts/NMI to CPU1/CPU2
    7. 41.7  Nested Vectored Interrupt Controller (NVIC)
      1. 41.7.1 Level-Sensitive and Pulse Interrupts
      2. 41.7.2 Hardware and Software Control of Interrupts
      3. 41.7.3 NVIC Registers Access
    8. 41.8  32-Bit CM CPU Timers 0/1/2
    9. 41.9  Memory Controller Module
      1. 41.9.1 Functional Description
        1. 41.9.1.1 Dedicated RAM
        2. 41.9.1.2 Shared RAM
        3. 41.9.1.3 MSG RAM
        4. 41.9.1.4 ROM
        5. 41.9.1.5 Interleaving
        6. 41.9.1.6 Access Arbitration
        7. 41.9.1.7 Access Protection
        8. 41.9.1.8 Memory Error Detection, Correction and Error Handling
          1. 41.9.1.8.1 Error Detection and Correction
          2. 41.9.1.8.2 Error Handling
          3. 41.9.1.8.3 Application Test Hooks for Error Detection and Correction
          4. 41.9.1.8.4 ROM Test
        9. 41.9.1.9 RAM Initialization
    10. 41.10 Memory Protection Unit (MPU)
      1. 41.10.1 Functional Description
      2. 41.10.2 Overlapping Regions
      3. 41.10.3 Sub-Regions
      4. 41.10.4 Programmers Model
    11. 41.11 Debug and Trace
      1. 41.11.1 Trace Port Interface Unit
    12. 41.12 CM-SysCtrl Registers
      1. 41.12.1  CM System Control Base Addresses
      2. 41.12.2  CM_MEMCFG_REGS Registers
      3. 41.12.3  CM_MEMORYDIAGERROR_REGS Registers
      4. 41.12.4  CM_MEMORYERROR_REGS Registers
      5. 41.12.5  CMSYSCTL_REGS Registers
      6. 41.12.6  CM_CPUTIMER_REGS Registers
      7. 41.12.7  MPU_REGS Registers
      8. 41.12.8  CM_NMI_INTRUPT_REGS Registers
      9. 41.12.9  NVIC Registers
      10. 41.12.10 SCB Registers
      11. 41.12.11 CSFR Registers
      12. 41.12.12 SYSTICK Registers
      13. 41.12.13 MPU Registers
      14. 41.12.14 CM_WD_REGS Registers
  44. 42Advanced Encryption Standard (AES) Accelerator
    1. 42.1 Introduction
      1. 42.1.1 AES Block Diagram
        1. 42.1.1.1 Interfaces
        2. 42.1.1.2 AES Subsystem
        3. 42.1.1.3 AES Wide-Bus Engine
      2. 42.1.2 AES Algorithm
    2. 42.2 AES Operating Modes
      1. 42.2.1  GCM Operation
      2. 42.2.2  CCM Operation
      3. 42.2.3  XTS Operation
      4. 42.2.4  ECB Feedback Mode
      5. 42.2.5  CBC Feedback Mode
      6. 42.2.6  CTR and ICM Feedback Modes
      7. 42.2.7  CFB Mode
      8. 42.2.8  F8 Mode
      9. 42.2.9  F9 Operation
      10. 42.2.10 CBC-MAC Operation
    3. 42.3 Extended and Combined Modes of Operations
      1. 42.3.1 GCM Protocol Operation
      2. 42.3.2 CCM Protocol Operation
      3. 42.3.3 Hardware Requests
    4. 42.4 AES Module Programming Guide
      1. 42.4.1 AES Low-Level Programming Models
        1. 42.4.1.1 Global Initialization
        2. 42.4.1.2 AES Operating Modes Configuration
        3. 42.4.1.3 AES Mode Configurations
        4. 42.4.1.4 AES Events Servicing
    5. 42.5 Software
      1. 42.5.1 AES Examples
        1. 42.5.1.1 AES ECB Encryption Example (CM) - CM
        2. 42.5.1.2 AES ECB De-cryption Example (CM) - CM
        3. 42.5.1.3 AES GCM Encryption Example (CM) - CM
        4. 42.5.1.4 AES GCM Decryption Example (CM) - CM
    6. 42.6 AES Registers
      1. 42.6.1 AES Base Addresses
      2. 42.6.2 AES_SS_REGS Registers
      3. 42.6.3 AES_REGS Registers
  45. 43Ethernet Media Access Controller (EMAC)
    1. 43.1 Introduction
      1. 43.1.1 Standard Compliance
      2. 43.1.2 MAC Features
        1. 43.1.2.1 MAC Tx and Rx Features
        2. 43.1.2.2 MAC Tx Features
        3. 43.1.2.3 MAC Rx Features
    2. 43.2 System Level Integration
      1. 43.2.1 Ethernet Signal Connection and Description
        1. 43.2.1.1 MII Interface Signals
        2. 43.2.1.2 RMII Interface Signals
        3. 43.2.1.3 RevMII Interface Signals
        4. 43.2.1.4 Pulse Per Second Signals
      2. 43.2.2 Configuring Device Pins
      3. 43.2.3 MAC Interface Selection
      4. 43.2.4 Clocks for Ethernet Module
      5. 43.2.5 RMII Mode Clocking
      6. 43.2.6 RevMII Mode Clocking
      7. 43.2.7 Configuring Trigger Sources for Time Stamping
        1. 43.2.7.1 Software Trigger for Time Stamping
      8. 43.2.8 Ethernet Interrupts
    3. 43.3 Features
      1. 43.3.1 Multiple Channels and Queues Support
        1. 43.3.1.1 Multiple Queues and Channels in Transmit Path
        2. 43.3.1.2 Multiple Queues and Channels in Receive Path
        3. 43.3.1.3 Rx Queue to DMA Mapping
        4. 43.3.1.4 Selection of Tag Priorities Assigned to Tx and Rx Queues
        5. 43.3.1.5 Rx Side Routing from MAC to Queues
      2. 43.3.2 IEEE 1588 Timestamp Support
        1. 43.3.2.1 Feature Description
          1. 43.3.2.1.1 Clock Types
            1. 43.3.2.1.1.1 Peer-to-Peer Transparent Clock (P2PTC) Message Support
            2. 43.3.2.1.1.2 Timestamp Correction
            3. 43.3.2.1.1.3 Ingress Correction
            4. 43.3.2.1.1.4 Egress Correction
            5. 43.3.2.1.1.5 Frequency Range of Reference Timing Clock
          2. 43.3.2.1.2 Maximum PTP Clock Frequency
          3. 43.3.2.1.3 Minimum PTP Clock Frequency
          4. 43.3.2.1.4 PTP Processing and Control
          5. 43.3.2.1.5 PTP Packets Over IPv4
          6. 43.3.2.1.6 PTP Frames Over IPv6
          7. 43.3.2.1.7 PTP Packets Over Ethernet
          8. 43.3.2.1.8 Transmit Path Functions
          9. 43.3.2.1.9 Receive Path Functions
        2. 43.3.2.2 IEEE 1588 System Time Source
          1. 43.3.2.2.1 External Timestamp Input
          2. 43.3.2.2.2 Internal Reference Time
          3. 43.3.2.2.3 System Time Register Module
        3. 43.3.2.3 IEEE 1588 Higher Word Register
        4. 43.3.2.4 IEEE 1588 Auxillary Snapshot
        5. 43.3.2.5 Flexible Pulse-Per-Second Output
          1. 43.3.2.5.1 PPS Start or Stop Time
          2. 43.3.2.5.2 PPS Width and Interval
      3. 43.3.3 Packet Filtering
        1. 43.3.3.1 Packet Filtering Sequence
        2. 43.3.3.2 Destination Address Filtering
        3. 43.3.3.3 Source Address Filtering
        4. 43.3.3.4 Inverse Filtering
        5. 43.3.3.5 VLAN Filtering
          1. 43.3.3.5.1 Comparison Modes
          2. 43.3.3.5.2 Filter Status
          3. 43.3.3.5.3 Stripping
        6. 43.3.3.6 Layer 3 and Layer 4 Filtering
          1. 43.3.3.6.1 Layer 3 Filtering
      4. 43.3.4 VLAN Support
        1. 43.3.4.1 Double VLAN Processing
          1. 43.3.4.1.1 Transmit Path
          2. 43.3.4.1.2 Receive Path
        2. 43.3.4.2 Double VLAN-Related Registers
        3. 43.3.4.3 Source Address and VLAN Insertion, Replacement, or Deletion
          1. 43.3.4.3.1 Programming VLAN Insertion, Replacement, or Deletion
        4. 43.3.4.4 Queue/Channel Based VLAN Tag Insertion on Tx
      5. 43.3.5 TCP/IP Offloading Features
        1. 43.3.5.1 Transmit Checksum Offload Engine
          1. 43.3.5.1.1 IP Header Checksum Engine
          2. 43.3.5.1.2 TCP/UDP/ICMP Checksum Engine
        2. 43.3.5.2 Receive Checksum Offload Engine
        3. 43.3.5.3 TCP/IP Segmentation Offload (TSO) Engine
          1. 43.3.5.3.1 DMA Operation with TSO Feature
            1. 43.3.5.3.1.1 TCP/IP Header Fields
            2. 43.3.5.3.1.2 Header and Payload Fields of Segmented Packets
        4. 43.3.5.4 Segmentation Versus Fragmentation
        5. 43.3.5.5 Using the IPv4 ARP Offload Engine
        6. 43.3.5.6 Energy Efficient Ethernet (EEE) Support
          1. 43.3.5.6.1 Magic Packet
          2. 43.3.5.6.2 Remote Wakeup Filter
          3. 43.3.5.6.3 Energy Efficient Ethernet (EEE)
            1. 43.3.5.6.3.1 Transmit Path Functions
          4. 43.3.5.6.4 Automated Entry/Exit of LPI mode in Transmit Path
          5. 43.3.5.6.5 Receive Path Functions
        7. 43.3.5.7 Automated Entry/Exit of LPI Mode in Transmit Path
        8. 43.3.5.8 Receive Path Functions
      6. 43.3.6 Loopback Mode
      7. 43.3.7 Reverse Media Independent Interface (RevMII)
        1. 43.3.7.1 RevMII Register Maps
        2. 43.3.7.2 MAC_RevMII_PHY_Control
        3. 43.3.7.3 MAC_RevMII_Common_Status
        4. 43.3.7.4 MAC_RevMII_Common_Ext_Status
        5. 43.3.7.5 MAC_RevMII_Interrupt_Status_Mask
        6. 43.3.7.6 MAC_RevMII_Remote_PHY_Status
        7. 43.3.7.7 MAC_RevMII_PHY_Status Register
    4. 43.4 Descriptors
      1. 43.4.1 Descriptor Structure
      2. 43.4.2 Transmit Descriptor
        1. 43.4.2.1 Transmit Normal Descriptor (Read Format)
          1. 43.4.2.1.1 TDES0 Normal Descriptor (Read Format)
          2. 43.4.2.1.2 TDES1 Normal Descriptor (Read Format)
          3. 43.4.2.1.3 TDES2 Normal Descriptor (Read Format)
          4. 43.4.2.1.4 TDES3 Normal Descriptor (Read Format)
        2. 43.4.2.2 Transmit Normal Descriptor (Write-Back Format)
          1. 43.4.2.2.1 TDES0 Normal Descriptor (Write-Back Format)
          2. 43.4.2.2.2 TDES1 Normal Descriptor (Write-Back Format)
          3. 43.4.2.2.3 TDES2 Normal Descriptor (Write-Back Format)
          4. 43.4.2.2.4 TDES3 Normal Descriptor (Write-Back Format)
        3. 43.4.2.3 Transmit Context Descriptor
          1. 43.4.2.3.1 TDES0 Context Descriptor
          2. 43.4.2.3.2 TDES1 Context Descriptor
          3. 43.4.2.3.3 TDES2 Context Descriptor
          4. 43.4.2.3.4 TDES3 Context Descriptor
      3. 43.4.3 Receive Descriptor
        1. 43.4.3.1 Receive Normal Descriptor (Read Format)
          1. 43.4.3.1.1 RDES0 Normal Descriptor (Read Format)
          2. 43.4.3.1.2 RDES1 Normal Descriptor (Read Format)
          3. 43.4.3.1.3 RDES2 Normal Descriptor (Read Format)
          4. 43.4.3.1.4 RDES3 Normal Descriptor (Read Format)
        2. 43.4.3.2 Receive Normal Descriptor (Write-Back Format)
          1. 43.4.3.2.1 RDES0 Normal Descriptor (Write-Back Format)
          2. 43.4.3.2.2 RDES1 Normal Descriptor (Write-Back Format)
          3. 43.4.3.2.3 RDES2 Normal Descriptor (Write-Back Format)
          4. 43.4.3.2.4 RDES3 Normal Descriptor (Write-Back Format)
        3. 43.4.3.3 Receive Context Descriptor
          1. 43.4.3.3.1 RDES0 Context Descriptor
          2. 43.4.3.3.2 RDES1 Context Descriptor
          3. 43.4.3.3.3 RDES2 Context Descriptor
          4. 43.4.3.3.4 RDES3 Context Descriptor
    5. 43.5 Programming
      1. 43.5.1 Initializing DMA
      2. 43.5.2 Initializing MTL Registers
      3. 43.5.3 Initializing MAC
      4. 43.5.4 Performing Normal Receive and Transmit Operation
      5. 43.5.5 Stopping and Starting Transmission
      6. 43.5.6 Programming Guidelines for Multi-Channel Multi-Queuing
        1. 43.5.6.1 Transmit
        2. 43.5.6.2 Receive
        3. 43.5.6.3 Programming Guidelines for Recovering from DMA Channel Failure
          1. 43.5.6.3.1 Recovering from the Receive DMA Channel Failure
          2. 43.5.6.3.2 Recovering from the Transmit DMA Channel Failure
        4. 43.5.6.4 Programming Guidelines for IEEE 1588 Timestamping
          1. 43.5.6.4.1 Initialization Guidelines for System Time Generation
          2. 43.5.6.4.2 System Time Correction
            1. 43.5.6.4.2.1 Coarse Correction Method
            2. 43.5.6.4.2.2 Fine Correction Method
        5. 43.5.6.5 Programming Guidelines for Energy Efficient Ethernet
          1. 43.5.6.5.1 Entering and Exiting the Tx LPI Mode
          2. 43.5.6.5.2 Gating Off the CSR Clock in the LPI Mode
          3. 43.5.6.5.3 Rx LPI Mode
          4. 43.5.6.5.4 Gating Off the CSR Clock in the Tx LPI Mode
        6. 43.5.6.6 Programming Guidelines for Flexible Pulse-Per-Second Output
          1. 43.5.6.6.1 Generating Single Pulse on PPS
          2. 43.5.6.6.2 Generating Next Pulse on PPS
          3. 43.5.6.6.3 Generating a Pulse Train on PPS
          4. 43.5.6.6.4 Generating an Interrupt without Affecting the PPS
        7. 43.5.6.7 Programming Guidelines for TSO
    6. 43.6 Software
      1. 43.6.1 ETHERNET Examples
        1. 43.6.1.1  Ethernet + IPC basic message passing example with interrupt - C28X_CM
        2. 43.6.1.2  Ethernet + IPC basic message passing example with interrupt - C28X_CM
        3. 43.6.1.3  Ethernet MAC Internal Loopback - CM
        4. 43.6.1.4  Ethernet Basic Transmit and Receive PHY Loopback - CM
        5. 43.6.1.5  Ethernet Threshold mode with level PHY loopback - CM
        6. 43.6.1.6  Ethernet PTP Basic Master - CM
        7. 43.6.1.7  Ethernet PTP Basic Slave - CM
        8. 43.6.1.8  Ethernet PTP Offload Master - CM
        9. 43.6.1.9  Ethernet PTP Offload Slave - CM
        10. 43.6.1.10 Ethernet MAC CRC and Checksum Offload - CM
        11. 43.6.1.11 Ethernet Transmit Segmentation Offload - CM
        12. 43.6.1.12 Ethernet MAC Internal Loopback - CM
        13. 43.6.1.13 Ethernet RevMII Example MII side - CM
        14. 43.6.1.14 Ethernet RevMII Example RevMII side - CM
        15. 43.6.1.15 Ethernet Low Latency Interrupt - CM
    7. 43.7 Ethernet Registers
      1. 43.7.1 Ethernet Base Addresses
      2. 43.7.2 ETHERNETSS_REGS Registers
      3. 43.7.3 EMAC_REGS Registers
  46. 44Generic Cyclic Redundancy Check (GCRC)
    1. 44.1 Generic CRC Overview
      1. 44.1.1 GCRC Features
      2. 44.1.2 GCRC Block Diagram
    2. 44.2 GCRC Functional Description
      1. 44.2.1 GCRC Polynomials
      2. 44.2.2 Fixed Polynomial
      3. 44.2.3 GCRC Data Input
      4. 44.2.4 GCRC Execution Sequence Flow
      5. 44.2.5 GCRC Transformations
        1. 44.2.5.1 Endianness Transformation
        2. 44.2.5.2 Mask Transformation
        3. 44.2.5.3 Bit Reversal Transformation
    3. 44.3 Software
      1. 44.3.1 GCRC Examples
        1. 44.3.1.1 GCRC example - CM
    4. 44.4 GCRC Registers
      1. 44.4.1 GCRC Base Addresses
      2. 44.4.2 GCRC_REGS Registers
  47. 45Modular Controller Area Network (MCAN)
    1. 45.1 MCAN Introduction
      1. 45.1.1 MCAN Related Collateral
      2. 45.1.2 MCAN Features
    2. 45.2 MCAN Environment
    3. 45.3 CAN Network Basics
    4. 45.4 MCAN Integration
    5. 45.5 MCAN Functional Description
      1. 45.5.1  Module Clocking Requirements
      2. 45.5.2  Interrupt Requests
      3. 45.5.3  Operating Modes
        1. 45.5.3.1 Software Initialization
        2. 45.5.3.2 Normal Operation
        3. 45.5.3.3 CAN FD Operation
      4. 45.5.4  Transmitter Delay Compensation
        1. 45.5.4.1 Description
        2. 45.5.4.2 Transmitter Delay Compensation Measurement
      5. 45.5.5  Restricted Operation Mode
      6. 45.5.6  Bus Monitoring Mode
      7. 45.5.7  Disabled Automatic Retransmission (DAR) Mode
        1. 45.5.7.1 Frame Transmission in DAR Mode
      8. 45.5.8  Clock Stop Mode
        1. 45.5.8.1 Suspend Mode
        2. 45.5.8.2 Wakeup Request
      9. 45.5.9  Test Modes
        1. 45.5.9.1 External Loop Back Mode
        2. 45.5.9.2 Internal Loop Back Mode
      10. 45.5.10 Timestamp Generation
        1. 45.5.10.1 External Timestamp Counter
      11. 45.5.11 Timeout Counter
      12. 45.5.12 Safety
        1. 45.5.12.1 ECC Wrapper
        2. 45.5.12.2 ECC Aggregator
          1. 45.5.12.2.1 ECC Aggregator Overview
          2. 45.5.12.2.2 ECC Aggregator Registers
        3. 45.5.12.3 Reads to ECC Control and Status Registers
        4. 45.5.12.4 ECC Interrupts
      13. 45.5.13 Rx Handling
        1. 45.5.13.1 Acceptance Filtering
          1. 45.5.13.1.1 Range Filter
          2. 45.5.13.1.2 Filter for Specific IDs
          3. 45.5.13.1.3 Classic Bit Mask Filter
          4. 45.5.13.1.4 Standard Message ID Filtering
          5. 45.5.13.1.5 Extended Message ID Filtering
        2. 45.5.13.2 Rx FIFOs
          1. 45.5.13.2.1 Rx FIFO Blocking Mode
          2. 45.5.13.2.2 Rx FIFO Overwrite Mode
        3. 45.5.13.3 Dedicated Rx Buffers
          1. 45.5.13.3.1 Rx Buffer Handling
      14. 45.5.14 Tx Handling
        1. 45.5.14.1 Transmit Pause
        2. 45.5.14.2 Dedicated Tx Buffers
        3. 45.5.14.3 Tx FIFO
        4. 45.5.14.4 Tx Queue
        5. 45.5.14.5 Mixed Dedicated Tx Buffers/Tx FIFO
        6. 45.5.14.6 Mixed Dedicated Tx Buffers/Tx Queue
        7. 45.5.14.7 Transmit Cancellation
        8. 45.5.14.8 Tx Event Handling
      15. 45.5.15 FIFO Acknowledge Handling
      16. 45.5.16 Message RAM
        1. 45.5.16.1 Message RAM Configuration
        2. 45.5.16.2 Rx Buffer and FIFO Element
        3. 45.5.16.3 Tx Buffer Element
        4. 45.5.16.4 Tx Event FIFO Element
        5. 45.5.16.5 Standard Message ID Filter Element
        6. 45.5.16.6 Extended Message ID Filter Element
    6. 45.6 Software
      1. 45.6.1 MCAN Examples
        1. 45.6.1.1  MCAN Internal Loopback with Interrupt - CM
        2. 45.6.1.2  MCAN Internal Loopback with Interrupt
        3. 45.6.1.3  MCAN External Loopback with Interrupt - CM
        4. 45.6.1.4  MCAN Loopback with Interrupts Example Using SYSCONFIG Tool
        5. 45.6.1.5  MCAN receive using Rx Buffer
        6. 45.6.1.6  MCAN External Reception (with mask filter) into RX-FIFO1
        7. 45.6.1.7  MCAN Classic frames transmission using Tx Buffer
        8. 45.6.1.8  MCAN External Reception (with RANGE filter) into RX-FIFO1
        9. 45.6.1.9  MCAN External Transmit using Tx Buffer
        10. 45.6.1.10 MCAN receive using Rx Buffer
        11. 45.6.1.11 MCAN Internal Loopback with Interrupt
        12. 45.6.1.12 MCAN External Transmit using Tx Buffer
    7. 45.7 MCAN Registers
      1. 45.7.1 MCAN Base Address Table (C28)
      2. 45.7.2 CM MCAN Base Address Table (CM)
      3. 45.7.3 MCANSS_REGS Registers
      4. 45.7.4 MCAN_REGS Registers
      5. 45.7.5 MCAN_ERROR_REGS Registers
  48. 46Connectivity Manager Inter-Integrated Circuit (I2C) Module
    1. 46.1 Introduction
      1. 46.1.1 Features
      2. 46.1.2 Block Diagram
    2. 46.2 Functional Description
      1. 46.2.1 I2C Bus Functional Overview
        1. 46.2.1.1  START and STOP Conditions
        2. 46.2.1.2  Data Format With 7-Bit Address
        3. 46.2.1.3  Data Validity
        4. 46.2.1.4  Acknowledge
        5. 46.2.1.5  Repeated START
          1. 46.2.1.5.1 Repeated Start for Master Transmit
          2. 46.2.1.5.2 Repeated Start for Master Receive
        6. 46.2.1.6  Clock Low Time-out (CLTO)
        7. 46.2.1.7  Dual Address
        8. 46.2.1.8  Arbitration
        9. 46.2.1.9  Glitch Suppression in Multi-Master Configuration
        10. 46.2.1.10 SMBus Operation
          1. 46.2.1.10.1 Quick Command
      2. 46.2.2 Available Speed Modes
        1. 46.2.2.1 Standard, Fast, and Fast Plus Modes
        2. 46.2.2.2 High-Speed Mode
      3. 46.2.3 Interrupts
      4. 46.2.4 Loopback Operation
      5. 46.2.5 FIFO and µDMA Operation
        1. 46.2.5.1 Master Module Burst Mode
          1. 46.2.5.1.1 Master Module µDMA Functionality
        2. 46.2.5.2 Slave Module
      6. 46.2.6 Command Sequence Flow Charts
        1. 46.2.6.1 I2C Master Command Sequences
        2. 46.2.6.2 I2C Slave Command Sequences
    3. 46.3 Initialization and Configuration
      1. 46.3.1 Configure the I2C Module to Transmit a Single Byte as a Master
      2. 46.3.2 Configure the I2C Master to High-Speed Mode
    4. 46.4 CM I2C Registers
      1. 46.4.1 CM I2C Base Addresses
      2. 46.4.2 CM_I2C_REGS Registers
      3. 46.4.3 CM_I2C_WRITE_REGS Registers
  49. 47Synchronous Serial Interface (SSI)
    1. 47.1 Introduction
      1. 47.1.1 Features
      2. 47.1.2 Block Diagram
    2. 47.2 Functional Description
      1. 47.2.1 Bit Rate Generation
      2. 47.2.2 FIFO Operation
        1. 47.2.2.1 Transmit FIFO
        2. 47.2.2.2 Receive FIFO
      3. 47.2.3 SSInFSS Function
      4. 47.2.4 Interrupts
      5. 47.2.5 Frame Formats
        1. 47.2.5.1 Freescale SPI Frame Format
          1. 47.2.5.1.1 SPO Clock Polarity Bit
          2. 47.2.5.1.2 SPH Phase Control Bit
        2. 47.2.5.2 Freescale SPI Frame Format with SPO=0 and SPH=0
        3. 47.2.5.3 Freescale SPI Frame Format with SPO=0 and SPH=1
        4. 47.2.5.4 Freescale SPI Frame Format with SPO=1 and SPH=0
        5. 47.2.5.5 Freescale SPI Frame Format with SPO=1 and SPH=1
      6. 47.2.6 DMA Operation
    3. 47.3 Initialization and Configuration
    4. 47.4 Software
      1. 47.4.1 SSI Examples
        1. 47.4.1.1 SSI Loopback example with interrupts - CM
        2. 47.4.1.2 SSI Loopback example with UDMA - CM
    5. 47.5 SSI Registers
      1. 47.5.1 SSI Base Addresses
      2. 47.5.2 SSI_REGS Registers
  50. 48Universal Asynchronous Receiver/Transmitter (UART)
    1. 48.1 Introduction
      1. 48.1.1 Features
      2. 48.1.2 Block Diagram
    2. 48.2 Functional Description
      1. 48.2.1 Transmit and Receive Logic
      2. 48.2.2 Baud-Rate Generation
      3. 48.2.3 Data Transmission
      4. 48.2.4 Serial IR (SIR)
      5. 48.2.5 9-Bit UART Mode
      6. 48.2.6 FIFO Operation
      7. 48.2.7 Interrupts
      8. 48.2.8 Loopback Operation
      9. 48.2.9 DMA Operation
    3. 48.3 Initialization and Configuration
    4. 48.4 Software
      1. 48.4.1 UART Examples
        1. 48.4.1.1 UART Echoback - CM
        2. 48.4.1.2 UART Loopback example with UDMA - CM
    5. 48.5 UART Registers
      1. 48.5.1 UART Base Addresses
      2. 48.5.2 UART_REGS Registers
      3. 48.5.3 UART_REGS_WRITE Registers
  51. 49Micro Direct Memory Access (µDMA)
    1. 49.1 Introduction
      1. 49.1.1 Features
      2. 49.1.2 Block Diagram
    2. 49.2 Functional Description
      1. 49.2.1  Channel Assignments
      2. 49.2.2  Priority
      3. 49.2.3  Arbitration Size
      4. 49.2.4  Request Types
        1. 49.2.4.1 Single Request
        2. 49.2.4.2 Burst Request
      5. 49.2.5  Channel Configuration
      6. 49.2.6  Transfer Modes
        1. 49.2.6.1 Stop Mode
        2. 49.2.6.2 Basic Mode
        3. 49.2.6.3 Auto Mode
        4. 49.2.6.4 Ping-Pong
        5. 49.2.6.5 Memory Scatter-Gather
        6. 49.2.6.6 Peripheral Scatter-Gather
      7. 49.2.7  Transfer Size and Increment
      8. 49.2.8  Peripheral Interface
        1. 49.2.8.1 FIFO Peripherals
        2. 49.2.8.2 Trigger Peripherals
      9. 49.2.9  Software Request
      10. 49.2.10 Interrupts and Errors
    3. 49.3 Initialization and Configuration
      1. 49.3.1 Module Initialization
      2. 49.3.2 Configuring a Memory-to-Memory Transfer
        1. 49.3.2.1 Configure the Channel Attributes
        2. 49.3.2.2 Configure the Channel Control Structure
          1. 49.3.2.2.1 Configure the Source and Destination
          2. 49.3.2.2.2 Configure Peripheral Interrupts
        3. 49.3.2.3 Start the Transfer
      3. 49.3.3 Configuring a Peripheral for Simple Transmit
        1. 49.3.3.1 Configure the Channel Attributes
        2. 49.3.3.2 Configure the Channel Control Structure
          1. 49.3.3.2.1 Configure the Source and Destination
        3. 49.3.3.3 Start the Transfer
      4. 49.3.4 Configuring a Peripheral for Ping-Pong Receive
        1. 49.3.4.1 Configure the Channel Attributes
        2. 49.3.4.2 Configure the Channel Control Structure
          1. 49.3.4.2.1 Configure the Source and Destination
        3. 49.3.4.3 Configure and Enable the Peripheral Interrupt
        4. 49.3.4.4 Process Interrupts
      5. 49.3.5 Configuring Channel Assignments
    4. 49.4 Software
      1. 49.4.1 UDMA Examples
        1. 49.4.1.1 uDMA RAM to RAM transfer - CM
        2. 49.4.1.2 uDMA RAM to RAM transfer - CM
    5. 49.5 µDMA Registers
      1. 49.5.1 µDMA Base Addresses
      2. 49.5.2 UDMAREGS Registers
      3. 49.5.3 UDMACHDES Registers
  52. 50Revision History

Operational Highlights for the Dead-Band Submodule

The configuration options for the dead-band submodule are shown in Figure 26-35.

F2838x Configuration Options for the Dead-Band
                                                  Submodule Figure 26-35 Configuration Options for the Dead-Band Submodule

 

Although all combinations are supported, not all are typical usage modes. Table 26-9 documents some classical dead-band configurations. These modes assume that the DBCTL[IN_MODE] is configured such that EPWMxA In is the source for both falling-edge and rising-edge delay. Enhanced, or non-traditional modes can be achieved by changing the input signal source. The modes shown in Table 26-9 fall into the following categories:

  • Mode 1: Bypass both falling-edge delay (FED) and rising-edge delay (RED): Allows the user to fully disable the dead-band submodule from the PWM signal path.
  • Mode 2-5: Classical Dead-Band Polarity Settings: These represent typical polarity configurations that can address all the active-high and active-low modes required by available industry power switch gate drivers. The waveforms for these typical cases are shown in Figure 26-36. Note that to generate equivalent waveforms to Figure 26-36, configure the action-qualifier submodule to generate the signal as shown for EPWMxA.
  • Mode 6: Bypass rising-edge delay (RED) and Mode 7: Bypass falling-edge delay (FED): Finally the last two entries in Table 26-9 show combinations where either the falling-edge delay (FED) or rising-edge delay (RED) blocks are bypassed.

Figure 26-36 shows waveforms for typical cases where 0% < duty < 100%.

Table 26-9 Classical Dead-Band Operating Modes
Mode Mode Description DBCTL[POLSEL] DBCTL[OUT_MODE]
S3 S2 S1 S0
1 EPWMxA and EPWMxB Passed Through (No Delay) X X 0 0
2 Active High Complementary (AHC) 1 0 1 1
3 Active Low Complementary (ALC) 0 1 1 1
4 Active High (AH) 0 0 1 1
5 Active Low (AL) 1 1 1 1
6 EPWMxA Out = EPWMxA In (No Delay) 0 or 1 0 or 1 0 1
EPWMxB Out = EPWMxA In with Falling-Edge Delay
7 EPWMxA Out = EPWMxA In with Rising-Edge Delay 0 or 1 0 or 1 1 0
EPWMxB Out = EPWMxB In with No Delay

 

Table 26-10 Additional Dead-Band Operating Modes
Mode Description DBCTL[DEDB-MODE] DBCTL[OUTSWAP]
S8 S6 S7
EPWMxA and EPWMxB signals are as defined by OUT-MODE bits. 0 0 0
EPWMxA = A-path as defined by OUT-MODE bits. 0 0 1
EPWMxB = A-path as defined by OUT-MODE bits (rising-edge delay or delay-bypassed A-signal path)
EPWMxA = B-path as defined by OUT-MODE bits (falling-edge delay or delay-bypassed B-signal path) 0 1 0
EPWMxB = B-path as defined by OUT-MODE bits
EPWMxA = B-path as defined by OUT-MODE bits (falling-edge delay or delay-bypassed B-signal path) 0 1 1
EPWMxB = A-path as defined by OUT-MODE bits (rising-edge delay or delay-bypassed A-signal path)
Rising-edge delay applied to EPWMxA / EPWMxB as selected by S4 switch (IN-MODE bits) on A signal path only. 0 X X
Falling-edge delay applied to EPWMxA / EPWMxB as selected by S5 switch (IN-MODE bits) on B signal path only.
Rising-edge delay and falling-edge delay applied to source selected by S4 switch (IN-MODE bits) and output to B signal path only.(1) 1 X X
When this bit is set to 1, the user can always either set OUT_MODE bits such that Apath = InA or set OUTSWAP bits such that EPWMxA=Bpath. Otherwise, EPWMxA is invalid.
F2838x Dead-Band Waveforms for Typical Cases (0% <
                                                  Duty < 100%) Figure 26-36 Dead-Band Waveforms for Typical Cases (0% < Duty < 100%)

The dead-band submodule supports independent values for rising-edge (RED) and falling-edge (FED) delays. The amount of delay is programmed using the DBRED and DBFED registers. These are 10-bit registers and the value represents the number of TBCLK (time-base clock) pulses by which a signal edge is delayed. For example, the formula to calculate falling-edge-delay and rising-edge-delay is:

FED = DBFED × TTBCLK

RED = DBRED × TTBCLK

Where TTBCLK is the period of TBCLK, the prescaled version of EPWMCLK.

For convenience, delay values for various TBCLK options are shown in Table 26-11. The ePWM input clock frequency that these delay values been computed by is 100MHz.

Table 26-11 Dead-Band Delay Values in μs as a Function of DBFED and DBRED
Dead-Band Value Dead-Band Delay (μs)
DBFED, DBRED TBCLK = EPWMCLK/1 TBCLK = EPWMCLK /2 TBCLK = EPWMCLK/4
1 0.01 0.02 0.04
5 0.05 0.10 0.20
10 0.10 0.20 0.40
100 1.00 2.00 4.00
200 2.00 4.00 8.00
400 4.00 8.00 16.00
500 5.00 10.00 20.00
600 6.00 12.00 24.00
700 7.00 14.00 28.00
800 8.00 16.00 32.00
900 9.00 18.00 36.00
1000 10.00 20.00 40.00

When half-cycle clocking is enabled, the formula to calculate the falling-edge-delay and rising-edge-delay becomes:

FED = DBFED × TTBCLK/2

RED = DBRED × TTBCLK/2