SPRUII0F May 2019 – June 2024 TMS320F28384D , TMS320F28384D-Q1 , TMS320F28384S , TMS320F28384S-Q1 , TMS320F28386D , TMS320F28386D-Q1 , TMS320F28386S , TMS320F28386S-Q1 , TMS320F28388D , TMS320F28388S
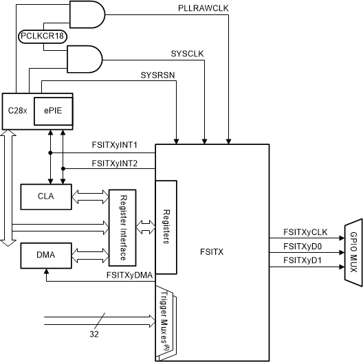
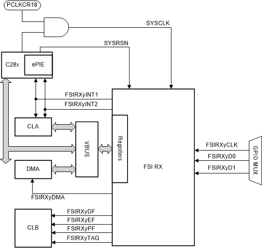
The following diagrams show the CPU interface of each FSI module.

Figure 32-2 FSI Receiver (FSIRX) CPU
Interface with CLB