ZHCU019AH May   2009  – March 2021

 

  1.   请先阅读
    1.     如何使用本手册
    2.     有关注意事项和警告的信息
    3.     德州仪器 (TI) 提供的相关文档
    4.     如果您需要协助
    5.     商标
  2. 1立即开始使用
    1. 1.1  套件内容,MSP-TS430xx
    2. 1.2  套件内容,MSP-FET430xx
    3. 1.3  套件内容,MSP-FET
    4. 1.4  套件内容,MSP-FET430UIF
    5. 1.5  套件内容,MSP-FET430PIF
    6. 1.6  套件内容,eZ430-F2013
    7. 1.7  套件内容,eZ430-T2012
    8. 1.8  套件内容,eZ430-RF2500
    9. 1.9  套件内容,eZ430-RF2500T
    10. 1.10 套件内容,eZ430-RF2500-SEH
    11. 1.11 套件内容,eZ430-Chronos-xxx
    12. 1.12 套件内容,FET430F6137RF900
    13. 1.13 套件内容,EM430Fx1x7RF900
    14. 1.14 硬件安装,MSP-FET 和 MSP-FET430UIF
    15. 1.15 硬件安装,MSP-TS430xxx、MSP-FET430Uxx、FET430F6137RF900、EM430Fx1x7RF900
    16. 1.16 硬件安装,eZ430-XXXX、MSP-EXP430G2、MSP-EXP430FR5739、MSP-EXP430F5529
    17. 1.17 网络上重要的 MSP430 文档
  3. 2在线编程的设计注意事项
    1. 2.1 用于系统内编程和调试的信号连接
    2. 2.2 外部电源
    3. 2.3 引导加载程序 (BSL)
  4.   A 常见问题解答和已知问题
    1.     A.1 硬件 FAQ
    2.     A.2 已知问题
      1.      MSP-FET430UIF
      2.      MSP-FET430PIF
  5.   B 硬件
    1.     B.1 MSP-TS430D8
    2.     B.2 MSP-TS430PW14
    3.     B.3 MSP-TS430L092
    4.     B.4 MSP-TS430L092 有源线缆
    5.     B.5 MSP-TS430PW20
    6.     B.6 MSP-TS430RHL20
    7.     B.7 MSP-TS430PW24
    8.     B.8 MSP-TS430RGE24A
    9.     B.9 MSP-TS430DW28
    10.     B.10 MSP-TS430PW28
    11.     B.11 MSP-TS430PW28A
    12.     B.12 MSP-TS430RHB32A
    13.     B.13 MSP-TS430DA38
    14.     B.14 MSP-TS430QFN23x0
    15.     B.15 MSP-TS430RSB40
    16.     B.16 MSP-TS430RHA40A
    17.     B.17 MSP-TS430DL48
    18.     B.18 MSP-TS430PT48
    19.     B.19 MSP-TS430PT48A
    20.     B.20 MSP-TS430RGZ48B
    21.     B.21 MSP-TS430RGZ48C
    22.     B.22 MSP-TS430PM64
    23.     B.23 MSP-TS430PM64A
    24.     B.24 MSP-TS430PM64D
    25.     B.25 MSP-TS430PM64F
    26.     B.26 MSP-TS430RGC64B
    27.     B.27 MSP-TS430RGC64C
    28.     B.28 MSP-TS430RGC64USB
    29.     B.29 MSP-TS430PN80
    30.     B.30 MSP-TS430PN80A
    31.     B.31 MSP-TS430PN80B
    32.     B.32 MSP-TS430PN80C
    33.     B.33 MSP-TS430PN80USB
    34.     B.34 MSP-TS430PZ100
    35.     B.35 MSP-TS430PZ100A
    36.     B.36 MSP-TS430PZ100B
    37.     B.37 MSP-TS430PZ100C
    38.     B.38 MSP-TS430PZ100D
    39.     B.39 MSP-TS430PZ100E
    40.     B.40 MSP-TS430PZ5x100
    41.     B.41 MSP-TS430PZ100USB
    42.     B.42 MSP-TS430PZ100AUSB
    43.     B.43 MSP-TS430PEU128
    44.     B.44 EM430F5137RF900
    45.     B.45 EM430F6137RF900
    46.     B.46 EM430F6147RF900
  6.   C 硬件安装指南
  7.   D 修订历史记录

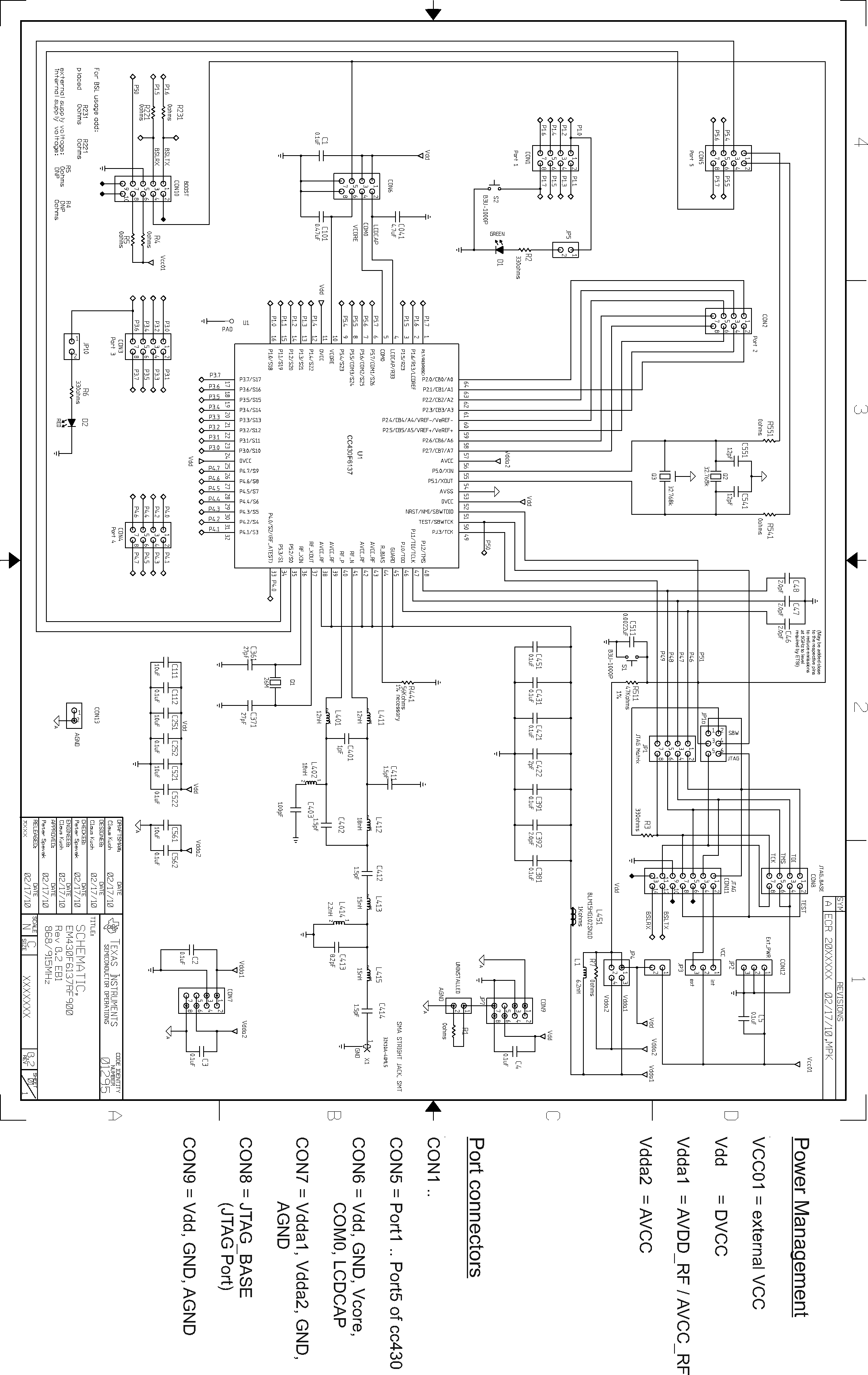
EM430F6137RF900

GUID-FDDEF544-0D0B-4BA3-9AC0-AFA28DE5296D-low.png图 4-90 EM430F6137RF900 目标板,原理图
GUID-085110B6-2995-422C-861C-DE7502DA2EEA-low.gif图 4-91 EM430F6137RF900 目标板,PCB

包含在 EM430F6137RF900 套件内的电池组可被接至 CON12。 按照电池仓被标明的极性,请确保电池正确插入。

表 4-46 EM430F6137RF900 物料清单
位置参考设计每块板上的数量说明部件型号制造商
1Q11(用户供给)晶振,SMT,4P,26MHzASX-531(CS)安圣电子科技股份有限公司 (AKER ELECTRONIC)
2C1-C5,C112,C252,C381,C391,C421,C431,C451,C522,C56214电容器,SMT,0402,CER,16V,10%,0.1uF0402YC104KAT2AAVX
3C1011电容器,SMT,0603,陶瓷电容器,0.47uF,16V,10%,X5R0603YD474KAT2AAVX
4R5111RES0402,47.0KCRCW04024702F100DALE
5CON111插头,THU,排针,14P,2X7,25.4 x 9.2 x 9.45mm,90deg09 18 514 6323HARTING
7D11LED,SMT,0603,绿光,2.1VAPT1608MGCKINGBRIGHT
8 个D21LED,SMT,0603,红光,2.0VAPT1608ECKINGBRIGHT
10CON121插头,THU,排针,3P,1x3,9.9 x 4.9 x 5.9mm22-03-5035MOLEX
11C361,C371250V,±5%,27pFGRM36COG270J50MURATA
12L4511铁氧体,SMT,0402,1.0kΩ,250mABLM15HG102SN1DMURATA
13C4031电容器,SMT,0402,陶瓷电容器,100pF,50V,±0.25pF,C0G(NP0)GRM1555C1H101JZ01MURATA
14L4141电感器,SMT,0402,2.2nH,±0.2nH,1000mA,250MHzLQW15AN2N2C10MURATA
15L413,L4152电感器,SMT,0402,15nH,±5%,460mA,250MHzLQW15AN15NJ00MURATA
16L402,L4122电感器,SMT,0402,18nH,±5%,370mA,250MHzLQW15AN18NJ00MURATA
17C4011电容器,SMT,0402,陶瓷电容器,1pF,50V,±0.25pF,NP0GJM1555C1H1R0CB01DMURATA
18C4131电容器,SMT,0402,陶瓷电容器,8.2pF,50V,±0.25pF,C0G(NP0)GRM1555C1H8R2CZ01MURATA
19C402,C411-C412,C4144电容器,SMT,0402,陶瓷电容器,1.5pF,50V,±0.25pF,C0G(NP0)GRM1555C1H1R5CZ01MURATA
20L401,L4112电感器,SMT,0402,12nH,±5%,500mA,250MHzLQW15AN12NJ00MURATA
21C46-C48,C392,C4225电容器,SMT,0402,陶瓷电容器,2.0pF,50V,±0.25pF,C0G(NP0)GRM1555C1H2R0CZ01Murata
22L11电感器,SMT,0402,6.2nH,±0.1nH,700mA,250MHzLQW15AN6N2D00Murata
23S1-S22超小型触摸式开关, SMT,2P,SPST-NO,1.2x3x2.5mm,0.05A,12VB3U-1000POMRON
24R71电阻器/跳线,SMT,0402,0Ω,5%,1/16WERJ-2GE0R00X (UN)PANASONIC
25R2-R3,R63电阻器,SMT,0402,厚膜式,5%,1/16W,330ERJ-2GEJ331PANASONIC
27C5111电容器,SMT,0402,CER,2200pF,50V,10%,X7RECJ-0EB1H222KPANASONIC
28C111,C251,C521,C5614电容器,SMT,0603,陶瓷电容器,10uF,6.3V,20%,X5RECJ-1VB0J106MPANASONIC
28aC0411陶瓷电容器 4.7UF 6.3V X5R 0603ECJ-1VB0J475MPANASONIC
29R4411电阻器,SMT,厚膜式,56K,1/16W,1%ERJ-2RKF5602PANASONIC
30R11电阻器/跳线,SMT,0402,0Ω,5%,1/16WERJ-2GE0R00XPANASONIC
31X11SMA 直式母头插座,SMT32K10A-40ML5ROSENBERGER
33U11DUT,SMT,PQFP,RGZ-64,0.5mmLS,9.15x9.15x1mm,THRM.PADCC430F6137TI
34JP11插头连接器 2x4 引脚61300821121WUERTH
35JP21插头连接器 1x3 引脚61300311121WUERTH
36aJP3,JP5,JP103插头连接器 1x2 引脚61300211121WUERTH
38JP1a1插头连接器 2x3 引脚61300621121WUERTH