ZHCU019AH May 2009 – March 2021

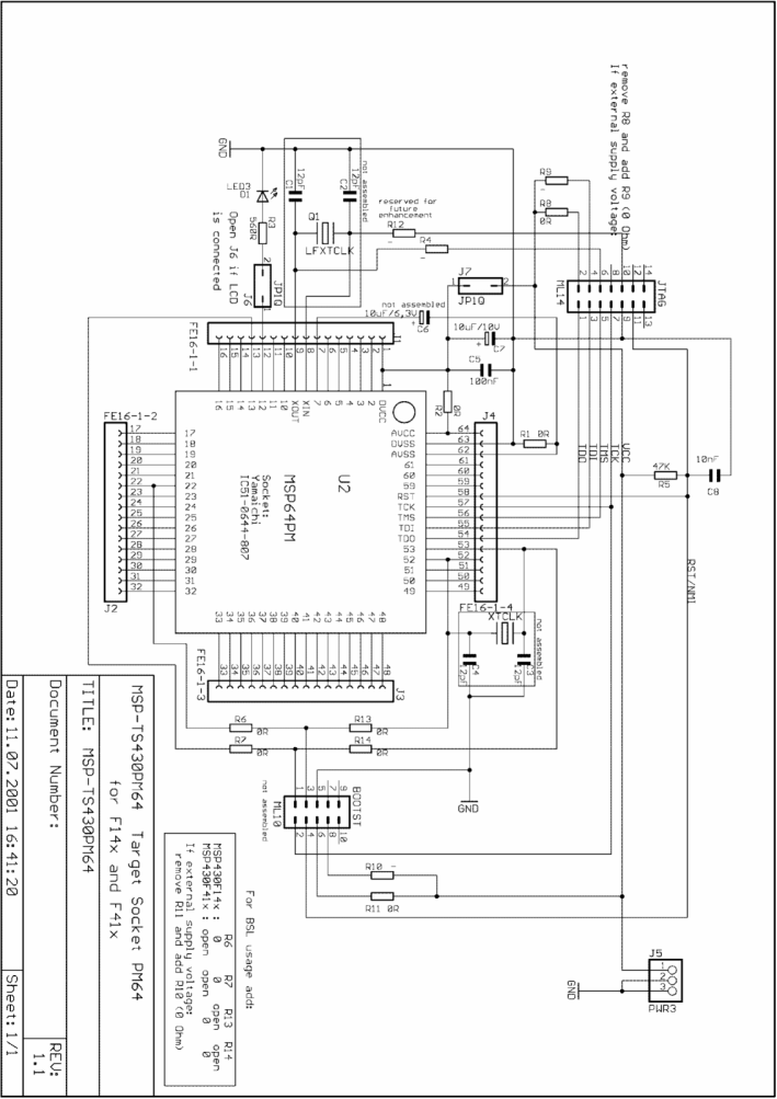
图 4-45 MSP-TS430PM64 目标插座模块,PCB| 位置 | 参考设计 | 每块板上的数量 | 说明 | Digi-Key 器件型号 | 备注 |
|---|---|---|---|---|---|
| 1 | C1,C2 | 0 | 12pF,SMD0805 | DNP | |
| 1.1 | C3,C4 | 0 | 47pF,SMD0805 | DNP:仅为建议。检查您的晶体规格。 | |
| 2 | C6,C7 | 1 | 10uF,10V,Tantal 尺寸 B | 511-1463-2-ND | DNP:C6 |
| 3 | C5 | 1 | 100nF,SMD0805 | 478-3351-2-ND | |
| 4 | C8 | 1 | 100nF,SMD0805 | 478-1383-2-ND | |
| 5 | C9 | 1 | 470nF,SMD0805 | 478-1403-2-ND | |
| 6 | D1 | 1 | 绿光 LED,SMD0805 | P516TR-ND | |
| 7 | J1,J2,J3,J4 | 0 | 16 引脚排针,TH | DNP:套件随附接头和插座。保持通孔内无焊料。 | |
| SAM1029-16-ND | :接头 | ||||
| SAM1213-16-ND | :插座 | ||||
| 8 | J5 | 1 | 3 引脚排针,插头,TH | SAM1035-03-ND | |
| 9 | J6,J7 | 2 | 2 引脚排针,插头,TH | SAM1035-02-ND | 将跳线放置在插头上 |
| 11 | 2 | 跳线 | 15-38-1024-ND | 放置于:J6、J7 | |
| 12 | JTAG | 1 | 14 引脚连接器,插头,TH | HRP14H-ND | |
| 13 | BOOTST | 0 | 10 引脚连接器,插头,TH | DNP:保持通孔内无焊料 | |
| 14 | Q1,Q2 | 0 | 晶体 | 问题 1:Micro Crystal MS1V-T1K 32.768kHz,C(负载)= 12.5pF | DNP:保持通孔内无焊料 |
| 15 | R3 | 1 | 330Ω,SMD0805 | 541-330ATR-ND | |
| 16 | R1,R2,R4,R6,R7,R8,R9,R10,R11,R12,R13,R14 | 3 | 0Ω,SMD0805 | 541-000ATR-ND | DNP:R4、R6、R7、R9、R10、R11、R12、R13、R14 |
| 17 | R5 | 1 | 47kΩ,SMD0805 | 541-47000ATR-ND | |
| 18 | U1 | 1 | Socket:IC51-0644-807 | 制造商:Yamaichi | |
| 19 | PCB | 1 | 78 x 75 mm | 2 层 | |
| 20 | 橡胶支架 | 4 | 选择合适的器件 | 应用于底部角落 | |
| 21 | MSP430 | 22 | MSP430F2619IPM MSP430F417IPM | DNP:由 TI 提供的套件随附 |