ZHCU019AH May   2009  – March 2021

 

  1.   请先阅读
    1.     如何使用本手册
    2.     有关注意事项和警告的信息
    3.     德州仪器 (TI) 提供的相关文档
    4.     如果您需要协助
    5.     商标
  2. 1立即开始使用
    1. 1.1  套件内容,MSP-TS430xx
    2. 1.2  套件内容,MSP-FET430xx
    3. 1.3  套件内容,MSP-FET
    4. 1.4  套件内容,MSP-FET430UIF
    5. 1.5  套件内容,MSP-FET430PIF
    6. 1.6  套件内容,eZ430-F2013
    7. 1.7  套件内容,eZ430-T2012
    8. 1.8  套件内容,eZ430-RF2500
    9. 1.9  套件内容,eZ430-RF2500T
    10. 1.10 套件内容,eZ430-RF2500-SEH
    11. 1.11 套件内容,eZ430-Chronos-xxx
    12. 1.12 套件内容,FET430F6137RF900
    13. 1.13 套件内容,EM430Fx1x7RF900
    14. 1.14 硬件安装,MSP-FET 和 MSP-FET430UIF
    15. 1.15 硬件安装,MSP-TS430xxx、MSP-FET430Uxx、FET430F6137RF900、EM430Fx1x7RF900
    16. 1.16 硬件安装,eZ430-XXXX、MSP-EXP430G2、MSP-EXP430FR5739、MSP-EXP430F5529
    17. 1.17 网络上重要的 MSP430 文档
  3. 2在线编程的设计注意事项
    1. 2.1 用于系统内编程和调试的信号连接
    2. 2.2 外部电源
    3. 2.3 引导加载程序 (BSL)
  4.   A 常见问题解答和已知问题
    1.     A.1 硬件 FAQ
    2.     A.2 已知问题
      1.      MSP-FET430UIF
      2.      MSP-FET430PIF
  5.   B 硬件
    1.     B.1 MSP-TS430D8
    2.     B.2 MSP-TS430PW14
    3.     B.3 MSP-TS430L092
    4.     B.4 MSP-TS430L092 有源线缆
    5.     B.5 MSP-TS430PW20
    6.     B.6 MSP-TS430RHL20
    7.     B.7 MSP-TS430PW24
    8.     B.8 MSP-TS430RGE24A
    9.     B.9 MSP-TS430DW28
    10.     B.10 MSP-TS430PW28
    11.     B.11 MSP-TS430PW28A
    12.     B.12 MSP-TS430RHB32A
    13.     B.13 MSP-TS430DA38
    14.     B.14 MSP-TS430QFN23x0
    15.     B.15 MSP-TS430RSB40
    16.     B.16 MSP-TS430RHA40A
    17.     B.17 MSP-TS430DL48
    18.     B.18 MSP-TS430PT48
    19.     B.19 MSP-TS430PT48A
    20.     B.20 MSP-TS430RGZ48B
    21.     B.21 MSP-TS430RGZ48C
    22.     B.22 MSP-TS430PM64
    23.     B.23 MSP-TS430PM64A
    24.     B.24 MSP-TS430PM64D
    25.     B.25 MSP-TS430PM64F
    26.     B.26 MSP-TS430RGC64B
    27.     B.27 MSP-TS430RGC64C
    28.     B.28 MSP-TS430RGC64USB
    29.     B.29 MSP-TS430PN80
    30.     B.30 MSP-TS430PN80A
    31.     B.31 MSP-TS430PN80B
    32.     B.32 MSP-TS430PN80C
    33.     B.33 MSP-TS430PN80USB
    34.     B.34 MSP-TS430PZ100
    35.     B.35 MSP-TS430PZ100A
    36.     B.36 MSP-TS430PZ100B
    37.     B.37 MSP-TS430PZ100C
    38.     B.38 MSP-TS430PZ100D
    39.     B.39 MSP-TS430PZ100E
    40.     B.40 MSP-TS430PZ5x100
    41.     B.41 MSP-TS430PZ100USB
    42.     B.42 MSP-TS430PZ100AUSB
    43.     B.43 MSP-TS430PEU128
    44.     B.44 EM430F5137RF900
    45.     B.45 EM430F6137RF900
    46.     B.46 EM430F6147RF900
  6.   C 硬件安装指南
  7.   D 修订历史记录

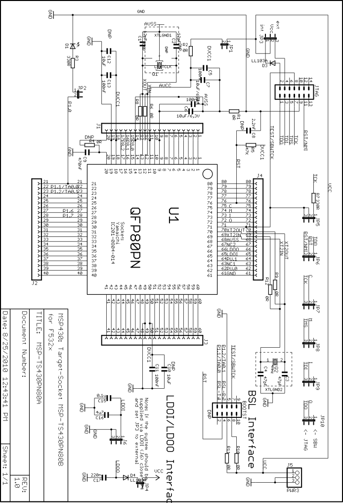
MSP-TS430PN80A

GUID-84EB54BF-C263-4A56-BC57-F9C75F9DB89C-low.gif图 4-60 MSP-TS430PN80A 目标插座模块、电路原理图
GUID-04052617-2316-4A9B-9EC5-3D932F72B575-low.gif图 4-61 MSP-TS430PN80A 目标插座模块,PCB
注:

对于引导加载程序使用,必须填充 BSL 连接器和电阻器 R10 或 R11 之一。如果电路板由内部供电,则必须组装 R11 (0Ω)。如果电路板由外部供电,则必须组装 R10 (0Ω) 并移除 R11。

表 4-31 MSP-TS430PN80A 物料清单
位置参考设计每块板上的数量说明Digi-Key 器件型号备注
1C1,C2012pF,SMD0805DNP
2C3,C4047pF,SMD0805DNP
3C6,C7,C10,C12310uF,6.3V,SMD0805DNP C10
4C5,C11,C13,C14,C155100nF,SMD0805311-1245-2-ND
5C812.2nF,SMD0805
6C91470nF,SMD0805478-1403-2-ND
7C1614.7nF,SMD0805
8C171220nF,SMD0805
9D11绿光 LED,SMD0805P516TR-ND
10J1,J2,J3,J4020 引脚插头,THSAM1029-20-ND (插头) SAM1213-20-ND (插座)DNP:套件随附接头和插座。保持通孔内无焊料:
11J5,J623 引脚排针,插头,TH
12JP3,JP5,JP6,JP7,JP8,JP9,JP1073 引脚排针,插头,THSAM1035-03-ND将跳线放置在 JP5,JP6,JP7,JP8,JP9,JP10 的引脚 2-3 上 将跳线放置在 JP3 的引脚 1-2 上,
13JP1,JP2,JP432 引脚排针,插头,THSAM1035-02-ND将跳线放置在插头上
1410跳线15-38-1024-ND请参阅位置 12 和位置 13
15JTAG114 引脚连接器,插头,THHRP14H-ND
16BOOTST010 引脚连接器,插头,TH“DNP 保持通孔内无焊料”
17Q10晶体Micro Crystal MS3V-T1R 32.768kHz,C(负载)= 12.5pFDNP:Q1 保持通孔内无焊料
18Q20晶体Q2:4MHz Buerklin:78D134DNP:Q2 保持通孔内无焊料
19到 Q2 的绝缘盘0到 Q2 的绝缘盘http://www.ettinger.de/Art_Detail.cfm?ART_ARTNUM=70.08.121
20D3,D42LL103ABuerklin:24S3406
21R3,R72330Ω,SMD0805541-330ATR-ND
22R1,R2,R4,R6,R8,R9,R10,R11,R1230 欧姆,SMD0805541-000ATR-NDDNP:R6、R8、R9、R10、R11、R12
23R5147kΩ,SMD0805541-47000ATR-ND
24U11插座:IC201-0804-014制造商:Yamaichi
25PCB177 x 91 mm2 层
26粘性塑料底角4大约 6mm 宽,2mm 高例如,3M Bumpons 器件型号 SJ-5302应用于底部角落
27MSP4302MSP430F5329IPNDNP:随附套件,由 TI 提供