ZHCSXN5A December   2024  – July 2025 AM2752-Q1 , AM2754-Q1

PRODUCTION DATA  

  1.   1
  2. 特性
  3. 应用
  4. 说明
    1. 3.1 功能方框图
  5. 器件比较
    1. 4.1 相关产品
  6. 端子配置和功能
    1. 5.1 引脚图
      1. 5.1.1 ANJ 引脚图
    2. 5.2 引脚属性
      1.      12
      2.      13
    3. 5.3 信号说明
      1.      15
      2. 5.3.1  ADC
        1.       17
      3. 5.3.2  音频时钟基准
        1.       19
      4. 5.3.3  CPSW
        1.       21
        2.       22
        3.       23
        4.       24
        5.       25
      5. 5.3.4  CPTS
        1.       27
      6. 5.3.5  ECAP
        1.       29
        2.       30
        3.       31
        4.       32
        5.       33
        6.       34
      7. 5.3.6  仿真和调试
        1.       36
        2.       37
      8. 5.3.7  EPWM
        1.       39
        2.       40
        3.       41
        4.       42
      9. 5.3.8  GPIO
        1.       44
        2.       45
        3.       46
      10. 5.3.9  HYPERBUS
        1.       48
      11. 5.3.10 I2C
        1.       50
        2.       51
        3.       52
        4.       53
        5.       54
        6.       55
        7.       56
        8.       57
      12. 5.3.11 MCAN
        1.       59
        2.       60
        3.       61
        4.       62
        5.       63
      13. 5.3.12 MCASP
        1.       65
        2.       66
        3.       67
        4.       68
        5.       69
      14. 5.3.13 MLB
        1.       71
      15. 5.3.14 MMC
        1.       73
      16. 5.3.15 OSPI
        1.       75
        2.       76
      17. 5.3.16 电源
        1.       78
      18. 5.3.17 保留和无连接
        1.       80
      19. 5.3.18 系统和其他
        1.       82
        2.       83
        3.       84
        4.       85
      20. 5.3.19 SPI
        1.       87
        2.       88
        3.       89
        4.       90
        5.       91
      21. 5.3.20 计时器
        1.       93
        2.       94
      22. 5.3.21 UART
        1.       96
        2.       97
        3.       98
        4.       99
        5.       100
        6.       101
        7.       102
        8.       103
      23. 5.3.22 USB
        1.       105
    4. 5.4 引脚连接要求
  7. 规格
    1. 6.1  绝对最大额定值
    2. 6.2  用于 AEC-Q100 器件的静电放电 (ESD)
    3. 6.3  用于非 AEC - Q100 器件的静电放电 (ESD)
    4. 6.4  上电小时数 (POH) 摘要
    5. 6.5  汽车温度曲线
    6. 6.6  建议运行条件
    7. 6.7  运行性能点
    8. 6.8  功耗摘要
    9. 6.9  电气特性
      1. 6.9.1 I2C 开漏和失效防护 (I2C OD FS) 电气特性
      2. 6.9.2 失效防护复位(FS 复位)电气特性
      3. 6.9.3 高频振荡器(MCU_OSC0 和 OSC1)电气特性
      4. 6.9.4 低频振荡器 (WKUP_LFOSC0) 电气特性
      5. 6.9.5 SDIO 电气特性
      6. 6.9.6 模数转换器 (ADC)
      7. 6.9.7 LVCMOS 电气特性
      8. 6.9.8 USB2PHY 电气特性
    10. 6.10 一次性可编程 (OTP) 电子保险丝的 VPP 规格
      1. 6.10.1 VPP 规格
      2. 6.10.2 硬件要求
      3. 6.10.3 编程序列
      4. 6.10.4 对硬件保修的影响
    11. 6.11 热阻特性
      1. 6.11.1 封装热特性
    12. 6.12 时序和开关特性
      1. 6.12.1 时序参数和信息
      2. 6.12.2 电源要求
        1. 6.12.2.1 电源压摆率要求
        2. 6.12.2.2 电源时序
          1. 6.12.2.2.1 无 IO 保持的上电时序
          2. 6.12.2.2.2 具有 IO 保持的上电时序
          3. 6.12.2.2.3 上电时序 - IO 保持唤醒
          4. 6.12.2.2.4 下电时序
      3. 6.12.3 系统时序
        1. 6.12.3.1 复位时序
          1.        复位时序条件
          2.        MCU_PORz 时序要求
          3.        145
          4.        RESETSTATz 开关特性
          5.        MCU_RESETz 时序要求
          6.        RESETSTATz 开关特性
          7.        EMUx 时序要求
          8.        150
          9.        BOOTMODE 时序要求
        2. 6.12.3.2 错误信号时序
          1.        错误信号时序条件
          2.        MCU_ERRORn 开关特性
          3. 6.12.3.2.1 155
        3. 6.12.3.3 时钟时序
          1.        时钟时序条件
          2.        时钟时序要求
          3. 6.12.3.3.1 159
          4.        时钟开关特性
          5. 6.12.3.3.2 161
      4. 6.12.4 时钟规格
        1. 6.12.4.1 输入时钟/振荡器
          1. 6.12.4.1.1 MCU_OSC0 和 OSC1 内部振荡器时钟源
            1. 6.12.4.1.1.1 HFOSC(MCU_OSC0 和 OSC1)晶体电路要求
            2. 6.12.4.1.1.2 HFOSC(MCU_OSC0 和 OSC1)开关特性 - 晶体模式
            3. 6.12.4.1.1.3 负载电容
            4. 6.12.4.1.1.4 并联电容
          2. 6.12.4.1.2 MCU_OSC0 和 OSC1 LVCMOS 数字时钟源
          3. 6.12.4.1.3 WKUP_LFOSC0 内部振荡器时钟源
            1. 6.12.4.1.3.1 LFOSC (WKUP_LFOSC0) 晶体电路要求
            2. 6.12.4.1.3.2 LFOSC (WKUP_LFOSC0) 开关特性 - 晶体模式
          4. 6.12.4.1.4 WKUP_LFOSC0 LVCMOS 数字时钟源
          5. 6.12.4.1.5 未使用 WKUP_LFOSC0
        2. 6.12.4.2 时钟和控制信号转换的建议系统预防措施
      5. 6.12.5 外设
        1. 6.12.5.1  ATL
          1.        ATL 时序条件
          2.        ‌ATL_AWS[x] 时序要求
          3.        ‌ATL_BWS[x] 时序要求
          4.        ATL_PCLK 时序要求
          5.        ‌ATCLK[x] 开关特性
        2. 6.12.5.2  CPSW3G
          1. 6.12.5.2.1 CPSW3G MDIO 时序
            1.         CPSW3G MDIO 时序条件
            2.         CPSW3G MDIO 时序要求
            3.         CPSW3G MDIO 开关特性
            4.         188
          2. 6.12.5.2.2 CPSW3G RMII 时序
            1.         CPSW3G RMII 时序条件
            2.         CPSW3G RMII[x]_REFCLK 时序要求 - RMII 模式
            3.         192
            4.         CPSW3G RMII[x]_RXD[1:0]、RMII[x]_CRS_DV 和 RMII[x]_RXER 时序要求 - RMII 模式
            5.         194
            6.         CPSW3G RMII[x]_TXD[1:0] 和 RMII[x]_TXEN 开关特性 - RMII 模式
            7.         196
          3. 6.12.5.2.3 CPSW3G RGMII 时序
            1.         CPSW3G RGMII 时序条件
            2.         CPSW3G RGMII[x]_RCLK 时序要求 – RGMII 模式
            3.         CPSW3G RGMII[x]_RD[3:0] 和 RGMII[x]_RCTL 时序要求 - RGMII 模式
            4.         201
            5.         CPSW3G RGMII[x]_TCLK 开关特性 - RGMII 模式
            6.         CPSW3G RGMII[x]_TD[3:0] 和 RGMII[x]_TCTL 开关特性 - RGMII 模式
            7.         204
        3. 6.12.5.3  ECAP
          1.        ECAP 时序条件
          2.        ECAP 时序要求
          3.        208
          4.        ECAP 开关特性
          5.        210
        4. 6.12.5.4  仿真和调试
          1. 6.12.5.4.1 迹线
            1.         布线时序条件
            2.         布线开关特性
            3.         215
          2. 6.12.5.4.2 JTAG
            1.         JTAG 时序条件
            2.         JTAG 时序要求
            3.         JTAG 开关特性
            4.         220
        5. 6.12.5.5  EPWM
          1.        EPWM 时序条件
          2.        EPWM 时序要求
          3.        224
          4.        EPWM 开关特性
          5.        226
        6. 6.12.5.6  GPIO
          1.        GPIO 时序条件
          2.        GPIO 时序要求
          3.        GPIO 开关特性
        7. 6.12.5.7  HyperBus
          1.        HyperBus 时序条件
          2.        HyperBus 时序要求
          3.        HyperBus 166MHz 开关特性
          4.        HyperBus 100MHz 开关特性
        8. 6.12.5.8  I2C
        9. 6.12.5.9  MCAN
          1.        MCAN 时序条件
          2.        MCAN 开关特性
        10. 6.12.5.10 MCASP
          1.        MCASP 时序条件
          2.        MCASP 时序要求
          3.        243
          4.        MCASP 开关特性
          5.        245
        11. 6.12.5.11 MCSPI
          1.        MCSPI 时序条件
          2.        MCSPI 时序要求 — 控制器模式
          3.        249
          4.        MCSPI 开关特性 - 控制器模式
          5.        251
          6.        MCSPI 时序要求 - 外设模式
          7.        253
          8.        MCSPI 开关特性 - 外设模式
          9.        255
        12. 6.12.5.12 MLB
          1.        MLB 时序条件
          2.        MLBCLK 的 MLB 时序要求 - 3 引脚
          3.        接收数据的 MLB 时序要求 - 3 引脚
          4.        MLB 开关特性 - 3 引脚
          5.        MLBCLK 的 MLB 时序要求 - 6 引脚
          6.        接收数据的 MLB 时序要求 - 6 引脚
          7.        MLB 开关特性 - 6 引脚
        13. 6.12.5.13 MMCSD
          1. 6.12.5.13.1 MMC0 - eMMC/SDIO 接口
            1.         MMC 时序条件
            2.         MMC 时序要求 - 3.3V 旧 SDR 模式
            3.         268
            4.         MMC 开关特性 - 3.3V 旧 SDR 模式
            5.         270
            6.         MMC 时序要求 - 3.3V 高速 SDR 模式
            7.         272
            8.         MMC 开关特性 - 3.3V 高速 SDR 模式
            9.         274
            10.         MMC 时序要求 - 1.8V 旧 SDR,UHS-I SDR12 模式
            11.         276
            12.         MMC 开关特性 - 1.8V 旧 SDR,UHS-I SDR12 模式
            13.         278
            14.         MMC 时序要求 - 1.8V 高速 SDR,UHS-I SDR25 模式
            15.         280
            16.         MMC 开关特性 - 1.8V 高速 SDR,UHS-I SDR25 模式
            17.         282
            18.         MMC 开关特性 - UHS-I SDR50 模式
            19.         284
            20.         MMC 开关特性 - UHS-I DDR50 模式
            21.         286
            22.         MMC 开关特性 - HS200 模式
            23.         288
        14. 6.12.5.14 OSPI
          1.        OSPI 时序条件
          2. 6.12.5.14.1 OSPI0 PHY 模式
            1. 6.12.5.14.1.1 具有 PHY 数据训练的 OSPI0
              1.          用于 PHY 数据训练的 OSPI DLL 延迟映射
              2.          OSPI 时序要求 – PHY 数据训练
              3.          295
              4.          OSPI 开关特性 - PHY 数据训练
              5.          297
            2. 6.12.5.14.1.2 无数据训练的 OSPI0
              1. 6.12.5.14.1.2.1 OSPI0 PHY SDR 时序
                1.           PHY SDR 时序模式的 OSPI DLL 延迟映射
                2.           OSPI 时序要求 - PHY SDR 模式
                3.           302
                4.           OSPI 开关特性 – PHY SDR 模式
                5.           304
          3. 6.12.5.14.2 OSPI0 Tap 模式
            1. 6.12.5.14.2.1 OSPI0 Tap SDR 时序
              1.          OSPI 时序要求 – Tap SDR 模式
              2.          308
              3.          (OSPI 开关特性 – Tap SDR 模式)
              4.          310
            2. 6.12.5.14.2.2 OSPI0 Tap DDR 时序
              1.          OSPI 时序要求 – Tap DDR 模式
              2.          313
              3.          (OSPI 开关特性 – Tap DDR 模式)
              4.          315
        15. 6.12.5.15 计时器
          1.        计时器时序条件
          2.        计时器时序要求
          3.        计时器开关特性
          4.        320
        16. 6.12.5.16 UART
          1.        UART 时序条件
          2.        UART 时序要求
          3.        UART 开关特性
          4.        325
        17. 6.12.5.17 USB
  8. 详细说明
    1. 7.1 概述
    2. 7.2 功能方框图
    3. 7.3 处理器子系统
      1. 7.3.1 Arm Cortex-R5F 子系统
      2. 7.3.2 器件/电源管理器
  9. 应用、实施和布局
    1. 8.1 器件连接和布局基本准则
      1. 8.1.1 电源
      2. 8.1.2 外部振荡器
      3. 8.1.3 JTAG、仿真和跟踪
      4. 8.1.4 未使用的引脚
    2. 8.2 外设和接口的相关设计信息
      1. 8.2.1 OSPI/QSPI/SPI 电路板设计和布局指南
        1. 8.2.1.1 无环回、内部 PHY 环回和内部焊盘环回
        2. 8.2.1.2 外部电路板环回
        3. 8.2.1.3 DQS(仅适用于八路 SPI 器件)
      2. 8.2.2 USB VBUS 设计指南
      3. 8.2.3 系统电源监测设计指南
      4. 8.2.4 高速差分信号布线指南
      5. 8.2.5 散热解决方案指导
    3. 8.3 时钟布线指南
      1. 8.3.1 振荡器路由
  10. 器件和文档支持
    1. 9.1 器件命名规则
      1. 9.1.1 标准封装编号法
      2. 9.1.2 器件命名约定
    2. 9.2 工具与软件
    3. 9.3 文档支持
    4. 9.4 支持资源
    5. 9.5 商标
    6. 9.6 静电放电警告
    7. 9.7 术语表
  11. 10修订历史记录
  12. 11机械、封装和可订购信息
    1. 11.1 封装信息

封装选项

请参考 PDF 数据表获取器件具体的封装图。

机械数据 (封装 | 引脚)
  • ANJ|361
散热焊盘机械数据 (封装 | 引脚)
订购信息
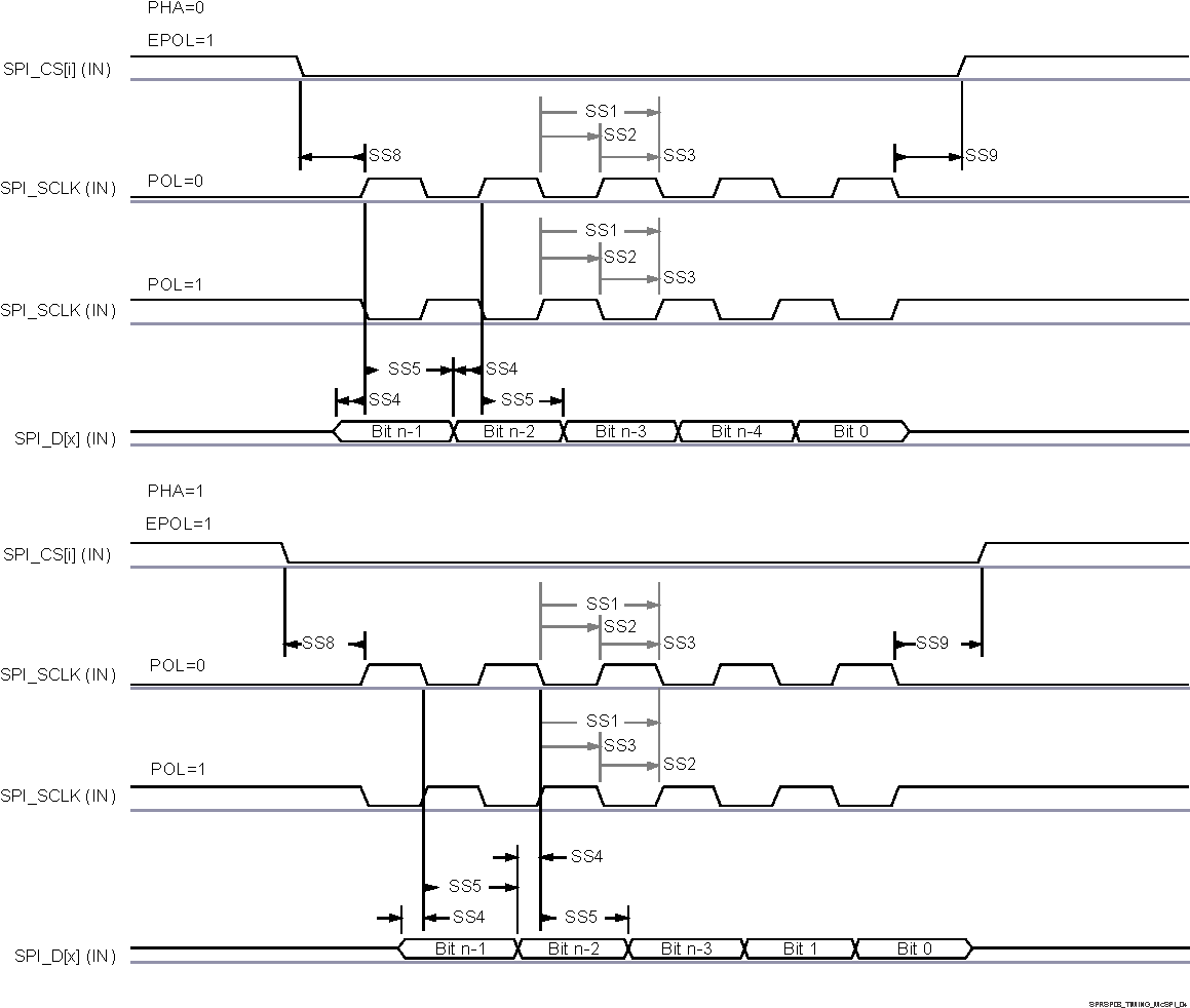
AM2754 AM2754-Q1 AM2752 AM2752-Q1 SPI 外设模式接收时序图 6-41 SPI 外设模式接收时序