ZHCU108B June   2015  – March 2025

 

  1.   1
  2.   说明
  3.   资源
  4.   特性
  5.   应用
  6.   6
  7. 系统说明
    1. 1.1 设计概述
    2. 1.2 模拟正弦/余弦增量编码器
      1. 1.2.1 正弦/余弦编码器输出信号
      2. 1.2.2 正弦/余弦编码器电气参数示例
    3. 1.3 通过正弦/余弦编码器计算高分辨率位置的方法
      1. 1.3.1 理论方法
        1. 1.3.1.1 概述
        2. 1.3.1.2 粗略分辨率角度计算
        3. 1.3.1.3 精确分辨率角度计算
        4. 1.3.1.4 插值高分辨率角度计算
        5. 1.3.1.5 非理想同步条件下的实际实施情况
        6. 1.3.1.6 分辨率、精度和速度注意事项
    4. 1.4 正弦/余弦编码器参数对模拟电路规范的影响
      1. 1.4.1 相位插值的模拟信号链设计注意事项
      2. 1.4.2 增量计数的比较器功能系统设计
  8. 设计特性
    1. 2.1 正弦/余弦编码器接口
    2. 2.2 主机处理器接口
    3. 2.3 评估固件
    4. 2.4 电源管理
    5. 2.5 EMC 抗扰度
  9. 方框图
  10. 电路设计和元件选型
    1. 4.1 模拟信号链
      1. 4.1.1 带有 16 位双路采样 ADC 的高分辨率信号路径
        1. 4.1.1.1 元件选型
        2. 4.1.1.2 输入信号端接与保护
        3. 4.1.1.3 差分放大器 THS4531A 和 16 位 ADC ADS8354
      2. 4.1.2 面向嵌入式 ADC 的 MCU 的单端输出模拟信号路径
      3. 4.1.3 数字信号 A、B 和 R 的比较器子系统
        1. 4.1.3.1 具有迟滞功能的同相比较器
    2. 4.2 电源管理
      1. 4.2.1 24V 输入转换为 6V 中间电压轨
      2. 4.2.2 编码器电源
      3. 4.2.3 信号链电源 5V 和 3.3V
    3. 4.3 主机处理器接口
      1. 4.3.1 信号描述
      2. 4.3.2 采用具有串行输出的 16 位双路 ADC ADS8354 的高分辨率路径
        1. 4.3.2.1 ADS8354 输入满标量程输出数据格式
        2. 4.3.2.2 ADS8354 串行接口
        3. 4.3.2.3 ADS8354 转换数据读取
        4. 4.3.2.4 ADS8354 寄存器配置
    4. 4.4 编码器连接器
    5. 4.5 设计升级
  11. 软件设计
    1. 5.1 概述
    2. 5.2 C2000 Piccolo 固件
    3. 5.3 用户界面
  12. 入门
    1. 6.1 TIDA-00176 PCB 概览
    2. 6.2 连接器和跳线设置
      1. 6.2.1 连接器和跳线概述
      2. 6.2.2 默认跳线配置
    3. 6.3 设计评估
      1. 6.3.1 先决条件
      2. 6.3.2 硬件设置
      3. 6.3.3 软件设置
      4. 6.3.4 用户界面
  13. 测试结果
    1. 7.1 模拟性能测试
      1. 7.1.1 高分辨率信号路径
        1. 7.1.1.1 编码器连接器至 ADS8354 输入端的模拟路径波德图
        2. 7.1.1.2 整个高分辨率信号路径的性能曲线图 (DFT)
        3. 7.1.1.3 ADC 交流性能定义的背景信息
      2. 7.1.2 差分转单端模拟信号路径
      3. 7.1.3 带数字输出信号 ATTL、BTTL 和 RTTL 的比较器子系统
    2. 7.2 电源测试
      1. 7.2.1 24V DC/DC 输入电源
        1. 7.2.1.1 负载-线路调整
        2. 7.2.1.2 输出电压纹波
        3. 7.2.1.3 开关节点和开关频率
        4. 7.2.1.4 效率
        5. 7.2.1.5 波特图
        6. 7.2.1.6 热像图
      2. 7.2.2 编码器电源输出电压
      3. 7.2.3 5V 和 3.3V 负载点
    3. 7.3 系统性能
      1. 7.3.1 正弦/余弦编码器输出信号仿真
        1. 7.3.1.1 一个周期(增量相位)测试
        2. 7.3.1.2 最大速度时机械旋转一周的测试
    4. 7.4 正弦/余弦编码器系统测试
      1. 7.4.1 零索引标记 R
      2. 7.4.2 功能性系统测试
    5. 7.5 EMC 测试结果
      1. 7.5.1 测试设置
      2. 7.5.2 IEC-61000-4-2 ESD 测试结果
      3. 7.5.3 IEC-61000-4-4 EFT 测试结果
      4. 7.5.4 IEC-61000-4-5 浪涌测试结果
  14. 设计文件
    1. 8.1 原理图
    2. 8.2 物料清单
    3. 8.3 PCB 布局指南
      1. 8.3.1 PCB 层图
    4. 8.4 Altium 工程
    5. 8.5 Gerber 文件
    6. 8.6 软件文件
  15. 参考资料
  16. 10作者简介
    1.     致谢
  17. 11修订历史记录

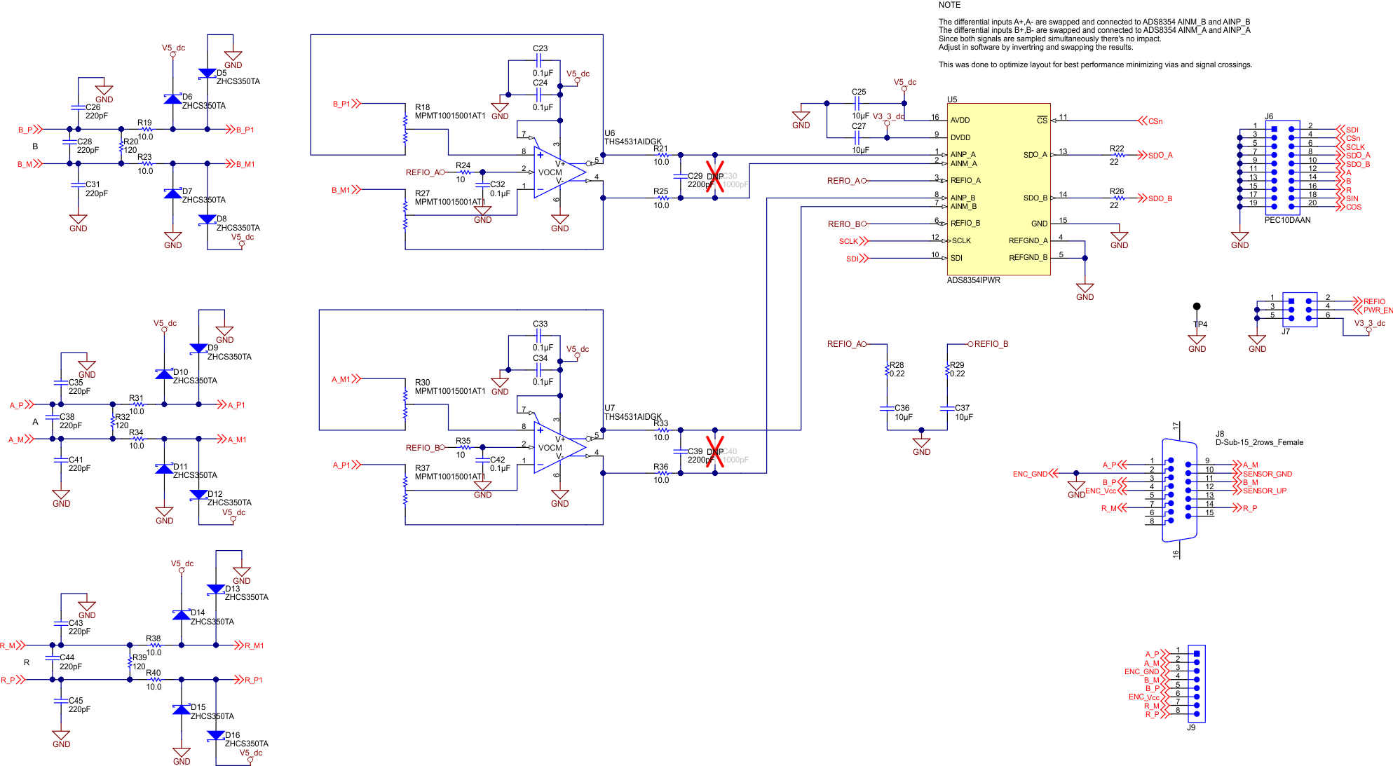
原理图

要下载原理图,请参阅 TIDA-00176 中的设计文件。

TIDA-00176 带16 位 ADC 的高分辨率模拟路径原理图图 8-1 带16 位 ADC 的高分辨率模拟路径原理图
TIDA-00176 差分到单端模拟路径及比较器原理图图 8-2 差分到单端模拟路径及比较器原理图
TIDA-00176 电源管理原理图图 8-3 电源管理原理图