SPRUJ53C April   2024  â€“ February 2025 TMS320F28P550SG , TMS320F28P550SJ , TMS320F28P559SG-Q1 , TMS320F28P559SJ-Q1

 

  1.   1
  2.   Read This First
    1.     About This Manual
    2.     Notational Conventions
    3.     Glossary
    4.     Related Documentation From Texas Instruments
    5.     Support Resources
    6.     Trademarks
  3. C2000â„¢ Microcontrollers Software Support
    1. 1.1 Introduction
    2. 1.2 C2000Ware Structure
    3. 1.3 Documentation
    4. 1.4 Devices
    5. 1.5 Libraries
    6. 1.6 Code Composer Studioâ„¢ Integrated Development Environment (IDE)
    7. 1.7 SysConfig and PinMUX Tool
  4. C28x Processor
    1. 2.1 Introduction
    2. 2.2 C28X Related Collateral
    3. 2.3 Features
    4. 2.4 Floating-Point Unit (FPU)
    5. 2.5 Trigonometric Math Unit (TMU)
    6. 2.6 VCRC Unit
  5. System Control and Interrupts
    1. 3.1  Introduction
      1. 3.1.1 SYSCTL Related Collateral
      2. 3.1.2 LOCK Protection on System Configuration Registers
      3. 3.1.3 EALLOW Protection
    2. 3.2  Power Management
    3. 3.3  Device Identification and Configuration Registers
    4. 3.4  Resets
      1. 3.4.1  Reset Sources
      2. 3.4.2  External Reset (XRS)
      3. 3.4.3  Simulate External Reset (SIMRESET.XRS)
      4. 3.4.4  Power-On Reset (POR)
      5. 3.4.5  Brown-Out Reset (BOR)
      6. 3.4.6  Debugger Reset (SYSRS)
      7. 3.4.7  Simulate CPU Reset (SIMRESET)
      8. 3.4.8  Watchdog Reset (WDRS)
      9. 3.4.9  NMI Watchdog Reset (NMIWDRS)
      10. 3.4.10 DCSM Safe Code Copy Reset (SCCRESET)
    5. 3.5  Peripheral Interrupts
      1. 3.5.1 Interrupt Concepts
      2. 3.5.2 Interrupt Architecture
        1. 3.5.2.1 Peripheral Stage
        2. 3.5.2.2 PIE Stage
        3. 3.5.2.3 CPU Stage
      3. 3.5.3 Interrupt Entry Sequence
      4. 3.5.4 Configuring and Using Interrupts
        1. 3.5.4.1 Enabling Interrupts
        2. 3.5.4.2 Handling Interrupts
        3. 3.5.4.3 Disabling Interrupts
        4. 3.5.4.4 Nesting Interrupts
        5. 3.5.4.5 Vector Address Validity Check
      5. 3.5.5 PIE Channel Mapping
      6. 3.5.6 PIE Interrupt Priority
        1. 3.5.6.1 Channel Priority
        2. 3.5.6.2 Group Priority
      7. 3.5.7 System Error
      8. 3.5.8 Vector Tables
    6. 3.6  Exceptions and Non-Maskable Interrupts
      1. 3.6.1 Configuring and Using NMIs
      2. 3.6.2 Emulation Considerations
      3. 3.6.3 NMI Sources
        1. 3.6.3.1 Missing Clock Detection
        2. 3.6.3.2 RAM Uncorrectable Error
        3. 3.6.3.3 Flash Uncorrectable ECC Error
        4. 3.6.3.4 Software-Forced Error
        5. 3.6.3.5 ERAD NMI
      4. 3.6.4 Illegal Instruction Trap (ITRAP)
      5. 3.6.5 ERRORSTS Pin
    7. 3.7  Clocking
      1. 3.7.1  Clock Sources
        1. 3.7.1.1 Primary Internal Oscillator (INTOSC2)
        2. 3.7.1.2 Backup Internal Oscillator (INTOSC1)
        3. 3.7.1.3 Auxiliary Clock Input (AUXCLKIN)
        4. 3.7.1.4 External Oscillator (XTAL)
      2. 3.7.2  Derived Clocks
        1. 3.7.2.1 Oscillator Clock (OSCCLK)
        2. 3.7.2.2 System PLL Output Clock (PLLRAWCLK)
      3. 3.7.3  Device Clock Domains
        1. 3.7.3.1 System Clock (PLLSYSCLK)
        2. 3.7.3.2 CPU Clock (CPUCLK)
        3. 3.7.3.3 CPU Subsystem Clock (SYSCLK and PERx.SYSCLK)
        4. 3.7.3.4 Low-Speed Peripheral Clock (LSPCLK and PERx.LSPCLK)
        5. 3.7.3.5 USB Bit Clock
        6. 3.7.3.6 CAN Bit Clock
        7. 3.7.3.7 CLB Clock
        8. 3.7.3.8 LIN Clock
        9. 3.7.3.9 CPU Timer2 Clock (TIMER2CLK)
      4. 3.7.4  XCLKOUT
      5. 3.7.5  Clock Connectivity
      6. 3.7.6  Clock Source and PLL Setup
      7. 3.7.7  Using an External Crystal or Resonator
        1. 3.7.7.1 X1/X2 Precondition Circuit
      8. 3.7.8  Using an External Oscillator
      9. 3.7.9  Choosing PLL Settings
      10. 3.7.10 System Clock Setup
      11. 3.7.11 SYS PLL Bypass
      12. 3.7.12 Clock (OSCCLK) Failure Detection
        1. 3.7.12.1 Missing Clock Detection
    8. 3.8  32-Bit CPU Timers 0/1/2
    9. 3.9  Watchdog Timer
      1. 3.9.1 Servicing the Watchdog Timer
      2. 3.9.2 Minimum Window Check
      3. 3.9.3 Watchdog Reset or Watchdog Interrupt Mode
      4. 3.9.4 Watchdog Operation in Low-Power Modes
      5. 3.9.5 Emulation Considerations
    10. 3.10 Low-Power Modes
      1. 3.10.1 Clock-Gating Low-Power Modes
      2. 3.10.2 IDLE
      3. 3.10.3 STANDBY
      4. 3.10.4 HALT
    11. 3.11 Memory Controller Module
      1. 3.11.1 Functional Description
        1. 3.11.1.1  Dedicated RAM (Mx RAM)
        2. 3.11.1.2  Local Shared RAM (LSx RAM)
        3. 3.11.1.3  Global Shared RAM (GSx RAM)
        4. 3.11.1.4  CAN Message RAM
        5. 3.11.1.5  USB RAM
        6. 3.11.1.6  CLA-CPU Message RAM
        7. 3.11.1.7  CLA-DMA Message RAM
        8. 3.11.1.8  Access Arbitration
        9. 3.11.1.9  Access Protection
          1. 3.11.1.9.1 CPU Fetch Protection
          2. 3.11.1.9.2 CPU Write Protection
          3. 3.11.1.9.3 CPU Read Protection
          4. 3.11.1.9.4 CLA Fetch Protection
          5. 3.11.1.9.5 CLA Write Protection
          6. 3.11.1.9.6 CLA Read Protection
          7. 3.11.1.9.7 DMA Write Protection
          8. 3.11.1.9.8 NPU Write Protection
        10. 3.11.1.10 Memory Error Detection, Correction, and Error Handling
          1. 3.11.1.10.1 Error Detection and Correction
          2. 3.11.1.10.2 Error Handling
        11. 3.11.1.11 Application Test Hooks for Error Detection and Correction
        12. 3.11.1.12 RAM Initialization
    12. 3.12 JTAG
      1. 3.12.1 JTAG Noise and TAP_STATUS
    13. 3.13 Live Firmware Update
      1. 3.13.1 LFU Background
      2. 3.13.2 LFU Switchover Steps
      3. 3.13.3 Device Features Supporting LFU
        1. 3.13.3.1 Multi-Bank Flash
        2. 3.13.3.2 PIE Vector Table Swap
        3. 3.13.3.3 LS0/LS1 RAM Memory Swap
          1. 3.13.3.3.1 Applicability to CLA LFU
      4. 3.13.4 LFU Switchover
      5. 3.13.5 LFU Resources
    14. 3.14 System Control Register Configuration Restrictions
    15. 3.15 Software
      1. 3.15.1  SYSCTL Registers to Driverlib Functions
      2. 3.15.2  CPUTIMER Registers to Driverlib Functions
      3. 3.15.3  MEMCFG Registers to Driverlib Functions
      4. 3.15.4  PIE Registers to Driverlib Functions
      5. 3.15.5  NMI Registers to Driverlib Functions
      6. 3.15.6  XINT Registers to Driverlib Functions
      7. 3.15.7  WWD Registers to Driverlib Functions
      8. 3.15.8  SYSCTL Examples
        1. 3.15.8.1 Missing clock detection (MCD)
        2. 3.15.8.2 XCLKOUT (External Clock Output) Configuration
      9. 3.15.9  TIMER Examples
        1. 3.15.9.1 CPU Timers
        2. 3.15.9.2 CPU Timers
      10. 3.15.10 MEMCFG Examples
        1. 3.15.10.1 Correctable & Uncorrectable Memory Error Handling
      11. 3.15.11 INTERRUPT Examples
        1. 3.15.11.1 External Interrupts (ExternalInterrupt)
        2. 3.15.11.2 Multiple interrupt handling of I2C, SCI & SPI Digital Loopback
        3. 3.15.11.3 CPU Timer Interrupt Software Prioritization
        4. 3.15.11.4 EPWM Real-Time Interrupt
      12. 3.15.12 LPM Examples
        1. 3.15.12.1 Low Power Modes: Device Idle Mode and Wakeup using GPIO
        2. 3.15.12.2 Low Power Modes: Device Idle Mode and Wakeup using Watchdog
        3. 3.15.12.3 Low Power Modes: Device Standby Mode and Wakeup using GPIO
        4. 3.15.12.4 Low Power Modes: Device Standby Mode and Wakeup using Watchdog
        5. 3.15.12.5 Low Power Modes: Halt Mode and Wakeup using GPIO
        6. 3.15.12.6 Low Power Modes: Halt Mode and Wakeup
      13. 3.15.13 WATCHDOG Examples
        1. 3.15.13.1 Watchdog
    16. 3.16 SYSCTRL Registers
      1. 3.16.1  SYSCTRL Base Address Table
      2. 3.16.2  CPUTIMER_REGS Registers
      3. 3.16.3  PIE_CTRL_REGS Registers
      4. 3.16.4  WD_REGS Registers
      5. 3.16.5  NMI_INTRUPT_REGS Registers
      6. 3.16.6  XINT_REGS Registers
      7. 3.16.7  SYNC_SOC_REGS Registers
      8. 3.16.8  DMA_CLA_SRC_SEL_REGS Registers
      9. 3.16.9  LFU_REGS Registers
      10. 3.16.10 DEV_CFG_REGS Registers
      11. 3.16.11 CLK_CFG_REGS Registers
      12. 3.16.12 CPU_SYS_REGS Registers
      13. 3.16.13 SYS_STATUS_REGS Registers
      14. 3.16.14 PERIPH_AC_REGS Registers
      15. 3.16.15 MEM_CFG_REGS Registers
      16. 3.16.16 ACCESS_PROTECTION_REGS Registers
      17. 3.16.17 MEMORY_ERROR_REGS Registers
      18. 3.16.18 TEST_ERROR_REGS Registers
      19. 3.16.19 UID_REGS Registers
  6. ROM Code and Peripheral Booting
    1. 4.1 Introduction
      1. 4.1.1 ROM Related Collateral
    2. 4.2 Device Boot Sequence
    3. 4.3 Device Boot Modes
      1. 4.3.1 Default Boot Modes
      2. 4.3.2 Custom Boot Modes
    4. 4.4 Device Boot Configurations
      1. 4.4.1 Configuring Boot Mode Pins
      2. 4.4.2 Configuring Boot Mode Table Options
      3. 4.4.3 Boot Mode Example Use Cases
        1. 4.4.3.1 Zero Boot Mode Select Pins
        2. 4.4.3.2 One Boot Mode Select Pin
        3. 4.4.3.3 Three Boot Mode Select Pins
    5. 4.5 Device Boot Flow Diagrams
      1. 4.5.1 Boot Flow
      2. 4.5.2 Emulation Boot Flow
      3. 4.5.3 Standalone Boot Flow
    6. 4.6 Device Reset and Exception Handling
      1. 4.6.1 Reset Causes and Handling
      2. 4.6.2 Exceptions and Interrupts Handling
    7. 4.7 Boot ROM Description
      1. 4.7.1  Boot ROM Configuration Registers
        1. 4.7.1.1 Flash Write Protection
        2. 4.7.1.2 MPOST Configuration
      2. 4.7.2  Entry Points
      3. 4.7.3  Wait Points
      4. 4.7.4  Secure Flash Boot
        1. 4.7.4.1 Secure Flash CPU1 Linker File Example
      5. 4.7.5  Firmware Update (FWU) Flash Boot
      6. 4.7.6  Memory Maps
        1. 4.7.6.1 Boot ROM Memory Maps
        2. 4.7.6.2 CLA Data ROM Memory Maps
        3. 4.7.6.3 Reserved RAM Memory Maps
      7. 4.7.7  ROM Tables
      8. 4.7.8  Boot Modes and Loaders
        1. 4.7.8.1 Boot Modes
          1. 4.7.8.1.1 Flash Boot
          2. 4.7.8.1.2 RAM Boot
          3. 4.7.8.1.3 Wait Boot
        2. 4.7.8.2 Bootloaders
          1. 4.7.8.2.1 SCI Boot Mode
          2. 4.7.8.2.2 SPI Boot Mode
          3. 4.7.8.2.3 I2C Boot Mode
          4. 4.7.8.2.4 Parallel Boot Mode
          5. 4.7.8.2.5 CAN Boot Mode (MCAN in non-FD mode)
          6. 4.7.8.2.6 CAN-FD Boot Mode
          7. 4.7.8.2.7 USB Boot Mode
      9. 4.7.9  GPIO Assignments
      10. 4.7.10 Secure ROM Function APIs
      11. 4.7.11 Clock Initializations
      12. 4.7.12 Boot Status Information
        1. 4.7.12.1 Booting Status
        2. 4.7.12.2 Boot Mode and MPOST (Memory Power On Self-Test) Status
      13. 4.7.13 ROM Version
    8. 4.8 Application Notes for Using the Bootloaders
      1. 4.8.1 Bootloader Data Stream Structure
        1. 4.8.1.1 Data Stream Structure 8-bit
      2. 4.8.2 The C2000 Hex Utility
        1. 4.8.2.1 HEX2000.exe Command Syntax
    9. 4.9 Software
      1. 4.9.1 BOOT Examples
  7. Dual Code Security Module (DCSM)
    1. 5.1 Introduction
      1. 5.1.1 DCSM Related Collateral
    2. 5.2 Functional Description
      1. 5.2.1 CSM Passwords
      2. 5.2.2 Emulation Code Security Logic (ECSL)
      3. 5.2.3 CPU Secure Logic
      4. 5.2.4 Execute-Only Protection
      5. 5.2.5 Password Lock
      6. 5.2.6 JTAGLOCK
      7. 5.2.7 Link Pointer and Zone Select
      8. 5.2.8 C Code Example to Get Zone Select Block Addr for Zone1
    3. 5.3 Flash and OTP Erase/Program
    4. 5.4 Secure Copy Code
    5. 5.5 SecureCRC
    6. 5.6 CSM Impact on Other On-Chip Resources
    7. 5.7 Incorporating Code Security in User Applications
      1. 5.7.1 Environments That Require Security Unlocking
      2. 5.7.2 CSM Password Match Flow
      3. 5.7.3 C Code Example to Unsecure C28x Zone1
      4. 5.7.4 C Code Example to Resecure C28x Zone1
      5. 5.7.5 Environments That Require ECSL Unlocking
      6. 5.7.6 ECSL Password Match Flow
      7. 5.7.7 ECSL Disable Considerations for any Zone
        1. 5.7.7.1 C Code Example to Disable ECSL for C28x Zone1
      8. 5.7.8 Device Unique ID
    8. 5.8 Software
      1. 5.8.1 DCSM Registers to Driverlib Functions
      2. 5.8.2 DCSM Examples
        1. 5.8.2.1 Empty DCSM Tool Example
    9. 5.9 DCSM Registers
      1. 5.9.1 DCSM Base Address Table
      2. 5.9.2 DCSM_Z1_REGS Registers
      3. 5.9.3 DCSM_Z2_REGS Registers
      4. 5.9.4 DCSM_COMMON_REGS Registers
      5. 5.9.5 DCSM_Z1_OTP Registers
      6. 5.9.6 DCSM_Z2_OTP Registers
  8. Flash Module
    1. 6.1  Introduction to Flash and OTP Memory
      1. 6.1.1 FLASH Related Collateral
      2. 6.1.2 Features
      3. 6.1.3 Flash Tools
      4. 6.1.4 Default Flash Configuration
    2. 6.2  Flash Bank, OTP, and Pump
    3. 6.3  Flash Wrapper
    4. 6.4  Flash and OTP Memory Performance
    5. 6.5  Flash Read Interface
      1. 6.5.1 C28x-Flash Read Interface
        1. 6.5.1.1 Standard Read Mode
        2. 6.5.1.2 Prefetch Mode
        3. 6.5.1.3 Data Cache
        4. 6.5.1.4 Flash Read Operation
    6. 6.6  Flash Erase and Program
      1. 6.6.1 Erase
      2. 6.6.2 Program
      3. 6.6.3 Verify
    7. 6.7  Error Correction Code (ECC) Protection
      1. 6.7.1 Single-Bit Data Error
      2. 6.7.2 Uncorrectable Error
      3. 6.7.3 Mechanism to Check the Correctness of ECC Logic
    8. 6.8  Reserved Locations Within Flash and OTP
    9. 6.9  Migrating an Application from RAM to Flash
    10. 6.10 Procedure to Change the Flash Control Registers
    11. 6.11 Software
      1. 6.11.1 FLASH Registers to Driverlib Functions
      2. 6.11.2 FLASH Examples
        1. 6.11.2.1 Flash Programming with AutoECC, DataAndECC, DataOnly and EccOnly
        2. 6.11.2.2 Flash Programming with AutoECC, DataAndECC, DataOnly and EccOnly
    12. 6.12 FLASH Registers
      1. 6.12.1 FLASH Base Address Table
      2. 6.12.2 FLASH_CTRL_REGS Registers
      3. 6.12.3 FLASH_ECC_REGS Registers
  9. Control Law Accelerator (CLA)
    1. 7.1 Introduction
      1. 7.1.1 Features
      2. 7.1.2 CLA Related Collateral
      3. 7.1.3 Block Diagram
    2. 7.2 CLA Interface
      1. 7.2.1 CLA Memory
      2. 7.2.2 CLA Memory Bus
      3. 7.2.3 Shared Peripherals and EALLOW Protection
      4. 7.2.4 CLA Tasks and Interrupt Vectors
    3. 7.3 CLA, DMA, and CPU Arbitration
      1. 7.3.1 CLA Message RAM
      2. 7.3.2 CLA Program Memory
      3. 7.3.3 CLA Data Memory
      4. 7.3.4 Peripheral Registers (ePWM, HRPWM, Comparator)
    4. 7.4 CLA Configuration and Debug
      1. 7.4.1 Building a CLA Application
      2. 7.4.2 Typical CLA Initialization Sequence
      3. 7.4.3 Debugging CLA Code
        1. 7.4.3.1 Breakpoint Support (MDEBUGSTOP)
      4. 7.4.4 CLA Illegal Opcode Behavior
      5. 7.4.5 Resetting the CLA
    5. 7.5 Pipeline
      1. 7.5.1 Pipeline Overview
      2. 7.5.2 CLA Pipeline Alignment
        1. 7.5.2.1 Code Fragment For MBCNDD, MCCNDD, or MRCNDD
        2.       361
        3. 7.5.2.2 Code Fragment for Loading MAR0 or MAR1
        4.       363
        5. 7.5.2.3 ADC Early Interrupt to CLA Response
      3. 7.5.3 Parallel Instructions
        1. 7.5.3.1 Math Operation with Parallel Load
        2. 7.5.3.2 Multiply with Parallel Add
      4. 7.5.4 CLA Task Execution Latency
    6. 7.6 Software
      1. 7.6.1 CLA Registers to Driverlib Functions
      2. 7.6.2 CLA Examples
        1. 7.6.2.1 CLA arcsine(x) using a lookup table (cla_asin_cpu01)
        2. 7.6.2.2 CLA arcsine(x) using a lookup table (cla_asin_cpu01)
        3. 7.6.2.3 CLA arctangent(x) using a lookup table (cla_atan_cpu01)
        4. 7.6.2.4 CLA background nesting task
        5. 7.6.2.5 Controlling PWM output using CLA
        6. 7.6.2.6 Just-in-time ADC sampling with CLA
        7. 7.6.2.7 Optimal offloading of control algorithms to CLA
        8. 7.6.2.8 Handling shared resources across C28x and CLA
    7. 7.7 Instruction Set
      1. 7.7.1 Instruction Descriptions
      2. 7.7.2 Addressing Modes and Encoding
      3. 7.7.3 Instructions
        1.       MABSF32 MRa, MRb
        2.       MADD32 MRa, MRb, MRc
        3.       MADDF32 MRa, #16FHi, MRb
        4.       MADDF32 MRa, MRb, #16FHi
        5.       MADDF32 MRa, MRb, MRc
        6.       MADDF32 MRd, MRe, MRf||MMOV32 mem32, MRa
        7.       MADDF32 MRd, MRe, MRf ||MMOV32 MRa, mem32
        8.       MAND32 MRa, MRb, MRc
        9.       MASR32 MRa, #SHIFT
        10.       MBCNDD 16BitDest [, CNDF]
        11.       MCCNDD 16BitDest [, CNDF]
        12.       MCMP32 MRa, MRb
        13.       MCMPF32 MRa, MRb
        14.       MCMPF32 MRa, #16FHi
        15.       MDEBUGSTOP
        16.       MEALLOW
        17.       MEDIS
        18.       MEINVF32 MRa, MRb
        19.       MEISQRTF32 MRa, MRb
        20.       MF32TOI16 MRa, MRb
        21.       MF32TOI16R MRa, MRb
        22.       MF32TOI32 MRa, MRb
        23.       MF32TOUI16 MRa, MRb
        24.       MF32TOUI16R MRa, MRb
        25.       MF32TOUI32 MRa, MRb
        26.       MFRACF32 MRa, MRb
        27.       MI16TOF32 MRa, MRb
        28.       MI16TOF32 MRa, mem16
        29.       MI32TOF32 MRa, mem32
        30.       MI32TOF32 MRa, MRb
        31.       MLSL32 MRa, #SHIFT
        32.       MLSR32 MRa, #SHIFT
        33.       MMACF32 MR3, MR2, MRd, MRe, MRf ||MMOV32 MRa, mem32
        34.       MMAXF32 MRa, MRb
        35.       MMAXF32 MRa, #16FHi
        36.       MMINF32 MRa, MRb
        37.       MMINF32 MRa, #16FHi
        38.       MMOV16 MARx, MRa, #16I
        39.       MMOV16 MARx, mem16
        40.       MMOV16 mem16, MARx
        41.       MMOV16 mem16, MRa
        42.       MMOV32 mem32, MRa
        43.       MMOV32 mem32, MSTF
        44.       MMOV32 MRa, mem32 [, CNDF]
        45.       MMOV32 MRa, MRb [, CNDF]
        46.       MMOV32 MSTF, mem32
        47.       MMOVD32 MRa, mem32
        48.       MMOVF32 MRa, #32F
        49.       MMOVI16 MARx, #16I
        50.       MMOVI32 MRa, #32FHex
        51.       MMOVIZ MRa, #16FHi
        52.       MMOVZ16 MRa, mem16
        53.       MMOVXI MRa, #16FLoHex
        54.       MMPYF32 MRa, MRb, MRc
        55.       MMPYF32 MRa, #16FHi, MRb
        56.       MMPYF32 MRa, MRb, #16FHi
        57.       MMPYF32 MRa, MRb, MRc||MADDF32 MRd, MRe, MRf
        58.       MMPYF32 MRd, MRe, MRf ||MMOV32 MRa, mem32
        59.       MMPYF32 MRd, MRe, MRf ||MMOV32 mem32, MRa
        60.       MMPYF32 MRa, MRb, MRc ||MSUBF32 MRd, MRe, MRf
        61.       MNEGF32 MRa, MRb[, CNDF]
        62.       MNOP
        63.       MOR32 MRa, MRb, MRc
        64.       MRCNDD [CNDF]
        65.       MSETFLG FLAG, VALUE
        66.       MSTOP
        67.       MSUB32 MRa, MRb, MRc
        68.       MSUBF32 MRa, MRb, MRc
        69.       MSUBF32 MRa, #16FHi, MRb
        70.       MSUBF32 MRd, MRe, MRf ||MMOV32 MRa, mem32
        71.       MSUBF32 MRd, MRe, MRf ||MMOV32 mem32, MRa
        72.       MSWAPF MRa, MRb [, CNDF]
        73.       MTESTTF CNDF
        74.       MUI16TOF32 MRa, mem16
        75.       MUI16TOF32 MRa, MRb
        76.       MUI32TOF32 MRa, mem32
        77.       MUI32TOF32 MRa, MRb
        78.       MXOR32 MRa, MRb, MRc
    8. 7.8 CLA Registers
      1. 7.8.1 CLA Base Address Table
      2. 7.8.2 CLA_ONLY_REGS Registers
      3. 7.8.3 CLA_REGS Registers
  10. Neural-network Processing Unit (NPU)
    1. 8.1 Introduction
      1. 8.1.1 NPU Related Collateral
  11. Dual-Clock Comparator (DCC)
    1. 9.1 Introduction
      1. 9.1.1 Features
      2. 9.1.2 Block Diagram
    2. 9.2 Module Operation
      1. 9.2.1 Configuring DCC Counters
      2. 9.2.2 Single-Shot Measurement Mode
      3. 9.2.3 Continuous Monitoring Mode
      4. 9.2.4 Error Conditions
    3. 9.3 Interrupts
    4. 9.4 Software
      1. 9.4.1 DCC Registers to Driverlib Functions
      2. 9.4.2 DCC Examples
        1. 9.4.2.1 DCC Single shot Clock measurement
        2. 9.4.2.2 DCC Single shot Clock verification
        3. 9.4.2.3 DCC Continuous clock monitoring
        4. 9.4.2.4 DCC Continuous clock monitoring
        5. 9.4.2.5 DCC Detection of clock failure
    5. 9.5 DCC Registers
      1. 9.5.1 DCC Base Address Table
      2. 9.5.2 DCC_REGS Registers
  12. 10General-Purpose Input/Output (GPIO)
    1. 10.1  Introduction
      1. 10.1.1 GPIO Related Collateral
    2. 10.2  Configuration Overview
    3. 10.3  Digital Inputs on ADC Pins (AIOs)
    4. 10.4  Digital Inputs and Outputs on ADC Pins (AGPIOs)
    5. 10.5  Digital General-Purpose I/O Control
    6. 10.6  Input Qualification
      1. 10.6.1 No Synchronization (Asynchronous Input)
      2. 10.6.2 Synchronization to SYSCLKOUT Only
      3. 10.6.3 Qualification Using a Sampling Window
    7. 10.7  USB Signals
    8. 10.8  PMBUS and I2C Signals
    9. 10.9  GPIO and Peripheral Muxing
      1. 10.9.1 GPIO Muxing
      2. 10.9.2 Peripheral Muxing
    10. 10.10 Internal Pullup Configuration Requirements
    11. 10.11 Open-Drain Configuration Requirements
    12. 10.12 Software
      1. 10.12.1 GPIO Registers to Driverlib Functions
      2. 10.12.2 GPIO Examples
        1. 10.12.2.1 Device GPIO Setup
        2. 10.12.2.2 Device GPIO Toggle
        3. 10.12.2.3 Device GPIO Interrupt
        4. 10.12.2.4 External Interrupt (XINT)
      3. 10.12.3 LED Examples
    13. 10.13 GPIO Registers
      1. 10.13.1 GPIO Base Address Table
      2. 10.13.2 GPIO_CTRL_REGS Registers
      3. 10.13.3 GPIO_DATA_REGS Registers
      4. 10.13.4 GPIO_DATA_READ_REGS Registers
  13. 11Crossbar (X-BAR)
    1. 11.1 Input X-BAR and CLB Input X-BAR
      1. 11.1.1 CLB Input X-BAR
    2. 11.2 ePWM , CLB, and GPIO Output X-BAR
      1. 11.2.1 ePWM X-BAR
        1. 11.2.1.1 ePWM X-BAR Architecture
      2. 11.2.2 CLB X-BAR
        1. 11.2.2.1 CLB X-BAR Architecture
      3. 11.2.3 GPIO Output X-BAR
        1. 11.2.3.1 GPIO Output X-BAR Architecture
      4. 11.2.4 X-BAR Flags
    3. 11.3 Software
      1. 11.3.1 INPUTXBAR Registers to Driverlib Functions
      2. 11.3.2 EPWMXBAR Registers to Driverlib Functions
      3. 11.3.3 CLBXBAR Registers to Driverlib Functions
      4. 11.3.4 OUTPUTXBAR Registers to Driverlib Functions
      5. 11.3.5 XBAR Registers to Driverlib Functions
    4. 11.4 XBAR Registers
      1. 11.4.1 XBAR Base Address Table
      2. 11.4.2 INPUT_XBAR_REGS Registers
      3. 11.4.3 XBAR_REGS Registers
      4. 11.4.4 EPWM_XBAR_REGS Registers
      5. 11.4.5 CLB_XBAR_REGS Registers
      6. 11.4.6 OUTPUT_XBAR_REGS Registers
      7. 11.4.7 OUTPUT_XBAR_REGS Registers
  14. 12Direct Memory Access (DMA)
    1. 12.1 Introduction
      1. 12.1.1 Features
      2. 12.1.2 Block Diagram
    2. 12.2 Architecture
      1. 12.2.1 Peripheral Interrupt Event Trigger Sources
      2. 12.2.2 DMA Bus
    3. 12.3 Address Pointer and Transfer Control
    4. 12.4 Pipeline Timing and Throughput
    5. 12.5 CPU and CLA Arbitration
    6. 12.6 Channel Priority
      1. 12.6.1 Round-Robin Mode
      2. 12.6.2 Channel 1 High-Priority Mode
    7. 12.7 Overrun Detection Feature
    8. 12.8 Software
      1. 12.8.1 DMA Registers to Driverlib Functions
      2. 12.8.2 DMA Examples
        1. 12.8.2.1 DMA GSRAM Transfer (dma_ex1_gsram_transfer)
        2. 12.8.2.2 DMA GSRAM Transfer (dma_ex2_gsram_transfer)
    9. 12.9 DMA Registers
      1. 12.9.1 DMA Base Address Table
      2. 12.9.2 DMA_REGS Registers
      3. 12.9.3 DMA_CH_REGS Registers
  15. 13Embedded Real-time Analysis and Diagnostic (ERAD)
    1. 13.1 Introduction
      1. 13.1.1 ERAD Related Collateral
    2. 13.2 Enhanced Bus Comparator Unit
      1. 13.2.1 Enhanced Bus Comparator Unit Operations
      2. 13.2.2 Event Masking and Exporting
    3. 13.3 System Event Counter Unit
      1. 13.3.1 System Event Counter Modes
        1. 13.3.1.1 Counting Active Levels Versus Edges
        2. 13.3.1.2 Max Mode
        3. 13.3.1.3 Cumulative Mode
        4. 13.3.1.4 Input Signal Selection
      2. 13.3.2 Reset on Event
      3. 13.3.3 Operation Conditions
    4. 13.4 ERAD Ownership, Initialization and Reset
    5. 13.5 ERAD Programming Sequence
      1. 13.5.1 Hardware Breakpoint and Hardware Watch Point Programming Sequence
      2. 13.5.2 Timer and Counter Programming Sequence
    6. 13.6 Cyclic Redundancy Check Unit
      1. 13.6.1 CRC Unit Qualifier
      2. 13.6.2 CRC Unit Programming Sequence
    7. 13.7 Program Counter Trace
      1. 13.7.1 Functional Block Diagram
      2. 13.7.2 Trace Qualification Modes
        1. 13.7.2.1 Trace Qualifier Input Signals
      3. 13.7.3 Trace Memory
      4. 13.7.4 Trace Input Signal Conditioning
      5. 13.7.5 PC Trace Software Operation
      6. 13.7.6 Trace Operation in Debug Mode
    8. 13.8 Software
      1. 13.8.1 ERAD Registers to Driverlib Functions
      2. 13.8.2 ERAD Examples
        1. 13.8.2.1  ERAD Profiling Interrupts
        2. 13.8.2.2  ERAD Profile Function
        3. 13.8.2.3  ERAD Profile Function
        4. 13.8.2.4  ERAD HWBP Monitor Program Counter
        5. 13.8.2.5  ERAD HWBP Monitor Program Counter
        6. 13.8.2.6  ERAD Profile Function
        7. 13.8.2.7  ERAD HWBP Stack Overflow Detection
        8. 13.8.2.8  ERAD HWBP Stack Overflow Detection
        9. 13.8.2.9  ERAD Stack Overflow
        10. 13.8.2.10 ERAD Profile Interrupts CLA
        11. 13.8.2.11 ERAD Profiling Interrupts
        12. 13.8.2.12 ERAD Profiling Interrupts
        13. 13.8.2.13 ERAD MEMORY ACCESS RESTRICT
        14. 13.8.2.14 ERAD INTERRUPT ORDER
        15. 13.8.2.15 ERAD AND CLB
        16. 13.8.2.16 ERAD PWM PROTECTION
    9. 13.9 ERAD Registers
      1. 13.9.1 ERAD Base Address Table
      2. 13.9.2 ERAD_GLOBAL_REGS Registers
      3. 13.9.3 ERAD_HWBP_REGS Registers
      4. 13.9.4 ERAD_COUNTER_REGS Registers
      5. 13.9.5 ERAD_CRC_GLOBAL_REGS Registers
      6. 13.9.6 ERAD_CRC_REGS Registers
      7. 13.9.7 PCTRACE_REGS Registers
      8. 13.9.8 PCTRACE_BUFFER_REGS Registers
  16. 14Analog Subsystem
    1. 14.1 Introduction
      1. 14.1.1 Features
      2. 14.1.2 Block Diagram
    2. 14.2 Optimizing Power-Up Time
    3. 14.3 Digital Inputs on ADC Pins (AIOs)
    4. 14.4 Digital Inputs and Outputs on ADC Pins (AGPIOs)
    5. 14.5 Analog Pins and Internal Connections
    6. 14.6 Software
      1. 14.6.1 ASYSCTL Registers to Driverlib Functions
    7. 14.7 ASBSYS Registers
      1. 14.7.1 ASBSYS Base Address Table
      2. 14.7.2 ANALOG_SUBSYS_REGS Registers
  17. 15Analog-to-Digital Converter (ADC)
    1. 15.1  Introduction
      1. 15.1.1 ADC Related Collateral
      2. 15.1.2 Features
      3. 15.1.3 Block Diagram
    2. 15.2  ADC Configurability
      1. 15.2.1 Clock Configuration
      2. 15.2.2 Resolution
      3. 15.2.3 Voltage Reference
        1. 15.2.3.1 External Reference Mode
        2. 15.2.3.2 Internal Reference Mode
        3. 15.2.3.3 Ganged References
        4. 15.2.3.4 Selecting Reference Mode
      4. 15.2.4 Signal Mode
      5. 15.2.5 Expected Conversion Results
      6. 15.2.6 Interpreting Conversion Results
    3. 15.3  SOC Principle of Operation
      1. 15.3.1 SOC Configuration
      2. 15.3.2 Trigger Operation
        1. 15.3.2.1 Global Software Trigger
        2. 15.3.2.2 Trigger Repeaters
          1. 15.3.2.2.1 Oversampling Mode
          2. 15.3.2.2.2 Undersampling Mode
          3. 15.3.2.2.3 Trigger Phase Delay
          4. 15.3.2.2.4 Re-trigger Spread
          5. 15.3.2.2.5 Trigger Repeater Configuration
            1. 15.3.2.2.5.1 Register Shadow Updates
          6. 15.3.2.2.6 Re-Trigger Logic
          7. 15.3.2.2.7 Multi-Path Triggering Behavior
      3. 15.3.3 ADC Acquisition (Sample and Hold) Window
      4. 15.3.4 Sample Capacitor Reset
      5. 15.3.5 ADC Input Models
      6. 15.3.6 Channel Selection
        1. 15.3.6.1 External Channel Selection
          1. 15.3.6.1.1 External Channel Selection Timing
    4. 15.4  SOC Configuration Examples
      1. 15.4.1 Single Conversion from ePWM Trigger
      2. 15.4.2 Oversampled Conversion from ePWM Trigger
      3. 15.4.3 Multiple Conversions from CPU Timer Trigger
      4. 15.4.4 Software Triggering of SOCs
    5. 15.5  ADC Conversion Priority
    6. 15.6  Burst Mode
      1. 15.6.1 Burst Mode Example
      2. 15.6.2 Burst Mode Priority Example
    7. 15.7  EOC and Interrupt Operation
      1. 15.7.1 Interrupt Overflow
      2. 15.7.2 Continue to Interrupt Mode
      3. 15.7.3 Early Interrupt Configuration Mode
    8. 15.8  Post-Processing Blocks
      1. 15.8.1 PPB Offset Correction
      2. 15.8.2 PPB Error Calculation
      3. 15.8.3 PPB Result Delta Calculation
      4. 15.8.4 PPB Limit Detection and Zero-Crossing Detection
        1. 15.8.4.1 PPB Digital Trip Filter
      5. 15.8.5 PPB Sample Delay Capture
      6. 15.8.6 PPB Oversampling
        1. 15.8.6.1 Accumulation, Minimum, Maximum, and Average Functions
        2. 15.8.6.2 Outlier Rejection
    9. 15.9  Opens/Shorts Detection Circuit (OSDETECT)
      1. 15.9.1 Implementation
      2. 15.9.2 Detecting an Open Input Pin
      3. 15.9.3 Detecting a Shorted Input Pin
    10. 15.10 Power-Up Sequence
    11. 15.11 ADC Calibration
      1. 15.11.1 ADC Zero Offset Calibration
    12. 15.12 ADC Timings
      1. 15.12.1 ADC Timing Diagrams
      2. 15.12.2 Post-Processing Block Timings
    13. 15.13 Additional Information
      1. 15.13.1 Ensuring Synchronous Operation
        1. 15.13.1.1 Basic Synchronous Operation
        2. 15.13.1.2 Synchronous Operation with Multiple Trigger Sources
        3. 15.13.1.3 Synchronous Operation with Uneven SOC Numbers
        4. 15.13.1.4 Non-overlapping Conversions
      2. 15.13.2 Choosing an Acquisition Window Duration
      3. 15.13.3 Achieving Simultaneous Sampling
      4. 15.13.4 Result Register Mapping
      5. 15.13.5 Internal Temperature Sensor
      6. 15.13.6 Designing an External Reference Circuit
      7. 15.13.7 ADC-DAC Loopback Testing
      8. 15.13.8 Internal Test Mode
      9. 15.13.9 ADC Gain and Offset Calibration
    14. 15.14 Software
      1. 15.14.1 ADC Registers to Driverlib Functions
      2. 15.14.2 ADC Examples
        1. 15.14.2.1  ADC Software Triggering
        2. 15.14.2.2  ADC ePWM Triggering
        3. 15.14.2.3  ADC Temperature Sensor Conversion
        4. 15.14.2.4  ADC Synchronous SOC Software Force (adc_soc_software_sync)
        5. 15.14.2.5  ADC Continuous Triggering (adc_soc_continuous)
        6. 15.14.2.6  ADC Continuous Conversions Read by DMA (adc_soc_continuous_dma)
        7. 15.14.2.7  ADC PPB Offset (adc_ppb_offset)
        8. 15.14.2.8  ADC PPB Limits (adc_ppb_limits)
        9. 15.14.2.9  ADC PPB Delay Capture (adc_ppb_delay)
        10. 15.14.2.10 ADC ePWM Triggering Multiple SOC
        11. 15.14.2.11 ADC Burst Mode
        12. 15.14.2.12 ADC Burst Mode Oversampling
        13. 15.14.2.13 ADC SOC Oversampling
        14. 15.14.2.14 ADC PPB PWM trip (adc_ppb_pwm_trip)
        15. 15.14.2.15 ADC Trigger Repeater Oversampling
        16. 15.14.2.16 ADC Trigger Repeater Undersampling
    15. 15.15 ADC Registers
      1. 15.15.1 ADC Base Address Table
      2. 15.15.2 ADC_RESULT_REGS Registers
      3. 15.15.3 ADC_REGS Registers
  18. 16Buffered Digital-to-Analog Converter (DAC)
    1. 16.1 Introduction
      1. 16.1.1 DAC Related Collateral
      2. 16.1.2 Features
      3. 16.1.3 Block Diagram
    2. 16.2 Using the DAC
      1. 16.2.1 Initialization Sequence
      2. 16.2.2 DAC Offset Adjustment
      3. 16.2.3 EPWMSYNCPER Signal
    3. 16.3 Lock Registers
    4. 16.4 Software
      1. 16.4.1 DAC Registers to Driverlib Functions
      2. 16.4.2 DAC Examples
        1. 16.4.2.1 Buffered DAC Enable
        2. 16.4.2.2 Buffered DAC Random
        3. 16.4.2.3 Buffered DAC Sine (buffdac_sine)
    5. 16.5 DAC Registers
      1. 16.5.1 DAC Base Address Table
      2. 16.5.2 DAC_REGS Registers
  19. 17Comparator Subsystem (CMPSS)
    1. 17.1 Introduction
      1. 17.1.1 CMPSS Related Collateral
      2. 17.1.2 Features
      3. 17.1.3 Block Diagram
    2. 17.2 Comparator
    3. 17.3 Reference DAC
    4. 17.4 Ramp Generator
      1. 17.4.1 Ramp Generator Overview
      2. 17.4.2 Ramp Generator Behavior
      3. 17.4.3 Ramp Generator Behavior at Corner Cases
    5. 17.5 Digital Filter
      1. 17.5.1 Filter Initialization Sequence
    6. 17.6 Using the CMPSS
      1. 17.6.1 LATCHCLR, EPWMSYNCPER, and EPWMBLANK Signals
      2. 17.6.2 Synchronizer, Digital Filter, and Latch Delays
      3. 17.6.3 Calibrating the CMPSS
      4. 17.6.4 Enabling and Disabling the CMPSS Clock
    7. 17.7 CMPSS DAC Output
    8. 17.8 Software
      1. 17.8.1 CMPSS Registers to Driverlib Functions
      2. 17.8.2 CMPSS Examples
        1. 17.8.2.1 CMPSS Asynchronous Trip
        2. 17.8.2.2 CMPSS Digital Filter Configuration
    9. 17.9 CMPSS Registers
      1. 17.9.1 CMPSS Base Address Table
      2. 17.9.2 CMPSS_REGS Registers
  20. 18Programmable Gain Amplifier (PGA)
    1. 18.1  Programmable Gain Amplifier (PGA) Overview
      1. 18.1.1 Features
      2. 18.1.2 Block Diagram
    2. 18.2  Linear Output Range
    3. 18.3  Gain Values
    4. 18.4  Modes of Operation
      1. 18.4.1 Buffer Mode
      2. 18.4.2 Standalone Mode
      3. 18.4.3 Non-inverting Mode
      4. 18.4.4 Subtractor Mode
    5. 18.5  External Filtering
      1. 18.5.1 Low-Pass Filter Using Internal Filter Resistor and External Capacitor
      2. 18.5.2 Single Pole Low-Pass Filter Using Internal Gain Resistor and External Capacitor
    6. 18.6  Error Calibration
      1. 18.6.1 Offset Error
      2. 18.6.2 Gain Error
    7. 18.7  Chopping Feature
    8. 18.8  Enabling and Disabling the PGA Clock
    9. 18.9  Lock Register
    10. 18.10 Analog Front-End Integration
      1. 18.10.1 Buffered DAC
      2. 18.10.2 Analog-to-Digital Converter (ADC)
        1. 18.10.2.1 Unfiltered Acquisition Window
        2. 18.10.2.2 Filtered Acquisition Window
      3. 18.10.3 Comparator Subsystem (CMPSS)
      4. 18.10.4 PGA_NEG_SHARED Feature
      5. 18.10.5 Alternate Functions
    11. 18.11 Examples
      1. 18.11.1 Non-Inverting Amplifier Using Non-Inverting Mode
      2. 18.11.2 Buffer Mode
      3. 18.11.3 Low-Side Current Sensing
      4. 18.11.4 Bidirectional Current Sensing
    12. 18.12 Software
      1. 18.12.1 PGA Registers to Driverlib Functions
      2. 18.12.2 PGA Examples
        1. 18.12.2.1 PGA DAC-ADC External Loopback Example
    13. 18.13 PGA Registers
      1. 18.13.1 PGA Base Address Table
      2. 18.13.2 PGA_REGS Registers
  21. 19Enhanced Pulse Width Modulator (ePWM)
    1. 19.1  Introduction
      1. 19.1.1 EPWM Related Collateral
      2. 19.1.2 Submodule Overview
    2. 19.2  Configuring Device Pins
    3. 19.3  ePWM Modules Overview
    4. 19.4  Time-Base (TB) Submodule
      1. 19.4.1 Purpose of the Time-Base Submodule
      2. 19.4.2 Controlling and Monitoring the Time-Base Submodule
      3. 19.4.3 Calculating PWM Period and Frequency
        1. 19.4.3.1 Time-Base Period Shadow Register
        2. 19.4.3.2 Time-Base Clock Synchronization
        3. 19.4.3.3 Time-Base Counter Synchronization
        4. 19.4.3.4 ePWM SYNC Selection
      4. 19.4.4 Phase Locking the Time-Base Clocks of Multiple ePWM Modules
      5. 19.4.5 Simultaneous Writes to TBPRD and CMPx Registers Between ePWM Modules
      6. 19.4.6 Time-Base Counter Modes and Timing Waveforms
      7. 19.4.7 Global Load
        1. 19.4.7.1 Global Load Pulse Pre-Scalar
        2. 19.4.7.2 One-Shot Load Mode
        3. 19.4.7.3 One-Shot Sync Mode
    5. 19.5  Counter-Compare (CC) Submodule
      1. 19.5.1 Purpose of the Counter-Compare Submodule
      2. 19.5.2 Controlling and Monitoring the Counter-Compare Submodule
      3. 19.5.3 Operational Highlights for the Counter-Compare Submodule
      4. 19.5.4 Count Mode Timing Waveforms
    6. 19.6  Action-Qualifier (AQ) Submodule
      1. 19.6.1 Purpose of the Action-Qualifier Submodule
      2. 19.6.2 Action-Qualifier Submodule Control and Status Register Definitions
      3. 19.6.3 Action-Qualifier Event Priority
      4. 19.6.4 AQCTLA and AQCTLB Shadow Mode Operations
      5. 19.6.5 Configuration Requirements for Common Waveforms
    7. 19.7  Dead-Band Generator (DB) Submodule
      1. 19.7.1 Purpose of the Dead-Band Submodule
      2. 19.7.2 Dead-band Submodule Additional Operating Modes
      3. 19.7.3 Operational Highlights for the Dead-Band Submodule
    8. 19.8  PWM Chopper (PC) Submodule
      1. 19.8.1 Purpose of the PWM Chopper Submodule
      2. 19.8.2 Operational Highlights for the PWM Chopper Submodule
      3. 19.8.3 Waveforms
        1. 19.8.3.1 One-Shot Pulse
        2. 19.8.3.2 Duty Cycle Control
    9. 19.9  Trip-Zone (TZ) Submodule
      1. 19.9.1 Purpose of the Trip-Zone Submodule
      2. 19.9.2 Operational Highlights for the Trip-Zone Submodule
        1. 19.9.2.1 Trip-Zone Configurations
      3. 19.9.3 Generating Trip Event Interrupts
    10. 19.10 Event-Trigger (ET) Submodule
      1. 19.10.1 Operational Overview of the ePWM Event-Trigger Submodule
    11. 19.11 Digital Compare (DC) Submodule
      1. 19.11.1 Purpose of the Digital Compare Submodule
      2. 19.11.2 Enhanced Trip Action Using CMPSS
      3. 19.11.3 Using CMPSS to Trip the ePWM on a Cycle-by-Cycle Basis
      4. 19.11.4 Operation Highlights of the Digital Compare Submodule
        1. 19.11.4.1 Digital Compare Events
        2. 19.11.4.2 Event Filtering
        3. 19.11.4.3 Valley Switching
    12. 19.12 ePWM Crossbar (X-BAR)
    13. 19.13 Applications to Power Topologies
      1. 19.13.1  Overview of Multiple Modules
      2. 19.13.2  Key Configuration Capabilities
      3. 19.13.3  Controlling Multiple Buck Converters With Independent Frequencies
      4. 19.13.4  Controlling Multiple Buck Converters With Same Frequencies
      5. 19.13.5  Controlling Multiple Half H-Bridge (HHB) Converters
      6. 19.13.6  Controlling Dual 3-Phase Inverters for Motors (ACI and PMSM)
      7. 19.13.7  Practical Applications Using Phase Control Between PWM Modules
      8. 19.13.8  Controlling a 3-Phase Interleaved DC/DC Converter
      9. 19.13.9  Controlling Zero Voltage Switched Full Bridge (ZVSFB) Converter
      10. 19.13.10 Controlling a Peak Current Mode Controlled Buck Module
      11. 19.13.11 Controlling H-Bridge LLC Resonant Converter
    14. 19.14 Register Lock Protection
    15. 19.15 High-Resolution Pulse Width Modulator (HRPWM)
      1. 19.15.1 Operational Description of HRPWM
        1. 19.15.1.1 Controlling the HRPWM Capabilities
        2. 19.15.1.2 HRPWM Source Clock
        3. 19.15.1.3 Configuring the HRPWM
        4. 19.15.1.4 Configuring High-Resolution in Deadband Rising-Edge and Falling-Edge Delay
        5. 19.15.1.5 Principle of Operation
          1. 19.15.1.5.1 Edge Positioning
          2. 19.15.1.5.2 Scaling Considerations
          3. 19.15.1.5.3 Duty Cycle Range Limitation
          4. 19.15.1.5.4 High-Resolution Period
            1. 19.15.1.5.4.1 High-Resolution Period Configuration
        6. 19.15.1.6 Deadband High-Resolution Operation
        7. 19.15.1.7 Scale Factor Optimizing Software (SFO)
        8. 19.15.1.8 HRPWM Examples Using Optimized Assembly Code
          1. 19.15.1.8.1 #Defines for HRPWM Header Files
          2. 19.15.1.8.2 Implementing a Simple Buck Converter
            1. 19.15.1.8.2.1 HRPWM Buck Converter Initialization Code
            2. 19.15.1.8.2.2 HRPWM Buck Converter Run-Time Code
          3. 19.15.1.8.3 Implementing a DAC Function Using an R+C Reconstruction Filter
            1. 19.15.1.8.3.1 PWM DAC Function Initialization Code
            2. 19.15.1.8.3.2 PWM DAC Function Run-Time Code
      2. 19.15.2 SFO Library Software - SFO_TI_Build_V8.lib
        1. 19.15.2.1 Scale Factor Optimizer Function - int SFO()
        2. 19.15.2.2 Software Usage
          1. 19.15.2.2.1 A Sample of How to Add "Include" Files
          2.        927
          3. 19.15.2.2.2 Declaring an Element
          4.        929
          5. 19.15.2.2.3 Initializing With a Scale Factor Value
          6.        931
          7. 19.15.2.2.4 SFO Function Calls
    16. 19.16 Software
      1. 19.16.1 EPWM Registers to Driverlib Functions
      2. 19.16.2 HRPWM Registers to Driverlib Functions
      3. 19.16.3 EPWM Examples
        1. 19.16.3.1  ePWM Trip Zone
        2. 19.16.3.2  ePWM Up Down Count Action Qualifier
        3. 19.16.3.3  ePWM Synchronization
        4. 19.16.3.4  ePWM Digital Compare
        5. 19.16.3.5  ePWM Digital Compare Event Filter Blanking Window
        6. 19.16.3.6  ePWM Valley Switching
        7. 19.16.3.7  ePWM Digital Compare Edge Filter
        8. 19.16.3.8  ePWM Deadband
        9. 19.16.3.9  ePWM DMA
        10. 19.16.3.10 ePWM Chopper
        11. 19.16.3.11 EPWM Configure Signal
        12. 19.16.3.12 Realization of Monoshot mode
        13. 19.16.3.13 EPWM Action Qualifier (epwm_up_aq)
      4. 19.16.4 HRPWM Examples
        1. 19.16.4.1 HRPWM Duty Control with SFO
        2. 19.16.4.2 HRPWM Slider
        3. 19.16.4.3 HRPWM Period Control
        4. 19.16.4.4 HRPWM Duty Control with UPDOWN Mode
        5. 19.16.4.5 HRPWM Slider Test
        6. 19.16.4.6 HRPWM Duty Up Count
        7. 19.16.4.7 HRPWM Period Up-Down Count
    17. 19.17 EPWM Registers
      1. 19.17.1 EPWM Base Address Table
      2. 19.17.2 EPWM_REGS Registers
  22. 20Enhanced Capture (eCAP)
    1. 20.1 Introduction
      1. 20.1.1 Features
      2. 20.1.2 ECAP Related Collateral
    2. 20.2 Description
    3. 20.3 Configuring Device Pins for the eCAP
    4. 20.4 Capture and APWM Operating Mode
    5. 20.5 Capture Mode Description
      1. 20.5.1  Event Prescaler
      2. 20.5.2  Edge Polarity Select and Qualifier
      3. 20.5.3  Continuous/One-Shot Control
      4. 20.5.4  32-Bit Counter and Phase Control
      5. 20.5.5  CAP1-CAP4 Registers
      6. 20.5.6  eCAP Synchronization
        1. 20.5.6.1 Example 1 - Using SWSYNC with ECAP Module
      7. 20.5.7  Interrupt Control
      8. 20.5.8  DMA Interrupt
      9. 20.5.9  Shadow Load and Lockout Control
      10. 20.5.10 APWM Mode Operation
    6. 20.6 Application of the eCAP Module
      1. 20.6.1 Example 1 - Absolute Time-Stamp Operation Rising-Edge Trigger
      2. 20.6.2 Example 2 - Absolute Time-Stamp Operation Rising- and Falling-Edge Trigger
      3. 20.6.3 Example 3 - Time Difference (Delta) Operation Rising-Edge Trigger
      4. 20.6.4 Example 4 - Time Difference (Delta) Operation Rising- and Falling-Edge Trigger
    7. 20.7 Application of the APWM Mode
      1. 20.7.1 Example 1 - Simple PWM Generation (Independent Channels)
    8. 20.8 Software
      1. 20.8.1 ECAP Registers to Driverlib Functions
      2. 20.8.2 ECAP Examples
        1. 20.8.2.1 eCAP APWM Example
        2. 20.8.2.2 eCAP Capture PWM Example
        3. 20.8.2.3 eCAP APWM Phase-shift Example
    9. 20.9 ECAP Registers
      1. 20.9.1 ECAP Base Address Table
      2. 20.9.2 ECAP_REGS Registers
  23. 21Enhanced Quadrature Encoder Pulse (eQEP)
    1. 21.1  Introduction
      1. 21.1.1 EQEP Related Collateral
    2. 21.2  Configuring Device Pins
    3. 21.3  Description
      1. 21.3.1 EQEP Inputs
      2. 21.3.2 Functional Description
      3. 21.3.3 eQEP Memory Map
    4. 21.4  Quadrature Decoder Unit (QDU)
      1. 21.4.1 Position Counter Input Modes
        1. 21.4.1.1 Quadrature Count Mode
        2. 21.4.1.2 Direction-Count Mode
        3. 21.4.1.3 Up-Count Mode
        4. 21.4.1.4 Down-Count Mode
      2. 21.4.2 eQEP Input Polarity Selection
      3. 21.4.3 Position-Compare Sync Output
    5. 21.5  Position Counter and Control Unit (PCCU)
      1. 21.5.1 Position Counter Operating Modes
        1. 21.5.1.1 Position Counter Reset on Index Event (QEPCTL[PCRM] = 00)
        2. 21.5.1.2 Position Counter Reset on Maximum Position (QEPCTL[PCRM] = 01)
        3. 21.5.1.3 Position Counter Reset on the First Index Event (QEPCTL[PCRM] = 10)
        4. 21.5.1.4 Position Counter Reset on Unit Time-out Event (QEPCTL[PCRM] = 11)
      2. 21.5.2 Position Counter Latch
        1. 21.5.2.1 Index Event Latch
        2. 21.5.2.2 Strobe Event Latch
      3. 21.5.3 Position Counter Initialization
      4. 21.5.4 eQEP Position-compare Unit
    6. 21.6  eQEP Edge Capture Unit
    7. 21.7  eQEP Watchdog
    8. 21.8  eQEP Unit Timer Base
    9. 21.9  QMA Module
      1. 21.9.1 Modes of Operation
        1. 21.9.1.1 QMA Mode-1 (QMACTRL[MODE] = 1)
        2. 21.9.1.2 QMA Mode-2 (QMACTRL[MODE] = 2)
      2. 21.9.2 Interrupt and Error Generation
    10. 21.10 eQEP Interrupt Structure
    11. 21.11 Software
      1. 21.11.1 EQEP Registers to Driverlib Functions
      2. 21.11.2 EQEP Examples
        1. 21.11.2.1 Frequency Measurement Using eQEP
        2. 21.11.2.2 Position and Speed Measurement Using eQEP
        3. 21.11.2.3 Frequency Measurement Using eQEP via unit timeout interrupt
        4. 21.11.2.4 Motor speed and direction measurement using eQEP via unit timeout interrupt
    12. 21.12 EQEP Registers
      1. 21.12.1 EQEP Base Address Table
      2. 21.12.2 EQEP_REGS Registers
  24. 22Serial Peripheral Interface (SPI)
    1. 22.1 Introduction
      1. 22.1.1 Features
      2. 22.1.2 SPI Related Collateral
      3. 22.1.3 Block Diagram
    2. 22.2 System-Level Integration
      1. 22.2.1 SPI Module Signals
      2. 22.2.2 Configuring Device Pins
        1. 22.2.2.1 GPIOs Required for High-Speed Mode
      3. 22.2.3 SPI Interrupts
      4. 22.2.4 DMA Support
    3. 22.3 SPI Operation
      1. 22.3.1  Introduction to Operation
      2. 22.3.2  Controller Mode
      3. 22.3.3  Peripheral Mode
      4. 22.3.4  Data Format
        1. 22.3.4.1 Transmission of Bit from SPIRXBUF
      5. 22.3.5  Baud Rate Selection
        1. 22.3.5.1 Baud Rate Determination
        2. 22.3.5.2 Baud Rate Calculation in Non-High Speed Mode (HS_MODE = 0)
      6. 22.3.6  SPI Clocking Schemes
      7. 22.3.7  SPI FIFO Description
      8. 22.3.8  SPI DMA Transfers
        1. 22.3.8.1 Transmitting Data Using SPI with DMA
        2. 22.3.8.2 Receiving Data Using SPI with DMA
      9. 22.3.9  SPI High-Speed Mode
      10. 22.3.10 SPI 3-Wire Mode Description
    4. 22.4 Programming Procedure
      1. 22.4.1 Initialization Upon Reset
      2. 22.4.2 Configuring the SPI
      3. 22.4.3 Configuring the SPI for High-Speed Mode
      4. 22.4.4 Data Transfer Example
      5. 22.4.5 SPI 3-Wire Mode Code Examples
        1. 22.4.5.1 3-Wire Controller Mode Transmit
        2.       1076
          1. 22.4.5.2.1 3-Wire Controller Mode Receive
        3.       1078
          1. 22.4.5.2.1 3-Wire Peripheral Mode Transmit
        4.       1080
          1. 22.4.5.2.1 3-Wire Peripheral Mode Receive
      6. 22.4.6 SPI STEINV Bit in Digital Audio Transfers
    5. 22.5 Software
      1. 22.5.1 SPI Registers to Driverlib Functions
      2. 22.5.2 SPI Examples
        1. 22.5.2.1 SPI Digital Loopback
        2. 22.5.2.2 SPI Digital Loopback with FIFO Interrupts
        3. 22.5.2.3 SPI Digital External Loopback without FIFO Interrupts
        4. 22.5.2.4 SPI Digital External Loopback with FIFO Interrupts
        5. 22.5.2.5 SPI Digital Loopback with DMA
        6. 22.5.2.6 SPI EEPROM
        7. 22.5.2.7 SPI DMA EEPROM
    6. 22.6 SPI Registers
      1. 22.6.1 SPI Base Address Table
      2. 22.6.2 SPI_REGS Registers
  25. 23Serial Communications Interface (SCI)
    1. 23.1  Introduction
      1. 23.1.1 Features
      2. 23.1.2 SCI Related Collateral
      3. 23.1.3 Block Diagram
    2. 23.2  Architecture
    3. 23.3  SCI Module Signal Summary
    4. 23.4  Configuring Device Pins
    5. 23.5  Multiprocessor and Asynchronous Communication Modes
    6. 23.6  SCI Programmable Data Format
    7. 23.7  SCI Multiprocessor Communication
      1. 23.7.1 Recognizing the Address Byte
      2. 23.7.2 Controlling the SCI TX and RX Features
      3. 23.7.3 Receipt Sequence
    8. 23.8  Idle-Line Multiprocessor Mode
      1. 23.8.1 Idle-Line Mode Steps
      2. 23.8.2 Block Start Signal
      3. 23.8.3 Wake-Up Temporary (WUT) Flag
        1. 23.8.3.1 Sending a Block Start Signal
      4. 23.8.4 Receiver Operation
    9. 23.9  Address-Bit Multiprocessor Mode
      1. 23.9.1 Sending an Address
    10. 23.10 SCI Communication Format
      1. 23.10.1 Receiver Signals in Communication Modes
      2. 23.10.2 Transmitter Signals in Communication Modes
    11. 23.11 SCI Port Interrupts
      1. 23.11.1 Break Detect
    12. 23.12 SCI Baud Rate Calculations
    13. 23.13 SCI Enhanced Features
      1. 23.13.1 SCI FIFO Description
      2. 23.13.2 SCI Auto-Baud
      3. 23.13.3 Autobaud-Detect Sequence
    14. 23.14 Software
      1. 23.14.1 SCI Registers to Driverlib Functions
      2. 23.14.2 SCI Examples
        1. 23.14.2.1 Tune Baud Rate via UART Example
        2. 23.14.2.2 SCI FIFO Digital Loop Back
        3. 23.14.2.3 SCI Digital Loop Back with Interrupts
        4. 23.14.2.4 SCI Echoback
        5. 23.14.2.5 stdout redirect example
    15. 23.15 SCI Registers
      1. 23.15.1 SCI Base Address Table
      2. 23.15.2 SCI_REGS Registers
  26. 24Universal Serial Bus (USB) Controller
    1. 24.1 Introduction
      1. 24.1.1 Features
      2. 24.1.2 USB Related Collateral
      3. 24.1.3 Block Diagram
        1. 24.1.3.1 Signal Description
        2. 24.1.3.2 VBus Recommendations
    2. 24.2 Functional Description
      1. 24.2.1 Operation as a Device
        1. 24.2.1.1 Control and Configurable Endpoints
          1. 24.2.1.1.1 IN Transactions as a Device
          2. 24.2.1.1.2 Out Transactions as a Device
          3. 24.2.1.1.3 Scheduling
          4. 24.2.1.1.4 Additional Actions
          5. 24.2.1.1.5 Device Mode Suspend
          6. 24.2.1.1.6 Start of Frame
          7. 24.2.1.1.7 USB Reset
          8. 24.2.1.1.8 Connect/Disconnect
      2. 24.2.2 Operation as a Host
        1. 24.2.2.1 Endpoint Registers
        2. 24.2.2.2 IN Transactions as a Host
        3. 24.2.2.3 OUT Transactions as a Host
        4. 24.2.2.4 Transaction Scheduling
        5. 24.2.2.5 USB Hubs
        6. 24.2.2.6 Babble
        7. 24.2.2.7 Host SUSPEND
        8. 24.2.2.8 USB RESET
        9. 24.2.2.9 Connect/Disconnect
      3. 24.2.3 DMA Operation
      4. 24.2.4 Address/Data Bus Bridge
    3. 24.3 Initialization and Configuration
      1. 24.3.1 Pin Configuration
      2. 24.3.2 Endpoint Configuration
    4. 24.4 USB Global Interrupts
    5. 24.5 Software
      1. 24.5.1 USB Registers to Driverlib Functions
      2. 24.5.2 USB Examples
        1. 24.5.2.1  USB CDC serial example
        2. 24.5.2.2  USB HID Mouse Device
        3. 24.5.2.3  USB Device Keyboard
        4. 24.5.2.4  USB Generic Bulk Device
        5. 24.5.2.5  USB HID Mouse Host
        6. 24.5.2.6  USB HID Keyboard Host
        7. 24.5.2.7  USB Mass Storage Class Host
        8. 24.5.2.8  USB Dual Detect
        9. 24.5.2.9  USB Throughput Bulk Device Example (usb_ex9_throughput_dev_bulk)
        10. 24.5.2.10 USB HUB Host example
    6. 24.6 USB Registers
      1. 24.6.1 USB Base Address Table
      2. 24.6.2 USB_REGS Registers
  27. 25Fast Serial Interface (FSI)
    1. 25.1 Introduction
      1. 25.1.1 FSI Related Collateral
      2. 25.1.2 FSI Features
    2. 25.2 System-level Integration
      1. 25.2.1 CPU Interface
      2. 25.2.2 Signal Description
        1. 25.2.2.1 Configuring Device Pins
      3. 25.2.3 FSI Interrupts
        1. 25.2.3.1 Transmitter Interrupts
        2. 25.2.3.2 Receiver Interrupts
        3. 25.2.3.3 Configuring Interrupts
        4. 25.2.3.4 Handling Interrupts
      4. 25.2.4 CLA Task Triggering
      5. 25.2.5 DMA Interface
      6. 25.2.6 External Frame Trigger Mux
    3. 25.3 FSI Functional Description
      1. 25.3.1  Introduction to Operation
      2. 25.3.2  FSI Transmitter Module
        1. 25.3.2.1 Initialization
        2. 25.3.2.2 FSI_TX Clocking
        3. 25.3.2.3 Transmitting Frames
          1. 25.3.2.3.1 Software Triggered Frames
          2. 25.3.2.3.2 Externally Triggered Frames
          3. 25.3.2.3.3 Ping Frame Generation
            1. 25.3.2.3.3.1 Automatic Ping Frames
            2. 25.3.2.3.3.2 Software Triggered Ping Frame
            3. 25.3.2.3.3.3 Externally Triggered Ping Frame
          4. 25.3.2.3.4 Transmitting Frames with DMA
        4. 25.3.2.4 Transmit Buffer Management
        5. 25.3.2.5 CRC Submodule
        6. 25.3.2.6 Conditions in Which the Transmitter Must Undergo a Soft Reset
        7. 25.3.2.7 Reset
      3. 25.3.3  FSI Receiver Module
        1. 25.3.3.1  Initialization
        2. 25.3.3.2  FSI_RX Clocking
        3. 25.3.3.3  Receiving Frames
          1. 25.3.3.3.1 Receiving Frames with DMA
        4. 25.3.3.4  Ping Frame Watchdog
        5. 25.3.3.5  Frame Watchdog
        6. 25.3.3.6  Delay Line Control
        7. 25.3.3.7  Buffer Management
        8. 25.3.3.8  CRC Submodule
        9. 25.3.3.9  Using the Zero Bits of the Receiver Tag Registers
        10. 25.3.3.10 Conditions in Which the Receiver Must Undergo a Soft Reset
        11. 25.3.3.11 FSI_RX Reset
      4. 25.3.4  Frame Format
        1. 25.3.4.1 FSI Frame Phases
        2. 25.3.4.2 Frame Types
          1. 25.3.4.2.1 Ping Frames
          2. 25.3.4.2.2 Error Frames
          3. 25.3.4.2.3 Data Frames
        3. 25.3.4.3 Multi-Lane Transmission
      5. 25.3.5  Flush Sequence
      6. 25.3.6  Internal Loopback
      7. 25.3.7  CRC Generation
      8. 25.3.8  ECC Module
      9. 25.3.9  Tag Matching
      10. 25.3.10 User Data Filtering (UDATA Matching)
      11. 25.3.11 TDM Configurations
      12. 25.3.12 FSI Trigger Generation
      13. 25.3.13 FSI-SPI Compatibility Mode
        1. 25.3.13.1 Available SPI Modes
          1. 25.3.13.1.1 FSITX as SPI Controller, Transmit Only
            1. 25.3.13.1.1.1 Initialization
            2. 25.3.13.1.1.2 Operation
          2. 25.3.13.1.2 FSIRX as SPI Peripheral, Receive Only
            1. 25.3.13.1.2.1 Initialization
            2. 25.3.13.1.2.2 Operation
          3. 25.3.13.1.3 FSITX and FSIRX Emulating a Full Duplex SPI Controller
            1. 25.3.13.1.3.1 Initialization
            2. 25.3.13.1.3.2 Operation
    4. 25.4 FSI Programing Guide
      1. 25.4.1 Establishing the Communication Link
        1. 25.4.1.1 Establishing the Communication Link from the Main Device
        2. 25.4.1.2 Establishing the Communication Link from the Remote Device
      2. 25.4.2 Register Protection
      3. 25.4.3 Emulation Mode
    5. 25.5 Software
      1. 25.5.1 FSI Registers to Driverlib Functions
      2. 25.5.2 FSI Examples
        1. 25.5.2.1 FSI Loopback:CPU Control
        2. 25.5.2.2 FSI DMA frame transfers:DMA Control
        3. 25.5.2.3 FSI data transfer by external trigger
        4. 25.5.2.4 FSI data transfers upon CPU Timer event
        5. 25.5.2.5 FSI and SPI communication(fsi_ex6_spi_main_tx)
        6. 25.5.2.6 FSI and SPI communication(fsi_ex7_spi_remote_rx)
        7. 25.5.2.7 FSI P2Point Connection:Rx Side
        8. 25.5.2.8 FSI P2Point Connection:Tx Side
    6. 25.6 FSI Registers
      1. 25.6.1 FSI Base Address Table
      2. 25.6.2 FSI_TX_REGS Registers
      3. 25.6.3 FSI_RX_REGS Registers
  28. 26Inter-Integrated Circuit Module (I2C)
    1. 26.1 Introduction
      1. 26.1.1 I2C Related Collateral
      2. 26.1.2 Features
      3. 26.1.3 Features Not Supported
      4. 26.1.4 Functional Overview
      5. 26.1.5 Clock Generation
      6. 26.1.6 I2C Clock Divider Registers (I2CCLKL and I2CCLKH)
        1. 26.1.6.1 Formula for the Controller Clock Period
    2. 26.2 Configuring Device Pins
    3. 26.3 I2C Module Operational Details
      1. 26.3.1  Input and Output Voltage Levels
      2. 26.3.2  Selecting Pullup Resistors
      3. 26.3.3  Data Validity
      4. 26.3.4  Operating Modes
      5. 26.3.5  I2C Module START and STOP Conditions
      6. 26.3.6  Non-repeat Mode versus Repeat Mode
      7. 26.3.7  Serial Data Formats
        1. 26.3.7.1 7-Bit Addressing Format
        2. 26.3.7.2 10-Bit Addressing Format
        3. 26.3.7.3 Free Data Format
        4. 26.3.7.4 Using a Repeated START Condition
      8. 26.3.8  Clock Synchronization
      9. 26.3.9  Clock Stretching
      10. 26.3.10 Arbitration
      11. 26.3.11 Digital Loopback Mode
      12. 26.3.12 NACK Bit Generation
    4. 26.4 Interrupt Requests Generated by the I2C Module
      1. 26.4.1 Basic I2C Interrupt Requests
      2. 26.4.2 I2C FIFO Interrupts
    5. 26.5 Resetting or Disabling the I2C Module
    6. 26.6 Software
      1. 26.6.1 I2C Registers to Driverlib Functions
      2. 26.6.2 I2C Examples
        1. 26.6.2.1  C28x-I2C Library source file for FIFO interrupts
        2. 26.6.2.2  C28x-I2C Library source file for FIFO interrupts
        3. 26.6.2.3  C28x-I2C Library source file for FIFO using polling
        4. 26.6.2.4  I2C Digital Loopback with FIFO Interrupts
        5. 26.6.2.5  I2C EEPROM
        6. 26.6.2.6  I2C Digital External Loopback with FIFO Interrupts
        7. 26.6.2.7  I2C EEPROM
        8. 26.6.2.8  I2C controller target communication using FIFO interrupts
        9. 26.6.2.9  I2C EEPROM
        10. 26.6.2.10 I2C Extended Clock Stretching Controller TX
        11. 26.6.2.11 I2C Extended Clock Stretching Target RX
    7. 26.7 I2C Registers
      1. 26.7.1 I2C Base Address Table
      2. 26.7.2 I2C_REGS Registers
  29. 27Power Management Bus Module (PMBus)
    1. 27.1 Introduction
      1. 27.1.1 PMBUS Related Collateral
      2. 27.1.2 Features
      3. 27.1.3 Block Diagram
    2. 27.2 Configuring Device Pins
    3. 27.3 Target Mode Operation
      1. 27.3.1 Configuration
      2. 27.3.2 Message Handling
        1. 27.3.2.1  Quick Command
        2. 27.3.2.2  Send Byte
        3. 27.3.2.3  Receive Byte
        4. 27.3.2.4  Write Byte and Write Word
        5. 27.3.2.5  Read Byte and Read Word
        6. 27.3.2.6  Process Call
        7. 27.3.2.7  Block Write
        8. 27.3.2.8  Block Read
        9. 27.3.2.9  Block Write-Block Read Process Call
        10. 27.3.2.10 Alert Response
        11. 27.3.2.11 Extended Command
        12. 27.3.2.12 Group Command
    4. 27.4 Controller Mode Operation
      1. 27.4.1 Configuration
      2. 27.4.2 Message Handling
        1. 27.4.2.1  Quick Command
        2. 27.4.2.2  Send Byte
        3. 27.4.2.3  Receive Byte
        4. 27.4.2.4  Write Byte and Write Word
        5. 27.4.2.5  Read Byte and Read Word
        6. 27.4.2.6  Process Call
        7. 27.4.2.7  Block Write
        8. 27.4.2.8  Block Read
        9. 27.4.2.9  Block Write-Block Read Process Call
        10. 27.4.2.10 Alert Response
        11. 27.4.2.11 Extended Command
        12. 27.4.2.12 Group Command
    5. 27.5 Software
      1. 27.5.1 PMBUS Registers to Driverlib Functions
    6. 27.6 PMBUS Registers
      1. 27.6.1 PMBUS Base Address Table
      2. 27.6.2 PMBUS_REGS Registers
  30. 28Modular Controller Area Network (MCAN)
    1. 28.1 MCAN Introduction
      1. 28.1.1 MCAN Related Collateral
      2. 28.1.2 MCAN Features
    2. 28.2 MCAN Environment
    3. 28.3 CAN Network Basics
    4. 28.4 MCAN Integration
    5. 28.5 MCAN Functional Description
      1. 28.5.1  Module Clocking Requirements
      2. 28.5.2  Interrupt Requests
      3. 28.5.3  Operating Modes
        1. 28.5.3.1 Software Initialization
        2. 28.5.3.2 Normal Operation
        3. 28.5.3.3 CAN FD Operation
      4. 28.5.4  Transmitter Delay Compensation
        1. 28.5.4.1 Description
        2. 28.5.4.2 Transmitter Delay Compensation Measurement
      5. 28.5.5  Restricted Operation Mode
      6. 28.5.6  Bus Monitoring Mode
      7. 28.5.7  Disabled Automatic Retransmission (DAR) Mode
        1. 28.5.7.1 Frame Transmission in DAR Mode
      8. 28.5.8  Clock Stop Mode
        1. 28.5.8.1 Suspend Mode
        2. 28.5.8.2 Wakeup Request
      9. 28.5.9  Test Modes
        1. 28.5.9.1 External Loop Back Mode
        2. 28.5.9.2 Internal Loop Back Mode
      10. 28.5.10 Timestamp Generation
        1. 28.5.10.1 External Timestamp Counter
      11. 28.5.11 Timeout Counter
      12. 28.5.12 Safety
        1. 28.5.12.1 ECC Wrapper
        2. 28.5.12.2 ECC Aggregator
          1. 28.5.12.2.1 ECC Aggregator Overview
          2. 28.5.12.2.2 ECC Aggregator Registers
        3. 28.5.12.3 Reads to ECC Control and Status Registers
        4. 28.5.12.4 ECC Interrupts
      13. 28.5.13 Rx Handling
        1. 28.5.13.1 Acceptance Filtering
          1. 28.5.13.1.1 Range Filter
          2. 28.5.13.1.2 Filter for Specific IDs
          3. 28.5.13.1.3 Classic Bit Mask Filter
          4. 28.5.13.1.4 Standard Message ID Filtering
          5. 28.5.13.1.5 Extended Message ID Filtering
        2. 28.5.13.2 Rx FIFOs
          1. 28.5.13.2.1 Rx FIFO Blocking Mode
          2. 28.5.13.2.2 Rx FIFO Overwrite Mode
        3. 28.5.13.3 Dedicated Rx Buffers
          1. 28.5.13.3.1 Rx Buffer Handling
      14. 28.5.14 Tx Handling
        1. 28.5.14.1 Transmit Pause
        2. 28.5.14.2 Dedicated Tx Buffers
        3. 28.5.14.3 Tx FIFO
        4. 28.5.14.4 Tx Queue
        5. 28.5.14.5 Mixed Dedicated Tx Buffers/Tx FIFO
        6. 28.5.14.6 Mixed Dedicated Tx Buffers/Tx Queue
        7. 28.5.14.7 Transmit Cancellation
        8. 28.5.14.8 Tx Event Handling
      15. 28.5.15 FIFO Acknowledge Handling
      16. 28.5.16 Message RAM
        1. 28.5.16.1 Message RAM Configuration
        2. 28.5.16.2 Rx Buffer and FIFO Element
        3. 28.5.16.3 Tx Buffer Element
        4. 28.5.16.4 Tx Event FIFO Element
        5. 28.5.16.5 Standard Message ID Filter Element
        6. 28.5.16.6 Extended Message ID Filter Element
    6. 28.6 Software
      1. 28.6.1 MCAN Registers to Driverlib Functions
      2. 28.6.2 MCAN Examples
        1. 28.6.2.1  MCAN Internal Loopback with Interrupt
        2. 28.6.2.2  MCAN Loopback with Interrupts Example Using SYSCONFIG Tool
        3. 28.6.2.3  MCAN receive using Rx Buffer
        4. 28.6.2.4  MCAN External Reception (with mask filter) into RX-FIFO1
        5. 28.6.2.5  MCAN Classic frames transmission using Tx Buffer
        6. 28.6.2.6  MCAN External Reception (with RANGE filter) into RX-FIFO1
        7. 28.6.2.7  MCAN External Transmit using Tx Buffer
        8. 28.6.2.8  MCAN receive using Rx Buffer
        9. 28.6.2.9  MCAN Internal Loopback with Interrupt
        10. 28.6.2.10 MCAN External Transmit using Tx Buffer
        11. 28.6.2.11 MCAN Internal Loopback with Interrupt
    7. 28.7 MCAN Registers
      1. 28.7.1 MCAN Base Address Table
      2. 28.7.2 MCANSS_REGS Registers
      3. 28.7.3 MCAN_REGS Registers
      4. 28.7.4 MCAN_ERROR_REGS Registers
  31. 29Local Interconnect Network (LIN)
    1. 29.1 LIN Overview
      1. 29.1.1 LIN Mode Features
      2. 29.1.2 SCI Mode Features
      3. 29.1.3 LIN Related Collateral
      4. 29.1.4 Block Diagram
    2. 29.2 Serial Communications Interface Module
      1. 29.2.1 SCI Communication Formats
        1. 29.2.1.1 SCI Frame Formats
        2. 29.2.1.2 SCI Asynchronous Timing Mode
        3. 29.2.1.3 SCI Baud Rate
          1. 29.2.1.3.1 Superfractional Divider, SCI Asynchronous Mode
        4. 29.2.1.4 SCI Multiprocessor Communication Modes
          1. 29.2.1.4.1 Idle-Line Multiprocessor Modes
          2. 29.2.1.4.2 Address-Bit Multiprocessor Mode
        5. 29.2.1.5 SCI Multibuffered Mode
      2. 29.2.2 SCI Interrupts
        1. 29.2.2.1 Transmit Interrupt
        2. 29.2.2.2 Receive Interrupt
        3. 29.2.2.3 WakeUp Interrupt
        4. 29.2.2.4 Error Interrupts
      3. 29.2.3 SCI DMA Interface
        1. 29.2.3.1 Receive DMA Requests
        2. 29.2.3.2 Transmit DMA Requests
      4. 29.2.4 SCI Configurations
        1. 29.2.4.1 Receiving Data
          1. 29.2.4.1.1 Receiving Data in Single-Buffer Mode
          2. 29.2.4.1.2 Receiving Data in Multibuffer Mode
        2. 29.2.4.2 Transmitting Data
          1. 29.2.4.2.1 Transmitting Data in Single-Buffer Mode
          2. 29.2.4.2.2 Transmitting Data in Multibuffer Mode
      5. 29.2.5 SCI Low-Power Mode
        1. 29.2.5.1 Sleep Mode for Multiprocessor Communication
    3. 29.3 Local Interconnect Network Module
      1. 29.3.1 LIN Communication Formats
        1. 29.3.1.1  LIN Standards
        2. 29.3.1.2  Message Frame
          1. 29.3.1.2.1 Message Header
          2. 29.3.1.2.2 Response
        3. 29.3.1.3  Synchronizer
        4. 29.3.1.4  Baud Rate
          1. 29.3.1.4.1 Fractional Divider
          2. 29.3.1.4.2 Superfractional Divider
            1. 29.3.1.4.2.1 Superfractional Divider In LIN Mode
        5. 29.3.1.5  Header Generation
          1. 29.3.1.5.1 Event Triggered Frame Handling
          2. 29.3.1.5.2 Header Reception and Adaptive Baud Rate
        6. 29.3.1.6  Extended Frames Handling
        7. 29.3.1.7  Timeout Control
          1. 29.3.1.7.1 No-Response Error (NRE)
          2. 29.3.1.7.2 Bus Idle Detection
          3. 29.3.1.7.3 Timeout After Wakeup Signal and Timeout After Three Wakeup Signals
        8. 29.3.1.8  TXRX Error Detector (TED)
          1. 29.3.1.8.1 Bit Errors
          2. 29.3.1.8.2 Physical Bus Errors
          3. 29.3.1.8.3 ID Parity Errors
          4. 29.3.1.8.4 Checksum Errors
        9. 29.3.1.9  Message Filtering and Validation
        10. 29.3.1.10 Receive Buffers
        11. 29.3.1.11 Transmit Buffers
      2. 29.3.2 LIN Interrupts
      3. 29.3.3 Servicing LIN Interrupts
      4. 29.3.4 LIN DMA Interface
        1. 29.3.4.1 LIN Receive DMA Requests
        2. 29.3.4.2 LIN Transmit DMA Requests
      5. 29.3.5 LIN Configurations
        1. 29.3.5.1 Receiving Data
          1. 29.3.5.1.1 Receiving Data in Single-Buffer Mode
          2. 29.3.5.1.2 Receiving Data in Multibuffer Mode
        2. 29.3.5.2 Transmitting Data
          1. 29.3.5.2.1 Transmitting Data in Single-Buffer Mode
          2. 29.3.5.2.2 Transmitting Data in Multibuffer Mode
    4. 29.4 Low-Power Mode
      1. 29.4.1 Entering Sleep Mode
      2. 29.4.2 Wakeup
      3. 29.4.3 Wakeup Timeouts
    5. 29.5 Emulation Mode
    6. 29.6 Software
      1. 29.6.1 LIN Registers to Driverlib Functions
      2. 29.6.2 LIN Examples
        1. 29.6.2.1 LIN Internal Loopback with Interrupts
        2. 29.6.2.2 LIN SCI Mode Internal Loopback with Interrupts
        3. 29.6.2.3 LIN SCI MODE Internal Loopback with DMA
        4. 29.6.2.4 LIN Internal Loopback without interrupts(polled mode)
        5. 29.6.2.5 LIN SCI MODE (Single Buffer) Internal Loopback with DMA
    7. 29.7 LIN Registers
      1. 29.7.1 LIN Base Address Table
      2. 29.7.2 LIN_REGS Registers
  32. 30Configurable Logic Block (CLB)
    1. 30.1 Introduction
      1. 30.1.1 CLB Related Collateral
    2. 30.2 Description
      1. 30.2.1 CLB Clock
    3. 30.3 CLB Input/Output Connection
      1. 30.3.1 Overview
      2. 30.3.2 CLB Input Selection
      3. 30.3.3 CLB Output Selection
      4. 30.3.4 CLB Output Signal Multiplexer
    4. 30.4 CLB Tile
      1. 30.4.1 Static Switch Block
      2. 30.4.2 Counter Block
        1. 30.4.2.1 Counter Description
        2. 30.4.2.2 Counter Operation
        3. 30.4.2.3 Serializer Mode
        4. 30.4.2.4 Linear Feedback Shift Register (LFSR) Mode
      3. 30.4.3 FSM Block
      4. 30.4.4 LUT4 Block
      5. 30.4.5 Output LUT Block
      6. 30.4.6 Asynchronous Output Conditioning (AOC) Block
      7. 30.4.7 High Level Controller (HLC)
        1. 30.4.7.1 High Level Controller Events
        2. 30.4.7.2 High Level Controller Instructions
        3. 30.4.7.3 <Src> and <Dest>
        4. 30.4.7.4 Operation of the PUSH and PULL Instructions (Overflow and Underflow Detection)
    5. 30.5 CPU Interface
      1. 30.5.1 Register Description
      2. 30.5.2 Non-Memory Mapped Registers
    6. 30.6 DMA Access
    7. 30.7 CLB Data Export Through SPI RX Buffer
    8. 30.8 Software
      1. 30.8.1 CLB Registers to Driverlib Functions
      2. 30.8.2 CLB Examples
        1. 30.8.2.1  CLB Empty Project
        2. 30.8.2.2  CLB Combinational Logic
        3. 30.8.2.3  CLB GPIO Input Filter
        4. 30.8.2.4  CLB Auxilary PWM
        5. 30.8.2.5  CLB PWM Protection
        6. 30.8.2.6  CLB Event Window
        7. 30.8.2.7  CLB Signal Generator
        8. 30.8.2.8  CLB State Machine
        9. 30.8.2.9  CLB External Signal AND Gate
        10. 30.8.2.10 CLB Timer
        11. 30.8.2.11 CLB Timer Two States
        12. 30.8.2.12 CLB Interrupt Tag
        13. 30.8.2.13 CLB Output Intersect
        14. 30.8.2.14 CLB PUSH PULL
        15. 30.8.2.15 CLB Multi Tile
        16. 30.8.2.16 CLB Tile to Tile Delay
        17. 30.8.2.17 CLB Glue Logic
        18. 30.8.2.18 CLB based One-shot PWM
        19. 30.8.2.19 CLB AOC Control
        20. 30.8.2.20 CLB AOC Release Control
        21. 30.8.2.21 CLB XBARs
        22. 30.8.2.22 CLB AOC Control
        23. 30.8.2.23 CLB Serializer
        24. 30.8.2.24 CLB LFSR
        25. 30.8.2.25 CLB Lock Output Mask
        26. 30.8.2.26 CLB INPUT Pipeline Mode
        27. 30.8.2.27 CLB Clocking and PIPELINE Mode
        28. 30.8.2.28 CLB SPI Data Export
        29. 30.8.2.29 CLB SPI Data Export DMA
        30. 30.8.2.30 CLB Trip Zone Timestamp
        31. 30.8.2.31 CLB CRC
        32. 30.8.2.32 CLB TDM Serial Port
        33. 30.8.2.33 CLB LED Driver
    9. 30.9 CLB Registers
      1. 30.9.1 CLB Base Address Table
      2. 30.9.2 CLB_LOGIC_CONFIG_REGS Registers
      3. 30.9.3 CLB_LOGIC_CONTROL_REGS Registers
      4. 30.9.4 CLB_DATA_EXCHANGE_REGS Registers
  33. 31Advanced Encryption Standard (AES) Accelerator
    1. 31.1 Introduction
      1. 31.1.1 AES Block Diagram
        1. 31.1.1.1 Interfaces
        2. 31.1.1.2 AES Subsystem
        3. 31.1.1.3 AES Wide-Bus Engine
      2. 31.1.2 AES Algorithm
    2. 31.2 AES Operating Modes
      1. 31.2.1  GCM Operation
      2. 31.2.2  CCM Operation
      3. 31.2.3  XTS Operation
      4. 31.2.4  ECB Feedback Mode
      5. 31.2.5  CBC Feedback Mode
      6. 31.2.6  CTR and ICM Feedback Modes
      7. 31.2.7  CFB Mode
      8. 31.2.8  F8 Mode
      9. 31.2.9  F9 Operation
      10. 31.2.10 CBC-MAC Operation
    3. 31.3 Extended and Combined Modes of Operations
      1. 31.3.1 GCM Protocol Operation
      2. 31.3.2 CCM Protocol Operation
      3. 31.3.3 Hardware Requests
    4. 31.4 AES Module Programming Guide
      1. 31.4.1 AES Low-Level Programming Models
        1. 31.4.1.1 Global Initialization
        2. 31.4.1.2 AES Operating Modes Configuration
        3. 31.4.1.3 AES Mode Configurations
        4. 31.4.1.4 AES Events Servicing
    5. 31.5 Software
      1. 31.5.1 AES Registers to Driverlib Functions
      2. 31.5.2 AES_SS Registers to Driverlib Functions
      3. 31.5.3 AES Examples
        1. 31.5.3.1 AES ECB Encryption Example
        2. 31.5.3.2 AES ECB De-cryption Example
        3. 31.5.3.3 AES GCM Encryption Example
        4. 31.5.3.4 AES GCM Decryption Example
        5. 31.5.3.5 AES CBC Encryption Example
        6. 31.5.3.6 AES CBC De-cryption Example
        7. 31.5.3.7 AES CMAC Authentication Example
    6. 31.6 AES Registers
      1. 31.6.1 AES Base Address Table
      2. 31.6.2 AES_REGS Registers
      3. 31.6.3 AES_SS_REGS Registers
  34. 32Embedded Pattern Generator (EPG)
    1. 32.1 Introduction
      1. 32.1.1 Features
      2. 32.1.2 EPG Block Diagram
      3. 32.1.3 EPG Related Collateral
    2. 32.2 Clock Generator Modules
      1. 32.2.1 DCLK (50% duty cycle clock)
      2. 32.2.2 Clock Stop
    3. 32.3 Signal Generator Module
    4. 32.4 EPG Peripheral Signal Mux Selection
    5. 32.5 Application Software Notes
    6. 32.6 EPG Example Use Cases
      1. 32.6.1 EPG Example: Synchronous Clocks with Offset
        1. 32.6.1.1 Synchronous Clocks with Offset Register Configuration
      2. 32.6.2 EPG Example: Serial Data Bit Stream (LSB first)
        1. 32.6.2.1 Serial Data Bit Stream (LSB first) Register Configuration
      3. 32.6.3 EPG Example: Serial Data Bit Stream (MSB first)
        1. 32.6.3.1 Serial Data Bit Stream (MSB first) Register Configuration
    7. 32.7 EPG Interrupt
    8. 32.8 Software
      1. 32.8.1 EPG Registers to Driverlib Functions
      2. 32.8.2 EPG Examples
        1. 32.8.2.1 EPG Generating Synchronous Clocks
        2. 32.8.2.2 EPG Generating Two Offset Clocks
        3. 32.8.2.3 EPG Generating Two Offset Clocks With SIGGEN
        4. 32.8.2.4 EPG Generate Serial Data
        5. 32.8.2.5 EPG Generate Serial Data Shift Mode
    9. 32.9 EPG Registers
      1. 32.9.1 EPG Base Address Table
      2. 32.9.2 EPG_REGS Registers
      3. 32.9.3 EPG_MUX_REGS Registers
  35. 33Revision History

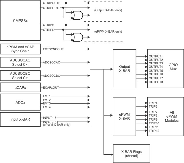
ePWM Crossbar (X-BAR)

Figure 19-57 shows the architecture of the ePWM Crossbar (X-BAR). This module enables selection of various trigger sources into any of the eight dedicated EPWM trips inputs, namely the TRIP4, TRIP5, TRIP7, TRIP8, TRIP9, TRIP10, TRIP11, and TRIP12.

Note: Refer to the Crossbar (X-BAR) chapter for more information on the X-BAR modules, including X-BAR flags.

 

F28P55x ePWM X-BAR Figure 19-57 ePWM X-BAR