ZHCU083I January 2013 – October 2021 TMS320F2802-Q1 , TMS320F28026-Q1 , TMS320F28026F , TMS320F28027-Q1 , TMS320F28027F , TMS320F28027F-Q1 , TMS320F28052-Q1 , TMS320F28052F , TMS320F28052F-Q1 , TMS320F28052M , TMS320F28052M-Q1 , TMS320F28054-Q1 , TMS320F28054F , TMS320F28054F-Q1 , TMS320F28054M , TMS320F28054M-Q1 , TMS320F2806-Q1 , TMS320F28062-Q1 , TMS320F28062F , TMS320F28062F-Q1 , TMS320F28068F , TMS320F28068M , TMS320F28069-Q1 , TMS320F28069F , TMS320F28069F-Q1 , TMS320F28069M , TMS320F28069M-Q1
事实证明 d 轴电流控制与 q 轴电流控制之间并不是相互独立的。在电机内部,q 轴电流会对 d 轴电流产生影响,反之亦然。对于 PMSM,可通过以下微分方程说明这一点。


其中:
从Equation72 可以看出 d 轴电流不仅受 d 轴电流稳压器的输出电压 (Vd) 影响,而且受以 iq 为函数的另一个电压的影响。根据Equation73,Vq 同样要与电压“ω(Ls id + Ke)”竞争,二者共同控制 iq 电流。对于上述两种稳压器,这种交叉耦合效应表现为意外的干扰,在高速瞬态情况下最为显著。要修正这一情况,应将前馈去耦合控制用于各个轴以准确消除上述竞争电压项。此修正会使各个稳压器等效为简单 RL 电路,就好像使用的是 DC 电机。结果即为稳压器拓扑,如图 12-19 所示。为判断该技术是否有效,请考虑图 12-20 的模拟结果,其中显示了在采用以及不采用去耦合补偿的条件下 Q 轴电流的阶跃响应及其如何对 d 轴电流产生影响。
图 11-19 PMSM 的去耦合 PI 控制器
图 11-20 模拟电流稳压器去耦合有效性对于 AC 感应电机,修正会更加复杂一些。用于定义 AC 感应电机运行的微分方程如下所示:


其中:
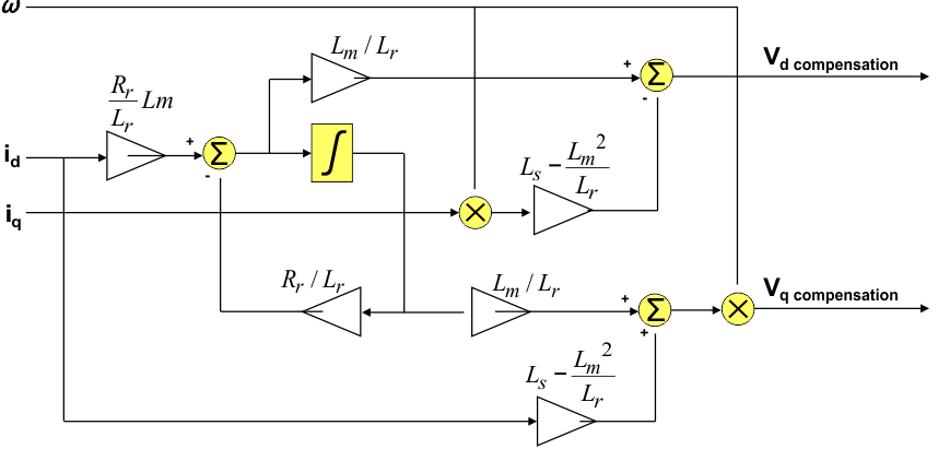
与 PMSM 电机的情况类似,除 Vd 和 Vq 分别竞争对 id 和 iq 的控制外还存在其他电压。因此,可向 Vd 和 Vq 增加补偿电压以消除其他电压项的影响。此会使各个轴等效为简单 RL 电路,就好像使用的是 DC 电机。但如果使用的是 ACIM,请记住,用于计算
和
的电感值等于定子电感乘以漏磁因数 σ,如Equation71 所示。用于向 Id 和 Iq 稳压器输出提供修正电压的补偿模块如图 12-21 所示。
图 11-21 ACIM 轴去耦合所使用的补偿模块