ZHCU083I January 2013 – October 2021 TMS320F2802-Q1 , TMS320F28026-Q1 , TMS320F28026F , TMS320F28027-Q1 , TMS320F28027F , TMS320F28027F-Q1 , TMS320F28052-Q1 , TMS320F28052F , TMS320F28052F-Q1 , TMS320F28052M , TMS320F28052M-Q1 , TMS320F28054-Q1 , TMS320F28054F , TMS320F28054F-Q1 , TMS320F28054M , TMS320F28054M-Q1 , TMS320F2806-Q1 , TMS320F28062-Q1 , TMS320F28062F , TMS320F28062F-Q1 , TMS320F28068F , TMS320F28068M , TMS320F28069-Q1 , TMS320F28069F , TMS320F28069F-Q1 , TMS320F28069M , TMS320F28069M-Q1
低速运转的前提是假定来自电机的反电动势电压非常小。由于 FAST 算法要求使用相电压作为算法的输入,我们鼓励用户对每伏特电压使用最大的 ADC 位数。例如,如果系统的最大输入电压为 400V,则强烈建议电压反馈仅高于该电压,从而在电机的反电动势出现低电压时(即在低速运行期间),ADC 转换器输出提供最大位数值,使估算得到更多信息来支持电机模型。
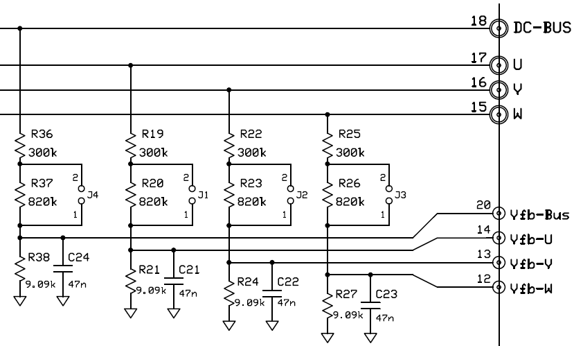
为说明使用每伏最大位数的重要性,请使用 TMDSHVMTRPFCKIT 版本 1.1 实现电压反馈,如图 15-2 所示。
图 14-2 高压套件的电压反馈电路 (TMDSHVMTRPFCKIT)电路的跳线 J1、J2、J3 和 J4 开路(请参阅 PCB 的 M5 部分),当 DC-BUS 为 409.9V 时,将得到最大 3.3V 的 Vfb-Bus。这意味着该电路能够为输入为 409.9V 的电机提供最佳的 ADC 分辨率。不过,如果电机运行在仅 100V 的电压下时,表示电机内部电压的 ADC 分辨率将会非常小,实际上大约为实际值的 ¼。如果已知电机运行电压为 100V,则应对以上电路作出调整以便 DC-BUS 为 100V 时,ADC 引脚上出现最大 3.3V 的 Vfb-Bus。
调整电压反馈电路以最大化 ADC 3.3V 输入范围。
更改电压反馈值将影响 user.h 文件中配置的两个参数。例如在上述原理图中,若 J1、J2、J3 和 J4 开路,则需要在 user.h 中定义以下参数:
#define USER_ADC_FULL_SCALE_VOLTAGE_V(409.9)
#define USER_VOLTAGE_FILTER_POLE_Hz(375.5)这可通过如下公式导出(J1、J2、J3 和 J4 开路):



当 J1、J2、J3 和 J4 短路时,需要在 user.h 中重新定义以下参数:
#define USER_ADC_FULL_SCALE_VOLTAGE_V(112.2)
#define USER_VOLTAGE_FILTER_POLE_Hz(383.8)这可通过如下公式导出:


