ZHCU083I January 2013 – October 2021 TMS320F2802-Q1 , TMS320F28026-Q1 , TMS320F28026F , TMS320F28027-Q1 , TMS320F28027F , TMS320F28027F-Q1 , TMS320F28052-Q1 , TMS320F28052F , TMS320F28052F-Q1 , TMS320F28052M , TMS320F28052M-Q1 , TMS320F28054-Q1 , TMS320F28054F , TMS320F28054F-Q1 , TMS320F28054M , TMS320F28054M-Q1 , TMS320F2806-Q1 , TMS320F28062-Q1 , TMS320F28062F , TMS320F28062F-Q1 , TMS320F28068F , TMS320F28068M , TMS320F28069-Q1 , TMS320F28069F , TMS320F28069F-Q1 , TMS320F28069M , TMS320F28069M-Q1
为了测量双向电流(即正电流和负电流),以下电路需要使用 1.65V 基准电压。此电压在 3.3V 系统中通常不会提供,但可通过电压跟随器轻松生成。图 6-2 为通过 3.3V 系统中提供的 3.3V 输入生成 1.65V 基准电压的电路示例。对于连接 1.65V 的后续电路,假定使用此电路。
图 5-2 通过 3.3V 输入生成 1.65V 基准电压电路示例
图 5-3 典型差分放大器电路此电路的传输函数由 Equation3 给定。

为了演示此电路中的某些值,下面以定义的最大相电流为 10A 的电机为例。在本例中,微处理器要测量的最大电流为 ±10A,使用此电路可生成最大电压 1.65V (±1.65V) 来支持 3.3V ADC 输入范围。
对于 10A 电流的最差情况,可考虑使用 0.01Ω 分流电阻器。

现在,如果使用 1.0kΩ 的输入电阻,则可根据输入电阻和所需比值计算反馈电阻。

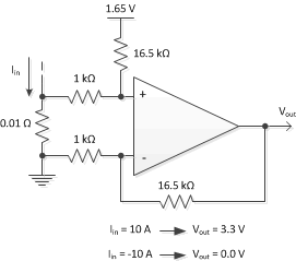
根据计算的电阻值可生成如图 6-4 所示电路,其中提供电压范围 0-3.3V 表示测量的 ±10A 相电流。
图 5-4 计算电阻值电路如本例所示,微处理器可测量的最大峰峰值电流为 20A,峰峰值为 ±10A。以下代码段显示如何在 user.h 中该值:
//! \brief Defines the maximum current at the AD converter
#define USER_ADC_FULL_SCALE_CURRENT_A (20.0)OPAMP 转换率对于电流测量质量起重要作用。有关详细信息,请参见Chapter18。