ZHCAAD4C June   2021  – November 2021 CD4052B , TS3A225E , TS3A44159

 

  1.   商标
  2. 1引言
  3. 2半导体开关
    1. 2.1 NMOS 开关
    2. 2.2 PMOS 开关
  4. 3信号开关基本结构
    1. 3.1 NMOS 串联开关
    2. 3.2 NMOS/PMOS 并联开关
    3. 3.3 带有电荷泵的 NMOS 串联开关
  5. 4数字开关应用中的关键问题
    1. 4.1  电源和控制电压要求
    2. 4.2  轨至轨运行
    3. 4.3  下冲
    4. 4.4  ron
    5. 4.5  Cio(off)
    6. 4.6  Cio(on)
    7. 4.7  Ci(控制输入电容)
    8. 4.8  泄漏电流
    9. 4.9  启用和禁用延迟和传播延迟
    10. 4.10 部分断电
    11. 4.11 电压转换
  6. 5信号开关系列
    1. 5.1 CBT-C 系列
      1. 5.1.1 CBT-C 系列特性
        1. 5.1.1.1 VO 和 VI
        2. 5.1.1.2 ron 和 VI
        3. 5.1.1.3 下冲保护
      2. 5.1.2 CBT-C 系列应用
        1. 5.1.2.1 总线隔离
    2. 5.2 CBTLV 系列
      1. 5.2.1 CBTLV 系列特性
    3. 5.3 CB3Q 系列
      1. 5.3.1 CB3Q 系列特性
        1. 5.3.1.1 VO 和 VI
        2. 5.3.1.2 ron 和 VI
        3. 5.3.1.3 高频运行
        4. 5.3.1.4 输出偏斜
        5. 5.3.1.5 频率响应
        6. 5.3.1.6 相邻通道串扰
      2. 5.3.2 CB3Q 系列应用
        1. 5.3.2.1 USB 应用中的多路复用器
    4. 5.4 CB3T 系列
      1. 5.4.1 CB3T 系列特性
        1. 5.4.1.1 VO 和 VI
        2. 5.4.1.2 ron 和 VI
        3. 5.4.1.3 高频运行
      2. 5.4.2 CB3T 系列应用
        1. 5.4.2.1 笔记本电脑中外部监视器终端的电压转换
  7. 6应用
    1. 6.1 多路复用 USB 外围设备
    2. 6.2 多路复用以太网
    3. 6.3 笔记本电脑扩展坞
  8. 7结论
  9. 8参考文献
  10. 9修订历史记录
  11.   A 测试测量电路
    1.     A.1 ron 测量设置
    2.     A.2 VO 和 VI 特性的测量设置
    3.     A.3 电压-时间波形测量(开关开启)
    4.     A.4 电压-时间波形测量(开关关断)
    5.     A.5 输出偏斜测量
    6.     A.6 下冲测量的仿真设置
    7.     A.7 用于衰减测量的实验室设置
    8.     A.8 用于关断隔离测量的实验室设置
    9.     A.9 用于串扰测量的实验室设置

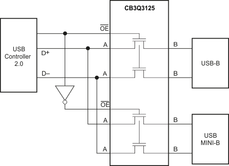
多路复用 USB 外围设备

图 6-2 示出了用于切换两个不同 USB 外围设备的 CB3Q3125 应用。

GUID-20211102-SS0I-8GKT-KLS3-MC2SP1FKBQWD-low.gif图 6-2 多路复用 USB 外围设备