SPRUIU1D July 2020 – December 2024 DRA821U , DRA821U-Q1
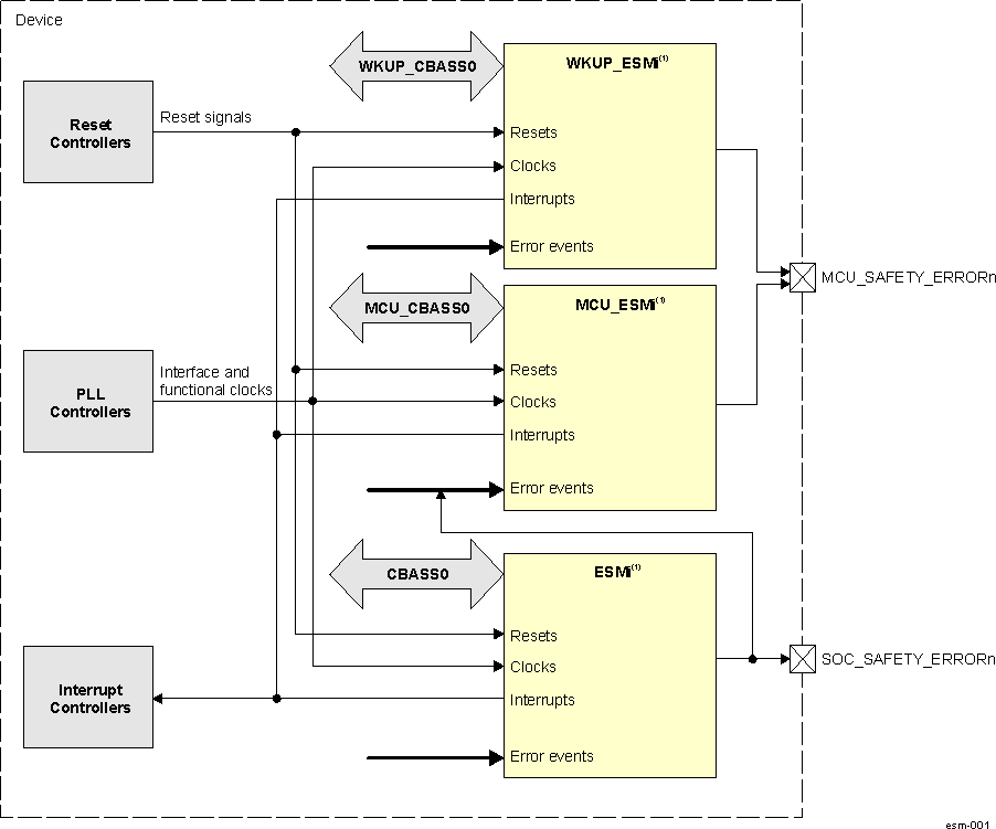
The Error Signaling Module (ESM) aggregates events and/or errors from throughout the device into one location. It can signal both low and high priority interrupts to a processor to deal with an event and/or manipulate an I/O error pin to signal an external hardware that an error has occurred. Therefore an external controller is able to reset the device or keep the system in a safe, known state.
The device has three instances of ESM modules. Table 12-5638 shows ESM modules allocation within device domains.
| Module Instance | Domain | ||
|---|---|---|---|
| WKUP | MCU | MAIN | |
| WKUP_ESM0 | ✓ | - | - |
| MCU_ESM0 | - | ✓ | - |
| ESM0 | - | - | ✓ |
Figure 12-2943 shows the ESM modules overview.
