ZHCSU60A May   2023  – January 2024 PCMD3180-Q1

PRODUCTION DATA  

  1.   1
  2. 特性
  3. 应用
  4. 说明
  5. 引脚配置和功能
  6. 规格
    1. 5.1  绝对最大额定值
    2. 5.2  ESD 等级
    3. 5.3  建议运行条件
    4. 5.4  热性能信息
    5. 5.5  电气特性
    6. 5.6  时序要求:I2C 接口
    7. 5.7  开关特性:I2C 接口
    8. 5.8  时序要求:SPI 接口
    9. 5.9  开关特性:SPI 接口
    10. 5.10 时序要求:TDM、I2S 或 LJ 接口
    11. 5.11 开关特性:TDM、I2S 或 LJ 接口
    12. 5.12 时序要求:PDM 数字麦克风接口
    13. 5.13 开关特性:PDM 数字麦克风接口
    14. 5.14 典型特性
  7. 详细说明
    1. 6.1 概述
    2. 6.2 功能方框图
    3. 6.3 特性说明
      1. 6.3.1 串行接口
        1. 6.3.1.1 控制串行接口
        2. 6.3.1.2 音频串行接口
          1. 6.3.1.2.1 时分多路复用 (TDM) 音频接口
          2. 6.3.1.2.2 IC 间音频 (I2S) 接口
          3. 6.3.1.2.3 左对齐 (LJ) 接口
        3. 6.3.1.3 通过共享总线使用多个器件
      2. 6.3.2 锁相环 (PLL) 和时钟生成
      3. 6.3.3 基准电压
      4. 6.3.4 麦克风偏置
      5. 6.3.5 数字 PDM 麦克风录音通道
      6. 6.3.6 信号链处理
        1. 6.3.6.1 可编程数字音量控制
        2. 6.3.6.2 可编程通道增益校准
        3. 6.3.6.3 可编程通道相位校准
        4. 6.3.6.4 可编程数字高通滤波器
        5. 6.3.6.5 可编程数字双二阶滤波器
        6. 6.3.6.6 可编程通道加法器和数字混频器
        7. 6.3.6.7 可配置数字抽取滤波器
          1. 6.3.6.7.1 线性相位滤波器
            1. 6.3.6.7.1.1 采样速率:8 kHz 或 7.35 kHz
            2. 6.3.6.7.1.2 采样速率:16 kHz 或 14.7 kHz
            3. 6.3.6.7.1.3 采样速率:24 kHz 或 22.05 kHz
            4. 6.3.6.7.1.4 采样速率:32kHz 或 29.4 kHz
            5. 6.3.6.7.1.5 采样速率:48 kHz 或 44.1 kHz
            6. 6.3.6.7.1.6 采样速率:96 kHz 或 88.2 kHz
            7. 6.3.6.7.1.7 采样速率:192 kHz 或 176.4 kHz
            8. 6.3.6.7.1.8 采样速率:384 kHz 或 352.8 kHz
            9. 6.3.6.7.1.9 采样速率:768kHz 至 705.6kHz
          2. 6.3.6.7.2 低延迟滤波器
            1. 6.3.6.7.2.1 采样速率:16 kHz 或 14.7 kHz
            2. 6.3.6.7.2.2 采样速率:24 kHz 或 22.05 kHz
            3. 6.3.6.7.2.3 采样速率:32kHz 或 29.4 kHz
            4. 6.3.6.7.2.4 采样速率:48 kHz 或 44.1 kHz
            5. 6.3.6.7.2.5 采样速率:96 kHz 或 88.2 kHz
            6. 6.3.6.7.2.6 采样速率:192kHz 或 176.4kHz
          3. 6.3.6.7.3 超低延迟滤波器
            1. 6.3.6.7.3.1 采样速率:16 kHz 或 14.7 kHz
            2. 6.3.6.7.3.2 采样速率:24 kHz 或 22.05 kHz
            3. 6.3.6.7.3.3 采样速率:32kHz 或 29.4 kHz
            4. 6.3.6.7.3.4 采样速率:48 kHz 或 44.1 kHz
            5. 6.3.6.7.3.5 采样速率:96 kHz 或 88.2 kHz
            6. 6.3.6.7.3.6 采样速率:192kHz 或 176.4kHz
            7. 6.3.6.7.3.7 采样速率:384kHz 至 352.8kHz
      7. 6.3.7 中断、状态和数字 I/O 引脚多路复用
    4. 6.4 器件功能模式
      1. 6.4.1 硬件关断
      2. 6.4.2 睡眠模式或软件关断
      3. 6.4.3 工作模式
      4. 6.4.4 软件复位
    5. 6.5 编程
      1. 6.5.1 控制串行接口
        1. 6.5.1.1 I2C 控制接口
          1. 6.5.1.1.1 常规 I2C 运行
          2. 6.5.1.1.2 I2C 单字节和多字节传输
            1. 6.5.1.1.2.1 I2C 单字节写入
            2. 6.5.1.1.2.2 I2C 多字节写入
            3. 6.5.1.1.2.3 I2C 单字节读取
            4. 6.5.1.1.2.4 I2C 多字节读取
        2. 6.5.1.2 SPI 控制接口
  8. 寄存器映射
    1. 7.1 器件配置寄存器
      1. 7.1.1 寄存器汇总表格(页面=0x00)
      2. 7.1.2 88
      3. 7.1.3 寄存器说明
        1. 7.1.3.1  PAGE_CFG 寄存器(页面 = 0x00,地址 = 0x00)[复位 = 0h]
        2. 7.1.3.2  SW_RESET 寄存器(页面 = 0x00,地址 = 0x01)[复位 = 0h]
        3. 7.1.3.3  SLEEP_CFG 寄存器(页面 = 0x00,地址 = 0x02)[复位 = 0h]
        4. 7.1.3.4  SHDN_CFG 寄存器(页面 = 0x00,地址 = 0x05)[复位 = 5h]
        5. 7.1.3.5  ASI_CFG0 寄存器(页面 = 0x00,地址 = 0x07)[复位 = 30h]
        6. 7.1.3.6  ASI_CFG1 寄存器(页面 = 0x00,地址 = 0x08)[复位 = 0h]
        7. 7.1.3.7  ASI_CFG2 寄存器(页面 = 0x00,地址 = 0x09)[复位 = 0h]
        8. 7.1.3.8  ASI_CH1 寄存器(页面 = 0x00,地址 = 0x0B)[复位 = 0h]
        9. 7.1.3.9  ASI_CH2 寄存器(页面 = 0x00,地址 = 0x0C)[复位 = 1h]
        10. 7.1.3.10 ASI_CH3 寄存器(页面 = 0x00,地址 = 0x0D)[复位 = 2h]
        11. 7.1.3.11 ASI_CH4 寄存器(页面 = 0x00,地址 = 0x0E)[复位 = 3h]
        12. 7.1.3.12 ASI_CH5 寄存器(页面 = 0x00,地址 = 0x0F)[复位 = 4h]
        13. 7.1.3.13 ASI_CH6 寄存器(页面 = 0x00,地址 = 0x10)[复位 = 5h]
        14. 7.1.3.14 ASI_CH7 寄存器(页面 = 0x00,地址 = 0x11)[复位 = 6h]
        15. 7.1.3.15 ASI_CH8 寄存器(页面 = 0x00,地址 = 0x12)[复位 = 7h]
        16. 7.1.3.16 MST_CFG0 寄存器(页面 = 0x00,地址 = 0x13)[复位 = 2h]
        17. 7.1.3.17 MST_CFG1 寄存器(页面 = 0x00,地址 = 0x14)[复位 = 48h]
        18. 7.1.3.18 ASI_STS 寄存器(页面 = 0x00,地址 = 0x15)[复位 = FFh]
        19. 7.1.3.19 CLK_SRC 寄存器(页面 = 0x00,地址 = 0x16)[复位 = 10h]
        20. 7.1.3.20 PDMCLK_CFG 寄存器(页面 = 0x00,地址 = 0x1F)[复位 = 40h]
        21. 7.1.3.21 PDMIN_CFG 寄存器(页面 = 0x00,地址 = 0x20)[复位 = 0h]
        22. 7.1.3.22 GPIO_CFG0 寄存器(页面 = 0x00,地址 = 0x21)[复位 = 22h]
        23. 7.1.3.23 GPO_CFG0 寄存器(页面 = 0x00,地址 = 0x22)[复位 = 0h]
        24. 7.1.3.24 GPO_CFG1 寄存器(页面 = 0x00,地址 = 0x23)[复位 = 0h]
        25. 7.1.3.25 GPO_CFG2 寄存器(页面 = 0x00,地址 = 0x24)[复位 = 0h]
        26. 7.1.3.26 PO_CFG3 寄存器(页面 = 0x00,地址 = 0x25)[复位 = 0h]
        27. 7.1.3.27 GPO_VAL 寄存器(页面 = 0x00,地址 = 0x29)[复位 = 0h]
        28. 7.1.3.28 GPIO_MON 寄存器(页面 = 0x00,地址 = 0x2A)[复位 = 0h]
        29. 7.1.3.29 GPI_CFG0 寄存器(页面 = 0x00,地址 = 0x2B)[复位 = 0h]
        30. 7.1.3.30 GPI_CFG1 寄存器(页面 = 0x00,地址 = 0x2C)[复位 = 0h]
        31. 7.1.3.31 GPI_MON 寄存器(页面 = 0x00,地址 = 0x2F)[复位 = 0h]
        32. 7.1.3.32 INT_CFG 寄存器(页面 = 0x00,地址 = 0x32)[复位 = 0h]
        33. 7.1.3.33 INT_MASK0 寄存器(页面 = 0x00,地址 = 0x33)[复位 = FFh]
        34. 7.1.3.34 INT_LTCH0 寄存器(页面 = 0x00,地址 = 0x36)[复位 = 0h]
        35. 7.1.3.35 BIAS_CFG 寄存器(页面 = 0x00,地址 = 0x3B)[复位 = 0h]
        36. 7.1.3.36 CH1_CFG0 寄存器(页面 = 0x00,地址 = 0x3C)[复位 = 0h]
        37. 7.1.3.37 CH1_CFG2 寄存器(页面 = 0x00,地址 = 0x3E)[复位 = C9h]
        38. 7.1.3.38 CH1_CFG3 寄存器(页面 = 0x00,地址 = 0x3F)[复位 = 80h]
        39. 7.1.3.39 CH1_CFG4 寄存器(页面 = 0x00,地址 = 0x40)[复位 = 0h]
        40. 7.1.3.40 CH2_CFG0 寄存器(页面 = 0x00,地址 = 0x41)[复位 = 0h]
        41. 7.1.3.41 CH2_CFG2 寄存器(页面 = 0x00,地址 = 0x43)[复位 = C9h]
        42. 7.1.3.42 CH2_CFG3 寄存器(页面 = 0x00,地址 = 0x44)[复位 = 80h]
        43. 7.1.3.43 CH2_CFG4 寄存器(页面 = 0x00,地址 = 0x45)[复位 = 0h]
        44. 7.1.3.44 CH3_CFG0 寄存器(页面 = 0x00,地址 = 0x46)[复位 = 0h]
        45. 7.1.3.45 CH3_CFG2 寄存器(页面 = 0x00,地址 = 0x48)[复位 = C9h]
        46. 7.1.3.46 CH3_CFG3 寄存器(页面 = 0x00,地址 = 0x49)[复位 = 80h]
        47. 7.1.3.47 CH3_CFG4 寄存器(页面 = 0x00,地址 = 0x4A)[复位 = 0h]
        48. 7.1.3.48 CH4_CFG0 寄存器(页面 = 0x00,地址 = 0x4B)[复位 = 0h]
        49. 7.1.3.49 CH4_CFG2 寄存器(页面 = 0x00,地址 = 0x4D)[复位 = C9h]
        50. 7.1.3.50 CH4_CFG3 寄存器(页面 = 0x00,地址 = 0x4E)[复位 = 80h]
        51. 7.1.3.51 CH4_CFG4 寄存器(页面 = 0x00,地址 = 0x4F)[复位 = 0h]
        52. 7.1.3.52 CH5_CFG0 寄存器(页面 = 0x00,地址 = 0x50)[复位 = 0h]
        53. 7.1.3.53 CH5_CFG2 寄存器(页面 = 0x00,地址 = 0x52)[复位 = C9h]
        54. 7.1.3.54 CH5_CFG3 寄存器(页面 = 0x00,地址 = 0x53)[复位 = 80h]
        55. 7.1.3.55 CH5_CFG4 寄存器(页面 = 0x00,地址 = 0x54)[复位 = 0h]
        56. 7.1.3.56 CH6_CFG0 寄存器(页面 = 0x00,地址 = 0x55)[复位 = 0h]
        57. 7.1.3.57 CH6_CFG2 寄存器(页面 = 0x00,地址 = 0x57)[复位 = C9h]
        58. 7.1.3.58 CH6_CFG3 寄存器(页面 = 0x00,地址 = 0x58)[复位 = 80h]
        59. 7.1.3.59 CH6_CFG4 寄存器(页面 = 0x00,地址 = 0x59)[复位 = 0h]
        60. 7.1.3.60 CH7_CFG0 寄存器(页面 = 0x00,地址 = 0x5A)[复位 = 0h]
        61. 7.1.3.61 CH7_CFG2 寄存器(页面 = 0x00,地址 = 0x5C)[复位 = C9h]
        62. 7.1.3.62 CH7_CFG3 寄存器(页面 = 0x00,地址 = 0x5D)[复位 = 80h]
        63. 7.1.3.63 CH7_CFG4 寄存器(页面 = 0x00,地址 = 0x5E)[复位 = 0h]
        64. 7.1.3.64 CH8_CFG0 寄存器(页面 = 0x00,地址 = 0x5F)[复位 = 0h]
        65. 7.1.3.65 CH8_CFG2 寄存器(页面 = 0x00,地址 = 0x61)[复位 = C9h]
        66. 7.1.3.66 CH8_CFG3 寄存器(页面 = 0x00,地址 = 0x62)[复位 = 80h]
        67. 7.1.3.67 CH8_CFG4 寄存器(页面 = 0x00,地址 = 0x63)[复位 = 0h]
        68. 7.1.3.68 DSP_CFG0 寄存器(页面 = 0x00,地址 = 0x6B)[复位 = 1h]
        69. 7.1.3.69 DSP_CFG1 寄存器(页面 = 0x00,地址 = 0x6C)[复位 = 40h]
        70. 7.1.3.70 IN_CH_EN 寄存器(页面 = 0x00,地址 = 0x73)[复位 = F0h]
        71. 7.1.3.71 ASI_OUT_CH_EN 寄存器(页面 = 0x00,地址 = 0x74)[复位 = 0h]
        72. 7.1.3.72 PWR_CFG 寄存器(页面 = 0x00,地址 = 0x75)[复位 = 0h]
        73. 7.1.3.73 DEV_STS0 寄存器(页面 = 0x00,地址 = 0x76)[复位 = 0h]
        74. 7.1.3.74 DEV_STS1 寄存器(页面 = 0x00,地址 = 0x77)[复位 = 80h]
        75. 7.1.3.75 I2C_CKSUM 寄存器(页面 = 0x00,地址 = 0x7E)[复位 = 00h]
    2. 7.2 可编程系数寄存器
      1. 7.2.1 可编程系数寄存器:页面 = 0x02
      2. 7.2.2 可编程系数寄存器:页面 = 0x03
      3. 7.2.3 可编程系数寄存器:页面 = 0x04
  9. 应用和实施
    1. 8.1 应用信息
    2. 8.2 典型应用
      1. 8.2.1 八通道数字 PDM 麦克风录音
        1. 8.2.1.1 设计要求
        2. 8.2.1.2 详细设计过程
          1. 8.2.1.2.1 EVM 设置的器件寄存器配置脚本示例
        3. 8.2.1.3 应用曲线
    3. 8.3 应做事项和禁止事项
  10. 电源相关建议
  11. 10布局
    1. 10.1 布局指南
    2. 10.2 布局示例
  12. 11器件和文档支持
    1. 11.1 文档支持
      1. 11.1.1 相关文档
    2. 11.2 接收文档更新通知
    3. 11.3 支持资源
    4. 11.4 商标
    5. 11.5 静电放电警告
    6. 11.6 术语表
  13. 12修订历史记录
  14. 13机械、封装和可订购信息

封装选项

机械数据 (封装 | 引脚)
散热焊盘机械数据 (封装 | 引脚)
订购信息

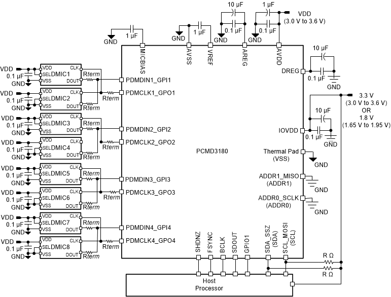
八通道数字 PDM 麦克风录音

图 8-1 显示了一种 PCMD3180-Q1 应用的典型配置,该配置使用八个数字 PDM MEMS 麦克风,并采用 I2C 控制接口和 TDM 音频数据目标接口进行同步录音操作。如果系统中未使用 MICBIAS 输出,则不必为 MICBIAS 引脚使用 1µF 电容器。

GUID-86A8F0DC-D8E4-4DA9-BF2E-5891ABB6711B-low.gif图 8-1 八通道数字 PDM 麦克风录音图