ZHCUAN9C February   2013  – November 2023 TAS2505 , TAS2505-Q1

 

  1.   1
  2.   商标
  3. 1 TAS2505 器件概述
  4. 2说明
    1. 2.1 典型电路配置
    2. 2.2 具有内部 LDO 的电路配置
  5. 3 TAS2505 应用
    1. 3.1 端子说明
      1. 3.1.1 数字引脚
      2. 3.1.2 模拟引脚
      3. 3.1.3 多功能引脚
      4. 3.1.4 多功能引脚的寄存器设置
    2. 3.2 音频模拟 I/O
    3. 3.3 模拟信号
      1. 3.3.1 模拟输入 AINL 和 AINR
    4. 3.4 音频 DAC 和音频模拟输出
      1. 3.4.1  DAC
        1. 3.4.1.1 DAC 处理块
        2. 3.4.1.2 DAC 处理块 – 信号链详细信息
          1. 3.4.1.2.1 三个双二阶,滤波器 A
          2. 3.4.1.2.2 6 个双二阶、一阶 IIR、滤波器 A 或 B
        3. 3.4.1.3 DAC 用户可编程滤波器
          1. 3.4.1.3.1 一阶 IIR 部分
          2. 3.4.1.3.2 双二阶部分
        4. 3.4.1.4 DAC 内插滤波器特性
          1. 3.4.1.4.1 内插滤波器 A
          2. 3.4.1.4.2 内插滤波器 B
      2. 3.4.2  DAC 增益设置
        1. 3.4.2.1 PowerTune 模式
        2. 3.4.2.2 DAC 数字音量控制
      3. 3.4.3  中断
      4. 3.4.4  对 DAC 数字滤波器系数进行编程
      5. 3.4.5  在播放期间更新 DAC 数字滤波器系数
      6. 3.4.6  数字混合和路由
      7. 3.4.7  模拟音频路由
        1. 3.4.7.1 模拟输出音量控制
        2. 3.4.7.2 耳机模拟输出音量控制
        3. 3.4.7.3 D 类扬声器模拟输出音量控制
      8. 3.4.8  模拟输出
        1. 3.4.8.1 耳机驱动器
        2. 3.4.8.2 扬声器驱动器
      9. 3.4.9  音频输出级电源配置
      10. 3.4.10 5V LDO
      11. 3.4.11 POR
      12. 3.4.12 DAC 设置
    5. 3.5 PowerTune
      1. 3.5.1 PowerTune 模式
        1. 3.5.1.1 DAC - 将 PTM_P1 编程到 PTM_P4
        2. 3.5.1.2 处理块
      2. 3.5.2 DAC 功耗
        1. 3.5.2.1 DAC,单声道,48kHz,最高性能,DVDD = IOVDD = 1.8V,AVDD = 1.8V,SPKVDD = 3.6V
        2. 3.5.2.2 DAC,单声道,最低功耗
        3. 3.5.2.3 DAC,单声道,8kHz,最高性能,DVDD = IOVDD = 1.8V,AVDD = 1.8V,SPKVDD = 3.6 V
        4. 3.5.2.4 DAC,单声道,最低功耗
      3. 3.5.3 扬声器输出功耗
        1. 3.5.3.1 扬声器输出、单声道、48kHz、最高性能、DVDD = IOVDD = 1.8V、AVDD = 1.8V、SPKVDD = 3.6V
        2. 3.5.3.2 扬声器输出、单声道、最低功耗
        3. 3.5.3.3 扬声器输出、单声道、8kHz、最高性能、DVDD = IOVDD = 1.8V、AVDD = 1.8V、SPKVDD = 3.6V
        4. 3.5.3.4 扬声器输出、单声道、最低功耗
      4. 3.5.4 耳机输出功耗
        1. 3.5.4.1 耳机输出、单声道、48kHz、最高性能、DVDD = IOVDD = 1.8V、AVDD = 1.8V、SPKVDD = 3.6V
        2. 3.5.4.2 耳机输出、单声道、最低功耗、DVDD = IOVDD = 1.8V、AVDD = 1.5V、SPKVDD = 3.6V
        3. 3.5.4.3 耳机输出、单声道、8kHz、最高性能、DVDD = IOVDD = 1.8V、AVDD = 1.8V、SPKVDD = 3.6V
        4. 3.5.4.4 耳机输出、单声道、最低功耗、DVDD = IOVDD = 1.8V、AVDD = 1.8V、SPKVDD = 3.6V
    6. 3.6 时钟生成和 PLL
      1. 3.6.1 PLL
        1. 3.6.1.1 PLL 说明
    7. 3.7 数字音频和控制接口
      1. 3.7.1 数字音频接口
        1. 3.7.1.1 右平衡模式
        2. 3.7.1.2 左平衡模式
        3. 3.7.1.3 I2S 模式
        4. 3.7.1.4 DSP 模式
        5. 3.7.1.5 主要和辅助数字音频接口选择
      2. 3.7.2 控制接口
        1. 3.7.2.1 I2C 控制模式
        2. 3.7.2.2 SPI 数字接口
    8. 3.8 电源
      1. 3.8.1 系统级注意事项
        1. 3.8.1.1 所有电源全部来自使用内部 LDO 的单电压轨(2.75V 至 5.5V)
          1. 3.8.1.1.1 待机模式
          2. 3.8.1.1.2 关断模式
        2. 3.8.1.2 由双电压轨供电(2.75V 至 5.5V 和 1.8V)
          1. 3.8.1.2.1 待机模式
          2. 3.8.1.2.2 关断模式
        3. 3.8.1.3 其他电源选项
    9. 3.9 器件特定功能
      1. 3.9.1 中断
  6. 4器件初始化
    1. 4.1 上电序列
      1. 4.1.1 上电序列 1 - 单独的数字和模拟电源
      2. 4.1.2 上电序列 2 - DVDD 的共享 1.8V 模拟电源
    2. 4.2 器件初始化
      1. 4.2.1 通过 RST 引脚和 POR 进行复位
      2. 4.2.2 器件启动锁定时间
      3. 4.2.3 PLL 启动
      4. 4.2.4 功率级复位
      5. 4.2.5 软件断电
      6. 4.2.6 器件共模电压
  7. 5示例设置
    1. 5.1 通过 DAC 和耳机/扬声器输出播放数字数据的示例寄存器设置
    2. 5.2 通过 DAC 和耳机输出播放数字数据的示例寄存器设置
    3. 5.3 通过耳机/扬声器输出播放 AINL 和 AINR 的示例寄存器设置
    4. 5.4 通过耳机输出播放 AINL 和 AINR 的示例寄存器设置
    5. 5.5 通过 DAC 和耳机/扬声器输出以及 3 个可编程双二阶滤波器播放数字数据的示例寄存器设置
    6. 5.6 通过 DAC 和耳机/扬声器输出以及 6 个可编程双二阶滤波器播放数字数据的示例寄存器设置
  8. 6寄存器映射
    1. 6.1 TAS2505 寄存器映射
      1. 6.1.1  控制寄存器,页 0(默认页):时钟乘法器、分频器、串行接口、标志、中断和 GPIO
      2. 6.1.2  控制寄存器,页 1:DAC 路由、电源控制和 MISC 逻辑相关可编程性
      3. 6.1.3  页 2-43:保留寄存器
      4. 6.1.4  页 44:DAC 可编程系数 RAM
      5. 6.1.5  页 45-52:DAC 可编程系数 RAM
      6. 6.1.6  页 53-61:保留寄存器
      7. 6.1.7  页 62-70:DAC 可编程系数 RAM
      8. 6.1.8  页 71-255:保留寄存器
      9. 6.1.9  DAC 系数 A+B
      10. 6.1.10 DAC 默认值
  9. 7修订历史记录

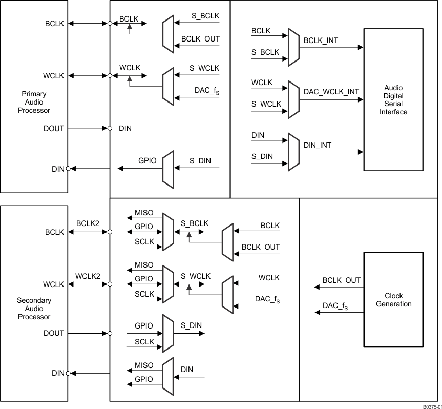
主要和辅助数字音频接口选择

TAS2505 上的音频串行接口具有 I/O 控制功能,允许与两个独立处理器进行音频数据通信。每个处理器一次可与一个器件通信。要启用此功能,需对各种引脚选择进行寄存器编程。

GUID-EEADB5EF-0A97-4679-8D36-4596F3CEC6EE-low.gif图 3-21 音频串行接口多路复用

辅助音频接口使用多功能引脚。有关多功能引脚的概述,请参阅节 3.1.3表 3-1,并且表 3-2 说明了可能的音频接口路由。多功能引脚 SCLK 和 MISO 仅在 I2C 通信模式下可用。通过此多路复用功能,TAS2505 可与两个具有独立 I2S/PCM 总线的单独器件进行通信(一次与一个器件通信)。