ZHCAAN5B January 2018 – July 2021 LF347 , LF353 , LM348 , MC1458 , TL022 , TL061 , TL062 , TL071 , TL072 , UA741
通常,有一个由运算放大器的输入端共用的电压。如果该共模电压变得过高或过低,输入端将关闭并停止正常运行。共模输入电压范围 VICR 指定了可以保证正常运行的范围。
图 5-2 使用图 4-1 中所示的简化运算放大器图说明了正输入电压限制。当 VIN 高于 VCC - 0.9V 时,输入晶体管和电流源将开始关闭。
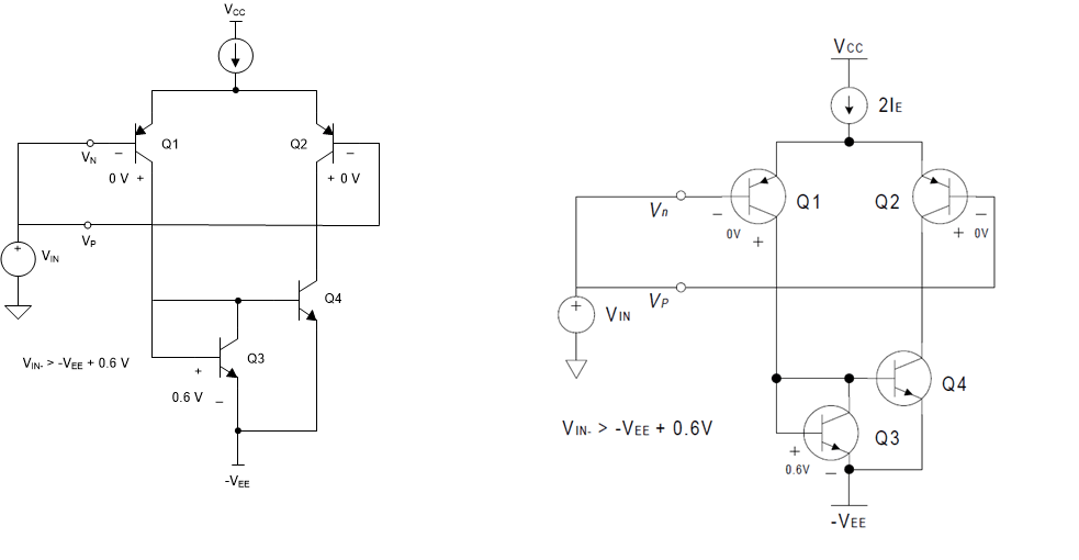
图 5-2 正共模电压输入限制图 5-3 使用图 4-1 中所示的简化运算放大器图说明了负输入电压限制。当 VIN 小于 –VEE + 0.6V 时,电流镜(Q3 - Q4)将开始关闭。
图 5-3 负共模输入限制与上例中所示结构类似的结构不允许共模输入电压包含任一电源轨。用于构建运算放大器输入的其他技术提供了不同的共模输入电压范围,其中包括一个或两个电源轨。下面提供了一些示例(德州仪器(TI)的数据手册《放大器、比较器和特殊功能》 中提供了参考原理图):



