ZHCAAN5B January   2018  – July 2021 LF347 , LF353 , LM348 , MC1458 , TL022 , TL061 , TL062 , TL071 , TL072 , UA741

 

  1. 1引言
    1. 1.1 放大器基础知识
    2. 1.2 理想运算放大器模型
  2. 2同相放大器
    1. 2.1 闭环概念和简化
  3. 3反相放大器
    1. 3.1 闭环概念和简化
  4. 4简化运算放大器电路图
    1. 4.1 输入级
    2. 4.2 第二级
    3. 4.3 输出级
  5. 5运算放大器规格
    1. 5.1  绝对最大额定值和建议运行条件
    2. 5.2  输入失调电压
    3. 5.3  输入电流
    4. 5.4  输入共模电压范围
    5. 5.5  差分输入电压范围
    6. 5.6  最大输出电压摆幅
    7. 5.7  大信号差分电压放大系数
    8. 5.8  输入寄生元件
      1. 5.8.1 输入电容
      2. 5.8.2 输入电阻
    9. 5.9  输出阻抗
    10. 5.10 共模抑制比
    11. 5.11 电源电压抑制比
    12. 5.12 电源电流
    13. 5.13 单位增益下的压摆率
    14. 5.14 等效输入噪声
    15. 5.15 总谐波失真加噪声
    16. 5.16 单位增益带宽和相位裕度
    17. 5.17 稳定时间
  6. 6参考文献
  7. 7术语表
  8. 8修订历史记录

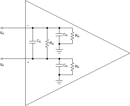
输入寄生元件

两个输入都具有与之相关联的寄生阻抗。图 5-6 显示了一个模型,其中将每个输入端子与接地之间以及两个端子之间的元件归并为电阻和电容。也存在寄生电感,但在低频下其影响可以忽略不计。

当源阻抗较高时,输入阻抗成为一个设计问题。输入加载源。

此外,输入电容会导致反馈路径中出现额外的相移。这会降低相位裕度,并且在使用高值反馈电阻器时可能会成为一个问题。

GUID-0BFAAF98-C7D6-42C6-8294-7A8DBC790822-low.gif图 5-6 输入寄生元件