ZHCSRW2C February 2023 – November 2025 TDA4AH-Q1 , TDA4AP-Q1 , TDA4VH-Q1 , TDA4VP-Q1
PRODUCTION DATA
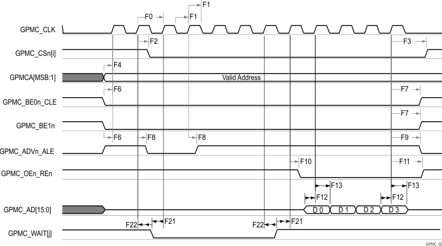
| 编号(2) | 参数 | 说明 | 模式(19) | 最小值 | 最大值 | 最小值 | 最大值 | 单位 |
|---|---|---|---|---|---|---|---|---|
| 100 MHz(20) | 133 MHz(20) | |||||||
| F0 | tc(clk) | 周期,输出时钟 GPMC_CLK(18) | div_by_1_mode; GPMC_FCLK_MUX; TIMEPARAGRANULARITY_X1 | 10 | 7.52 | ns | ||
| F1 | tw(clkH) | 典型脉冲持续时间,输出时钟 GPMC_CLK 高电平 | div_by_1_mode; GPMC_FCLK_MUX; TIMEPARAGRANULARITY_X1 | 0.475*P(15)- 0.3 | 0.475*P(15)- 0.3 | ns | ||
| F1 | tw(clkL) | 典型脉冲持续时间,输出时钟 GPMC_CLK 低电平 | div_by_1_mode; GPMC_FCLK_MUX; TIMEPARAGRANULARITY_X1 | 0.475*P(15)- 0.3 | 0.475*P(15)- 0.3 | ns | ||
| F2 | td(clkH-csnV) | 延迟时间,输出时钟 GPMC_CLK 上升沿到输出片选 GPMC_CSn[i] 转换(14) | div_by_1_mode; GPMC_FCLK_MUX; TIMEPARAGRANULARITY_X1; 无 extra_delay | F(6)- 2.2 | F+3.75 | F(6)- 2.2 | F(6)+ 3.75 | ns |
| F3 | td(clkH-CSn[i]V) | 延迟时间,输出时钟 GPMC_CLK 上升沿到输出片选 GPMC_CSn[i] 无效(14) | div_by_1_mode; GPMC_FCLK_MUX; TIMEPARAGRANULARITY_X1; 无 extra_delay | E(5)- 2.2 | E(5)+ 3.75 | E(5)- 2.2 | E(5)+ 3.75 | ns |
| F4 | td(aV-clk) | 延迟时间,输出地址 GPMC_A[27:1] 有效到输出时钟 GPMC_CLK 第一个边沿 | div_by_1_mode; GPMC_FCLK_MUX; TIMEPARAGRANULARITY_X1 | B(2)-2.3 | B(2)+4.5 | B(2)-2.3 | B(2)+4.5 | ns |
| F5 | td(clkH-aIV) | 延迟时间,输出时钟 GPMC_CLK 上升沿到输出地址 GPMC_A[27:1] 无效 | div_by_1_mode; GPMC_FCLK_MUX; TIMEPARAGRANULARITY_X1 | -2.3 | 4.5 | -2.3 | 4.5 | ns |
| F6 | td(be[x]nV-clk) | 延迟时间,输出低字节使能和命令锁存使能 GPMC_BE0n_CLE、输出高字节使能 GPMC_BE1n 有效到输出时钟 GPMC_CLK 第一个边沿 | div_by_1_mode; GPMC_FCLK_MUX; TIMEPARAGRANULARITY_X1 | B(2)-2.3 | B(2)+1.9 | B(2)-2.3 | B(2)+1.9 | ns |
| F7 | td(clkH-be[x]nIV) | 延迟时间,输出时钟 GPMC_CLK 上升沿到输出低字节使能和命令锁存使能 GPMC_BE0n_CLE、输出高字节使能 GPMC_BE1n 有效(11) | div_by_1_mode; GPMC_FCLK_MUX; TIMEPARAGRANULARITY_X1 | D(4)-2.3 | D(4)+1.9 | D(4)-2.3 | D(4)+1.9 | ns |
| F7 | td(clkL-be[x]nIV) | 延迟时间,GPMC_CLK 下降沿到 GPMC_BE0n_CLE、GPMC_BE1n 无效(12) | div_by_1_mode; GPMC_FCLK_MUX; TIMEPARAGRANULARITY_X1 | D(4)-2.3 | D(4)+1.9 | D(4)-2.3 | D(4)+1.9 | ns |
| F7 | td(clkL-be[x]nIV) | 延迟时间,GPMC_CLK 下降沿到 GPMC_BE0n_CLE、GPMC_BE1n 无效(13) | div_by_1_mode; GPMC_FCLK_MUX; TIMEPARAGRANULARITY_X1 | D(4)-2.3 | D(4)+1.9 | D(4)-2.3 | D(4)+1.9 | ns |
| F8 | td(clkH-advn) | 延迟时间,输出时钟 GPMC_CLK 上升沿到输出地址有效和地址锁存使能 GPMC_ADVn_ALE 转换 | div_by_1_mode; GPMC_FCLK_MUX; TIMEPARAGRANULARITY_X1; 无 extra_delay | G(7)-2.3 | G(7)+4.5 | G(7)-2.3 | G(7)+4.5 | ns |
| F9 | td(clkH-advnIV) | 延迟时间,输出时钟 GPMC_CLK 上升沿到输出地址有效和地址锁存使能 GPMC_ADVn_ALE 无效 | div_by_1_mode; GPMC_FCLK_MUX; TIMEPARAGRANULARITY_X1; 无 extra_delay | D(4)-2.3 | D(4)+4.5 | D(4)-2.3 | D(4)+4.5 | ns |
| F10 | td(clkH-oen) | 延迟时间,输出时钟 GPMC_CLK 上升沿到输出使能 GPMC_OEn_REn 转换 | div_by_1_mode; GPMC_FCLK_MUX; TIMEPARAGRANULARITY_X1; 无 extra_delay | H(8)-2.3 | H(8)+3.5 | H(8)-2.3 | H(8)+3.5 | ns |
| F11 | td(clkH-oenIV) | 延迟时间,输出时钟 GPMC_CLK 上升沿到输出使能 GPMC_OEn_REn 无效 | div_by_1_mode; GPMC_FCLK_MUX; TIMEPARAGRANULARITY_X1; 无 extra_delay | E(8)-2.3 | E(8)+3.5 | E(8)-2.3 | E(8)+ 3.5 | ns |
| F14 | td(clkH-wen) | 延迟时间,输出时钟 GPMC_CLK 上升沿到输出写入使能 GPMC_WEn 转换 | div_by_1_mode; GPMC_FCLK_MUX; TIMEPARAGRANULARITY_X1; 无 extra_delay | I(9)- 2.3 | I(9)+4.5 | I(9)- 2.3 | I(9)+4.5 | ns |
| F15 | td(clkH-do) | 延迟时间,输出时钟 GPMC_CLK 上升沿到输出数据 GPMC_AD[15:0] 转换(11) | div_by_1_mode; GPMC_FCLK_MUX; TIMEPARAGRANULARITY_X1 | J(10)-2.3 | J(10)+2.7 | J(10)-2.3 | J(10)+2.7 | ns |
| F15 | td(clkL-do) | 延迟时间,GPMC_CLK 下降沿到 GPMC_AD[15:0] 数据总线转换(12) | div_by_1_mode; GPMC_FCLK_MUX; TIMEPARAGRANULARITY_X1 | J(10)-2.3 | J(10)+2.7 | J(10)-2.3 | J(10)+2.7 | ns |
| F15 | td(clkL-do) | 延迟时间,GPMC_CLK 下降沿到 GPMC_AD[15:0] 数据总线转换(13) | div_by_1_mode; GPMC_FCLK_MUX; TIMEPARAGRANULARITY_X1 | J(10)-2.3 | J(10)+2.7 | J(10)-2.3 | J(10)+2.7 | ns |
| F17 | td(clkH-be[x]n) | 延迟时间,输出时钟 GPMC_CLK 上升沿到输出低字节使能和命令锁存使能 GPMC_BE0n_CLE 转换(11) | div_by_1_mode; GPMC_FCLK_MUX; TIMEPARAGRANULARITY_X1 | J(10)-2.3 | J(10)+1.9 | J(10)-2.3 | J(10)+1.9 | ns |
| F17 | td(clkL-be[x]n) | 延迟时间,GPMC_CLK 下降沿到 GPMC_BE0n_CLE、GPMC_BE1n 转换(12) | div_by_1_mode; GPMC_FCLK_MUX; TIMEPARAGRANULARITY_X1 | J(10)-2.3 | J(10)+1.9 | J(10)-2.3 | J(10)+1.9 | ns |
| F17 | td(clkL-be[x]n) | 延迟时间,GPMC_CLK 下降沿到 GPMC_BE0n_CLE、GPMC_BE1n 转换(13) | div_by_1_mode; GPMC_FCLK_MUX; TIMEPARAGRANULARITY_X1 | J(10)-2.3 | J(10)+1.9 | J(10)-2.3 | J(10)+1.9 | ns |
| F18 | tw(csnV) | 脉冲持续时间,输出片选 GPMC_CSn[i] 低电平(14) | 读取 | A(1) | A(1) | ns | ||
| 写入 | A(1) | A(1) | ns | |||||
| F19 | tw(be[x]nV) | 脉冲持续时间,输出低字节使能和命令锁存使能 GPMC_BE0n_CLE、输出高字节使能 GPMC_BE1n 低电平 | 读取 | C(3) | C(3) | ns | ||
| 写入 | C(3) | C(3) | ns | |||||
| F20 | tw(advnV) | 脉冲持续时间,输出地址有效和地址锁存使能 GPMC_ADVn_ALE 低电平 | 读取 | K(16) | K(16) | ns | ||
| 写入 | K(16) | K(16) | ns | |||||




