ZHCSIA0C May   2018  – September 2025 TAS3251

PRODUCTION DATA  

  1.   1
  2. 特性
  3. 应用
  4. 说明
  5. 器件比较表
  6. 引脚配置和功能
  7. 规格
    1. 6.1  绝对最大额定值
    2. 6.2  ESD 等级
    3. 6.3  建议运行条件
    4. 6.4  热性能信息
    5. 6.5  放大器电气特性
    6. 6.6  DAC 电气特性
    7. 6.7  音频特性 (BTL)
    8. 6.8  音频特性 (PBTL)
    9. 6.9  MCLK 时序
    10. 6.10 串行音频端口时序 – 目标模式
    11. 6.11 串行音频端口时序 – 控制器模式
    12. 6.12 I2C 总线时序 — 标准
    13. 6.13 I2C 总线时序 — 快速
    14. 6.14 时序图
    15. 6.15 典型特性
      1. 6.15.1 BTL 配置
      2. 6.15.2 PBTL 配置
  8. 详细说明
    1. 7.1 概述
    2. 7.2 功能方框图
    3. 7.3 特性说明
      1. 7.3.1  上电复位 (POR) 功能
      2. 7.3.2  启用器件
      3. 7.3.3  DAC 和 DSP 时钟
        1. 7.3.3.1 内部时钟错误通知 (CLKE)
      4. 7.3.4  串行音频端口
        1. 7.3.4.1 基于音频速率控制器时钟的时钟控制器模式
        2. 7.3.4.2 具有 4 线运行模式的时钟目标模式(SCLK、MCLK、LRCK/FS、SDIN)
        3. 7.3.4.3 使用 SCLK PLL 生成内部时钟的时钟目标模式(3 线 PCM)
          1. 7.3.4.3.1 使用 PLL 进行时钟生成
          2. 7.3.4.3.2 PLL 计算
            1. 7.3.4.3.2.1 示例:
        4. 7.3.4.4 串行音频端口 – 数据格式和位深度
          1. 7.3.4.4.1 数据格式和控制器或目标操作模式
        5. 7.3.4.5 输入信号检测(节能模式)
      5. 7.3.5  音量控制
        1. 7.3.5.1 DAC 数字增益控制
          1. 7.3.5.1.1 紧急音量渐降
      6. 7.3.6  SDOUT 端口和硬件控制引脚
      7. 7.3.7  I2C 通信端口
        1. 7.3.7.1 目标地址
        2. 7.3.7.2 寄存器地址自动增量模式
        3. 7.3.7.3 数据包协议
        4. 7.3.7.4 写入寄存器
        5. 7.3.7.5 读取寄存器
        6. 7.3.7.6 DSP 簿、页和寄存器更新
          1. 7.3.7.6.1 簿和页更改
          2. 7.3.7.6.2 交换标志
          3. 7.3.7.6.3 使用示例
      8. 7.3.8  无爆裂声和咔嗒声的启动与关断
      9. 7.3.9  输出功率级集成振荡器
        1. 7.3.9.1 振荡器同步和目标模式
      10. 7.3.10 器件输出级保护系统
        1. 7.3.10.1 错误报告
        2. 7.3.10.2 过载保护和短路电流保护
        3. 7.3.10.3 信号削波与脉冲注入器
        4. 7.3.10.4 直流扬声器保护
        5. 7.3.10.5 引脚对引脚短路保护 (PPSC)
        6. 7.3.10.6 过热保护 OTW 和 OTE
        7. 7.3.10.7 欠压保护 (UVP) 和上电复位 (POR)
        8. 7.3.10.8 故障处理
        9. 7.3.10.9 输出功率级复位
      11. 7.3.11 初始化、启动与关断
        1. 7.3.11.1 上电和启动序列
        2. 7.3.11.2 断电和关断序列
        3. 7.3.11.3 器件静音
        4. 7.3.11.4 器件取消静音
        5. 7.3.11.5 器件复位
        6. 7.3.11.6 使用 DAC_MUTE 或时钟错误进行静音
          1. 7.3.11.6.1 使用 DAC_MUTE 实现静音
        7. 7.3.11.7 使用串行音频端口时钟实现静音
        8. 7.3.11.8 通过 DAC_MUTE 在计划外关断之前实现静音
        9. 7.3.11.9 输出功率级启动时序
    4. 7.4 器件功能模式
      1. 7.4.1 串行音频端口工作模式
        1. 7.4.1.1 数字串行音频端口的控制器和目标模式时钟
      2. 7.4.2 通信端口工作模式
      3. 7.4.3 扬声器放大器工作模式
        1. 7.4.3.1 立体声模式
        2. 7.4.3.2 单通道模式
    5. 7.5 编程
      1. 7.5.1 音频处理功能
      2. 7.5.2 处理块说明
        1. 7.5.2.1  输入缩放与混频器
          1. 7.5.2.1.1 示例
        2. 7.5.2.2  采样率转换器
        3. 7.5.2.3  参数均衡器 (PEQ)
        4. 7.5.2.4  BQ 增益缩放
        5. 7.5.2.5  动态参数均衡器 (DPEQ)
        6. 7.5.2.6  双频带动态范围控制
        7. 7.5.2.7  自动增益限制器
          1. 7.5.2.7.1 软化滤波器 Alpha (AEA)
          2. 7.5.2.7.2 软化滤波器 Omega (AEO)
          3. 7.5.2.7.3 启动速率
          4. 7.5.2.7.4 释放速率
          5. 7.5.2.7.5 攻击阈值
        8. 7.5.2.8  精细音量
        9. 7.5.2.9  THD 提升
        10. 7.5.2.10 电平计
      3. 7.5.3 其他处理块特性
        1. 7.5.3.1 数字格式
          1. 7.5.3.1.1 系数格式转换
      4. 7.5.4 校验和
        1. 7.5.4.1 循环冗余校验 (CRC) 校验和
        2. 7.5.4.2 异或 (XOR) 校验和
    6. 7.6 寄存器映射
      1. 7.6.1 寄存器 – 第 0 页
        1. 7.6.1.1  寄存器 1 (0x01)
        2. 7.6.1.2  寄存器 2 (0x02)
        3. 7.6.1.3  寄存器 3 (0x03)
        4. 7.6.1.4  寄存器 4 (0x04)
        5. 7.6.1.5  寄存器 6 (0x06)
        6. 7.6.1.6  寄存器 7 (0x07)
        7. 7.6.1.7  寄存器 8 (0x08)
        8. 7.6.1.8  寄存器 9 (0x09)
        9. 7.6.1.9  寄存器 12 (0x0C)
        10. 7.6.1.10 寄存器 13 (0x0D)
        11. 7.6.1.11 寄存器 14 (0x0E)
        12. 7.6.1.12 寄存器 15 (0x0F)
        13. 7.6.1.13 寄存器 16 (0x10)
        14. 7.6.1.14 寄存器 17 (0x11)
        15. 7.6.1.15 寄存器 18 (0x12)
        16. 7.6.1.16 寄存器 20 (0x14)
        17. 7.6.1.17 寄存器 21 (0x15)
        18. 7.6.1.18 寄存器 22 (0x16)
        19. 7.6.1.19 寄存器 23 (0x17)
        20. 7.6.1.20 寄存器 24 (0x18)
        21. 7.6.1.21 寄存器 27 (0x1B)
        22. 7.6.1.22 寄存器 28 (0x1C)
        23. 7.6.1.23 寄存器 29 (0x1D)
        24. 7.6.1.24 寄存器 30 (0x1E)
        25. 7.6.1.25 寄存器 32 (0x20)
        26. 7.6.1.26 寄存器 33 (0x21)
        27. 7.6.1.27 寄存器 34 (0x22)
        28. 7.6.1.28 寄存器 37 (0x25)
        29. 7.6.1.29 寄存器 40 (0x28)
        30. 7.6.1.30 寄存器 41 (0x29)
        31. 7.6.1.31 寄存器 42 (0x2A)
        32. 7.6.1.32 寄存器 43 (0x2B)
        33. 7.6.1.33 寄存器 44 (0x2C)
        34. 7.6.1.34 寄存器 59 (0x3B)
        35. 7.6.1.35 寄存器 60 (0x3C)
        36. 7.6.1.36 寄存器 61 (0x3D)
        37. 7.6.1.37 寄存器 62 (0x3E)
        38. 7.6.1.38 寄存器 63 (0x3F)
        39. 7.6.1.39 寄存器 64 (0x40)
        40. 7.6.1.40 寄存器 65 (0x41)
        41. 7.6.1.41 寄存器 67 (0x43)
        42. 7.6.1.42 寄存器 68 (0x44)
        43. 7.6.1.43 寄存器 69 (0x45)
        44. 7.6.1.44 寄存器 70 (0x46)
        45. 7.6.1.45 寄存器 71 (0x47)
        46. 7.6.1.46 寄存器 72 (0x48)
        47. 7.6.1.47 寄存器 73 (0x49)
        48. 7.6.1.48 寄存器 74 (0x4A)
        49. 7.6.1.49 寄存器 75 (0x4B)
        50. 7.6.1.50 寄存器 76 (0x4C)
        51. 7.6.1.51 寄存器 78 (0x4E)
        52. 7.6.1.52 寄存器 79 (0x4F)
        53. 7.6.1.53 寄存器 85 (0x55)
        54. 7.6.1.54 寄存器 86 (0x56)
        55. 7.6.1.55 寄存器 87 (0x57)
        56. 7.6.1.56 寄存器 88 (0x58)
        57. 7.6.1.57 寄存器 91 (0x5B)
        58. 7.6.1.58 寄存器 92 (0x5C)
        59. 7.6.1.59 寄存器 93 (0x5D)
        60. 7.6.1.60 寄存器 94 (0x5E)
        61. 7.6.1.61 寄存器 95 (0x5F)
        62. 7.6.1.62 寄存器 108 (0x6C)
        63. 7.6.1.63 寄存器 119 (0x77)
        64. 7.6.1.64 寄存器 120 (0x78)
      2. 7.6.2 寄存器 – 第 1 页
        1. 7.6.2.1 寄存器 1 (0x01)
        2. 7.6.2.2 寄存器 2 (0x02)
        3. 7.6.2.3 寄存器 6 (0x06)
        4. 7.6.2.4 寄存器 7 (0x07)
        5. 7.6.2.5 寄存器 9 (0x09)
  9. 应用和实施
    1. 8.1 典型应用
      1. 8.1.1 立体声、桥接负载 (BTL) 应用
      2. 8.1.2 单通道并行桥接负载 (PBTL) 应用
        1. 8.1.2.1 并行桥接负载 (PBTL),前置滤波器
        2. 8.1.2.2 并行桥接负载,后置滤波器
      3. 8.1.3 设计要求
      4. 8.1.4 详细设计过程
        1. 8.1.4.1 第一步:原理图和布局设计
          1. 8.1.4.1.1 去耦电容器建议
          2. 8.1.4.1.2 PVDD 电容器建议
          3. 8.1.4.1.3 BST 电容器
          4. 8.1.4.1.4 散热器
        2. 8.1.4.2 第二步:配置用于目标系统的固定功能处理流程
        3. 8.1.4.3 第三步:软件集成
      5. 8.1.5 两个 TAS3251 器件配置
        1. 8.1.5.1 2 个 PBTL 应用
        2. 8.1.5.2 2 个 BTL + 1 个 PBTL 应用
      6. 8.1.6 三个或更多 TAS3251 器件配置
      7. 8.1.7 应用曲线
    2. 8.2 电源相关建议
      1. 8.2.1 电源
        1. 8.2.1.1 DAC_DVDD 和 DAC_AVDD 电源
          1. 8.2.1.1.1 CPVSS、CN 和 CP 电荷泵
        2. 8.2.1.2 VDD 电源
        3. 8.2.1.3 GVDD_X 电源
        4. 8.2.1.4 PVDD 电源
        5. 8.2.1.5 BST 电源
    3. 8.3 布局
      1. 8.3.1 布局指南
        1. 8.3.1.1 TAS3251 通用指南
        2. 8.3.1.2 PVDD 旁路电容器布置的重要性
      2. 8.3.2 布局示例
        1. 8.3.2.1 桥接负载 (BTL) 布局示例
        2. 8.3.2.2 并行桥接负载 (PBTL),前置滤波器
        3. 8.3.2.3 并行桥接负载 (PBTL),后置滤波器
  10. 器件和文档支持
    1. 9.1 器件支持
      1. 9.1.1 器件命名规则
      2. 9.1.2 开发支持
    2. 9.2 接收文档更新通知
    3. 9.3 支持资源
    4. 9.4 商标
    5. 9.5 静电放电警告
    6. 9.6 术语表
  11. 10修订历史记录
  12. 11机械、封装和可订购信息

封装选项

机械数据 (封装 | 引脚)
散热焊盘机械数据 (封装 | 引脚)
订购信息

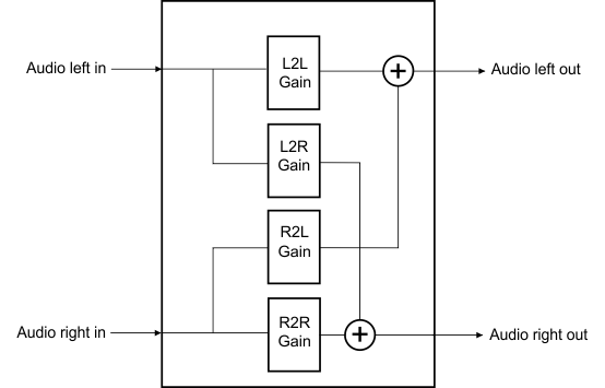
输入缩放与混频器

输入混合器可用于混合左右通道输入信号,如 图 7-22 中所示。输入混合器有四个系数,用于控制输入信号的混合和增益。在混合和调节输入信号时,应确保在最大输入电平下,输入混频器输出不超过 0dBFs,以免过驱 SRC 输入。

TAS3251 输入缩放与混频器图 7-22 输入缩放与混频器