ZHCUB80C August 2004 – July 2023 PGA309
PGA309 通过九个内部比较器提供外部桥式传感器的故障检测。请参阅图 2-22。这些比较器分为两组:内部故障比较器和外部故障比较器。在图 2-22 中,外部故障比较器组中的比较器表示为 EXT,内部故障比较器组中的比较器表示为 INT。

外部故障比较器用于监测桥式传感器是否正常运行并报告输入故障情况。表 2-15 列举了桥式传感器可能的故障情况以及每种故障情况下的相关故障比较器输出。由于 PGA309 的输入偏置电流超低,如果需要准确报告对悬空输入(传感器与一个或全部两个 PGA309 输入端完全断开)的故障检测,则有必要为这些输入中(VIN1 和 VIN2)的每一个都添加一个上拉或下拉电阻(在图 2-22 中显示为可选)。为了尽可能降低桥式传感器输出端的信号负载,这些电阻值可以在 1MΩ 到 10MΩ 之间。这些可选电阻产生的失调电压和其他误差将在 PGA309 + 传感器校准期间被消除。表 2-16 列出了使用上拉电阻时 PGA309 上的悬空输入的特殊情况。表 2-17 列出了使用下拉电阻时 PGA309 上的悬空输入的特殊情况。未列为特殊情况的所有其他故障情况与表 2-15 中详述的故障情况相同。
| 用例 | VIN2 (VINN) (V) |
VIN1 (VINP) (V) |
VIA_OUT (V) |
逻辑电平输出 | 注释 | |||
|---|---|---|---|---|---|---|---|---|
| INN_HI (ALM3) |
INN_LO (ALM2) |
INP_HI (ALM1) |
INP_LO (ALM0) |
|||||
| 正常 | 1.7 | 1.7 | 线性 | 0 | 0 | 0 | 0 | |
| RB1 开路 | 1.7 | 0 | ~0 | 0 | 0 | 0 | 1 | |
| RB2 开路 | 0 | 1.7 | ~VSA | 0 | 1 | 0 | 0 | |
| RB3 开路 | 3.4 | 1.7 | ~0 | 1 | 0 | 0 | 0 | |
| RB4 开路 | 1.7 | 3.4 | ~VSA | 0 | 0 | 1 | 0 | |
| RB1 短路 | 1.7 | 3.4 | ~VSA | 0 | 0 | 1 | 0 | |
| RB2 短路 | 3.4 | 1.7 | ~0 | 1 | 0 | 0 | 0 | |
| RB3 短路 | 0 | 1.7 | ? | 0 | 1 | 0 | 0 | |
| RB4 短路 | 1.7 | 0 | ~0 | 0 | 0 | 0 | 1 | |
| 传感器 GND 开路 | 3.4 | 3.4 | ~0 | 1 | 0 | 1 | 0 | |
| 传感器 VEXC 开路 | 0 | 0 | ~0 | 0 | 1 | 0 | 1 | |
| VEXC 端接 GND | 0 | 0 | ~0 | 1(2) | 1 | 1(2) | 1 | |
| VIN1 (VINP) 开路(3) | 1.7 | ~VSA−0.7 | ~VSA | 0 | 0 | 0 | 0 | VOUT 上的欠量程限制,无故障检测 — 内部或外部 |
| VIN2 (VINN) 开路(3) | ~VSA−0.7 | 1.7 | ~0 | 0 | 0 | 0 | 0 | VOUT 上的过量程限制,无故障检测 — 内部或外部 |
| VIN1 (VINP) 端接 GND | 1.7 | 0 | ~0 | 0 | 0 | 0 | 1 | |
| VIN2 (VINN) 端接 GND | 0 | 1.7 | ~VSA | 0 | 1 | 0 | 0 | |
| VIN1 (VINP) 端接 VEXC | 1.7 | 3.4 | ~VSA | 0 | 0 | 1 | 0 | |
| VIN2 (VINN) 端接 VEXC | 3.4 | 1.7 | ~0 | 1 | 0 | 0 | 0 | |
| VIN1 (VINP)、 VIN2 (VINN) 开路(3) |
~VSA−0.7 | ~VSA−0.7 | 线性? | 0 | 0 | 0 | 0 | 通常会缓慢漂移至过量程限制;无外部故障检测 (ALM7),内部故障设置 = A1 饱和低电平 |
| VIN1 (VINP)、 VIN2 (VINN) 短接 GND |
0 | 0 | ~VSA | 0 | 1 | 0 | 1 | |
| VIN1 (VINP)、 VIN2 (VINN) 短接 VEXC |
3.4 | 3.4 | ~0 | 1 | 0 | 1 | 0 | |
| 特殊情况(2) | VIN2 (VINN) (V) |
VIN1 (VINP) (V) |
VIA_OUT (V) |
逻辑电平输出 | |||
|---|---|---|---|---|---|---|---|
| INN_HI (ALM3) |
INN_LO (ALM2) |
INP_HI (ALM1) |
INP_LO (ALM0) |
||||
| VIN1 (VINP) 开路 | 1.7 | VEXC | ~VSA | 0 | 0 | 1 | 0 |
| VIN2 (VINN) 开路 | VEXC | 1.7 | ~0 | 1 | 0 | 0 | 0 |
| VIN1 (VINP)、VIN2 (VINN) 开路 | VEXC | VEXC | ~0 | 1 | 0 | 1 | 0 |
| 特殊情况(2) | VIN2 (VINN) (V) | VIN1 (VINP) (V) | VIA_OUT (V) | 逻辑电平输出 | |||
|---|---|---|---|---|---|---|---|
| INN_HI (ALM3) | INN_LO (ALM2) | INP_HI (ALM1) | INP_LO (ALM0) | ||||
| VIN1 (VINP) 开路 | 1.7 | ~0 | ~VSA | 0 | 0 | 0 | 1 |
| VIN2 (VINN) 开路 | ~0 | 1.7 | ~0 | 0 | 1 | 0 | 0 |
| VIN1 (VINP)、VIN2 (VINN) 开路 | ~0 | ~0 | ~0 | 0 | 1 | 0 | 1 |
启用 VEXC 后,外部故障比较器 INP_HI 和 INP_LO 有一个最小基准选择器电路会在 VEXC – 100mV 或 VSA – 1.2V 的典型跳闸点之间进行选择。这样可以确保即使线性化电路增加 VEXC,而桥式传感器存在违反 PGA309 前端 PGA 相对于 VSA 的 IVR 的故障情况,仍能进行精确的故障监测。如果禁用了 VEXC,这些比较器将默认为 VSA – 1.2V 阈值。
内部故障比较器用于监测 PGA309 的前端 PGA 内部节点(请参阅图 2-22)。当 PGA309 + 传感器校准正在进行时,启用内部比较器组至关重要,因为它可以提醒用户存在内部节点违规情况。这种违规的情况仍可能会产生处于预期线性范围内的输出电压,但这个输出电压并不准确。前端 PGA 每个前端放大器(A1 和 A2)的输出均受到监测,以了解是否存在对正电源或对地饱和。如果这些比较器中的任何一个在校准期间跳闸,则表明由于错误的前端 PGA 增益选择或粗略失调电压调整导致了超出范围的调节情况。此外,还会监测前端 PGA 中的 A3 放大器是否存在共模违规情况:如果零 DAC 与前端 PGA 增益选择的组合不正确,则可能会发生这种情况。
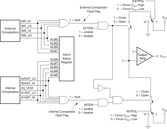
每个单独的内部和外部故障比较器都可以通过以下数字接口之一读取:两线制或单线制接口。当前结果存储在寄存器 8 — 警报状态寄存器中。启用 PGA309 输出后,警报状态寄存器的值将反映故障比较器的当前状态。禁用 VOUT 后,寄存器中的值就是输出被禁用前的最新比较器状态。这样可以更轻松地识别和调试三端传感器模块(PRG 短接至 VOUT)。有关详细信息,请参阅节 4.10(PRG 连接到 VOUT 的单线制工作模式)。此外,每组比较器(内部故障比较器和外部故障比较器)均可以进行编程,以便在各自组中的任一比较器为逻辑高电平(表示有故障)时,PGA309 输出 (VOUT) 将被迫出现故障,指明正的电压电平(当负载为 10kΩ 时,最大值为 VSA − 0.1V)或负的电压电平(当负载为 10kΩ 时,最大值为 0.1V)。图 2-23 展示了与此相关的逻辑。
图 2-23 故障监测比较器逻辑寄存器 5 — PGA 配置和过量程/欠量程限制中提供了故障监测比较器逻辑的配置。每个比较器组中的各比较器输出组合在一起可产生一个内部比较器故障标志和一个外部比较器故障标志。对于外部比较器组 EXTEN,寄存器 5(位 11)会启用或禁用是否向前发送外部比较器故障标志以强制 VOUT 进入故障指示状态。对于内部比较器组,INTEN - 寄存器 5(位 10)会启用或禁用是否向前发送内部比较器故障标志以强制 VOUT 进入故障指示状态。对于每个比较器组,可对 VOUT(VSA 或 GND)的故障指示状态进行编程。INTPOL - 寄存器 5(位 8)为内部比较器组选择此状态,EXTPOL - 寄存器 5(位 9)为外部比较器组选择此状态。外部比较器故障标志的优先级高于内部比较器。
故障标志如图 2-23 所示。例如,如果内部故障比较器组设置为强制 VOUT 为低电平,而外部故障比较器组设置为强制 VOUT 为高电平,并且两组都检测到故障(如果两组都启用,有可能发生这种情况),则外部故障比较器组具有更高优先级,因此 VOUT 被强制为高电平。这是为了确保严重的传感器故障将优先于内部节点违规进行报告,在大多数实际应用中都是如此。如果在检测到故障时 VOUT 存在有效线性输出,则故障逻辑将始终具有更高优先级(如果启用),并会覆盖线性输出以将 VOUT 的故障指示为正或负 VOUT 饱和。