ZHCUB80C August 2004 – July 2023 PGA309
许多桥式传感器都在施加压力时具有固有非线性输出。图 2-9 展示了使用 PGA309 线性化电路的典型非线性校正。
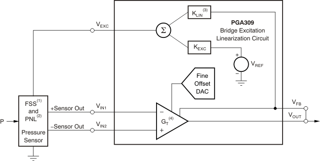
图 2-9 电桥压力非线性校正PGA309 包含一个用于传感器电压激励和线性化的专用电路,如图 2-10 所示。线性化电路会调节所选的 VREF 并将其与通过反馈引脚 (VFB) 的输出电压 (VOUT) 的一部分相加,从而补偿桥式传感器输出与压力之间的弓形非线性问题。使用此技术可以对抛物线非线性进行补偿,从而相对于未补偿电桥输出实现高达 20:1 的改进,如图 2-9 所示。KLIN 是 Lin DAC 产生的 VOUT 的双极比例因子。KEXC 是 VREF 一个设定的衰减系数,可以根据需要增加或减少到 VEXC。线性化电路中有两个可用的范围,对于 KLIN 具有不同的相应范围和不同的相应固定衰减。

如果不需要传感器电压激励线性化,有多种电桥激励选项。在比例式系统中,电桥应直接连接到 VSA。如果系统为 VREF 提供外部基准,传感器应连接到该外部传感器。如果系统使用 PGA309 内部基准,建议将 VEXC 用于传感器激励,并将 Lin DAC 设置为零。这样做的原因是为了尽量减少从 REFIN/REFOUT 引脚消耗的任何大电流,这些大电流可能会影响内部电路使用的内部 VREF 值。
在不使用 VEXC 的系统中,通过将相应的寄存器 3 位(10、7:0)设置为“0”,可以禁用 Lin DAC 和 VEXC。这将使总静态电流降低 50μA 至 100μA。
从 VFB 引脚到 VEXC 的线性化电路的典型带宽为 35kHz。
电桥激励 (VEXC) 的输出信号相关性(VOUT 相关性)为整体系统传递函数(PGA309 + 桥式传感器)添加一个二阶项。图 2-11 所示的 Lin DAC 可调节 VOUT 的一部分,然后与基准电压 VREF 的调节结果相加。可以设置 Lin DAC 代码以补偿每个单独的桥式传感器非线性。如图 2-11 所示,PGA309 线性化电路中提供两个范围以适应各种传感器非线性和 VREF 组合。
图 2-11 线性化电路为了确定 Lin DAC 的值(也称为线性化系数 KLIN),必须知道桥式传感器在恒定激励电压下的非线性度。PGA309 线性化电路只能补偿传感器在施加压力下的非线性的抛物线形状部分。这种非线性在整个温度范围内应该是恒定的,或者温度变化对系统误差预算的影响应该是微不足道的。对于典型的 PGA309 应用,KLIN 因子不随温度的变化而调整。如图 2-12 和图 2-13 所示,当线性输出的最大偏差出现在量程中点时,即可实现理想校正。非线性曲线与图 2-12 相似但不会恰好在量程中点达到峰值的传感器仍然可以获得大幅改进。具有 S 形非线性曲线(正负非线性相等)的传感器无法通过使用 PGA309 线性化电路来实现改进。
图 2-12 电桥输出与压力间的关系
图 2-13 电桥非线性 (%FSR) 与压力间的关系正确设置 Lin DAC 极性可以补偿正电桥或负电桥的非线性。要校正正电桥非线性(向上弯曲,如图 2-13 所示),Lin DAC 值应设置为正值。对于负电桥非线性(向下弯曲,如图 2-13 所示),应将 Lin DAC 值设置为负值。
激励电压 (VEXC) 可直接调节桥式传感器输出,因此,使用线性化电路时,必须在 PGA309 的增益和失调电压设置中考虑该电压。
以下几节提供了线性化电路的关键定义和设计公式。