ZHCUB80C August   2004  – July 2023 PGA309

 

  1.   1
  2.   使用前必读
    1.     关于本手册
    2.     德州仪器 (TI) 相关文档
    3.     如果您需要协助
    4.     注意事项和警告信息
    5.     FCC 警告
    6.     商标
  3. 1引言
    1. 1.1  PGA309 功能说明
    2. 1.2  传感器误差调整范围
    3. 1.3  增益调节
    4. 1.4  失调电压量调整
    5. 1.5  电压基准
    6. 1.6  传感器激励和线性化
    7. 1.7  使用 ADC 进行温度检测
    8. 1.8  外部 EEPROM 和温度系数
    9. 1.9  故障监测
    10. 1.10 过量程和欠量程限制
    11. 1.11 上电和正常运行
    12. 1.12 数字接口
    13. 1.13 引脚配置
  4. 2详细说明
    1. 2.1  增益调节
      1. 2.1.1 PGA309 传递函数
      2. 2.1.2 求解增益设置
    2. 2.2  失调电压调节
    3. 2.3  零 DAC 和增益 DAC 架构
    4. 2.4  输出放大器
    5. 2.5  基准电压
    6. 2.6  线性化函数
      1. 2.6.1 系统定义
      2. 2.6.2 关键线性化设计公式
        1. 2.6.2.1 Lin DAC 计数转换
      3. 2.6.3 关键理想设计公式
        1. 2.6.3.1 线性化设计
        2.       37
    7. 2.7  温度测量
      1. 2.7.1 温度 ADC 启动转换控制
      2. 2.7.2 通过励磁串联电阻进行外部温度检测
    8. 2.8  故障监测
    9. 2.9  过量程和欠量程
      1. 2.9.1 过量程和欠量程计算
      2.      44
    10. 2.10 噪声和粗略失调电压调整
    11. 2.11 一般 AC 注意事项
  5. 3工作模式
    1. 3.1 上电序列和正常独立工作模式
    2. 3.2 EEPROM 内容和温度查找表计算
      1. 3.2.1 温度查找表计算
        1. 3.2.1.1 温度查找表计算
        2.       52
        3.       53
    3. 3.3 校验和错误事件
    4. 3.4 测试引脚
    5. 3.5 上电时的初始寄存器状态
      1. 3.5.1 PGA309 上电状态
  6. 4数字接口
    1. 4.1  说明
    2. 4.2  两线制接口
      1. 4.2.1 器件寻址
      2. 4.2.2 两线制访问 PGA309
    3. 4.3  一线制接口
    4. 4.4  单线制接口超时
    5. 4.5  单线制接口时序注意事项
    6. 4.6  两线制访问外部 EEPROM
    7. 4.7  单线制接口发起的两线制 EEPROM 事务
    8. 4.8  PGA309 独立模式和两线制事务
    9. 4.9  PGA309 在两线制总线上的主运行模式和总线共享注意事项
    10. 4.10 PRG 连接到 VOUT 的单线制工作模式
    11. 4.11 四线制模块和单线制接口 (PRG)
  7. 5应用背景
    1. 5.1 桥式传感器
    2. 5.2 桥式传感器的系统调节选项
      1. 5.2.1 绝对调节
      2. 5.2.2 比例式调节
    3. 5.3 修整实际桥式传感器以支持线性度
    4. 5.4 PGA309 校准过程
  8. 6寄存器说明
    1. 6.1 内部寄存器概览
    2. 6.2 内部寄存器映射
      1. 6.2.1 寄存器 0:温度 ADC 输出寄存器(只读,地址指针 = 00000)
      2. 6.2.2 寄存器 1:精细失调电压调整(零 DAC)寄存器(读取/写入,地址指针 = 00001)
      3. 6.2.3 寄存器 2:精细增益调整(增益 DAC)寄存器(读取/写入,地址指针 = 00010)
      4. 6.2.4 寄存器 3:基准控制和线性化寄存器(读取/写入,地址指针 = 00011)
      5. 6.2.5 寄存器 4:PGA 粗略失调电压调整和增益选择/输出放大器增益选择寄存器(读取/写入,地址指针 = 00100)
      6. 6.2.6 寄存器 5:PGA 配置和过量程/欠量程限制寄存器(读取/写入,地址指针 = 00101)
      7. 6.2.7 寄存器 6:温度 ADC 控制寄存器(读取/写入,地址指针 = 00110)
      8. 6.2.8 寄存器 7:输出使能计数器控制寄存器(读取/写入,地址指针 = 00111)
      9. 6.2.9 寄存器 8:警报状态寄存器(只读,地址指针 = 01000)
  9.   A 外部 EEPROM 示例
    1.     A.1 PGA309 外部 EEPROM 示例
      1.      A.1.1 外部 EEPROM 的增益和失调电压调节
      2.      94
  10.   B 详细方框图
    1.     B.1 详细方框图
  11.   C 术语表
  12.   修订历史记录

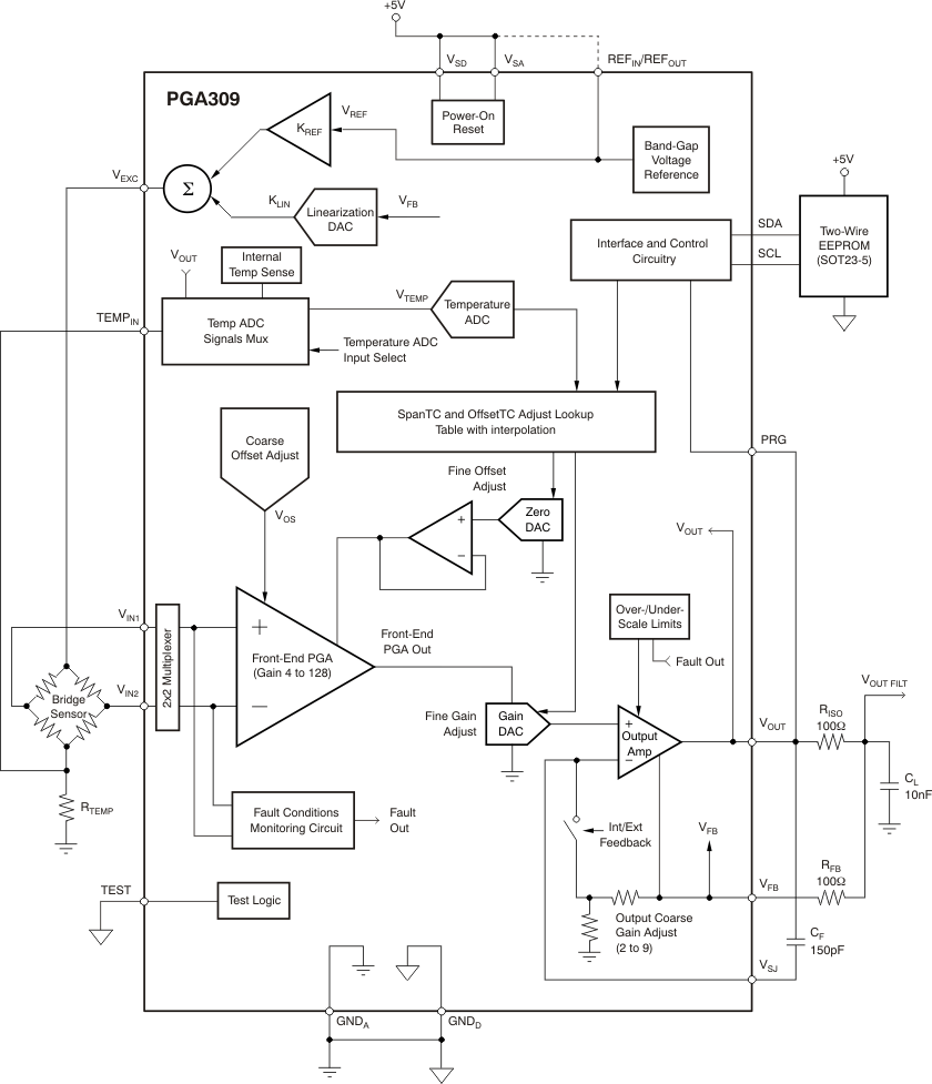
PGA309 功能说明

PGA309 是一款专为电阻桥式传感器应用而设计的智能可编程模拟信号调节器。这是一款完整的信号调节器,具有电桥激励、初始跨度和失调电压调整、跨度和失调电压温度调整、内部/外部温度测量能力、输出过量程和欠量程限制、故障检测和数字校准等特性。PGA309 在经校准的传感器模块中可以将误差降低至近乎实现桥式传感器可重复性的水平。图 1-1 展示了 PGA309 的方框图。以下是每个主要功能的简要概述。

GUID-2A364C7E-4722-4051-ABC1-57CC307BC5A4-low.gif图 1-1 PGA309 的简化图