ZHCAAA0A February   2016  – May 2021 TMS320F28075 , TMS320F28075-Q1 , TMS320F28374D , TMS320F28374S , TMS320F28375D , TMS320F28375S , TMS320F28375S-Q1 , TMS320F28376D , TMS320F28376S , TMS320F28377D , TMS320F28377D-EP , TMS320F28377D-Q1 , TMS320F28377S , TMS320F28377S-Q1 , TMS320F28379D , TMS320F28379D-Q1 , TMS320F28379S

 

  1.   商标
  2. 引言
  3. 永磁电机
  4. 同步电机运行
  5. 磁场定向控制 (FOC)
    1. 4.1 引言
    2. 4.2 FOC 主要原理
    3. 4.3 技术背景
    4. 4.4 空间矢量定义和设计
    5. 4.5 (a,b,c) → (α,β) 设计(Clarke 变换)
    6. 4.6 (α,β) → (d,q) 设计(Park 转换)
  6. FOC 的基本系统配置
    1. 5.1 转子磁通位置
  7. 32 位 C2000 控制器在数字电机控制 (DMC)方面 的优势
  8. TI 文献和数字电机控制 (DMC) 库
    1. 7.1 一个典型的 DMC 宏定义
    2. 7.2 系统概述
  9. 硬件配置 (IDDK)
    1. 8.1 运行 HVPM_Sensored 项目的软件设置指令
  10. 递增系统构建
    1. 9.1  1 级 - 递增构建
    2. 9.2  1A 级 - SVGEN_MACRO 测试
    3. 9.3  1B 级 - 测试 DAC
    4. 9.4  1C 级 - PWM_MACRO 和逆变器测试
    5. 9.5  1D 级 - 调整旋转变压器环路参数
    6. 9.6  2 级 - 递增构建
    7. 9.7  2A 阶段 - 在软件中设置过流限制
    8. 9.8  2B 级 - 测试 Clarke 模块
    9. 9.9  2C 级 - 调整 PI 限值
    10. 9.10 2D 级 - 各种电流感应方法
    11. 9.11 2E 级 - 位置编码器反馈/SPEED_FR 测试
      1. 9.11.1 使用 QEP
      2. 9.11.2 使用旋转变压器
      3. 9.11.3 使用 EnDat 编码器:
      4. 9.11.4 使用 BiSS-C 编码器:
    12. 9.12 3 级 - 递增构建
    13. 9.13 4 级 - 递增构建
    14. 9.14 5 级 - 递增构建
  11. 10参考文献
  12. 11修订历史记录

系统概述

本文档描述了“C”实时控制框架,此框架用来演示 HVPM 电机的 FOC(附有传感器)。“C”框架被设计成在 Code Composer Studio™ 软件上基于 C2000 的控制器上运行。此框架使用以下模块:(1)1

宏名称说明
CLARKEClarke 变换
PARK 和 IPARKPark 和反相 Park 变换
PIPI 稳压器
PIDPID 稳压器
PI_POS位置环路的 PI 稳压器
PWMPWM 驱动器
RC斜坡控制器(转换率限制器)
RG斜坡和锯齿波发生器
QEPQEP 驱动
SPEED_FR速度测量(基于传感器信号频率)
SVGEN具有正交控制(包括 IClarke 变换)的空间矢量 PWM

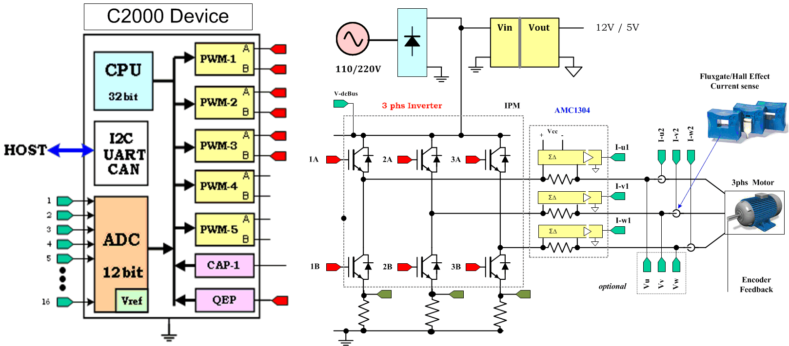
图 7-1 介绍了 PMSM 实施附有传感器的 FOC 的整体系统。利用各种电流感应方法和位置感应方法进行实验的控制措施,有助于探索反馈方法对系统性能的影响。PM 电机由一个传统的电压源逆变器驱动。TMS320F2837x 控制卡用于为逆变器生成三组互补脉冲宽度调制 (PWM) 信号,而逆变器是使用集成电源模块构建的。

使用以下方法通过逆变器测量 PM 电机的两/三相电流:

  • 连接到逆变器半桥底部的分流感应
  • 串联到电机相的 LEM 的磁通门传感器
  • 分流测量,基于 Δ-Σ,串联到电机相

前两种方法会使用 ADC,第三种方法会使用片上 SDFM(Δ-Σ 滤波器模块)。出于实验目的,逆变器的直流总线电压是使用 ADC 和 SDFM 测量的。电流传感器的选择取决于客户方的评估需求。但该套件可提供全部三种电流感应结果。

GUID-E27D836F-8496-4414-9EE7-1C78C055D035-low.gif图 7-1 一个三相感应电机驱动实施

图 7-2描述了软件流。

GUID-B9C365C6-B6C8-4CFD-A72F-17A94E398177-low.gif图 7-2 系统软件流程图
如需更多信息,请参考电机控制文件夹内的 pdf 文档,此文档解释了每个宏的细节和理论背景。