ZHCAAA0A February   2016  – May 2021 TMS320F28075 , TMS320F28075-Q1 , TMS320F28374D , TMS320F28374S , TMS320F28375D , TMS320F28375S , TMS320F28375S-Q1 , TMS320F28376D , TMS320F28376S , TMS320F28377D , TMS320F28377D-EP , TMS320F28377D-Q1 , TMS320F28377S , TMS320F28377S-Q1 , TMS320F28379D , TMS320F28379D-Q1 , TMS320F28379S

 

  1.   商标
  2. 引言
  3. 永磁电机
  4. 同步电机运行
  5. 磁场定向控制 (FOC)
    1. 4.1 引言
    2. 4.2 FOC 主要原理
    3. 4.3 技术背景
    4. 4.4 空间矢量定义和设计
    5. 4.5 (a,b,c) → (α,β) 设计(Clarke 变换)
    6. 4.6 (α,β) → (d,q) 设计(Park 转换)
  6. FOC 的基本系统配置
    1. 5.1 转子磁通位置
  7. 32 位 C2000 控制器在数字电机控制 (DMC)方面 的优势
  8. TI 文献和数字电机控制 (DMC) 库
    1. 7.1 一个典型的 DMC 宏定义
    2. 7.2 系统概述
  9. 硬件配置 (IDDK)
    1. 8.1 运行 HVPM_Sensored 项目的软件设置指令
  10. 递增系统构建
    1. 9.1  1 级 - 递增构建
    2. 9.2  1A 级 - SVGEN_MACRO 测试
    3. 9.3  1B 级 - 测试 DAC
    4. 9.4  1C 级 - PWM_MACRO 和逆变器测试
    5. 9.5  1D 级 - 调整旋转变压器环路参数
    6. 9.6  2 级 - 递增构建
    7. 9.7  2A 阶段 - 在软件中设置过流限制
    8. 9.8  2B 级 - 测试 Clarke 模块
    9. 9.9  2C 级 - 调整 PI 限值
    10. 9.10 2D 级 - 各种电流感应方法
    11. 9.11 2E 级 - 位置编码器反馈/SPEED_FR 测试
      1. 9.11.1 使用 QEP
      2. 9.11.2 使用旋转变压器
      3. 9.11.3 使用 EnDat 编码器:
      4. 9.11.4 使用 BiSS-C 编码器:
    12. 9.12 3 级 - 递增构建
    13. 9.13 4 级 - 递增构建
    14. 9.14 5 级 - 递增构建
  11. 10参考文献
  12. 11修订历史记录

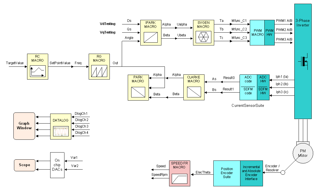
2 级 - 递增构建

图 9-5 所示为在 BUILDLEVEL 2 中构建的系统的方框图。

GUID-13E1233F-E9E4-4506-9C3D-00224C6F193F-low.gif图 9-5 2 级 - 递增系统构建方框图

2 级验证模数转换,偏移补偿,Clarke 和 Park 变换。

在本部分,在 1 级基础上又增加了一些构件块,并进行了测试。假设构建 1 部分已经成功完成,本节将验证逆变器的过流保护限制、模数转换、Σ-Δ 滤波器模块 (SDFM) 以及 Clarke/Park 变换。在此构建中,电机以开环方式运行,以验证各种电流感应选项(使用 SHUNT、LEM 或 SDFM 方法)的功能,以及在此设置中使用的位置编码器(QEP、EnDat、BiSS 或旋转变压器)的功能。

现在,此电机可连接至 IDDK 电路板,这是因为 PWM 信号已成功通过 1 级递增构建验证。请注意,开环实验将测试各种反馈模块。因此,不建议在负载下或不同的运行点上运行电机。

  1. 打开 IDDK_PM_Servo_F2837x-Settings.h 并通过将 BUILDLEVEL 设置为 LEVEL2 (#define BUILDLEVEL LEVEL2) 来选择 2 级增量构建选项。
  2. 将 CURRENT_SENSE 选择为 LEM_CURRENT SENSE,将 POSITION_ENCODER 选择为 QEP_POS_ENCODER、RESOLVER_POS_ENCODER、BISS_POS_ENCODER 或 ENDAT_POS_ENCODER(具体取决于使用的编码器)。默认值设为 QEP_POS_ENCODER。
  3. 右键点击项目名称,然后点击 Rebuild Project。
  4. 一旦构建完成,点击 debug(调试)按钮,复位 CPU,重新启动,启用实时模式并运行。
  5. 从根目录中的“Variables_IDDK_Level2.txt”文件导入变量,表达式窗口将如 图 9-6 中所示。
    GUID-9FB7B6B6-C3F8-4BDF-A7C0-CF2237E5419D-low.gif图 9-6 构建级别 2 的表达式窗口
  6. 在观察窗口中将“EnableFlag”设置为 1。在表达式窗口中看到“IsrTicker”变量递增,可确认中断正常运转。
  7. 将“RunMotor”变量设置为 1,如果对直流总线施加了足够的电压,则电机会在几秒钟后开始旋转。

在软件中,待调整的关键变量汇总如下:

  • SpeedRef:用于更改转子速度(标幺值)
  • VdTesting:用于更改 d 轴电压(标幺值)
  • VqTesting:用于更改 q 轴电压(标幺值)

开环测试期间,应该仔细调节 VqTesting、SpeedRef 和直流总线电压,使生成的 Bemf 低于施加到电机绕组上的平均电压。这样可防止电机失速或振动。