ZHCSNF1 February   2021 BQ25960

PRODUCTION DATA  

  1. 特性
  2. 应用
  3. 说明
  4. Revision History
  5. Description (continued)
  6. Device Comparison Table
  7. Pin Configuration and Functions
  8. Specifications
    1. 8.1 Absolute Maximum Ratings
    2. 8.2 ESD Ratings
    3. 8.3 Recommended Operating Conditions
    4. 8.4 Thermal Information
    5. 8.5 Electrical Characteristics
    6. 8.6 Timing Requirements
    7. 8.7 Typical Characteristics
  9. Detailed Description
    1. 9.1 Overview
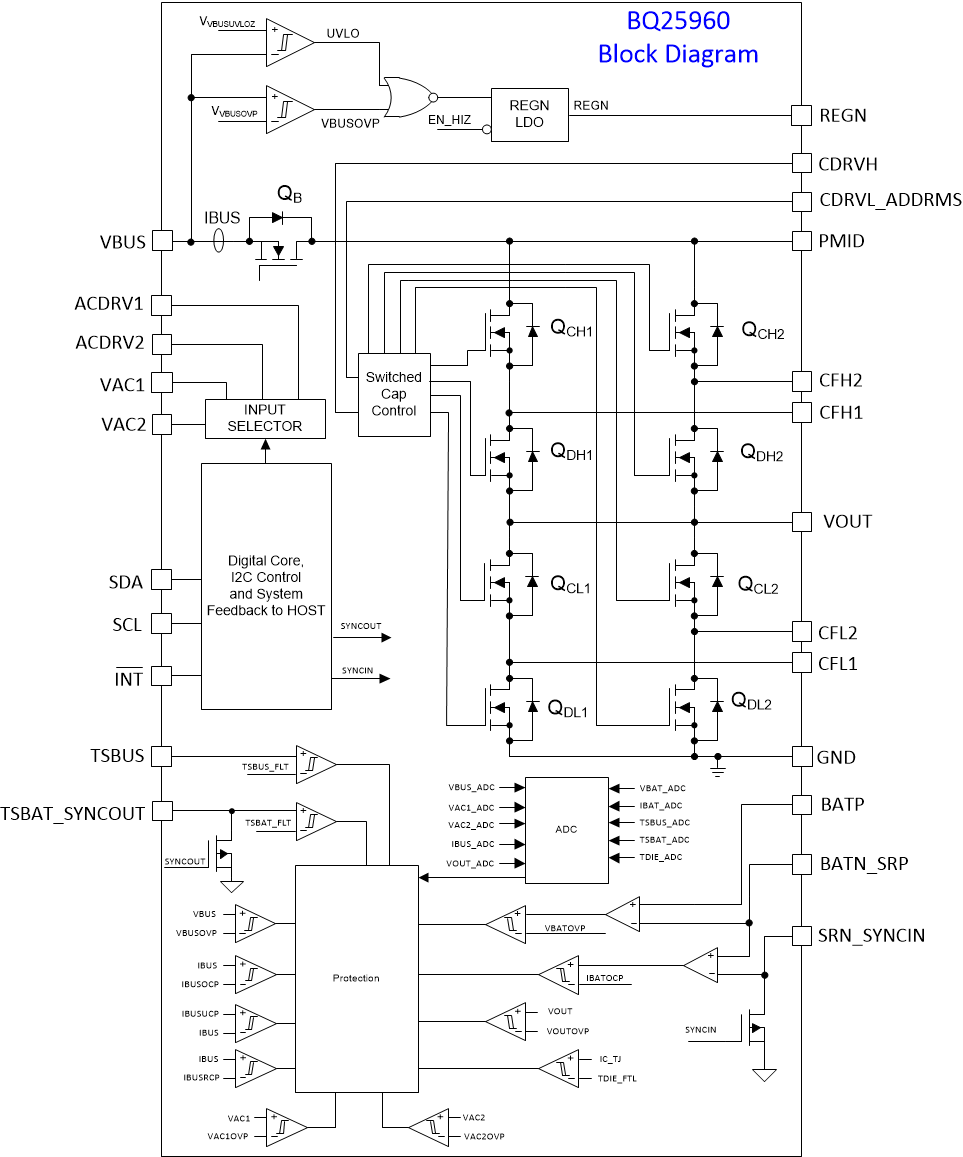
    2. 9.2 Functional Block Diagram
    3. 9.3 Feature Description
      1. 9.3.1  Charging System
      2. 9.3.2  Battery Charging Profile
      3. 9.3.3  Device Power Up
      4. 9.3.4  Device HIZ State
      5. 9.3.5  Dual Input Bi-Directional Power Path Management
        1. 9.3.5.1 ACDRV Turn-On Condition
        2. 9.3.5.2 Single Input from VAC to VBUS without ACFET-RBFET
        3. 9.3.5.3 Single Input with ACFET1
        4. 9.3.5.4 Dual Input with ACFET1-RBFET1
        5. 9.3.5.5 Dual Input with ACFET1-RBFET1 and ACFET2-RBFET2
        6. 9.3.5.6 OTG and Reverse TX Mode Operation
      6. 9.3.6  Bypass Mode Operation
      7. 9.3.7  Charging Start-Up
      8. 9.3.8  Adapter Removal
      9. 9.3.9  Integrated 16-Bit ADC for Monitoring and Smart Adapter Feedback
      10. 9.3.10 Device Modes and Protection Status
        1. 9.3.10.1 Input Overvoltage, Overcurrent, Undercurrent, Reverse-Current and Short-Circuit Protection
        2. 9.3.10.2 Battery Overvoltage and Overcurrent Protection
        3. 9.3.10.3 IC Internal Thermal Shutdown, TSBUS, and TSBAT Temperature Monitoring
      11. 9.3.11 INT Pin, STAT, FLAG, and MASK Registers
      12. 9.3.12 Dual Charger Operation Using Primary and Secondary Modes
      13. 9.3.13 CDRVH and CDRVL_ADDRMS Functions
    4. 9.4 Programming
      1. 9.4.1 F/S Mode Protocol
    5. 9.5 Register Maps
      1. 9.5.1 I2C Registers
  10. 10Application and Implementation
    1. 10.1 Application Information
    2. 10.2 Typical Application
      1. 10.2.1 Standalone Application Information (for use with main charger)
        1. 10.2.1.1 Design Requirements
        2. 10.2.1.2 Detailed Design Procedure
        3. 10.2.1.3 Application Curves
  11. 11Power Supply Recommendations
  12. 12Layout
    1. 12.1 Layout Guidelines
    2. 12.2 Layout Example
  13. 13Device and Documentation Support
    1. 13.1 Device Support
      1. 13.1.1 第三方产品免责声明
    2. 13.2 Documentation Support
      1. 13.2.1 Related Documentation
    3. 13.3 接收文档更新通知
    4. 13.4 支持资源
    5. 13.5 Trademarks
    6. 13.6 静电放电警告
    7. 13.7 术语表
  14. 14Mechanical, Packaging, and Orderable Information

封装选项

机械数据 (封装 | 引脚)
散热焊盘机械数据 (封装 | 引脚)
订购信息

Functional Block Diagram

GUID-20210113-CA0I-7B13-LSXP-SQH1QPQMMJHK-low.gif