ZHCUCN4 December   2024

 

  1.   1
  2.   说明
  3.   资源
  4.   特性
  5.   应用
  6.   6
  7. 1系统说明
    1. 1.1 术语
    2. 1.2 主要系统规格
  8. 2系统概述
    1. 2.1 方框图
    2. 2.2 设计注意事项
      1. 2.2.1 控制系统设计原理
        1. 2.2.1.1 PWM 调制
        2. 2.2.1.2 电流环路模型
        3. 2.2.1.3 直流母线调节环路
        4. 2.2.1.4 直流电压平衡控制器
    3. 2.3 主要产品
      1. 2.3.1 TMS320F280013x
      2. 2.3.2 UCC5350
      3. 2.3.3 AMC1350
      4. 2.3.4 TMCS1123
      5. 2.3.5 UCC28750
      6. 2.3.6 LM25180
      7. 2.3.7 ISOTMP35
      8. 2.3.8 TLV76133
      9. 2.3.9 TLV9062
    4. 2.4 硬件设计
      1. 2.4.1  电感器设计
      2. 2.4.2  总线电容器选择
      3. 2.4.3  输入交流电压感测
      4. 2.4.4  输出直流母线电压检测
      5. 2.4.5  辅助电源
      6. 2.4.6  隔离式电源
      7. 2.4.7  电感器电流感应
      8. 2.4.8  栅极驱动器
      9. 2.4.9  隔离式温度感测
      10. 2.4.10 过流和过压保护 (CMPSS)
  9. 3硬件、软件、测试要求和测试结果
    1. 3.1 硬件要求
      1. 3.1.1 入门硬件
        1. 3.1.1.1 电路板概述
        2. 3.1.1.2 测试设备
    2. 3.2 软件要求
      1. 3.2.1 入门 GUI
        1. 3.2.1.1 测试设置
        2. 3.2.1.2 GUI 软件概述
        3. 3.2.1.3 使用 GUI 进行测试的过程
      2. 3.2.2 固件入门
        1. 3.2.2.1 在 Code Composer Studio™ 中打开项目
        2. 3.2.2.2 工程结构
        3. 3.2.2.3 测试设置
        4. 3.2.2.4 运行项目
          1. 3.2.2.4.1 INCR_BUILD 1:开环
            1. 3.2.2.4.1.1 设置、编译和加载项目
            2. 3.2.2.4.1.2 设置调试环境窗口
            3. 3.2.2.4.1.3 使用实时仿真
            4. 3.2.2.4.1.4 运行代码(版本 1)
          2. 3.2.2.4.2 INCR_BUILD 2:闭合电流环路
            1. 3.2.2.4.2.1 运行代码(版本 2)
            2. 3.2.2.4.2.2 编译和加载项目以及设置调试
          3. 3.2.2.4.3 INCR_BUILD 3:闭合电压和电流环路
            1. 3.2.2.4.3.1 编译和加载项目以及设置调试
            2. 3.2.2.4.3.2 运行代码(版本 3)
          4. 3.2.2.4.4 INCR_BUILD 4:闭合平衡、电压和电流环路
            1. 3.2.2.4.4.1 编译和加载项目以及设置调试
            2. 3.2.2.4.4.2 运行代码(版本 4)
    3. 3.3 测试结果
      1. 3.3.1  IGBT 栅极上升和下降时间
      2. 3.3.2  上电序列
      3. 3.3.3  通过 GUI 启动的 PFC
      4. 3.3.4  380VAC、9kW 下的过零
      5. 3.3.5  380VAC、10kW 下的电流纹波
      6. 3.3.6  使用电网电源进行 10kW 负载测试
      7. 3.3.7  使用交流电源进行 9kW 负载测试
      8. 3.3.8  功率分析仪结果
      9. 3.3.9  热性能
      10. 3.3.10 电压短路中断测试
      11. 3.3.11 效率、iTHD 和功率因数结果
  10. 4设计和文档支持
    1. 4.1 设计文件
      1. 4.1.1 原理图
      2. 4.1.2 物料清单 (BOM)
    2. 4.2 工具与软件
    3. 4.3 文档支持
    4. 4.4 支持资源
    5. 4.5 商标
  11. 5作者简介
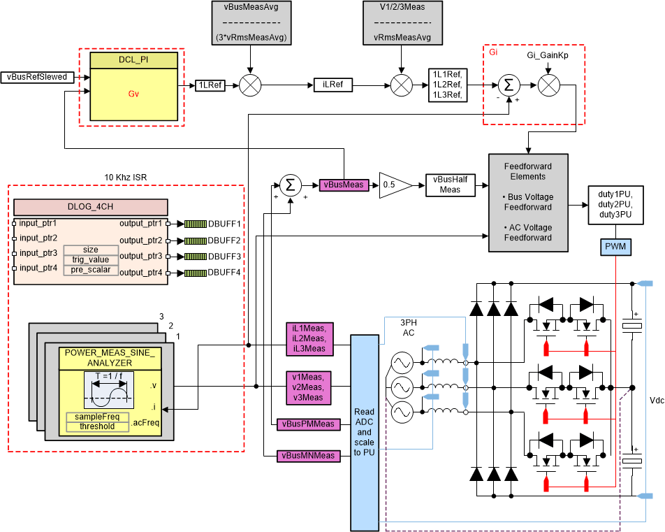
INCR_BUILD 3:闭合电压和电流环路

在该编译版本中,在内侧电流环路闭合的情况下,外侧电压环路是闭合的(在 BUILD 2 中设计)。图 3-22 展示了该编译版本的软件图。

TIDA-010257 构建级别 3 控制图:使用内侧电流环路进行输出电压控制图 3-22 构建级别 3 控制图:使用内侧电流环路进行输出电压控制