ZHCAEO8C March   2022  – March 2025 AM620-Q1 , AM623 , AM625 , AM625-Q1 , AM62L

 

  1.   1
  2.   摘要
  3.   商标
  4. 1概述
    1. 1.1 支持的电路板设计
    2. 1.2 通用电路板布局布线指南
    3. 1.3 PCB 堆叠
    4. 1.4 旁路电容器
      1. 1.4.1 大容量旁路电容器
      2. 1.4.2 高速旁路电容器
      3. 1.4.3 返回电流旁路电容器
    5. 1.5 速度补偿
  5. 2DDR4 电路板设计和布局布线指南
    1. 2.1  DDR4 简介
    2. 2.2  受支持的 DDR4 器件的实现
    3. 2.3  DDR4 接口原理图
      1. 2.3.1 采用 16 位 SDRAM 器件的 DDR4 实现
      2. 2.3.2 采用 8 位 SDRAM 器件的 DDR4 实现
    4. 2.4  兼容的 JEDEC DDR4 器件
    5. 2.5  放置
    6. 2.6  DDR4 禁止区域
    7. 2.7  DBI
    8. 2.8  VPP
    9. 2.9  网类别
    10. 2.10 DDR4 信号端接
    11. 2.11 VREF 布线
    12. 2.12 VTT
    13. 2.13 POD 互连
    14. 2.14 CK 和 ADDR_CTRL 拓扑与布线指南
    15. 2.15 数据组拓扑与布线指南
    16. 2.16 CK 和 ADDR_CTRL 布线规格
      1. 2.16.1 CACLM - 时钟地址控制最大曼哈顿距离
      2. 2.16.2 CK 和 ADDR_CTRL 布线限值
    17. 2.17 数据组布线规格
      1. 2.17.1 DQLM - DQ 最大曼哈顿距离
      2. 2.17.2 数据组布线限值
    18. 2.18 位交换
      1. 2.18.1 数据位交换
      2. 2.18.2 地址和控制位交换
  6. 3LPDDR4 电路板设计和布局布线指南
    1. 3.1  LPDDR4 简介
    2. 3.2  受支持的 LPDDR4 器件的实现
    3. 3.3  LPDDR4 接口原理图
    4. 3.4  兼容的 JEDEC LPDDR4 器件
    5. 3.5  放置
    6. 3.6  LPDDR4 禁止区域
    7. 3.7  LPDDR4 DBI
    8. 3.8  网类别
    9. 3.9  LPDDR4 信号端接
    10. 3.10 LPDDR4 VREF 布线
    11. 3.11 LPDDR4 VTT
    12. 3.12 CK0 和 ADDR_CTRL 拓扑
    13. 3.13 数据组拓扑
    14. 3.14 CK0 和 ADDR_CTRL 布线规格
    15. 3.15 数据组布线规格
    16. 3.16 字节和位交换
  7. 4LPDDR4 电路板设计仿真
    1. 4.1 电路板模型提取
    2. 4.2 电路板模型验证
    3. 4.3 S 参数检查
    4. 4.4 时域反射法 (TDR) 分析
    5. 4.5 系统级仿真
      1. 4.5.1 仿真设置
      2. 4.5.2 仿真参数
      3. 4.5.3 仿真目标
        1. 4.5.3.1 眼图质量
        2. 4.5.3.2 延迟报告
        3. 4.5.3.3 模板报告
    6. 4.6 设计示例
      1. 4.6.1 堆叠
      2. 4.6.2 布线
      3. 4.6.3 模型验证
      4. 4.6.4 仿真结果
  8. 5其他信息:封装延迟
  9. 6总结
  10. 7参考资料
  11. 8修订历史记录

CK 和 ADDR_CTRL 拓扑与布线指南

CK 和 ADDR_CTRL 网类别的布线方式相似,通过处理器中的 DDR PHY 与每个 SDRAM 进行长度匹配,以最大限度地减少两者之间的偏差。因为 CK 网类别的运行转换速率更高并且采用差分形式,所以对待 CK 网类别需要更加谨慎。

CK 和 ADDR_CTRL 网类别采用飞越式形式进行布线。因此,CK 和 ADDR_CTRL 网类别会以多点总线形式按顺序从处理器中的 DDR 控制器布线到每个 SDRAM,并且每个信号都在末端具有终端。若要完成此布线,每个 SDRAM 上的每个网中都存在一个小的残桩迹线。这些残桩必须短并且长度必须大致相同,从而控制信号反射。在每个 SDRAM 上,ADDR_CTRL 网类别与 CK 网类别长度匹配,以便在 SDRAM 处对 ADDR_CTRL 信号进行正确采样。

注: 对于 DDR4 布局,需要采用飞越式布线。不支持之前用于 DDR2 布局的平衡 T 布线。

节 2.2 讨论了从单个 x16 SDRAM 到最多两个 x8 SDRAM 存在多种可能的存储器拓扑或实现方式。不管所实现的 SDRAM 数量如何,都必须遵循布线要求。TI 建议所有 SDRAM 都在电路板的同一侧上实现,最好是在电路板上与处理器位于同一侧。在电路板的两侧都有可能实现 SDRAM,但布线复杂性和所需的 PCB 层数量会显著增加。

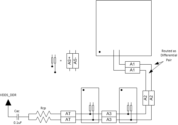
图 2-5 展示了 CK 网类别的拓扑,而图 2-6 展示了相应 ADDR_CTRL 网类别的拓扑。飞越式布线已经分成了多个段,从而简化了长度匹配分析。必须注意避免因这种方法导致累积过量的长度误差。

A1 和 A2 段一同组成导入部分,AT 段是网末端处终端的布线,A3 段是分到每个 SDRAM 的残桩之间的布线。对于 SDRAM 较少的拓扑,如 SDRAM 不存在,则移除对应的 A3 段。表 2-6 详细介绍了布线段的长度匹配要求。

 两个 DDR4 SDRAM 器件的 CK 拓扑图 2-5 两个 DDR4 SDRAM 器件的 CK 拓扑
 两个 DDR4 SDRAM 器件的 ADDR_CTRL 拓扑图 2-6 两个 DDR4 SDRAM 器件的 ADDR_CTRL 拓扑

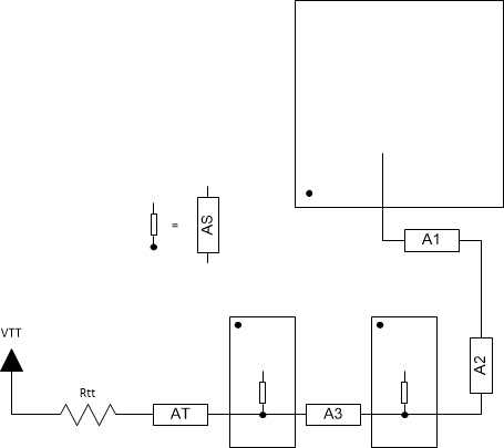
前几个图显示了该电路拓扑,以便管理布线长度并遵循布线长度匹配规则。后两张图从 PCB 布线角度再次显示了 CK 和 ADDR_CTRL 布线组的布线情况。

图 2-7 展示了两个 SDRAM 器件的 CK 组布线。该图清楚地展示了飞越式布线。DDR0_CK0 和 DDR0_CK0_n 布线(CK 布线组)会以差分对形式从处理器布放到末端包含 BYTE0 数据的 SDRAM。然后,该差分对会接着连接到另一个 SDRAM 最后通过交流终端端接至 VDDS_DDR。该布线还在每个 SDRAM 处包含适用于 DDR0_CK0 和 DDR0_CK0_n 的布线残桩。

 两个 DDR4 SDRAM 器件的 CK 布线图 2-7 两个 DDR4 SDRAM 器件的 CK 布线

图 2-8 展示了两个 SDRAM 器件的 ADDR_CTRL 布线,它们也以飞越式形式沿着相同的路径布线,因为 ADDR_CTRL 布线组与 CK 布线组长度匹配。

 两个 DDR4 SDRAM 器件的 ADDR_CTRL 布线图 2-8 两个 DDR4 SDRAM 器件的 ADDR_CTRL 布线

绝对顺序并不重要。始于处理器的飞越式布线也可以连接到包含数据最后一个字节的 SDRAM(或者包含 BYTE0 数据的 SDRAM 所在行另一端的任意 SDRAM)。然后,该飞越式布线会接着连接到上文所述的另一个 SDRAM,直到在 BYTE0 SDRAM 之后通过 Rtt 终端连接到 VTT。

在布线期间尽量减少层转换。如果必须进行层转换,则最好转换到使用相同参考平面的层。当参考平面为接地平面和 VDDS_DDR 时,如果无法做到这一点,请确保附近有拼接过孔,以使返回电流在这两个参考平面之间转换。另外,当其中一个参考平面为接地平面,而另一个参考平面为 VDDS_DDR 时,请确保附近放置了旁路电容器,以使返回电流在这两个参考平面之间转换。每个参考平面转换都必须满足这一条件。目标是尽可能减小返回电流路径的大小,从而尽量减小该路径中的电感。如果缺少这些拼接过孔或电容器,则会导致信号路径中的阻抗不连续,从而增加串扰和信号失真。