ZHCSFZ7C February   2017  – February 2023 PGA460-Q1

PRODUCTION DATA  

  1. 特性
  2. 应用
  3. 说明
  4. 修订历史记录
  5. 引脚配置和功能
  6. 规格
    1. 6.1  绝对最大额定值
    2. 6.2  ESD 等级
    3. 6.3  建议的工作条件
    4. 6.4  热性能信息
    5. 6.5  内部电源稳压器特性
    6. 6.6  传感器驱动器特性
    7. 6.7  传感器接收器特性
    8. 6.8  模数转换器特性
    9. 6.9  数字信号处理特性
    10. 6.10 温度传感器特征
    11. 6.11 高电压 I/O 特性
    12. 6.12 数字 I/O 特性
    13. 6.13 EEPROM 特性
    14. 6.14 时序要求
    15. 6.15 开关特性
    16. 6.16 典型特性
  7. 详细说明
    1. 7.1 概述
    2. 7.2 功能方框图
    3. 7.3 特性说明
      1. 7.3.1  电源块
      2. 7.3.2  突发生成
        1. 7.3.2.1 使用中心抽头变压器
        2. 7.3.2.2 直接驱动
        3. 7.3.2.3 其他配置
      3. 7.3.3  模拟前端
      4. 7.3.4  数字信号处理
        1. 7.3.4.1 超声回波 - 带通滤波器
        2. 7.3.4.2 超声回波 - 整流器、峰值保持、低通滤波器和数据选择
        3. 7.3.4.3 超声回波 - 非线性调节
        4. 7.3.4.4 超声回波 - 阈值数据分配
        5. 7.3.4.5 数字增益
      5. 7.3.5  系统诊断
        1. 7.3.5.1 器件内部诊断
      6. 7.3.6  接口说明
        1. 7.3.6.1 时间命令接口
          1. 7.3.6.1.1 RUN 命令
          2. 7.3.6.1.2 CONFIGURATION/STATUS 命令
        2. 7.3.6.2 USART 接口
          1. 7.3.6.2.1 USART 异步模式
            1. 7.3.6.2.1.1 同步字段
            2. 7.3.6.2.1.2 命令字段
            3. 7.3.6.2.1.3 数据字段
            4. 7.3.6.2.1.4 校验和字段
            5. 7.3.6.2.1.5 PGA460-Q1 UART 命令
            6. 7.3.6.2.1.6 UART 操作
              1. 7.3.6.2.1.6.1 无响应操作
              2. 7.3.6.2.1.6.2 响应操作(除寄存器读取之外的所有操作)
              3. 7.3.6.2.1.6.3 响应操作(寄存器读取)
            7. 7.3.6.2.1.7 诊断字段
            8. 7.3.6.2.1.8 USART 同步模式
          2. 7.3.6.2.2 单线 UART 接口
          3. 7.3.6.2.3 通过 UART 操作进行超声波物体检测
        3. 7.3.6.3 系统内 IO 引脚接口选择
      7. 7.3.7  回波数据转储
        1. 7.3.7.1 板载存储器数据存储
        2. 7.3.7.2 通过 USART 同步模式实现直接数据突发
      8. 7.3.8  低功耗模式
        1. 7.3.8.1 时间命令接口
        2. 7.3.8.2 UART 接口
      9. 7.3.9  传感器时间和温度去耦
        1. 7.3.9.1 时间去耦
        2. 7.3.9.2 温度去耦
      10. 7.3.10 存储器 CRC 计算
      11. 7.3.11 温度传感器和温度数据路径
      12. 7.3.12 TEST 引脚功能
    4. 7.4 器件功能模式
    5. 7.5 编程
      1. 7.5.1 UART 和 USART 通信示例
    6. 7.6 寄存器映射
      1. 7.6.1 EEPROM 编程
      2. 7.6.2 寄存器映射分区和默认值
      3. 7.6.3 REGMAP 寄存器
  8. 应用和实施
    1. 8.1 应用信息
      1. 8.1.1 传感器类型
    2. 8.2 典型应用
      1. 8.2.1 变压器驱动方法
        1. 8.2.1.1 设计要求
        2. 8.2.1.2 详细设计过程
          1. 8.2.1.2.1 传感器驱动电压
          2. 8.2.1.2.2 传感器驱动频率
          3. 8.2.1.2.3 传感器脉冲计数
          4. 8.2.1.2.4 变压器匝数比
          5. 8.2.1.2.5 变压器饱和电流和主电压额定值
        3. 8.2.1.3 应用曲线
      2. 8.2.2 直接驱动(无变压器)法
        1. 8.2.2.1 设计要求
        2. 8.2.2.2 详细设计过程
        3. 8.2.2.3 应用曲线
    3. 8.3 电源相关建议
    4. 8.4 布局
      1. 8.4.1 布局指南
      2. 8.4.2 布局示例
  9. 器件和文档支持
    1. 9.1 文档支持
      1. 9.1.1 相关文档
    2. 9.2 接收文档更新通知
    3. 9.3 支持资源
    4. 9.4 商标
    5. 9.5 静电放电警告
    6. 9.6 术语表
  10. 10机械、封装和可订购信息

封装选项

机械数据 (封装 | 引脚)
散热焊盘机械数据 (封装 | 引脚)
订购信息

直接驱动

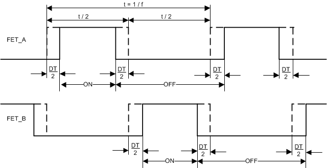
互补低侧驱动器可与外部 PMOS FET 配合使用,为换能器提供单端直接激励。在此配置中,通过设置 CURR_LIM_P1 寄存器中的 DIS_CL 位来禁用电流限制功能,可在 RDSON 模式下使用内部 FET。

在此模式下,可使用一个额外的死区时间特性,通过配置 PULSE_DT 位来消除外部 PMOS FET 和内部低侧 FET 之间的击穿电流。低侧 FET 的突发周期保持不变;但是,死区时间编程值会缩短停用时间。#X7104 显示了这种情况。

GUID-5928E7EF-F64C-449D-BDB4-8DB54089A074-low.gif图 7-2 回波生成死区时间调整