ZHCABU4B June   2020  – October 2022 UCC21710-Q1 , UCC21732-Q1 , UCC5870-Q1

 

  1.   使用隔离式 IGBT 和 SiC 栅极驱动器的 HEV/EV 牵引逆变器设计指南
  2. 1引言
  3. 2HEV/EV 概要
    1. 2.1 HEV/EV 架构
    2. 2.2 HEV/EV 牵引逆变器系统架构
    3. 2.3 HEV/EV 牵引逆变器系统性能影响
  4. 3HEV/EV 牵引逆变器驱动级的设计
    1. 3.1  UCC217xx-Q1 简介
    2. 3.2  使用 UCC217xx-Q1 设计牵引逆变器驱动系统
    3. 3.3  保护特性的说明
    4. 3.4  UCC217xx-Q1 的保护特性
    5. 3.5  UCC217xx-Q1 保护和监控特性描述
      1. 3.5.1 初级侧和次级侧 UVLO 和 OVLO
      2. 3.5.2 过流 (OC) 和去饱和 (DESAT) 检测
      3. 3.5.3 2 级和软关断
      4. 3.5.4 开关管栅极电压 (VGE/VGS) 监控
      5. 3.5.5 开关管防击穿
      6. 3.5.6 集成式内部或外部米勒钳位
      7. 3.5.7 隔离式模拟至 PWM 通道
      8. 3.5.8 短路钳位
      9. 3.5.9 有源下拉
    6. 3.6  UCC5870-Q1 简介
    7. 3.7  使用 UCC5870-Q1 设计牵引逆变器驱动系统
    8. 3.8  保护特性的说明
    9. 3.9  UCC5870-Q1 的保护特性
    10. 3.10 UCC5870-Q1 保护和监控特性描述
      1. 3.10.1  初级侧和次级侧 UVLO 和 OVLO
      2. 3.10.2  可编程去饱和 (DESAT) 检测和过流 (OC)
      3. 3.10.3  可调 2 级或软关断
      4. 3.10.4  有源高压钳位
      5. 3.10.5  开关管栅极电压 (VGE/VGS) 监控
      6. 3.10.6  栅极阈值电压监控器
      7. 3.10.7  开关管防击穿
      8. 3.10.8  主动短路 (ASC)
      9. 3.10.9  集成式内部或外部米勒钳位
      10. 3.10.10 隔离式模数转换器
        1. 3.10.10.1 功率晶体管的温度监控
      11. 3.10.11 短路钳位
      12. 3.10.12 有源和无源下拉
      13. 3.10.13 驱动器 IC 的热关断和温度警告
      14. 3.10.14 时钟监控器和 CRC
      15. 3.10.15 SPI 和寄存器数据保护
  5. 4隔离式偏置电源架构
  6. 5总结
  7. 6参考文献
  8. 7修订历史记录

HEV/EV 牵引逆变器系统架构

通过放大牵引逆变器系统,可以发现多个块,包括电源管理 IC (PMIC) 和微控制器 (MCU)、高功率 IGBT 或 SiC MOSFET 电源模块及其温度检测元件、高压 (HV) 电池、直流链路电容器、检测块、各种保护和监测电路以及信号隔离,如图 2-4 所示。大功率开关是逆变器中的关键元件,因为它们控制流向电机的电流以产生运动。因此,通过在整个运行过程中检测开关的温度、电压和电流来对其监控和保护。这些开关通过 MCU 和逆变器桥臂的高侧 (HS) 和低侧 (LS) 隔离式栅极驱动器进行控制。PWM 信号通常使用空间矢量调制 (SVM) 方案生成。当电机运行时,电压、电流和位置信号会被检测并反馈给控制器以修改逆变器的调制。其中一种反馈方法是场定向控制 (FOC),它使用两相电流和位置来生成适当的调制矢量。为了实现高效的电机控制,需要良好的调制方案、快速反馈和精确检测的信号。

GUID-192D1F36-79D8-41A3-BC42-4CA9E5924D17-low.gif图 2-4 高压牵引逆变器方框图

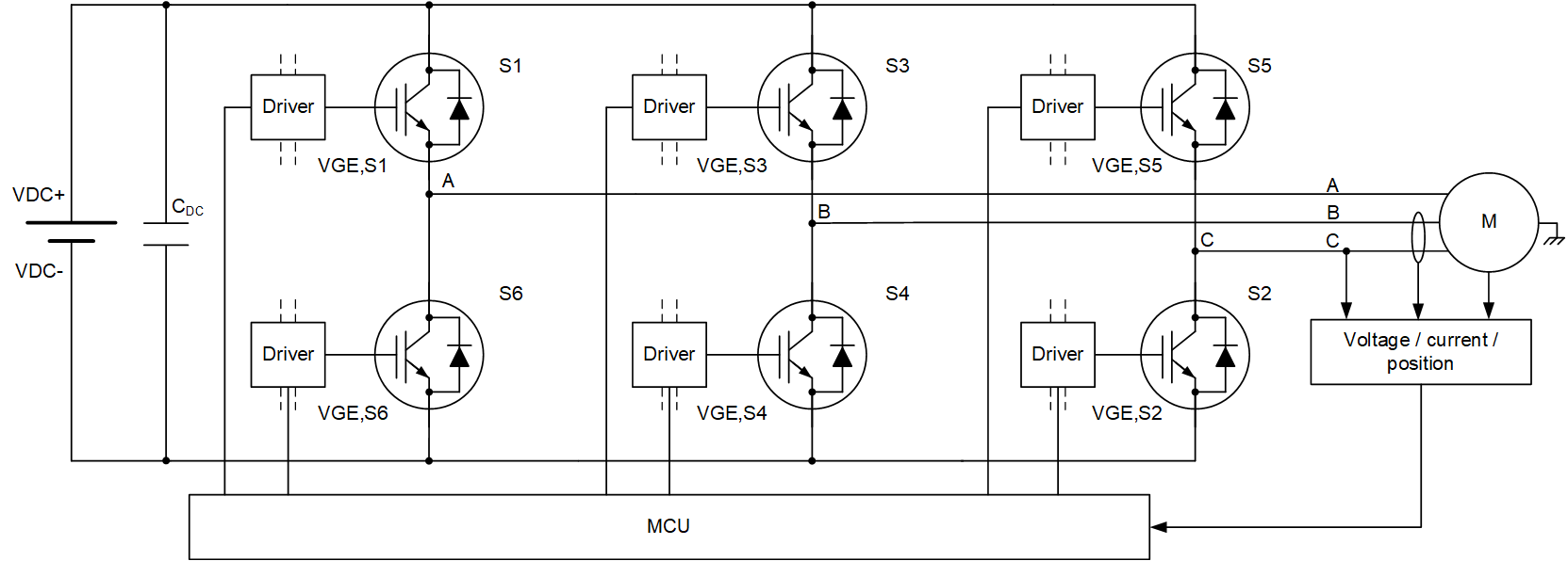
详细了解一下逆变器(如图 2-5 所示),它总共六个半导体开关管器件,这些器件共用一个栅极驱动器来放大来自 MCU 的 PWM 信号。逆变器的三个桥臂将直流电池电压转换为三相交流电压和电流以驱动电机。两个电流测量值和一个位置测量值被反馈至 MCU 用于 FOC,该 MCU 利用数学变换为六个开关生成适当的信号来控制 A、B 和 C 相的输出电压。

GUID-D5F767E1-BDDA-4F39-8120-CC986B7EA8AC-low.gif图 2-5 使用 IGBT 的三相两级逆变器

在矢量调制中,共有八个状态,其中两个是零矢量,其余是有源矢量,用于向电机施加必要的电压以产生适量的扭矩。表 2-1 显示了开关对 S1 和 S6、S3 和 S4 以及 S5 和 S2 的互补状态。

表 2-1 空间矢量调制状态
矢量S1S2S3S4S5S6VABVBCVCA矢量模式
{000}关闭打开关闭打开关闭打开000
{100}打开打开关闭打开关闭关闭+VDC0-VDC有源
{100}打开打开打开关闭关闭关闭0+VDC-VDC有源
{010}关闭打开打开关闭关闭打开-VDC+VDC0有源
{011}关闭关闭打开关闭打开打开-VDC0+VDC有源
{001}关闭关闭关闭打开打开打开0-VDC+VDC有源
{101}打开关闭关闭打开打开关闭+VDC-VDC0有源
{111}打开关闭打开关闭打开关闭000

有多种实现 SVM 的方法。SVM 方法之间的权衡包括降低开关损耗、更大程度利用总线电压、降低谐波含量同时仍实现精确控制。其中一种方法是七段 SVM,这有利于产生具有低谐波的电压波形,从而减少驱动电机时的失真。门控序列如图 2-6 所示。由于 MCU 控制错误而产生的单个跳过或额外栅极信号或由于失效而导致的栅极驱动器锁存输出可能会导致逆变器输出失真。相脚中互补开关的重叠可能会导致击穿,因此必须始终避免这种情况。如图所示,电机的换向取决于非常特定的门控序列。因此,很难在一次关断栅极驱动器失效的情况下意外地对电机换向。

GUID-DC87DA8C-2CE8-4C90-963F-F368D3A90052-low.gif图 2-6 七段 SVM

除了由 MCU 生成的有效门控序列外,智能驱动系统还包括具有保护和监控功能的栅极驱动器,以保护开关管。以下部分讨论了系统内的各种失效对牵引逆变器系统的影响,以及如何使用栅极驱动器和周边电路来提高系统的可靠性。