ZHCABU4B June   2020  – October 2022 UCC21710-Q1 , UCC21732-Q1 , UCC5870-Q1

 

  1.   使用隔离式 IGBT 和 SiC 栅极驱动器的 HEV/EV 牵引逆变器设计指南
  2. 1引言
  3. 2HEV/EV 概要
    1. 2.1 HEV/EV 架构
    2. 2.2 HEV/EV 牵引逆变器系统架构
    3. 2.3 HEV/EV 牵引逆变器系统性能影响
  4. 3HEV/EV 牵引逆变器驱动级的设计
    1. 3.1  UCC217xx-Q1 简介
    2. 3.2  使用 UCC217xx-Q1 设计牵引逆变器驱动系统
    3. 3.3  保护特性的说明
    4. 3.4  UCC217xx-Q1 的保护特性
    5. 3.5  UCC217xx-Q1 保护和监控特性描述
      1. 3.5.1 初级侧和次级侧 UVLO 和 OVLO
      2. 3.5.2 过流 (OC) 和去饱和 (DESAT) 检测
      3. 3.5.3 2 级和软关断
      4. 3.5.4 开关管栅极电压 (VGE/VGS) 监控
      5. 3.5.5 开关管防击穿
      6. 3.5.6 集成式内部或外部米勒钳位
      7. 3.5.7 隔离式模拟至 PWM 通道
      8. 3.5.8 短路钳位
      9. 3.5.9 有源下拉
    6. 3.6  UCC5870-Q1 简介
    7. 3.7  使用 UCC5870-Q1 设计牵引逆变器驱动系统
    8. 3.8  保护特性的说明
    9. 3.9  UCC5870-Q1 的保护特性
    10. 3.10 UCC5870-Q1 保护和监控特性描述
      1. 3.10.1  初级侧和次级侧 UVLO 和 OVLO
      2. 3.10.2  可编程去饱和 (DESAT) 检测和过流 (OC)
      3. 3.10.3  可调 2 级或软关断
      4. 3.10.4  有源高压钳位
      5. 3.10.5  开关管栅极电压 (VGE/VGS) 监控
      6. 3.10.6  栅极阈值电压监控器
      7. 3.10.7  开关管防击穿
      8. 3.10.8  主动短路 (ASC)
      9. 3.10.9  集成式内部或外部米勒钳位
      10. 3.10.10 隔离式模数转换器
        1. 3.10.10.1 功率晶体管的温度监控
      11. 3.10.11 短路钳位
      12. 3.10.12 有源和无源下拉
      13. 3.10.13 驱动器 IC 的热关断和温度警告
      14. 3.10.14 时钟监控器和 CRC
      15. 3.10.15 SPI 和寄存器数据保护
  5. 4隔离式偏置电源架构
  6. 5总结
  7. 6参考文献
  8. 7修订历史记录

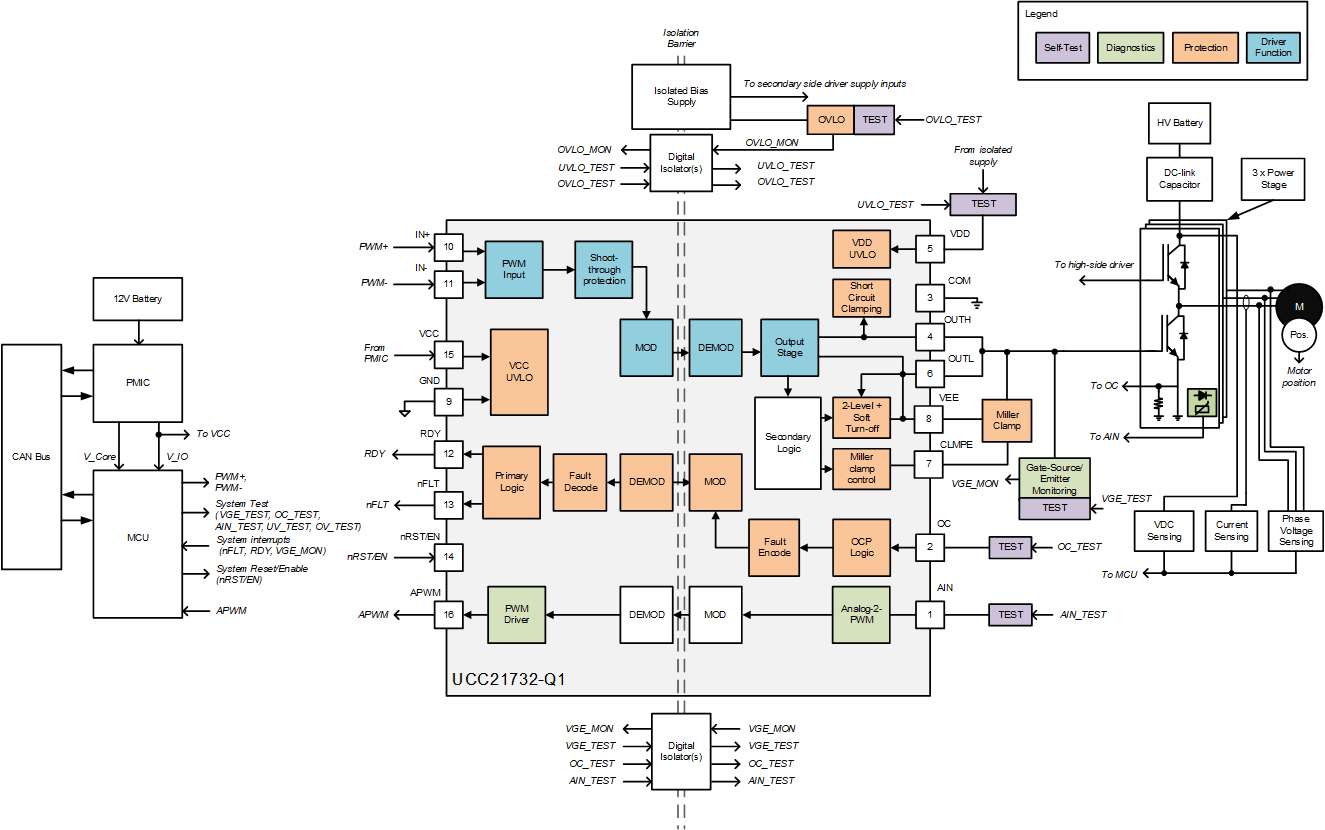
使用 UCC217xx-Q1 设计牵引逆变器驱动系统

图 3-1 中显示了 UCC21732-Q1 以及逆变器系统中所需的各种监控和保护模块。有四个类别用于描述各个块:自检、诊断、保护和驱动器功能。自检模块表示用于确保另一个关键模块正常工作的电路。诊断模块用于将关键信息反馈回 MCU,以确定监控功率级性能和/或行为。保护块用于防止 IGBT 失效。最后,驱动器功能块包括基本的栅极驱动器功能。

GUID-2336436B-81AB-4C9F-8855-E101D9103609-low.gif图 3-1 采用 UCC217xx-Q1 的牵引逆变器系统方框图