ZHCSNK4A October   2019  – February 2021 MSP430F5438A-ET

PRODUCTION DATA  

  1. 1特性
  2. 2应用
  3. 3说明
  4. 4功能方框图
  5. 5Revision History
  6. 6Terminal Configuration and Functions
    1. 6.1 Pin Diagram
    2. 6.2 Signal Descriptions
  7. 7Specifications
    1. 7.1  Absolute Maximum Ratings
    2. 7.2  Recommended Operating Conditions
    3. 7.3  Active Mode Supply Current Into VCC Excluding External Current
    4. 7.4  Low-Power Mode Supply Currents (Into VCC) Excluding External Current
    5. 7.5  Thermal Resistance Characteristics
    6. 7.6  Schmitt-Trigger Inputs – General Purpose I/O
    7. 7.7  Inputs – Ports P1 and P2
    8. 7.8  Leakage Current – General Purpose I/O
    9. 7.9  Outputs – General Purpose I/O (Full Drive Strength)
    10. 7.10 Outputs – General Purpose I/O (Reduced Drive Strength)
    11. 7.11 Output Frequency – General Purpose I/O
    12. 7.12 Typical Characteristics – Outputs, Reduced Drive Strength (PxDS.y = 0)
    13. 7.13 Typical Characteristics – Outputs, Full Drive Strength (PxDS.y = 1)
    14. 7.14 Crystal Oscillator, XT1, Low-Frequency Mode
    15. 7.15 Crystal Oscillator, XT1, High-Frequency Mode
    16. 7.16 Crystal Oscillator, XT2
    17. 7.17 Internal Very-Low-Power Low-Frequency Oscillator (VLO)
    18. 7.18 Internal Reference, Low-Frequency Oscillator (REFO)
    19. 7.19 DCO Frequency
    20. 7.20 PMM, Brownout Reset (BOR)
    21. 7.21 PMM, Core Voltage
    22. 7.22 PMM, SVS High Side
    23. 7.23 PMM, SVM High Side
    24. 7.24 PMM, SVS Low Side
    25. 7.25 PMM, SVM Low Side
    26. 7.26 Wakeup From Low-Power Modes and Reset
    27. 7.27 Timer_A
    28. 7.28 Timer_B
    29. 7.29 USCI (UART Mode) Recommended Operating Conditions
    30. 7.30 USCI (UART Mode)
    31. 7.31 USCI (SPI Master Mode) Recommended Operating Conditions
    32. 7.32 USCI (SPI Master Mode)
    33. 7.33 USCI (SPI Slave Mode)
    34. 7.34 USCI (I2C Mode)
    35. 7.35 12-Bit ADC, Power Supply and Input Range Conditions
    36. 7.36 12-Bit ADC, Timing Parameters
    37. 7.37 12-Bit ADC, Linearity Parameters Using an External Reference Voltage or AVCC as Reference Voltage
    38. 7.38 12-Bit ADC, Linearity Parameters Using the Internal Reference Voltage
    39. 7.39 12-Bit ADC, Temperature Sensor and Built-In VMID
    40. 7.40 REF, External Reference
    41. 7.41 REF, Built-In Reference
    42. 7.42 Flash Memory
    43. 7.43 JTAG and Spy-Bi-Wire Interface
  8. 8Detailed Description
    1. 8.1  CPU
    2. 8.2  Operating Modes
    3. 8.3  Interrupt Vector Addresses
    4. 8.4  Memory Organization
    5. 8.5  Bootloader (BSL)
    6. 8.6  JTAG Operation
      1. 8.6.1 JTAG Standard Interface
      2. 8.6.2 Spy-Bi-Wire Interface
    7. 8.7  Flash Memory
    8. 8.8  RAM Memory
    9. 8.9  Peripherals
      1. 8.9.1  Digital I/O
      2. 8.9.2  Oscillator and System Clock
      3. 8.9.3  Power Management Module (PMM)
      4. 8.9.4  Hardware Multiplier (MPY)
      5. 8.9.5  Real-Time Clock (RTC_A)
      6. 8.9.6  Watchdog Timer (WDT_A)
      7. 8.9.7  System Module (SYS)
      8. 8.9.8  DMA Controller
      9. 8.9.9  Universal Serial Communication Interface (USCI)
      10. 8.9.10 TA0
      11. 8.9.11 TA1
      12. 8.9.12 TB0
      13. 8.9.13 ADC12_A
      14. 8.9.14 CRC16
      15. 8.9.15 REF Voltage Reference
      16. 8.9.16 Embedded Emulation Module (EEM) (L Version)
      17. 8.9.17 Peripheral File Map
      18. 8.9.18 Input/Output Diagrams
        1. 8.9.18.1  Port P1, P1.0 to P1.7, Input/Output With Schmitt Trigger
        2. 8.9.18.2  Port P2, P2.0 to P2.7, Input/Output With Schmitt Trigger
        3. 8.9.18.3  Port P3, P3.0 to P3.7, Input/Output With Schmitt Trigger
        4. 8.9.18.4  Port P4, P4.0 to P4.7, Input/Output With Schmitt Trigger
        5. 8.9.18.5  Port P5, P5.0 and P5.1, Input/Output With Schmitt Trigger
        6. 8.9.18.6  Port P5, P5.2, Input/Output With Schmitt Trigger
        7. 8.9.18.7  Port P5, P5.3, Input/Output With Schmitt Trigger
        8. 8.9.18.8  Port P5, P5.4 to P5.7, Input/Output With Schmitt Trigger
        9. 8.9.18.9  Port P6, P6.0 to P6.7, Input/Output With Schmitt Trigger
        10. 8.9.18.10 Port P7, P7.0, Input/Output With Schmitt Trigger
        11. 8.9.18.11 Port P7, P7.1, Input/Output With Schmitt Trigger
        12. 8.9.18.12 Port P7, P7.2 and P7.3, Input/Output With Schmitt Trigger
        13. 8.9.18.13 Port P7, P7.4 to P7.7, Input/Output With Schmitt Trigger
        14. 8.9.18.14 Port P8, P8.0 to P8.7, Input/Output With Schmitt Trigger
        15. 8.9.18.15 Port P9, P9.0 to P9.7, Input/Output With Schmitt Trigger
        16. 8.9.18.16 Port P10, P10.0 to P10.7, Input/Output With Schmitt Trigger
        17. 8.9.18.17 Port P11, P11.0 to P11.2, Input/Output With Schmitt Trigger
        18. 8.9.18.18 Port J, J.0 JTAG Pin TDO, Input/Output With Schmitt Trigger or Output
        19. 8.9.18.19 Port J, J.1 to J.3 JTAG Pins TMS, TCK, TDI/TCLK, Input/Output With Schmitt Trigger or Output
    10. 8.10 Device Descriptors (TLV)
  9. 9Device and Documentation Support
    1. 9.1 Trademarks
    2. 9.2 静电放电警告
    3. 9.3 支持资源
    4. 9.4 术语表
      1.      Mechanical, Packaging, and Orderable Information

封装选项

机械数据 (封装 | 引脚)
散热焊盘机械数据 (封装 | 引脚)
订购信息

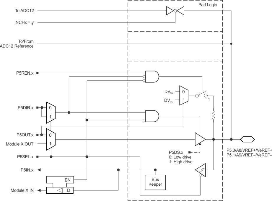
Port P5, P5.0 and P5.1, Input/Output With Schmitt Trigger

GUID-2168752E-807F-4A7E-8308-F33A71C2B945-low.gif
Table 8-46 Port P5 (P5.0 and P5.1) Pin Functions
PIN NAME (P5.x) x FUNCTION CONTROL BITS/SIGNALS (1)
P5DIR.x P5SEL.x REFOUT
P5.0/A8/VREF+/VeREF+ 0 P5.0 (I/O) (2) I: 0; O: 1 0 X
A8/VeREF+ (3) X 1 0
A8/VREF+ (4) X 1 1
P5.1/A9/VREF–/VeREF– 1 P5.1 (I/O) (2) I: 0; O: 1 0 X
A9/VeREF– (5) X 1 0
A9/VREF– (6) X 1 1
X = Don't care.
Default condition.
Setting the P5SEL.0 bit disables the output driver as well as the input Schmitt trigger to prevent parasitic cross currents when applying analog signals. An external voltage can be applied to VeREF+ and used as the reference for the ADC12_A. Channel A8, when selected with the INCHx bits, is connected to the VREF+/VeREF+ pin.
Setting the P5SEL.0 bit disables the output driver as well as the input Schmitt trigger to prevent parasitic cross currents when applying analog signals. The ADC12_A, VREF+ reference is available at the pin. Channel A8, when selected with the INCHx bits, is connected to the VREF+/VeREF+ pin.
Setting the P5SEL.1 bit disables the output driver as well as the input Schmitt trigger to prevent parasitic cross currents when applying analog signals. An external voltage can be applied to VeREF- and used as the reference for the ADC12_A. Channel A9, when selected with the INCHx bits, is connected to the VREF-/VeREF- pin.
Setting the P5SEL.1 bit disables the output driver as well as the input Schmitt trigger to prevent parasitic cross currents when applying analog signals. The ADC12_A, VREF– reference is available at the pin. Channel A9, when selected with the INCHx bits, is connected to the VREF-/VeREF- pin.