SNAS605AS March   2013  – May 2020 LMK04821 , LMK04826 , LMK04828

PRODUCTION DATA.  

  1. Features
  2. Applications
  3. Description
    1.     Simplified Schematic
  4. Revision History
  5. Device Comparison Table
    1. 5.1 Device Configuration Information
  6. Pin Configuration and Functions
  7. Specifications
    1. 7.1 Absolute Maximum Ratings
    2. 7.2 ESD Ratings
    3. 7.3 Recommended Operating Conditions
    4. 7.4 Thermal Information
    5. 7.5 Electrical Characteristics
    6. 7.6 SPI Interface Timing
    7. 7.7 Typical Characteristics – Clock Output AC Characteristics
  8. Parameter Measurement Information
    1. 8.1 Charge Pump Current Specification Definitions
      1. 8.1.1 Charge Pump Output Current Magnitude Variation Vs. Charge Pump Output Voltage
      2. 8.1.2 Charge Pump Sink Current Vs. Charge Pump Output Source Current Mismatch
      3. 8.1.3 Charge Pump Output Current Magnitude Variation Vs. Ambient Temperature
    2. 8.2 Differential Voltage Measurement Terminology
  9. Detailed Description
    1. 9.1 Overview
      1. 9.1.1  Jitter Cleaning
      2. 9.1.2  JEDEC JESD204B Support
      3. 9.1.3  Three PLL1 Redundant Reference Inputs
      4. 9.1.4  VCXO/Crystal Buffered Output
      5. 9.1.5  Frequency Holdover
      6. 9.1.6  PLL2 Integrated Loop Filter Poles
      7. 9.1.7  Internal VCOs
        1. 9.1.7.1 VCO1 Divider (LMK04821 only)
      8. 9.1.8  External VCO Mode
      9. 9.1.9  Clock Distribution
        1. 9.1.9.1 Device Clock Divider
        2. 9.1.9.2 SYSREF Clock Divider
        3. 9.1.9.3 Device Clock Delay
        4. 9.1.9.4 SYSREF Delay
        5. 9.1.9.5 Glitchless Half Step and Glitchless Analog Delay
        6. 9.1.9.6 Programmable Output Formats
        7. 9.1.9.7 Clock Output Synchronization
      10. 9.1.10 Zero-Delay
      11. 9.1.11 Status Pins
    2. 9.2 Functional Block Diagram
    3. 9.3 Feature Description
      1. 9.3.1 SYNC/SYSREF
      2. 9.3.2 JEDEC JESD204B
        1. 9.3.2.1 How To Enable SYSREF
          1. 9.3.2.1.1 Setup of SYSREF Example
          2. 9.3.2.1.2 SYSREF_CLR
        2. 9.3.2.2 SYSREF Modes
          1. 9.3.2.2.1 SYSREF Pulser
          2. 9.3.2.2.2 Continuous SYSREF
          3. 9.3.2.2.3 SYSREF Request
      3. 9.3.3 Digital Delay
        1. 9.3.3.1 Fixed Digital Delay
          1. 9.3.3.1.1 Fixed Digital Delay Example
        2. 9.3.3.2 Dynamic Digital Delay
        3. 9.3.3.3 Single and Multiple Dynamic Digital Delay Example
      4. 9.3.4 SYSREF to Device Clock Alignment
      5. 9.3.5 Input Clock Switching
        1. 9.3.5.1 Input Clock Switching - Manual Mode
        2. 9.3.5.2 Input Clock Switching - Pin Select Mode
        3. 9.3.5.3 Input Clock Switching - Automatic Mode
      6. 9.3.6 Digital Lock Detect
      7. 9.3.7 Holdover
        1. 9.3.7.1 Enable Holdover
          1. 9.3.7.1.1 Fixed (Manual) CPout1 Holdover Mode
          2. 9.3.7.1.2 Tracked CPout1 Holdover Mode
        2. 9.3.7.2 Entering Holdover
        3. 9.3.7.3 During Holdover
        4. 9.3.7.4 Exiting Holdover
        5. 9.3.7.5 Holdover Frequency Accuracy and DAC Performance
        6. 9.3.7.6 Holdover Mode - Automatic Exit of Holdover
    4. 9.4 Device Functional Modes
      1. 9.4.1 Dual PLL
      2. 9.4.2 Zero-Delay Dual PLL
      3. 9.4.3 Single-Loop Mode
      4. 9.4.4 Single-Loop Mode With External VCO
      5. 9.4.5 Distribution Mode
    5. 9.5 Programming
      1. 9.5.1 Recommended Programming Sequence
        1. 9.5.1.1 SPI LOCK
        2. 9.5.1.2 SYSREF_CLR
        3. 9.5.1.3 RESET Pin
    6. 9.6 Register Maps
      1. 9.6.1 Register Map for Device Programming
    7. 9.7 Device Register Descriptions
      1. 9.7.1 System Functions
        1. 9.7.1.1 RESET, SPI_3WIRE_DIS
        2. 9.7.1.2 POWERDOWN
        3. 9.7.1.3 ID_DEVICE_TYPE
        4. 9.7.1.4 ID_PROD[15:8], ID_PROD
        5. 9.7.1.5 ID_MASKREV
        6. 9.7.1.6 ID_VNDR[15:8], ID_VNDR
      2. 9.7.2 (0x100 - 0x138) Device Clock and SYSREF Clock Output Controls
        1. 9.7.2.1 CLKoutX_Y_ODL, CLKoutX_Y_IDL, DCLKoutX_DIV
        2. 9.7.2.2 DCLKoutX_DDLY_CNTH, DCLKoutX_DDLY_CNTL
        3. 9.7.2.3 DCLKoutX_ADLY, DCLKoutX_ADLY_MUX, DCLKout_MUX
        4. 9.7.2.4 DCLKoutX_HS, SDCLKoutY_MUX, SDCLKoutY_DDLY, SDCLKoutY_HS
        5. 9.7.2.5 SDCLKoutY_ADLY_EN, SDCLKoutY_ADLY
        6. 9.7.2.6 DCLKoutX_DDLY_PD, DCLKoutX_HSg_PD, DCLKout_ADLYg_PD, DCLKout_ADLY_PD, DCLKoutX_Y_PD, SDCLKoutY_DIS_MODE, SDCLKoutY_PD
        7. 9.7.2.7 SDCLKoutY_POL, SDCLKoutY_FMT, DCLKoutX_POL, DCLKoutX_FMT
      3. 9.7.3 SYSREF, SYNC, and Device Config
        1. 9.7.3.1  VCO_MUX, OSCout_MUX, OSCout_FMT
        2. 9.7.3.2  SYSREF_CLKin0_MUX, SYSREF_MUX
        3. 9.7.3.3  SYSREF_DIV[12:8], SYSREF_DIV[7:0]
        4. 9.7.3.4  SYSREF_DDLY[12:8], SYSREF_DDLY[7:0]
        5. 9.7.3.5  SYSREF_PULSE_CNT
        6. 9.7.3.6  PLL2_NCLK_MUX, PLL1_NCLK_MUX, FB_MUX, FB_MUX_EN
        7. 9.7.3.7  PLL1_PD, VCO_LDO_PD, VCO_PD, OSCin_PD, SYSREF_GBL_PD, SYSREF_PD, SYSREF_DDLY_PD, SYSREF_PLSR_PD
        8. 9.7.3.8  DDLYdSYSREF_EN, DDLYdX_EN
        9. 9.7.3.9  DDLYd_STEP_CNT
        10. 9.7.3.10 SYSREF_CLR, SYNC_1SHOT_EN, SYNC_POL, SYNC_EN, SYNC_PLL2_DLD, SYNC_PLL1_DLD, SYNC_MODE
        11. 9.7.3.11 SYNC_DISSYSREF, SYNC_DISX
        12. 9.7.3.12 Fixed Registers (0x145, 0x171 - 0x172)
      4. 9.7.4 (0x146 - 0x149) CLKin Control
        1. 9.7.4.1 CLKin2_EN, CLKin1_EN, CLKin0_EN, CLKin2_TYPE, CLKin1_TYPE, CLKin0_TYPE
        2. 9.7.4.2 CLKin_SEL_POL, CLKin_SEL_MODE, CLKin1_OUT_MUX, CLKin0_OUT_MUX
        3. 9.7.4.3 CLKin_SEL0_MUX, CLKin_SEL0_TYPE
        4. 9.7.4.4 SDIO_RDBK_TYPE, CLKin_SEL1_MUX, CLKin_SEL1_TYPE
      5. 9.7.5 RESET_MUX, RESET_TYPE
      6. 9.7.6 (0x14B - 0x152) Holdover
        1. 9.7.6.1 LOS_TIMEOUT, LOS_EN, TRACK_EN, HOLDOVER_FORCE, MAN_DAC_EN, MAN_DAC[9:8]
        2. 9.7.6.2 MAN_DAC[9:8], MAN_DAC[7:0]
        3. 9.7.6.3 DAC_TRIP_LOW
        4. 9.7.6.4 DAC_CLK_MULT, DAC_TRIP_HIGH
        5. 9.7.6.5 DAC_CLK_CNTR
        6. 9.7.6.6 CLKin_OVERRIDE, HOLDOVER_PLL1_DET, HOLDOVER_LOS_DET, HOLDOVER_VTUNE_DET, HOLDOVER_HITLESS_SWITCH, HOLDOVER_EN
        7. 9.7.6.7 HOLDOVER_DLD_CNT[13:8], HOLDOVER_DLD_CNT[7:0]
      7. 9.7.7 (0x153 - 0x15F) PLL1 Configuration
        1. 9.7.7.1 CLKin0_R[13:8], CLKin0_R[7:0]
        2. 9.7.7.2 CLKin1_R[13:8], CLKin1_R[7:0]
        3. 9.7.7.3 CLKin2_R[13:8], CLKin2_R[7:0]
        4. 9.7.7.4 PLL1_N
        5. 9.7.7.5 PLL1_WND_SIZE, PLL1_CP_TRI, PLL1_CP_POL, PLL1_CP_GAIN
        6. 9.7.7.6 PLL1_DLD_CNT[13:8], PLL1_DLD_CNT[7:0]
        7. 9.7.7.7 PLL1_R_DLY, PLL1_N_DLY
        8. 9.7.7.8 PLL1_LD_MUX, PLL1_LD_TYPE
      8. 9.7.8 (0x160 - 0x16E) PLL2 Configuration
        1. 9.7.8.1 PLL2_R[11:8], PLL2_R[7:0]
        2. 9.7.8.2 PLL2_P, OSCin_FREQ, PLL2_XTAL_EN, PLL2_REF_2X_EN
        3. 9.7.8.3 PLL2_N_CAL
        4. 9.7.8.4 PLL2_FCAL_DIS, PLL2_N
        5. 9.7.8.5 PLL2_WND_SIZE, PLL2_CP_GAIN, PLL2_CP_POL, PLL2_CP_TRI
        6. 9.7.8.6 SYSREF_REQ_EN, PLL2_DLD_CNT
        7. 9.7.8.7 PLL2_LF_R4, PLL2_LF_R3
        8. 9.7.8.8 PLL2_LF_C4, PLL2_LF_C3
        9. 9.7.8.9 PLL2_LD_MUX, PLL2_LD_TYPE
      9. 9.7.9 (0x16F - 0x1FFF) Misc Registers
        1. 9.7.9.1  PLL2_PRE_PD, PLL2_PD
        2. 9.7.9.2  VCO1_DIV
        3. 9.7.9.3  OPT_REG_1
        4. 9.7.9.4  OPT_REG_2
        5. 9.7.9.5  RB_PLL1_LD_LOST, RB_PLL1_LD, CLR_PLL1_LD_LOST
        6. 9.7.9.6  RB_PLL2_LD_LOST, RB_PLL2_LD, CLR_PLL2_LD_LOST
        7. 9.7.9.7  RB_DAC_VALUE(MSB), RB_CLKinX_SEL, RB_CLKinX_LOS
        8. 9.7.9.8  RB_DAC_VALUE
        9. 9.7.9.9  RB_HOLDOVER
        10. 9.7.9.10 SPI_LOCK
  10. 10Applications and Implementation
    1. 10.1 Application Information
    2. 10.2 Digital Lock Detect Frequency Accuracy
      1. 10.2.1 Minimum Lock Time Calculation Example
    3. 10.3 Driving CLKin and OSCin Inputs
      1. 10.3.1 Driving CLKin and OSCin Pins With a Differential Source
      2. 10.3.2 Driving CLKin and OSCin Pins With a Single-Ended Source
    4. 10.4 Output Termination and Biasing
      1. 10.4.1 LVPECL
      2. 10.4.2 LVDS/HSDS
    5. 10.5 Typical Applications
      1. 10.5.1 Design Example
        1. 10.5.1.1 Design Requirements
        2. 10.5.1.2 Detailed Design Procedure
          1. 10.5.1.2.1 Device Configuration and Simulation - PLLatinum Sim
          2. 10.5.1.2.2 Device Programming
        3. 10.5.1.3 Application Curves
    6. 10.6 System Examples
      1. 10.6.1 System Level Diagram
    7. 10.7 Do's and Don'ts
  11. 11Power Supply Recommendations
    1. 11.1 Pin Connection Recommendations
      1. 11.1.1 VCC Pins and Decoupling
        1. 11.1.1.1 Clock Output Supplies
        2. 11.1.1.2 Low-Crosstalk Supplies
        3. 11.1.1.3 PLL2 Supplies
        4. 11.1.1.4 Clock Input Supplies
        5. 11.1.1.5 Unused Clock Inputs/Outputs
    2. 11.2 Current Consumption / Power Dissipation Calculations
  12. 12Layout
    1. 12.1 Layout Guidelines
      1. 12.1.1 Thermal Management
    2. 12.2 Layout Example
  13. 13Device and Documentation Support
    1. 13.1 Device Support
      1. 13.1.1 Development Support
        1. 13.1.1.1 PLLatinum Sim
        2. 13.1.1.2 TICS Pro
    2. 13.2 Related Links
    3. 13.3 Trademarks
    4. 13.4 Electrostatic Discharge Caution
    5. 13.5 Glossary
  14. 14Mechanical, Packaging, and Orderable Information

封装选项

机械数据 (封装 | 引脚)
散热焊盘机械数据 (封装 | 引脚)
订购信息

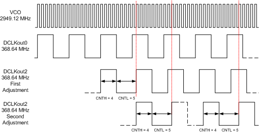
Single and Multiple Dynamic Digital Delay Example

In this example, two separate adjustments are made to the device clocks. In the first adjustment, a single delay of 1 VCO cycle occurs between DCLKout2 and DCLKout0. In the second adjustment, two delays of 1 VCO cycle occur between DCLKout2 and DCLKout0. At this point in the example, DCLKout2 is delayed 3 VCO cycles behind DCLKout0.

Assuming the device already has the following initial configurations:

  • VCO frequency: 2949.12 MHz
  • DCLKout0 = 368.64 MHz, DCLKout0_DIV = 8
  • DCLKout2 = 368.64 MHz, DCLKout2_DIV = 8

The following steps illustrate the example above:

  1. Set DCLKout2_DDLY_CNTH = 4. First part of delay for DCLKout2.
  2. Set DCLKout2_DDLY_CNTL = 5. Second part of delay for DCLKout2.
  3. Set DCLKout2_DDLY_PD = 0. Enable the digital delay for DCLKout2.
  4. Set DDLYd2_EN = 1. Enable dynamic digital delay for DCLKout2.
  5. Set SYNC_DIS0 = 1 and SYNC_DIS2 = 0. Sync should be disabled to DCLKout0, but not DCLKout2.
  6. Set SYNC_MODE = 3. Enable SYNC event from SPI write to the DDLYd_STEP_CNT register.
  7. Set SYNC_MODE = 2, SYSREF_MUX = 2. Setup proper SYNC settings.
  8. Set DDLYd_STEP_CNT = 1. This begins the first adjustment.
  9. Before step 8 DCLKout2 clock edge is aligned with DCLKout0.

    After step 8, DCLKout2 counts four VCO cycles high and then five VCO cycles low as programmed by DCLKout2_DDLY_CNTH and DCLKout2_DDLY_CNTL fields, effectively delaying DCLKout2 by one VCO cycle with respect to DCLKout0. This is the first adjustment.

  10. Set DDLYd_STEP_CNT = 2. This begins the second adjustment.
  11. Before step 9, DCLKout2 clock edge was delayed 1 VCO cycle from DCLKout0.

    After step 9, DCLKout2 counts four VCO cycles high and then five VCO cycles low, as programmed by DCLKout2_DDLY_CNTH and DCLKout2_DDLY_CNTL fields twice, delaying DCLKout2 by two VCO cycles with respect to DCLKout0. This is the second adjustment.

LMK04821 LMK04826 LMK04828 30189011.gifFigure 15. Single and Multiple Adjustment Dynamic Digital Delay Example