ZHCSXL5 December   2024 AFE5401-EP

PRODUCTION DATA  

  1.   1
  2. 特性
  3. 应用
  4. 说明
  5. 引脚配置和功能
    1.     引脚功能
  6. 规格
    1. 5.1  绝对最大额定值
    2. 5.2  ESD 等级
    3. 5.3  建议运行条件
    4. 5.4  热性能信息
    5. 5.5  电气特性
    6. 5.6  数字特性
    7. 5.7  时序要求:输出接口
    8. 5.8  时序要求:复位
    9. 5.9  时序要求:串行接口运行
    10. 5.10 典型特性
  7. 参数测量信息
    1. 6.1 时序要求:在输出串行化模式下
  8. 详细说明
    1. 7.1 概述
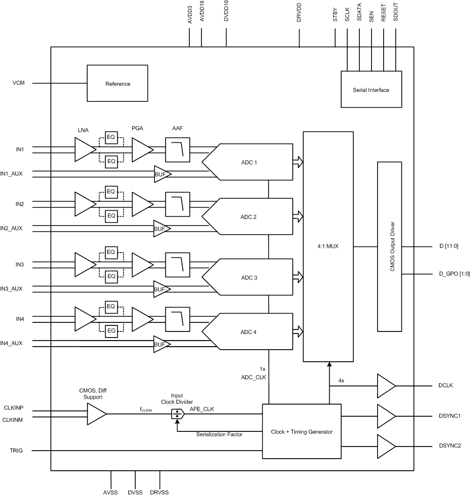
    2. 7.2 功能方框图
    3. 7.3 特性说明
      1. 7.3.1 低噪声放大器 (LNA)
      2. 7.3.2 可编程增益放大器 (PGA)
      3. 7.3.3 抗混叠滤波器
      4. 7.3.4 模数转换器 (ADC)
      5. 7.3.5 数字增益
      6. 7.3.6 输入时钟分频器
      7. 7.3.7 数据输出串行化
      8. 7.3.8 设置模拟输入的输入共模电压
        1. 7.3.8.1 主要通道
        2. 7.3.8.2 辅助通道
    4. 7.4 器件功能模式
      1. 7.4.1 均衡器模式
      2. 7.4.2 数据输出模式
        1. 7.4.2.1 标头
        2. 7.4.2.2 测试图形模式
      3. 7.4.3 奇偶校验
      4. 7.4.4 待机模式和断电模式
      5. 7.4.5 利用数字滤波改善阻带衰减性能
        1. 7.4.5.1 2 倍抽取率模式
        2. 7.4.5.2 4 倍抽取率模式
      6. 7.4.6 诊断模式
      7. 7.4.7 信号链探头
    5. 7.5 编程
      1. 7.5.1 串行接口
      2. 7.5.2 寄存器初始化
        1. 7.5.2.1 寄存器写入模式
        2. 7.5.2.2 寄存器读取模式
      3. 7.5.3 CMOS 输出接口
        1. 7.5.3.1 同步和触发
    6. 7.6 寄存器映射
      1. 7.6.1 功能寄存器映射
      2. 7.6.2 寄存器说明
  9. 应用和实施
    1. 8.1 应用信息
    2. 8.2 典型应用
      1. 8.2.1 设计要求
      2. 8.2.2 详细设计过程
      3. 8.2.3 应用曲线
    3. 8.3 电源相关建议
      1. 8.3.1 电源时序控制
      2. 8.3.2 电源去耦
    4. 8.4 布局
      1. 8.4.1 布局指南
      2. 8.4.2 布局示例
  10. 修订历史记录
  11. 10器件和文档支持
    1. 10.1 文档支持
      1. 10.1.1 相关文档
    2. 10.2 接收文档更新通知
    3. 10.3 社区资源
    4. 10.4 商标
  12. 11机械、封装和可订购信息

封装选项

机械数据 (封装 | 引脚)
散热焊盘机械数据 (封装 | 引脚)
订购信息

功能方框图

AFE5401-EP