ZHCU397A December   2017  – January 2022

 

  1.   说明
  2.   资源
  3.   特性
  4.   应用
  5.   5
  6. 系统说明
    1. 1.1 关键系统规格
  7. 系统概述
    1. 2.1 方框图
    2. 2.2 系统级说明
    3. 2.3 重点产品
      1. 2.3.1 模拟信号链
        1. 2.3.1.1 LMH5401
        2. 2.3.1.2 LHM6401
        3. 2.3.1.3 BUF802
      2. 2.3.2 时钟
        1. 2.3.2.1 LMK61E2
        2. 2.3.2.2 LMK04828
        3. 2.3.2.3 LMX2594
      3. 2.3.3 功率
        1. 2.3.3.1 TPS82130
        2. 2.3.3.2 TPS7A84
    4. 2.4 系统设计原理
      1. 2.4.1 高速低相位噪声时钟生成
      2. 2.4.2 通道间偏斜
      3. 2.4.3 确定性延迟
        1. 2.4.3.1 确定性延迟的重要性
      4. 2.4.4 模拟前端
      5. 2.4.5 多通道系统电源要求
      6. 2.4.6 硬件编程
  8. 电路设计
    1. 3.1 模拟输入前端
      1. 3.1.1 使用 BUF802 的高输入阻抗缓冲器实施
    2. 3.2 高速多通道时钟
    3. 3.3 电源部分
      1. 3.3.1 DC-DC
        1. 3.3.1.1 如何设置 2.1V 输出电压
      2. 3.3.2 LDO
  9. 主机接口
  10. 硬件功能块
  11. 入门应用程序 GUI
  12. 测试和结果
    1. 7.1 测试设置和测试计划
    2.     44
    3. 7.2 SNR 测量测试
    4. 7.3 通道间偏斜测量测试
    5. 7.4 性能测试结果
    6. 7.5 多通道偏斜测量
    7. 7.6 49
  13. 设计文件
    1. 8.1 原理图
    2. 8.2 物料清单
    3. 8.3 Altium 项目
    4. 8.4 Gerber 文件
    5. 8.5 装配图
  14. 软件文件
  15. 10相关文档
    1. 10.1 商标
  16. 11关于作者
    1. 11.1 致谢
  17. 12修订历史记录

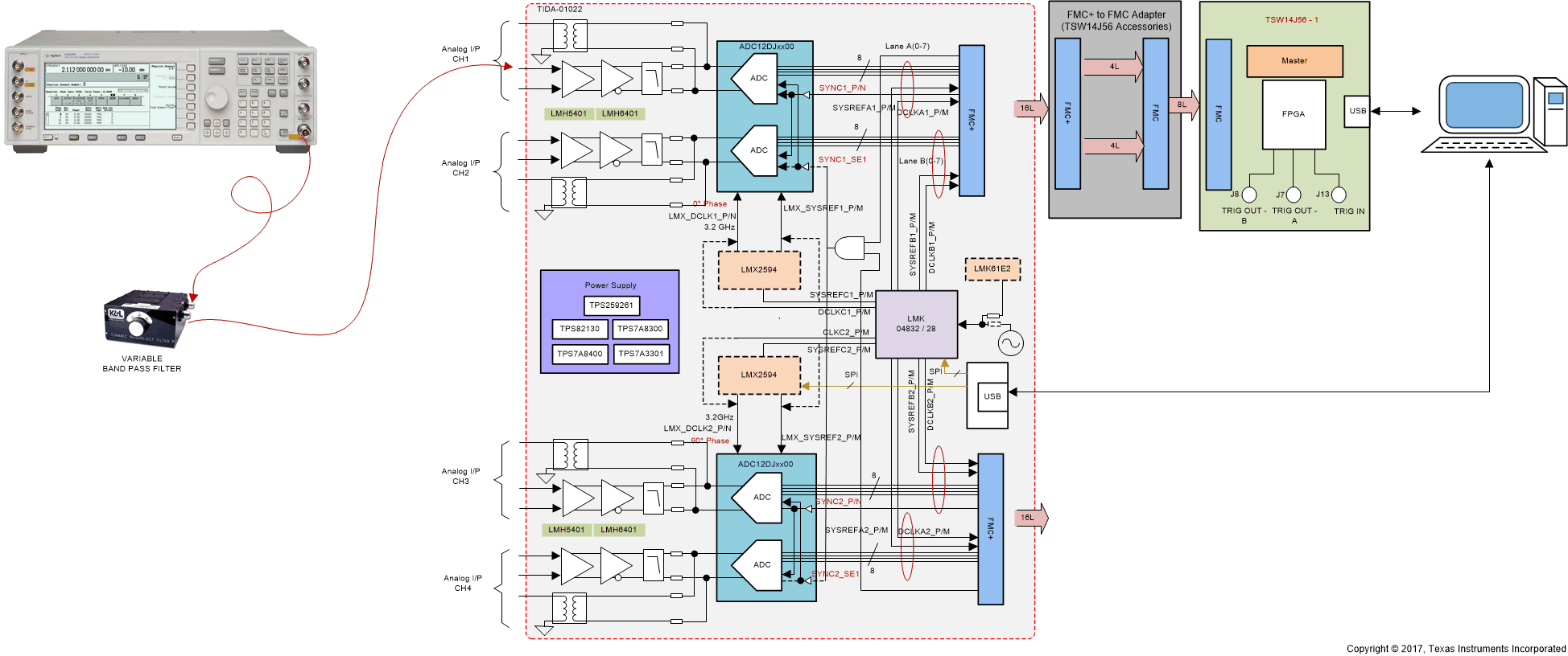
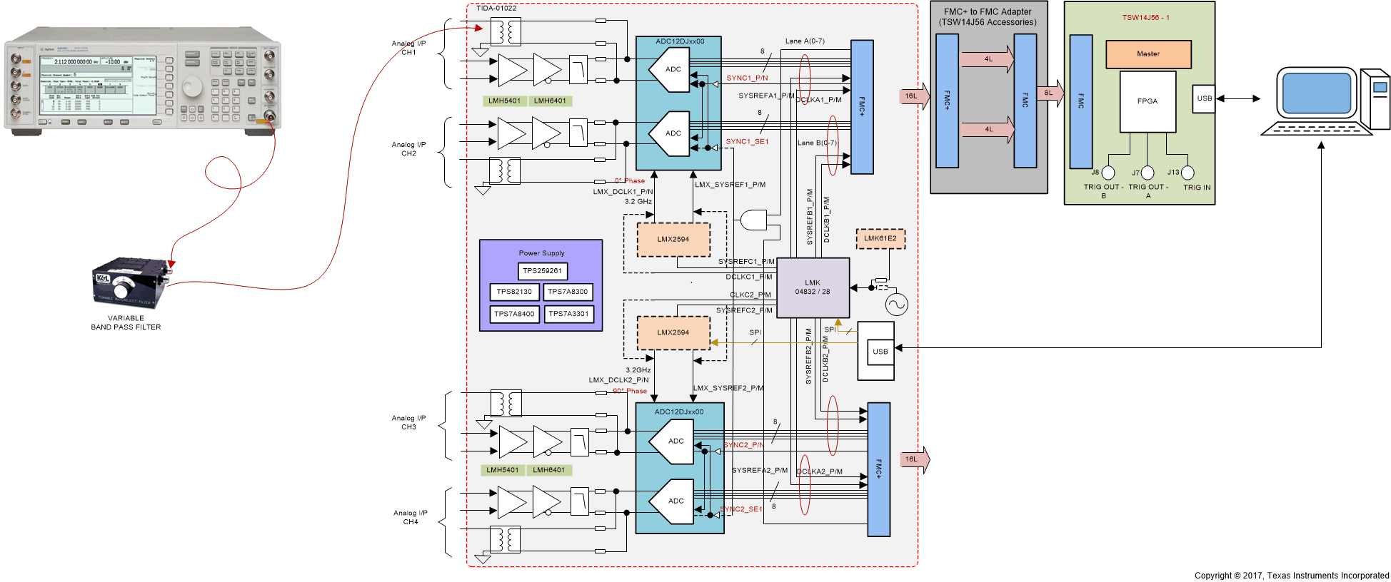
测试设置和测试计划

图 7-1图 7-2图 7-3 分别显示了使用变压器输入时执行信号链 SNR 测量、使用 LMH 输入时执行信号链 SNR 测量和执行通道间时钟偏斜测量的测试设置。

GUID-19F27C56-EA8C-4E4B-91BF-EB991BDC145C-low.gif图 7-1 SNR 测量的测试设置(变压器输入)
GUID-1DE87DDB-A506-4D5E-90E3-27306AE8E30C-low.gif图 7-2 SNR 测量的测试设置(LMH6501 + LMH5401 输入路径)
GUID-176A517B-368B-462D-BB42-23CBD5B57005-low.gif图 7-3 通道间偏斜测量的测试设置