ZHCAEQ8 July   2024 FDC1004 , FDC1004-Q1

 

  1.   1
  2.   摘要
  3.   商标
  4. 引言
  5. CSA 和输入偏置级
  6. CSA 和增益误差因子
  7. 电流检测放大器输入引脚处电阻的应用
    1. 4.1 输入电阻设计注意事项
  8. 电流检测放大器基准引脚处输入电阻的应用
    1. 5.1 双向 CSA 和应用
    2. 5.2 使用高电阻源电压驱动 CSA 基准引脚
    3. 5.3 参考引脚处的输入电阻设计注意事项
  9. CSA 外部输入电阻的设计过程和误差计算
    1. 6.1 计算带 110Ω 输入电阻的 INA185A4 的 eEXT
  10. 电容耦合电流检测放大器上输入电阻的设计过程
    1. 7.1 对电容耦合电流检测放大器的输入 eEXT 进行基准验证
  11. CSA 基准引脚输入电阻的设计过程
  12. INA185 在整个温度范围内的输入电阻误差测试
    1. 9.1 原理图
    2. 9.2 方法
    3. 9.3 理论模型
    4. 9.4 带 110Ω 输入电阻的 INA185A4 的数据
      1. 9.4.1 数据计算
    5. 9.5 分析
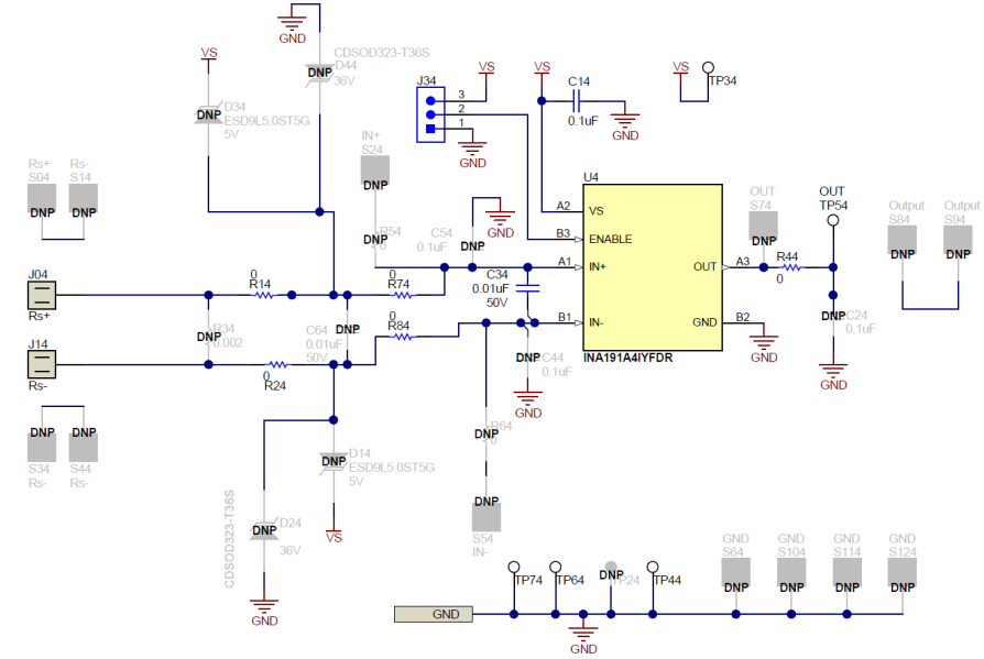
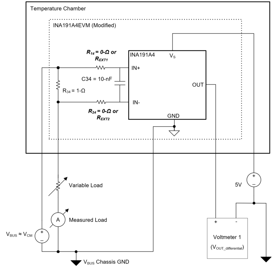
  13. 10INA191 在整个温度范围内的输入电阻误差测试
    1. 10.1 原理图
    2. 10.2 方法
    3. 10.3 理论模型
    4. 10.4 带 2.2kΩ 输入电阻的 INA191A4 的数据
      1. 10.4.1 数据分析
    5. 10.5 分析
  14. 11单级电流检测放大器 (CSA) 的 VOS, EXT 推导过程
  15. 12总结
  16. 13参考资料

原理图

 使用 INA191A4EVM 测量外部电阻误差的测试设置图 10-1 使用 INA191A4EVM 测量外部电阻误差的测试设置

对于测试,移除了不符合温度要求的元件。

 INA191A4EVM 原理图图 10-2 INA191A4EVM 原理图