ZHCAAE6B November   2018  – June 2021 DRV10866 , DRV10963 , DRV10964 , DRV10970 , DRV10974 , DRV10975 , DRV10983 , DRV10983-Q1 , DRV10987 , DRV11873 , DRV3205-Q1 , DRV3220-Q1 , DRV3245E-Q1 , DRV3245Q-Q1 , DRV8301 , DRV8302 , DRV8303 , DRV8304 , DRV8305 , DRV8305-Q1 , DRV8306 , DRV8307 , DRV8308 , DRV8312 , DRV8313 , DRV8320 , DRV8320R , DRV8323 , DRV8323R , DRV8332 , DRV8343-Q1 , DRV8350 , DRV8350R , DRV8353 , DRV8353R , DRV8412 , DRV8701 , DRV8702-Q1 , DRV8702D-Q1 , DRV8703-Q1 , DRV8703D-Q1 , DRV8704 , DRV8711 , DRV8800 , DRV8801 , DRV8801-Q1 , DRV8801A-Q1 , DRV8802 , DRV8802-Q1 , DRV8803 , DRV8804 , DRV8805 , DRV8806 , DRV8811 , DRV8812 , DRV8813 , DRV8814 , DRV8816 , DRV8818 , DRV8821 , DRV8823 , DRV8823-Q1 , DRV8824 , DRV8824-Q1 , DRV8825 , DRV8828 , DRV8829 , DRV8830 , DRV8832 , DRV8832-Q1 , DRV8833 , DRV8833C , DRV8834 , DRV8835 , DRV8836 , DRV8837 , DRV8837C , DRV8838 , DRV8839 , DRV8840 , DRV8841 , DRV8842 , DRV8843 , DRV8844 , DRV8846 , DRV8847 , DRV8848 , DRV8850 , DRV8860 , DRV8870 , DRV8871 , DRV8871-Q1 , DRV8872 , DRV8872-Q1 , DRV8873-Q1 , DRV8880 , DRV8881 , DRV8884 , DRV8885 , DRV8886 , DRV8886AT , DRV8889-Q1

 

  1.   商标
  2. 1接地优化
    1. 1.1 常用术语/连接
    2. 1.2 使用接地平面
      1. 1.2.1 两层板技术
    3. 1.3 常见问题
      1. 1.3.1 电容耦合和电感耦合
      2. 1.3.2 共模噪声和差模噪声
    4. 1.4 EMC 注意事项
  3. 2热特性概述
    1. 2.1 PCB 传导和对流
    2. 2.2 连续顶层散热焊盘
    3. 2.3 覆铜厚度
    4. 2.4 散热过孔连接
    5. 2.5 散热过孔宽度
    6. 2.6 热设计总结
  4. 3过孔
    1. 3.1 过孔电流容量
    2. 3.2 过孔布局建议
      1. 3.2.1 多过孔布局
      2. 3.2.2 过孔的放置
  5. 4通用布线方法
  6. 5大容量电容器和旁路电容器的放置
    1. 5.1 大容量电容器的放置
    2. 5.2 电荷泵电容器
    3. 5.3 旁路电容器/去耦电容器的放置
      1. 5.3.1 靠近电源
      2. 5.3.2 靠近功率级
      3. 5.3.3 靠近开关电流源
      4. 5.3.4 靠近电流感测放大器
      5. 5.3.5 靠近稳压器
  7. 6MOSFET 的放置和功率级布线
    1. 6.1 功率 MOSFET 的常见封装
      1. 6.1.1 DPAK
      2. 6.1.2 D2PAK
      3. 6.1.3 TO-220
      4. 6.1.4 8 引脚 SON
    2. 6.2 MOSFET 布局配置
    3. 6.3 功率级布局设计
      1. 6.3.1 开关节点
      2. 6.3.2 大电流环路路径
      3. 6.3.3 VDRAIN 感测引脚
  8. 7电流感测放大器布线
    1. 7.1 单个高侧分流器
    2. 7.2 单个低侧分流器
    3. 7.3 两相和三相分流放大器
    4. 7.4 元件选型
    5. 7.5 放置
    6. 7.6 布线
    7. 7.7 有用工具(网络节点和差分对)
    8. 7.8 输入和输出滤波器
    9. 7.9 注意事项
  9. 8参考文献
  10. 9修订历史记录

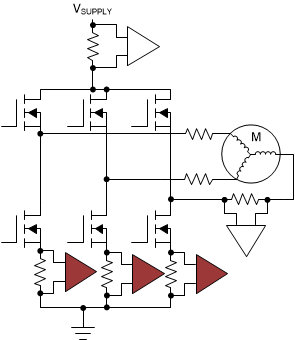
两相和三相分流放大器

图 7-4 所示为一个包含两相和三相 CSA 的电路。

GUID-A93FDD0D-A14E-4D63-A5E1-F34F17697324-low.gif图 7-4 两相和三相 CSA

两相和三相 CSA 有利于电路板布局布线,因为它们具有较低的共模电压要求。此外,它们还允许单独测量每个通道,因此可用于更复杂的控制方案,例如磁场定向控制。

在电路板布局布线中使用两相和三相 CSA 的缺点包括:

  • 对接地噪声的敏感度更高
  • 无法检测接地短路
  • 会需要更多软件来实现系统总电流